| Похожие рефераты | Скачать .docx |
Дипломная работа: Разработка лабораторной установки по исследованию каналов утечки речевой информации
РЕФЕРАТ
В настоящем дипломном проекте разработан лабораторный стенд по исследованию прямых акустических, вибрационных, и акустоэлектрических каналов утечки речевой информации. С помощью данной установки можно получить оценку по защите каналов по различным критериям. Для прямого акустического и вибрационного каналов оценка защищенности проводится по энергетическим и смысловым критериям. Стенд позволяет проводить измерения величины наведенного в линию сигнала при воздействии акустического поля на исследуемый образец. Кроме того стенд позволяет производить проверку средств защиты и снятие их характеристик подавления.
СОДЕРЖАНИЕ
РЕФЕРАТ
УСЛОВНЫЕ ОБОЗНАЧЕНИЯ, СИМВОЛЫ И СОКРАЩЕНИЯ
ВВЕДЕНИЕ
1. АНАЛИЗ ИСХОДНЫХ ДАННЫХ ТЕХНИЧЕСКОГО ЗАДАНИЯ
1.1 Классификация каналов утечки речевой информации
1.2 Физические характеристики и особенности распространения речевого сигнала
1.3 Сущность электроакустического канала утечки речевой информации
1.4 Особенности спектров речевых сигналов
1.5 Способы анализа спектральных характеристик
1.6 Основные критерии защищенности каналов утечки речевой информации
1.7 Основные принципы оценки защищенности каналов утечки речевой информации
2. РАЗРАБОТКА ЛАБОРАТОРНОЙ УСТАНОВКИ
2.1 Цель лабораторных исследований акустических каналов утечки речевой информации
2.2 Основные требования, предъявляемые к лабораторной установке
3. РАЗРАБОТКА НЕСТАНДАРТНОГО ОБОРУДОВАНИЯ ЛАБОРАТОРНОЙ УСТАНОВКИ
3.1 Определение электронных и акустических параметров экранированной звукопоглощающей камеры
3.2 Разработка структурной и функциональной схемы акустического излучателя
3.3 Разработка принципиальной схемы акустического излучателя
4. РАЗРАБОТКА МЕТОДИК ЛАБОРАТОРНЫХ ИССЛЕДОВАНИЙ
4.1 Методика проведения лабораторных работ по исследованию воздушных и вибрационных каналов утечки речевой информации
4.2 Методика проведения лабораторных работ по исследованию акустоэлектрических каналов утечки речевой информации
5. ЭКСПЕРИМЕНТАЛЬНАЯ ПРОВЕРКА ФУНКЦИОНИРОВАНИЯ ЛАБОРАТОРНОЙ УСТАНОВКИ
5.1 Калибровка измерительного микрофона
5.2 Экспериментальные исследования воздушного канала
5.3 Экспериментальные исследования вибрационного канала
5.4 Экспериментальные исследования акустоэлектрического канала
6. ЭКОНОМИЧЕСКАЯ ЧАСТЬ
6.1 Сетевой график
6.2 Экономическая оценка разработки
6.3 Инвестиционная привлекательность разработки
6.4 Выводы по экономической части
7. БЕЗОПАСНОСТЬ И ЭКОЛОГИЧНОСТЬ
7.1 Введение
7.2 Безопасность проекта
7.3 Экологичность проекта
7.4 Анализ возможных чрезвычайных ситуаций
7.5 Выводы
ЗАКЛЮЧЕНИЕ
БИБЛИОГРАФИЧЕСКИЙ СПИСОК
ПРИЛОЖЕНИЕ 3. Спецификация
ПРИЛОЖЕНИЕ 4. Экспериментальные исследования воздушного канала утечки речевой информации
ПРИЛОЖЕНИЕ 5. Экспериментальные исследования акустоэлектрического канала утечки речевой информации
ПРИЛОЖЕНИЕ 6. Параметры сетевого графика
УСЛОВНЫЕ ОБОЗНАЧЕНИЯ, СИМВОЛЫ И СОКРАЩЕНИЯ
ИМ1 – измерительный микрофон 1;
ИМ2 – измерительный микрофон 2;
АЧХ – амплитудно-частотная характеристика;
ГЗЧ – генератор звуковой частоты;
ДАП – датчик акустического поля;
СМ – селективный микровольтметр;
ГШ – генератор шума;
ОЭ – октавный эквалайзер.
ВВЕДЕНИЕ
В настоящее время, в связи с резким повышением интереса к проблемам технической защиты информации, возникла необходимость в подготовке специалистов, способных квалифицированно решать вопросы в данной области.
На сегодняшний день существует множество технических каналов утечки информации, разновидностью которых являются каналы утечки речевой информации, подразделяющиеся на воздушные, вибрационные, акустоэлектрические, параметрические и др.
В данном дипломном проекте нас будут интересовать воздушные, вибрационные, акустоэлектрические каналы утечки речевой информации.
Одним из условий анализа свойств данных каналов является развитие звукового давления с большим уровнем, поэтому встает вопрос о разработке необходимого набора аппаратуры, способной развить требуемое звуковое давление.
Для исследования выше перечисленных каналов в лабораторных условиях возникает необходимость в создании конструкции, способной сымитировать данные каналы.
В результате получаем – цель дипломного проекта: разработать лабораторный стенд по исследованию акустических, вибрационных и акустоэлектрических каналов утечки речевой информации и методики проведения экспериментов.
1.АНАЛИЗ ИСХОДНЫХ ДАННЫХ ТЕХНИЧЕСКОГО ЗАДАНИЯ
1.1 Классификация каналов утечки речевой информации
Человеческая речь является одним из древнейших, самым естественным и наиболее распространенным способом обмена информации между людьми [1]. Попытки услышать слова, сказанные для чужих ушей, существуют, наверное, столько же времени, сколько и членораздельная, информационно насыщенная речь. Хорошо известно, что еще в античные времена применялись системы подслушивания, представляющие собой проложенные в стенах домов полые звуководы и соединяющие апартаменты, предназначенные для важных гостей, с помещениями хозяев.
Достижения технического прогресса позволяют сегодня использовать широкий спектр методов и устройств передачи и хранения информации. Тем не менее, и в настоящее время особый интерес вызывает контроль речевой информации, живого разговора. Это связано с рядом специфических особенностей, присущих именно речевой информации и связанных с некоторыми чертами человеческой психики:
- конфиденциальностью, предполагающей, что устно делаются сообщения или отдаются распоряжения, которые не могут быть доверены никакому носителю информации или средству передачи;
- оперативностью, заключающейся в том, что информация может быть перехвачена в момент ее озвучивания;
- виртуальностью, состоящей в том, что, исследуя живую речь человека, можно сделать заключение о его эмоциональном состоянии, личном отношении к сообщению, составить психологический портрет и т. д.
Нелишне также напомнить о том, что перехваченная речевая информация, особенно так называемый первичный сигнал (речь, не прошедшая никакой обработки), является, по существу, документом с личной подписью человека, озвучившего сообщение, так как современные методы анализа речи позволяют однозначно идентифицировать его личность.
Перечисленные уникальные особенности, присущие речевой информации, объясняют ее исключительную ценность, а следовательно, и высокую заинтересованность возможного противника в ее перехвате.
Кроме речевой информации к акустическим, относятся также сигналы образующиеся в результате работы технических средств предназначенных для обработки конфиденциальной информации (принтер, телетайп и т.д.)
Перехват акустической информации заключается в приеме, обработке и регистрации акустических и вибрационных сигналов, в восстановлении и анализе речи с целью выявления содержащихся в ней разведывательных сведений. Функционально-техническую структуру канала перехвата речевой информации (технического канала утечки речевой информации) показанную на рис. 1.1 образуют источник первичного сигнала (говорящий человек или устройство звуковоспроизведения), соответствующий тип аппаратуры акустической речевой разведки и физическая среда между ними.

Рис. 1.1. Структура канала перехвата речевой информации.
В процессе ведения акустической речевой разведки добывание разведывательных данных, в зависимости от физической природы возникновения информационных сигналов, среды распространения акустических колебаний и способов перехвата, может осуществляться по следующим техническим каналам утечки речевой информации:
- воздушный (прямой акустический);
- вибрационный;
- оптико-электронный;
- акустоэлектрический;
- параметрический.
Под воздушным каналом утечки речевой информации понимается технический канал перехвата информации, в котором в качестве приемного устройства аппаратуры разведки используются микрофоны различных типов и конструкций (в том числе специальные направленные микрофоны), регистрирующие акустическое поле защищаемого речевого сигнала.
Вибрационный канал утечки речевой информации – технический канал перехвата информации, в котором в качестве приемного устройства аппаратуры акустической речевой разведки используются контактные виброприемники (вибродатчики) различных типов и конструкций, регистрирующие вибрационное поле защищаемого речевого сигнала непосредственно на ограждающих конструкциях объектов защиты (стены, потолки, полы) и на элементах их инженерно-технических систем (трубы водоснабжения, отопления, канализации и другие твердые тела).
Оптико-электронный (лазерный) канал утечки речевой информации – технический канал перехвата информации, в котором используется аппаратура дистанционного лазерного зондирования отражающих поверхностей объектов защиты, попадающих в акустическое поле речевого сигнала.
Акустоэлектрический канал утечки речевой информации – технический канал перехвата информации, возникающий за счет преобразования акустических сигналов в электрические, включает перехват акустических колебаний через вспомогательные технические средства и системы (ВТСС), обладающих "микрофонным эффектом".
Параметрический канал утечки речевой информации - в результате воздействия акустического поля меняется давление на все элементы высокочастотных генераторов технических средств приема, обработки, хранения и передачи информации (ТСПИ) и ВТСС. При этом меняется (незначительно) взаимное расположение элементов схем, проводов в катушках индуктивности, дросселей и т.п., что может привести к изменениям параметров высокочастотного сигнала, например, к модуляции его информационным сигналом.
Классификация технических каналов утечки акустической (речевой) информации приведена на рис. 1.2.

Рис. 1.2. Классификация технических каналов утечки речевой информации
1.2 Физические характеристики и особенности распространения речевого сигнала
Звуковое поле характеризуется следующими характеристиками: линейные, энергетические[2].
К линейным характеристикам звукового поля относят звуковое давление, скорость колебаний и акустическое сопротивление среды.
Звуковое давление представляет силу, действующую на единицу поверхности, и измеряется в Па. Скоростью колебаний называют скорость движения частиц среды под действием проходящей звуковой волны (м/с). Удельным акустическим сопротивлением называется отношение звукового давления к скорости колебаний (Па×с/м).
К энергетическим характеристикам звукового поля относят интенсивность звука.
Интенсивностью звука или силой звука называют количество энергии, проходящее в секунду через единицу площади, перпендикулярной к направлению распространения волны (Вт/м2 ).
В акустике за уровень параметра принимают величину, пропорциональную логарифму относительного значения этого параметра. Таким образом, при использовании десятичных логарифмов для параметра К уровень
N = a×lg (K/K0 ),
где а – коэффициент пропорциональности, определяемый размером выбранных логарифмических единиц. Как правило пользуются единицей измерения децибел (дБ), и поэтому пользуются следующими выражениями для определения уровней: для энергетических параметровNЭ = 10×lg (KЭ /K0Э ) и для линейных
NЛ = 20×lg (KЛ /K0Л ). К0
– условное значение параметра, к которому относят величину этого параметра.
За условное (нормированное) значение нулевого уровня электрической мощности Р0 принимают 1 мВт. Абсолютный уровень электрической мощности
NР = 10×lg (Р/Р0 ) = 10×lg (РВт /10-3 ),
РВт – мощность в ваттах. Этот уровень мощности измеряется в децибелах мощности (дБм).
Уровень по звуковому давлению в децибелах для воздуха определяют относительно звукового давления по величине, соответствующей нулевому значению уровня интенсивности для удельного акустического сопротивления равного 400 кг/м2 ×с, то есть уровень определяется выражением
LР = 20×lg (Р/Р0 ) = 20×lg (РПа /2×10-5 ),
где Р0 = 2×10-5 Па – условное действующее значение для нулевого уровня по звуковому давлению, РПа – действующее значение звукового давления, Па.
Человеческая речь представляет собой шумоподобный акустический сигнал, несущий амплитудную и частотную модуляцию [1]. Основная энергия акустических колебаний речевого сигнала заключена в диапазоне 70 Гц - 7 кГц, причем более 95% смысловой информации размещается в более узком диапазоне - 200 Гц - 5 кГц. Акустические колебания выше и ниже этих частот несут информацию об эмоциях и личности говорящего (устный почерк), способствует узнаваемости и несколько повышают разборчивость речи в условиях повышенных шумов.
Динамические характеристики разговорной речи весьма различны и во многом зависят от внешних условий, в которых находится говорящий. Так, спокойный, доверительный разговор, ведущийся собеседниками, находящимися рядом друг с другом, происходит обычно с уровнем порядка 55 дБ (звуковое давление); выступление в зале, а нередко и разговор по телефону около 75 дБ. При этом динамический диапазон речи также меняется в довольно широких пределах 25-45 дБ.
Акустические колебания, распространяющиеся в помещении, падают на ограждающие конструкции, в основном отражаются от них, а частично взаимодействуют с ними, вызывая соответствующие колебания конструкций, и распространяются далее в виде вибрационных колебаний. Вследствие добротности большинства строительных материалов, вибрационные колебания, вызванные речевым сигналом, могут быть приняты на значительном удалении от места проведения разговора. В этой связи следует отметить два важных аспекта. Во-первых, степень проникновения акустической энергии из воздушной среды в твердое тело зависит от соотношения акустических сопротивлений этих сред:
~×C12×C2, (1.1)
где 1 и 2 - плотность материала строительной конструкции и воздуха;
C1 и C2 - скорость звука в материале строительной конструкции и воздухе.
Это положение имеет простое и практически важное следствие, которое получило в строительной акустике название «закон массы» - чем больше масса единицы площади конструкции, тем меньше вибрационные колебания, вызванные звуком, или, проще говоря, чем толще стена, тем выше звукоизоляция.
Высокие акустические характеристики строительных конструкций создают хорошие условия для распространения вибраций, вызванных прочими источниками, такими как уличные шумы, протекание воды в системах отопления, шаги, хлопки дверей, работа бытовой аппаратуры и т. д., что создает при приеме речевой информации, распространяющейся по строительным конструкциям, комплекс так называемых структурных помех.
Следует отметить, что спектры структурных помех имеют, как правило, спадающий в сторону высоких частот характер и близки к спектрам вибраций речевых сигналов.
Уровень структурных помех в здании и величина звукоизоляции выделенного помещения являются основными факторами, определяющими возможность перехвата информации по акустическому и виброакустическому каналу.
1.3 Сущность электроакустического канала утечки речевой информации
Некоторые элементы ВТСС, в том числе электромагниты вторичных электрочасов, звонков телефонных аппаратов, дроссели ламп дневного света и т.п., обладают свойством изменять свои параметры (емкость, индуктивность, сопротивление) под действием акустического поля, создаваемого источником акустических колебаний. Изменение параметров приводит к появлению на данных элементах электродвижущей силы (ЭДС), изменяющейся по закону воздействующего информационного акустического поля. Например, акустическое поле, воздействуя на якорь электромагнита вызывного телефонного звонка, вызывает его колебание. В результате чего изменяется магнитный поток сердечника электромагнита. Изменение этого потока вызывает появление ЭДС самоиндукции в катушке звонка, изменяющейся по закону изменения акустического поля.
ВТСС, кроме указанных элементов, могут содержать непосредственно электроакустические преобразователи. К таким ВТСС относятся некоторые датчики пожарной сигнализации, громкоговорители ретрансляционной сети и т.д. Эффект электроакустического преобразования акустических колебаний в электрические, называют "микрофонным эффектом". Причем, из ВТСС, обладающих "микрофонным эффектом", наибольшую чувствительность к акустическому полю имеют абонентские громкоговорители и некоторые датчики пожарной безопасности, датчики разбития стекла.
1.4 Особенности спектров речевых сигналов
Акустический сигнал от первичного источника звука, как правило, имеет непрерывно изменяющиеся форму и состав спектра. Эти спектры могут быть дискретными, сплошными и смешанными, высокочастотными и низкочастотными [1].
В практике часто приходится иметь дело с энергетическим спектром сигнала. Под ним подразумевается огибающая квадратичных значений амплитуд частотных составляющих сигнала (для дискретных спектров) или плотности спектра квадрата амплитуд А2 (х) (для сплошных спектров). Последняя будет представлять собой спектральную плотность по интенсивности
J(w) = k×A2 (w), (1.2)
т. е. спектральной плотностью называют интенсивность звука в полоске частот равной 1 Гц, т. е. спектральная плотность
J = ID f / Df, (1.3)
где ID f – интенсивность, измеренная в узкой полоске частот Df = 1Гц.
Для удобства введена логарифмическая мера оценки плотности спектра аналогично оценке по уровню интенсивности. Эта мера называется уровнем спектральной плотности, или спектральным уровнем. Спектральный уровень
B = 10×lg (J / I0 ) = 10×lg JВт + 120 ,(1.4)
где I0 = 10 –15 Вт / м2 - условное (нормированное) значение, аналогичное для оценки уровня интенсивности. Размерность J выражается в единице на герц (Гц -1 ).
Часто для представления спектра вместо спектральной плотности пользуются интенсивностью или звуковым давлением, измеренными в октавной, полуоктавной или третьоктавной полосе частот (октава представляет собой частотный интервал, для которого отношение крайних частот равно 2), и соответственно определяют уровни в этих полосах. В этом случае спектральный уровень
B = 10×lg (Iокт / Dfокт ×I0 ) = 20×lg (pокт / p0 ) - 10×lgDfокт , (p0 = 2×10-5 Па) ,(1.5)
а уровень в октавной полосе
Lокт = 10×lg (Iокт / I0 ) = 20×lg (pокт / p0 ), (1.6)
где Dfокт – ширина соответствующей октавной полосы. Вычитая (1.6) из (1.5), имеем
Lокт – B = 10×lgDfокт ,(1.7)
то есть разность между линейным и октавным анализом определяется, логарифмом от октавной полосы.
1.5 Способы анализа спектральных характеристик
В настоящее время существует несколько различных способов анализа спектральных характеристик речевого сигнала. Остановимся на линейном, октавном и третьоктаном анализе [1].
Линейный анализ - это исследование спектра с полосой пропускания одинаковой ширины во всем диапазоне частот. Октавный и третьоктавный анализ – исследование спектра с полосой пропускания, имеющей одинаковую относительную ширину полосы пропускания, то есть отношение Df/f0 постоянно во всем диапазоне частот (Df - полоса пропускания, f0 - средняя частота полосы). Это означает, что абсолютная ширина полосы пропускания для октавного и третьоктавного анализа тем выше, чем выше средняя частота. Международными рекомендациями и ГОСТ 17168-71 установлены номиналы средних частот:
- для октавного анализа средние частоты определяются по формуле
fср.п = 103 n / 10 (Гц), (1.8)
где –1 £n£ 14, то есть всего 16 полос;
нижние частоты октавной полосы –
;
верхние частоты октавной полосы –
.
для третьоктавного анализа средние частоты определяются по формуле
fср.п = 10n / 10 (Гц), (1.9)
где –4 £n£ 43, то есть всего 48 полос;
нижние частоты октавной полосы –
;
верхние частоты октавной полосы –
.
Исследование спектральных характеристик в октавных полосах используется для определения эффективности принятых мер защиты информации в соответствии с требованиями Гостехкомиссии России.
Линейный и третьоктавный анализы предназначены для более детального исследования спектра сигналов и помех.
1.6 Основные критерии защищенности каналов утечки речевой информации
Защита речевой информации является одной из важнейших задач в общем комплексе мероприятий по обеспечению информационной безопасности объекта или учреждения.
Для ее перехвата предполагаемый «противник» (лицо или группа лиц, заинтересованных в получении информации) может использовать широкий арсенал портативных средств акустической речевой разведки, позволяющих перехватывать речевую информацию по прямому акустическому, вибрационному, акустоэлектрическому и оптико-электронному каналам, к основным из которых относятся [3]:
- портативная аппаратура звукозаписи (малогабаритные диктофоны, магнитофоны и устройства записи на основе цифровой схемотехники);
- направленные микрофоны;
- электронные стетоскопы;
- электронные устройства перехвата речевой информации (закладные устройства) с датчиками микрофонного и контактного типов с передачей перехваченной информации по радио, оптическому (в инфракрасном диапазоне длин волн) и ультразвуковому каналам, сети электропитания, телефонным линиям связи, соединительным линиям вспомогательных технических средств или специально проложенным линиям;
- оптико-электронные (лазерные) акустические системы и т.д. Портативная аппаратура звукозаписи и закладные устройства с датчиками микрофонного типа (преобразователями акустических сигналов, распространяющихся в воздушной и газовой средах) могут быть установлены при неконтролируемом пребывании физических лиц («агентов») непосредственно в выделенных (защищаемых) помещениях. Данная аппаратура обеспечивает регистрацию речи средней громкости при удалении микрофона на расстояние до 10-15 м от источника речи [3].
Электронные стетоскопы и закладные устройства с датчиками контактного типа позволяют перехватывать речевую информацию без физического доступа «агентов» в выделенные помещения. При этом датчики закладных устройств наиболее часто устанавливаются вблизи мест возможной утечки речевой информации:
- микрофонного типа (в выходах кондиционеров и каналах систем вентиляции);
- контактного типа (преобразователи виброакустических сигналов, распространяющихся по строительным конструкциям зданий, инженерным коммуникациям и т. п.) (на наружных поверхностях зданий, на оконных проемах и рамах, в смежных (служебных и технических) помещениях за дверными проемами, ограждающими конструкциями, на перегородках, трубах систем отопления и водоснабжения, коробах воздуховодов вентиляционных и других систем).
Экспериментальные исследования показали, что с использованием данных средств разведки обеспечивается перехват речевой информации с высоким качеством через ограждающие конструкции в железобетонных зданиях через 1-2 этажа, по трубопроводам через 2-3 этажа и по вентиляционным каналам на расстоянии до 20-30 м [4].
Применение для ведения разведки направленных микрофонов и оптико-электронных (лазерных) акустических систем не требует проникновения «агентов» не только в выделенные и смежные с ними помещения, но и на охраняемую территорию объекта. Разведка может вестись из соседних зданий или автомашин, находящихся на автостоянках, прилегающих к зданию.
С использованием направленных микрофонов возможен перехват речевой информации из выделенных помещений при наличии открытых оконных проемов (форточек или фрамуг) в условиях города (на фоне транспортных шумов) на расстояниях до 50 м [I]. За городом при оптимальных условиях дальность разведки может составлять до 80-100 м днем и до 200 м в ночное время.
Максимальная дальность разведки с использованием оптико-электронных (лазерных) акустических систем, снимающих информацию с внутренних стекол, составляет 150-200 м в городских условиях (наличие интенсивных акустических помех, запыленность атмосферы) и до 500 м в загородных условиях [5].
Защита речевой информации достигается проектно-архитектурными решениями, проведением организационных и технических мероприятий, а также выявлением электронных устройств перехвата информации.
Использование тех или иных методов и средств определяется характеристиками объекта защиты и аппаратуры разведки, условиями ее ведения, а также требованиями, предъявляемыми к эффективности защиты акустической (речевой) информации.
Для оценки защищенности каналов утечки информации используются два критерия: энергетический и смысловой.
Энергетическим показателем является распределение отношений "сигнал / шум", дБ, в октавных полосах частот в контрольных точках для нормированного энергетического спектра речевого сигнала.
Смысловым критерием является словесная разборчивость речи - относительное или процентное количество принятых специально тренированными слушателями (артикулянтами) слов из общего количества переданных по тракту.
Для оценки разборчивости речи целесообразно использовать инструментально-расчетный метод, основанным на результатах экспериментальных исследований, проведенных Н. Б. Покровским. [3] Суть этого метода заключается в следующем.
Энергетический спектр речи разбивается на N частотных полос, в общем случае произвольной ширины Df = fBi – fHi (fBi - -верхнее значение частоты i-й полосы, fHi - нижнее значение частоты i-й полосы).
Для каждой i-й (i = 1... N) частотной полосы инструментальным методом измеряются уровень сигнала Lc . i , дБ и уровень шума (помехи) Lш i ., дБ.
Далее для каждой 1-й частоты расчетным методом определяются:
- отношение «уровень речевого сигнала / уровень акустического шума (помехи);
. (1.10)
- формантный параметр DАi
, на среднегеометрической частоте полосы
, характеризующий энергетическую избыточность дискретной составляющей речевого сигнала в полосе, по формуле (1.11):
(1.11)
- весовой коэффициент полосы кi , характеризующий вероятность наличия формант речи в данной полосе, по формуле (1.12):
,(1.12)
где к(
) и к(
) - значения весового коэффициента для верхней
и нижней
граничных частот, рассчитываемые по формуле (1.13):
(1.13)
- спектральный индекс артикуляции (понимаемости) речи Ri (информационной вес i-й спектральной полосы частотного диапазона речи), по формуле (1.14):
, (1.14)
где коэффициент рi определяется по формуле (1.15):
(1.15)
Далее для общей частотной полосы спектра речевого сигнала рассчитываются:
- интегральный индекс артикуляции речи R, по формуле ()1.16:
.(1.16)
- зависимость словесной разборчивости от интегрального индекса артикуляции речи по формуле (1.17):
(1.17)
Критерии эффективности защиты акустической (речевой) информации во многом зависят от целей, преследуемых при организации защиты, например:
- скрыть смысловое содержание ведущегося разговора;
- скрыть тематику ведущегося разговора и т.д.
1.7 Основные принципы оценки защищенности каналов утечки речевой информации
1.7.1 .Воздушный и вибрационный каналы
Оценка защищенности воздушного и вибрационного каналов основывается на инструментально-расчетном способе определения отношений "речевой сигнал / акустический (вибрационный) шум" (далее "сигал / шум") в контрольных точках в октавных полосах со среднегеометрическими частотами 250, 500, 1000, 2000, 4000 Гц с последующим сравнением полученных отношений "сигнал / шум" с нормированными значениями, или с последующим пересчетом полученных значений "сигнал / шум" в числовую величину словесной разборчивости речи и сравнения ее с нормированным значением.
Для проведения инструментального контроля с использованием аппаратуры общего применения должны быть сформированы передающий и приемный измирительные комплексы. Структура измерений показана на рис.1.3

Рис. 1.3. Структура измерений параметров каналов утечки речевой информации
Передающий измерительный комплекс должен содержать:
- генератор шума;
- усилитель мощности;
- акустический излучатель;
- измерительный микрофон;
- шумомер;
- полосовые октавные фильтры со среднегеометрическими частотами 250, 500, 1000, 2000, 4000 Гц.
В качестве тестового (контрольного) сигнала рекомендуется использовать акустический шумовой сигнал с нормальным распределением плотности вероятности мгновенных значений в пределах каждой октавной полосы частот. В зависимости от технических возможностей используемых генераторов шума контрольный сигнал может излучаться одновременно во всех октавных полосах (в полосе частот 175…5600 Гц), либо в последовательно в каждой отдельно взятой полосе. С целью сокращения времени на проведение контроля рекомендуется использовать тестовый (контрольный) сигнал, излучаемый одновременной во всех октавных полосах.
Допускается также использование гармонических (тональных сигналов) со среднегеометрическими частотами октавных полос. В этом случае в контрольной точке необходимо провести не менее трех измерений на частотах fср i ±Df,
где fср i – среднегеометрическая частота i – октавной полосы;
Df – частотная поправка, равная (10…15) % от fср i .
В качестве исследуемых элементов могут выступать различные преграды, воздуховоды, инженерные коммуникации и т.п.
Приемный измерительный комплекс должен содержать:
- измерительный микрофон;
- виброприемник (акселерометр);
- шумомер;
- полосовые октавные фильтры со среднегеометрическими частотами 250, 500, 1000, 2000, 4000 Гц.
Вместо шумомера в измерительных комплексах могут быть использованы спектральные анализаторы.
В передающем измерительном комплексе рекомендуется использовать генераторы шума, обеспечивающие возможность независимой регулировки уровня шумового сигнала в каждой из пяти октавных полос со среднегеометрическими частотами 250, 500, 1000, 2000, 4000 Гц.
Усилитель мощности и акустический излучатель должны обеспечивать уровень звукового давления излучаемого акустического шумового сигнала на расстоянии 1 м от апертуры акустического излучателя не менее 110 дБ.
В качестве акустического излучателя целесообразно использовать малогабаритные акустические системы с неравномерностью АЧХ звукового давления в полосе частот 175…5600 Гц, не превышающей ± 6дБ.
Шумомер, используемый в передающем и приемном комплексах, должен соответствовать классу 1 или 2 по ГОСТ 17168-82.
Октавные фильтры приемной части измерительного комплекса должны соответствовать классу 1 или 2 по ГОСТ 17168-82.
Ряд элементов в приемном и передающем комплексе могут быть общими при их последовательном применении в процессе проведения соответствующих измерений.
1.7.2 Акустоэлектрический канал
Данный канал образуется за счет наличия в технических средствах акустоэлектрических преобразований. Если линии связи от технических средств выходят за пределы контролируемого пространства (доступ к ним не ограничен), то в этом случае данный канал может являться каналом утечки речевой информации.
Оценка защищенности данного канала сводится к определению уровня наведенного сигнала в техническом средстве за счет акустоэлектрических преобразований в последнем.
Структура измерений параметров акустоэлектрического канала аналогична рассмотренной в разделе 1.7.1 с той лишь разницей, что исследуемым элементом может являться устройство обладающее акустоэлектрическими преобразованиями. В приемном комплексе в качестве устройства регистрирующего уровень наведенного сигнала служит селективный микровольтметр или анализатор спектра.
2. РАЗРАБОТКА ЛАБОРАТОРНОЙ УСТАНОВКИ
2.1 Цель лабораторных исследований акустических каналов утечки речевой информации
Целью лабораторных исследований является исследование частотных свойств элементов возможных каналов утечки речевой информации (стены, двери, воздуховоды, окна, помещения, в котором циркулирует конфиденциальная информация, устройства, обладающие акустоэлектрическими преобразованиями) при различных значениях звукового давления, развиваемого падающей на исследуемый элемент волной акустического колебания. Определение степени защищенности исследуемых каналов по энергетическому критерию и критерию словесной разборчивости речи.
В процессе проведения этих работ студенты должны определить степень защищенности каналов и предложить необходимые меры по его защите, в случае неудовлетворительных результатов.
2.2 Основные требования, предъявляемые к лабораторной установке
При построении функциональной схемы лабораторной установки по исследованию акустических, вибрационных и акустоэлектрических каналов утечки речевой информации возникают проблемы следующего характера:
Для возбуждения исследуемого элемента канала встает вопрос о развитии акустического поля с уровнем звукового давления до 120 дБА в месте расположения элемента, что создает определенный дискомфорт при проведении лабораторных работ. В качестве способа позволяющего решить данную проблему предлагается использовать звукопоглощающую негабаритную конструкцию (камеру). Внутри камеры устанавливается требуемое звуковое давление с помощью акустической системы. На выходе камеры ставим исследуемые образцы, имитирующие ограждающие конструкции и инженерные коммуникации, которые представляют собой каналы утечки информации.
При исследовании акустоэлектрических каналов утечки информации помимо развития поля с требуемым высоким уровнем звукового давления возникает проблема уменьшения больших внешних наводок, создаваемых электромагнитными полями, от работающих в зоне расположения исследуемых образцов технических средств, на фоне которых становится проблематично выловить наведенный на исследуемые образцы сигнал. Эту проблему можно решить с помощью экранированной камеры, позволяющей понизить уровень внешних помех, а также использованием заземления измерительных приборов.
Таким образом, можно сделать вывод о необходимости создания экранированной звукопоглощающей камеры, являющейся основой лабораторной установки для проведения комплекса лабораторных работ связанных с исследованием воздушных, вибрационных и акустоэлектрических каналов утечки речевой информации.
Для создания тестового сигнала, представляющего собой акустический шумовой сигнал с нормальным распределением плотности вероятности мгновенных значений в пределах каждой октавной полосы частот (175…5600 Гц), с уровнем звукового давления 90-110 дБ необходимо разработать датчик акустического поля, включающий в себя генератор шума, октавный эквалайзер, усилитель мощности звуковой частоты. Для более точного исследования каналов утечки информации рекомендуется проводить анализ в полосе частот (175…10000 Гц), с уровнем звукового давления 120 дБА.
В качестве исследуемых устройств акустоэлектрических каналов могут использоваться телефонные аппараты, электродинамические громкоговорители и другие технические средства, обладающие "микрофонным эффектом". Как правило их линии связи являются симметричными, что также необходимо учитывать при постановке экспериментов. В силу того, что большинство измерительных приборов имеет несимметричные входы, встает вопрос о создании согласующего усилителя с симметричным входом и несимметричным выходом, через который будут подключаться к измерительным приборам исследуемые устройства.
При проведении экспериментальных исследований необходим контроль уровня звукового давления, развиваемого в месте расположения исследуемого элемента. Решение этой задачи может быть осуществлено установкой в месте предполагаемого расположения исследуемого элемента высокочувствительного измерительного микрофона.
На основании вышесказанного схема лабораторной установки должна содержать набор стандартной (выпускаемой промышленностью) и нестандартной аппаратуры:
К стандартной аппаратуре относятся:
- генератор звуковой частоты типа Г4-103 или подобный генератор с аналогичными характеристиками;
- импульсный шумомер 00014 с набором октавных фильтров;
- селективный микровольтметр типа В6-9 или селективный усилитель У2-8, используемый для определения величины звукового давления внутри камеры и для измерения величины наведенного сигнала на исследуемое устройство. В качестве такого прибора может использоваться селективный нановольтметр Unipan 233, или ряд аналогичных устройств;
- генератор шума низкочастотный, или любой другой (нестандартный) с аналогичными характеристиками (например магнитофон, с записями испытательных шумов);
- акустическая система с мощностью не менее 10 Вт;
- измерительный микрофон электродинамического принципа действия любого типа;
- вибропреобразователь (акселерометр).
К нестандартной аппаратуре, которую необходимо изготовить относится:
- датчик акустического поля;
- экранированная звукопоглощающая камера;
- согласующий усилитель.
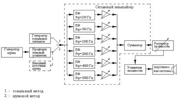
Функциональная схема лабораторной установки по исследованию воздушных и вибрационных каналов утечки речевой информации, на основании вышеизложенного, имеет вид представленный на рис.2.1.
Положение ключей:
- К1 в положении 1, К2 в положении 1, К3 в положении 2 – реализуется тональный метод исследования акустического канала утечки информации;
- К1 в положении 1, К2 в положении 2, К3 в положении 2 – реализуется тональный метод исследования вибрационного канала утечки информации;
- К1 в положении 2, К2 в положении 1, К3 в положении 2 – реализуется шумовой метод исследования акустического канала утечки информации;
- К1 в положении 2, К2 в положении 2, К3 в положении 2 – реализуется шумовой метод исследования вибрационного канала утечки информации;
- К1 в положении 1, К2 в положении 1, К3 в положении 1 – реализуется калибровка микрофона 1 при тональном методе исследования каналов утечки информации;
- К1 в положении 2, К2 в положении 1, К3 в положении 2 – реализуется калибровка микрофона 1 при шумовом методе исследования акустического канала утечки информации;
Функциональная схема лабораторной установки по исследованию акустоэлектрических каналов утечки информации приведена на рис. 2.2
Положение ключей:
- К1 в положении 1, К2 в положении 1 – реализуется тональный метод исследования акустоэлектрического канала утечки информации;
- К1 в положении 2, К2 в положении 1 – реализуется шумовой метод исследования акустоэлектрического канала утечки информации;
- К1 в положении 1, К2 в положении 2, подключается измерительный микрофон 2 – реализуется калибровка микрофона 1 при тональном методе исследования каналов утечки информации;
- К1 в положении 2, К2 в положении 2, подключается измерительный микрофон 2 – реализуется калибровка микрофона 1 при шумовом методе исследования каналов утечки информации;

Рис. 2.1. Функциональная схема лабораторной установки по исследованию воздушных и вибрационных каналов утечки информации

Рис. 2.2.. Функциональная схема лабораторной установки по исследованию акустоэлектрических каналов утечки информации
3. РАЗРАБОТКА НЕСТАНДАРТНОГО ОБОРУДОВАНИЯ ЛАБОРАТОРНОЙ УСТАНОВКИ
3.1 Определение электрических и акустических параметров экранированной звукопоглощающей камеры
К основным параметрам экранированной звукопоглощающей относятся степень поглощения звуковых колебаний и экранирующая способность в отношении влияния на исследуемые образцы внешних электромагнитных полей.
В качестве камеры принята металлическая камера с габаритами 900´1400´1300 мм
В соответствии с техническим заданием она должна удовлетворять следующим условиям:
- подавление электрических и магнитных полей 20-40 дБ;
- подавление звукового давления 20-40 дБ;
- максимальные габариты камеры 1500´1500´1500 мм
В качестве звукопоглощающего материала принят поролон. Выбор остановим в его пользу в силу незначительной стоимости данного вида звукопоглотителя, распространенности и доступности в продаже. Конечно, можно использовать и другие звукопоглощающие материалы с более высокой степенью поглощения, но во-первых нам не требуется такая качественная звукоизоляция для выполнения санитарных норм в лаборатории, а во-вторых стоимость качественных звукопоглотителей на порядок выше стоимости поролона. При правильной установке поглотителя внутри камеры можно добиться общего уровня звукоизоляции, удовлетворяющего техническому заданию.
Для расчета эффективности экранирования камерой электрических и магнитных полей воспользуемся ориентировочными формулами (3.1) и (3.2) [6]:
, (3.1)
, (3.2)
где ЭЭ и Эм – эффективность экранирования для электрической и магнитной составляющих электромагнитного поля;
ЭПЛ – эффективность экранирования полупространства от падающей плоской волны бесконечным экраном;
l - длина волны;
R – эквивалентный радиус экрана;
, (3.3)
где a, b, c – линейные размеры экрана.
Таким образом, получаем:
. (3.4)
. (3.5)
В качестве экранирующего материала возьмем сталь толщиной 0,5 мм для которого ЭПЛ = 150 дБ на частоте 10 кГц.
Рассчитаем эффективность экранирования:
. (3.6)
. (3.7)
Как видим, камера с такими линейными размерами, выполненная из данного материала пригодна для экранирования внешних электромагнитных полей.
Реальное затухание звукового давления и электромагнитных волн оценим практическим способом.
Конструкция и размеры камеры приведены в приложении 1
3.2 Разработка структурной и функциональной схемы акустического излучателя
При разработке структурной схемы датчика акустического поля требуется выполнить следующие условия технического задания:
· развиваемое звуковое давление на расстоянии 1 м от излучателя не менее 120 дБ (20 Па).
· тип генерируемых колебаний:
- шум с распределением мгновенных значений по нормальному закону с независимой регулировкой уровня в октавных полосах на средне - геометрических частотах 250, 500, 1000, 2000, 4000, 8000 Гц; диапазон регулировки ±20 дБ.
- гармонические колебания с частотами fср.г. ±15%, где fср.г.=250, 500, 1000, 2000, 4000, 8000 Гц. С независимой регулировкой уровней по частотам в диапазоне ±20 дБ.
Как следует из задания, в качестве первичного источника акустических сигналов необходимо разработать генератор шума с нормальным распределением мгновенных значений, возможно в качестве генератора шума использовать внешние источники: кассетный магнитофон с записью шума, стандартные источники шума. В случае с гармоническими колебаниями воспользуемся обычным генератором низкой частоты (Г3-102, Г3-112, и др.).
Для независимой регулировки уровня в октавных полосах на средне - геометрических частотах 250, 500, 1000, 2000, 4000, 8000 Гц встает вопрос о разработке октавного эквалайзера.
Наконец, для того чтобы развить требуемое звуковое давление, нужно первичный сигнал усилить с помощью усилителя мощности звуковой частоты.
На выходе акустического излучателя стоит акустическая система, которая создает требуемое звуковое давление.
Таким образом, можно выделить структуру акустического излучателя, состоящую из четырех основных блоков:
- источник первичного сигнала;
- октавный эквалайзер;
- усилитель мощности звуковой частоты;
- акустическая система.
Структурная схема акустического излучателя изображена на рис. 3.1

Рис. 3.1. Структурная схема акустического излучателя.
Разработку функциональной схемы датчика акустического поля начнем с выбора акустической системы. Она должна удовлетворять следующим условиям:
- диапазон воспроизводимых частот 100 Гц-10000 Гц;
- развиваемое звуковое давление 20 Па;
- экранированный точечный излучатель;
Из ряда диффузорных электродинамических громкоговорителей выбираем громкоговоритель 10ГД-36, со следующими основными параметрами:
- диапазон воспроизводимых частот 63 Гц-20000 Гц;
- паспортная мощность 15 Вт;
- номинальное электрическое сопротивление 4 Ом;
- развиваемое стандартное звуковое давление 0,2 Па;
- габариты 200´200 мм.
Под точечным понимается излучатель, линейные размеры которого не превышают 10% размеров исследуемой преграды. Данный громкоговоритель удовлетворяет этому условию. Для экранирования электрических и магнитных полей создаваемых магнитной системой громкоговорителя закроем диффузор заземленной мелкоячеистой металлической сеткой.
Звуковое давление PЗВ (Па), развиваемое громкоговорителем, жестко связано с подаваемой на него электрической мощностью W (Вт) (мощность, рассеиваемая на сопротивлении, равном по величине номинальному электрическому сопротивлению громкоговорителя, при напряжении, равном напряжению на зажимах громкоговорителя) и средним стандартным звуковым давлением PСТ (Па) (среднее звуковое давление, развиваемое громкоговорителем в номинальном диапазоне частот на рабочей оси на расстоянии 1 м от рабочего центра при подведении к нему напряжения, соответствующего электрической мощности равной 0,1 Вт) соотношением (3.8).
. (3.8)
Таким образом, чтобы получить звуковое давление 20 Па необходимо к громкоговорителю подвести электрическую мощность:
. (3.9)
Естественно, что приведенные числа являются ориентировочными, так как обусловлены определенными уровнями шума, его спектральными характеристиками, а также заданным стандартным звуковым давлением громкоговорителя. Однако они позволяют выдвинуть максимальные требования к характеристикам усилителя мощности.
Отсюда следует, что необходимо разработать усилитель с выходной мощностью не менее 10 Вт и коэффициентом усиления не менее 50 дБ. Значительный запас мощности, которым обладает усилитель, позволяет получить большой динамический диапазон громкости, что улучшает стабильность работы при номинальной мощности и обеспечивает незначительные нелинейные искажения. Максимальная выходная мощность, которая может быть передана в нагрузку, определяется максимальными значениями напряжения, действующего на выходе усилителя, и тока, протекающего через усилитель при заданной нагрузке.
Для регулировки уровня входного напряжения подаваемого на вход усилителя нужно использовать регулятор громкости.
Для независимой регулировки уровня в октавных полосах на средне - геометрических частотах 250, 500, 1000, 2000, 4000, 8000 Гц встает вопрос о разработке октавного эквалайзера, представляющего собой набор полосовых фильтров с регулировкой уровня на выходе, с последующим суммированием всех полос.
В качестве датчика шума возможно использование как внутреннего, так и внешнего источника. Внешними источниками могут являться стандартный генератор шума, магнитофонная запись с шумом и ряд других устройств.
Для простоты работы и минимизации стандартной аппаратуры необходимо разработать внутренний (встроенный) генератор шума.
При использовании внутреннего генератора шума необходимо, усилить выходной сигнал с генератора, для обеспечения нормальной работы октавного эквалайзера и достижения нужного коэффициента усиления.
Учитывая сказанное выше, функциональная схема акустического излучателя имеет вид представленный на рис. 3.2.

Рис. 3.2. Функциональная схема акустического излучателя.
3.3.Разработка принципиальной схемы акустического излучателя
3.3.1 Усилитель мощности с регулятором громкости
В настоящее время существует множество различных схем усилителей мощности звуковой частоты, как отечественного, так и зарубежного производства. При выборе схемного решения устройства будем придерживаться следующих критериев:
- Коэффициент усиления не менее 50 дБ;
- Выходная мощность не менее 10 Вт;
- Сопротивление нагрузки 4 Ом;
- Частотный диапазон от 100 Гц до 10 кГц;
- Минимальное количество навесных элементов.
Выбор остановим на усилителе мощности низкой частоты, разработанный фирмой SGSTHOMSONMICROELECTRONICS, со следующими основными показателями:
- Коэффициент усиления 84 дБ;
- Выходная мощность 15 Вт;
- Сопротивление нагрузки 4 Ом;
- Частотный диапазон от 30 Гц до 20 кГц;
- Напряжение питания ±6В - ±18В.
Основным усилительным элементом выступает микросхема TDA 2030 (отечественный аналог - микросхема серии К174УН19). В качестве простейшего регулятора громкости может служить обычный переменный резистор, включенный по схеме делителя напряжения. Принципиальная схема усилителя мощности с регулятором громкости представлена на рис. 3.3.

Рис. 3.3. Принципиальная схема усилителя мощности низкой частоты с регулятором громкости.
3.3.2 Расчет октавного эквалайзера
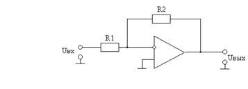
Октавный эквалайзер представляет собой набор полосовых фильтров со срединными частотами 250 Гц, 500 Гц, 1000 Гц, 2000 Гц, 4000 Гц, 8000 Гц и соответствующими октавами 177 Гц – 354 Гц, 354 Гц – 707 Гц, 707 Гц – 1410 Гц, 1410 Гц – 2830 Гц, 2830 Гц – 5660 Гц, 5660 Гц – 11300 Гц, с последующей независимой регулировкой уровня напряжения сигнала. На выходе фильтров смесь сигналов суммируется с помощью буферного усилителя, представляющего собой операционный усилитель, включенный по стандартной схеме приведенной на рис 3.4.

Рис. 3.4. Схема включения операционного усилителя, работающего в режиме усиления.
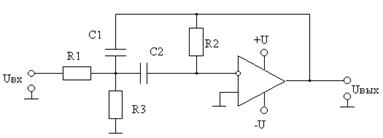
В качестве устройства, реализующего необходимые характеристики, выберем полосовой фильтр со сложной отрицательной обратной связью, который отличается простотой реализации и удовлетворяет заданным требованиям.
Соответствующая схема фильтра приведена на рис. 3.5

Рис. 3.5. Схема полосового фильтра со сложной отрицательной связью
Примем С1 = С2 = С
Его передаточная функция имеет следующий вид:
. (3.10)
Из сравнения этого выражения с передаточной функцией полосового фильтра в общем случае:
(3.11)
гдеAr – коэффициент передачи на резонансной частоте;
Q – добротность.
следует, что коэффициент при p2 должен быть равен 1, отсюда находим резонансную частоту fр
.
.
. 3.12)
Подставив это выражение для резонансной частоты в передаточную функцию (3.10), и приравняв соответствующие коэффициенты к коэффициентам выражения (3.11), получим остальные формулы для вычисления характеристик фильтра:
.
. (3.13)
.
.
.(3.14)
из которых видно, что коэффициент передачи, добротность и резонансная частота рассматриваемого полосового фильтра могут выбираться произвольно.
Выражение для полосы пропускания фильтра получим из формулы:
.(3.15)
Для нахождения параметров схемы R1, R2 и R3 зафиксируем с,B,fр и возьмем Аr =-1
Þ
. (3.16)
Þ
Þ
. (3.17)
Þ
Þ
Þ

. (3.18)
Для нахождения АЧХ фильтра подставим в выражение (3.10).
и возьмем его модуль.
. (3.19)
- АЧХ фильтра
По изложенной выше методике рассчитаем параметры схемы для всех шести полос и построим АЧХ фильтров. Расчет и построение проведем с помощью профессионального приложения Mathcad 7 Professional
Данные расчетов приведены в табл. 3.1.
Таблица 3.1.
Параметры схемы полосовых фильтров
| fСРЕД (Гц) | R1 (Ом) | R2 (Ом) | R3 (Ом) | C (нФ) |
| 250 | 89,92×103 | 179,80×103 | 30,07×103 | 10 |
| 500 | 45,09×103 | 90,17×103 | 14,97×103 | 10 |
| 1000 | 22,64×103 | 45,28×103 | 7,43×103 | 10 |
| 2000 | 11,21×103 | 22,42×103 | 3,78×103 | 10 |
| 4000 | 5,62×103 | 11,25×103 | 1,88×103 | 10 |
| 8000 | 2,82×103 | 5,64×103 | 0,93×103 | 10 |
АЧХ фильтров приведены на рис. 3.6.а и 3.6.б

а)

б)
Рис. 3.6. АЧХ полосовых фильтров
а) для fср=250 Гц, 500 Гц, 1000 Гц;
б) для fср=2000 Гц, 4000 Гц, 8000 Гц,
гдеН0(f) – АЧХ фильтра с fСР = 250 Гц;
Н1(f) – АЧХ фильтра с fСР = 500 Гц;
Н2(f) – АЧХ фильтра с fСР = 1000 Гц;
Н3(f) – АЧХ фильтра с fСР = 2000 Гц;
Н4(f) – АЧХ фильтра с fСР = 4000 Гц;
Н5(f) – АЧХ фильтра с fСР = 8000 Гц.
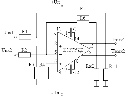
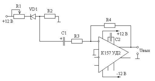
В качестве активного элемента выберем микросхему серии К157 УД2, которая представляет собой двухканальный операционный усилитель общего назначения, построенный по "стандартной" трехкаскадной схеме с защитой выхода от короткого замыкания. Типовая схема включения операционного усилителя приведена на рис. 3.7. Для обеспечения устойчивой работы ОУ в каждом каскаде необходимо подключить емкость коррекции С1, С2 величиной от 0 до 30 пФ.
Напряжение питания ОУ выбирается из диапазона питающих напряжений ±3В - ±18В.

Рис. 3.7. Типовая схема включения операционного усилителя К157УД2
Нумерация и назначение выводов:
1, 14 – частотная коррекция 1 канала;
2 – неинвертирующий вход 1 канала;
3 – инвертирующий вход 1 канала;
4 – отрицательный источник питания;
5 – инвертирующий вход 2 канала;
6 – неинвертирующий вход 2 канала;
7, 8 – частотная коррекция 2 канала;
9 – выход 2 канала;
10, 12 – свободный вывод;
11 – положительный источник питания;
13 – выход 1 канала.
В качестве пассивных элементов выбираем резисторы типа МЛТ 0,125, СП3-04А, конденсаторы типа К10-17а.
3.3.2 Генератор шума с предусилителем
В качестве первичного источника шума в данном дипломном проекте выбран полупроводниковый стабилитрон Д814. Основным требованием к первичному источнику шума является стабильность характеристик последнего.
Хотя генераторы на стабилитронах обладают рядом недостатков по сравнению с другими источниками шума, при малых сопротивлениях нагрузки эти недостатки пропадают и на таких генераторах становится возможным создание довольно стабильных устройств.
В качестве предусилителя воспользуемся операционным усилителем К157 УД2 построенным по схеме усиления.
Принципиальная схема генератора шума с предусилителем представлена на рис. 3.8

Рис. 3.8. Принципиальная схема генератора шума с предусилителем
3.3.3 Согласующий усилитель
Согласующий усилитель – устройство, осуществляющее переход от симметричной линии к несимметричной. Он представляет из себя дифференциальный усилитель с симметричным входом и несимметричным выходом.
Данный усилитель должен быть малошумящим, чтобы его собственные шумы не превышали уровень наведенного сигнала Uс. Коэффициент усиления желательно иметь как можно больше, но усилитель не должен самовозбуждаться. Усиленный сигнал должен значительно превышать уровень собственных шумов усилителя. В данном лабораторном стенде коэффициент усиления согласующего усилителя равен 100.
4. РАЗРАБОТКА МЕТОДИК ЛАБОРАТОРНЫХ ИССЛЕДОВАНИЙ
4.1 Методика проведения лабораторных работ по исследованию воздушных и вибрационных каналов утечки речевой информации
Целью лабораторных исследований является исследование частотных свойств элементов воздушных и вибрационных каналов утечки речевой информации (стены, двери, воздуховоды, окна, помещения, в котором циркулирует конфиденциальная информация) при различных значениях звукового давления, развиваемого падающей на исследуемый элемент волной акустического колебания. Определение степени защищенности исследуемых каналов по энергетическому критерию и критерию словесной разборчивости речи.
В процессе проведения этих работ студенты должны определить степень защищенности каналов и предложить необходимые меры по его защите, в случае неудовлетворительных результатов.
Исследования проводятся в соответствии со схемой представленной на рис. 2.1. и заключается в выполнении следующих этапов.
1. Подготовительный этап.
Собрать схему в соответствии с рис 2.1;
Провести калибровку измерительных приборов: селективного микровольтметра В6-9 (СМ) (селективного усилителя У2-8);
Провести калибровку измерительного микрофона 1 (ИМ1) по схеме указанной в пункте 5.1.2;
С помощью генератора шума (ГШ) и ДАП сформировать низкочастотный отрезок "белого шума" в полосе частот 175¸10000 Гц. Для чего октавным эквалайзером (ОЭ) на ДАП установить уровень шума в октавах со среднегеометрическими частотами 250, 500, 1000, 2000, 4000, 8000 Гц в соответствии с выражением 4.1:
P = Pmin + n×3 дБА ,(4.1)
где Рmin – давление в октаве с fср = 250 Гц;
n – порядковый номер октавы.
Измерения проводить с помощью шумомера 00014 (режим "EXT") и октавного фильтра 00016 (режим "FIL", настройка поочередно на 250 Гц, 500 Гц, 1 кГц, 2 кГц, 4 кГц, 8 кГц);
2. Этап первичных измерений и обработки данных.
. (4.2)
Вычислить отношение «уровень речевого сигнала / уровень акустического шума (помехи) qi в октавных полосах cfсрi по формуле (4.3);
. (4.3)
Вычислить формантный параметр DАi
, на среднегеометрической частоте полосы
, характеризующий энергетическую избыточность дискретной составляющей речевого сигнала в полосе, по формуле (1.11);
Вычислить весовой коэффициент полосы кi , характеризующий вероятность наличия формант речи в данной полосе, по формулам (1.12) и (1.13);
Спектральный индекс артикуляции (понимаемости) речи ri (информационной вес i-й спектральной полосы частотного диапазона речи), по формулам (1.14) и (1.15);
- Далее для общей частотной полосы спектра речевого сигнала рассчитываются интегральный индекс артикуляции речи R, по формуле (1.16);
Зависимость словесной разборчивости речи W от интегрального индекса артикуляции речи по формуле (1.17);
Последовательно устанавливая внутри камеры давление с интегральным уровнем Рn = Ринт min + n×DP, где DP = 10 дБ, n = 1, 2…, при этом для уровня Рn при котором октавный уровень L(с+ш) £Lш берется добавка DL, т.е. Рn = Ринт min + n×DP + DL, для уровня Рn при котором октавный уровень L(с+ш) £Lш, Рn = Ринт min + n×DP, для уровня Рn при котором октавный уровень L(с+ш) > Lш;
Для каждого значения Рn повторить пункты 2.4. – 2.11;
Построить зависимость W=W(Pn) и семейство кривых qi (f) при различных значениях Рn;
Установить с помощью регулировок на ГШ "Эхо" интегральный уровень шума Lшэ = Lш + 20дБА;
Повторить пункты 2.3. – 2.14;
Сравнить полученные результаты;
По полученным результатам сделать соответствующие выводы о степени защищенности воздушного канала утечки речевой информации, предложить меры защиты в случае неудовлетворительных результатов.
Методика проведения лабораторных работ по исследованию вибрационных каналов утечки речевой информации аналогична предыдущей с той лишь разницей что, в качестве устройства регистрирующего октавные уровни вибрационных сигнала и шума V(с+ш) и Vш применяется контактный вибропреобразователь (акселерометр), и вибрационный шум с ГШ "Эхо" создается с помощью вибратора (динамик без диффузора)
4.2 Методика проведения лабораторных работ по исследованию акустоэлектрических каналов утечки речевой информации
Целью лабораторных работ является исследование уровней наведенного сигнала в линии связи исследуемого устройства (телефонный аппарат, датчик пожарной сигнализации, система оповещения и т.д.) в зависимости от величины развиваемого на данное устройство звукового давления в диапазоне частот речевого сигнала.
Исследования проводятся в соответствии со схемой представленной на рис. 2.2. и заключается в выполнении следующих этапов.
1.Подготовительный этап.
1.1. Собрать схему в соответствии с рис 2.2;
1.2. Установить испытуемый образец внутрь камеры на виброизолирующую прокладку и подключить его к согласующему усилителю (СУ);
1.3. Провести калибровку измерительных приборов: селективного микровольтметра В6-9 (СМ) (селективного усилителя У2-8);
1.4. Провести калибровку измерительного микрофона 1 (ИМ1) по схеме указанной в пункте 5.1.3;
1.5. С помощью генератора звуковой частоты (ГЗЧ) и датчика акустического поля (ДАП) на частоте f = 1кГц задать звуковое давление внутри камеры 110-120 дБА и сорентировать испытуемый образец относительно акустического излучателя в положении максимального показания стрелочного индикатора СМ;
1.6. помощью генератора шума (ГШ) и ДАП сформировать низкочастотный отрезок "белого шума" в полосе частот 175¸10000 Гц. Для чего октавным эквалайзером (ОЭ) на ДАП установить уровень шума в октавах со среднегеометрическими частотами 250, 500, 1000, 2000, 4000, 8000 Гц в соответствии с выражением 4.4:
P = Pmin + n×3 дБА, (4.4)
где Рmin – давление в октаве с fср = 250 Гц;
n – порядковый номер октавы.
Измерения проводить с помощью шумомера 00014 (режим "EXT") и октавного фильтра 00016 (режим "FIL", настройка поочередно на 250 Гц, 500 Гц, 1 кГц, 2 кГц, 4 кГц, 8 кГц);
1.7.Закрыть камеру.
2.Этап измерений.
2.1.Определение числа точек измерений.
2.1.1.Включить ГШ и ДАП с настройками "белого шума";
2.1.2.Перестраивая СМ в диапазоне в диапазоне частот 175¸10000 Гц найти "пики" уровней наведенного сигнала;
2.1.3.Определить частоту "пиков" fпi, для чего на вход СМ, не изменяя настроек, подключит ГЗЧ и регулировкой частоты добиться максимального показания стрелочного индикатора СМ. Частота ГЗЧ является искомой величиной;
2.1.4.Перестраивая, относительно найденной частоты пика, СМ найти минимумы значений уровня наведенного сигнала слева и справа от частоты пика;
2.1.5.Определить частоты минимумов наведенного сигнала fmнi и fmвi аналогично пункта 2.2.3
где fmнi – частота соответствующая минимальному значению ниже fп;
fmвi – частота соответствующая минимальному значению выше fп;
2.1.6.Находится частотная полоса выброса Dfi = fmвi – fmнi;
2.1.7.Из ряда значений Dfi выбирается наименьшее;
2.1.8.Определить число точек частотного анализа в соответствии с выражением (4.5):
, (4.5)
где DF = 5600 – 175 Гц – полоса анализа.
2.1.9.Минимальное число точек анализа определяется количеством среднегеометрических значений октавных полос анализируемого спектра nmin = 5;
Данная процедура иллюстрируется графически на рис. 4.1

Рис. 4.1. Графическая иллюстрация нахождения числа точек измерения.
3. Этап исследований.
3.1 Настроить СМ на частоту f1=250 Гц и измерить уровень шумов Uш.изм1 наводимый на исследуемое устройство с учетом коэффициента усиления СУ=100, т.е. провести нормировку Uш1=Uш.изм1/100;
3.2 Подключить ГЗЧ к ДАП и задать частоту f1=250 Гц;
3.3 С помощью СМ определить Pmin при котором фиксируется значение Uс+ш;
3.4 Изменяя давление Р = Рmin + n×DP,
где DP = 10 дБА;
n = 1, 2…N.
Р £ Рmin + nmax ×DP = Pmax, проводится операция фиксирования U(с+ш)изм на данной частоте, с учетом нормировки U(с+ш)= U(с+ш)изм/100
3.5 Установить частоту на ГЗЧ fi= fi + n×Df;
3.6 Повторить пункты 3.1. – 3.4. для частот fi;
3.7 Вычислить значение уровня наведенного сигнала Uci по формуле (4.6) и построить семейство кривых Uc(f, Р).
(4.6)
3.8 Полученные данные с учетом коэффициента усиления СУ сводятся в табл. 4.1
Таблица 4.1
Результаты экспериментальных данных
| Uш | P1 | P2 | Pn | |||
| Uс+ш | Uc | Uс+ш | Uс | Uс+ш | Uс | |
| f1 | ||||||
| f2 | ||||||
| Fn | ||||||
3.9 Для заданных нормированных значений Eн и Р0 определить степень защищенности канала по величине допустимого звукового давления в месте установки исследуемого образца Рдоп, исходя из следующих соображений;
3.10 Для значений величины акустического давления в месте установки исследуемого образца Рn находится коэффициент акустоэлектрических преобразований (КАЭП) по формуле (4.7)
. (4.7)
3.11 После чего вычисляется эффективное значение этого коэффициента, согласно выражения (4.8):
, (4.8)
где n – количество контролируемых точек частотного диапазона;
1,7 – коэффициент "запаса".
3.13.Допустимое значение акустического давления Pдоп определяется из соотношения (4.9):
. (4.9)
3.14. Строится зависимость Рдоп (Рn) по которой можно судить о степени защищенности данного канала;
Канал является защищенным, если выполняется условие Рдоп³Р0 .
Далее делаются соответствующие выводы о степени защищенности данного канала утечки информации, предлагаются способы защиты в случае неудовлетворительных результатов.
5. ЭКСПЕРИМЕНТАЛЬНАЯ ПРОВЕРКА ФУНКЦИОНИРОВАНИЯ ЛАБОРАТОРНОЙ УСТАНОВКИ
5.1.Калибровка измерительного микрофона 1
Для дальнейшей работы по исследованию каналов утечки информации необходимо снять характеристики измерительного микрофона 1.
5.1.1.Калибровка ИМ1 в соответствии с тональным методом исследования акустических и вибрационных каналов утечки информации.
Калибровка И.М. 1состоит из следующих этапов.
Измерительный микрофон 1 калибруем в зависимости от давления акустического поля, развиваемого внутри камеры Pj Î (40…100) дБА для ряда частот fi = [250, 500, 1000, 2000, 4000, 8000] Гц.
1. установить внутрь камеры и.м. 2;
2. провести калибровку селективного микровольтметра (С.М.) В6-9;
3. установить с помощью ГЗЧ и ДАП давление акустического поля P1 = 40 дБА на частоте f1 = 250 Гц, P контролируем с помощью шумомера (режим "EXT") и октавного фильтра (режим "FIL", настройка на 250 Гц);
4. подключить С.М. к выходу и.м. 1;
5. настроить С.М. на частоту f1 (включить диапазон "узкая полоса" 200-2кГц, с помощью ручек частота Ñ и ÑÑ, добиться максимального показания стрелочного индикатора) и зафиксировать величину напряжения на И.М. 1 Uк1 ;
6. повторить пункты 1.1.3. – 1.1.5. для величин давления акустического поля, развиваемого внутри камеры из ряда Pj ;
7. повторить пункты 1.1.3. – 1.1.6. для ряда частот fi ;
8. построить семейство кривых Uк j (Pj ) для значений fi .
Семейство кривых представлено на рис. 5.1, рис. 5.2, рис. 5.3.
5.1.2 Калибровка ИМ1 в соответствии с шумовым методом исследования акустических и вибрационных каналов утечки информации.
И.М. 1 калибруем в зависимости от интегрального уровня давления акустического поля, развиваемого внутри камеры Pj Î (70…100) дБА.
1. установить внутрь камеры и.м. 2;
2. провести калибровку (С.М.) В6-9;
3. установить с помощью генератора шума и ДАП шум с нормальным распределением плотности вероятности мгновенных значений в октавных полосах с fср = 250, 500, 1000, 2000, 4000, 8000 Гц (низкочастотный отрезок "белого шума"), для этого с помощью октавного эквалайзера на ДАП выстраиваем характеристику по закону lg 2n , где n – номер октавной полосы начиная с нулевой, т.е. с тенденцией увеличения давления акустического поля в октавной полосе на 3 дБА с возрастанием n, P контролируем с помощью шумомера (режим "EXT") и октавного фильтра (режим "FIL", настраивая поочередно на 250Гц, 500Гц, 1кГц, 2кГц, 4кГц, 8кГц);
4. установить интегральный уровень давления акустического поля P1 = 70дБА, внутри камеры, P контролируем с помощью шумомера (режим "EXT") и октавного фильтра (режим "LIN");
5. подключить С.М. к выходу и.м. 1;
6. зафиксировать величину напряжения на И.М. 1 Uкш1 (включить диапазон "широка полоса" на С.М.);
7. повторить пункты 1.2.4. – 1.2.6. для величин интегрального уровня давления акустического поля, развиваемого внутри камеры из ряда Pj ;
8. построить зависимость Uкш j (Pj ).
Зависимость Uкш j (Pj ) представлена на рис. 5.4
5.1.3 Калибровка ИМ1 в соответствии с тональным методом исследования акустоэлектрических каналов утечки информации.
И.М. 1 калибруем в зависимости от частоты fi Î(250…10000Гц) для давления акустического поля, развиваемого внутри камеры Pj = [60, 70, 80, 90, 100дБА].
1. установить внутрь камеры и.м. 2;
2. провести калибровку селективного микровольтметра (С.М.) В6-9;
3. установить с помощью ГЗЧ и ДАП давление акустического поля P1 = 40 дБА на частоте f1 = 250 Гц, P контролируем с помощью шумомера (режим "EXT") и октавного фильтра (режим "FIL", настройка на 250 Гц);
4. настроить С.М. на частоту f1 (включить диапазон "узкая полоса" 200-2кГц, с помощью ручек частота Ñ и ÑÑ, добиться максимального показания стрелочного индикатора) и зафиксировать величину напряжения на И.М. 1 Uк1 ;
5. повторить пункты 1.3.3. – 1.3.4. для ряда частот fi ;
6. повторить пункты 1.3.3. – 1.3.4. для значений давления акустического поля, развиваемого внутри камеры Pj ;
7. построить семейство кривых Uк j (fi ) для значений Pj .
Семейство кривых представлено на рис. 5.5, рис. 5.6, рис. 5.7.
5.1.4 Калибровка и.м.1 в соответствии с шумовым методом исследования акустоэлектрических каналов утечки информации.
Процедура калибровки И.М. 1 аналогична указанной в пункте 1.2.

Рис. 5.1 Зависимость напряжения на микрофоне Uк от величины звукового давления P, развиваемого внутри камеры для частот f1=250Гц, f2=500Гц, f3=1кГц, f4=2кГц, f5=4кГц, f6=8кГц (Uк=0¸100мкВ)

Рис. 5.2 Зависимость напряжения на микрофоне Uк от величины звукового давления P, развиваемого внутри камеры для частот f1=250Гц, f2=500Гц, f3=1кГц, f4=2кГц, f5=4кГц, f6=8кГц (Uк=100¸1000мкВ)

Рис. 5.3 Зависимость напряжения на микрофоне Uк от величины звукового давления P, развиваемого внутри камеры для частот f1=250Гц, f2=500Гц, f3=1кГц, f4=2кГц, f5=4кГц, f6=8кГц (Uк=1000¸5000мкВ)

Рис. 5.4 Зависимость напряжения на микрофоне Uкш от величины интегрального уровня звукового давления P, развиваемого внутри камеры

Рис. 5.6. Зависимость напряжения на микрофоне Uк от частоты для величины звукового давления, развиваемого внутри камеры P1=60 дБА, Р2=70 дБА.

Рис. 5.7. Зависимость напряжения на микрофоне Uк от частоты для величины звукового давления, развиваемого внутри камеры P3=80 дБА, Р4=90 дБА.

Рис. 5.8. Зависимость напряжения на микрофоне Uк от частоты для величины звукового давления, развиваемого внутри камеры P5=100 дБА.
5.2 Экспериментальные исследования воздушного канала
Эксперименты проводились в учебной лаборатории. В качестве исследуемого образца примем преграда с уплотнительными звукоизолирующими прокладками.
5.2.1 Исследование воздушного канала без использования внешнего источника шума
Анализ ведется в октавных полосах.
По формуле (1.11) вычисляем формантный параметр DАi для октавных полос с fср = 250, 500, 1000, 2000, 4000, 8000 Гц
DА1 = 18,247; DА2 = 13,449; DА3 = 9,887; DА4 = 6,646; DА5 = 4,640; DА5 = 3,397.
По формулам (1.12) и (1.13) вычисляем весовой коэффициент полосы кi , к1 = 0,027; к2 = 0,114; к3 = 0,211; к4 = 0,307; к5 = 0,258; к6 = 0,066
Экспериментальные исследования и расчеты приведены в табл. П.4.1.
График зависимости W(Р) приведен на рис. П.4.1.
График зависимости q(f) при различных значениях Р приведен на рис. П.4.2.
Выводы: Задаваясь нормированными значениями отношения "сигнал/шум" – qн=3дБА, и словесной разборчивости речи Wн=0,5 можно сказать о том, что данный канал по энергетическим параметрам будет являться каналом утечки информации при интегральном уровне звукового давления 80 дБА, в месте установки исследуемого образца.
По критерию словесной разборчивости данный канал требует дополнительных мер защиты при интегральном уровне звукового давления 73 дБА, в месте установки исследуемого образца.
5.2.2 Исследование воздушного канала с использованием внешнего источника шума
Анализ ведется в октавных полосах.
По формуле (1.11) вычисляем формантный параметр DАi для октавных полос с fср = 250, 500, 1000, 2000, 4000, 8000 Гц
DА1 = 18,247; DА2 = 13,449; DА3 = 9,887; DА4 = 6,646; DА5 = 4,640; DА5 = 3,397.
По формулам (1.12) и (1.13) вычисляем весовой коэффициент полосы кi , к1 = 0,027; к2 = 0,114; к3 = 0,211; к4 = 0,307; к5 = 0,258; к6 = 0,066
Экспериментальные исследования и расчеты приведены в табл. П.4.2.
График зависимости W(Р) приведен на рис. П.4.3.
График зависимости q(f) при различных значениях Р приведен на рис. П.4.4.
Выводы: Задаваясь теми же нормированными значениями, что и в предыдущем пункте, можно сказать о том, что данный канал является более защищенным как по энергетическим параметрам, так и по словесной разборчивости речи.
Таким образом можно сделать вывод об улучшении маскирующих свойств данного канала при увеличении внешнего уровня шумов.
5.3 Экспериментальные исследования вибрационного канала
Исследования параметров вибрационного канала производится аналогично пунктам 5.2.1. и 5.2.2, поэтому данные полученные в ходе экспериментальных исследований не приводятся.
5.4 Экспериментальные исследования акустоэлектрического канала
Проведем исследования акустоэлектрического канала утечки речевой информации в соответствии с методикой представленной в пункте 4.2.
В качестве исследуемых образцов выбираем: телефонный аппарат "Телур" и электродинамический громкоговоритель 5 ГДШ.
Зададимся нормированной величиной Eн=1 мкВ и Р0 = 80 дБ
5.4.1 Исследования телефонного аппарата "Телур"
Найдем число точек измерения в соответствии с пунктом 2.1 методики.
При частотном анализе выяснилось что, данное техническое средство не имеет ярковыраженных пиков во всем диапазоне частот, поэтому число точек анализа определяется количеством октав.
Результаты экспериментальных исследований телефонного аппарата "Телур" приведены в табл. П.5.1.
Далее по формулам 4.7.-4.9. построим зависимость Рдоп(Рn). Зависимость Pдоп (Рn) представлена на рис. П.5.1.
Таким образом, можно сделать вывод о том, что данный канал будет являться защищенным при внешнем уровне звукового давления, в месте установки телефонного аппарата, не превышающим 95 дБА. Если уровень звукового давления будет превышать данную величину, то необходимо защищать канал с помощью специальных технических мер.
5.4.2 Исследования электродинамического громкоговорителя 5 ГДШ
Найдем число точек измерения в соответствии с пунктом 2.1 методики.
При частотном анализе выяснилось что, данное техническое средство не имеет ярковыраженных пиков во всем диапазоне частот, поэтому число точек анализа определяется количеством октав.
Результаты экспериментальных исследований электродинамического громкоговорителя 5 ГДШ приведены в табл. П.5.2.
Далее по формулам 4.7.-4.9. построим зависимость Рдоп(Рn). Зависимость Pдоп (Рn) представлена на рис. П.5.2.
Таким образом, можно сделать вывод о том, что данный канал будет являться защищенным при внешнем уровне звукового давления, в месте установки электродинамического громкоговорителя 5 ГДШ, не превышающим 78 дБА.
При сравнении данных устройств можно сказать, что телефонный аппарат является более защищенным в плане акустоэлектрических преобразований по сравнению с электродинамическим громкоговорителем.
6. ЭКОНОМИЧЕСКАЯ ЧАСТЬ
В данном дипломном проекте необходимо разработать лабораторный стенд для исследования акустических, вибрационных и акустоэлектрических каналов утечки речевой информации (каналов). Основу лабораторного стенда составляют как набор штатной электронной аппаратуры (генератор сигналов низкочастотный Г3-102, анализатор спектра Я4С-68, осциллограф С1-99, селективный микровольтметр В6-9, точный импульсный шумомер типа 00017), так и ряд нестандартной техники, в частности, датчик акустического поля, экранированная эхо-камера.
Задачей дипломного проекта ставится создание данных нестандартных устройств и разработка методики проведения лабораторных работ по исследованию вышеперечисленных каналов.
6.1 Сетевой график
Для четкого планирования и выбора оптимального пути на этапах проектирования, изготовления, наладки и исследования необходимо составить сетевой график. Параметры сетевого графика приведены в табл.П.5.1. На рис.6.1. показаны пути решения сетевого графика.

Рис. 6.1. Сетевой график
Таблица 6.1
Расчет продолжительности путей сетевого графика
| Обозначение пути | Последовательность событий пути | t (Ls ) | R (Ls ) | Примечание |
| L1 | 0-1-2-3-4-16-17-18 | 36 | 35 | |
| L2 | 0-1-2-3-5-14-15-17-18 | 39 | 32 | |
| L3 | 0-1-2-3-6-7-8-9-10-11-12-13-17-18 | 71 | 0 | Критический путь |
L1 = 2+5+5+10+1+10+3 = 36;
L2 = 2+5+5+10+1+3+10+3 = 39;
L3 = 2+5+5+10+3+5+2+1+15+5+5+10+3 = 71.
Первый путь L1 представляет собой поиск и покупку готового изделия с характеристиками, требуемыми ТЗ. Второй путь L2 предполагает использование комплекса аппаратуры, составленного из отдельных закупленных блоков, удовлетворяющим ТЗ. Путь L3 предполагает полностью самостоятельное создание устройства от анализа ТЗ до изготовления опытного образца. Путь L3 является критическим, т.е. самым продолжительным.
Как видим из сетевого графика, самыми быстрыми путями решения проблемы являются пути L1 и L2 использование этих путей маловероятно из-за большой стоимости как комплекса аппаратуры в целом, так и его отдельных блоков. Этап дипломного проектирования предполагает изучение всего пути создания радиоэлектронного устройства, поэтому наиболее приемлемо использование пути L3 .
6.2 Экономическая оценка разработки
Проведем оценку затрат на проектирование системы на основе точного метода расчета себестоимости проектируемого изделия. В основе точного метода расчета себестоимости лежит использование системы технико-экономических норм и нормативов всех видов текущих затрат. Исходными данными для проведения этого расчета являются: спецификация основных сборочных единиц, спецификация основных материалов, покупных изделий, нормы трудоемкости по видам работ, тарифные ставки по видам работ, амортизация оборудования, затраты на электроэнергию и т.д.
6.2.1 Затраты на покупку комплектующих деталей
Затраты на покупку комплектующих деталей вычисляются исходя из цен на радиоэлектронные элементы по состоянию на 01.12.2001 (момент покупки) в магазине "Промэлектроника", и представлены в табл. 6.2.
Таблица 6.2
Смета затрат на покупные детали
| Покупные изделия | Количество на РЭА |
Цена за единицу, руб./шт. |
Сумма на РЭА, руб. |
|
| Наименование | Техническая характеристика | |||
| Микросхема | К174УН19 | 1 | 20 | 20 |
| Микросхема | К157УД2 | 5 | 3,5 | 17,5 |
| Микросхема | LM337 | 2 | 12 | 24 |
| Микросхема | КР142ЕН12А | 2 | 4 | 8 |
| Диод | W005 | 4 | 3 | 12 |
| Конденсатор | K10-50 | 4 | 5 | 20 |
| Стабилитрон | KC 175A | 1 | 3,5 | 3,5 |
| Резистор | МЛТ 0,125 | 50 | 0,8 | 40 |
| Резистор | СП 3-30 | 7 | 16,2 | 113,4 |
| Трансформатор | ТПП 220 171 | 1 | 200 | 200 |
| Конденсатор | К10-17А | 10 | 0,9 | 9 |
| Итого | 467,4 | |||
Таким образом затраты на покупные изделия составят 467,4 руб.
6.2.2 Затраты на сырье и материалы
Затраты, связанные с покупкой материала для изготовления опытного образца представлены в табл. 6.3.
Таблица 6.3
Смета затрат на сырье и материалы
| Материал | Марка, сорт, профиль | Норма расхода | Цена за единицу | Сумма на изделие, руб. | |
| на деталь | на изделие | ||||
| Монтажная плата | ПМ | - | 1 шт. | 40 | 40 |
| Припой | ПОС-60 | - | 4 м | 4 | 16 |
| Канифоль | Высший сорт | - | 30 г | 5 | 5 |
| Провод | ПЭВ-0,4 | - | 5 м | 3 | 15 |
| Железо оцинкованное (0,08*1250*2500) | - | 6 шт. | 150 | 800 | |
| Поролон (20*1500*1500) | - | 6 шт. | 100 | 600 | |
| Транспортные расходы | 16 | ||||
| Итого | 1492 | ||||
Таким образом затраты на сырье и материалы составят 1492 руб.
6.2.3 Затраты на заработную плату
При проектировании используется труд разработчика – инженера и сборщика изделия – монтажника, поэтому необходимо производить учет затрат, связанных с оплатой труда в соответствии с действующим законодательством.
Основная заработная плата монтажника-наладчика складывается из суммы оплат технологических операций в соответствии с тарифными ставками.
Таблица 6.4
Расчет основной заработной платы монтажнику-наладчику
Наименование технологической операции |
Норма времени, чел-ч |
Часовая тарифная ставка, руб./чел-ч | Тарифная заработная плата, руб. |
| Слесарная | 40 | 8 | 320 |
| Монтажная | 40 | 10 | 400 |
| Регулировочная | 50 | 5 | 250 |
| Установочная | 30 | 12 | 36 |
| Итого | 1006 | ||
Таким образом, основная заработная плата монтажника-наладчика составит 1006 руб.
Кроме основной заработной платы предусмотрена законодательством дополнительная заработная плата в размере 20% от основной заработной платы:
Дополнительная заработная плата монтажника-наладчика составит
(6.1)
Основная заработная плата инженеров, участвующих в проектировании изделия рассчитывается по формуле (6.2):
, (6.2)
где С – средняя ставка инженера-проектировщика (3000 руб.)
N – среднее число рабочих дней в оплачиваемом месяце (22 дня)
t – продолжительность рабочего дня (8 ч)
Ti – затраты на проведение i-ого вида операции проектирования, выраженные в человеко-часах.
Таблица 6.5
Виды затрат на работы, связанные с проектированием в человеко-часах
| № операции | Наименование операции | Затраты, чел-ч |
| 1 | Изучение аналогичных отечественных и зарубежных разработок | 50 |
| 2 | Разработка структурной схемы устройства | 20 |
| 3 | Разработка функциональной схемы устройства | 20 |
| 4 | Разработка принципиальной схемы устройства | 50 |
| 5 | Выбор элементной базы | 50 |
| 6 | Разработка печатной платы | 100 |
| Итого | 290 |
Таким образом, основная заработная плата инженера-конструктора составит
(6.3)
Дополнительная заработная плата инженера-конструктора составит
. (6.4)
По действующему законодательству необходимо производить отчисления на социальное страхование. Размер отчислений на социальное страхование определяется в процентах от суммы основной и дополнительной заработной платы и обычно не превышает 14% от нее:
. (6.5)
Таким образом, отчисления на социальное страхование составят:
для инженера-конструктора:
. (6.6)
для монтажника-наладчика:
. (6.7)
общие отчисления на социальное страхование составят:
. (6.8)
Находим общие затраты на заработную плату которые определяются основной и дополнительной заработной платой инженера-конструктора и монтажника-наладчика, а так же отчислениями на социальное страхование:
(6.9)
Таким образом, затраты на заработную плату составят 8138,10 руб.
6.2.4 Расчет амортизации оборудования
Для расчета амортизации оборудования, применяемого в ходе экспериментов, воспользуемся формулой:
, (6.10)
где САМ – сумма амортизационных отчислений, приходящихся за работу на данном оборудовании;
ПСТ – первоначальная стоимость оборудования;
КЧ – количество часов занятости оборудования;
РП – предполагаемый ресурс работы.
Данные расчетов приведены в табл. 6.6
Таблица 6.6
Расчет амортизации оборудования
| Наименование оборудования | Количество | ПСТ , руб. | РП , час | КЧ , час | САМ , руб. |
| Осциллограф С1-99 | 1 | 10000 | 12500 | 70 | 56,0 |
| Генератор сигналов низкочастотный Г3-102 | 1 | 2500 | 10000 | 70 | 17,5 |
| Анализатор спектра Я4С-68 | 1 | 30000 | 12500 | 70 | 168,0 |
| Точный импульсный шумомер типа 0017 | 1 | 10000 | 6000 | 70 | 116,6 |
| Селективный микровольтметр В6-9 | 1 | 10000 | 12500 | 70 | 56,0 |
| Тестер | 1 | 300 | 5000 | 20 | 1,2 |
| Итого | 415,3 |
Таким образом, амортизация оборудования составит 415,3 руб.
6.2.5 Расходы на электроэнергию при эксплуатации оборудования
Расходы на электроэнергию при эксплуатации оборудования определяются по формуле (6.11):
, (6.11)
где VЭЛ – расходы на электроэнергию, руб;
Wi – мощность, потребляемая прибором, Вт;
Ni – время работы прибора, час;
M – количество приборов;
S – стоимость кВт×час энергии, руб.
Результаты расчета расходов на электроэнергию приведены в табл. 6.7
Таблица 6.7
Расчет расходов на электроэнергию
| Наименование оборудования | W, ВТ | N, час | S, руб/кВт×час | VЭЛ , руб |
| Осциллограф С1-99 | 50 | 150 | 0,958 | 7,18 |
| Генератор сигналов низкочастотный Г3-102 | 40 | 150 | 0,958 | 5,74 |
| Анализатор спектра Я4С-68 | 200 | 150 | 0,958 | 28,74 |
| Селективный микровольтметр В6-9 | 40 | 150 | 0,958 | 5,74 |
| Паяльник | 25 | 150 | 0,958 | 3,59 |
| Осветительные приборы | 500 | 150 | 0,958 | 71,85 |
| Итого | 122,84 | |||
Таким образом, затраты на электроэнергию составят 122,84 руб.
6.2.6 Расчет себестоимости проектирования
В результате, для полного учета суммарных затрат на разработку лабораторного стенда приведем расчет себестоимости проектирования, отражающий причины и связи затрат.
Результаты расчета приведены в табл. 6.8
Таблица 6.8
Расчет себестоимости проектирования
| Виды затрат | Сумма, руб | Процент к итогу |
| Затраты на комплектующие детали | 467,40 | 4,39 |
| Затраты на сырье и материалы | 1492,00 | 14,03 |
| Затраты на заработную плату | 8138,10 | 76,52 |
| Затраты на амортизацию оборудования | 415,30 | 3,91 |
| Затраты на электроэнергию | 122,84 | 1,15 |
| Итого | 10635,64 | 100 |
Таким образом, себестоимость проектирования составит 10635,64 руб.
6.3 Инвестиционная привлекательность разработки
Оценим инвестиционную привлекательность разработки по формальным показателям, считая, что устройство используется организацией, предоставляющей услуги в области защиты информации.
Стоимость разработанного устройства составляет порядка 11000 руб. Допустим, что заказы на проверку защищенности объектов информатизации поступают раз в месяц и составляют помесячно 5000 руб., 4000 руб., 6000 руб., 5000 руб., 6000 руб. Уровень годовой инфляции примем равным 17%.
6.3.1 Расчет срока окупаемости разработки с учетом процентной ставки
Данные для расчета срока окупаемости с учетом процентной ставки 17 % приведены в табл. 6.9.
Таблица 6.9.
Данные для расчета срока окупаемости с учетом процентной ставки
| Показатель | Период, мес | |||||
| 0 | 1 | 2 | 3 | 4 | 5 | |
| Денежный поток, руб. | 11000 | 5000 | 4000 | 6000 | 5000 | 6000 |
| Накопленный чистый денежный поток, руб. | -11000 | -6000 | -2000 | 4000 | 9000 | 15000 |
| Дисконтированный денежный поток, руб. | 11000 | 4930 | 3889 | 5752 | 4726 | 5592 |
| Накопленный чистый дисконтированный денежный поток, руб. | -11000 | -6070 | -2181 | 3571 | 8298 | 13890 |
Срок окупаемости рассчитывается следующим образом:
, (6.12)
где,Y – номер месяца, предшествующий месяцу окупаемости;
D – невозмещенная наличность на начало года;
F – приток наличности в течение следующего месяца.
Таким образом, срок окупаемости равен:
(6.13)
6.3.2 Чистая текущая стоимость доходов (NPV)
Для однократной инвестиции в данном случае NPV рассчитывается следующим образом:
, (6.14)
гдеC0 – сумма инвестиции;
dt – доходы;
i – процентная ставка (инфляция);
n – период времени.
Таким образом получаем:
(6.15)
6.3.2 Ставка доходности проекта
Определим ставку доходности проекта как показатель рентабельности, то есть:
, (6.16)
где ПР – приведенные расходы (себестоимость устройства)
6.3.3 Внутренняя ставка доходности разработки (IRR)
Для определения внутренней ставки доходности проекта воспользуемся зависимостью NPV в руб. от процентной ставки. График этой зависимости представлен на рис. 6.2.

Рис. 6.2. Зависимость NPV от величины процентной ставки
Судя по графику приведенные доходы равны приведенным расходам (NPV) при процентной ставке равной 440%. Таким образом, IRR=440%.
6.4 Выводы по экономической части
Как видно из табл. 6.8, себестоимость лабораторного стенда составляет 10635,64 руб., что значительно меньше стоимости устройств, представленных на рынке. По полученным формальным показателям можно сказать, что данная разработка является привлекательной в экономическом плане, так как:
- имеет очень малый срок окупаемости (2,4 месяца при уровне инфляции 17%);
- обладает относительно высоким показателем рентабельности (1,26 за 5 месяцев);
- разработка остается рентабельной при очень больших уровнях инфляции (IRR=440%).
Потребителями устройств подобного типа (лабораторный стенд) могли бы стать высшие учебные заведения, организующие у себя обучение по специальностям, связанным с защитой информации, а также институты переподготовки кадров различных служебных организаций.
7. БЕЗОПАСНОСТЬ И ЭКОЛОГИЧНОСТЬ
7.1 Введение
Целью дипломного проекта является разработка лабораторного стенда для исследования акустических, вибрационных и акустоэлектрических каналов утечки речевой информации. При разработке лабораторного стенда использовалась следующая аппаратура: генератор сигналов низкочастотный Г3-102, анализатор спектра Я4С-68, осциллограф С1-99, селективный микровольтметр В6-9, точный импульсный шумомер типа 00017. Проектирование осуществлялось в лаборатории радиотехнического факультета Уральского Государственного Технического Университета.
Лаборатория находится на первом этаже факультета. Общая площадь лаборатории - 6х6 = 36 м2 . Объем - 6х6х3 = 108 м3 . Рабочее место представляет собой стол с установленными на него приборами и сиденье настройщика радиоаппаратуры. В помещении имеется 2 рабочих места.
Во время проведения лабораторных работ на человека постоянно воздействуют следующие негативные факторы:
- электромагнитное излучение;
- шум;
- вибрация.
7.2 Безопасность проекта
7.2.1 Микроклимат
Согласно СанПиН 2.2.4.548-96 и ГОСТ 12.1.005-88 основными параметрами микроклимата помещения являются: температура воздуха, относительная влажность воздуха, скорость движения воздушных масс, температура поверхности.
Работа при изготовлении лабораторного стенда относится к категории тяжести 1а (работы с интенсивностью энергозатрат до 120 ккал/час, производимые сидя и сопровождаемые незначительным физическим напряжением).
Нормы микроклимата на рабочем месте для работ категории 1а представлены в табл. 7.1.
Таблица 7.1.
Нормы микроклимата на рабочем месте для работ категории 1а
| Параметр | холодный период года | теплый период года | ||||
| оптим. | допуст. | фактич. | оптим. | допуст. | фактич. | |
| Температура воздуха, о С | 22-24 | 20-26 | 16-19 | 23-25 | 21-29 | 25-30 |
| Относительная влажность воздуха, % | 40-60 | 15-75 | нет данных | 40-60 | 15-75 | нет данных |
| Скорость движения воздушных масс, м/с | 0,1 | 0,1 | нет данных | 0,1 | 0,1-0,2 | нет данных |
| Температура поверхности, о С | 20-24 | 19-26 | 20-25 | 23-25 | 20-29 | 20-25 |
Ионизация воздуха, число ионов в 1 см3 воздуха n+ n- |
1500-3000 3000-5000 |
400-50000 600-50000 |
нет данных | 1500-3000 3000-5000 |
400-50000 600-50000 |
нет данных |
Согласно ГОСТ 12.1.005-88 теплым называется период года с температурой выше +10°С, холодным - с температурой ниже +10°С.
В лаборатории, где проводилась разработка лабораторного стенда, микроклиматические условия не отвечают требованиям СанПиН 2.2.4.548-96 и ГОСТ 12.1.005-88:
- в зимний период времени не выдерживается требуемый температурный диапазон, средняя температура составляет 16-19 о С;
- в летний период времени не выдерживается требуемый температурный диапазон, средняя температура составляет 25-30 о С;
Для устранения данных недостатков необходимо более тщательное утепление оконных проемов в холодный период года, установка системы кондиционирования воздуха для поддержания оптимального диапазона температур в летний период года
Определение фактических параметров, относительной влажности воздуха, скорости движения воздушных масс, ионизации воздуха, в лаборатории не представляется возможным.
7.2.2 Освещенность
Согласно СНиП 23-05-95 помещения с постоянным пребыванием людей должны иметь естественное освещение. Лаборатория имеет боковое одностороннее естественное освещение, которое осуществляется через 2 окна площадью 3,75 м2 , выходящие на юг (ул. Малышева). По разряду зрительной работы выполняемые в лаборатории работы согласно СНиП 23-05-95 относятся к категории Б1 (высокая точность, относительная продолжительность работы составляет не менее 70 %). Коэффициент естественной освещённости (КЕО) для данного разряда зрительных работ согласно СНиП 23-05-95 должен быть не менее 1,0 %.
В лаборатории для работы в вечернее и ночное время предусматривается искусственное освещение. При этом согласно СНиП 23-05-95 освещенность должна быть не менее 300 лк при разрядных лампах и не менее 75 лк при лампах накаливания. Искусственное освещение в лаборатории осуществляется за счет 4 ламп накаливания в сочетании со светильниками с непросвечивающими отражателями. Никаких измерений освещенности в лаборатории не проводилось, поэтому нельзя сказать о соответствии освещённости СНиП 23-05-95.
Для обеспечения нормируемых значений освещенности на рабочем месте необходимо проводить следующие мероприятия:
- чистка стекол оконных рам и светильников не реже двух раз в год;
- своевременная замена перегоревших ламп.
7.2.3 Воздействие шумов
В качестве основной характеристики постоянного шума на рабочих местах, приняты уровни звукового давления в октавных полосах в децибелах акустических. Согласно ГОСТ 12.1.003-83, СН 2.2.4/2.1.8.562-96 уровень шума не должен превышать 50 дБА. Допустимые уровни звукового давления в октавных полосах со средне геометрическими частотами на рабочем месте приведены в табл. 7.2.
Таблица 7.2.
Допустимые уровни звукового давления в октавных полосах
| Октавная полоса со среднегеометрическими частотами, Гц | 31,5 | 63 | 125 | 250 | 500 | 1000 | 2000 | 4000 | 8000 |
| Уровни звукового давления в октавных полосах, дБ | 86 | 71 | 61 | 54 | 49 | 45 | 42 | 40 | 38 |
Основным источником шума на рабочем месте является сама лабораторная установка, в частности акустическая система, установленная внутри экранированной эхо-камеры. По техническому заданию уровни звукового давления в октавных полосах развиваемые акустической системой внутри эхо-камеры должны быть не менее 120 дБА. При проведении экспериментальных исследований выяснилось, что эхо–камера вносит следующее ослабление звукового давления в октавных полосах (измерения проводились с помощью точного импульсного шумомера типа 0017). Данные измерений представлены в табл. 7.3.
Таблица 7.3.
Ослабление звукового давления эхо-камерой в октавных полосах
| Октавная полоса со среднегеометрическими частотами, Гц | 31,5 | 63 | 125 | 250 | 500 | 1000 | 2000 | 4000 | 8000 |
| Уровни звукового давления в октавных полосах внутри эхо-камеры, дБ | 90 | 90 | 100 | 120 | 120 | 120 | 120 | 120 | 120 |
| Ослабление звукового давления в октавных полосах, дБ | 40 | 40 | 40 | 35 | 33 | 30 | 29 | 28 | 30 |
| Уровни звукового давления в октавных полосах вне эхо-камеры, дБ | 50 | 50 | 60 | 85 | 87 | 90 | 91 | 92 | 90 |
Как видим, ослабление звукового давления, вносимое эхо-камерой, недостаточное для обеспечения допустимых уровней звукового давления предусмотренных ГОСТ 12.1.003-83
Также источниками шумов влияющих на работу людей в лаборатории являются шумы создаваемые идущим транспортом на ул. Малышева.
Для обеспечения требований ГОСТ 12.1.003-83 необходимо выполнять следующие условия при проведении лабораторных работ.
- для уменьшения внешних шумов следует работать с закрытыми окнами и дверью.
- использовать противошумные наушники.
7.2.4 Воздействие вибраций
В соответствии с ГОСТ 12.1.012-90, СН 2.2.4/2.1.8.562-96 вибрация на рабочем месте не должна превышать допустимых норм приведенных в табл. 7.4.
Таблица 7.4.
Допустимые уровни вибрации
| Среднегеометрические частоты октавных полос, Гц | Нормативные значения в направлении X, Y | |||
| по виброускорению | по виброскорости | |||
| м ·с-2 | дБ | м ·с-1 ·10-2 | дБ | |
| 2 | 0,02 | 36 | 0,18 | 91 |
| 4 | 0,014 | 33 | 0,063 | 82 |
| 8 | 0,014 | 33 | 0,032 | 76 |
| 16 | 0,028 | 39 | 0,028 | 75 |
| 31,5 | 0,056 | 45 | 0,028 | 75 |
| 63 | 0,112 | 51 | 0,028 | 75 |
| Корректированные значения | 0,014 | 33 | 0,028 | 75 |
В лаборатории основными источниками вибраций являются эхо-камера и вентиляторы системы охлаждения различных электронных приборов.
Никаких технических средств защиты от вибрации в лаборатории не применяется.
Для уменьшения влияния вибрации на организм человека необходимо ввести в работу регулярно повторяющиеся перерывы.
7.2.5 Электробезопасность
В соответствии с ГОСТ 12.2.007.0-75 оборудование в лаборатории имеет I класс по способу защиты человека от поражения электрическим током. Используемые при работе электрические приборы (генераторы, осциллографы и т.д.) относятся к категории электроустановок до 1 кВ.
По степени опасности поражения электрическим током лаборатория согласно ПУЭ относится к помещениям без повышенной опасности - сухие, безпыльные помещения с нормальной температурой воздуха и изолирующими полами.
Электрические приборы, питаются от сети переменного тока напряжением 220 В и частотой 50 Гц. Согласно ГОСТ 12.1.030-81, сопротивление заземления в лаборатории для данного типа сети не должно превышать 4 Ом, а сопротивление изоляции должно быть не менее 0,5 МОм.
Сопротивление заземления, согласно протоколу №621/2-2001 от 29 июня 2001г., признано соответствующим норме, а сопротивление изоляции цепей электрооборудования, согласно протоколу №621/1-2001 от 29 июня 2001г., составляет 200 МОм, что соответствует требованиям ГОСТ 12.1.030-81. Следующий контроль сопротивления защитного заземления и сопротивления изоляции цепей электрооборудования рекомендуется провести не позднее мая месяца 2002г.
7.2.5.1 Расчет защитного зануления
Произведем расчет защитного зануления, исходя из следующих начальных условий:
Питание электроустановок осуществляется от подстанции с трансформатором мощностью 1000 Вт, удаленной от рабочего места на расстояние 100 м. Суммарная мощность всех приборов находящихся в лаборатории составляет 700 Вт, максимально возможный ток потребляемый всеми приборами составит 3,6 А.
Согласно ПУЭ для автоматических выключателей с номинальным током до 100 А кратность тока короткого замыкания (КЗ)относительно номинала следует выбирать не менее 1,4:
IКЗ ³ 1,4 IАВТ Н , (7.1)
где IАВТ Н – номинальный ток срабатывания автомата.
Из ряда значений номинальных токов для автоматических выключателей выбираем значение IАВТ Н = 6 А. Таким образом ток КЗ составит:
IКЗ = 1,4 IАВТ Н = 1,4×6 = 8,4 А.
(7.2)
гдеUФ – фазное напряжение;
ZТ – сопротивление трансформатора;
ZП – полное сопротивление петли фаза-нуль.
Найдем полное сопротивление петли фаза-нуль:
(7.3)
гдеRФ – активное сопротивление фазного провода;
RН – активное сопротивление нулевого провода;
XФ – внутреннее индуктивное сопротивление фазного провода;
XН – внутреннее индуктивное сопротивление нулевого провода;
XП – внешнее индуктивное сопротивление петли фаза-нуль
Активное сопротивление фазного и нулевого проводов рассчитаем по формуле:
(7.4)
гдеr – дельное сопротивление проводника;
L – длина проводника;
S – сечение проводника.
Для фазного и нулевого проводов в качестве материала будем использовать алюминий с удельным сопротивлением r = 0,028 Ом×мм2 /м.
Значения XФ и XН для алюминиевых проводников малы и ими можно пренебречь. Величину XП в практических расчетах принимают равной 0,6 Ом/км.
Нулевой провод должен иметь проводимость не менее 0,5 проводимости фазного провода поэтому RН £ 2 RФ
Найдем RН и RФ :

Найдем величину сечения фазного и нулевого проводников:

В лаборатории согласно протоколу 621/3-2001 от 29 июня 2001г.в качестве автоматического выключателя используется автомат типа АП 50 с номинальным током плавкой вставки (автомата) 40 А, что не соответствует требованиям.
Для данного помещения необходимо использовать автомат отключения с номинальным током 6 А, фазный провод сечением 0,96 мм2 , нулевой – 0,48 мм2 .
7.2.6 Электромагнитная безопасность
Источниками электромагнитных излучений (ЭМИ) в лаборатории являются различные электронные приборы. Согласно СанПиН 2.2.4/2.1.8.055-96, оценка энергетического воздействия на людей осуществляется по значениям интенсивности ЭМИ. В диапазоне частот 30 кГц – 300 МГц интенсивность ЭМИ оценивается значениями напряженности электрического поля (E, В/м) и напряженности магнитного поля (H, А/м). В диапазоне 300 МГц – 300 ГГц интенсивность ЭМИ оценивается значениями плотьности потока энергии (ППЭ, Вт/м, мкВт/см).
Значения предельно допустимых уровней напряженности электрической (Е) и магнитной (Н) составляющих и уровней плотности потока энергии в диапазоне частот 300 МГц - 300 ГГц в зависимости от времени воздействия на человека в течение рабочего дня в соответствии с СанПиН 2.2.4/2.1.8.055-96 приведены в табл. 7.5.
Таблица 7.5.
Предельно допустимые уровни напряженности электрической и магнитной составляющих в диапазоне частот 30 кГц - 300 МГц и уровни плотности потока энергии в диапазоне частот 300 МГц - 300 ГГц в зависимости от продолжительности воздействия
| Продолжительность воздействия, Т, ч | Е, В/м | Н, А/м | ППЭ, мкВТ/см | |||
0,03-3 МГц |
3-30 МГц |
30-300 МГц |
0,03-3 МГц |
30-50 МГц |
300МГц-300 ГГц | |
| 8 и более: | 50 | 30 | 10 | 5,0 | 0,30 | 25 |
| 7 | 53 | 32 | 11 | 5,3 | 0,32 | 29 |
| 6 | 58 | 34 | 12 | 5,8 | 0,34 | 33 |
| 5 | 63 | 37 | 13 | 6,3 | 0,38 | 40 |
| 4 | 71 | 42 | 14 | 7,1 | 0,42 | 50 |
| 3 | 82 | 48 | 16 | 8,2 | 0,49 | 67 |
| 2 | 100 | 59 | 20 | 10,0 | 0,60 | 100 |
| 1 | 141 | 84 | 28 | 14,2 | 0,85 | 200 |
| 0,5 | 200 | 118 | 40 | 20,0 | 1,20 | 400 |
| 0,25 | 283 | 168 | 57 | 28,3 | 1,70 | 800 |
Провести измерения уровней напряженности электрической и магнитной составляющих и уровней плотности потока энергии не представляется возможным
Никаких специальных средств защиты от ЭМИ в лаборатории не применяется.
Для защиты работающих от электромагнитных излучений применяют заземленные экраны, кожухи, защитные козырьки, устанавливаемые на пути излучения
Для защиты от воздействия ЭМИ необходимо применять заземленные экраны, кожухи, защитные козырьки, устанавливаемые на пути излучения, а также использовать средства индивидуальной защиты.
7.2.7 Эргономичность рабочего места
Рабочее место представляет собой стол с установленными на него приборами и сиденье настройщика радиоаппаратуры, поэтому будем придерживаться требований ГОСТ 12.2.032-78 "Рабочее место при исполнении работ сидя"
Рабочий стул должен быть подъемно-поворотным и регулируемым по высоте и углам наклона сиденья и спинки, а также расстоянию спинки от переднего края сиденья. На данном рабочем месте не выполняется не одно из перечисленных параметров.
Высота рабочей поверхности стола для взрослых должна регулироваться в пределах 680-800 мм; при отсутствии такой возможности высота рабочей поверхности стола должна составлять 725 мм. На рабочем месте высота стола составляет 725 мм. Данное требование выполняется.
Рабочий стол должен иметь пространство для ног высотой не менее 600 мм, шириной не менее 500 мм, глубиной на уровне колен не менее 450 мм и на уровне вытянутых ног не менее 650 мм. На рабочем месте высота пространства для ног составляет 700 мм, ширина - 1000 мм, глубина на уровне колен и на уровне вытянутых ног 700 мм. Данное требование выполняется.
Для организации максимального комфорта при работе настройщика аппаратуры необходимо разместить на рабочем столе электронные приборы следующим образом (рис.7.1.)

Рис. 7.1. Зоны для выполнения ручных операций и размещения органов управления в горизонтальной плоскости для человека среднего роста в положении сидя.
1 – зона для размещения очень часто используемых и наиболее важных органов управления (оптимальная зона моторного поля);
2 - зона для размещения часто используемых органов управления (зона легкой досягаемости моторного поля);
3 - зона для размещения редко используемых органов управления (зона досягаемости моторного поля).
В лаборатории расстановка электронных приборов на рабочем столе соответствует вышеуказанному размещению.
7.3 Экологичность проекта
Основным фактором неблагоприятного воздействия на человека в данной лаборатории являются источники электромагнитного излучения:
- анализатор спектра Я4С-68;
- осциллограф С1-99.
Их интенсивность излучения невелика и к тому же время работы с ними ограничено. Остальные приборы вносят незначительный вклад в плане электромагнитного излучения.
Для локализации электромагнитных полей и уменьшения тем самым действия на человека и на работу элементов различных приборов применяют экранирование высокочастотных блоков и частей.
7.4 Анализ возможных чрезвычайных ситуаций
РТФ Уральского Государственного Технического Университета размещается в 4-х этажном здании, которое не имеет свободных площадей для строительства защитных сооружений. Здание панельное, с перекрытиями из железобетонных панелей, мягкой кровлей, имеет центральное отопление, водоснабжение, общую и местную вентиляцию, силовые и осветительные электросети, радиовещание, внутреннюю и городскую телефонную связь. Здание рассчитано на обычные нагрузки.
Технология производства, объемы использования и хранения пожароопасных материалов при соблюдении требований пожарной безопасности на устойчивость объекта от первичных и вторичных поражающих факторов не влияют.
7.4.1 Структура гражданской обороны радиотехнического факультета
Структура ГО и ЧС РТФ приведена на рис. 7.2.
![]()
Рис. 7.2. Структура ГО и ЧС РТФ УГТУ-УПИ
Чрезвычайные ситуации (ЧС) подразделяются на ЧС техногенного и ЧС природного характера.
К техногенным ЧС относятся:
- выбросы АХОВ;
- радиоактивное загрязнение.
На расстоянии 40 км по прямой от РТФ расположена Белоярская АЭС. В результате возможных аварий с разрушением ядерного реактора в районе центра при восточных направлениях ветра через 1.5-2 часа может произойти повышение уровня радиации свыше 0.25 р/час.
При аварии на Белоярской АЭС производится экстренная оценка радиационной обстановки на территории РТФ, организовать контроль за поддержанием общественного порядка и соблюдением режима защиты на территории факультета, производится эвакуация сотрудников.
Запасов АХОВ, ЛВЖ, ВВ на РТФ не имеется, но в результате аварий на объектах города, района, имеющих запасы АХОВ и использующих их в производстве, РТФ может оказаться в полосе распространения АХОВ. Такое возможно при авариях в случае диверсии на Турбомоторном заводе, Северных очистных сооружениях, ст. Аппаратной, Рыбзаводе (хлор, аммиак).
При возникновении ЧС РТФ УГТУ-УПИ эвакуируется в город Туринск. Руководит эвакуацией комиссия по ЧС факультета координируемая комиссией по ЧС УГТУ-УПИ. Оповещение производится сигналом "Внимание, всем!", который сопровождается звуковой сиреной.
К природным ЧС относятся:
- ураганы;
- землетрясения;
- наводнение;
- смерч.
Действия при чрезвычайных ситуациях природного характера:
Землетрясение. При первых признаках землетрясения (толчках) необходимо покинуть здание РТФ и находиться на ровной поверхности вдали от зданий и высотных сооружений. Если нет возможности вовремя покинуть здание, необходимо встать в дверной или оконный проем, что снижает вероятность поражения. После окончания толчков срочно покинуть здание;
Наводнение. При получении информации необходимо эвакуироваться из зоны возможного поражения. Если на эвакуацию нет времени, необходимо подняться на верхние этажи здания РТФ;
Ураган. Получив информацию об урагане, необходимо плотно закрыть все окна, двери, чердачные выходы, и дождаться конца урагана;
Смерч. Так же как при урагане, необходимо закрыть все окна, двери, чердачные выходы и дождаться окончания;
7.4.2 Пожарная безопасность
Согласно СНиП 21-01-97 огнестойкость здания РТФ, соответствует I степени (здания с несущими и ограждающ ими конструкциями из естественных или искусственных каменных материалов, бетона или железобетона с применением листовых и плитных негорючих материалов).
Согласно НПБ 105-95, по взрывопожарной и пожарной опасности лаборатория относится к категории В-4 (пожароопасные помещения с наименьшей удельной пожарной нагрузкой).
Пожары, которые могут возникнуть в лаборатории согласно ППБ 01-93, относятся к категории А (пожары твердых веществ, в основном органического происхождения, горение которых сопровождается тлением (древесина, текстиль, бумага), либо к категории Е (пожары, связанные с горением электрооборудования).
Для предотвращения очагов пожара, в помещении должны быть первичные средства пожаротушения. По НПБ 166-97 и ППБ 01-93 для данных видов пожара наиболее эффективными огнетушителями являются порошковые, заряженные порошком типа АВСЕ, или углекислотные. Расстояние от возможного очага пожара до ближайшего огнетушителя не должно превышать 20 м. Огнетушители должны быть расположены на высоте не более 1,5 м. Согласно ППБ-01-93, в помещениях категории В и классов пожара А и Е должно быть не менее 2 углекислотных огнетушителей ОУ-5.
- Объем – 5л;
- Минимальная продолжительность подачи огнетушащего вещества – 9сек;
- Минимальная длина струи огнетушащего вещества – 3м;
Никаких первичных средств пожаротушения в лаборатории не имеется.
Согласно СНиП 21-01-97, здание должно иметь не менее двух эвакуационных выходов, высота эвакуационных выходов должна быть не менее 1,9 м, а ширина - не менее 0,8 м. Данное требование выполняется.
7.5 Выводы
Лаборатория в целом отвечает правилам техники безопасности, но были выявлены следующие факторы, не соответствующие нормам:
1.)микроклиматические условия не отвечают требованиям СанПиН 2.2.4.548-96 и ГОСТ 12.1.005-88:
- в зимний период времени не выдерживается требуемый температурный диапазон, средняя температура составляет 16-19 о С;
- в летний период времени не выдерживается требуемый температурный диапазон, средняя температура составляет 25-30 о С;
Для устранения данных недостатков необходимо более тщательное утепление оконных проемов в холодный период года, установка системы кондиционирования воздуха для поддержания оптимального диапазона температур в летний период года
2.)не обеспечиваются допустимые уровни звукового давления, предусмотренные ГОСТ 12.1.003-83.
Для обеспечения требований ГОСТ 12.1.003-83 необходимо выполнять следующие условия при проведении лабораторных работ.
- для уменьшения внешних шумов следует работать с закрытыми окнами и дверью.
- использовать противошумные наушники.
3.) используемый автомат типа АП 50 с номинальным током плавкой вставки (автомата) 40 А заменить на автомат отключения с номинальным током 6 А, использовать фазный провод сечением 0,96 мм2 , нулевой – 0,48 мм2 .
4.) Никаких первичных средств пожаротушения в лаборатории не имеется. Согласно ППБ-01-93, в помещениях категории В и классов пожара А и Е должно быть не менее 2 углекислотных огнетушителей.
ЗАКЛЮЧЕНИЕ
В процессе выполнения данного дипломного проекта получены следующие результаты:
Разработана функциональная схема лабораторного стенда по исследованию акустических, вибрационных и акустоэлектрических каналов утечки речевой информации.
Изготовлена экранированная звукопоглощающая камера, являющаяся основой лабораторного стенда.
Разработана функциональная и принципиальная схема датчика акустического поля, изготовлен макет устройства.
Разработан алгоритм проведения лабораторных работ по исследованию акустических, вибрационных и акустоэлектрических каналов утечки речевой информации.
Проведены экспериментальные исследования акустических и вибрационных каналов утечки речевой информации на основе предложенных преград.
Проведены экспериментальные исследования телефонного аппарата "Телур" и электродинамического громкоговорителя 5 ГДШ, линии связи которых могут являться акустоэлектрическим каналом утечки речевой информации.
Все экспериментальные значения обработаны в соответствии с алгоритмом проведения лабораторных работ.
БИБЛИОГРАФИЧЕСКИЙ СПИСОК
1. Исследование систем виброакустического зашумления // Конфидент. 1998. №4.
2. Справочник по акустике / Иофе В.К., Корольков В.Г., Сапожков М.А. / Под ред. М.А. Сапожкова. – М.: Связь, 1979. 312с.
3. Абрамов Ю.В., Калиниченко М.В., Каргашин В.Л. Опыт практических работ по виброакустической защите выделенных помещений от утечки речевой информации // Научно-практическая конференция "Ключевые проблемы банковской безопасности" Третьего московского международного форума "Технология безопасности – 98". 1998
4. Покровский Н.Б. Расчет и измерение разборчивости речи. М.: Связьиздат, 1962
5. Хорев А.А. Защита информации от утечки по техническим каналам. Часть 1. Технические каналы утечки информации. М.: Гостехкомиссия РФ, 1998
6. Рекомендации по применению, устройству и монтажу экранированных помещений и кабин / Под ред. Н.Б. Полонского. М.: Связь, 1966. 81с.
ПРИЛОЖЕНИЕ 3
| Зона | Позиц. обозн. | Наименование | Кол. | Примечание | ||||||
| Т1 | Трансформатор ТПП 271 127/220 50 | 1 | ||||||||
| FU1-FU4 | Предохранитель ВП 4-14 | 4 | ||||||||
| W04M1-W04M4 | Диодный мост W005 | 4 | ||||||||
| C1, C2 | Конденсатор REC 470мк´50В | 2 | ||||||||
| C3, C4 | Конденсатор REC 1мк´50В | 2 | ||||||||
| C5, C6 | Конденсатор REC 100мк´25В | 2 | ||||||||
| C7, C8 | Конденсатор REC 470мк´50В | 2 | ||||||||
| C9, C10 | Конденсатор REC 1мк´50В | 2 | ||||||||
| С11, C12 | Конденсатор REC 100мк´25В | 2 | ||||||||
| С13 | Конденсатор REC 1мк´16В | 1 | ||||||||
| С14 | Конденсатор REC 1мк´16В | 1 | ||||||||
| С15-С26 | Конденсатор К10-17а 10н | 12 | ||||||||
| С27-С34 | Конденсатор REC 1мк´16В | 8 | ||||||||
| С35 | Конденсатор REC 22мк´16В | 1 | ||||||||
| С36, С37 | Конденсатор К10-17а 100н | 2 | ||||||||
| С38 | Конденсатор К10-17а 240н | 1 | ||||||||
| DA1 | Микросхема LM337 | 1 | ||||||||
| DA2 | Микросхема КР142ЕН12А | 1 | ||||||||
| DA3 | Микросхема LM337 | 1 | ||||||||
| DA4 | Микросхема КР142ЕН12А | 1 | ||||||||
| DA5-DA9 | Микросхема К157УД2 | 5 | ||||||||
| DA10 | Микросхема TDA 2030 | 1 | ||||||||
| VD1, VD2 | Светодиод АЛ 307К | 2 | ||||||||
| VD3 | Стабилитрон Д814 | 1 | ||||||||
| VD4, VD5 | Диод 1N4002 | 2 | ||||||||
| R1 | Резистор МЛТ 0.125 240 10% | 1 | ||||||||
| R2 | Резистор СП3-38б 6,8к | 1 | ||||||||
| R3 | Резистор МЛТ 0.125 240 10% | 1 | ||||||||
| R4 | Резистор СП3-38б 6,8к | 1 | ||||||||
| R5, R6 | Резистор МЛТ 0.125 240 10% | 2 | ||||||||
| R7, R8 | Резистор СП3-38б 6,8к | 2 | ||||||||
| R9, R10 | Резистор МЛТ 0.125 1к 10% | 2 | ||||||||
| R11 | Резистор СП3-4ам 1,2 к | 1 | ||||||||
| R12 | Резистор МЛТ 0.125 100 10% | 1 | ||||||||
| R13 | Резистор МЛТ 0.125 1к 10% | 1 | ||||||||
| R14 | Резистор МЛТ 0.125 100к 10% | 1 | ||||||||
| R15 | Резистор МЛТ 0.125 75к 10% | 1 | ||||||||
| Изм | Лист | № докум | Подп | Дата | ||||||
| Разраб. | ||||||||||
| Пров. | Акустический излучатель. Спецификация | Литера | Лист | Листов | ||||||
| Н. Контр. | ||||||||||
| Утверд. | ||||||||||
| Зона | Позиц. обозн. | Наименование | Кол. | Примечание | ||||||
| R16 | Резистор МЛТ 0.125 15к 10% | 1 | ||||||||
| R17 | Резистор МЛТ 0.125 43к 10% | 1 | ||||||||
| R18 | Резистор МЛТ 0.125 2к 10% | 1 | ||||||||
| R19 | Резистор МЛТ 0.125 22к 10% | 1 | ||||||||
| R20 | Резистор МЛТ 0.125 620 10% | 1 | ||||||||
| R21 | Резистор МЛТ 0.125 11к 10% | 1 | ||||||||
| R22 | Резистор МЛТ 0.125 220 10% | 1 | ||||||||
| R23 | Резистор МЛТ 0.125 5,1к 10% | 1 | ||||||||
| R24 | Резистор МЛТ 0.125 510 10% | 1 | ||||||||
| R25 | Резистор МЛТ 0.125 2,7к 10% | 1 | ||||||||
| R26 | Резистор МЛТ 0.125 120 10% | 1 | ||||||||
| R27 | Резистор МЛТ 0.125 30к 10% | 1 | ||||||||
| R28 | Резистор МЛТ 0.125 13к 10% | 1 | ||||||||
| R29 | Резистор МЛТ 0.125 2к 10% | 1 | ||||||||
| R30 | Резистор МЛТ 0.125 7,5к 10% | 1 | ||||||||
| R31 | Резистор МЛТ 0.125 3,6к 10% | 1 | ||||||||
| R32 | Резистор МЛТ 0.125 180 10% | 1 | ||||||||
| R33 | Резистор МЛТ 0.125 1,6к 10% | 1 | ||||||||
| R34 | Резистор МЛТ 0.125 270 10% | 1 | ||||||||
| R35 | Резистор МЛТ 0.125 820 10% | 1 | ||||||||
| R36 | Резистор МЛТ 0.125 110 10% | 1 | ||||||||
| R37 | Резистор МЛТ 0.125 81к 10% | 1 | ||||||||
| R38 | Резистор МЛТ 0.125 9,1к 10% | 1 | ||||||||
| R39 | Резистор МЛТ 0.125 43к 10% | 1 | ||||||||
| R40 | Резистор МЛТ 0.125 2,2к 10% | 1 | ||||||||
| R41 | Резистор МЛТ 0.125 20к 10% | 1 | ||||||||
| R42 | Резистор МЛТ 0.125 24к 10% | 1 | ||||||||
| R43 | Резистор МЛТ 0.125 10к 10% | 1 | ||||||||
| R44 | Резистор МЛТ 0.125 1,3к 10% | 1 | ||||||||
| R45 | Резистор МЛТ 0.125 5,6к 10% | 1 | ||||||||
| R46-R51 | Резистор МЛТ 0.125 1к 10% | 6 | ||||||||
| R52-R57 | Резистор СП3-4ам 22к | 6 | ||||||||
| R58 | Резистор МЛТ 0.125 3к 10% | 1 | ||||||||
| R59 | Резистор СП3-4ам 22к | 1 | ||||||||
| R60 | Резистор МЛТ 0.125 22к 10% | 1 | ||||||||
| R61 | Резистор МЛТ 0.125 680 10% | 1 | ||||||||
| R62 | Резистор МЛТ 0.125 22к 10% | 1 | ||||||||
| R63 | Резистор МЛТ 0.125 1 10% | 1 | ||||||||
| R64 | Резистор МЛТ 0.125 180к 10% | 1 | ||||||||
| S1-S3 | Переключатель 12П4Н | 3 | ||||||||
| Изм | Дата | |||||||||
| Разраб. | ||||||||||
| Пров. | Акустический излучатель. Спецификация | Литера | Лист | Листов | ||||||
| Н. Контр. | ||||||||||
| Утверд. | ||||||||||
ПРИЛОЖЕНИЕ 4
Экспериментальные исследования воздушного канала утечки речевой информации
Таблица П.4.1
Экспериментальные исследования и расчеты основных параметров воздушного канала утечки информации без использования внешнего источника шума
| f1=250Гц | f2=500Гц | f3=1кГц | f4=2кГц | f5=4кГц | f6=8кГц | ||
| Lш (дБА) | 44 | 41 | 33 | 27 | 25 | 25 | |
| P1=70 дБА DL=15 дБА | L(c+ш) (дБА) | 45 | 42 | 34 | 28 | 26 | 26 |
| Lc (дБА) | 38 | 35 | 27 | 21 | 19 | 19 | |
| q (дБА) | -16 | -16 | -16 | -16 | -16 | -16 | |
| r | 0,000 | 0,001 | 0,004 | 0,011 | 0,011 | 0,003 | |
| R | 0,029 | ||||||
| W | 0,174 | ||||||
| P1=75 дБА DL=10 дБА | L(c+ш) (дБА) | 46 | 45 | 35 | 30 | 28 | 28 |
| Lc (дБА) | 42 | 43 | 31 | 27 | 25 | 25 | |
| q (дБА) | -7 | -3 | -7 | -5 | -5 | -5 | |
| r | 0,001 | 0,010 | 0,019 | 0,056 | 0,054 | 0,014 | |
| R | 0,153 | ||||||
| W | 0,782 | ||||||
| P1=80 дБА DL=5 дБА | L(c+ш) (дБА) | 49 | 50 | 41 | 36 | 32 | 31 |
| Lc (дБА) | 47 | 49 | 40 | 35 | 31 | 30 | |
| q (дБА) | 3 | 8 | 7 | 8 | 6 | 5 | |
| r | 0,003 | 0,037 | 0,087 | 0,169 | 0,138 | 0,033 | |
| R | 1,448 | ||||||
| W | 0,979 | ||||||
| P1=85 дБА | L(c+ш) (дБА) | 54 | 57 | 46 | 41 | 38 | 36 |
| Lc (дБА) | 53 | 57 | 46 | 41 | 38 | 36 | |
| q (дБА) | 9 | 16 | 13 | 14 | 13 | 11 | |
| r | 0,007 | 0,068 | 0,125 | 0,223 | 0,193 | 0,045 | |
| R | 1,654 | ||||||
| W | 0,993 | ||||||

Рис. П.4.1. График зависимости словесной разборчивости речи от величины интегрального уровня звукового давления.

Рис. П.4.2. График зависимости отношения "сигал/шум" от частоты при интегральных уровнях Р1=70 дБА, Р2=75 дБА, Р3=80 дБА, Р4=85 дБА.
Таблица П.4.2
Экспериментальные исследования и расчеты основных параметров воздушного канала утечки информации с использованием внешнего источника шума
| f1=250Гц | f2=500Гц | f3=1кГц | f4=2кГц | f5=4кГц | f6=8кГц | ||
| Lш (дБА) | 62 | 58 | 55 | 52 | 47 | 45 | |
| P1=70 дБА DL=15 дБА | L(c+ш) (дБА) | 65 | 60 | 57 | 54 | 49 | 47 |
| Lc (дБА) | 62 | 56 | 53 | 50 | 45 | 43 | |
| q (дБА) | -15 | -17 | -17 | -17 | -17 | -17 | |
| r | 0,000 | 0,001 | 0,003 | 0,009 | 0,009 | 0,002 | |
| R | 0,024 | ||||||
| W | 0,140 | ||||||
| P1=75 дБА DL=10 дБА | L(c+ш) (дБА) | 65 | 60 | 57 | 54 | 49 | 47 |
| Lc (дБА) | 62 | 56 | 53 | 50 | 45 | 43 | |
| q (дБА) | -10 | -12 | -12 | -12 | -12 | -12 | |
| r | 0,000 | 0,002 | 0,008 | 0,021 | 0,022 | 0,005 | |
| R | 0,059 | ||||||
| W | 0,362 | ||||||
| P1=80 дБА DL=5 дБА | L(c+ш) (дБА) | 65 | 60 | 57 | 54 | 49 | 47 |
| Lc (дБА) | 62 | 56 | 53 | 50 | 45 | 43 | |
| q (дБА) | -5 | -7 | -7 | -7 | -7 | -7 | |
| r | 0,001 | 0,005 | 0,019 | 0,044 | 0,043 | 0,011 | |
| R | 0,123 | ||||||
| W | 0,675 | ||||||
| P1=85 дБА | L(c+ш) (дБА) | 65 | 60 | 57 | 54 | 49 | 47 |
| Lc (дБА) | 62 | 56 | 53 | 50 | 45 | 43 | |
| q (дБА) | 0 | -2 | -2 | -2 | -2 | -2 | |
| r | 0,002 | 0,012 | 0,037 | 0,077 | 0,074 | 0,019 | |
| R | 0,221 | ||||||
| W | 0,878 | ||||||
| P1=90 дБА | L(c+ш) (дБА) | 70 | 65 | 62 | 60 | 53 | 50 |
| Lc (дБА) | 69 | 64 | 61 | 59 | 52 | 48 | |
| q (дБА) | 7 | 6 | 6 | 7 | 5 | 3 | |
| r | 0,006 | 0,031 | 0,081 | 0,159 | 0,130 | 0,029 | |
| R | 0,436 | ||||||
| W | 0,975 | ||||||

Рис. П.4.3. График зависимости словесной разборчивости речи от величины интегрального уровня звукового давления.

Рис. П.4.4. График зависимости отношения "сигал/шум" от частоты при интегральных уровнях Р1=70 дБА, Р2=75 дБА, Р3=80 дБА, Р4=85 дБА, Р5=90 ДБА.
ПРИЛОЖЕНИЕ 5
Экспериментальные исследования акустоэлектрического канала утечки речевой информации
Таблица П.5.1
Результаты экспериментальных исследований телефонного аппарата "Телур"
Uш (мкВ) |
P1min=60дБА | P2=70дБА | P3=80дБА | P4=90дБА | P5=100дБА | ||||||
Uс+ш (мкВ) |
Uc (мкВ) |
Uс+ш (мкВ) |
Uc (мкВ) |
Uс+ш (мкВ) |
Uc (мкВ) |
Uс+ш (мкВ) |
Uс (мкВ) |
Uс+ш (мкВ) |
Uс (мкВ) |
||
f1= 250Гц |
100 | 100 | 0 | 100 | 0 | 100 | 0 | 110 | 45 | 150 | 111 |
f2= 500Гц |
8 | 15 | 12 | 27 | 26 | 85 | 85 | 240 | 240 | 850 | 850 |
f3= 1кГц |
12 | 15 | 0 | 27 | 24 | 75 | 74 | 230 | 230 | 730 | 730 |
f4= 2кГц |
20 | 20 | 0 | 20 | 0 | 23 | 11 | 45 | 40 | 140 | 138 |
f5= 4кГц |
40 | 40 | 0 | 40 | 0 | 40 | 0 | 55 | 37 | 110 | 102 |
f6= 8кГц |
8 | 8 | 0 | 8 | 0 | 20 | 18 | 70 | 69 | 230 | 229 |

Рис. П.5.1. Зависимость допустимого значения звукового давления от величины звукового давления развиваемого в месте установки телефонного аппарата "Телур"
Таблица П.5.2.
Результаты экспериментальных исследований электродинамического громкоговорителя 5 ГДШ
Uш (мкВ) |
P1min=60дБА | P2=70дБА | P3=80дБА | P4=90дБА | P5=100дБА | ||||||
Uс+ш (мкВ) |
Uc (мкВ) |
Uс+ш (мкВ) |
Uc (мкВ) |
Uс+ш (мкВ) |
Uc (мкВ) |
Uс+ш (мкВ) |
Uс (мкВ) |
Uс+ш (мкВ) |
Uс (мкВ) |
||
f1= 250Гц |
1 | 70 | 70 | 120 | 120 | 550 | 550 | 1100 | 1100 | 3500 | 3500 |
f2= 500Гц |
0,3 | 30 | 30 | 80 | 80 | 250 | 250 | 650 | 650 | 2500 | 2500 |
f3= 1кГц |
0,3 | 20 | 20 | 60 | 60 | 180 | 180 | 600 | 600 | 1800 | 1800 |
f4= 2кГц |
0,3 | 18 | 18 | 55 | 55 | 160 | 160 | 550 | 550 | 1700 | 1700 |
f5= 4кГц |
0,3 | 3,5 | 3,5 | 10 | 10 | 35 | 35 | 100 | 100 | 300 | 300 |
f6= 8кГц |
0,3 | 2,3 | 2,3 | 7,5 | 7,5 | 24 | 24 | 80 | 80 | 240 | 240 |

Рис. П.5.1. Зависимость допустимого значения звукового давления от величины звукового давления развиваемого в месте установки электродинамического громкоговорителя 5 ГДШ
ПРИЛОЖЕНИЕ 6
Таблица П.6.1
Параметры сетевого графика
| Код события | Событие |
Код работ | Работа |
Прод-ть, дней |
| 0 | Получение ТЗ | 0-1 | Анализ ТЗ | 2 |
| 1 | ТЗ проанализировано | 1-2 | Обзор методов исследования каналов | 5 |
| 2 | Методы рассмотрены | 2-3 | Обзор способов технической реализации | 5 |
| 3 | Способы рассмотрены | 3-4 | Поиск готовых изделий | 10 |
| 4 | Комплекс аппаратуры найден | 3-5 | Поиск отдельных блоков, составляющих вместе комплекс аппаратуры | 15 |
| 5 | Отдельные блоки найдены | 3-6 | Разработка собственного устройства | 10 |
| 6 | Комплекс аппаратуры разработан | 6-7 | Разработка функциональной схемы | 3 |
| 7 | Функциональная схема разработана | 7-8 | Разработка принципиальной схемы | 5 |
| 8 | Принципиальная схема разработана | 8-9 | Выбор элементной базы | 2 |
| 9 | Элементная база выбрана | 9-10 | Закупка комплектующих | 1 |
| 10 | Комплектующие закуплены | 10-11 | Изготовление отдельных блоков устройства | 15 |
| 11 | Блоки изготовлены | 11-12 | Наладка отдельных блоков | 5 |
| 12 | Блоки налажены | 12-13 | Наладка изготовленного устройства | 5 |
| 13 | Изготовленный комплекс аппаратуры налажен | 5-14 | Закупка отдельных блоков комплекса аппаратуры | 1 |
| 14 | Отдельные блоки закуплены | 14-15 | Наладка закупленных отдельных блоков в составе комплекса аппаратуры | 3 |
| 15 | Закупленные блоки в составе комплекса аппаратуры налажены | 4-16 | Закупка готового изделия | 1 |
| 16 | Комплекс в целом комплекс | 16-17 | Проведение экспериментальных исследований с помощью готового изделия | 10 |
| 17 | Эксперимент проведен | 13-17 | Проведение экспериментальных исследований с помощью изготовленного устройства | 10 |
| 18 | Эксперимент проанализирован | 15-17 | Проведение экспериментальных исследований с помощью собранного из отдельных блоков комплекса аппаратуры | 10 |
| - | - | 17-18 | Анализ эксперимента | 3 |
Похожие рефераты:
Разработка генератора сигналов на цифровых микросхемах
Управление звуковой картой компьютера
Методы позиционирования и сжатия звука
Расчет линии связи для системы телевидения
Защита информации по виброакустическому каналу утечки информации
Обеспечение ИБ выделенного объекта по аудио каналу
Проблемы снижения уровня шума в городах
Анализ систем безопасности, использующих GSM каналы связи
Электронные схемы для дома и быта
Анализ методики проведения санитарно-экологического состояния объекта
Измеритель отношения сигнал/шум ТВ канала
Машины, которые говорят и слушают
Модернизация двигателя мощностью 440 квт с целью повышения их технико-экономических показателей