| Похожие рефераты | Скачать .docx |
Курсовая работа: Радиопередающее устройство автомобильной радиостанции
Министерство общего и профессионального образования
Российской Федерации
Рязанская государственная радиотехническая академия
КАФЕДРА РАДИОТЕХНИЧЕСКИХ УСТРОЙСТВ
Пояснительная записка
к курсовому проекту по дисциплине
“Радиопередающие устройства”
на тему:
“Радиопередающее устройство автомобильной радиостанции”
Выполнил: студент группы 615
Лоцманов А. А.
Проверила: преподаватель
Прибылова Н. М.
Рязань, 2006
Содержание
Техническое задание
Введение
1.Структурная схема РПдУ
2. Электрический расчёт
2.1 Расчёт выходного усилителя мощности
2.2 Расчёт выходной колебательной системы
2.3 Расчёт кварцевого автогенератора
Заключение
Список литературы
Приложение
Техническое задание
| Технические данные | |
| Наименование параметра | Величина |
| Выходная мощность | 15 Вт |
| Рабочая частота | 33.5 Мгц |
| Параметры выходной нагрузки | |
| Вид модуляции | F3E |
| Параметры модуляции | |
| Конструктивные разработки узлов | Выходной каскад |
| Относительная нестабильность частоты | |
| Уровень побочных составляющих | -60 дБ |
Введение
Радиопередающие устройства (РПдУ) представляют сложную систему, в состав которой входят высокочастотный тракт, модулятор для управления колебаниями высокой частоты в соответствии с передаваемой информацией, источники питания, устройства охлаждения и защиты.
Диапазон высоких частот обладает огромной информационной ёмкостью, и поэтому его используют для передачи широкополосных сигналов: импульсных, телевизионных, многоканальных сообщений и пр. Радиопередатчики в диапазоне СВЧ применяют в радиолокационных станциях (РЛС), телевидении, ретрансляционных линиях связи, для тропосферной и космической связи, для связи с подвижными объектами, для радиоуправления и бортовой аппаратуры радиопротиводействия и многих других специальных назначений.
В данной работе будут проектироваться основные каскады радиопередающего устройства автомобильной радиостанции. В связи со спецификой к проектируемому РПдУ предъявляются следующие требования:
· низковольтное питание от автомобильной системы электроснабжения (аккумулятора);
· малое энергопотребление;
· высокий КПД;
· устойчивость к воздействию внешних факторов таких, как широкий диапазон рабочих температур, влажность, дорожная пыль, ускорения, вибрации и др.
Основные параметры передатчиков низовой радиосвязи определяются действующими стандартами. ГОСТ предусматривает обязательную предкоррекцию амплитудно-частотной характеристики (АЧХ) (с подъёмом верхних частот) 6дБ на октаву с точностью ±2дБ. Кроме того, для повышения помехозащищённости линии связи модулирующий сигнал подвергают амплитудному ограничению или применяют компрессию (сжатие) его динамического диапазона, что обеспечивает выигрыш по мощности передатчика ЧМ в 2...3 раза.
Актуальность этого прибора в наше время, во время рыночной экономики, при наличии огромного количества информации, которой необходимо оперативно обмениваться, ясна всем. Это РПдУ даст возможность современным предпринимателям быстро осведомлять друг друга об изменении либо подтверждении ранее оговоренного соглашения, поможет вызвать спасателей в трудную минуту, очень сильно облегчит жизнь любому своему владельцу.
1.Структурная схема РПдУ
Требования, предъявляемые к передатчику, можно обеспечить при разных вариантах построения его структурной схемы. Не проводя полного электрического расчёта, можно, пользуясь оценочными сведениями и формулами, сопоставить структурные схемы этих вариантов и выбрать лучший из них.
Структурная схема на ВЧ строится по тем же принципам, что и в диапазоне более низких частот. Решающими при выборе схемы являются требования к нестабильности частоты, обеспечению необходимой мощности на выходе, фильтрации высших гармоник и внеполосных излучений. Ориентировочно считается, что в однокаскадных передатчиках можно реализовать относительную нестабильность частоты не менее 10-4 . При меньшей нестабильности передатчики реализуются по многокаскадным схемам. Количество каскадов усиления определяется из условия обеспечения заданного уровня выходной мощности. При этом оконечный усилитель мощности (УМ) называют выходным (ВУМ), а все остальные – промежуточными (ПУМ). За фильтрацию отвечают колебательные системы каскадов (КС), в основном – оконечного (ВКС).
ПУМ должны обеспечивать:
· высокий коэффициент усиления по мощности;
· необходимую амплитуду (мощность) возбуждения последующего каскада;
· высокую устойчивость (отсутствие паразитных колебаний);
· уменьшение реакции нагрузки не задающий генератор (буферные усилители (БУ)), тем самым, обеспечивая сохранение стабильности его частоты;
· усиление сигнала без превышения уровня допустимых искажений и др.
Требования к ВУМ:
· высокий коэффициент усиления по мощности;
· высокий КПД (им в основном определяется КПД всего РПдУ в целом);
· ВКС должна обеспечивать необходимую фильтрацию и соглосов.
При разработке структурной схемы радиопередатчика определяются входные и выходные параметры отдельных каскадов, их число, тип, количество и схемы включения активных приборов (АП), решаются вопросы стабилизации частоты, модуляции и, наконец, определяются величины питающих напряжений.
Расчёт структурной схемы РПдУ включает в себя следующие основные этапы:
1. Оценка целесообразности применения одного из известных вариантов структурных схем. Выбор варианта схемы.
2. Распределение частот колебаний в различных каскадах передатчика.
3. Определение уровней колебательной мощности по каскадам.
4. Выбор АП и номиналов питающих напряжений.
5. Уплотнение (минимизация) структурной схемы передатчика.
Тип структурной схемы проектируемого передатчика выберем с ЧМ прямым методом, так как данная схема наиболее проста и позволяет обеспечить все требуемые параметры РПдУ. Выбранный тип схемы представлен на рис.1.
Рис.1. Линейная структурная схема передатчика с ЧМ (прямой метод).

Расчёт структурной схемы радиопередатчика следует начать с конца:
1. Выходной усилитель:
Вт
,
пусть КПД ВКС
,
тогда ![]()
Вт
.
Рабочая частота ВУМ
Гц
. Этим требованиям удовлетворяет транзистор КТ-920В.
Его параметры:
Гц ,
(остальные параметры транзистора приведены в разделе №4).
Найдём его коэффициент усиления по мощности на рабочей частоте: ![]()
Вт
. Это, конечно же, много. То есть, данная приближённая формула в этом случае не работает (она даёт слишком завышенный результат). Поэтому предположим, что
. ВУМ и все остальные каскады предварительного усиления целесообразно собрать по схеме с общим эмиттером (ОЭ), так как fо
<
fгр
и используемые транзисторы имеют два эмиттерных вывода, для уменьшения индуктивности общего вывода. Постоянное базовое смещение следует взять равным нулю, так как при этом угол отсечки коллекторного тока близок к оптимальному (90о
) и схема упрощается. Таким образом, мощность, необходимая для возбуждения ВУМ: ![]()
Вт
. Эту мощность должен развивать на выходе ПУМ1.
2. Промежуточное усиление:
каскадами ПУМ необходимо добиться усиления мощности автогенератора до величины Р`. РАГ
=1...2 мВт
(это будет показано позже). Рабочая частота их
Гц
, как и у ВУМ. ПУМ1: КТ-920А
, его энергетические параметры: Uкэ
=12,6В
, для получения на выходе
Вт
необходимо на вход подать мощность
мВт
, которую должен развивать ПУМ2. АП в ПУМ2 выберем транзистор КТ-343А
. Его параметры Рк доп
=150 мВт
,
, Uкэ
=12,6В
. Тогда ![]()
мВт
.
3. Умножитель частоты:
для получения необходимой рабочей частоты следует использовать УЧ с коэффициентом умножения 2. АП в нём можно использовать тот же, что и в ПУМ2: транзистор КТ-343А
, но так как КПД УЧ меньше, чем у УМ, то меньше и коэффициент усиления. Его приближённо можно посчитать по формуле ![]()
. Тогда мощность, требуемая от автогенератора ![]()
мВт
. Так как эту мощность, как будет показано позже, автогенератора может отдавать в нагрузку, то на этом предварительное усиление сигнала можно прекратить.
4. Буферный усилитель: в рассматриваемом случае можно опустить, так как имеем не высокую рабочую частоту. Его роль (развязку автогенератора с каскадами ПУМ) будет выполнять УЧ.
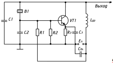
5. Задающий генератор, система автоматической подстройки частоты и частотный модулятор: в качестве этого используем автогенератор с кварцевой стабилизацией частоты и варикапным управлением. АП является всё тот же КТ-343А . Кварцевый автогенератор является составной частью возбудителей, синтезаторов частоты, радиопередающих и радиоприёмных устройств, а также аппаратуры для частотных и временных измерений. По принципу использования кварцевого резонатора схемы КАГ можно классифицировать по трем группам: осцилляторные , фильтровые, схемы с затягиванием частоты. В фильтровых схемах КАГ КР включается последовательно в цепь обратной связи и работает точно на частоте последовательного резонанса КР. Сопротивление КР на этой частоте чисто активное и имеет минимальное значение, что ведёт к резкому увеличению коэффициенту передачи цепи обратной свызи и выполнению условий самовозбуждения КАГ. Достоинство этих схем: относительно большой уровень отдаваемой мощности (на один-два порядка выше чем у оцилляторных схем). В осцилляторных схемах кварцевый резонатор является элементом контура и играет роль индуктивности. Основным достоинством этих схем является простая схемная реализация и малые значения относительной нестабильности частоты колебаний. Но уровень колебательной мощности, который они могут генерировать при сохранении параметров КР, невелик и составляет единицы и десятки милливатт. Этот недостаток можно избежать при использовании в схеме дополнительного каскада промежуточного усиления. Более высокой стабильностью частоты обладает емкостная трёхточка, поэтому будем проектировать КАГ по осцилляторной емкостной трехточечной схеме (рис.2).
Рис.2. Электрическая схема осцилляторного КАГ по схеме емкостной трёхточки.
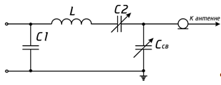
6. ВКС: П-фильтр с дополнительной ёмкостью, обеспечивает согласование выходного сопротивления АП с входным сопротивлением фидера, канализирующего ВЧ энергию к антенне, и фильтрацию побочных и внеполосных излучений, основную долю которых составляют высшие гармоники выходного тока ВУМ.
Таким образом, структурная схема проектируемого РПдУ упрощается. Она изображена на рис.3.

Рис.3. Структурная схема проектируемого передатчика.
По техническому заданию необходимо рассчитать два основных каскада полученной структурной схемы: КАГ и ВУМ с ВКС. Эти каскады определяют основные параметры и характеристики РПдУ такие, как КПД, мощность в антенне, стабильность частоты и уровень побочных излучений.
2.Электрический расчет
Исходные данные на курсовой проект:
Вт
Гц
Гц
Ом
дБ
Гц
Исходные данные на транзистор КТ-920В :
![]()
А
Вт
Гн
Ф
Ом
В
А
Вт
Гн
Ф
Ом
В ![]()
![]()
Гн
Ф
Ом
В
А/В
о
С
В
Гц
Гц
Гц
Так как предполагаемый коэффициент усиления по мощности транзистора равен 10, то можно использовать упрощённую методику расчёта.
![]()
Вт
2.1 Расчёт выходного усилителя мощности
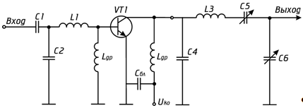
Как упоминалось ранее, выходной каскад и все каскады ПУМ и УЧ будут собраны по схеме с общим эмиттером (рис.4). Причём в выходном каскаде для оптимизации КПД и усилительных свойств каскада выбираем угол отсечки коллекторного тока, равный 90о . Такой режим предусмотрен по конструкции транзистора при нулевом постоянном смещении по базовой цепи. При этом схема упрощается (рас.5).

Рис.4. Электрическая схема усилителя с ОЭ (каскады ПУМ и УЧ).

Рис.5. Электрическая схема усилителя с ОЭ (каскады ВУМ с ВКС).
Итак, начинаем расчёт:
1.Сопротивление потерь коллекторного в граничном режиме:
![]()
Ом
2.Коэффициент использования коллекторного напряжения в граничном режиме:

3.Напряжение и первая гармоника тока нагрузки, приведённые к ЭГ:
![]()
В
![]()
А
4.Полезная нагрузка и полное сопротивление, приведённые к ЭГ:
Ом
![]()
Ом
5.Амплитуда первой гармоники тока ЭГ:
![]()
А
6.Крутизна по переходу:
![]()
А/В
7.Сопротивление рекомбинации:
![]()
Ом
8.Крутизна статической характеристики коллекторного тока:
![]()
А/В
9.Коэффициенты уравнения:
![]()
![]()
10.Коэффициент разложения:

обозначения: ![]()
11.По таблице на основе
находим:
,
,
12.Амплитуда тока базы:
![]()
А
13.Модуль коэффициента усиления по току, приведённый к ЭГ:
![]()
14.Пиковое обратное напряжение на эмиттере:
![]()
В
Это напряжение должно быть меньше допустимого напряжения перехода база-эмиттер
В
. Как видно, условие выполняется.
![]()
Ф
15.Составляющие входного сопротивления транзистора первой гармонике:
![]()
Ом

Ом
Z вх = r вх1 + jx вх1
16.Коэффициент усиления по мощности:
![]()
Коэффициент получился завышенным, так как граничная частота используемого транзистора на порядок больше рабочей частоты. Учитывая это, можно грубо предположить, что реальный коэффициент усиления по мощности будет тоже ниже на порядок, то есть около 10, как и предполагалось в начале расчёта.
17.Постоянная составляющая коллекторного тока:
![]()
А
18.Мощность, потребляемая от источника питания:
![]()
Вт
19.КПД коллектора:
![]()
20.Входная мощность:
![]()
Вт
21.Рассеиваемая мощность:
![]()
Вт
22.Составляющие сопротивления нагрузки, приведённые к внешнему выводу коллектора в параллельном эквиваленте:

Ом
![]()
Ом
Z н = R н + jX н
Сопротивление Хн в данном случае имеет отрицательный знак. Его удобно реализовать в виде ёмкости с ![]()
Ф
2.2 Расчёт выходной колебательной системы
1.Определение КПД промежуточного контура:
K
=3.162
×
105
![]()

![]()
![]()
![]()
![]()
![]()
![]()
![]()
Как было оговорено ранее, в качестве ВКС будет использоваться П-образный фильтр с дополнительной ёмкостью (рис.6). Его нагрузкой является фидер с
Ом
.

Рис.6. П-фильтр с дополнительной ёмкостью.
2.Расчёт промежуточного контура:
Пусть
, тогда добротность нагруженного контура:
![]()
Волновое сопротивление контура находится в пределах 20...30 Ом
. Положим, для определённости
Ом
. (Обозначения ![]()
)
Расчёт ёмкости С1:
![]()
Ом
![]()
Ф
Емкость С1 включает в себя выходную ёмкость транзистора Свых. Для уменьшения влияния Свых на настройку контура при замене транзистора желательно иметь С1>2 .
Свых, что мы и имеем:
Ф
.
Собственное активное сопротивление потерь:
![]()
Ом
Вносимое сопротивление в контур со стороны фидера:
![]()
Ом
Сопротивление связи с фидером, а значит и ёмкость связи:
![]()
Ом
![]()
Ф
Ёмкость С2:
![]()
Ом
![]()
Ф
Индуктивность контура:
![]()
Гн
Мощность, генерируемая в критическом режиме:
![]()
Вт
3. Расчёт КПД передатчика: основная ответственность за уровень КПД лежит на ВУМ, так как ПУМ, а тем более КАГ, работают на малом уровне мощности, и потери в этом случае совершенно не соизмеримы с потерями в мощном выходном усилителе. Таким образом,
![]()
%
2.3 Расчёт кварцевого автогенератора
Параметры кварцевого резонатора:
![]()
Гц
Для получения заданной рабочей частоты, по расчётам необходимо настроить кварцевый резонатор (КР) на частоту
Гц
.
На соответствующую частоту следует подобрать КР. Получим:
Тип среза – ВТ, ориентация среза по осям: yxl/-49o
,работа на первой гармонике. Частотный коэффициент
кГц .
см
, резонансный промежуток
. Размеры пластины:
![]()
см


![]()
см ![]()
см
![]()
см
или ![]()
см
Далее определим параметры кварцевого резонатора:
![]()
Ф
![]()
Ф
![]()
Гн
![]()
Ом
Добротность кварцевого резонатора:

Частота последовательного резонанса:
![]()
Гц
Частота параллельного резонанса:

Гц
радиостанция модулятор усилитель кварцевый
Допустимая мощность, рассеиваемая кварцевым резонатором при сохранении его параметров и заданной стабильности частоты:
Вт
Параметры необходимого транзистора:
![]()
![]()
Гц
![]()
Гц
![]()
![]()
Вт
![]()
Вт
А
По всем требуемым параметрам и характеристикам подходит всё тот же транзистор КТ-343А . Его справочные данные:
В
Ф
Гц
Вт
А/В
В
Ф
с
о
С
Расчёт остальных параметры транзистора:
1. Крутизна эмиттерного перехода (по НЧ):
![]()
А/В
2. Сопротивление рекомбинации:
![]()
Ом
3. Суммарная ёмкость эмиттерного перехода:
![]()
Ф
4. Активная составляющая ёмкости коллектора:
![]()
Ф
5. Пассивная составляющая ёмкости коллектора:
![]()
Ф
6. Омическое сопротивление материала базы:
![]()
Ом
7. Коэффициент передачи коллекторного перехода:
![]()
![]()
8. Крутизна коллекторного перехода (по НЧ):
![]()
А/В
9. Крутизна базового перехода:
![]()
А/В
10. Граничная частота транзистора по крутизне:
![]()
Гц
Выбор угла отсечки и расчёт управляющего сопротивления КАГ:
Управляющее сопротивление автогенератора представляет собой произведение сопротивления нагрузки на коэффициент обратной связи. Оно определяется из условия баланса амплитуд:

Ом
Модуль крутизны проходной характеристики в рабочей точке определяется из выражения для критической крутизны:
. А угол отсечки выбираем сами
, тогда коэффициенты Берга имеют значения:
,
,
.
Расчёт входных и выходных проводимостей КАГ:
Усреднённые по первой гармонике коллекторного тока входная и выходная проводимости, а также усреднённые значения входной и выходной ёмкости транзистора в режиме больших амплитуд могут быть найдены по следующим формулам:
![]()
Ф
![]()
с
![]()
с
![]()
См
![]()
Ом
![]()
См
![]()
Ом
![]()
Ф
![]()
Ф
Расчёт сопротивлений Х1 и Х2 емкостного делителя КАГ:
Управляющее сопротивление кварцевого резонатора мощно записать в следующем виде:
, где
- сопротивление ёмкости кварцедержателя (
);
- коэффициент обратной связи КАГ.
От величины Ко зависит степень влияния входных и выходных проводимостей транзистора на нестабильность частоты. При уменьшении Ко возрастает влияние выходной проводимости транзистора и уменьшается влияние его входной проводимости. С увеличением Ко влияние выходной проводимости транзистора на частоту автогенератора уменьшается, а влияние его входной проводимости увеличивается. Обычно величина выбирается в пределах 0,2 ... 0,8. Но, так как входная проводимость, полученная в ранее, много меньше выходной, то следует выбирать Ко меньшим. Положим Ко=0.2 .
Расчёт сопротивлений Х1 и Х2 будем выполнять методом последовательного приближения, то есть сначала определим эти параметры в первом приближении (последний индекс расчётных величин 1), а затем на основе полученных результатов проведём второе приближение (последний индекс расчётных величин 2), и так далее. Расчёт можно считать законченным в том случае, когда отличие результатов последнего и предпоследнего приближений отличаются не более, чем на 10%.
Итак, результаты первого приближения:
![]()
рад
![]()
См
![]()
Ом2
![]()
Ом
![]()
Ом
![]()
Ом
![]()
![]()
Ом
![]()
![]()
![]()
Ом
Второе приближение:
![]()
Ом
![]()
Ом
![]()
Ом
![]()
![]()
Ом
![]()
![]()
![]()
Ом
Сравнение:
%
,
так как имеем относительную ошибку менее 10%, то, как было упомянуто ранее, имеем конечный результат:
![]()
Ом ![]()
Ом
.
При этом коэффициент обратной связи ![]()
,
то есть тот, что и был задан. И управляющее сопротивление: полеченное ранее:
Ом
, а полеченный сейчас по вышеприведённой формуле:
Ом
. Видно, что различие в пределах 10% погрешности.
Расчёт частоты генерации и коэффициента обратной связи КАГ:
Частота генерации КАГ:
![]()
Гц
![]()
![]()
![]()
При правильном расчёте должно иметь место неравенство: F
кв1<
f
ген<
F
кв2
, и частота f
ген
должна находиться вблизи частоты последовательного резонанса F
кв1
. В результате расчётов именно это и имеем:
Гц
Гц
. Тогда, величины внешних емкостей С1
и С2
равны:
![]()
Ф
![]()
Ф
Модуль коэффициента обратной связи:

Расчёт энергетических показателей КАГ:
1.Амплитуда переменного напряжения на базе:![]()
В
2.Постоянная составляющая базового тока:![]()
А
3.Напряжение смещения на базе транзистора:
![]()
В
4.Амплитуда переменного
напряжения на базе транзистора:![]()
В
5.Амплитуда напряжения на коллекторе в критическом режиме:
![]()
В
Проверка напряжённости режима КАГ проводится с целью обеспечения недонапряжённого режима, то есть должно выполняться условие U мк< U мккр . Как видно, это условие выполняется.
6.Амплитуда первой гармоники коллекторного тока:
![]()
А
7.Колебательная мощность КАГ:
![]()
Вт
Эта мощность должна быть больше, чем колебательная мощность КАГ, которая планировалась при расчёте структурной схемы (
Вт
), как раз то, что мы и имеем.
8.Мощность, подводимая от источника коллекторного питания:
![]()
Вт
9.КПД коллекторной цепи:![]()
%
10.Мощность, рассеиваемая на коллекторе транзистора:![]()
Вт
Эта мощность не должна превосходить допустимую рассеиваемую мощность коллектора (
), что и имеем.
Так как все условия выполнены, то энергетический режим КАГ соответствует требуемому.
Расчёт мощности, рассеиваемой кварцевым резонатором:
Напряжение на кварцевом резонаторе:![]()
В
Мощность, рассеиваемая на резонаторе:
, где
![]()
, тогда
Вт
, а
Вт
. Следовательно, рассеиваемая мощность в пределах нормы.
Расчёт цепей смещения КАГ:
Для термостабилизации рабочей точки в автогенераторах применяется автосмещение в цепи эмиттера. Сопротивление R
э
выбирается в пределах 200 ... 300 Ом
(пусть
Ом
). Тогда напряжение источника питания выбирается равным:![]()
В
Для мягкого самовозбуждения в транзисторных автогенераторах используется начальное отпирающее смещение (Ебнач>Еб ).
Пусть
![]()
В
Полное напряжение между базой и эмиттером транзистора в установившемся режиме:
, где R
б
– сопротивление смещения в базовой цепи, его выбирают так, чтобы можно было обойтись без дросселя в цепи базы, а именно R
б=(10..20).
R
упр
. Пусть
![]()
Ом
Тогда
В
Сопротивления резистивного делителя R1 и R2:
![]()
Ом

Ом
Расчёт вспомогательных элементов КАГ:
Ёмкость блокировочного конденсатора в цепи эмиттера выбирается из условия Хсэ<< R э , откуда
![]()
Ф
Индуктивность блокировочного дросселя в цепи коллектора определяется из условия f к< f ген
, тогда ![]()
Гн
Ёмкость блокировочного конденсатора в цепи коллектора определяется из условия ХСбл<<Хдр
откуда ![]()
Ф
Определение нестабильности частоты КАГ:
Частота автогенератора варьируется во время его работы. Эти изменения обусловлены внешними воздействиями: полезными и вредными. К полезным относим изменение частота АГ в зависимости от управляющего сигнала (модулирующего низкочастотного напряжения U мод ). А к вредным – изменение частоты в связи с воздействием на АГ внешних факторов, таких как температура, влажность, давление, электромагнитные поля, радиация и многое другое. Различают кратковременную и долговременную нестабильность. Кратковременная нестабильность измеряется за время менее 1 секунды. Она появляется за счёт фазовых флюктуаций токов, шумов (тепловых и дробовых) и приводит к размыванию спектральной линии и, следовательно, к появлению шумов в канале связи. Долговременная нестабильность частоты измеряется за время более 1 секунды, появляется из-за нестабильности температурных параметров элементов, нестабильности источников питания, старения элементов и др., и приводит к смещению спектральной линии по оси частот, вследствие чего необходимо увеличивать полосу частот на канал связи. Долговременная нестабильность превышает кратковременную на 2...3 порядка.
Нестабильность частоты автогенератора – это средний квадрат нестабильностей частоты, обусловленных действием различных дестабилизирующих факторов:
.
Ниже в таблице приводятся нестабильности в соответствии с факторами, их вызывающими. А формулы, по которым эти величины рассчитывались, приведены под таблицей.
| Параметр | Относительная погрешность | Нестабильность частоты | |
| % | значение | ||
| 10 | |||
| 10 | |||
| 10 | |||
| 5 | |||
| 5 | |||
| 10 | |||
| 10 | |||
| 10 | |||
| 10 | |||
| ------ | ------ | ||
| ------ | ------ | ||
Заключение
В заключении необходимо отметить, что полученное задание к курсовому проекту было успешно выполнено. В итоге проделанной работы были разработаны принципиальные электрические схемы и рассчитаны параметры и элементы кварцевого автогенератора и выходного усилителя мощности с его выходной колебательной системой.
Список литературы
· 1.Радиопередающие устройства. Под ред. В.В. Шахгильдяна, М., «Радио и связь», 1990г.
· 2.Разработка и оформление конструкторской документации РЭА: / Справочник. Под ред. Э.Т. Романычевой, М., «Радио и связь», 1989г.
· 3.Проектирование радиопередающих устройств СВЧ. Под ред. Г.М. Уткина, М., «Советское радио», 1979г.
· 4.Г.Б. Альтшуллер, Управление частотой кварцевых генераторов. М. «Связь»,1969г.
· 5.Методические указания к упражнениям по дисциплине «Радиопередающие устройства». Под ред. Ю.Л. Мишина, Рязань, РРТИ, 1980г. (№545)
· 6.Разработка и расчёт колебательной системы диапазонного выходного усилителя мощности: Методические указания к практическим занятиям / Сост. Ю.Л. Мишин, Н.М. Прибылова; Под ред. Ю.И. Судакова. – Рязань: РРТИ, 1988г. (№1520)
· 7.Теория нелинейных электрических цепей: Методические указания по исполнению ВТ в курсовой работе / РРТИ; Сост. Р.А. Ваккер. Рязань, 1991г. (№1826)
· 8.Расчёт кварцевого автогенератора: Методические указания к практическим занятиям / Н.М. Прибылова, В.Н. Сухоруков; РГРТА, Рязань, 1998г. (№2744)
· 9.Транзисторы для аппаратуры широкого применения: Справочник / Под ред. Б.Л. Перельмана. – М.: Радио и связь, 1981г.
· 10. Конспект лекций по дисциплине «Радиопередающие устройства», 1999г.
· 11. Расчёт генератора с внешним возбуждением: Методические указания / РРТИ; Сост. П.А. Крестов, Н.М. Прибылова. Рязань, 1990г.
Приложение
| Поз. обозн. | Наименование | Кол. | Примечания |
| Сопротивления: | |||
| R8 | МЛТ – 0,125 – 10 кОм ± 5% | 1 | |
| R9 | МЛТ – 0,125 – 920 Ом ± 5% | 1 | |
| R10 | МЛТ – 0,125 – 250 Ом ± 5% | 1 | |
| Конденсаторы: | |||
| C3 | СП5 – 16 – 15,6 нФ ± 5% | 1 | |
| C4 | СП5 – 16 – 3000 пФ ± 5% | 1 | |
| C5 | СП5 – 16 – 15000 пФ ± 20% | 1 | |
| C28 | К50 – 35 – 960 пФ ± 10% | 1 | |
| C29 | К50 – 35 – 280 пФ ± 10% | 1 | |
| C30 | К50 – 35 – 600 пФ ± 10% | 1 | |
| Катушки индуктивности: | |||
| L16 | 142,5 нГн | ||
| Транзисторы: | |||
| VT1-VT3 | КТ – 343А | 3 | |
| VT4 | КТ – 920А | 1 | |
| VT5 | КТ – 920В | 1 |
Похожие рефераты:
Электронные схемы для дома и быта
Усилитель мощности миллиметрового диапазона длин волн
Применение программного комплекса Electronics Workbench для разработки радиоэлектронных устройств
Высокочастотный приемный тракт
Конструкция генератора с фазовой автоподстройкой частоты для диапазонов ОВЧ-УВЧ
Индивидуальный прием программ спутникового вещания
Портативный радиоприёмник средних волн
Построение системы автоматического контроля
Расчет радиопередатчика с ЧМ модуляцией