| Похожие рефераты | Скачать .docx |
Курсовая работа: Оценка показателей безотказной работы радиоэлектронного устройства
Министерство образования
Кафедра Конструирования
Курсовой проект
По дисциплине:
“Теоретические основы технологии, конструирования и надежности”.
по теме:
“Оценка показателей безотказной работы радиоэлектронного устройства”
Выполнила: Котова С.Н.
Проверил: к.т.н. Романов П.И.
Содержание
Введение
1. Уточнение исходных данных
2. Определение случайного времени до отказа и характер отказа элементов
3. Определение показателей безопасности
4. Обоснование метода резервирования для функционального узла РЭУ
5. Оценка влияния способа соединения элементов в узле резервирования
6. Описание работ, выполняемых с применением ЭВМ
Заключение
Литература
Приложения
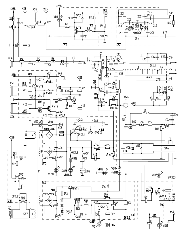
Приложение 1. Схема электрическая принципиальная
Приложение 2. График зависимости вероятности без отказной работы P(t) от времени
Приложение 3. Выбор элементной базы
Введение
В настоящее время проблема надёжности радиоэлектронных систем является наиболее важной в теории конструирования. Средства, с помощью которых можно обеспечить гарантированное функционирование радиоэлектронной системы в течение достаточно длительного времени порой ограничены определёнными экономическими, массогабаритными, схемотехническими параметрами. В то же время радиоэлектронные устройства стали значительно сложнее с точки зрения схемотехники; появилась потребность в приборах с большей точностью работы, повысилась «цена» отказа РЭУ (порой последний может привести к значительным материальным потерям и человеческим жертвам) и, наконец, условия в которых эксплуатируется современная аппаратура зачастую являются запредельными (большие перепады температуры, высокое давление, механические воздействия, химически агрессивные среды, изолированность от человека—оператора). Поэтому уровень надёжности системы, как правило, становится её определяющей характеристикой.
Существующие методы расчёта показателей надёжности радиоэлектронных устройств различаются степенью точности учёта электрического режима и условий эксплуатации элементов. Соответственно существуют приближенный (ориентировочный) и уточнённый расчёты.
При ориентировочном расчёте учёт электрического режима и условий эксплуатации элементов выполняется приближённо, с помощью обобщённых эксплуатационных коэффициентов. Этот расчёт выполняется на начальных стадиях проектирования радиоэлектронных устройств, когда ещё не выбраны типы и эксплуатационные характеристики элементов, не спроектирована конструкция и, естественно, отсутствуют результаты конструкторских расчётов (теплового режима, виброзащищённости и т.д.). Уточнённый расчёт, напротив, выполняют на заключительных этапах проектирования радиоэлектронных устройств, когда выбраны типы и типоразмеры элементов, спроектирована конструкция и получены результаты вышеперечисленных конструкторских расчётов. Расчет выполняется при тех же допущениях, что и ориентировочный, но электрический режим и условия эксплуатации элементов учитывается более точно и, кроме того, принимаются во внимание конструктивные элементы устройства (шасси, корпус, провода) с.5-6 [1].
1. Уточнение исходных данных
Таблица 1. Исходные данные к расчету
| Тип элемента | Коэффициенты нагрузок |
| Активные элементы | 0,6 |
| Резистор | 0,7 |
| Конденсатор | 0,8 |
| Другие элементы | 0,8 |
Заданное время работы до 10.000 часов.
2. Определение случайного времени до отказа и характер отказа элементов
При проектировании РЭС возникает вопрос: “Будет ли создаваемая система обладать достаточной надежностью? ”. Поэтому на самых ранних этапах проектирования необходимо ориентировочная оценка ожидаемой надежности.
Такая оценка позволяет сопоставить результаты расчета с техническим заданием и принять меры схемотехнического, конструкторского и технологического характера для повышения надежности.
Надежность – способность изделия выполнять определенные задачи в определенных условиях эксплуатации за требуемое время с минимальными затратами.
Надежность – комплексное свойство, которое в зависимости от назначения изделия и условий его эксплуатации может включать безотказность, долговечность, ремонтопригодность и сохраняемость в отдельности или определенное сочетание этих свойств как изделия в целом, так и его частей.
Основное понятие, используемое в теории надежности, - отказ, то есть утрата работоспособности, наступающей внезапно либо постепенно.
Работоспособность – состояние изделия, при котором оно соответствует требованиям, предъявляемым к его основным параметрам.
Безотказность – свойство объекта непрерывно сохранять работоспособность в течение данного времени.
Долговечность – свойство изделия длительно (с возможными в процессе эксплуатации перерывами) сохранять работоспособность в определенных режимах и условиях эксплуатации до полного выхода из строя.
Ремонтопригодность – это свойство объекта, заключается в приспособлении объекта к ремонту и техническому обслуживанию.
Исправность – это состояние объекта, при котором он соответствует всем требованиям технического задания.
Сохраняемость – свойство изделия непрерывно сохранять исправное и работоспособное состояние в течение, и после хранения и транспортировки. Для определения и прогнозирования надежности необходимы критерии и количественные показатели надежности.
Вероятность безотказной работы – вероятность того, что за данный период времени не произойдет ни одного отказа. Чтобы определить вероятность безотказной работы, нужно знать функцию отказов во времени f(t), которая представляет собой частоту отказов. При этом вероятность безотказной работы P(t), мы можем определить P отказа:
(1)
Если f(t) – частота отказа, то
(2)
(3)
Кроме данной формулы вероятности безотказной работы можно определить, исходя из статистических данных:
(4)
где N – начальное число элементов в изделии, ni – число элементов, отказавших за заданное время.
Интенсивность отказов – это отношение отказов в единицу времени, отнесенных к числу элементов, оставшихся исправными, к началу рассматриваемого промежутка времени:
(5)
где ∆ni – число отказов за ∆t.
ni – общее число отказавших элементов к началу рассматриваемого
промежутка времени.
N – начальное число элементов.
Соотношение между
и P(t) имеет вид:
(6)
Для экспоненциального закона:
(7)
Существует несколько методов расчета надежности РЭС.
Выбор того или иного метода зависит от того, какими исходными данными мы располагаем и на какой стадии проектирования производится расчет.
Различают два основных метода расчета:
приближенный (ориентировочный)
полный (или окончательный)
Оба вида расчета предполагают расчет вероятности безотказной работы P(t), которая должна учитывать три вида отказов:
внезапный;
постепенный;
перемежающийся.
В случаи независимости вышеназванных отказов:
(8)
Для систем РЭС:
(9)
Можем пренебречь и Pпост(t), то есть Pпост(t)=1, если расчет будем производить для области нормального функционирования системы.
Приближенный расчет надежности производится на начальной стадии проектирования с целью определения грубой оценки уровня надежности разрабатываемой системы.
Получают несколько разновидностей приближенного расчета надежности:
а) расчет по среднегрупповым интенсивностям отказа элементов.
б) коэффициентный метод расчета
в) расчет надежности с использованием данных опытов и эксплуатации.
Полный расчет надежности выполняется на более поздних стадиях проектирования и для его расчета необходимо располагать:
- данными о реальных режимах работы элементов устройства
- зависимость интенсивности отказов элементов от температуры и от электрических (и других) условий эксплуатации устройства.
Расчет блока РЭС по средне групповым интенсивностям отказов:
Интенсивность отказов каждого элемента устройства – постоянная величина
(10)
Для всей системы:
(11)
где K – общее число групп элементов в изделии.
Ni – общее число элементов в i – той группе.
В соответствии с
можем определить вероятность безотказной работы:
(12)
Вероятность отказа:
(13)
Наработка на отказ:
(14)
Вероятность восстановления:
(15)
где
- интенсивность восстановления:
(16)
где Tв – время восстановления системы.
При полном расчете дополнительно учитывают, что лi имеет функцию от некоторых параметров (режимы и условия работы элементов). При полном расчете дополнительно определяют (в зависимости от условий):
Вероятность отказов;
Вероятность восстановления;
Среднее время восстановления;
Интенсивность восстановления;
Коэффициент готовности;
Вероятность нормального функционирования.
3. Определение показателей безотказности
Суммарная интенсивность отказов (с.161 [1]):
(1)
где л0j — среднегрупповое значение интенсивности отказов эле_ентов j-й
группы, найденное с использованием справочников, j = 1, …k;
nj — количество элементов в j-й группе, j = 1, …, k;
k — число сформированных групп однотипных элементов.
л∑ с учетом условий эксплуатации (с.161 [1]):
(2)
![]()
где Кэ – коэффициент эксплуатации выбираемый по табл.5.5[1] в зависимости от вида РЭУ или условий его эксплуатации (Кэ=7).
С использованием гипотезы об экспоненциальном законе надежности подсчитывают другие показатели надежности:
Наработка на отказ (с.162 [1]):
(3)
Вероятность безотказной работы за заданное время (с.162 [1]):
(4)
![]()
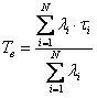
Среднее время безотказной работы устройства (средняя наработка до отказа) (с.162 [1]):![]()
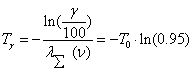
Гамма - процентная наработка до отказа Тг определяется, как решение уравнения (с.162 [1]):
(5)
В случае экспо
(6)

Все расчетные данные обобщены и приведены в табл.2.
Таблица 2. Расчет по среднегрупповым интенсивностям отказов (ориентировочный расчет)
| № п/п | Наименование и тип элемента | Обознач. на схеме | ni | лi , 10-6 1/ч | niлiКн 10-61/ч |
| 1 | Транзисторы кремневые: Большой мощности Средней мощности |
3VT1,4VT3, 5VT1 1VT1,4VT1,4VT2 |
3 3 |
0,5 0,45 |
0,9 0,81 |
| 2 | Светодиоды | VD1,VD7,VD10-VD15 | 8 | 0,7 | 3,36 |
| 3 | Диоды: Стабилитроны: Ср.мощности Маломощные Выпрямительные: |
VD3,4VD2,4VD3,5VD7,5VD8 5VD5,5VD6 VD1,VD2,VD4-VD7,1VD1,2VD1,2VD2, 3VD1,4VD1,4VD4-4VD21 |
5 2 29 |
1,25 0,9 0,2 |
3,75 1,08 3,48 |
| 4 | Резисторы: Переменные Постоянные: Pном<0,5Вт Pном=1..2Вт Pном<50Вт |
R4,R12,R16,1R2,4R14,4R16,5R6,6R1 R1-R3,R5-R11,1R1,1R3,1R4,2R1-2R3,3R1, 3R2,4R1-4R9,4R12,4R13,4R15 R13-R17,4R11,5R5 3R3 |
8 30 7 1 |
0,5 0,05 0,08 0,8 |
2,8 1,05 0,392 0,56 |
| 5 | Конденсаторы: Электролит.AL Керамические |
3С1,4C3,4C4,5C1 C1-C24,1C1,2C1-2C4,4C3,4C4 |
4 31 |
0,55 0,05 |
1,76 1,24 |
| 6 | Трансформатор | T1 | 1 | 0,9 | 0,72 |
| 7 | КИ, дроссели | L1-L5,1L1,2L1,2L2,2L4 | 9 | 0,3 | 2,16 |
| 8 | Соединители | XP1,XS1-XS7 | 8 | 0,3 | 1,92 |
| 9 | Кнопки, тумблеры | SB1-SB4,SA1-SA6,4SA1, | 11 | 0,4 | 3,52 |
| 10 | Реле | K1-K6,1K1,3K1,4K1-4K5,5K1-5K4, 6K1,6K2 |
19 | 0,6 | 9,12 |
| 11 | Провода монтажные | - | 22 | 0,3 | 5,28 |
| 12 | Тетрод | VL1 | 1 | 0,8 | 0,48 |
| 13 | Плата | - | 6 | 0,2 | 0,96 |
| 14 | Соединение пайкой | - | 340 | 0,04 | 10,88 |
| ∑ | - | - | 56,2 |
Значение л – интенсивность отказов, берем из табл.П2.1[1].
Определяем суммарную интенсивность отказов элементов с учетом коэффициентов электрической нагрузки и условий их работы в составе устройства(окончательный расчет). Пользуются формулами

где
— интенсивность отказов элементов j-й группы с учетом электрического режима и условий эксплуатации;
— справочное значение интенсивности отказов элементов j-й группы, j = 1, ,.., k;
nj — количество элементов в j-й группе; j = 1 ..... k;
k — число сформированных групп однотипных элементов;
в предельном случае каждый элемент РЭУ может составить отдельную группу;
— поправочный коэффициент, учитывающий влияние фактора xi,i = 1, .... m;
m — количество принимаемых во внимание факторов.
Наработка на отказ:
(2)
![]()
Вероятность безотказной работы за заданное время:
(3)
![]()
Среднее время безотказной работы устройства (средняя наработка до отказа): ![]()
Гамма - процентная наработка до отказа Тг определяется, как решение уравнения:
(4)
В случае экспоненциального распределения времени до отказа:
(5)
![]()
Подсчитываем показатели восстанавливаемости РЭУ. Рассчитываем среднее время восстановления, вероятность восстановления
РЭУ за заданное время фз в предположении, что время восстановления распределено по экспоненциальному закону. (
с.172 [1]).
Расчетная формула в этом случае принимает вид (с.164 [1]):
(6)
![]()
(7)
![]()
Коэффициент готовности и вероятность нормального функционирования (с.164 [1]):
(8)
![]()
(9)
![]()
Все расчетные данные обобщены и приведены в табл.3.
Таблица 3. Расчет по среднегрупповым интенсивностям отказов (окончательный расчет)
| № п/п | Наименование и тип элемента | Обознач. на схеме | б | бб3,4,5лi | niбб3,4,5лi | фi | лiф |
| 1 | Транзисторы кремневые: Большой мощности Средней мощности |
3VT1,4VT3, 5VT1 1VT1,4VT1,4VT2 |
0,8 0,8 |
0,548 0,493 |
1,644 1,479 |
0.7 0.8 |
1,15 1,18 |
| 2 | Светодиоды | VD1,VD7,VD10-VD15 | 0,8 | 0,767 | 6,136 | 0.6 | 3,6 |
| 3 | Диоды: Стабилитроны: Ср.мощности Маломощные Выпрямительные: |
VD3,4VD2,4VD3,5VD7,5VD8 5VD5,5VD6 VD1,VD2,VD4-VD7, 1VD1, 2VD1,2VD2 3VD1,4VD1,4VD4-4VD21 |
0,8 0,8 0,8 |
1,37 0,986 0,219 |
6,85 1,972 6,351 |
0,5 0,5 0,4 |
3,425 0,986 2,54 |
| 4 | Резисторы: Переменные Постоянные: Pном<0,5Вт Pном=1..2Вт Pном<10Вт |
R4,R12,R16,1R2,4R14,4R16,5R6,6R1 R1-R3,R5-R11,1R1,1R3,1R4,2R1-2R3, 3R1,3R2,4R1-4R9, 4R12,4R13,4R15 R13-R17,4R11,5R5 3R3 |
0,41 0,5 0,5 0,5 |
0,281 0,034 0,126 0,055 |
2,248 1,02 0,882 0,055 |
1,2 0,5 0,5 0,5 |
2,69 0, 5 0,4 0,025 |
| 5 | Конденсаторы: Электролит.AL Керамические |
3С1,4C3,4C4,5C1 C1-C24,1C1,2C1-2C4,4C3,4C4 |
0,8 0,4 |
0,603 0,027 |
2,412 0,837 |
0,55 1,1 |
1,32 0,88 |
| 6 | Трансформатор | T1 | 0,5 | 0,617 | 0,617 | 2,2 | 1,32 |
| 7 | КИ, дроссели | L1-L5,1L1,2L1,2L2,2L4 | 0,5 | 0,206 | 0,8 | 1,3 | 1,04 |
| 8 | Соединители | XP1,XS1-XS7 | 0,7 | 0,288 | 1,8432 | 0,8 | 1,47 |
| 9 | Кнопки | SB1-SB4,SA1-SA6,4SA1 | 0,7 | 0,384 | 4,224 | 0,6 | 2,52 |
| 10 | Реле | K1-K6,1K1,3K1,4K1-4K5,5K1-5K4,6K1,6K2 | 0,7 | 0,575 | 10,925 | 2,6 | 28,34 |
| 11 | Провода монтажные | - | 0,7 | 0,288 | 6,336 | 0,5 | 3,168 |
| 12 | Тетрод | VL1 | 1,2 | 1,34 | 1,34 | 0,6 | 0,8 |
| 13 | Плата | - | 0,б | 0,164 | 0,164 | 3,0 | 0,492 |
| 14 | Соединение пайкой | - | 0,8 | 0,044 | 14,08 | 0,5 | 7,04 |
| ∑ | - | - | - | - | 86,1 | 64,38 |
Поправочные коэффициенты б берем из табл.П3.1-П3.3[1]. Время восстановления элементов ф берем табл.П4[1].
ф – среднее время восстановления элементов и функциональных частей РЭУ
б - поправочные коэффициенты с учетом температуры и Кн.
б3=1,37 учитывает влияние мех. воздействий
б4=1,0 учитывает влияние относительной влажности
б5=1,0 учитывает атмосферное давление
4. Обоснование метода резервирования для функционального узла РЭУ
Все методы повышения надежности РЭУ можно условно разбить на две группы методов: схемотехнические и конструкторско-технологические .
Основные методы первой группы:
1.Выбор электрических принципиальных схем, содержащих минимальное число элементов.
2.Выбор электрических принципиальных схем, выходные характеристики которых слабо зависят от изменения напряжения питания и разброса параметров элементов. Это позволяет в значительной степени повысить параметрическую надежность, т.е. свести к минимуму постепенные отказы.
3.Выбор электрических принципиальных схем, устойчивых к воздействию дестабилизирующих факторов, особенно температуры.
Среди методов второй группы необходимо отметить следующие:
1.Правильный выбор коэффициентов электрической нагрузки элементов. Замечено, что для большинства элементов оптимальные значения коэффициентов электрической нагрузки близки к числам 0,3...0,6. Их снижение повышает надежность элементов, однако ведет, как правило, к увеличению массы, габаритов, стоимости устройства. Кроме того, чрезмерное уменьшение коэффициентов электрической нагрузки может вызвать нестабильную работу ряда элементов, например, полупроводнико-вых приборов.
2.Отбраковка потенциально ненадежных элементов в условиях производства РЭУ. Используют как электротермотренировку, так и методы индиви-дуального прогнозирования надежности элементов.
3.Защита элементов РЭУ от воздействия факторов окружающей среды.
Особую группу методов составляет повышение надежности путем резервирования.
Резервирование - это введение в структуру устройства дополнительного числа элементов, цепей и(или) функциональных связей по сравнению с минимально необходимыми для функционирования устройства. В зависимости от того, как подключаются резервные элементы в случае отказа основных, различают следующие виды резервирования:
• постоянное;
• замещением;
• скользящее(может рассматриваться как частный случай резервирования замещением).
Воспользуемся резервированием замещением с нагруженным резервом ( «горячее» резервирование). Мой выбор обусловлен тем, что данное устройство – усилитель мощности. Усилитель мощности резервируется «горячим» резервированием, так как недопустимы перерывы в его работе. В случае резервирования с нагруженным резервом при отказе блок РЭС отключается от электрической схемы, и вместо него подключается один из резервных блоков.
Основной характеристикой резервирования замещением является кратность резерва, выражаемая несокращаемой дробью и определяемая соотношением (с.201 [1]):
(1)
r – количество резервных элементов, способных замещать основные элементы данного типа;
r = m - n;
n – количество основных элементов, резервируемых резервными элементами.
Основные достоинства резервирования замещением:
1). Отсутствие даже кратковременного перерыва в функционировании устройства.
2). Простота технической реализации.
3). Отсутствие необходимости иметь переключающее устройство высокой надёжности.
Основные недостатки резервирования замещением:
1). Незначительный выигрыш в надёжности по сравнению с постоянным резервированием.
2). Резерв находится в таком же электрическом режиме, как и основной элемент, и его ресурс вырабатывается одновременно с ресурсом основного элемента, точно так же, как и при постоянном резервировании.
Таким образом, необходимо определить, какое количество резервных блоков РЭС будет обеспечивать заданный уровень надёжности, т.е. кратность резерва. Для резервирования замещением справедливо следующее выражение:
P(t)=1-(1- P'(t))m (2)
где P(t) - вероятность безотказной работы устройства;
P'(t) - вероятность безотказной работы отдельного блока РЭС;
m - количество резервированных изделий.
Чтобы надёжность удовлетворяла техническому условию, требуется выполнение условия:
P(t) > 0,95
Таблица 3. Повышение надежности резервирование (расчетная таблица).
| m | 1 | 2 | 3 |
| P(t) | 0.72 | 0.92 | 0.97 |
Таким образом, при m=3 начинает выполняться вышеупомянутое условие:
0,97 > 0,95
Следовательно- количество резервированных изделий =2, а кратность резерва 2/1. Двукратного резервирования замещением достаточно, чтобы обеспечить требуемый уровень надёжности.
5. Оценка влияния способа соединения элементов в узле на метода резервирования
Иногда в ходе расчёта надёжность системы не удовлетворяет техническому заданию. В этом случае необходимо принять меры, повышающие надёжность. В общем случае эти меры можно свести к следующим:
Общие;
Прогнозирование;
Граничные испытания;
Приработка изделия;
Резервирование.
К общим методам повышения надёжности относятся:
Правильный выбор схем и элементов схем, а так же режимов их работы;
Выбор соответствующих материалов конструкций, конструктивное решение РЭУ;
Удобство технического обслуживания аппаратуры и её восстановления;
Соблюдение и совершенствование технологии производства;
Контроль качества.
Прогнозирование является важным методом повышения надёжности, поскольку в результате его проведения получаются научно-обоснованные вероятностные данные о будущем состоянии промышленного объекта.
Граничные испытания ─ этот метод имеет перспективы на стадии проектирования аппаратуры. Сущность его заключается в экспериментальном определении области устойчивости работы системы или отдельных узлов при воздействии различных возмущающих факторов.
Резервирование является основным средством повышения надёжности систем и устройств РЭС. Резервирование ─ это введение в структуру устройства дополнительного числа элементов, цепей и (или) функциональных связей по сравнению с минимально необходимым для функционирования устройства. Соединение изделий при этом производится так, что отказ наступает только после отказа основного изделия и всех резервных устройств. Резервирование позволяет получать изделия, надёжность которых может быть выше надёжности входящих в неё элементов. В зависимости от того, как подключаются резервные элементы в случае отказа основных, различают следующие виды резервирования:
Постоянное;
Замещением;
Скользящее.
При постоянном резервировании резервные элементы присоединены к основным в течение всего времени работы и находятся в одинаковом с ним рабочем режиме.
При резервировании замещением основной элемент в случае его отказа отключается от электрической цепи, обычно как по входу, так и по выходу, и вместо него подключается один из резервных элементов. Для этого применяются реле, коммутаторы и т. д.
Скользящее резервирование ─ это резервирование замещением, при котором любой резервный элемент может замещать любой основной элемент. Это возможно лишь при их однотипности.
При постоянном резервировании система работает без остановок, а при резервировании замещением она останавливается на время, определяемое коммутирующим устройством, однако метод постоянного резервирования более дешёвый.
6.Описание работ, выполняемых с применением ЭВМ
При выполнении данного курсового проекта я использовал следующее програмнное обеспечение: Microsft Office(Word,Excel), MathCad13, T-FLEX 3D70.
Так, в T-FLEX рассматривал свою схему, в MathCad13 производил все основные расчеты, в Excel стрографик зависимости без отказа работыP(t) от времени, и наконец в Word составлял окончательный вариант проекта.
Заключение
На основании технического условия был произведен расчет надежности электронного блока РЭУ – усилитель мощности КВ диапазона. Были получены следующие результаты: вероятность безотказной работы 0.72,наработка на отказ 15532 ч, вероятность восстановления системы 0,847, среднее время восстановления 0,8ч.
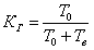
Данные не удовлетворяли ТУ, поэтому пришлось прибегнуть к резервированию ─ одному из способов повышения надежности РЭУ. После чего результаты расчета стали соответствовать требуемым, (вероятность безотказной работы устройства стала больше, чем 95% - 0.97).
Литература
1. Боровиков С.М. Теоретические основы конструирования, технологии и надежности. - Мн. : Дизайн ПРО, 1998. 335 с.
2. А.П.Ястребов. Проектирование и производство радиоэлектронных средств. - С-П.:Учеб. Пособие, 1998. –279 с.
3. Официальный сайт фирмы “Платан” : www.platan.ru.
4. Журнал “Радио” №3 Виталий Кляровский “Современный усилитель мощности КВ диапазона” с.62, 2004г.
Приложение 1
Схема электрическая принципиальная







Приложение 2
График зависимости вероятности без отказной работы P(t) от времени

График зависимости вероятности без отказной работы P(t) от времени (красный – с резервированием, черный – без резервированием).
| Время,ч | 0 | 500 | 1000 | 1500 | 2000 | 2500 | 3000 | 3500 | 4000 | 4500 | 5000 |
| P(t) без резерв. | 1 | 0,968 | 0,937 | 0,9 | 0,879 | 0,85 | 0,824 | 0,795 | 0,77 | 0,74 | 0,72 |
| P(t) с резерв. | 1 | 0,999 | 0,999 | 0,999 | 0,998 | 0,996 | 0,994 | 0,991 | 0,987 | 0,982 | 0,978 |
Приложение 3
Выбор элементной базы
Выбор элементной базы [4]
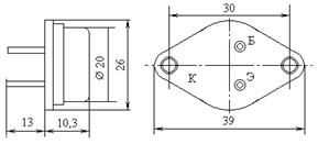
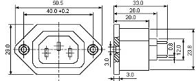
| № п/п | Наименование и тип элемента | Внешний вид (размеры) | |
| 1 | Транзисторы : (размеры в мм) | КТ503Е | ![]() |
| КТ209Л | ![]() |
||
| КТ819Г | ![]() |
||
| BU208A | ![]() |
||
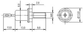
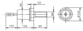
| 2 | Диоды: (размеры в мм) |
Д816А | ![]() |
| Д816Д | ![]() |
||
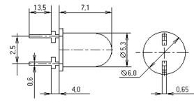
| АЛ307А | ![]() |
||
| FD600 | ![]() |
||
| 3 | Резисторы: (размеры в мм) |
Pном<0,5Вт Тип KNP-0.5 |
D=3.2 L=9.0 Н=28 D=0.6 |
Pном=1..2Вт Тип KNP-200 |
D=5 L=15 Н=35 D=0.8 |
||
Pном<10Вт Тип KNP-1000 |
D=8 L=54 Н=35 D=0.8 |
||
Тип SH-083 |
![]() |
||
SH-655MCL |
![]() |
||
| 4 | Конденсаторы: (размеры в мм) |
Серия SR | ![]() |
| КМ6 | ![]() |
||
| STS-038RA | ![]() |
||
| 5 | Трансформатор МТ506-1![]() |
||
| 6 | Реле электромагнитные | SCH![]() |
|
851H |
|||
| 7 | Кнопки,Тумблеры | B170H![]() |
|
B1011![]() |
|||
| 8 | Тетрод ГУ-40Б
|
К-катод (кольцевой вывод); С1-первая сетка (стержневой вывод);С2-вторая сетка (кольцевой вывод); А-анод. Баллон металлостеклянный с кольцевыми выводами катода и второй сетки и стержневым выводом первой сетки. Катод вольфрамовый прямого накала. Работает в вертикальном положении. Охлаждение принудительное, воздушное |
|
| 9 | Соединители | AC-2![]() |
|
BNC-AC Amphenol![]() |
|||
BNC-S1 Amphenol![]() |
|||
Похожие рефераты:
Расчеты структурной надежности систем
Способы защиты операционной системы от вирусных программ
Оценка показателей безотказности блока РЭС
Диагностика отказов системы регулирования уровня в баке
Оборудование летательных аппаратов
Автоматизация технологических процессов и производств
Классификация отказов, параметры надежности























