| Похожие рефераты | Скачать .docx |
Курсовая работа: Лабораторный блок питания
Введение
Технический прогресс во всех областях предполагает самое широкое использование радиоэлектронной техники, которая прежде всего должна надёжно выполнять возложенные на неё функции. Поэтому задача повышения надёжности радиоэлектронной аппаратуры является в настоящее время одной из главных проблем современной радиоэлектроники. Ненадёжность не только резко снижает эффективность использования радиоэлектронной техники, но и приводит к огромным экономическим потерям, к неоправданному повышению стоимости эксплуатации и тормозит дальнейшее использование средств радиоэлектроники. Поэтому будущее радиоэлектронной аппаратуры в значительной степени зависит от её надёжности.
При проектировании РЭА выполняется разработка описаний нового или модернизированного технического объекта в объеме и составе достаточном для реализации этого объекта в заданных условиях. Такие описания называются окончательными и представляют собой полный комплект документации на проектируемое изделие.
Процесс проектирования делят на этапы, состав и содержание которых в значительной мере определяются природой, типом, характеристиками объекта проектирования. Выделяют следующие этапы проектирования:
1) Этап предварительного проектирования или этап научно-исследовательских работ (НИР). Любое проектируемое изделие должно либо отличаться от аналогов какими-либо характеристиками, либо аналогов не иметь. В любом случае анализ выполняемости требований заказчика требует проведения работ научно-исследовательских или расчетного характера. Результатом этапа НИР является техническое задание (ТЗ) на проектирование.
2) Этап эскизного проектирования или этап опытно-конструкторских работ (ОКР).
3) Этап технического проектирования, который состоит в выпуске полного комплекта документации на разработанное изделие.
Конструкторско-технологическое проектирование является важнейшей составной частью создания радиоэлектронных устройств (РЭУ). От успешного выполнения этого этапа во многом зависят качественные показатели РЭУ.
При разработке конструкций и технологий РЭУ радиоинженеру конструктору-технологу приходится прибегать к помощи математических методов при выборе решений и оценке их качества. При этом широко используются аналитические методы анализа. Во многих случаях оценить качественные показатели чисто аналитическими приемами весьма затруднительно, либо вообще не представляется возможным. В этих случаях прибегают к экспериментальным методам.
Поэтому, для радиоинженера конструктора-технолога важны как аналитические, так и экспериментальные математические методы, используемые при выборе конструкторско-технологических решений и оценке их качества.
Улучшение качества РЭУ представляет собой процесс непрерывного повышения технического уровня продукции, качества ее изготовления, а также совершенствование элементов производства и системы качества в целом.
Одним из важных показателей качества РЭУ является надежность. Этот показатель рассматривается в рамках теории надежности, которая устанавливает закономерности отказов изделий, обуславливает их появление, определяет методы расчета надежности, способы ее повышения.
Под надежностью понимают свойство изделия сохранять во времени в установленных пределах значения всех параметров, характеризующих способность выполнять требуемые функции, в заданных режимах и условиях применения, технического обслуживания, хранения и транспортирования. Надежность является комплексным свойством, которое в зависимости от назначения изделия и условий его применения может включать безотказность, долговечность, ремонтопригодность и сохраняемость или определённые сочетания этих свойств. Для описания различных сторон этого свойства на практике пользуются показателями надежности, представляющими собой количественные характеристики одного или нескольких свойств определяющих надежность изделия.
Используют единичные и комплексные показатели надежности. Под единичным понимают такой показатель, который характеризует одно из свойств, составляющих надежность изделия. Комплексный показатель характеризует несколько свойств, составляющих надежность изделия.
Для количественного описания различных сторон надежности используют несколько групп показателей (первая группа ─ показатели безотказности; вторая группа ─ показатели ремонтопригодности).
Существует несколько методов расчета показателей надежности РЭУ. Выбор метода зависит от того, какими исходными данными располагает конструктор, и на какой стадии, проектирования производится расчет. Наиболее часто встречаются следующие методы расчетов: приближенный (ориентировочный) метод расчета; полный метод расчета. Оба метода предполагают расчет вероятностей безотказной работы изделия P(tз), которая в свою очередь учитывает три вида отказов: внезапный, постепенный и перемежающийся.
Под отказом понимают полную или частичную потерю изделием работоспособности вследствие ухода одного или нескольких параметров изделия за пределы установленных норм.
Внезапный (мгновенный) отказ ─ это такой отказ, который характеризуется скачкообразными изменениями значения одного или нескольких параметров изделия.
Постепенный (параметрический) отказ ─ отказ возникающий в результате постепенного (обычно непрерывного и монотонного) изменения значений одного или нескольких параметров изделия.
Перемежающийся отказ ─ это многократный самоустраняющийся отказ одного и того же характера.
Уточнённый расчет выполняют на заключительных стадиях проектирования РЭУ, когда выбраны типы элементов, имеются результаты расчёта тепловых режимов, виброзащищенности и т.п.
Ориентировочный расчет выполняется на начальных стадиях проектирования РЭУ, когда еще не выбраны типы и эксплуатационные характеристики элементов, не спроектирована конструкция и, естественно, отсутствуют результаты конструкторских расчетов (теплового режима, виброзащищенности и т.п.).
Иногда в ходе расчёта надёжность системы не удовлетворяет техническому заданию. В этом случае необходимо принять меры, повышающие надёжность. В общем случае эти меры можно свести к следующим:
1) Общие;
2) Прогнозирование;
3) Граничные испытания;
4) Приработка изделия;
5) Резервирование.
К общим методам повышения надёжности относятся:
1) Правильный выбор схем и элементов схем, а так же режимов их работы;
2) Выбор соответствующих материалов конструкций, конструктивное решение РЭУ;
3) Удобство технического обслуживания аппаратуры и её восстановления;
4) Соблюдение и совершенствование технологии производства;
5) Контроль качества.
Прогнозирование является важным методом повышения надёжности, поскольку в результате его проведения получаются научно-обоснованные вероятностные данные о будущем состоянии промышленного объекта.
Граничные испытания ─ этот метод имеет перспективы на стадии проектирования аппаратуры. Сущность его заключается в экспериментальном определении области устойчивости работы системы или отдельных узлов при воздействии различных возмущающих факторов.
Приработка изделия. Приработка элементов достигается сокращением этапа приработки системы, которое характеризуется на данном этапе повышением интенсивности отказа.
Резервирование является основным средством повышения надёжности систем и устройств РЭС
Сущность метода резервирования заключается в том, что в аппаратуру вводится избыточность. Соединения изделия при этом производится так, что отказ наступает только при отказе основного изделия и всех резервных изделий.
По способу включения различают:
1) Постоянное резервирование. Пп курсовое проектирование ри оценке показателей безотказности по заданию постоянном резервировании резервные элементы подсоединены к основным, и все время работы находятся в
одинаковых с ними режимах работы.
Достоинства такого способа:
а) отсутствие кратковременных перерывов в работе;
б) простота осуществления.
Недостатки:
а) повышенный расход ресурса резервных элементов;
б) выход из строя одного элемента приводит к изменению всех выходных параметров резервируемого узла, что ведет к изменению электрических режимов остальных параллельно включенных элементов.
Постоянное резервирование удобно при резервировании малых энергоемких элементов.
2) резервирование замещением (данный метод используется при оценке показателей безотказности по заданию на курсовое проектирование). При резервировании замещением схема проектируется таким образом, что при появлении отказа она перестраивается и восстанавливает свою работу путем замещения отказавшего элемента резервным. При резервировании замещением применяют переключатели, реле, контакторы и др. для отключения поврежденного элемента и включения резервного.
Достоинства такого способа:
а) резервная аппаратура до момента включения может находиться в облегченном или ненагруженном состоянии;
б) один или несколько резервных элементов могут быть использованы для замены любого из существующих подмножеств однотипных элементов.
Недостатки:
а) резервная аппаратура замещает основную, при этом осуществляется перерыв в работе системы;
б) наличие переключающих элементов;
в) необходимость иметь в системе устройство поиска неисправностей.
Резервирование замещением удобно использовать при резервировании крупных функциональных узлов сложных РЭУ.
Резервирование замещением и постоянное резервирование могут быть осуществлены путем применения общего, раздельного, смешанного и скользящего соединения резервных элементов.
1. Уточнение исходных данных
Исходными данными к курсовому проекту являются:
1) Схема электрическая принципиальная лабораторного блока питания из журнала «Радиолюбитель» №2 1997 г.
2) Условия работы лабораторные и стационарные.
3) Заданное время работы 10000 ч.
4) Резервирование замещением (резерв нагруженный).
В схеме лабораторного блока питания, выбранной в качестве исходных данных для курсового проекта используются следующие радиоэлементы:
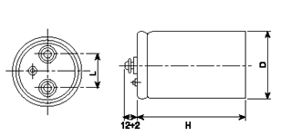
1. Электролитические конденсаторы типа К50–37 (С1…С6, С17, С18). Внешний вид конденсаторов этого типа представлен на рис. 1.1

Рис. 1.1 Конденсатор типа К50–37
2. Электролитические конденсаторы К50–16 (С7, С8, С15, С16). Корпус данного типа конденсаторов аналогичный К50–37. Его вид представлен на рис. 1.2.

Рис. 1.2 Вид корпуса конденсаторов типа К50–16
Основные технические данные конденсаторов типа К50–16 представлены в табл. 1.2.
Таблица 1.2 Технические данные конденсаторов типа К50–16
| Рабочее напряжение, В |
Номинальная ёмкость, мкФ |
Рабочая температура,о С |
Тангенс угла потерь, % |
Диаметр корпуса, мм |
Длина корпуса, мм |
Допустимые отклонения ёмкости (при 50Гц, 20 о С) |
Ток утечки, мкА |
| 16 |
470 |
-25…+70 |
35 |
16 |
28 |
-20…+50% |
0,01 |
| 10 |
100 |
-25…+70 |
35 |
12 |
20 |
-20…+50% |
0,01 |
3. Керамические конденсаторы К10–17б (С9…С14, С19…С22). Технические данные конденсаторов этого типа представлены в табл. 1.3.
Таблица 1.3 Технические данные конденсаторов типа К10–17б
| Рабочее напряже-ние, В |
Номиналь-ная ёмкость, мкФ |
Рабочая температу-ра,о С |
Тангенс угла потерь, % |
Длина корпуса, мм |
Ширина корпуса, мм |
Высота корпуса, мм |
Допустимые отклонения ёмкости (при 50Гц, 20 о С) |
| 50 |
0,022 |
-60…+125 |
35 |
3,2 |
1,3 |
1,8 |
±10% |
| 50 |
0,047 |
-60…+125 |
35 |
3,2 |
1,3 |
1,8 |
±10% |
| 50 |
0,1 |
-60…+125 |
0,0015 |
3,2 |
1,3 |
2,8 |
±10% |
| 50 |
3 |
-60…+125 |
0,0015 |
12 |
1,3 |
10 |
±10% |
4. Операционные усилители DA1, DA2 – К140УД1б. Внешний вид и цоколёвка ОУ представлены на рис. 1.3, а основные технические данные в табл. 1.4.

Рис. 1.3 Типоразмеры ОУ К140УД1Б
Таблица 1.4 Технические данные ОУ К140УД1Б
| Параметры ОУ |
Uпит.ном., В |
KDx10–3 |
Iп., мА |
Uсм, мВ |
TKUсм, |
Ii, нА |
Дельта Ii, нА |
| К140УД1Б |
2Х12,6 |
1.3 |
12 |
7 |
20 |
8000 |
1500 |
5. В схеме лабораторного блока питания в качестве предохранителя FU1 используется вставка плавкая 5А 20×5 мм (см. рис. 1.4).

Рис. 1.4 Предохранитель миниатюрный
6. Резисторы типа С2–33 мощностью 0.125Вт, 0.25Вт, 0.5Вт, 1Вт, 2Вт (см. рис. 1.5). Размеры резисторов типа С2–33 представлены в табл. 1.5. основные технические данные резисторов типа С2–33 представлены в табл. 1.6.

Рис. 1.5 Внешний вид и размеры резисторов типа С2–33
Таблица 1.5 Размеры резисторов типа С2–33
| Тип резистора |
Диаметр D, мм |
Длина L, мм |
Диаметр d, мм |
Длина l, мм |
Мощность, Вт |
| С2–33–0,125 |
2,2 |
6 |
16 |
0,6 |
0,125 |
| С2–33–0,25 |
3,2 |
7,1 |
16 |
0,6 |
0,25 |
| С2–33–0,5 |
4,2 |
10,8 |
25 |
0,8 |
0,5 |
| С2–33–1 |
6,3 |
13 |
25 |
0,8 |
1 |
| С2–33–2 |
8,5 |
18 |
25 |
0,8 |
2 |
Таблица 1.6 Основные технические данные резисторов типа С2–33
| Тип резистора |
ТКС•10-6 , 1/°С, не более |
Диапазон номинальных сопротивлений |
Предельное рабочее напряжение, В |
Минимальная наработка, ч |
Рабочая температура,о С |
| С2–33–0,125 |
±500 |
0,1Ом…3,01Мом |
200 |
30000 |
-60…+155 |
| С2–33–0,25 |
±500 |
0,1Ом…5,11Мом |
250 |
30000 |
-60…+155 |
| С2–33–0,5 |
±500 |
0,1Ом…5,11Мом |
350 |
30000 |
-60…+155 |
| С2–33–1 |
±500 |
1Ом…22Мом |
500 |
30000 |
-60…+155 |
| С2–33–2 |
±500 |
1Ом…22Мом |
750 |
30000 |
-60…+155 |
7. Для регулировки выходных напряжений лабораторного блока питания применены переменные резисторы (R64, R65) типа СП‑1‑А. Их основные технические данные представлены в табл. 1.7.
Таблица 1.7 Основные технические данные резисторов типа СП‑1‑А
| ТКС, 1/°С, не более |
Диапазон номинальных сопротивлений |
Предельное рабочее напряжение, В |
Число циклов перемещения подвижной системы, не менее |
Минимальная наработка, ч |
Рабочая температура,о С |
| ±0,00025 |
47Ом…1Мом |
150 |
150 |
20000 |
-60…+125 |
8. Для измерения выходных напряжений блока питания в схеме применены вольтметры (измерительные стрелочные головки) типа Ц42175. Их внешний вид показан на рис. 1.6, а основные характеристики представлены в табл. 1.8.
Рис. 1.6 Внешний вид стрелочного вольтметра типа Ц42175.
Таблица 1.8 Основные технические данные вольтметра типа Ц42175
| Пределы измерений, В |
Класс точности |
Габариты, мм |
Масса, кг |
Относительная влажность, не более% |
Рабочая температура,о С |
| 0…50 |
2,5 |
80×80×50 |
0,15 |
95 |
-30…+50 |
9. Для измерения тока вблоке питания используются амперметры типа М330. Их основные характеристики представлены в табл. 1.9.
Таблица 1.9 Основные технические данные амперметра типа М330
| Пределы измерений, А |
Класс точности |
Габариты, мм |
Масса, кг |
Относительная влажность, не более % |
Рабочая температура, о С |
| 0…3 |
1,0 |
80×80×50 |
0,155 |
95 |
-30…+50 |
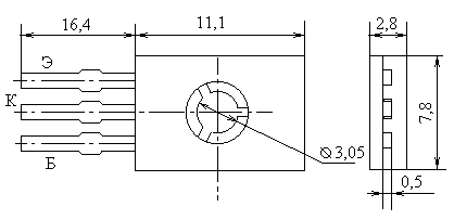
10. В схеме блока питания используется тиристорная оптопара VD12 АОУ103В. Её основные характеристики представлены в табл. 1.10, а цоколёвка и размеры на рис. 1.7.
Таблица 1.10 Основные технические данные оптопары типа АОУ103В
| Uвх , В |
Uост , В |
tвкл , мкс |
tвыкл , мкс |
Rраз , Ом |
Uраз , В |
Uвых.обр.макс. , В |
Iвх.макс. , мА |
Iвых.макс. , мА |
Рабочая температура, о С |
| 1,5…2 |
1,8 |
10 |
35 |
5×108 |
500 |
200 |
55 |
100 |
-60…+90 |


Рис. 1.7 Цоколевка и размеры оптопары АОУ103В
11. Для выключения блока питания от сети используется кнопочный переключатель SA1 типа П2К с максимальным рабочим напряжением 250В и максимальным током коммутации 1А. Внешний вид переключателя П2К показан на рис. 1.8.

Рис. 1.8 Внешний вид переключателя П2К.
12. Для пер
еключения диапазонов выходных напряжений блока питания используются строенные переключатели SA2, SA3 галетного типа с пятью контактами на каждой колодке, рассчитанные на максимальное напряжение переключения 150В и максимальный коммутируемый ток 2А.
13. В блоке питания применён трансформатор TV1 типа ТН. Намоточные данные трансформатора представлены в табл. 1.11.
Таблица 1.11 Намоточные данные трансформатора типа ТН
| Номера выводов |
Количество витков |
Марка провода |
Напряжение, В |
| 1–2, 1'-2' |
440 |
ПЭЛ‑2 1,0 |
110 |
| 3–4, 3'-4' |
80…130 |
ПЭЛ‑2 0,35 |
20…36 |
| 5–6, 5'-6' |
53 |
ПЭЛ‑2 1,7 |
14 |
| 7–8, 7'-8' |
20 |
ПЭЛ‑2 1,7 |
5 |
| 8–9, 8'-9' |
20 |
ПЭЛ‑2 1,7 |
5 |
| 9–10, 9'-10' |
20 |
ПЭЛ‑2 1,7 |
5 |
| 10–11, 10'-11' |
20 |
ПЭЛ‑2 1,7 |
5 |
| 11–12, 11'-12' |
20 |
ПЭЛ‑2 1,7 |
5 |
14. В качестве выпрямительных диодов (VD1…VD8) в схеме лабораторного блока питания используются выпрямительные диоды типа КД213Б. Основные технические данные этих диодов представлены в табл. 1.12, а корпус диода на рис. 1.9.
Таблица 1.12 Основные технические данные диода КД 213Б
| Uоб / Uимп , В/В |
Iпр / Iимп , А/А |
Uпр / Iпр , В/А |
Сд / Uд , пф/В |
I0 (25)/ Iом , мА/мА |
Fmax , кГц |
Рабочая температура,о С |
| 200/200 |
10/100 |
1,2/10 |
170 |
0,2/25 |
100 |
-60…+85 |

Рис. 1.9 Типоразмеры диода КД 213Б.
15. В схеме блока питания применяются импульсные диоды типа Д223Б. Основные технические данные этих диодов представлены в табл. 1.13, а корпус диода на рис. 1.9.
Таблица 1.13 Основные технические данные диода КД 223Б
| Iвыпр.ср..макс. , мА |
Iобр. , |
Uобр.макс. , В |
Uпр. , В |
Рабочая температура, о С |
| 50 |
0,05 |
150 |
1 |
-60…+120 |


Рис. 1.10 Типоразмеры диода КД 223Б.
16. В схеме блока питания применяются стабилитроны типов КС456А, КС512, Д818Е. Основные технические данные этих стабилитронов представлены в табл. 1.14, а корпус диода на рис. 1.11.
Таблица 1.14 Основные технические данные стабилитронов
| Тип стабилитрона |
Uc т.ном. , В |
Рмакс. , мВт |
rc т , Ом |
Uc т.мин. , В |
Uc т..макс , В |
Ic т.мин. , мА |
Ic т..макс , мА |
αст. , 10-2 %/о С |
Рабочая температура, о С |
| КС 456А |
5,6 |
1000 |
25 |
5,04 |
6,16 |
3 |
230 |
-10 |
-60…+125 |
| КС 512 |
12 |
1000 |
6 |
10,8 |
13,2 |
3 |
33 |
0,09 |
-60…+125 |
| Д 818Е |
9 |
300 |
35 |
8,1 |
9,9 |
1 |
29 |
0,02 |
-60…+125 |

Рис. 1.11 Типоразмеры стабилитронов типаов КС456А, КС512, Д818Е.
17. В схеме блока питания используются диоды типа Д9Ж. Основные технические данные этих диодов представлены в табл. 1.15, а корпус диода на рис. 1.12.
Таблица 1.15 Основные технические данные диода Д 9Ж
| Iвыпр.ср..макс. , мА |
Iобр. , |
Uобр.макс. , В |
Uпр. , В |
Рабочая температура, о С |
| 16 |
0,1 |
10 |
1 |
-40…+70 |

Рис. 1.12 Типоразмеры диода Д 9Ж.
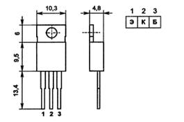
18. В схеме блока питания используются транзисторы КТ502А, КТ503А. Основные технические данные этих транзисторов представлены в табл. 1.16, а цоколёвка и габаритные размеры на рис. 1.13.


Рис. 1.13 Цоколевка и размеры транзисторов КТ502А, КТ503А.
Таблица 1.16 Основные технические данные транзисторов
| Тип транзистора |
Uкэо макс. , В |
PК макс. , мВт |
h21 Э |
IК макс., мА |
Iк / Uк , мА/В |
fмакс , МГц |
СК , пф |
СЭ , пф |
Рабочая температура, о С |
| КТ502А |
25 |
350 |
40…120 |
150 |
10/5 |
5 |
20 |
15 |
-60…+125 |
| КТ503А |
25 |
350 |
40…120 |
150 |
10/5 |
5 |
20 |
15 |
-60…+125 |
19. В схеме стабилизатора блока питания используются транзисторы типов КТ815А, КТ814А, КТ816Г, КТ817Г. Внешний вид, размеры транзисторов представлены на рис. 1.14, а их электрические параметры в табл. 1.17.


Рис. 1.14 Цоколёвка и размеры транзисторов КТ815А, КТ814А, КТ816Г, КТ817Г.
Таблица 1.17 Основные технические данные транзисторов
| Тип транзистора |
Uкэо макс. , В |
PК макс. , Вт |
h21 Э |
IК макс., мА |
fмакс , МГц |
Uкбо макс. , В |
Рабочая температура, о С |
| КТ814А |
25 |
1 (10) |
40…275 |
3000 |
3 |
40 |
-40…+100 |
| КТ815А |
30 |
1 (10) |
40…275 |
3000 |
3 |
40 |
-40…+100 |
| КТ816Г |
90 |
1 (25) |
30…275 |
6000 |
3 |
100 |
-40…+100 |
| КТ817Г |
90 |
1 (25) |
25…275 |
6000 |
3 |
100 |
-40…+100 |
20. В схеме стабилизатора блока питания используются транзисторы типов КТ818Г, КТ819Г. Внешний вид, размеры транзисторов представлены на рис. 1.15, а их электрические параметры в табл. 1.18.
Таблица 1.18 Основные технические данные транзисторов
| Тип транзистора |
Uкэо макс. , В |
PК макс. , Вт |
h21 Э |
IК макс., мА |
fмакс , МГц |
Uкбо макс. , В |
Рабочая температура, о С |
| КТ818Г |
90 |
1,5 (60) |
12…225 |
15000 |
3 |
90 |
-60…+125 |
| КТ819Г |
100 |
1,5 (60) |
12…225 |
15000 |
3 |
100 |
-60…+125 |

Рис. 1.15 Цоколёвка и размеры транзисторов КТ818Г, КТ819Г.
21. В схеме блока питания используются транзисторы типов КТ825А, КТ827А. Внешний вид, размеры транзисторов представлены на рис. 1.16, а их электрические параметры в табл. 1.19.
Таблица 1.19 Основные технические данные транзисторов
| Тип транзистора |
Uкэо макс. , В |
PК макс. , Вт |
h21 Э |
IК макс., мА |
fмакс , МГц |
Uкбо макс. , В |
Рабочая температура, о С |
| КТ825А |
90 |
125 |
750…18000 |
30000 |
4 |
90 |
-60…+125 |
| КТ827А |
100 |
125 |
500…18000 |
40000 |
4 |
100 |
-60…+125 |

Рис. 1.16 Цоколёвка и размеры транзисторов КТ825А, КТ827А.
22. В схеме блока питания используются транзисторы типов КТ850А, КТ851А. Внешний вид, размеры транзисторов представлены на рис. 1.17, а их электрические параметры в табл. 1.20.
Таблица 1.20 Основные технические данные транзисторов
| Тип транзистора |
Uкэо макс. , В |
PК макс. , Вт |
h21Э |
IК макс., мА |
fмакс , МГц |
Uкбо макс. , В |
Рабочая температура, о С |
| КТ850А |
200 |
25 |
40…200 |
3000 |
20 |
250 |
-60…+125 |
| КТ851А |
200 |
25 |
40…200 |
3000 |
20 |
250 |
-60…+125 |

Рис. 1.16 Цоколёвка и размеры транзисторов КТ850А, КТ851А.
23. В схеме блока питания используются гнёзда РО‑2 на два контакта и РО‑3 на три контакта, рассчитанные на напряжение до 250В и ток 2,5А.
24. В схеме блока питания используется вилка опресованная типа ВО, рассчитанные на напряжение до 250В и ток 2,5А.
2. Определение среднего времени до отказа и характер отказа элементов
Определяем среднее время до отказа. Предварительно рассчитываем интенсивность отказов. Для расчёта интенсивности отказов определяем справочное значение вибрации, ударных нагрузок, коэффициента влияния окружающей среды, коэффициенты влияния атмосферного давления, максимальную рабочую температуру.
Наработку на отказ определим по формуле [1, стр. 162]:
(2.1)
Интенсивность отказов элементов вычислим по формуле:
(2.2)
где
- номинальная интенсивность отказов [1, стр. 163];
- поправочные коэффициенты в зависимости от воздействия механических факторов. Принимаем
;
- поправочный коэффициент в зависимости от воздействия влажности и температуры. Принимаем
;
- поправочный коэффициент в зависимости от давления воздуха. Принимаем
;
- суммарный поправочный коэффициент в зависимости от температуры поверхности элемента и коэффициента электрической нагрузки. Коэффициент электрической нагрузки будем вычислять по формулам [1, стр. 154].
- определяем по зависимостям [1, стр. 312–315].
- определяем по таблицам [1, стр. 307–311].
Производим расчет коэффициента нагрузки элементов. Результаты заносим в таблицу 2.1.
Таблица 2.1
| Группа элементов |
Коли-чество элементов в группе |
Справоч-ное значение |
Коэф-фициент электри-ческой нагрузки Кн |
Макс. рабочая температу-ра, 0 С |
Попра-вочный коэффици-ент α |
Значение |
Значение |
| С1…C6, C17, C18 |
8 |
0,055 |
0,79 |
40 |
2,5 |
0,1889 |
1,5112 |
| C7, C8 |
2 |
0,055 |
0,63 |
40 |
1,8 |
0,136 |
0,272 |
| C15, C16 |
2 |
0,055 |
0,79 |
40 |
2,5 |
0,1889 |
0,3778 |
| C9…C14, C19…C22 |
10 |
0,05 |
0,79 |
60 |
0,9 |
0,0618 |
0,618 |
| DA1, DA2 |
2 |
0,04 |
0,6 |
60 |
4 |
0,22 |
0,44 |
| FU1 |
1 |
5 |
0,18 |
50 |
0,7 |
4,8086 |
4,8086 |
| PA1, PA2 |
2 |
4 |
0,33 |
40 |
0,6 |
3,2973 |
6,5946 |
| PV1, PV2 |
2 |
4 |
0,5 |
40 |
0,8 |
4,3964 |
8,7928 |
| R1, R2, R36…R38, R41 |
6 |
0,08 |
0,25 |
60 |
0,75 |
0,082 |
0,492 |
| R3, R6 |
2 |
0,08 |
0,2 |
60 |
0,7 |
0,077 |
0,154 |
| R4, R5, R7, R14…R25, R28, R33, R54…R63 |
27 |
0,05 |
0,67 |
60 |
1,6 |
0,1099 |
2,9673 |
| R8…R13, R26, R27, R29…R32, R34, R35, R39, R40, R42…R53, R66, R67 |
30 |
0,05 |
0,21 |
60 |
0,7 |
0,0481 |
1,443 |
| R64, R65 |
2 |
0,5 |
0,11 |
60 |
0,1 |
0,0687 |
0,1374 |
| SA1 |
1 |
0,3 |
0,8 |
60 |
3,5 |
1,4426 |
1,4426 |
| SA2, SA3 |
2 |
0,4 |
0,2 |
60 |
0,8 |
0,4396 |
0,8792 |
| TV1 |
1 |
2,5 |
0,88 |
50 |
3 |
10,3041 |
10,3041 |
| VD1…VD8 |
8 |
0,5 |
0,6 |
60 |
1,2 |
0,8243 |
6,5944 |
| VD9, VD10, VD12, VD13 |
4 |
0,2 |
0,33 |
60 |
0,8 |
0,2198 |
0,8792 |
| VD11, VD14…VD17 |
5 |
0,9 |
0,65 |
50 |
1,1 |
1,3601 |
6,8005 |
| VT1, VT2, VT5, VT6, VT9, VT10, VT13, VT14, VT16, VT19 |
10 |
0,45 |
0,2 |
80 |
0,3 |
0,1855 |
1,855 |
| VT3, VT4 |
2 |
0,5 |
0,4 |
80 |
0,7 |
0,4809 |
0,9618 |
| VT7, VT8, VT17, VT18 |
4 |
0,4 |
0,2 |
60 |
0,3 |
0,1649 |
0,6596 |
| VT11, VT12, VT15, VT20 |
4 |
0,5 |
0,2 |
100 |
0,36 |
0,2473 |
0,9892 |
| VU1 |
1 |
0,75 |
0,1 |
60 |
1 |
1,0304 |
1,0304 |
| XS1 |
1 |
1,4 |
0,2 |
40 |
0,6 |
1,1541 |
1,1541 |
| XS2 |
1 |
2,1 |
0,2 |
40 |
0,6 |
1,7311 |
1,7311 |
| XT1 |
1 |
0,5 |
0,8 |
40 |
1,3 |
0,893 |
0,893 |
| Плата |
1 |
0,2 |
0,1 |
60 |
0,8 |
0,2198 |
0,2198 |
| Пайки |
361 |
0,04 |
0,1 |
35 |
1 |
0,055 |
19,855 |
| ∑ |
84,8577 |

Определим наработку на отказ:
![]()
Под отказом понимают полную или частичную потерю блоком работоспособности вследствие ухода одного или нескольких параметров блока за пределы установленных норм. По своей физической сущности отказ есть событие случайное.
По характеру отказы делят на:
1. Внезапный или мгновенный – это отказ, характеризующийся скачкообразным изменением значения одного или нескольких параметров функционального блока РЭУ;
2. Постепенный(параметрический) – отказ возникающий в результате постепенного изменения значений одного или нескольких параметров блока.
Чёткой границы между внезапным и постепенным отказом не выделяют.
В данном курсовом проекте будет учитываться внезапный отказ. Это связано с тем, что внезапный отказ функционального блока РЭУ проще отследить (это связано с полным выходом из строя блока), а постепенный отказ может явно не проявляться в течение длительного времени, что представляет некоторую сложность.
Произведя вычисления, установили, что интенсивность отказов элементов равна
, а наработка на отказ ![]()
3. Определение показателей безотказности
Определяем следующие показатели надёжности: вероятность безотказной работы за заданное время, вероятность восстановления устройства за заданное время, гамма-процентная наработка до отказа, среднее время восстановления.
Определим вероятность безотказной работы за заданное время, заданное время дано в исходных данных к проекту
Расчёт произведём по формуле [1, стр. 162]:
(3.1)
![]()
Построим график зависимости вероятности безотказной от времени до резервирования (см. приложение 4). График строим с помощью MC Excel.
Рассчитаем гамма-процентную наработку до отказа (при
) пользуясь формулой:
(3.2)
![]()
Подсчитаем среднее время восстановления по формуле [1, стр. 171]:
(3.3)
где
– среднее время восстановления элементов;
k – количество групп однотипных элементов;
Среднее время восстановления возьмём из таблицы [1, стр. 316]

Таблица 3.1
| Группа элементов |
Количество элементов в группе |
Среднее значение случайного времени восстановления, ч |
Значение |
Произведение |
| С1…C6, C17, C18 |
8 |
0,55 |
0,1889 |
0,8312 |
| C7, C8 |
2 |
0,55 |
0,136 |
0,1496 |
| C15, C16 |
2 |
0,55 |
0,1889 |
0,2078 |
| C9…C14, C19…C22 |
10 |
1,1 |
0,0618 |
0,6798 |
| DA1, DA2 |
2 |
1,5 |
0,22 |
0,66 |
| FU1 |
1 |
0,1 |
4,8086 |
0,4809 |
| PA1, PA2 |
2 |
1,5 |
3,2973 |
9,8919 |
| PV1, PV2 |
2 |
1,5 |
4,3964 |
13,1892 |
| R1, R2, R36…R38, R41 |
6 |
0,5 |
0,082 |
0,246 |
| R3, R6 |
2 |
0,5 |
0,077 |
0,077 |
| R4, R5, R7, R14…R25, R28, R33, R54…R63 |
27 |
0,5 |
0,1099 |
1,4837 |
| R8…R13, R26, R27, R29…R32, R34, R35, R39, R40, R42…R53, R66, R67 |
30 |
0,5 |
0,0481 |
0,7215 |
| R64, R65 |
2 |
1,2 |
0,0687 |
0,1649 |
| SA1 |
1 |
0,6 |
1,4426 |
0,8656 |
| SA2, SA3 |
2 |
0,7 |
0,4396 |
0,6154 |
| TV1 |
1 |
2,2 |
10,3041 |
22,669 |
| VD1…VD8 |
8 |
0,4 |
0,8243 |
2,6378 |
| VD9, VD10, VD12, VD13 |
4 |
0,6 |
0,2198 |
0,5275 |
| VD11, VD14…VD17 |
5 |
0,5 |
1,3601 |
3,4002 |
| VT1, VT2, VT5, VT6, VT9, VT10, VT13, VT14, VT16, VT19 |
10 |
0,8 |
0,1855 |
1,484 |
| VT3, VT4 |
2 |
0,7 |
0,4809 |
0,6733 |
| VT7, VT8, VT17, VT18 |
4 |
0,7 |
0,1649 |
0,4617 |
| VT11, VT12, VT15, VT20 |
4 |
0,8 |
0,2473 |
0,7914 |
| VU1 |
1 |
1,5 |
1,0304 |
1,5456 |
| XS1 |
1 |
0,8 |
1,1541 |
0,9233 |
| XS2 |
1 |
0,8 |
1,7311 |
1,3849 |
| XT1 |
1 |
0,3 |
0,893 |
0,2679 |
| Плата |
1 |
3 |
0,2198 |
0,6594 |
| Пайки |
361 |
0,5 |
0,055 |
9,9275 |
| ∑ |
77,618 |
Произведём расчёт вероятности восстановления устройства за заданное время (примем равным 2 часам) используя формулу [1, стр. 172]:
(3.4)
![]()
Вычисленные показатели надёжности сведём в таблицу 3.2.
Таблица 3.2
| Показатели надёжности |
Обозначение |
Результат |
| Интенсивность отказов РЭУ |
|
|
| Наработка на отказ |
|
|
| Вероятность безотказной работы за заданное время |
|
|
| Гаммо-процентная наработка до отказа |
|
|
| Среднее время востановления |
|
|
| Вероятность восстановления за заданное время |
|
|
Произведя расчёты, убеждаемся, что данное изделие обладает приемлемой ремонтопригодностью (
=0,888) при вероятности безотказной работы в течение 10000 ч равной 0,43.
4. Обоснование метода резервирования для функционального узла РЭУ
Резервирование – введение в структуру устройства дополнительных элементов или цепей. По техническому заданию на курсовой проект необходимо произвести оценку показателей безотказности РЭУ при наличии резервирования замещением (резерв нагруженный).
При резервировании замещением основной элемент в случае его отказа отключается от электрической схемы, и вместо него подключается один из резервных элементов. Для подключения резервного элемента используется переключающее устройство, которое может работать в автоматическом режиме либо быть ручным. При резервировании замещением резервные элементы до вступления их в работу могут находиться в одном из трёх режимов нагружения: в нагруженном режиме, в облегчённом режиме или в ненагруженном режиме.
В нагруженном режиме («горячем» резервировании) резерв находится в таком же электрическом режиме, как и основной элемент, и его ресурс вырабатывается одновременно с ресурсом основного элемента, точно так же, как и при постоянном резервировании.
Основными достоинствами резервирования замещением являются: 1) больший выигрыш в надёжности по сравнению с постоянным резервированием (в случаях ненагуженного и облегченного резерва); 2) отсутствие необходимости дополнительной регулировки в случае замещения основного элемента резервным, так как основной и резервный элементы одинаковы.
Недостатками являются: 1) сложность технической реализации и связанное с этим увеличение массы, габаритов и стоимости всего резервируемого РЭУ; 2) перерыв в работе в случае замещения отказавшего элемента (в случае нагруженного резерва этот недостаток сводится к минимуму).
Из расчетов в разделе 3 курсового проекта видно, что лабораторный блок питания при заданном времени работы обладает довольно низкой вероятностью безотказной работы (0,43), поэтому применяем резервирование замещением (по заданию резерв нагруженный). Для этого разобьем схему блока питания на функциональные узлы, вычислим вероятность безотказной работы каждого из них, определим вероятность отказов каких узлов максимальная и проведём резервирование.
Проведя анализ схемы электрической принципиальной, разбиваем её на четыре функциональных блока: преобразователь (трансформатор напряжения), выпрямитель, стабилизатор и блок контроля выходных параметров.
![]() |

Рис. 4.1. Схема разбиения устройства на блоки.
Для расчета безотказной работы устройства воспользуемся формулой [1, стр. 158]:
(4.1)
где Pi (t) – вероятность безотказной работы отдельного блока, для заданного времени t;
N – количество функциональных блоков;
Pустр. (t) – вероятность безотказной работы всего устройства.
Для расчета вероятности отказа каждого блока воспользуемся формулой [1, стр. 204]:
(4.2)
где qi (t) – вероятность отказа отдельного блока.
В случае произвольного числа резервных элементов r вероятность отказа резервируемого узла определяется по формуле [1, стр. 204]:
(4.3)
где r – число резервных блоков.
Производим расчеты значений
для каждого функционального блока с помощью ПЭВМ в среде MC EXCEL. Результаты расчётов записываем в виде таблиц: табл. 4.1 – для преобразователя напряжения, табл. 4.2 – для выпрямителя, табл. 4.3 – для стабилизатора, табл. 4.4 – для блока контроля выходных параметров. Данные для расчёта вероятности безотказной работы возьмём из таблиц 1 и 2 во втором пункте проекта.
Таблица 4.1 Расчёт вероятности безотказной работы преобразователя
| Группа элементов |
Коли-чество элементов в группе |
Справоч-ное значение |
Коэф-фициент электри-ческой нагрузки Кн |
Макс. рабочая температу-ра, 0 С |
Попра-вочный коэффици-ент α |
Значение |
Значение |
| FU1 |
1 |
5 |
0,18 |
50 |
0,7 |
4,8086 |
4,8086 |
| SA1 |
1 |
0,3 |
0,8 |
60 |
3,5 |
1,4426 |
1,4426 |
| SA2, SA3 |
2 |
0,4 |
0,2 |
60 |
0,8 |
0,4396 |
0,8792 |
| TV1 |
1 |
2,5 |
0,88 |
50 |
3 |
10,3041 |
10,3041 |
| VU1 |
1 |
0,75 |
0,1 |
60 |
1 |
1,0304 |
1,0304 |
| XS1 |
1 |
1,4 |
0,2 |
40 |
0,6 |
1,1541 |
1,1541 |
| XT1 |
1 |
0,5 |
0,8 |
40 |
1,3 |
0,893 |
0,893 |
| Пайки |
58 |
0,04 |
0,1 |
35 |
1 |
0,055 |
3,19 |
| ∑ |
23,702 |
Таблица 4.2 Расчёт вероятности безотказной работы выпрямителя
| Группа элементов |
Коли-чество элементов в группе |
Справоч-ное значение |
Коэф-фициент электри-ческой нагрузки Кн |
Макс. рабочая температу-ра, 0 С |
Попра-вочный коэффици-ент α |
Значение |
Значение |
| С1…C6 |
6 |
0,055 |
0,79 |
40 |
2,5 |
0,1889 |
1,1334 |
| R1, R2, |
2 |
0,08 |
0,25 |
60 |
0,75 |
0,082 |
0,164 |
| VD1…VD8 |
8 |
0,5 |
0,6 |
60 |
1,2 |
0,8243 |
6,5944 |
| Пайки |
32 |
0,04 |
0,1 |
35 |
1 |
0,055 |
1,76 |
| ∑ |
9,6518 |
Таблица 4.3 Расчёт вероятности безотказной работы стабилизатора
| Группа элементов |
Количество элементов в группе |
Справочное значение |
Коэффициент электрической нагрузки Кн |
Макс. рабочая температура, 0 С |
Поправочный коэффициент α |
Значение |
Значение |
| C17, C18 |
8 |
0,055 |
0,79 |
40 |
2,5 |
0,1889 |
1,5112 |
| C7, C8 |
2 |
0,055 |
0,63 |
40 |
1,8 |
0,136 |
0,272 |
| C15, C16 |
2 |
0,055 |
0,79 |
40 |
2,5 |
0,1889 |
0,3778 |
| C9…C14, C19…C20 |
8 |
0,05 |
0,79 |
60 |
0,9 |
0,0618 |
0,618 |
| DA1, DA2 |
2 |
0,04 |
0,6 |
60 |
4 |
0,22 |
0,44 |
| R36…R38, R41 |
4 |
0,08 |
0,25 |
60 |
0,75 |
0,082 |
0,492 |
| R3, R6 |
2 |
0,08 |
0,2 |
60 |
0,7 |
0,077 |
0,154 |
| R4, R5, R7, R14…R25, R28, R33, R54…R63 |
27 |
0,05 |
0,67 |
60 |
1,6 |
0,1099 |
2,9673 |
| R8…R13, R26, R27, R29…R32, R34, R35, R39, R40, R42…R53, |
28 |
0,05 |
0,21 |
60 |
0,7 |
0,0481 |
1,443 |
| R64, R65 |
2 |
0,5 |
0,11 |
60 |
0,1 |
0,0687 |
0,1374 |
| VD9, VD10, VD12, VD13 |
4 |
0,2 |
0,33 |
60 |
0,8 |
0,2198 |
0,8792 |
| VD11, VD14…VD17 |
5 |
0,9 |
0,65 |
50 |
1,1 |
1,3601 |
6,8005 |
| VT1, VT2, VT5, VT6, VT9, VT10, VT13, VT14, VT16, VT19 |
10 |
0,45 |
0,2 |
80 |
0,3 |
0,1855 |
1,855 |
| VT3, VT4 |
2 |
0,5 |
0,4 |
80 |
0,7 |
0,4809 |
0,9618 |
| VT7, VT8, VT17, VT18 |
4 |
0,4 |
0,2 |
60 |
0,3 |
0,1649 |
0,6596 |
| VT11, VT12, VT15, VT20 |
4 |
0,5 |
0,2 |
100 |
0,36 |
0,2473 |
0,9892 |
| VU1 |
1 |
0,75 |
0,1 |
60 |
1 |
1,0304 |
1,0304 |
| Плата |
1 |
0,2 |
0,1 |
60 |
0,8 |
0,2198 |
0,2198 |
| Пайки |
252 |
0,04 |
0,1 |
35 |
1 |
0,055 |
19,855 |
| ∑ |
33,1206 |
Таблица 4.4 Расчёт вероятности безотказной работы блока контроля
| Группа элементов |
Коли-чество элементов в группе |
Справоч-ное значение |
Коэф-фициент электри-ческой нагрузки Кн |
Макс. рабочая температу-ра, 0 С |
Попра-вочный коэффици-ент α |
Значение |
Значение |
| C21, C22 |
2 |
0,05 |
0,79 |
60 |
0,9 |
0,0618 |
0,1236 |
| PA1, PA2 |
2 |
4 |
0,33 |
40 |
0,6 |
3,2973 |
6,5946 |
| PV1, PV2 |
2 |
4 |
0,5 |
40 |
0,8 |
4,3964 |
8,7928 |
| R66, R67 |
2 |
0,05 |
0,21 |
60 |
0,7 |
0,0481 |
0,0962 |
| XS2 |
1 |
2,1 |
0,2 |
40 |
0,6 |
1,7311 |
1,7311 |
| Пайки |
19 |
0,04 |
0,1 |
35 |
1 |
0,055 |
1,045 |
| ∑ |
18,3833 |
Все полученные результаты расчётов сведём в табл. 4.5.
Таблица 4.5 Результаты расчётов
| № блока |
Интенсивность отказов блока
|
Наработка на отказ |
Вероятность безотказной работы |
| 1 |
23,702 |
42191 |
0,79 |
| 2 |
9,6518 |
103608 |
0,91 |
| 3 |
33,1206 |
30193 |
0,72 |
| 4 |
18,3833 |
54397 |
0,83 |
Произведём расчёт числа резервных элементов для каждого блока. Для этого требуется рассчитать вероятность безотказной работы каждого блока. Резервирование будем проводить до того, пока вероятность безотказной работы не станет равной 0,92.
Подсчитаем количество требуемых резервирований для каждого блока по формулам (4.1), (4.2), (4.3). Результаты расчётов представляем в виде табл. 4.6. Величина m в таблице 4.6 – это сумма основного и резервных блоков.
Таблица 4.6 Результаты расчётов резервирования
| m |
P1 (t) |
P2 (t) |
P3 (t) |
P4 (t) |
| 1 |
0,789 |
0,908 |
0,718 |
0,832 |
| 2 |
0,956 |
0,992 |
0,922 |
0,971 |
| 3 |
0,998 |
0,99994 |
0,994 |
0,9992 |
Из таблиц 4.5 и 4.6 видно, что самую большую вероятность отказов имеет блок №3 (стабилизатор). Поэтому принимаем количество резервных элементов для функциональных блоков №1, №2 и №4 r =1, а для функционального блока №2 r =2. В этом случае вероятность безотказной работы рассматриваемого лабораторного блока питания определяется по формуле (4.1) и равна:
![]()
Поставленное условие выполняется, резервные элементы добавляем параллельно основным. Схема резервирования представлена в приложении 3. Построим график зависимости вероятности безотказной от времени после резервирования (см. приложение 4).
5. О
ценка влияния способа соединения элементов в узле на метод резервирования
Основная цель резервирования – повысить надёжность всего устройства. В зависимости от того, как соединены элементы в узле, выбирают тот или иной метод резервирования.
Оценка показателей безотказности тесно связана со способом соединения элементов в блоке. Так, например последовательное соединение связывают с отказом типа обрыв, а при параллельном короткое замыкание, при использовании смешанного соединения (так сказать последовательно-параллельного) учитывают оба. При смешанном соединении элементов в цепи показатели безотказности зависят от конкретной схемы соединения.
При резервировании замещением с использованием нагруженного режима, резерв находится в том же электрическом режиме, что и основной функциональный блок. Поскольку при том разбиении схемы лабораторного блока питания, которое предложено в данном курсовом проекте, аналогичные электрические режимы обеспечиваются при параллельной схеме соединения основного и резервных функциональных узлов, то для нашего случая выбираем именно эту схему (вероятность отказа типа «обрыв» выше вероятности «короткого замыкания»).
Постоянное резервирование используют тогда, когда между какими-то точками электрической схемы необходимо обеспечить наличие определенных свойств (резистивных, емкостных, полупроводящих, усилительных и т.д.), а количественное значение характеристики, описывающей эти свойства, не играет принципиальной роли. В схеме электрической принципиальной рассматриваемой в данном курсовом проекте уже предусмотрено постоянное резервирование некоторых элементов. Так элементы в группах C1…С3; C4…С6; C13, С19; C14, С20 соединены параллельно и выполняют функцию постоянного резервирования (поскольку каждую группу этих элементов можно было бы заменить эквивалентной ёмкостью).
6. Описание работ, выполненных с помощью ЭВМ
При выполнении курсового проекта для расчётов, построения графиков вероятности безотказной работы в зависимости от времени, черчения схемы электрической принципиальной использовались следующие прикладные программы на ПЭВМ:
1) для выполнения математических расчетов (вероятности безотказной работы, наработки на отказ, гамма-процентной наработки и т.д.) использовалась среда Mathsoft Apps (Mathcad 2000 Professional);
2) для выполнения математических расчётов в таблицах использовалась MC Excel;
3) для построения графиков вероятностей безотказной работы до и после резервирования использовался мастер диаграмм MC Excel;
4) для черчения схемы электрической принципиальной использовалась программа RusPlan 5.0.
Заключение
В данном курсовом проекте было предложено оценить показатели безотказности. Рассчитав показатели надёжности я выяснил, что они не соответствуют требуемым. Для повышения надёжности схема была разбита на отдельные блоки со смешанным соединением элементов и зарезервирована, после чего были проведены расчёты, подтверждающие, что показатель надёжности приобрел большее значение.
Интенсивность отказов блока РЭУ без резервирования составила
при наработке на отказ
. Вероятность безотказной работы устройства за время равное 10000 ч равна 0,43. Это довольно низкий показатель и прежде всего он обусловлен высокими требованиями к заданному времени работы. Так как при односменной непрерывной работе 10000 ч эквивалентны примерно 6 годам. В лабораторных же условиях, когда блок питания возможно не будет эксплуатироваться постоянно этот срок увеличится ещё больше.
После выполнения резервирования средняя вероятность безотказной работы устройства равна 0,92.
Для наглядности зависимости вероятности безотказной работы от времени были построены графики.
Литература
1. Боровиков С.М. Теоретические основы конструирования, технологии и надежности. – Мн.: Дизайн ПРО, 1998. 335 с.: ил.
2. Боровиков С.М. Теоретические основы конструирования, технологии и надежности: учеб.-метод. пособие к курсовому проектированию для студ. спец. «Моделирование и компьютерное проектирование РЭС» и «Проектирование и производство РЭС» всех форм обуч./ С.М. Боровиков, В.С. Колбун, Т.В. Малышева; под ред. С.М. Боровикова. – Мн.: БГУИР, 2004. – 55 стр.: ил.
3. Гуревич Б.М., Иваненко Н.С. Справочник по электронике для молодого рабочего: 4-е изд., перераб. и доп. – М.: Высш. шк., 1987. – 272 с.: ил.
4. Н.А. Шишонок, В.Ф. Репкин, Л.Л. Барвинский. Основы теории надёжности и эксплуатации радиоэлектронной техники. – Москва: «Советское радио», 1964. – 551 с.: ил.
5. Резисторы, конденсаторы, трансформаторы, дроссели, коммутирующие устройства РЭА. Справочник Н.Н. Акимов, Е.П. Ващуков, В.А. Кодоренах, Ю.П. Кодоренах – Мн.: Беларусь, 1994. – 591 с.: ил.
Похожие рефераты:
Модернизация релейной защиты на тяговой подстанции Улан-Удэ на базе микропроцессорной техники
Конструирование и технология изготовления звукового сигнализатора отключения сетевого напряжения
Допплеровский измеритель скорости кровотока
Диагностика отказов системы регулирования уровня в баке
Разработать лабораторный стенд для испытания устройств защиты судовых генераторов
Классификация отказов, параметры надежности
Расчеты структурной надежности систем
Блок автоматизированного управления связью
Оборудование летательных аппаратов
Надёжность функционирования автоматизированных систем
Базовые сведения о надежности информационных технологий управления
Коммутатор цифровых каналов системы передачи
Электроснабжение текстильного комбината
