| Похожие рефераты | Скачать .docx |
Реферат: Периодичность и порядок проведения тренировочных занятий с личным составом в СИЗОД
Периодичность и порядок проведения тренировочных занятий с л/с в СИЗОД
Тренировки газодымозащитников на свежем воздухе, в тепло - и дымокамере
Тренировки на свежем воздухе.
Исходя из уровня физической и тактической подготовки газодымозащитников, а также с учетом реальных условий работы (высота подъема и спуска, масса грузов и т.п.) подбираются упражнения для отработки на свежем воздухе.
Подбор комплексов упражнений нормативов и задач необходимо осуществлять с таким расчетом, чтобы все рекомендуемые нормативы и задачи были отработаны в течение года. Отдельные упражнения могут включаться по несколько раз в различные комплексы.
При подготовке к занятию по пожарно-тактической подготовке, на которой планируется работа звеньев ГДЗС, руководитель занятия кроме разработки замысла пожарно-тактической задачи определяет способы имитации задымления место включения в СИЗОД и расположения поста безопасности подбирает упражнения подлежащие отработке в СИЗОД.
Продолжительность каждого тренировочного занятия на свежем воздухе, как правило, должна составлять 90 минут со следующим примерным распределением времени:
· проверка цели решаемых задач инструктаж по охране труда – 5 мин.
· проверка № 1 и одевание СИЗОД - 5 мин
· разминка и включение в СИЗОД – 10 мин
· выполнение упражнений нормативов и задач в СИЗОД - 60 мин
· выключение из СИЗОД и отдых - 5 мин
· разбор занятий – 5 мин
Чистка сушка проверка № 2 СИЗОД проводится после занятий течение 45 минут.
Время, отводимое на работу звеньев ГДЗС при решении ПТЗ, может быть уменьшено до 25-30 минут при пользовании дыхательными аппаратами на сжатом воздухе – не менее чем до 30 минут.
Тепловая тренировка газодымозащитников.
Тепловая тренировка газодымозащитников проводится в следующей последовательности:
1-й этап - при первоначальной подготовке в учебных заведениях;
2-й этап – при боевой подготовке в подразделениях.
Тепловая тренировка газодымозащитников в процессе первоначальной подготовки состоит, из трех тренировок в тепловой камере с интервалом в один день по следующей схеме:
1 – е занятие – температура 30C, время - 30 мин
2 – е занятие – температура 40C, время – 25 мин
3 – е занятие – температура 50C, время – 15 мин
Тепловая тренировка газодымозащитников в процессе боевой подготовки включает в себя:
· отработку физических упражнений на снарядах и тренажерах;
· тренировку в парильной или сауне.
Время, отводимое на тренировку в теплокамере в противогазах, рекомендуется распределять следующим образом:
· постановка задачи инструктаж – 5 мин
· проверка № 1 и одевание СИЗОД – 5 мин
· разминка и включение в СИЗОД – 10 мин
· тренировка на воздухе – до 20 мин
· выключение из СИЗОД и отдых – 5 мин
· определение ИСТ (индекс степ – теста) – 15 мин
· тренировка в теплокамере – 25 мин
· разбор занятий – 5 мин
Перед тренировкой в теплокамере выполняется разминка без включения в СИЗОД в течение 10 мин. из них до 3 – х. мин разминочный бег и до 7 мин – общеразвивающие физические упражнения.
Дальнейшая тренировка в течение 20 мин на воздухе проводится в СИЗОД и включает в себя выполнение упражнений и отработку нормативов. После выполнения упражнений и нормативов на воздухе газодымозащитники отдыхают в предкамере 5 минут.
К дальнейшей тренировке в теплокамере допускаются лица, у которых ЧСС (частота сердечных сокращений) не превышает 100 уд/мин. Тренировка в теплокамере начинается с выполнения газодымозащитниками ступенчатого степ – теста для определения ИСТ под руководством медицинского работника (санинструктора), и проводится в предкамере, при этом заполняется вкладыш к личной карточке газодымозащитника. Затем тренировка в теплокамере осуществляется на различных типах тренажеров (беговой дорожке вертикальном эргометре велоэргометре тренажере «Темп» и др.) по методу круговой тренировки. Переход от одного тренажера к другому разрешается после отдыха в течение 3 – 5 мин и восстановления ЧСС до исходного значения, но не более 100 уд/мин. рекомендуемые пределы ЧСС во время тренировок представлены в таблице:
Табл. 1
| Место проведения | Возраст, лет | ||
| На воздухе | 150-160 | 140-150 | 130-140 |
| На теплокамере | 160-170 | 150-160 | 140-150 |
Индивидуально - оптимальную ЧСС можно рассчитать по формуле:
ЧСС опт .= 180 - возраст, лет – для тренировок на воздухе;
ЧСС тк. = ЧСС опт. + (10…15) – для тренировок в теплокамере.
Тренировка личного состава в теплокамере должна быть прекращена если:
· имеются жалобы газодымозащитников на плохое самочувствие (срыв дыхания судороги головокружение);
· после выполнения нескольких упражнений ЧСС превышает 160 уд,/мин и не становится ниже этого предела в течение 3 – 5 мин отдыха
Критерием предельной физической нагрузки принято считать ЧСС до 170 уд,/мин.
Газодымозащитник, у которого в течение 2 – 3 тренировок подряд ЧСС превышает указанный выше предела индекс степ – теста оцениваются оценкой «плохо» должен направляться на внеочередное медицинское освидетельствование.
Допустимое время пребывания газодымозащитников в теплокамере в зависимости от температуры и влажности воздуха приведено в таблице:
Табл. 2
| Температура окружающей среды, С | Допустимое время пребывания людей, мин. при относительной влажности, % | ||
| 15 - 49 | 50 - 84 | 85 - 100 | |
| 31 | 90 | 90 | 80 |
| 35 | 90 | 70 | 60 |
| 40 | 60 | 50 | 25 |
| 45 | 50 | 40 | 20 |
| 50 | 45 | 35 | 15 |
| 55 | 40 | 30 | 10 |
| 60 | 35 | 20 | 5 |
| 65 | 30 | 20 | - |
| 70 | 25 | 15 | - |
Для повышения и поддержания на достаточно высоком уровне тепловой устойчивости, улучшения состояния здоровья, снижения восприимчивости к простудным заболеваниям необходимо посещение газодымозащитниками саун и бань, оборудованных в тренировочных комплексах ГДЗС.
Температура воздуха в парных банях должна поддерживаться на уровне (50 – 60)С при влажности (80 – 100) % и в саунах в пределах (70 – 90)С при влажности (10 – 15) %. Время пребывания в сауне – 25 – 30 мин в парной – 8 – 12 мин
Тренировки газодымозащитников в дымокамере
Моделируемые ситуации при тренировке в теплодымокамере должны быть максимально приближены к реальным экстремальным условиям боевой работы. В них необходимо включать элементы опасности риска длительных максимальных физических и эмоциональных нагрузок. Все это позволит добиться от пожарного полного напряжения его сил умственных способностей и воли.
Время, отводимое на тренировку, в теплодымокамере рекомендуется распределять следующим образом:
· постановка задачи и инструктаж – 5 мин
· разминка и определение PWS170 - 20 мин
· проверка № 1 и одевание СИЗОД – 5 мин
· включение в СИЗОД и тренировка в теплокамере – до 25 мин
· выключение из СИЗОД и отдых – 5
· разбор занятий – 5 мин
Определение уровня общей физической работоспособности (ОФР) газодымозащитников через степ-тест PWS 170 проводит медицинский работник с заполнением вкладыша к личной карточке.
После выполнения упражнений в теплокамере газодымозащитники отдыхают в предкамере, выключившись из СИЗОД, до установления ЧСС 100 уд./ мин.
Если за время отдыха пульс до указанной частоты не восстановился, то к дальнейшей тренировке газодымозащитники в дымокамере не допускаются.
Руководитель занятий, с учетом оснащенности дымокамеры средствами имитации, создает в ней обстановку которая неизвестной для тренирующихся. Изменение обстановки достигается расстановкой модулей, препятствий, трансформирующихся перегородок, последовательностью включения звуковых и световых эффектов ит.д.
В ходе выполнения поставленной задачи командир звена ГДЗС постоянно передает информацию на пост безопасности об обстановке и своих действиях.
С учетом поступающей информации руководитель занятий с пульта управления при необходимости корректирует ход выполнения упражнения.
Тренировки в тепло-и дымокамере допускается объединять в зависимости от сложности и объема выполняемых упражнений, а общее время пребывания в среде с повышенной температурой определять по таблице 2.
Аппарат дыхательный для пожарных АИР-98 МИ.
Аппарат дыхательный со сжатым воздухом АИР-98МИ предназначен для защиты органов дыхания и зрения человека от вредного воздействия непригодной для дыхания, токсичной и задымленной газовой среды при тушении пожаров и выполнении аварийно-спасательных работ в зданиях, сооружениях, и на производственных объектах в диапазоне температур окружающей среды от -40 до +60С, и пребывании в среде с температурой 200С в течение 60с. Основные технические характеристики аппарата и его модификации приведены в таблице №1
Наименование параметров |
Значение | |||||||||||||||||
| Исполнение | ||||||||||||||||||
| 10 | 11* | 30 | 31* | 40 | 41* | 50 | 51* | 80 | 81* | 90 | 91* | |||||||
| Количество баллонов, шт. | 1 | 1 | 2 | 1 | 2 | 1 | ||||||||||||
| Вместимость баллонов, л. | 6,8 | 6,8 | 6,0 | 6,8 | 4,7 | 9,0 | ||||||||||||
| Обозначение баллона | БГ-7,3-30 | БК-7-300С | L 058 | L 066 | L045 | L 087 | ||||||||||||
| Рабочее давление в баллоне, МПа (кгс/см2 ) | 29.4(300) | |||||||||||||||||
| Редуцированное давление при нулевом расходе, МПа (кгс/см2) | 0.7…0.85 (7…8.5) | |||||||||||||||||
| Давление срабатывания предохранительного клапана редуктора, МПа (кгс/см2 | 1.2…1.4 (12…14) | |||||||||||||||||
| Время защитного действия аппарата при легочной вентиляции 30 дм3/мин и температуре окружающей среды 25С, мин., не менее | 60 | 60 | 108 | 60 | 85 | 82 | ||||||||||||
| Избыточное давление в подмасочном пространстве при нулевом расходе, Па (мм вод. ст.) | 420…460 (42…46) | |||||||||||||||||
| Фактическое сопротивление дыханию на вдохе при легочной вентиляции 30 дм3/мин. Па (мм вод. ст.),не более | 350 (35) | |||||||||||||||||
| Давление срабатывания сигнального устройства, МПа (кгс/см2) | 5.0…6.0 (50…60) | |||||||||||||||||
| Габаритные размеры, мм, не более | 670х300х220 | 670х300х220 | 630х320х230 | 620х300х220 | 670х300х210 | 660х300х250 | ||||||||||||
| Масса снаряженного аппарата (без спасательного устройства), кг, не более | 15,4 | 15,7 | 12,1 | 12,4 | 15,4 | 15,7 | 10,0 | 10,3 | 14,8 | 15,1 | 11,8 | 12,1 | ||||||
| Масса спасательного устройства, кг, не более | 1,0 | |||||||||||||||||
| Срок службы, лет | 10 | |||||||||||||||||
Аппарат выполнен по открытой схеме (рис.1) с выходом в атмосферу и работает следующим образом:

Рис.1. Принципиальная схема дыхательного аппарата АИР-98МИ (вариант исполнения с одним баллоном)
При открытии вентиля (вентилей) 1 воздух под высоким давлением поступает из баллона (баллонов) 2 в коллектор 3 (при его наличии) и фильтр 4 редуктора 5, в полость высокого давления А и после редуцирования в полость редуцированного давления Б. Редуктор поддерживает редуцированное давление в полости Б независимо от изменения давления на выходе.
В случае нарушения работы редуктора и повышения редуцированного давления срабатывает предохранительный клапан 6.
Из полости Б редуктора воздух поступает по шлангу 7 в легочный автомат 11 или в адаптер 8 (при его наличии) и далее по шлангу 10 в легочный автомат 11. Через клапан 9 подсоединяется спасательное устройство.
Легочный автомат обеспечивает поддержание заданного избыточного давления в полости Д. при вдохе воздух из полости Д легочного автомата попадает в полость В маски 13. Воздух, обдувая стекло 14, препятствует его запотеванию. Далее через клапан вдоха 15 воздух поступает в полость Г для дыхания.
При выдохе клапаны вдоха закрываются, препятствуя попаданию выдыхаемого воздуха на стекло. Для выдоха воздуха в атмосферу открывается клапан выдоха 16,расположенный в клапанной коробке 17. Клапан выдоха с пружиной позволяет поддерживать в подмасочном пространстве заданное избыточное давление.
Для контроля за запасом воздуха в баллоне воздух из полости высокого давления А поступает по капиллярной трубке высокого давления 18 в манометр 19,а из полости низкого давления Б по шлангу 20 к свистку 21 сигнального устройства 22. При исчерпании рабочего запаса воздуха в баллоне включается свисток, предупреждающий звуковым сигналом о необходимости немедленного выхода в безопасную зону.
Назначение, устройство и правила работы с системой контроля дыхательных аппаратов СКАД-1
Система контроля дыхательных аппаратов СКАД-1
Система предназначена для стационарного использования на контрольных постах и базах ГДЗС, а также для работы на месте пожара. Система позволяет проводить следующие виды проверок: герметичности дыхательного аппарата с лицевой частью; вакуумметрического давления открытия легочных автоматов без избыточною давления спасательного устройства;
· редуцированного давления дыхательных аппаратов;
· избыточного давления воздуха в подмасочном пространстве лицевой части при нулевом расходе воздуха;
· герметичности воздуховодной системы спасательного устройства без избыточного давления под лицевой частью;
· собственной герметичности системы при избыточном и вакуумметричсс- ком давлении воздуха;
· собственной герметичности системы с муляжом головы или проверочным диском.
| Наименование основных параметров системы СКАД-1 | Значение |
| Диапазон измерения низкого давления, Па | ±1000 |
| Верхний предел измерения редуцированного давления, МПа. не менее | 1,5 |
| Диапазон измерения времени, с | 0...3600 |
| Полезный объем насоса, дм1 не менее | 0.5 |
| Габаритные размеры, мм не более | 420x260x220 |
| Масса системы с комплектом переходников, кг не более | 7 |
| Масса муляжа головы человека СКАД.50.000. кг не более | 1,8 |
| Масса проверочного диска ДИП.88.00.000, кг не более | 4,0 |
| Срок службы системы, не менее, лет | 10 |
Наименование основных параметров системы СКАД-1
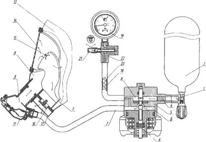
Система (рис. 1) состоит из контрольно- измерительного блока размещенного в переносном пластиковом корпусе 1. Корпус закрывается крышкой 2, имеет ручку для переноса 3, замок крышки 4, проушину для транспортной пломбы 5, отсек для переходников 6 и кнопку-фиксатор 7. : Кроме того, в состав системы входит муляж головы г человека 8 или проверочный диск 9 с трубкой 10



Внешний вид системы
дыхательный аппатат дымокамера газокамера
. В корпусе размещен контрольно-измерительный блок. Органы управления блоком, контрольно-измерительные приборы и устройства подключения к блоку (муфта присоединительная и быстроразъемное соединение) вынесены на панель управления (рис. 2).

Панель управления
На панели размещены: присоединительная муфта 1 (резьба . М45'3) с уплотнительным кольцом 2 и заглушкой 3, кнопка сброса избыточного или вакуум- метрического давления 4, рычаг переключения "избыток-вакуум" 5, мановакуумметр 6, фиксатор рукоятки насоса 7, рукоятка насоса 8, кнопка сброса редуцированного давления 9, быстроразъемное соединение (БРС) 10, манометр редуцированного давления11, секундомер 12.
Контрольно-измерительный блок системы состоит из двух автономных блоков:

Блок низкого давления
Блок низкого давления. Источником давления в блоке служит ручной поршневой насос 1 с пружиной возврата штока насоса в рабочее (крайнее верхнее) положение. При нажатии на рукоятку насоса воздух под давлением поступает к пневмораспределителю 2, переключение которого в одно из его положений определяет создание в блоке вакуумметрического или избы точного давления. От пневмораспрсделителя избыточное (вакуумметрическое) давление поступает к муфте 3, предназначенной для присоединения проверяемого узла аппарата или переходника; мановакуумметру 4, предназначенному для контроля давления в блоке и пневмораспределителю 5 с регулируемым дросселем, предназначенному для сброса давления в блоке.

Блок редуцированного давления
Блок редуцированного давления. Редуцированное давление от воздуховодной линии дыхательного аппарата поступает в блок через быстроразъемное соединение 6. Значение редуцированного давления контролируется манометром 7. Сброс давления в блоке осуществляется пневмораспределителем 8.
Проверку работоспособности дыхательных аппаратов проводят и соответствии с методикой, приведенной в инструкции по эксплуатации на данную систему.
Похожие рефераты:
Современный подход к классификации режимов искусственной вентиляции легких
Массаж при патологии дыхательной системы
Совершенствование метрологического обеспечения измерений в турбокомпрессорном цехе Узюм-Юганской ГКС
Разработка процессорного модуля аппарата искусственной вентиляции лёгких
Модернизация двигателя мощностью 440 квт с целью повышения их технико-экономических показателей
Тормозные механизмы автомобиля КамАЗ: ремонт и техническое обслуживание
Автоматизация доменного процесса
Реконструкция теплообменника в цехе N2 ЗАО "Каустик" с целью повышения эффективности
Использование метода круговой тренировки для повышения функциональных способностей боксеров
Оборудование летательных аппаратов
Организационная основа использования физической культуры на детском курорте и общем курорте