| Похожие рефераты | Скачать .docx |
Дипломная работа: Оценка экономической эффективности деятельности предприятия
Содержание
Введение
РАЗДЕЛ 1. теоретические аспекты оценки и УПРАВЛЕНИЯ экономической эффективностью деятельности предприятия
1.1 Теоретические аспекты экономической эффективности как объекта управления
1.2 Методические подходы к оценке и управлению экономической эффективностью деятельности предприятия
1.3.Особенности оценки экономической эффективности деятельности корпораций
2. Оценка экономическОй эффективности деятельности предприятия
2.1 Общая характеристика предприятия
2.2.Анализ основных технико-экономических показателей деятельности предприятия
2.3.Анализ объемов производства и реализации
2.4.Анализ себестоимости продукции
2.5.Анализ выполнения плана заявок цехов и подразделений
2.6.Анализ выполнения договорных обязательств поставщиками
2.7.Анализ эффективности использования оборотных средств предприятием.
РАЗДЕЛ 3. РЕКОМЕНДАЦИИ, НАПРАВЛЕННЫЕ НА СОВЕРШЕНСТВОВАНИЕ УПРАВЛЕНИЯ ЭФФЕКТИВНОСТЬЮ ДЕЯТЕЛЬНОСТИ ПРЕДПРИЯТИЯ
Заключение
СПИСОК ИСПОЛЬЗОВАННОЙ ЛИТЕРАТРЫ
Введение
Переход к устойчивому и долгосрочному экономическому росту в Украине неразрывно связан с решением ключевой макроэкономической задачи - повышением эффективности производства. При всем многообразии экономических преобразований, происходящих в стране, можно выделить два возможных направления экономического роста, подтвержденных практикой развития рыночных отношений. Первое направление предполагает экстенсивное развитие экономики за счет дополнительных инвестиций, второе - обеспечение экономического роста путем использования внутренних возможностей и повышения эффективности производства.
Современная экономическая ситуация диктует необходимость поиска новых направлений повышения эффективности деятельности предприятий, анализа причин и факторов, сдерживающих их развитие. Вопросам изучения повышения эффективности производства посвящены работы ученых Богомолова O.A., Вавилова А.П., Герчиковой И.Н., Горемыхина В.А., Демечева А.И., Кунельско-го Л.Э., Лозовского Л.Ш., Райзберга Б.А., Стародубцевой Е.Б., Тимохина М.Н., Добрянина A.B. и другие. Исходные теоретические положения по управлению экономической эффективностью разработаны такими зарубежными учеными как Уолл Н., Маркузе Я., Лайну Д., Жак Луивиль, Портер М.
Сложность исследуемой проблемы, важность роли повышения эффективности производства, наличие неизученных вопросов, необходимость дальнейших научно-теоретических, методических и практических разработок, обусловили актуальность темы курсовой работы.
Цель дипломной работы - выработка теоретических и практических рекомендаций по повышению экономической эффективности деятельности предприятия.
Поставленная цель предопределила основные задачи исследования:
- теоретически исследовать категорию «эффективность производства», отражающую результативность производства, его объективных связей и процессов,
- выявить факторы, влияющие на эффективность производства в условиях рыночной экономики, дать их характеристику и исследовать основные аспекты эффективного управления ими,
- предложить методические подходы к оценке эффективности деятельности корпораций
- определить пути построения системы оценки экономической эффективности деятельности предприятия;
- предложить практические рекомендации, направленные на повышение экономической эффективности деятельности исследуемого предприятия.
Предметом исследования являются экономические отношения, возникающие в процессе управления эффективностью деятельности предприятия, и проблемы ее повышения.
Объектом исследования является производственно-хозяйственная деятельность ЗАО «Северодонецкое объединение АЗОТ».
Теоретической и методологической основой исследования явились труды классиков мировой экономической мысли по теории эффективности производства и другая научно-практическая информация по теме исследования.
При выполнении данного исследования применен комплексный метод, включающий научное обобщение, системный и экономический анализ, методы группировок и математических сравнений.
РАЗДЕЛ 1. теоретические аспекты оценки и УПРАВЛЕНИЯ экономической эффективностью деятельности предприятия
1.1 Теоретические аспекты экономической эффективности как объекта управления
Понятие «эффективность» является комплексным многомерным показателем. По поводу определения данного понятия в литературе существует большое количество точек зрения, и в ряде работ сделана попытка их систематизировать. В связи с этим можно упомянуть работы Р.Х.Холла, А.В.Тихомировой и др. Так, Р.Х.Холл выделяет следующие модели организационной эффективности: системно-ресурсную, целевую, модели удовлетворенности участника, содержащая противоречия модель. Последняя модель предложена самим автором, наиболее ценным и бесспорным моментом которой является учет противоречий, содержащихся в ограничениях окружающей среды, целях, «голосах» и времени [10, с. 562].
В научном обзоре А. В. Тихомировой акцент сделан на разделении следующих видов эффективности: экономической, производства, управления, эффективности деятельности предприятия [18, с. 154].
Изучение научных взглядов многих авторов показывает, что понятийный аппарат в работах об эффективности отличается расплывчатостью и неопределенностью. Так, например, отдельные авторы определяют понятие "эффект экономической деятельности" как результат, который в той или иной мере отвечает целям, поставленным в сфере производства, распределения, потребления, т.е. в процессе воспроизводства в целом. При этом множественность субъектов экономической деятельности в странах капитала, по мнению указанных авторов, предопределяет различные и часто противоречивые цели. К сожалению, идеологические взгляды авторов, на наш взгляд, толкают их к теоретическим рассуждениям, делающим необходимым введение понятия "специфический эффект экономической деятельности". В результате размываются границы рассматриваемой категории вопреки поставленной авторами задаче добиться определенности в формулировке искомого понятия.
Между тем, на наш взгляд, действительно ощущается дефицит внимания к социальным аспектам изучаемой проблемы. Более того, на практике нередко превалирует мнение, что снижение издержек на рабочую силу равнозначно повышению производительности. Такая ошибочная трактовка порождена мнением, что люди несут с собой только затраты. Однако не следует забывать, что они создают еще и стоимость. Совершенно очевидно, что если создается больше, чем потребляется, то эффективность растет. Поэтому упор необходимо делать на создание ценностей, а не на сокращение издержек на рабочую силу. Это чрезвычайно важный момент в понимании эффективности, т.к. она имеет смысл тогда, когда ее повышение сопровождается соответствующим вознаграждением и улучшением социального положения работника.
Несмотря на огромное количество опубликованных работ по проблемам эффективности, до сих пор дискуссионной остается даже сущность эффективности.
Как известно, под «эффектом» во многих областях науки подразумевается желаемый результат какого-либо целенаправленного процесса. Главный результат производства - это продукция с ожидаемыми потребительскими качествами. В этом смысле продукцию можно считать первичным эффектом производства. Рентабельное производство, дающее прибыль, результатом имеет тоже эффект, но уже вторичный. Результат производства, выраженный в денежной форме, есть экономический эффект производства. На уровне предприятия экономический эффект выступает уже в виде дохода от реализации продукции, а также в виде прибыли, и чтобы получить максимальный экономический эффект как по продукции, так и по прибыли, необходимо, чтобы цена товара как можно больше превышала затраты на его производство. Прироста прибыли и уменьшения затрат можно добиться в результате инвестиций в различные организационные и технические мероприятия. В данном случае речь идет не о самом эффекте производства, а об его изменении под влиянием указанных мероприятий, т.е. говорят о динамической эффективности [18, с. 189].
Следовательно, необходимо отличать экономическую эффективность производства от эффекта. Она отражает не абсолютную величину результата, а качественную сторону производства. Иными словами, экономическая эффективность производства - это отношение полезного результата (эффекта) к затратам на его получение. Американский экономист Питер Друкер подчеркивает, что «производительность - это источник всех экономических ценностей», а первым пробным камнем результативности управления служит производительность.
И.Н.Герчикова согласна с определением Д.Риттса и Г.Феликса: «Производительность есть мера того, как распоряжаются конкретными ресурсами для своевременного выполнения целей, выраженных через количество и качество продукции». При этом примечательно то, что она не проводит строгого различия между понятиями «производительность» и «эффективность» и как само собой разумеющееся пишет о том, что обобщающим критерием экономической эффективности производства служит уровень производительности. Но под уровнем производительности она подразумевает отношение затрат (стоимости вводимых ресурсов) к суммарной стоимости доходов (стоимости выпускаемой продукции).
Как известно, в экономической теории проблеме эффективности уделяли большое внимание классики марксизма-ленинизма. Эффективность ими определялась исходя из поставленных целей, как функция достигнутых результатов и затраченных на это ресурсов. Так, К.Маркс отмечал: «Постоянная цель капиталистического производства состоит в том, чтобы при минимуме авансированного капитала производить максимум прибавочной стоимости... То есть экономическую тенденцию капитала, которая учит человечество экономно расходовать свои силы и достигать производственные цели с наименьшими затратами средств».
В.И.Ленин связывал понятие эффективности с производительностью труда. Он писал: «Ясно, что целью всякой хозяйственной деятельности является достижение наибольших результатов при наименьших усилиях, т.е. максимальная производительность».
Известный советский экономист по проблемам эффективности академик Т.С.Хачатуров, разработавший методологию расчета эффективности общественного производства, отмечал: «Эффективность же и социальная, и экономическая представляет собой отношение экономического и социального эффекта к необходимым на его достижение затратам.
Близкую точку зрения высказывал и американский экономист П.Хейне: «Эффективность неизбежно считается оценочной категорией. Эффективность всегда связана с отношением ценности результата к ценности затрат».
Обобщая точки зрения различных авторов можно отметить, что полит-экономическое содержание эффективности хозяйствования определяется ими как система отношений по поводу конечных народнохозяйственных результатов, которые выражают эффективность на всех стадиях процесса воспроизводства. Поэтому эффективность хозяйствования включает не только эффективность управления собственно процессом производства, но и всеми фазами воспроизводства и выражает (в сопоставимом показателе или группе показателей) меру реализации экономического интереса. В связи с этим понятие эффективности производства рассматривается как одна из форм проявления экономических законов. Тогда согласно этому определению получается, что, изучая эффективность, отраслевые и специальные экономические науки тем самым изучают действие общих законов в специфических условиях отраслевой структуры производства, отдельных предприятий или других звеньев народного хозяйства в ее конкретном проявлении, в обусловленном месте и времени.
Изучение зарубежной литературы позволяет выделить несколько концепций эффективности, по-разному определяющих данное понятие: производственная, техническая, распределительная, динамическая и X-эффективность.
Производственная эффективность имеет два главных компонента: техническую эффективность (ТЕ) и эффективность фактора цены (factor price efficiency - FPE). ТЕ означает извлечение максимального уровня выпуска от данного уровня входа при данном уровне технологии. FPE измеряется способностью использовать лучшую комбинацию входа при данном уровне цен. Концепция производственной эффективности подразумевает производство соответствующего уровня выхода при минимальных издержках при данной технологии. Иными словами, данная концепция исходит от неоклассической теории фирмы и может быть графически изображена с помощью производственной функции «изокванты» и кривой «изокосты».
Уместно отметить, что теория, лежащая в основе понятия производственной эффективности, критиковалась английским экономистом Дж. Том-линсоном в 1993 году. Он подчеркивал, что производство "характеризуется с помощью понятия комбинации факторов, когда данные факторы могут быть разрушены любой организацией или структурой отчетности". Организации оптимизируются в результате воздействия рыночных сил. "Но рынки не могут рассматриваться как полная организационная или расчетная однородность, либо оптимальная эффективность. Проблема неоклассической теории производства состоит в использовании решающих особенностей предприятия, определяющих эффективность".
В теории производственная эффективность, определяемая факторами внешней среды (рыночными силами), опирается на решения, принятые в связи с внутрифирменными операциями. Распределительная эффективность возникает за пределами фирмы. Данная концепция развивалась в рамках анализа всеобщего равновесия (General Equilibrium Analysis - GEA), корни которого содержатся в работе Леона Вальраса. В соответствии с GEA, конкурентная рыночная система ведет к оптимальному распределению ресурсов и дохода. На каждом рынке соответствующий уровень выпуска определяется приравниванием предельной стоимости к цене. В то же время для каждого потребителя предельная выгода равна цене, а относительные предельные выгоды одинаковы для всех потребителей. Это и есть распределительная эффективность, которая максимизирует благосостояние потребителя.
Концепция X - эффективности, введенная Х.Лейбенштейном еще в 1966 году, объясняется с помощью кривой средних издержек. Как известно, эта кривая показывает самые низкие средние издержки, при которых может производиться каждый другой последующий уровень выпуска. Если фирма находится на своей кривой средних издержек, она X - эффективна. Однако по различным причинам фирма на практике может отклоняться от кривой средних издержек.
Например, неэффективные контракты между принципалами (собственниками) и агентами (менеджерами) могут привести к тому, что менеджеры будут работать с издержками меньшими, чем самые низкие издержки при любом уровне выпуска. Они могут предоставлять себе больше льгот, чем это принято для менеджеров соответствующего уровня. Если конкуренция не очень интенсивная, собственники и менеджеры могут позволить себе расслабиться вместо того, чтобы содержать оборудование и работников в оптимальном состоянии. Если конкуренция не очень острая, то удается удержать цены достаточно высокими для покрытия любых сверхнормативных расходов и издержек. В таких случаях имеет место Х-неэффективность. К.Баттон и Т.Уеман-Джонс в своей работе «Х-эффективность и техническая эффективность» показывают теоретическую и эмпирическую очевидность существования Х-неэффективности.
Фирмы, которые действуют в отраслях под защитой правительства (такие как регулируемые монополии) имеют более высокий уровень X-неэффективности, чем аналогичные в конкурентных областях. Например, они могут проявить несознательность в отношении определения стоимости своей продукции, что однозначно приводит к выводу, что дерегулирование ведет к сокращению Х-неэффективности.
Х-эффективность и распределительная эффективность различны, но относительны. Улучшение в распределительной эффективности (например, через устранение монополий) понижает цены, противоположность ведет к улучшению в Х-эффективности. Х.Лейбенштейн в своей работе «Распределительная эффективность против «Х-эффективности»» показал, что благосостояние, идущее от улучшений в распределительной эффективности, существенно меньше, чем через улучшение Х-эффективности. Существует также различие между Х-эффективностью и технической эффективностью.
Теоретическая дискуссия и эмпирическая очевидность этого раскрыта в работе К.Калираяна и Т. Варагунасинха.
Степень Х-неэффективности измеряется состоянием, при котором действительные средние издержки превышают оптимальные средние издержки.
Согласно современной экономической теории, концепция эффективности раскрывается на положении, что людей в первую очередь интересуют обычные экономические блага и услуги. Поэтому при оценке экономической системы исходят из того, насколько хорошо она удовлетворяет экономические нужды населения данной страны с учетом предпочтений индивидов. Это означает, что одна ситуация устраивает их больше, чем другая, и она приносит большую полезность, максимизируя меру их удовлетворения.
В силу ограниченности ресурсов в рыночной экономике оценка функционирования экономической системы не может обойтись без осуществления выбора, т.к. увеличение полезности для одного лица может означать ее снижение для другого.
Считается, что выбор эффективен, если не существует иного варианта, который удовлетворял бы всех членов данной группы индивидов как минимум не менее, чем данный вариант, и который являлся бы предпочтительным, по меньшей мере, для одного из этих индивидов. И, наоборот, выбор не эффективен, если существует альтернатива, которая позволит улучшить положение хотя бы одного человека, не нанося ущерба остальным.
Следует отметить, что эффективность или неэффективность выбора всегда имеет относительный характер. Эти понятия справедливы для какой-то конкретной совокупности индивидов, чьи интересы принимаются в расчет, а также для какого-то конкретного набора доступных вариантов.
Понятие «эффективность» чаще всего используется в ходе экономического анализа при сравнении альтернативных вариантов распределения ресурсов. Любое распределение ресурсов А является неэффективным, если существует другое осуществимое распределение ресурсов В, которое может устраивать всех заинтересованных сторон как минимум не меньше, чем А, и которое является безусловно предпочтительным по крайней мере для одного лица.
Расточительность неэффективного распределения проявляется в том, что при лучшем распределении ресурсов было бы возможно повысить благосостояние некоторых людей, не причинив никакого ущерба всем остальным. И если не существует ни одного варианта распределения, который для всех заинтересованных сторон являлся бы предпочтительным по отношению к распределению А, то данное распределение А является эффективным (или оптимальным по Парето).
Таким образом, можно заключить, что любое распределение ресурсов является эффективным, если ни одно из других возможных распределений не обеспечивает повышение чьего-либо благосостояния без ущерба для остальных индивидов [20, с. 48]. В реальной действительности достижение эффективного распределения ресурсов является трудным делом.
1.2 Методические подходы к оценке и управлению экономической эффективностью деятельности предприятия
В целом, понятие экономической эффективности деятельности предприятия связано с отношением ценности результата к ценности затрат, т.е. является оценочной категорией и представляет собой комплексное отображение конечных результатов использования всех ресурсов за определенный промежуток времени. В основу определения эффективности заложенное понятие сравнительного преимущества. Это дает возможность сравнения и выбора наиболее эффективного варианта деятельности по принятому критерию, оценку целесообразности совершенствование базового варианта. Сущностная характеристика эффективности производства находит отображение в общей методологии ее определения, формализованная форма которой имеет вид [14, с. 462]:
. (1.1)
Под результатами деятельности понимают полезный конечный результат в виде:
1) материализованного результата процесса производства, измеренного объемом продукции в натуральной и стоимостной формах;
2) народнохозяйственного результата деятельности предприятия, которое включает не только количество изготовленной продукции, но и охватывает его потребительскую стоимость.
Таким образом, процесс измерения ожидаемого или достигнутого уровня эффективности деятельности предприятия методологически связан прежде всего с определением надлежащего критерия и формирования соответствующей системы показателей.
Формируя систему показателей эффективности деятельности предприятия, целесообразно придерживаться определенных принципов, а именно:
1) обеспечение органической взаимосвязи критерия и системы соответствующих показателей эффективности деятельности;
2) отображение эффективности использования всех видов применяемых ресурсов;
3) возможности применения показателей эффективности к управлению разными направлениями деятельности;
4) выполнение главными показателями стимулирующей функции в процессе использования имеющихся резервов повышения эффективности деятельности.
Система показателей эффективности производства может включать несколько групп:
- частные показатели эффективности деятельности;
- обобщающие показатели эффективности деятельности, которые обеспечивают возможность сравнения частных.
Любая из этих групп включает определенное количество конкретных абсолютных или относительных показателей, которые характеризуют общую эффективность хозяйствования или эффективность использования отдельных видов ресурсов (табл. 1.1).
Таблица 1.1.
Система показателей эффективности деятельности предприятия
| Обобщающие показатели |
Частные показатели эффективности |
|||
| труда (персонала) |
материальных активов |
оборотных средств |
финансовых средств |
|
| Рентабельность затрат на производство продукции |
Призводи-тельность труда |
Фондоотдача |
Оборачива-емость оборотных средств |
Удельные капитальные вложения (на единицу прироста мощности или продукции) |
| Трудоемкость |
||||
| Зарплатоемкость единицы продукции |
||||
| Рентабельность активов предприятия |
Темпы роста призводи-тельности труда |
Фондоемкость |
Период одного оборота оборотных средств |
Рентабельность инвестиций |
| Обобщающие показатели |
Частные показатели эффективности |
|||
| труда (персонала) |
материальных активов |
оборотных средств |
финансовых средств |
|
| Затраты на 1 грн. товарной продукции |
Относительное высвобождение работников |
Материало-емкость единицы продукции |
Относительное высвобождение оборотных средств |
Срок окупаемости инвестиций |
| Коэффициент использование полезного фонда рабочего времени |
||||
Кроме того, оптимизация финансово-экономического состояния организации обеспечивается не только путем планирования важнейших показателей его хозяйственной деятельности, но и в процессе постоянного контроля за ходом реализации разработанных планов. Этот внутренний финансовый контроль в организации базируется на построении системы мониторинга его финансово-экономической деятельности.
Система мониторинга финансово-экономической деятельности представляет собой разработанный в организации механизм осуществления постоянного наблюдения за важнейшими текущими результатами этой деятельности в условиях постоянно меняющейся конъюнктуры потребительского и финансового рынков [8, с. 102].
Основной целью разработки системы мониторинга текущей финансово-экономической деятельности организации является своевременное обнаружение отклонений фактических результатов этой деятельности от предусмотренных, вызывающих ухудшение финансового состояния организации; выявление причин, вызвавших эти отклонения, и разработка предложений по соответствующей корректировке отдельных направлений финансово-экономической деятельности с целью ее нормализации и повышения эффективности.
Построение системы мониторинга текущей финансово-экономической деятельности организации охватывает следующие основные этапы:
1. Выбор для наблюдения наиболее важных направлений и целевых показателей финансово-экономической деятельности. В процессе такого выбора необходимо ориентироваться в первую очередь на целевые финансово-экономической нормативы и систему показателей, характеризующих различные аспекты финансово-экономического состояния предприятия.
2. Построение системы стандартов финансово-экономической деятельности. В качестве таких стандартов выступают разработанные критерии по отдельным аспектам деятельности (например, по политике финансирования активов, формированию финансовой структуры капитала и т.п.); целевые стратегические нормативы; показатели текущих и оперативных планов, избранные для наблюдения.
3. Построение системы информативных отчетных показателей по каждому из направлений деятельности и периодичности их формирования. Такая система показателей должна основываться на данных финансового и управленческого учета. Она представляет собой так называемую «первичную информационную базу наблюдения», необходимую для последующего расчета отдельных аналитических показателей, характеризующих уровень финансового состояния торгового предприятия в разрезе различных его аспектов. Периодичность формирования первичной базы данных определяется «срочностью реагирования», т.е. своевременностью осуществления внутреннего контроля за отдельными аспектами деятельности. С учетом такого принципа подхода к периодичности формирования первичной информационной базы наблюдения выделяют: а) оперативную (недельную, декадную) сводку; б) месячный отчет; в) квартальный отчет (показатели годовой отчетности не являются объектом текущего мониторинга финансово-экономической деятельности).
4. Разработка системы обобщающих оценочных (аналитических) показателей, отражающих фактические результаты финансово-экономического состояния предприятия в разрезе различных его аспектов. Система обобщающих оценочных показателей должна полностью корреспондировать с наблюдаемыми направлениями деятельности, целевыми нормативами и плановыми показателями, характеризующими различные аспекты финансово-экономического состояния предприятия. В процессе разработки такой системы строятся алгоритмы расчета отдельных оценочных показателей с использованием первичной информационной базы наблюдения и методов финансового анализа.
5. Установление размеров отклонений фактических результатов финансово-экономической деятельности от предусмотренных. Размеры отклонений рассчитываются в абсолютных и относительных показателях. На каждом предприятии должен быть определен критерий «критических отклонений», который может быть дифференцирован по периодам осуществления оценки. В качестве критерия «критических отклонений» может быть принято отклонение в размере 20 и более процентов по недельному (декадному) периоду; 15 и более процентов по месячному периоду; 10 и более процентов - по квартальному периоду.
6. Анализ основных причин, вызвавших отклонение фактических результатов деятельности от предусмотренных. В процессе такого анализа в первую очередь выделяются и рассматриваются те показатели финансово-экономического состояния предприятия, по которым наблюдаются «критические отклонения» от целевых нормативов и показателей текущих и оперативных финансовых планов. По каждому «критическому отклонению» (а при необходимости и по менее значимым размерам отклонений наиболее важных показателей) должны быть выявлены вызвавшие их причины.
7. Определение системы действии при установленных отклонениях фактических результатов деятельности от предусмотренных. Принципиальная система действий менеджеров торгового предприятия в этом случае заключается в трех алгоритмах: а) «ничего не предпринимать» - эта форма реагирования предусматривается в тех случаях, когда размер отклонений значительно ниже установленного критического критерия; б) «устранить отклонение» - такая система действий предусматривает разработку мероприятий по обеспечению выполнения целевых, нормативных или плановых показателей; в) «изменить систему нормативных или плановых показателей» - такая система действий предпринимается в тех случаях, когда выполнение установленных нормативных или плановых показателей нереально.
8. Выявление резервов нормализации деятельности и повышения ее эффективности. Процедура поиска и реализации резервов связана с использованием алгоритма «устранить отклонение». При этом резервы рассматриваются в разрезе различных аспектов финансовой деятельности или отдельных финансовых операций предприятия. В качестве одной из таких возможностей может быть рассмотрена целесообразность использования системы резервов.
9. Обоснование предложений по изменению отдельных целевых нормативов и плановых показателей. Если возможности нормализации отдельных аспектов деятельности ограничены (т.е. не могут привести к полной нормализации финансово-экономического состояния предприятия) или вообще отсутствуют, используется третий алгоритм системы действий. В этом случае по результатам текущего наблюдения и контроля вносятся предложения по корректировке системы целевых финансовых нормативов и показателей текущих и оперативных финансовых планов. В отдельных критических случаях может быть обосновано предложение о прекращении отдельных коммерческих, инвестиционных или финансовых операций.
Разработанная система мониторинга текущей финансово-экономической деятельности должна корректироваться при изменении стратегических целей менеджмента, видов коммерческой и финансовой деятельности предприятия и системы показателей текущих и оперативных финансовых планов.
1.3 Особенности оценки экономической эффективности деятельности корпораций
Поскольку объектом исследования данной курсовой работы выступает открытое акционерное общество, т.е. предприятие с корпоративной организационно-правовой формой, необходимо рассмотреть особенности оценки экономической эффективности деятельности корпораций.
Теоретический анализ исследований в области оценки эффективности
деятельности корпораций позволяет нам сделать вывод о наличии различных методов (рис.1.1).

Рис. 1.1. Методики оценки эффективности деятельности корпораций
Как видно, методики оценки эффективности деятельности корпораций основаны на анализе хозяйственной деятельности. Причем данная группа методик также подразделяется на методы оценки финансового состояния и методы оценки рыночной стоимости.
Под финансовым состоянием понимается способность предприятия финансировать свою деятельность. Оно характеризуется обеспеченностью финансовыми ресурсами, необходимыми для нормального функционирования предприятия, целесообразностью их размещения и эффективностью использования, финансовыми взаимоотношениями с другими юридическими и физическими лицами, платежеспособностью и финансовой устойчивостью. Ключевым моментом оценки финансового состояния корпорации является расчет вероятности банкротства.
Среди методик оценки вероятности банкротства принято выделять методы, основанные на анализе финансовых данных, включающих оперирование некоторыми коэффициентами: приобретающим все большую известность Z-коэффициентом Альтмана (США), коэффициентом Таффлера, (Великобритания) и другими, а также умение "читать баланс". И методы сравнения данных по обанкротившимся компаниям с соответствующими данными исследуемой компании.
Одной из простейших моделей прогнозирования вероятности банкротства считается двухфакторная модель. Она основывается на двух ключевых показателях (например, показатель текущей ликвидности и показатель доли заемных средств), от которых зависит вероятность банкротства предприятия. Эти показатели умножаются на весовые значения коэффициентов, найденные эмпирическим путем, и результаты затем складываются с некой постоянной величиной (const), также полученной тем же (опытно-статистическим) способом. Если результат (С1) оказывается положительным, вероятность банкротства невелика. Отрицательное значение С1 указывает на высокую вероятность банкротства.
В американской практике выявлены и используются такие весовые значения коэффициентов:
- для показателя текущей ликвидности (покрытия) (Кп) – (-1,0736)
- для показателя удельного веса заемных средств в пассивах предприятия (Кз) – (+0,0579) В американской практике выявлены и используются такие весовые значения коэффициентов:
- для показателя текущей ликвидности (покрытия) (Кп) – (-1,0736)
- для показателя удельного веса заемных средств в пассивах предприятия (Кз) – (+0,0579)
- постоянная величина – (-0,3877)
Отсюда формула расчета С1 принимает следующий вид:
C1=-0.3877+Kп*(-1.0736)+Кз*0.0579. (1.2)
Рассмотренная двухфакторная модель не обеспечивает всестороннюю оценку финансового состояния предприятия, а потому возможны слишком значительные отклонения прогноза от реальности. Для получения более точного прогноза американская практика рекомендует принимать во внимание уровень и тенденцию изменения рентабельности проданной продукции, так как данный показатель существенно влияет на финансовую устойчивость предприятия. Это позволяет одновременно сравнивать показатель риска банкротства (С1) и уровень рентабельности продаж продукции. Если первый показатель находится в безопасных границах и уровень рентабельности продукции достаточно высок, то вероятность банкротства крайне незначительная.
Другой количественный метод был предложен в 1968 г. известным западным экономистом Альтманом (Edward I. Altman). Индекс кредитоспособности построен с помощью аппарата мультипликативного дискриминантного анализа (Multiple-discriminant analysis - MDA) и позволяет в первом приближении разделить хозяйствующие субъекты на потенциальных банкротов и небанкротов.
Индекс Альтмана представляет собой функцию от некоторых показателей, характеризующих экономический потенциал предприятия и результаты его работы за истекший период. В общем виде индекс кредитоспособности (Z-счет) имеет вид:
Z=1.2X1+1.4X2+3.3X3 +0.6X4+X5, (1.3)
где Х1 – оборотный капитал/сумма активов;
Х2 – нераспределенная прибыль/сумма активов;
Х3 – операционная прибыль/сумма активов;
Х4 – рыночная стоимость акций/задолженность;
Х5 – выручка/сумма активов.
Результаты многочисленных расчетов по модели Альтмана показали, что обобщающий показатель Z может принимать значения в пределах [-14, +22], при этом предприятия, для которых Z>2,99 попадают в число финансово устойчивых, предприятия, для которых Z<1,81 являются безусловно-несостоятельными, а интервал [1,81-2,99] составляет зону неопределенности.
Z-коэффициент имеет общий серьезный недостаток: по существу его можно использовать лишь в отношении крупных кампаний, котирующих свои акции на биржах. Именно для таких компаний можно получить объективную рыночную оценку собственного капитала.
В 1983 г. Альтман получил модифицированный вариант своей формулы для компаний, акции которых не котировались на бирже:
K=8.38X1+X2+0.054X3+0.63X4. (1.4)
(здесь Х4 – балансовая, а не рыночная стоимость акций.)
Коэффициент Альтмана относится к числу наиболее распространенных.
Известны другие подобные критерии. Так, британский ученый Таффлер (Taffler) предложил в 1977 г. четырехфакторную прогнозную модель, при разработке которой использовал следующий подход:
При использовании компьютерной техники на первой стадии вычисляются 80 отношений по данным обанкротившихся и платежеспособных компаний. Затем, используя статистический метод, известный как анализ многомерного дискриминанта, можно построить модель платежеспособности, определяя частные соотношения, которые наилучшим образом выделяют две группы компаний и их коэффициенты. Такой выборочный подсчет соотношений является типичным для определения некоторых ключевых измерений деятельности корпорации, таких, как прибыльность, соответствие оборотного капитала, финансовый риск и ликвидность. Объединяя эти показатели и сводя их соответствующим образом воедино, модель платежеспособности производит точную картину финансового состояния корпорации. Типичная модель для анализа компаний, акции которых котируются на биржах, принимает форму:
Z=C0+C1X1+C2X2+C3X3+C4X4+….., (1.5)
где: х1=прибыль до уплаты налога/текущие обязательства (53%)
х2=текущие активы/общая сумма обязательств (13%)
х3=текущие обязательства/общая сумма активов (18%)
х4=отсутствие интервала кредитования (16%)
с0,…с4 – коэффициенты, проценты в скобках указывают на пропорции модели; х1 измеряет прибыльность, х2 – состояние оборотного капитала, х3 – финансовый риск и х4 – ликвидность.
Для усиления прогнозирующей роли моделей можно трансформировать Z-коэффициент в PAS-коэффициент (Perfomans Analysys Score) – коэффициент, позволяющий отслеживать деятельность компании во времени. Изучая PAS-коэффициент как выше, так и ниже критического уровня, легко определить моменты упадка и возрождения компании.
PAS-коэффициент – это просто относительный уровень деятельности компании, выведенный на основе ее Z-коэффициента за определенный год и выраженный в процентах от 1 до 100. Например, PAS-коэффициент, равный 50, указывает на то, что деятельность компании оценивается удовлетворительно, тогда как PAS-коэффициент, равный 10, свидетельствует о том, что лишь 10% компаний находятся в худшем положении (неудовлетворительная ситуация). Итак, подсчитав Z-коэффициент для компании, можно затем трансформировать абсолютную меру финансового положения в относительную меру финансовой деятельности. Другими словами, если Z-коэффициент может свидетельствовать о том, что компания находится в рискованном положении, то PAS-коэффициент отражает историческую тенденцию и текущую деятельность на перспективу.
Сильной стороной такого подхода является его способность сочетать ключевые характеристики отчета о прибылях и убытках и баланса в единое представительное соотношение. Так, компания, получающая большие прибыли, но слабая с точки зрения баланса, может быть сопоставлена с менее прибыльной, баланс которой уравновешен. Таким образом, рассчитав PAS-коэффициент, можно быстро оценить финансовый риск, связанный с данной компанией, и соответственно варьировать условия сделки. В сущности, подход основан на принципе, что целое более ценно, чем сумма его составляющих.
Дополнительной особенностью этого подхода является использование "рейтинга риска" для дальнейшего выявления скрытого риска. Этот рейтинг статистически определяется только, если компания имеет отрицательный Z-коэффициент, и вычисляется на основе тренда Z-коэффициента, величины отрицательного Z-коэффициента и числа лет, в продолжение которых компания находилась в рискованном финансовом положении. Используя пятибалльную шкалу, в которой 1 указывает на "риск, но незначительную вероятность немедленного бедствия", а 5 означает "абсолютную невозможность сохранения прежнего состояния", менеджер оперирует готовыми средствами для оценки общего баланса рисков, связанных с кредитами клиента.
Существующие подходы оценки эффективности управления с точки зрения рыночной стоимости корпорации включают различные методики. Среди основных это определение рыночной стоимости на основе оценки капитализации дохода корпорации, другой на основе курсовой стоимости акций корпорации.
При первом подходе цена предприятия (V) определяется капитализацией прибыли по формуле:
V=P/K, (1.6)
где P – ожидаемая прибыль до выплаты налогов, а также процентов по займам и дивидендов;
K – средневзвешенная стоимость пассивов (обязательств) фирмы (средний процент, показывающий проценты и дивиденды, которые необходимо будет выплачивать в соответствии со сложившимися на рынке условиями за заемный и акционерный капиталы).
Снижение цены предприятия означает снижение его прибыльности либо увеличение средней стоимости обязательств (требования банков, акционеров и других вкладчиков средств). Прогноз ожидаемого снижения требует анализа перспектив прибыльности и процентных ставок.
Целесообразно рассчитывать цену предприятия на ближайшую и долгосрочную перспективу. Условия будущего падения цены предприятия обычно формируются в текущий момент и могут быть в определенной степени предугаданы (хотя в экономике всегда остается место для непрогнозируемых скачков).
2. Оценка экономическОй эффективности деятельности предприятия
2.1 Общ ая характеристика предприятия
ЗАО «Северодонецкое объединение Азот» организовано в процессе реструктуризации и санации СГПП «Объединение Азот» в соответствии с решением Учредительного собрания от 24.12.2004 г. Свою историю предприятие начало 16 февраля 1951 года и на сегодняшний день является крупнейшим в Украине производителем химической продукции и третьим по значению производителем аммиака в государстве. Доля ЗАО «Северодонецкое объединение Азот» в общем объеме экономического комплекса Луганщины составляет около 10%. Лишь за 2005 год объем выпущенной продукции в денежном эквиваленте составил 1,85 миллиарда гривен.
В составе объединения находятся:
1. Крупнотоннажный агрегат аммиака 1-А;
2. Крупнотоннажный агрегат аммиака 1-Б;
3. Производство «Оргсинтез», включающее цехи производства метанола, ацетилена и продуктов его переработки, уксусной кислоты, товаров народного потребления на основе поливиниловой дисперсии;
4. Производство минеральных удобрений;
5. Производство адипиновой кислоты и соли АГ;
Кроме основных производств объединение включает крупное энергетическое хозяйство, ремонтно-механический завод, цех КИПиА, отдел автоматизированной системы управления, научно-технический центр, проектно-конструкторское бюро, природоохранную, строительно-монтажную, транспортную, и другие вспомогательные службы.
Торговая марка Северодонецкого «Азота» широко известна далеко за пределами Украины. Среди продукции, выпускаемой на предприятии – аммиак, аргон, карбамид, аммиачная селитра, азотная кислота, калиевая селитра, углеаммонийные соли, натриевая селитра, циклогексанон, адипиновая кислота, метанол, формалин, карбамидоформальдегидные смолы, ацетилен, винилацетат, уксусная кислота, поливинилацетатная дисперсия, поливиниловый спирт, товары бытовой химии (средства для чистки и отбеливания, моющие средства, клей, шпатлевка, краска, пеноизол, полиэтиленовые пленки и мешки, хозяйственные изделия из полиэтилена и тп.). Весомую долю ассортимента составляют минеральные удобрения, которые обеспечивают увеличение урожайности сельскохозяйственных культур во всех регионах страны, остальные товары находят широкое применение в промышленности и быту.
Более 70% продукции с товарным знаком Северодонецкого «Азота» с успехом реализуется в десятках развитых стран мира – в Японии, США, Китае, странах Западной Европы, а также в южной Америке, России и других странах СНГ. Экспортируются, как правило, качественные, конкурентоспособные химические продукты, спрос на которые в Украине низкий из-за их высокой цены. За экспорт качественной продукции, четкое выполнение контрактов, активную интеграцию в мировую экрномику предприятие награждено рядом престижных международных призов, в том числе «Gold Globe», Трейдлидерклаб.
На базе целостного имущественного комплекса Северодонецкого государственного производственного предприятия «Объединения Азот» в декабре 2004 года было образовано ЗАО «Северодонецкое Объединение Азот» Его учредителями стали Фонд государственного имущества Украины и инвестиционная компания Worldwide Chemical LLC (Нью-Йорк, США). Компанию Worldwide Chemical контролирует американский бизнесмен украинского происхождения Алекс Ровт – основатель и президент известной в мире химическогй компании IBE Trade Corp., специализирующейся на производстве и продаже аммиака и минеральных удобрений.
Фонд государственного имущества передал целостный имущественный комплекс СГПП «Объединение Азот» в уставной фонд ЗАО «Северодонецкое Объединение Азот», а компания Worldwide Chemical внесла 123 миллиона в виде инвестиций.
24 декабря 2004 года председателем Наблюдательного Совета «Северодонецкое Объединение Азот» назначен Кунченко Алексей Петрович, Председателем правления – Казаков Валентин Васильевич.
После смены собственности, благодаря значительным инвестициям, предприятие стало стремительно развиваться и достигло значительных успехо: за 2005 год ЗАО «Северодонецкое Объединение Азот» получило чистой прибыли в 1,4 раза больше чем в предыдущем году. При этом заработная плата работников выросла в полтора раза, а в государственный бюджет поступило около 300 миллионов гривен – вдвое больше, чем в 2004 году.
Внесенные инвестором средства позволили разработать ряд перспективных бизнес проектов и приступить к их реализации. Среди них – строительство нового блока разделения воздуха, замены теплообменного оборудования в аммиачном производстве, внедрение эффективных методов обработки реагентами водооборотных циклов и другие мероприятия, которые направлены на стабильную, конкурентоспособную хозяйственную деятельность предприятия, резкий подъем экономики, рост благосостояния работников.
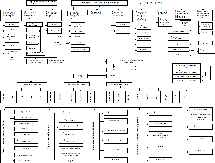
Высшая должность на предприятии принадлежит председателю наблюдательного совета, ему подчиняется председатель правления. В непосредственном подчинении председателя правления находятся помощник председателя Правления по общим вопроса, а так же заместители: коммерческий директор, технический директор; член правления, директор по экономике и финансам; член правления, главный бухгалтер; директор по быту и капстроительству; директор по транспорту; директор информации и связей с общественностью; директор по кадрам, труду и режиму; директор по ГЗТ и ЧС; директор по охране труда; юридический отдел; отдел экономической безопасности; ОТК; ЦИТТ, ОРСДиМП, в подчинении которых находятся подразделения и отдельные штатные единицы.
2.2 Анализ основных технико-экономических показателей деятельности предприятия
Расчет основных технико-экономических показателей производится для того, чтобы проанализировать производственно-хозяйственную деятельность предприятия, его финансовое состояние, выявить резервы повышения эффективности деятельности. Анализ производится путем сравнения предшествующих (2001-2002 г.г.) и отчетного 2003 года. Данные представлены в виде табл. 2.1.
Анализируя основные технико-экономические показатели деятельности ЗАО «Объединение Азот» за ряд последних лет в целом можно сказать, что ситуация заметно улучшилась, финансовое состояние начало стабилизироваться.
Так, сравнивая фактические показатели 2001г. и 2002г. можно отметить их значительный рост по всем показателям. В 2002 г. предприятием было получено прибыли в 7,5 раз больше, чем в 2001г. Этот результат был достигнут за счет : опережающего роста объемов ТП (175,9%) по сравнению с увеличением себестоимости (133,6%) при одновременном сокращении затрат на 1 грн ТП. Рост себестоимости в 2002г. был вызван удорожанием природного газа и электроэнергии, которые являются основными ресурсами при производстве продукции предприятия. Сокращение затрат на 1 грн товарной продукции связано в первую очередь с наращиванием объемов производства (эффект от масштаба), удешевлением отдельных видов материальных ресурсов (отказ от бартерных операций и переход на расчет с поставщиками и потребителями деньгами), внедрением организационно-технических мероприятий по уменьшению расходных норм ряда продуктов. положительное совместное влияние этих факторов привело к росту рентабельности производства на 34% относительно 2001г.
Таблица 2.1
Анализ основных технико-экономических показателей Северодонецкого ГПП « Объединение Азот»
| Наименование показателей |
Ед. изм. |
2001 год |
2002 год |
2003 год |
Отклонения (+/-) |
Темп роста (%) |
|||||||||||||||||
| 2002 к 2001 |
2003 к 2002 |
2002 к 2001 |
2003 к 2002 |
||||||||||||||||||||
Показатели производства |
|||||||||||||||||||||||
ТП: тнв действующих ценах- в сопоставимых ценах |
тыс. грн |
1338,74 336 023 563 980 |
2354,66 591 011 751 340 |
2279,71 572 337 708 514 |
1015,92 254 988 187 360 |
-74,95 -18 674 -42 826 |
175,9 175,9 133,2 |
96,8 96,8 94,3 |
|||||||||||||||
Себестоимость ТП |
т. грн |
312 857 |
417 982 |
417 405 |
105 125 |
-577 |
133,6 |
99,9 |
|||||||||||||||
Затраты на 1 грн ТП |
коп. |
93,11 |
70,72 |
72,93 |
-22,39 |
2,21 |
75,95 |
103,1 |
|||||||||||||||
Прибыль |
т. грн |
23 166 |
173 029 |
154 932 |
149 863 |
-18 097 |
747,0 |
89,5 |
|||||||||||||||
Рентабельность затрат |
% |
7,4 |
41,4 |
37,12 |
34,0 |
-4,28 |
- |
- |
|||||||||||||||
Среднегодовая стоимость основных производственных фондов |
тыс. грн |
1 480 500 |
1 390 652 |
1 337 405 |
-89 848 |
-53 247 |
93,9 |
96,2 |
|||||||||||||||
Фондоотдача |
грн/грн |
0,227 |
0,425 |
0,428 |
0,198 |
0,003 |
187,2 |
100,7 |
|||||||||||||||
Использование производственных мощностей |
% |
60,0 |
74,2 |
72,5 |
14,2 |
-1,7 |
- |
- |
|||||||||||||||
Износ основных фондов |
% |
61,2 |
61,8 |
62,6 |
-0,6 |
-0,8 |
- |
- |
|||||||||||||||
Среднесписочная численность трудящихся |
чел |
11 230 |
10 912 |
10 773 |
-318 |
-139 |
97,2 |
98,7 |
|||||||||||||||
Производительность труда |
тн/чел т.грн/чел |
119,2 29,92 |
215,8 54,16 |
211,6 53,13 |
96,6 24,24 |
-4,2 -1,03 |
181,0 181,0 |
98,1 98,1 |
|||||||||||||||
Среднемесячная зарплата |
грн |
244,18 |
317,59 |
388,9 |
73,4 |
71,31 |
130,1 |
122,5 |
|||||||||||||||
Годовой ФЗП |
т.грн |
2 742,1414 |
3 465,5421 |
4189,6197 |
723, 4007 |
724,0776 |
126,4 |
120,9 |
|||||||||||||||
Показатели реализации |
|||||||||||||||||||||||
Объем реализации |
т. тн т.грн |
1046,75 353 859 |
1291,289 539 620 |
1367,378 535 106 |
244,539 185 764 |
76,089 -4 514 |
123,4 152,5 |
105,9 99,2 |
|||||||||||||||
Затраты на производство реализованной продукции |
т.грн |
329478 |
381 619 |
390 253 |
52 141 |
8 634 |
115,8 |
102,3 |
|||||||||||||||
Прибыль от реализации |
т.грн |
24 381 |
158 002 |
144 853 |
133 621 |
-13 149 |
648,1 |
91,7 |
|||||||||||||||
Рентабельность затрат |
% |
7,4 |
41,4 |
37,1 |
34,0 |
-4,3 |
- |
- |
|||||||||||||||
Остатки готовой продукции |
т.грн |
9 300 |
11 600 |
22 700 |
2 300 |
11 100 |
124,7 |
195,7 |
|||||||||||||||
Объем бартерных операций |
т.грн |
236 609 |
228 965 |
75 816 |
-7 644 |
-153 149 |
96,8 |
33,1 |
|||||||||||||||
Удельный вес бартера в объеме реализации |
% |
56,0 |
43,3 |
13,5 |
12,7 |
-29,8 |
|||||||||||||||||
Убытки по содержанию неработающих цехов |
т.грн |
18 204,3 |
24 537,7 |
20 000 |
6 333,4 |
-4 537,7 |
134,8 |
81,5 |
|||||||||||||||
Чистая прибыль (убытки) |
т.грн |
18 200 |
49 400 |
33 964 |
31 200 |
-15 496 |
271,4 |
68,8 |
|||||||||||||||
Однако, следует отметить, что в отчетном периоде эти показатели несколько ухудшились. Так, за счет сокращения объемов производства ТП на 3,2% и ростом затрат на 1 грн ТП на 3,1%, предприятие в отчетном периоде не дополучило 18,097 млн грн прибыли. Уменьшение объемов производимой товарной продукции было связано с тем, что летом 2003г. резко снизились мировые цены на аммиак, минеральные удобрения, метанол - продукты, которые экспортируются Северодонецким «Объединением Азот». Использование производственных мощностей на фоне ежегодного возрастания износа основных производственных фондов в 2002 г. составило 74,2%. В отчетном периоде в связи с падением спроса на химическую продукцию на мировом рынке и соответствующей политикой предприятия по сокращению объемов производства, использование мощностей в среднем за год составило 72,5 %. Причем в течение всего года этот показатель колебался следующим образом : 1 кв. – 84,0 %; 2 кв. – 83,5%; 3 кв. – 69,0%; 4 кв. – 63,4%.
Это привело к тому, что во избежании затоваривания и продажи продукции ниже себестоимости, предприятие вынуждено было в 4-ом квартале 2003 года остановить цех 1-Б по производству аммиака, в декабре того же года – производство уксусной кислоты, сократить объемы производства метанола. Таким образом, в отчетном периоде предприятие отработало менее рентабельно, чем в 2002г., что связано с влиянием внешних факторов, и, в частности, уровнем спроса.
Изменение объема ТП и среднегодовой стоимости ОПФ повлияли и на фондоотдачу. В 2002г. при росте ТП и сокращении стоимости основных фондов фондоотдача выросла на 87,2 %. В отчетном периоде фондоотдача выросла на 0,7%, что связано с опережающим снижением стоимости ОПФ на 3,8% по сравнению с уменьшением объемов производства ТП на 3,2% .
С каждым годов все заметнее тенденция роста износа основных фондов. На конец отчетного периода он составил 62,6%, что свидетельствует о необходимости замены устаревшего оборудования на более прогрессивное. Для замены всего износившегося оборудования и реконструкции имеющихся площадей у предприятия в данный момент средств нет. Поэтому продолжается поиск возможных инвесторов, способных не только выкупить весь комплекс целиком, но и провести модернизацию и реконструкцию имеющихся площадей, расширить уже имеющийся ассортимент выпускаемой продукции.
Рост годового фонда заработной платы в 2002г. на 26,4% и в 2003г. на 20,9% был вызван повышением тарифных ставок и окладов работающих на 20% при одновременном сокращении численности трудящихся. Такое сокращение - это вынужденная политика предприятия, направленная на уменьшение численности за счет естественной убыли и имеющихся внутренних резервов, а именно : работников, нарушающих трудовую дисциплину; работающих пенсионеров и др. Показатели производительности в 2002г. выросли на 81,0%, относительно 2001г. в натуральном и стоимостном выражении. Такой рост – это результат увеличения объемов производства ТП на 75,9% при уменьшении численности работающих на 2,8%. Однако, следует отметить, что в отчетном периоде производительность снизилась (1,9%), что связано с уменьшением объема выпуска продукции.
Следует так же отметить, что в 2002г. значительно выросли объемы реализации (52,5%). Причем при росте затрат на производство реализованной продукции на 15,8% и увеличении объемов реализации предприятие получило прибыль от реализации в размере 158,002 млн грн, что в 6,5 раз больше результатов 2001г. В отчетном периоде предприятие получило прибыль от реализации на 13,149 млн грн меньше, чем в 2002г. На это повлияло:
- во-первых, стоимость реализованной продукции оказалась ниже за счет «сезонности» продукции, несмотря на увеличение объемов реализованной продукции в натуральном выражении. Так, в период спада спроса на минеральные удобрения, уксусную кислоту, адипиновую кислоту предприятие вынуждено продавать свою продукцию по более низким ценам во избежании затоваривания складов готовой продукцией;
- во-вторых, прибыль от реализации в отчетном периоде была получена ниже ожидаемой из-за снижения мировых цен на химическую продукцию, начиная с третьего квартала.
В отчетном периоде также сохранилась тенденция роста остатков готовой продукции на складах объединения, что объясняется коньюнктурными изменениями на рынке химической продукции, ростом её себестоимости, снижением платежеспособности украинских покупателей – и, в частности предприятий АПК, для которых в начале 2003 года сократилась государственная поддержка.
Начиная с 2002г. наметилась тенденция стабилизации финансовых отношений предприятия. Так, были сокращены объемы бартерных операций и соответственно их удельный вес уменьшился с 56,0% - 2001г. до 13,5% - 2003г. Это связано с переходом предприятия на расчет с потребителями "живыми деньгами" .
Рост убытков по неработающим цехам был вызван незапланированными простоями отдельных производств. При изменении спроса на продукцию начиная с третьего квартала, предприятие как альтернативу продаже продукции ниже себестоимости выбрало остановку нерентабельных цехов. Таким образом, потери от простоя некоторых подразделений были ниже тех убытков, которые предприятие получило бы работая согласно плана и продавая продукцию по установившимся мировым ценам на химическую продукцию.
В целом ситуацию на ЗАО «Объединение Азот» по состоянию на 01.01.02г. можно охарактеризовать как удовлетворительную. Об этом свидетельствуют как показатели производства, так и реализации. Работая в условиях жесткой конкуренции как на внешнем, так и на внутреннем рынке, объединение остается крупным производителем химической продукции высокого качества и занимает достойное место на украинском и мировом рынках.
2.3 Анализ объемов производства и реализации
Жизнедеятельность предприятия зависит от величины прибыли, получаемой от реализации производимой им продукции, спрос на которую определяется её качественными характеристиками, преимуществами по сравнению с конкурирующими товарами.
В свою очередь качество выпускаемой продукции зависит от таких факторов, как :
1) четкое соблюдение протекания технологического процесса (p, t, концентрация основного вещества и др.);
2) уровня физического и морального износа применяемого оборудования, нововведения используемые конкурентами при производстве химической продукции;
3) качества закупаемых материалов и сырья, необходимых для производства.
Анализ работы предприятия, как правило, начинают с изучения показателей выпуска продукции для планирования будущих показателей производства. Задачи анализа сводятся :
1) к оценке степени выполнения плана и динамики производства и реализации продукции;
2) выявлению внутрихозяйственных резервов увеличения выпуска продукции (в соответствии с существующим спросом) и снижения себестоимости;
3) разработке мероприятий по освоению выявленных резервов.
С целью изучения динамики валовой и товарной продукции анализируются показатели выпуска за ряд лет.(табл. 2.2)
Таблица 2.2.
Динамика объемов производства товарной продукции
| Годы |
Товарная продукция в сопоставимых ценах , грн |
Темп роста |
|
| Базис. откл. % |
Цепные откл. % |
||
| 2001 |
563 980 000 |
100 |
100 |
| 2002 |
751 340 000 |
133,22 |
133,22 |
| 2003 |
708 514 000 |
125,63 |
94,3 |
За исследуемый период объемы товарной продукции (ТП) увеличились на 25,63%. По сравнению с 2001г. предприятие значительно повысило объемы производства. Однако, в отчетном периоде наблюдается некоторое снижение объемов производства по сравнению с 2002г. (5,7%), что объясняется падением мировых цен на основную экспортируемую продукцию и вынужденным простоем цехов по производству аммиака и уксусной кислоты. Так, цены на продукцию были следующими:
карбамид в январе 2003г. - 105$/тн , в мае-июне того же года – 78$/тн
аммиак в январе –210$/тн, в июле – 88$/тн.
Наибольший прирост ТП наблюдается в 2002 году –33,22%.
Для более глубокого анализа дается оценка выполнения плана по производству и реализации, проводится сравнение достигнутых показателей с аналогичными за предшествующий отчетному год (табл.2.3).
По полученным результатам можно сделать вывод, что в отчетном периоде фактические показатели ниже плановых. Это в первую очередь связано с сокращением объемов производства аммиака цехом 1-Б, уксусной кислоты, метанола, снижение использования производственных мощностей. Данное снижение совместно с отрицательным эффектом от падения мировых цен во втором полугодии привело к уменьшению стоимости товарной продукции, а соответственно и реализованной на 16,2%.
Таблица 2.3.
Оценка степени выполнения плана по производству и реализации продукции
| Показатели |
2003 год |
2002 год |
Отклонения |
||||||
| план |
факт |
% |
в текущ. ценах |
в сопост. ценах |
В текущ. ценах |
В сопост. ценах |
|||
| +/- |
% |
+/- |
% |
||||||
| Объем производства тыс тн тыс грн |
2489,64 620900 |
2279,71 572337 |
-9,2 -8,5 |
2354,66 591011 |
2354,66 591156,3 |
-74,95 -18674 |
-3,3 -3,2 |
-74,85 -18819,3 |
-3,3 -3,2 |
| вт.ч. товарной |
1742,74 |
1584,31 |
-9,9 |
1651,81 |
1651,81 |
-67,5 |
-4,3 |
-67,5 |
-4,3 |
| Объем реализации. : тыс тн тыс грн |
1742,74 621930 |
1367,34 535106 |
-27,5 -16,2 |
1291,289 539620 |
1291,289 505330 |
76,089 -4514 |
5,6 -0,8 |
76,089 29776 |
5,6 5,6 |
Сравнивая предшествующий год и отчетный видно, что объем товарной продукции также сократился как в натуральном, так и в стоимостном выражении. Несмотря на то, что в отчетном периоде было реализовано в натуральном выражении продукции больше на 5,6%, её стоимость была ниже, что опять-таки связано с необходимостью продавать свою продукцию иногда даже ниже себестоимости. Такая политика была направлена на сохранение имеющихся потребителей, особенно зарубежных.
Основных экспортеров химической продукции Северодонецкого «Азота» можно сгруппировать и объединить в следующие сегменты рынка: Восточная Европа, Западная Европа, Азия, Россия и Южная Америка. Если в целом экспорт за 2003 год принять за 100%, то доля каждого сегмента будет следующей (рис. 2.1):
2003 г., тыс $
Западная Европа 11 727,14 (21,5%)
Восточная Европа 8 241,42 (15,0%)
Азия, Африка 7 964,01 (14,6%)

Южная Америка, США 26 698,69 (48,9%)
Рис. 2.1. . Рынок основных экспортеров продукции ЗАО «Азот»
2.4 Анализ себестоимости продукции
От изменения объемов производства и реализации зависят все технико-экономические показатели. В свою очередь планирование объемов производства осуществляется с учетом прогнозируемого уровня спроса на химическую продукцию. В данное время при наличии большого количества поставщиков химической продукции как на внутреннем, так и на внешнем рынках, одними из главных конкурентных преимуществ являются низкая цена и высокое качество. Цена же предопределяется удельными затратами на производимую продукцию. Поэтому особое внимание при анализе и планировании производства уделяется изучению структуры себестоимости, выявлению резервов её снижения.
Анализ себестоимости проводится как в целом, так и по отдельным статьям. Годовые структуры себестоимости (за 2002-2003г.г.) по элементам затрат представлены в виде табл. 2.4.
Таблица 2.4.
Анализ себестоимости по элементам затрат
| Элементы затрат |
Величина элемента, тыс. грн |
Отклонения, +/- |
Уд. вес в структуре |
|||
| 2002 |
2003 |
2002 |
2003 |
+/- |
||
| Сырье и материалы |
180 150,24 |
181 571,18 |
1 420,94 |
43,1 |
43,5 |
0,4 |
| Вспомогат. материалы |
30 930,67 |
30 470,57 |
-460,10 |
7,4 |
7,3 |
-0,1 |
| Энергозатраты |
95 717,88 |
96 003,15 |
285,27 |
22,9 |
23,0 |
0,1 |
| Итого материальные затраты |
306 798,79 |
308 044,9 |
1 216,11 |
73,4 |
73,8 |
0,4 |
| З/пл основная и дополн. |
35 528,47 |
36 314,24 |
785,77 |
8,5 |
8,7 |
0,2 |
| Начисление на з/пл |
14 211,39 |
14 191,77 |
-19,62 |
3,4 |
3,4 |
- |
| Амортизация ОПФ |
20 899,1 |
21 705,06 |
805,96 |
5,0 |
5,2 |
0,2 |
| Прочие расходы |
21 735,06 |
18 783,23 |
-2 951,83 |
5,2 |
4,5 |
-0,7 |
| Производственная с-ть |
399 172,81 |
399 039,2 |
-133,61 |
95,5 |
95,6 |
0,1 |
| Внепроиз- ные расходы |
18 809,19 |
18 365,8 |
-133,61 |
4,5 |
4,4 |
-0,1 |
| Полная себестоимость |
417 982,0 |
417 405,0 |
-577,00 |
100 |
100 |
- |
Используя данные табл.2.4. можно сделать следующие выводы: в 2003г. выросли затраты по элементу «сырье и материалы», что было вызвано удорожанием природного газа во втором квартале . Незначительно выросли также и энергозатраты.
Рост по элементу «заработная плата» был вызван повышением тарифных ставок и окладов на 20 % в третьем квартале.
Увеличение амортизации основных производственных фондов на 805,96 тыс грн связано с незначительным введением основных фондов, а также увеличением стоимости оборудования и установок после проведения текущих и капитальных ремонтов.
Сокращение прочих расходов связано с переносом запланированных текущих ремонтов на более поздние сроки.
Структура себестоимости в рассматриваемые периоды остается практически неизменной, что говорит о пропорциональном изменении затрат по всем элементам. Наблюдается увеличение материальных затрат на 1216,11тыс грн, что было вызвано не только удорожанием основных материалов относительно запланированных цен, но и с перерасходами, допущенными в процессе остановок и пусков отдельных цехов и подразделений. Это связано со спецификой химических предприятий, имеющий непрерывное производство. Так, только один пуск цеха 1-Б по производству аммиака в среднем приводит к перерасходу природного газа в сумме 1,5 млн грн.
В целом за счет изменений по отдельным элементам затрат себестоимость уменьшилась в 2003 году на 577 тыс грн (0,1%), при сокращении объемов ТП на 3,2 % [табл.2.1.], следовательно, характер изменения материальных затрат в отчетном периоде был нарастающим.
Для оценки эффективности использования материальных ресурсов применяется система обобщающих показателей (материалоотдача, материалоёмкость, удельный вес материальных затрат в себестоимости продукции, коэффициент материальных затрат).
1) материалоотдача (Мо) – отношение стоимости товарной продукции (ТП) к стоимости материальных затрат (М). Данный показатель характеризует отдачу материалов, показывая сколько продукции произведено с каждой гривни потребленных материальных ресурсов.
Мо = ТП / М (2.1),
Мо 2002 = 591011 / 306798,79 = 1,93 (грн/грн)
Мо 2003 = 572337 / 308044,90 = 1,86 (грн/грн)
2) материалоемкость (Ме) – показатель обратный материалоотдаче. Показывает , сколько материальных затрат фактически приходится на производство единицы продукции.
3)
Ме = М / ТП (2.2),
Ме 2002 = 30798,79 / 591011 = 0,52 (грн/грн)
Ме 2003 = 308044,9 / 572337 = 0,54 (грн/грн)
4) коэффициент материальных затрат (Км) – отношение материальных затрат фактических (Мф) на плановый уровень, пересчитанный на фактический объем (Мф')
Км = Мф / Мф' (2.3)
Км = 308044,9 / 297033,23 = 1,04
Большой удельный вес материальных затрат в себестоимости – одна из специфических особенностей предприятий химической отрасли. Все производства данной отрасли являются материало- и энергоёмкими.
Анализируя рассчитанные показатели, можно сделать вывод, что в отчетном периоде ситуация несколько ухудшилась. Уровень материалооотдачи в 2003г. незначительно снизился, хотя и остается довольно-таки высоким. Показатель материалоемкости относительно 2002г. вырос, что связано с перерасходами по основным видам сырья, удорожанием природного газа и электроэнергии в третьем квартале.
Коэффициент материальных затрат в целом отражает их рост. То есть, при сокращении объемов производства в отчетном периоде на 3,2%, себестоимость выпускаемой продукции уменьшилась лишь на 0,1% за счет опережающего роста материальных затрат.
Однако, в отчетном периоде были допущены не только перерасходы по статье «сырье и материалы», но и получена экономия (16 341,1 тыс грн) по некоторым видам сырья. Отклонения по расходным нормам в разрезе производств за 12 месяцев 2003 года приводятся в прилож.5.
Анализ перерасходов, допущенных по отдельным материальным ресурсам за 12 месяцев 2003 года, приводится в табл. 2.5.
Таблица 2.5
Анализ перерасхода сырья и материалов в 2003 году
| Наименование сырья, материала, полуфабриката |
Ед. изм. |
Наименование продукта |
Перерасход |
|
| Кол-во |
∑ , т грн |
|||
| Пятиокись ванадия |
тн |
Аммиак 1-А |
708,4 |
44,7 |
| Едкое кали |
тн |
Аммиак 1-А |
747,8 |
2,9 |
| Природный газ |
т. м 3 |
Аммиак 1-Б |
3237 |
967,4 |
| Смола КФС |
тн |
Карбамид |
37,1 |
39,8 |
| Натр едкий |
тн |
Адипиновая к-та |
20,8 |
16,8 |
| Циклогексан |
тн |
Аналон |
97,8 |
32,9 |
| Аналон |
тн |
Адипиновая к-та |
20,2 |
22,0 |
| Метилпирролидон |
тн |
Ацетилен |
5,0 |
37,2 |
| Уксусная кислота |
тн |
Винилацетат |
63,2 |
57,9 |
| Азот чистый |
тм3 |
Уксусная кислота |
71,5 |
23,3 |
| Азот жидкий |
тн |
Ксеноно-азотная смесь |
27,5 |
5,5 |
| Газы : конвертированный газ |
т м3 |
Метанол-сырец |
6364,7 |
750,5 |
| АВС |
т м3 |
Метанол-сырец |
437 |
322 |
| Винилацетат |
тн |
ПВАД 40/С |
2,3 |
6,5 |
| Винилацетат |
тн |
ПВС сухой |
2,5 |
7,1 |
| Гидрохинон |
кг |
Винилацетат |
80,0 |
6,7 |
| Азот чистый |
т м3 |
Винилацетат |
13,9 |
4,6 |
| Кислород |
т м3 |
Ацетилен |
4,2 |
6,2 |
| Азот технический |
т м3 |
Ацетилен |
153,4 |
9,2 |
Учитывая специфику работы объединения, каждая остановка и пуск цехов приводят к перерасходу основного сырья. Таким образом, основная причина использования сырья сверх установленных норм – неритмичная работа предприятия, которая в свою очередь предопределена существующим спросом на химическую продукцию, его колебаниями.
Для улучшения качества выпускаемой продукции, в частности для предотвращения слеживаемости карбамида, были увеличены вложения смолы КФС по требованию Одесского припортового завода.
За счет отклонений от плановых цен в 2003 году получена экономия в сумме 3262,6 тыс грн. Основная сумма приходится на природный газ, фактическая цена на который была ниже запланированной. Однако, в октябре-декабре использовался природный газ по цене выше плановой. Перерасход составил 3643,7 тыс грн.
Произведенный анализ показал, что на ряду с натуральными объемами расходуемых материальных ресурсов, величина себестоимости в значительной мере зависит от стоимости приобретаемого сырья и вспомогательных материалов. Поэтому главными задачами подразделений, занимающихся приобретением необходимых материальных ресурсов (ОМТС и ОВЭС) должны быть : изучение рынка; поиск новых поставщиков выгодных предприятию; изыскание возможностей снижения затрат по приобретению.
2.5 Анализ финансового состояния предприятия
Финансовый анализ как метод познания экономических процессов и явлений занимает важное место в системе управления предприятием.
Основными источниками информационного обеспечения для анализа финансового состояния предприятия служат бухгалтерский баланс (форма №1), отчёт о финансовых результатах (форма №2), другая финансовая отчётность.
Результатом финансового анализа является оценка финансового благополучия предприятия, состояния имущества и его источников, скорости оборота всего капитала и его отдельных частей, доходности используемых средств.
Анализ финансового состояния предприятия начинается с общей характеристики состава и структуры актива и пассива баланса.
2.5.1 Анализ имущественного состояния предприятия
Исходные данные и результаты горизонтального, вертикального и трендового анализа имущества предприятия, источников его формирования, сведены в табл. 2.6 - 2.7.
Как видно из табл. 2.7 валюта баланса к концу 2003 года составила 855 328 тыс. грн. Прослеживается динамика снижения показателя на протяжении исследуемого периода. В 2002 году он снизился на 3%, а в 2003 году на 9%. Необходимо отметить, что снижение валюты баланса само по себе не всегда является показателем негативного положения дел на предприятии.
Наибольшую долю в активах занимают необоротные активы, а именно основные средства (63%). Наблюдается снижение первоначальной стоимости основных фондов. К концу 2003 года она снизилась на 10%. То есть наблюдается выбытие основных фондов. Это связано с работой по реструктуризации предприятия, проводимой в 2002-2003 годах. Она включает в себя передачу в коммунальную собственность города жилищно-коммунального хозяйства (в III квартале 2002г.) и выделения из имущественного комплекса агрокомплекса «Лесная дача» (в I квартале 2003г.).
Этот фактор частично повлиял и на структуру собственного капитала. Соответственно уставной капитал в 2002г. снизился на 12% и дополнительно на 2% в 2003г.
Снижение первоначальной стоимости основных средств повлияло на величину их остаточной стоимости. Она снизилась по сравнению с началом 2002 года на 19%. Так же на снижение остаточной стоимости основных средств повлиял высокий уровень износа оборудования. По сравнению с 2002 годом он увеличился на 1%.
Таблица 2.6
Анализ активов предприятия
| АКТИВЫ |
01.01.2002 |
31.12.2002 |
31.12.2003 |
АНАЛИЗ |
||||||
| Вертикальный |
Горизонтальный |
Трендовый |
||||||||
| 01.01.2002 |
31.12.2002 |
31.12.2003 |
31.12.2002-01.01.2002 |
31.12.2003-31.12.2002 |
31.12.2002/01.01.2002 |
31.12.2003/01.01.2002 |
||||
| 1 |
2 |
3 |
4 |
5 |
6 |
7 |
8 |
9 |
10 |
11 |
| I. Необоротные активы |
||||||||||
| Нематериальные активы: |
||||||||||
| остаточная стоимость |
310 |
411 |
647 |
0,03 |
0,04 |
0,08 |
101 |
236 |
133% |
209% |
| первоначальная стоимость |
344 |
483 |
776 |
0,04 |
0,05 |
0,09 |
139 |
293 |
140% |
226% |
| износ |
34 |
72 |
129 |
0,004 |
0,01 |
0,02 |
38 |
57 |
212% |
379% |
| Незавершенное строительство |
48477 |
45138 |
48352 |
5,14 |
4,92 |
5,65 |
-3339 |
3214 |
93% |
100% |
| Основные средства: |
||||||||||
| остаточная стоимость |
667171 |
579111 |
541623 |
70,79 |
63,13 |
63,32 |
-88060 |
-37488 |
87% |
81% |
| первоначальная стоимость |
1495827 |
1370691 |
1343293 |
169,33 |
160,33 |
168,74 |
-125136 |
-27398 |
92% |
90% |
| износ |
928656 |
891580 |
901270 |
98,54 |
97,20 |
105,37 |
-37076 |
9690 |
96% |
97% |
| Долгосрочные финансовые инвестиции: |
6986 |
7128 |
6693 |
0,74 |
0,78 |
0,78 |
142 |
-435 |
102% |
96% |
| Долгосрочная дебиторская задолженность |
2941 |
10882 |
4181 |
0,31 |
1,19 |
0,49 |
7941 |
-6701 |
370% |
142% |
| Отсроченные налоговые активы |
7336 |
0,86 |
7336 |
|||||||
| Прочие необоротные активы |
||||||||||
| Всего по разделу I |
725885 |
642670 |
608832 |
77,02 |
70,06 |
71,18 |
-83215 |
-33838 |
89% |
84% |
| II. Оборотные активы |
||||||||||
| Запасы: |
||||||||||
| производственные запасы |
88183 |
102466 |
92049 |
9,36 |
11,17 |
10,76 |
14283 |
-10417 |
116% |
104% |
| незавершенное производство |
8250 |
10647 |
27538 |
0,88 |
1,16 |
3,22 |
2397 |
16891 |
129% |
334% |
| готовая продукция |
8829 |
11557 |
12086 |
0,94 |
1,26 |
1,41 |
2728 |
529 |
131% |
137% |
| товары |
523 |
637 |
899 |
0,06 |
0,07 |
0,11 |
114 |
262 |
122% |
172% |
| Векселя полученные |
947 |
5171 |
277 |
0,10 |
0,56 |
0,03 |
4224 |
-4894 |
546% |
29% |
| Дебиторская задолженность за товары, работы, услуги: |
||||||||||
| чистая реализационная стоимость |
93817 |
92561 |
47563 |
9,95 |
10,09 |
5,56 |
-1256 |
-44998 |
99% |
51% |
| первоначальная стоимость |
93817 |
93606 |
47584 |
-211 |
-46022 |
100% |
51% |
|||
| резерв сомнительных долгов |
1045 |
121 |
1045 |
-924 |
||||||
| Дебиторская задолженность по расчетам: |
||||||||||
| с бюджетом |
137 |
158 |
19632 |
0,01 |
0,02 |
2,30 |
21 |
19474 |
115% |
14330% |
| по выданным авансам |
3612 |
3243 |
20550 |
0,38 |
0,35 |
2,40 |
-369 |
17307 |
90% |
569% |
| Прочая текущая дебиторская задолженность |
4268 |
2804 |
3072 |
0,45 |
0,31 |
0,36 |
-1464 |
268 |
66% |
72% |
| Денежные средства и их эквиваленты: |
||||||||||
| в национальной валюте |
993 |
10746 |
1614 |
0,11 |
1,17 |
0,19 |
9753 |
-9132 |
1082% |
163% |
| в иностранной валюте |
404 |
3674 |
6026 |
0,04 |
0,40 |
0,70 |
3270 |
2352 |
909% |
1492% |
| Прочие оборотные активы |
6055 |
30605 |
15071 |
0,64 |
3,34 |
1,76 |
24550 |
-15534 |
505% |
249% |
| Всего по разделу II |
216018 |
274269 |
246377 |
22,92 |
29,90 |
28,80 |
58251 |
-27892 |
127% |
114% |
| III. Расходы будущих периодов |
541 |
364 |
119 |
0,06 |
0,04 |
0,01 |
-177 |
-245 |
67% |
22% |
| Баланс |
942444 |
917303 |
855328 |
100 |
100 |
100 |
-25141 |
-61975 |
97% |
91% |
Таблица 2.7
Анализ пассивов предприятия
| ПАССИВ |
01.01.2002 |
31.12.2002 |
31.12.2003 |
АНАЛИЗ |
||||||
| Вертикальный |
Горизонтальный |
Трендовый |
||||||||
| 01.01.2002 |
31.12.2002 |
31.12.2003 |
31.12.2002-01.01.2002 |
31.12.2003-31.12.2002 |
31.12.2002/01.01.2002 |
31.12.2003/01.01.2002 |
||||
| 1 |
2 |
3 |
4 |
5 |
6 |
7 |
8 |
9 |
10 |
11 |
| I. Собственный капитал |
||||||||||
| Уставный капитал |
666882 |
588641 |
571821,00 |
0,71 |
0,64 |
0,67 |
-78241 |
-16820 |
88% |
86% |
| Прочий дополнительно вложенный капитал |
41931 |
42868 |
42956 |
0,04 |
0,047 |
0,05 |
937 |
88 |
102% |
102% |
| Резервный капитал |
||||||||||
| Нераспределенная прибыль (непокрытый убыток) |
79485 |
30024 |
593,00 |
0,08 |
0,03 |
0,001 |
-49461 |
-29431 |
38% |
1% |
| Всего по разделу I |
629328 |
601485 |
615370 |
0,67 |
0,66 |
0,72 |
-27843 |
13885 |
96% |
98% |
| II. Обеспечение будущих расходов и платежей |
||||||||||
| Обеспечение выплат персоналу |
||||||||||
| Целевое финансирование |
9 |
9 |
9 |
0,00001 |
0,00001 |
0,00001 |
0 |
0 |
100% |
100% |
| Всего по разделу II |
9 |
9 |
9 |
0,00001 |
0,00001 |
0,00001 |
0 |
0 |
100% |
100% |
| III. Долгосрочные обязательства |
||||||||||
| Долгосрочные кредиты банков |
||||||||||
| Отсроченные налоговые обязательства |
||||||||||
| Прочие долгосрочные обязательства |
58302 |
31551 |
19370,00 |
0,06 |
0,03 |
0,02 |
-26751 |
-12181 |
54% |
33% |
| Всего по разделу III |
58302 |
31551 |
19370,00 |
0,06 |
0,03 |
0,02 |
-26751 |
-12181 |
54% |
33% |
продолжение табл. 2.7
| 1 |
2 |
3 |
4 |
5 |
6 |
7 |
8 |
9 |
10 |
11 |
| IV. Текущие обязательства |
||||||||||
| Краткосрочные кредиты банков |
296 |
17846 |
17555,00 |
0,0003 |
0,019 |
0,021 |
17550 |
-291 |
6029% |
5931% |
| Текущая задолженность по долгосрочным обязательствам |
9580 |
0,01 |
9580 |
|||||||
| Векселя виданные |
25525 |
38823 |
11124,00 |
0,03 |
0,04 |
0,01 |
13298 |
-27699 |
152% |
44% |
| Кредиторская задолженность за товары, работы, услуги |
173081 |
173871 |
172234,00 |
0,18 |
0,19 |
0,20 |
790 |
-1637 |
100% |
100% |
| Текущие обязательства по расчетам: |
||||||||||
| по полученным авансам |
2718 |
6478 |
2751,00 |
0,003 |
0,01 |
0,003 |
3760 |
-3727 |
238% |
101% |
| с бюджетом |
34285 |
41107 |
1645,00 |
0,036 |
0,045 |
0,002 |
6822 |
-39462 |
120% |
5% |
| по внебюджетным платежам |
6192 |
1495 |
122 |
0,007 |
0,002 |
0,000 |
-4697 |
-1373 |
24% |
2% |
| по страхованию |
2952 |
1218 |
1588 |
0,003 |
0,001 |
0,002 |
-1734 |
370 |
41% |
54% |
| по оплате труда |
6634 |
2809 |
3136,00 |
0,007 |
0,003 |
0,004 |
-3825 |
327 |
42% |
47% |
| Прочие текущие обязательства |
3122 |
610 |
844 |
0,003 |
0,001 |
0,001 |
-2512 |
234 |
20% |
27% |
| Всего по разделу IV |
254805 |
284257 |
220579 |
0,27 |
0,31 |
0,26 |
29452 |
-63678 |
112% |
87% |
| V. Доходы будущих периодов |
1 |
1 |
-1 |
|||||||
| Баланс |
942444 |
917303 |
855328 |
1 |
1 |
1 |
-25141 |
-61975 |
97% |
91% |
Наблюдается сначала снижение, а затем увеличение стоимости незавершённого строительства. Такая же динамика прослеживается и в величине финансовых инвестиций. То есть предприятие направляло часть инвестиций на развитие незавершённого строительства.
При общем снижении итога баланса предприятия основное финансирование было направлено на пополнение оборотных средств. Это сопровождалось структурными изменениями во II разделе актива баланса.
На конец 2003 г. доля оборотных средств составила 28,88%. Исходя из трендового анализа, общая сумма оборотных средств предприятия увеличилась на 14%.
Наиболее существенно возросла их наименее мобильная часть – запасы. (рис.2.2)
Рис.2.2. Динамика суммы запасов ЗАО «Северодонецкое объединение Азот»
Производственные запасы предприятия занимают 69% всего объёма запасов на предприятии. Как видно из табл. 2.6 производственные запасы предприятия на конец 2003 года соответствовали сумме 92 049 тыс. грн. Их абсолютное отклонение от начала 2002 года равнялось 3866 тыс. грн. (4%) Произошло значительное увеличение производственных запасов, не смотря на то, что после перехода на новые стандарты бухгалтерского учёта: из состава производственных запасов в незавершённое производство была переведена в январе 2003 года стоимость катализаторов в системах. Учитывая вышесказанное, производственные запасы, при прочих равных условиях, должны были быть снижены, однако отмечен их рост. Он обусловлен наличием излишних производственных запасов, хранящихся на складах предприятия.
Значительно изменилась сумма по незавершённому производству. Её рост составил 3,34 раза. Это связано с увеличением норматива по незавершённому производству.
Структурные изменения текущих активов сопровождались увеличением денежных средств по сравнению с началом 2002 года: в национальной валюте в 1,6 раза, в иностранной валюте в 14,9 раз. Это дало предприятию возможность своевременно производить расчёты по налогам и сборам в бюджеты всех уровней, внебюджетным платежам, с рабочими и служащими по выплате заработной платы. Увеличение денежных средств в иностранной валюте на 64% по сравнению с 2002 годом произошло за счёт увеличения экспорта продукции.
Удельный вес национальной и иностранной валюты конец 2003 г.. в общем итоге актива баланса составили соответственно 0,19% и 0,70%. Увеличение задолженности за товары, работы и услуги связано с тем, что продукция объединения продаётся в кредит с предоставлением отсрочки платежа. Поэтому несвоевременная оплата выставленных счетов, низкая платежеспособность потребителей объясняет как малую долю денежных средств в активах предприятия так и значительную долю дебиторской задолженности.
За счёт роста дебиторской задолженности по расчётам с бюджетом оборотные активы выросли на сумму 19 495 тыс. грн. Это возникло по той причине, что, начиная с мая месяца 2003 года, сумма НДС по входящему сырью, материалам, выполненным работам и услугам, которые предприятие приобретает в основном на Украине, превысила сумму НДС на отгруженную продукцию. Этому способствовало преобладание экспорта продукции, НДС на которую не начисляется. Эти суммы переносятся на расчеты в будущие налоговые периоды.
Изменение структуры пассива баланса во многом произошло из-за реструктуризации налогового долга предприятия органами местной налоговой службы (табл. 2.7). Последнее находит своё отражение в III и IV разделах пассива баланса. В виду того, что задолженность предприятия была реструктуризирована на срок до 60 месяцев, во II квартале 2003 г. сумма задолженности в бюджет была перенесена из IV раздела в III раздел пассива как долгосрочное обязательство. При этом часть задолженности была списана и некоторая её часть уплачена. И, наоборот, в I квартале 2003 г. с III раздела пассива баланса в строку «Текущая задолженность по долгосрочным обязательствам» IV раздела перенесена сумма тех выданных векселей предприятия, срок до погашения которых стал меньше одного года. По состоянию на 01.07.03 г. задолженность по данным векселям была погашена на 56%.
За счёт прибыли, полученной в 2003 году, предприятие смогло перекрыть убытки и выйти на положительный показатель по нераспределённой прибыли. Но снижение величины собственного капитала ЗАО «Северодонецкое объединение Азот» произошло быстрее, что и повлияло на уменьшение величины уставного капитала предприятия. Его уменьшение составило 2%.
По состоянию на 01.07.2003г. доля банковского кредита в структуре заёмного капитала была равна нулевому значению в связи с его погашением. Однако к концу года краткосрочные кредиты банка составили 2,1% от общего итога баланса доля, так как во втором полугодии предприятие вновь брало кредит. Уменьшилась сумма выданных векселей предприятия. В 2002 году расчёты с поставщиками и подрядчиками производились с задержкой. Следовательно, доля кредиторской задолженности за товары, работы и услуги увеличилась. Но к концу 2003 года она немного уменьшилась и по данным баланса она снизилась по отношению с остатком на 01.01.2002 г. на 847 тыс. грн.
2.5.2 Анализ финансовой устойчивости предприятия
Следующим шагом в анализе финансового состояния является исследование показателей, отражающих сущность финансовой устойчивости предприятия.
Финансовое положение характеризуется не только показателями финансовой устойчивости. Рыночные условия хозяйствования обязывают предприятие в любой период времени иметь возможность срочно погасить внешние обязательства (то есть, быть платежеспособным) или краткосрочные обязательства (то есть, быть ликвидным).
Предприятие считается платежеспособным, если его общие активы больше, чем долгосрочные и краткосрочные обязательства. Предприятие ликвидно, если его текущие активы больше, чем краткосрочные обязательства.
Поскольку в состав текущих активов входят разнородные оборотные средства, среди которых имеются как легкореализуемые, так и труднореализуемые для погашения внешней задолженности, предприятие может быть ликвидным в большей или меньшей степени.
Анализ показателей ликвидности ЗАО «Северодонецкое объединение Азот» представлены в табл. 2.8
Таблица 2.8
Анализ ликвидности предприятия
| Показатель |
01.01.2002 |
31.12.2002 |
31.12.2003 |
| 1. Коэффициент общей ликвидности. |
0,8478 |
0,9649 |
1,1170 |
| 2. Коэффициент срочной ликвидности |
0,4326 |
0,5240 |
0,5159 |
| 3. Коэффициент абсолютной ликвидности |
0,0055 |
0,0507 |
0,0346 |
Анализ показателей ликвидности, приведенный в табл. 2.8, показывает, что коэффициенты ликвидности невысокие, но имеют тенденцию постепенного увеличения.
Рекомендуемое значение коэффициента общей ликвидности должно быть не менее 1. Нижняя граница обусловлена тем, что оборотных средств должно быть по меньшей мере достаточно для погашения краткосрочных обязательств, иначе предприятие окажется под угрозой банкротства. Превышение оборотных средств над краткосрочными обязательствами более чем в 2 раза считается также нежелательным, поскольку может свидетельствовать о нерациональной структуре капитала.
Сравнивая работу предприятия на начало 2002 года и на конец 2003 года можно сказать, что ситуация незначительно улучшилась. Коэффициент общей ликвидности на конец отчётного периода выше, чем на начало и соотношение оборотных средств и текущих обязательств приняло рекомендуемое значение. Соотношение текущих активов и текущих обязательств на конец 2003 года примерно составляет 1:1.
Значение коэффициента быстрой ликвидности свидетельствует о том, что для предприятия существует низкая вероятность выплатить в срок обязательства. Учитывая, что рекомендуемое значение данного коэффициента – не ниже 1, на 01.01.02 г. он был равен 0,4, а на 31.12.03 г. составил 0,5. Это говорит о том, что наибольший удельный вес в текущих активах занимают запасы, которые являются наименее ликвидной статьёй баланса и без учёта данной статьи видно, что наиболее ликвидных активов не хватает для погашения для погашения текущих долгов. В случае необходимости, предприятие будет вынуждено расплачиваться за счёт запасов.
Немедленно может быть погашена малая доля краткосрочных обязательств, об этом свидетельствует низкий коэффициент абсолютной ликвидности. По сравнению с началом 2003 года этот показатель значительно снизился, так как значительно уменьшились денежные средства. Наблюдается острая нехватка денежных средств для погашения текущих обязательств.
Рассчитанные показатели ликвидности свидетельствуют об отсутствии у предприятия денежных средств для оплаты краткосрочных обязательств. Даже при условии поступления денег по дебиторской задолженности предприятие могло бы рассчитаться с кредиторами в конце 2003 года лишь на 50 %. И только мобилизуя средства, вложенные в запасы, можно рассчитаться с кредиторами по краткосрочным обязательствам. Однако, это равносильно остановке производства.
Анализ показателей платежеспособности предприятия приведен в табл. 2.9.
Таблица 2.9
Анализ платёжеспособности предприятия
Показатель |
01.01.2002 |
31.12.2002 |
31.12.2003 |
| 1. Наличие собственных оборотных средств. |
-38246 |
-9624 |
25917 |
| 2. Доля СОС в активах предприятия. |
- |
- |
0,0303 |
| 3. Источники формирования запасов. |
135131 |
182093 |
215706 |
| 4. Коэффициент покрытия запасов. |
1,2774 |
1,4532 |
1,6271 |
К концу 2003 года величина собственных оборотных средств (СОС) приобрела положительное значение. Значительный рост величины денежных средств, увеличение товаров и готовой продукции на складах, а также рост прочих оборотных активов к концу 2003 года привели к тому, что текущих активов предприятия стало достаточно не только для покрытия его текущих обязательств, но и для расширения своей деятельности. А так же причиной того, что у предприятия появились собственные оборотные средства, послужило погашение части выданных векселей со сроком меньше одного года и снижение обязательств перед бюджетом.
Показатель нормальных источников формирования запасов (ИФЗ) к концу 2003 года увеличился на 80 575 тыс.грн. Из табл. 2.9 видно, что предприятие имеет нормальную финансовую устойчивость (СОС < Запасы < ИФЗ), когда для покрытия запасов не достаточно собственных оборотных средств, но вполне достаточно других источников формирования запасов.
Значение показателя покрытия запасов больше единицы, т.е. для покрытия запасов предприятия ему достаточно использовать СОС, краткосрочные кредиты банков и кредиторскую задолженность по товарным операциям, без дополнительного привлечения других источников.
Финансовая устойчивость определяется степенью обеспечения запасов и затрат собственными и заёмными источниками их формирования, соотношением объёмов собственных и заёмных средств и характеризуется системой абсолютных и относительных показателей.
Анализ финансовой устойчивости предприятия представлен в табл. 2.10, на основании которого можно сделать выводы о состоянии каждого коэффициента и о финансовой устойчивости предприятия в целом.
Несмотря на некоторое уменьшение собственного капитала предприятия, его финансовая независимость повысилась. Об этом свидетельствуют коэффициенты автономии и финансовой зависимости. На каждую гривну собственных средств предприятие привлекло заёмных – на 01.01.02 г. 50 коп. и на 31.12.03 г. - 39 коп.
Таблица 2.10
Показатели финансовой устойчивости предприятия
| Показатель |
01.01.2002 |
31.12.2002 |
31.12.2003 |
| 1. Коэффициент автономии. |
0,6678 |
0,6557 |
0,7195 |
| 2. Коэффициен финансовой зависимости. |
0,4975 |
0,5251 |
0,3899 |
| 3. Коэффициент капитализации. |
1,4975 |
1,5251 |
1,3899 |
| 4. Коэффициент структуры привлечённых средств. |
0,0825 |
0,1794 |
0,1195 |
Незначительное снижение коэффициента финансовой зависимости может способствовать получению новых кредитов. Значения коэффициентов автономии показывают стабильную финансовую структуру источников средств, которой отдают предпочтение кредиторы. Она выражается в невысоком удельном весе заёмного капитала и большем удельном весе собственного капитала.
Коэффициент структуры привлечённых ресурсов незначителен, т.е. доля платных привлечённых средств (несмотря на то, что предприятие сумму взятых краткосрочных кредитов в банке) в общей сумме обязательств невелика.
2.5.3.Анализ деловой активности предприятия
Стабильность финансового положения предприятия в условиях рыночной экономики обуславливается в немалой степени его деловой активностью. Оценка деловой активности предприятия осуществляется при помощи показателей оборачиваемости. Они показывают сколько раз в год (или за анализируемый период) «оборачиваются» те или иные активы предприятия. Обратная величина, помноженная на число дней в году (или количество дней в анализируемом периоде), указывает на продолжительность одного оборота этих активов. Данные показатели важны при оценке финансового состояния, так как показывают переход тех или иных активов в доходы или расходы. Анализ осуществляется лишь при помощи относительных показателей, к которым относятся такие финансовые коэффициенты:
Коэффициенты, характеризующие деловую активность предприятия в 2002 г. и 2003 г. сведены в табл.2.11.
Таблица 2.11
Анализ деловой активности предприятия
| Наименование показателя |
31.12.2002 |
31.12.2003 |
| 1. Коэффициент оборачиваемости активов. |
0,6374 |
0,7063 |
| 2. Коэффициент оборачиваемости собственного капитала. |
0,9631 |
1,0288 |
| 3. Коэффициент оборачиваемости дебиторской задолженности. |
1,4350 |
2,0272 |
| 4. Коэффициент оборачиваемости запасов. |
2,0316 |
2,3158 |
| 5. Коэффициент оборачиваемости кредиторской задолженности. |
1,9726 |
2,5639 |
| 6. Средний период оборачиваемости активов. |
572,65 |
516,80 |
| 7. Средний период оборачиваемости собственного капитала. |
378,99 |
354,77 |
| 8. Средний период оборачиваемости дебиторской задолженности. |
93,13 |
84,07 |
| 9. Средний срок оборачиваемости запасов. |
179,66 |
157,61 |
| 10. Средний срок оборачиваемости кредиторской задолженности. |
185,04 |
142,36 |
| 11. Продолжительность операционного цикла. |
272,79 |
241,68 |
| 12. Продолжительность финансового цикла. |
87,75 |
99,32 |
Из анализа деловой активности предприятия представленного в табл. 2.11 видно следующее:
1. Произошло увеличение оборачиваемости всех приведенных показателей. Оборачиваемость дебиторской задолженности за данный период увеличилась на 0,592 раза, т.е. по сравнению с предыдущим годом погашение дебиторской задолженности происходило более быстрыми темпами. И это значит, что большая часть дебиторской задолженности была переведена в денежные средства.
2. Увеличение оборачиваемости дебиторской задолженности повлекло за собой уменьшение показателя, характеризующего её средний срок оборота. Его уменьшение означает то, что продолжительность одного оборота дебиторской задолженности с начала 2002 г. по конец 2003 г. стала короче на 9,06 дней.
3. Наблюдается увеличение коэффициента оборачиваемости собственного капитала предприятия на 0,07. Рост оборачиваемости собственного капитала связан с уменьшением величины собственных средств. В свою очередь средний период оборачиваемости собственного капитала уменьшился на 24,2 дня.
4. Показатель оборачиваемости активов говорит о том, что за анализируемый период 1 денежная единица активов трансформировалась в среднем в 0,70 д.е. выручки. К такому результату привело увеличение дохода от реализации продукции.
5. Наблюдается рост коэффициента оборачиваемости запасов, но, тем не менее, он остаётся очень незначительным, т. к. много запасов товарно-материальных ценностей находится на складах объединения длительное время без движения. Особенно настораживает тот факт, что увеличиваются остатки готовой продукции на складах ввиду затруднений со сбытом продукции, которые в свою очередь вызваны недостаточным исследованием рынков сбыта продукции и возможностей расширения каналов сбыта.
6. Длительность оборачиваемости запасов в днях за рассматриваемый период сократилась на 22,05 дня – это положительная тенденция, т.к. затрачивается меньше времени на то, чтобы запасы приобрели денежную форму. Снабженческая служба должна усилить контроль поступления и выбытия товарно-материальных ценностей, т.е. запасы должны поступать по мере их потребности в производстве и не лежать мёртвым грузом на складах предприятия.
7. Ускорение оборачиваемости кредиторской задолженности в 1,3 раза и сокращение продолжительности её оборота на 42,7 дней означает то, что предприятие в более короткие сроки обязано погасить свои обязательства пред кредиторами, хотя для любого предприятия до приемлемого уровня желательно обратное.
С учётом вышеизложенного, на конец 2003 года общее время, которое необходимо для производства, продажи и оплаты продукции предприятия, т.е. длительность операционного цикла, было сокращено за счёт увеличения оборачиваемости запасов. В свою очередь, увеличение длительности финансового цикла вызвано ухудшением условий погашения кредиторской задолженности. Это говорит о наличии дефицита финансовых ресурсов, необходимых для погашения обязательств предприятия.
Проведенный анализ хозяйственной деятельности ЗАО “Объединение Азот” позволил выявить следующее :
1) с каждым годом заметна всё большая зависимость объемов производства от существующего уровня спроса на химическую продукцию, изменений коньнктуры рынка. Так, в отчетном периоде из-за снижения мировых цен на экспортируемую продукцию руководством предприятия было принято решение об остановке нерентабельных цехов. В итоге было выпущено продукции на 209,93 тыс тн меньше относительно плановых показателей, что в стоимостном выражении составило 48,563 млн грн.
2) рост затрат на 1 грн ТП при одновременном сокращении объемов производства привели к снижению рентабельности производства, недополучению предприятием прибыли в размере 18,097 млн грн. Затраты росли в связи с перерасходами по основным видам сырья,допущенным в ходе остановок и пусков отдельных цехов по причине снижения спроса на продукцию. Перерасходы отдельных видов сырья и материалов также связаны с высокой материалоемкостью производства, величина которой постоянно растет по причине старения оборудования как физически, так и морально. Поэтому очень остро стоит вопрос о реконструкции и модернизации имеющихся производственных площадей за счет привлечения инвестиций. Необходимость в этом предопределяется также и тем, что конкуренты постоянно проводят работу по обновлению имеющихся мощностей, внедрению новых мероприятий, позволяющих улучшить качество и снизить себестоимость выпускаемой продукции. Одним из факторов, также повлиявшим на увеличение затрат, был непредвиденный рост цен на природный газ и электроэнергию в третьем квартале.
На основе проведенного анализа финансовой деятельности ЗАО «Северодонецкое объединение Азот» можно сделать следующие выводы:
Несмотря на уменьшение валюты баланса к концу 2003 г., финансовая устойчивость предприятия улучшилась по ряду показателей. Имея на балансе значительную по величине стоимость оборотных активов, предприятие нуждается в большей величине собственных оборотных средств. Так как имеющихся на предприятии собственных оборотных средств не хватает для покрытия обязательств перед кредиторами.
Значения показателей, характеризующих ликвидность и платежеспособность, находятся на низком уровне, что объясняется, в основном, наличием у предприятия значительной суммы кредиторской задолженности. Срок погашения кредиторской задолженности превышает срок погашения дебиторской почти в 1,7 раз. (рис. 2.3).

Рис.2.3. Средние сроки оборачиваемости дебиторской и кредиторской задолженности
Это говорит о том, что на предприятии плохо организовано управление кредиторской задолженностью, что также усугубляется сокращением продолжительности её оборота, что вызывает дефицит финансовых средств на предприятии.
Предприятие испытывает острую потребность в мобильных оборотных средствах. Такое положение сложилось из-за замораживания значительной части оборотных средств в виде материальных запасов. За рассматриваемый период предприятие не только не смогло уменьшить остатки готовой продукции на складах, но и за счёт превышения темпов роста выпуска продукции над темпами реализации, произошло их увеличение почти в 1,9 раза. Причинами такого положения являются проблемы со сбытом, которые обусловлены жесткой конкуренцией. Для улучшения сложившейся ситуации необходимо чётко изучить рынок своей продукции, возможности создания новых каналов сбыта, повышения её конкурентоспособности за счёт увеличения качества или применения гибкой ценовой политики.
Таким образом, финансовая политика предприятия направлена на решение кратковременных задач, с возможным отрицательным эффектом в будущем.
Во многом, выявленные проблемы связаны с недостаточным качеством управления эффективностью деятельности предприятия и, в первую очередь, с некачественным финансовым планированием. Поэтому перед предприятием остро стоит проблема обеспечения обоснованности и согласованности решений, связанных с управлением эффективностью деятельности и финансовыми ресурсами.
РАЗДЕЛ 3. РЕКОМЕНДАЦИИ, НАПРАВЛЕННЫЕ НА СОВЕРШЕНСТВОВАНИЕ УПРАВЛЕНИЯ ЭФФЕКТИВНОСТЬЮ ДЕЯТЕЛЬНОСТИ ПРЕДПРИЯТИЯ
3.1 Обоснование критериев эффективности деятельности предприятия
Согласно проведенного исследования, одним из возможных направлений повышения качества управления эффективностью деятельности предприятия является разработка системного методологического подхода оценки экономической эффективности корпоративного управления на основе интегрального понятия, объединяющего основные показатели оценки качества данного процесса рассмотренные во 2-м разделе данной дипломной работы - критерия защиты интересов собственников.
Концепция понятия «защиты интересов собственников», представлена на рис.3.1.
Как видно из рис. 3.1, интересы собственников корпорации можно подразделить на интересы в получении доходов и интересы в экономическом контроле. Причем, рисунок свидетельствует о том, что и здесь существует сочетание различных задач. Интересы в получении доходов - либо интересы в текущем доходе, либо в перспективном. Интересы в установлении экономического контроля – это получение контроля над различными ресурсами корпорации, причем преимущественно по отношению к другим участникам корпоративных отношений и другим собственникам корпорации,. Данные интересы находят свою количественную оценку в системе показателей. Для первой группы интересов, как видно из рисунка - это рост курсовой стоимости акций корпорации и размеры дивидендных выплат.
Для второй группы интересов - это доля собственных средств в источниках финансирования корпорации, показатели автономии и доля пакета акций собственника в акционерном капитале корпорации в размере голосующих акций корпорации.
![]()
Рис.3.1. Предлагаемый подход к рассмотрению структуры содержания понятия «защита интересов собственников».
Для того чтобы оценить эффективность корпоративного управления, с точки зрения защиты интересов собственника в получении доходов, необходимо сравнить доходы, получаемые собственниками от участия в данной корпорации, с доходами, которые они могли бы получить от участия в других аналогичных корпорациях при равных прочих условиях.
Таким образом, абсолютный доход собственника корпорации, полученный за определенный промежуток времени, рассчитывается по следующей формуле:
Дабс =Q1 +(P1 -P0 ), (3.1)
где Д – доход собственника;
Q1 – сумма дивидендов, полученных на принадлежащий собственнику пакет акций корпорации за промежуток времени i [0;1];
P0 – стоимость пакета акций корпорации при покупке;
P1 – настоящая рыночная стоимость пакета акций корпорации.
Сумма дивидендов на акцию зависит от дивидендной политики корпорации, которая определяет, что делать: либо выплачивать прибыль акционерам, либо реинвестировать в производство. На это решение влияет целый ряд факторов: различия в условиях налогообложения дивидендных доходов и доходов от прироста капитала, стоимость доступных для корпорации источников финансирования, предпочтение собственников текущих доходов будущим.
Помимо этого для собственников важными моментами выплаты корпорацией дивидендов являются дата заявления о выплате, дата регистрации владельца ценных бумаг, дата потери права на дивиденд и фактическая дата выплаты. Следовательно, учитывая все факторы, функцию дохода в виде дивидендов можно представить следующей формулой:
Ддивиден = f (ЧП; Кдв ; tзаявления ; tрегистрации ; tпотери ; tфакт ), (3.2)
где Ддивиден – дивидендный доход;
ЧП -чистая прибыль корпорации;
Кдв – коэффициент дивидендных выплат;
tзаявления - дата заявления о выплате;
tрегистрации - дата регистрации владельца ценных бумаг;
tпотери - дата потери права на дивиденд;
tфакт - фактическая дата выплаты.
Данная формула представляет больше теоретическую модель формирования дивидендного дохода и сложна в использовании в практических расчетах, поэтому при дальнейших исследованиях в виде дивидендного дохода будет выступать сумма дивидендных выплат на долю акций, принадлежащую собственнику.
Другим слагаемым в формуле расчета абсолютного дохода собственника (см. формулу 3.1) является доход от прироста курсовой стоимости акций.
В целом, если сумма дивидендов является текущей экономической эффективностью, то прирост курсовой стоимости акций представляет собой перспективную экономическую эффективность. То есть он является условным, т.к. фактически фиксируется лишь при продаже пакета акций, принадлежащего собственнику корпорации. Как правило, продажа пакета акций сопровождается некоторыми финансовыми потерями, что приводит к снижению фактического прироста по сравнению с расчетным. Это снижение происходит за счет:
· наличия комиссионных выплат с суммы сделки по продаже пакета акций;
· воздействия закона спроса и предложения, что приводит к снижению цены акций при увеличении предложения;
· налоговых выплат, т.к. при фиксировании дохода от прироста курсовой стоимости наступает момент налогообложения.
Поэтому, по нашему мнению, целесообразно при расчете экономической эффективности производить поправку на ликвидность Rликв принадлежащего собственникам пакета акций корпорации. Следовательно, формула 3.1. примет следующий вид:
Дабс =Q1 + Rликв * (P1 -P0 ) (3.3)
Полученный абсолютный показатель доходности исключает возможность сравнения доходов собственников, обладающих различными пакетами акций. Для этих целей целесообразно полученную сумму отнести к покупной стоимости акций корпорации.
Дотн = Q1 / P0 + Rликв *( P1 -P0 )/ P0 (3.4)
Полученная формула позволяет сравнивать доходы собственников различных корпораций и, следовательно, оценить степень эффективности корпоративного управления. Однако, по нашему мнению, данный расчет не позволяет проводить сравнение корпораций различных отраслей и действующих в различных экономических условиях (данные различия обычно заключается в степени экономического риска, нормы прибыльности и т.п.). Поэтому целесообразно проводить корректировку расчета (3.4) на среднюю норму дивидендной и курсовой доходности по отрасли. Следовательно, формула для расчета показателя защиты интересов собственников в получении доходов корпорации примет следующий вид:
+ (-)Кдох = Q1 / P0 - Дд.ср + Rликв *( P1 -P0 )/ P0 - Дк.ср , (3.5.)
где Кдох – показатель защиты интересов собственников в получении доходов;
Дд.ср – средний процент дивидендных выплат по отраслям экономики;
Дк.ср – средний доход от прироста курсовой стоимости акций корпорации по отраслям экономики.
Помимо этого, существует различная заинтересованность собственников в получении дохода либо в виде дивидендов, либо в виде прироста курсовой стоимости. Как было отмечено, различие в предпочтениях возникает ввиду разницы ставок налога, разницы момента налогообложения (доход от прироста курсовой разницы фиксируется в момент продажи) и склонности собственника либо к потреблению, либо к накоплению. Таким образом, чтобы учесть данные предпочтения, необходимо взвесить доходы в виде дивидендов (а1 ) и в виде прироста курсовой стоимости акций b1 .
+ (-)Кдох = а1 *Q1 / P0 - Дд.ср + b1 . * Rликв *(P1 -P0 ) / P0 – Дк.ср , (3.6)
Так как
а1
+ b1
= 1,
b1 = 1 - а1
Следовательно,
Кдох = а1 *Q1 / P0 - Дд.ср + (1-a1 ).* Rликв *(P1 -P0 ) / P0 – Дк.ср . (3.7)
Или в общем виде:
Кдох = +(-) К1 +(-)К2, (3.8)
где К1 - показатель эффективности защиты интересов собственников в текущих доходах.
К2 - показатель эффективности защиты интересов собственников в перспективных доходах.
Данная формула позволяет, по нашему мнению, всесторонне и достаточно полно оценивать эффективность корпоративного управления с точки зрения защиты экономических интересов собственников.
Однако, в настоящее время, когда против предприятия возбуждено дело о банкротстве оценка вышеприведенных показателей невозможна, поскольку отсутствуют как величина дивидендных выплат, так и рыночная стоимость акций.
Кроме того, как было показано на рисунке 3.1., помимо интересов в получение доходов, важной составляющей интересов собственников при участии в корпорации являются интересы в установлении экономического контроля. Данные интересы собственников представляют собой стремление к контролю над активами корпорации, финансовыми потоками и менеджментом корпорации. Контроль над активами корпорации заключается в возможности продавать, передавать в аренду, представлять в залог, накладывать ограничения на движение активов и осуществлять другие действия с активами корпорации. Контроль финансовых потоков включает определение финансовой политики, получение оперативной информации о движении финансовых средств и др. Контроль над менеджментом интересен собственникам в большей мере с точки зрения получения возможности назначения высшего управленческого звена корпорации. Таким образом, можно сделать вывод, что интересы собственников в контроле над корпорацией являются неотъемлемой частью экономических интересов. Так, контроль над менеджментом и финансовыми потоками позволяет собственнику выбирать партнеров корпорации, определять ценовую политику и таким образом управлять доходами корпорации в соответствии со своими целями. Контроль активов корпорации позволяет получать дополнительный доход собственнику от продажи, передачи в аренду и других операций с данными активами. И, наоборот, при отсутствии прав контроля происходит эксплуатация доли данного собственника собственником, обладающим достаточным контролем.
Оценить степень защиты интересов собственников в экономическом контроле мы считаем возможным с двух позиций. Во –первых, с точки зрения распределения полномочий контроля над корпорацией между собственниками корпорации и другими участниками корпоративных отношений. Во-вторых, с точки зрения распределения прав контроля внутри круга собственников данной корпорации.
Так как сторонами корпоративных отношений помимо собственников является целый круг других участников, то это приводит к возникновению ситуации, когда права прочих участников по некоторым вопросам могут доминировать в ущерб интересам собственников. Соблюдение интересов тех или иных участников корпоративных отношений, мы считаем, возможно проследить в зависимости от их участия в формировании источников финансирования корпорации. Так, наличие значительной доли банковских кредитов в балансе корпорации может накладывать ограничение на некоторые действия в интересах собственников, например, продажу активов. Таким образом, объем контроля, находящийся в руках собственников пропорционален доле акционерного капитала в источниках финансирования корпорации.
К3 = СК/Б, (3.9)
где К3 – показатель эффективности защиты интересов собственников по сравнению с другими участниками корпоративных отношений;
СК – сумма собственного капитала корпорации;
Б – валюта баланса.
Учитывая вышесказанное, в дипломной работе предлагается реализовать следующую систему финансово-экономических показателей деятельности предприятия:
1 группа. Традиционные показатели анализа финансово-экономической деятельности предприятия включающие: затраты на 1 грн. товарной продукции; рентабельность продаж; рентабельность активов и собственного капитала, производительность труда, фондоотдача, материалоотдача, коэффициент автономии, ликвидности, величину собственных оборотных средств, длительность финансового цикла и пр.
2 группа. Факторы модифицированной модели Дюпона: коэффициент оборачиваемости текущих активов, доля текущих обязательств в капитале предприятия, коэффициент капитализации.
3 группа. Показатели образующие модель Альтмана: оборотный капитал/сумма активов; нераспределенная прибыль/сумма активов; операционная прибыль/сумма активов; рыночная стоимость акций/задолженность; выручка/сумма активов.
Кроме того, реализация системы мониторинга финансово-экономических показателей деятельности предприятия требует установления целевых стратегических нормативов (стандартов) по ключевым показателям.
Учитывая результаты проведенного исследования, к ключевым показателям финансово-экономической деятельности предприятия можно отнести:
1) финансовый результат деятельности предприятия;
2) рентабельность реализации;
3) коэффициент автономии;
4) коэффициент текущей ликвидности;
5) доля текущих обязательств в капитале предприятия;
6) материалоемкость;
7) доля материальных затрат в себестоимости продукции;
8) уровень затрат на 1 грн. товарной продукции;
Стандарты финансово-экономический деятельности предприятия приведены в табл. 3.1.
Таблица 3.1.
Система стандартов деятельности предприятия
| Наименование показателя |
Стандарт |
| финансовый результат деятельности предприятия |
>0 |
| рентабельность реализации |
>0 |
| коэффициент автономии |
≥ 0,5 |
| коэффициент текущей ликвидности |
≥ 1 |
| доля текущих обязательств в капитале предприятия |
не более доли текущих активов в суммарных активах предприятия |
| материалоемкость |
<0,8 |
| доля материальных затрат в себестоимости продукции |
уменьшение в динамике |
| уровень затрат на 1 грн. товарной продукции |
<1 уменьшение в динамике |
Предложенная система показателей и стандартов деятельности предприятия должна корректироваться при изменении стратегических целей, с учетом опытных данных эксплуатации данной системы.
3.2 Рекомендации по организации бюджетирования на ЗАО «Северодонецкое объединение Азот»
Также, в дипломной работе, на основе выявленных недостатков управления эффективностью деятельности предприятия, за счет неадекватного управления ресурсами и источниками их финансирования, приводящих к снижению результативности деятельности, предлагается:
1. Внедрить систему бюджетирования, которая обеспечит процесс управления прибылью необходимой информацией.
2. Привести в соответствие объемы товароматериальных запасов в соответствие с объемами производства и реализации продукции.
3. Оптимизировать остатки денежных средств на счетах предприятия.
1. Оптимизировать процесс финансирования финансово-эксплуатационных потребностей предприятия.
Внедрение данных мероприятий позволит повысить эффективность управления прибыль предприятия посредством решения задачи минимизации издержек и, соответственно максимизации прибыли, за счет оптимизации имущественных пропорций.
Финансовая структура предприятия будет представлять собой перечень объектов бюджетирования, которые, в зависимости от степени ответственности и полномочий, будут делегироваться структурным подразделениям и их менеджерам. Они будут подразделяться на:
•центры финансовой ответственности (ЦФО) — несут ответственность за все расходы и финансовые результаты (доходы, прибыли и убытки);
•центры финансового учета (ЦФУ) — несут ответственность за отдельные финансовые показатели (например, отдел сбыта — за доход);
•места возникновения затрат (МВЗ) — несут ответственность за регулируемые расходы, экономию которых руководство подразделения может обеспечить самостоятельно (например, бухгалтерия).
Для ЦФО будут составляться операционные, вспомогательные и основные бюджеты; для ЦФУ — операционные, вспомогательные и отчет о прибылях и убытках (бюджет доходов и расходов — БДиР); для МВЗ — отдельные операционные бюджеты. Такой подход дисциплинирует руководителей среднего звена
После того как набор объектов бюджетирования будет определён, необходимо определить прочие организационные параметры бюджетного процесса. Для этой цели необходимо разработать специальную нормативную базу — бюджетный регламент. По сути, это набор инструкций, отражающих финансовую структуру предприятия, распределение прав, обязанностей и ответственности исполнителей. Именно жесткая регламентация отличает бюджетирование от "обычного" финансового планирования. В бюджетном регламенте будет определяться шаг бюджетирования, т.е. периодичность разработки бюджетов. Традиционно год разбивается на 12 месяцев, и составляются все бюджетные таблицы для каждого месяца в отдельности. Кроме того, могут быть использованы "скользящие" бюджеты, например, если по итогам прошедшего месяца происходит "сдвиг" планового горизонта на один месяц.
Формирование бюджетов будет начинаться с первичной заявки руководителей ЦФО на бюджетное финансирование. Поданные заявки должны будут обобщаться в планово-экономическом отделе, на их основании будут рассчитываться прогнозные финансовые результаты, которые затем поступят на утверждение председателю правления ЗАО. Основным документом бюджетирования является финансовый план работы предприятия, который до 30-го числа предыдущего месяца должен быть доведён до руководителей ЦФО.
Для обеспечения нормального выполнения необходимых процедур, должен разрабатываться график документооборота. В нем должен быть четко описан порядок информационного обмена между подразделениями, в процессе которого будут создаваться различные бюджеты.
Для контроля за исполнением бюджетного регламента необходимо создание специального бюджетного комитета, который возглавит директор по экономике и финансам. Комитет будет представлять собой постоянно действующую группу менеджеров (руководителей структурных подразделений компании), которые будут осуществлять тестирование бюджетов на реалистичность, заниматься разрешением финансовых конфликтов между отделами и при необходимости инициировать корректировку бюджета.
Ежедневный контроль исполнения бюджетов необходимо проводить по данным финансовой службы. Посредством этого будут оперативно доведены сведения до руководителя предприятия о фактическом финансовом состоянии на текущую дату.
Для обеспечения согласования деятельности всех подразделений предлагается выделение в бюджетах всех видов вырабатываемой и реализуемой продукции ЗАО «Северодонецкое объединение Азот».
При составлении бюджетов следует также применять документы, по форме и структуре приближённые к документам финансовой отчётности, что позволит значительно облегчить составление бюджетов и упростить сравнение плановых и фактических данных.
3.3 Составление финансового плана предприятия
В дипломной работе разработана система бюджетов по одиннадцати основным продуктам предприятия, для которых ниже даётся прогноз объёмов их реализации в планируемом периоде.
· Аммиак жидкий – планируемый объём реализации составит 277 тыс. т из них на экспорт 249 тыс.т. Ожидается снижение объёмов продаж в третьем квартале.
· Карбамид – планируется реализовать 298 тыс. тонн в год. Спрос на карбамид не стабилен.
· Аммиачная селитра – планируемый объём реализации составит около 374 тыс. тонн ожидается сезонное увеличение спроса в период посевной компании. На экспорт планируется отгрузить около 187 тыс. тонн амселитры при стабилизации мировых цен.
· Формалин – планируемый объём реализации 40 тыс. тонн в год из них для экспорта около 2 тыс. тонн. Ожидается, что спрос на формалин будет устойчивым и постоянным. Это обусловлено стабильной работой деревообрабатывающей промышленности Украины. Также ожидается сезонный всплеск спроса в III квартале планируемого года в период переработки сахарной свеклы.
· Смола КФ-МТ-15 – ожидаемый объём реализации 28 тыс. тонн, весь объём планируется реализовать на территории Украины. Ожидаемый спрос превышает объём производства смолы КФ-МТ-15 на ЗАО "Северодонецкое объединение Азот", однако увеличение объёмов производства смолы КФ-МТ-15 не планируется, что связано с недостаточным количеством производимого формалина необходимого для производства смолы, производство которого в свою очередь ограничено производственными мощностями метанола.
· Дисперсия ПВА – планируется реализовать в планируемом году около 7 тыс. тонн из них на экспорт 4000 тонн. Прогнозируемый спрос стабилен с постоянным увеличением доли экспорта в Российскую Федерацию к концу года.
· Калиевая селитра – планируемый объём реализации 2 тыс. тонн в год,
· Натриевая селитра – планируемый объём реализации до 4000 тонн в год. Спрос на калиевую селитру не стабилен и подвержен сезонным колебаниям, что планируется компенсировать реализацией натриевой селитры. Ожидается, что спрос на натриевую селитру будет устойчивым. Реализация калиевой и натриевой селитры будет происходить в основном на территории Украины.
· Соли углеаммонийные технические – планируемый объём реализации до 5 тыс. тонн в год, из них для экспорта до 2000 тонн.
· Метанол – планируется реализовать до 96 тыс. тонн.
· Уксусная кислота – объём реализации по плану – 91 тыс. тонн.
Кроме вышеперечисленных продуктов также в плановом году планируется реализовать ацетилена на 930 тыс. грн., кислорода на 460 тыс. грн., азота жидкого на 43 тыс. грн., углекислоты на 800 тыс. грн., кирпича на 860 тыс. грн.
Ожидаемая реализация товаров народного потребления в планируемом периоде составит около 6 млн. гривен.
Бюджет реализации продукции в помесячной разбивке будет включать в себя две части, так как предприятие планирует реализовывать продукцию не только на внутренний рынок, но и на внешний. Первая часть будет отражать реализацию продукции на внутренний рынок, а вторая – на экспорт (приложение Б и В). При этом отдельно должны быть использованы цены реализации на внутренний рынок и цены, предназначенные для реализации на экспорт. Цены взяты согласно прайс-листам за 2004 год. Эти данные в дальнейшем будут учтены при определении суммы налогового обязательства, возникающего при реализации продукции.
На основании бюджета продаж рассчитываются ожидаемые поступления денежных средств от реализации продукции (приложение Г). Предполагается, что из остатка дебиторской задолженности на конец отчетного года (92,6 млн. грн.) ожидается к получению 27,8 млн. грн. в январе и 16,7 млн. грн. в феврале. На основании опыта, имеющегося на предприятии, в планируемом периоде предусмотрено, что 50% продаж будут оплачиваться в том же месяце, 30% и 18% продаж оплачиваются в последующих месяцах соответственно, оставшиеся 2% представляют безнадёжные к взысканию долги.
Планируемые расходы, связанные со сбытом продукции объединения находят своё отражение в приложении Д. Учитывается, что к затратам не текущего периода относятся расходы, оплаченные ранее или предстоящие к оплате в будущих периодах.
Исходя из запланированных объёмов продаж, составляется бюджет производства (приложение Е). Для соответствия требованиям установленных нормативов запас готовой продукции на конец периода принят равным 7% от продаж следующего месяца. Соответственно запас готовой продукции на начало периода равен конечному запасу предыдущего периода.
Исходя из количества тонн продукции, подлежащих изготовлению определяются прямые затраты на материалы (приложение Ж) и прямые затраты на оплату труда (приложение З). Данные прямых материалов, прямого труда на единицу продукции взяты из калькуляции себестоимости продукции, с учётом ожидаемой инфляции (1,5% в квартал).
В бюджете прямых затрат на материалы, при определении суммы затрат на закупку материалов, учитывается имеющийся запас материалов на начало периода и необходимый на конец периода. Для соответствия нормативам, рассчитанным на предприятии, предполагается, что запас материалов на конец периода составит 17% от потребности в материалах на следующий месяц.
На основании выше полученных данных и аналогично проведенному расчёту ожидаемых денежных средств от реализации продукции составляется график оплаты за приобретённые материалы (приложение И) и график погашения задолженности по заработной плате (приложение К).
Суммы остатка кредиторской задолженности за материалы, по оплате труда на конец периода взяты из баланса предприятия на конец отчетного периода.
Планируется погашение 34,5 млн. грн. (из 166,7 тыс. грн.) кредиторской задолженности за материалы в январе планируемого года. Исходя из установившихся правил на предприятии, предполагается, что 30% приобретённых материалов будет оплачено в том же месяце, а остальные 70% в последующем. Погашение задолженности по заработной плате осуществляется в полном объёме, но на месяц позже. При этом задолженность на конец периода исчисляется как сумма задолженности на начало периода и начислений, произведённых в данном периоде.
Бюджет общепроизводственных накладных расходов представлен в приложении Л. Он отражает все затраты основных производств и цехов предприятия.
Планируемые административные затраты включают в себя управленческий бюджет и бюджет общехозяйственных затрат (приложение М и приложение Н). Планирование бюджета административных и коммерческих расходов выполнено исходя из фактических данных этих видов расходов за отчетный год и с учётом планируемых изменений в прогнозируемом периоде. Заполнению прогнозного отчёта о прибылях и убытках (приложение О) предшествует расчёт себестоимости реализованной продукции. Формирование финансовых результатов предприятия на плановый период приведено в табл. 3.1.
Таблица 3.1.
Формирование финансовых результатов деятельности предприятия
| Отчетный год |
Планируемый год |
I квартал |
II квартал |
III квартал |
IV квартал |
|
| Доход (выручка) от реализации продукции |
589596 |
1012373 |
257831 |
235327 |
238090 |
281125 |
| НДС |
54489 |
65149 |
17386 |
15259 |
15878 |
16626 |
| Прочие отчисления из дохода |
1 |
|||||
| Чистый доход от реализации продукции |
535106 |
947224 |
240445 |
220068 |
222212 |
264500 |
| Себестоимость реализованной продукции |
390253 |
790162 |
217874 |
195367 |
182751 |
194170 |
| ВАЛОВАЯ ПРИБЫЛЬ |
144853 |
157063 |
22571 |
24701 |
39461 |
70330 |
| Прочие операционные доходы |
62705 |
64000 |
16500 |
15500 |
15500 |
16500 |
| Административные расходы |
30138 |
31168 |
7867 |
7717 |
7717 |
7867 |
| Расходы на сбыт |
23735 |
14100 |
3650 |
3400 |
3400 |
3650 |
| Прочие операционные расходы |
82952 |
85000 |
23000 |
19000 |
21000 |
22000 |
| Финансовые результаты от операционной деятельности: |
70733 |
39136 |
12605 |
10927 |
9401 |
6199 |
| Прочие финансовые доходы |
924 |
3100 |
800 |
750 |
750 |
800 |
| Прочие доходы |
3465 |
2300 |
600 |
550 |
550 |
600 |
| Финансовые расходы |
1820 |
1500 |
380 |
370 |
370 |
380 |
| Прочие расходы |
4341 |
1700 |
430 |
420 |
420 |
430 |
| Финансовые результаты от обычной деятельности до налогообложения |
68961 |
41336 |
13195 |
11437 |
9911 |
6789 |
| Налог на прибыль от обычной деятельности |
34997 |
12401 |
6597,5 |
5718,5 |
4955,5 |
3394,5 |
| Чистая прибыль |
33964 |
28935 |
6597,5 |
5718,5 |
4955,5 |
3394,5 |
| II. ЭЛЕМЕНТЫ ОПЕРАЦІИОННЫХ ЗАТРАТ |
||||||
| Материальные расходы |
372000 |
455820 |
122351 |
109578 |
107277 |
116312 |
| Расходы на оплату труда |
68379 |
53803 |
17094 |
17095 |
17095 |
17095 |
| Отчисления на социальные мероприятия |
26346 |
20638 |
6586 |
6587 |
6587 |
6586 |
| Амортизация |
27770 |
32166 |
7342 |
7013 |
6771 |
6644 |
| Прочие операционные расходы |
25200 |
28041 |
6400 |
6250 |
6250 |
6300 |
| Итого |
519695 |
590468 |
136422 |
129945 |
123703 |
129625 |
Ухудшение показателя прибыльности объясняется тем, что для расчёта себестоимости продукции были приняты данные отчетного года с учётом ожидаемого уровня инфляции в прогнозируемом периоде, а объёмы производства продукции – с учётом роста объёмов производства в связи с планируемым повышением спроса на продукцию и с учётом цен, сложившихся на конец отчетного года. Наблюдается снижение рентабельности производства из-за высокого уровня себестоимости продукции.
Данные поступлений денежных средств от основной деятельности, т.е. от реализации продукции (товаров, работ, услуг) и все ожидаемые выплаты за прямой труд и материалы, общепроизводственные, коммерческие и управленческие расходы сводятся в прогноз отчёта о движении денежных средств по основной деятельности (приложение П). В итоге рассчитывается сальдо денежных средств.
Анализируя полученные данные можно сказать, что в течение прогнозируемого периода предприятие не будет испытывать дефицит в денежных средствах, и ему не нужно будет искать дополнительные источники финансирования (например, краткосрочные кредиты банка). В связи с тем, что в летний период прогнозируется снижение объёмов реализации продукции, то и величина остатка денежных средств так же снизится, но это не принесёт особых трудностей предприятию.
Необходимо отметить, что на протяжении всего прогнозируемого периода значение НДС будет отрицательным. Это связано с тем, что сумма налогового обязательства, возникающего при реализации продукции, будет меньше суммы налогового кредита, возникающего при закупке материалов, так как на протяжении прогнозируемого периода предприятие собирается реализовать большие объёмы продукции на экспорт (при экспорте продукции ставка НДС равна нулю).
3.4 Обоснование рекомендаций направленных на максимизацию прибыли предприятия
Разработанный финансовый план предприятия позволяет сделать вывод о том, что:
1) предприятие не будет испытывать дефицит в денежных средствах, поскольку остаток денежных средств предприятия в течение планового периода не снижается ниже отметки в 17431,65 тыс.грн.
Соответственно предприятие получит возможность погасить часть краткосрочных кредитов банка для минимизации финансовых расходов на оплату процентов и, соответственно, повышение прибыли.
С целью расчета суммы денежных средств, которые могут быть направлены на погашение краткосрочных кредитов банка определим минимальный и максимальный остаток денежных средств на счету предприятия, необходимый для нормального обеспечения операционной деятельности предприятия с использованием модели Миллера-Ора [14, с. 259]. Согласно данной модели остатки денежных активов на предстоящий период определяются в следующих размерах:
а) минимальный остаток денежных активов принимается в размере половины их резерва в отчетном периоде (при условии их неотрицательного значения);
б) оптимальный остаток денежных активов (ДАопт ) рассчитывается по формуле:
,
где Отда – сумма максимального отклонения денежных активов от среднего;
Рк – средняя сумма расходов по обслуживанию одной операции с краткосрочными финансовыми вложениями;
СПкфв – ставка процента по краткосрочным финансовым вложениям в рассматриваемом периоде.
в) максимальный остаток денежных активов принимается в трехкратном размере от оптимального.
Соответственно оптимальный остаток денежных активов в планируемом периоде составит:
Средний остаток денежной наличности – 27635,17 тыс.грн.
Минимальный остаток денежных средств согласно финансовому плану (июль месяц) 17431,65 тыс.грн. Соответственно Отда=27635,17-17431,65=
= 10203,52 тыс.грн. Остаток денежных средств на конец периода не рассматривается поскольку он необходим для погашения налоговых задолженностей, расчетов с участниками и т.д.
Средняя сумма расходов по обслуживанию одной операции с краткосрочными финансовыми вложениями принимается на уровне затрат на открытие счет банком (80 грн.) Ставка процента по краткосрочным финансовым вложениям в рассматриваемом периоде принимается на уровне минимальной процентной ставки по депозитам до востребования - 5% годовых. Соответственно оптимальный остаток денежных активов, по модели Миллера-Ора, принимается на уровне:
тыс. грн.
Соответственно, максимальный остаток денежных активов на счетах предприятия, достаточный для обеспечения нормальной операционной деятельности предприятия, не должен превышать (4999,12*3) 14997,37 тыс.грн.
Поскольку средний остаток денежных активов предприятия в плановом периоде превышает максимальный остаток на (27635,17-14997,37) существует возможность высвобождения в плановом периоде в среднем до 12637,8 тыс.грн денежных средств с направлением их на возврат краткосрочного кредита банка, или инвестирования их в техническое перевооружение предприятия.
Используя же пессимистический подход, т.е. принимая в расчет не средний остаток денежных средств, а их минимальный остаток размер высвобождения денежных активов в плановом периоде составит (17431,65-14997,37) 2434,28 тыс.грн.
В случае направления данных денежных средств на погашение краткосрочных кредитов банка предприятие сможет снизить свои финансовые расходы на уплату процентов по кредитам в сумме (2434,28*10,28%) 250,24 тыс.грн. Где 10,28% - это средняя расчетная ставка процента по кредитам в отчетном периоде.
2) жесткий контроль за выполнением основных бюджетных пропорций и затрат со стороны бюджетного комитеты и ЦФО позволит снизить уровень запасов предприятия.
Согласно финансового плана (приложение Ж) уровень запасов достаточный для обеспечения нормальной операционной деятельности на начало планового периода составляет 6997,15 тыс.грн. на конец периода 6591,04 тыс.грн. Желаемый уровень запасов готовой продукции, согласно финансового плана составляет 4463,43 тыс.грн. на конец планового периода (приложение Е).
Принимая на уровне отчетного периода объем незавершенного производства и товарные запасы на складах предприятия снижение общего уровня запасов может составить (39897,58-132572) 92674,42 тыс.грн. Учитывая постепенное снижение сверхнормативных запасов предприятия планируется сокращение их уровня в плановом периоде на 27 млн. грн. т.е на 30% от возможного уровня. Снижение уровня запасов позволит высвободить предприятию дополнительно свыше 27 млн. грн. денежных средств. С учетом средней рентабельности активов предприятия в отчетном периоде снижение альтернативных затрат составит (27*3,83%) 1034,1 тыс.грн.
Использование же данных высвобожденных денежных средств позволит полностью погасить задолженность по краткосрочным кредитам банков.
Таким образом, совокупный эффект, от рекомендованных инструментов управления прибылью предприятия, направленных на ее максимизацию, позволит полностью погасить задолженность по краткосрочным кредитам банков и увеличить прибыль (за счет сокращения финансовых расходов на оплату процентов) на (17555,0*10,28%) 1804,654 тыс.грн. Вложение же высвобожденных средств в программы технического перевооружения предприятия позволит получить дополнительно ((27+2,4)*5,58%) 1,64 млн. грн. прибыли. Где 5,58% - это рентабельность использования собственного капитала предприятия в отчетном периоде.
В целом жесткое планирование финансовых результатов деятельности предприятия, с контролем выполнения данных планов, позволит предприятию отслеживать факторы оказывающие существенное влияние на прибыль предприятия и разрабатывать систему превентивных мероприятий направленных на реализацию резервов с целью ее максимизации. Высвобожденные денежные средства позволят снизить затраты предприятия, в финансовой сфере и могут быть инвестированы в техническое перевооружение предприятия с целью обеспечения его конкурентоспособности и дальнейшего увеличения прибыли.
Заключение
Проведеный анализ технико-экономических показателей показал некоторое ухудшение результатов хозяйственной деятельности ЗАО "Северодонецкое объединение Азот", которое произошло преимущественно за счет роста себестоимости товарной продукции в связи с ростом цен на энергоносители. Такой отрицательный сдвиг отразится и на финансовом состоянии предприятия. Финансовая политика предприятия направлена на решение кратковременных задач, с возможным отрицательным эффектом в будущем. Во многом это обусловливается некачественным финансовым планированием. Поэтому перед предприятием остро стоит проблема обеспечения обоснованности и согласованности решений, связанных с управлением финансовыми ресурсами.
Во многом, выявленные проблемы связаны с недостаточным качеством управления эффективностью деятельности предприятия и, в первую очередь, с некачественным финансовым планированием. Поэтому перед предприятием остро стоит проблема обеспечения обоснованности и согласованности решений, связанных с управлением эффективностью деятельности и финансовыми ресурсами.
В дипломной работе для повышения эффективности деятельности предприятия и качества управления экономической эффективностью предложено: внедрить в практику управления компанией системный методологический подход оценки экономической эффективности корпоративного управления на основе критерия защиты интересов собственников; построить систему мониторинга проблемных показателей с установлением критических значений.
Также в дипломной работе, на основе выявленных недостатков управления эффективностью деятельности предприятия, за счет неадекватного управления ресурсами предприятия и источниками их финансирования, приводящих к снижению результативности деятельности, предложено:
1. Внедрить систему бюджетирования, которая обеспечит процесс управления прибылью необходимой информацией.
2. Привести в соответствие объемы товароматериальных запасов в соответствие с объемами производства и реализации продукции.
3. Оптимизировать остатки денежных средств на счетах предприятия.
4. Оптимизировать процесс финансирования финансово-эксплуатационных потребностей предприятия.
Внедрение данных мероприятий позволит повысить эффективность управления прибыль предприятия посредством решения задачи минимизации издержек и, соответственно максимизации прибыли, за счет оптимизации имущественных пропорций. Данные задачи могут быть выполнены только в условиях жесткого контроля фактических результатов операций в рамках финансового плана. Таким образом, основной предпосылкой повышения эффективности системы управления прибылью предприятия является постановка на предприятии финансового планирования, для обеспечения процесса принятия управленческих решений информацией.
Разработанный финансовый план предприятия позволяет сделать вывод о том, что:
1) предприятие не будет испытывать дефицит в денежных средствах, поскольку остаток денежных средств предприятия в течение планового периода не снижается ниже отметки в 17431,65 тыс.грн.
2) жесткий контроль за выполнением основных бюджетных пропорций и затрат со стороны бюджетного комитеты и ЦФО позволит снизить уровень запасов предприятия.
Решение поставленных задач в плане максимизации прибыли предприятия позволит получить совокупный эффект, от рекомендованных инструментов управления прибылью предприятия, достаточный для полного погашения задолженности по краткосрочным кредитам банков и увеличить прибыль (за счет сокращения финансовых расходов на оплату процентов) на 1804,654 тыс.грн. Вложение же высвобожденных средств в программы технического перевооружения предприятия позволит получить дополнительно 1,64 млн. грн. прибыли.
В целом жесткое планирование финансовых результатов деятельности предприятия, с контролем выполнения данных планов, позволит предприятию отслеживать факторы оказывающие существенное влияние на прибыль предприятия и разрабатывать систему превентивных мероприятий направленных на реализацию резервов с целью ее максимизации. Высвобожденные денежные средства позволят снизить затраты предприятия, в финансовой сфере и могут быть инвестированы в техническое перевооружение предприятия с целью обеспечения его конкурентоспособности и дальнейшего увеличения прибыли.
СПИСОК ИСПОЛЬЗОВАННОЙ ЛИТЕРАТРЫ
1. Господарчій кодекс України.
2. Закон України "Про оподаткування прибутку підприємств" від 28 грудня 1997 р. // Урядовий кур'ер. — 1997. — 6 червня.
3. Національні положення (стандарти) бухгалтерського обліку.
4. Ансофф И. Новая корпоративная стратегия - Санкт-Петербург: «Питер», 1999. - 414 с.
5. Баканов Н.И., Шеремет А.Д. Теория анализа хозяйственной деятельности. - М.: Финансы и статистика, 1997.
6. Бандурин А.В. Деятельность корпораций – Москва, Буквица, 1999. - 600 с.
7. Великанов К.М., Власов В.Ф., Карандашова К.С. Экономика и организация производства в дипломных проектах: Учеб. пособие для вузов. — Изд. 3-е доп. и перераб. — Л.: Машиностроение, 1997.— 208 с.
8. Валитов Ш.М. Холдинг: Особенности организации и механизм функционирования – Казань, КФЭИ, 1996. - 112 с.
9. Ван Хорн Дж. К. Основы управления финансами / Пер. с англ. М.: Финансы и статистика, 1996.
10. Горфинкель В.Я. и др. Экономика предприятия: Учебник для вузов. — М.: ЮНИТИ, 2000. — 742 с.
11. Ефимова О.В. Финансовый анализ. - Москва: Бухгалтерский учет,1999. – 352 с.
12. Круглов М.И. Стратегическое управление компанией - Москва, Русская делова литература, 1998. - 768 с.
13. Лукасевич И.Я. Анализ финансовых операций. М: Финансы и статистика. 1998.
14. Покропивний С.Ф. Економіка підприємства: Підручник. — К.: КНЕУ, 2000. — 528 с.
15. Примак Т.О. Економіка підприємства: Навчальний посібник. — Е.: Вікар, 2001. — 178 с.
16. Рудык Н.Б., Семенкова Е.В. Рынок корпоративного контроля: слияния, жесткие поглощения и выкупы долговым финансированием. - М.: «Финансы и статистика», 2000. - 456 с.
17. Семь нот менеджмента А.Бочкарев, и др. – Москва, ЗАО «Журнал Эксперт», 1998 год-424 с..
18. Экономика предприятия: Учебник / Под ред. О.И. Волкова. — М.: Инфра — М, 1997.— 416 с.
19. Экономика предприятия: Учебник / Под общей редакцией проф., д.э.н. А. И. Руденко. — Минск, 1995.
20. Экономика и статистика фирмы: Учебник/ Под ред. Ильенковой С.Д. - М.: Финансы и статистика, 1996.
21. Багов В.П. «Методика оценки эффективности стратегии корпоративной системы по обобщенным характеристикам»/ Финансы 2000, №11, стр.59-61.
Приложение А

Приложение Б
Бюджет продаж на внутреннем рынке
| Наименование |
Январь |
Февраль |
Март |
Апрель |
Май |
Июнь |
Июль |
Август |
Сентябрь |
Октябрь |
Ноябрь |
Декабрь |
Всего за год |
| 1 |
2 |
3 |
4 |
5 |
6 |
7 |
8 |
9 |
10 |
11 |
12 |
13 |
14 |
| Запланированные объёмы продаж на внутренний рынок, (тонн) |
|||||||||||||
| Аммиак |
2460,84 |
2460,84 |
2460,84 |
2494,83 |
2494,83 |
2494,83 |
1791,42 |
1791,42 |
1791,42 |
2484,52 |
2484,52 |
2484,52 |
27694,80 |
| Амселитра |
19669,25 |
19669,25 |
19669,25 |
16811,32 |
16811,32 |
16811,32 |
11095,47 |
11095,47 |
11095,47 |
14793,96 |
14793,96 |
14793,96 |
187109,99 |
| Дисперсия ПВА |
295,11 |
295,11 |
295,11 |
309,69 |
309,69 |
309,69 |
309,69 |
309,69 |
309,69 |
309,69 |
309,69 |
309,69 |
3672,53 |
| Карбамид |
5194,90 |
5194,90 |
5194,90 |
4471,26 |
4471,26 |
4471,26 |
4824,26 |
4824,26 |
4824,26 |
5347,86 |
5347,86 |
5347,86 |
59514,85 |
| Метанол |
8316,19 |
8316,19 |
8316,19 |
6194,36 |
6194,36 |
6194,36 |
8555,75 |
8555,75 |
8555,75 |
9069,10 |
9069,10 |
9069,10 |
96406,20 |
| Селитра калиевая |
74,68 |
74,68 |
74,68 |
158,15 |
158,15 |
158,15 |
158,15 |
158,15 |
158,15 |
158,15 |
158,15 |
158,15 |
1647,39 |
| Селитра натриевая |
601,17 |
601,17 |
601,17 |
288,58 |
288,58 |
288,58 |
288,56 |
288,56 |
288,56 |
288,56 |
288,56 |
288,56 |
4400,61 |
| Смола КФМТ-15 |
2758,67 |
2758,67 |
2758,67 |
2206,94 |
2206,94 |
2206,94 |
2206,94 |
2206,94 |
2206,94 |
2082,35 |
2082,35 |
2082,35 |
27764,70 |
| Соли углеаммония |
293,16 |
293,16 |
293,16 |
263,63 |
263,63 |
263,63 |
263,63 |
263,63 |
263,63 |
263,63 |
263,63 |
263,63 |
3252,13 |
| Уксусная кислота |
1941,06 |
1941,06 |
1941,06 |
1568,26 |
1568,26 |
1568,26 |
2168,45 |
2168,45 |
2168,45 |
1317,15 |
1317,15 |
1317,15 |
20984,76 |
| Формалин |
3320,55 |
3320,55 |
3320,55 |
2814,73 |
2814,73 |
2814,73 |
3723,16 |
3723,16 |
3723,16 |
2852,63 |
2852,63 |
2852,63 |
38133,22 |
| Средняя цена за единицу реализованной продукции, (грн./тонну) |
|||||||||||||
| Аммиак |
740,00 |
740,00 |
749,07 |
749,07 |
764,05 |
779,33 |
794,92 |
786,00 |
786,00 |
786,00 |
786,00 |
786,00 |
770,54 |
| Амселитра |
466,00 |
466,00 |
474,02 |
483,50 |
493,17 |
503,03 |
513,09 |
423,60 |
490,00 |
542,40 |
542,00 |
542,40 |
494,93 |
| Дисперсия ПВА |
3 799,60 |
3 799,60 |
3 901,08 |
3 979,10 |
4 058,68 |
4 139,86 |
4 222,65 |
3 534,20 |
3 684,00 |
3 578,20 |
3 170,60 |
3 170,60 |
3 753,18 |
| Карбамид |
595,20 |
595,20 |
619,02 |
631,40 |
644,03 |
656,91 |
670,05 |
760,80 |
760,80 |
760,80 |
760,80 |
760,80 |
684,65 |
| Метанол |
1 092,00 |
1 092,00 |
1 136,12 |
1 158,84 |
1 182,02 |
1 205,66 |
1 229,77 |
1 150,00 |
1 150,00 |
1 150,00 |
1 150,00 |
1 150,00 |
1 153,87 |
| Селитра калиевая |
2 073,00 |
2 073,00 |
1 665,04 |
1 665,04 |
1 653,70 |
1 686,77 |
1 720,51 |
1 993,00 |
1 993,20 |
1 993,20 |
2 094,00 |
2 094,00 |
1 892,04 |
| Селитра натриевая |
906,00 |
906,00 |
868,00 |
868,00 |
868,00 |
885,36 |
903,07 |
912,00 |
912,00 |
1 014,00 |
1 116,00 |
1 116,00 |
939,54 |
| Смола КФМТ-15 |
1 257,60 |
1 257,60 |
1 282,75 |
1 334,24 |
1 360,92 |
1 388,14 |
1 415,91 |
1 131,00 |
1 131,00 |
1 161,00 |
1 183,50 |
1 183,50 |
1 257,26 |
| Соли углеаммония |
400,00 |
400,00 |
354,34 |
355,74 |
355,74 |
362,85 |
370,11 |
400,00 |
400,00 |
400,00 |
400,00 |
400,00 |
383,23 |
| Уксусная кислота |
1 887,60 |
1 887,60 |
1 925,35 |
2 003,14 |
2 043,20 |
2 084,07 |
2 125,75 |
1 852,80 |
1 864,40 |
1 852,90 |
1 852,80 |
1 852,80 |
1 936,03 |
| Формалин |
682,60 |
682,60 |
696,25 |
710,58 |
724,79 |
739,29 |
754,07 |
710,40 |
710,40 |
810,00 |
710,40 |
710,40 |
720,15 |
продолжение приложения Б
| 1 |
2 |
3 |
4 |
5 |
6 |
7 |
8 |
9 |
10 |
11 |
12 |
13 |
14 |
| Запланированные объёмы реализации на внутренний рынок, (тыс.грн.) |
|||||||||||||
| Аммиак |
1 821,02 |
1 821,02 |
1 843,34 |
1 868,80 |
1 906,18 |
1 944,30 |
1 424,03 |
1 408,05 |
1 408,05 |
1 952,83 |
1 952,83 |
1 952,83 |
21 303,29 |
| Амселитра |
9 165,87 |
9 165,87 |
9 323,62 |
8 128,28 |
8 290,85 |
8 456,66 |
5 693,02 |
4 700,04 |
5 436,78 |
8 024,24 |
8 018,33 |
8 024,24 |
92 427,80 |
| Дисперсия ПВА |
1 121,28 |
1 121,28 |
1 151,23 |
1 232,29 |
1 256,93 |
1 282,07 |
1 307,71 |
1 094,51 |
1 140,90 |
1 108,13 |
981,90 |
981,90 |
13 780,14 |
| Карбамид |
3 092,00 |
3 092,00 |
3 215,75 |
2 823,16 |
2 879,62 |
2 937,21 |
3 232,48 |
3 670,29 |
3 670,29 |
4 068,65 |
4 068,65 |
4 068,65 |
40 818,78 |
| Метанол |
9 081,28 |
9 081,28 |
9 448,19 |
7 178,29 |
7 321,85 |
7 468,29 |
10 521,63 |
9 839,11 |
9 839,11 |
10 429,47 |
10 429,47 |
10 429,47 |
111 067,43 |
| Селитра калиевая |
154,81 |
154,81 |
124,35 |
263,33 |
261,53 |
266,76 |
272,10 |
315,19 |
315,22 |
315,22 |
331,17 |
331,17 |
3 105,66 |
| Селитра натриевая |
544,66 |
544,66 |
521,82 |
250,49 |
250,49 |
255,50 |
260,59 |
263,17 |
263,17 |
292,60 |
322,03 |
322,03 |
4 091,20 |
| Смола КФМТ-15 |
3 469,30 |
3 469,30 |
3 538,69 |
2 944,59 |
3 003,48 |
3 063,55 |
3 124,82 |
2 496,05 |
2 496,05 |
2 417,61 |
2 464,46 |
2 464,46 |
34 952,36 |
| Соли углеаммония |
117,26 |
117,26 |
103,88 |
93,78 |
93,78 |
95,66 |
97,57 |
105,45 |
105,45 |
105,45 |
105,45 |
105,45 |
1 246,46 |
| Уксусная кислота |
3 663,95 |
3 663,95 |
3 737,23 |
3 141,44 |
3 204,27 |
3 268,35 |
4 609,57 |
4 017,70 |
4 042,85 |
2 440,55 |
2 440,42 |
2 440,42 |
40 670,70 |
| Формалин |
2 266,61 |
2 266,61 |
2 311,94 |
2 000,09 |
2 040,09 |
2 080,90 |
2 807,54 |
2 644,94 |
2 644,94 |
2 310,63 |
2 026,51 |
2 026,51 |
27 427,28 |
| Всего на внутренний рынок |
34 498,05 |
34 498,05 |
35 320,02 |
29 924,53 |
30 509,07 |
31 119,25 |
33 351,07 |
30 554,50 |
31 362,82 |
33 465,38 |
33 141,21 |
33 147,13 |
390 891,09 |
Приложение В
Бюджет продаж на экспорт
| Наименование |
Январь |
Февраль |
Март |
Апрель |
Май |
Июнь |
Июль |
Август |
Сентябрь |
Октябрь |
Ноябрь |
Декабрь |
Всего за год |
| 1 |
2 |
3 |
4 |
5 |
6 |
7 |
8 |
9 |
10 |
11 |
12 |
13 |
14 |
| Запланированные объёмы реализации на экспорт, (тонны) |
|||||||||||||
| Аммиак |
22147,55 |
22147,55 |
22147,55 |
22453,46 |
22453,46 |
22453,46 |
16122,74 |
16122,74 |
16122,74 |
22360,64 |
22360,64 |
22360,64 |
249253,17 |
| Амселитра |
19669,25 |
19669,25 |
19669,25 |
16811,32 |
16811,32 |
22415,09 |
14793,96 |
14793,96 |
14793,96 |
19725,28 |
19725,28 |
19725,28 |
218603,19 |
| Дисперсия ПВА |
295,11 |
295,11 |
295,11 |
309,69 |
309,69 |
309,69 |
309,69 |
309,69 |
309,69 |
309,69 |
309,69 |
309,69 |
3672,53 |
| Карбамид |
20779,60 |
20779,60 |
20779,60 |
17885,05 |
17885,05 |
17885,05 |
21709,15 |
21709,15 |
21709,15 |
24065,39 |
24065,39 |
24065,39 |
253317,56 |
| Метанол |
0,00 |
0,00 |
0,00 |
0,00 |
0,00 |
0,00 |
0,00 |
0,00 |
0,00 |
0,00 |
0,00 |
0,00 |
0,00 |
| Селитра калиевая |
0,00 |
0,00 |
0,00 |
0,00 |
0,00 |
0,00 |
0,00 |
0,00 |
0,00 |
0,00 |
0,00 |
0,00 |
0,00 |
| Селитра натриевая |
0,00 |
0,00 |
0,00 |
0,00 |
0,00 |
0,00 |
0,00 |
0,00 |
0,00 |
0,00 |
0,00 |
0,00 |
0,00 |
| Смола КФМТ-15 |
0,00 |
0,00 |
0,00 |
0,00 |
0,00 |
0,00 |
0,00 |
0,00 |
0,00 |
0,00 |
0,00 |
0,00 |
0,00 |
| Соли углеаммония |
195,44 |
195,44 |
195,44 |
175,75 |
175,75 |
175,75 |
175,75 |
175,75 |
175,75 |
175,75 |
175,75 |
175,75 |
2168,09 |
| Уксусная кислота |
6498,35 |
6498,35 |
6498,35 |
5250,25 |
5250,25 |
5250,25 |
7542,42 |
7542,42 |
7542,42 |
4581,39 |
4581,39 |
4581,39 |
71617,24 |
| Формалин |
184,47 |
184,47 |
184,47 |
156,37 |
156,37 |
156,37 |
206,84 |
206,84 |
206,84 |
158,47 |
158,47 |
158,47 |
2118,44 |
| Средняя цена за единицу реализованной продукции, (грн./тонну) |
|||||||||||||
| Аммиак |
746,20 |
746,20 |
746,20 |
746,20 |
780,03 |
780,03 |
799,50 |
783,51 |
932,75 |
938,08 |
1 071,33 |
1 113,97 |
848,67 |
| Амселитра |
440,00 |
440,00 |
444,00 |
415,74 |
415,74 |
415,74 |
325,13 |
346,45 |
373,10 |
415,74 |
538,33 |
548,99 |
426,58 |
| Дисперсия ПВА |
3 779,60 |
3 779,60 |
3 855,19 |
3 932,30 |
4 010,94 |
4 091,16 |
4 172,98 |
3 534,20 |
3 684,00 |
3 578,20 |
3 170,60 |
3 170,60 |
3 729,95 |
| Карбамид |
495,69 |
522,34 |
586,30 |
698,23 |
591,63 |
575,64 |
644,93 |
698,23 |
687,57 |
719,55 |
772,85 |
794,17 |
648,93 |
| Метанол |
0,00 |
||||||||||||
| Селитра калиевая |
0,00 |
||||||||||||
| Селитра натриевая |
0,00 |
||||||||||||
| Смола КФМТ-15 |
0,00 |
||||||||||||
| Соли углеаммония |
400,00 |
400,00 |
354,34 |
347,92 |
355,74 |
362,85 |
370,11 |
400,00 |
400,00 |
400,00 |
400,00 |
400,00 |
382,58 |
| Уксусная кислота |
1 245,24 |
1 245,24 |
1 215,24 |
1 225,90 |
1 257,88 |
1 257,88 |
1 279,20 |
1 172,60 |
1 172,60 |
1 172,60 |
1 183,26 |
1 183,26 |
1 217,58 |
| Формалин |
682,99 |
682,99 |
696,65 |
710,58 |
724,79 |
739,29 |
754,08 |
710,40 |
710,40 |
810,00 |
710,40 |
710,40 |
720,25 |
продолжение приложения В
| 1 |
2 |
3 |
4 |
5 |
6 |
7 |
8 |
9 |
10 |
11 |
12 |
13 |
14 |
|||||||||||||
| Запланированные объёмы реализации на экспорт, (тыс.грн.) |
||||||||||||||||||||||||||
| Аммиак |
16526,50 |
16526,50 |
16526,50 |
16754,77 |
17514,37 |
17514,37 |
12890,13 |
12632,33 |
15038,49 |
20976,06 |
23955,62 |
24909,08 |
211764,74 |
|||||||||||||
| Амселитра |
8654,47 |
8654,47 |
8733,14 |
6989,14 |
6989,14 |
9318,85 |
4809,96 |
5125,37 |
5519,63 |
8200,59 |
10618,71 |
10828,98 |
94442,44 |
|||||||||||||
| Дисперсия ПВА |
1115,38 |
1115,38 |
1137,69 |
1217,79 |
1242,15 |
1266,99 |
1292,33 |
1094,51 |
1140,90 |
1108,13 |
981,90 |
981,90 |
13695,05 |
|||||||||||||
| Карбамид |
10300,24 |
10854,02 |
12183,08 |
12487,88 |
10581,33 |
10295,35 |
14000,88 |
15157,98 |
14926,56 |
17316,25 |
18598,94 |
19112,01 |
165814,51 |
|||||||||||||
| Метанол |
0,00 |
0,00 |
0,00 |
0,00 |
0,00 |
0,00 |
0,00 |
0,00 |
0,00 |
0,00 |
0,00 |
0,00 |
0,00 |
|||||||||||||
| Селитра калиевая |
0,00 |
0,00 |
0,00 |
0,00 |
0,00 |
0,00 |
0,00 |
0,00 |
0,00 |
0,00 |
0,00 |
0,00 |
0,00 |
|||||||||||||
| Селитра натриевая |
0,00 |
0,00 |
0,00 |
0,00 |
0,00 |
0,00 |
0,00 |
0,00 |
0,00 |
0,00 |
0,00 |
0,00 |
0,00 |
|||||||||||||
| Смола КФМТ-15 |
0,00 |
0,00 |
0,00 |
0,00 |
0,00 |
0,00 |
0,00 |
0,00 |
0,00 |
0,00 |
0,00 |
0,00 |
0,00 |
|||||||||||||
| Соли углеаммония |
78,18 |
78,18 |
69,25 |
61,15 |
62,52 |
63,77 |
65,05 |
70,30 |
70,30 |
70,30 |
70,30 |
70,30 |
829,60 |
|||||||||||||
| Уксусная кислота |
8092,00 |
8092,00 |
7897,05 |
6436,28 |
6604,19 |
6604,19 |
9648,27 |
8844,25 |
8844,25 |
5372,14 |
5420,98 |
5420,98 |
87276,57 |
|||||||||||||
| Формалин |
125,99 |
125,99 |
128,51 |
111,11 |
113,34 |
115,60 |
155,97 |
146,94 |
146,94 |
128,36 |
112,58 |
112,58 |
1523,91 |
|||||||||||||
| ВСЕГО |
44892,76 |
45446,53 |
46675,23 |
44058,13 |
43107,04 |
45179,13 |
42862,60 |
43071,67 |
45687,06 |
53171,84 |
59759,03 |
61435,83 |
575346,82 |
|||||||||||||
| Прочая продукция |
5500,00 |
5500,00 |
5500,00 |
3810,00 |
3810,00 |
3810,00 |
3733,33 |
3733,33 |
3733,33 |
2335,00 |
2335,00 |
2335,00 |
46134,99 |
|||||||||||||
| Общий объём реализации |
84890,81 |
85444,59 |
87495,25 |
77792,65 |
77426,11 |
80108,38 |
79946,99 |
77359,50 |
80783,21 |
88972,22 |
95235,24 |
96917,96 |
1012372,91 |
|||||||||||||
Приложение Г
График поступления денежных средств от реализации продукции, тыс.грн.
| Январь |
Февраль |
Март |
Апрель |
Май |
Июнь |
Июль |
Август |
Сентябрь |
Октябрь |
Ноябрь |
Декабрь |
Всего за год |
|
| 1 |
2 |
3 |
4 |
5 |
6 |
7 |
8 |
9 |
10 |
11 |
12 |
13 |
14 |
| На начало периода |
92561 |
107238,10 |
107832,17 |
110666,08 |
107933,80 |
107559,92 |
110383,60 |
112387,88 |
112664,02 |
115457,32 |
121783,76 |
128168,73 |
224603,14 |
| На конец периода |
107238,10 |
107832,17 |
110666,08 |
107933,80 |
107559,92 |
110383,60 |
112387,88 |
112664,02 |
115457,32 |
121783,76 |
128168,73 |
132042,14 |
|
| Объём реализации текущего месяца |
84890,81 |
85444,59 |
87495,25 |
77792,65 |
77426,11 |
80108,38 |
79946,99 |
77359,50 |
80783,21 |
88972,22 |
95235,24 |
96917,96 |
1012372,91 |
| Приток денег от продаж в январе |
42445,40 |
25467,24 |
15280,35 |
83192,99 |
|||||||||
| Приток денег от продаж в феврале |
42722,29 |
25633,38 |
15380,03 |
83735,69 |
|||||||||
| Приток денег от продаж в марте |
43747,62 |
26248,57 |
15749,14 |
85745,34 |
|||||||||
| Приток денег от продаж в апреле |
38896,33 |
23337,80 |
14002,68 |
76236,80 |
|||||||||
| Приток денег от продаж в мае |
38713,05 |
23227,83 |
13936,70 |
75877,59 |
|||||||||
| Приток денег от продаж в июне |
40054,19 |
24032,51 |
14419,51 |
78506,21 |
|||||||||
| Приток денег от продаж в июле |
39973,50 |
23984,10 |
14390,46 |
78348,05 |
|||||||||
| Приток денег от продаж в августе |
38679,75 |
23207,85 |
13924,71 |
75812,31 |
|||||||||
| Приток денег от продаж в сентябре |
40391,60 |
24234,96 |
14540,98 |
79167,54 |
|||||||||
| Приток денег от продаж в октябре |
44486,11 |
26691,67 |
16015,00 |
87192,78 |
|||||||||
| Приток денег от продаж в ноябре |
47617,62 |
28570,57 |
76188,19 |
||||||||||
| Приток денег от продаж в декабре |
48458,98 |
48458,98 |
|||||||||||
| Сумма погашения дебиторской задолженности. |
27768,30 |
16660,98 |
44429,28 |
||||||||||
| Всего денежных поступлений |
70213,70 |
84850,52 |
84661,35 |
80524,93 |
77800,00 |
77284,70 |
77942,71 |
77083,36 |
77989,91 |
82645,78 |
88850,26 |
93044,55 |
972891,77 |
Приложение Д
Бюджет расходов связанных с реализацией продукции, тыс.грн.
| Наименование |
Январь |
Февраль |
Март |
Апрель |
Май |
Июнь |
Июль |
Август |
Сентябрь |
Октябрь |
Ноябрь |
Декабрь |
Всего за год |
| 1 |
2 |
3 |
4 |
5 |
6 |
7 |
8 |
9 |
10 |
11 |
12 |
13 |
14 |
| Оплата труда продавцам, торговым агентам, работникам отдела сбыта, ОВЭС, ЖДЦ |
20,00 |
20,00 |
20,00 |
20,00 |
20,00 |
20,00 |
20,00 |
20,00 |
20,00 |
20,00 |
20,00 |
20,00 |
240,00 |
| Оплата услуг транспортно-экспедиторских, страховых и посредических организаций |
100,00 |
100,00 |
100,00 |
100,00 |
100,00 |
100,00 |
100,00 |
100,00 |
100,00 |
100,00 |
100,00 |
100,00 |
1 200,00 |
| Расходы при поставках продукции на экспорт |
83,33 |
83,33 |
83,33 |
83,33 |
83,33 |
83,33 |
83,33 |
83,33 |
83,33 |
83,33 |
83,33 |
83,33 |
1 000,00 |
| Реклама и предпродажная подготовка товаров, а так же расходы на участие в выставках, ярмарках |
50,00 |
50,00 |
50,00 |
50,00 |
50,00 |
50,00 |
50,00 |
50,00 |
50,00 |
50,00 |
50,00 |
50,00 |
600,00 |
| Прочие коммерческие расходы |
963,33 |
963,33 |
963,33 |
880,00 |
880,00 |
880,00 |
880,00 |
880,00 |
880,00 |
963,33 |
963,33 |
963,33 |
11 060,00 |
| Всего к выплате |
1 216,67 |
1 216,67 |
1 216,67 |
1 133,33 |
1 133,33 |
1 133,33 |
1 133,33 |
1 133,33 |
1 133,33 |
1 216,67 |
1 216,67 |
1 216,67 |
14 100,00 |
Приложение Е
Бюджет производства
| Наименование |
Январь |
Февраль |
Март |
Апрель |
Май |
Июнь |
Июль |
Август |
Сентябрь |
Октябрь |
Ноябрь |
Декабрь |
Всего за год |
| 1 |
2 |
3 |
4 |
5 |
6 |
7 |
8 |
9 |
10 |
11 |
12 |
13 |
14 |
| Запланированные объёмы продаж, (тонн) |
|||||||||||||
| Аммиак |
24608,39 |
24608,39 |
24608,39 |
24 948,29 |
24 948,29 |
24 948,29 |
17 914,16 |
17 914,16 |
17 914,16 |
24 845,15 |
24 845,15 |
24 845,15 |
276 948 |
| Амселитра |
39 338,49 |
39 338,49 |
39 338,49 |
33 622,64 |
33 622,64 |
33 622,64 |
22 190,94 |
22 190,94 |
22 190,94 |
29 587,92 |
29 587,92 |
29 587,92 |
374 220 |
| Дисперсия ПВА |
590,21 |
590,21 |
590,21 |
619,38 |
619,38 |
619,38 |
619,38 |
619,38 |
619,38 |
619,38 |
619,38 |
619,38 |
7 345 |
| Карбамид |
25 974,50 |
25 974,50 |
25 974,50 |
22 356,31 |
22 356,31 |
22 356,31 |
24 121,28 |
24 121,28 |
24 121,28 |
26 739,32 |
26 739,32 |
26 739,32 |
297 574 |
| Метанол |
8 316,19 |
8 316,19 |
8 316,19 |
6 194,36 |
6 194,36 |
6 194,36 |
8 555,75 |
8 555,75 |
8 555,75 |
9 069,10 |
9 069,10 |
9 069,10 |
96 406 |
| Селитра калиевая |
74,68 |
74,68 |
74,68 |
158,15 |
158,15 |
158,15 |
158,15 |
158,15 |
158,15 |
158,15 |
158,15 |
158,15 |
1 647 |
| Селитра натриевая |
601,17 |
601,17 |
601,17 |
288,58 |
288,58 |
288,58 |
288,56 |
288,56 |
288,56 |
288,56 |
288,56 |
288,56 |
4 401 |
| Смола КФМТ-15 |
2 758,67 |
2 758,67 |
2 758,67 |
2 206,94 |
2 206,94 |
2 206,94 |
2 206,94 |
2 206,94 |
2 206,94 |
2 082,35 |
2 082,35 |
2 082,35 |
27 765 |
| Соли углеаммония |
488,60 |
488,60 |
488,60 |
439,38 |
439,38 |
439,38 |
439,38 |
439,38 |
439,38 |
439,38 |
439,38 |
439,38 |
5 420 |
| Уксусная кислота |
8 439,41 |
8 439,41 |
8 439,41 |
6 818,51 |
6 818,51 |
6 818,51 |
9 428,03 |
9 428,03 |
9 428,03 |
5 726,74 |
5 726,74 |
5 726,74 |
91 238 |
| Формалин |
3 505,02 |
3 505,02 |
3 505,02 |
2 971,10 |
2 971,10 |
2 971,10 |
3 930,00 |
3 930,00 |
3 930,00 |
3 011,10 |
3 011,10 |
3 011,10 |
40 252 |
| Аммиак |
1 723 |
1 723 |
1 746 |
1 746 |
1 746 |
1 254 |
1 254 |
1 254 |
1 739 |
1 739 |
1 739 |
1 739 |
|
| Амселитра |
2 754 |
2 754 |
2 354 |
2 354 |
2 354 |
1 553 |
1 553 |
1 553 |
2 071 |
2 071 |
2 071 |
2 071 |
|
| Дисперсия ПВА |
41 |
41 |
43 |
43 |
43 |
43 |
43 |
43 |
43 |
43 |
43 |
43 |
|
| Карбамид |
1 818 |
1 818 |
1 565 |
1 565 |
1 565 |
1 688 |
1 688 |
1 688 |
1 872 |
1 872 |
1 872 |
1 872 |
|
| Метанол |
582 |
582 |
434 |
434 |
434 |
599 |
599 |
599 |
635 |
635 |
635 |
635 |
|
| Селитра калиевая |
5 |
5 |
11 |
11 |
11 |
11 |
11 |
11 |
11 |
11 |
11 |
11 |
|
| Селитра натриевая |
42 |
42 |
20 |
20 |
20 |
20 |
20 |
20 |
20 |
20 |
20 |
20 |
|
| Смола КФМТ-15 |
193 |
193 |
154 |
154 |
154 |
154 |
154 |
154 |
146 |
146 |
146 |
146 |
|
| Соли углеаммония |
34 |
34 |
31 |
31 |
31 |
31 |
31 |
31 |
31 |
31 |
31 |
31 |
|
| Уксусная кислота |
591 |
591 |
477 |
477 |
477 |
660 |
660 |
660 |
401 |
401 |
401 |
401 |
|
| Формалин |
245 |
245 |
208 |
208 |
208 |
275 |
275 |
275 |
211 |
211 |
211 |
211 |
|
| Запланированный запас продукции на начало периода, (тонн) |
|||||||||||||
| Аммиак |
1 723 |
1 723 |
1 723 |
1 746 |
1 746 |
1 746 |
1 254 |
1 254 |
1 254 |
1 739 |
1 739 |
1 739 |
|
| Амселитра |
2 754 |
2 754 |
2 754 |
2 354 |
2 354 |
2 354 |
1 553 |
1 553 |
1 553 |
2 071 |
2 071 |
2 071 |
|
| Дисперсия ПВА |
41 |
41 |
41 |
43 |
43 |
43 |
43 |
43 |
43 |
43 |
43 |
43 |
|
| Карбамид |
1 818 |
1 818 |
1 818 |
1 565 |
1 565 |
1 565 |
1 688 |
1 688 |
1 688 |
1 872 |
1 872 |
1 872 |
|
| Метанол |
582 |
582 |
582 |
434 |
434 |
434 |
599 |
599 |
599 |
635 |
635 |
635 |
|
| Селитра калиевая |
5 |
5 |
5 |
11 |
11 |
11 |
11 |
11 |
11 |
11 |
11 |
11 |
|
| Селитра натриевая |
42 |
42 |
42 |
20 |
20 |
20 |
20 |
20 |
20 |
20 |
20 |
20 |
|
| Смола КФМТ-15 |
193 |
193 |
193 |
154 |
154 |
154 |
154 |
154 |
154 |
146 |
146 |
146 |
|
| Соли углеаммония |
34 |
34 |
34 |
31 |
31 |
31 |
31 |
31 |
31 |
31 |
31 |
31 |
|
| Уксусная кислота |
591 |
591 |
591 |
477 |
477 |
477 |
660 |
660 |
660 |
401 |
401 |
401 |
|
| Формалин |
245 |
245 |
245 |
208 |
208 |
208 |
275 |
275 |
275 |
211 |
211 |
211 |
|
| Количество тонн продукции, подлежащих изготовлению |
|||||||||||||
| Аммиак |
24 608 |
24 608 |
24 632 |
24 948 |
24 948 |
24 456 |
17 914 |
17 914 |
18 399 |
24 845 |
24 845 |
24 845 |
276 965 |
| Амселитра |
39 338 |
39 338 |
38 938 |
33 623 |
33 623 |
32 822 |
22 191 |
22 191 |
22 709 |
29 588 |
29 588 |
29 588 |
373 537 |
| Дисперсия ПВА |
590 |
590 |
592 |
619 |
619 |
619 |
619 |
619 |
619 |
619 |
619 |
619 |
7 347 |
| Карбамид |
25 975 |
25 975 |
25 721 |
22 356 |
22 356 |
22 480 |
24 121 |
24 121 |
24 305 |
26 739 |
26 739 |
26 739 |
297 628 |
| Метанол |
8 316 |
8 316 |
8 168 |
6 194 |
6 194 |
6 360 |
8 556 |
8 556 |
8 592 |
9 069 |
9 069 |
9 069 |
96 459 |
| Селитра калиевая |
75 |
75 |
81 |
158 |
158 |
158 |
158 |
158 |
158 |
158 |
158 |
158 |
1 653 |
| Селитра натриевая |
601 |
601 |
579 |
289 |
289 |
289 |
289 |
289 |
289 |
289 |
289 |
289 |
4 379 |
| Смола КФМТ-15 |
2 759 |
2 759 |
2 720 |
2 207 |
2 207 |
2 207 |
2 207 |
2 207 |
2 198 |
2 082 |
2 082 |
2 082 |
27 717 |
| Соли углеаммония |
489 |
489 |
485 |
439 |
439 |
439 |
439 |
439 |
439 |
439 |
439 |
439 |
5 417 |
| Уксусная кислота |
8 439 |
8 439 |
8 326 |
6 819 |
6 819 |
7 001 |
9 428 |
9 428 |
9 169 |
5 727 |
5 727 |
5 727 |
91 048 |
| Формалин |
3 505 |
3 505 |
3 468 |
2 971 |
2 971 |
3 038 |
3 930 |
3 930 |
3 866 |
3 011 |
3 011 |
3 011 |
40 217 |
Приложение Ж
Бюджет прямых затрат на материалы
| Наименование |
Январь |
Февраль |
Март |
Апрель |
Май |
Июнь |
Июль |
Август |
Сентябрь |
Октябрь |
Ноябрь |
Декабрь |
Всего за год |
| 1 |
2 |
3 |
4 |
5 |
6 |
7 |
8 |
9 |
10 |
11 |
12 |
13 |
14 |
| Запланированный объём производства (тонн) |
|||||||||||||
| Аммиак |
24 608 |
24 608 |
24 632 |
24 948 |
24 948 |
24 456 |
17 914 |
17 914 |
18 399 |
24 845 |
24 845 |
24 845 |
276 965 |
| Амселитра |
39 338 |
39 338 |
38 938 |
33 623 |
33 623 |
32 822 |
22 191 |
22 191 |
22 709 |
29 588 |
29 588 |
29 588 |
373 537 |
| Дисперсия ПВА |
590 |
590 |
592 |
619 |
619 |
619 |
619 |
619 |
619 |
619 |
619 |
619 |
7 347 |
| Карбамид |
25 975 |
25 975 |
25 721 |
22 356 |
22 356 |
22 480 |
24 121 |
24 121 |
24 305 |
26 739 |
26 739 |
26 739 |
297 628 |
| Метанол |
8 316 |
8 316 |
8 168 |
6 194 |
6 194 |
6 360 |
8 556 |
8 556 |
8 592 |
9 069 |
9 069 |
9 069 |
96 459 |
| Селитра калиевая |
75 |
75 |
81 |
158 |
158 |
158 |
158 |
158 |
158 |
158 |
158 |
158 |
1 653 |
| Селитра натриевая |
601 |
601 |
579 |
289 |
289 |
289 |
289 |
289 |
289 |
289 |
289 |
289 |
4 379 |
| Смола КФМТ-15 |
2 759 |
2 759 |
2 720 |
2 207 |
2 207 |
2 207 |
2 207 |
2 207 |
2 198 |
2 082 |
2 082 |
2 082 |
27 717 |
| Соли углеаммония |
489 |
489 |
485 |
439 |
439 |
439 |
439 |
439 |
439 |
439 |
439 |
439 |
5 417 |
| Уксусная кислота |
8 439 |
8 439 |
8 326 |
6 819 |
6 819 |
7 001 |
9 428 |
9 428 |
9 169 |
5 727 |
5 727 |
5 727 |
91 048 |
| Формалин |
3 505 |
3 505 |
3 468 |
2 971 |
2 971 |
3 038 |
3 930 |
3 930 |
3 866 |
3 011 |
3 011 |
3 011 |
40 217 |
| Стоимость материалов на ед. продуцкции (грн.) |
|||||||||||||
| Аммиак |
376,07 |
376,07 |
376,07 |
381,71 |
381,71 |
381,71 |
387,44 |
387,44 |
387,44 |
393,25 |
393,25 |
393,25 |
4615,40 |
| Амселитра |
239,25 |
239,25 |
239,25 |
242,84 |
242,84 |
242,84 |
246,48 |
246,48 |
246,48 |
250,18 |
250,18 |
250,18 |
2936,25 |
| Дисперсия ПВА |
2208,77 |
2208,77 |
2208,77 |
2241,90 |
2254,95 |
2254,95 |
2105,12 |
2105,12 |
2105,12 |
2047,22 |
2047,22 |
2047,22 |
25835,13 |
| Карбамид |
308,71 |
308,71 |
308,71 |
313,34 |
313,34 |
313,34 |
318,04 |
318,04 |
318,04 |
322,81 |
322,81 |
322,81 |
3788,71 |
| Метанол |
545,97 |
545,97 |
545,97 |
554,16 |
554,16 |
554,16 |
562,47 |
562,47 |
562,47 |
570,91 |
570,91 |
570,91 |
6700,53 |
| Селитра калиевая |
980,97 |
980,97 |
980,97 |
995,68 |
995,68 |
995,68 |
1010,62 |
1010,62 |
1010,62 |
1025,78 |
1025,78 |
1025,78 |
12039,16 |
| Селитра натриевая |
576,59 |
576,59 |
576,59 |
585,24 |
585,24 |
585,24 |
594,02 |
594,02 |
594,02 |
602,93 |
602,93 |
602,93 |
7076,32 |
| Смола КФМТ-15 |
506,66 |
506,66 |
506,66 |
514,26 |
514,26 |
514,26 |
521,97 |
521,97 |
521,97 |
529,80 |
529,80 |
529,80 |
6218,09 |
| Соли углеаммония |
159,08 |
159,08 |
159,08 |
161,47 |
161,47 |
161,47 |
163,89 |
163,89 |
163,89 |
166,35 |
166,35 |
166,35 |
1952,34 |
| Уксусная кислота |
654,38 |
654,38 |
654,38 |
664,20 |
664,20 |
664,20 |
674,16 |
674,16 |
674,16 |
684,27 |
684,27 |
684,27 |
8031,02 |
| Формалин |
346,07 |
346,07 |
346,07 |
351,26 |
351,26 |
351,26 |
356,53 |
356,53 |
356,53 |
361,88 |
361,88 |
361,88 |
4247,22 |
| Стоимость материалов на весь объём производства (тыс. грн.) |
|||||||||||||
| Аммиак |
9254,48 |
9254,48 |
9263,43 |
9523,04 |
9523,04 |
9335,09 |
6940,60 |
6940,60 |
7128,58 |
9770,31 |
9770,31 |
9770,31 |
106474,26 |
| Амселитра |
9411,73 |
9411,73 |
9316,01 |
8164,88 |
8164,88 |
7970,56 |
5469,65 |
5469,65 |
5597,28 |
7402,26 |
7402,26 |
7402,26 |
91183,16 |
| Дисперсия ПВА |
1303,64 |
1303,64 |
1308,15 |
1388,59 |
1396,67 |
1396,67 |
1303,87 |
1303,87 |
1303,87 |
1268,01 |
1268,01 |
1268,01 |
15812,98 |
| Карбамид |
8018,59 |
8018,59 |
7940,40 |
7005,14 |
7005,14 |
7043,85 |
7671,55 |
7671,55 |
7729,84 |
8631,76 |
8631,76 |
8631,76 |
93999,92 |
| Метанол |
4540,39 |
4540,39 |
4459,30 |
3432,66 |
3432,66 |
3524,26 |
4812,37 |
4812,37 |
4832,58 |
5177,63 |
5177,63 |
5177,63 |
53919,88 |
| Селитра калиевая |
73,26 |
73,26 |
78,99 |
157,47 |
157,47 |
157,47 |
159,83 |
159,83 |
159,83 |
162,23 |
162,23 |
162,23 |
1664,08 |
| Селитра натриевая |
346,63 |
346,63 |
334,01 |
168,89 |
168,89 |
168,89 |
171,41 |
171,41 |
171,41 |
173,98 |
173,98 |
173,98 |
2570,10 |
| Смола КФМТ-15 |
1397,71 |
1397,71 |
1378,14 |
1134,94 |
1134,94 |
1134,94 |
1151,96 |
1151,96 |
1147,41 |
1103,24 |
1103,24 |
1103,24 |
14339,43 |
| Соли углеаммония |
77,73 |
77,73 |
77,18 |
70,95 |
70,95 |
70,95 |
72,01 |
72,01 |
72,01 |
73,09 |
73,09 |
73,09 |
880,76 |
| Уксусная кислота |
5522,58 |
5522,58 |
5448,33 |
4528,83 |
4528,83 |
4650,15 |
6355,99 |
6355,99 |
6181,32 |
3918,64 |
3918,64 |
3918,64 |
60850,52 |
| Формалин |
1212,98 |
1212,98 |
1200,05 |
1043,63 |
1043,63 |
1067,21 |
1401,16 |
1401,16 |
1378,23 |
1089,65 |
1089,65 |
1089,65 |
14229,99 |
| Запас материалов на конец периода, (тыс.грн.) |
|||||||||||||
| Аммиак |
1573,26 |
1574,78 |
1618,92 |
1618,92 |
1586,96 |
1179,90 |
1179,90 |
1211,86 |
1660,95 |
1660,95 |
1660,95 |
1660,95 |
|
| Амселитра |
1599,99 |
1583,72 |
1388,03 |
1388,03 |
1354,99 |
929,84 |
929,84 |
951,54 |
1258,38 |
1258,38 |
1258,38 |
1258,38 |
|
| Дисперсия ПВА |
221,62 |
222,39 |
236,06 |
237,43 |
237,43 |
221,66 |
221,66 |
221,66 |
215,56 |
215,56 |
215,56 |
215,56 |
|
| Карбамид |
1363,16 |
1349,87 |
1190,87 |
1190,87 |
1197,46 |
1304,16 |
1304,16 |
1314,07 |
1467,40 |
1467,40 |
1467,40 |
1467,40 |
|
| Метанол |
771,87 |
758,08 |
583,55 |
583,55 |
599,13 |
818,10 |
818,10 |
821,54 |
880,20 |
880,20 |
880,20 |
880,20 |
|
| Селитра калиевая |
12,45 |
13,43 |
26,77 |
26,77 |
26,77 |
27,17 |
27,17 |
27,17 |
27,58 |
27,58 |
27,58 |
27,58 |
|
| Селитра натриевая |
58,93 |
56,78 |
28,71 |
28,71 |
28,71 |
29,14 |
29,14 |
29,14 |
29,58 |
29,58 |
29,58 |
29,58 |
|
| Смола КФМТ-15 |
237,61 |
234,28 |
192,94 |
192,94 |
192,94 |
195,83 |
195,83 |
195,06 |
187,55 |
187,55 |
187,55 |
187,55 |
|
| Соли углеаммония |
13,21 |
13,12 |
12,06 |
12,06 |
12,06 |
12,24 |
12,24 |
12,24 |
12,43 |
12,43 |
12,43 |
12,43 |
|
| Уксусная кислота |
938,84 |
926,22 |
769,90 |
769,90 |
790,53 |
1080,52 |
1080,52 |
1050,82 |
666,17 |
666,17 |
666,17 |
666,17 |
|
| Формалин |
206,21 |
204,01 |
177,42 |
177,42 |
181,43 |
238,20 |
238,20 |
234,30 |
185,24 |
185,24 |
185,24 |
185,24 |
|
продолжение приложения Ж
| 1 |
2 |
3 |
4 |
5 |
6 |
7 |
8 |
9 |
10 |
11 |
12 |
13 |
14 |
| Запас материалов на начало периода, (тыс.грн.) |
|||||||||||||
| Аммиак |
1573,26 |
1573,26 |
1574,78 |
1618,92 |
1618,92 |
1586,96 |
1179,90 |
1179,90 |
1211,86 |
1660,95 |
1660,95 |
1660,95 |
|
| Амселитра |
1599,99 |
1599,99 |
1583,72 |
1388,03 |
1388,03 |
1354,99 |
929,84 |
929,84 |
951,54 |
1258,38 |
1258,38 |
1258,38 |
|
| Дисперсия ПВА |
221,62 |
221,62 |
222,39 |
236,06 |
237,43 |
237,43 |
221,66 |
221,66 |
221,66 |
215,56 |
215,56 |
215,56 |
|
| Карбамид |
1363,16 |
1363,16 |
1349,87 |
1190,87 |
1190,87 |
1197,46 |
1304,16 |
1304,16 |
1314,07 |
1467,40 |
1467,40 |
1467,40 |
|
| Метанол |
771,87 |
771,87 |
758,08 |
583,55 |
583,55 |
599,13 |
818,10 |
818,10 |
821,54 |
880,20 |
880,20 |
880,20 |
|
| Селитра калиевая |
12,45 |
12,45 |
13,43 |
26,77 |
26,77 |
26,77 |
27,17 |
27,17 |
27,17 |
27,58 |
27,58 |
27,58 |
|
| Селитра натриевая |
58,93 |
58,93 |
56,78 |
28,71 |
28,71 |
28,71 |
29,14 |
29,14 |
29,14 |
29,58 |
29,58 |
29,58 |
|
| Смола КФМТ-15 |
237,61 |
237,61 |
234,28 |
192,94 |
192,94 |
192,94 |
195,83 |
195,83 |
195,06 |
187,55 |
187,55 |
187,55 |
|
| Соли углеаммония |
13,21 |
13,21 |
13,12 |
12,06 |
12,06 |
12,06 |
12,24 |
12,24 |
12,24 |
12,43 |
12,43 |
12,43 |
|
| Уксусная кислота |
938,84 |
938,84 |
926,22 |
769,90 |
769,90 |
790,53 |
1080,52 |
1080,52 |
1050,82 |
666,17 |
666,17 |
666,17 |
|
| Формалин |
206,21 |
206,21 |
204,01 |
177,42 |
177,42 |
181,43 |
238,20 |
238,20 |
234,30 |
185,24 |
185,24 |
185,24 |
|
| Объём закупок материалов, (тыс.грн.) |
|||||||||||||
| Аммиак |
9254,48 |
9256,00 |
9307,56 |
9523,04 |
9491,09 |
8928,03 |
6940,60 |
6972,56 |
7577,67 |
9770,31 |
9770,31 |
9770,31 |
106561,95 |
| Амселитра |
9411,73 |
9395,46 |
9120,32 |
8164,88 |
8131,84 |
7545,40 |
5469,65 |
5491,35 |
5904,13 |
7402,26 |
7402,26 |
7402,26 |
90841,55 |
| Дисперсия ПВА |
1303,64 |
1304,40 |
1321,82 |
1389,96 |
1396,67 |
1380,89 |
1303,87 |
1303,87 |
1297,77 |
1268,01 |
1268,01 |
1268,01 |
15806,93 |
| Карбамид |
8018,59 |
8005,30 |
7781,41 |
7005,14 |
7011,72 |
7150,56 |
7671,55 |
7681,46 |
7883,16 |
8631,76 |
8631,76 |
8631,76 |
94104,15 |
| Метанол |
4540,39 |
4526,60 |
4284,77 |
3432,66 |
3448,24 |
3743,24 |
4812,37 |
4815,81 |
4891,24 |
5177,63 |
5177,63 |
5177,63 |
54028,22 |
| Селитра калиевая |
73,26 |
74,23 |
92,33 |
157,47 |
157,47 |
157,87 |
159,83 |
159,83 |
160,24 |
162,23 |
162,23 |
162,23 |
1679,20 |
| Селитра натриевая |
346,63 |
344,48 |
305,94 |
168,89 |
168,89 |
169,32 |
171,41 |
171,41 |
171,85 |
173,98 |
173,98 |
173,98 |
2540,75 |
| Смола КФМТ-15 |
1397,71 |
1394,38 |
1336,80 |
1134,94 |
1134,94 |
1137,83 |
1151,96 |
1151,19 |
1139,90 |
1103,24 |
1103,24 |
1103,24 |
14289,37 |
| Соли углеаммония |
77,73 |
77,63 |
76,12 |
70,95 |
70,95 |
71,13 |
72,01 |
72,01 |
72,19 |
73,09 |
73,09 |
73,09 |
879,97 |
| Уксусная кислота |
5522,58 |
5509,96 |
5292,02 |
4528,83 |
4549,45 |
4940,14 |
6355,99 |
6326,29 |
5796,66 |
3918,64 |
3918,64 |
3918,64 |
60577,85 |
| Формалин |
1212,98 |
1210,78 |
1173,46 |
1043,63 |
1047,64 |
1123,98 |
1401,16 |
1397,26 |
1329,17 |
1089,65 |
1089,65 |
1089,65 |
14209,03 |
| Общая потребность в материалах (включая НДС), (тыс.грн.) |
49391,65 |
49319,09 |
48111,04 |
43944,46 |
43930,67 |
43618,08 |
42612,49 |
42651,65 |
43468,78 |
46524,96 |
46524,96 |
46524,96 |
546622,77 |
Приложение З
Бюджет прямых затрат на оплату труда
| Наименование |
Январь |
Февраль |
Март |
Апрель |
Май |
Июнь |
Июль |
Август |
Сентябрь |
Октябрь |
Ноябрь |
Декабрь |
Всего за год |
| 1 |
2 |
3 |
4 |
5 |
6 |
7 |
8 |
9 |
10 |
11 |
12 |
13 |
14 |
| Количество тонн продукции, подлежащих изготовлению (т): |
|||||||||||||
| Аммиак |
24 608 |
24 608 |
24 632 |
24 948 |
24 948 |
24 456 |
17 914 |
17 914 |
18 399 |
24 845 |
24 845 |
24 845 |
276965 |
| Амселитра |
39 338 |
39 338 |
38 938 |
33 623 |
33 623 |
32 822 |
22 191 |
22 191 |
22 709 |
29 588 |
29 588 |
29 588 |
373537 |
| Дисперсия ПВА |
590 |
590 |
592 |
619 |
619 |
619 |
619 |
619 |
619 |
619 |
619 |
619 |
7347 |
| Карбамид |
25 975 |
25 975 |
25 721 |
22 356 |
22 356 |
22 480 |
24 121 |
24 121 |
24 305 |
26 739 |
26 739 |
26 739 |
297628 |
| Метанол |
8 316 |
8 316 |
8 168 |
6 194 |
6 194 |
6 360 |
8 556 |
8 556 |
8 592 |
9 069 |
9 069 |
9 069 |
96459 |
| Селитра калиевая |
75 |
75 |
81 |
158 |
158 |
158 |
158 |
158 |
158 |
158 |
158 |
158 |
1653 |
| Селитра натриевая |
601 |
601 |
579 |
289 |
289 |
289 |
289 |
289 |
289 |
289 |
289 |
289 |
4379 |
| Смола КФМТ-15 |
2 759 |
2 759 |
2 720 |
2 207 |
2 207 |
2 207 |
2 207 |
2 207 |
2 198 |
2 082 |
2 082 |
2 082 |
27717 |
| Соли углеаммония |
489 |
489 |
485 |
439 |
439 |
439 |
439 |
439 |
439 |
439 |
439 |
439 |
5417 |
| Уксусная кислота |
8 439 |
8 439 |
8 326 |
6 819 |
6 819 |
7 001 |
9 428 |
9 428 |
9 169 |
5 727 |
5 727 |
5 727 |
91048 |
| Формалин |
3 505 |
3 505 |
3 468 |
2 971 |
2 971 |
3 038 |
3 930 |
3 930 |
3 866 |
3 011 |
3 011 |
3 011 |
40217 |
| Прямые затраты труда на тонну продукции, (грн./тонн) |
|||||||||||||
| Аммиак |
1,02 |
1,02 |
1,02 |
1,02 |
1,02 |
1,02 |
1,02 |
1,02 |
1,02 |
1,02 |
1,02 |
1,02 |
|
| Амселитра |
1,56 |
1,56 |
1,56 |
1,56 |
1,56 |
1,56 |
1,56 |
1,56 |
1,56 |
1,56 |
1,56 |
1,56 |
|
| Дисперсия ПВА |
31,66 |
31,66 |
31,66 |
31,66 |
31,66 |
31,66 |
31,66 |
31,66 |
31,66 |
31,66 |
31,66 |
31,66 |
|
| Карбамид |
1,35 |
1,35 |
1,35 |
1,35 |
1,35 |
1,35 |
1,35 |
1,35 |
1,35 |
1,35 |
1,35 |
1,35 |
|
| Метанол |
0,99 |
0,99 |
0,99 |
0,99 |
0,99 |
0,99 |
0,99 |
0,99 |
0,99 |
0,99 |
0,99 |
0,99 |
|
| Селитра калиевая |
12,95 |
12,95 |
12,95 |
12,95 |
12,95 |
12,95 |
12,95 |
12,95 |
12,95 |
12,95 |
12,95 |
12,95 |
|
| Селитра натриевая |
14,76 |
14,76 |
14,76 |
14,76 |
14,76 |
14,76 |
14,76 |
14,76 |
14,76 |
14,76 |
14,76 |
14,76 |
|
| Смола КФМТ-15 |
15,13 |
15,13 |
15,13 |
15,13 |
15,13 |
15,13 |
15,13 |
15,13 |
15,13 |
15,13 |
15,13 |
15,13 |
|
| Соли углеаммония |
13,40 |
13,40 |
13,40 |
13,40 |
13,40 |
13,40 |
13,40 |
13,40 |
13,40 |
13,40 |
13,40 |
13,40 |
|
| Уксусная кислота |
3,00 |
3,00 |
3,00 |
3,00 |
3,00 |
3,00 |
3,00 |
3,00 |
3,00 |
3,00 |
3,00 |
3,00 |
|
| Формалин |
3,22 |
3,22 |
3,22 |
3,22 |
3,22 |
3,22 |
3,22 |
3,22 |
3,22 |
3,22 |
3,22 |
3,22 |
|
| Прямые затраты на оплату труда, (тыс. грн.) |
|||||||||||||
| Аммиак |
25,10 |
25,10 |
25,12 |
25,45 |
25,45 |
24,95 |
18,27 |
18,27 |
18,77 |
25,34 |
25,34 |
25,34 |
282,50 |
| Амселитра |
61,37 |
61,37 |
60,74 |
52,45 |
52,45 |
51,20 |
34,62 |
34,62 |
35,43 |
46,16 |
46,16 |
46,16 |
582,72 |
| Дисперсия ПВА |
18,69 |
18,69 |
18,75 |
19,61 |
19,61 |
19,61 |
19,61 |
19,61 |
19,61 |
19,61 |
19,61 |
19,61 |
232,61 |
| Карбамид |
35,07 |
35,07 |
34,72 |
30,18 |
30,18 |
30,35 |
32,56 |
32,56 |
32,81 |
36,10 |
36,10 |
36,10 |
401,80 |
| Метанол |
8,23 |
8,23 |
8,09 |
6,13 |
6,13 |
6,30 |
8,47 |
8,47 |
8,51 |
8,98 |
8,98 |
8,98 |
95,49 |
| Селитра калиевая |
0,97 |
0,97 |
1,04 |
2,05 |
2,05 |
2,05 |
2,05 |
2,05 |
2,05 |
2,05 |
2,05 |
2,05 |
21,41 |
| Селитра натриевая |
8,87 |
8,87 |
8,55 |
4,26 |
4,26 |
4,26 |
4,26 |
4,26 |
4,26 |
4,26 |
4,26 |
4,26 |
64,63 |
| Смола КФМТ-15 |
41,74 |
41,74 |
41,15 |
33,39 |
33,39 |
33,39 |
33,39 |
33,39 |
33,26 |
31,51 |
31,51 |
31,51 |
419,36 |
| Соли углеаммония |
6,55 |
6,55 |
6,50 |
5,89 |
5,89 |
5,89 |
5,89 |
5,89 |
5,89 |
5,89 |
5,89 |
5,89 |
72,58 |
| Уксусная кислота |
25,32 |
25,32 |
24,98 |
20,46 |
20,46 |
21,00 |
28,28 |
28,28 |
27,51 |
17,18 |
17,18 |
17,18 |
273,14 |
| Формалин |
11,29 |
11,29 |
11,17 |
9,57 |
9,57 |
9,78 |
12,65 |
12,65 |
12,45 |
9,70 |
9,70 |
9,70 |
129,50 |
| Сумма прямых затрат на оплату труда, (тыс. грн.) |
243,18 |
243,18 |
240,82 |
209,43 |
209,43 |
208,77 |
200,06 |
200,06 |
200,53 |
206,76 |
206,76 |
206,76 |
2575,75 |
Приложение И
График выплаты заработной платы
| Наименование |
Январь |
Февраль |
Март |
Апрель |
Май |
Июнь |
Июль |
Август |
Сентябрь |
Октябрь |
Ноябрь |
Декабрь |
Всего за год |
| Сумма задолженности на конец периода |
4998,00 |
4998,00 |
4998,00 |
4998,00 |
4998,00 |
4998,00 |
4998,00 |
4998,00 |
4998,00 |
4998,00 |
4998,00 |
4998,00 |
4698,00 |
| Начисление заработной платы |
4998,00 |
4998,00 |
4998,00 |
4998,00 |
4998,00 |
4998,00 |
4998,00 |
4998,00 |
4998,00 |
4998,00 |
4998,00 |
4998,00 |
59976,00 |
| Сумма задолженности к выплате в текущем периоде |
3136,00 |
4998,00 |
4998,00 |
4998,00 |
4998,00 |
4998,00 |
4998,00 |
4998,00 |
4998,00 |
4998,00 |
4998,00 |
4998,00 |
58114,00 |
| Выплата заработной платы в январе |
3136,00 |
||||||||||||
| феврале |
4998,00 |
||||||||||||
| марте |
4998,00 |
||||||||||||
| апреле |
4998,00 |
||||||||||||
| мае |
4998,00 |
||||||||||||
| июне |
4998,00 |
||||||||||||
| июле |
4998,00 |
||||||||||||
| августе |
4998,00 |
||||||||||||
| сентябре |
4998,00 |
||||||||||||
| октябре |
4998,00 |
||||||||||||
| ноябре |
4998,00 |
||||||||||||
| декабре |
4998,00 |
||||||||||||
| Сумма затрат на оплату труда |
3136,00 |
4998,00 |
4998,00 |
4998,00 |
4998,00 |
4998,00 |
4998,00 |
4998,00 |
4998,00 |
4998,00 |
4998,00 |
4998,00 |
58114,00 |
Приложение К
Бюджет общепроизводственных накладных расходов
| Наименование |
Январь |
Февраль |
Март |
Апрель |
Май |
Июнь |
Июль |
Август |
Сентябрь |
Октябрь |
Ноябрь |
Декабрь |
Всего за год |
| Всмпомогательные материалы |
9425,97 |
9431,96 |
9736,06 |
8507,89 |
8488,25 |
8552,38 |
8477,68 |
7053,18 |
6930,99 |
8027,42 |
7708,02 |
7435,72 |
99775,53 |
| Зарплата прочего производственного персонала с начислениями |
4712,99 |
4715,98 |
4868,03 |
4253,95 |
4244,13 |
4276,19 |
4238,84 |
3526,59 |
3465,50 |
4013,71 |
3854,01 |
3717,86 |
49887,77 |
| Содержание и ремонт основных средств |
21836,84 |
21850,72 |
22555,20 |
19709,95 |
19664,45 |
19813,01 |
19639,96 |
16339,87 |
16056,80 |
18596,86 |
17856,91 |
17226,08 |
231146,65 |
| Текущий ремонт основных производственных фондов |
3141,99 |
3143,99 |
3245,35 |
2835,96 |
2829,42 |
2850,79 |
2825,89 |
2351,06 |
2310,33 |
2675,81 |
2569,34 |
2478,57 |
33258,51 |
| Прочие постоянные накладные |
7854,98 |
7859,97 |
8113,38 |
7089,91 |
7073,54 |
7126,98 |
7064,74 |
5877,65 |
5775,83 |
6689,52 |
6423,35 |
6196,43 |
83146,28 |
| Планируемые общепроизводственные накладные расходы |
31419,91 |
31439,88 |
32453,52 |
28359,63 |
28294,17 |
28507,92 |
28258,94 |
23510,61 |
23103,31 |
26758,07 |
25693,40 |
24785,73 |
332585,10 |
| Амортизация |
1840,14 |
1840,14 |
1840,14 |
1840,14 |
1840,14 |
1840,14 |
1840,14 |
1840,14 |
1840,14 |
1840,14 |
1840,14 |
1840,14 |
26346 |
| Выплаты по общепроизводственным накладным расходам |
29579,77 |
29599,73 |
30613,37 |
26519,49 |
26454,03 |
26667,78 |
26418,80 |
21670,47 |
21263,17 |
24917,93 |
23853,26 |
22945,58 |
310503,38 |
Приложение Л
Бюджет управленческих расходов
| Наименование |
Январь |
Февраль |
Март |
Апрель |
Май |
Июнь |
Июль |
Август |
Сентябрь |
Октябрь |
Ноябрь |
Декабрь |
Всего за год |
| 1. Зарплата и отчисления управленческого персонала |
283,33 |
283,33 |
283,33 |
283,33 |
283,33 |
283,33 |
283,33 |
283,33 |
283,33 |
283,33 |
283,33 |
283,33 |
3400 |
| 2. Командировочные расходы |
25,00 |
25,00 |
25,00 |
25,00 |
25,00 |
25,00 |
25,00 |
25,00 |
25,00 |
25,00 |
25,00 |
25,00 |
300 |
| 3. Содержание военизированной пожарной охраны |
120 |
120 |
120 |
120 |
120 |
120 |
120 |
120 |
120 |
120 |
120 |
120 |
1440,00 |
| 4. Содержание ВОХР |
166,67 |
166,67 |
166,67 |
166,67 |
166,67 |
166,67 |
166,67 |
166,67 |
166,67 |
166,67 |
166,67 |
166,67 |
2000,00 |
| 5. Содержание зданий и помещений аппарата управления |
133,33 |
133,33 |
133,33 |
133,33 |
133,33 |
133,33 |
116,67 |
116,67 |
116,67 |
116,67 |
116,67 |
116,67 |
1500,00 |
| 6. Прочие расходы |
211,67 |
211,67 |
211,67 |
256,67 |
256,67 |
256,67 |
287,67 |
287,67 |
287,67 |
220,00 |
220,00 |
220,00 |
2928,00 |
| Всего управленческих расходов |
940,00 |
940,00 |
940,00 |
985,00 |
985,00 |
985,00 |
999,33 |
999,33 |
999,33 |
931,67 |
931,67 |
931,67 |
11568,00 |
| амортизация |
11,00 |
11,00 |
11,00 |
11,00 |
11,00 |
11,00 |
11,00 |
11,00 |
11,00 |
11,00 |
11,00 |
11,00 |
132,00 |
| К выплате по управленческим расходам |
929,00 |
929,00 |
929,00 |
974,00 |
974,00 |
974,00 |
988,33 |
988,33 |
988,33 |
920,67 |
920,67 |
920,67 |
11436,00 |
Приложение М
Бюджет общехозяйственных расходов
| Наименование |
Январь |
Февраль |
Март |
Апрель |
Май |
Июнь |
Июль |
Август |
Сентябрь |
Октябрь |
Ноябрь |
Декабрь |
Всего за год |
| 1. Содержание прочего персонала |
18,33 |
18,33 |
18,33 |
18,33 |
18,33 |
18,33 |
18,33 |
18,33 |
18,33 |
18,33 |
18,33 |
18,33 |
220,00 |
| 2. Содержание зданий общехозяйственного назначения |
75,00 |
75,00 |
75,00 |
75,00 |
75,00 |
75,00 |
75,00 |
75,00 |
75,00 |
75,00 |
75,00 |
75,00 |
900,00 |
| 3. Содержание ОАСУ |
141,67 |
141,67 |
141,67 |
139,33 |
139,33 |
139,33 |
139,33 |
139,33 |
139,33 |
143,33 |
143,33 |
143,33 |
1691,00 |
| 4. Содержание дорог, ограждений и зелёных насаждений |
66,67 |
66,67 |
66,67 |
100,00 |
100,00 |
100,00 |
100,00 |
100,00 |
100,00 |
66,67 |
66,67 |
66,67 |
1000,00 |
| 5. Содержание заводских складов |
249,67 |
249,67 |
249,67 |
196,00 |
196,00 |
196,00 |
185,00 |
185,00 |
185,00 |
243,33 |
243,33 |
243,33 |
2622,00 |
| 6. Охрана труда и ТБ |
50 |
50 |
50 |
33,33 |
33,33 |
33,33 |
50 |
50 |
50 |
33,33 |
33,33 |
33,33 |
500,00 |
| 7. Расходы по БТИ |
20 |
20 |
20 |
20 |
20 |
20 |
20 |
20 |
20 |
20 |
20 |
20 |
240,00 |
| 8. Содержание ПКО |
90,33 |
90,33 |
90,33 |
81,67 |
81,67 |
81,67 |
80 |
80 |
80 |
89,00 |
89,00 |
89,00 |
1023,00 |
| 9. Содержание ГО |
31,67 |
31,67 |
31,67 |
28,33 |
28,33 |
28,33 |
26,67 |
26,67 |
26,67 |
29,67 |
29,67 |
29,67 |
349,00 |
| 10. Расходы по БРИЗ |
20 |
20 |
20 |
20 |
20 |
20 |
20 |
20 |
20 |
20 |
20 |
20 |
240,00 |
| 12. Налоги, прочие обязательные взносы и отчисления (кроме налога на прибыль) |
600,00 |
600,00 |
600,00 |
566,67 |
566,67 |
566,67 |
566,67 |
566,67 |
566,67 |
600,00 |
600,00 |
600,00 |
7000,00 |
| 13. Прочие расходы |
680,00 |
680,00 |
680,00 |
669,67 |
669,67 |
669,67 |
653,00 |
653,00 |
653,00 |
713,00 |
713,00 |
713,00 |
8147,00 |
| Планируемые общехозяйственные расходы |
2043,33 |
2043,33 |
2043,33 |
1948,33 |
1948,33 |
1948,33 |
1934,00 |
1934,00 |
1934,00 |
2051,67 |
2051,67 |
2051,67 |
23932,00 |
| амортизация |
350,00 |
350,00 |
350,00 |
350,00 |
350,00 |
350,00 |
350,00 |
350,00 |
350,00 |
350,00 |
350,00 |
350,00 |
4200,00 |
| К выплате по общехозяйственным расходам |
1693,33 |
1693,33 |
1693,33 |
1598,33 |
1598,33 |
1598,33 |
1584 |
1584 |
1584 |
1701,67 |
1701,67 |
1701,67 |
19732,00 |
Приложение Н
Бюджет производственной себестоимости, тыс.грн.
| Наименование |
Январь |
Февраль |
Март |
Апрель |
Май |
Июнь |
Июль |
Август |
Сентябрь |
Октябрь |
Ноябрь |
Декабрь |
Всего за год |
| 1 |
2 |
3 |
4 |
5 |
6 |
7 |
8 |
9 |
10 |
11 |
12 |
13 |
14 |
| Материалы |
|||||||||||||
| Аммиак |
9254,48 |
9256,00 |
9307,56 |
9523,04 |
9491,09 |
8928,03 |
6940,60 |
6972,56 |
7577,67 |
9770,31 |
9770,31 |
9770,31 |
106561,95 |
| Амселитра |
9411,73 |
9395,46 |
9120,32 |
8164,88 |
8131,84 |
7545,40 |
5469,65 |
5491,35 |
5904,13 |
7402,26 |
7402,26 |
7402,26 |
90841,55 |
| Дисперсия ПВА |
1303,64 |
1304,40 |
1321,82 |
1389,96 |
1396,67 |
1380,89 |
1303,87 |
1303,87 |
1297,77 |
1268,01 |
1268,01 |
1268,01 |
15806,93 |
| Карбамид |
8018,59 |
8005,30 |
7781,41 |
7005,14 |
7011,72 |
7150,56 |
7671,55 |
7681,46 |
7883,16 |
8631,76 |
8631,76 |
8631,76 |
94104,15 |
| Метанол |
4540,39 |
4526,60 |
4284,77 |
3432,66 |
3448,24 |
3743,24 |
4812,37 |
4815,81 |
4891,24 |
5177,63 |
5177,63 |
5177,63 |
54028,22 |
| Селитра калиевая |
73,26 |
74,23 |
92,33 |
157,47 |
157,47 |
157,87 |
159,83 |
159,83 |
160,24 |
162,23 |
162,23 |
162,23 |
1679,20 |
| Селитра натриевая |
346,63 |
344,48 |
305,94 |
168,89 |
168,89 |
169,32 |
171,41 |
171,41 |
171,85 |
173,98 |
173,98 |
173,98 |
2540,75 |
| Смола КФМТ-15 |
1397,71 |
1394,38 |
1336,80 |
1134,94 |
1134,94 |
1137,83 |
1151,96 |
1151,19 |
1139,90 |
1103,24 |
1103,24 |
1103,24 |
14289,37 |
| Соли углеаммония |
77,73 |
77,63 |
76,12 |
70,95 |
70,95 |
71,13 |
72,01 |
72,01 |
72,19 |
73,09 |
73,09 |
73,09 |
879,97 |
| Уксусная кислота |
5522,58 |
5509,96 |
5292,02 |
4528,83 |
4549,45 |
4940,14 |
6355,99 |
6326,29 |
5796,66 |
3918,64 |
3918,64 |
3918,64 |
60577,85 |
| Формалин |
1212,98 |
1210,78 |
1173,46 |
1043,63 |
1047,64 |
1123,98 |
1401,16 |
1397,26 |
1329,17 |
1089,65 |
1089,65 |
1089,65 |
14209,03 |
| Оплата труда |
|||||||||||||
| Аммиак |
25,10 |
25,10 |
25,12 |
25,45 |
25,45 |
24,95 |
18,27 |
18,27 |
18,77 |
25,34 |
25,34 |
25,34 |
282,50 |
| Амселитра |
61,37 |
61,37 |
60,74 |
52,45 |
52,45 |
51,20 |
34,62 |
34,62 |
35,43 |
46,16 |
46,16 |
46,16 |
582,72 |
| Дисперсия ПВА |
18,69 |
18,69 |
18,75 |
19,61 |
19,61 |
19,61 |
19,61 |
19,61 |
19,61 |
19,61 |
19,61 |
19,61 |
232,61 |
| Карбамид |
35,07 |
35,07 |
34,72 |
30,18 |
30,18 |
30,35 |
32,56 |
32,56 |
32,81 |
36,10 |
36,10 |
36,10 |
401,80 |
| Метанол |
8,23 |
8,23 |
8,09 |
6,13 |
6,13 |
6,30 |
8,47 |
8,47 |
8,51 |
8,98 |
8,98 |
8,98 |
95,49 |
| Селитра калиевая |
0,97 |
0,97 |
1,04 |
2,05 |
2,05 |
2,05 |
2,05 |
2,05 |
2,05 |
2,05 |
2,05 |
2,05 |
21,41 |
| Селитра натриевая |
8,87 |
8,87 |
8,55 |
4,26 |
4,26 |
4,26 |
4,26 |
4,26 |
4,26 |
4,26 |
4,26 |
4,26 |
64,63 |
| Смола КФМТ-15 |
41,74 |
41,74 |
41,15 |
33,39 |
33,39 |
33,39 |
33,39 |
33,39 |
33,26 |
31,51 |
31,51 |
31,51 |
419,36 |
| Соли углеаммония |
6,55 |
6,55 |
6,50 |
5,89 |
5,89 |
5,89 |
5,89 |
5,89 |
5,89 |
5,89 |
5,89 |
5,89 |
72,58 |
| Уксусная кислота |
25,32 |
25,32 |
24,98 |
20,46 |
20,46 |
21,00 |
28,28 |
28,28 |
27,51 |
17,18 |
17,18 |
17,18 |
273,14 |
| Формалин |
11,29 |
11,29 |
11,17 |
9,57 |
9,57 |
9,78 |
12,65 |
12,65 |
12,45 |
9,70 |
9,70 |
9,70 |
129,50 |
| Общепроизводственные расходы |
|||||||||||||
| Аммиак |
8930,63 |
8929,11 |
8877,52 |
9294,36 |
9326,32 |
9889,88 |
6841,87 |
6387,18 |
5519,26 |
8394,50 |
8037,83 |
7688,16 |
98116,61 |
| Амселитра |
4189,16 |
4205,28 |
4481,05 |
3693,23 |
3726,26 |
4313,95 |
2513,92 |
1088,07 |
1561,23 |
3622,11 |
3397,04 |
3192,23 |
39983,53 |
| Дисперсия ПВА |
258,84 |
257,32 |
244,41 |
253,49 |
169,83 |
138,21 |
153,87 |
124,90 |
162,78 |
150,04 |
147,11 |
145,20 |
2206,00 |
| Карбамид |
7406,37 |
7419,66 |
7643,89 |
6470,75 |
6464,17 |
6325,16 |
7086,81 |
7076,90 |
6874,95 |
7974,37 |
7974,37 |
7974,37 |
86691,79 |
| Метанол |
2787,34 |
2801,08 |
3043,07 |
2134,69 |
2119,12 |
1823,95 |
3031,31 |
2518,54 |
2299,10 |
2444,17 |
2294,55 |
2147,86 |
29444,77 |
| Селитра калиевая |
62,22 |
58,57 |
40,39 |
129,43 |
129,43 |
129,03 |
132,85 |
89,73 |
84,41 |
82,42 |
89,82 |
84,83 |
1113,13 |
| Селитра натриевая |
154,30 |
156,44 |
195,31 |
76,47 |
76,47 |
76,04 |
78,92 |
51,90 |
47,00 |
69,82 |
89,41 |
84,17 |
1156,24 |
| Смола КФМТ-15 |
1462,70 |
1466,04 |
1524,21 |
1199,84 |
1199,84 |
1196,94 |
1230,18 |
744,42 |
718,01 |
697,00 |
695,89 |
659,99 |
12795,06 |
| Соли углеаммония |
84,34 |
81,13 |
82,69 |
74,80 |
74,80 |
74,61 |
76,76 |
59,44 |
56,56 |
55,66 |
53,02 |
50,44 |
824,25 |
| Уксусная кислота |
5596,26 |
5608,85 |
5827,13 |
4634,55 |
4613,92 |
4222,68 |
6568,28 |
4934,87 |
5313,21 |
2787,48 |
2655,29 |
2526,06 |
55288,59 |
| Формалин |
487,76 |
456,39 |
493,83 |
398,03 |
394,03 |
317,47 |
544,18 |
434,67 |
466,80 |
480,49 |
259,06 |
232,43 |
4965,14 |
| 31419,91 |
31439,88 |
32453,52 |
28359,63 |
28294,17 |
28507,92 |
28258,94 |
23510,61 |
23103,31 |
26758,07 |
25693,40 |
24785,73 |
332585,10 |
|
| Производственная себестоимость |
|||||||||||||
| Аммиак |
18210,21 |
18210,21 |
18210,21 |
18842,85 |
18842,85 |
18842,85 |
13800,74 |
13378,01 |
13115,69 |
18190,16 |
17833,49 |
17483,81 |
204961,07 |
| Амселитра |
13662,26 |
13662,11 |
13662,11 |
11910,56 |
11910,56 |
11910,56 |
8018,19 |
6614,03 |
7500,78 |
11070,53 |
10845,46 |
10640,65 |
131407,80 |
| Дисперсия ПВА |
1581,17 |
1580,41 |
1584,99 |
1663,07 |
1586,11 |
1538,71 |
1477,35 |
1448,38 |
1480,17 |
1437,66 |
1434,73 |
1432,81 |
18245,54 |
| Карбамид |
15460,02 |
15460,02 |
15460,02 |
13506,07 |
13506,07 |
13506,07 |
14790,93 |
14790,93 |
14790,93 |
16642,23 |
16642,23 |
16642,23 |
181197,74 |
| Метанол |
7335,96 |
7335,92 |
7335,92 |
5573,49 |
5573,49 |
5573,49 |
7852,15 |
7342,82 |
7198,84 |
7630,78 |
7481,15 |
7334,47 |
83568,48 |
| Селитра калиевая |
136,44 |
133,77 |
133,77 |
288,94 |
288,94 |
288,94 |
294,72 |
251,61 |
246,70 |
246,70 |
254,09 |
249,11 |
2813,74 |
| Селитра натриевая |
509,80 |
509,80 |
509,80 |
249,61 |
249,61 |
249,61 |
254,59 |
227,57 |
223,10 |
248,06 |
267,65 |
262,41 |
3761,62 |
| Смола КФМТ-15 |
2902,15 |
2902,16 |
2902,16 |
2368,17 |
2368,17 |
2368,17 |
2415,53 |
1929,00 |
1891,17 |
1831,74 |
1830,63 |
1794,73 |
27503,79 |
| Соли углеаммония |
168,61 |
165,31 |
165,31 |
151,63 |
151,63 |
151,63 |
154,66 |
137,33 |
134,64 |
134,64 |
132,00 |
129,41 |
1776,81 |
| Уксусная кислота |
11144,16 |
11144,13 |
11144,13 |
9183,83 |
9183,83 |
9183,83 |
12952,55 |
11289,45 |
11137,39 |
6723,30 |
6591,12 |
6461,88 |
116139,58 |
| Формалин |
1712,03 |
1678,46 |
1678,46 |
1451,23 |
1451,23 |
1451,23 |
1958,00 |
1844,59 |
1808,42 |
1579,84 |
1358,41 |
1331,78 |
19303,66 |
Приложение О
Прогнозный отчет о прибылях и убытках
| Наименование |
Январь |
Февраль |
Март |
Апрель |
Май |
Июнь |
Июль |
Август |
Сентябрь |
Октябрь |
Ноябрь |
Декабрь |
Всего за год |
| Доход от реализации продукции |
84 890,81 |
85 444,59 |
87 495,25 |
77 792,65 |
77 426,11 |
80 108,38 |
79 946,99 |
77 359,50 |
80 783,21 |
88 972,22 |
95 235,24 |
96 917,96 |
1 012 372,91 |
| НДС |
5749,68 |
5749,68 |
5886,67 |
4987,42 |
5084,85 |
5186,54 |
5558,51 |
5092,42 |
5227,14 |
5577,56 |
5523,54 |
5524,52 |
65148,52 |
| Чистый доход от реализации продукции |
79 141,13 |
79 694,91 |
81 608,58 |
72 805,23 |
72 341,26 |
74 921,84 |
74 388,48 |
72 267,08 |
75 556,07 |
83 394,66 |
89 711,70 |
91 393,44 |
947 224,39 |
| Себестоимость реализованной продукции |
72563,39 |
72523,64 |
72786,88 |
65189,45 |
65112,50 |
65065,09 |
63969,41 |
59253,71 |
59527,83 |
65735,63 |
64670,96 |
63763,28 |
790161,76 |
| Валовая: |
|||||||||||||
| - прибыль |
6 577,75 |
7 171,27 |
8 821,70 |
7 615,78 |
7 228,77 |
9 856,75 |
10 419,07 |
13 013,38 |
16 028,24 |
17 659,03 |
25 040,74 |
27 630,15 |
157 062,63 |
| - убыток |
|||||||||||||
| Административные расходы |
2983,33 |
2983,33 |
2983,33 |
2933,33 |
2933,33 |
2933,33 |
2933,33 |
2933,33 |
2933,33 |
2983,33 |
2983,33 |
2983,33 |
35500,00 |
| Расходы на сбыт |
1 216,67 |
1 216,67 |
1 216,67 |
1 133,33 |
1 133,33 |
1 133,33 |
1 133,33 |
1 133,33 |
1 133,33 |
1 216,67 |
1 216,67 |
1 216,67 |
14 100,00 |
| Финансовый результат от операционной деятельности: |
2 377,75 |
2 971,27 |
4 621,70 |
3 549,12 |
3 162,10 |
5 790,08 |
6 352,41 |
8 946,71 |
11 961,58 |
13 459,03 |
20 840,74 |
23 430,15 |
107 462,63 |
| - доход |
2 377,75 |
2 971,27 |
4 621,70 |
3 549,12 |
3 162,10 |
5 790,08 |
6 352,41 |
8 946,71 |
11 961,58 |
13 459,03 |
20 840,74 |
23 430,15 |
107 462,63 |
| - убыток |
Приложение П
Бюджет движения денежных средств
| Наименование |
Январь |
Февраль |
Март |
Апрель |
Май |
Июнь |
Июль |
Август |
Сентябрь |
Октябрь |
Ноябрь |
Декабрь |
Всего за год |
| Денежные средства на начало периода |
7640 |
26764,54 |
24441,86 |
21878,80 |
20749,99 |
19782,73 |
18036,07 |
17431,65 |
21881,00 |
27373,11 |
32923,43 |
42261,85 |
7640 |
| Поступление денежных средств |
|||||||||||||
| От реализации продукции |
70213,70 |
84850,52 |
84661,35 |
80524,93 |
77800,00 |
77284,70 |
77942,71 |
77083,36 |
77989,91 |
82645,78 |
88850,26 |
93044,55 |
972891,77 |
| Денежные средства в распоряжении |
77853,70 |
111615,06 |
109103,20 |
102403,73 |
98549,99 |
97067,43 |
95978,78 |
94515,01 |
99870,91 |
110018,90 |
121773,69 |
135306,40 |
980531,77 |
| Расходование денежных средств |
|||||||||||||
| На основные материалы |
14817,50 |
49007,47 |
47706,70 |
46861,07 |
43940,32 |
43836,89 |
43316,40 |
42624,24 |
42896,79 |
44385,63 |
47920,70 |
46524,96 |
513838,67 |
| На оплату труда основного персонала |
3136,00 |
4998,00 |
4998,00 |
4998,00 |
4998,00 |
4998,00 |
4998,00 |
4998,00 |
4998,00 |
4998,00 |
4998,00 |
4998,00 |
58114,00 |
| Производственные накладные затраты |
29579,77 |
29599,73 |
30613,37 |
26519,49 |
26454,03 |
26667,78 |
26418,80 |
21670,47 |
21263,17 |
24917,93 |
23853,26 |
22945,58 |
310503,38 |
| Затраты на сбыт |
1 216,67 |
1 216,67 |
1 216,67 |
1 133,33 |
1 133,33 |
1 133,33 |
1 133,33 |
1 133,33 |
1 133,33 |
1 216,67 |
1 216,67 |
1 216,67 |
14100,00 |
| Административные расходы |
2622,33 |
2622,33 |
2622,33 |
2572,33 |
2572,33 |
2572,33 |
2572,33 |
2572,33 |
2572,33 |
2622,33 |
2622,33 |
2622,33 |
31168,00 |
| НДС |
-2482,27 |
-2470,17 |
-2131,84 |
-2336,66 |
-2236,93 |
-2083,14 |
-1543,57 |
-2016,19 |
-2017,66 |
-2176,60 |
-2230,62 |
-2229,64 |
-25955,28 |
| Налог на прибыль |
2199,17 |
2199,17 |
2199,17 |
1906,17 |
1906,17 |
1906,17 |
1651,83 |
1651,83 |
1651,83 |
1131,50 |
1131,50 |
1131,50 |
20666,00 |
| Всего расходование денежных средств |
51089,16 |
87173,20 |
87224,40 |
81653,74 |
78767,25 |
79031,37 |
78547,13 |
72634,01 |
72497,79 |
77095,47 |
79511,84 |
77209,40 |
922434,76 |
| Избыток (дефицит) денежных средств |
26764,54 |
24441,86 |
21878,80 |
20749,99 |
19782,73 |
18036,07 |
17431,65 |
21881,00 |
27373,11 |
32923,43 |
42261,85 |
58097,00 |
58097,00 |
Похожие рефераты:
Влияние федрального телевидения на региональные телевизионные каналы
Инвестиционная стратегия корпорации
Розробка заходів з підвищення ефективності операційної діяльності ВАТ "Дніпропетровськгаз"
Эффективность управления факторами производства в корпорациях оборонной промышленности России
Ефективність виробництва плодово-ягідної продукції
Облік та контроль фінансових результатів в умовах ТОВ "Клімат Індустрії"
Створення нового підприємства ресторанного бізнесу
Ефективність стратегії розвитку переробного підприємства молокопродуктового підкомплексу АПК України
Проблеми формування i виконання мiсцевих бюджетiв
Оцінка інвестиційної привабливості підприємства
Розвиток фінансового механізму газового комплексу України
Розрахунок основних економічних показників діяльності підприємства
Фінансова стійкість в економічній діагностиці сучасного підприємства