| Похожие рефераты | Скачать .zip |
Реферат: Лабораторные работы по физике
Нижегородский Государственный Технический Университет.
Лабораторная работа по физике №2-23.
Изучение основных правил работы с
радиоизмерительными приборами.
Выполнил студент
Группы 99 – ЭТУ
Наумов Антон Николаевич
Проверил:
Н. Новгород 2000г.
Цель работы: знакомство с основными характеристиками радиоизмерительных приборов, правилами их подключения к измеряемому объекту, методикой проведения измерений и оценкой их погрешностей.
Задание №1: Измерение напряжения сигнала генератора.
Приборы: генератор сигнала Г3, вольтметры В3 и В7.
Экспериментальная часть.
1). Установили на генераторе частоту выходного сигнала f = 5кГц, напряжение U = 2В.
Измерили вольтметром В3 выходное напряжение Ux=2В.
Погрешность измерения.
U=Ux
U=(2
0,4) B.
2). Измерили вольтметром В7 выходное напряжение Ux=2,01В.
Погрешность измерения.
U=Ux U=(2,01 0,01) B.
Задание №2: Анализ формы и измерение параметров синусоидального сигнала с помощью осциллографа.
Приборы: генератор сигнала Г3, вольтметры В3 и В7, осциллограф С1.
Экспериментальная часть.
1). Установили на генераторе Г3 напряжение U = 2В.
Измерили вольтметром В3 выходное напряжение Ux=2В; на вольтметре В7: Ux=2В.
Получили на экране осциллографа изображение:
АО=1,4 см, Х = 4
см.
Измерим амплитуду сигнала:

Показания осциллографа совпадают с показаниями вольтметров.
2). Измерили период (Т) и частоту сигнала (f):
![]()
Показания осциллографа совпадают со значением на шкале генератора.
Задание №3: Измерение частоты с помощью частотомера и осциллографа.
Приборы: генератор сигнала Г3, вольтметры В3 и В7, осциллограф С1, частотомер Ф.
Экспериментальная часть.
1). Измерили
частоту сигнала
частотомером:
![]()
Погрешность измерения:


Показания генератора: fx = 5кГц.
2). Рассчитаем частоту сигнала по показаниям осциллографа:
Х = 2 см.
![]()

Показания всех приборов совпадают.
Задание №4: Измерение фаз двух синусоидальных сигналов с помощью осциллографа.
Приборы: генератор сигнала Г3, осциллограф С1, схема RC.
Экспериментальная часть.
OA = 1,9 см, ОВ = 1,7 см.
Т.к.
,
а
- разность фаз
синусоидальных
сигналов, то

Задание №5: Анализ формы и измерение параметров импульсного сигнала с помощью осциллографа.
Приборы: генератор сигнала Г5, осциллограф С1.
Экспериментальная часть.
1).Установим длительность импульсов = 500 мкс, частоту повторений fП=490Гц, амплитуду Um=1,32B
2).Получили
на экране следующее
изображение:
Вычислим амплитуду импульсов:
![]()
Полученный результат совпадает с показаниями вольтметра генератора.
Измерим длительность импульсов:
![]()
Измерим период и частоту повторений импульсов:

Полученные результаты приблизительно совпадают с показаниями генератора.
Вывод: на этой работе мы ознакомились с основными характеристиками радиоизмерительных приборов, правилами их подключения к измеряемому объекту, методикой проведения измерений и оценкой их погрешностей.
НГТУ
Нижегородский Государственный Технический Университет.
Лабораторная работа по физике №2-24.
Экспериментальные исследования электростатических полей с помощью электролитической ванны
Выполнил студент
Группы 99 – ЭТУ
Наумов Антон Николаевич
Проверил:
Н. Новгород 2000г.
Цель работы: изучение метода моделирования электростатических полей в электролитической ванне и исследование их характеристик в пространстве между электродами различной формы.
Теоретическая часть.
Электростатическое поле - поле, создаваемое покоящимися электрическими зарядами.
Характеристиками
этого поля
являются
напряженность
и потенциал
,
которые связаны
между собой
следующим
соотношением:
.
В декартовой
системе координат:
,
где
единичные
орты.
Удобной моделью электрического поля является его изображение в виде силовых и эквипотенциальных линий.
Силовая
линия -
линия, в любой
точке которой
направление
касательной
совпадает с
направлением
вектора напряженности
![]()
Эквипотенциальная поверхность - поверхность равного потенциала.
На практике электростатические поля в свободном пространстве создаются заданием на проводниках - электродах электрических потенциалов.
Потенциал
в пространстве
между проводниками
удовлетворяет
уравнению
Лапласа:
.
В декартовой
системе координат
оператор Лапласа:
.
Решение
уравнения
Лапласа с граничными
условиями на
проводниках
единственно
и дает полную
информацию
о структуре
поля.
Экспериментальная часть.
Схема экспериментальной установки.
Методика эксперимента:

В эксперименте используются следующие приборы: генератор сигналов Г3 (I), вольтметр универсальный B7 (2) c зондом (3), электролитическая ванна (4) с набором электродов различной формы (5).
Устанавливаем в ванну с дистилированной водой электроды. Собираем схему, изображенную на РИС. 1. Ставим переключатель П в положение “U”. Подготавливаем к работе и включаем приборы. Подаем с генератора сигнал частоты f=5 кГц и напряжением U=5 В, затем ставим переключатель П в положение “S”. Далее, помещаем в ванну электроды различной формы ( в зависимости от задания ) и затем, водя по ванне зондом, определяем 4 - эквипотенциальные линии: 1B, 2B, 3B, 4B. И так далее для каждого задания.
Задание №1. Исследование электростатического поля плоского конденсатора.
Таблица 1. Зависимость потенциала от расстояния.
|
= (x),В |
x |
y |
= (x),В |
x |
y |
= (x),В |
x |
y |
= (x),В |
x |
y |
|
0 |
-11 |
0 |
1,38 |
-5 |
0 |
2,88 |
1 |
0 |
4,34 |
7 |
0 |
|
0,14 |
-10 |
0 |
1,62 |
-4 |
0 |
3,13 |
2 |
0 |
4,57 |
8 |
0 |
|
0,37 |
-9 |
0 |
1,88 |
-3 |
0 |
3,40 |
3 |
0 |
4,8 |
9 |
0 |
|
0,62 |
-8 |
0 |
2,14 |
-2 |
0 |
3,65 |
4 |
0 |
4,99 |
10 |
0 |
|
0,82 |
-7 |
0 |
2,37 |
-1 |
0 |
3,88 |
5 |
0 |
4,99 |
11 |
0 |
|
0,1 |
-6 |
0 |
2,64 |
0 |
0 |
4,10 |
6 |
0 |
Таблица 2. Эквипотенциальные линии.
|
= (x),В |
x |
y |
= (x),В |
x |
y |
= (x),В |
x |
y |
= (x),В |
x |
y |
|
1 |
-5,7 |
9 |
2 |
-1,6 |
9 |
3 |
2,6 |
9 |
4 |
6,6 |
9 |
|
1 |
-5,8 |
6 |
2 |
-1,5 |
6 |
3 |
2,5 |
6 |
4 |
6,4 |
6 |
|
1 |
-5,7 |
3 |
2 |
-1,5 |
2 |
3 |
2,5 |
3 |
4 |
6,5 |
3 |
|
1 |
-5,7 |
0 |
2 |
-1,5 |
0 |
3 |
2,5 |
0 |
4 |
6,5 |
0 |
|
1 |
-5,7 |
-3 |
2 |
-1,5 |
-3 |
3 |
2,6 |
-3 |
4 |
6,5 |
-3 |
|
1 |
-5,7 |
-6 |
2 |
-1,5 |
-6 |
3 |
2,6 |
-6 |
4 |
6,5 |
-6 |
|
1 |
-5,8 |
-9 |
2 |
-1,5 |
-9 |
3 |
2,6 |
-9 |
4 |
6,5 |
-9 |
Обработка результатов измерений.
1). График
зависимости
.
2). Зависимость
.
при x![]()
при
![]()
при x>x2
![]()
3). Погрешность измерения Е:

![]()
.
![]()
![]()
Е = (Е
Е)
= (25
0,15)![]()
4). Силовые и эквипотенциальные линии электростатического поля плоского конденсатора
5). Задача №1.
![]()
![]()
![]()


![]()

![]()
6). Задача №2.
; ![]()
![]()
Задание №2. Исследование электростатического поля цилиндрического конденсатора.
Радиусы цилиндров A =3,5 см, В=8,8см
Таблица
3. Зависимость
![]()
|
r),В |
r,см |
r),В |
r,см |
|
0,06 |
0 |
2,84 |
6 |
|
0,05 |
1 |
3,65 |
7 |
|
0,05 |
2 |
4,32 |
8 |
|
0,05 |
3 |
4,85 |
9 |
|
0,82 |
4 |
4,86 |
10 |
|
1,96 |
5 |
Таблица 4. Эквипотенциальные линии.
|
(x,y) |
x |
y |
(x,y) |
x |
y |
(x,y) |
x |
y |
(x,y) |
x |
y |
|
1 |
4 |
0 |
2 |
4,9 |
0 |
3 |
6,2 |
0 |
4 |
7,4 |
0 |
|
1 |
3,5 |
2 |
2 |
4,6 |
2 |
3 |
5,5 |
3 |
4 |
6,9 |
3 |
|
1 |
2,6 |
3 |
2 |
3 |
4 |
3 |
3,6 |
5 |
4 |
4,5 |
6 |
|
1 |
0 |
3,9 |
2 |
0 |
5 |
3 |
0 |
6,2 |
4 |
0 |
7,6 |
|
1 |
-2,6 |
3 |
2 |
-3,1 |
4 |
3 |
-3,7 |
5 |
4 |
-7 |
3 |
|
1 |
-3,6 |
2 |
2 |
-4,7 |
2 |
3 |
-5,5 |
3 |
4 |
-4,7 |
6 |
|
1 |
-4,2 |
0 |
2 |
-5,1 |
0 |
3 |
-6,3 |
0 |
4 |
-7,6 |
0 |
|
1 |
-3,7 |
-2 |
2 |
-4,8 |
-2 |
3 |
-5,3 |
-3 |
4 |
-6,8 |
-3 |
|
1 |
-2,9 |
-3 |
2 |
-3,2 |
-4 |
3 |
-3,6 |
-5 |
4 |
-4 |
-6 |
|
1 |
0 |
-4 |
2 |
0 |
-5,1 |
3 |
0 |
-6,2 |
4 |
0 |
-7,5 |
|
1 |
2,8 |
-3 |
2 |
-3 |
-4 |
3 |
3,6 |
-5 |
4 |
4,1 |
-6 |
|
1 |
3,6 |
-2 |
2 |
-4,7 |
-2 |
3 |
5,5 |
-3 |
4 |
7 |
-3 |
1). График зависимости r)
2). График зависимости ln r)
3). График зависимости E = E (r).
4). График зависимости E = E (1/r).
5). Эквипотенциальные линии.
6). Расчет линейной плотности на электроде.
![]()
7). Задача №1.
L = 1м

![]()

8). Задача №2.
r1 = 5см, r2 = 8см, l = 0,1м
![]()
![]()
Задание №3. Исследование электростатического поля вокруг проводников.
Таблица №5.
|
(x,y) |
x |
y |
(x,y) |
x |
y |
(x,y) |
x |
y |
(x,y) |
x |
y |
|
1 |
-3,6 |
8 |
2 |
0,8 |
8 |
3 |
5,9 |
9 |
4 |
7,2 |
3 |
|
1 |
-3,7 |
7 |
2 |
0,7 |
7 |
3 |
5,7 |
8 |
4 |
5,9 |
2 |
|
1 |
-3,7 |
6 |
2 |
0,5 |
6 |
3 |
5,2 |
7 |
4 |
5,4 |
1 |
|
1 |
-4 |
5 |
2 |
0,3 |
5 |
3 |
4,7 |
6 |
4 |
5,2 |
0 |
|
1 |
-4,7 |
4 |
2 |
0,2 |
4 |
3 |
4,4 |
5 |
4 |
5,4 |
-1 |
|
1 |
-5 |
3 |
2 |
0,1 |
3 |
3 |
4,1 |
4 |
4 |
6,2 |
-2 |
|
1 |
-5,2 |
2 |
2 |
0,6 |
-3 |
3 |
3,9 |
3 |
4 |
7,6 |
-3 |
|
1 |
-5,2 |
1 |
2 |
0,7 |
-4 |
3 |
3,8 |
2 |
|||
|
1 |
-5 |
0 |
2 |
1 |
-5 |
3 |
4,1 |
-2 |
|||
|
1 |
-4,9 |
-1 |
2 |
1,2 |
-6 |
3 |
4,4 |
-3 |
|||
|
1 |
-4,7 |
-2 |
2 |
1,4 |
-7 |
3 |
4,8 |
-4 |
|||
|
1 |
-4,4 |
-3 |
2 |
1,5 |
-8 |
3 |
5,5 |
-5 |
|||
|
1 |
-4,2 |
-4 |
2 |
1,6 |
-9 |
3 |
6 |
-6 |
|||
|
1 |
-4 |
-5 |
3 |
6,7 |
-7 |
||||||
|
1 |
-3,7 |
-6 |
3 |
7,3 |
-8 |
||||||
|
1 |
-3,6 |
-7 |
3 |
7,7 |
-9 |
1). Потенциал на электродах: пластинке и втулке постоянен, то есть они являются эквипотенциальными поверхностями. Внутри полости потенциал также постоянен.
Таблица 6.
|
(x,y) |
x |
y |
|
1,97 |
-3 |
0 |
|
1,95 |
3 |
0 |
|
1,96 |
2 |
-1 |
|
1,95 |
-3 |
-2 |
|
1,95 |
0 |
0 |
|
1,96 |
-1 |
0 |
2). Распределение потенциала вдоль линии, охватывающей пластинку и расположенной на расстоянии
L = 3 мм от её края.
Таблица 7.
|
(x,y) |
x |
y |
|
3,05 |
4 |
0 |
|
1,2 |
-4,2 |
0 |
|
1,92 |
0 |
-2,5 |
|
1,99 |
0 |
2 |
|
1,5 |
-3 |
2,1 |
|
1,31 |
-3 |
-3 |
|
2,23 |
2 |
-2 |
|
2,3 |
2 |
15 |
3). Эквипотенциальные линии.
4). Определение средней напряженности поля в нескольких точках вдоль силовой линии.
.
а).

б).

в).

5).
,
.
Таблица 8.
|
X, см |
y, см |
, Кл/м2 |
E, В/м |
, Дж/м3 |
|
4 |
0 |
3,2410-9 |
366,6 |
5,9510-7 |
|
-4,2 |
0 |
2,2110-9 |
250 |
2,7710-7 |
|
0 |
-5 |
8,8510-11 |
10 |
4,4310-10 |
|
0 |
2 |
1,1810-10 |
13,3 |
7,8210-10 |
|
-3 |
2,7 |
1,3310-9 |
150 |
9,9610-8 |
|
-3 |
-3 |
1,910-9 |
213 |
2,0010-7 |
|
2 |
-2 |
8,2310-10 |
93 |
3,8010-8 |
|
2 |
1,5 |
1,0210-9 |
116 |
5,9510-8 |
Вывод. В ходе работы получены картины силовых и эквипотенциальных линий плоском и цилиндрическом конденсаторах, а также вокруг проводника, помещенного в электростатическое поле. Установлено, что проводники и полости внутри них в электростатическом поле являются эквипотенциальными поверхностями.
В плоском конденсаторе поле сосредоточено между пластинами, оно является однородным, а потенциал изменяется линейно.
В цилиндрическом конденсаторе поле также сосредоточено между пластинами, его напряженность обратно пропорциональна расстоянию от оси конденсатора до точки измерения. Потенциал изменяется логарифмически.
Поток вектора напряженности поля через коаксиальные с электродами цилиндрические поверхности постоянен, что совпадает с теоретическими предположениями (теорема Гаусса).
НГТУ
Нижегородский Государственный Технический Университет.
Лабораторная работа по физике № 2-26.
Исследования магнитных полей в веществе.
Выполнил студент
Группы 99 – ЭТУ
Наумов Антон Николаевич
Проверил:
Н. Новгород 2000г.
Цель работы: получение зависимостей индукции магнитного поля, намагниченности и магнитной проницаемости ферромагнетика от напряженности магнитного поля; наблюдение петли гистерезиса для различных ферромагнетиков; изучение магнитных цепей.
Практическая ценность работы: экспериментально изучаются важнейшие свойства ферромагнетиков наличных марок: НМ 3000, НМ 600, ППГ (прямоугольная петля гистерезиса).
Теоретическая часть.
Опыт 1. Снятие основной кривой намагничивания (ОКН) ферромагнетика.
Схема экспериментальной установки.

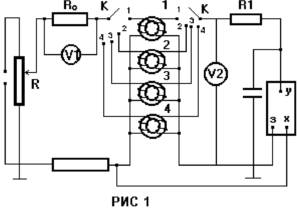
Cобрали цепь по схеме, показанной на РИС. 1. Для этого вольтметры V1 и V2 подключили к клеммам A-B и С-D - на верхней крышке макета соответственно. Переключатель К поставили в позицию 1. При этом исследовали трансформатор, кольцевой сердечник которого выполнен из ферита марки НМ 600, сопротивление R0=1 Ом. Таким образом, показания вольтметров численно равны: V1 - эффективному значению тока, текущего в текущей обмотке исследуемого трансформатора; V2 - эффективному значению ЭДС во вторичной обмотке. С помощью движка потенциометра R установили ток равный 0,5 А и плавно уменьшили его до нуля. Сняли показания вольтметров V1 и V2.
Данные для расчетов:

Используемые формулы:
![]()
![]()
Таблица № 1. Результаты расчетов.
| № |
U1, В |
2, В |
Im, А |
m, В |
Hm,А/м |
Вm102,Тл |
Jm10-3,А/м |
102 |
|
1 |
0,04 |
0,01 |
0,06 |
0,02 |
3,75 |
0,1 |
0,78 |
2,1 |
|
2 |
0,10 |
0,18 |
0,14 |
0,25 |
8,75 |
1,6 |
12,77 |
14,6 |
|
3 |
0,14 |
0,34 |
0,20 |
0,48 |
12,50 |
3,1 |
24,61 |
19,7 |
|
4 |
0,21 |
0,73 |
0,30 |
1,03 |
18,75 |
6,6 |
52,50 |
28,0 |
|
5 |
0,29 |
1,13 |
0,41 |
1,60 |
25,63 |
10,2 |
81,25 |
31,7 |
|
6 |
0,36 |
1,42 |
0,51 |
2,01 |
31,88 |
12,8 |
102,02 |
32,0 |
|
7 |
0,40 |
1,57 |
0,57 |
2,22 |
35,63 |
14,1 |
112,23 |
31,5 |
|
8 |
0,48 |
1,79 |
0,68 |
2,53 |
42,50 |
16,1 |
127,93 |
30,1 |
|
9 |
0,54 |
1,91 |
0,76 |
2,70 |
47,50 |
17,2 |
136,80 |
28,8 |
|
10 |
0,59 |
1,99 |
0,83 |
2,81 |
51,86 |
17,9 |
142,62 |
27,5 |
|
11 |
0,65 |
2,10 |
0,92 |
2,97 |
57,50 |
18,9 |
150,08 |
26,1 |
|
12 |
0,70 |
2,14 |
0,99 |
3,03 |
61,88 |
19,3 |
153,46 |
24,8 |
|
13 |
0,76 |
2,22 |
1,07 |
3,14 |
66,88 |
20,0 |
159,17 |
23,8 |
|
14 |
0,84 |
2,29 |
1,19 |
3,24 |
74,38 |
20,6 |
164,38 |
22,1 |
|
15 |
0,90 |
2,33 |
1,27 |
3,30 |
79,38 |
21,0 |
167,49 |
21,1 |
|
16 |
0,95 |
2,36 |
1,34 |
3,34 |
83,75 |
21,3 |
169,18 |
20,2 |
|
17 |
1,00 |
2,40 |
1,41 |
3,39 |
88,13 |
21,6 |
171,85 |
19,5 |
Опыт 2. Наблюдение петли гистерезиса.

Для изготовления постоянного магнита лучше использовать ППГ, так как его коэрцитивная сила больше, чем у НМ-3000, а поэтому его сложней размагнитить.
Для изготовления сердечника силового трансформатора лучше взять ферромагнетик с меньшей коэрцитивной силой, чтобы снизить затраты на его перемагничивание.
Опыт 3. Исследование сердечника с зазором.

![]()
Графики.
График зависимости В=В(Н) График зависимости =(Н)


График зависимости J=J(H)
Вывод: на этой работе мы получили зависимости индукции магнитного поля, намагниченности и магнитной проницаемости ферромагнетика от напряженности магнитного поля; наблюдали за петлей гистерезиса для различных ферромагнетиков; изучили магнитные цепи.
НГТУ
Нижегородский Государственный Технический Университет.
Лабораторная работа по физике №2-27.
Исследование электрических колебаний.
Выполнил студент
Группы 99 – ЭТУ
Наумов Антон Николаевич
Проверил:
Н. Новгород 2000г.
Цель работы: экспериментальное исследование собственных и вынужденных колебаний тока и напряжения на элементах в колебательном контуре; измерение параметров контура: индуктивности L, сопротивления R, добротности Q; исследование прохождения синусоидального тока через LCR-цепь.
Теоретическая часть.
Рисунок 1.
Уравнение,
которому
удовлетворяет
ток I в
колебательном
контуре (рис.1)
с подключенным
к нему генератором
синусоидальной
ЭДС =0cost
имеет
вид:
(1)
где:
-
коэффициент
затухания.
-
собственная
круговая частота,
R -
сопротивление
резистора, L
- индуктивность
катушки, С - емкость
конденсатора,
;
0,
- амплитуда и
круговая частота
синусоидальной
ЭДС.
Общее решение неоднородного линейного уравнения (1):
(2)
где:
-
круговая частота
собственных
затухающих
колебаний тока.
и
-
начальные
амплитуда и
фаза собственных
колебаний.
I0 - амплитуда вынужденных колебаний тока.
- разность фаз между ЭДС и током.
(3)
(4)
-
импеданс цепи.
-
индуктивное
сопротивление,
-
емкостное
сопротивление.
Собственные
колебания:
![]()
Если 2
<02,
то есть R<2
,
то
- действительная
и собственная
частота колебаний
представляет
собой квазипериодический
процесс с круговой
частотой ,
,
периодом
,
и затухающей
амплитудой
(рис
1).
За характерное
время
(
- время релаксации)
амплитуда тока
уменьшается
в е
раз, то есть
эти колебания
практически
затухают.
-
добротность
контура.
Если 2 02, то - мнимая частота, и колебания представляют собой апериодический процесс.
-
критическое
сопротивление.
Вынужденные колебания: c течением времени первый член в формуле (2) обращается в ноль и остается только второй, описывающий вынужденные колебания тока в контуре.
-
амплитуда
вынужденных
колебаний
напряжения
на резисторе
R.
При совпадении частоты ЭДС с собственной частотой контура (0), амплитуды колебаний тока и напряжения UR0 на резисторе максимальны. Большой селективный отклик колебательной системы на периодическое внешнее воздействие называется резонансом.
Экспериментальная часть.
Результаты эксперимента:
| № |
f, кГц |
ЭФ, мВ |
UR ЭФ, мВ |
a |
b |
|
|
|
1 |
180 |
200 |
24 |
4,0 |
3,4 |
1,2 |
58 |
|
2 |
190 |
190 |
32 |
5,2 |
4,0 |
1,7 |
51 |
|
3 |
195 |
185 |
38 |
6,0 |
4,3 |
2,0 |
48 |
|
4 |
200 |
180 |
45 |
2,8 |
2,0 |
2,5 |
46 |
|
5 |
205 |
170 |
54 |
3,2 |
2,0 |
3,2 |
38 |
|
6 |
210 |
155 |
63 |
3,8 |
2,0 |
4,1 |
32 |
|
7 |
215 |
142 |
72 |
4,2 |
1,0 |
5,1 |
14 |
|
8 |
218 |
138 |
75 |
4,4 |
0,0 |
5,4 |
0 |
|
9 |
220 |
135 |
76 |
4,3 |
0,5 |
5,6 |
6 |
|
10 |
225 |
140 |
73 |
4,2 |
1,8 |
5,2 |
25 |
|
11 |
230 |
150 |
65 |
3,8 |
2,6 |
4,3 |
43 |
|
12 |
235 |
165 |
56 |
3,5 |
2,6 |
3,4 |
48 |
|
13 |
240 |
175 |
48 |
3,0 |
2,7 |
2,7 |
64 |
|
14 |
250 |
180 |
36 |
2,2 |
2,1 |
2,0 |
76 |
|
15 |
260 |
195 |
28 |
1,8 |
1,7 |
1,4 |
90 |
|
16 |
270 |
200 |
22 |
1,6 |
1,6 |
1,1 |
90 |
|
17 |
280 |
200 |
18 |
1,3 |
1,3 |
0,9 |
90 |
|
18 |
290 |
200 |
15 |
1,0 |
1,0 |
0,8 |
90 |
|
19 |
300 |
205 |
12 |
1,0 |
1,0 |
0,6 |
90 |
Задание 1. Исследование зависимости амплитуды вынужденных колебаний от частоты (резонансная кривая).
Исходные данные:Uвых=200 мВ, ЭФ=200 мВ. f[180;300] кГц.
Расчеты необходимых величин:
f
0=
220 кГц - частота
резонанса.
![]()
Строим график
зависимости


,где
1
и 2
- значения
частот на уровне
![]()

Из экспериментального
графика
видно, что он
по своей форме
совпадает с
графиком, полученным
теоретически
из формулы:
Исследование зависимости разности фаз между ЭДС и током в контуре.
Из экспериментального графика =F(f) получаем: f 0=218 кГц.

Сравнивая полученные результаты с результатами из предыдущего опыта видно, что различие в величинах 0 и L незначительны.

Можно сделать вывод, что при резонансной частоте XLXC и величина импеданса цепи минимальна.
Рисунок 2.
Задание 2.Исследование собственных электрических колебаний.
На данном рисунке представлена форма затухающих колебаний напряжения UC на конденсаторе, полученная с помощью осциллографа. Изображение совпадает с теоретическим графиком.
Из графика: Т=22,410-6с - период колебаний.
=23,810-6с - время релаксации.
![]()



Задание 3. Исследование прохождения синусоидального тока через LCR - цепь
.
-
f,кГц
UВЫХЭФ,10-3В
U0ВЫХ,10-3В
150
41
56
160
33
46
170
27
38
180
22
31
190
14
19
200
9
13
205
6
8
210
3
4
215
1
2
218
0
0
220
0
0
225
1
2
230
2
3
235
4
6
240
5
7
250
9
13
260
13
18
270
17
24
280
22
31
290
25
35
300
30
42
![]()
Построим график U0ВЫХ =F(f). Резонансная частота из графика равна: f0 =220 кГц.
![]()
![]()
При
этом импеданс
цепи является
бесконечно
большим и ток
в цепи не протекает.
R=50 Ом, f=2 МГц.

Погрешности измерений.
Задание 1.
1) Погрешность f0 : f определяли на частотомере
![]()
2) Погрешность L:
3) Погрешность Q:
![]()
4) Погрешность R:
R =5% R=3,1Ом
5) Погрешность
XL:
![]()
![]()
6) Погрешность XC:
![]()
7) Погрешность :

Вывод: на этой работе мы экспериментально исследовали собственные и вынужденные колебания тока и напряжения на элементах в колебательном контуре; измерили параметры контура: индуктивности L, сопротивления R, добротности Q; исследовали прохождение синусоидального тока через LCR-цепь.
НГТУ
Нижегородский Государственный Технический Университет.
Лабораторная работа по физике №2-28.
Экспериментальные исследования электромагнитной индукции.
Выполнил студент
Группы 99 – ЭТУ
Наумов Антон Николаевич
Проверил:
Н. Новгород 2000г.
Цель работы: экспериментальное исследование зависимости ЭДС индукции от ориентации контура в магнитном поле, измерение взаимной индуктивности двух индуктивно связанных катушек, индуктивности одной из них, исследование зависимости поля от времени в RL-цепи при переходных процессах.
Теоретическая часть.
Схема экспериментальной установки.

Опыт 1. Исследование электромагнитной индукции, взаимоиндукции, самоиндукции.
f=200 Гц, U=8 В - на генераторе, Uv1 = 8 В - эффективное.
(угол между катушками)=0.
Снимаем значения с L1 и L2:
U (L1)=0,19
В, U
(L2)=0,04
В, на осциллографе
получаем:
Развертка 2 мс/см.
Um=![]()
![]()
![]()
Гц.
![]()
Опыт 2. Исследование зависимости ЭДС индукции (взаимоиндукции) от частоты (скорости) изменения магнитного поля.
F[200, 2000] Гц; f=200 Гц; Uэффект=8 В.
;
![]()
|
f,Гц |
200 |
400 |
600 |
800 |
1000 |
1200 |
1400 |
1600 |
1800 |
2000 |
|
2,B |
0,04 |
0,10 |
0,15 |
0,20 |
0,27 |
0,32 |
0,37 |
0,43 |
0,49 |
0,54 |
![]()
21(f=400
Гц)=
;
![]()
Расчет погрешности:
![]()
![]()
Опыт 3. Исследование зависимости ЭДС индукции от ориентации контура в магнитном поле.
f=2000 Гц;
[0;180];
= 15;![]()
![]()
| |
0 |
15 |
30 |
45 |
60 |
75 |
90 |
105 |
120 |
135 |
150 |
165 |
180 |
|
2(ЭФ),В |
0,55 |
0,51 |
0,43 |
0,33 |
0,23 |
0,08 |
0 |
0,08 |
0,20 |
0,30 |
0,42 |
0,50 |
0,55 |
|
2(ТЕОР),В |
0,49 |
0,47 |
0,42 |
0,35 |
0,24 |
0,12 |
0 |
-0,12 |
-0,24 |
-0,35 |
-0,42 |
-0,47 |
-0,49 |
Опыт 4. Исследование зависимости ЭДС самоиндукции от частоты синусоидального сигнала.
f[500;2000] Гц; f=250 Гц, R1=16000 Ом.

|
f,Гц |
500 |
750 |
1000 |
1250 |
1500 |
1750 |
2000 |
|
1ЭФ,В |
0,50 |
0,74 |
0,99 |
1,22 |
1,49 |
1,73 |
1,98 |
|
XL,Ом |
707,34 |
1046,86 |
1400,53 |
1725,91 |
2107,87 |
2447,39 |
2801,06 |
![]()
Расчет погрешностей:

![]()
Опыт 5. Исследование переходных процессов в LR - цепи.
U=1 мс, f=100 Гц, U0=3 B.
Вывод: Экспериментально исследовали зависимость ЭДС индукции от ориентации контура в магнитном поле, измерили взаимную индуктивность двух индуктивно связанных катушек и нашли индуктивность одной из них. Исследовали зависимость тока от времени в LR-цепи при переходных процессах.
НГТУ
Нижегородский Государственный Технический Университет.
Лабораторная работа по физике №2-30.
Экспериментальные исследования диэлектрических
свойств материалов.
Выполнил студент
Группы 99 – ЭТУ
Наумов Антон Николаевич
Проверил:
Н. Новгород 2000г.
Цель работы: определение диэлектрической проницаемости и поляризационных характеристик различных диэлектриков, изучение электрических свойств полей, в них исследование линейности и дисперсии диэлектрических свойств материалов.
Теоретическая часть:
Схема экспериментальной установки.

Собираем схему, изображенную на РИС. 1. Ставим переключатель SA в положение 1. Подготавливаем к работе и включаем приборы. Подаем с генератора сигнал частоты f=60 кГц и напряжением U=5 В, затем по вольтметру PV1 установить напряжение U1=5 В. Далее, вращая подвижную пластину, измеряем напряжение U2 для конденсатора без диэлектрика и 4-x конденсаторов с диэлектриками одинаковой толщины. При этом напряжение U1 поддерживаем постоянным.
Напряженность
поля между
пластинами
в вакууме Е0
вычисляется
по формуле:
где
При внесении
пластины в это
поле диэлектрик
поляризуется
и на его поверхности
появляются
связанные
заряды с поверхностной
плотностью
.
Эти заряды
создают в диэлектрике
поле
,
направленное
против внешнего
поля
,
и имеет величину:
.
Результирующее
поле:
.
В электрическом
поле вектор
поляризации:
,
где
- диэлектрическая
восприимчивость
вещества. Связь
модуля вектора
поляризации
с плотностью
связанных
зарядов:
.
относительная
диэлектрическая
проницаемость
диэлектрика.
Вектор электрической
индукции
.
Этот вектор
определяется
только свободными
зарядами и
вычисляется
как
.
В рассматриваемой
задаче на поверхности
диэлектрика
их нет. Вектор
D связан
с вектором Е
следующим
соотношением
.
Экспериментальная часть:
В данной
работе используются
формулы:
,
где S -
площадь
пластины
конденсатора,
d -
расстояние
между ними.
Диэлектрическая
проницаемость
материала:
.
Для емкости
конденсатора
имеем:
,
где U1
- напряжение
на RC
цепи, U2
-
напряжение
на сопротивлении
R, f - частота
переменного
сигнала. В плоском
конденсаторе
напряженность
связана с напряжением
U1
как:
![]()
Опыт №1. Измерение диэлектрической проницаемости и характеристик поляризации материалов.
U1= 5В, R=120Ом, f=60 кГц, d=0,002м.
|
Материал |
U2, мВ |
|
Воздух |
40 |
|
Стеклотекстолит |
97 |
|
Фторопласт |
61 |
|
Гетинакс |
89 |
|
Оргстекло |
76 |
СВ =176
пкФ; ССТ
=429 пкФ;
СФП=270 пкФ; СГН=393 пкФ; СОС=336 пкФ;
;
;
;
;
Для гетинакса подсчитаем:
;
;
;
;
;
;
;
;
Расчет погрешностей:
;
;
;
;
;
![]()
(так как
).
; ![]()
![]()
Опыт № 2. Исследование зависимости = f(E).
R=120Ом, f=60 кГц, d=0,002м.
![]()
|
U1, В |
U2, В (воздух) |
U2, В (гетинакс) |
С0, пкФ |
С, пкФ |
Е, В/м |
|
|
1 |
0,009 |
0,019 |
200 |
420 |
500 |
2,10 |
|
2 |
0,016 |
0,036 |
177 |
398 |
1000 |
2,24 |
|
3 |
0,025 |
0,052 |
184 |
387 |
1500 |
2,09 |
|
4 |
0,031 |
0,070 |
171 |
384 |
2000 |
2,26 |
|
5 |
0,039 |
0,086 |
172 |
380 |
2500 |
2,21 |
График зависимости = f(E) - приблизительно прямая, так как диэлектрическая проницаемость не зависит от внешнего поля.
Опыт № 3. Исследование зависимости диэлектрической проницаемости среды от частоты внешнего поля.
U1= 5В, R=120Ом.
![]()
|
f, кГц |
U2, В (воздух) |
U2, В (гетинакс) |
ХС, кОм (гетинакс) |
С0, пкФ |
С, пкФ |
|
|
20 |
0,015 |
0,030 |
20,0 |
199 |
398 |
2,00 |
|
40 |
0,029 |
0,059 |
10,2 |
192 |
391 |
2,04 |
|
60 |
0,041 |
0,089 |
6,7 |
181 |
393 |
2,07 |
|
80 |
0,051 |
0,115 |
5,2 |
169 |
381 |
2,25 |
|
100 |
0,068 |
0,146 |
4,1 |
180 |
387 |
2,15 |
|
120 |
0,078 |
0,171 |
3,5 |
172 |
378 |
2,18 |
|
140 |
0,090 |
0,197 |
3,0 |
181 |
373 |
2,18 |
|
160 |
0,101 |
0,223 |
2,7 |
167 |
370 |
2,21 |
|
180 |
0,115 |
0,254 |
2,4 |
169 |
374 |
2,21 |
|
200 |
0,125 |
0,281 |
2,2 |
166 |
372 |
2,24 |
По графику зависимости = F(f) видно, что диэлектрическая проницаемость среды не зависит от частоты внешнего поля. График зависимости ХС=F(1/f) подтверждает, что емкостное сопротивление зависит от 1/f прямо пропорционально.
Опыт № 4. Исследование зависимости емкости конденсатора от угла перекрытия диэлектрика верхней пластиной.
U1= 5В, R=120Ом, f=60 кГц, d=0,002м, r=0,06м, n=18.

![]()
![]()
|
,0 |
U2,В |
С, пкФ |
Стеор, пкФ |
|
0 |
0,039 |
172 |
150 |
|
10 |
0,048 |
212 |
181 |
|
20 |
0,056 |
248 |
212 |
|
30 |
0,063 |
279 |
243 |
|
40 |
0,072 |
318 |
273 |
|
50 |
0,080 |
354 |
304 |
|
60 |
0,089 |
393 |
335 |
Опыт № 5. Измерение толщины диэлектрической прокладки.
U1= 5В, R=120Ом, f=60 кГц.
Схема конденсатора с частичным заполнением диэлектриком.
U2 (стеклотекстолит тонкий)=0,051В,
U2 (стеклотекстолит толстый)=0,093В,
U2 (воздух)=0,039В.
![]()
С0 =172пкФ - без диэлектрика;
С1 = 411пкФ - стеклотекстолит толстый;
С1 = 225пкФ - стеклотекстолит тонкий.
;
;
;
;
;
;
;
![]()
Вывод: На этой работе мы определили диэлектрическую проницаемость и поляризационные характеристики различных диэлектриков, изучили электрические свойства полей, в них исследовали линейность и дисперсность диэлектрических свойств материалов.
Похожие рефераты:
Оборудование летательных аппаратов
Дистанционный комплекс контроля функционального состояния
Синхронные машины. Машины постоянного тока
Методы позиционирования и сжатия звука
Разработать лабораторный стенд для испытания устройств защиты судовых генераторов
Обработка результатов измерений
Кинематика и динамика поступательного движения
Электронные схемы для дома и быта
Статистический анализ числовых величин (непараметрическая статистика)


