| Похожие рефераты | Скачать .zip |
Реферат: Компенсационный метод измерения
Компенсационный метод (метод противопоставления) измерения заключается в уравновешивании, осуществляемом включением на индикатор равновесия либо двух электрически

Рис. 7.2, Схема компенсации напряжений
не связанных между собой, но противоположно направленных напряжений или ЭДС, либо двух раздельно регулируемых токов. Компенсационный метод используют для непосредственного сравнения напряжений или ЭДС, тока и косвенно для измерения других электрических, а также неэлектрических величин, преобразуемых в электрические.
Применяют следующие схемы компенсации: а) напряжений или ЭДС (рис. 7.2); б) электрических токов (рис. 7.3).

Рис. 7.3. Схема компенсации токов
Схема, показанная на рис. 7.2, наиболее распространенная. В ней измеряемое напряжение Ux компенсируется равным, но противоположным по знаку известным напряжением UK. Падение напряжения UK создается током / на изменяемом по значению компенсирующем образцовом сопротивлении RK. Изменение Rк происходит до тех пор, пока UK не будет равно Ux. Момент компенсации определяют по отсутствию тока в цепи магнитоэлектрического гальванометра G; при этом мощность от объекта измерения не потребляется.
Компенсационный метод обеспечивает высокую точность измерения.
Компенсаторами или потенциометрами называют устройства, предназначенные для измерения методом компенсации напряжения или э.д.с., а также ряда других электрических величин, связанных с напряжением или э.д.с. с функциональной зависимостью (например, I, P, R, и др.).
В практических схемах компенсаторов для обеспечения необходимой точности измерения ток I в рабочей цепи определяют не амперметром непосредственной оценки, а компенсационным методом с помощью эталона ЭДС нормального элемента. Нормальные элементы обеспечивают постоянную во времени ЭДС, равную 1,01865 В при температуре 20 °С, внутреннее сопротивление 500—1000 Ом, ток перегрузки 1 мкА. С изменением температуры окружающей среды значение ЭДС уменьшается на каждый градус повышения температуры:
Et = E20 - 0,00004 (t - 20) - 0,000001 (t ~ 20)2, (7.3)
где E t — ЭДС при температуре t, °С; E20 — ЭДС при 20 °С.
Схема компенсатора представлена на рис. 7.4. Она содержит источник вспомогательной ЭДС Eвсп для питания рабочей цепи, в которую включают регулировочное Rp, компенсирующее RK и образцовое RH сопротивления. К зажимам НЭ подключают нормальный элемент, ЭДС которого Eнэ, к зажимам X — искомую ЭДС Ех. В качестве индикатора равновесия используют высокочувствительный магнитоэлектрический гальванометр G.
При работе с Компенсатором выполняют две операции:
1) устанавливают ток / в рабочей цепи компенсатора с помощью источника вспомогательной ЭДС Eвсп (положение 1 переключателя В);
2) измеряют искомую ЭДС Ех (положение 2 переключателя В).
Для установки рабочего тока предварительно определяют температуру окружающей среды, затем по (7.3) вычисляют точное значение ЭДС нормального элемента для данной температуры. Далее устанавливают образцовое сопротивление RH, значение которого выбирают в зависимости от значений тока в рабочей цепи и ЭДС при температуре t (сопротивление RK состоит из катушки с постоянным значением сопротивления и последовательно соединенной с ней температурной декадой). Затем переключатель В ставят в положение 1 и ЭДС

Рис. 7.4. Схема компенсатора
нормального элемента противопоставляют падению напряжения на Ru, которое регулируется с помощью изменяющего значение тока / в рабочей цепи резистором Rp. Момент компенсации соответствует нулевому отклонению гальванометра G, т. е. Eнэ = IRn.
После установления рабочего тока I для измерения Ех переключатель В ставят в положение 2 и регулировкой образцового компенсирующего сопротивления Rк вновь доводят до нуля ток в цепи гальванометра G. Тогда
(7.4)
где I — значение тока, установленное при положении 1 переключателя В;RK— значение образцового компенсирующего сопротивления, при котором имеет место состояние равновесия.
Сопротивление RK выполняют по специальным схемам, которые обеспечивают постоянное сопротивление между точками 3, 4 и переменное сопротивление между точками 3, Д, а также необходимое число знаков и точность отсчета.
Указанным условиям удовлетворяют схемы с замещающими (рис. 7.5) и шунтирующими декадами (рис. 7.6). В схеме с замещающими декадами все секции верхних декад полностью дублированы соответствующими секциями нижних декад. Переключатели двух одинаковых декад связаны механически. При перемещении переключателей общее сопротивление остается неизменным: если уменьшаются значения сопротивлений верхних декад, то увеличиваются значения сопротивлений нижних декад, и наоборот. Компенсирующее напряжение можно снимать с верхних или нижних декад. Каждая последующая декада имеет сопротивление секции в десять раз меньше предыдущей. Р схеме с шунтирующими декадами при каждом положении двойных переключателей одна секция верхней декады шунтируется девятою секциями нижней декады, при этом

Рис. 7.5, Схема с замещающими декадами
общее сопротивление между точками 3 и 4 (см. рис. 7.4) остается неизменным. Ток через ceкции сопротивлений нижней декады Г в десять раз меньше тока ' через секции сопротивлений верхней декады, т. е.
![]()
Компенсирующее напряжение можно определить так:
UK=mUA + Nuб,
где m, n — соответственно число включенных секций верхней и нижней декад; ua, U б — падения напряжения на отдельных секциях соответствующих декад.
Рассмотренные варианты выполнения сопротивления RK обеспечивают неизменность его полного значения, а следовательно, и неизменность тока I в момент компенсации, если ЭДС вспомогательного источника Eвсп — const.
В зависимости от значения сопротивления рабочей цепи различают компенсаторы постоянного тока большого сопротивления (высокоомные 10—40 кОм, ток рабочей цепи 10~3 — 10~4 А, порядок измеряемого напряжения 1—2,5 В, погрешность измерения 0,02 % от измеряемой величины) и малого сопротивления (низкоомные 10-1000 Ом; ток рабочей цепи 0,1- 0.001 А, порядок измеряемого напряжения до 100Мв, погрешность

измерения 0,5% от измеряемого значения.
Высокоомные компенсаторы применяются для измерений в высокоомных цепях, где из-за условий успокоения гальванометра и согласования его сопротивления с сопротивлением схемы применяют высокоомные гальванометры, а потому целесообразно иметь высокоомный и цепь самого компенсатора. Низкоомные компенсаторы применяются в противоположных условиях. Высокоомные компенсаторы рассчитываются на измерение напряжений порядка I—2,5 в, имеют рабочий ток в главной рабочей цепи 10~s —10 ~* а и сопротивление этой цепи 10000—40000 ом.
Низкоомные компенсаторы рассчитаны на измерение напряжений менее 100 мв , сопротивление главной рабочей цепи их имеет величину от десятков до 2000 ом и ток в главной рабочей цепи 10 ~1—10~3 а.
Как высокоомные, так и низкоомные компенсаторы предназначены для поверки измерительных приборов и мер (шунтов, делителей, измерительных катушек, нормальных элементов и пр.), а также для выполнения всякого рода рабочих измерений.
Компенсационный метод относится к наиболее точным среди методов и приборов, предназначенных для измерения напряжений: погрешность его может иметь порядок 0,01% и даже 0,0011%.
В компенсаторе постоянного тока, как и в любом другом приборе, построенном на косвенном методе измерения, результирующая погрешность измерения (абсолютная или относительная) является функцией частных погрешностей, вносимых каждым элементом схемы. В компенсаторе к таким элементам относятся нормальный элемент, гальванометр, сопротивления RH и R—чем точнее выполнены эти элементы, тем точнее результат измерения.
Своей высокой точности компенсаторы постоянного тока обязаны присутствию в схеме нормального элемента, э. д. с. которого известна с точностью до тысячных долей процента, с которым (косвенным образом) производится сравнение неизвестного напряжения или э. д. с.
Для облегчения расчета допустимой погрешности измерения большая часть современных компенсаторов снабжается формулой, указанной в инструкции к пользованию прибором. В этой формуле допустимые для данного компенсатора погрешности, возникающие за счет несовершенства изготовления элементов схемы, остающиеся постоянными в процессе измерений, объединяются в постоянный член уравнения и не требуют постоянного пересчета.
Переменной величиной в формуле является сопротивление Rbc, которое в процессе работы может принимать разные значения в зависимости от порядка измеряемого напряжения и от опыта экспериментатора.
При измерении ЭДС источников с большим внутренним сопротивлением или напряжений, действующих в высокоомных цепях, входное сопротивление магнитоэлектрических и электронных вольтметров может быть недостаточно большим, поэтому целесообразно использовать дифференциальный или компенсационный метод.
Дифференциальный метод основан на измерении разности между

Рис. 7.7. Схема измерения постоянного напряжения дифференциальным методом
измеряемым и образцовым напряжением при их неполной компенсации. Схема измерения представлена на рис. 7.7. Высокоомный электронный вольтметр у! с чувствительным пределом служит для измерения разностного напряжения между измеряемым Ux и образцовым UK напряжениями. Магнитоэлектрический аналоговый или цифровой вольтметр У2 используется для измерения образцового напряжения 1/к. Рекомендуется при UK — 0 измерить вольтметром V1 ориентировочное значение Ux, а уже затем установить по вольтметру V2 удобное для отсчета напряжение UK. Измеряемое напряжение Ux при указанной полярности включения вольтметра V1 определяется как Ux=UK +∆U
Дифференциальный метод обеспечивает высокую точность измерения напряжения. Погрешность измерения определяется в основном погрешностью вольтметра, измеряющего L/K.
Входное сопротивление цепи
RВХ=UX/I=(UK+∆U)/(∆U/RV1)=RV1(UK/∆U+1) (7.7)
намного превышает входное сопротивление rvi вольтметра Vt. Гальванометрические компенсаторы служат для измерения малых постоянных напряжений (порядка 10~8 В). Основными элементами гальванометрического компенсатора (рис. 7.8) являются: измерительный механизм магнитоэлектрического зеркального гальванометра G, образцовый резистор обратной связи Rк, фоторезисторы ФR1 и ФR2, источники постоянного напряжения с Е1 = Е2, магнитоэлектрический микроамперметр.
На зеркальце гальванометра G направлен луч света от прожектора Пр. При отсутствии напряжения Vх луч света, отраженный от зеркала, одинаково освещает фотосопротивления, в результате ток Iк = 0. При подаче на вход измерителя напряжения Ux в цепи гальванометра G появляется ток Iг, подвижная часть гальванометра поворачивается на некоторый угол и происходит перераспределение освещенности фоторезисторов и изменение их сопротивлений.

Рис. 7.8
Согласно схеме включения фоторезисторов и полярности Uх сопротивление фоторезистора ФR1 уменьшится, а ФR2 увеличится. Через резистор RK потечет ток Iк, создавая на RK компенсирующее напряжение UK, почти равное измеряемому напряжению Ux. Значение тока Iк автоматически изменяется в зависимости от изменения измеряемого напряжения Ux, но всегда так, что выполняется условие Ux ~ UK обеспечиваемое за счет небольших изменений тока Iг в цепи гальванометра:
Iг -= (Ux – UK)/(Rr + RK) = ∆U/(Rr + RK). (7.8)
Чем чувствительнее гальванометр, тем при меньших изменениях IГ произойдет соответствующее изменение тока Iк, нужное для выполнения условия UK ≈UX.
Повышение чувствительности достигается благодаря применению специальной конструкции гальванометра, что обеспечивает при токах порядка 10~10— 10~14 А максимальный угол поворота подвижной части.
Значение компенсирующего тока Iк зависит от значений E1 = E2, относительного изменения фотосопротивлений и может достигать нескольких десятков микроампер.
Гальванический компенсатор имеет высокую чувствительность :при высоком входном сопротивлении.
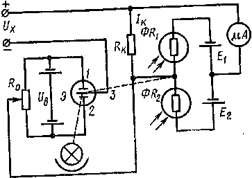
Электрометрические компенсаторы — измерители напряжения, использующие электромеханический электрометр и имеющие весьма • высокое входное сопротивление (1016—1017 Ом). Они просты ,и удобны в эксплуатации. Электромеханический электрометр представляет собой чувствительный электростатический измерительный механизм, легкая подвижная часть которого подвешивается на тонкой упругой нити. В механизме применяется световой указатель положения подвижной части. Схема электрометрического компенсатора представлена на рис. 7.9, где электрический электрометр, состоящий из двух неподвижных обкладок 1, 2 и подвижной обкладки 3, расположенной симметрично относительно неподвижных.

Рис. 7,9, Схема электрометрического компенсатора
К подвижной обкладке прикреплено миниатюрное зеркальце. На неподвижные обкладки подается напряжение возбуждения UВ, что позволяет повысить чувствительность и возможность установки нуля показаний электрическим путем (при замкнутых зажимах Ux
посредством переменного резистора R0).
Принцип работы электрометрического компенсатора аналогичен работе гальванометрического компенсатора.
При подключении измеряемого напряжения Ux подвижная часть электрометра Э повернется на некоторый угол, что приведет к перераспределению световых потоков, освещающих фоторезисторы ФRl
и ФR2 к появлению тока компенсации Iк и соответственно напряжения UК, уравновешивающего измеряемое напряжение Ux. Подвижная часть электрометра будет отклоняться до тех пор, пока не наступит равенство напряжений Ux = UK. Так как сопротивление резистора обратной связи RK может быть незначительным, то ток Iк может быть сравнительно большим и измеряться микроамперметром. Входной ток компенсатора определяется токами утечки, поэтому он мал, а следовательно, входное сопротивление велико (1016 — 1017 Ом). Кроме измерителей напряжения строятся и высокочувствительные электрометрические измерители тока.
ПРИМЕНЕНИЕ КОМПЕНСАТОРОВ ПОСТОЯННОГО ТОКА
Компенсаторы, как было указано, способны измерять напряжение или э. д. с.; косвенным образом с их помощью можно измерять и ряд других электрических величин, таких, как ток, сопротивление, мощность, связанных с напряжением определенной зависимостью.
Как приборы высокой точности, компенсаторы используются в измерительной технике в основном, для поверки измерительных приборов непосредственной оценки — амперметров, вольтметров, ваттметров. Целью поверки является нахождение основной погрешности прибора и установление степени его соответствия классу точности, указанному на шкале этого прибора.
Кроме того, во многих случаях при лабораторных исследованиях, технических и промышленных измерениях также пользуются компенсационными схемами (либо для достижения высокой точности измерений, либо для выполнения измерения без отбора тока от объекта измерения).
Ниже приведены схемы измерения основных электрических величин.
Схема для измерения напряжения и э. д. с.
Измеряемое напряжение Ux подводится к зажимам I—3, делителя напряжения (рис. VI-26). Поскольку величина Ux может меняться в больших пределах, достигая сотен и даже тысяч вольт, а компенсатор непосредственно способен измерять напряжение порядка (1ч2) в, между компенсатором и измеряемым напряжением включают делитель напряжения.
На рисунке приведена схема делителя напряжения типа ДН-1, выпускаемого специально для компенсаторов. Измеряемое напряжение, на которое включен поверяемый вольтметр, целиком подводят к делителю напряжения, а к компенсатору—только часть этого напряжения. Напряжения; подводимое к делителю, Ux, и снимаемое с делителя к компенсатору, Ux , связаны между собой зависимостью:
![]()
где R—максимальное сопротивление делителя;
r—сопротивление, с которого снимается напряжение Ux'.

Рис. VI-26
В делителе ДН-1 сделаны отводы, позволяющие снимать к компенсатору точно 1/10, 1/100, 1/500 часть подведенного напряжения.
Схема для измерения тока
Измеряемый ток, который проходит по поверяемому амперметру (в случае его поверки), пропускается через образцовое сопротивление Ко, значение которого известно с достаточной степенью точности (рис. VI-27).
Напряжение, возникающее на известном сопротивлении от измеряемого тока, подается на компенсатор, где измеряется обычным путем.
Значение тока, измеренное компенсатором, рассчитывается по формуле
IX=UK/R0
где U к— показание компенсатора

.
Образцовые сопротивления, представляют собой сопротивления высокого класса точности и всегда имеют номинальные значения вида 1-10", где п— целое число.
Как правило, они имеют четыре зажима: два токовых и два потенциальных. Токовыми зажимами образцовое сопротивление включается в токовую цепь, а с потенциальных снимается напряжение к компенсатору.
Для увеличения точности измерения rq выбирают таким, чтобы падение напряжения на нем от измеряемого тока было не менее 10% значения верхнего предела измерения данного компенсатора; при этом будут использованы все декады магазина R компенсатора.
Схема для измерения сопротивлений
Измеряемое сопротивление Rx включается чаще всего последовательно с образцовым сопротивлением R0. Падения напряжений, создаваемые на этих сопротивлениях, Uх и UQ, измеряются компенсатором (рис. VI-28).

Рис. VI-28
Для последовательной схемы, где сопротивления обтекаются одним и тем же током, будет справедливо соотношение

Схема для измерения мощности и поверки ваттметров
На рис. VI-29 изображена схема, которая применяется при измерении мощности и, в частности, при градуировке и поверке ваттметров.

С помощью переключателя П компенсатор присоединяется попеременно то в цепь напряжения ваттметра, то в цепь его тока.
Вначале, при положении 1 переключателя П, с помощью компенсатора устанавливается номинальное 'напряжение ваттметра, которое в дальнейшем поддерживается постоянным и периодически проверяется опять-таки на компенсаторе. Затем переключатель Я ставят в положение 2 и, регулируя реостатом /?рег ток в последовательной цепи ваттметра, устанавливают стрелку прибора на оцифрованных отметках шкалы, измеряя силу тока.
Для каждой отметки определяется значение мощности как произведение тока ,на напряжение, и результат расчета сверяется с показанием прибора. Разность между показанием прибора и результатом измерения мощности на компенсаторе даст основную погрешность ваттметра для каждого поверенного деления шкалы.
КОМПЕНСАТОРЫ ПЕРЕМЕННОГО ТОКА
Компенсаторы переменного тока — это приборы, измеряющие на переменном токе напряжения и некоторые другие электрические величины, связанные с напряжением функциональной зависимостью (ток, сопротивление, мощность и др.). Как известно, напряжение на переменном токе можно представить как комплексную величину и изобразить в виде вектора, занимающего определенное положение на комплексной плоскости (рис. VI-30),
![]()
Компенсационный метод измерения на переменном токе, так же как и на постоянном, заключается в уравновешивании неизвестного напряжения известным. Для того, чтобы скомпенсировать на переменном токе напряжение. Ux, необходимо и достаточно приложить к нему другое напряжение Uк, равное по амплитуде, форме кривой и частоте, но сдвинутое по фазе относительно Ur на 180°.

компенсаторы переменного тока значительно менее точны, чем компенсаторы постоянного тока. Причиной тому служит отсутствие образцовой переменной синусоидальной э. д. с., с помощью которой можно было бы установить рабочий ток в компенсаторе, как это делается на постоянном токе. В компенсаторах переменного тока величина рабочего тока устанавливается по амперметру обычно электродинамической системы, класс точности которого в наилучшем случае 0,1—0,2.
Таким образом, высокая точность измерения, свойственная компенсаторам постоянного тока, на переменном токе теряется. Несмотря на это, компенсатор переменного тока — один из важнейших приборов, позволяющий судить не только о величине измеряемого напряжения, но и о его фазе.
Кроме того, в момент измерения компенсатор не потребляет мощности от источника измеряемой величины и, следовательно, не оказывает влияния на работу схемы, что тоже является его ценным качеством.
В уравнении (VI-46) представлены две формы записи комплексного напряжения UX,.: алгебраическая— с двумя составляющими UXA и UXP и показательная—с модулем Ux и фазой φx- измеряемой величины. Если напряжение Ux представить в алгебраической форме, то для компенсации его необходимо скомпенсировать порознь активную и реактивную составляющие.
Если же напряжение Uх характеризовать модулем и фазой, то для компенсации его нужно скомпенсировать модуль и фазу величины. В соответствии с этим различают две группы компенсаторов:
а) полярно-координатные с отсчетом измеряемого напряжения 1в полярных координатах;
б) прямоугольно-координатные с отсчетом действительной и мнимой составляющих напряжения по действительной и мнимой осям.
Рассмотрим схему и принцип действия прямоугольно-координатного компенсатора, изображенного на рис. VI-31.

Рис. VI-31
Компенсатор состоит из двух контуров: / и //. Напряжение источника питания схемы U, связанное с первым контуром через трансформатор, вызывает в этом контуре ток I1, величину которого можно регулировать реостатом Rрег и измерять амперметром.
Проходя по реохорду А—В, представляющему собой чисто активное сопротивление, ток 1\ создает на нем падение напряжения UKA совпадающее по фазе с током.
Контур 1 связан с контуром 2 через воздушный трансформатор М (катушку взаимной индуктивности без стального сердечника).
При протекании тока I1 через первичную обмотку катушки М в ней возникает магнитный поток ф, находящийся в фазе с током I1 который вызовет появление во .вторичной обмотке э д. с Е2 отстающей от потока ф на 90°.
Если пренебречь индуктивным сопротивлением вторичной обмотки воздушного трансформатора, то можно считать, что ток второго контура I2 совладает по фазе с э. д. с. Е2, а напряжение Uкр на реохорде А—В, представляющем собой чисто активное сопротивление, совпадает по фазе с током I2.
Таким образом, в схеме создаются условия, при которых токи I1 и I2, а также напряжения, снимаемые с реохордов А—В и А'—В', сдвинуты на угол 90° одно по отношению к другому.
Векторная диаграмма компенсатора приведена на рис. VI-32. Как видно из рис. VI-31, середины реохордов А—В и А'—В' электрически соединены, образуя нулевую точку схемы.
Измеряемое напряжение UX=UXA+jUxp подводится к зажимам /—2 и далее, через вибрационный гальванометр, к движкам Д и Д2.
Компенсирующее напряжение UX=UKA+ fUKp, равное геометрической сумме напряжений Uha и UKp, возникающих па реохордах, снимается с движков Д\ и Д2. Напряжение UKa. которое создается на реохорде первого контура, называют активной составляющей компенсирующего напряжения, а напряжение UKP на реохорде второго контура -- его реактивной составляющей.

Меняя положение движков Д и Д2, можно получить компенсирующее напряжение в любом из четырех квадрантов комплексной плоскости.
В момент компенсации вибрационный гальванометр, включенный последовательно в цепь напряжений L\ и иы, покажет отсутствие тока. Величины Uка и Uhp, имеющие место в момент компенсации схемы, отсчитываются непосредственно по шкалам реохордов А—В и А'—В'.
Модуль измеряемого напряжения будет равен
![]()
Литература
1.Э.Г. Атамалян Приборы и методы измерения электрических величин
2.М.А.Быков, Е.М.Лебедева, Т.Б.Липеровская. Электрические измерения электрических величин
3.Д.Ф.Тартаковский, А.С.Ястребов, Метрология, стандартизация и технические средства измерений
Оглавление
1.Компенсационныйметод………………………………………………2
2. Применение компенсаторов постоянного тока……………………8
3. Схема для измерения напряжения и э. д. с…………………………9
4. Схема для измерения тока…………………………………………9
5. Схема для измерения сопротивлений…………………………10
6. Схема для измерения мощности и поверки ваттметров………...10
7. Компенсаторы переменного тока……………………………….11
МИНИСТЕРСТВО ОБРАЗОВАНИЯ РОССИЙСКОЙ ФЕДЕРАЦИИ
БАШКИРСКИЙ ГОСУДАРСТВЕННЫЙ УНИВЕРСИТЕТ
АКАДЕМИЯ КОМПЛЕКСНОЙ БЕЗОПАСНОСТИ ПРЕДПРИНИМАТЕЛЬСТВА
РЕФЕРАТ
на тему: Компенсационный метод измерения
Выполнил: студент гр. УК-01-01
Ключников А.А.
Проверил: Гарифуллин Н.М.
Уфа-2003
Похожие рефераты:
Проект новой подстанции для обеспечения электроэнергией нефтеперерабатывающего завода
Лекции по твердотельной электронике
Компенсация реактивной мощности в системах электроснабжения с преобразовательными установками
Проектирование электрической части ТЭЦ 180 МВт
Пассивные линейные измерительные преобразователи синусоидальных напряжений и токов
Обработка результатов измерений
Тиристорные устройства для питания автоматических телефонных станций
Совершенствование метрологического обеспечения измерений в турбокомпрессорном цехе Узюм-Юганской ГКС
Реконструкция СЭС обогатительной фабрики
Основы стандартизации, метрологии и сертификации
Ответы к экзаменационным билетам по физике 11 класс (ответы к 29 билетам)