| Похожие рефераты | Скачать .docx |
Реферат: Параметры цепи, определение напряжения
Задача 1. Ток в цепи равен i. Параметры цепи r1 , r2 , L, и 1/С заданы в таблице вариантов. Определить показания приборов. Написать мгновенное значение напряжения u1 (t).

Дано
| i, А | R1, Ом | L, Ом | R2, Ом | 1/С, Ом |
| 3*2 (1/2) *sin (wt - 45) | 4 | 3 | 6 | 8 |
Решение.
Определим действующую силу тока, зная ее амплитудное значение
I=Imax /2^0.5=3 (A);
Найдем общее сопротивление цепи, как корень квадратный из суммы квадратов активных и реактивных составляющих (что следует из треугольника сопротивлений):

Z= ( (R1 + R2 ) ^2+ (XL - XC ) ^2) ^0.5=8.60 (Ом);
Найдем общее действующее напряжение цепи (показания 1-го вольтметра), как произведение действующей силы тока на общее сопротивление цепи:
U=I*Z=25,81 (В);
Найдем амплитудное значение общего напряжения цепи:
Umax =U*2^0,5=36,50 (В);
Найдем угол сдвига фаз напряжения относительно тока
=arcsin ( (XL - RC ) /Z) = - 410 ;
Запишем мгновенное значение напряжения u1 (t):
u1 (t) = Umax *sin (t+ +) = 36.50*sin (t - 45 - 41) = 36.50*sin (t - 86);
Поскольку активная мощность участка цепи (мощность, показываемая ваттметром) определяется как произведение квадрата действующей силы тока на активное сопротивление этого участка, то:
P=I^2*R1 =36 (Вт);
Определим показания 2-го вольтметра. Для этого найдем значение полного сопротивления, создаваемого активным сопротивлением R2 и емкостным ХС :
Z2 = (R2 ^2+ ХL ^2) ^0.5=30 (B);
U=I* Z2 =3*30=90 (B);
Задача 2. В сеть переменного тока с напряжением uвключены параллельно три приемника энергии, активные мощности и коэффициенты мощности, которых известны (смотреть таблицу вариантов). Определить токи приемников и ток в неразветвленной части цепи, а также коэффициент мощности всей установки.

Дано
| U, В | Р1, кВт | cos1 | Р2, кВт | cos2 | Р3, кВт | cos3 |
| 380 | 8 | 1 | 18 | 0,7 | 9 | 0,7 |
Решение.
Поскольку активная мощность равна произведению активной силы тока на напряжение то, учитывая коэффициенты мощности, которые равны отношению активного тока к полному, найдем полные, активные и реактивные токи каждой ветви (причем знак “ - ” соответствует емкостному характеру тока).
Для первой ветви:
Ia 1 = P1/ U =21.05 (A);
I1 = Ia1 /cos1 =21.05 (A);
Iр 1 = (I1 ^2 + Ia1 ^2) ^0.5 =0 (A);
т.е. характер нагрузки первой ветви активный.

Для второй ветви:
Ia 2 = P2/ U =47.37 (A);
I2 = Ia2 /cos2 =67.67 (A);
Iр 2 = (I2 ^2 + Ia2 ^2) ^0.5 = - 48.32 (A);
т.е. характер нагрузки второй ветви активно-емкостный.

Для третьей ветви:
Ia 3 = P3/ U =23.68 (A);
I3 = Ia3 /cos3 =33.83 (A);
Iр 3 = (I3 ^2 + Ia3 ^2) ^0.5 = 72.48 (A);
т.е. характер нагрузки третей ветви активно-индуктивный.
Найдем активный ток неразветвленной ветви, как сумму активных токов параллельных участков:
Ia = Ia 1 + Ia 2 + Ia 3 = 92.11 (A);
Найдем реактивный ток неразветвленной ветви, как сумму реактивных токов параллельных участков (причем знак “ - ” соответствует емкостному характеру тока):

Iр = Iр1 + Iр2 + Iр3 = - 24.16 (A);
Найдем общий ток неразветвленной части цепи, как корень из суммы квадратов его составляющих:
I = (Iр ^2 + Iр ^2) ^0.5 =95.22 (A);
Найдем коэффициент мощности цепи, как отношение активной составляющей тока к полному току цепи:
= Ia / I = 0.967;
Задача 3. В схеме заданы напряжение u23 и все параметры цепи. Необходимо: Определить действующие значения токов во всех ветвях и входного напряжения u;
Определить активную, реактивную и полную мощность цепи и проверить баланс мощностей;
Определить коэффициент мощности цепи;
Построить топографическую диаграмму, совмещенную с векторной диаграммой токов.

Дано
| U23, В | R1, Ом | ХL1 , Ом | ХC1 , Ом | R2, Ом | ХL2 , Ом | ХC2 , Ом | R3, Ом | ХL3 , Ом | ХC3 , Ом |
| 200 | 6 | 2 | 10 | 6 | 8 | 0 | 0 | 2 | 10 |
Решение.
Найдем общее сопротивление ветвей 2 и 3, как корень квадратный из суммы квадратов активных и реактивных сопротивлений (причем знак “-” соответствует емкостному характеру нагрузки):
Z2 = (R2 ^2 + XL 2 ^2) ^0.5=10 (Ом); Z3 = (XL 3 - XC 3 ) = - 8 (Ом);
Найдем полные токи ветвей 1 и 2, как отношение напряжения участка 2-3 к общему сопротивлению каждой ветви:
I2 = U23/ Z2 =20 (A); I3 = U23/ Z3 =25 (A);
Найдем коэффициент полезной мощности ветвей 1 и 2, как отношение активного сопротивления ветви к полному сопротивлению ветви:
cos (2 ) = R2/ Z2 = 0.6;
cos (3 ) = R3/ Z3 = 0;
Найдем активные составляющие токов ветвей 1 и 2, как произведение полного тока ветви на коэффициент полезной мощности ветви:
Ia2 = I2 * cos (2 ) =12 (A);
Ia3 = I3 * cos (3 ) =0 (A);
Найдем реактивные составляющие токов ветвей 1 и 2, как корень квадратный из разности квадратов полного и активного токов (причем знак “ - ” соответствует емкостному характеру тока, т.е. XC > XL ):
Iр2 = (I2 ^2 - Ia2 ^2) ^0.5=16 (A);
Iр3 = (I3 ^2 - Ia3 ^2) ^0.5= - 25 (A);
Найдем активную и реактивную составляющую тока участка 2-3 как сумму активных составляющих ветвей 2, 3 и реактивных составляющих ветвей 2, 3 соответственно (причем знак “ - ” соответствует емкостному характеру тока):
Ia23 = Ia2 + Ia3 =12 (A);
Iр 23 = Iр 2 + Iр 3 = - 9 (A);
Найдем полный ток цепи, как корень квадратный из суммы квадратов активного и реактивного токов участка 2-3:
I= (Iа23 ^2 + Iр23 ^2) ^0.5=15 (A);
Найдем напряжение участка 1-4 (активное), как произведение полного тока цепи на активное сопротивление R1 :
U14 =I * R1 =90 (B);
Найдем напряжение участка 4-5 (индуктивное), как произведение полного тока цепи на индуктивное сопротивление XL 1 :
U45 =I * XL 1 =30 (B);
Найдем напряжение участка 5-2 (емкостное), как произведение полного тока цепи на емкостное сопротивление XС1 :
U52 =I * XС1 = - 150 (B);
Найдем активное напряжение участка 2-3, как произведение напряжение участка 2-3 на коэффициент полезной мощности участка 2-3 (с учетом того, что коэффициент полезной мощности участка 2-3 равен отношению активного тока к полному):
Ua 23 = U23 * (Ia 23/ I) =160 (B)
Найдем реактивное напряжение участка 2-3, как корень квадратный из разности квадратов полного и активного напряжений (причем знак “ - ” соответствует емкостному характеру напряжения, т.е. Iр23 < 0):
Uр23 = (U23 ^2 - Ua 23 ^2) ^0.5 =-120 (B);
Найдем активное напряжение цепи, как сумму напряжения участка 1-4 и активной составляющей участка 2-3
Uа = U14 + Uа23 =150 (B);
Найдем реактивное напряжение цепи, как сумму напряжения участка 4-5, 5-2 и реактивной составляющей участка 2-3
Uр = Uр45 + Uр52 + Uр23 = - 240 (B);
Найдем полное напряжение цепи, как корень квадратный из суммы квадратов активного и реактивного напряжений:
U = (Uа ^2+ Uр ^2) ^0.5=346.6 (B);
Найдем коэффициент полезной мощности цепи, как отношение активного напряжения цепи к полному напряжению цепи:
cos () =Uа / U =0.721;
Найдем полную мощность цепи Q, как произведение полного тока цепи на напряжение:
Q = U * I =146088 (Bт);
Найдем активную мощность цепи P, как произведение полной мощности цепи на коэффициент полезной мощности:
P = Q * cos () = 105386 (Bт);
Найдем реактивную мощность цепи S, как корень квадратный из разности квадратов полной и активной мощностей:
S= (Q^2 -P^2) ^0.5=101170 (Bт);
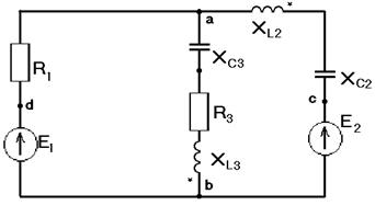
Задача 4. В схеме заданы параметры цепи и ЭДС источников. Известно также, что ЭДС Е1 опережает Е2 на угол . Необходимо:
На основании законов Кирхгофа составить в общем виде систему уравнений для расчета токов во всех ветвях цепи, записав ее в двух формах: а) дифференциальной и б) символической.
Определить комплексы действующих значений токов во всех ветвях, воспользовавшись одним из методов расчета линейных цепей
По результатам, полученным в пункте 2, определить показания ваттметра двумя способами:
а) с помощью выражений для комплексов тока и напряжения;
б) по формуле UIcos (UI)
Построить топографическую диаграмму, совмещенную с векторной диаграммой токов.
Построить круговую диаграмму для тока в одном из сопротивлений при изменении модуля этого сопротивления от 0 до .
Пользуясь круговой диаграммой построить график изменения этого тока в зависимости от модуля сопротивления.
Используя данные расчета, полученные в пункте 2, записать выражения для мгновенных значений тока и напряжения. Построить график зависимости одной из этих величин.
Полагая, что между двумя индуктивностями, расположенными в разных ветвях заданной системы, имеется магнитная связь при коэффициенте магнитной индукции М составить в общем виде систему уравнений для расчета токов во всех ветвях цепи, записав ее в двух формах:
а) дифференциальной;
б) символической
Примечание 1. При отсутствии в данной схеме второй индуктивности, вторую нагрузку ввести дополнительно в одну из ветвей.
Примечание 2. Ориентируясь на ранее принятые направления токов в ветвях одноименные зажимы индуктивных катушек выбрать произвольно так, чтобы их встречное включение и обозначить эти зажимы звездочками.

Дано
| E1, B | E2, B | | R1, Ом | L1, мГ | C1, мкФ | R2, Ом | L2, мГ | C2, мкФ | R3, Ом | L3, мГ | C3, мкФ | f, Гц |
| 240 | 240 | п/4 | 12 | 2 | 20 | 14 | 8 | 100 | 4 | 5 | 50 | 500 |
Решение.
1) На основании законов Кирхгофа составим в общем виде систему уравнений для расчета токов во всех ветвях цепи, записав ее в двух формах:
а) дифференциальной
Исходя из первого закона Кирхгофа для узла а:
i1 + i2 + i3 = 0;
Исходя из второго закона Кирхгофа для контура bdab:
e1 = i1 *R1 + 1/C3 *i3 dt+i3 *R3 ;
Исходя из второго закона Кирхгофа для контура bcab:
e2 = 1/C2 *i2 dt + L2 *di2 /dt + 1/C3 * i3 dt +i3 *R3 ;
Получили систему из 3 уравнений:
i1 + i2 + i3 = 0;
e1 = i1 *R1 + 1/C3 * i3 dt +i3 *R3 ;
e2 = 1/C2 * i2 dt + L2 *di2 /dt + 1/C3 * i3 dt +i3 *R3 ;
б) символической.
Исходя из первого закона Кирхгофа для узла а:
I1 + I2 + I3 = 0;
Исходя из второго закона Кирхгофа для контура bdab:
20.5 * E1 + 20.5 *j* E1 = I1 *R1 - I3 *j*1/wC3 + I3 *R3 ;
Исходя из второго закона Кирхгофа для контура bcab:
E2 = - I2 *j*1/wC2 + I2 *j*wL2 - I3 *j*1/wC3 + I3 *R3 ;
Получили систему из 3 уравнений:
I1 + I2 + I3 = 0;
20.5 * E1 + 20.5 *j* E1 = I1 *R1 - I3 *j*1/wC3 + I3 *R3 ;
E2 = - I2 *j*1/wC2 + I2 *j*wL2 - I3 *j*1/wC3 + I3 *R3 ;
Определить комплексы действующих значений токов во всех ветвях, воспользовавшись методом двух узлов.
E1 =240*ej45 = 170+170j (B);
E2 =240*ej0 =240 (B);
R1 =12*ej0 =12 (Ом);
R3 =4*ej0 = 4 (Ом);
XL 2 =wL2 *ej90 = 3.14*2*500*8=25.12*ej90 (Ом);
Xc2 = - 1/w C2 *e j90 = - 1/ (3.14*2*500*100) = - 3.18*e j90 (Ом);
Xc3 = - 1/w C2 *e j90 = - 1/ (3.14*2*500*50) = - 6.37*e j90 (Ом);
Запишем сопротивления ветвей в комплексной форме:
Z1 = R1 =12*e j0 ;
Z2 = XL2 +XC2 =21.94*e j90 ;
Z3 = XL 3 +R3 =5.92*e- j47.53 ;
Найдем проводимости ветвей:
y1 =1/Z1 =1/12*ej0 =1/12;
y2 =1/Z2 =1/21.94*e - j90 =-j*1/21.94;
y3 =1/Z3 =1/5.92*ej47.53 =0.11405+0.12460j;
Найдем напряжение между узлами а и b:
Uab = (240*ej45 *1/12*ej0 - 240*ej0 *1/21.94*ej90 ) / (1/12-j*1/21.94 + +0.11405+0.12460*j) = (20*ej45 -10.97*ej90 ) / (0.19738+0.07902*j) = (14.14213-3.17213*j) / (0.21261 *ej21.8 ) =68.17*e- j9 ;
Uab =67.33+ j* 0.93;
Найдем токи цепи:
I1 = (E1 - Uab ) *y1 = (170+j*170 - (67.33+j*0.93)) /12=16.48*e j59 ;
I2 = (E2 - Uab ) *y2 = (240- (67.33+j*0.93)) /21.94*e j90 =7.87*e - j91 ;
I3 = Uab *y1 =68.17*e -j9 / (5.92*e -j47.53 ) =11.51*e j36.53
По результатам, полученным в пункте 2, определим показания ваттметра двумя способами:
а) с помощью выражений для комплексов тока и напряжения;
б) по формуле UIcos (UI):
P= UIcos (UI) =197.76*16.48cos (59 - 45) = 3162.3 (Вт);
Построим топографическую диаграмму, совмещенную с векторной диаграммой токов.

Построим круговую диаграмму для тока во второй ветви при изменении модуля сопротивления этой ветви от 0 до . Для этого найдем максимальный ток Ik при сопротивлении третей ветви, равном 0:
Ik = E1 *y1 + E2 *y2 = (170+170j) /12 - 240*j*1/21.94 = 14.17+ 3.22j = =14.53*e12.8 ;
Найдем сопротивление цепи относительно зажимов aи b:
Zab =1/ (y1 +y2 ) +Z3 =-1/ (j*1/21.94+1/12) + 0.11405+0.12460j = 0.05+0.08j+ +0.11405+0.12460j=0.164+0.205j=0.26*e51 ;
В окружности
хорда равна Ik = 14.53*e12.8 ;
коэффициент равен k=0.36;
вписанный угол = - 7

Пользуясь круговой диаграммой построим график изменения этого тока в зависимости от модуля сопротивления.
Используя данные расчета, полученные в пункте 2, запишем выражения для мгновенных значений тока и напряжения. Построим график зависимости одной из этих величин.
Uab =68.17* sin (wt-9);
I2 =11.51* sin (wt + 36.53)
График - синусоиды, смещенные относительно оу на 90 и - 36,530 соответственно.
Полагая, что между двумя индуктивностями, расположенными в разных ветвях заданной системы, имеется магнитная связь при коэффициенте магнитной индукции М (добавим вторую индуктивность в 3 ветвь) составим в общем виде систему уравнений для расчета токов во всех ветвях цепи, записав ее в двух формах:
а) дифференциальной;
б) символической

1) На основании законов Кирхгофа составим в общем виде систему уравнений для расчета токов во всех ветвях цепи, записав ее в двух формах:
а) дифференциальной. Исходя из первого закона Кирхгофа для узла а:
i1 + i2 + i3 = 0;
Исходя из второго закона Кирхгофа для контура bdab:
e1 = i1 *R1 + 1/C3 * i3 dt + L3 *di3 /dt - M23 *di2 /dt + i3 *R3 ;
Исходя из второго закона Кирхгофа для контура bcab:
e2 = 1/C2 *i2 dt + L2 *di2 /dt - M23 *di3 /dt+ 1/C3 * i3 dt+ L3 *di3 /dt - M32 *di3 /dt+i3 *R3 ;
Получили систему из 3 уравнений:
i1 + i2 + i3 = 0;
e1 = i1 *R1 + 1/C3 * i3 dt + L3 *di3 /dt - M23 *di2 /dt + i3 *R3 ;
e2 = 1/C2 *i2 dt + L2 *di2 /dt - M23 *di3 /dt+ 1/C3 * i3 dt+ L3 *di3 /dt - M32 *di3 /dt+i3 *R3 ;
б) символической.
Исходя из первого закона Кирхгофа для узла а:
I1 + I2 + I3 = 0;
Исходя из второго закона Кирхгофа для контура bdab:
20.5 * E1 + 20.5 *j* E1 = I1 *R1 - I3 *j*1/wC3 + I3 *R3 +I3 *j*wL3 - I2 *j*wM32 ;
Исходя из второго закона Кирхгофа для контура bcab:
E2 = - I2 *j*1/wC2 +I2 *j*wL2 -I2 *j*wM32 - I3 *j*1/wC3 + I3 *R3 - I3 *j*wM23 ;
Получили систему из 3 уравнений:
I1 + I2 + I3 = 0;
20.5 * E1 + 20.5 *j* E1 = I1 *R1 - I3 *j*1/wC3 + I3 *R3 +I3 *j*wL3 -I2 *j*wM32 ;
E2 = - I2 *j*1/wC2 +I2 *j*wL2 -I2 *j*wM32 - I3 *j*1/wC3 + I3 *R3 - I3 *j*wM23 ;
Задача 5. Два электродвигателя переменного тока подключены параллельно к цепи с напряжением u2 и работают с низким коэффициентом мощности cos1 . Измерительные приборы в цепи каждого электродвигателя показывают токи I1 и I1 и мощности Р1 и Р2 . Провода линии электропередачи имеют активное сопротивление r0 и индуктивное x0 . Численные значения всех величин, необходимых для расчета, приведены в таблице вариантов. Необходимо:
А. Рассчитать заданную электрическую цепь и определить (до подключения конденсаторов):
Ток в линии
Напряжение в начале линии
Потерю и падение напряжения в линии
Активную, реактивную и полную мощности в конце линии и мощность потерь в проводах
Коэффициент мощности установки
КПД линии
Б. Рассчитать компенсационную установку для получения cos2 =0,95 и определить для указанного значения коэффициента мощности емкость и мощность батареи конденсаторов.
В. Выполнить расчет цепи при условии работы компенсационной установки и найти величины, указанные в пункте А. Полученные результаты свести в таблицу и сравнить для различных режимов работы электродвигателя (до компенсации и при cos2 =0,95). Отметить, какие выводы дает улучшение коэффициента мощности установки.

Дано.
| R0, Ом | Х0, Ом | I1, А | I2, А | Р1, кВт | Р2, кВт | U2, В |
| 0,06 | 0,05 | 90 | 70 | 15 | 12 | 220 |
Решение.
А. Найдем активное сопротивление каждого электродвигателя, исходя из того, что активная мощность равна произведению активного сопротивления на квадрат тока ветви. Значит:
R1 =P1/ I1 2 =1.852 (Ом);
R2 =P2/ I2 2 =2.449 (Ом);
Найдем реактивную мощность каждого электродвигателя, как произведение тока на напряжение:
Q1 =U1 * I1 =19800 (Bт);
Q2 =U2 * I2 =15400 (Bт);
Найдем полную мощность каждого электродвигателя, как корень квадратный из разности полной и активной мощностей:
S1 = (Q1 2 +! P1 2 ) 0.5 =12924 (Bт);
S2 = (Q2 2 +! P2 2 ) 0.5 =9651 (Bт);
Найдем реактивное сопротивление каждого электродвигателя, исходя из того, что реактивная мощность равна произведению реактивного сопротивления на квадрат тока ветви (реактивное сопротивление является индуктивным):
XL1 =S1/ I1 2 =1.596 (Ом);
XL2 =S2/ I2 2 =1,970 (Ом);
Найдем полное сопротивление каждого электродвигателя, исходя из того, что полное сопротивление равно корню квадратному из суммы квадратов его активной и реактивной составляющих:
Z1 = (XL 1 2 + R1 2 ) 0.5 =2,444
Z2 = (XL 2 2 + R2 2 ) 0.5 =3,143
Найдем активную проводимость параллельного участка:
g = g1 + g2 ; где
g1 =R1 / Z1 2 ;
g2 =R2 / Z2 2 ;
Значит
g = g1 + g2 = R1 / Z1 2 + R2 / Z2 2 = 0.558
Найдем реактивную проводимость параллельного участка:
b=b1 + b1 ; где
b1 = XL 1 / Z1 2 ;
b2 = XL 2 / Z2 2 ;
Значит
b=b1 + b1 = XL 1 / Z1 2 + XL 2 / Z2 2 =0.467;
Найдем проводимость параллельного участка, исходя из того, что полная проводимость равна корню квадратному из суммы квадратов ее активной и реактивной составляющих:
y= (g1 2 + b2 2 ) 0.5 =0.727;
Найдем полный ток цепи, как произведение напряжения параллельного участка на проводимость параллельного участка:
I=U2 * y=160 (A);
Составим эквивалентную схему, заменив параллельный участок на эквивалентные активные и реактивные сопротивления:

Найдем эквивалентные активные и реактивные сопротивления параллельного участка:
R12 =g12 /y12 2 =1.055 (Ом);
XL12 =b12 /y12 2 =0.882 (Ом);
Найдем полное сопротивление параллельного участка:
Z12 = (R12 2 + XL 12 2 ) 0.5 =1.375 (Ом);
Найдем полное активное сопротивление цепи (сумма всех активных сопротивлений):
R= 2*R0 + R12 =1,175 (Ом);
Найдем полное реактивное сопротивление цепи (сумма всех реактивных сопротивлений):
XL = 2*XL 0 + XL 12 = 0,982 (Ом);
Найдем полное сопротивление цепи, как корень квадратный из суммы квадратов активного и реактивного сопротивлений:
Z = (XL 2 + R2 ) 0.5 = 1.531 (Ом);
Найдем полное напряжение цепи, как произведение полного тока цепи на полное сопротивление цепи:
U=I * Z = 245 (B);
Зная полный ток цепи, найдем падение напряжения в проводах линии на активном сопротивлении:
Uа0 = I * 2*R0 = 19,20 (B);
Зная полный ток цепи, найдем падение напряжения в проводах линии на реактивном сопротивлении:
Uр0 = I * 2*XL 0 = 15,00 (B);
Найдем полное падение напряжения цепи в проводах линии, как корень квадратный из суммы квадратов падения напряжения в проводах линии на активном и реактивном сопротивлениях:
U0 = (Uа0 2 + Uр0 2 ) 0,5 =25 (В);
Найдем активную, реактивную и полную мощности в конце линии и мощность потерь в проводах, исходя из того, что полная мощность в конце линии равна произведению полного тока линии на напряжение в конце линии:
P= I2 *R12 =27008 (Вт);Q= I2 *XL12 =22579 (Вт);
S= (P2 + Q2 ) 0.5 =35202 (Вт);
Найдем коэффициент мощности установки:
cos= R12 /Z12 = R12 / (R12 2 + XL 12 2 ) 0.5 =0.558;
Найдем коэффициент полезной мощности ЛЭП:
= (U - Ua 0) / U=0.90;
Б. Рассчитаем компенсационную установку для получения cos2 =0,95 и определим для указанного значения коэффициента мощности емкость и мощность батареи конденсаторов.
Заменим данную схему на эквивалентную с учетом результатов, полученных в п.А.

Пусть емкостное сопротивление батареи конденсаторов составляет XС Ом. Найдем проводимость параллельного участка.
g = g1 + g2 ; где
g1 =Rэкв / Z1 2 ;
g2 =0;
Значит
g = g1 + g2 = Rэкв / Z1 2 + 0= 0,558;
Найдем реактивную проводимость параллельного участка:
b=b1 - b1 ; где
b1 = XL экв / Z1 2 ;
b2 = XС / Z2 2 ;
Значит
b=b1 + b1 = XL 1 / Z1 2 - 1/ XC 2 =0.467 - 1/ XC 2;
Найдем проводимость параллельного участка, исходя из того, что полная проводимость равна корню квадратному из суммы квадратов ее активной и реактивной составляющих:
y= (g1 2 + b2 2 ) 0.5 = (0,311364+ (0.467 - 1/ XC 2) 2 ) 0.5 ;
Заменим данную схему на эквивалентную, заменив участок с параллельным соединением на сопротивление Zпар активно-индуктивного характера:

где
Rпар = g/y2 =0.558/ (0,311364+ (0.467 - 1/ XC 2) 2 );
XL пар = b/y2 = (0.467 - 1/ XC 2) / (0,311364+ (0.467 - 1/ XC 2) 2 );
Найдем полное активное сопротивление цепи (сумма всех активных сопротивлений):
R= 2*R0 + Rпар =0,1 + 0.558/ (0,311364+ (0.467 - 1/ XC 2) 2 ) (Ом);
Найдем полное реактивное сопротивление цепи (сумма всех реактивных сопротивлений):
XL =2*XL 0 +XL 12 = 0,12+ (0.467-1/ XC 2) / (0,311364+ (0.467 - 1/ XC 2) 2 ) (Ом); Поскольку cos2 =0,95 то tg2 =0.33, значит
XL /R=0.33,0,1 + 0.558/ (0,311364+ (0.467 - 1/XC 2) 2 ) = 3* (0,12+ (0.467-1/ XC 2) / / (0,311364+ (0.467-1/ XC 2) 2 ));
Решим уравнение относительно XC 2
1/ (0,311364+ (0.467 - 1/XC 2) 2 ) =0.654+1.8* (0.467-1/ XC 2) / (0,311364+ (0.467-1/ XC 2) 2 ));
1 = 0,654* (0,311364+ (0.467-1/ XC 2) 2 ) + 1.8* (0.467-1/ XC 2)
(0.467-1/ XC 2) 2 +2.752* (0.467-1/ XC 2) - 1.529=0
(0.467-1/ XC 2) =1.376+1.850=3.226
(0.467-1/ XC 2) =1.376 - 1.850= - 0.474, 1/ XC 2 =-2.859, 1/ XC 2 =0.941
Значит
XC =1.031 (Ом);
Значит, емкость батареи конденсаторов составляет:
C= 1/wXC =308 (мкФ)
В. Найдем полное активное сопротивление цепи (сумма всех активных сопротивлений):
R= 2*R0 + Rпар =0,1 + 0.558/ (0,314 + (0.467 - 1/ XC 2) 2 ) = 1,03 (Ом);
Найдем полное реактивное сопротивление цепи (сумма всех реактивных сопротивлений):
XL =2*XL 0 +XL 12 = 0,12+ (0.467-1/ XC 2) / (0,311364+ (0.467 - 1/ XC 2) 2 ) =
= 0,34 (Ом);
Найдем полное сопротивление цепи, как корень квадратный из суммы квадратов активного и реактивного сопротивлений:
Z = (XL 2 + R2 ) 0.5 = 1,09 (Ом);
Найдем ток цепи, как отношение полного напряжения цепи к полное сопротивление цепи:
I=U / Z = 225.7 (A);
Зная полный ток цепи, найдем падение напряжения в проводах линии на активном сопротивлении:
Uа0 = I * 2*R0 = 22.58 (B);
Зная полный ток цепи, найдем падение напряжения в проводах линии на реактивном сопротивлении:
Uр 0 = I * 2*XL0 = 27.09 (B);
Найдем полное падение напряжения цепи в проводах линии, как корень квадратный из суммы квадратов падения напряжения в проводах линии на активном и реактивном сопротивлениях:
Uа0 = (Uа0 2 + Uр0 2 ) 0,5 = 38.31 (В);
Найдем активную, реактивную и полную мощности в конце линии и мощность потерь в проводах, исходя из того, что полная мощность в конце линии равна произведению полного тока линии на напряжение в конце линии:
P= I2 *R12 =50459 (Вт);
Q= I2 *XL12 =11213 (Вт);
S= (P2 + Q2 ) 0.5 =51690 (Вт);
Найдем коэффициент мощности установки:
cos= R12 /Z12 = R12 / (R12 2 + XL 12 2 ) 0.5 =0.95;
Найдем коэффициент полезной мощности ЛЭП:
= (U - Ua 0) / U=0.85;
Составим сводную таблицу:
| Характеристика | Без конденсаторов | С батареей конденсат. |
| I, A | 160 | 225.7 |
| Напряжение в начале линии, U, В | 245 | 245 |
| Падение напряжения цепи в проводах линии, U0 , В | 25 | 38,31 |
| Потеря напряжения цепи в проводах линии, Uа0 , В | 19, 20 | 22,58 |
| Активная мощность Р, Вт | 27008 | 50459 |
| Реактивная мощность Q, Вт | 22579 | 11213 |
| Полная мощность S, Вт | 35202 | 51690 |
| Коэффициент мощности установки | 0,56 | 0,95 |
Выводы:
При повышении коэффициента мощности установки ток линии повышается;
Повышается активная мощность установки, и понижается реактивная мощность;
Повышаются токи электродвигателей, что приводит к необходимости увеличивать сечение обмоток.
Похожие рефераты:
Расчет линейных электрических цепей переменного тока
Синхронные машины. Машины постоянного тока
Энергосбережение на современном этапе
Компенсация реактивной мощности в системах электроснабжения с преобразовательными установками
Реконструкция подстанции "Гежская" 110/6 кВ
Лекции по твердотельной электронике
Разработать лабораторный стенд для испытания устройств защиты судовых генераторов
Линия электропередачи напряжением 500 кВ
Электроснабжение текстильного комбината
Проектирование электрических сетей
Модернизация релейной защиты на тяговой подстанции Улан-Удэ на базе микропроцессорной техники