| Похожие рефераты | Скачать .docx |
Курсовая работа: Расчет линейных электрических цепей переменного тока
Министерство образования Республики Беларусь
Учреждение образования
«Гродненский государственный университет имени Янки Купалы»
Технологический колледж
Специальность: 2-360331 «Монтаж и эксплуатация
электрооборудования»
Группа МиЭЭ-17з
КУРСОВАЯ РАБОТА
по дисциплине
«Теоретические основы электротехники»
Расчет линейных электрических цепей
переменного тока
Вариант №44
Разработал: Куликов А.Г.
Руководитель: Дубок Н.Д.
Задание на курсовую работу
Заданы три приёмника электрической энергии со следующими параметрами: Z 1 = -j65 Ом, Z 2 = 14+j56 Ом, Z 3 =56- j23 Ом. Рассчитать режимы работы электроприёмников при следующих схемах включения:
1.Присоединить приёмники последовательно к источнику с напряжением U = 300 В. Определить полное сопротивление цепи Z, ток I, напряжения на участках, угол сдвига фаз, мощности участков и всей цепи, индуктивности и ёмкости участков. Построить топографическую векторную диаграмму цепи.
2. Присоединить приёмники параллельно к источнику с напряжением
U = 300 В. Определить токи в ветвях и в неразветвленной части цепи, углы сдвига фаз в ветвях и во всей цепи, мощности ветвей и всей цепи. Построить векторную диаграмму цепи.
3. Составить из приёмников цепь с двумя узлами, включив в каждую
ветвь соответственно электродвижущую силу E 2 =230 В и Е 3 = j240 B. Рассчитать в комплексной форме токи в ветвях, напряжения на участках, мощности источников и приёмников, составить уравнение баланса мощностей. Построить векторную диаграмму в комплексной плоскости. Для расчёта применить метод контурных токов.
4. Соединить приёмники в звезду с нулевым проводом (Z N = -j32 Ом), и подключить их к трёхфазному источнику с линейным напряжением UЛ =380 В. Определить фазные токи и напряжения источника, напряжение смещения нейтрали и ток в нулевом проводе. Построить топографическую векторную диаграмму в комплексной плоскости.
5. Соединить приёмники в треугольник и подключить его к тому же источнику трехфазного напряжения. Определить фазные и линейные напряжения и токи, мощности фаз и всей цепи. Построить векторную диаграмму цепи в комплексной плоскости.
6. Присоединить приёмники последовательно к источнику несинусоидального тока i=7Sin(wt+130 )+1,2Sin(2wt-860 )+0,4Sin3wtA. Определить действующие значения тока и напряжения, активную мощность цепи. Записать уравнения мгновенных значений напряжения в цепи. Значения сопротивлений считать для частоты первой гармоники.
Частоту напряжения считать равной f = 50 Гц.
1 Расчёт неразветвлённой цепи с помощью векторных диаграмм
В задании на курсовую работу сопротивления даны в комплексной форме. Так как расчёт цепи нужно выполнить с помощью векторных диаграмм, определяем соответствующие заданным комплексам активные и реактивные сопротивления: XС1 = 65 Ом, R2 = 14 Ом, XL 2 =56 Ом, R3 =56 Ом ,ХC 3 = 23 Ом.
Из заданных приёмников составляем неразветвлённую цепь (рис. 1).

Рисунок 1
Определяем активные и реактивные сопротивления всей цепи:
R = R2 + R3 = 14 + 56 = 70 Ом;
X = -XC 1 + XL 2 – XC 3 = - 65 + 56 - 23 = - 32 Ом.
Полное сопротивление всей цепи тогда определяем из выражения:
Z =
=
= 77 Ом.
Ток в цепи будет общим для всех приёмников и определится по закону Ома:
I = U / Z = 300/77 = 3.9 A.
Угол сдвига фаз между напряжением и током определяется по синусу
Sin j = X / Z или тангенсу Tg j = X / R,
так как эти функции являются нечётными и определяют знак угла “плюс” или “минус”. Положительный знак угла указывает на активно-индуктивный (или чисто индуктивный) характер нагрузки, а отрицательный знак угла указывает на активно-ёмкостный (или чисто ёмкостный) характер. Таким образом, угол сдвига фаз между напряжением и током определим по синусу
Sin j= X/Z = - 32/77 = - 0,4156;j = - 24.56°; Cos j = 0,9096.
Напряжения на участках цепи определяем также из формулы закона Ома:
UC1 = I * XC1 = 3.9 *65 =253.5 B.
UR2 = I * R2 = 3.9 * 14 = 54.6 B.
UL2 = I * XL2 = 3.9 * 56 = 19.5 B
UR3 = I * R3 = 3.9 * 56 = 19.5 B
UC 3 = I * XC 3 = 3.9 * 23 = 89.7 B.
Определяем активные и реактивные мощности участков цепи:
QC1 = I2 * XC1 =3.92 *65 = 989 вар.
P2 = I2 * R2 =3.92 * 14 = 213 Bт.
QL2 = I2 * XL2 = 3.92 *56 = 852 вар.
P3 =I2 *R3 = 3.92 *56= 852 Вт
QС3 = I2 * XС3 = 3.92 *23 =350 вар.
Активная, реактивная и полная мощности всей цепи соответственно будут равны:
P = P2 + P3 = 213 +852 =1065 Вт.
Q = -QC 1 + QL 2 - QС3 = -989+852- 350 = - 487 вар.
S =
=
=1171 B*A.
Полную, активную и реактивную мощности всей цепи можно определить также по другим формулам:
S = U * I =300 *3.9 =1170 В*А.
Р = S * Cosj =1170* 0,9096 =1064 Вт,
Q = S * Sin j=1170*( - 0,4154) = - 486 вар.
Определяем ёмкость и индуктивность участков. Угловая частота ω = 2 πf = 2 * 3,14 * 50 = 314 с-1
C1 = 1/wXc1 =1/(314*65)= 0,000049 Ф = 49 мкФ
L2
= XL
2
/w = 56/314 = 0,178 Гн ![]()
С3
= 1/wXС3
= 1/(314*23) = 0,000138 Ф = 138 мкФ.
Для построения векторной диаграммы задаёмся масштабами тока и напряжения, которые будут соответственно равны MI = 0,25 A/см и MU = 25 B/см.
Построение топографической векторной диаграммы начинаем с вектора тока, который откладываем вдоль положительной горизонтальной оси координат. Векторы напряжений на участках строятся в порядке обтекания их током с учётом того, что векторы напряжений на активных элементах
R2
и
R3
совпадают по фазе с током и проводятся параллельно вектору тока. Вектор напряжения на индуктивности
L2
опережает ток по фазе на угол 900
и поэтому откладывается на чертеже вверх по отношению к току. Векторы напряжений на ёмкости
С1
и
отстают от тока по фазе на угол 900
и откладываются на чертеже вниз по отношению к току. Вектор напряжения между зажимами цепи проводится с начала вектора тока в конец вектора
С3
. На векторной диаграмме отмечаем треугольник напряжений ОАВ, из которого активная составляющая напряжения
Uа = UR 2 + UR 3
и реактивная составляющая напряжения
Uр = -UС1 + UL 2 – UС3 .
Топографическая векторная диаграмма построена на рисунке 2.
Ua
O
φ
MI = 0,5 А/см
МU = 25 В/см
UC1 U UP
UR3
UR2 UL2
UC 3
Рисунок 2
2 Расчёт разветвлённой цепи с помощью векторных диаграмм
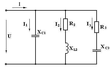
Присоединяем заданные приёмники параллельно к источнику напряжения. Это значит, что цепь состоит из трех ветвей, для которых напряжение источника является общим. Схема цепи показана на рисунке 3.
Расчёт параллельной цепи выполняем по активным и реактивным составляющим токов.

Рисунок 3
Этот метод предусматривает использование схемы замещения с последовательным соединением элементов. В данном случае три параллельные ветви рассматриваются как три отдельные неразветвлённые цепи, подключенные к одному источнику с напряжением U. Поэтому в начале расчёта определяем полные сопротивления ветвей:
Z1 = Хс1 = 65 Ом.
Z2
=
=
= 57.7 Ом.
Z3
=
= 60.5 Ом.
Углы сдвига фаз между напряжениями и токами в ветвях определяются также по синусу (или тангенсу):
Sinφ1 = -1; j1 = - 90°;Cosφ1 = 0
Sinφ2 = XL 2 / Z2 = 56 / 57.7 = O.9705; j2 = 76.05°; Cosφ2 = 0.241.
Sinφ3 = - XC 3 /Z3 = - 23/60.5= - 0.38; φ3 = - 22.34°; Cosφ3 = 0.9249.
Затем можно определять токи в ветвях по закону Ома:
I1 = U / Z1 =300 / 65 = 4.62 А.
I2 = U / Z2 = 300 / 57.7 = 5.2 А.
I3 = U / Z3 = 300 / 60.5 = 4.96А.
Для определения тока в неразветвлённой части цепи нужно знать активные и реактивные составляющие токов в ветвях и неразветвленной части цепи:
Ip1 = I1 *Sinj1 = 4.62*(- 1) = - 4.62 A.
Ia2 = I2 *Cosφ2 = 5.2 * 0,241 = 1.25A;
Ip2 = I2 *Sinφ2 = 5.2 * 0,9705 = 5.05A;
Ia3 = I3 *Cosj3 = 4.96*0.9249 = 4.59 A.
Ip3 = I3 *Sinj3 = 4.96*(- 0.38) = - 1.88 A.
Активная и реактивная составляющие тока в неразветвлённой части цепи:
Ia = Ia2 + Ia3 = 1.25+4.59 = 5.84 A.
Ip = Ip1 + Ip2 + Ip3 = - 4.62+5.05 – 1.88 = - 1.45 A.
Полный ток в неразветвлённой части цепи:
I =
=
= 6.02 A.
Угол сдвига фаз на входе цепи:
Sinφ = IP / I = - 1.45/6.02 = - 0.2409; φ = -13.940 ; Cosφ = 0.9706.
Активные, реактивные и полные мощности ветвей:
QC1 = I1 2 *XC1 = 4.622 *65 = 1387 вар.
S1 = U*I1 = 300*4.62 = 1387 B*A.
P2 = I2 2 * R2 = 5.22 * 14 = 379Вт.
QL2 = I2 2 * XL2 = 5.22 * 56 =1514 вар.
S2 = U * I2 = 300 * 5.2 =1560 В*А.
P3 = I3 2 *R3 = 4.962 *56 = 1378 Bт
QC3 = I3 2 * XC3 = 4.962 * 23 =566 вар.
S2 = U * I2 = 300 *4.96 = 1488 В*А
Активные, реактивные и полные мощности всей цепи:
P = P2 + P3 = 379 + 1378 =1757 Вт.
Q = - QC 1 + QL 2 - QC 3 = - 1387 +1514 -566 = - 439 вар.
S =
=
= 1811 В*А, или
S = U * I = 300*6.02 = 1806 В*А.
P = S*Cosφ = 1806 * 0,9706 = 1753 Вт.
Q = S * Sinφ = 1806*(- 0.2404) = - 434вар.
Для построения векторной диаграммы задаёмся масштабами напряжений MU = 25 В/см и токов MI = 0.5 А/см. Векторную диаграмму начинаем строить с вектора напряжения, который откладываем вдоль горизонтальной положительной оси. Векторная диаграмма токов строится с учётом того, что активные токи Ia2 и Ia3 совпадают по фазе с напряжением, поэтому их векторы параллельны вектору напряжения; реактивный индуктивный ток Ip 2 отстает по фазе от напряжения, и его вектор строим под углом 900 к вектору напряжения в сторону отставания; реактивные емкостные токи Ip 1 и Ip 3 опережают по фазе напряжение, и их векторы строим под углом 90° к вектору напряжения в сторону опережения. Вектор тока в неразветвлённой части цепи строим с начала построения в конец вектора емкостного тока Ip3 . Векторная диаграмма построена на рисунке 4.
Ia2


MI
= 0,5 А/см
МU = 25 В/см
I2
I1 =Ip1 Ip2
OIa U
![]()
Ia3
![]()
I3
Ip3
Ip
I
Рисунок 4
3 Расчёт сложных цепей переменного тока символическим методом
Электрическая схема цепи и комплексная схема замещения представлены на рисунке 5а и б соответственно.

Рисунок 5
Намечаем в независимых контурах заданной цепи, как показано на рисунке 5б, контурные токи I K 1 и I K 2 – некоторые расчётные комплексные величины, которые одинаковы для всех ветвей выбранных контуров. Направления контурных токов принимаются произвольно. Для определения контурных токов составляем два уравнения по второму закону Кирхгофа:
I
K1
*(Z
1
+ Z
2
) – I
K2
*Z
2
= E
2
- I K1 *Z 2 +I K2 *(Z 2 +Z 3 )= E 3 - E 2
Подставляем данные в систему:
I K 1 *(- j65+14+j56) – I K 2 *(14+j56) = 230
-IK 1 *(14+j56) +I K 2 *(14+j56+56 – j23) = j240-230
I K 1 *(14-j9) – I K 2 *(14+j56) = 230
-I K 1 *(14+j56) + I K 2 *(70+j33) = -230+ j240
Решаем систему с помощью определителей. Определитель системы:
=1277-j168+2940– j1568=4217-j1736
Частные определители :
=
= 16100+j7590–16660-j9520= -560–j1930.
=-1060+j5430+3220+j12880 = 2160+j18310
Определяем контурные токи:
I
K
1
=
=
= 0.0476-j0.438 A.
I
K
2
=
=
= - 1.09+ j3.89 A.
Действительные токи в ветвях цепи определяем как результат наложения контурных токов:
I
1
= I
K1
= 0.0476 – j0.438 = 0.441
A
I
2
= I
K1
-I
K2
= 0.0476.- j0.438+1.09- j3.89 = 1.14 – j4.33 = 4.48
A
I
3
= I
K
2
= -1.09 + j3.89 = 4.04
A.
Составляем уравнение баланса мощностей в заданной электрической цепи. Определяем комплексные мощности источников:
S
E
2
= E
2
*
=230(1.14+j4.33) = 262+j996=1030
B*A
S
E
23
= E
3
*
= j240*(-1.09 – j3.89) = 912 – j262 = 949
B*A
Определяем комплексные мощности приёмников электрической энергии:
S
1
= I1
2
*Z
1
=0.4412
*( – j65) = – j12.6 =12.6
B*A
S
2
= I2
2
*Z
2
= 4.482
*(14+j56) = 281+j1124=1159
B*A
S
3
= I3
2
*Z
3
= 4.042
*(56 – j23) = 914– j375 =988
B*A.
Уравнение баланса комплексных мощностей!
S Е 1 + S E2 =S 1 + S 2 +S 3 ;
262+j996+912-j262 = – j12.6+281+j1124+914– j375
1174+ j734 @ 1182+ j749; 1385
@ 1400 ![]()
Относительная и угловая погрешности незначительны.
Для построения векторной диаграммы задаёмся масштабами токов MI = 0.25 А/см и ЭДС ME = 50 В/см. Векторная диаграмма в комплексной плоскости построена на рисунке 6.
4 Расчёт трёхфазной цепи при соединении приемника в звезду
Схема заданной цепи изображена на рисунке 7.
Определяем систему фазных напряжений генератора. Фазное напряжение:
UФ
= Uл/
= 380/1,73=220 В.
Комплексные фазные напряжения генератора:
U A = UФ = 220 B
U B = U A e- j 120 = 220e- j 120 = –110 – j191 B
U C = U A ej 120 = 220ej 120 = –110 + j191 B
Определяем полные проводимости фаз приёмника:
Y
A
=
= j0,01538 См.
Y
B
=
= 0.0042-j0.0168 См.
Y
C
=
= 0.0153+j0.00628Cм.
YN
=
=
= j0.03125 См.

Рисунок 7
Узловым напряжением является в данном случае напряжение смещения нейтрали, которое определяется по формуле:
U
N
=
![]()
![]()
= (j3.38-3.67+j1.05-2.88+j2.23)/(0.05075+j0.00486) = (-6.55+j6.66)/(0.0195+j0.03611)= 67+j218 = 228
B.
Определяем фазные напряжения на нагрузке:
U
A
/
= U
A
– U
N
= 220- (67+j218) = 153-j218 = 266
B.
U
B
/
= U
B
– U
N
= (–110-j191) - (67+j218) = -177-j409 =446
B.
U
C
/
= U
C
–U
N
=(–110+j191) - (67+j218) = -177 – j27 = 179
B.
Определяем токи в фазах нагрузки:
I
A
= U
A
/
*Y
A
= (153-j218)*(j0.01538) = 3.35+j2.35 = 4.1
A.
I
B
= U
B
/
*Y
B
= (-177-j409)*(0.0042-j0.0168) = -7.61+j1.26 =7.72
A.
I
C
=U
C
/
*Y
C
= (-177 – j27)*(0.0153+j0.00628)=- 2,53–j1,52= 2,96
A.
I
N
= U
N
*Y
N
= (67+j218)*j0.03125 = - 6,8 + j2,09 = 7,12*![]()
Проверяем правильность определения токов по первому закону Кирхгофа для точки N’:
I A + I B + I C =I N
3.35+j2.35 -7.61+j1.26 - 2,53 – j1,52 @ - 6,8 + j2,09;
- 6,79+j2.09 @ - 6,8 + j2,09.
Определяем комплексные мощности фаз и всей цепи:
S
A
= IA
2
* Z
1
= 4,12
*(-j65) = -j1092=1092
B*A.
S
B
= IB
2
* Z
2
= 7,722
*(14+j56) = 834+j3338 =3440
B*A
S
C
= IC
2
* Z
3
= 2,962
*(56-j23) = 491 – j 202 = 530
B*A.
S = S A + S B + S C = -j1092+ 834+j3338+ 491 – j 202 = 1325+j2044 =
= 2436
B*A.
Для построения векторной диаграммы задаёмся масштабами токов MI = 1 А/см и напряжений MU = 40 B/см. Векторная диаграмма на комплексной плоскости построена на рисунке 8.
5 Расчёт трёхфазной цепи при соединении приёмника в треугольник
Схема заданной цепи изображена на рисунке 9

Рисунок 9.
В данном случае линейные напряжения генератора являются фазными
напряжениями нагрузки:
U AB = UЛ = 380 В.
U
BC
= 380
= -190-j329 B.
U
CA
= 380
= -190+j329 B.
Определяем систему фазных токов нагрузки:
I
AB
=
=
= j5,85 = 5,85
A
I
BC
=
=
= -6,32+j1,81 = 6,58
A![]()
I
CA
=
=
= -4,96+j3,83 = 6,27
A
Систему линейных токов определяем из соотношений:
I
A
= I
AB
– I
CA
= j5,85+4,96-j3,83 = 4,96+j2,02 = 5,36
A
I
B
= I
BC
– I
AB
= -6,32+j1,81-j5,85 = -6,32-j4,04 = 7,5
A
I
C
= I
CA
– I
BC
= -4,96+j3,83+6,32-j1,81 = 1,36+j1,92 =2,35
A
Определяем мощности фаз приемника:
S
AB
=IAB
2
*Z
1
= 5,852
*(-j65) = -j2224 = 2224
B*A.
S
BC
= IBC
2
*Z
2
= 6,582
*(14+j56) = 606+j2425 = 2499
B*A.
S
CA
= ICA
2
*Z
3
= 6,272
*(56 – j23) =2201– j904 = 2380*
B*A.
Определяем мощность трехфазной нагрузки:
S AB +S BC +S CA = -j2224+606+j2425+2201– j904 =2807 – j703 =
= 2894
B*A. ![]()
Для построения векторной диаграммы задаёмся масштабами токов MI =1 A/см и напряжений MU = 50A/см. Векторная диаграмма построена на рисунке 10.
6 Расчёт неразветвлённой цепи с несинусоидальными напряжениями и токами
Составляем схему заданной цепи, подключая последовательно соединённые приёмники к источнику несинусоидального напряжения, под действием которого в цепи возникает ток с мгновенным значением
i=7Sin(wt+130 )+1,2Sin(2wt-860 )+0,4Sin3wt A,который на схеме замещения представляем как последовательно соединённые три источника переменного напряжения u1 , u2 и u3 c разными частотами (рисунок 11)
Величины сопротивлений заданы для частоты первой гармоники:
XC 11 = 18 Ом, R2 = 23 Ом, XL 21 = 14 Ом, R3 = 12 Ом, XC 31 = 62 Ом. Поскольку напряжения источников имеют разные частоты, то и реактивные сопротивления для них будут иметь разные величины. Активные сопротивления считаем от частоты не зависящими. Поэтому расчёт ведём методом наложения, то есть отдельно для каждой гармоники.
. 
Рисунок 11.
Первая гармоника
Определяем активное и реактивное сопротивления всей цепи:
R = R2 + R3 = 14+56 = 70 Ом. X1 = -XC11 + XL21 - XC31 = - 65+56–23 =
= -32 Ом.
Полное сопротивление цепи:
Z1
=
=
= 76,7 Ом.
Амплитудные значения напряжения и тока:
Im 1 = 7 A, Um 1 = Im 1 *Z1 = 7*76.7 =537 B.
Действующие значения напряжения и тока:
U1
= Um
1
/
= 537 / 1,41 = 381 B.
I1
= Im
1
/
= 7 / 1,41 = 4.96 A.
Угол сдвига фаз между напряжением и током определяем по синусу:
Sinφ1 = X1 /Z1 = -32/76.7 = - 0.4172. j1 = - 24.66°, Cosφ1 =0.9088.
Активная и реактивная мощности первой гармоники:
P1 = I1 2 * R = 4.962 * 70 =1722 Вт.
Начальная фаза тока определяется из соотношения:
φ1 = yU1 – yI1 , отсюдаyU1 =yI1 + j1 = 13°- 24.66°= - 11.66°
Мгновенное значение напряжения первой гармоники
u1 = Um 1 * Sin (ωt + yU 1 ) = 537 * Sin (ωt – 11.66°) B.
Вторая гармоника.
Для остальных гармоник напряжения расчёты приводим без дополнительных разъяснений.
X2 = XC 11 / 2 + XL 21* 2 - XC 31 / 2 = -65/ 2 + 56* 2 - 23 / 2 = 68 Ом.
Z2
=
=
=97.6 Ом,
Im2 =1.2 A, Um2 = Im2 *Z2 =1.2*97.6 =117 B.
U2
= Um2
/
=117 / 1,41 = 83 B.I2
= Im2
/
= 1.2 / 1,41 = 0.85 A.
Sin φ2 = X2 / Z2 = 68/97.6= 0,6967.j2 = 44.16°, Cos φ2 = 0,7173.
P2 = I2 2 * R2 = 0.852 *70 = 51 Вт.
yU2 =yI2 + j2 = -86°+ 44.16°= - 41.9°
u2 = Um2 * Sin (2ωt + yU2 ) = 117 * Sin (2ωt – 41.9°) B.
Третья гармоника
X3 = XC 11 /3 + XL 11 * 3 – XC 31 / 3 = - 65 / 3 + 56* 3 - 23 / 3 =139 Ом.
Z3
=
= 156 Ом. Im3
=0.4 A, Um3
= Im3
*Z3
=0.4 *156 =
= 62.4 B.
U3
= Um3
/
=62.4/
= 44.3 B. I3
= Im3
/
= 0.4 / 1,41 = 0.28 A.
Sin φ3 = X3 / Z3 =139 /156 = 0,891. j3 = 63°. Cos φ3 = 0,454.
P3 = I3 2 * R = 0.282 *70 = 0.5 Вт.
yU3 =yI3 + j3 = 63°.
u3 = Um3 * Sin (3ωt + yU3 ) =44.3 * Sin (3ωt +63°) B.
Определяем действующие значения тока и напряжения:
I =
=
= 5.04 A.
U =
=
= 559 B.
Активная и реактивная мощности цепи:
P = P1 +P2 +P3 =1722+51+0.5=1774 Вт.
Средневзвешенный коэффициент мощности цепи:
Cos Х = Р / (U * I) = 1774/ (559 *5.04) = 0,6296.
Уравнение мгновенных значений напряжения между зажимами цепи:
u=u1 +u2 +u3 =537 * Sin (ωt – 11.66°)+117 * Sin (2ωt – 41.9°)+
+44.3 * Sin (3ωt +63°) B.
Литература
1. Ф.Е. Евдокимов. Теоретические основы электротехники. - М. “Высшая школа “,1981 г.
2. В.С. Попов. Теоретическая электротехника. – М. “Энергия”,
1978 г.
3. Ю.В. Буртаев, П. И. Овсянников. Теоретические основы электротехники.– М. “Энергоатомиздат”, 1984 г.
4. Л.А. Частоедов. Электротехника. - М. “Высшая школа”, 1984 г.
5. М.Ю. Зайчик. Сборник задач и упражнений по теоретической электротехнике. – М. “Энергоатомиздат” , 1988 г.
Похожие рефераты:
Оборудование летательных аппаратов
Теоретические основы электротехники
Синхронные машины. Машины постоянного тока
Компенсация реактивной мощности в системах электроснабжения с преобразовательными установками
Реконструкция подстанции "Гежская" 110/6 кВ
Шпаргалки по геометрии, алгебре, педагогике, методике математики (ИГПИ)
Разработать лабораторный стенд для испытания устройств защиты судовых генераторов
Лекции по твердотельной электронике
Электроснабжение текстильного комбината
Модернизация релейной защиты на тяговой подстанции Улан-Удэ на базе микропроцессорной техники
Линия электропередачи напряжением 500 кВ
Проект новой подстанции для обеспечения электроэнергией нефтеперерабатывающего завода