| Похожие рефераты | Скачать .docx |
Реферат: Внедрение парогазовых турбин в энергосистему (ТЭЦ 21 и 27)
Внедрение парогазовых турбин в энергосистему (ТЭЦ 21 и 27)
Содержание
Введение
1. Внедрение парогазовых турбин в энергосистему
2. Электрическая часть и эл. схема парогазовых турбин
3. Расчеты по внедрению парогазовых турбин
Заключение
Список используемой литературы
Введение
Проблемы отечественной энергетики часто связывают с выработкой ресурса оборудования, но не менее важно, что оборудование это устарело морально и простая его замена на новые установки старого образца принципиально ничего не решит.
Развитие энергетики страны до настоящего времени шло в основном за счет ввода новых паротурбинных агрегатов, имеющих более высокие начальные параметры и большую единичную мощность. Повышение начальных параметров позволяло совершенствовать термодинамический цикл и снижать удельный расход топлива.
Коэффициент полезного действия отечественных электростанций в среднем оценивается в 36%. Более десятой части электроэнергии и вовсе вырабатывается на установках, кпд которых равен 25% (эффективность, характерная для 30−х годов прошлого столетия). Между тем в развитых странах этот показатель в среднем не опускается ниже 45%. Рост эффективности энергосистем Запада связан с внедрением новых технологий, прежде всего речь идет об установках парогазового цикла (ПГУ), кпд которых колеблется от 52 до 60%.
Поэтому целью работы является изучение процессов внедрения парогазовых турбин в энергосистему страны.
1. Внедрение парогазовых турбин в энергосистему
Длительная эксплуатация устаревших тепловых электростанций в маневровом режиме грозит выходом из строя энергосистемы Украины. Чтобы предотвратить это, необходимо обеспечить работу ТЭС в условиях, близких к постоянной нагрузке, т.е. использовать для покрытия дефицита электроэнергии в дневное время какие-то другие источники энергии.
Для этой цели можно использовать промышленные газовые турбины, хорошо приспособленные для работы в маневровом режиме. Газовые турбины являются одной из главных составляющих топливно-энергетического комплекса многих стран мира. Сегодня более 65% новых электрогенерирующих мощностей, вводимых в эксплуатацию в мире (базовый и маневровый режимы), основываются на использовании парогазовых установок (ПГУ) и газотурбинных тепловых электростанций, превосходящих по многим показателям традиционные пылеугольные паротурбинные станции.
Газовые турбины нового поколения имеют высокий коэффициент полезного действия, характеризуются эксплуатационной надежностью, производятся во всем мире и обеспечены развитой системой сервисного обслуживания. Они применяются в широком диапазоне мощностей, используются в дежурном режиме (ожидание), для покрытия пиковых нагрузок, а также при постоянной нагрузке. В диапазоне мощностей от 60 до 120 МВт около 60% газовых турбин покрывают пиковые нагрузки, а более 85% сверхмощных газовых турбин (180 МВт и более) используются для выработки электроэнергии в базовом режиме[1] . Для современных энергогазотурбинных установок стоимость одного киловатта установленной мощности составляет 400-700 долл., для парогазовых - до 1000 долл. В то же время для пылеугольных паротурбинных электростанций (основных ТЭС) его стоимость уже превысила 1200 долл.
До 2006 года мировое производство промышленных газовых турбин характеризовалось некоторой нестабильностью. Рост производства в 1996-м сменился спадом в 1997-м и ростом в 1998-2000 годах. С 2006 года начинается быстрый подъем мирового рынка энергетического газотурбостроения, что обусловлено выводом на рынок газовых турбин нового поколения. Прогноз на десятилетний период (2006-2015 годы) выглядит благоприятным и предсказывает быстрый рост производства промышленных газотурбин различной мощности.
Общее количество газовых турбин, которые уже произведены и будут произведены в мире в 2006-2015 годах, превысит 12 тыс. единиц. Больше всего - 1337 штук - планируется произвести в 2011 году (рисунок 1), однако в 2015-м производство газовых турбин снизится до 1206 единиц. Это объясняется ожидаемым поступлением на рынок новых энерготехнологий - топливных элементов, ядерных энергетических установок нового поколения, более активным использованием промышленных и бытовых отходов для производства энергии, а также существенным расширением использования ветровой и солнечной энергии.

Рисунок 1. Ожидаемое производство парогазовых турбин до 2015 года.
Несмотря на дефицит природных энергоносителей, примерно 75% газовых турбин мощностью более 15 МВт будут использовать в качестве топлива природный газ. Быстрый рост мировых цен на газ и трудности его доставки в некоторые районы мира даже в сжиженном состоянии будут способствовать повышению роли угля как источника энергии. Поэтому быстрое развитие энергетического газотурбостроения будет сопровождаться разработкой и внедрением новых технологий получения синтетического газа из угля и других природных энергоносителей.
В связи с широким использованием газа в качестве топлива экономичность газовых турбин приобретает особую важность. Этот показатель важен для снижения расхода природного газа на собственные нужды и уменьшения выбросов в атмосферу диоксида углерода (при сжигании 1 кг природного газа образуется 1,8 кг СО2), а также вредных оксидов азота и углерода (NOx, СОх). Достижение высокой экономичности газотурбинных установок связано, в первую очередь, с величиной температуры продуктов сгорания после камеры сгорания. Однако при современном уровне развития материаловедения дальнейшее повышение температуры продуктов сгорания наталкивается на серьезные трудности[2] .
Поэтому в последние годы интенсивное развитие получили газотурбинные установки, работающие по сложному термодинамическому циклу. К таким циклам относятся регенеративный цикл (теплообменник-регенератор на выходе газовой турбины), циклы с промежуточным охлаждением воздуха в процессе сжатия или с подогревом продуктов сгорания в процессе расширения, подача пара в проточную часть газовой турбины (технология STIG), подача пара и утилизация воды в конденсаторе на выходе, бинарный воздушный цикл. Использование сложных термодинамических циклов позволяет повысить мощность и к. п. д. промышленных газотурбинных установок без существенного увеличения температуры продуктов сгорания и за счет этого применять проверенные практикой конструкционные материалы и газотурбинные технологии. Освоение сложных циклов связано с усложнением конструкции, увеличением стоимости производства, приводит к дополнительным сложностям при эксплуатации и техническом обслуживании.
В России, где износ электростанций составляет около 60%, парогазовую технологию стали внедрять недавно, что связано с большими капитальными затратами на освоение технологии (около 30 млрд. долл). Согласно проектам реконструкции и нового строительства энергообъектов в России в 2008-2012 годах запланирован ввод 20 энергоблоков ПГУ-400 на природном газе на основе газотурбинной установки мощностью 270 МВт.
Первая в современной России промышленная электростанция, использующая парогазовый цикл, была введена в строй в 2002 году в ОАО "Северо-Западная ТЭЦ-3" (Санкт-Петербург). В составе энергетического блока использованы две газотурбинные установки компании Siemens AG (V94.2), два котла-утилизатора и паровая турбина российского производства. Следующая ПГУ-450 с двумя газотурбинными установками российского производства мощностью по 160 МВт, построенными по лицензионному соглашению с компанией Siemens AG (аналог установки V94.2), введена в эксплуатацию в конце 2005 года в ОАО "Калининградская ТЭЦ-2" (блок №1). Следует также упомянуть названную выше российско-украинскую ПГУ-325 мощностью 325 МВт, установленную на Ивановской ГРЭС, парогазовую установку мощностью 220 МВт на Тюменской ТЭЦ-1 и два энергоблока мощностью 39 МВт каждый на Сочинской ТЭС.
В конце 2006 года были завершены пусконаладочные работы и проведено комплексное испытание второго блока ПГУ-450 на ОАО "Северо-Западная ТЭЦ-3" с российскими аналогами газовых турбин компании Siemens AG, а в 2007-м введен в эксплуатацию энергоблок №3 на ТЭЦ-27 ОАО "Мосэнерго". Реализуются проекты парогазовых установок мощностью 450 МВт на ТЭЦ-21 и ТЭЦ-27 ОАО "Мосэнерго", Южной ТЭЦ-22 (Санкт-Петербург), где будет использовано оборудование только российского производства.
ТЭЦ-21 и ТЭЦ-27 входят в состав ОАО "Мосэнерго". Установленная электрическая мощность станций 1340 МВт и 160 МВт соответственно.
Сегодня на ТЭЦ-21 ОАО "Мосэнерго" началось комплексное опробование нового парогазового энергоблока № 11 ПГУ-450Т на номинальной нагрузке. Испытания установки продлятся несколько дней. Ввод новой генерации позволит обеспечить дополнительными объемами электрической и тепловой энергии Северо-Западный и Центральный округа Москвы, а также город Химки.
Электрическая мощность вводимой установки составит 450 МВт, тепловая - 300 Гкал/час. Главное отличие нового энергоблока от уже действующих на ТЭЦ-21 агрегатов заключается в использовании парогазового цикла производства электроэнергии. Такая технология позволяет значительно улучшить рабочие и эксплуатационные характеристики энергоблока по сравнению с установками, принцип работы которых основан на традиционном паросиловом цикле. В частности, КПД увеличивается с 38% до 51%, расход топлива сокращается на 30%. Кроме того, на треть снижается уровень вредных выбросов в атмосферу.
Пуск в промышленную эксплуатацию энергоблока № 11 ТЭЦ-21 - очередной этап реализации компанией Программы развития и технического перевооружения. За последний год это уже второй объект парогазовой генерации, вводимый Мосэнерго в рамках данной программы[3] .
Строительство энергоблока № 11 на ТЭЦ-21 началось 16 марта 2006 года. Проектировщиком и генеральным подрядчиком строительства выступили филиалы ОАО "Мосэнерго" - "Мосэнергопроект" и "Мосэнергоспецремонт". Турбинное оборудование для энергоблока произведено концерном "Силовые машины", котельное - Подольским машиностроительным заводом, трансформаторное - компанией "Электрозавод". Монтаж газовой турбины ГТЭ-160 и трубопроводов в пределах турбины, вспомогательного оборудования выполнен Московским филиалом ОАО "Центроэнергомонтаж"[4] .
ОАО "Мосэнерго" успешно провело синхронизацию и включение в сеть двух газовых и паровой турбины энергоблока № 3 ПГУ-450Т на ТЭЦ-27 в рамках плановых испытаний.
В настоящий момент на энергоблоке № 3 ПГУ-450Т ТЭЦ-27 идет подготовка к 72-часовым ходовым испытаниям, предусматривающим синхронизацию и включение в сеть двух газовых и паровой турбины. ПГУ-450Т на ТЭЦ-27 установленной электрической мощностью 450 МВт станет первой парогазовой энергетической установкой и наиболее мощным энергоблоком в Московской энергосистеме, способным дать свет более чем в 400 тысяч квартир.
В состав энергоблока № 3 ПГУ-450Т на ТЭЦ-27 входят две газовые турбины единичной электрической мощностью 160 МВт и паровая турбина установленной электрической мощностью 130 МВт.
21 октября 2007 года прошли испытания первой газовой турбины энергоблока с включением в сеть.
29 октября 2007 года прошли испытания второй газовой турбины на холостом ходе с частотой 3000 оборотов в минуту.
1 ноября 2007 года проведены испытания паровой турбины на холостом ходе.
2 ноября 2007 года в рамках пусковых испытаний первая газовая и паровая турбины синхронизированы с энергосистемой и включены в сеть в течение двух часов.
5 ноября 2007 года прошли испытания второй газовой турбины энергоблока с включением в сеть.
Строительство энергоблока № 3 ПГУ-450Т ТЭЦ-27 началось 22 декабря 2005 года. Ввод запланирован в ноябре 2007 года. В настоящее время на энергоблоке завершаются пуско-наладочные работы. Срок строительства энергоблока - 22 месяца - является рекордным в российской энергетике.
Проектировщиком энергоблока № 3 ПГУ-450Т ТЭЦ-27 является институт "Мосэнергопроект" - филиал ОАО "Мосэнерго". Генеральный подрядчик - "Мосэнергоспецремонт" - филиал ОАО "Мосэнерго".
В настоящее время ОАО "Мосэнерго" ведет строительство современных парогазовых энергоблоков общей электрической мощностью более 2000 МВт на системообразующих электростанциях, расположенных в кольце 220 кВ (ТЭЦ-21, ТЭЦ-26 и ТЭЦ-27), а также на электростанциях, обеспечивающих энергоснабжение центра Москвы (ТЭЦ-9. ТЭЦ-12).
2. Электрическая часть и эл. схема парогазовых турбин
Парогазовая установка - электрогенерирующая станция, служащая для производства тепло - и электроэнергии. Отличается от паросиловых и газотурбинных установок повышенным КПД[5] .
Парогазовая установка состоит из двух отдельных установок: паросиловой и газотурбинной. В газотурбинной установке турбину вращают газообразные продукты сгорания топлива. Топливом может служить как природный газ, так и продукты нефтяной промышленности (мазут, солярка). На одном валу с турбиной находится первый генератор, который за счет вращения ротора вырабатывает электрический ток. Проходя через газотурбину, продукты сгорания отдают ей лишь часть своей энергии и на выходе из газотурбины все ещё имеют высокую температуру. С выхода из газотурбины продукты сгорания попадают в паросиловую установку, в котел-утилизатор, где нагревают воду и образующийся водяной пар. Температура продуктов сгорания достаточна для того, чтобы довести пар до состояния, необходимого для использования в паровой турбине (температура дымовых газов около 500 градусов по Цельсию позволяет получать перегретый пар при давлении около 100 атмосфер) [6] . Паровая турбина приводит в действие второй электрогенератор. Существуют парогазовые установки, у которых паровая и газовая турбины находятся на одном валу, в этом случае устанавливается только один генератор.
ТЭЦ - вид электростанций предназначен для централизованного снабжения промышленных предприятий и городов электроэнергией и теплом. Являясь, как и КЭС, тепловыми электростанциями, они отличаются от последних использованием тепла "отработавшего" в турбинах пара для нужд промышленного производства, а также для отопления, кондиционирования воздуха и горячего водоснабжения[7] . При такой комбинированной выработке электроэнергии и тепла достигается значительная экономия топлива по сравнению с раздельным энергоснабжением, т.е. выработкой электроэнергии на КЭС и получением тепла от местных котельных. Поэтому ТЭЦ получили широкое распространение в районах (городах) с большим потреблением тепла и электроэнергии. В целом на ТЭЦ производится около 25% всей электроэнергии.
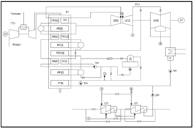
Особенности технологической схемы ТЭЦ показаны на рисунке 1.0 (приложение 1). Части схемы, которые по своей структуре подобны таковым для КЭС, здесь не указаны. Основное отличие заключается в специфике пароводяного контура и способе выдачи электроэнергии.
Рисунок 1. Схема ПГТ: ГТУ - газотурбинная установка; ЭГ - электрогенератор; КУ - котёл-утилизатор; ПЕ - пароперегреватель; ИС - испаритель; ЭК - экономайзер; ГПК - газовый подогреватель конденсата; ВД - высокое давление; СД - среднее давление; НД - низкое давление; ПН - питательный насос; РН - насос рециркуляции; Д - деаэратор; ПТУ - паротурбинная установка; ЦВД - цилиндр высокого давления; ЦСД - цилиндр среднего давления; ЦНД - цилиндр низкого давления; К - конденсатор; СП - сетевой подогреватель.
Специфика электрической части ТЭЦ определяется расположением электростанции вблизи центров электрических нагрузок. В этих условиях часть мощности может выдаваться в местную сеть непосредственно на генераторном напряжении. С этой целью на электростанции создается обычно генераторное распределительное устройство (ГРУ). Избыток мощности выдается, как и в случае КЭС, в энергосистему на повышенном напряжении[8] .
Существенной особенностью ТЭЦ является также повышенная мощность теплового оборудования по сравнению с электрической мощностью электростанции. Это обстоятельство предопределяет больший относительный расход электроэнергии на собственные нужды, чем на КЭС.
Размещение ТЭЦ преимущественно в крупных промышленных центрах, повышенная мощность теплового оборудования в сравнении с электрическим повышают требования к охране окружающей среды. Так, для уменьшения выбросов ТЭЦ целесообразно, где это возможно, использовать в первую очередь газообразное или жидкое топливо, а также высококачественные угли. Размещение основного оборудования станций данного типа, особенно для блочных ТЭЦ, соответствует таковому для КЭС. Особенности имеют лишь те станции, у которых предусматривается большая выдача электроэнергии с генераторного распределительного устройства местному потребителю. В этом случае для ГРУ предусматривается специальное здание, размещаемое вдоль стены машинного зала (рис.1.1) (приложение 2).
3. Расчеты по внедрению парогазовых турбин
Основным преимуществом новых технологий с использованием парогазовых турбин является то, что экономический эффект достигается без снижения надежности и маневренности турбоустановок. По техническим условиям завода-изготовителя допускается дополнительный отбор пара в количестве до 50 т/ч из пятого отбора на ПНД-3 сверх отбора на этот подогреватель без снижения надежности работы проточной части турбины.
Эффективным и наименее затратным способом, позволяющим обеспечить экономичный подогрев потоков подпиточной воды теплосети и добавочной питательной воды котлов, является непосредственное использование для этой цели регенеративных подогревателей низкого давления (ПНД) [9] .
Оценка тепловой экономичности разработанных технологий проведена по величине удельной выработки электроэнергии на тепловом потреблении
, кВт×ч/м3
, получаемой за счет отборов пара на подогрев 1 м3
обрабатываемой воды:
, (1)
где
- расход обрабатываемой воды, м3
/ч;
- мощность, затрачиваемая на привод насосов, перекачивающих воду или конденсат в схемах ВПУ, кВт,
, (2)
где
- давление, создаваемое насосом, МПа;
- расход учитываемого потока, кг/с;
- КПД насоса;
- сумма мощностей, развиваемых теплофикационной турбоустановкой на тепловом потреблении за счет отборов пара на подогрев теплоносителей, кВт,
, (3)
где
,
- расход, кг/с, и энтальпия, кДж/кг, пара, используемого в качестве греющего агента на i-м участке схемы;
- энтальпия свежего пара, кДж/кг;
- электромеханический КПД турбогенератора;
- мощность, вырабатываемая на тепловом потреблении за счет отбора пара на условный эквивалентный регенеративный подогреватель, кВт,
, (4)
где
- расход пара на регенерацию, кг/с;
- энтальпия условного эквивалентного регенеративного отбора, кДж/кг;
- энтальпия j-го отбора, перед которым конденсат греющего пара смешивается с основным конденсатом турбины, кДж/кг.
Так, удельная выработка электроэнергии на тепловом потреблении:
![]()
, (5)
где
- энтальпия деаэрированной воды после вакуумного деаэратора, кДж/кг;
- энтальпия воды после химического умягчения, кДж/кг;
- энтальпия греющего агента, подаваемого в вакуумный деаэратор, кДж/кг;
- энтальпия сетевой воды, подогреваемой в подогревателе греющего агента, кДж/кг;
- энтальпия пара регенеративного отбора, кДж/кг;
- энтальпия конденсата греющего пара после подогревателя греющего агента, кДж/кг;
- КПД подогревателя греющего агента.
Для сравнения разработанных решений, основанных на применении парогазовой турбине, использована относительная безразмерная величина, показывающая во сколько раз удельная выработка электроэнергии за счет пара
превышает значение
, вырабатываемой паром производственного отбора. Введение данного показателя позволяет оценивать экономичность технологий различного назначения и соответственно с неодинаковыми температурными режимами. Так, на рис.2 представлена диаграмма относительной экономичности новых технологий с использованием парогазовой турбины[10]
. Из диаграммы видно, что все разработанные технологии с применением парогазовой турбины по энергетической эффективности значительно превосходят типовые решения, предусматривающие подогрев теплоносителей паром производственного отбора.

Рис.2. Относительная величина удельной выработки электроэнергии для новых технологий с использованием парогазовой турбины
Результаты оценки энергетической эффективности новой технологии, предусматривающей использование ПНД парогазовой турбины в качестве подогревателя исходной подпиточной или добавочной питательной воды перед ВПУ, представлены на рис. 3.

Рис. 3. Удельная выработка электроэнергии для технологий подогрева исходной воды перед ВПУ:
1 – пар отопительного отбора турбины;
2 – пар производственного отбора;
3 – пар регенеративного отбора
Из диаграммы видно, что использование низкопотенциальных регенеративных отборов пара турбин ТЭЦ для подогрева теплоносителей ВПУ существенно повышает экономичность ТЭЦ даже в сравнении с достаточно эффективным способом с использованием в качестве греющей среды регулируемого парогазовых турбин.
Экономия условного топлива ΔВ, определяется с помощью разности Δνтф , (кВт·ч) /м3 :
, (6)
где
- удельный расход условного топлива на конденсационную выработку электроэнергии, кг/ (кВт.
ч);
- удельный расход условного топлива на теплофикационную выработку электроэнергии, кг/ (кВт.
ч);
- общий расход подготавливаемой воды в исследуемом режиме, м3
.
При расчете энергетической эффективности технологий подготовки воды необходимо учитывать затраты топлива на выработку в котле дополнительного расхода пара Вдоп , т/год, при повышении νтф
, (7)
где
- разность расходов пара при использовании пара разных потенциалов для нагрева воды на одну и ту же величину, т/год;
,
- энтальпии свежего пара и питательной воды, кДж/кг;
- теплота сгорания условного топлива, кДж/кг;
- КПД парового котла.
Применение на ТЭЦ решения, показанного на рис.1, позволяет ежегодно экономить более 3000 тонн условного топлива в расчете на ВПУ производительностью 2000 м3 /ч.
По приведенной методике были произведены расчеты технико-экономических показателей для блока парогазовой турбины 21 ТЭЦ. Расчеты проводились для двух вариантов: 1 котел и ПУ работают на природном газе; 2 котел работает на мазуте, ПУ на природном газе. Для обоих вариантов принималось 5000 часов использования установленной мощности в год. Экономия котельного топлива, составила: B< = 0.819 кг/с=14.74 тыс. т/год (5000 ч/год), стоимость которого 14.74-103 х120=1.769 млн. долл. /год. Общий КИТ блока около 90%. Затраты на топливо составила 33 и 25% от общих годовых затрат, а зарплата - 2.5-2.8%. Без учета налога прибыль составила 2.812 и 3.120 млн. долл., срок окупаемости 2.85 и 2.56 лет и рентабельность 25.83 и 29.48%.
С учетом налога на прибыль 30%: прибыль 1.97 и 2.18 млн. долл., срок окупаемости - 4.06 и 3.66 лет и рентабельность 16.88 и 18.96%.
Полученные данные говорят о высокой эффективности внедрения работы ПГТ.
Основным видом топлива для парогазовых установок всех типов является природный газ. В качестве резервного топлива в сравнительно небольших объема может использоваться дизельное и газотурбинное жидкое топливо. К настоящему времени в России открыто более 700 газовых газоконденсационных и газонефтяных месторождений, из которых разработку вовлечено около 300, подготовлено к промышленному освоению 60 и в стадии разведки находится более 200 месторождений.
Заключение
В заключение работы необходимо обратить внимание на то, что наибольшее внимание следует обратить на внедрение парогазовых установок. Для России наибольший интерес представляют парогазовые установки с котлами, сжигающими уголь в кипящем слое под давлением. Эта технология, внедренная на энергоблоках 80-350 МВт в Швеции, Японии и других странах, показала высокую надежность, обеспечила хорошие экономические и экологические показатели. Расчетный КПД энергоблоков с котлами КСД составляет 42%. Одно из преимуществ этих установок - малые габариты - дает возможность установки их в существующих помещениях ТЭС взамен демонтируемого старого оборудования и тем самым проведения реконструкции на новой технической базе.
Сжигание природного газа на ТЭС в будущем должно происходить только на установках с современными технологиями использования топлива, например в парогазовых установках, газомазутных котлах с газотурбинными надстройками.
Парогазовые установки (в англоязычном мире используется название combined-cycle power plant) - сравнительно новый тип генерирующих станций, работающих на газе или на жидком топливе. Принцип работы самой экономичной и распространенной классической схемы таков. Устройство состоит из двух блоков: газотурбинной (ГТУ) и паросиловой (ПС) установок. В ГТУ вращение вала турбины обеспечивается образовавшимися в результате сжигания природного газа, мазута или солярки продуктами горения - газами. Образовавшиеся в камере сгорания газотурбинной установки продукты горения вращают ротор турбины, а та, в свою очередь, крутит вал первого генератора.
В первом, газотурбинном, цикле кпд редко превышает 38%. Отработавшие в ГТУ, но все еще сохраняющие высокую температуру продукты горения поступают в так называемый котел-утилизатор. Там они нагревают пар до температуры и давления (500 градусов по Цельсию и 80 атмосфер), достаточных для работы паровой турбины, к которой подсоединен еще один генератор. Во втором, паросиловом, цикле используется еще около 20% энергии сгоревшего топлива. В сумме кпд всей установки оказывается около 58%.
Список используемой литературы
1. Безлепкин В.П. Парогазовые и паротурбинные установки электростанций. СПб.: СПбГТУ, 2008 г., 317 с.
2. Замалеев М.М. Резервы повышения эффективности использования регенеративных отборов турбин ТЭЦ/М.М. Замалеев, В.И. Шарапов // Теплоэнергетика. - 2008. - № 4. - С.64-67.
3. Мастепанов А.М., Коган Ю.М. Повышение эффективности использования энергии, М.: Феникс, 2009 г., 211 с.
4. Рысаков С.А. Проблемы внедрения парогазовых турбин в России // Энергосистема, № 7, 2009 г., С.11-16
5. Цанаев С.В., Буров В.Д., Ремезов А.Н. Газотурбинные и парогазовые установки тепловых электростанций, М.: МЭИ, 2009 г., 581 с.
[1] Цанаев С.В., Буров В.Д., Ремезов А.Н. Газотурбинные и парогазовые установки тепловых электростанций, М.: МЭИ, 2009 г., 581 с.
[2] Мастепанов А. М., Коган Ю. М. Повышение эффективности использования энергии, М.: Феникс, 2009 г., 211 с.
[3] Замалеев М.М. Резервы повышения эффективности использования регенеративных отборов турбин ТЭЦ / М.М. Замалеев, В.И. Шарапов // Теплоэнергетика. - 2008. - № 4. - С. 64-67.
[4] Замалеев М.М. Резервы повышения эффективности использования регенеративных отборов турбин ТЭЦ / М.М. Замалеев, В.И. Шарапов // Теплоэнергетика. - 2008. - № 4. - С. 64-67.
[5] Мастепанов А. М., Коган Ю. М. Повышение эффективности использования энергии, М.: Феникс, 2009 г., 211 с.
[6] Цанаев С.В., Буров В.Д., Ремезов А.Н. Газотурбинные и парогазовые установки тепловых электростанций, М.: МЭИ, 2009 г., 581 с.
[7] Безлепкин В.П. Парогазовые и паротурбинные установки электростанций. СПб.: СПбГТУ, 2008 г., 317 с.
[8] Мастепанов А. М., Коган Ю. М. Повышение эффективности использования энергии, М.: Феникс, 2009 г., 211 с.
[9] Мастепанов А. М., Коган Ю. М. Повышение эффективности использования энергии, М.: Феникс, 2009 г., 211 с.
[10] Рысаков С.А. Проблемы внедрения парогазовых турбин в России // Энергосистема, № 7, 2009 г., С.11-16
Похожие рефераты:
Энергоэкономическая эффективность применения авиационных двигателей на ТЭС
Проектирование тепловой электрической станции для обеспечения города с населением 190 тысяч жителей
Оценка эффективности инвестиционного проекта строительство парогазовой установки мощностью 410 МВт
Влияние схем включения подогревателей энергоблока на тепловую эффективность подогрева
Расчет принципиальной тепловой схемы паротурбинной установки типа Т-100-130
Повышение эффективности деятельности ГРЭС-4 г. Кашира
Основные и нетрадиционные способы получения электроэнергии
Обзор современного состояния энергоресурсов человечества
26 апреля - годовщина аварии на Чернобыльской АЭС
Технологический процесс производства электроэнергии от завоза топлива до выходных линий ТЭЦ