| Скачать .docx |
Дипломная работа: Проектирование ГРЭС
Содержание
Введение
1 Экономическая часть
1.1 Актуальность темы дипломного проекта
1.2 Расчёт основных технико-экономических показателей проектируемой ГРЭС
1.3 Расчёт себестоимости единицы электроэнергии
1.4 Расчёт срока окупаемости станции
2 Основная часть
2.1 Исходные данные
2.2 Описание тепловой схемы и подготовка данных к расчёту
2.3 Определение давления в нерегулируемых отборах пара на сетевые подогреватели
2.4 Построение процесса расширения пара на i-s диаграмме
2.5 Определение параметров по элементам схемы
2.6 Расчет установки по подогреву сетевой воды
2.7 Определение предварительного расхода пара на турбину
2.8 Баланс пара и воды
2.9 Расчет регенеративной схемы
2.10 Составление теплового и материального баланса
2.11 Расчет технико-экономических показателей
2.12 Выбор основного оборудования ГРЭС
2.13 Выбор вспомогательного оборудования в пределах ПТС
2.14 Описание модернизированной турбины К – 800 – 240
2.15 Выбор оптимальных параметров радиально-осевой ступени
2.16 Детальный расчет двухпоточной радиально-осевой ступени ЦНД
2.17 Детальный расчет первой осевой ступени ЦНД
2.18 Детальный расчет второй и третьей (с двойным выхлопом в конденсатор) осевых ступеней ЦНД
2.19 Расчет сетевых подогревателей
2.20 Узел учета отпускаемой тепловой энергии
3 Выбор площадки и генерального плана станции
4 Охрана окружающей среды
4.1 Расчет выбросов вредных веществ
4.2 Выбор количества дымовых труб и её расчет
5 Безопасность проектируемого объекта
5.1 Общая характеристика проектируемого объекта с точки зрения безопасности и безвредных условий труда
5.2 Объемно – планировочное решение задания проектируемого цеха
5.3 Анализ и устранение потенциальных опасностей и вредностей
технологического процесса
5.4 Производственная санитария
5.5 Предотвращение аварийных ситуаций
5.6 Расчет зануления электрооборудования
Заключение
Список использованных источников
Приложение А
Введение
Теплоэнергетика и электроэнергетика играет ведущую роль в развитии всех отраслей народного хозяйства. В настоящее время большинство энергетических предприятий России выработали свой ресурс полностью или более чем на 50%.
Поэтому необходимо проектировать и строить новые мощные электростанции, оснащенные современным оборудованием, средствами измерения и автоматического управления теплоэнергетическим процессом.
Регион строительства ГРЭС – Западная Сибирь, Кемеровская область, играет важнейшую роль в экономическом развитии России. Западная Сибирь имеет все предпосылки к тому, чтобы стать крупнейшим промышленным регионом России. Она богата полезными ископаемыми и минералами, имеет огромную топливную базу. В состав этого региона входят крупные промышленные центры, требующие огромных энергетических мощностей.
В настоящее время промышленность выходит из кризиса и все больше нуждается в тепловой и электрической энергии. Строятся новые жилые массивы и производственные комплексы, что предопределяет ввод в эксплуатацию все новых и более мощных электростанций.
Актуальным является вопрос о повышении КПД турбоагрегатов и электростанции в целом. В дипломном проекте поставлена задача спроектировать ГРЭС мощностью 4000 МВт на базе мощных конденсационных блоков К-800-240 с радиально-осевыми ступенями, которые имеют более высокий КПД, по сравнению с осевыми ступенями.
В данном дипломном проекте предлагается модернизировать ЦНД штатной турбины заменой рассекателя и первых двух по ходу пара осевых ступеней в каждом потоке двухпоточной радиально-осевой ступенью меандрообразного типа, а также установкой в качестве последней ступени – ступени с двойным выхлопом в конденсатор. Такая конструкция ЦНД турбины позволяет сократить число ЦНД до одного, уменьшить габариты турбины, вследствие чего уменьшается металлоемкость, сделать её компактней, повысить КПД турбоустановки. Все это обуславливает актуальность темы проекта.
1 Экономическая часть
1.1 Актуальность темы дипломного проекта
Актуальность темы дипломного проекта обосновывается целями и приоритетами энергетической стратегии России на период до 2020 года. Развитие электроэнергетики должно обеспечить необходимыми энергетическими ресурсами начавшийся экономический рост во всех отраслях народного хозяйства.
Для обеспечения прогнозируемых уровней электро- и теплопотребления при оптимистическом варианте развития необходимо создание генерирующих мощностей на электрических станциях России (с учётом замены и модернизации) в 2005–2020 гг. не менее 177 млн. кВт, в том числе на гидро- и гидроаккумулирующих электростанциях 11,2 млн. кВт, на атомных 23 млн. кВт и на тепловых 143 млн. кВт (из них с парогазовыми и газотурбинными установками 37 млн. кВт). При умеренном варианте развития планируется ввод в действие генерирующих мощностей 121 млн. кВт, в том числе на тепловых электрических станциях (ТЭС) 97 млн. кВт.
Таким образом, согласно энергетической стратегии ввод новых мощностей не изменит структуру установленной мощности электрических станций, в которой наибольший удельный вес занимают ТЭС.
Проект строительства ТЭС в целом отвечает основным приоритетным направлениям развития электроэнергетики.
1.2 Расчёт основных технико-экономических показателей проектируемой ГРЭС
1.2.1 Определение ежегодных издержек, связанных с эксплуатацией
В дипломном проекте рассчитана себестоимость электрической энергии на проектируемой станции мощностью 4000 МВт. В качестве основного оборудования используются: турбины К-800-240 и котельные агрегаты производительностью 1650 тонн пара в час, работающие на твёрдом топливе.
Эксплуатационные расходы в проектных технико-экономических расчётах, группируются в укрупнённые статьи калькуляции, млн. руб./год :
, (1.1)
где U Т – затраты на топливо;
U ЗП – расходы на оплату труда;
U А – амортизация основных производственных фондов;
U ТР – расходы на ремонт основных фондов;
U ПР – прочие расходы.
1.2.2 Расчёт затрат на топливо
Число часов фактической работы турбоагрегата, час/год :
, (1.2)
где ТРЕМ – время простоя в ремонте, ч ,
![]()
Выработка электроэнергии на ГРЭС, МВт ч :
, (1.3)
где N УСТ – установленная мощность станции, МВт ;
ТУСТ – число часов использования установленной мощности, ч .
![]()
Средняя нагрузка электростанции, МВт :
, (1.4)
где ТР – число часов фактической работы, ч .
![]()
Среднегодовая нагрузка энергоблока, МВт:
, (1.5)
где n БЛ – число блоков.
![]()
Годовой расход топлива блоками ГРЭС на выработку электрической нагрузки в установленном режиме, т у.т./год :
, (1.6)
где bXX – удельный расход условного топлива на холостой ход агрегата, т у.т./МВт ч ;
b 1 и b 2 – относительный прирост расхода топлива соответственно до точки экономической мощности и в зоне перегрузки, т у.т./МВт ч. ;
РЭК и РН – экономическая и номинальная мощности, МВт .
![]()
Потери топлива в неустановившемся режиме, т у.т./год :
, (1.7)
где В П 6-10 ч и В П Х.С. – пусковые потери соответственно при останове на 6 – 10 часов, и при пуске из холодного состояния, т у.т. ;
n П 6-10 ч и n П Х.С. число пусков и остановов соответственно на 6 – 10 часов, и из холодного состояния.
![]()
Расход топлива на ГРЭС, т у.т./год :
, (1.8)
![]()
Затраты на топливо, млн. руб./год :
, (1.9)
где Ц – цена топлива, руб./т у.т .
![]()
1.2.3 Расходы на оплату труда
Для приближённых расчётов заработной платы по станции можно использовать формулу, млн. руб./год :
, (1.10)
где n У – штатный коэффициент;
ФЗП – средняя зарплата одного работника за год;
![]()
1.2.4 Амортизационные отчисления
Размер амортизационных отчислений, млн. руб./год :
, (1.11)
где HA – средняя норма амортизации станции в целом;
К – капитальные вложения в ГРЭС, млн. руб./год :
, (1.12)
где К/ и КБЛ – капитальные вложения, связанные с установкой одного блока головного и каждого последующего, млн. руб. ;
di – коэффициент, учитывающий район размещения;
кУД – коэффициент удорожания в ценах текущего года.

1.2.5 Расходы по ремонтному обслуживанию
Расходы по ремонту, млн. руб./год :
, (1.13)
где НТР – норма отчислений на ремонтное обслуживание от капитальных вложений в ГРЭС.
![]()
1.2.6 Прочие расходы
К прочим расходам относятся:
– общецеховые и общестанционные расходы;
– расходы по охране труда и техники безопасности;
– налоги и сборы;
– плата за землю
Их величина принимается 20-30% от суммарных затрат на амортизацию, ремонт и зарплату, с учётом единого социального налога, млн. руб./год :
, (1.14)
где ЕСН – единый социальный налог, рассчитываемый по ставке 26% от расходов на оплату труда.
![]()
Эксплуатационные расходы составят, млн. руб./год :
![]()
Для оценки достоверности расчётов определим удельный вес топливной составляющей:
, (1.15)![]()
![]()
Таким образом, топливная составляющая себестоимости занимает не более 40% от полной производственной себестоимости, что позволяет сделать вывод о приемлемости результатов расчёта издержек производства.
1.3 Расчёт себестоимости единицы электроэнергии
Годовой отпуск энергии с шин станции, МВт ч :
, (1.16)
где аСН – коэффициент расхода электроэнергии на собственные нужды станции.
![]()
Себестоимость отпущенной энергии, руб./кВт ч :
, (1.17)
![]()
Себестоимость выработанной энергии, руб./кВт ч :
, (1.18)
![]()
Удельный расход условного топлива на выработанный кВт ч, кг у.т./кВт ч :
, (1.19)
![]()
Удельный расход условного топлива на отпущенный кВт ч, кг у.т./кВт ч :
, (1.20)
![]()
Во втором варианте расчёта установленная мощность ГРЭС остаётся прежней, состав основного оборудования: 8 блоков К‑500–240 с котельными агрегатами производительностью 1650 т/ч.
Второй вариант расчёта сведём в таблицу 1.1, т. к. методика расчёта повторяет методику, описанную выше.
Таблица 1.1 – Пересчёт технико-экономических показателей станции и себестоимости единицы электроэнергии
Наименование показателя |
Значение показателя |
| Число часов фактической работы турбоагрегата, ч. | |
| Выработка установленной мощности на ГРЭС, МВт ч | |
| Средняя нагрузка электростанции, МВт | |
| Среднегодовая нагрузка блока, МВт | |
Годовой расход топлива, т у.т./год |
|
| Потери топлива в неустановишемся режиме, т у.т./год | |
Расход топлива на ГРЭС, т у.т./год |
|
| Затраты на топливо, млн. руб./год | |
| Расходы по оплате труда, млн. руб./год | |
| Амортизационные отчисления, млн. руб./год |
|
Расходы по ремонтному обслуживанию, млн. руб./год |
|
| Прочие расходы, млн. руб./год | |
| Эксплуатационные расходы, млн. руб./год | |
| Годовой отпуск энергии с шин ТЭС, МВт ч | |
| Себестоимость отпущенной энергии, руб./кВт ч | |
| Себестоимость выработанной энергии, руб./кВт ч | |
Удельный расход топлива на выработанный кВт ч, кг у.т./кВт ч |
|
| Удельный расход топлива на отпущенный кВт ч, кг у.т./кВт ч |
Результаты расчётов двух вариантов сводим в таблицу 1.2
Таблица 1.2 – Основные технико-экономические показатели станции
Наименование показателя |
Значение показателя | |
| вариант 1 | вариант 2 | |
| Установленная мощность, МВт | 4000 | 4000 |
| Состав основного оборудования | 5×К – 800 – 240 | 8×К – 500 – 240 |
Число часов использования установленной мощности, ч./год |
6500 | 6500 |
| Выработка электроэнергии на ГРЭС, МВт ч | 26000000 | 26000000 |
| Годовой отпуск энергии с шин станции, МВт ч | 24390000 | 24390000 |
Удельный расход условного топлива на выработанный кВт ч, кг у.т./кВт ч |
0,316 | 0,328 |
Удельный расход условного топлива на отпущенный кВт ч, кг у.т./кВт ч |
0,337 | 0,349 |
Себестоимость единицы электроэнергии, руб./кВт ч: а) выработанной б) отпущенной |
0,385 0,41 |
0,431 0,459 |
| Штатный коэффициент, чел./МВт | 0,46 | 0,54 |
| Удельные капитальные вложения, млн. руб./МВт | 6,92 | 8,1275 |
Таким образом, по показателю проектной себестоимости первый вариант с составом основного оборудования пять блоков К‑800–240 является более предпочтительным.
Хозрасчётный эффект для станции составит, млн. руб./год :
, (1.21)
где U Э СОП – себестоимость единицы отпущенной электроэнергии по сопоставляемому варианту, руб./кВт ч. ;
U Э РЕК – себестоимость единицы отпущенной электроэнергии по рекомендуемому варианту состава основного оборудования, руб./кВт ч .
WРЕК – годовой отпуск электроэнергии по рекомендуемому варианту, МВт ч .
![]()
1.4 Расчёт срока окупаемости станции
Срок окупаемости – это период (измеряемый в месяцах, кварталах или годах), начиная с которого первоначальные затраты покрываются суммарными результатами. Другими словами, это интервал времени, в течение которого общий объём капитальных затрат остаётся большим суммы амортизационных отчислений и прироста прибыли предприятия.
Соотношение между доходами и расходами по реализации проекта определяется показателем чистого дисконтированного дохода (ЧДД). Если ЧДД больше нуля то все затраты по проекту окупаются доходами, т.е. данный проект инвестиций можно рекомендовать к практической реализации.
Чистый дисконтированный доход, млн. руб. :
, (1.22)
где К – стоимость строительства станции, млн. руб .;
U Э ОТП – себестоимость отпущенной энергии, руб./кВт ч .;
W ОТП – годовой отпуск энергии с шин станции, МВт ;
n – текущий год;
Т – тариф на отпущенный кВт ч с учётом планируемой рентабельности, руб./кВт ч .
, (1.23)
![]()
Поскольку период окупаемости превышает 10 лет, то выполним расчёт при повышенном уровне рентабельности производства электроэнергии/
![]()
Капитальные вложения в проект ГРЭС 4000 МВт с пятью блоками К-800-240 окупается на десятый год эксплуатации при условии, что уровень рентабельности принимается выше 15%.
В качестве рекомендуемого состава основного оборудования принимается в дальнейших расчётах пять блоков К-800-240 с котельными агрегатами производительностью 2600 тонн пара в час, что обеспечивает хозрасчётный эффект в сумме 1203 млн. руб./год.
2 Основная часть
2.1 Исходные данные
Таблица 2.1 – Исходные данные
| Наименование показателя | Обозначение | Значение показателя |
| Электрическая мощность, МВт | Wэ | 4000 |
| Максимальная теплофикационная нагрузка, МВт | 200 | |
| Давление острого пара, бар | 240 | |
| Температура острого пара, о С | 540 | |
| Параметры после промежуточного перегрева: | ||
| давление, бар | 32,4 | |
| температура, о С | 540 | |
| Температура охлаждающей воды, о С | 12 | |
| Давление пара в конденсаторе, бар | 0,0343 | |
| Топливо | Кузнецкий каменный уголь |
2.2 Описание тепловой схемы и подготовка данных к расчёту
Для покрытия данной нагрузки выбираем пять модернизированных турбин К-800-240. Принципиальная тепловая схема турбины К-800-240 представлена на листе №1 графической части. Как видно из тепловой схемы (см. рисунок 1) турбина с промперегревом, имеет восемь регенеративных отборов пара.
Система регенерации состоит из четырёх подогревателей низкого давления (два из них смешивающего типа), деаэратора и трёх подогревателей высокого давления. Слив дренажа из подогревателей высокого давления (ПВД) – каскадный (без использования дренажных насосов) в предвключённый деаэратор; из подогревателей низкого давления (ПНД) – каскадно в ПНД-6.
Используется следующая схема отпуска тепла: горячая вода на отопление поступает от сетевой подогревательной установки, состоящей из верхнего (ВС) и нижнего (НС) сетевых подогревателей. Слив конденсата из сетевых подогревателей идет в деаэратор с помощью дренажного насоса (ДНС). Котёл прямоточного типа марки П-67.
Пар с уплотнений поступает в сальниковый подогреватель (ОУ1), а из основных эжекторов конденсатора – в охладитель эжекторного пара (ОУ2), что способствует дополнительному подогреву основного конденсата. Для возмещения потерь конденсата в конденсатосборник идет подпитка химически очищенной воды из ХВО.
В данной схеме установлен питательный турбонасос (ПТН), приводом для которого служит турбина. Пар на турбопривод идет из третьего отбора турбины.
Модернизированная турбина К-800-240 трехцилиндровая (один цилиндр высокого давления, один среднего и один низкого давления).
По заводским данным для турбины К-800-240 /1/:
Электрическая мощность Wэ = 800 МВт;
Начальные параметры пара:
Давление P0 = 240 бар;
Температура t0 = 540 °С;
Параметры после промежуточного перегрева:
Давление Рпп =32,4 бар;
Температура tпп =540 о С
Давление пара в отборах /1/:
Pотб1 = 61,8 бар;
Pотб2 = 38,5 бар;
Pотб3 = 16,6 бар;
Pотб4 = 10,9 бар;
Pотб5 = 5,9 – 8,3 бар;
Pотб6 = 2,9 – 5,58 бар;
Pотб7 = 1,16 – 1,73 бар;
Pотб8 = 0,218 бар;
Давление в конденсаторе турбины Pк = 0,0343 бар;
Расчётные значения внутреннего относительного КПД по отсекам:
;
; ![]()
КПД дросселирования по отсекам:
;
; ![]()
Электромеханический КПД hэм = 0,98;
КПД транспорта hтр = 0,98;
Температурный график сети для Кемеровской области принимаем
150/70°C /2/;
Расход продувочной воды aпрод = 1,5% от Dпг ;
Расход пара на собственные нужды машинного отделения
от Dт
;
Расход пара на собственные нужды котельного цеха
от Dт
;
Внутристанционные потери конденсата
от Dт
;
Потеря давления пара в трубопроводах до регенеративных подогревателей – 5%;
Температура химически очищенной воды tхов = 30 °С;
Температура воды, сливаемой из подогревателя химочищенной воды в техническую канализацию tсл = 60 °С;
Нагрев воды в сальниковых и эжекторном подогревателях Dtпу +Dtэж = 10°C;
КПД подогревателей поверхностного типа
;
Недогрев воды в ПВД θпвд =2 °С;
Недогрев воды в ПНД θпнд =4 °С;
Недогрев воды в СП θсп =4 °С.
2.3 Определение давления в нерегулируемых отборах пара на сетевые подогреватели
Максимальная тепловая нагрузка на одну турбину, МВт:
![]()
Расход сетевой воды, кг/с:
(2.1)
где с – теплоемкость воды, кДж/кг;
Δt – разница температур подающей и обратной сетевой воды, °С.
![]()
Энтальпия сетевой воды за верхним сетевым подогревателем (ВС), кДж/кг:
(2.2)
где
– энтальпия обратной сетевой воды, кДж/кг.
![]()
Температура сетевой воды за ВС, °С:
(2.3)
![]()
Температура конденсата пара из ВС с учетом недогрева, °С:
tн ВС =tВС +θсп (2.4)
tн ВС =150,05+4=154,05
По /4/ находим давление в ВС, бар:
Р' ВС =5,301
С учетом потери давления пара в трубопроводах, давление в теплофикационном отборе, бар:
РВС
=
(2.5)
РВС
= ![]()
Приняв равномерный нагрев сетевой воды в сетевых подогревателях, определим величину нагрева в каждом из них, °С:
, (2.6)
![]()
Температура сетевой воды за нижним сетевым подогревателем НС, °С:
tНС =tос +Δt (2.7)
tНС = 70+40,1=110,1
Температура конденсата пара из НС с учетом недогрева, °С:
tн НС =tНС +θсп (2.8)
tн НС =110,1+4=114,1
По /4/ находим давление в НС, бар:
Р' НС =1,64
С учетом потери давления пара в трубопроводах, давление в теплофикационном отборе, бар:
РНС
=
(2.9)
РНС
= ![]()
Энтальпия сетевой воды за нижним сетевым подогревателем (НС), кДж/кг:
, (2.10)
![]()
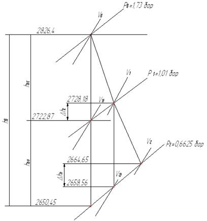
2.4 Построение процесса расширения пара на i-s диаграмме
Процесс расширения пара в турбине представлен на рисунке 2.1
Процесс построен с учетом потерь давления в регулирующих органах цилиндров турбины в соответствии с начальными и конечными параметрами.
Находим на i-s диаграмме точку О. С учётом дросселирования пара в регулирующих органах ЦВД найдем давление пара, бар:
(2.11)
(точка О'
);
Теоретический процесс расширения пара в ЦВД, изображается линией
О’ – B. При действительном процессе расширения определим энтальпию в точке A, кДж/кг:
(2.12)
где iB =2853,9 кДж/кг – энтальпия пара в конце теоретического процесса расширения в ЦВД.
![]()
Зная энтальпию iA можно определить точку А на изобаре Ротб2 .
Точку А’ будет соответствовать давлению промежуточного перегрева:
![]()
Энтальпия пара в точке С:
(2.13)
где iD =3008,4 кДж/кг – энтальпия пара в конце теоретического процесса расширения в ЦСД.
![]()
Зная энтальпию iC можно определить точку С на изобаре Ротб6 .
Точку С’ определим с учетом потери давления в регулирующих органах ЦНД:
(2.14)
![]()
Энтальпия пара в точке E:
(2.15)
где iF =2234,5 кДж/кг – энтальпия пара в конце теоретического процесса расширения в ЦНД.
![]()
Зная энтальпию iЕ можно определить точку E на изобаре Рк .
Используя значения давления в отборах, находим на i-s диаграмме энтальпии пара в этих отборах:
iо =3316,4 кДж/кг;
iотб1 =2999,2 кДж/кг;
iотб2 =2908,5 кДж/кг;
iотб3 =3351,8 кДж/кг;
iотб4 =3244,4 кДж/кг;
iотб5 =3180 кДж/кг;
iотб6 =3093 кДж/кг;
iотб7 =2855,2 кДж/кг;
iотб8 =2544,8 кДж/кг.
2.5 Определение параметров по элементам схемы
Определение параметров по элементам схемы покажем на примере подогревателя высокого давления ПВД-1.
Давление пара в отборе турбины Ротб1 =61,8 бар.
С учетом потерь в тракте от турбины до подогревателя давление в ПВД‑1 составляет:
РПВД-1 =61,8∙ 0,95=58,71 бар.
Энтальпия греющего пара (по i-s диаграмме):
iотб1 =2999,2 кДж/кг.
Использованный теплоперепад:
HПВД-1 =i0 - iотб1 (2.16)
HПВД-1 = 3316,4–2999,2=317,2 кДж/кг.
Температура конденсата греющего пара по /4/:
tн ПВД-1 =274,14 °С
Энтальпия конденсата греющего пара по /4/:
пвд1
=1206,5 кДж/кг.
Температура питательной воды за подогревателем с учетом недогрева:
tпв ПВД-1 =tн ПВД-1 -θпвд (2.17)
tпв ПВД-1 =274,14–2=272,14 °С.
Энтальпия питательной воды за подогревателем:
пв
ПВД-1
= tпв
ПВД-1*
4,186 (2.18)
пв
ПВД-1
=1139,2 кДж/кг.
Аналогичным образом рассчитываются параметры по другим элементам схемы. Результаты сводятся в таблицу 2.2
Таблица 2.2 – Параметры по элементам схемы
Наимено-вание величин |
ПВД1 | ПВД2 | ПВД3 | Деаэ- ратор |
ПНД4 | ПНД5 | ПНД6 | ПНД7 | ВС | НС | Конденсатор |
| Давление пара в отборе, бар | 61,8 | 38,5 | 16,6 | 10,9 | 8,3 | 5,58 | 1,73 | 0,218 | 5,58 | 1,73 | 0,0343 |
| Давление пара у подогрева-теля, бар | 58,71 | 36,575 | 15,77 | 8 | 7,885 | 5,301 | 1,64 | 0,207 | 5,301 | 1,64 | 0,0343 |
| Температура конденсата греющего пара, |
274,14 | 245,08 | 200,6 | 170,4 | 169,8 | 154,05 | 114,1 | 60,83 | 154 | 114,1 | 26,36 |
| Энтальпия конденсата греющего пара, кДж/кг | 1206,5 | 1061,7 | 855,2 | 720,9 | 718,2 | 649,7 | 478,69 | 254,6 | 649,7 | 478,6 | 110,46 |
| Температура пит. воды за подогрева-телем, |
272,14 | 243,08 | 198,6 | 170,4 | 165,8 | 150,05 | 114,1 | 60,83 | 150,0 | 110,1 | - |
| Энтальпия пит. воды за подогрева-телем, кДж/кг | 1139,2 | 1017,5 | 831,6 | 720,9 | 694,1 | 628,1 | 478,69 | 254,6 | 628,1 | 460,9 | - |
| Энтальпия греющего пара, кДж/кг | 2999,2 | 2908,5 | 3351,8 | 3244,4 | 3180 | 3093 | 2855,2 | 2544,8 | 3093 | 2855,2 | 2327 |
| Использован-ный теплопере-пад, кДж/кг | 317,2 | 407,9 | 600,1 | 707,5 | 771,9 | 858,9 | 1096,7 | 1407,1 | 858,9 | 1096,7 | 1624,9 |
2.6 Расчет установки по подогреву сетевой воды

Рисунок 2.2 – Схема установки по подогреву сетевой воды.
Расход пара на верхний сетевой подогреватель ВС (из уравнения теплового баланса), кг/с:
(2.19)
где
– энтальпия из отбора на входе в ВС из таблицы 2.2, кДж/кг.
![]()
Расход пара на нижний сетевой подогреватель НС (из уравнения теплового баланса), кг/с:
(2.20)
где
– энтальпия из отбора на входе в НС из таблицы 2.2, кДж/кг.
![]()
2.7 Определение предварительного расхода пара на турбину
Коэффициент недоиспользования мощности отопительного отбора на нижний сетевой подогреватель:
(2.21)
где iотб7 – энтальпия пара в отборе на нижний сетевой подогреватель из таблицы 2.2, кДж/кг;
iк – энтальпия пара в конденсаторе из таблицы 2.2, кДж/кг;
i0 – энтальпия острого пара, кДж/кг;
iотб2 – энтальпия пара за ЦВД, кДж/кг.
![]()
Коэффициент недоиспользования мощности отопительного отбора на верхний сетевой подогреватель:
(2.22)
где iотб6 – энтальпия греющего пара на ПНД‑5 из таблицы 2.2, кДж/кг;
![]()
Коэффициент недоиспользования мощности пара отбором на привод питательного насоса:
(2.23)
где iотб3 – энтальпия греющего пара на ПВД – 3 из таблицы 2.2, кДж/кг;
![]()
Принимая коэффициент регенерации Kр =1,248 определяем расход пара на турбину, кг/с:
(2.24)
где Нi – располагаемый теплоперепад /таблица 2.2/, кДж/кг
DТПН – расход пара на привод питательного насоса, кг/с /1/.
![]()
2.8 Баланс пара и воды
Расход пара на эжекторный подогреватель, кг/с:
(2.25)
![]()
Расход пара на сальниковый подогреватель, кг/с:
(2.26)
![]()
Внутристанционные потери конденсата (утечки), кг/с:
(2.27)
![]()
Производительность котлоагрегата, кг/с:
(2.28)
![]()
Расход питательной воды, кг/с:
![]()
2.9 Расчет регенеративной схемы
Расчет регенеративной схемы производится последовательно для подогревателей высокого давления, деаэратора и подогревателей низкого давления на основе решения уравнений тепловых балансов.
2.9.1 Расчет ПВД

Рисунок 2.3 – Схема включения ПВД
Уравнение теплового баланса для ПВД‑1 запишется:
, (2.29)
Отсюда расход пара на ПВД‑1, кг/с:
(2.30)
![]()
Аналогично с учетом слива конденсата из ПВД‑1 определяем расход пара на ПВД‑2,
:
(2.31)
![]()
Энтальпия питательной воды на входе в ПВД‑3 определяется с учетом нагрева ее в питательном насосе, кДж/кг:
, (2.32)
где Δtпн – повышение энтальпии воды в питательном насосе /3/, кДж/кг.
, (2.33)
где υ – удельный объем воды по давлению и температуре воды в деаэраторе /4/, м3 /кг;
ηн – КПД насоса;
Рнаг – давление после насоса, МПа;
Рвс – давление перед насосом, МПа.
![]()
.
Тогда расход пара на ПВД – 3 составит,
:
(2.34)
![]()
2.9.2 Расчет деаэратора

Рисунок 2.4 – Схема включения деаэратора
Материальный баланс деаэратора:
(2.35)
Уравнение теплового баланса:
(2.36)
Подставляя в эти уравнения значения величин, получаем:

Решая эти уравнения, находим:
![]()
![]()
2.9.3 Расчет ПНД

Рисунок 2.5 – Схема включения ПНД
Расход пара на ПНД‑4 посчитается из уравнения теплового баланса, кг/с:
, (2.37)
где
– энтальпия основного конденсата на выходе из ПНД – 5, кДж/кг;
i4 – энтальпия греющего пара, кДж/кг;
t4 – энтальпия конденсата греющего пара, кДж/кг.
![]()
Расход пара на ПНД – 5 составит, кг/с:
(2.38)
![]()
В связи с тем, что подогреватель ПНД – 6 смешивающего типа, то для определения неизвестных расходов пара и основного конденсата, составим уравнения материального и теплового балансов:
Материальный баланс:
(2.39)
Уравнение теплового баланса:
(2.40)
где tоу1 – энтальпия основного конденсата на выходе из охладителя пара от уплотнений, кДж/кг.
Подставляя в эти уравнения значения величин, получаем:

Решая эти уравнения, находим:
![]()
![]()
Аналогично определяем расходы пара и основного конденсата для ПНД‑7.
Материальный баланс:
(2.41)
Уравнение теплового баланса:
(2.42)
где tоу2 – энтальпия основного конденсата на выходе из охладителя эжекторного пара, кДж/кг.
Подставляя в эти уравнения значения величин, получаем:

Решая эти уравнения, находим:
![]()
![]()
Расход пара в конденсатор составит, кг/с:
(2.43)
![]()
2.10 Составление теплового и материального баланса
Проверка материального баланса пара в турбине, кг/с:
(2.44)
660,42=46,435+65,186+6,972+34,16+4,014+14,538+32,742+33,378+8,337+ +24,51+7,991+382,157
660,42=660,42
Проверка по балансу мощности:
(2.45)
![]()
![]()
![]()
Несоответствие заданной мощности ΔWэ
,
:
,
что составляет 0,019%.
Полученное значение несоответствия удовлетворяет требованиям инженерной и научной погрешности.
Уточним расход пара на турбину, кг/с:
(2.46)
![]()
(2.47)
![]()
Уточненное значение коэффициента регенерации составит:
(2.48)
![]()
2.11 Расчет технико - экономических показателей
Общий расход топлива на ТЭЦ определим по уравнению теплового баланса котла:
(2.49)
где
– низшая теплота сгорания топлива, равная 22835,5 кДж/кг;
ηпг – КПД парогенератора, принимаем 0,919;
D – расход пара за котлом, кг/с;
iпе – энтальпия перегретого пара, кДж/кг;
iпп », iпп ’ – энтальпия пара в горячей и холодной нитках промежуточного перегрева соответственно, кДж/кг.
Отсюда общий расход топлива равен, кг/с:
(2.50)
![]()
Расход топлива на выработку электроэнергии подсчитывается, кг/с:
, (2.51)
где Э, Эот
– выработка и отпуск электроэнергии,
;
– расход электроэнергии на собственные нужды, связанные с производством электроэнергии,
.
Количество электроэнергии, отпускаемое с шин электростанции, Эот , определяется как разность между количеством выработанной электроэнергии и расходом ее на собственные нужды электростанции. Расход на собственные нужды электростанции составляют 8% от выработанной электроэнергии. Расход электроэнергии на собственные нужды, связанные с производством электроэнергии, составляют 5% от выработанной электроэнергии, /2/.
(2.52)
![]()
![]()
Кэ – коэффициент отнесения затрат топлива энергетическими котлами на производство электроэнергии:
, (2.53)
Здесь расход тепла на производство электроэнергии, кДж:
(2.54)
Расход тепла на турбоустановку составит, кДж:
(2.55)
![]()
Расход тепла на регенеративные отборы, кДж:
(2.56)
![]()
![]()
Расход тепла на собственные нужды турбоагрегата принимается 5% от расхода тепла на производство электроэнергии, /2/, кДж:
(2.57)
![]()
Увеличение расхода тепла на производство электроэнергии при наличии отборов, кДж:
(2.58)
где Qнс , Qнс – тепло, отпущенное из двух теплофикационных отборов;
принимается равным 1;
ξ – коэффициент ценности тепла каждого отбора.
(2.59)
где К – коэффициент, зависящий от давления пара перед турбиной, его значение принимаем равным 0,4 из /2/.
![]()
(2.60)
![]()
![]()
![]()
![]()
Расход топлива на отпуск тепла определяется, кг/с:
(2.61)
![]()
Фактическое значение удельных расходов условного топлива на отпуск электроэнергии и тепла определяются по формулам:
(2.62)
![]()
(2.63)
![]()
2.12 Выбор основного оборудования ГРЭС
На основании заданных величин в качестве основного оборудования, в целях обеспечения надежности работы станции, выбираем пять моднрнизированных турбоагрегатов К – 800 – 240 – 5.
Котлоагрегаты выбираем по максимальному расходу пара на турбину с запасом 3%. Для турбоустановки К – 800 – 240 – 5 максимальный расход пара составляет 2377,94 т/ч. Таким образом, паропроизводительность котельного агрегата должна составлять 2377,94∙ (100+3)/100=2449,3 т/ч. По этому значению выбираем пять котлов прямоточного типа Пп‑2650–25–545БТ /1/.
Использование однотипных турбин и котлов дает ряд преимуществ, например, позволяет упростить эксплуатацию и ремонт оборудования станции.
Техническая характеристика котла:
Завод изготовитель – Подольский машиностроительный;
Заводская марка – П 67;
Паропроизводительность – 2650 т/ч;
Давление воды на входе в водяной экономайзер – 315 бар;
Температура воды на входе в водяной экономайзер – 274 о С;
Давление острого пара – 255 бар;
Температура острого пара – 545 о С;
Температура уходящих газов – 140 о С;
КПД – 91,9%;
Компоновка – Т – образная.
2.13 Выбор вспомогательного оборудования в пределах ПТС
2.13.1 Регенеративные подогреватели
Регенеративные подогреватели выбираем по заводским данным, так как их характеристики удовлетворяют значениям, полученным в ходе расчета ПТС.
ПВД‑1: ПВ 1800–37–6,5,
где 1800 – площадь поверхности теплообмена, м2 ;
37 – рабочее давление в трубной системе, МПа;
6,5 – рабочее давление в корпусе, МПа.
ПВД‑2: ПВ 1800–37–4,5;
ПВД‑3: ПВ 1800–37–2,0;
ПНД‑4: ПН 1900–32–6‑I;
ПНД‑5: ПН 1900–32–6‑II;
ПНД‑6: ПНСВ 2000–2;
ПНД‑7: ПНСВ 2000–1.
2.13.2 Деаэратор
По расходу питательной воды выбираем деаэратор смешивающего типа повышенного давления ДП‑2800/185 с характеристиками:
давление – 8 бар;
производительность – 2800 т/ч;
аккумуляторный бак – 185 м3 .
2.13.3 Сетевые подогреватели
В качестве подогревателей сетевой воды вместо кожухотрубчатых выбираем подогреватели пластинчатого типа, которые имеют большие преимущества.
Верхний сетевой подогреватель (ВС) – НН №43ТС –
;
Нижний сетевой подогреватель (НС) – НН №43ТС –
.
2.13.4 Насосы
2.13.4.1 Выбор питательных насосов
Питательный насос выбираем по производительности (с запасом 10–15%) и напору.
(2.64)
![]()
Выбираем два питательных насоса с турбоприводом марки ПН‑1500–350 ЛМПО с характеристиками:
подача – 1500 м3 /ч;
напор – 350 кг/см2 ;
турбина приводная – ОК – 18 ПУ – 800;
номинальная мощность – 15,5 МВт;
обороты – 4650 об/мин;
конденсатор – КП‑1200–2.
2.13.4.2 Выбор конденсатных насосов
Конденсатные насосы выбираются по производительности в количестве трёх штук на турбину, два из которых в работе, один находится в резерве. На основании ПТС блока тракт основного конденсата имеет три ступени конденсатных насосов. В соответствии с расчётом ПТС по расходам основного конденсата на всас насосов произведём их выбор.
Gок l =1534,4 м3 /ч – Три насоса марки КСВ 1600–90 с характеристиками:
подача – 1600 м3 /ч;
напор – 90 м;
частота вращения – 1000 об/мин;
КПД – 76%.
Gок ll =1622,6 м3 /ч – Три насоса марки КСВ 1600–90
Gок lll =1913 м3 /ч – Три насоса марки КСВ 2000–90 с характеристиками:
подача – 2000 м3 /ч;
напор – 90 м;
частота вращения – 1000 об/мин;
КПД – 76%.
2.13.4.3 Выбор циркуляционных насосов
Расход циркуляционной воды на одну турбину по заводским данным составляет 73000 м3 /ч. Число турбин на станции – 5.
Расчетный расход циркуляционной воды на ГРЭС составит, м3 /ч:
![]()
Выбираем насосы типа ОП – 10 – 145 /5/ с характеристиками:
производительность – 74000 м3 /ч;
полный напор – до 24,5 м.вод. ст.;
число оборотов – 333 об/мин;
КПД – 84%.
Необходимое количество насосов на береговой, шт.:
![]()
Мощность электродвигателя, кВт:
(2.65)
где Q=74000/3,6=20555,6 кг/с.
![]()
2.13.4.4 Выбор сетевых насосов
Выбор сетевого насоса производится по производительности и напору. Сетевые насосы устанавливаем в количестве двух насосов на турбину, рассчитывая их на 50%-ую производительность.
Производительность сетевого насоса, м3 /ч:
(2.66)
![]()
Выбираем сетевые насосы СЭ 500–70 с характеристиками:
подача – 500 м3 /ч;
напор – 70 м.вод. ст.;
частота вращения – 3000 об/мин;
мощность – 120 кВт;
КПД – 82%.
2.14 Описание модернизированной турбины К - 800 - 240
Турбина представляет собой трехцилиндровый агрегат, рассчитанный на начальные параметры пара:
![]()
![]()
Турбина выполнена с промежуточным перегревом пара до 540ºС. При выходе из ЦВД пар с давлением 38,5 бар направляется на промежуточный пароперегреватель. После промежуточного перегрева пар подается в ЦСД с давлением 32,4 бар. Цилиндр среднего давления выполнен двухпоточным. В ЦСД размещается восемнадцать ступеней давления, по девять в каждом потоке.
Цилиндр низкого давления содержит четыре ступени давления на один поток.
Турбина имеет восемь регенеративных отборов, отборы не регулируемые, а также два выхлопа в конденсатор.
2.14.1 Описание проточной части ЦНД
При выполнении дипломного проекта за базовую конструкцию был принят штатный ЦНД турбины К – 800 – 240, выполненный по традиционной чисто осевой схеме, которая представляет двухпоточную конструкцию с пятью ступенями давления на один поток.
Разрабатываемый вариант конструкции ЦНД отличается от штатного пропускной способностью, устройством разделителя потока и установкой в качестве последней ступени – ступени с двойным выхлопом в конденсатор. Таким образом, схема проточной части является комбинированной и содержит двухпоточную радиально – осевую ступень (ДРОС), вторую и третью ступень – осевые, а четвертую – ступень с двойным выхлопом в конденсатор – на каждый поток.
Конструкция проектируемого ЦНД содержит два отбора в каждом потоке. Первый отбор расположен после двухпоточной радиально-осевой ступени, а второй – после второй ступени, то есть после первой осевой.
Основаниями для использования двухпоточной радиально-осевой ступени для разделения потока послужили следующие положения:
· После входа в ЦНД пар перед первой осевой ступенью должен совершить поворот на 90º, что при больших скоростях связано со значительными потерями;
· При повороте потока пара наблюдается неравномерное расширение потока в первой осевой ступени;
· При работе ЦНД с неподвижными разделителями потока имеет место потеря от протечки пара под разделителем;
· Также имеет место потеря энергии за счет неравномерного подвода пара в ЦНД.
Радиальное течение пара к оси турбины можно использовать для получения механической работы, при этом большую роль играет работа кориолисовых сил. Для этого первую ступень ЦНД целесообразно выполнить радиального типа, разместив ее в пространстве, которое в чисто осевой турбине не используется. Проектируемая двухпоточная радиально – осевая ступень заменяет четыре осевые ступени, по две в каждом потоке ЦНД. Благодаря этому значительно сокращается длина проточной части турбины и открывается возможность за счет освободившегося пространства усовершенствовать проточную часть последующих осевых ступеней. Поэтому, в качестве последней осевой ступени мы устанавливаем ступень с двойным выхлопом.
Применение ДРОС дает следующие преимущества:
· существенно повышается КПД ЦНД турбины. Это объясняется более совершенным преобразованием энергии пара в радиально – осевой ступени, чем в заменяемых осевых ступенях;
· позволяет существенно улучшить проточную часть осевых ступеней путем уменьшения угла раскрытия при помощи раздвижки ступеней;
· уменьшается влияние нестационарности потока;
· снижаются концевые потери в направляющем аппарате.
Цилиндр низкого давления является наиболее металлоемким и дорогостоящим элементом турбины. В штатной турбине К-800-240 используется 3 ЦНД. В проектируемом варианте турбины мы предлагаем один ЦНД. Это достигается путем увеличения пропускной способности цилиндра низкого давления благодаря использованию ступени с двойным выхлопом в конденсатор.
Перед последней ступенью поток пара делится на два равных полупотока, которые затем поступают в ступени с одинаковой высотой лопаток. Одна ступень выполнена с длиной лопаток l=1200 мм при среднем диаметре
, другая – с длиной лопаток l=1200 мм при среднем диаметре
. Лопатки изготовлены из титанового сплава ТС-5. Давление пара перед обеими ступенями одинаковое.
Сокращение числа цилиндров низкого давления позволяет заметно снизить стоимость таких турбин.
2.14.2 Двухпоточная радиально-осевая ступень
Схема двухпоточного ЦНД с радиально – осевой ступенью имеет ряд преимуществ перед традиционными ЦНД с чисто осевыми ступенями. Двухпоточная радиально-осевая ступень позволяет сработать в два раза больший теплоперепад чем одна осевая ступень, тем самым заменяя четыре осевые ступени в двухпоточном ЦНД. Эффективность радиально-осевой центростремительной ступени в общем случае выше, чем осевой, поскольку в центростремительной ступени значительная доля работы совершается за счет кориолисовых сил без потерь энергии
. Уменьшаются концевые потери в направляющем аппарате вследствие течения двойного расхода пара через направляющий аппарат. Меньше потери энергии, связанные с углом поворота, вследствие меньшего угла поворота вектора относительной скорости, меньшего числа Маха и большего числа Рейнольдса. Радиально-осевая ступень отличается незначительной, по сравнению с осевой, чувствительностью к протечкам через осевые зазоры и отклонениям в геометрии проточной части.
Применение ДРОС также позволяет сократить осевые размеры ротора и всего цилиндра, снизить при этом металлоемкость и улучшить прочностные характеристики конструкции, либо использовать освобожденное место для модернизации осевой части ЦНД например:
· уменьшить угол раскрытия проточной части;
· раздвинуть осевые ступени, увеличив этим КПД и уменьшив влияние нестационарности потока, что безусловно, положительно отразится на прочности и долговечности высоконапряженного лопаточного аппарата.
2.14.2.1 Подводящее устройство
Подводящее устройство должно обеспечивать необходимую, по возможности, наиболее однородную структуру потока рабочего тела при входе в направляющий аппарат. Поток желательно иметь равномерный, осесимметричный и с устойчивым на большинстве режимов углом натекания на лопатки направляющего аппарата.
Подводящее устройство выполнено в виде двухзаходной улитки с двухпоточным подводом пара. Пар из общего трубопровода подводится двумя трубопроводами, расположенными горизонтально, что позволяет уменьшить вертикальные габариты машины, а также отсепарировать наиболее крупные механические частицы.
Для сепарации мелких механических примесей можно применять в подводящих паропроводах известные сепарационные устройства в виде свободновращающихся сепараторов, которые надежно, без потерь энергии позволяют удалить наряду с механическими примесями и часть крупнодисперсной влаги.
Применение двухзаходной улитки позволит осуществить подвод пара к сопловому аппарату более равномерно, что улучшает аэродинамику проточной части ЦНД.
Закон изменения площади улитки должен быть выбран таким образом, чтобы обеспечить требуемый наперед заданный угол входа потока в направляющий аппарат и равномерный подвод пара по всем лопаткам направляющего аппарата.
Выбор рационального способа профилирования позволит применить направляющий аппарат, обладающий низким уровнем потерь.
2.14.2.2 Конструкция рабочего колеса радиально-осевой ступени
В дипломном проекте выбрано двухпоточное рабочее колесо с шахматным расположением четного числа межлопаточных каналов меандрообразного типа. Данная конструкция рабочего колеса наиболее выгодна и отличается более плавными меридиональными обводами межлопаточных каналов, низкими потерями на трение, отсутствием диффузорных участков, более высокими прочностными характеристиками элементов колеса и высокой технологичностью.
Лопатка состоит из центральной части и концевых, левых и правых лопаток. Центральная часть представляет собой лопатки, у которых перо – это прямая пластина, которая для большей прочности снабжена ребрами жесткости.
Промежуточное тело центральной лопатки имеет сложную конфигурацию с тремя сквозными отверстиями неправильной формы. Это обеспечивает плавность изменения закона площадей поперечных сечений лопатки по её высоте, а, следовательно, позволяет избежать резких изменений растягивающих напряжений в пере лопатки, что повышает её прочность. Хвостовик центральной лопатки елочного типа. С помощью этого лопатки крепятся в теле диска ротора.
Рабочее колесо радиально-осевой ступени выполнено закрытого типа с учетом того, что осевой зазор между рабочим колесом и стенками корпуса не менее осевого смещения ротора относительно статора, то есть 20 мм.
Работа открытого рабочего колеса в условиях осевых зазоров приведет:
· к значительным перетечкам рабочего тела со стороны высокого давления лопаток на сторону низкого давления;
· к большим утечкам рабочего тела в зазоре.
Вследствие этого произойдет снижение степени реактивности и КПД ступени.
Конструкция рабочего колеса закрытого типа обладает рядом преимуществ по сравнению с рабочим колесом открытого и полуоткрытого типов. КПД закрытого колеса выше, чем КПД других типов колес на 2 – 6%.
2.14.3 Конструкция ротора ЦНД
Ротор ЦНД выполнен сболченным, состоящим из двух частей, с одним болтовым соединением. Конструкция сболченного ротора обладает следующими преимуществами:
· появляется возможность проверки качества отдельных поковок до их сбалчивания;
· применение высокопрочной легированной стали с пределами текучести
и более повышает надежность турбины, особенно в аварийных ситуациях;
· в случае обнаружения дефектов или повреждений в одной из частей ротора может быть заменена только поврежденная часть а не весь ротор;
· снижается необходимая грузоподъемность кранового оборудования на участках механической обработки частей ротора.
Ротор выполнен с центральной расточкой по всей длине диаметром 500 мм, что снижает его вес.
Из вышеперечисленного следует, что сболченный ротор значительно дешевле цельнокованого.
Радиально – осевая ступень крепится к ротору при помощи болтового соединения, которое также является креплением двух частей ротора ЦНД. В дисках РОС предусмотрены пазы для крепления центральных лопаток при помощи ёлочных хвостов и Т-образные пазы для хвостов концевых лопаток.
Для крепления ротора ЦНД с ротором ЦСД предусматриваются фланцы с системой отверстий под скрепляющие болты.
2.15 Выбор оптимальных параметров радиально-осевой ступени
Параметры радиально-осевой ступени должны выбираться исходя из ряда требований:
· высокого КПД;
· требуемой прочности;
· технологичности;
· простоты конструкции.
Выбор оптимального режима работы в данном дипломном проекте определен расчетным путем, исходя из следующих соображений /9/:
· Угол входа потока в относительном движении
и угол выхода потока из ступени
должны быть равны
;
· Условие радиального входа потока в рабочем колесе связано с предельной прочностью лопаток, так как в изогнутых лопатках возникают дополнительные изгибающие напряжения от действия центробежных сил;
· Высота концевых лопаток радиально-осевой ступени должна быть порядка ![]()
, чтобы не нарушать плавность всей проточной части уже существующего ЦНД турбины К‑800–240, при минимальном угле выхода потока в относительном движении
;
· Предельная окружная скорость
на периферийном диаметре не должна превышать ![]()
.
Для выполнения этих условий было произведено варьирование углом
в пределах
. Минимальный угол
не должен быть меньше
.
По описанной ниже методике был произведен расчет в Ленинградском Политехническом Институте /9/, на основании которого можно сделать следующие выводы: при малых значениях
влияние его на КПД ослабевает, поэтому ограничение по длине лопатки ![]()
, дающее нам
не может существенно занизить КПД.
В этом случае КПД радиально-осевой ступени получается довольно высоким:
.
На основании этого был сделан вывод, что варианты теплового расчета ДРОС, результаты которого здесь представлены, являются оптимальными.
Описанный ниже метод теплового расчета центростремительной ступени турбины по средней линии тока, имеет возможность предварительного определения степени реактивности
и числа
для обеспечения безударного входа потока в рабочее колесо и осевого (
) выхода из него.
Лопатки рабочего колеса центростремительной ступени предполагаются радиально установленными, то есть
.
В тепловом расчете предусмотрено введение поправки А. Стодолы /9/ для учета циркуляционных течений в рабочем колесе и корректировки в соответствии с этим угла натекания потока на лопатки рабочего колеса.
Вывод формул для определения степени реактивности
и скорости
при заданном перепаде энтальпий на ступень.
Исходная система уравнений (из входного треугольника скоростей):
, (2.67)
где
– составляющая скорости циркуляционного течения в рабочем колесе вдоль оси
;
, (2.68)
Преобразуем уравнение (2.67) системы:
, (2.69)
где
– диаметр вписанного между лопатками рабочего колеса на входе цилиндра;
– число лопаток рабочего колеса;
, (2.70)
где
– коэффициент скорости в сопловом аппарате;
– угол выхода потока из направляющего аппарата;
– располагаемый теплоперепад ДРОС.
В результате имеем:
(2.71)
Возведя обе части уравнения (2.71) в квадрат, получим:
(2.72)
Из второго уравнения (2.68) системы получаем:
(2.73)
Из входного треугольника скоростей имеем:
(2.74)
Подставляя значение
в уравнение (2.73), перенося
в правую часть и возведя обе части в квадрат, получаем:
(2.75)
Уравнения (2.72) и (2.75) дают систему двух уравнений с двумя неизвестными
и
.
Скорость
связана со скоростью
коэффициентом радиальности
и поэтому не является неизвестной.
Решая полученную систему уравнений (2.72) и (2.75) относительно
и
получаем расчетные уравнения:
(2.76)
(2.77)
Дальнейший тепловой расчет ступени ведется обычным методом /18/, когда
и
заданы.
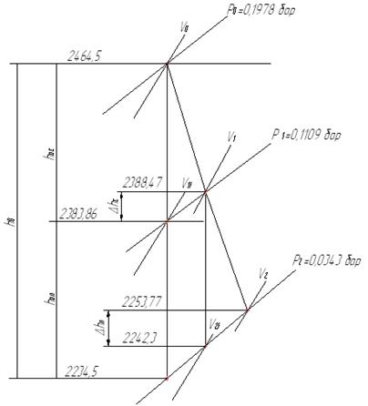
2.16 Детальный расчет двухпоточной радиально-осевой ступени ЦНД
На рисунке 2.6 представлена конструкция двухпоточной радиально-осевой ступени.

Рисунок 2.6 – Рабочее колесо ДРОС
Исходные данные к расчету ДРОС:
1) Статическое давление пара на входе в ДРОС,
:
![]()
2) Температура пара на входе в ступень,
:
![]()
3) Расход пара на оба потока ЦНД в номинальном режиме,
:
![]()
4) Давление пара за ступенью,
:
![]()
5) Скорость вращения ротора,
:
![]()
6) Число рабочих лопаток,
:
![]()
7) Средний диаметр рабочего колеса на выходе,
:
![]()
8) Выходная высота рабочей лопатки,
:
![]()
9) Радиальный зазор между направляющим аппаратом и рабочим колесом,
:
![]()
10) Коэффициент скорости в направляющем аппарате:
![]()
11) Коэффициент скорости в рабочем колесе:
![]()
12) Угол выхода потока из соплового аппарата, град.:
![]()
13) Угол выхода потока из рабочей решетки предварительно задаем, град:
![]()
14) Располагаемый теплоперепад ступени,
:
![]()
Согласно полученным выше уравнениям системы (2.76) и (2.77), определяем
и
:

![]()
Определяем термодинамическую степень реактивности
:

где
– теоретическая скорость истечения пара из сопла, ![]()
, (2.78)
![]()
Располагаемый теплоперепад в сопловой и рабочей решетке,
:
(2.79)
![]()
(2.80)
![]()
Далее строим процесс расширения пара в ступени и определяем необходимые параметры для дальнейшего расчета /рисунок 2.7/.

Рисунок 2.7 – Процесс расширения пара в ступени ДРОС
Удельный объем в точках
,
,
и
/4/:
![]()
![]()
![]()
![]()
![]()
![]()
![]()
![]()
Давление пара на входе в рабочее колесо /4/,
:
![]()
Теоретическая абсолютная скорость выхода из сопловой решетки,
:
(2.81)
![]()
Скорость звука в потоке пара за сопловой решеткой,
:
(2.82)
![]()
Число Маха сопловой решетки:
(2.83)
![]()
Выходная площадь сопловой решетки,
:
(2.84)
где
– коэффициент расхода сопловой решетки.
![]()
Диаметр рабочего колеса ДРОС,
:
(2.85)
![]()
Действительная абсолютная скорость выхода из сопел,
:
(2.86)
![]()
Потеря энергии в сопловой решетке,
:
, (2.87)
![]()
Высота сопловых лопаток /9/,
:
(2.88)
![]()
Относительная скорость пара на входе в рабочую решетку,
:
(2.89)
![]()
Далее определяем все элементы входного треугольника скоростей /рисунок 2.8/:
(2.90)
![]()
![]()
(2.91)
![]()
![]()
(2.92)
![]()
![]()
(2.93)
где
– поправка Стодолы, учитывающая циркуляционные течения в рабочей решетке,
,
(2.94)
![]()
![]()
Угол входа пара в рабочую решетку:
(2.95)
![]()

Рисунок 2.8 – Треугольник скоростей на выходе из сопловой решетки (на входе в рабочую решетку)
Теоретическая относительная скорость выхода из рабочей решетки /9/,
:
(2.96)
![]()
Скорость звука в рабочей решетке,
:
(2.97)
![]()
Число Маха за рабочим колесом:
(2.98)
![]()
Окружная скорость пара в выходном сечении за рабочим колесом,
:
(2.99)
![]()
Расход в один поток рабочего колеса,
:
![]()
Выходная площадь рабочей решетки,
:
, (2.100)
где
– коэффициент расхода рабочей решетки.
![]()
Угол выхода из рабочей решетки:
(2.101)
![]()
Действительная скорость выхода из рабочей решетки,
:
(2.102)
![]()
Потеря энергии в рабочей решетке,
:
, (2.103)
![]()
Скорость выхода из ступени,
:
(2.104)
![]()
Далее определяем все элементы выходного треугольника скоростей /рисунок 2.9/:
(2.105)
![]()
![]()
(2.106)
![]()
![]()
(2.107)
![]()
![]()
Угол выхода потока из ступени:
(2.108)
![]()

Рисунок 2.9 – Треугольник скоростей на выходе из ступени
Потери с выходной скоростью,
:
(2.109)
![]()
Относительный лопаточный КПД ступени:
(2.110)
![]()
(2.111)

Погрешность расчета, %:
(2.112)
![]()
Погрешность укладывается в допустимые ![]()
, поэтому считаем расчет верным.
Потери от трения рабочего колеса
Примем среднюю относительную шероховатость
исходя из опытов, проведенных Ленинградским Политехническим Институтом для мощных конденсационных турбин /9/.
Коэффициент сопротивления /9/:
(2.113)
![]()
Данная формула справедлива, если отношение радиального зазора между диском и корпусом к радиусу диска находится в диапазоне
/9/:
,
где ![]()
– радиус рабочего колеса ДРОС;
![]()
– радиальный зазор /9/.
Коэффициент потерь от трения /9/:
(2.114)
где
– коэффициент трения /9/;
(2.115)
![]()
– плотность потока за соплом /4/;
(2.116)
![]()
![]()
– характеристическое отношение скоростей /9/.
(2.117)
![]()
![]()
Внутренний относительный КПД ступени /9/:
(2.118)
![]()
Внутренняя мощность ступени,
:
(2.119)
![]()
В расчетах учитывалось, что высота рабочей лопатки РОС, на выходе должна быть равной высоте рабочей лопатки последней заменяемой осевой ступени.
Расчет параметров ДРОС при замене определенного числа осевых ступеней, показывает, что замена двух ступеней в турбине типа К – 800 – 240 приводит к наиболее оптимальным результатам. В этом случае ![]()
и
близок к максимальному.
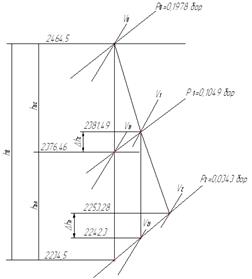
2.17 Детальный расчет первой осевой ступени ЦНД
Исходные данные к расчету:
Корневой диаметр ступени ![]()
Длина рабочей лопатки ![]()
Средний диаметр ступени ![]()
Степень реактивности ![]()
Давление пара на входе в ступень ![]()
![]()
Удельный объем пара перед ступенью
;
Расход пара на ступень G=201,93 кг/с;
Располагаемый теплоперепад ступени, кДж/кг,
![]()
Окружная скорость на среднем диаметре по формуле (2.99), м/с,
![]()
Располагаемый теплоперепад в сопловой и рабочей решётках по формулам (2.79) и (2.80), кДж/кг,
![]()
![]()
Далее по i-sдиаграмме строим процесс расширения пара в ступени /рисунок 2.10/ и определяем параметры пара за решётками Р1 , Р2, V1 t и V2 t :

Рисунок 2.10 – Процесс расширения пара в первой осевой ступени
Давление пара за сопловой решеткой ![]()
![]()
Давление пара за рабочей решеткой ![]()
![]()
Удельный объем пара за сопловой решеткой ![]()
Удельный объем пара за рабочей решеткой ![]()
Теоретическая абсолютная скорость выхода из сопловой решётки по формуле (2.81), м/с,
![]()
Скорость звука в потоке пара за сопловой решёткой по формуле (2.82), м/с,
![]()
Число Маха сопловой решётки определим по формуле (2.83),
![]()
![]()
Выходная площадь сопловой решётки предварительная, по формуле (2.84) м2 ,
![]()
где
- коэффициент расхода сопловой решётки.
Высота сопловых лопаток предварительная, м,
![]()
(2.120)
где
- суммарная перекрыша, равная 0,016 м /10/;
![]()
Эффективный угол выхода из сопловой решетки, град,
(2.121)
![]()
По прототипу выбирается хорда и относительный шаг, м:
![]()
;
Действительная абсолютная скорость выхода из сопел определяется по формуле (2.86), м/с,
![]()
Шаг сопловых лопаток, м,
(2.122)
![]()
Число сопловых лопаток, шт.,
(2.123)
![]()
Относительная скорость пара на входе в рабочую решётку, по формуле (2.89) м/с,
![]()
Угол входа в рабочую решётку,
(2.124)
![]()
Далее определяем все элементы входного треугольника скоростей, /рисунок 2.11/

Рисунок 2.11 – Треугольник скоростей на выходе из сопловой решетки (на входе в рабочую решетку)
Потеря энергии в сопловой решётке, по формуле (2.87) кДж/кг,
![]()
Теоретическая относительная скорость выхода из рабочей решётки, м/с,
(2.125)
![]()
Скорость звука рабочей решётки определим по формуле (2.97), м/с
![]()
Число Маха рабочей решётки определим по формуле (2.98),
![]()
По прототипу выбирается хорда и шаг, м:
![]()
;
Выходная площадь рабочей решетки, по формуле (2.100), м2 ,
![]()
Угол выхода из рабочей решётки определим по формуле (2.101), град,
![]()
Действительная скорость выхода из рабочей решётки, по формуле (2.102), м/с,
![]()
Абсолютная скорость выхода из ступени, по формуле (2.104), м/с,
![]()
Угол выхода потока из ступени, град,
(2.126)
![]()
Затем осуществляем построение выходного треугольника скоростей, /рисунок 2.12/

Рисунок 2.12 – Треугольник скоростей на выходе из ступени
Шаг рабочих лопаток, м,
(2.127)
![]()
Число рабочих лопаток, по формуле (2.123), шт.,
![]()
Потеря энергии в рабочей решетке первого венца определим по формуле (2.103), кДж/кг,
![]()
Потеря с выходной скоростью, по формуле (2.109), кДж/кг,
![]()
Располагаемая энергия ступени, кДж/кг,
![]()
Относительный лопаточный КПД,
![]()
(2.128)
![]()
(2.129)
![]()
Коэффициент потерь от трения боковых поверхностей рабочего колеса в паровой среде,
![]()
(2.130)
![]()
Потери от трения, кДж/кг,
(2.131)
![]()
Коэффициент потерь от протечек через диафрагменное уплотнение,
(2.132)
где
- площадь зазора в уплотнении, м2
;
- диаметр уплотнения, м;
- радиальный зазор в уплотнении, м;
- коэффициент расхода уплотнения;
=5÷7 – число гребней уплотнения.
![]()
Коэффициент потерь от протечек через бандажное уплотнение поверх рабочих лопаток,
(2.133)
где
(2.134)
где
;
- радиальный и осевой зазоры;
Z– число гребней бандажного уплотнения (обычно Z=2).

![]()
Суммарная потеря от утечек, кДж/кг,
(2.135)
![]()
(2.136)
![]()
Коэффициент потерь от влажности,
(2.137)
где y0 , y2 степень влажности перед и за ступенью, y=1‑x; x‑степень сухости.
![]()
Потери от влажности, кДж/кг,
(2.138)
![]()
Использованный теплоперепад ступени, кДж/кг,
(2.139)
![]()
![]()
Внутренний относительный КПД,
(2.140)
![]()
Внутренняя мощность ступени, кВт,
(2.141)
.
Расчет последующих осевых ступеней производится аналогичным образом. Результаты расчета представлены в таблице 2.4. Процессы расширения пара и треугольники скоростей этих ступеней представлены в приложении А.
2.18 Детальный расчет второй и третьей (с двойным выхлопом в конденсатор) осевых ступеней ЦНД
Исходные данные к расчету сведем в таблицу 2.3
Таблица 2.3 – Исходные данные к расчету
| Наименование параметров | Обозначение | Номер ступени | ||
| 2-я осевая | 3-я осевая с двойным выхлопом в конденсатор | |||
| 1-й выхлоп | 2-й выхлоп | |||
| Корневой диаметр ступени, м | 1,6 | 1,6 | 1,8 | |
| Длина рабочей лопатки, м | 0,85 | 1,2 | 1,2 | |
| Средний диаметр ступени, м | 2,45 | 2,8 | 3,0 | |
| Степень реактивности | 0,554 | 0,649 | 0,617 | |
| Давление пара перед ступенью, бар | 0,6625 | 0,1978 | 0,1978 | |
| Удельный объем пара перед ступенью, |
2,482 | 7,2596 | 7,2596 | |
| Расход пара на ступень, кг/с | G | 191,14 | 95,57 | 95,57 |
Таблица 2.4 – Детальный расчет второй и третьей (с двойным выхлопом в конденсатор) осевых ступеней ЦНД
| Наименование величин | Расчетная формула | Ступень | |||
| вторая осевая | третья осевая с двойным выхлопом в конденсатор | ||||
1-й выхлоп |
2-й выхлоп |
||||
| Окружная скорость, м/с | 384,845 | 439,823 | 471,239 | ||
| Располагаемый теплоперепад в сопловой и рабочей решётках, кДж/кг |
|
82,906 103,044 |
80,636 149,364 |
88,038 141,962 |
|
Параметры пара за решётками, бар бар |
по i – s диаграмме
|
0,3944 0,1978 |
0,1109 0,0343 |
0,1049 0,0343 |
|
|
|
3,928 7,2596 |
12,179 35,04 |
12,802 35,04 |
|
| Теоретическая абсолютная скорость выхода из сопловой решётки, м/с | 407,199 | 401,588 | 419,615 | ||
| Скорость звука в потоке пара за сопловой решёткой, м/с | 448,772 | 419,028 | 417,829 | ||
| Число Маха сопловой решётки | 0,907 | 0,958 | 1,004 | ||
| Выходная площадь сопловой решётки, |
1,901 | 2,988 | 3,006 | ||
| Высота сопловых лопаток, м | 0,826 | 1,176 | 1,176 | ||
| Эффективный угол выхода из сопловой решетки, град. | 17,4 | 16,8 | 15,72 | ||
| Хорда профиля и относительный шаг сопловой решетки, м |
|
0,228 0,95 |
0,251 0,96 |
0,251 0,96 |
|
| Коэффициент скорости сопловой решетки | 0,971 | 0,971 | 0,971 | ||
| Действительная абсолютная скорость выхода из сопел, |
395,391 | 389,942 | 407,446 | ||
| Шаг сопловых лопаток, м | 0,217 | 0,241 | 0,241 | ||
| Число сопловых лопаток, шт. | 36 | 37 | 39 | ||
| Относительная скорость пара на входе в рабочую решётку, м/с | 118,479 | 130,874 | 135,766 | ||
| Угол входа в рабочую решётку, град. | 93,62 | 120,68 | 125,61 | ||
| Потеря энергии в сопловой решётке, |
4,739 | 4,609 | 5,032 | ||
| Теоретическая относительная скорость выхода из рабочей решётки, м/с | 469,176 | 562,01 | 549,869 | ||
| Скорость звука рабочей решётки, м/с | 432,057 | 395,276 | 395,276 | ||
| Число Маха рабочей решётки | 1,086 | 1,422 | 1,391 | ||
| Хорда профиля и относительный шаг рабочей решетки, м |
|
0,159 0,75 |
0,178 0,76 |
0,178 0,76 |
|
| Выходная площадь рабочей решетки, |
3,049 | 6,137 | 6,272 | ||
| Угол выхода из рабочей решётки, град. | ![]() |
27,78 | 35,52 | 33,71 | |
| Коэффициент скорости рабочей решетки | 0,961 | 0,963 | 0,963 | ||
| Действительная скорость выхода из рабочей решётки, м/с | 450,878 | 541,216 | 529,524 | ||
| Абсолютная скорость выхода из ступени, м/с | 210,614 | 314,44 | 295,485 | ||
| Угол выхода потока из ступени, град. | 86,17 | 89,87 | 96 | ||
| Шаг рабочих лопаток, м | 0,119 | 0,135 | 0,135 | ||
| Число рабочих лопаток, шт. | 65 | 65 | 70 | ||
| Потеря энергии в рабочей решетке первого венца, |
8,417 | 11,47 | 10,98 | ||
| Потеря с выходной скоростью, |
22,179 | 49,436 | 43,656 | ||
| Располагаемая энергия ступени, |
185,95 | 230 | 230 | ||
| Относительный лопаточный КПД |
|
0,81 0,81 |
0,715 0,715 |
0,741 0,741 |
|
| Коэффициент потерь от трения боковых поверхностей рабочего колеса в паровой среде | ![]() |
||||
| Потери от трения, |
0,15 | 0,221 | 0,221 | ||
| Коэффициент потерь от протечек через диафрагменное уплотнение | |||||
| Коэффициент потерь от протечек через бандажное уплотнение поверх рабочих лопаток | |||||
| Суммарный коэффициент потерь от утечек | |||||
| Суммарная потеря энергии от утечек, |
0,1 | 0,086 | 0,088 | ||
| Коэффициент потерь от влажности | 0,058 | 0,065 | 0,062 | ||
| Потери от влажности, |
10,712 | 14,941 | 14,299 | ||
| Использованный теплоперепад ступени, |
139,652 | 149,236 | 155,723 | ||
| Внутренний относительный КПД | 0,751 | 0,649 | 0,677 | ||
| Внутренняя мощность ступени, кВт | 26690 | 14260 | 14880 | ||
2.19 Расчет сетевых подогревателей
В данном дипломном проекте на блок предусматривается установка сетевых подогревателей (верхнего сетевого и нижнего сетевого) пластинчатого типа. В отличие от кожухотрубчатых, эти подогреватели имеют ряд преимуществ: низкий недогрев (1 -1,5ºС), меньшие габариты, удобство монтажа и ремонта.
Конструкция пластинчатого теплообменника содержит набор гофрированных пластин, изготовленных из коррозионно-стойкого материала, с каналами для двух жидкостей, участвующих в процессе теплообмена. Пакет пластин размещен между опорной и прижимной плитами и закреплен стяжными болтами. Каждая пластина снабжена прокладкой из термостойкой резины, уплотняющей соединение и направляющей различные потоки жидкостей в соответствующие каналы. Необходимое число пластин, их профиль и размер определяется в соответствии с расходами сред и их физико-химическими свойствами, температурной программой и допустимой потерей напора по горячей и холодной стороне.
Гофрированная поверхность пластин обеспечивает высокую степень турбулентности потоков и жесткость конструкции теплообменника. Размещение патрубков для ввода и отвода сред возможно как на опорной, так и на прижимной плитах. Пластины и прокладки изготавливают из материалов, стойких к обрабатываемой среде.
Жидкости, участвующие в процессе теплопередачи, через патрубки вводятся в теплообменник. Прокладки, установленные специальным образом, обеспечивают распределение жидкостей по соответствующим каналам, исключая возможность смешивания потоков. Тип гофров на пластинах и конфигурацию канала выбирают в соответствии с требуемой величиной свободного прохода между пластинами, обеспечивая оптимальные условия процесса теплообмена.
Когда пластины сжаты вместе в наборе, отверстия в углах представляют собой продолжительные туннели или трубы, ведущие к среде от входов в набор пластин, где они размещаются в узких проходах между пластинами.
Из-за положения прокладок на пластинах и альтернативного размещения соседних пластин, оба теплоносителя входят в альтернативные проходы. Например, горячий теплоноситель проходит между нечётными проходами, а холодный теплоноситель – между четными. Таким образом, среды вступают в контакт через тонкую металлическую перегородку, а для улучшения теплообмена течение сред осуществляется противотоком. Проходя через аппарат, горячая среда отдает определенное количество тепла тонкой перегородке, которая в свою очередь охлаждается холодной средой с противоположной стороны. В результате, температура горячего теплоносителя снижается, а холодного – повышается. Далее среды проходят подобные отверстия – туннели на другом конце пластин и выпускаются из теплообменника.
Произведем расчет площади теплообменной поверхности верхнего сетевого (ВС) и нижнего сетевого (НС) подогревателей. Конструктивная схема и общий вид подогревателя изображены на рисунке 6 графической части.
2.19.1 Расчет верхнего сетевого подогревателя
Тепловая нагрузка теплообменного аппарата, кДж,
, (2.142)
где
– расход сетевой воды через подогреватель (из расчета принципиальной тепловой схемы), кг/с;
– энтальпия сетевой воды на выходе из ВС (из расчета принципиальной тепловой схемы), кДж/кг;
– энтальпия сетевой воды на входе в ВС (из расчета принципиальной тепловой схемы), кДж/кг;
![]()
Площадь поверхности теплообмена,
,
(2.143)
где k=3000 – коэффициент теплопередачи,
;
– среднелогарифмический температурный напор, ºС.
(2.144)
где
и
- большая и меньшая разница температур, ºС;
(2.145)
![]()
(2.146)
![]()

![]()
По заводским данным выбираем теплообменник типа НН №43ТС –
с характеристиками, указанными в таблице 2.5
Таблица 2.5 – Характеристики теплообменника
| Характеристики | Численное значение |
| Ширина теплообменного аппарата, мм | 770 |
| Высота теплообменного аппарата, мм | 1503 |
| Максимальная длина теплообменного аппарата, мм | 1527 |
| Вес, кг | 1644–1824 |
| Рабочее давление, МПа | 1,0 |
| Испытуемое давление, МПа | 1,3 |
| Максимальная температура, ºС | 150 |
| Количество пластин, шт. | 137 – 189 |
| Максимальная площадь теплообмена, |
86,0 |
| Толщина пластины, мм | 0,6 |
| Тип рифления пластин | ТК, ТL |
| Материал пластин | нерж. сталь AISI 316 |
| Материалпрокладок | резина EPDM |
| Расположение патрубков | на передней плите |
| Диаметр присоединений, мм | 200 |
| Количество / диаметр резьбовых стяжек | 8 / М36 |
| Номинальный диапазон расходов, т/ч | 30 – 650 |
| Номинальный диапазон мощностей, кВт | 1000 – 20000 |
2.19.2 Расчет нижнего сетевого подогревателя
Тепловая нагрузка теплообменного аппарата по формуле (2.142), кДж,
![]()
Большая разница температур по формуле (2.145), ºС;
![]()
Меньшая разница температур по формуле (2.146), ºС;
![]()
Среднелогарифмический температурный напор по формуле (2.144), ºС;

Площадь поверхности теплообмена по формуле (2.143),
,
![]()
По заводским данным выбираем теплообменник типа НН №43ТС –
с характеристиками, указанными в таблице 2.6
Таблица 2.6 – Характеристики теплообменника
| Характеристики | Численное значение |
| Ширина теплообменного аппарата, мм | 770 |
| Высота теплообменного аппарата, мм | 1503 |
| Максимальная длина теплообменного аппарата, мм | 1707 |
| Вес, кг | 1528–1630 |
| Рабочее давление, МПа | 1,6 |
| Испытуемое давление, МПа | 2,1 |
| Максимальная температура, ºС | 150 |
| Количество пластин, шт. | 196 – 231 |
| Максимальная площадь теплообмена, |
105,3 |
| Толщина пластины, мм | 0,6 |
| Тип рифления пластин | ТК, ТL |
| Материал пластин | нерж. сталь AISI 316 |
| Материалпрокладок | резина EPDM |
| Расположение патрубков | на передней плите |
| Диаметр присоединений, мм | 200 |
| Количество / диаметр резьбовых стяжек | 8 / М36 |
| Номинальный диапазон расходов, т/ч | 30 – 650 |
| Номинальный диапазон мощностей, кВт | 1000 – 20000 |
2.20 Узел учета отпускаемой тепловой энергии
2.20.1 Характеристика тепломагистрали ГРЭС
Тепломагистраль ГРЭС служит для подачи теплоносителя (теплофикационной воды) в тепловые сети. Внутренний диаметр подающего и обратного трубопроводов
обеспечивает максимальный расход теплоносителя 429,7 т/ч при скорости
. Давление в подающем трубопроводе
, температура в подающем трубопроводе
, давление в обратном трубопроводе
, температура в обратном трубопроводе
. Материал трубопроводов – Сталь 3.
2.20.2 Выбор оборудования узла учета тепловой энергии и его характеристики
Для осуществления коммерческого учета расхода теплоносителя, его параметров и тепловой энергии в подающем и обратном трубопроводах тепломагистрали устанавливаются приборы учета. Узел учета тепловой энергии источника должен соответствовать «Правилам учета тепловой энергии и теплоносителя», 1995 г., «Правилам эксплуатации теплопотребляющих установок и тепловых сетей потребителей» и «Правилам техники безопасности при эксплуатации теплопотребляющих установок и тепловых сетей потребителей». В соответствии с «Правилами учета тепловой энергии и теплоносителя» в системах теплоснабжения приборами узла учета должны определяться следующие величины:
· время работы приборов узла учета, ч;
· отпущенная тепловая энергия, Гкал (ГДж);
· масса теплоносителя, отпущенного по подающему и возвращенного по обратному трубопроводам, т;
· масса теплоносителя, отпущенного по подающему и возвращенного по обратному трубопроводам за каждый час, т;
· среднечасовая и среднесуточная температуры теплоносителя в подающем и обратном трубопроводах,
;
· масса теплоносителя, израсходованного на водозабор в системах ГВС, т;
· среднечасовое давление теплоносителя в подающем и обратном трубопроводах, бар;
Перечисленным требованиям полностью удовлетворяет тепловычислитель СПТ-961 фирмы «Логика», г. Санкт – Петербург, предусмотренный в данном дипломном проекте. Кроме того, тепловычислитель СПТ-961 обеспечивает учет отклонений от договорных параметров согласно «Правилам пользования тепловой энергией».
Структурная схема узла учета тепловой энергии представлена на листе 7 графической части.
Для определения расхода сетевой воды в подающем и обратном трубопроводах
и
предусмотрены расходомеры – счетчики ультразвукового типа UFM – 001 с условным диаметром
. В состав каждого расходомера входят пьезоэлектрические преобразователи ПЭП1 и ПЭП2 и электронный блок ЭБ. При установке преобразователей ПЭП1 и ПЭП2 должны быть выдержаны необходимые размеры прямых участков согласно техническому описанию: 3000 мм до и 2000 мм после преобразователя.
В качестве датчиков температуры предусмотрены термопреобразователи сопротивления КТСПР-001.
В качестве датчиков давления предусмотрены преобразователи давления Сапфир-22МДИ.
2.20.3 Принцип работы ультразвукового расходомера – счетчика UFM -001
Принцип действия прибора основан на измерении скорости распространения ультразвука по потоку и против потока воды. По разности скоростей ультразвука определяется скорость воды, а по скорости воды определяется расход.
Пьезоэлектрические преобразователи ПЭП1 и ПЭП2 служат для излучения и приемки ультразвукового сигнала. Они работают попеременно в режиме приемник – излучатель. Скорость распространения ультразвукового сигнала в воде, заполняющей трубопровод, представляет собой сумму скоростей ультразвука в неподвижной воде и скорости воды в проекции на рассматриваемое направление распространения ультразвука. Время распространения ультразвукового импульса от ПЭП1 к ПЭП2 и от ПЭП2 к ПЭП1 зависит от скорости движения воды. В приборе используется метод прямого измерения времени распространения каждого индивидуального ультразвукового импульса от одного ПЭП к другому. Расход воды определяется по формуле, т/ч:
(2.147)
где F – площадь сечения трубы,
;
К – коэффициент коррекции;
– разность времени распространения ультразвуковых импульсов
по потоку и против потока, с;
- скорость ультразвука в неподвижной воде, м/с;
– длина активной части акустического канала, м;
– угол между осью «излучатель – приемник» и осью трубопровода, град.
2.20.4 Описание схемы измерений узла учета
Структурная схема узла учета представлена на листе 7 графической части. Тепловычислитель СПТ-961 обеспечивает преобразование нормированных сигналов от расходомеров – счетчиков UFM-001, термопреобразователей сопротивления КТСПР – 001 и датчиков давления Сапфир-22МДИ в показания указанных параметров, а также вычисление по текущим значениям этих параметров расхода теплоносителя и тепловой энергии по каждому трубопроводу и тепломагистрали в целом. Значения тепловой энергии и массы накапливаются в тепловычислителе с начала пуска счета и их обнуление невозможно. Результаты расчетов и текущие параметры теплоносителя могут выводиться на жидко – кристаллический индикатор лицевой панели тепловычислителя и компьютеры производственно – технического отдела, дежурного инженера станции и др.
3 Выбор площадки и генерального плана станции
Генеральный план – план размещения на выбранной производственной площадке электростанции ее основных и вспомогательных сооружений. Генеральный план электростанции включает следующие производственные и подсобные здания и сооружения:
· главный корпус, внутри которого размещается турбинное и котельное отделения;
· помещения для деаэраторов;
· щиты управления;
· оборудование пылеприготовления, бункера угля и пыли;
· топливоподача, состоящая из разгрузочного устройства, дробильного помещения, эстакад для ленточных транспортеров;
· склады топлива;
· распределительное устройство генераторного напряжения, повышающие трансформаторы и распределительные устройства обычного открытого типа;
· дымовые трубы;
· химводоотчистку;
· систему технического водоснабжения;
· систему золо- и шлакоудаления с золоотвалами;
· мазутное хозяйство;
· здания и сооружения подсобного назначения: мастерские, склады, гараж, пожарная охрана, а также железнодорожные пути, автомобильные дороги, устройства водоснабжения, канализации.
С учетом розы ветров открытый угольный склад размещен с подветренной стороны по отношению к главному корпусу, открытому распределительному устройству, линиям электропередач. Вдоль угольного склада расположены: железнодорожная эстакада для разгрузки неисправных вагонов, два вагоноопрокидывателя и два размораживающих устройства.
На территории ГРЭС расположены: пожарное депо, автохозяйство, административно – бытовой корпус и другие вспомогательные сооружения. Все здания и сооружения размещаются, как правило, в пределах основной ограды электростанции. Вне основной ограды размещаются золоотвалы, а также ряд других сооружений. Между зданиями и сооружениями предусмотрены пожарные разрывы и проезды.
К помещениям машинного зала и котельных агрегатов, к открытому распределительному устройству, механизмам топливоподачи, складу топлива, сливному устройству мазутного хозяйства и различным складам подведены железнодорожные пути и автомобильные дороги. На территории электростанции высаживаются зеленые посаждения. Вся территория обнесена забором.
4 Охрана окружающей среды
На сегодняшний день система маслоохлаждения в системе смазки является одной из источников загрязнения охлаждающей воды. Сбросы воды после маслоохладителей могут быть направлены в сбросные водоводы при условии, если исключено попадание масла при нарушении плотности маслоохладителя, а также исключение аварийных залповых выбросов при эксплуатации маслоохладителя. Поэтому давление охлаждающей воды в маслоохладителях превышает давление масла.
В системе гидрозолоудаления применяется оборотная система воды, транспортирующей золошлаковую пульпу.
Для уменьшения теплового загрязнения природных водоемов применяется оборотная система технического водоснабжения с прудами – охладителями. Площадь пруда – охладителя выбирается 10
на 1 кВт установленной мощности.
Для уменьшения выбросов в атмосферу применяется высокоэффективная система золоулавливания с электрофильтрами, которые имеют степень улавливания 99%.
4.1 Расчет выбросов вредных веществ
Выбор высоты и количества дымовых труб производится таким образом, чтобы загрязнение приземного слоя воздуха выбросами из труб не превышало ПДК вредных примесей.
Выбросы золы,
:
(2.148)
где B – суммарный расход топлива, кг/с;
- зольность на рабочую массу, %;
- потери от механического недожога, %;
– низшая теплотворная способность топлива, кДж/кг;
– количество золы в уносе, %;
– КПД золоуловителя.
![]()
Выбросы оксидов серы,
:
(2.149)
где
- содержание серы на рабочую массу, %;
![]()
Выбросы оксидов азота,
:
(2.150)
где К=4,771 – коэффициент, характеризующий выход оксидов азота /25/;
β=0,7 – коэффициент, учитывающий влияние на выход азота качества сжигаемого топлива /25/.
![]()
Приведенная масса вредных веществ,
:
(2.151)
![]()
4.2 Выбор количества дымовых труб и ее расчет
Предварительно, по количеству и паропроизводительности парогенераторов выбираем для установки три дымовых трубы высотой 250 м с диаметром устья 9,6 м /5/.
Минимально допустимая высота дымовой трубы, м:
, (2.152)
где A=200 – коэффициент, учитывающий условия вертикального и горизонтального рассеяния (конвективной диффузии) примеси в воздухе /5/;
F=1 – коэффициент, учитывающий характер выбрасываемых загрязнений /5/;
m=0,8 – безразмерный коэффициент, учитывающий влияние скоростей выхода газов из устья трубы /5/;
n=3 – число труб;
V=5∙8∙86,15=3446 м3 /с – суммарный объем дымовых газов, выбрасываемых из труб;
∆t=130 ˚С – разность температур, выходящих из трубы дымовых газов и окружающего воздуха;
Минимально допустимая высота дымовой трубы:

Эффективная высота выброса дымовых газов, м:
(2.153)
где d0 =9,6 м – диаметр устья трубы /5/;
ω0 =35 м/с – скорость газов в устье трубы /5/;
υ=5 м/с – скорость ветра на высоте 10 м над уровнем земли /5/;
φ=1,7 – коэффициент, учитывающий возрастание скорости ветра с высотой трубы /5/;
![]()
5 Безопасность проектируемого объекта
Обеспечение безопасности жизнедеятельности человека является важнейшей составной частью успешного построения современного цивилизованного, социально – ориентированного, экономически стабильного и процветающего государства. При этом под термином «безопасность» понимается свойство системы «человек – машина – окружающая среда» сохранять при функционировании в заданных условиях такое состояние, при котором с некоторой вероятностью исключается возникновение происшествий.
Проблема обеспечения безопасности жизнедеятельности приобретает особую актуальность на нынешнем этапе развития производственных сил, когда из-за трудно предсказуемых экологических и генетических последствий природных, либо техногенных происшествий поставлено под сомнение само существование человека как вида.
Проблема обеспечения безопасности жизнедеятельности становится все более острой: она является следствием обострения противоречий между новыми средствами производства и традиционными способами их использования, между гениальными озарениями человеческой мысли, материализованными в лучших научно-технических творениях и весьма низким уровнем бытового массового сознания.
Ущерб от аварийности и травматизма достигает 10 – 15% от валового национального продукта промышленно развитых государств, а экологическое загрязнение окружающей среды и несовершенная техника безопасности является причиной преждевременной смерти 20 – 30% мужчин и 10 – 20% женщин.
Несмотря на ряд мер, принятых в России за последние годы, а также существенное падение уровня промышленного производства в стране (свыше 50%), соответствующего снижения аварийности и травматизма в промышленности, особенно связанного с эксплуатацией опасных производственных объектов, не произошло. Травматизм в промышленности и на транспорте остается не только недопустимо высоким, но и все более приобретает групповые формы.
5.1 Общая характеристика проектируемого объекта с точки зрения безопасности и безвредных условий труда
Площадка ГРЭС предусматривается в соответствии с общей планировкой района. По СНиП 21-01-97 «Пожарная безопасность производственных зданий», НПБ 201-96 «Нормы пожарной безопасности» санитарно – защитная зона принимается по расчету рассеивания вредных выбросов. При этом учитываются следующие факторы:
· наличие площадки, пригодной для застройки с учетом перспективного расширения электрической станции;
· рационального устройства складов топлива;
· проветривание;
· возможность и удобство подвода ЛЭП, кабельных и трубных трасс;
· расположение ГРЭС по отношению к жилому фонду местности в соответствии с розой ветров.
Вокруг корпуса предусматривается:
· автодорога на две полосы;
· проезды пожарных автомобилей вокруг складов угля и открытых распределительных устройств (ОРУ);
· вдоль открытого сбросного канала, золошлакопроводов и других линейных сооружений не менее 6 метров.
Расстояние от края проезжей части дороги до стен зданий не более 25 метров. Вдоль стен главного корпуса – расстояние может увеличиваться до 60 метров.
При устройстве тупиковых дорог с площадками для разворота пожарных машин по 5 – 15 метров от стен главного корпуса и установка на площадке пожарных гидрантов. Расстояние между такими тупиковыми дорогами – не более 100 метров.
5.2 Объемно-планировочное решение задания проектируемого цеха
В соответствии со СНиП 21.01.97 «Пожарная безопасность производственных зданий» здание турбинного цеха перекрывается железобетонными блоками, стены сборные, панели шириной 300 мм. Для удобства обслуживания предусматриваются два эвакуационных выхода в разных концах помещения, так как расстояние от наиболее удаленного рабочего места более 30 метров. В турбинном помещении устанавливаем турбины с генераторами и вспомогательное оборудование.
Таблица 5.1 – Общая характеристика работы турбинного цеха
Наименование объекта |
Класс пожароопасности по ПУЭ | Класс взрывоопасности по ПУЭ | Класс опасности поражения электрическим током по ПУЭ 99 |
| Турбинный цех | – | ВЗ | с повышенной опасностью |
5.3 Анализ и устранение потенциальных опасностей и вредностей технологического процесса
5.3.1 Опасность поражения электрическим током
По ГОСТ 12.1.019.ССБТ «Электробезопасность. Общие требования» и ГОСТ 12.1.030.ССБТ «Электробезопасность. Защитное заземление, зануление» турбинный цех на ТЭС по степени опасности поражения человека электрическим током выделяется в класс с повышенной опасностью, так как в нем имеются следующие уровни опасности:
· высокая температура воздуха (t=35ºС и выше);
· возможность одновременного прикосновения человека к металлоконструкциям, имеющим соединения с землей и металлическим корпусом электрооборудования.
Величина малого напряжения для питания ручного электрифицированного инструмента и переносных светильников до 12 В. Рабочее напряжение оборудования – 6 кВ и 0,4 кВ. Освещение 220 В.
Допустимое напряжение на корпусе «пробитого» электрооборудования при переменном токе с частотой 50 Гц при продолжительности воздействия на человека более 1 секунды составляет 20 В.
При номинальном рабочем напряжении от 42 В до 380 В применяем защитное заземление с изолированной нейтралью.
5.3.2 Электромагнитные поля, статическое электричество
По ГОСТ 12.1.018.ССБТ «Электростатическая искробезопасность. Общие требования», ГОСТ 12.1.006.ССБТ «Электромагнитные поля радиочастот. Допустимые уровни на рабочих местах» к источникам электромагнитных излучений относятся: естественные – электромагнитное поле Земли, радиоизлучение солнца, атмосферное электричество; искусственные – трансформаторы, воздушные линии электропередачи, кабельные линии, электрооборудование и др.
При воздействии на человека оказывают отрицательное влияние в виде нагрева, поляризации и ионизации клеток тела человека. Живая ткань в электрическом отношении представляет собой проводник и поэтому практически прозрачна для магнитного поля. Магнитное поле индуцирует в теле человека вихревые токи.
Опасность действия магнитных полей зависит от напряженности и продолжительности воздействия. При длительном систематическом пребывании человека в магнитном поле могут возникать изменения функционального состояния нервной, сердечно – сосудистой, иммунной систем. Имеется вероятность развития лейкозов и злокачественных новообразований центральной нервной системы.
При частоте 60 Гц напряженность электрического поля составляет 500 В/м; напряженность магнитного поля составляет 50 А/м; энергетическая нагрузка, создаваемая электрическим полем, составляет 20000
; энергетическая нагрузка, создаваемая магнитным полем, составляет 200
.
Защиту работающих от неблагоприятного влияния электромагнитных полей осуществляем с помощью технических мероприятий, таких как: ограждение и обозначение соответствующими предупредительными знаками зон с уровнями влияния электромагнитных полей, превышающие предельно – допустимые; заземление всех изолированных от земли крупногабаритных объектов, находящихся в зоне влияния электрических полей, к которым возможно прикосновение работающих; дистанционное управление; экранирование рабочего места.
5.3.3 Опасность атмосферного электричества
Среднегодовая продолжительность гроз для местности, где расположена электростанция, составляет 20 часов. Основным нормативным документом является «Инструкция по устройству молниезащиты зданий, сооружений и промышленных коммуникаций» Приказ Минэнерго России от 30.06.2003 №280 СО от 30.06.2003 №153 – 34.21.122 – 2003, категория молниезащиты III. В качестве молниезащиты применяем молниеотвод. В состав молниеотвода входят: молниеприемники, непосредственно воспринимающие удар молнии; тоководы, по которым ток, возникающий при ударе молнии, передается на землю; заземлители, обеспечивающие растекание тока в земле.
5.3.4 Опасность травмирования движущимися частями машин и механизмов
Незащищенные подвижные элементы производственного оборудования повышают вероятность травмирования. К такому оборудованию на ТЭС относят: вращающиеся части турбин, насосов, вентиляторов, дымососов, питателей, конвейеров и т.д.
По ГОСТ 12.2.061.ССБТ «Оборудование производственное. Общие требования к рабочим местам» и ГОСТ 12.2.062.ССБТ «Оборудование производственное. Ограждения защитные» вращающиеся соединительные муфты оборудования закрываются защитным кожухом, который крепится на болтовом соединении к раме.
Все движущиеся части конвейеров ограждаем конструкцией из металлической сетки, листов и другого прочного материала. Конструкция ограждения удаляется только с помощью инструмента.
5.3.5 Тепловые выделения и опасность термического ожога
При постоянной повышенной температуре воздуха в котельно-турбинном цехе предусматриваем согласно ГОСТ 12.4.123 ССБТ «Коллективные средства защиты от инфракрасных излучений», СанПиН 2.2.4.548 – 96 «Санитарные правила и нормы. Гигиенические требования к микроклимату производственных помещений» следующие защиты работников от воздействия теплового излучения: экранирование теплопоглощающими экранами – это металлические щиты и заслонки, футерованные огнеупорным кирпичом, асбестовые щиты на металлической раме; воздушное душирование рабочих мест; организация рационального отдыха.
Применение всех вышеперечисленных мероприятий ведет к тому, что лучистое тепло на работающих не превышает нормы, равной 140
.
Для предотвращения термического ожога всё оборудование с высокой температурой необходимо обмуровывать теплоизоляционным материалом, а трубопроводы – покрывать изоляцией. Температура на поверхности изоляции при температуре окружающего воздуха 25ºС не превышает 45ºС. В целях обезопасить персонал от термического ожога применяем: окраску трубопроводов; условные обозначения; соответствующие надписи.
5.3.6 Безопасность эксплуатации грузоподъемных машин и механизмов
В турбинном цехе для монтажа и демонтажа оборудования устанавливаем один мостовой кран грузоподъемностью 125/20 тонн.
По ПБ 10 – 382 – 00 основными факторами, определяющими опасность грузоподъемных кранов для людей и оборудования при производстве подъемно – транспортных работ, являются:
· движущие детали и механизмы;
· перемещаемые грузы;
· работа на высоте;
· возможность поражения электрическим током;
· наличие опасной зоны в местах, над которыми происходит перемещение грузов, а также вблизи движущихся частей машин и оборудования;
· влияние других объектов на работу кранов;
· высокие или низкие температуры окружающего воздуха.
Основой безопасности эксплуатации грузоподъемных кранов являются систематические обследования (проверки) состояния промышленной безопасности при эксплуатации подъемных сооружений.
Обследованию подвергаем в целом все предприятие, при этом каждое подъемное сооружение осматривается не реже одного раза в 3 года. В связи с практикой государственной надзорной деятельности предусматриваем три вида обследования: оперативное, целевое, комплексное.
Места производства погрузочно-разгрузочных работ оборудуем знаками безопасности, включая проходы и проезды, имеющие достаточное освещение, которое равномерно, без слепящего действия светильников.
5.4 Производственная санитария
5.4.1 Микроклимат
Помещение турбинного цеха характеризуется наличием теплового излучения, что создает неблагоприятные условия обслуживающего персонала. Для создания нормального климата в помещениях турбинного цеха согласно ГОСТ 12.1.005.ССБТ «Санитарно – гигиеническое нормирование воздуха рабочей зоны», СНиП 41 – 01 – 2003 «Отопление, вентиляция и кондиционирование воздуха» предусматривается:
· герметизация технологического оборудования;
· вентиляции помещения приточная и вытяжная;
Таблица 5.2 – Оптимальные и допустимые параметры микроклимата
| Период года | Категория работ | Интенсивность теплового облучения, |
Температура поверхностей, ºС |
Температура воздуха, ºС |
Относительная влажность, % |
Скорость воздуха, м/с |
|||||
| Опт. | Доп. | Опт. | Доп. | Опт. | Доп. | Опт. | Доп | Опт | Доп | ||
| Холоный | IIa | 35 | 70 | 18–22 | 16–24 | 19–21 | 21–23 | 40–60 | 15–75 | 0,2 | 0,3 |
| Теплый | IIa | 35 | 70 | 19–23 | 17–28 | 20–22 | 22–27 | 40–60 | 15–75 | 0,2 | 0,4 |
5.4.2 Выделение вредных веществ
Вредные вещества ускоряют развитие утомляемости человека, увеличивают число ошибок, совершаемых им на производстве, и является причиной профессиональных заболеваний.
Источниками вредных веществ на ТЭС являются продукты сгорания топлива, а также угольная пыль. В целях профилактики неблагоприятного воздействия вредных веществ на организм человека и нормализации санитарно – гигиенического состояния воздушной среды согласно ГОСТ 12.2.061 – 81 ССБТ «Оборудование производственное. Общие требования безопасности к рабочим местам», ГОСТ 12.3.002 – 91 ССБТ «Процессы производственные. Общие требования безопасности», СНиП 41 – 01 – 2003 «Отопление, вентиляция и кондиционирование воздуха», ГОСТ 12.3.003, ГОСТ 12.1.005, ГОСТ 12.1.007 и ГН 2.2.1.15.13 – 03 используем:
· максимально возможную герметизацию источников выделения вредных веществ;
· вентиляцию;
· кондиционирование;
· уборка помещений и оборудования от осевшей пыли;
· контроль содержания вредных веществ в воздухе;
· средства индивидуальной защиты.
Таблица 5.3 – Токсикологическая характеристика вредных веществ
Наименование вещества |
Агрегатное состояние |
Характер воздействия на организм человека | ПДК, |
Класс опасности по ГОСТ 12.1.005 – 88 |
| Оксид углерода | Газ | Отравление | 20 | 4 |
5.4.3 Освещение
Неудовлетворительное освещение помещений не только утомляет зрение, но и вызывает утомление организма в целом. Для безопасной работы в турбинном цехе по СНиП 23-05-95 «Естественное и искусственное освещение» и СанПиН 2.2.1/2.1.1.1278 – 03 предусматриваем совмещенное освещение:
· из естественного освещения через оконные проемы;
· из системы общего искусственного освещения.
Виды искусственного освещения:
· рабочее (в соответствии с характером выполняемых работ);
· дневного света ЛД, со светильниками ОД, ОДОР;
· аварийное (освещение для продолжения работы при аварийном отключении рабочего освещения) с лампами накаливания в универсальных светильниках прямого света типа «Астра», УПМ-15;
· дежурные прожекторы заливающего света ПГЦ с лампами ДРИ;
· эвакуационное;
· охранное – обозначают фонарями красного цвета опасные места.
Таблица 5.4 – Нормирование естественного и искусственного освещения
Наименование помещений |
Характер работы | Размер объекта различия, мм | Нормируемое значение КЕО, % | Нормируемая освещенность при искусственном освещении, лк | ||
| Комб. | Бок. | Комб. | Бок. | |||
| Турбинный цех | Наивысшей точности | Менее 0,15 | 10 | 3,5 | 2500 | 750 |
| Очень высокой точности | 0,15 – 0,3 | 7 | 2,5 | 2000 | 500 | |
| Высокой точности | 0,3 – 0,5 | 5,0 | 2,0 | 750 | 300 | |
Средней точности |
0,5 – 1,0 | 4,0 | 1,5 | 400 | 200 | |
| Малой точности | 1,0 – 5,0 | 3,0 | 1,0 | 200 | 150 | |
5.4.4 Шум, ультразвук, инфразвук
Источниками шума в турбинном цехе являются: турбины, турбопитательные насосы, теплообменники, насосы, расширители.
По ГОСТ 12.1.003.ССБТ «Шум. Общие требования безопасности» приводим допустимые уровни шума в октавных полосах в производственных помещениях.
Таблица 5.5 – Предельно допустимые уровни звукового давления согласно СНиП 12-01-03
| Рабочее место | Уровни звукового давления, дБ, в октавных полосах со среднегеометрическими частотами, Гц |
Уровни звука и эквивалентные уровни звука дБ (А) | |||||||||
| 31,5 | 63 | 125 | 250 | 500 | 1000 | 2000 | 4000 | 8000 | |||
| Высококвалифицированная работа, требующая сосредоточенности, | |||||||||||
административно-управленческая деятельность, измерительные и аналитические работы в лаборатории: рабочие места в помещениях цехового управленческого аппарата, в рабочих комнатах конторских помещений, лабораториях. |
93 |
79 |
70 |
63 |
58 |
55 |
52 |
50 |
49 |
60 |
|
Работа, выполняемая с часто получаемыми указаниями и акустическими сигналами, работа, требующая постоянного слухового контроля, операторская работа по точному графику с инструкцией, диспетчерская работа: рабочие места в помещениях диспетчерской службы, кабинетах и помещениях наблюдения и дистанционного управления с речевой связью по телефону, машинописных бюро, на участках точной сборки, на телефонных и телеграфных станциях, в помещениях мастеров, в залах обработки информации на вычислительных машинах |
96 |
83 |
74 |
68 |
63 |
60 |
57 |
55 |
54 |
65 |
|
Работа, требующая сосредоточенности, работа с повышенными требованиями к процессам наблюдения и дистанционного управления производственными циклами: рабочие места за пультами в кабинах наблюдения и дистанционного управления без речевой связи по телефону; в помещениях лабораторий с шумным оборудованием, в помещениях для размещения шумных агрегатов вычислительных машин. |
103 |
91 |
83 |
77 |
73 |
70 |
68 |
66 |
64 |
75 |
|
| Выполнение всех видов работ (за исключением выше перечисленных в пунктов и аналогичных им) на постоянных рабочих местах в производственных помещениях и на территории предприятий | 107 |
95 |
87 |
82 |
78 |
75 |
73 |
71 |
69 |
80 |
|
Для защиты от шума по СН 2.2.4/2.1.8.562 – 96 «Шум на рабочих местах, в помещениях жилых, общественных зданиях и на территории жилой застройки» предусматриваем:
· звукоизоляцию;
· звукопоглощающую облицовку;
· индивидуальные средства защиты.
5.4.5 Вибрация
По ГОСТ 12.1.012.ССБТ «Вибрационная безопасность. Общие требования», СН 2.2.4/2.1.8.566 – 96 «Санитарные нормы. Производственная вибрация в помещениях жилых и общественных зданиях» в помещениях турбинного отделения имеется общая технологическая вибрация (общая вибрация третьей категории). К источникам вибрации относится: турбины, насосы, трубопроводы.
Систематическое воздействие общей вибрации на человека приводит к стойким нарушениям опорно – двигательного аппарата, центральной нервной системы, желудочно – кишечного тракта.
Для снижения вибрации применяем виброизоляцию путем введения упругих связей между машиной и основанием. Виброизоляторы выполним в виде стальных пружин, прокладок из резины.
Таблица 5.6 – Допустимые уровни вибрации
| Уровни виброскорости, м/с |
||||||||
| Среднеквадратичные частоты | 1 | 2 | 4 | 8 | 16 | 31,5 | 63 | 125 |
| Технологическая вибрация | – | 108 | 99 | 92 | 92 | 92 | – | – |
5.5 Предотвращение аварийных ситуаций
5.5.1 Предупреждение аварий и взрывов технологического оборудования
Для обеспечения безопасной работы оборудования предусматриваем:
· общие требования безопасности к рабочим местам;
· технологическое оборудование предусматриваем со средствами защиты;
· ограждение лестничных площадок;
· блокировка и сигнализация;
· предохранительные устройства;
· дистанционное управление;
· оборудование, электродвигатели, сигнализация и другие устройства выбираем так, чтобы их установка исключала возможность взрыва и пожара.
Безопасная работа систем, работающих под давлением, обеспечивается комплексом организационно – технических мероприятий, включающих в себя: конструкции сосудов, применяемые материалы и технологии, в том числе и при ремонтных работах, обеспечивают конструктивную прочность сосудов.
Эксплуатация сосудов ведется в строгом соответствии с требованиями правил эксплуатации сосудов, работающих под давлением, утвержденных комитетом Госгортехнадзора РФ (ПБ 03 – 576 – 03 «Правила устройства и безопасной эксплуатации сосудов, работающих под давлением» и ПБ 10 – 290 – 99). Персонал, занятый обслуживанием сосудов, надлежащим образом обучен и аттестован.
В турбинном цехе эксплуатируются сосуды, работающие под давлением. Рабочей средой для всех является пар и горячая вода. Все сосуды оборудованы необходимыми приборами для контроля за технологическими параметрами и предохранительными устройствами. Эксплуатация сосудов, работающих под давлением, начинается только после освидетельствования, которое проводится только Госгортехнадзором РФ.
Любые сосуды, независимо от их размера, конструкции, рабочих давлений и температур, обязательно подвергаются техническому освидетельствованию после монтажа до пуска, а также периодически в процессе эксплуатации. Техническое освидетельствование сосудов, не регистрируемых в органах Госгортехнадзора РФ, проводится лицом, ответственным по надзору за исправным состоянием и безопасной эксплуатации сосудов. Первичное и внеочередное техническое освидетельствование сосудов, регистрируемых в органах Госгортехнадзора РФ, проводится инспектором Госгортехнадзора.
Наружный и внутренний осмотр имеют целью: при первичном освидетельствовании проверить, что сосуд установлен и оборудован в соответствии с настоящими правилами и предоставленными при регистрации документами, а также, что сосуд и его элементы не имеют повреждений.
Гидравлические испытания имеют целью: проверку прочности элементов сосуда и плотности соединений. Сосуды подвергаются к гидравлическому испытанию с устанавливаемой на них арматурой.
Гидравлическое испытание сосудов проводится пробным давлением:
(5.1)
Сосуд считается выдержавшим гидравлическое испытание, если не обнаружено:
· течи, трещин, слезок, потения в сварных соединениях и на основном металле;
· течи в разъёмных соединениях;
· видимых деформаций, падения давления по манометру.
Таблица 5.7 – Периодичность технического освидетельствования сосудов, зарегистрированных в Госгортехнадзоре РФ
| Наименование | Ответственный по надзору |
Специалист организации, имеющий лицензии | |
| Наружный, внутренний осмотры | Наружный, внутренний осмотры | Гидравлические испытания |
|
| Сосуды со средой, вызывающей разрушение (коррозия) со скоростью 0,1 мм/год | 2 года | 4 года | 8 лет |
| Не более 0,1 мм/год | 12 месяцев | 4 года | 8 лет |
| Регенеративные подогреватели ПВД и ПНД | После каждого капитального ремонта | После 2‑х капитальных ремонтов, но не реже 1 раза в 12 лет | После 2‑х капитальных ремонтов, но не реже 1 раза в 12 лет |
Внеочередное освидетельствование сосудов, находящихся в эксплуатации, проводим в следующих случаях:
· если сосуд не эксплуатировался более 12 месяцев;
· если сосуд был демонтирован и установлен на новом месте;
· если были проведены ремонтные работы сосуда с применением пайки и сварки;
· по требованию инспектора;
· после аварии сосуда или его элементов.
5.5.2 Безопасность эксплуатации трубопроводов пара и горячей воды
В турбинном цехе все трубопроводы находятся под давлением. Для обеспечения безопасной работы обслуживающего персонала регламент работ предусмотрен ПБ 10–573–03. Вся структура трубопровода сконструирована на определенные параметры давления, имеет систему предохранительных клапанов для сброса избыточного давления разным схемам (дренаж, атмосфера, конденсатор и др.). Вся система управления и защиты имеет ряд контрольно-измерительных точек, оборудована автоматикой, имеет световую и звуковую сигнализацию.
Трубопроводы перед пуском в работу и в процессе эксплуатации должны подвергаться следующим видам технического освидетельствования: наружному осмотру и гид равлическому испытанию.
Техническое освидетельствование трубопроводов проводится лицом, ответственным за исправное состояние и безопасную эксплуатацию, в следую щие сроки:
а) наружный осмотр (в процессе работы) трубопроводов всех категорий – не реже одного раза в год;
б) наружный осмотр и гидравлическое испытание трубопроводов, не подлежащих регистрац ии в органах Госгортехнадзора, – перед пуском в эксплуатацию после монтажа, ремонта, связа нного со сваркой, а также – при пуске трубопроводов после нахождения их в состоянии консервац ии свыше двух лет.
Зареги стрирован ные в органах Госгортехнад зора трубопрово ды долж ны по двергаться: инспектором Госгортехнадз ора – наружному осмотру и гид равлическому испытанию – перед пуск ом вновь смонтированного трубопровода; специалистом организации, им еющей разрешение (лицензию) органов Госгортехнад зора на проведение технического освидетельствования трубопрово дов пара и горячей воды , – наружному осмотру не реже одн ого раза в три года, наружному осмотру и гид равлическому испытанию после ремонта, связанного со сваркой, и при пуске трубопровод а после нахождения его в состоянии консервац ии свыше двух лет.
Вновь смонтированные трубопроводы подвергаются наружному осмотру и гидравлическому испытан ию до наложения изоляц ии.
При техническом освид етельствовании трубопровода обязательно присутствие лица, ответственного за исправное состояние и безопасную эксплуатацию трубопровода.
Результаты технического освидетельствования и заключение о возможности эксплуатация трубопровода с указ анием разрешенного давления и сроков след ующего освид етельствов ания должны быть записаны в паспорт трубопровода лиц ом, производившим освидетельствование.
Если при освидетельствовании трубопровода окажется, что он н аходится в аварийном состоянии или имеет серьезные дефекты, вызывающие сом нение в его прочности, то дальнейшая эксплуатация трубопровода должна быть запрещена, а в паспорте сделана соответствующая мотив ированная запись.
5.5.3 Обеспечение взрывопожарной безопасности производства
По ГОСТ 12.1.004 «Пожарная безопасность. Общие требования безопасности», ГОСТ 12.3.047 «Пожарная безопасность технологических процессов» турбинный цех оснащен всеми необходимыми средствами пожаротушения, противопожарной сигнализацией, комплексом технических мероприятий, предотвращающих развитие пожара. На отметке обслуживания 11 метров установлены водяные пушки, позволяющие вести тушение пожара в любом месте цеха, включая фермы перекрытия. Рабочие места оборудованы пожарными щитами, углекислотными огнетушителями, кабельные туннели оборудованы дренчерными завесами. Система противопожарного водоснабжения работает автономно, имеет автоматический ввод резерва. Все огневые работы в зоне действующего оборудования проводятся только с разрешением инспектора, находящегося на территории ГРЭС с оформлением наряда – допуска.
Таблица 5.8 – Показатели взрывопожарности веществ и материалов
| Наименование вещества | Агрегатное состояние | Температура, ºС |
Концентрационные (тепловые) пределы воспламенения, % | Плотность,
|
||
| вспышки | самовоспламенения | нижний | верхний | |||
| Водород | Газ | – | 510 | 4,09 | 75 | 0,083 |
Таблица 5.9 – Пределы огнестойкости строительных конструкций
| Степень огнестойкости | Максимальный предел огнестойкости конструкций | |||||
| Несущие элементы | Корпусные стены | Перекрытия | Покрытия | Лестничные клетки | ||
| площадка стены | марши лестницы | |||||
| II | R45 | RE15 | REj45 | RE15 | REj90 | R45 |
5.5.4 Обеспечение устойчивости объекта в чрезвычайных ситуациях
Устойчивость работы турбинного цеха в чрезвычайных ситуациях обеспечивается путем:
· проведения ежемесячных противопожарных и противоаварийных тренировок оперативного персонала;
· указания в инструкциях по эксплуатации оборудования возможных чрезвычайных ситуаций, регламент действия каждого работника при их возникновении;
· технические мероприятия, позволяющие не допустить возникновение чрезвычайных ситуаций, а при их возникновении – не допустить развитие и максимально быстро ликвидировать последствия.
5.6 Расчет зануления электрооборудования
Зануление применяется в трехфазных четырехпроводных электрических сетях напряжением до 1000 В с глухозаземленной нейтралью, а также в однофазных двухпроводных сетях с глухозаземленной нейтралью. Зануление обязательно в помещениях с повышенной опасностью и особо опасных, а также в неопасных помещениях при напряжении выше 42 В переменного и выше 110 В постоянного тока.
Занулению подлежат металлические нетоковедущие части электроприемников, в том числе металлические корпуса электроприборов, контрольных и наладочных стендов, трансформаторов, пусковых и регулировочных реостатов, переносных электроприемников и т.п. При замыкании фазы на зануленный корпус ток короткого замыкания
проходит через следующие участки цепи: нулевой провод
, обладающий сопротивлением
, обмотку трансформатора, фазный провод и дает сигнал на автоматический выключатель АВ, который отключает электрооборудование. От начала замыкания фазы А на корпус до срабатывания АВ электрический ток
стекает в землю через повторное сопротивление
нулевого провода в течение 5 – 7 секунд.
Цель зануления – снизить напряжение на корпус в аварийный период и обеспечить быстрое отключение установки от сети при замыкании фазы на её корпус. В соответствии с этим зануление рассчитывается прежде всего на отключающую способность.
По /7, с. 135/ найдем сопротивление обмоток трансформатора:
![]()
Активное сопротивление фазного провода определим из выражения, Ом:
(5.2)
где
– удельное сопротивление металла, из которого выполнен фазный
провод,
(для меди
=0,018);
– длина фазного провода, м;
- сечение фазного провода,
.
![]()
Внутреннее индуктивное сопротивление фазного провода принимаем, Ом:
![]()
Так как для предохранителей с плавкими вставками коэффициент кратности номинального тока k=3, то ожидаемый ток короткого замыкания в нулевом проводе равен, А:
(5.3)
где
– номинальный ток плавкой вставки предохранителя или автоматического выключателя, А (100А).
![]()
Плотность ожидаемого тока в нулевом проводнике,
:
(5.4)
где
- площадь сечения нулевого провода,
.
![]()
По /7, с. 136/ определяем
и
– активное и внутреннее индуктивное сопротивления соответственно 1 км нулевого проводника, Ом/км.
![]()
![]()
Активное и внутреннее индуктивное сопротивления нулевого провода, Ом:
(5.5)
(5.6)
где l – длина нулевого провода, км.
![]()
![]()
Внешнее индуктивное сопротивление проводников петли «фаза – нуль», Ом:
(5.7)
где D – расстояние между нулевыми и фазовыми проводами, м;
d – диаметр проводника, м.
![]()
Найдем сопротивление проводников петли «фаза – нуль», Ом:
(5.8)
![]()
Ток, протекающий через нулевой защитный проводник, А:
(5.9)
где
- фазное напряжение сети, В;
![]()
Таким образом, условие
выполняется и отключение электродвигателя при пробое фазы на корпус обеспечивается (392,9А≥300А).
Заключение
В результате проделанной работы была спроектирована ГРЭС 4000 МВт. Предполагаемый район строительства – Западная Сибирь Кемеровская область, топливо – каменный уголь Кузнецкого месторождения.
На основании выполненных расчетов можно заключить, что основное оборудование – турбины К-800-240 модернизированные в количестве пяти штук; котлы Пп-2650-25-545БТ; выбор вспомогательного оборудования удовлетворяет проектному заданию.
В проекте предложена принципиально новая конструкция ЦНД с радиально-осевой ступенью вместо разделителя потока, а в качестве последней ступени ЦНД – ступень с двойным выхлопом в конденсатор. Такая схема позволяет сократить число ЦНД до одного, а также общее число ступеней в нем.
Список использованных источников
1. Григорьева, В.А. Тепловые и атомные электрические станции: Справочник / В.А. Григорьев, В.М. Зорин. – М.: Энергоатомиздат, 1982. – 624 с.
2. Нормы технологического проектирования тепловых электрических станций. – М.: Минэнерго СССР, 1981.
3. Рыжкин, В.Я. Тепловые электрические станции / В.Я. Рыжкин. – М.: Энергоатомиздат, 1967.
4. Ривкин, С.Л. Теплофизические свойства воды и водяного пара / С.Л. Ривкин, А.А. Александров. – М.: Энергия, 1980. – 425 с.
5. Цыганок, А.П. Проектирование тепловых электрических станций: учеб. пособие/А.П. Цыганок, С.А. Михайленко; КрПИ – Красноярск, 1991. – 119 с.
6. Кузнецов, Н.В. Тепловой расчет котельных агрегатов (Нормативный метод) / Н.В. Кузнецов. – М.: Энергия, 1973.
7. Емелина, З.Г. Безопасность жизнедеятельности: учеб. пособие / З.Г. Емелина, Д.Г. Емелин; Краснояр. гос. техн. ун‑т. – Красноярск: ИПЦ КГТУ, 2000. – 183 с.
8. Колот, В.В. Безопасность проектируемого объекта: метод. указ. по дипломному проектированию для студентов направления подготовки дипломированных специалистов 650800 – «Теплоэнергетика» (спец. 100500, 100700, 100800) / В.В. Колот, О.Н. Ледяева; Краснояр. гос. техн. ун‑т. – Красноярск: ИПЦ КГТУ, 2003. – 16 с.
9. Биржаков, М.Б. Радиально – осевые ступени мощных турбин / М.Б. Биржаков, В.В. Литинецкий. – Л.: Машиностроение, Ленингр. отд – е, 1983. – 219 с.: ил.
10. Подборский, Л.Н. Турбины ТЭС и АЭС: метод. указ. по курсовому проектированию для студентов специальности 1005 – «Тепловые электрические станции»/ Л.Н. Подборский. – КрПИ – Красноярск, 1991. – 62 с.
11. Астраханцева, И.А. Экономическая оценка технических решений: метод. указ. по дипломному проектированию для студентов специальности 1005 – «Тепловые электрические станции»/ И.А. Астраханцева; Краснояр. гос. техн. ун‑т. – Красноярск: ИПЦ КГТУ, 1998. – 27 с.
12. Финоченко, В.А. Выполнение экономической части дипломных проектов: метод указ. для студентов специальностей 0301 – «Электрические станции», 0305 – «Тепловые электрические станции» всех форм обучения / В.А. Финоченко. – КрПИ – Красноярск, 1987. – 36 с.
13. Цыганок, А.П. Проект ТЭС (Часть 1): метод. указ. к дипломному и курсовому проектированию для студентов специальностей 0301, 0305 – «Электрические станции», «Тепловые электрические станции»/ А.П. Цыганок, Н.А. Сеулин; КрПИ – Красноярск, 1981. – 59 с.
14. Цыганок, А.П. Проект ТЭС (Часть 2): нормативные материалы к дипломному и курсовому проектированию для студентов специальностей 0301, 0305 – «Электрические станции», «Тепловые электрические станции»/ А.П. Цыганок, Н.А. Сеулин; КрПИ – Красноярск, 1981. – 36 с.
15. Михайленко, С.А. Тепловые электрические станции: учеб. пособие. 2‑е изд. испр. / С.А. Михайленко, А.П. Цыганок; Краснояр. гос. техн. ун‑т. – Красноярск: ИПЦ КГТУ, 2005. – 302 с.
16. Цыганок, А.П. Тепловые и атомные электрические станции: учеб. пособие: в 2 ч./ А.П. Цыганок; Краснояр. гос. техн. ун‑т. – Красноярск: ИПЦ КГТУ, 2000. – 123 с.
17. Трухний, А.Д. Стационарные паровые турбины. – 2-е изд., перераб. и доп./ А.Д. Трухний. – М.: Энергоатомиздат, 1990. – 640 с.: ил.
18. Турбины тепловых и атомных электрических станций: учебник для вузов. – 2‑е изд., перераб. и доп. / А.Г. Костюк, В.В. Фролов, А.Е. Булкин и др.; Ред. А.Г. Костюк. – М.: Издательство МЭИ, 2001. -488 с.: ил.
19. Стерман, Л.С. Тепловые и атомные электрические станции: учебник для вузов. – 3-е изд., перераб. / Л.С. Стерман. – М.: Издательство МЭИ, 2004. – 424 с., ил.
20. Липов, Ю.М., Котельные установки и парогенераторы/ Ю.М. Липов, Ю.М. Третьяков. – Москва – Ижевск: НИЦ «Регулярная и хаотичная динамика», 2003. – 592 с.
21. Кузнецов, Н.М. Энергетическое оборудование блоков АЭС – 2-е изд., испр./ Н.М. Кузнецов, А.А. Канаев, И.З. Копп. – Л.: Машиностроение. Ленингр. отд-ние, 1987. – 279 с.: ил.
22. Щегляев, А.В. Паровые турбины/ А.В. Щегляев. – М.: Энергия, 1976. – 368 с.
23. Смирнов А.Д. Справочная книжка энергетика / А.Д. Смирнов, К.М. Антипов – М.: Энергоатомиздат, 1987.
24. Белов, С.В. Безопасность жизнедеятельности./ С.В. Белов, А.В. Ильницкая, А.Ф. Козьяков. – Красноярск: Высшая школа, 1999.
25. Куликов, С.М. Расчет содержания вредных веществ в дымовых газах при проектировании котлов и энергетических установок: метод. указ. к дипломному проектированию для студентов специальностей 1005 – Тепловые электрические станции, 1007 – Промышленная теплоэнергетика/ С.М. Куликов, Е.А. Бойко; Краснояр. гос. техн. ун‑т. – Красноярск: ИПЦ КГТУ, 1995. – 32 с.
Приложение А

Рисунок А.1 – Процесс расширения пара во второй осевой ступени

Рисунок А.2 – Треугольник скоростей на выходе из сопловой решетки (на входе в рабочую решетку) второй осевой ступени

Рисунок А.3 – Треугольник скоростей на выходе из второй осевой ступени

Рисунок А.4 – Процесс расширения пара в третьей осевой ступени (первый выхлоп)

Рисунок А.5 – Треугольник скоростей на выходе из сопловой решетки (на входе в рабочую решетку) третьей осевой ступени (первый выхлоп)

Рисунок А.6 – Треугольник скоростей на выходе из третьей осевой ступени (первый выхлоп)

Рисунок А.7 – Процесс расширения пара в третьей осевой ступени (второй выхлоп)
Рисунок А.8 – Треугольник скоростей на выходе из сопловой решетки (на входе в рабочую решетку) третьей осевой ступени (второй выхлоп)

Рисунок А.9 – Треугольник скоростей на выходе из третьей осевой ступени (второй выхлоп)

