| Похожие рефераты | Скачать .docx |
Реферат: Асинхронный двигатель
СОДЕРЖАНИЕ
ЗАДАНИЕ. 3
РАБОЧИЕ ХАРАКТЕРИСТИКИ АСИНХРОННОГО ДВИГАТЕЛЯ.. 3
МЕХАНИЧЕСКАЯ ХАРАКТЕРИСТИКА АСИНХРОННОГО ЭЛЕКТРОДВИГАТЕЛЯ.. 4
ОПРЕДЕЛЕНИЕ СПОСОБА СОЕДИНЕНИЯ ФАЗ ЭЛЕКТРОДВИГАТЕЛЯ.. 8
ВЫБОР ПУСКОВОГО АППАРАТА.. 9
ВЫБОР ЗАЩИТНОГО АППАРАТА.. 11
ВЫБОР АППАРАТА УПРАВЛЕНИЯ.. 11
ВЫБОР СЕЧЕНИЯ И МАРКИ СОЕДИНИТЕЛЬНЫХ ПРОВОДОВ ИЛИ КАБЕЛЯ С УКАЗАНИЕМ СПОСОБА ПРОКЛАДКИ.. 13
КОМПЕНСАЦИЯ РЕАКТИВНОЙ МОЩНОСТИ ЭЛЕКТРОДВИГАТЕЛЯ. ПОВЫШЕНИЕ КОЭФФИЦИЕНТА МОЩНОСТИ.. 13
ОПРЕДЕЛЕНИЕ РАСХОДА ЭЛЕКТРИЧЕСКОЙ ЭНЕРГИИ ЗА ОДИН МЕСЯЦ НЕПРЕРЫВНОЙ РАБОТЫ.. 14
ЗАДАНИЕ
Задание 1:
а) изучить рабочие характеристики асинхронного короткозамкнутого электродвигателя;
б) рассчитать и построить механическую характеристику М (S) согласно номеру варианта задания;
в) проверить возможность прямого пуска электродвигателя при питании его от трансформатора (при двух разных линейных напряжениях);
г) установить способ соединения фаз статора по заданному напряжению питающей сети.
Задание 2:
а) рассчитать и выбрать аппараты пуска, защиты и управления электродвигателем;
б) определить потребные сечения и марки соединительных проводов или кабеля и указать способы прокладки;
в) найти величину емкости батареи конденсаторов для повышения коэффициента мощности (
) электродвигателя до требуемого;
г) подсчитать расход электрической энергии нагруженным электродвигателем за один месяц непрерывной работы;
д) начертить принципиальную схему нереверсивного управления асинхронным электродвигателем с короткозамкнутым ротором (см. рис. 4).
Исходные данные к расчету
| Тип двигателя | РН , кВт |
При нормальной нагрузке | cos j требуемый |
l | m0 | К1 | |||||
nH , об/мин |
Ток статора IH при напряжении, А |
КПД, % |
cos jH | ||||||||
| 220В | 380В | 660В | |||||||||
| 4А90Д2У3 | 3,0 | 2840 | 10,61 | 6,13 | 3,54 | 84,5 | 0,88 | 0,94 | 2,5 | 2,1 | 6,5 |
РАБОЧИЕ ХАРАКТЕРИСТИКИ АСИНХРОННОГО ДВИГАТЕЛЯ
Рабочие характеристики асинхронного двигателя показывают зависимости скорости вращения п, КПД h, полезного момента М2 , коэффициента мощности cosjи тока I от полезной мощности Р2 при постоянных напряжениях и частоте f.
Скоростную характеристику - зависимость скорости вращения от полезной мощности - можно представить в виде кривой, слабо наклоненной к оси абсцисс. Скоростная характеристика асинхронного двигателя жесткая, т.е. скорость незначительно изменяется при изменении нагрузки.
Моментная характеристика – зависимость полезного момента от полезной мощности двигателя - представлена кривой, выходящей из начала координат и слегка изогнутой вверх, что объясняется уменьшением скорости вращения при увеличении полезной мощности.
Зависимость коэффициента мощности cosj от полезной мощности двигателя имеет сложный вид. Асинхронный двигатель потребляет индуктивный ток для создания магнитного потока. Величина этого тока очень мало зависит от нагрузки. Сosjтрехфазных асинхронных двигателей всегда меньше единицы. Наименьшее значение он имеет при холостом ходе. Сosjхолостого хода асинхронных двигателей обычно меньше 0,2.
С увеличением полезной мощности растет активная составляющая статорного тока, увеличивается и коэффициент мощности, достигая наибольшей величины (0,8-0,9) при достижении номинальной нагрузки, а затем сosjмедленно уменьшается. Для двигателей большей мощности больше и номинальный коэффициент мощности.
Коэффициент мощности асинхронных двигателей сильно снижается при уменьшении загрузки. Для повышения сosjнужно подбирать по мощности такие двигатели, которые работают большую часть времени с полной нагрузкой.
Зависимость КПД от полезной мощности выражается типичной кривой, выходящей из начала координат и достигающей максимума примерно при 80 %-и нагрузке, а затем постепенно КПД уменьшается. Номинальное значение КПД асинхронных двигателей составляет величину в пределах 80-94 %. Большие значения КПД - у двигателей большой мощности. КПД короткозамкнутых двигателей несколько выше, чем фазных.
Зависимость тока двигателя от полезной мощности соответствует кривой, изогнутой кверху. При перегрузке ток двигателя увеличивается быстрее роста мощности, так как в этом случае КПД и сosjуменьшаются.
МЕХАНИЧЕСКАЯ ХАРАКТЕРИСТИКА АСИНХРОННОГО ЭЛЕКТРОДВИГАТЕЛЯ
Механическая характеристика двигателя, если пренебречь активным сопротивлением обмотки статора, аналитически выражается следующей формулой:

где М - вращающий момент, развиваемый двигателем при скольжении S , Нм; Sк - критическое скольжение ротора.
Для увеличения пускового момента асинхронного короткозамкнутого двигателя и уменьшения пускового тока изготавливают специальные роторы: с глубоким пазом, с двойной беличьей клеткой и с увеличенным активным сопротивлением обмотки.
Перегрузочная способность электродвигателей с короткозамкнутым ротором доходит до 2,5-2,8.
Расчет. Асинхронный двигатель с короткозамкнутым ротором 4А90Д2У3 имеет следующие данные: РН =3,0 кВт; nH = 2840 об/мин;
, Р=1
Требуется построить механическую характеристику М (S) двигателя при работе с номинальным напряжением.
Решение.
1. Скорость вращения магнитного поля
об/ мин
2. Номинальное скольжение
![]()
3.Критическое скольжение
![]()
4.Номинальный и максимальный (критический) моменты двигателя:
Н*м
Н*м
5. Для построения механической характеристики воспользуемся формулой

6. Задавшись различными значениями скольжения S, найдем соответствующие им значения момента М. Результаты расчетов занесем в таблицу 2.
| S | 1 | 0,9 | 0,8 | 0,7 | 0,6 | 0,5 | 0,4 | 0,3 | 0,254 | 0,2 | 0,1 | 0,05 | 0 |
| М, Нм | 12,04 | 13,19 | 14,55 | 16,17 | 18,11 | 20,37 | 22,83 | 24,88 | 25,22 | 24,52 | 17,19 | 9,56 | 0 |
Таблица 2
7. По данным табл.3 построим график М (s) (рис.1)

Рис.1 Механическая характеристика
ПРОВЕРКА ВОЗМОЖНОСТИ ПРЯМОГО ПУСКА АСИНХРОННОГО КОРОТКОЗАМКНУТОГО ЭЛЕКТРОДВИГАТЕЛЯ ПРИВОДА МЕХАНИЗМА, ПИТАЮЩЕГОСЯ ОТ ТРАНСФОРМАТОРА.
Операция прямого пуска короткозамкнутых двигателей проста: достаточно подать напряжение на статорную обмотку включением рубильника, магнитного пускателя или контактора.
Существенный недостаток этого способа - большой пусковой ток, он превышает номинальный в 4-7 раз. Большой пусковой ток вызывает большую потерю напряжения в питающей сети. Колебания напряжения в сети отрицательно сказываются на работе других потребителей этой сети; особенно это нежелательно при частых пусках двигателей. Включенные лампы сильно уменьшают свой накал, работающие двигатели уменьшают момент и могут остановиться, их перегрузочная способность уменьшается в зависимости от квадрата снижения напряжения. Кроме того, пускаемый двигатель при тяжелых условиях может "не развернуться". В связи с увеличением мощности источников питания и улучшением сетей прямой пуск короткозамкнутых асинхронных двигателей в настоящее время самый распространенный.
Для уменьшения пускового тока короткозамкнутых асинхронных электродвигателей применяются еще специальные способы пуска: реостатный, автотрансформаторный, пуск переключением обметок статора со звезды на треугольник и другие. При этих методах уменьшение пускового тока достигается уменьшением напряжения на фазе статорной обмотки электродвигателя.
Расчет. Проверить возможность пуска короткозамкнутого двигателя при питании его от трансформатора мощностью 20 кВА. Воздушная линия, питающая двигатель, имеет длину l = 250м и выполнена проводом А16. Расчет выполнить для напряжений сети 220/127 и 380/220 В.
Каталожные данные двигателя 4А90Д2У3: Рн =3 кВт; IH = 6,13 А при Uн = 380 В; IH = 10,61 А при Uн = 220 В; пн = 2840 об/мин; КПД = 84,5%; cosjH =0,88; кратность пускового тока К1 =6,5; m0 = 2,1; l=2,5.
Каталожные данные трансформатора ТCМ-160: UК - 4,5 %; SН = 20 кВА. Сопротивление воздушной линии А16 составляет 1,98 Ом/км. Пуск двигателя осуществляется вхолостую, трансформатор при этом работает также в холостую.
Решение:
Проверим возможность пуска двигателя при Uн = 220 В. Найдем потерю напряжения при пуске двигателя и допустимую потерю, при которой возможен пуск:
![]()
где
- полное сопротивление короткого замыкания обмоток трансформатора;
- полное сопротивление соединительной линий, Ом;
- полное сопротивление короткого замыкания асинхронного двигателя, Ом.
Ом
![]()
2. Сопротивление линии
![]()
где ρ - удельное сопротивление линии, Ом/км (прил.15); l-длина воздушной линии, км;
= 1,98*0,25=0,495Ом
3. Сопротивление двигателя
Ом
При UH =220B
![]()
4. При пуске электродвигателя потеря напряжения
![]()
5. Допустимая потеря напряжения

где
и
- кратности моментов мтрог
и мизб
(принимаются при пуске двигателя вхолостую
+
= 0,3)

Так как
<
, следовательно, прямой пуск двигателя от сети напряжением 220 В возможен.
Проверим возможность пуска двигателя при UН = 380 В:
Ом
![]()
2. Сопротивление линии
= 0,495Ом
3. Сопротивление двигателя
Ом
При UH =380B
![]()
4. При пуске электродвигателя потеря напряжения
![]()
5. Допустимая потеря напряжения

Так как
<
, следовательно, прямой пуск двигателя от сети напряжением 380 В возможен.
ОПРЕДЕЛЕНИЕ СПОСОБА СОЕДИНЕНИЯ ФАЗ ЭЛЕКТРОДВИГАТЕЛЯ
Чтобы включить двигатель в сеть, нужно правильно выбрать схему соединения фаз статорной обмотки. В коробке выводов двигателя обычно шесть концов от трех фаз, что позволяет включать двигатель на два разных напряжения. Выбор схемы соединения ("звездой" или "треугольником") фаз двигателя зависит от номинального напряжения сети и номинального напряжения двигателя.
Схему соединения нужно выбрать такую, чтобы на фазу статорной обмотки приходилось номинальное напряжение. Напряжение на фазе двигателя по схеме "звезда" в 1,73 раза меньше напряжения сети, а по схеме "треугольник" напряжение на фазе двигателя равно напряжению сети. Так, двигатель с напряжением 380/220 В по схеме "звезда" должен включаться в сеть с напряжением 380 В, по схеме "треугольник" - в сеть с напряжением 220 В.
Таким образом, при соединении "звездой" UЛ =1,73UФ , "треугольником" Uл=Uф. Учитывая эти зависимости, при выборе схемы соединения фаз можно пользоваться табл.3 .
Таблица 3
Таблица для выбора способа соединения фаз электродвигателя
UСЕТИ UНДВ |
660 | 380 | 220 | 127 |
| 660/380 | звездой | треугольником | - | |
| 380/220 | - | звездой | треугольником | |
| 220/127 | - | - | звездой | треугольником |
| 660 | треугольником звездой |
- | - | - |
| 380 | треугольником | - | - | |
| 220 | - | звездой | треугольником | - |
| 127 | - | — | звездой | треугольником |
По ГОСТу выводы фаз обозначаются буквами: С1, С2, СЗ - начала фаз; С4, С5, С6 - соответственно концы фаз. Чтобы фазы соединить звездой, нужно концы С4, С5 и С6 соединить в одну точку, а к началам фаз С1, С2 и СЗ подвести напряжение сети. Для соединения фаз обмотки двигателя в треугольник нужно конец одной фазы С4 соединить с началом другой фазы С2, а конец ее С5 соединить с началом третьей фазы СЗ, конец которой С6 соединить с началом первой фазы. В результате получаются три точки (вершины): С1-С6, С2-С4 и СЗ-С5, к которым подводят напряжение сети.
Так как по условию пуска получилось, что двигатель можно подключать как в сеть с UН = 220 В, так и в сеть с UН = 380 В, выберем подключение в сеть с наименьшими потерями напряжения, а это сеть с UН = 380 В.
Выбираем схему подключения – «звезда».
ВЫБОР ПУСКОВОГО АППАРАТА
К пусковой низковольтной аппаратуре относятся различные рубильники, переключатели, автоматические выключатели.
Мощность электродвигателей, включаемых или отключаемых рубильниками, не должна превышать 16 кВт, а номинальный ток рубильника должен быть не менее трехкратного номинального тока электродвигателя: IН.РУБ. = 3IНДВ , где IНДВ - номинальный ток электродвигателя (А).
При установке рубильников, переключателей или пакетных выключателей, а также для разрыва цепи в случае возникновения токов короткого замыкания применяют предохранители.
В качестве пусковой аппаратуры для электродвигателей мощностью до 4,5 кВт используют нажимные (ручные) пускатели типа ПНВ-30 (32 или 34), представляющие собой небольшие рубильники закрытого типа, ножи которых включаются и выключаются нажатием соответствующей кнопки.
Автоматические выключатели служат для автоматического размыкания перегруженных электрических цепей и в случае других ненормальностей, а также для включений и отключений в нормальных условиях. Промышленностью выпускаются автоматические выключатели типа АО-15, АБ-25, АП-50 и др.
Автоматические выключатели АО-15 и АБ-25 применяются в однофазных внутренних электрических сетях напряжением 220 В.
Автоматические выключатели типа АП-50 в различных исполнениях выпускают двух- и трехполюсными на номинальные токи: 1,6; 2,5; 6,4; 10; 25; 40 и 50 А. Тепловой расцепитель не срабатывает в течение часа при нагрузке 1,1 (номинальной) и срабатывает при нагрузке 1,35 (номинальной ) не более чем за 30 мин., а при шестикратной нагрузке - не более чем за 10 сек.
Кроме этого, для пуска и защиты электродвигателей широко применяются установочные автоматы типов А-3000, АЕ-1000, АЕ-2000, АК-50 и др. В прил.4 приведены технические данные воздушных выключателей серий А-3000 и АЕ-2000.
Расчет. Выбрать автомат защиты для трехфазного асинхронного электродвигателя с короткозамкнутым ротором. Каталожные данные двигателя 4А90Д2У3: Рн =3 кВт; IH = 6,13 А при Uн = 380 В; IH = 10,61 А при Uн = 220 В; пн = 2840 об/мин; КПД = 84,5%; cosjH =0,88; кратность пускового тока К1 =6,5; m0 = 2,1; l=2,5.
1.Пусковой ток ![]()
2. Определим ток уставки теплового расцепителя:
IН.УСТ = 1,25*IН = 1,25*6,13 =7,7 А.
Выберем автомат IНавт = 10 А и установим ток теплового расцепителя регулятором на 7,7 А.
2. Определим необходимый ток электромагнитного расцепителя
Iэм расц = 1,25 *К *IН = 1,25 *6,5 • 6,13 =49,8 А.
3. Выберем тип автомата: АП-50 - 3 МТ; IН авт. =50 А.
4.Проверим выбранный автомат по току срабатывания электромагнитного расцепителя.
По условиям пуска автомат выбран правильно, поскольку
Iсрэм.расц > Iэм. P А C Ц т.е. 110 > 49,8 (см. прил. 3).
5. Проверим коммутационную способность автомата. Эффективное значение допустимого тока короткого замыкания для выбранного автомата при напряжения 380 В (Iф кор зам =1500 А) должно быть больше Iф кор зам сети.
ВЫБОР ЗАЩИТНОГО АППАРАТА
Для защиты проводов и кабелей электрических сетей напряжением до 1000 В от токов короткого замыкания устанавливают предохранители. Защитным элементом предохранителя является плавкая вставка, включаемая последовательно в цепь тока. При увеличении тока линии выше определенной величины плавкая вставка расплавляется, цепь тока разрывается, предохраняя провод от недопустимого перегрева.
Расчет. Каталожные данные двигателя 4А90Д2У3: Рн =3 кВт; IH = 6,13 А при Uн = 380 В; IH = 10,61 А при Uн = 220 В; пн = 2840 об/мин; КПД = 84,5%; cosjH =0,88; кратность пускового тока К1 =6,5; m0 = 2,1; l=2,5.
Требуется выбрать плавкие вставки к предохранителям типа ПН-2, установленным на питающей двигатель линии, при условии, что двигатель загружен на номинальную мощность.
Решение:
1. Можно принять расчетный ток линии равным номинальному току двигателя: IДЛ =6,13 А.
2. Выбрав номинальный ток плавкой вставки по длительному току линии (IВ > Iдл), получим соотношение IВ > 6,13 А.
3. При выборе плавкой вставки по пусковому току двигателя
,
где К = 2,5 при легком пуске электродвигателя, К = 1,6 - 2,0 при тяжелых пусках электродвигателя.
Пусковой ток электродвигателя
Iп = Ki * Iн.дв ,
где Ki кратность пускового тока электродвигателя.
Тогда получим:
IП = 6,5*6,13 = 39,845 А ;
По табл. прил.6 подберем плавкую вставку предохранителя типа ПН-2 на номинальный ток 100 А.
ВЫБОР АППАРАТА УПРАВЛЕНИЯ
Наряду с аппаратами ручного управления широкое применение получила релейно-контактная аппаратура, позволяющая управлять электродвигателями и другими электроустановками дистанционно, т. е. на расстоянии, с помощью кнопок управления. К этой аппаратуре, прежде всего, относятся магнитные пускатели и контакторы.
Магнитным пускателем называют аппарат, замыкающий контакты в силовой электрической цепи путей втягивания электромагнита, обмотка которого включена во вспомогательную цепь управления и соединена с кнопками "Пуск" и "Стоп».
Контактором называют аппарат для включения и отключения силовой цепи электродвигателя (до 1200 раз в час), приводимый в действие электромагнитом постоянного или переменного тока.
В практике наибольшее распространение получили магнитные пускатели серии ПМЕ, ПМА, ПА, ПВН и электромагнитные контакторы переменного тока типа ТСТ-6000, КТ-700, КТПВ-6000 и некоторые другие.
Магнитные пускатели выбирают с учетом мощности управляемого электродвигателя и номинального напряжения катушки (прил.6,7).
Зная заданную номинальную мощность или номинальную силу тока электродвигателя, линейное или фазовое напряжение питающей сети, из прил.6 или 7 выбирают соответствующий тип магнитного пускателя. Если магнитные пускатели не отвечают условиям пуска и управления электродвигателями (недостаточен ток главной цепи), то выбирают контакторы.
При выборе электромагнитного контактора можно руководствоваться номинальным током электродвигателя и заданным напряжением электрической сети (прил.8).
Контакторы, в отличие от магнитных пускателей, не имеют встроенной защиты (тепловых реле) от электрических перегрузок, но рассчитаны на большую силу тока (от 20 до 1000 А) с количеством полюсов от 1 до 5, большим числом срабатывания в час и одновременным магнитным и дионным гашением дуги.
Включение, отключение магнитных пускателей или контакторов производится кнопками управления, размещаемыми на пульте управления, электродвигателем или другими электроустановками. При выборе кнопок управления пользуются прил.9.
Каталожные данные двигателя 4А90Д2У3: Рн =3 кВт; IH = 6,13 А при Uн = 380 В; IH = 10,61 А при Uн = 220 В; пн = 2840 об/мин; КПД = 84,5%; cosjH =0,88; кратность пускового тока К1 =6,5; m0 = 2,1; l=2,5.
Выбираем в качестве аппарата управления:
Величина пускателя – третья, номинальный ток главной цепи 40 А.
Кнопки управления – КУ – 121-2. количесвто кнопок – 2, Допустимый ток при напряжении 380 В – 12 А.
ВЫБОР СЕЧЕНИЯ И МАРКИ СОЕДИНИТЕЛЬНЫХ ПРОВОДОВ ИЛИ КАБЕЛЯ С УКАЗАНИЕМ СПОСОБА ПРОКЛАДКИ
Каталожные данные двигателя 4А90Д2У3: Рн =3 кВт; IH = 6,13 А при Uн = 380 В; IH = 10,61 А при Uн = 220 В; пн = 2840 об/мин; КПД = 84,5%; cosjH =0,88; кратность пускового тока К1 =6,5; m0 = 2,1; l=2,5.
Определить сечение проводов ответвления к электродвигателю.
Электродвигатель устанавливают в ремонтно-механическом цехе предприятия (помещение особо сырое, трудносгораемое). Проводку осуществляют проводом марки АПРТО, проложенным в трубах и каналах пола.
Решение:
1 . Определим рабочий ток нагрузки:
![]()
2. Пользуясь данными прил.10 (графа 'Три одножильных провода в трубе", нулевой провод в расчет не принимается), найдем, что допустимому току в 15 А соответствует сечение провода АПРТО 1 мм2 . Одновременно пользуемся прил.11 (см. характеристику помещений для установки электродвигателей в прил.15).
КОМПЕНСАЦИЯ РЕАКТИВНОЙ МОЩНОСТИ ЭЛЕКТРОДВИГАТЕЛЯ. ПОВЫШЕНИЕ КОЭФФИЦИЕНТА МОЩНОСТИ
Для повышения коэффициента мощности применяют специальные компенсирующие устройства: косинусные конденсаторы (батареи), синхронные компенсаторы и перевозбужденные синхронные двигатели, которые вырабатывают реактивную мощность, потребляемую некоторыми приемниками. При включении в сеть компенсирующие устройства разгружают энергосистему от реактивной мощности и соответственно повышают коэффициент мощности силовых трансформаторов.
Конденсаторные батареи включают непосредственно в зажимы электродвигателей на групповом распределительном щите или на стороне низкого (высокого) напряжения трансформаторной подстанции по схеме "треугольник". Чтобы определить необходимую емкость конденсаторов для повышения коэффициента мощности установки от cosj1 = cosjH до cosj2 > cosjTP , следует пользоваться следующей формулой:
![]()
где С - электрическая емкость, Ф (Фарада); Р - средняя активная потребляемая мощность электродвигателя, Вт; Р = Рн
электродвигателя; j- угол сдвига фаз до компенсации; j2
- угол сдвига фаз после компенсации;
- угловая частота,
= 2πf; f- частота сети (принимаем равной 50 Гц); UФ
- фазное напряжение, В.
Расчет. К сети переменного тока напряжением 380 В подключен электродвигатель мощностью 3 кВт, работающий с коэффициентом мощности cosj1 = 0,88. Требуется определить, какая нужна емкость батареи конденсаторов для повышения коэффициента мощности данного электродвигателя до cosj2 = 0,94.
Решение:
j1 = 280 21' tgj1 = 0,54; j2 = 19°57' ; tg j2 = 0,363.
Тогда
![]()
Реактивная мощность конденсатора
кВАр.
ОПРЕДЕЛЕНИЕ РАСХОДА ЭЛЕКТРИЧЕСКОЙ ЭНЕРГИИ ЗА ОДИН МЕСЯЦ НЕПРЕРЫВНОЙ РАБОТЫ
Если все три счетчика соединены с трансформаторами тока, имеющими одинаковый коэффициент трансформаций К, то общий расход электроэнергии
![]()
Показания счетчиков на 1 января:
первого - 902 кВт/ч,
второго - 640 кВт/ч,
третьего - 890 кВт/ч.
Показания тех же счетчиков на 1 февраля:
первого - 932 кВт/ч,
второго - 690 кВт/ч,
третьего - 950 кВт/ч.
Счетчики подключены к трансформаторам тока ТCM-20/6 (прил. 15). Необходимо определить расход электроэнергии за январь.
Счетчики за истекший месяц зарегистрировали следующий расход электроэнергии:
1-й счетчик: 932 - 902 = 30 кВт/ч;
2-й счетчик: 690 -640 = 50 кВт/ч;
3-й счетчик: 950 -890 = 60 кВт/ч.
Подставив полученный расход электроэнергии в формулу, получим общий расход электроэнергии с учетом коэффициента трансформации К
= 140 • 20 / 6 = 140 • 10 = 466, 67 кВт/ч.

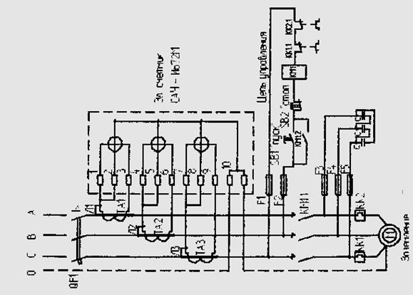
Рис. 2. Схема нереверсивного управления асинхронным электродвигателем с короткозамкнутым ротором: Р1 и Р2 - предохранители в цепи управления; РЗ, Р4, Р5 - предохранители в цепи батареи конденсаторов; рР1 - автоматический выключатель; ТА1, ТА2, ТАЗ; - измерительные трансформаторы тока; КМ - магнитный пускатель; КК1, КК2 - тепловые реле магнитного пускателя; М - асинхронный электродвигатель; С - батареи конденсаторов
Похожие рефераты:
Компенсация реактивной мощности в системах электроснабжения с преобразовательными установками
Электрические нагрузки промышленных предприятий
Проектирование электрической части ТЭЦ 180 МВт
Разработка вопросов энергосбережения за счет использования ветроэнергетической установки
Реконструкция СЭС обогатительной фабрики
Расчет схемы электроснабжения плавильного цеха обогатительной фабрики
Электронные схемы для дома и быта
Автоматизированная система управления компрессорной установки
Электроснабжение железнодорожного предприятия (автоматизация учёта электроэнергии)