| Похожие рефераты | Скачать .docx |
Реферат: Магнитное поле, цепи и индукция
Содержание
Введение
Основные понятия теории магнитного поля
Электромагнитная индукция
Магнитные цепи
Закон полного тока
Закон Ома для магнитной цепи. Линейные и нелинейные магнитные сопротивления
Ферромагнитные материалы и их свойства
Расчет неразветвленной магнитной цепи
Электромагнитная индукция. ЭДС индукции
Заключение
Список источников материала
Введение
История магнетизма уходит корнями в глубокую древность, к античным цивилизациям Малой Азии. Именно на территории Малой Азии, в Магнезии, находили горную породу, образцы которой притягивались друг к другу. По названию местности такие образцы и стали называть "магнетиками". Любой магнит в форме стержня или подковы имеет два торца, которые называются полюсами; именно в этом месте сильнее всего и проявляются его магнитные свойства. Если подвесить магнит на нитке, один полюс всегда будет указывать на север. На этом принципе основан компас. Обращенный на север полюс свободно висящего магнита называется северным полюсом магнита (N). Противоположный полюс называется южным полюсом (S).
Магнитные полюсы взаимодействуют друг с другом: одноименные полюсы отталкиваются, а разноименные - притягиваются. Аналогично концепции электрического поля, окружающего электрический заряд, вводят представление о магнитном поле вокруг магнита.
В 1820 г. Эрстед (1777-1851) обнаружил, что магнитная стрелка, расположенная рядом с электрическим проводником, отклоняется, когда по проводнику течет ток, т. е. вокруг проводника с током создается магнитное поле. Если взять рамку с током, то внешнее магнитное поле взаимодействует с магнитным полем рамки и оказывает на нее ориентирующее действие, т. е. существует такое положение рамки, при котором внешнее магнитное поле оказывает на нее максимальное вращающее действие, и существует положение, когда вращающий момент сил равен нулю.
Основные понятия теории магнитного поля
Магнитное поле — составляющая электромагнитного поля, появляющаяся при наличии изменяющегося во времени электрического поля. Кроме того, магнитное поле может создаваться током заряженных частиц, либо магнитными моментами электронов в атомах (постоянные магниты). С точки зрения квантовой теории поля электромагнитное взаимодействие переносится безмассовым бозон-фотоном (частицей, которую можно представить как квантовое возбуждение электромагнитного поля). Основной характеристикой магнитного поля является его сила, определяемая вектором магнитной индукции (вектор индукции магнитного поля). В СИ магнитная индукция измеряется в теслах (Тл), в системе СГС в гауссах.
Магнитное поле — это особый вид материи, посредством которой осуществляется взаимодействие между движущимися заряженными частицами или телами, обладающими магнитным моментом.
Магнитное поле и его параметры
Направление магнитных линий и направление создающего их тока связаны между собой известным правилом правоходового винта (буравчика), а так же правилом левой руки. (рис. 1).

Рис. 1. Магнитное поле. Правило Буравчика и правило левой руки.
Основной величиной, характеризующей интенсивность и направление магнитного поля является – вектор магнитной индукции
, которая измеряется в Теслах [Тл].
Вектор
направлен по касательной к магнитной линии, направление вектора совпадает с осью магнитной стрелки, помещенной в рассматриваемую точку магнитного поля.
Величина
определяется по механической силе, действующей на элемент проводника с током, помещенный в магнитное поле.
Если
во всех точках поля имеет одинаковую величину и направление, то такое поле называется равномерным.
зависит не только от величины I, но и от магнитных свойств окружающей среды.
Второй важной величиной, характеризующей магнитное поле является – магнитный поток
, который измеряется в Веберах [Вб].
Элементарным магнитным потоком Ф сквозь бесконечно малую площадку называется величина (рис. 2)

Рис. 2. Определение магнитного потока, пронизывающего: а) произвольную поверхность; б) плоскую поверхность в равномерном магнитном поле
dФ = B cos a dS,
где a – угол между направлением и нормалью к площадке dS.
Сквозь поверхность S [м2]
Ф = s∫ dФ = s∫ B cos α dS,
Если магнитное поле равномерное, а поверхность S представляет собой плоскость
Ф = B S.
При исследовании магнитных полей и расчете магнитных устройств пользуются расчетной величиной
– напряженность магнитного поля [А/м]
где mа – абсолютная магнитная проницаемость среды.
Для неферромагнитных материалов и сред (дерево, бумага, медь, алюминий, воздух) mа не отличается от магнитной проницаемости вакуума и равна
mo = 4p ·
, Гн/м (Генри/метр).
У ферромагнетиков mа переменная и зависит от В.
Магнитные цепи
Всякий электромагнит состоит из стального сердечника – магнитопровода и намотанной на него катушки с витками изолированной проволоки, по которой проходит электрический ток.
Совокупность нескольких участков: ферромагнитных (сталь) и неферромагнитных (воздух), по которым замыкаются линии магнитного потока, составляют магнитную цепь.
Закон полного тока
В основе расчета магнитных цепей лежит закон полного тока (рис. 3.)
![]()
где: Н – напряженность магнитного поля в данной точке пространства;
dL – элемент длины замкнутого контура L;
a – угол между направлениями векторов и ;
S I – алгебраическая сумма токов, пронизывающих контур L.

Рис. 3. Закон полного тока.
Ток Iк, пронизывающий контур L считается положительным, если принятое направление обхода контура и направление этого тока связаны правилом правоходового винта (буравчика).
Применение закона полного тока для расчета магнитных цепей
Рассмотрим простейшую магнитную цепь, выполненную в виде кольца тороида из однородного материала (рис. 4).

Рис. 4. Кольцевая магнитная цепь
Обмотка имеет W витков и обтекается током I. Магнитные линии внутри кольца представляют собой концентрические окружности с центров точке О. Применим к контуру Cх, совпадающему с одной из магнитных линий, проходящих в магнитопроводе, закон полного тока. При этом будем считать:
и совпадают, следовательно a = 0;
величина Нх во всех точках контура одинакова;
сумма токов, пронизывающих контур, равна IW.
Тогда
![]()
Отсюда
![]()
где Lx – длина контура, вдоль которого велось интегрирование;
rx – радиус окружности.
Вектор
внутри кольца зависит от расстояния rх. Если a – ширина кольца << d, то эта разница между значениями Н в пределах сердечника не велика. При этом в расчет допустимо принять для всего поперечного сечения магнитопровода одно значение напряженности магнитного поля:
Hср = IW / L ,
где L – длина средней магнитной линии.
Закон Ома для магнитной цепи. Линейные и нелинейные магнитные сопротивления
В кольцевом магнитопроводе с равномерной обмоткой все поле концентрируется внутри кольца.
Определим в этом случае магнитный поток в магнитопроводе с распределенной обмоткой.
Исходя из соотношений Ф = Bср S и Bср = mа Hср получим
Ф = Bср S = mа Hср S .

Магнитный поток Ф зависит от произведения IW = F, которое получило название магнитодвижущей силы (МДС).
Величину L /(mа S) = Rм – принято назвать магнитным сопротивлением магнитопровода (по аналогии с электрическим сопротивлением r = L / γ S).
Магнитное сопротивление воздуха (зазоров) линейное, т.к. mа = mo = const. Магнитное сопротивление сердечника нелинейно – mа зависит от В.
Если намагничивающую силу F, уподобить действию ЭДС, будет получено соотношение, похожее на выражение закона Ома для цепи постоянного тока. В связи с этим формулу

принято назвать законом Ома для магнитной цепи. Следует оговориться, что эта аналогия – формальная, а физическая сущность процессов в электрических и магнитных цепях различна.
Ферромагнитные материалы и их свойства
Известно, что магнитная проницаемость mа ферромагнитных материалов переменная величина и зависит от В. Это влечет за собой непостоянство магнитного сопротивления Rм и значительно усложняет расчеты магнитных цепей. Поэтому для расчета магнитных цепей, содержащих ферромагнитные участки, необходимо располагать кривыми намагничивания, представляющими собой зависимость B = f(H). Эти зависимости получают экспериментальным путем – испытанием замкнутых магнитопроводов с распределенной обмоткой.
Первоначальному намагничиванию образца соответствует кривая a, называемая кривой первоначального намагничивания (рис. 5).

Рис. 5. Зависимость В(Н) – петля гистерезиса
Если образец подвергать циклическому намагничиванию при изменении напряженности магнитного поля в пределах +Нх до –Нх, то график будет представлять замкнутую кривую, известную под названием петли гистерезиса.
Если процесс циклического намагничивания повторять для постепенно увеличивающихся значений напряженности магнитного поля, то можно получить семейство петель гистерезиса, и так называемую предельную петлю гистерезиса, которой соответствует изменение напряженности магнитного поля в пределах от +Нmax до –Нmax, увеличение Н сверх Нmax не повлечет за собой увеличение площади петли гистерезиса. Предельная петля гистерезиса определяет значение остаточной магнитной индукции и коэрцетивной силы Нс. Кривая, соединяющая вершины петель гистерезиса, называется основной кривой намагничивания. Эти кривые приводятся в справочных руководствах и используются в расчетах магнитных цепей.
Процесс циклического перемагничивания требует затраты энергии, как известно из курса физики, пропорциональной площади петли гистерезиса.
В связи с этим магнитопроводы электротехнических устройств, работающих в условиях непрерывного перемагничивания (например трансформаторы), целесообразно выполнять из ферромагнитных материалов, имеющих узкую петлю гистерезиса (на рис. 6, кривые a). Такие ферромагнитные материалы называют магнитомягкими (листовая электротехническая сталь и ряд специальных сплавов, например пермаллой, состоящий из никеля, железа и других компонентов).

Рис. 6. Петли гистерезиса магнитомягих (кривые a) и магнитотвердых (кривые d) материалов
Для изготовления постоянных магнитов рекомендуется использовать ферромагнитные материалы с широкой петлей гистерезиса (кривые d), имеющих большую остаточную индукцию и большую коэрцетивную силу. Такие ферромагнитные материалы называют магнитотвердыми (ряд сплавов железа с вольфрамом, хромом и алюминием).
Расчет неразветвленной магнитной цепи
Формула, выражающая закон полного тока магнитной цепи, была получена для кольцевого магнитопровода постоянного поперечного сечения и с равномерно распределенной обмоткой. Эту формулу распространяют и на магнитные цепи, где намагничивающая обмотка сосредоточена на ограниченном участке магнитопровода, а отдельные участки цепи выполнены из различных ферромагнитных и неферромагнитных материалов и имеют различное поперечное сечение.
В приближенных расчетах магнитных цепей принимают, что магнитный поток на всех участках цепи остается одним и тем же, хотя на самом деле в магнитной цепи образуются также потоки рассеяния Фр, которые замыкаются по воздуху, а не следуют по пути магнитопровода.
В расчетах магнитных цепей различают прямую и обратную задачи.
Прямая задача
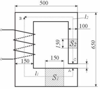
Задано: 1) геометрические размеры магнитной цепи; 2) характеристика B = f(H) (кривая намагничивания) ферромагнитных материалов, из которых выполнена магнитная цепь; 3) магнитный поток Ф, который надо создать в магнитной цепи. Требуется найти намагничивающую силу обмотки F = IW. Решение задачи рассматривается применительно к магнитопроводу, представленному на рис. 7.

Рис. 7. Магнитная цепь
1. Магнитная цепь разбивается на ряд участков с одинаковым поперечным сечением S, выполненном из однородного материала.
2. Намечается путь прохождения средней магнитной линии (на рис. 4.7 показано пунктиром).
3. Т.к. магнитный поток на всех участках цепи остается постоянным, то магнитная индукция B = Ф / S на каждом из участков и напряженность магнитного поля Н неизменны. Это позволяет сравнительно просто определить значение
для контура, образованного средней магнитной линией, а следовательно, найти искомую величину намагничивающей силы, поскольку
.
Запишем интеграл
в виде суммы интегралов с границами интегрирования, совпадающими с началом и концом каждого участка цепи.
![]()
где: L1 и L2 – длины ферромагнитных участков цепи [м].
d – ширина воздушного зазора, [м].
4. Значения Н1 и Н2 определяют по известным величинам магнитной индукции В с помощью кривых намагничивания, соответствующих ферромагнитных материалов.
А для воздушного зазора
![]()
Обратная задача
Задано:
1)Геометрические размеры магнитной цепи;
2)Характеристики ферромагнитных материалов;
3)Намагничивающая сила обмотки F.
Требуется определить магнитный поток Ф.
Непосредственное использование формулы

для определения магнитного потока Ф оказывается невозможным, поскольку магнитное сопротивление цепи переменное и само зависит от величины магнитного потока. Такие задачи решаются методом последовательного приближения в следующем порядке. Задаются рядом произвольных значений магнитного потока в цепи и для каждого из этих значений определяют необходимую намагничивающую силу обмотки так, как это делается при решении прямой задачи.
По полученным данным строят кривую Ф(F) – вебер-амперную характеристику. Имея эту зависимость, нетрудно для заданного значения намагничивающей силы найти величину магнитного потока.
Для оценки необходимого значения Ф можно пренебречь сопротивлением ферромагнитного участка и посчитать поток, который получится под действием намагничивающей силы F при сопротивлении воздушного участка. Это значение Ф заведомо больше расчетного.
Остальные значения можно давать меньше.

Электромагнитная индукция. ЭДС индукции
Работу сил вихревого электрического поля при перемещении единичного положительного заряда вдоль замкнутого контура называют электродвижущей силой индукции (
).
Закон электромагнитной индукции
ЭДС индукции в замкнутом контуре равна по модулю скорости изменения магнитного потока через поверхность, ограниченную контуром.
![]()
ЭДС индукции и направление индукционного тока в замкнутом круговом проводнике (в катушке)
![]()
Направление индукционного тока определяется по правилу Ленца: возникающий в замкнутом контуре индукционный ток противодействует тому изменению магнитного потока, которым вызван данный ток.
Рис. 8. Направление индукционного тока по правилу Ленца
магнитное поле закон ом
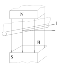
ЭДС индукции и направление индукционного тока в прямолинейном проводнике движущемся в магнитном поле.
=
![]()
Направление индукционного тока, определяется правилом правой руки: если ладонь провой руки расположить так, чтобы вектор магнитной индукции
входил в ладонь, а отставленный большой палец совпадал с направлением скорости проводника, то четыре вытянутых пальца укажут направление индукционного тока.
Рис. 9. Направление индукционного тока по правилу правой руки.
Самоиндукция. При изменении силы тока в катушке происходит изменение магнитного пoтокa, создаваемого этим током. Изменение магнитного потока, пронизывающего катушку, вызывает появление ЭДС индукции в катушке, называемой ЭДС самоиндукции. Под действием ЭДС самоиндукции в катушке появляется ток самоиндукции, который противодействует изменению основного тока в цепи, вызывающего это явление, называемое самоиндукцией.

Рис. 10. Нарастание (убывание) тока с течением времени при замыкании (размыкании цепи).
Явление возникновения ЭДС в электрической цепи в результате изменения силы тока в этой же цепи называется самоиндукцией.
Индуктивность
– магнитный поток самоиндукции контура,
где L — индуктивность контура или коэффициент самоиндукции (L зависит от размеров и формы проводника, от магнитных свойств среды).
- ЭДС самоиндукции
Индуктивность — это физическая величина, численно равная ЭДС самоиндукции, возникающей в контуре при изменении силы тока на 1А за 1с.
, при ![]()
Единица индуктивности
![]()
Индуктивность проводника равна 1 Гн, если в нем при изменении силы тока на 1A за 1с возникает =1 В.
Заключение
Магнитное поле, одна из форм электромагнитного поля. Создается движущимися электрическими зарядами и спиновыми магнитными моментами, а также переменным электрическим полем. Действует на движущиеся электрические заряды и тела, обладающие магнитным моментом. Характеризуется магнитной индукцией (или напряженностью). Индукция магнитного поля Земли (в единицах СИ) около 0,00005 Тл, наиболее сильными крупномасштабными магнитными полями обладают нейтронные звезды (около 100 млн. Тл).
В лабораторных условиях и технике для получения постоянного магнитного поля (0,05 - 25 Тл) используют постоянные магниты, электромагниты, сверхпроводящие соленоиды. Импульсные сверхсильные магнитные поля (160 - 1000 Тл) получают при помощи импульсных соленоидов и методом направленного взрыва. Технические применения магнитного поля (наряду с электрическим полем) лежат в основе всей электротехники, радиотехники и электроники. Магнитные поля используются в дефектоскопии, для удержания горячей плазмы в условиях управляемого термоядерного синтеза, в ускорителях заряженных частиц и т.д.
Список источников материала
http://model.exponenta.ru/electro/0050.htm
http://www.in-nov.ru/doc/_Lantsev/Fizika/mag_pole.pdf
http://sfiz.ru/page.php?id=62
Похожие рефераты:
Расчет намагничивающего устройства для магнитопорошкового метода неразрушающего контроля
Измерительные преобразователи электрических величин
Магнитные цепи. Величины и законы, характеризующие магнитные поля в магнитных цепях
Синхронные машины. Машины постоянного тока
Лекции по твердотельной электронике
Реконструкция подстанции "Гежская" 110/6 кВ
Лекции по физике В.И.Бабецкого
Компенсация реактивной мощности в системах электроснабжения с преобразовательными установками
Повышение эффективности процессов обжима трубчатых заготовок давлением импульсного магнитного поля
Исследование работ Фарадея по электричеству
Разработать лабораторный стенд для испытания устройств защиты судовых генераторов
Проект новой подстанции для обеспечения электроэнергией нефтеперерабатывающего завода
Пассивные линейные измерительные преобразователи синусоидальных напряжений и токов
Изучение возможности применения магнитных жидкостей для синтеза магнитных сорбентов
Исследование методов наблюдения доменов в тонких ферромагнитных пленках