| Похожие рефераты | Скачать .docx |
Курсовая работа: Техническая эксплуатация и ремонт двигателей постоянного тока
Содержание
Введение
1. Принцип действия и область применения
1.1 Общие сведения
1.2 Реакция якоря машины постоянного тока
1.3 Момент двигателя постоянного тока
1.4 Регулирование частоты
2. Допустимые режимы работы двигателей постоянного тока
2.1 Допустимые режимы при изменении напряжения
2.2 Допустимые режимы при изменении температуры входящего воздуха
2.3 Допустимые температуры подшипников
3. Обслуживание двигателей постоянного тока, надзор и уход за ними
3.1 Надзор за нагрузкой и подшипниками двигателей
3.2 Надзор и уход за охлаждением двигателя
4. Ремонт двигателя постоянного тока
4.1 Организация ремонта
4.2 Текущий ремонт двигателя
4.3 Капитальный ремонт двигателей
5. Межотраслевые правила по технике безопасности
6. Правила безопасности при эксплуатации электроустановок
Заключение
Список литературы
Введение
Двигатели постоянного тока используются в прецизионных приводах, требующих плавного регулирования частоты вращения в широком диапазоне. Свойства двигателя постоянного тока, так же как и генераторов, определяются способом возбуждения и схемой включения обмоток возбуждения. По способу возбуждения можно разделить двигатели постоянного тока на двигатели с электромагнитным и магнитоэлектрическим возбуждением.
Двигатели с электромагнитным возбуждением подразделяются на двигатели с параллельным, последовательным, смешанным и независимым возбуждением. Электрические машины постоянного тока обратимы, то есть, возможна их работа в качестве двигателей или генераторов. Например, если в системе управления с использованием генератора в обратной связи отсоединить генератор от первичного двигателя и подвести напряжение к обмоткам якоря и возбуждения, то якорь начнет вращаться и машина будет работать как двигатель постоянного тока, преобразуя электрическую энергию в механическую.
Двигатели независимого возбуждения наиболее полно удовлетворяют основным требованиям к исполнительным двигателям самоторможение двигателя при снятии сигнала управления, широкий диапазон регулирования частоты вращения, линейность механических и регулировочных характеристик, устойчивость работы во всем диапазоне вращения, малая мощность управления, высокое быстродействие, малые габариты и масса. Однако двигатели постоянного тока имеют существенные недостатки, накладывающие ограничение на область их применения малый срок службы щеточного устройства из-за наличия скользящего контакта между щетками и коллектором, скользящий контакт является источником радиопомех.
1. Принцип действия и область применения
1.1 Общие сведения
Двигатель постоянного тока — электрическая машина, машина постоянного тока, преобразующая электрическую энергию постоянного тока в механическую энергию.
Двигатели постоянного тока находят широкое применение в промышленных, транспортных и других установках, где требуется широкое и плавное регулирование скорости вращения (прокатные станы, мощные металлорежущие станки, электрическая тяга на транспорте и т. д.).
В разных по мощности двигателях применяется различная обмотка возбуждения:
1) Простая волновая обмотка применяется для машин малой и средней мощности (до 500 кВт) при напряжении 110 В и выше.
2) Простая петлевая обмотка применяется для двухполюсных машин малой мощности (до 1 кВт) и машин свыше 500 кВт.
При вращении обмотки якоря в неподвижном магнитном поле, в ней индуктируется переменная ЭДС, изменяющаяся с частотой:
| (1) |
При вращении якоря между любыми двумя точками обмотки якоря действует переменная ЭДС. Однако между неподвижными контактными щетками действует постоянная по величине и направлению ЭДС E, равная сумме мгновенных значений ЭДС e1 , e2 , e3 и т.д. (рисунок 1), индуктированных во всех последовательно соединенных витках якоря, расположенных между этими щетками. [5]

Рисунок 1.1 - векторная диаграмма, индуктируемых в якорной обмотке ЭДС (e1 , e2 , e3 - мгновенные значения ЭДС, AB – сумма мгновенных значений ЭДС)
Зависимость ЭДС Е от магнитного потока машины и скорости вращения якоря имеет вид:
|
(2) (3) |
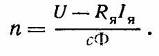
При подключении обмотки якоря к сети с напряжением U, ЭДС Е будет приблизительно равна напряжению U, и скорость вращения ротора:
| (4) |
Следовательно, благодаря наличию коллектора при работе машины постоянного тока в двигательном режиме скорость вращения ротора не связана жестко с частотой сети, как в асинхронных и синхронных машинах, а может изменяться в широких пределах путем изменения напряжения U и магнитного потока Ф. Ось симметрии, разделяющая полюса машины постоянного тока, называется ее геометрической нейтралью.
При разомкнутой внешней цепи ток в обмотке якоря не будет протекать, т. к. ЭДС, индуктированные в двух частях обмотки якоря, расположенных по обе стороны геометрической нейтрали, направлены встречно и взаимно компенсируются. Для того чтобы подать от обмотки якоря во внешнюю цепь максимальное напряжение, эту цепь нужно присоединить к двум точкам обмотки якоря, между которыми действует наибольшая разность потенциалов, где и следует устанавливать щетки. При вращении якоря точки смещаются с геометрической нейтрали, но к щеткам будут подходить все новые и новые точки обмотки, между которыми действует ЭДС Е, поэтому ЭДС во внешней цепи будет неизменна по величине и направлению. Для уменьшения пульсаций ЭДС при переходе щеток с одной коллекторной пластины на другую в каждую параллельную ветвь обмотки якоря обычно включается не менее 16 активных проводников.
На якорь, по обмотке которого протекает ток I, действует электромагнитный момент:
| (5) |
При работе машины в двигательном режиме электромагнитный момент является вращающим, а в генераторном режиме - тормозным.[1]
1.2 Реакция якоря машины постоянного тока
При холостом ходе магнитный поток в машине создается только НС Fв обмотки возбуждения. В этом случае магнитный поток Фв при неизменном воздушном зазоре между якорем и сердечником главного полюса (что характерно для многих машин постоянного тока) распределяется симметрично относительно продольной оси машин.
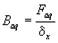
При работе машины под нагрузкой по обмотке якоря проходит ток, и НС якоря создает свое магнитное поле. Воздействие поля якоря на магнитное поле машины называют реакцией якоря. Магнитный поток Фaq , созданный НС якоря Faq в двухполюсной машине при установке щеток на нейтрали направлен по поперечной оси машины, поэтому магнитное поле якоря называют поперечным. В результате действия потока Фaq симметричное распределение магнитного поля машины искажается, и результирующий поток Фрез оказывается сосредоточенным в основном у краев главных полюсов. При этом физическая нейтраль б-б (линия, соединяющая точки окружности якоря, в которых индукция равна нулю) смещается относительно геометрической нейтрали а-а на некоторый угол β (рисунок 2). В генераторах физическая нейтраль смещается по направлению вращения якоря; в двигателях - против направления вращения.

Рисунок 1.2 - Магнитное поле машины постоянного тока: а) от обмотки возбуждения; б) от обмотки якоря; в) результирующее (Фв - магнитный поток при х.х.; Фaq - магнитный поток, созданный НС якоря;Фрез - результирующий поток; а-а - геометрическая нейтраль; б-б - физическая нейтраль; β – угол смещения нейтрали б-б)
Вследствие сосредоточенного характера обмотки возбуждения, кривая распределения создаваемой ею НС
имеет форму прямоугольника, а кривая индукции
- форму криволинейной трапеции (рисунок 3).

Рисунок 1.3 - Распределение индукции в воздушном зазоре машины постоянного тока: а) от обмотки возбуждения; б) от обмотки якоря; в) результирующее (Bв
- кривая индукции от обмотки возбуждения; Fв
- кривая распределения НС; Faq
- НС якоря; Baq
– кривая магнитной индукции в воздушном зазоре;
- величина воздушного зазора в точке x; Bрез
- кривая результирующей индукции)
На основании закона полного тока НС якоря, действующая в воздушном зазоре на расстоянии x от оси главных полюсов определится выражением:
| (6) |
Следовательно, НС якоря Faq изменяется линейно вдоль его окружности; под серединой главного полюса она равна нулю, а в точках, где установлены щетки, имеет максимальное значение. Магнитная индукция в воздушном зазоре при ненасыщенной магнитной системе:
| (7) |
где
- величина воздушного зазора в точке x.
Из последнего выражения следует, что под полюсом при
= const индукция Baq
изменяется линейно вдоль окружности якоря. В межполюсном пространстве резко возрастает длина магнитной силовой линии, т.е. величина
и индукция Baq
резко уменьшается. В результате кривая распределения
приобретает седлообразную форму. Кривая результирующей индукции получается алгебраическим сложением ординат кривых
и
.
Реакция якоря оказывает неблагоприятное влияние на работу машины постоянного тока:
а) физическая нейтраль смещается относительно геометрической нейтрали на некоторый угол, что ухудшает коммутацию коллекторной машины;
б) результирующий магнитный поток машины при насыщенной магнитной цепи уменьшается, а значит, уменьшается ЭДС Е, индуктированная в обмотке якоря при нагрузке, по сравнению с ЭДС Е0 при холостом ходе;
в) в кривой распределения индукции
в воздушном зазоре под краями главных полюсов возникают пики, способствующие образованию в машине кругового огня.[3]
1.3 Момент двигателя постоянного тока
Если обмотку возбуждения и якорь двигателя подключить к сети постоянного тока напряжением U то, возникает электромагнитный вращающий момент Мэм . Полезный вращающий момент М на валу двигателя меньше электромагнитного на значение противодействующего момента, создаваемого в машине силами трения и равного моменту Мх в режиме х.х., т. е. М = Мэм —Мх .
Пусковой момент двигателя должен быть больше статического тормозного Мт в состоянии покоя ротора, иначе якорь двигателя не начнет вращаться. В установившемся режиме (при n = соnst) имеет место равновесие вращающего М и тормозного Мт моментов:
М = Мэм – Мх = Мт (8)
Из механики известно, что механическая мощность двигателя может быть выражена через вращающий момент и угловую скорость
![]()
Следовательно, полезный вращающий момент двигателя М (Н • м), выраженный через полезную мощность Р (кВт) и частоту вращения n (об/мин),
М =9550P/n (10)
Обсудим некоторые важные вопросы пуска и работы двигателей постоянного тока. Из уравнения электрического состояния двигателя следует, что
Iя = (U -- E)/Rя (11)
В рабочем режиме ток якоря Iя ограничивается э. д. с. E, если n приблезительно равно nном . В момент пуска п = 0, э. д. с. Е = 0 и пусковой ток Iп = U/Rя в 10—30 раз больше номинального. Поэтому прямой пуск двигателя, т. е. непосредственное включение якоря на напряжение сети, недопустимо. Чтобы ограничить большой пусковой ток якоря, перед пуском последовательно с якорем включается пусковой реостат Rп с небольшим сопротивлением. В этом случае при Е = О
Iп =U/(Rя – Rп ) << U/Rя (12)
Сопротивление реостатаRп выбирается по допустимому току якоря.
По мере разгона двигателя до номинальной частоты вращения э. д. с. Е увеличивается, а ток уменьшается и пусковой реостат постепенно и полностью выводится (пусковые реостаты рассчитываются на кратковременное включение). Регулировочный реостат Rрег в цепи возбуждения с относительно большим сопротивлением (десятки и сотни Ом) перед пуском двигателя полностью выводится, чтобы при пуске ток возбуждения и магнитный поток статора Ф были номинальными. Это приводит к увеличению пускового момента, который обеспечивает быстрый и легкий разгон двигателя.
После пуска и разгона наступает установившийся режим работы двигателя, при котором тормозной момент на валу Мт будет уравновешиваться моментом, развиваемым двигателем Мэм , т. е. Мэм == Мт ( при n = соnst.)
Электродвигатели постоянного тока могут восстанавливать нарушенный изменением тормозного момента установившийся режим работы, т. е. могут развивать вращающий момент М, равный новому значению тормозного момента Мт при соответственно новой частоте вращения n'.
Действительно, если тормозной момент нагрузки Мт окажется больше вращающего момента двигателя Мэм , то частота вращения якоря уменьшится. При постоянных напряжении U и потоке Ф это вызовет уменьшение э. д. с. Е якоря, увеличение тока якоря и вращающего момента до наступления равновесия, при котором Мэм = Мт и n' <n. При уменьшении тормозного момента до Мт аналогично наступает установившийся режим работы при Мэм = Мт' и n">n'. Таким образом, двигатели постоянного тока обладают свойством саморегулирования — могут развивать вращающий момент, равный тормозному.
1.4 Регулирование частоты
Частота вращения якоря двигателя постоянного тока определяется на основании уравнения электрического состояния U = Е + Rя Iя после подстановки в него э. д. с. Е = сФn:
(13)
Падение напряжения в якоре Rя Iя небольшое: при номинальной нагрузке оно не превышает 0,03 — 0,07 Uном .
Таким образом, частота вращения двигателя постоянного тока прямо пропорциональна приложенному напряжению сети и обратно пропорциональна магнитному потоку статора. Из уравнения (13) следует, что регулировать частоту вращения двигателя можно двумя способами: изменяя поток статора Ф или напряжение U подводимое к двигателю. Регулирование частоты вращения изменением магнитного поля машины осуществляется с помощью регулировочного реостата в цепи возбуждения двигателя. Изменение подводимого к двигателю напряжения производится регулированием напряжения источника.
Можно ввести дополнительный реостат в цепь якоря. В этом случае пусковой реостат заменяется пускорегулирующимRпр Такой реостат выполняет функции как пускового реостата, так и регулировочного. Уравнение (13) при этом имеет вид
(14)
Отсюда следует, что регулирование частоты вращения двигателя можно осуществить, изменяя напряжение сети, сопротивление пускорегулирующего реостата или поток статора.
Реверсирование двигателей. Из уравнения вращающего момента двигателя Мэм = kФIя вытекает, что реверсирование, т. е. изменение направления вращения якоря, может быть осуществлено изменением направления тока в обмотке возбуждения (потока Ф) или тока якоря.
Для реверсирования двигателя «на ходу» изменяют направление тока якоря (переключением якорных выводов), а обмотку возбуждения не переключают, так как она обладает большой индуктивностью и разрыв ее цепи с током недопустим. Реверсирование отключенного двигателя осуществляется и изменением направления тока в обмотке возбуждения (переключением ее выводов).[4]
2. Допустимые режимы работы двигателей
2.1 Допустимые режимы при изменении напряжения
Двигатели допускают длительную работу с номинальной нагрузкой при повышении напряжения до 10% и понижении до 5% от номинального. При понижении напряжения на 5% от номинального сила тока статора при номинальной нагрузке увеличивается на 5% от номинального. Как следствие, возрастут потери в меди, но одновременно за счёт снижения напряжения уменьшатся потери в активной стали. Поэтому суммарные потери в двигателе останутся примерно такими же, как и при номинальном напряжении.
При понижении номинального тока напряжения более чем на 5% нагрузка двигателя должна быть не ниже номинальной. Это объясняется тем, что повышение силы тока статора более чем на 5% вызовет такое увеличение потерь в меди обмотки статора, которое не компенсируется снижением потерь в активной стали, и температура обмотки статора превысит максимально допустимую. К тому же понижение напряжения более чем на 5% вызовет прямо пропорциональное увеличение токов статора и ротора, а увеличение в более высокой степени опасно. Чем ниже отношение максимального момента, развиваемого двигателем, к номинальному моменту, тем в большей степени будут расти токи статора и ротора при понижении напряжения. При больших снижениях напряжения вращающий момент двигателя, изменяющийся пропорционально квадрату напряжения, может стать меньше момента сопротивления механизма, и двигатель затормозится до полной остановки.
При повышении номинального напряжения на 10% сила тока статора должна быть, как правило, уменьшена на 10% от номинального значения. При этом нагрузка на вал будет соответствовать номинальной. Увеличение температуры активной стали из-за повышения напряжения на 10% опасности не представляет, а на обмотке оно отразится в меньшей степени, чем снижение ее нагрева в результате уменьшения тока статора. Повышение напряжения на двигателе более чем на 10% от номинального не допускается из-за возможности перегрева активной стали, а для двигателей напряжением 3 кВ и выше и по надежности работы изоляции обмотки.
2.2 Допустимые режимы при изменении температуры входящего воздуха
Номинальной температурой входящего воздуха для двигателей, изготовленных по ГОСТ 183-86, считается 40°С. Мощность двигателей при температуре охлаждающего воздуха выше номинальной должна быть уменьшена, а при температуре охлаждающего воздуха ниже номинальной может быть повышена согласно указаниям завода-изготовителя. Например, для двигателей АТД допустимая мощность изменяется в следующих пределах:
Температура входящего воздуха, °С,……..50 45 40 35 25 20 15 и ниже
Мощность двигателя АТД, % от номинальной… 87,5 95 100 102 105 107,5 107,5
Минимальная температура входящего воздуха не нормируется.
При изменении частоты в пределах ± 5% двигатель может быть нагружен до номинальной мощности.
Ток статора нагруженного двигателя при снижении частоты вначале из-за уменьшения нагрузки на вал снижается. Затем достигнув минимального значения, начинает резко возрастать, так как увеличение тока намагничивания при дальнейшем снижении частоты оказывается сильнее влияния от снижения нагрузки. Потребление двигателем реактивной мощности при снижении частоты возрастает примерно так же, как от повышения напряжения.
2.3 Допустимые температуры подшипников
Вкладыши подшипников скольжения не должны нагреваться выше 80°С, а разность между температурами вкладышами и окружающего воздуха не должна быть выше 45°С.
Температура масла в подшипнике без маслоохладителя ниже температуры вкладыша на 5…10°С, поэтому масло в таких подшипниках не должно нагреваться выше 70…75°С. Для подшипников с принудительной смазкой температура масла на сливе из подшипников не должна превышать 65°С. Температура подводимого масла при длительной работе не должна быть выше 40…45 и ниже 25°С.
Согласно ГОСТ 183-86 для подшипников качения предельно допустимое значение температуры составляет 100°С. Но в большинстве случаев фактическая температура подшипников качения значительно ниже этого значения. Если температура подшипника заметно повысилась, а температура двигателя и наружного воздуха остались на прежнем уровне, это свидетельствует о появлении дефекта в подшипнике. Двигатель при первой возможности следует остановить для ревизии.
Вибрация двигателя, измеренная на каждом подшипнике, не должна превышать следующих значений:
Синхронная частота
Вращения, об/мин…….3000 2500 2000 1500 1000 750 и ниже
Допустимая амплитуда
Вибрации, мкм……… 50 60 70 100 130 160
Повышенная вибрация ослабляет крепления обмоток и увеличивает износ подшипников и других частей. При сильной вибрации могут произойти задевания ротора за статор, поломка вала ротора и нарушение контакта в обмотка.
Холодный двигатель с короткозамкнутым ротором допускается пускать 2…3 раза подряд, а горячий – не более одного раза. При большем числе пусков подряд обмотки двигателя перегреваются от пускового тока, что значительно сокращает их срок службы.
3. Обслуживание двигателей, надзор и уход за ними
3.1 Надзор за нагрузкой и подшипниками двигателей
Надзор за нагрузкой двигателей, температурой подшипников и охлаждающего воздуха, поддержанием уровня масла в подшипниках, а также пуск и остановка двигателей осуществляется персоналом, обслуживающим механизмы. Персонал электроцеха обязан периодически осматривать двигатели и контролировать режим их работы по всем показателям, а также производить ремонт и испытания.
Надзор и уход состоит в контроле за температурой и отсутствием ненормального шума. В подшипниках скольжения, кроме того, следят за уровнем и чистотой масла, нормальным вращением смазочных колец. При низком уровне масла его доливают. Обычно подливают масло в подшипники один раз в месяц и реже. Чаще доливают масло только при наличии его утечки из подшипников.
Любая утечка масла, особенно утечка внутрь двигателя, - это серьезный дефект. Попадая на обмотку, масло разрушает изоляцию, резко снижает её электрическую прочность, что может привести к КЗ в обмотке.
Смена масла в подшипниках скольжения и смазки в подшипниках качения производится, как правило, один раз в год.
3.2 Надзор и уход за охлаждением двигателей
В двигателях, забирающих воздух для охлаждения непосредственно из помещений, необходимо следить за тем, чтобы решетки на всасывающих приемах в торцевых крышках не были забиты пылью и грязью. Для этого решетки, как и весь двигатель, систематически очищают.
На отключенных двигателях типа ДАЗО, установленных вне помещения, в холодное время и сырую погоду должны включаться электронагреватели, вмонтированные в корпусе двигателя. На работающем двигателе должны работать оба вентилятора, обеспечивающих приток воздуха по трубкам воздухоохладителя. При остановке обоих вентиляторов двигатель ДАЗО может перегреться и выйти из строя. Поэтому ревизия подшипников двигателей вентиляторов должна производиться в такие сроки, чтобы между очередными видами ремонта было исключено их повреждение (желательно осенью и весной). Должна быть исправной сигнализация об остановке вентиляторов. На некоторых станциях для повышения надежности двигателей ДАЗО их воздухоохладители со стороны выхода наружного воздуха подсоединены к всасывающим коробам дымоходов и дутьевых вентиляторов, а вентиляторы двигателей ДАЗО демонтированы.
Мощные двигатели работают по замкнутой системе охлаждения и имеют водяные воздухоохладители. Для предотвращения конденсации влаги на стенках воздухоохладителя температура входящей в него воды не должна быть ниже 5…10°С.
Разность между температурами входящего воздуха и входящей воды обычно не превышает 7…10°С. Увеличение этой разницы, как и нагрев воды в газоохладителе более длительно наблюдаемого значения (2…8°С), указывает на малый приток воды через газоохладитель из-за его засорения, скопления воздуха в трубках или по другим причинам.
Вода в воздухоохладители должна подаваться только через фильтры. Для очистки воздухоохладителей без разборки от мелкой щепы, палок, листьев и другого мусора целесообразно на двигателях выполнить промывку обратным ходом воды, как и на генераторах.
На двигателях с расположением воздухоохладителей в верхней части корпуса при появлении течи в охладителе вода может попасть на обмотку. При появлении течи в воздухоохладителях двигатель должен быть отключен по возможности в наиболее короткий срок.
Тушение возгораний обмоток в двигателях наиболее эффективно производить водой.
Возгорание мелких двигателей можно тушить и углекислотными огнетушителями. Применение углекислотных огнетушителей для тушения возгорания крупных двигателей чаще всего результата не дает.
Коллектор чистят на холостом ходу сухой неволокнистой тряпкой. Если на коллекторе есть жир, тряпку смачивают спиртом.
Царапины и почернения на коллекторе во избежание усиления искрения должны устраняться по мере их возникновения. Это достигается полировкой коллектора мелкой стеклянной бумагой, закрепленной на деревянной колодке при нормальной частоте вращения двигателя.
Смазочные кольца подшипников скольжения должны вращаться с заданной частотой. При замедленном вращении колец происходит недостаточная подача масла и перегрев подшипника. Необходимый уровень масла в подшипниках отмечен чертой на маслоуказателе.
Плавкие вставки применяют ограничено.
В этом случае они должны быть калиброваны с указанием их номинального тока. Применять некалиброванные вставки запрещается.
4. Ремонт двигателей постоянного тока
4.1 Организация ремонта
Для проверки состояния двигателя, устранения неисправностей и повышения надежности периодически проводят текущий и капитальный ремонт.
Текущий ремонт предусматривает замену масла и измерение зазоров в подшипниках скольжения, замену или добавление смазки и осмотр сепараторов в подшипниках качения, чистку и обдувку статора и ротора при снятой задней крышке, осмотр обмоток в доступных местах.
Капитальный ремонт включает полную разборку двигателя с выемкой ротора, чистку, осмотр и проверку статора и ротора, устранение выявленных дефектов (например, перебандажировка схемной части обмотки статора, переклиновка ослабленных клиньев, покраска лобовых частей обмотки и расточки статора), промывку и проверку подшипников скольжения, замену подшипников качения, проведение профилактических испытаний.
Периодичность капитального и текущего ремонта электродвигателей устанавливается по местным условиям. Она должна быть не только обоснована для каждой группы двигателей по температуре и загрязненности окружающего воздуха, но и учитывать требования завода-изготовителя, выявившуюся недостаточную надежность отдельных узлов.
Капитальный ремонт электродвигателей, работающих нормально, целесообразно проводить во время капитального ремонта основных агрегатов (котлов, турбин), на которых электродвигатели установлены, т.е. один раз в 3... 5 лет, но не реже. При этом будут обеспечены одинаковые уровни надежности электродвигателей и основного агрегата. Текущий ремонт электродвигателей обычно проводят один-два раза в год. В целях сокращения трудозатрат на работы по центровке и подготовке рабочего места ремонт электродвигателя целесообразно совмещать с ремонтом механизма, на котором он установлен.
4.2 Текущий ремонт двигателя
При проведении частичной ревизии без разборки двигателя выполняют следующие работы: внешний осмотр общего состояния; осмотр выводов, щеточного механизма, коллекторов или контактных колец, подшипников и других частей; промывка подшипников скольжения и заполнение их маслом; вскрытие подшипников качения и проверка наличия и качества в них консистентной смазки; проверка состояния изоляции обмоток статора и ротора мегомметром; проверка свободного вращения ротора; устранение незначительных дефектов, выявленных при ревизии.
Ревизия двигателя с полной разборкой должна производиться в сухом отапливаемом помещении, оборудованном подъемными средствами.
Разборку электродвигателя начинают со снятия полумуфты, шкива или шестерни с конца вала. После этого подвешивают и удерживают на весу подшипниковые щиты, отворачивают болты торцевых крышек, щиты выводят из заточки статора, а ротор опускают на расточку статора.
При необходимости после снятия щитов производится выемка ротора. При осмотре обмотки статора необходимо обратить внимание на исправность крепления отдельных узлов и лобовых частей, а также на отсутствие трещин и повреждений изоляции и состояние расклиновки обмоток. При обнаружении ослабленных клиньев следует установить между клиньями и обмоткой дополнительные изоляционные прокладки При осмотре активной стали статора и ротора проверяют плотность опрессовки, надежность крепления и отсутствие коррозии. Выявленные дефекты устраняют, а расточку статора при необходимости покрывают изоляционным лаком.
После устранения дефектов двигатель собирают, проверяют щупом воздушные зазоры через отверстия в щитах с обоих торцов статора. У машин постоянного тока мощностью более 3 кВт проверяют качество паек в «петушках», измеряют падение напряжения между коллекторными пластинами, выясняя причины падения напряжения выше нормы. Для машин серийного производства расхождение значений падения напряжения допускается не более чем на 10% от нормальной, а у машин с уравнительными соединениями расхождение не должно превышать 20...30%.
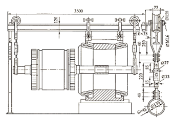
Рис. 7.1. Съемник для снятия полумуфт
4.3 Капитальный ремонт двигателей
Этот вид ремонта выполняют с полной их разборкой. Для разборки двигатель стропят на крюк подъемного устройства за рымы и перемещают на свободное место или разворачивают на фундаменте.
Для надежной работы полумуфты в большинстве случаев устанавливаются с напряженной посадкой. Для этого диаметр отверстия в полумуфте должен быть равен номинальному диаметру выступающего конца вала или превышать его не более чем на 0,03...0,04 мм. Снятие полумуфт удобнее всего производить съемниками, показанными на рис. 7.1. Установка полумуфты на вал крупных двигателей, как правило, производится с подогревом ее до температуры 250'С, когда пруток из олова начинает плавиться.
Таблица 7.1
Предельные зазоры в подшипниках скольжения электродвигателей
| Dном вала, мм | Зазор, мм, при nном, об/мин | ||
| Менее 1000 | 1000…1500 | Более 1500 | |
18…30 30…50 50…80 80…120 120…180 180…260 260…360 360…600 |
0,04…0,093 0,05…0,0112 0,065…0,135 0,08…0,16 0,1…0,195 0,12…0,225 0,14…0,25 0,17…0,305 |
0,06…0,13 0,075…0,16 0,095…0,196 0,12…0,235 0,15…0,285 0,18…0,3 0,21…0,38 0,25…0,44 |
0,14…0,28 0,17…0,34 0,2…0,4 0,23…0,46 0,26…0,58 0,3…0,6 0,34…0,68 0,38…0,76 |
После снятия полумуфты замеряют зазоры в подшипниках, нормы на которые приведены в табл. 7.1. Отклонение от среднего значения зазора не должно превышать + 10 %.
При наличии над двигателем крана или монорельса выемку и ввод ротора в статор удобней всего выполнять при помощи скобы (рис. 7 2). Скоба 2 ступицей 4 надевается на конец вала ротора и стропится на крюк подъемного устройства. Затем ротор выводят из статора и укладывают в удобном для ремонта месте.

Рис. 7.2. Вывод ротора двигателя из статора:
а – с помощью удлинителя; б – с помощью скобы и подъемного механизма; в – вид сбоку; 1 – передвижная серьга; 2 – скоба; 3 – хвостовик; 4 – ступица скобы.
При отсутствии крана или монорельса выемку и ввод ротора в статор выполняют при помощи переносной балки (рис. 7.3), закрепляемой на корпус двигателя при помощи прижима (рис. 7.4). Балка укладывается на опорные скобы 1, укрепленные над рымами двигателя. Затем устанавливаются прижимные скобы 2 и через отверстия в опорных, прижимных скобах и рымах пропускаются штифты 3. Ввертыванием винтов 4, упирающихся в балку, прижимные скобы вместе со штифтами приподнимают кверху до тех
пор, пока штифты не упрутся в верхнюю часть рымов, а балка и опорные скобы не прижмутся к статору. Выемка ротора производится с помощью двух катков с тальрепами.
При осмотре активной стали статора следует убедиться в плотности прессовки ее, как это показано для генераторов (см.подразд. 6.3), и проверить прочность крепления распорок в каналах. При слабой прессовке возникает вибрация листов, которая приводит к разрушению межлистовой изоляции стали и затем к местному нагреву ее и обмотки (рис. 7.5). Вибрирующими листами стали зубцов истирается изоляция обмотки статора 2. Наконец, листы зубцов 4 от длительной вибрации могут обломиться у основания и при выпадании задеть ротор 1, врезаться в пазовую изоляцию обмотки статора до меди 3.

Рис. 7.3. Балка для выемки ротора
Уплотнение листов стали производится закладкой листочков слюды с лаком или забивкой гетинаксовых клиньев. При осмотре лобовых частей обмотки статора следует проверить их крепление, а также состояние изоляции в местах выхода секции из пазов, межкатушечных соединений. При
необходимости лобовые части покрывают лаком воздушной сушки № 462 и 316 или серой эмалью № 1495.

Рис. 7.4. Прижим:
1 – опорная скоба; 2 – прижимная скоба; 3 – штифт; 4 - винт
При осмотре выводной коробки следует проверить, нет ли трещин на изоляторах и надежно ли они закреплены, не сорвана ли резьба на шпильках.
При осмотре ротора проверяют состояние вентиляторов и их крепления, плотность посадки стержней обмотки в пазах, отсутствие трещин, обрыва стержней, следов нагрева и нарушения пайки в местах выхода их из короткозамыкающих колец.

Рис. 7.5. Повреждение изоляции обмотки статора из-за неплотной прессовки стали:
1 –ротор; 2- статор; 3 – медь обмотки статора; 4 –обломившийся лист зубца
При осмотре подшипников скольжения обращают внимание на то, как работает вкладыш, а также на отсутствие торцевой выработки, трещин, отставания, подплавления или натаскивания баббита.
В правильно пришабренном вкладыше зона касания вала поверхности вкладыша (рабочая зона) располагается по всей его нижней поверхности примерно на 1/6 части окружности (рис. 7.6). Карман для масла должен переходить на рабочую зону вкладыша плавно, без излома. При этом создаются хорошие условия для затягивания масла под шейку вала.
При осмотре подшипников качения после их промывки бензином проверяют легкость и плавность вращения, отсутствие заседаний, притормаживания и ненормального шума. Также следует убедиться, нет ли обрыва заклепок, трещин в сепараторе, не имеет ли он чрезмерного люфта, не касается ли колец, нет ли недопустимого радиального или осевого люфта наружного кольца.
При обнаружении дефектов в деталях подшипника, в том числе малейших раковин, точечных подплавлений от электросварки, этот подшипник должен быть заменен Подшипники, работающие в особо тяжелых условиях, например в крупных двигателях с частотой вращения 3000 об/мин, следует заменить независимо от их состояния по истечении 5000...8000 ч работы.
В подшипниках качения двигателей применяют мазеподобные (консистентные) смазки, представляющие собой смесь минерального масла (80...90%) и мыла, играющего роль загустителя. Наиболее подходящими смазками для подшипников качения двигателей являются высококачественные смазки ЛИТОЛ-24, ЦИАТИМ-201 и другие, обеспечивающие нормальную работу как при низких (до - 40'С), так и при высоких (до +120 С) температурах.

Рис. 7.6. Шабровка вкладыша:
а – правильная шабровка; б – неправильная шабровка; 1 – поверхность касания; 2 – карманы
Для электродвигатели, установленных в помещении, наряду с указанными смазками широко применяют универсальную тугоплавкую водостойкую смазку марки УТВ (1... 13).
Сравнительно частой причиной преждевременного выхода из строя подшипников качения является их неправильная посадка на вал.
В двигателях с частотой вращения 1500 об/мин и ниже чаще всего применяется напряженная посадка подшипников на вал и плотная в торцевой крышке. В двигателях с частотой вращения 3000 об/мин и менее применяются посадки с меньшим натягом: плотная посадка на вал и посадка скольжения - в торцевой крышке.
Двигатели, имеющие пониженное значение сопротивления изоляции, подвергаются сушке. В условиях эксплуатации чаще всего сушка проводится путем их внешнего нагревания, т.е. подачей горячего воздуха в двигатель через имеющиеся проемы или люки от воздуходувки либо путем включения обмотки статора на пониженное напряжение. Лучших результатов можно добиться при одновременном применении обоих способов.
Двигатели напряжением 6 и 10 кВ при сушке включают на 380... 500 В, двигатели напряжением 3 кВ - на 220 В, а двигатели напряжением 380 В - на 36 В.
Температура обмотки во время сушки не должна превышать 90 С, если она определяется путем измерения сопротивления, и 70 С при измерении термометром.
Контроль сушки ведется по изменению сопротивления изоляции. Сушка считается законченной, когда сопротивление изоляции после его понижения до минимального значения и последующего увеличения в течение нескольких часов остается неизменным.
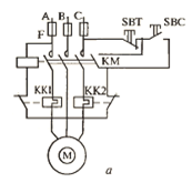
Двигатели напряжением 0,4 кВ включают и отключают неавтоматизированными выключателями непосредственно в месте их установки, а дистанционно - автоматизированными выключателями АВМ, АВ2М, «Электрон» и другими, а также магнитными пускателями. Рассмотрим включение и отключение электродвигателей пускателями
При нереверсивном управлении для пуска электродвигателя М нажимают на кнопку SBC (рис. 7.7, а), замыкающую цепь питания катушки магнитного пускателя КМ, который включается и замыкает свои силовые контакты и вспомогательный контакт, шунтирующий кнопку SBC. После отпускания ее магнитный пускатель удерживается во включенном положении. Отключение электродвигателя М произойдет при нажатии кнопки SBT, размыкающей цепь катушки магнитного пускателя КМ, или при срабатывании электротепловых реле КК1 и КК2 (при недопустимой перегрузке электродвигателя), размыкающих свои контакты в цепи управления.
В схеме реверсивного управления электродвигателем (рис. 7.7, б) предусмотрена электрическая блокировка, исключающая одновременное включение контакторов КМ1 и КМ2 (на кнопках SBC1 и SBC2 имеются дополнительные размыкающие и вспомогательные контакты). Для пуска электродвигателя М с вращением в одну сторону нажимают на кнопку SBC1, при этом образуется цепь питания катушки контактора КМ1, который срабатывает и переключает вспомогательные контакты КМ1:1 и КМ1:2 (соответственно один замкнется, а другой разомкнется). После отпускания кнопки SBC1 контактор КМ1 останется включенным. Катушка контактора КМ2 не подключается к сети, так как остаются разомкнутыми контакты SBC2:1, SBC1:2, КМ2:1, КМ1:2. Отключение электродвигателя М может произойти от теплового реле КК1 или КК2 (рис. 7.7, в) при воздействии на кнопку SBT и ошибочном воздействии на кнопку SBC2. Во всех этих случаях цепь питания катушки контактора КМ1 разрывается.


Рис. 7.7. Схемы управления асинхронным электродвигателем нереверсивным (а) и реверсивным(б, в) пускателями: F – Предохранитель; HL – сигнальные лампы
Таблица 7.2
Диапазон изменения частоты вращения и частоты тока частотно-регулируемых асинхронных двигателей
| Диапазон | Исполнение I | Исполнение II | ||
Частота вращения |
Частота тока, Гц |
Частота вращения | Частота тока, Гц |
|
Полный Вниз от номинальной Вверх от номинальной |
1:3,5 2,5:1 1:1,5 |
24…90 60…24 60…90 |
1:22,5 15:1 1:1,5 |
5…90 60…5 60…90 |
Для пуска электродвигателя М с вращением в обратную сторону нажимают на кнопку SBC2, при этом образуется цепь питания катушки контактора КМ2, который срабатывает.
Пуск и остановка электродвигателей напряжением 6... 10 кВ выполняют выключателями соответствующего напряжения. При этом в цепи электродвигателей с фазным ротором для его включения применяют реостат, которым в момент включения уменьшают сопротивление (увеличивают ток) в цепи ротора.
В настоящее время применяют электроприводы с широким диапазоном плавного регулирования частоты вращения и с большими перегрузочными способностями. Частотный способ является наиболее экономичным способом регулирования частоты вращения. Широкое применение получили частотно-регулируемые приводы на базе асинхронных двигателей (АД) с короткозамкнутым ротором.
В серии АИ предусмотрены два исполнения частотно-регулируемых асинхронных двигателей (табл. 7.2):
I - в диапазоне изменения частот вращения 1: 3,5; II - в диапазоне 1: 22,5.
5. Межотраслевые правила по технике безопасности
Обточку и шлифовку контактных колец ротора, шлифовку коллектора возбудителя выведенного из работы генератора может выполнять по распоряжению единолично работник из числа неэлектротехнического персонала. При работе следует пользоваться средствами защиты лица и глаз.
Обслуживать щеточный аппарат на работающем генераторе допускается единолично по распоряжению, обученному для этой цели работнику, имеющему группу 3. При этом необходимо соблюдать следующие меры предосторожности:
Работать в защитной каске с использованием средств защиты лица и глаз, застегнутой спецодежде, остерегаясь захвата ее вращающимися частями машины;
Пользоваться диэлектрическими галошами, коврами;
Не касаться руками одновременно токоведущих частей двух полюсов или токоведущих и заземленных частей.
6. Правила безопасности при эксплуатации электроустановок
При работе на двигателе постоянного тока допускается установка заземления на любом участке кабельной линии, соединяющей электродвигателе секцией РУ, щитом, сборкой.
Если работы на двигателе постоянного тока рассчитаны на длительный срок, не выполняются или прерваны на несколько дней, то отсоединенная от него кабельная линия должно быть заземлена так же со стороны электродвигателя.
В тех случаях когда сечение жил кабеля не позволяет применять переносное заземление, у электродвигателей напряжением до 1000В допускается заземлять кабельную линию медным проводником сечение не менее сечения жил кабелей либо соединять между собой жилы кабеля и изолировать их такое заземление или соединение жил кабеля должно учитываться в оперативной документации на равнее с переносным заземлением.
Порядок включения двигателя для опробования должен быть следующим:
1. производитель работ удаляет бригаду с места работы, оформляет окончание работы и сдает наряд оперативному персоналу; оперативный персонал снимает установленное заземление, плакаты, выполняет сборку схемы:
2. после опробования при необходимости продолжения работы на электродвигателе оперативный персонал вновь подготавливает рабочее место, и бригада по наряду повторно допускается к работе на электродвигателе.
Работа на вращающемся двигателе без соприкосновения с токоведущими и вращающимися частями может проводится по распоряжению.
Обслуживание щеточного аппарата на работающем двигателе допускается выполнять по распоряжению для этой цели работку, имеющему групп 3-ю, при соблюдении следующих мер предосторожности:
1. работать с использованием средств защиты лица и глаз, в застегнутой спецодежде остерегаясь захвата ее вращающимися частями электродвигателя;
2. пользоваться диэлектрическими галошами, ковриками;
3. не касаться руками одновременно токоведущих частей двух полисов или токоведущих и заземляющих частей.
Кольца ротора допускаются шлифовать на вращающемся двигателе лишь с помощью колодок из изоляционного материала.
Заключение
Двигатели постоянного тока имеют огромное значение для промышленности, они неприхотливы, надежны, имеют большую долговечность и более просты по устройству, но более дорожи, чем двигатели переменного тока. Недостатки двигателей устраняются при помощи различных модификаций, таких как двухклеточный ротор и глубокий паз на роторе и другими.
На мой взгляд полноценного заменителя двигателей постоянного тока в настоящее время не существует.
В основном двигатели изготавливаются по заказам и окончательная цена определяется при заключении договора. Также цена зависит от различного исполнения двигателя, вследствие этого цена увеличивается. Экспортное исполнение также увеличивает цену двигателя.
Список литературы
1. Атабеков В.Б.: «Ремонт электрооборудования промышленных предприятий»
2. Пиотровский Л.М.: «Электрические машины». Учебник для техникумов. Изд. 7-е, стереотипное. Л., «Энергия», 1974, 504 с. с ил.
3. Цейтлин Л.С.: «Электропривод, электрооборудование и основы управления»
4. Межотраслевые правила по технике безопасности (правила безопасности при эксплуатации электроустановок) ПОР РМ-016-2001 РД 153-34.0-03.150-00
Похожие рефераты:
Синхронные машины. Машины постоянного тока
Оборудование летательных аппаратов
Электродвигатель асинхронный с короткозамкнутым ротором мощностью 200 КВт
Обслуживание и ремонт электрических двигателей (ремонт синхронного двигателя)
Полные ответы на билеты по автоделу (экзамен 2002)
Схемы управления электродвигателями
Разработка логической схемы управления двустворчатых ворот судоходного шлюза
Электрооборудование подстанций
Автоматизированная система управления компрессорной установки