| Похожие рефераты | Скачать .docx |
Реферат: Машины постоянного тока
Учреждение образования
"Брестский государственный университет им. А.С. Пушкина"
Реферат
Тема: "Машины постоянного тока"
Выполнил студент 3 курса группы
ФМ-31
Руководитель:
Брест, 2009
Содержание
Общие сведения
Принцип работы и устройство генератора постоянного тока. типы обмоток якоря
ЭДС и электромагнитный момент генератора постоянного тока
Реакция якоря
Коммутация
Способы возбуждения генераторов постоянного тока
Обратимость машин постоянного тока. двигатели
Двигатель параллельного и независимого возбуждения
Двигатели последовательного возбуждения
Двигатель смешанного возбуждения
Коллекторные двигатели переменного тока
Общие сведения
В современной электроэнергетике используется преимущественно переменный ток, но достаточно широко используется и постоянный. Это объясняется теми достоинствами постоянного тока, которые сделали его незаменимым при решении многих практических задач. Так, среди электрических машин двигатели постоянного тока занимают особое положение. Двигатели постоянного тока позволяют осуществить плавное регулирование скорости вращения в любых пределах, создавая при этом большой пусковой момент. Это свойство двигателей постоянного тока делает их незаменимыми в качестве тяговых двигателей городского и железнодорожного транспорта (трамвай, троллейбус, метро, электровоз, тепловоз). Двигатели постоянного тока используются также в электроприводе некоторых металлорежущих станков, прокатных станов, подъемно-транспортных машин, экскаваторов. Постоянный ток используется также для питания электролитических ванн, электромагнитов различного назначения, аппаратуры управления и контроля, для зарядки аккумуляторов. Это питание осуществляется от генераторов постоянного тока, приводимых в действие, как правило, асинхронными и синхронными двигателями переменного тока. Однако генераторы часто заменяют выпрямителями (на полупроводниковых диодах и тиристорах) и постоянный ток получают из переменного.
Машины постоянного тока входят также в электрооборудование автомобилей, судов, самолетов и ракет.
Принцип работы и устройство генератора постоянного тока. типы обмоток якоря

Принцип работы генератора постоянного тока основан на возникновении ЭДС в рамке, вращающейся в магнитном поле (Рис.6-1, а). За один оборот в каждой рабочей (активной) части рамки ЭДС дважды меняет знак. Чтобы ток во внешней цепи имел только одно направление (постоянное), применяют коллектор - два полукольца, соединенные с концами рамки, а рамку соединяют с внешней цепью через вращающийся коллектор и неподвижные щетки. Как только активная сторона рамки начнет пересекать линии магнитной индукции в противоположном направлении по сравнению предыдущим, соединенное с этой стороной полукольцо коллектора начнет соприкасаться с другой щеткой. Благодаря такому устройству направление тока во внешней цепи остается неизменным, хотя его значение изменяется (пульсирует, Рис.6-1, б).
Устройство промышленного генератора постоянного тока изображено на рисунке 6-2. На внутренней поверхности станины I, изготовленной из цельного чугунного литья, жестко укреплены главные полюсы 2 с обмотками возбуждения и дополнительные полюсы с обмотками для компенсации ЭДС самоиндукции и реакции якоря.

В большинстве случаев электромагниты питаются от самого генератора. Внутри станины помещается якорь 3, представляющий собой металлический цилиндр, набранный из штампованных пластин электротехнической стали. В продольных пазах на поверхности якоря размещается обмотка якоря, состоящая из соединенных между собой секций. Для сглаживания пульсаций ЭДС и тока обмотка якоря равномерно размещена по всей поверхности, магнитное сопротивление между полюсами уменьшается благодаря стальному сердечнику якоря. Выводы обмоток припаивают к изолированным друг от друга и от корпуса машины медным пластинам коллектора 4, причем конец одной секции и начало следующей припаивают к одной и той же пластине. Коллектор жестко укреплен на валу якоря, на этом же валу крепят и вентилятор. Вал якоря помещается в подшипники подшипниковых щитов 5, укрепляемых на боковых сторонах станины. Между якорем и полюсами статора образуется незначительный воздушный зазор, благодаря которому якорь может свободно вращаться. На цилиндрическую поверхность коллектора накладываются угольные щетки, вставленные в щеткодержатели 6. Для уменьшения сопротивления щетки часто прессуются из смеси угольного и медного порошка.

Машины постоянного тока часто делают многополюсными (Рис.6-3), при этом в каждой секции обмотки за один оборот значение и знак ЭДС изменяются столько раз, сколько полюсов. Магнитная цепь такой машины более сложная, при этом число пар щеток равно числу пар полюсов, а щетки одинаковой полярности соединяют вместе.
Принципы работы генератора постоянного тока рассмотрим более подробно.
Если якорь изготовить в виде кольца и на нем разместить обмотку в виде замкнутого тороида, то такой якорь называют кольцевым, а обмотку - спиральной. При вращении этого якоря в магнитном поле в витках его обмотки будут индуцироваться ЭДС (Рис.6-4, а). Оказывается, что в витках одной половины обмотки ЭДС имеет один знак, в витках другой половины - противоположный.

Если витки равномерно распределены по поверхности якоря, то тока в обмотке не будет, так как действие ЭДС обеих половин взаимно компенсируется. Если, например, у витков с внешней стороны частично снять изоляцию и с двух противоположных сторон наложить две неподвижные щетки (а и Ь) так, чтобы при вращении якоря они могли касаться каждого витка, то легко заметить, что вся обмотка как бы разделится пополам и при вращении якоря витки одной половины обмотки будут постепенно переходить в другую, при этом число витков каждой половины, полярность и значение ЭДС будут оставаться низменными. Если теперь подключить нагрузку к щеткам, то во внешней цепи и в каждой половине обмотки установится постоянный ток.
Очевидно, что для более полного использования ЭДС обмотки щетки надо подключать в тех точках, где ЭДС не наводится. Прямая, проходящая через две такие точки, называется геометрической нейтралью (ГН). При таком расположении щеток обмотка оказывается разделенной на две параллельные ветви, соединенные между собой и внешней цепью щетками. Если щетки сместить относительно геометрической нейтрали, то в части витков каждой параллельной ветви ЭДС будет иметь противоположную полярность, а под щетками может начаться искрение, так как в заворачиваемых щетками витках (секциях) ЭДС отлична от нуля.
Кольцевой якорь можно усовершенствовать, если не снимать изоляцию с витков обмотки, а сделать от них отводы, соединенные с пластинами коллектора, а щетки наложить на коллектор (Рис.6-4, б). Если у такой машины сделать четыре полюса, то обмотка разделится на четыре части (Рис.6-5, а). Если далее вместо двух щеток поставить четыре и одноименные соединить между собой (Рис.6-5, б), то обмотка будет иметь четыре параллельные ветви. Легко видеть, что с увеличением числа параллельных ветвей ток нагрузки может быть соответственно увеличен. Рассмотренный выше кольцевой якорь со спиральной обмоткой имеет существенные недостатки. Во-первых, магнитный поток замыкается через стенку кольца (якоря), минуя внутреннюю полость, поэтому активной стороной каждого витка обмотки является та, которая расположена на поверхности, а внутренняя часть витка для получения ЭДС не используется и служит лишь соединительным проводником. Это обстоятельство приводит к нерациональному расходу меди. Во-вторых, спиральную обмотку нельзя сделать по шаблону, поэтому в настоящее время машины с кольцевым якорем не изготовляют.

Минуя внутреннюю полость, поэтому активной стороной каждого витка обмотки является та, которая расположена на поверхности, а внутренняя часть витка для получения ЭДС не используется и служит лишь соединительным проводником. Это обстоятельство приводит к нерациональному расходу меди. Во-вторых, спиральную обмотку нельзя сделать по шаблону, поэтому в настоящее время машины с кольцевым якорем не изготовляют.
Недостатки кольцевого якоря устраняют заменой его барабанным. Обмотки барабанного якоря (Рис.6-6) укладывают в специальные пазы на поверхности цилиндра (якоря) в виде отдельных секций, определенным образом соединенных с пластинами коллектора и между собой. Секция - это часть обмотки между двумя соседними отводами к коллектору. Обе стороны каждой секции являются активными; секции изготовляют по шаблону.

ЭДС и электромагнитный момент генератора постоянного тока
Выведем зависимость ЭДС генератора от параметров машины, скорости вращения якоря и магнитного потока.
ЭДС, индуцируемая в каждом витке обмотки, может быть определена по формуле
. (1). Применительно к машине постоянного тока эта формула (и весь последующий вывод) значительно упрощается введением понятия средней индукции. Пусть магнитный поток, создаваемый главным полюсом, Ф, тогда при 2 p полюсах общий магнитный поток равен 2р Ф. Однако можно с достаточной точностью допустить, что индукция распределена равномерно во всем воздушном зазоре, поэтому для расчетов можно взять ее среднее значение:
![]()
, (2)
где d - диаметр сердечника якоря, l - образующая цилиндра якоря (длина якоря). Тогда средняя ЭДС одного проводника обмотки при
= 90° равна
, (3)
где l - длина активной части проводника (равна образующей цилиндра якоря); v - линейная (окружная) скорость движения проводника.
Подставим в формулу (3) значение средней индукции Вср
и линейной скорости
и после преобразования получим:
, (4)
где n - скорость вращения якоря.
Пусть обмотка содержит 2а параллельных ветвей, тогда в каждой параллельной ветви будет
активных проводников. Так как ЭДС генератора равна ЭДС параллельной ветви, то можно записать:
, (5)
где
- ЭДС генератора.
Подставим выражение (4) в уравнение (3), после сокращения получим:
. (6)
В полученной формуле выделенная дробь содержит параметры, зависящие от конструкции машины. Для данной конструкции машины эта величина постоянная. Обозначим эту дробь через с, тогда для ЭДС генератора окончательно имеем:
. (7)
Таким образом, ЭДС генератора постоянного тока пропорциональна значению магнитного потока Ф и скорости вращения якоря п. Следовательно, для поддержания постоянного напряжения на зажимах генератора можно изменять ЭДС либо значением магнитного потока, либо скоростью вращения ротора (либо тем и другим). На практике ротор генератора приводят во вращение двигателем, работающим нормально при определенной скорости вращения вала, а магнитный поток изменяют путем изменения тока в обмотке возбуждения. Мощность генератора постоянного тока можно представить формулой механической мощности (Р =
), причем под работой А следует понимать работу, затрачиваемую па преодоление тормозного момента, развиваемого якорем, за один оборот при вращении якоря со скоростью n (без потерь). Тогда эту формулу можно записать так:
, (8)
где F - сила, действующая на якорь. При таком взаимодействии на каждый проводник обмотки якоря с током I действует сила
, а на N проводников обмотки
. (9)
Учитывая соотношение (2), последнее уравнение можно записать следующим образом:
, (10)
Подставив уравнение (10) в уравнение (8), получим выражение для мощности:
=![]()
=
. (11)
Так как
Ф, то окончательно имеем:
. (12)
Для общего момента машины М можно записать:
,
где
постоянный для данной машины коэффициент, зависящий от особенностей ее конструкции. Таким образом, электромагнитный момент машины выражается формулой М = сФ1я
. (13)
Реакция якоря

В режиме холостого хода генератора постоянного тока в его обмотке индуцируется только ЭДС, а тока в обмотке нет, так как ЭДС параллельных ветвей взаимно компенсируются. При этом машина имеет только один магнитный поток - поток полюсов. Но стоит включить нагрузку, как в обмотке якоря появится ток и, как известно, этот ток создаст свой магнитный поток, который начнет накладываться на ток полюсов, т.е. имеет место явление, называемое реакцией якоря
Если отдельно изобразить картины полей полюсов (Рис.6-7, а) и якоря (Рис.6-7, б) и сравнить их, то можно видеть, что поле якоря является поперечным по отношению к полю полюсов. Очевидно, что в результате их взаимодействия (наложения), как и в синхронном генераторе с активной нагрузкой, под набегающими краями полюсов при ненасыщенной магнитной системе машины индукция будет уменьшаться, а под сбегающими увеличиваться, при этом общий поток не изменится. При больших нагрузках наступает насыщение магнитной цепи. Тогда в результате реакции якоря не только исказится картина поля (Рис.6-7, в), но уменьшится общий магнитный поток и связанная с ним ЭДС, при этом как бы возрастет магнитное сопротивление полюсного наконечника и зубцов якоря, расположенных под этим полюсом. В результате поток возбуждения, проходящий через них, уменьшится. Реакция якоря приведет к тому, что в секциях, расположенных на геометрической нейтрали, ЭДС отлична от нуля. Следовательно, при закорачивании секций щетками могут появиться токи, порождающие искрение и подгорание коллектора и щеток. От этого нежелательного явления можно избавиться перемещением щеток по коллектору в направлении его вращения на некоторый угол
(с геометрической нейтрали nn’ на физическую нейтраль mm’), где ЭДС в секциях равна нулю. Если учесть, что положение физической нейтрали изменяется с изменением нагрузки (при возрастании нагрузки угол Р возрастает), то полностью ликвидировать искрение таким способом не удастся (придется непрерывно поворачивать щетки одновременно с изменениями нагрузки). На практике щетки устанавливают по наименьшему искрению при номинальной нагрузке. В случае работы машины в режиме двигателя физическая нейтраль смещается против направления вращения.
Влияние реакции якоря можно ослабить увеличением воздушного зазора между полюсами и якорем, но это приведет (как и в синхронной машине) к излишнему расходу меди и увеличению размеров машины. Для ослабления влияния реакции якоря в машинах постоянного тока применяют дополнительные полюсы, одновременно улучшающие коммутацию тока.
Коммутация



Во время работы машины постоянного тока происходит непрерывное переключение секций обмотки из одной параллельной ветви в другую, при этом ток в переключенных секциях изменяет свое направление на противоположное. Так как время этого перехода очень мало, то скорость изменения тока в секции велика. Если учесть, что секция размещена на стальном сердечнике (индуктивность велика), то процесс переключения секции может сопровождаться появлением в ней значительной ЭДС самоиндукции и, возможно, искрением.
Процесс переключения секций обмотки из одной параллельной ветви в другую и все сопутствующие этому переключению явления называют процессом коммутации, а продолжительность этого процесса - периодом коммутации.
Рассмотрим этот процесс несколько подробнее на примере обмотки с двумя параллельными ветвями.
Перед началом коммутации, когда щетка соприкасается только с коллекторной пластиной 1 (Рис.6-8, а), ток нагрузки I, протекает от пластины 1 до точки а, где разветвляется в обе параллельные ветви. Интересующая нас секция (на чертеже выделена жирной линией) находится в правой параллельной ветви. Как только правый край щетки коснется пластины 2, начнется процесс коммутации, который будет продолжаться, пока левый край щетки не сойдет с пластины 1, при этом в течение всего периода коммутации выделенная нами секция будет замкнута накоротко щеткой (Рис.6-8, б) Так как за все время коммутации значение и направление токов в проводах 2 и 3 не изменится, то по мере перехода щетки коллекторной пластины 1 на пластину 2 ток под набегающим краем будет увеличиваться, а под сбегающим - уменьшаться, распределяясь обратно пропорционально площади соприкосновения, плотность тока при этом будет везде постоянной. Но так было бы при очень медленном движении коллектора относительно щетки. На самом же деле период коммутации длится лишь тысячные доли секунды, за это время ток в выделенной секции (провода 1-4) изменяется от +
до нуля и от нуля до -
. Так как секция имеет большую индуктивность, то под действием ЭДС самоиндукции в ней появится дополнительный ток, направление которого (по закону Ленца) совпадет с убывающим током в секции. Этот дополнительный ток сильно увеличит плотность тока под сбегающим краем щетки, и в момент схождения щетки с пластины I между этой пластиной и щеткой произойдет искрение.
Теперь, когда щетка стала касаться только пластины 2 (Рис.6-8, в), выделенная нами секция 1-4 оказалась в левой параллельной ветви, ток в ней изменил свое направление на противоположное. После этого начнется коммутация следующей секции, т.е. под щеткой снова будет наблюдаться искрение.
Мы рассмотрели коммутацию под щеткой одной полярности. Точно в таких же условиях находится и щетка другой полярности, где направление токов во всех проводниках будет противоположным. Для уменьшения добавочного тока, возникающего в коммутируемых секциях, в машинах высокого напряжения применяют твердые угольные щетки, образующие большие контактные сопротивления в замыкаемых секциях. Улучшение условий коммутации в машинах постоянного тока главным образом осуществляется с помощью дополнительных полюсов. Этот метод основан на следующем.

ЭДС самоиндукции в коммутируемых секциях возникает при прохождении этих секций вблизи геометрической нейтрали и зависит от значения тока нагрузки. Если в это время каким-нибудь дополнительным полем в коммутируемой секции создать равную и противоположную ЭДС, то дополнительный ток при этом может исчезнуть. Именно так и поступают на практике. Дополнительные полюсы размещают на геометрической нейтрали и снабжают обмотками, включенными последовательно в цепь нагрузки (Рис.6-9). Дополнительные полюсы своим полем индуцируют в коммутирующих секциях коммутирующую ЭДС, пропорциональную току нагрузки, и компенсирующую ЭДС самоиндукции в секции, при этом поле дополнительных
Рис.6-9полюсов одновременно ослабляет и влияние реакции якоря. У генераторов за главным полюсом по направлению его вращения ставят дополнительный полюс противоположной полярности, а у двигателя - такой же полярности. Это условие автоматически выполняется при переходе машины из режима работы генератора в режим двигателя, так как направление тока изменяется на противоположное.
У большинства машин постоянного тока делают по два дополнительных полюса на каждую пару главных полюсов. У маломощных машин (до 5 кВт) на каждую пару главных полюсов делают один дополнительный полюс.
Способы возбуждения генераторов постоянного тока




Возбуждением генератора называют создание рабочего магнитного потока, благодаря которому во вращающемся якоре создается ЭДС. Генераторы постоянного тока в зависимости от способа подключения обмоток возбуждения различают: независимого, параллельного, последовательного и смешанного возбуждения.

Генератор независимого возбуждения имеет обмотку возбуждения ОВ, подключаемую к постороннему источнику тока через регулировочный реостат (Рис.6-10, а). Напряжение на зажимах такого генератора (кривая I на Рис.6-11) с увеличением тока нагрузки несколько уменьшается в результате падения напряжения на внутреннем сопротивлении якоря, причем напряжения получаются всегда устойчивыми. Это свойство оказывается весьма ценным в электрохимии (питание электролитических ванн).
Генератор параллельного возбуждения является генератором с самовозбуждением: обмотку возбуждения ОВ подключают через регулировочный реостат к зажимам того же генератора (Рис.6-10, б). Такое включение приводит к тому, что при увеличении тока нагрузки I, напряжение на зажимах генератора U" уменьшается из-за падения напряжения на обмотке якоря. Это, в свою очередь, вызывает уменьшение тока возбуждения и ЭДС в якоре. Поэтому напряжение на зажимах генератора UB уменьшается несколько быстрее (кривая 2 на Рис.6-11), чем у генератора независимого возбуждения.
Дальнейшее увеличение нагрузки приводит к настолько сильному уменьшению тока возбуждения, что при коротком замыкании цепи нагрузки напряжение падает до нуля (небольшой ток короткого замыкания обусловлен лишь остаточной индукцией в машине). Поэтому считают, что генератор параллельного возбуждения не боится короткого замыкания.
Генератор последовательного возбуждения
имеет обмотку возбуждения ОВ, включаемую последовательно с якорем (Рис.6-10, в). При отсутствии нагрузки (
=0) в якоре все же возбуждается небольшая ЭДС за счет остаточной индукции в машине (кривая 3 на Рис.6-11). С ростом нагрузки напряжение на зажимах генератора сначала растет, а после достижения магнитного насыщения магнитной системы машины оно начинает быстро уменьшаться из-за падения напряжения на сопротивлении якоря и из-за размагничивающего действия реакции якоря.
Из-за большого непостоянства напряжения с изменением нагрузки генераторы с последовательным возбуждением в настоящее время не применяют.
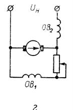
Генератор смешанного возбуждения имеет две обмотки: 0ВУ - включаемую параллельно якорю, ОВ2 (дополнительную) - последовательно (Рис.6-10, г). Обмотки включают так, чтобы они создавали магнитные потоки одного направления, а число витков в обмотках выбирают таким, чтобы падение напряжения на внутреннем сопротивлении генератора и ЭДС реакции якоря были бы скомпенсированы ЭДС от потока параллельной обмотки.
Обратимость машин постоянного тока. двигатели
Электрические машины постоянного тока, как и машины переменного тока, обратимы, т.е. они могут работать как генераторы и как двигатели. Переход генератора в режим работы двигателя можно пояснить следующим образом.
Если генератор включить в сеть постоянного тока, то в обмотках якоря и электромагнитов установится ток, при этом электромагниты создадут постоянное магнитное поле и на каждый проводник обмотки якоря с током начнет действовать сила, стремящаяся повернуть якорь в сторону действия силы (Рис.6-12, и). Таким образом, взаимодействие магнитного поля якоря с полем обмотки возбуждения приводит якорь во вращение.




Применяя правило левой руки, можно легко заметить, что при изменении направления тока только в якоре (Рис.6-12, б) или только в обмотке возбуждения (Рис.6-12, б) направление вращения якоря изменяется на противоположное, а одновременное изменение направления тока в обеих обмотках не изменяет направления вращения якоря (Рис.6-12, г)
Электродвигатели конструктивно не отличаются от генераторов постоянного тока, т.е. они имеют точно такое же устройство (за исключением немногих типов двигателей специального назначения).
Рассмотрим некоторые особенности двигателей. Если двигатель постоянного тока с сопротивлением обмотки якоря
включить в сеть с напряжением U, то в момент пуска в якоре установится ток
, значение которого может быть определено по закону Ома:
. (17)
Так как сопротивление обмотки якоря мощных двигателей составляет лишь десятые и сотые доли ома, а рабочее напряжение - порядка сотен вольт, то пусковой ток может составить сотни и тысячи ампер, превышая номинальное значение тока для данного двигателя в 10-30 раз. Такой ток не только не желателен, но и опасен для двигателя, так как может разрушиться коллектор и сгореть обмотка двигателя. Очевидно, что ограничение пускового тока можно осуществить включением пускового реостата в цепь якоря. Тогда пусковой ток уменьшится и будет равен:
. (18)
Сопротивление пускового реостата выбирают таким, чтобы пусковой ток не превышал номинальный более чем в 1,1 - 1,5 раза.
В результате взаимодействия якоря с полем полюсов якорь придет во вращение, обмотка его будет вращаться в магнитном поле и в ней индуцируется ЭДС самоиндукции
, полярность которой противоположна полярности напряжения сети. Эта ЭДС вызывает ослабление тока в якоре, а ее значение пропорционально скорости вращения якоря, т.е. по мере разгона двигателя ток будет уменьшаться и пусковой реостат можно выводить.
Иначе говоря, у нормально вращающегося двигателя основная часть подводимого напряжения уравновешивается ЭДС самоиндукции. Ток в якоре при выведенном пусковом реостате можно выразить уравнением:
. (19)
Для выяснения роли ЭДС самоиндукции в преобразовании электрической энергии в механическую в двигателе постоянного тока уравнение (19) представим в следующем виде:
. (20)
Получили уравнение электрического равновесия, согласно которому приложенное к зажимам двигателя напряжение сети Uуравновешивается суммой ЭДС самоиндукции
и падением напряжения на сопротивлении якоря ![]()
Умножив обе части уравнения (20) наIя , получим:
. (21)
В этом новом уравнении (21) левая частьIя
U представляет собой не что иное, как электрическую мощность, потребляемую двигателем из сети, а последний член правой части
- мощность, поглощаемую сопротивлением якоря
(электрические потери в якоре). Очевидно, что член
представляет собой электрическую мощность, преобразуемую в другой вид энергии. Следовательно,
и есть та часть потребляемой из сети электрической мощности,, которая преобразуется в механическую (включая механические потери).
Таким образом, ЭДС самоиндукции в двигателе постоянного тока влияет на преобразование потребляемой из сети электрической энергии в механическую. При неподвижном якоре
= 0 преобразование (полезное) отсутствует (
= 0), хотя потребляемая из сети мощность
максимальна. Наоборот, при номинальном режиме работы двигателя (
0) потребляемая из сети мощность (
) уменьшается, а преобразованная мощность становится отличной от нуля (![]()
0).
Для получения формулы скорости двигателя подставим в уравнение (19) значение ЭДС из соотношения (7). После преобразования получим:
. (22)
Учитывая, что падение напряжения на сопротивлении якоря
значительно меньше напряжения сети U, можно считать, что скорость вращения двигателя практически прямо пропорциональна подводимому напряжению U и обратно пропорциональна магнитному потоку Ф. Отсюда следует, что регулирование скорости вращения двигателя можно осуществлять изменением сопротивления цепи якоря (при постоянном напряжении сети) либо изменением магнитного потока. На первый взгляд может показаться странным, что увеличение магнитного потока двигателя снижает скорость его вращения (и наоборот).
Действительно, если при установившемся токе в якоре и скорости вращения уменьшить магнитный поток, то ЭДС самоиндукции уменьшится и электрическое равновесие (20) нарушится. Для восстановления этого равновесия при меньшем магнитном потоке якорь будет вращаться, быстрее, так как ЭДС самоиндукции пропорциональна его скорости вращения. Значение вращающего момента двигателя может быть выражено той же формулой, что и для генератора (13).

Потребляя электрическую энергию из сети, двигатель постоянного тока развивает вращающий момент, который при установившемся режиме всегда уравновешен тормозным моментом, создаваемым нагрузкой, поэтому при увеличении механической нагрузки на валу двигателя вращающий момент оказывается меньше тормозного. Двигатель уменьшает скорость вращения, а это приводит к уменьшению ЭДС самоиндукции и увеличению потребляемого тока. При неизменном магнитном потоке ток нагрузки увеличивается до тех пор, пока не восстановится равенство вращающего и тормозного моментов.
В зависимости от способа подключения обмотки возбуждения к якорю двигатели, как и генераторы постоянного тока, различают независимого, параллельного, последовательного и смешанного возбуждения.
Двигатель параллельного и независимого возбуждения

Схема включения двигателя постоянного, тока параллельного возбуждения через пусковой реостат ПР изображена на рисунке 6-13. Если обмотку возбуждения такого двигателя включить через регулировочный реостат РВ на напряжение другого источника, то получится двигатель независимого возбуждения.
Скоростная характеристика n=f (Iя ) таких двигателей при U =const и Iв = const приведена на рисунке 6-14, для объяснения которой обратимся к формуле скорости двигателя (22):
.
Изменение скорости вращения может происходить за счет изменения нагрузки и магнитного потока. Но изменение тока нагрузки лишь незначительно изменяет внутреннее падение напряжения благодаря малости сопротивления цепи якоря, которое тем меньше, чем мощнее двигатель. Ток нагрузки в конечном счете лишь незначительно уменьшает скорость вращения двигателя. Что касается магнитного потока Ф, то вследствие реакции якоря при увеличении тока нагрузки он несколько уменьшается, что приводит к незначительному увеличению скорости вращения. Таким образом, скорость вращения двигателя параллельного возбуждения очень мало изменяется.
Скорость вращения двигателя независимого возбуждения можно регулировать изменением сопротивления цепи якоря либо изменением магнитного потока. Чрезмерное уменьшение тока возбуждения и особенно случайный обрыв этой цепи являются очень опасными для двигателей параллельного и независимого возбуждения, так
как ток в якоре возрастает до недопустимо большого значения. В случае незначительной нагрузки (или на холостом ходу) скорость настолько возрастает, что становится опасной для целости двигателя (наступает аварийный режим - "разнос" двигателя).
Двигатели независимого возбуждения нашли широкое применение в качестве исполнительных двигателей в схемах автоматики, а иногда в качестве так называемого электромагнитного тормоза. Когда необходим большой пусковой момент или кратковременные перегрузки; исключена возможность их полной разгрузки. Они оказались незаменимыми как тяговые двигатели на электротранспорте (электровоз, метрополитен, трамвай, троллейбус), в подъемнотранспортных установках (краны и т.д.) и для пуска двигателей внутреннего сгорания (стартеры) в автомобилях и авиации.
Экономичное регулирование скорости вращения в широких пределах осуществляется в случае одновременной работы нескольких двигателей путем различных комбинаций включения двигателей и реостатов. Например, на малых скоростях они включаются последовательно, а на больших - параллельно. Необходимые переключения осуществляются оператором (водителем) поворотом ручки переключателя.
Двигатели последовательного возбуждения
Схема двигателя постоянного тока последовательного возбуждения. Обмотка возбуждения двигателя включена последовательно с якорем, поэтому магнитный поток двигателя изменяется вместе с изменением нагрузки. Так как ток нагрузки велик, то обмотка возбуждения имеет небольшое число витков, это позволяет несколько упростить конструкцию пускового реостата по сравнению с реостатом для двигателя параллельного возбуждения.


Скоростную характеристику можно получить на основании уравнения скорости, которая для двигателя последовательного возбуждения имеет вид:
n=
,
где
- сопротивление обмотки возбуждения.
Из рассмотрения характеристики видно, что скорость двигателя сильно зависит от нагрузки. При увеличении нагрузки увеличивается падение напряжение на сопротивлении обмоток при одновременном увеличении магнитного потока, что приводит к значительному уменьшению скорости вращения. Это характерная особенность двигателя последовательного возбуждения.
Значительное уменьшение нагрузки приведёт к опасному для двигателя увеличению скорости вращения. При нагрузках менее 25% номинальной (и особенно на холостом ходу), когда ток нагрузки и магнитный поток из-за небольшого числа витков в обмотке возбуждения оказывается настолько слабым, что скорость вращения быстро возрастает до недопустимо больших значений (двигатель может "разнести"). По этой причине эти двигатели применяют лишь в тех случаях, когда их соединяют с приводимыми во вращение механизмами непосредственно или через зубчатую передачу. Применение ременной передачи недопустимо, так как ремень может оборваться, либо соскочить, двигатель при этом полностью разгрузится.
Регулирование скорости вращения двигателя последовательного возбуждения может осуществляться изменением магнитного потока или изменением питающего напряжения.
Зависимость вращающего момента от тока нагрузки (механическую характеристику) двигателя
последовательного возбуждения можно получить, если в формуле вращающего момента магнитный поток выразить через ток нагрузки. В отсутствие магнитного насыщения поток пропорционален току возбуждения, а последний для данного двигателя является током нагрузки, т.е.
M=![]()
На графике эта характеристика имеет форму параболы. Квадратичная зависимость вращающего момента от тока нагрузки является второй характерной особенностью двигателя последовательного возбуждения, благодаря которой эти двигатели легко переносят большие кратковременные перегрузки и развивают большой пусковой момент.

Рабочие характеристики двигателя приведены на рисунке 6-17.
Из рассмотрения всех характеристик следует, что двигатели последовательного возбуждения можно принять в тех случаях, когда необходим большой пусковой момент или кратковременные перегрузки; исключена возможность их полной разгрузки. Они оказались незаменимыми как тяговые двигатели на электротранспорте (электровоз, метрополитен, трамвай, троллейбус), в подъемнотранспортных установках (краны и т.д.) и для пуска двигателей внутреннего сгорания (стартеры) в автомобилях и авиации.
Экономичное регулирование скорости вращения в широких пределах осуществляется в случае одновременной работы нескольких двигателей путем различных комбинаций включения двигателей и реостатов. Например, на малых скоростях они включаются последовательно, а на больших - параллельно. Необходимые переключения осуществляются оператором (водителем) поворотом ручки переключателя.
Двигатель смешанного возбуждения

Схема включения двигателя постоянного тока смешанного возбуждения изображена на рисунке 6-18. На каждом полюсе такого двигателя имеются обмотки - параллельная и последовательная. Их можно включить так, чтобы магнитные потоки складывались (согласное включение) или вычитались (встречное включение).
Уравнения скорости вращения и вращающего момента для них выражаются так:
и М = с1я
(Фпр
± Фпс
),
где знак плюс относится к согласному включению обмоток возбуждения, минус - к встречному. В зависимости от соотношения магнитных потоков обеих обмоток по свойствам двигатель приближается к двигателям параллельного либо последовательного возбуждения. Как правило, у двигателей смешанного возбуждения последовательная обмотка является главной (рабочей), а параллельная - вспомогательной. Благодаря магнитному потоку параллельной обмотки скорость вращения такого двигателя не может возрастать беспредельно при малых нагрузках (или на холостом ходу), т.е. двигатель не будет "разносить".
Двигатели с согласным включением нашли широкое применение в тех случаях, когда необходим большой пусковой момент и изменение скорости при переменных нагрузках (включая малые нагрузки и холостой ход). Двигатели же со встречным включением применяют для получения постоянной скорости при изменяющейся нагрузке.

На рисунке 6-19 приведены для сравнения нагрузочные характеристики двигателей с различными способами возбуждения.
Коллекторные двигатели переменного тока
Одновременное изменение тока в якоре и обмотке возбуждения двигателя постоянного тока не изменяет его направления вращения. Это свойство используется в коллекторных двигателях переменного тока, где ток с частотой сети одновременно изменяет свое направление в обеих обмотках.
Конструкция коллекторных двигателей переменного тока значительно сложнее конструкции двигателей постоянного тока. Всю магнитную систему набирают из отдельных изолированных друг от друга листов электротехнической стали, чтобы избежать ее сильного нагревания от столь частого перемагничивания. Для уменьшения реактивного сопротивления двигателя, ухудшающего cos
сети, станину снабжают компенсационной обмоткой, расположенной равномерно по окружности статора и соединенной последовательно с якорем. Для улучшения компенсации ЭДС самоиндукции в секциях якоря статор делают неявнополюсным. Для получения удовлетворительной коммутации, при которой короткозамкнутая секция оказывается подобной короткозамкнутой обмотке трансформатора, число витков в секциях уменьшают, увеличивая число секций, и ограничивают ток включением между секциями и коллектором специальных резисторов. Наличие большого числа секций и пластин коллектора сильно увеличивает размеры коллектора, что является внешним отличительным признаком коллекторных двигателей переменного тока от двигателей постоянного.
Почти все коллекторные двигатели переменного тока имеют последовательное возбуждение. Двигатели параллельного возбуждения из-за большой индуктивности обмотки возбуждения (большого сдвига фаз между током в якоре и потоком) имеют весьма незначительный вращающий момент, поэтому на практике такие двигатели не применяют.
Иногда встречаются маломощные так называемые универсальные двигатели, которые работают как от постоянного, так и от переменного тока. В этих двигателях обмотка рассчитана на работу постоянного тока, а часть ее (отвод) - на работу переменного тока, так как сопротивление одной и той же обмотки меньше для постоянного, чем для переменного тока.
Из-за сложности конструкции и дороговизны коллекторные двигатели большой мощности применяют в редких случаях, где это экономически оправдывает себя, например для привода одного механизма с широкими пределами регулирования скорости. Иногда встречаются трехфазные коллекторные двигатели с питанием со стороны ротора, в которых перемещение щеток по коллектору дает регулирование скорости в широких пределах, но этот двигатель очень дорог.
Широкое распространение получили маломощные (до 200 Вт) универсальные коллекторные двигатели последовательного возбуждения. Их применяют для нужд бытового электропривода (швейных машин, пылесосов, для мелких электродрелей, вентиляторов и т.д.)
Похожие рефераты:
Оборудование летательных аппаратов
Обслуживание и ремонт электрических двигателей (ремонт синхронного двигателя)
Схемы управления электродвигателями
Ремонт внутрицеховых электросетей и источников освещения
Техническая эксплуатация и ремонт двигателей постоянного тока
Расчет параметров тягового электродвигателя
Получение и использование электрической энергии