| Похожие рефераты | Скачать .docx |
Реферат: Электротехника с основами электроники
Костромская государственная
сельскохозяйственная академия
Кафедра ТОЭ и автоматики
МЕТОДИЧЕСКИЕ УКАЗАНИЯ
к лабораторным работам по курсу
"Электротехника с основами электроники "
для студентов факультета
Механизации сельского хозяйства
1 цикл
Составители: ст. преподаватель
Смирнов В. Б.,
доцент, к. т. н. Смирнов Л.А.
Кострома - 2000
Методические указания к лабораторным работам по электротехнике с основами электроники (1 цикл). Для студентов факультета механизации сельского хозяйства. - Кострома: издательство Костромской государственной сельскохозяйственной академии, 2000.
Методические указания содержат описания лабораторных работ, которые студенты факультета механизации сельского хозяйства выполняют в первом семестре после начала изучения курса "Электротехника с основами электроники" и включают в себя разделы электрических цепей постоянного тока, однофазного переменного тока и некоторые вопросы магнитных цепей.
Рекомендовано методической комиссией факультета электрификации и автоматизации сельского хозяйства КГСХА
Протокол № 2 от 15.12.99
Костромская государственная сельскохозяйственная академия, 2000.
Общие требования по выполнению лабораторных работ
Изучите по методическим указаниям и конспекту лекций теоретические вопросы, относящиеся к теме предстоящей работы. Ознакомьтесь с содержанием и порядком выполнения работы.
В тетради для лабораторных работ напишите номер, название и цель работы, начертите схему исследования электрической цепи и таблицу для записей результатов опытов и расчетов.
Соберите цепь по заданной схеме. Вначале рекомендуется соединить все последовательно соединенные элементы, а только затем подключить элементы, включаемые параллельно. Проверить правильность соединения цепи. Включать цепь под напряжение только после разрешения преподавателя.
При проведении опытов следует выполнять требования по технике безопасности:
перед началом сборки схемы необходимо убедится в том, что стенд выключен;
не применяйте провода с поврежденной изоляцией, наконечники
проводов надежно зажимайте клеммами;
о включении стенда необходимо предупредить всех членов группы;
при появлении во время работы искр, запаха, дыма или других признаков ненормальной работы оборудования необходимо немедленно отключить стенд и сообщить об этом преподавателю;
запрещается самовольно устранять неисправности электрооборудования;
при несчастном случае следует немедленно сообщит об этом преподавателю.
Разбирать схему следует только после проверки преподавателем результатов опытов.
Произведите необходимые расчеты и графические построения и сделайте выводы по работе.
Методические указания к лабораторной работе № 1
ОЗНАКОМЛЕНИЕ С ОБОРУДОВАНИЕМ И ЭЛЕКТРОИЗМЕРИТЕЛЬНЫМИ ПРИБОРАМИ. СБОРКА СХЕМ И ПОИСК НЕИСПРАВНОСТЕЙ В ЭЛЕКТРИЧЕСКИХ ЦЕПЯХ
Цель работы :
получить практические навыки по чтению схем, сборке электрических цепей, контролю технического состояния электротехнических изделий.
1. Основные теоретические положения .
Электрическая цепь представляет собой совокупность отдельных элементов, соединенных между собой определенным образом, и предназначена для протекания электрического тока.
Соединение элементов между собой может производиться безразборными (пайка, сварка, прессование) и разборными (болтовое, штепсельное, клеммное и т.д.) методами в зависимости от поставленной задачи и требований технологии. В электрической цепи происходит преобразование электрической энергии : механическая и химическая переходят в электрическую, а электрическая в тепловую, световую., механическую и т.д. В состав цепи могут входить источники электрической энергии, потребители, соединительные провода, аппараты управления, защиты и сигнализации, электроизмерительные приборы, преобразующие устройства и т.д.
Электрические цепи могут быть неразветвленными и разветвленными . Узлом называют такую точку электрической цепи, где соединяется более двух проводников. Ветвью называют участок цепи, заключенный между двумя узлами, на протяжении которого сила тока имеет одно и то же значение. Все элементы электрической цепи имеют графические и условные буквенные обозначения на схемах, выполняемые в соответствии с требованиями ГОСТ .
2. Электрические цепи обязательно содержат источники электрической энергии . Часто на схемах сами источники не изображаются, но обозначаются клеммы электрической сети, от которой питается цепь. Стандартная электрическая сеть имеет трехфазное напряжение 380/220 В и не всегда пригодна для нормальной работы исследуемой цепи. Поэтому могут применять дополнительно трансформаторы и различные регуляторы напряжения . Для регулирования переменного однофазного напряжения часто используют лабораторный автотрансформатор (ЛАТР). Перемещая движок по его обмотке, можно изменять выходное напряжение от 0 до 250В (рис.1).
Рис.1 Схема подключения автотрансформатора
![]() |
Если в лаборатории требуется постоянное напряжение, то можно использовать аккумуляторы и выпрямители . Постоянное регулируемое напряжение можно получить, если применить ЛАТР и выпрямитель.
Часто для лабораторных работ используют пониженное трехфазное и однофазное напряжение, а также источники энергии с регулируемой частотой напряжения. На табличках оборудования указываются их номинальные данные.
3. В качестве потребителей электрической энергии могут быть использованы реостаты, лампы накаливания . На табличке (бирке) реостатов и ламп накаливания указаны их номинальные данные: напряжение, ток, мощность, сопротивление. Следует иметь ввиду, что действительные значения параметров могут отличаться от номинальных в пределах ±10... 20%.
В цепях переменного напряжения в качестве нагрузки используются также конденсаторы, катушки индуктивности с плавным или дискретным регулированием параметров (изменением площади пластин конденсатора, расстояния между обкладками и т.д.; изменением числа витков катушки индуктивности, воздушного зазора магнитопровода, изменением взаимного расположения катушки и магнитопровода). В качестве нагрузки можно использовать электродвигатели, преобразователи и т.д.
4. Для защиты от перегрузок и коротких замыканий применяют автоматические выключатели , предохранители и специальные электронные устройства. Они разрывают цепь нагрузки при отклонении условий работы от номинальных. В схемах лабораторных работ защитные устройства обычно не указываются. Питание цепей постоянного тока для полупроводниковых устройств производится от блоков с электронной защитой, срабатывающей за тысячные доли секунды и возвращающейся в исходное состояние после устранения ненормального режима.
5. Для контроля электрических параметров цепей применяют амперметры, вольтметры, ваттметры, омметры, осциллографы, комбинированные приборы и т.д. Приборы бывают щитовые и переносные, предназначенные для измерений на постоянном или переменном токе. Они могут быть одно - и многопредельными, могут иметь различные конструктивные особенности.
Согласно ГОСТ 23217-78 для электроизмерительных аналоговых приборов с непосредственным отсчетом установлены следующие условные обозначения , наносимые на них.
Основные единицы измерения и их кратные и дольные значения: например, килоампер - кА, ампер - А, миллиампер - мA, микроампер - мкА.
Род тока: постоянный, обозначается знаком " - ", переменный - " ~ ", постоянный и переменный - " - ", трехфазный - " ".
Безопасность. Внутри пятиконечной звездочки указана цифра испытательного напряжения в киловольтах. Если стоит цифра 0 , то это означает, что прибор испытанию прочности изоляции не подлежит. Если внутри звездочки не указана цифра, то это означает, что испытательное напряжение равно 500 В.
![]()
Используемое положение. Прибор применять при вертикальном положении шкалы - ^
; прибор применять при горизонтальном положении шкалы -
; прибор применять при наклонном положении (под углом, например 60°) - Ð 60°;
прибор должен ориентироваться в направлении внешнего магнитного поля "p
®
N
".
Класс точности. Класс точности указывают на приборе соответствующей цифрой, например: 0,5; 1,0; 1,5 и т.д.
Общие условные обозначения принципа действия электроизмерительных приборов:

![]()
![]()


![]()




Для измерения электрических величин в широких пределах используют многопредельные электроизмерительные приборы . Для перевода с одного предела измерений на другой такие приборы снабжены переключателями (поворотными или кнопочными) или дополнительными клеммами. Пределы измерений следует устанавливать в зависимости от ожидаемого значения электрической величины таким образом, чтобы прибор не оказался перегруженным. В то же время нельзя завышать предел измерения, так как в этом случае стрелка прибора будет отклоняться на малый угол и точность измерения снизится. Например, вольтметр имеет пределы измерения: 75, 150, 300, 450 В, а напряжение источника - 220 В. Следовательно на приборе необходимо установить предел измерения 300 В.
Цена деления многопредельного прибора (С) определяется как частное от деления предела, указанного на переключателе, на число делений, обозначенное цифрой на конце шкалы. Например, у амперметра, имеющего на шкале 100 делений, на пределе 2 А цена деления составит 0,02 А, а у вольтметра, имеющего 150 делений, цена деления на пределе 75 В составит 0,5 В.
Цена деления многопредельного ваттметра равна произведению пределов измерения напряжения и силы тока, деленному на число делений шкалы прибора. Так, ваттметр, имеющий шкалу на 150 делений, с пределами по току 5 А и по напряжению 300 В, будет иметь цену деления, равную 10 Вт. Порядок выполнения работы:
1. Ознакомиться со всеми приборами стенда. Записать технические характеристики нескольких приборов (по указанию преподавателя) и определить их цену деления.
2. Ознакомиться с аппаратурой стенда, записать технические характеристики.
3. Измерить ЭДС всех источников.
4. Составить схему с последовательным соединением нескольких резисторов. В схеме предусмотреть приборы для измерения тока, напряжения и мощности. После проверки правильности составленной схемы преподавателем собрать ее на лабораторном стенде и произвести необходимые измерения электрических величин.
5. Повторить п.4 с параллельным соединением резисторов.
6. Повторить п.4 со смешанным соединением резисторов.
Пример составленной схемы представлен на рис.2.

Рис.2. Варианты подключения измерительных приборов и нагрузки
Чтобы быстро и правильно собрать на стенде электрическую цепь, не запутавшись в ней, необходимо собрать сначала все последовательные цепи, а уже затем присоединить все параллельные цепи.
7. Результаты измерений, а также технические характеристики приборов и оборудования, представить в виде таблиц произвольной формы.
8. После окончания работы отключить питание стенда, разобрать схему.
9. Составить краткие выводы по работе.
3. Контрольные вопросы
1. Из каких элементов состоит электрическая цепь и каково их назначение?
2. Что называют узлом и ветвью электрической цепи?
3. Каков порядок сборки электрической цепи?
4. Какие системы электроизмерительных приборов вы знаете?
5. Как условно изображают системы электроизмерительных приборов?
6. Какие условные обозначения наносят на шкалы приборов?
7. Начертите схему включения амперметра, вольтметра, ваттметра.
8. Как поступить, если стрелка прибора в отключенном состоянии отклонилась влево (вправо) от нулевой отметки?
Как поступить, если стрелка прибора отклонилась за максимальное деление шкалы?
10. Как поступить, если стрелка ваттметра отклонилась влево от нулевой отметки?
11. Как определить цену деления комбинированного (многопредельного) прибора?
12. Как измерить ЭДС аккумулятора?
13. Два одинаковых сопротивления соединены последовательно (параллельно). Чему равно результирующее сопротивление?
14. Что будет, если в исследуемой цепи поменяли местами амперметр и вольтметр?
Методические указания к лабораторной работе №2
ИССЛЕДОВАНИЕ РЕЖИМОВ РАБОТЫ АККУМУЛЯТОРОВ
Цель работы
Изучить режимы работы аккумулятора как источника постоянного тока, определить его внутренне сопротивление, проанализировать энергетические соотношения и особенности работы аккумуляторов при их последовательном и параллельном соединении.
1. Основные теоретические положения.
Аккумулятор является химическим источником энергии. Его основными параметрами являются электродвижущая сила (ЭДС) Е и его внутреннее сопротивление RВ . ЭДС характеризует способность источника энергии создать ток в электрической цепи, она численно равна напряжению между его зажимами при отсутствии тока (холостой ход, нагрузка отключена), и внутри источника направлена от отрицательного зажима к положительному (рис.1).
Если к аккумулятору подключить нагрузочный реостат с сопротивлением R , то в цепи возникает ток, величина которого определяется по закону Ома для электрической цепи с ЭДС
(1)
Преобразуем это выражение и получим формулу зависимости напряжения на зажимах приемника от тока нагрузки (рис.1)
![]()
Так как IR=U, то U=E-IRB . (2)
Величина внутреннего сопротивления аккумулятора RB
практически постоянна и составляет сотые доли Ом, поэтому падение напряжения на внутреннем сопротивлении аккумулятора I
RB
растет пропорционально току нагрузки. Таким образом, величина напряжения на зажимах аккумулятора (приемника) будет уменьшаться с увеличением тока нагрузки. При этом внутри аккумулятора теряется часть мощности,
. Величина выделившейся тепловой энергии определяется по закону Джоуля-Ленца.
ч, (3)
где t - время прохождения тока, ч.
Следовательно, внутреннее сопротивление - параметр, характеризующий тепловые потери в источнике и влияющий на его энергетические характеристики. Внутреннее сопротивление аккумулятора может быть определено на основании закона Ома по данным режимов холостого хода и какого-либо рабочего режима
(4)
или по эмпирической формуле для 100% заряженного аккумулятора (кислотного) при температуре 20°С
, (5)
где Uном - напряжение на зажимах аккумулятора при номинальном разрядном токе, В;
Q - емкость аккумулятора, А×ч.
Величина внутреннего сопротивления аккумулятора может быть определена по его внешней характеристике - зависимости напряжения на зажимах аккумулятора от тока нагрузки. Напряжение на зажимах аккумулятора линейно зависит от силы тока и нагрузки и графически изображается в виде прямой линии, пересекающей оси I и U (рис.2). Точка пересечения с осью U (I=0, R¥, режим холостого хода) дает величину ЭДС, а точка пересечения с осью I (U=0, R=0, режим короткого замыкания) дает величину тока в нагрузке при сопротивлении внешней нагрузки, равной нулю. В этом случае:
E=IK
×RB
и
, (6)
где IK - ток короткого замыкания.
Если известна только часть внешней характеристики (рис.2), то внутреннее сопротивление аккумулятора можно определить по формуле
, Ом (7)
Важнейшими эксплуатационными параметрами аккумулятора являются также его зарядный и разрядный токи, максимальная мощность, отдаваемая в нагрузку и коэффициент полезного действия. Эти величины указываются в паспортных данных аккумулятора. При практических расчетах величина зарядного тока принимается
, А - кислотные аккумуляторы (8)
, А - щелочные аккумуляторы (9)
Величина разрядного тока зависит от мощности нагрузки, а его номинальное значение равно примерно зарядному току. Максимальное значение разрядного тока Iраз. max =3×Q для кислотных стартерных аккумуляторных батарей (пуск стартера). Коэффициент полезного действия h равен отношению полезной мощности приемника Р2 ко всей мощности источника Р:
(8)
Или ![]()
Отсюда следует, что при холостом ходе (R=¥) КПД приближается к единице, при коротком замыкании (R=0) он равен нулю, в согласованном режиме (R=RB ) он равен 0,5. При режиме отдачи максимальной мощности, т.е. I=E/2RВН , получим:
(9)
Такой низкий КПД недопустим в электрических установках большой мощности. Поэтому стремятся, чтобы внутреннее сопротивление источника было значительно меньше сопротивления приемника. В ряде случаев один аккумулятор не обеспечивает нормальную работу потребителя. В этом случае используют последовательное, параллельное или смешанное соединение аккумуляторов. При последовательном соединении величина тока в нагрузке равна
, А (10)
Напряжения на зажимах источников соответственно равны:
U1 =E1 -IRB1 ; U2 =E2 -IRB2 ; Un =En -IRBn .
Напряжение на зажимах потребителя можно определить по формулам:
U ![]()
(11)
Из формул видно, что при последовательном соединении аккумуляторов в батареи режимы эксплуатации (ток разряда и заряда) в значительной степени зависят от внутреннего сопротивления наихудшего элемента. Увеличение внутреннего сопротивления приводит к увеличению потерь в аккумуляторе, DP=I2 RВН и невозможности создания необходимых зарядных и разрядных токов.
При параллельном соединении аккумуляторы соединяются между собой зажимами одинаковой полярности и ток в нагрузке определяется по первому закону Кирхгофа:
I=I1 + I1 +... + In ,
где I - ток в нагрузке, А;
I1 ... In - токи источников, А.
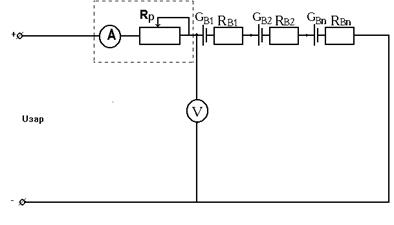
При параллельном соединении аккумуляторов анализ их работы следует вести, используя метод узловых потенциалов. Напряжение на зажимах приемников равно:
(12)
где Ei - ЭДC i-го источника, В;
Gi - проводимость i-й параллельной ветви.
Токи в ветвях определяются по закону Ома:
(13)
Из формулы видно, что токи в ветвях распределяются обратно пропорционально сопротивлениям ветвей. Поэтому, если параллельно соединены два аккумулятора с равными ЭДС и разными внутренними сопротивлениями (различное техническое состояние аккумуляторов), то ток нагрузки будет распределяться между ними обратно пропорционально их внутренним сопротивлениям:
(14)
При неравных ЭДС один из источников может работать в режиме приемника электрической энергии (ток со знаком “минус”), что приведет к саморазряду аккумулятора-источника даже при отключенной нагрузке.
Данные теории и практики указывают на то, что ЭДС аккумулятора не зависит от размера пластин, но изменяется в зависимости от плотности электролита согласно эмпирической формуле:
Е=0,84 + g (15)
где g - плотность электролита при 15°, г/см3 ;
Е - ЭДС аккумулятора, В.
Поскольку процессы заряда и разряда аккумулятора сопровождаются изменением плотности электролита, ЭДС и напряжение аккумулятора тоже должны изменяться. В процессе разряда начальное значение ЭДС аккумулятора при плотности электролита 1, 28 г/см3 составляет 2,1 В. Разряд аккумулятора следует прекращать, когда напряжение будет на 10...15% ниже номинального значения, что соответствует 1, 7 В при плотности электролита 1, 16 г/см3 .
В стационарных условиях заряд аккумуляторных батарей проводят или при постоянном напряжении или при постоянном токе. При этом в конце заряда допускают предельное значение напряжения, равное 2,5...2.6 В на аккумулятор или 15...15.6 В на батарею из шести элементов. Следовательно, напряжение зарядного устройства должно быть 15...16 В. На автомобиле в нормальных условиях величина напряжения генератора не превышает 14,4 В и ограничивает заряд в указанных пределах. Общее напряжение для заряда шестивольтовых батарей 7,5 В. Для подсчета наибольшего возможного числа аккумуляторных батарей m, которое можно соединить последовательно в группу, следует учитывать напряжение зарядной сети и напряжение на один аккумулятор 2,7 В в конце заряда m=
C
/2,7 (16)
Достоинствами заряда при постоянном напряжении являются:
возможность заряжать аккумуляторы различной емкости;
заряд происходит быстрее (для получения 90-95% емкости требуется 4-5 часов);
большой ток в начале заряда батарее не вредит, т.к величина его быстро уменьшается;
газообразование в конце заряда меньше, что благоприятно сказывается на пластинах;
регулировочный резистор в зарядной цепи позволяет заряжать сульфатированные аккумуляторы (рис.3)
(17)
В процессе эксплуатации техническое состояние аккумуляторной батареи может быть проверено аккумуляторным пробником, например Э107, Ф108. Если напряжение отдельных аккумуляторов батареи отличается более чем на 0,1 В или в течение 5 сек. проверки оно падает, батарею следует зарядить или отправить в ремонт.
Степень разряженности батареи определяется также пробником.
| Напряжение на аккумуляторе, В | Разрядка аккумулятора,% |
| 1,7...1,8 | 0 (полностью заряжен) |
| 1,6...1,7 | 25 |
| 1,5...1,6 | 50 |
| 1,4...1,5 | 75 |
2. Задание по работе
Измерить ЭДС исследуемых источников.
Определить номинальные зарядный и разрядный токи источников.
Составить схему исследований и снять внешнюю характеристику:
3.1 Двух источников, соединенных последовательно;
3.2 Двух источников, соединенных параллельно.
4. Определить внутреннее сопротивление, потери мощности и КПД источников при номинальном разрядном токе.
5. Составить схему исследований, выполнить необходимые расчеты и обследовать режимы зарядки:
5.1. Одного аккумулятора;
5.2. Двух аккумуляторов, соединенных последовательно;
5.3. Двух аккумуляторов, соединенных параллельно.
6. На основании результатов исследований составить краткие выводы по соответствующим пунктам задания, обосновав их необходимыми расчетами, графическими зависимостями.
7. Ответить на вопросы самоконтроля знаний.
8. Составить отчет по лабораторной работе.
3. Методические указания по выполнению работы
Составить план проведения исследований, таблицы регистрации расчетных и экспериментальных данных.
Произвести внешний осмотр измерительных приборов, устройств и оборудования. Написать в отчет их технические данные.
Составить и собрать схемы экспериментальных исследований.
При работе с кислотными и щелочными аккумуляторами соблюдать инструкции по охране труда.
Определение внутреннего сопротивления аккумулятора по его внешней характеристике производить в следующей последовательности:
5.1. Составить схему исследований;
5.2. составить таблицу для регистрации экспериментальных и расчетных данных;
5.3. при нескольких положениях движка реостата зафиксировать показания амперметра и вольтметра;
5.4. построить внешнюю характеристику аккумулятора (соединить несколько полученных точек прямой линией и продолжить ее до пересечения с осями координат);
5.5. определить значения ЭДС и тока короткого замыкания аккумулятора;
5.6. определить внутреннее сопротивление одного аккумулятора, двух аккумуляторов при последовательном и параллельном соединениях.
4. Вопросы самоконтроля
Какие системы электроизмерительных приборов могут быть использованы при измерениях в цепях постоянного тока?
Как измерить ЭДС и напряжение на зажимах источника?
Как определить внутреннее сопротивление источника?
Как рассчитать потери и КПД источника?
Как определить напряжение на зажимах потребителя при параллельном соединении аккумуляторов?
При каких условиях два аккумулятора, включенные параллельно, будут саморазряжаться при отключенной нагрузке?
Как определить зарядный ток аккумуляторов при их последовательном соединении к зарядному устройству?
Приведите начальные и конечные значения плотности электролита ЭДС одного элемента кислотного аккумулятора.
Приведите предельное значение напряжения на одном элементе кислотного аккумулятора в конце заряда.
Как рассчитать величину добавочного сопротивления при заряде 12-вольтового аккумулятора от 24-вольтового?
Как определить полярность клемм аккумуляторной батареи?
При каких значениях напряжений батарея не допускается к эксплуатации?
Какие правила техники безопасности нужно соблюдать при работе с аккумуляторной батареей?
Охарактеризуйте режим зарядки аккумулятора при постоянном напряжении.
Охарактеризуйте режим зарядки аккумулятора при постоянном токе.
Какие электроизмерительные приборы применяются при проверке работоспособности аккумулятора?
Как определить номинальный разрядный ток аккумулятора?
Приведите несколько марок аккумуляторов и дайте их расшифровку.
Как рассчитать сопротивление нагрузки потребителя?
Как рассчитать количество тепла, выделяющееся в аккумуляторе при его работе?
Приведите выражение законов Ома и Кирхгофа для исследуемой схемы.
Какие источники электрической энергии вы знаете? Какие виды энергии они используют?
Какие режимы работы источников вам известны?
Каковы характерные особенности режима холостого хода?
Каковы характерные особенности режима короткого замыкания?
Что такое внешняя характеристика источника и каково ее значение?
№ |
Из опыта | Из расчета | |||||||
| E | U | I | IRB | RB | P1 | P2 | DP | h | |
| B | B | A | B | Ом | Вт | Вт | Вт | ||
| 1 | |||||||||
| 2 | |||||||||
| 3 | |||||||||
| 4 | |||||||||
![]()
![]()
![]()
![]()
![]()
![]()
![]()
![]()
![]()
![]()
![]()
![]()
![]()
![]()
![]()
![]()
![]()
![]()
![]()
![]()
![]()
![]()
pА
G
Е
pV R
Rвн U U
Рис. 1. Схема исследования аккумулятора.
U
![]()
E
![]() |
U
![]()
![]()
I
I
Ik
Рис. 2. Внешняя характеристика аккумулятора.

Рис.3. Схема зарядки аккумулятора при U=const.

Рис.4. График заряда аккумулятора при U=const.
Литература
1. Иванов И.И., Равдоник В.С. Электротехника. - М.: Высшая школа, 1984, с.15 - 19,190 - 193.
2. Касаткин А.С., Немцов М.В. Электротехника. - М.: Энергоатомиздат, 1983,с.15 - 25, 252 - 254.
Методические указания к лабораторной работе №3
“ОПРЕДЕЛЕНИЕ ПАРАМЕТРОВ КАТУШКИ ИНДУКТИВНОСТИ"
Цель работы.
В работе проводится экспериментальное определение активного сопротивления и индуктивности катушки. По опытным данным делается заключение о техническом состоянии катушки индуктивности.
1. Основные теоретические положения.
Одним из основных элементов конструкции различного рода электрических машин и аппаратов, устройств электроавтоматики, промышленной электроники, транспортных средств и т.п. является катушка индуктивности. Произвольное изменение параметров катушки в производственных условиях может оказать существенное влияние на ход технологического процесса или сделать его вообще невозможным. Поэтому технический персонал предприятия должен знать основные методы контроля технического состояния катушек индуктивности.
При протекании тока по виткам катушки с поперечным сечением магнитопровода S
создается магнитное поле, интенсивность которого характеризуется магнитной индукцией В
и магнитным потоком
, который пропорционален магнитодвижущей силе F
, равной произведению тока I
катушки на число ее витков W
. Зависимость Ф (I) при W=const катушки при отсутствии ферромагнитного магнитопровода является линейной.
При наличии магнитопровода магнитный поток, создаваемый подобной катушкой индуктивности (дросселя), при прочих равных условиях значительно возрастает, так как при этом магнитный поток создается не только непосредственно проводником с током катушки (источник внешнего магнитного поля), но и соответствующим ферромагнитным веществом магнитопровода (источником внутреннего магнитного поля).
При включении катушки индуктивности с магнитопроводом (в общем случае с воздушным зазором под переменное синусоидальное напряжение в цепи катушки появляется переменный ток, под действием которого в магнитопроводе возникает переменный магнитный поток Ф (t). Основная часть результирующего магнитного потока замыкается по цепи магнитопровода, так как магнитная проницаемость его во много раз больше магнитной проницаемости воздуха. Однако незначительная часть результирующего потока (порядка 3...5%) рассеивается и замыкается вокруг отдельных витков катушки индуктивности. Из курса физики известно, что для ферромагнитных материалов существует нелинейная зависимость между величиной магнитной индукции
и напряженностью магнитного поля
, создаваемого катушкой индуктивности (lср. -
длина средней магнитной линии). Эта зависимость В (Н) - кривая намагничивания, является одной из важнейших характеристик ферромагнитных материалов.
Основными параметрами катушки являются активное сопротивление и индуктивность.
АКТИВНОЕ СОПРОТИВЛЕНИЕ R
зависит от длины, площади поперечного сечения S
и удельного сопротивления проводника
:
, Ом (4.1)
Активное сопротивление катушки можно измерить омметром, методом амперметра и вольтметра или при помощи измерительных мостов. Измерения проводят на постоянном токе.
Активное сопротивление катушки при переменном токе будет несколько больше того значения, которое получается при постоянном токе. Это обусловлено поверхностным эффектом, который сказывается особенно заметно при высокой частоте тока и большой площади поперечного сечения проводника. При промышленной частоте 50 Гц поверхностный эффект заметно проявляется в стальных (ферромагнитных) проводниках, а в проводниках из цветных металлов он настолько слаб, что его не учитывают.
При работе катушки в цепях переменного тока следует учитывать ее индуктивное сопротивление :
, Ом (4.2)
где f - частота тока, Гц;
L - индуктивность катушки, Гн.
Индуктивность катушки зависит от числа витков, размеров и формы катушки, а также от магнитной проницаемости материала, из которого изготовлен сердечник, размеров и конфигурации магнитопровода. Так, например, индуктивность тороидальной катушки с сердечником любого сечения может быть определена по формуле:
, Гн (4.3)
где W - число витков катушки,
- магнитная проницаемость сердечника,
S - площадь поперечного сердечника, см2, lср - средняя длина магнитной силовой линии, см.
Вследствие того, что индуктивность катушки, снабженной ферромагнитным сердечником, величина переменная, зависящая от тока (вследствие непостоянства магнитной проницаемости), ее обычно определяют опытным путем. Если неизвестен какой-либо параметр катушки (l, W, S,
), то этот метод является единственно возможным.
При экспериментальном определении индуктивности катушки дополнительно предоставляется возможность оценить ее техническое состояние. В этом случае опытные данные сравниваются с паспортными или с данными, полученными на образцовой (исправной) катушке. Таким образом можно выявить такую распространенную неисправность, как витковое замыкание в катушке. Измерения индуктивности в катушке производятся специализированными приборами, измерителями R, L, C, методом амперметра и вольтметра на переменном токе.
2. Задание по работе.
Составить схему опыта для измерения сопротивлений катушки на постоянном и переменном токе.
Составить таблицы для регистрации экспериментальных и расчетных данных.
Записать необходимые расчетные формулы.
Определить индуктивность катушки несколькими методами.
Построить график изменения индуктивности в зависимости от тока L (I).
По результатам одного из опытов построить: треугольник сопротивления и векторную диаграмму.
Составить краткие выводы по работе.
Подготовить ответы на вопросы самопроверки.
3. Методические указания по выполнению работы.
Определение индуктивности катушки по методу амперметра и вольтметра провести в следующей последовательности:
Измерить омическое сопротивление катушки омметром и по методу амперметра и вольтметра на постоянном токе (для данной катушки Imax =3A)
2. Сравнить полученные значения с образцовыми (по паспорту катушки).
3. Включая катушку в цепь переменного тока известной частоты, измеряем ток и напряжение на катушке, вычисляем сопротивление катушки:
,
Ом (4.4)
Вычислить индуктивное сопротивление катушки Х, которое из треугольника сопротивлений (рис.1) определяется как
Z X
, Ом (4.5) R
5. Вычислить индуктивность катушки: Рис.1
, Гн (4.6)
6. Снятие экспериментальных данных производится для 5-6 значений тока в катушке.
7. Определение индуктивности катушки при помощи измерителя R, L, C производится в следующей последовательности:
7.1. Подготовить прибор к работе.
7.2. Включить вилку шнура питания в сеть.
7.3. Ручку “Чувств." повернуть вниз до упора.
7.4. Подключить резистор 100 Ом к измерительным клеммам прибора.
7.5. Нажать кнопку R переключателя “РОД РАБОТ" и кнопку 10 переключателя “МНОЖИТЕЛЬ".
7.6. Произвести балансировку моста: ручкой “Чувств." вывести стрелку индикатора в среднюю часть шкалы; добиться минимального отклонения стрелки, вращая ручку “БАЛАНС", постепенно повышая чувствительность. Чем выше чувствительность, тем более четко определяется момент минимального отклонения стрелки индикатора; снимите показания по правой шкале барабана “БАЛАНС" с учетом множителя; если показания соответствуют 100 Ом и не отличаются от этой величины более чем на 5%, значит мощность прибора соответствует техническим данным. Оценку погрешности производить по левой шкале барабана “БАЛАНС", на которой одному делению ценой 1 мм соответствует величина погрешности 1%.
7.7. Подключить измеряемую катушку индуктивности к клеммам прибора.
7.8. Нажать кнопку “L” переключателя “РОД РАБОТ".
7.9. Произвести балансировку моста и произвести отсчет по правой шкале с учетом множителя.
7.10. При измерении следует учитывать, что точные измерения можно получить на двух диапазонах с множителями 10 и 102 . На поддиапазонах с множителями 1 и 103 измерения носят сравнительный характер.
7.11. По окончании измерения ручку “Чувств. ” повернуть до упора против стрелки и все кнопки переключателей установить в исходное состояние.
ПРИМЕЧАНИЯ к п.1-6:
1. При определении активного сопротивления катушки индуктивности результаты экспериментальных исследований могут быть сведены в таблицу 1, на основании расчетов определяется среднее значение активного сопротивления.
Таблица 1
| U, B |
| I, A |
| R, Ом |
2. При проведении опытов на переменном напряжении необходимо использовать соответствующие электроизмерительные приборы.
Измеряя ток в цепи, записать в таблицу 2 показания прибора при 5-6 значениях токов. Вычислить для каждого опыта полное сопротивление, индуктивное сопротивление, индуктивность катушки и ее коэффициент мощности (cos
).
Таблица 2.
| № | ИЗМЕРЕНО | ВЫЧИСЛЕНО | ||||
| опыта | U, B | I, A | Z, Ом | XL , Ом | L, Гн | cos |
| 1 | ||||||
| 2 | ||||||
| 3 | ||||||
| 4 | ||||||
| 5 | ||||||
| 6 | ||||||
4. Вопросы самопроверки.
Как определяется сопротивление катушки индуктивности?
Как определяется полное сопротивление катушки индуктивности?
Как определяется индуктивное сопротивление катушки индуктивности?
Что произойдет с углом сдвига фаз между напряжением и током в катушке, если увеличить частоту тока, удалить из катушки сердечник?
Объясните назначение магнитопровода в катушке индуктивности.
Поясните влияние магнитопровода на значение индуктивности катушки.
Как изменится величина тока в катушке индуктивности при питании ее от сети постоянного тока и от сети переменного тока одной и той же величины напряжения?
Почему магнитопровод катушек индуктивности, работающих в цепях переменного тока, изготавливается из листовой электротехнической стали?
Изобразите кривую перемагничивания ферромагнитного материала (петля гистерезиса) и укажите характерные точки.
Приведите характерные примеры неисправности катушки индуктивности с ферромагнитным сердечником.
Приведите методы поиска различных неисправностей катушки индуктивности.
Катушку индуктивности с ферромагнитным сердечником включили под напряжением. Через некоторое время из нее пошел дым. Приведите возможные причины.
Объясните, почему индуктивность катушки с ферромагнитным сердечником уменьшается при увеличении тока?
Приведите примеры устройств с катушками индуктивности и объясните их назначение.
Приведите формулы, которые связывают магнитную индукцию и напряженность магнитного поля в вакууме и в ферромагнитном материале. Назовите единицы измерения и объясните физический смысл величин.
Как выявить неисправность катушки зажигания автомобиля?
Литература
1. Иванов И.И., Равдоник В.С. Электротехника. - М.: Высшая школа, 1984,с.49 - 51.
2. Касаткин А.С., Немцов М.В. Электротехника. - М.: Энергоатомиздат, 1983,с.7 - 12, 143 - 149.
Методические указания к лабораторной работе №4
“НЕРАЗВЕТВЛЕННАЯ ЭЛЕКТРИЧЕСКАЯ ЦЕПЬ"
Цель работы:
Опытная проверка основных положений для цепи переменного тока, обладающей активным и реактивным сопротивлением. Рассматривая схему, как модель линии передачи переменного тока, выяснить зависимость потери напряжения от величины нагрузки. Ознакомиться с электрическими приборами, применяемыми в работе, освоить измерение активной мощности и энергии в цепях переменного тока.
1. Основные теоретические положения.
В неразветвленной электрической цепи переменного тока, содержащей активно-реактивные элементы, напряжение питающей сети равно векторной сумме напряжений, действующих на участках цепи. В соответствии с этим выражения для напряжения, подводимого к электрической цепи, может быть записано по второму закону Кирхгофа в комплексной (векторной) форме:
(1)
где
,
,
- комплексные напряжения на участках цепи.
- комплексные реактивные сопротивления,
где f - частота питающего напряжения, Гц;
L - индуктивность катушки, Гн;
С - емкость конденсатора, Ф.
По уравнению для комплексного напряжения на входе цепи можно построить векторную диаграмму тока и напряжений электрической цепи, принимая во внимание то, что умножение вектора напряжения на множитель (+j) соответствует повороту его относительно вектора тока на угол p/2 в направлении отсчета положительных углов (против часовой стрелки), а умножение на множитель (-j) - поворот вектора напряжения на угол p/2 по часовой стрелке.
Вектор напряжения UR на активном сопротивлении при этом совпадает с вектором тока I. Угол j - угол между векторами тока и напряжения, подводимого к цепи (откладывается от вектора тока к вектору напряжения). Построенная таким образом векторная диаграмма для электрической активно-индуктивно-емкостной цепи представлена на рис.1.
![]()
![]()
![]()
![]()
![]()
U
å
jUR
![]()
![]()
![]()
![]()
Рис 1. Векторная диаграмма.
Из треугольника напряжений можно получить треугольник сопротивлений для рассматриваемой цепи, разделив стороны этого треугольника на комплексный ток (рис.2 а), из которого следует, что
(2)
![]()

![]()

![]()

![]()
а) б)
Z S
X=XL
-XC
jj Q
![]()
![]()
R P
Рис.2. Треугольники сопротивлений и мощностей.
Полученные выражения (2) показывают, что угол сдвига фаз j между током I и напряжением U питающей сети зависят от характера сопротивлений, включенных в цепь переменного тока.
Умножив стороны треугольника сопротивлений на квадрат тока в цепи I2 , получим треугольник мощностей (рис.2 б). Активная мощность цепи переменного тока
P=S cosj
Или ![]()
Из треугольников сопротивлений и мощностей можно установить взаимосвязь между параметрами электрической цепи:
(3)
Применяя закон Ома, можно записать формулы для расчета мощностей:
S=I2
Z=U2
/Z; P=I2
R=U2
/R,
(4)
В разветвленной электрической цепи при равенстве индуктивного и емкостного сопротивлений (XL =XC ) разность фаз напряжения и тока на входе цепи равна нулю и полное сопротивление цепи
тогда
и
(
5,6)
Это состояние называется резонансом напряжения.
Анализ представленных выражений показывает, что резонанс напряжений характеризуется рядом существенных факторов:
1. При резонансе напряжений полное сопротивление электрической цепи переменного тока принимает минимальное значение и оказывается равным ее активному сопротивлению.
2. Из этого следует, что при малом значении активного сопротивления ток может достигать большого значения.
3. Коэффициент мощности при резонансе
![]()
принимает наибольшее значение, которому соответствует угол j=0. Это означает, что вектор тока I и вектор напряжения U совпадают по направлению.
Активная мощность P=RI2 имеет наибольшее значение, равное полной мощности S, в то же время реактивная мощность цепи Q=I2 X=I2 (XL -XC ) оказывается равной нулю:
Q=QL -QC =0.
При этом реактивная индуктивная и реактивная емкостная составляющие полной мощности QL =QC =XL I2 =XC I2 могут приобретать теоретически, в зависимости от значения тока и реактивных сопротивлений, величину, большую, чем полная мощность S.
5. При резонансе напряжений напряжения на емкости и индуктивности оказываются равными UC =UL =XC I=IXL и в зависимости от тока и реактивных сопротивлений могут принимать большие значения, во много раз превышающие напряжения питающей сети. При этом напряжение на активном сопротивлении оказывается равным напряжению питающей сети, т.е. UR =U.
Резонанс напряжений в промышленных электрических установках нежелательное и опасное явление, так как оно может привести к аварии вследствие недопустимого перегрева отдельных элементов электрической цепи или к пробою изоляции обмоток электрических машин и аппаратов, изоляции кабелей и конденсаторов при возможном перенапряжении на отдельных участках цепи.
В то же время резонанс напряжений в электрических цепях переменного тока широко используется в радиотехнике, электронике и различного рода приборах и устройствах, основанных на резонансе напряжений.
6. Исследование резонансных явлений в электротехнических устройствах удобно проводить с использованием резонансных кривых: изменение тока, коэффициента мощности, напряжения на катушке, напряжения на батарее конденсаторов и полного сопротивления электрической цепи в зависимости от емкости конденсаторов. В радиотехнических устройствах резонансные кривые строятся также в зависимости от индуктивности катушки LК или частоты входного сигнала.
2. Задание по работе
1. Произвести экспериментальное исследование цепи с последовательным соединением катушки индуктивности, конденсатора и активного сопротивления.
По экспериментальным данным произвести расчет параметров соответствующих элементов электрической цепи (R, RK , LK , C, XL , XC ).
3. По полученным данным построить векторные диаграммы для трех случаев: ХL >XC ; ХL =XC ; ХL <XC .
4. Составить краткие выводы по работе.
5. Ответить на вопросы самоконтроля.
3. Методические указания к выполнению работы
1. Записать в отчет по лабораторной работе технические данные приборов и оборудования, используемого при выполнении работы.
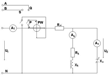
Собрать электрическую цепь согласно схеме рис.3.

Рис.3. Схема исследования.
3. Для измерения напряжений предусмотреть два вольтметра со свободными концами на 300 и 60 В.
Изменяя емкость конденсаторной батареи произвести измерения необходимых величин (4...5 опытов), результаты измерений записать в таблицу.
Исследование цепи с последовательным соединением R, L, C.
| Измерено | Вычислено | |||||||||||
| C | U | UR | UK | UC | I | P | R | RK | ZK | Z | XC | cosj |
| мкФ | В | В | В | В | А | Вт | Ом | Ом | Ом | Ом | Ом | - |
5. Вычисление полного сопротивления цепи Z и катушки ZL , активного R, индуктивного XL и емкостного XC сопротивлений, индуктивности L и емкости С, падения напряжения на индуктивности UL и коэффициента мощности cosj производить по формулам:

![]()
6. Питание электрической цепи осуществлять от регулируемого источника питания синусоидального напряжения, расположенного на панели источника питания (лабораторный автотрансформатор - ЛАТР). Перед включением необходимо убедиться, что ручка регулятора источника питания находится в крайнем левом положении. В режиме исследований максимальное напряжение на входных зажимах должно быть не выше 120 - 130 В (для ограничения тока).
7. Для получения достоверных результатов необходимо выбрать оптимальный предел измерения регистрирующего прибора и не допускать ошибок при определении цены деления прибора.
4. Вопросы самоконтроля
Запишите формулы для расчета R, RK , LK , C,w, ZK , cosj, Z, если известны показания амперметра, вольтметров, ваттметра.
Изобразите векторные диаграммы для активно-индуктивной, активно-емкостной и активно-индуктивно-емкостной нагрузок.
Изобразите векторную диаграмму цепи с R, L, C элементами при резонансе напряжений.
Запишите зависимости между R, XL , XC , UL , UC , cosj при резонансе напряжений.
Может ли быть величина напряжения на индуктивности, активном сопротивлении, емкости больше величины питающего напряжения? Заключение по данному вопросу подтвердить примером.
Изобразите треугольники напряжений, сопротивлений и мощностей для цепи с R, L, C элементами. Напишите зависимости между величинами и приведите примеры их практического применения.
В чем заключается явление резонанса и при каких условиях оно возникает?
Какую опасность представляет резонанс напряжений для электротехнических устройств?
Изменением каких параметров электрической цепи можно получить резонанс напряжений?
С помощью каких приборов и по какому признаку можно судить о возникновении резонансов напряжений в электрической цепи?
Приведите анализ построенных векторных диаграмм до и после резонансных напряжений и дайте объяснение, в каком случае напряжение опережающее, а в каком отстающее?
К чему приводит изменение активного сопротивления электрической цепи при резонансе напряжений?
Сохранится ли резонанс напряжений, если изменить величину напряжения питающей сети? Объясните причину этого.
Можно ли получить резонанс напряжений путем изменения параметров питающего напряжения?
Приведите примеры электротехнических и электронных устройств, в которых используется явление резонанса напряжения.
Литература
1. Иванов И.И., Равдоник В.С. Электротехника. - М.: Высшая школа, 1984, с.53 - 58.
2. Касаткин А.С., Немцов М.В. Электротехника. - М.: Энергоатомиздат, 1983, с.73 - 77.
Лабораторная работа №5
КОМПЕНСАЦИЯ РЕАКТИВНОЙ МОЩНОСТИ
Цель работы.
Ознакомление с методом повышения коэффициента мощности электрической цепи путем включения конденсаторов параллельно с нагрузкой. Выявление эффективности повышения коэффициента мощности.
1. Основные теоретические положения.
Приемники электрической энергии при своей работе потребляют из сети активную и реактивную мощность. Наиболее распространенные приемники электрической энергии - асинхронные электродвигатели, трансформаторы и другие требуют для своей работы создания магнитного поля: вращающееся магнитное поле электрических машин и переменный магнитный поток трансформаторов. Величина тока, необходимая для создания магнитного поля, зависит от индуктивного сопротивления потребителя электрической энергии и его нагрузки во время работы.
Эффективность использования электрической установки определяется по отношению активной мощности Р к полной мощности S, потребляемой приемником из сети. Это отношение называется коэффициентом мощности . Из треугольника мощностей (рис.1) видно, что

Рис.1. Треугольник мощностей.
Тогда P=Scosj=UIcosj, а ток в нагрузке I=P/U cosj.
При заданной активной мощности P (U=const) ток обратно пропорционален cosj, т.е. реактивный ток при уменьшении cosj возрастает за счет индуктивной составляющей Ip =Isinj, являясь носителем реактивной энергии. Увеличение тока в нагрузке, вызванное уменьшением cosj неизбежно приводит к дополнительной потере электроэнергии во всех элементах системы электроснабжения: в проводах линии электропередач (Q = R×I2 ), в трансформаторах, в обмотках генераторов. Увеличение тока в нагрузке приводит к дополнительному увеличению падения напряжения в обмотках генераторов и трансформаторов, в проводах сети с сопротивлением Z (U=Z×I). все это приводит к снижению КПД энергосистемы и напряжения на электроприемниках.
Для повышения cosj (уменьшения реактивной составляющей активно-индуктивной нагрузки) промышленных установок применяют различные меры, которые сводятся или к уменьшению потребления реактивной мощности QL , или к компенсации реактивной мощности QL мощностью QС . Так как емкостной ток Ic находится в противофазе с индуктивной составляющей тока нагрузки, то реактивная составляющая тока в линии IP =IL -IC уменьшается. В результате ток в линии, угол сдвига фаз j и реактивная мощность Q=UIsinj уменьшается, а cosj увеличивается. Для осуществления этого мероприятия параллельно нагрузке подключают батареи конденсаторов или синхронные компенсаторы (синхронный электродвигатель в режиме перевозбуждения). Реактивная мощность по-прежнему поступает к потребителю, но уже не от генераторов, расположенных иногда за сотни километров, а от источника, находящегося рядом (например конденсатор). Таким образом, происходит освобождение элементов системы электроснабжения от реактивной составляющей тока нагрузки.
Уменьшение потребления реактивной мощности Q достигается за счет применения более современного оборудования, улучшения качества ремонта, ограничения работы оборудования на холостом ходу или с недогрузкой.
Для повышения коэффициента мощности и, следовательно, экономичности системы электроснабжения предприятий до недавнего времени нормировался минимально допустимый cosj, а в настоящее время устанавливается допустимое значение реактивной мощности и нормируемый tgj=Q/P, определяемый по показаниям счетчиков реактивной и активной энергии.
При компенсации реактивной энергии за счет установки конденсаторов их величина может быть определена по формуле:
, Ф
где Р - активная мощность потребления, Вт
f - частота сети, Гц
U - напряжение сети, В
tgj1 - до компенсации
tgj2 - после компенсации.
Задание по работе.
2.1 Определить энергетические показатели потребителя при отключенной конденсаторной батарее.
2.2 Рассчитать емкость конденсаторной батареи, необходимую для компенсации реактивной энергии до нормируемого значения cosj=0,95.
2.3 Исследовать влияние емкости конденсаторной батареи на энергетические показатели потребителя.
2.4 Построить векторные диаграммы для трех случаев: при отключенной конденсаторной батарее; при полной компенсации реактивной мощности (cosj=1); при перекомпенсации (мощность конденсаторов превышает индуктивную мощность нагрузки и в сеть отдается емкостная мощность).
2.5 Составить краткие выводы по работе.
2.6 Ответить на вопросы самоконтроля.
Методические указания по выполнению работы.
3.1 Ознакомиться с измерительными приборами и оборудованием, используемыми при выполнении работы.
Собрать электрическую цепь согласно схеме (рис.2). Для измерения напряжения предусмотреть вольтметр со свободными концами. В схеме катушка (сопротивления RК и ХК ) имитирует нагрузку, а резистор (сопротивление RЛ) - линию.

Рис.2. Схема для проведения опытов.
3.3 Изменяя емкость конденсатора от нуля (конденсатор не включен) до значения, при котором емкостный ток Ic в 1,6 - 2 раза больше тока катушки IК проследить за изменениями показаний приборов. Отметить наступление резонанса токов (полной компенсации реактивной мощности), при этом ваттметр, включенный на режим измерения реактивной мощности, показывает, что из сети реактивная мощность не потребляется.
Результаты замеров (4 - 5 точек) записать в таблицу. Переключатель S1 предназначен для измерения одним ваттметром, активной (положение Р) и реактивной (положение Q) мощностей, потребляемой нагрузкой, выключатель S2 предназначен для коммутации емкостной нагрузки.
Измерение напряжения на элементах цепи производится многопредельным вольтметром или ампервольтметром (тестером).
№ п/п |
Измерено | С | Вычислено | ||||||||||
| U1 | I1 | P | Q | U2 | IК | IС | Uл | QC | cosj | DP | hЛ | ||
| В | А | Вт | ВАр | В | А | А | В | мкФ | ВАр | - | Вт | % | |
3.4 Вычислить реактивную мощность включенной батареи конденсаторов Qc, коэффициент мощности cosj, потери мощности в резисторе RЛ - DР, КПД линии hЛ. .
Расчет произвести по формулам:

Вопросы для самопроверки.
Какие причины вызывают уменьшение коэффициента мощности?
Для какой цели увеличивают коэффициент мощности в электрических цепях?
Что такое резонанс токов?
Как измеряют активную и реактивную мощности?
Постройте векторные диаграммы для возможных режимов работы цепи согласно схеме исследований.
Почему падение напряжения в линии зависит от коэффициента мощности?
Поясните на примере, как зависит величина полной мощности источников электроэнергии от коэффициента мощности потребителя?
Объясните, что понимают под активной, реактивной и полной мощностями, и покажите, по каким формулам они рассчитываются.
Напишите формулы для расчета сопротивления, токов, напряжений, мощностей в комплексной форме для схемы исследований.
Приведите способы увеличения коэффициента мощности электротехнического оборудования естественным путем.
В электрической цепи (рис.2) произвели полную компенсацию реактивной мощности. На основании показаний каких приборов можно сделать такое заключение? Объясните это при помощи векторных диаграмм и с физической точки зрения.
Поясните с использованием векторных диаграмм, как зависит коэффициент мощности потребителя от величины активной (реактивной) составляющей тока нагрузки.
Литература
1. Иванов И.И., Равдоник В.С. Электротехника. - М.: Высшая школа, 1984.
2. Касаткин А.С., Немцов М.В. Электротехника. - М.: Энергоатомиздат, 1983.
Похожие рефераты:
Оборудование летательных аппаратов
Проект новой подстанции для обеспечения электроэнергией нефтеперерабатывающего завода
Ответы к экзаменационным билетам по физике 11 класс (ответы к 29 билетам)
Тиристорные устройства для питания автоматических телефонных станций
Углубленные экзаменационные билеты по физике и ответы (11 класс)
Проект гелеоисточника для энергохозяйства
Разработка ветроэнергетической установки
Защита информации по виброакустическому каналу утечки информации
Проектирование сталелитейного цеха
Допплеровский измеритель скорости кровотока
Контроль качества геофизического исследования скважин

