| Похожие рефераты | Скачать .docx |
Дипломная работа: Экспериментальное исследование параметров плазы емкостного высокочастотного разряда (ЕВЧР)
Введение
Цель работы – экспериментальное исследование параметров плазы емкостного высокочастотного разряда (ЕВЧР).
Задачи:
– изучить литературу по газовому разряду;
– провести наблюдения и эксперименты по определению параметров плазмы ЕВЧР;
Объектом исследования является ЕВЧР в воздухе, аргоне.
Предметом исследования являются параметры плазмы тлеющего разряда.
Данная работа состоит из введения, двух глав, заключения.
В первой главе изложены теоретические сведения об электрическом разряде в газах и подробно о емкостном высокочастотном разряде. Изложена теория метода зондов Ленгмюра.
Во второй главе рассказывается об описании экспериментальной установки, построении кривых Пашена для различных газов при разных частотах, определении параметров плазмы (электронной температуры, концентрации и подвижности положительных ионов), нахождение скачков потенциала в приэлектродном слое пространственного разряда в аргоне бесконтактным методом.
Актуальность исследования. Несмотря на трехсотлетнюю историю изучения газового разряда и его обширное применение, пока еще не создана окончательная теория разряда, включающая в себя все виды, результаты которой удовлетворительно совпадали бы с экспериментальными фактами. Поэтому любое уточняющее исследования дает свой вклад в развитие этого направления.
Историческая справка
Само название разряд произошло от названия медленно протекающего процесса потери заряда заряженными металлическими телами, расположенными на подставке из изолятора.
Кулон доказал, что заряд стекает с проводника через воздух, то есть имеет место газовый разряд. Разряд при низких давлениях воздуха открыл и исследовал Фарадей – этот разряд стал известен как тлеющий. В конце XIX века исследование проводимости разреженных газов привело Дж. Дж. Томсона к открытию первой элементарной частицы – электрона, а дальнейшие исследования физики газового разряда во многом послужили экспериментальной основой атомной и квантовой физики [14].
Основателем физики газового разряда является Таунсенд, создавший теорию пробоя газа и установивший закономерности ионизации. Весьма значительный вклад в физику газового разряда был внесен Ленгмюром, который ввел фундаментальное понятие – плазма, а также развил методы исследования плазмы, в частности, метод зондов.
Современная физика термин газовый разряд определяет не только как процесс протекания тока через газ, но и любой процесс возникновения ионизации газа под действием приложенного электрического поля. При этом поле может быть не только постоянным во времени, но и быстропеременным – высокочастотным (ВЧ-разряд), сверхвысокочастотным (СВЧ-разряд) и даже оптического диапазона (оптический разряд). В последнее время был открыт пучково-плазменный разряд, загорающийся при прохождении электронного пучка через газ малой плотности вследствие возникновения в такой системе плазменных колебаний СВЧ-диапазона [13].
1. Емкостной высокочастотный разряд
1.1 Общие сведения о газовом разряде
В обычных условиях воздух и другие газы являются хорошими изоляторами. Если взять два металлических электрода, разделенных между собой небольшим воздушным промежутком, и подключить их к источнику тока, то цепь окажется разомкнутой, но если в воздушном промежутке имеются заряженные частицы – ионы и электроны, то под действием электрического поля они двигаются к электродам.
Заряженные частицы могут образовываться вследствие фотоэффекта при освещении электродов ультрафиолетовым светом, при прохождении через воздушный промежуток рентгеновских или космических лучей и т.д. Прохождение тока через промежуток между электродами происходит только в присутствии источника, вызывающего появление заряженных частиц. Такой разряд называется несамостоятельным. Он прекращается, когда убирают источник ионизации [8].
При достаточно высоком напряжении на электродах возникает самостоятельныйгазовый разряд. Под действием электрического поля между электродами заряженные частицы в воздушном промежутке приобретают значительную кинетическую энергию, которую передают при упругих соударениях молекулам газа, а также электродам. В результате за счет энергии источника тока происходит разогревание газа и электродов. Число заряженных частиц в воздушном промежутке начинает резко возрастать за счет ионизации атомов и молекул и эмиссии заряженных частиц с электродов. Начавшийся газовый разряд сам поддерживает себя и не нуждается во внешних источниках ионизации. Газ, имеющий высокую температуру и состоящий из заряженных и нейтральных частиц, называется плазмой. При самостоятельном газовом разряде между электродами всегда образуется плазма.
Для возникновения газового разряда достаточно приложить к электродам высокое напряжение. Для пробоя воздушного промежутка в несколько миллиметров нужно напряжение около 10 кВ. Пробойное напряжение при атмосферном давлении растет с ростом ширины промежутка. Зависит оно также от формы электродов. Промежуток между остроконечными электродами пробивается при более низком напряжении, чем промежуток между плоскими электродами [6].
1.2 Тлеющий разряд
Тлеющий разряд – это самоподдерживающийсяразряд с холодным катодом, испускающим электроны в результате вторичной эмиссии, главным образом под действием положительных ионов [7].
емкостный разряд ленгмюр зонд

Рис. 1. Тлеющий разряд
Его отличительным признаком является существование вблизи катода слоя определенной толщины с большим положительным объемным зарядом, сильным полем у поверхности и значительным падением потенциала 100–400 В и более. Оно называется катодным падением. Толщина слоя катодного падения обратно пропорциональна плотности или давлению газа. Если межэлектродное расстояние достаточно велико, между катодным слоеми анодом образуется электронейтральная плазменная область, где поле относительно небольшое. Серединную, однородную часть ее называют положительным столбом. От анода он отделяется анодным слоем.
Положительный столб тлеющего разряда постоянного тока – наиболее ярко выраженный и распространенный пример слабо ионизированнойнеравновесной плазмы, которая поддерживается электрическим полем. В отличие от катодного слоя, без которого тлеющий разряд существовать не может, положительный столб не является его неотъемлемой частью. Если в результате образования катодного слоя промежуток между электродами оказывается исчерпанным, столба нет. Но если не хватает расстояния на формирование должного катодного слоя, тлеющий разряд не загорается.
1.3 Способы возбуждения высокочастотных разрядов
Под высокочастотным (ВЧ) обычно понимают используемый в разрядной практике диапазон частот f = ω/2π~ 1 ÷ 100 МГц. Все виды ВЧ разрядов можно разбить на две большие группы, различающиеся способами возбуждения ВЧ поля в разрядном объеме: индукционные и емкостные [8].
Индукционные методы основаны на использовании явления электромагнитной индукции, в результате чего линии возбужденного электрического поля оказываются замкнутыми, а само поле – вихревым. При емкостном способе ВЧ напряжение от генератора подается на электроды, линии электрического поля начинаются и заканчиваются на них, а поле является с большой степенью точности потенциальным.
Простейшая и наиболее распространенная схема индукционного разряда показана на рис. 1.а.


а) б) в) г) д)
Рис. 1 Основные схемы возбуждения индукционного (а) и емкостных (б-д) разрядов: б – с плоскими оголенными электродами; в-с плоскими изолированными электродами; г – электроды вынесены за пределы разрядной камеры; д – одноэлектродный разряд (вторым «электродом» служит земля).
Через катушку-соленоид, которая может состоять из нескольких или даже одного витка, пропускают вырабатываемый генератором ВЧ ток. Магнитное поле тока, также переменное, внутри катушки направлено вдоль ее оси. Под его действием внутри индуцируется кольцевое электрическое поле, замкнутые линии которого концентричны с первичным ВЧ током. Это электрическое поле может возбуждать и поддерживать разряд в газе. Для этого внутрь соленоида помещают диэлектрическую трубку или сосуд, наполненные исследуемым газом при нужном давлении. Часто газ прокачивают по трубке, и тогда из нее вытекает плазменная струя. Индукционный разряд является безэлектродным.
Простейшие и широко распространенные схемы емкостного разряда показаны на рис. 1 (б и в). В сосуд с исследуемым газом при определенном давлении помещают два плоских параллельных электрода и к ним прикладывают напряжение от ВЧ генератора. Электроды могут быть одинаковыми, могут быть разных площадей, что бывает полезным для практических целей. Поскольку для переменного тока электрическая цепь проводников не обязательно должна быть замкнутой и может содержать непроводящие участки, электроды можно изолировать от проводящей разрядной плазмы диэлектриками, как показано на рис. 1.г.
Разряд между изолированными электродами (рис. 1.в, г)можно, как и индукционный, назвать безэлектродным в том смысле, что разрядная плазма не соприкасается с электродами. Если интересоваться сущностью физических процессов, то между схемами электродного (рис. 1.б) и «безэлектродного» (рис. 1.в, г)емкостных разрядов нет принципиальной разницы. В отношении определяющих процессов и металл, и диэлектрик, соприкасающийся с ионизированным газом ВЧ разряда, ведут себя одинаковым образом.
Индукционный способ обычно используют для поддержания ВЧ разряда при высоких давлениях (порядка атмосферного). Важнейшей областью применения индукционных ВЧ разрядов является создание чистой плотной низкотемпературной равновесной плазмы типа дуговой с давлением Р~1 атм. и температурой T~10000К. Индукционный ВЧ разряд используется для производства сверхчистых тугоплавких материалов, абразивных порошков и др.
Емкостный способ, как правило, применяют для поддержания ВЧ разрядов при средних (Р~1÷100Торр) и низких (Р~10-3 ÷1Торр) давлениях. Плазма при этом получается слабо ионизированной, неравновесной, как плазма тлеющего разряда. ВЧ разряды среднего давления применяются для возбуждения СО2 -лазеров, а ВЧ разряды низкого давления – для ионного воздействия на материалы и другой плазменной технологии.
К группе емкостных следует отнести и так называемый одноэлектродный или факельный разряд. В этом случае в явной форме присутствует только один электрод, на который и подают ВЧ напряжение (рис. l.д). Около него зажигается разряд, который имеет вид плазменного факела. На самом деле в системе присутствует второй «электрод» – им служит земля или заземленные стенки камеры, с которыми факел, т.е. разрядная плазма, связан емкостным (реактивным) током. Поле в системе электрод – земля сильно неоднородное и подобно коронному разряду, который виден лишь у острия, где сконцентрировано поле. Разряд проявляется лишь в виде плазменного факела около электрода.
1.4 Простейшая модель высокочастотного емкостного разряда
Приэлектродные слои пространственного заряда (ПСПЗ)
Пусть разряд горит между плоскими электродами и поперечные размеры его 2Rгораздо больше межэлектродного расстояния L, так что процесс можно считать одномерным. Будем отсчитывать координату Х от левого электрода, а электрический потенциал – от правого, заземленного. Высокочастотное напряжение подается на левый электрод.
В момент начального зажигания при подаче на электроды достаточно высокого напряжения, в газе происходит пробой и образуется плазма. Будем рассматривать стационарный разряд, в котором все процессы протекают строго периодическим образом с неизменными во времени амплитудами. Даже при весьма низкой плотности электронов (
) и характерной для разрядной плазмы электронной температуре Tе
=1эВ дебаевский радиус rd
=0,05сm много меньше межэлектродных расстояний L~1÷5сm; поэтому в серединной части промежутка плазма электронейтральна. Однако вблизи электродов электронный газ, совершая колебания относительно малоподвижных ионов, периодически то «заливает», то обнажает положительные заряды. Это является первопричиной появления вблизи границ приэлектродных слоев положительного пространственного заряда. Приэлектродные
слои это слои, когда металлические электроды изолированы от разрядной плазмы диэлектриками.
Качественная картина изменения плотности зарядов, поля и потенциала
Будем считать, что плотность «неподвижных» ионов постоянна в пространстве, будучи одинаковой, в плазме и в приэлектродных слоях (в дальнейшем – просто в «слоях»). В однородной плазме, очевидно, однородно и электрическое поле. Следовательно, электронный газ повсюду (как целое) колеблется с одинаковой амплитудой A около среднего положения. Те электроны, которые в момент прохождения средней точки, отстояли от электродов на расстояниях, меньших амплитуды A , в результате первых же качаний соприкасаются с металлом и навсегда уходят в него (а если электрод покрыт диэлектриком – необратимо прилипают к поверхности последнего). При последующих качаниях электроны лишь на мгновение касаются твердых поверхностей.
Таким образом, в момент прохождения электронным газом положения равновесия по обе стороны плазмы остаются слои некомпенсированного положительного заряда толщиной A . При этом газ в целом оказывается заряженным положительно. Картина качаний электронного газа в предположении об отсутствии диффузионных потоков зарядов к электродам и диффузионного размытия границ между плазмой и слоями показана на рис. 2 через каждые четверть периода. Согласно уравнению электростатики
(1)
Внутри слоев, где ne = 0, an+ = const, мгновенное поле Е линейным образом зависит от х, а соответствующий потенциал

![]()
Рис. 2 Схема качания электронного газа: штриховые линии – плотность ионов постоянна; сплошные – распределение ne (x, t) через каждые четверть периода
(2)
изменяется с х по параболическому закону.
В плазме, где Е от х не зависит, мгновенный потенциал изменяется в пространстве по линейному закону (рис. 3). Ток в плазме чаща всего в большей своей части является током проводимости, во всяком случае, в разрядах среднего давления. Следовательно, разрядный ток j большую часть периода направлен в ту же сторону, что и поле в плазме Ер . Это показано стрелками на рис. 3.

Рис. 3 Распределение поля и потенциала между плоскими электродами, соответствующие распределениям n+ , ne (стрелками показаны направления тока j)
Токи зарядов на электроды в приближении неподвижных ионов, мгновенного касания плазмой электродов и отсутствия электронной диффузии, т.е. теплового движения, также отсутствуют.
В среднем по времени синусоидальный потенциал левого электрода, так же как и потенциал заземленного правого, равен нулю. Потенциал же плазмы (относительно электродов) всегда положителен. Соответственно, в слоях поле в среднем направлено к электродам. Это объясняется тем, что в промежутке газ в целом заряжен положительно, а потому обладает в среднем постоянным положительным потенциалом V . В отличие от рассматриваемой упрощенной модели в реальных условиях, из плазмы в слой все время поступает относительно небольшой тепловой поток ионов. В разрядах низкого давления ионы проходят слой почти без столкновений и набирают под действием поля энергию порядка постоянного потенциала плазмы. Она может составлять сотни электрон-вольт [15].
Система уравнений для определения параметров разряда
Рассмотрим описанную выше картину, пользуясь уравнениями движения электронов в поле и электростатики. Обозначим через d1 и d2 мгновенные толщины левого и правого слоев. В отсутствие токов зарядов на электроды суммарные заряд и толщина двух слоев остаются неизменными:
en+ d1 + en+ d2 = const, иd1 + d2 = 2A (3)
Согласно (1) поля в левом (Е1 ) и правом (Е2 ) слоях распределены как
Е1 = Ер – 4πen(d1 – x), E2 = Ep + 4πen [x– (L – d2 )] (4)
Потенциалы плазмы относительно левого и правого электродов, т.е. мгновенное падение напряжения в слоях, равны
V1 = 2πend1 2 , V2 = 2πend2 2 (5)
Ep = V/L + 8πen (A/L) y, y = d1 – A(6)
Оно параметрическим образом связывает Ер со смещением у левой границы плазмы (равным также смещению любого электрона из среднего положения). С другой стороны, смещение подчиняется общему уравнению движения электрона. При этом υ = y’’ , а под Еа sinωtследует подразумевать поле в плазме Ер . Подставляя в общее уравнение движения электрона поле Ер, взятое из (6), и используя выражение
ωр = 5,64*104 (ne )1/2 c-1 (7)
для плазменной частоты, получаем уравнение для смещения электронов плазмы:
(8)
Дальше удобнее оперировать гармоническими величинами в комплексной форме. Пусть к электродам приложено напряжение V=Va eiωt .Установившееся решение уравнения (8) есть
(9)
Приравнивая действительную амплитуду смещения у величине A,которой она равна по определению, имеем
(10)
Это – алгебраическое уравнение четвертой степени относительно A.Корень уравнения, который имеет физический смысл, определяет амплитуду колебаний электронов в зависимости от амплитуды напряжений Vа , частоты ω и плотности плазмы п. Последняя входит в (10) через ωр в виде неизвестного пока параметра.
Как известно плотность плазмы связана с амплитудой поля в ней Ер , ауравнением баланса числа зарядов, например условием ионизационно-рекомбинационного равновесия (11):
υi ,ВЧ (Еа ) = υрек = βn(11)
Согласно (6) поле в плазме
(12)
Тем самым замыкается система уравнений модели, определяющая все параметры разряда. Уравнения (10) и (11) с амплитудой Ер, а , определенной из (12), образуют систему двух уравнений длянахождения А и п в зависимости от приложенного напряжения (Vа и ω). Зная их, можно вычислить любые другие величины, например ток и импеданс разряда, а также построить ВАХ.
Разрядный ток
Плотность разрядного тока, т.е. тока, текущего во внешней цепи и, в частности, через электроды, по определению равна скорости изменения плотности поверхностного заряда q на левом электроде (с учетом выбранного направления оси х) .Электрод можно считать идеальным проводником. Поля, а потому и тока смещения Е/4πв нем нет. Плотность отрицательного заряда qна электроде совпадала бы по модулю с количеством положительного заряда в левом слое на единице площади end1 , если бы плазма была также идеальным проводником. В плазме имеется весьма заметное поле Eр , которое призвано поддерживать ток и, возможно, состояние ионизации. Согласно законам электростатики оно связано с плотностями поверхностного заряда равенством
(13)
Дифференцируя равенство (13) по времени, находим плотность разрядного тока в видe
(14)
Величина j не зависит от х, будучи одинаковой, во всех сечениях разрядного промежутка. Первое слагаемое представляет собой плотность тока электронов (проводимости плюс поляризации), второе – «чистый» ток смещения. Появление последнего в выражении для сохраняющейся величины j – следствие несовершенства проводящих свойств плазмы. Именно по этой причине заряд в слое отличается по модулю от q, не успевая мгновенно реагировать на изменение заряда на электроде, который поступает из внешней цепи (или уходит во внешнюю цепь) под действием ЭДС источника питания. Подставив в (14) Ер из (6), придадим выражению для плотности тока вид
(15)
В отсутствие разряда (при п = 0) остается только второе слагаемое. Это реактивный ток, который течет через «вакуумный» конденсатор, образованный двумя электродными пластинами.
Зажигание разряда и появление первого слагаемого в электрическом отношении равносильно подключению параллельно конденсатору некоего комплексного сопротивления (рис. 4), ибо согласно (9) первое слагаемое также пропорционально напряжению V .
Рис. 4 Схемы разрядного промежутка: а) в отсутствии разряда; б) соответствующая разрядному току (15)
Однако появление достаточно хорошо ионизированной плазмы внутри конденсатора столь резко меняет характер электрической системы, что более адекватной, является эквивалентная электрическая схема с последовательным включением элементов.
«Импеданс» разрядного промежутка с плазмой.
Подставляя (9) в (15) и совершая небольшое преобразование, запишем
(16)

Величина Z имеет смысл импеданса (комплексного сопротивления) наединицу площади промежутка между электродами с плазмой внутри. Здесь электрическая система является нелинейной, так как величины А и п в Z сами зависят от амплитуды напряжения, т.е. они определяются уравнениями (10) и баланса числа зарядов. Если найти и подставить функции А( Va ) и n ( V а ) в (16), можно получить зависимость ja от Vа , т.е. ВАХ разряда. Несмотря на то, что А и п в (16) зависят от V , выражению для Z полезно дать интерпретацию так, как будто А и n– фиксированные величины, т.е. как будто Z– истинный импеданc электрической системы.
В пределе достаточно сильной ионизации, когда ωp 2 >> ω2 и ωр 2 >> ωυm (ωp 2 ~ n), что и в самом деле свойственно ВЧ разрядам, интерпретация очень наглядна. В этом предельном случае
(17)
![]()
Где σt – комплексная проводимость плазмы.
Величина 1/ (8πА)есть эквивалентная емкость (на единицу площади) двух последовательно включенных емкостей, соответствующих слоям. Каждая из них по отдельности меняется во времени, но эквивалентная емкость двух слоев неизменна. Таким образом, в соответствии с (17) электрическую систему можно рассматривать как последовательное соединение емкостей слоев комплексного сопротивления плазмы (рис. 5).
![]()
![]()
Рис. 5 Схемы ВЧЕ разряда, соответствующие импедансу (17):
а) слои представлены отдельными емкостями;
б) емкости слоев объединены.
1.5 Две формы существования высокочастотного емкостного разряда
ВЧЕ разряды, как правило, горят в одной из двух сильно различающихся форм. Внешне формы различаются интенсивностями и распределениями свечения по длине разрядного промежутка, по существу – ионизационными процессами в приэлектродных слоях, механизмами замыкания тока на электроды [8].
Интерес к данным процессам связывался с применением ВЧЕ разрядов среднего давления для создания активной среды СО2 -лазеров. Примерно в то же время резко возрос интерес и к ВЧЕ разрядам низкого давления, в основном в связи с их успешными применениями в плазменной технологии. В них также проявляются две формы горения разряда, однако в случае низких давлений различия между ними не столь явно бросаются в глаза как при средних давлениях.
Средние и низкие давления
ВЧЕ разряды в этих диапазонах давлений имеют довольно заметные различия. Граница между диапазонами, конечно, весьма размыта, она зависит и от конкретного признака, по которому наблюдается различие, и от конкретных условий: размеров, геометрии, рода газа, частоты. Но в общем, условно ее можно провести где-то в районе Р~ 1 Торр.
Приведем некоторые из наиболее резко бросающихся в глаза различий:
- В α-разряде при средних давлениях наблюдается эффект нормальной плотности тока, при низких – нет. Это значит, что в первом случае на достаточно большом электроде разряд занимает не всю площадь, а во втором покрывает электрод полностью. Если параллельные плоские электроды имеют разные площади, в первом случае это не сказывается на размере токовых пятен на каждом из электродов, т.е. сам разряд все равно симметричен относительно средней между электродами плоскости. При низких давлениях, напротив, разряд стремится заполнить всю площадь электродов, и, следовательно, в асимметричной системе ток тоже асимметричен.
- В разряде среднего давления α- и γ-переход происходит скачком: резко перестраиваются структура разряда и слои, резко меняется плотность тока на электроде и ВАХ. В разряде низкого давления скачков не наблюдается, и на непрерывной ВАХ появляется лишь излом.
- В γ-разряде среднего давления в средней части межэлектродного промежутка плазма обладает довольно значительной электронной температурой, мало отличающейся от таковой в α-разряде. При низких давлениях электронная температура в плазме γ-разряда исключительно низка: гораздо меньше, чем в α-разряде.
Эти различия связаны с особенностями протекающих в разряде процессов и их закономерностями.
Краткая теория метода зондов Ленгмюра
Метод электрических зондов Ленгмюра позволяет определить основные параметры плазмы (концентрацию, температуру, макроскопический потенциал и электрическое поле в плазме, направленную скорость носителей заряда), определить функцию распределения электронов по скоростям. Этот метод является основным методом диагностики плазмы. Электрический зонд Ленгмюра представляет собой небольшое по сравнению с общими размерами плазмы и электродов металлическое тело, вводимое в плазму, на котором может поддерживаться определенный потенциал. Используются различные зонды: плоские, цилиндрические, сферические и т.п. Потенциал зонда задается и отсчитывается относительно некоторого опорного электрода, потенциал которого не изменяется в процессе измерения. Параметры плазмы определяются по вольтамперной характеристике зонда [3].
Электрический ток на зонд складывается из тока электронов и тока ионов. Если зонд имеет потенциал, положительный относительно потенциала пространства невозмущенной плазмы, то ионы отталкиваются от него, а электроны притягиваются. В противном случае картина становится обратной.
Теория метода зондов Ленгмюра основывается на нескольких предположениях [6].
1. Электроны в невозмущенной плазме имеют максвелловское распределение по скоростям:
(18)
(19)
2. В окрестности зонда, помещенного в плазму, образуется слой пространственного заряда, полностью экранирующего за внешней границей слоя возмущающее действие зонда.
3. Характерный размер зонда значительно больше толщины слоя.
4. В слое пространственного заряда электроны и ионы не испытывают соударений с тяжелыми частицами – атомами и ионами.
5. Если V < V 0 , электроны находятся в тормозящем поле и в пределах слоя пространственного заряда их концентрация распределена по закону
Больцмана.
, где п е0
– концентрация электронов в
невозмущенной плазме. Используя эти предположения, можно получить аналитические выражения, описывающие вольтамперные характеристики зонда. Например, плотность хаотичного тока электронов на зонд равна,
(20)
Из (18) имеем

(21)
Электронный ток на зонд при V < Vo будет равен:
(22)
При V > V 0 электронный ток достигает насыщения:
(23)
Здесь S – площадь собирающей поверхности зонда.
Если отталкивающие частицы – ионы, то для ионного тока можно получить аналогичные выражения путем замены Те =Тi , m=М, φе =-φе. Ионный ток насыщения равен:
(24)
С уменьшением V относительно Vo можно достигнуть такого положения, при котором ионный и электронный токи сравняются по абсолютной величине и полностью компенсируют друг друга, так что суммарный ток на зонд обратится в ноль. Потенциал зонда, при котором это осуществляется, обычно называется «плавающим потенциалом».
Он определяется из выражений для электронного и ионного токов.
(25)
Вклад ионного тока в суммарный ток зонда, очевидно, существен только при V < V пл .
2. Экспериментальное исследование емкостного высокочастотного разряда
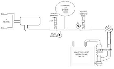
2.1 Описание экспериментальной установки
Эксперимент делался на двух газоразрядных трубках цилиндрической формы, изготовленные из свинцового стекла. Длина одной трубки 280 мм, ее диаметр 18 мм. К торцам трубки припаяны электроды промышленного производства фирмы EngineeringGlassLaboratories марки 8СМС. Каждый электрод представляет собой металлический «стакан» цилиндрической формы (длина 19 мм, диаметр 8 мм). В трубке находится еще третий электрод, изготовленный и имеющий те же параметры, что и два последних. Он помещен в центре трубки и в эксперименте играл роль зонда Ленгмюра. Ко всем трем электродам наружу выведены два гибких контактных провода из никелевого сплава диаметром 0.8 мм (рис. 6).

В трубке находится неон при давлении 0.1 мм рт. ст. Данную трубку использовали на методе зондов Ленгмюра при частоте 4 МГц.
Другая трубка содержит два электрода, расстояние между которыми 31 см, диаметр трубки 3,85 см. Для того, чтобы закачать воздух или аргон в трубку при необходимом давлении использовали неоновый завод Daco.

Рис. 7 Газоразрядная трубка с двумя электродами

Рис. 8 Схема неонового завода Daco

Рис. 9 Схема реального ВЧ генератора с согласующим элементом и разрядной нагрузкой
2.2 Методика измерений
Зависимость напряжения зажигания трубки от давления газа

Рис. 10 Принципиальная схема установки
Экспериментально полученные кривые Пашена для аргона при различных частотах:

| P*d, мм рт. ст.*мм | U, В |
| 77,5 | 720 |
| 167,7 | 257 |
| 275,9 | 550 |
| 288,9 | 600 |
| 310 | 688 |

| P*d, мм рт. ст.*мм | U, В |
| 155 | 550 |
| 311 | 228 |
| 508 | 600 |
| 553 | 713 |

| P*d, мм рт. ст.*мм | U, В |
| 194 | 2180 |
| 232,5 | 1760 |
| 387,5 | 170 |
| 536 | 1560 |
| 591 | 2200 |
Экспериментально полученные кривые Пашена для воздуха при различных частотах:

| P*d, мм рт. ст.*мм | U, В |
| 207 | 2200 |
| 232,5 | 1750 |
| 311 | 300 |
| 387,5 | 1800 |
| 405 | 2260 |

P*d, мм рт. ст.*мм |
U, В |
| 137 | 1110 |
| 193 | 750 |
| 310 | 240 |
| 465 | 1200 |

| Р*d, мм рт. ст.*мм | U, В |
| 77,5 | 1710 |
| 108,5 | 1330 |
| 225 | 190 |
| 341 | 1400 |
| 370 | 1750 |
Зондовые характеристики емкостного высокочастотного разряда
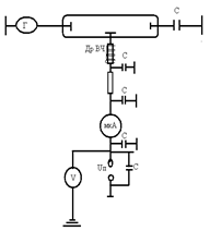
В работе проводились также зондовые характеристики, позволяющие определить температуру электронов и концентрацию заряженных частиц. Для этого разрядная трубка включалась по схеме (11):

![]()
![]()
Достоинством метода является возможность проведения локальных измерений и сравнительная простота необходимого оборудования. К недостаткам можно отнести сложность теории и, как следствие, большую погрешность измерений и трудность ее оценки.
К зонду прикладывался отрицательный по отношению к аноду потенциал. С помощью вольтметра и микроамперметра поточечно снимается вольтамперная характеристика зонда. По графику определяется плавающий потенциал, отвечающий условию
. В нашем случае он равен 8.8 В. На участке с
ионный ток не вносит значительного вклада в суммарный ток на зонд. Эта часть вольтамперной характеристики строится в полулогарифмическом масштабе.

Рис. 12 Экспериментальная зондовая характеристика

Рис. 13 Полулогарифмическая зондовая характеристика
Из (24) имеем
(26)
При наличии в плазме максвелловского распределения на полулогарифмическом графике обнаруживается линейный участок тангенс угла наклона этого участка, равен
. Отсюда определяется электронная температура:
(27)
В знаменателе этой дроби стоит угловой коэффициент, определяемый следующим образом: на линейном участке логарифмической зондовой характеристики выбирается малый интервал
и отвечающий ему интервал
. Их отношение равно тангенсу угла наклона линейного участка кривой.
Формулу (27) можно переписать в виде
(28)
В (28) ток выражен в амперах, напряжение в вольтах, а температура в градусах Кельвина.
Найденная таким методом электронная температура в нашем эксперименте оказалась равна 16800 К.
Подвижность положительных ионов в неоне при давлении 0.1 мм рт. ст. ![]()
Концентрация положительных ионов определялась по формуле:
, (29)
Где
- ток на катод (в нашем случае
), е – заряд электрона,
- напряженность поля около катода,
- подвижность положительных ионов.
Отсюда находим концентрацию: ![]()
| Параметр | Значение |
| Напряжение зажигания аргона при частотах (1 МГц, 2 МГц, 4 МГц), В | 250 – 750; 220 – 720; 150 – 2300 |
| Напряжение зажигания воздуха при частотах (1 МГц, 2 МГц, 4 МГц), В | 300 – 2300; 225 – 725; 180 – 1800 |
| Напряжение потухания аргона при частотах (1 МГц, 2 МГц, 4 МГц), В | 200 – 700; 150 – 600; 100 – 500 |
| Напряжение потухания воздуха при частотах (1 МГц, 2 МГц, 4 МГц), В | 200 – 1500; 150 – 500; 100 – 1000 |
| Напряжение горения аргона при частотах (1 МГц, 2 МГц, 4 МГц), В | 1500–2000 |
| Напряжение горения воздуха при частотах (1 МГц, 2 МГц, 4 МГц), В | 1500–1800, |
| Электронная температура, К | 16800 |
| Ток горения, |
60 |
| Подвижность положительных ионов, |
15200 |
| Концентрация положительных ионов, |
Исследование высокочастотного разряда в аргоне бесконтактным методом
Емкостной ВЧ разряд (ЕВЧР) возникает в разряженном газе (0,1–100 мм рт. ст.), находящемся в электрическом поле между плоскими электродами. При этом мгновенное значение тока между электродами есть сумма двух слагаемых: тока «смещения» и тока проводимости. Ток «смещения», согласно уравнениям Максвелла пропорционален скорости изменения вектора электрического поля, т.е. пропорционален частоте электрического поля от внешнего генератора высокой частоты [2].
Ток проводимости – это ток, возникающий движением электронов и ионов в светящемся газе. Если величина тока смещения в среднем значительно превышает величину тока проводимости, то разрядный промежуток может быть в первом приближении моделирован как емкость, включенная в цепь высокой частоты, и вычисления могут проводиться по соответствующим формулам электротехники. Поэтому такой разряд, который может быть приблизительно представлен схемой электротехнического тока, получил наименование емкостного высокочастотного разряда. Электроды могут быть проводящим металлом, соприкасающимся с газовой средой внутри промежутка, а могут быть внешними, т.е. отделенными от газа слоем диэлектрика. В первом случае разряд называется электродным, во втором – безэлектродным. Плазма таких разрядов, как правило, слабо ионизирована, неравновесна и подобна плазме тлеющего разряда.
Интерес к исследованию ЕВЧР возрос в течение последних 20–30 лет в связи с его использованием для нанесения тонких покрытий металлов и диэлектриков (нанотехнологии), а также возможности создания лазеров с регулируемой частотой излучения (нелинейная оптика). Особый интерес представляет исследование ЕВЧР для синтеза и анализа некоторых веществ (плазмохимия) [11].
Исследования проводились с электродным и с безэлектродным разрядом при разных давлениях (от 0,5 мм рт. ст. до 20 мм рт. ст.). Некоторые результаты такого исследования представлены в настоящей работе.


Рис. 15 Разрядная камера с внешними электродами
Разряд горел в зависимости от давления при различных напряжениях порядка 500–1000В.

Рис. 16 Вид разряда в аргоне в камере с внутренними электродами.
Темные пространства аналогичны Фарадеевому пространству тлеющего разряда на постоянном токе. В центре мы наблюдаем светящийся столб газа, аналогичный положительному столбу тлеющего разряда. В отличие от тлеющего разряда на постоянном токе, где положительный столб примыкает к аноду, здесь с обеих сторон имеется темное пространство. Таким образом, в разрядной трубке в один полупериод ВЧ напряжение создается тлеющий разряд с катодом слева, а с анодом справа, а в другой полупериод наоборот. Между светящимся столбом и электродом промежутка имеется активная область – приэлектродный слой пространственного заряда (ПСПЗ), которая и является генератором основных явлений ЕВЧР.
Если давление меньше, то величина приэлектродного слоя увеличивается, и может достигать от долей см. до 2 см., это связано с тем, что при уменьшении давления увеличивается средняя длина свободного пробега электронов.


а) б)
Рис. 17 Вид разряда в аргоне в камере с внешними электродами
Были проведены исследования по методике, предложенной в работе А.Ф. Александров, В.А. Рябный, В.П. Савинов, В.Г. Якунин «Бесконтактный метод изучения параметров приэлектродной области ВЧ разряда». Новизной было то, что в опыте кафедры электроники МГУ использовался гелий, а в нашей работе использовался аргон. Целью исследования было освоение новым методик по изучению ЕВЧР.

Рис. 18 Эквивалентная схема экспериментальной электрической цепи ЕВЧР

Рис. 19 Принципиальная схема установки
В процессе электрического пробоя разрядного промежутка и формирования разряда образуются ПСПЗ, которые обеспечивают выход ЕВЧР на стационарный режим. Как обнаружено экспериментально, в установившемся ЕВЧР за каждый период ВЧ поля (T
10
с) суммарный электрический заряд, приходящий на электрод, равен нулю. Соответственно, квазистационарные параметры конденсатора ПСПЗ: емкость Cs
, заряд qs
и толщина слоя ds
остаются постоянными. При этом заряд qs
обеспечивает в ПСПЗ квазистационарную разность потенциалов Us
, благодаря которой за период ВЧ поля заряд поступающих из плазмы на электрод электронов компенсирует приносимый заряд положительных ионов и заряд эмитируемых с поверхности электрода электронов.
В участке электрической цепи ЕВЧР, состоящем из последовательно соединенных емкостей C01
, C
и Cs
1
, активным элементом является емкость C
, заряд на обкладках которой q
определяют физические процессы в ПСПЗ.
При этом данный квазистационарный заряд q
устанавливается во всех последовательно соединенных емкостях электрической цепи, в том числе и на измерительной емкости ![]()
Для измерения квазистационарных напряжений U
, U
и U
в экспериментальной схеме использовались вольтметры электростатической системы типа C-95. Таким образом, предложенный метод включает в себя измерение электрического напряжения на нескольких внешних элементах цепи ЕВЧР и вычисление искомых параметров по приведенным формулам с использованием известных конструктивных параметров экспериментальной системы.
(30)
(31)
для квазистационарного напряжения
,
- переменные напряжения, измеряемые приборами С-95
В ходе не сложных математических преобразований получили:
(32)
(33)
(34)
(35)
(36)
емкостный разряд ленгмюр зонд
Р=0,8 Тор.
U
=134 В, U
=136 В, d
=0,19 см, d
=1,4 см
Яркость излучения не одинакова вдоль длины промежутка из-за распределенной емкости на землю, так как ток не одинаков в разных сечениях промежутка.
Мы получили скачки потенциала в приэлектродном слое пространственного разряда в аргоне. По порядку величины они оказались схожими с теми, что получила кафедра электроники в МГУ. В дальнейшем предполагается провести исследования на более качественном современном оборудовании.
Заключение
В ходе выполнения данной выпускной квалификационной работы приобретены навыки экспериментальной работы с приборами. Изучив и проанализировав литературу по теории газового разряда, экспериментально был исследован емкостной высокочастотный разряд при давлениях от 0.1 мм рт. ст. до 5 мм рт. ст. при различных частотах.
Изготовлена экспериментальная установка для изучения плазмы методом зондов Ленгмюра.
Изготовлена экспериментальная установка и проведен эксперимент по определению параметров плазмы методом зондов Ленгмюра. Получены вольтамперные характеристики разряда и кривые Пашена при различных частотах, а также вычислены электронная температура (
), концентрация положительных ионов (
) и их подвижность (
). Измеренные параметры, представлены в таблице, удовлетворительно совпадают с теоретическими значениями.
Проведены исследования высокочастотного разряда в аргоне по статье А.Ф. Александрова и В.П. Савинова с целью освоения новых методик по изучению ЕВЧР. Мы получили
скачки потенциала в приэлектродном слое пространственного разряда в аргоне бесконтактным методом
U
=134 В, U
=136 В. По порядку величины они оказались схожими с теми, что получила кафедра электроники в МГУ. В дальнейшем предполагается провести исследования на более качественном современном оборудовании.
Хочется выразить особую благодарность Антонову С.Д., Бондаревой Т.В. в освоении нового оборудования и сборки экспериментальной установки и Петрову Д.В. в проведении эксперимента.
Литература
1. Александров А.Ф., Богданкевич Л.С., Рухадзе А.А. Основы электродинамики плазмы. М.: Высш. шк., 1988.
2. Александров А.Ф., Рябный В.А., Савинов В.П., Якунин В.Г. Бесконтактный метод изучения параметров приэлектродной области ВЧ разряда.
3. Браун С. Элементарные процессы в плазме газового разряда М.: Наука. 1961 г.
4. Вопросы теории плазмы. М. 1967 г.
5. Жуков А.А. Искровой пробой газа. Хабаровск, 2000 г.
6. Кролл Н., Трайвелпис А. Основы физики плазмы. М.: Мир, 1975.
7. Михайловский А.Б. Теория плазменных неустойчивостей. В 2 т. М.: Атомиздат, 1975–1977. Т. 1, 1975; Т. 2, 1977.
8. Райзер Ю.П., Шнейдер М.Н., Яценко Н.А. Высокочастотный емкостной разряд: Физика. Техника эксперимента. М.: Наука, 1995 г.
9. Трубников Б.А. Теория плазмы: Учеб. пособие для вузов. М.: Энергоатомиздат, 1996.
10. Таблицы физических величин. Справочник под ред. Кикоина И.К. – М.: Наука, 1976 г.
11. Физический энциклопедический словарь. / Под ред. Прохорова А.М. – М.: Советская энциклопедия, 1983 г.
12. Франк-Каменецкий Д.А. Лекции по физике плазмы. М.: Атомиздат, 1968.
13. Чернетский А.В. Введение в физику плазмы. М. 1969 г.
14. Шпольский Э.В. Атомная физика. М-Л., гостехиздат, 1950 г.
15. Энциклопедия низкотемпературной плазмы. Вводный том. Ч. I–IV/ Под ред. В.Е. Фортова. М.: Наука, 2000.
Похожие рефераты:
Энергосбережение на современном этапе
Лекции по твердотельной электронике
Билеты по физике за весь школьный курс
Исследование работ Фарадея по электричеству
Методика формирования понятия Плазма в школьном курсе физики
Получение тонкопленочных электретов на основе фторопласта - 4 и изготовление приборов на их основе
Конструктивное исполнение электродов в первичных химических источниках тока
Физика в МГУ (билеты-вопросы-ответы) по лекциям Ремезовой Н.И. и лекторов из МГУ
Ответы к экзаменационным билетам по физике 11 класс (ответы к 29 билетам)
Электрические ракетные ионные двигатели
Тиристорные устройства для питания автоматических телефонных станций
Контроль качества сгорания топлива в методических нагревательных печах