| Похожие рефераты | Скачать .docx |
Дипломная работа: Фундаментальні досліди з квантової оптики та їх висвітлення в шкільному курсі фізики
Міністерство освіти і науки України
Рівненський державний гуманітарний університет
Кафедра фізики
Бакалаврська робота
на тему:
Фундаментальні досліди з квантової оптики та їх висвітлення в шкільному курсі фізики
Виконав:
Студент ФТФ
Групи ФТ-41
Васильєв Р.О.
Перевірив:
Тищук В.І.
Рівне-2006р
Зміст
Вступ
Розділ 1 Фундаментальні досліди з квантової оптики
1.1 Випромінювання Вавілова-Черенкова
1.2 Ефект Доплера
1.3 Фотонна теорія світла. Маса та імпульс фотона. Досліди Боте та Вавилова
1.4 Тиск світла. Досліди Лебедєва
1.5 Ефект Комптока
Розділ 2 Вивчення фундаментальних дослідів з квантової оптики в профільних класах
2.1 Досліди, що послужили основою виникнення хвильової теорії світла
2.2 Досліди Юнга
2.3 Досліди по поляризації світла
2.4 Проблема швидкості світла у фізичній науці
2.5 Вимірювання швидкості світла
Розділ 3
3.1 Розподіл навчального матеріалу за уроками
3.2 Рекомендації з проведення самостійних та контрольних робіт
Висновоки
Список використаної літератури
Додатки
Вступ
Оптика – розділ фізики, в якому вивчаються властивості, фізична природа світла та його взаємодія з речовиною. Поняття „світло” охоплює не тільки видиме світло, але й прилеглі до нього широкі ділянки спектра електромагнітних хвиль – інфрачервоне та ультрафіолетове випромінювання. Сучасна оптика вивчає ділянку спектра від м’ягкого рентгенівського випромінювання до радіохвиль міліметрового діапазону.
Питання про природу світла та закони його поширення зацікавили грецьких філософів ще до нашої ери.Так, у трактатах Евкліда „Оптика” і „Катоприка” (3 ст. До н. е. ) на основі уявлень про світло як промені, що виходять з ока, сформульовано закони прямолінійного поширення світла та рівності кутів падіння та відбивання.
Протилежну думку про природу світла висловив Лукрецій (бл. 96 – 55 до н. е. ) у поемі „Про природу речей” . Він вважав, що світло випускається світними тілами у вигляді досить малих зліпків. Птолемей (2 ст. н. е.) встановив, що для малих кутів падіння відношення кута падіння до кута заломлення є величина стала. Але сформулювати закон заломлення світла вони так і не змогли.
На початку 17 ст. було винайдено мікроскоп і зорову трубу, які широко застосовуються і зараз. Для вдосконалення цих приладів треба було знати не тільки закони відбивання, а й заломлення світла. У 1621 р. В. Снелліус (1580 - 1626) встановив кількісно закон заломлення світла, що роходить плоску межу двох середовищ, а Р.Декарт (1596 – 1650 ) математично записав цей закон у вигляді відношення синусів кутів падіння і заломлення.
Саме в той час перед фізиками постав ряд питань: що являє собою світло; що саме поширюється по прямій лінії, відбивається, заломлюється; що надає тілам колір, несе із собою тепло; що утворює, пройшовши через лінзу, зображення; що діє на сітківку ока?
Р. Декарт при виведенні законів відбивання і заломлення ввжав, що світло являє собою потік частинок. Р.Гук (1635-1703) вважав, що світло - це процес поширення імпульсів деформацій стиску раптово або з досить великою швидкістю. Й.Марці і Ф.Грімальді також вважали, що світло являє собою процес поширення хвиль із великою швидкістю.
Розрізнені відомості про природу світла було систематизовано, на основі чого створено теорію про корпускулярну природу світла, основоположником якої є І. Ньютон.
Властивість світла поширюватись прямолінійно, мабуть, спричинила те, що і Ньютон віддав перевагу корпускулярній теорії. Згідно з цією теорією світло складається з дрібних частинок (корпускул), які випромінюються світними тілами. Для опису руху курпускул І.Ньютон застосував закони механіки. За законом інерції в однорідному середовищі ці частинки мають летіти прямолінійно.
Мета роботи:
Вивчення фундаментальних дослідів з квантової оптики в шкільному курсі фізики.
Предмет дослідження:
· систематизування змісту навчального матеріалу з розділу „Квантова оптика”
Завдання дослідження:
· на виявлені теми курсу “Фізика” вивчення теми „Фундаментальні досліди з квантової оптики в шкільному курсі фізики”
· підвищити показники рівня знань учнів;
Розділ 1 Фундаментальні досліди з квантової оптики
1.1Випромінювання Вавілова – Черенкова
Вивчаючи явища люмінесценції, П. О. Черенков (1904-1990) у 1931 р. виявив випромінювання, що виникає в речовинах при русі електроні», швидкість яких перевищує: фазову швидкість Vсвітла в цих середовищах. Значні заслуги у встановленні природи цього випромінювання належать С. І. Вавилову, тому воно називається випромінюванням Вавилова - Черепкова. Теорію цього випромінювання розвинули І. Є. Гамм (1895-1971) та І. М. Франк (н. 1908 р.) у 1937 р.

Мал.1
Для встановлення суті випромінювання Вавилова - Черенкова вважатимемо, що електрон в однорідному середовищі рухається рівномірноі швидкістю V. Під дією електричного поля електрона атоми і молекули середовища збуджуються і стають центрами випромінювання електромагнітних хвиль. При рівномірному русі електрона хвилі когерентні й будуть інтерферувати між собою.
.Коли швидкість електрона Vбільша за фазову швидкість світла в середовищі, то хвилі, що випромінюються атомами в різні моменти часу за певних умов, зможуть приходити в точку спостереження (рис. 1) одночасно. Якщо електрон перебував у точках А і В оменти часу t1 it2 то хвилі досягнуть точки Р у моменти часу
та
. Різниця цих часів
![]()
Для випадку, коли точка Р достатньо віддалена від точки А, можна вважати, що АР-ВР
АС=АВcosӨ Оскільки
то існує: кут Ө, який задовольняє умову
(1)
де с - швидкість світла у вакуумі; п - показник заломлення середовища.
У разі виконання умови (1) всі хвилі досягають точки Р одномасно й підсилюють одна одну. Отже, тільки в напрямі, що визначається умовою (1), поширюється випромінювання. З формули (1) видно, що випромінювання можливе на частотах ω, для яких
, і неможливе на частотах, для яких ![]()
Випромінювання Вавилова - Черенкова спостерігається у видимій, ультрафіолетовій та інфрачервоній частинах спектра, а також урадіочастотному діапазоні Для рентгенівських променів n<1, тому таке випромінюваним для них неможливе.
Експериментально доведено, що випромінювання Павилова – Черенковачастково поляризоване й уїворюе суцільний спектр. Його електричний вектор лежить у площині, що проходить через напрям швидкості електрона І напрям поширення випромінювання. Випромінювання Вавилова - Черенкова поширюється головним чином у напрямі руху електрона і мас максимальну інтенсивність уздовж твірних конуса, вісь якої о збігається з напрямом швидкості електрона, а нахил твірної до осі визначається умовою (1).
Випромінювання Вавилова – Черенковашироко застосовується в ядерній фізиці для вимірювання швидкостей частинок високих енергій.
1.2 Ефект Доплера
При вивченні звукових хвиль встановлено, що коли джерело і приймач звуку нерухомі одне відносно одного, то частота звуку, яку генерує джерело, дорівнює частоті, яку реєструє приймач. Якщо ж вони рухаються назустріч одне одному, то частота, реєстрована приймачем звуку, вища, ніж частота, яку генерує джерело. З віддалянням джерела звуку від приймача частота звуку, яку реєструє приймач, буде нижчою від частоти коливань джерела звуку. Залежність частоти хвиль, які сприймаються приймачем, при русі джерела чи приймача, чи одного і другого разом називають ефектом Доплера. Розрізняють ефект Доплера в акустицч і в оптиці.
В акустиці частота сприйнятих хвиль залежить від швидкості руху джерела хвиль і швидкості руху приймача відносно середовища, в якому поширюється хвиля.
В оптиці ефект Доплера означає ту саму залежність частоти, але від відносної швидкості джерела і приймача. Цей ефект в оптиці вперше спостерігав А. Фізо. Він виявив зміщення спектральних ліній у випромінюванні деяких небесних світил. У лабораторних умовах дослідження ефекту Доплера вперше здійснили у 1900 р. А.А. Бєлопольський (1854-1934) і у 1907 р. Б. Б. Голіцин (1862-1916).
Ефект Доплера в оптиці добре узгоджується з гіпотезою X. Лоренца про нерухомий ефір. Оскільки існування ефіру заперечується теорією відносності, то доплерівське зміщення частоти світлових хвиль визначається тільки відносною швидкістю джерела і приймача.
Зв'яжемо початок координат системи К із джерелом світла, а систему К' - з приймачем світла. Осі Ох і О'х' спрямуємо вздовж вектора швидкості V, з якою одна система переміщується відносно іншої. Для спрощення математичних викладок вважатимемо, що світлова хвиля поширюється у вакуумі. Відомо, що при переході до будь-якої системи відліку за допомогою перетворень Лоренца одержуємо одне й те саме значення швидкості світла.
Напрям поширення світла і його частота в різних системах відліку будуть різними. Зміна частоти хвилі при переході від однієї системи відліку до іншої виражає ефект Доплера, а зміна напряму характеризується аберацією світла. Вважатимемо, що від джерела світла поширюється плоска хвиля. Рівняння цієї хвилі в системі К має вигляд
(1)
де
– циклічна частота, що реєструється у системі відліку, зв'язаній з джерелом. У системі відліку, зв'язаній з приймачем, рівняння цієї хвилі має вигляд
(2)
де
– циклічна частота, що реєструється приймачем у системі К'. Відповідно до принципу відносності закони природи мають однаковий вигляд в усіх інерціальних системах відліку. Оскільки йдеться про одну й ту саму хвилю, то в обох системах відліку фази коливань у рівняннях (1) і (2) однакові, тобто
(3)
де
i
– координати і час однієї й тієї самої події відповідно в системах відліку К і К'. Початок відліку часу в даному випадку вибрано так, що в момент збігу початку координат обох систем t=t’=0.
Рівняння (3) перепишемо так:
(4)
Підставимо у (4) формули перетворення Лоренца (8.11) І порівняємо коефіцієнти однакових змінних. При цьому маємо
(5)
(6)
Аналогічно підстановкою формул (8.10) у (8.15) одержимо
(7)
(8)
Формули (8.16) і (8.18) описують ефект Доплера, а (8.17) і (8.19) -аберацію світла.
Розглянемо окремий випадок, коли хвиля поширюється вздовж осі Ох. Тоді
і співвідношення (8.16) набуває вигляду
(9)
Якщо перейти від циклічної частоти
до звичайної v, то вираз (9) матиме вигляд
(10)
Зміна частоти у цьому випадку називається поздовжнім ефектом Доплера.
Якщо відносна швидкість мала (v«с), то співвідношення (10) можна наближено записати так:
(11)
тобто між
і
має місце лінійна залежність. Тому іноді поздовжній ефект Доплера називають ефектом першого порядку. Співвідношення (11) також можна записати так:
(12)
де
Із виразу (12) випливає, що при додатній відносній швидкості, тобто коли джерело світла віддаляється від приймача, він реєструє частоту
тобто мас місце червоне зміщення. Для випадку, коли джерело світла наближається до приймача (v<о), має місце фіолетове зміщення. При цьому приймач реєструє
.
Якщо із системи К' ведуться спостереження в напрямі, перпендикулярному до напряму поширення хвилі, то
Із рівності (7) маємо
![]()
або (13)
![]()
тобто між V'/V і р має місце квадратична залежність. Це явище називається поперечним ефектом Доплера, який є ефектом другого порядку. Він не залежить від знаку швидкості
. Цей ефект чисто релятивістський і не має місця для звукових хвиль.
Поперечний ефект Доплера вперше спостерігали Г. Айвс і Дж. Стілуелл у 1938 р. Джерелом світла був пучок каналових променів атомів водню, які рухались зі швидкістю
м/с. Швидкість
розраховувалась за величиною прикладеної до електродів напруги, а також за величиною поздовжнього доплерівського ефекту. Світло, що випромінюється рухомими атомами перпендикулярно до напряму їх руху, спрямовувалось у спектрограф.
У загальному випадку вектор відносної швидкості можна розкласти на радіальну (променеву) і нормальну складові. Перша складова зумовлює поздовжній, а друга - поперечний ефект Доплера.
Експериментальне підтвердження поздовжнього ефекту Доплера було вперше здійснено в астрономії при порівнюванні частот водневих ліній у спектрі зірок Веги і Сіріуса з відповідними лініями водню в спектрі газорозрядних трубок. Зміщення ліній дало змогу визначити променеву швидкість цих зірок відносно Землі. Тепер такі вимірювання доведено до великої точності (до 1 км/с), і вони є майже єдиним методом вимірювання променевих швидкостей космічних тіл.
Поздовжній ефект Доплера зумовлює також розщеплення на два компоненти спектральних ліній, що випромінюються подвійними зірками (система з двох тіл, що здійснюють обертання навколо спільного центра мас).
Тепловий рух молекул газу, що світиться, зумовлює доплерівське розширення спектральних ліній, за яким можна вимірювати температуру газу.
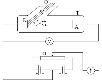
1 .3 Фотонна теорія світла. Маса та імпульс фотона. Досліди Боте та Вавилова
Фотоефект має не тільки широке технічне застосування, але й важливе теоретичне значення при з'ясуванні природи світла.
Як зазначалось, для пояснення розподілу енергії випромінювання в спектрі абсолютно чорного тіла М. Планк висунув гіпотезу, що світло випромінюється порціями, енергія яких
. Для з'ясування законів фотоефекту довелось припустити, що світло поглинається порціями енергії.Ці явища неможливо пояснити на основі класичної фізики.
Оскільки у світловому потоці енергія розподілена не рівномірно у просторі, а переноситься окремими фотонами, то вона і в часі повинна сприйматися дискретними порціями. Проте концентрація фотонів за звичайних умов настільки велика, що світловий потік сприймається як неперервний потік енергії.

Мал.2
Якщо світло має корпускулярні властивості, то в слабких світлових потоках повинні мати місце флуктуації. Такі флуктуації спочатку були виявлені для короткохвильового випромінювання (рентгенівського і
-випромінювання). Одним із перших флуктуацію спостерігав В. Боте (1891-1957). У своїх дослідах він між двома газорозрядними лічильниками Л розташовував тонку металеву фольгу Ф (мал.2). Фольга опромінювалася слабким потоком рентгенівських, променів, піддією яких вона сама ставала джерелом цих променів. Оскільки інтенсивність падаючого на фольгу рентгенівського опромінювання була малою, то кількість квантів, які випромінювались нею, була невеликою. При потраплянні рентгенівських променів у лічильник він спрацьовував і приводив у дію механізм М, який робив мітку на рухомій стрічці С. Якби із джерела Ф в усі сторони поширювались хвилі, як цього вимагає теорія про хвильову природу світла, то обидва лічильники спрацьовували б одночасно й мітки на стрічці знаходились би одна навпроти другої. Якщо ж джерело Ф випускає рентгенівські кванти ліворуч і праворуч неузгоджено,
тобто безладно, то відповідно і розташування міток на рухомій стрічці повинно бути безладним, що і спостерігалося в дійсності. Такий результат і повинен бути отриманий відповідно до квантових уявлень про світло.

Мал.3
Особливе значення має виявлення флуктуацій світлових потоків для видимого світла. Такі дослідження виконали С.І.Вавилов із співробітниками. Приймачем у цих дослідах було людське око.
Щоб зрозуміти ідею дослідів Вавилова, нагадаємо деякі відомості про око. В сітківці ока є два типи елементів, які сприймають світло, це колбочки і палички. Колбочки переважно знаходяться поблизу оптичної осі ока, і з ними зв'язаний апарат колірного зору. Палички переважають у периферійній частині сітківки, вони зумовлюють сірий, так званий присмерковий зір. їх чутливість значно переважає чутливість колбочок. Вони здатні реагувати на світловий потік, зумовлений падінням на рогівку до двохсот фотонів зеленого світла. Внаслідок відбивання і поглинання сітківки досягає декілька десятків фотонів. Ця кількість визначає так званий поріг зорового відчуття. У разі падіння меншої кількості фотонів зорове відчуття не виникає. Досліди Вавилова базувались на існуванні порогу зорового відчуття. Схема установки Вавилова для спостереження флуктуацій світлового потоку зображена на (мал.3)
Окофіксується на слабке червоне світло джерела S. У цьому разі головний світловий потік від лампи L, виділений діафрагмою D падає на периферійну частину сітківки ока. На шляху від дзеркала Zдо ока розміщено диск В з отвором. Диск приводиться в рух синхронним електродвигуном М і робить один оберт за секунду. Розмір отвору такий, що світло проходить крізь нього протягом 0,1 с і спостерігач реєструє короткочасний спалах. Зелений світлофільтр Fі нейтральний фотометричний клин К дають змогу виділити досліджувану ділянку спектра та ослабити потік, що попадає в око. Для абсолютних вимірювань енергії, яка і відповідає порогові зору, дзеркало Z приймають і діафрагму Dосвітлюють практичним повним випромінювачем Т. Спостерігач у момент спалаху на рухомій стрічці робив позначки. На ній же відмічався кожний оберт диска в момент, коли світло проходило крізь його отвір. Виявилось, що у випадку, коли світловий потік перевищує поріг зорового відчуття, спостерігач фіксує кожний спалах, а із зменшенням потоку до величини, що відповідає порогу зорового відчуття, не всі спалахи. Спостерігач реєстрував також спалахи і при середньому потоці, меншому, ніж поріг зорового відчуття. Це зумовлено флуктуаціями кількості фотонів в окремих потоках: в одних випадках їх проходила достатня кількість, щоб викликати зорове відчуття, а в інших недостатня.
Застосовуючи статистичні методи, С.І.Вавилов на основі експериментальних даних визначив середню кількість фотонів у світловому потоці. Отже, безпосередньо доведена дискретна, квантова структура світла, тобто підтверджено існування світлових частинок – фотонів, енергія яких
h
. Виходячи Із закону взаємозв'язку маси і енергії, можна визначити масу фотона
(14)
Так, для монохроматичних світлових променів, до яких чутливість людського ока максимальна (
= 0,555 мкм), маса фотона
=4*10
кг, для жорсткого рентгенівського випромінювання маса фотона порівняна з масою електрона, а для
-випромінювання - більша за масу електрона. Частинка, яка рухається зі швидкістю Vі має масу спокою
, матиме масу
(15)
Оскільки фотон рухається у вакуумі зі швидкістю с, то знаменник у формулі (15) перетворюється в нуль. З рівності (14) випливає, що маса фотона скінченна. Це можливо за умови, коли маса спокою фотона дорівнює нулю. Отже, фотон - це особлива частинка, яка істотно відрізняється від таких частинок, як електрон, протон, нейтрон, щомають відмінну від нуля масу спокою. Фотон не має маси спокою і може існувати тільки в русі зі швидкістю c. Імпульс фотона
![]()
(16)
де
=
,
- модуль хвильового вектора k. У векторній формі співвідношення(16) набуває вигляду
(17)
Ряд явищ вказує на те, що світло поводить себе як потік частинок (фотонів). Але не слід забувати, що такі явища, як інтерференція і дифракція світла, можуть бути пояснені тільки на основі хвильових уявлень.
Отже, світло має корпускулярно-хвильові властивості (двоїстість): в одних явищах проявляється хвильова природа світла, і воно поводить себе як електромагнітна хвиля, в інших – його корпускулярна природа, і воно поводить себе як потік фотонів.
1.4Тиск світла. Досліди Лебедєва
Серед різних дій світла тиск займає особливе місце. Ідея про те, що світло повинно тиснути на освітлювані ним поверхні, була висловлена ще Й. Кеплером (1571-1630), який вбачав у ній пояснення напрямів хвостів комет.
Двоїста природа світла значно утруднює наочну інтерпретацію властивостей випромінювання. З іншого боку, нерозривна єдність хвильових і корпускулярних властивостей світла дає змогу глибше зрозуміти і пояснити ряд явищ, зумовлених взаємодією випромінювання з речовиною.
З погляду квантової теорії тиск світла зумовлений зміною імпульсу фотонів при поглинанні та відбиванні їх поверхнею тіл.
Виведемо формулу тиску світла на основі квантової теорії. Нехай на поверхню площею
падає потік фотонів концентрації п під кутом
(мал.4). Визначимо число фотонів
, яке падає на площадку
за час
. Для цього потрібно концентрацію фотонів п помножити на об'єм похилого паралелепіпеда, висота якого
. Тоді
.
![]()

Мал.4
Імпульс одного фотона частоти Vдорівнює
, його напрям визначається напрямом руху фотонів. Тиск спричиняє зміна нормальної складової імпульсу Кп
, яка дорівнює
. Тоді нормальна складова імпульсу фотонів, які падають на площадку
за час
,
(18)
Якщо поверхня непрозора, а коефіцієнт дзеркального відбивання нею світла
, то повна зміна нормальної складової імпульсу відбитих і поглинутих фотонів
![]()
Враховуючи, що зміна імпульсу дорівнює імпульсу сили, можна записати
.
Тоді тиск світла
.(19)
Добуток концентрації фотонів п на енергію фотона
дорівнює об'ємній густині
світлової енергії. Тоді
.(20)
У разі нормального падіння світла (
=0) його тиск виражається формулою
.(21)
Якщо користуватись густиною потоку світлової енергії и =
, то формулу (9.10) можна записати так:
.(22)

Мал.5
На основі електромагнітної теорії виникнення тиску пояснюється так. Нехай на тіло А перпендикулярно до його поверхні падає електромагнітна хвиля (мал.5). Електричний Eі магнітний Hвектори світлової хвилі лежать у площині поверхні тіла А. Під дією сили
додатні електричні заряди тіла зазнаватимуть зміщення в напрямі E, а від'ємні – у протилежному напрямі. Зміщення зарядів створюють поверхневий струм, паралельний вектору Е. У металах та інших провідниках це струм провідності, а в діелектриках – поляризаційний струм зміщення. Магнітне поле світлової хвилі діятиме на цей струм за законом Ампера із силою
, напрям дії якої збігається з напрямом поширення падаючої хвилі. Сила, що діє на одиницю площі поверхні, являє собою тиск світла. На основі електромагнітної теорії Дж.Максвелл одержав формулу для обчислення тиску світла на тіло, яка збігається з формулою (20).
Отже, результати, одержані на основі квантової і хвильової теорій світла, однакові.
У 1900 р. П.М.Лебедєв вперше експериментально виміряв тиск світла на тверді тіла. На основі дослідів він дійшов висновку, що тиск світла на дзеркальну поверхню у два рази більший за тиск на поверхню, що майже повністю поглинає світло. Значення тиску світла, одержане експериментально, узгоджувалося з теоретичними розрахунками з точністю ±20 %. У 1923 р. В.Герлах (1889-1979) повторив дослід Лебедєва і його результати узгоджувалися з теоретичними величинами і точністю ± 2 %. У 1908 р. П.М.Лебедєв виміряв тиск світла на гази.
Світловий тиск досить малий. Так, за межами атмосфери Землі інтенсивність сонячного випромінювання дорівнює 1400 Вт/м2
. Відповідний тиск при нормальному падінні світла на поверхню, для якої р = 0,5, дорівнює ![]()
Па. Ця величина у 1010
менша від атмосферного тиску. Незважаючи на те, що тиск світла малий, його необхідно враховувати у ряді випадків. Так, сила гравітаційної взаємодії частинок пропорційна кубу їх радіуса, а сила світлового тиску пропорційна квадрату радіуса частинки. Для частинок досить малих розмірів ці сили можуть бути однакових порядків. Це дає підставу зробити припущення, що хвости комет зумовлені світловим тиском.
Нерівномірність освітлення поверхонь штучних супутників Землі викликає небажане їх обертання навколо деякої осі.
Фокусування лазерного пучка у "пляму" досить малого радіуса дас змогу одержати великі тиски. За їх допомогою можна мікроскопічним частинкам надати прискорення, які в мільйони разів більші за прискорення вільного падіння, а це набуває широкого практичного застосування.
1.5 Ефект Комптока
Корпускулярні властивості світла найбільш переконливо проявляються в явищі, яке називається ефектом Комптона. Досліджуючи розсіяння рентгенівського випромінювання різними речовинами, А. Комнтон (1892-1962) у 1923 р. виявив, що в розсіяному випромінюванні, крім спектральних ліній, яким відповідає довжина падаючої хвилі
, з'являються лінії, довжина хвиль яких
. При цьому було встановлено, що збільшення довжини хвилі
не залежить від довжини падаючої хвилі
і від природи розсіювальної речовини, а залежить від кута
між напрямом розсіяння і напрямом падаючого випромінювання. Експериментально встановлено, що

Мал.6
(23)
де
– стала величина. Оскільки зміна довжини хвилі
, не залежить від природи розсіювальної речовини, то розсіяння рентгенівського випромінювання відбувається на слабкозв'язаних електронах різних речовин. Ефект Комптона можна пояснити тільки на основі уявлень про корпускулярну природу випромінювання, розглядаючи розсіяння як процес пружного зіткнення рентгенівських фотонів з електронами. Оскільки енергія фотона характеристичного рентгенівського випромінювання значно перевищує енергію зв'язку зовнішнього електрона в атомі, то такий електрон можна вважати практично вільним.
Розглянемо пружне зіткнення рентгенівського фотона, енергія якого
і імпульс
. Оберемо систему координат, в якій електрон до зіткнення з фотоном знаходиться у спокої і має масу
. Після зіткнення з електроном розсіяний під кутом
фотон має енергію
і імпульс
, а електрон мас енергію тс2
і імпульс
(мал.6). На основі законів збереження імпульсу та енергії маємо
(24)
де
.
Відповідно до теореми косинусів з (мал.6) маємо
(25)
Розділимо рівняння (24) на
і піднесемо його до квадрату. Тоді
(26)
При відніманні рівняння (25) від (26) одержимо
(27)
Оскільки
та враховуючи те, що
, а
, із співвідношення (27) одержуємо
(28)
де величина
м називається комптонівською довжиною хвилі. Отже, теоретично одержані дані повністю збігаються з результатами експерименту. Цим самим ефект Комптона не тільки підтверджує фотонну теорію світла, але доводить справедливість законів збереження енергії та імпульсу при взаємодії фотона з електроном.
Наявність у розсіяному промінні спектральних ліній, довжина хвиль яких не зазнала змін, вказує на те, що деякі рентгенівські фотони розсіюються без зміни енергії. Таке розсіяння відбувається на електронах, які сильно зв'язані з ядром. При цьому розсіяння відбувається не на вільному електроні, а на системі електрон – ядро, маса якої значно перевищує масу електрона т0
. З рівняння (28) випливає, що зміною
. у цьому разі можна знехтувати. З цієї ж причини інтенсивність комптонівського розсіяння буде більшою для атомів, порядковий номер яких у періодичній системі елементів Менделєєва менший.
Результати розсіяння рентгенівських фотонів на електронах також спостерігали на фотографіях слідів у камері ВІльсона. Крім цього, Г.Гейгер (1882-1945) ІX.Бете експериментально довели, що розсіяний рентгенівський фотон і електрон віддачі з'являються одночасно.
Розділ 2 Вивчення фундаментальних дослідів з квантової оптики в профільних класах
2. 1 Досліди, що послужили основою виникнення хвильової теорії світла
Оптика є, ймовірно, тим розділом фізики, в якому вперше були проведені вимірювання. В III ст. до н.е. Евклід вже знав закони видбивання світла від плоского дзеркала, а в II ст. до н.е. Птолемей досліджував заломлення світла, але його досліди дали невірні результати.
В сучасному вигляді закон заломлення світла був сформульований В.Снеллиусом (1580—1626). Висновок Снелліуса не зберігся, швидше за все це була теоретична робота. Р.Декарт знов сформулював закон заломлення світла в 1638 р. і привласнив йому ім'я Снелліуса.
XVII в. був часом справжнього прогресу оптики. Одним з важливих питань було питання про те, як розповсюджується світло. В дослідах учня Галілея Торрічеллі по вимірюванню атмосферного тиску в 1643 р. з'ясувалося, що можна бачити через верхню частину барометра; це означало, що світло розповсюджується у вакуумі і для його розповсюдження не потрібне матеріальне середовище.
В 1669 р. Э. Бартолин (1625-1698) встановив, що деякі кристалічні речовини не підкоряються закону заломлення, в них відбувається розділення променя на два.
Християн Гюйгенс, як ми вже знаємо, займався проблемами механіки і оптики. Саме ці розділи фізики зіграли ведучу роль в становленні класичної фізики. Не випадково багато учених займалися одночасно вивченням і механічних, і оптичних явищ.
Гюйгенс, захопившися в молодості шліфуванням скла, виготовив лінзи з величезними фокусними відстанями (більше 60 м), удосконалив конструкцію телескопа і проводив астрономічні спостереження. Найбільшим внеском Гюйгенса в розвиток фізики була розроблена ним теорія світла. Свої переконання на світло Гюйгенс неодноразово представляв на засіданнях Паризької академії наук і в 1690 р. висловив їх в роботі «Трактат про світло».
Гюйгенс сформулював принцип, який тепер носить його ім'я. Згідно цьому принципу світло — хвильове явище, і кожну точку середовища, до якого дійшла світлова хвиля, можна вважати джерелом вторинних хвиль, а положення хвильового фронту визначається огинаючій вторинних хвиль в певний момент часу.
Вважаючи світло подовжніми хвилями, Гюйгенс пояснив явище заломлення світла.
Ньютон же вважав, що світло є потоком корпускул, що рухаються за інерцією. Таке уявлення дозволило пояснити прямолінійне розповсюдження світла.
Складнощі виникли при поясненні подвійного променезаломлення в кристалі ісландського шпату. Це явище не можна було пояснити, виходячи з припущення про те, що світло є подовжніми хвилями, як вважав Гюйгенс. Для двох частин однієї і тієї ж подовжньої хвилі речовина не могла володіти різними показниками заломлення. Різне заломлення світла кристалом (розділення пучка світла на два після проходження через кристал), виходячи з корпускулярних представлень Ньютона, можна було пояснити, якщо припустити, що частинки світла анізотропні, як магніти, і кристал їх сортує.
Ф. Грімальді, намагаючись з'ясувати, до якого ступеня можна довести різкість тіні, досвідченим шляхом встановив, що при освітленні шпилькового отвору тінь розмивається, з'являються ряди кольорових смуг. Досвід їм проводився з сонячним світлом в затемненій кімнаті. Результати дослідів були опубліковані в 1665 р. — через два роки після смерті Грімальді. Ньютон не надав значення дослідам Грімальді, хоча в них фактично було відкрито явище дифракції світла, що неспростовно доводило його хвильові властивості.
Ефект обгинання світлом перешкод перевідкриті Р.Гуком в 1672 р. Цими дослідами Ньютон зацікавився і провів досліди за допомогою звужуючої щілини, але із якихось причин залишив їх незавершеними.
Погляди Ньютона на властивості світла не були однозначними. Ньютон допускав обгинання світлом перешкод. Виконавши експеримент на установці, яка тепер носить назву «кільця Ньютона», він фактично спостерігав інтерференцію світла. Ньютон висунув припущення про те, що корпускули викликають коливання в сітківці ока, створюючи різні колірні відчуття: «найкоротші» — відчуття фіолетового кольору, «найдовші» — червоного.
Віддаючи перевагу корпускулярної теорії світла, Ньютон бачив ширше сучасників. Корпускулярні уявлення були лише частиною ньютонівських поглядів на світлові явища. Ньютон визнавав і досліджував також і хвильові властивості світла.
Таким чином, ми бачимо, що в поглядах Ньютона на природу світла був присутній корпускулярно-хвильовий дуалізм — визнання одночасного існування у світла і корпускулярних, і хвильових властивостей.
В кінці XVIII в. виникли сумніви в справедливості корпускулярної теорії: спостереження Грімальді вдалося пояснити на основі хвильових уявлень.
О.Ж.Френель створив повну хвильову теорію світла. Прихильник його поглядів Д.Араго провів разом з Френелем безліч дослідів. Зокрема, Френель і Араго провели експеримент, який дозволив знайти в центрі геометричної тіні світлу пляму, що виходило з хвильової теорії світла.
Хвильові властивості світла могли бути знайдений в явищах інтерференції і дифракції. Ці явища нерозривний пов'язані один з одним. Відмінність між ними полягає в тому, що в явищі дифракції бере участь один пучок світла, а в явищі інтерференції — два і більше.
Т.Юнг зрозумів, що не можна чекати інтерференцію від двох незалежних джерел світла, і в 1807 р. виконав досвід по виявленню не тільки дифракції, але і інтерференції світла.
Початок XIX ст. можна вважати часом, коли перемогла хвильова теорія світла.
В кінці XIX — початку XX в. у фізику прийшли квантові ідеї. Завдяки дослідженням теплового випромінювання, явища фотоефекту і цілого ряду інших явищ стало ясно, що світлу властиві не тільки хвильові, але і корпускулярні властивості.
Відродилися в певному значенні ідеї Ньютона про корпускулярні, переривисті властивості світла. Проте відродження цих ідей не було поверненням до уявлень XVII в.
Згідно квантовим ідеям світло одночасно володіє властивостями і хвилі, і частинки, не будучи ні тим, ні іншим. Світло — діалектична єдність переривчастого і безперервного, частинки і хвилі. Він володіє суперечливими властивостями, і ця суперечність зв'язана з тим, що людина як істота макроскопічна неминуче намагається перенести свої уявлення про оточуючому його макросвіт, зокрема уявлення про «морські хвилі і тенісні м'ячі» (по образному виразу Р.Фейнмана), на мікрооб'єкти.
Подвійність властивостей світла отримала назву корпускулярно-хвильового дуалізму. В науці затвердилася ідея, неявно присутня в переконаннях Ньютона ще в XVII в.
Досліди Ньютона по дисперсії і інтерференції світла
Дослідження в області оптики І.Ньютон почав вести, ще будучи студентом, а популярність як учений-фізик придбав після 1668 р., коли їм була виготовлена модель телескопа-рефлектора. В 1673 р. на засіданні Лондонського Королівського суспільства була представлена праця «Нова теорія світла і кольорів», в якому Ньютон описував свої досліди по дисперсії світла.
Погляди Ньютона на світлові явища, як вже наголошувалося, не були однозначними. Намагаючись з'єднати корпускулярні і хвильові уявлення, Ньютоном враховані корпускулярним уявленням, беручи активну участь в дискусії з питання про те, що таке світло, з Р.Гуком. Підсумок своїх досліджень в області оптики Ньютон опублікував тільки в 1704 р. — після смерті Гука — в творі «Оптика».
В 1666 р. И. Ньютон провів досліди з скляними призмами і відповів на питання: «Яка фізична властивість дозволяє світлу створювати такі прекрасні відчуття, як колір?» Результати цих дослідів були опубліковані в 1672 р.
В цій роботі Ньютон писав про те, як він експериментально встановив, що проміння, відмінне за кольором, по-різному заломлюється скляною призмою. Досвід полягав в наступному. Шматок щільного паперу з паралельними сторонами був розділений лінією, перпендикулярною паралельним сторонам. Одна частина шматка паперу була яскраво-червоною, інша яскраво-синьої. Цей шматок паперу розглядався через товсту скляну призму із заломлюючим кутом в 60°. Якщо призма розташовувалась переломним кутом в низ, то розфарбований папір через призму здавався піднятою, причому синя частина здавалася піднятою більше, ніж червона. Якщо ж призма розташовувалась заломлюючим кутом вгору, то частини паперу здавалися опущеними, і синій шматок здавався зміщеним вниз дещо більше, ніж червоний. Так було показано, що світло, що викликає відчуття синього кольору, заломлюється сильніше за світло, що викликає відчуття червоного кольору.
Далі в роботі йшлося про те, що до складу сонячного (білого) світла входить проміння різних кольорів — проміння, по-різному що заломлюються скляною призмою.
Досліди проводилися в сонячний день в темній кімнаті. Крізь виконаний у віконниці невеликий отвір (біля V3 дюйма) в кімнату проникало світло. Світло прямувало на призму, і на протилежній від вікна стіні кімнати виходило подовжене зображення Сонця з веселковим чергуванням кольорів. Ця веселкова смужка була спектром білого світла. Ньютон ввів сім основних кольорів спектру — червоний, оранжевий, жовтий, зелений, голубий, синій, фіолетовий. Спектр сонячного світла був безперервним, і кольори плавно переходили один в одного.
Потім Ньютон провів вирішальний експеримент: «частину спектру» (світло одного кольору) направив на іншу скляну призму. Друга призма подальшої зміни забарвлення не давала. Так було встановлено, що утворювати спектр — це не властивість призми, а властивість світла.
Для доказу складного складу білого світла після розкладання світла в спектр всі пучки спектру знов збиралися за допомогою лінзи — виходило біле світло.
В другій частині книги «Оптика» описані досліди Ньютона, що «стосуються віддзеркалень, заломлень і кольорів тонких прозорих тіл».
Щільно притискуючи один до одного дві скляні призми, «які випадково були дещо опуклими», Ньютон помітив, що світло по-різному проходило через ці призми: предмети, що знаходяться за призмами, були то видні, то не видні, залежно від того, як призми були притиснуті один до одного, тобто залежно від того, яким був прошарок повітря між призмами.
При малому значенні кута нахилу падаючого проміння до шару повітря (при великому значенні кута падіння) з'являлося багато кольорових дуг. Рухаючи призми один щодо одного, можна було добитися того, що дуги утворювали кольорові кільця.
Для більш точних спостережень Ньютон використовував два об'єктивні скельця від об'єктиву для телескопа —плоско-випукле і двоопукле (дві збираючі лінзи). Наклавши двоопуклу лінзу на плоску сторону другої лінзи, Ньютон злегка стискав скельця, при цьому спостерігалася поява кольорових кругів і зміна їх положень при різному натиску на лінзи.
При стисненні лінз діаметри кольорових кілець збільшувалися, а ширина кожного з кольорових кілець зменшувалася. Послідовність кольорів в кільцях зберігалася і відповідала послідовності спектральних кольорів, але в центрі різні кольори зміняли один одного. Врешті-решт в центрі з'являлася темна пляма.
При підйомі верхнього скла над нижній діаметр кілець зникав, товщина їх зростала, в центрі пляма була прозорою. За прозорою центральною плямою кольори йшли від синього до червоного. Було дуже важко розрізнити фіолетовий колір, іноді здавалося, що сусідні спектральні кольори зливаються, утворюючи біле кільце. Добре спостерігалося останнє з першої серії веселкових кілець червоне кільце. Далі слідувала ще одна серія кольорових кілець, тут вже майже всі кольори були виразно видні, слабіше за все був представлений зелений колір.
Ньютон спостерігав картину кольорових кілець як в проходячому, так і у відбитому світлі.
Зараз ми розуміємо, що Ньютон спостерігав явище інтерференції світла в тонкому шарі повітря, що заповнював проміжок між двома стеклами. Колір, ширина і діаметр кільця визначаються умовами максимумів і мінімумів для світла з різною довжиною хвилі при різній товщині повітряного прошарку. Крім того, грає роль частка того або іншого кольору в спектрі. Червона ділянка спектру представлена широкою частиною кольорової смужки, він спостерігається краще всього.
Таким чином, в експериментах з так званими кільцями Ньютона була знайдена періодичність, властива світлу і що не поєднується з уявленнями про світло як про потік корпускул.
Ньютон повторив досліди по дифракції світла різного кольору і встановив, що ширина смуг, що виникають при обгинанні світлом перешкод, залежить від кольору світла і що ширина смуг для світлових пучків червоного кольору більше, ніж для світлових пучків фіолетового кольору.
Таким чином, кінець XVII в. був ознаменований відкриттям інтерференції і дифракції світла, встановленням складного складу білого світла і, як буде показаний пізніше, доказом кінцівки швидкості розповсюдження світла. В XVIII в. хвильові уявлення про світло були практично забуті, більшість учених дотримувалася корпускулярних переконань. Ситуація серйозним чином змінилася на початку XIX в.
2.2 Досліди Юнга
Англійський вчений Т Юнг протягом всього свого життя займався вивченням оптичних явищ. Інтерес до них був викликаний результатами дослідів по поляризацію світла, проведеними в 1810-1815 рр., і роботами в області оптики О.Ж.Френеля, виконаними в 1815-1823 рр. Юнг був прихильником ідей Френеля, переписувався з ним і перекладав його роботи на англійську мову.
В роботі «Про теорію світла і кольорів» Юнг писав, що світло є хвильовим процесом в заповнюючому Всесвіт світлоносному ефірі. Відчуття кольору, по Юнгу, залежать від різної частоти коливань, порушуваних світлом в сітківці. Далі Юнг пояснював кольори подряпин на непрозорих поверхнях і робив висновок про те, що ці кольори мають те ж походження, що і кольори тонких прозорих плівок. При цьому Юнг детально обговорював досліди Ньютона, в ході яких спостерігалися веселкові кільця.
В роботі «Лекція про природу світла і кольорів» з курсу лекцій «по натуральній філософії і механічним ремеслам» Т.Юнг висунув ідею про те, що, якщо світло — хвильовий процес, то для нього повинні спостерігатися ті ж явища, які характерні для механічних хвиль (наприклад, для хвиль на воді і для звуку). Юнгом був зроблений дуже важливий висновок про те, що для спостереження взаємного посилення або гасіння світлових хвиль (тобто для спостереження явища інтерференції) світло повинне виходити від одного джерела. При цьому світло слід розділяти за допомогою явищ дифракції, віддзеркалення або заломлення: світло повинне приходити в деяку область простору різними шляхами, але при цьому так, щоб різниця цих шляхів була не дуже велика.
Тепер ми розуміємо, що при великій різниці ходу не зможуть зустрітися цуги хвиль, отримані при розділенні яким-небудь чином хвильового цугу, утвореного в одному акті випуску світла атомом речовини.
Юнг запропонував найпростіший, на його думку, спосіб розділення світла від одного джерела на дві частини: пропустити світло через два дуже маленьких отвори або дві щілини в екрані, які можна розглядати як центри що розходяться у всі сторони пучків світла (мал., де А — щілина, що є джерелом світла — вона виділяє вузький пучок світла від джерела, що знаходиться за нею; б і З — дві щілини в екрані, завдяки яким світло від джерела .А ділиться на дві частини). Якщо на шляху отриманих пучків світла поставити екран, то в області, куди потрапляє світло від обох отворів (або обох щілин) повинне спостерігатися взаємне посилення і гасіння світла залежно від відстаней, які світло пройшло, перш ніж потрапив в ту або іншу точку екрану (залежно від різниці ходу проміння).
На екрані дійсно спостерігалася картина, в центрі якою була біла пляма або біла смуга. Далі симетрично щодо центру картини розташовувалися кольорові смуги.
Досвід Юнга одночасно був прикладом інтерференції і дифракції світлових хвиль, оскільки інтерференційна картина виходила при накладенні двох пучків світла, утворених в результаті дифракції на двох отворах або двох щілинах.
В роботі Юнга не мовилося про спосіб формування пучка світла, падаючого на два отвори або дві щілини. Тепер ми розуміємо, що перша щілина А в установці Юнга (див. мал.) була необхідна для тогна щілини В is. З падало світло тільки від близько розташованих ділянок реального світиться тіла, що знаходиться за першою щілиною. В цьому випадку щілини В і З «ділили» світло фактично від одного джерела на дві частини і тому ці щілини можна було вважати когерентними джерелами світла. Хвилі від когерентних джерел при накладенні давали інтерференційну картину.
Таким чином, досліди Юнга неспростовно свідчили про те, що світло є хвильовим процесом.
2.3 Досліди по поляризац ії світла
Явище незвичайного заломлення світла (порушення закону заломлення) було вперше знайдено Э. Бартолином в 1669 р. Кристал карбонату кальцію, званий ісландським шпатом, розділяв вузький пучок світла на два, які йшли по різних напрямах . Один пучок світла взагалі не підкорявся закону заломлення: при нульовому куті падіння кут заломлення був відрізнений від нуля, а другий пучок заломлювався відповідно до закону заломлення. З цієї причини перший промінь отримав назву незвичайного, другий — звичайного.
Ісландський шпат — різновид карбонату кальцію; він кристалізується у вигляді кристалів гексагональної системи і володіє яскраво вираженим подвійним променезаломленням. Кристали ісландського шпату зустрічаються в природі у вигляді великих і оптично чистих зразків. І зараз ісландський шпат є якнайкращим матеріалом для вивчення явища подвійного променезаломлення, не дивлячись на те, що існує багато штучних кристалів з властивостями, подібними властивостям ісландського шпату.
Кристал ісландського шпату легко виколюється у вигляді ромбоедра з гранями у формі ромбів з кутами близько 102 і 78°.
Досліди по подвійному променезаломленню були повторені Гюйгенсом і описані їм в «Трактаті про світло». Гюйгенс помітив, що якщо пропустити світло послідовно через два кристали ісландського шпату, то після вторинного проходження через кристал при певній орієнтації світлового променя і кристала, промінь практично повністю зникає. Це означало, що, пройшовши через кристал, світло придбаває нові властивості, стає не таким, яким був до кристала.
Згодом явище, яке спостерігав Бартолін, а потім Гюйгенс, дослідив і назвав полярністю світла Етьен Луї Малюс (1775-1812).
В 1808 р. Французька академія запропонувала досліджувати подвійне променезаломлення з погляду його теоретичного пояснення. Це дослідження провів Малюс. Спостерігаючи через кристал ісландського шпату віддзеркалення Сонця, що заходить, від скла Люксембургського палацу, Малюс помітив, що через кристал видні або одне, або два зображення Сонця. Далі Малюс став досліджувати світло від різних джерел, відображений від поверхні води або скла. В результаті цих досліджень Малюс зробив висновок про те, що властивості світла змінюються не тільки при проходженні через кристал, але і при віддзеркаленні.
Своє відкриття Малюс намагався пояснити, виходячи з корпускулярної теорії світла. Адже визнання світла подовжніми хвилями в світлоносному ефірі не допускало саму можливість поляризации світла. Юнг також визнавав, що відкриття Малюса не вдається пояснити на основі існуючих теоретичних уявлень. Юнг вважав, що в процесі розвитку фізичної теорії іноді доводиться залишати невирішеним окремі питання, які можна вирішити надалі.
Явище поляризації було пояснено після створення Дж.К.Максвеллом теорії електромагнітних явищ, підтвердження цієї теорії в дослідах Р. Герца, вимірювання швидкості світла і встановлення завдяки всьому цьому електромагнітної природи світла. Світло як окремим випадком електромагнітних хвиль є поперечні хвилі і саме тому за певних умов спостерігається його поляризація, властива тільки поперечним хвилям.
На основі ісландського шпату створюють різноманітні кристали, що дозволяють отримати після проходження через них тільки незвичайний промінь.
Одним з таких кристалів є турмалін — двозаломлюючий кристал, в якому звичайний промінь заломлюється значно сильніше незвичайного.
Якщо провести досвід з двома пластинами — кристалами турмаліну, пропустивши світло послідовно спочатку через перший, а потім через другий кристал, то при зміні положення осей кристалів Т1 і Т2 один щодо одного, тобто при повороті однієї з пластин в площині, перпендикулярній напряму розповсюдження світла (мал.8,а),
можна отримати істотне зменшення інтенсивності світла, що пройшло через кристали. Пропускаючи світло тільки через одну з пластин (мал.8,б) і повертаючи її, не можна добитися зміни інтенсивності світла, що пройшло через турмалін. Перший з кристалів є в даному випадку поляризатором — перетворить світло в хвилю, коливання в якій відбуваються в певній площині, другий кристал виступає в ролі аналізатора, знаходячи поляризовану хвилі, пропускаючи лише світлову хвилю з визначеною площиною коливань.

Мал.8
Зараз ми називаємо поляризацією, по-перше, особлива властивість світлової (як і будь-якої електромагнітної) хвилі, що полягає в тому, що вектора напруженості електричного поля і індукції магнітного поля в хвилі, що володіє цією властивістю (тобто в поляризованій хвилі), коливаються не в будь-яких напрямах, а або уздовж однієї прямої (якщо хвиля лінійно поляризована), або в одній площині (якщо хвиля плоскополяризована). При цьому вектор напруженості електричного поля завжди перпендикулярний вектору індукції магнітного поля. По-друге, поляризацією ми називаємо процес перетворення природного світла, в якому присутні самі різні напрями коливань, в поляризовану хвилю. По-третє, ми назвемо поляризацією цілу сукупність фізичних явищі, включаючу подвійне променезаломлення (яке яскравіше за все спостерігається в ісландському шпаті), дихроізм — анізотропію поглинання (різне поглинання звичайного і незвичайного проміння яке добре спостерігати за допомогою кристалів турмаліну), і нарешті, ще одну групу явищ — обертання площини поляризації світла оптично активними середовищами (кварцем, нікотином, розчином цукру і ін.).
Всі явища відносяться до поляризації, знаходять широке застосування: визначення концентрації розчинів, при виготовленні поляроїдів для оптичних приладів і фар автомобілів, поляризаційних світлофільтрів і ін.
2. 4 Проблема швидкості світла у фізичній науці
Перші тортури зміряти швидкість світла були зроблені Г. Галілеєм в XVII в. Галілей і його помічник намагалися, знаходячись на відомій відстані один від одного, визначити час між відкриттям заслінки ліхтаря в руках одного експериментатора і моментом, коли світло від ліхтаря помітить інший експериментатор. Проте людські реакції (тактильні і зорові) дуже повільні, щоб можна було зареєструвати такі малі проміжки часу.
Важливість цих перших спроб вимірювання швидкості світла — в самій постановці проблеми: довести кінцівку швидкості світла. Галілей називав світло «якнайшвидшим рухом». І він, мабуть, усвідомлював неможливість вимірювання швидкості світла. Адже час йому, як ми вже знаємо, доводилося виміряти за допомогою власного пульсу або водяного годинника. Тому досвід Галілея носив якісний характер. Головне було встановити, чи миттєво розповсюджується світло.
Пригадаємо, що Галілей першим ввів в науку новий метод — експеримент. Ось і досліди Галілея по вимірюванню швидкості світла — також перші, хай і невдалі, досліди, направлені на рішення надзвичайно важливої проблеми фізичної науки — проблеми швидкості світла.
Що ж визначається важливість цієї проблеми? Сьогоднішнє розуміння проблеми дозволяє нам сказати, чому так важливо рішення задачі про визначення швидкості світла.
1.Астрономічні методи визначення швидкості світла сприяли розумінню астрономічних питань про затьмарення світил і річний паралакс зірок. (Річний паралакс зірок — уявний зсув зірок на небесному зведенні, рух Землі, що відображає, по орбіті навкруги Сонця і зв’язане з кінцівкою відстані від Землі до світила.)
2.Земні методи визначення швидкості світла використовуються при геодезичній зйомці.
3.Вимірювання світла у вакуумі і в інших прозорих середовищах дає підставу для дозволу суперечки між хвильовою і корпускулярною теоріями світла.
4.Збіг значення швидкості світла із значенням швидкості електромагнітних хвиль, теоретично передбаченим Дж.К.Максвеллом і експериментально отриманим Р.Герцем, є обгрунтовуванням електромагнітної природи світла.
5.Пошуки впливу руху системи відліку на швидкість світла обгрунтовують справедливість постулатів спеціальної теорії відносності.
Таким чином, виявляється, що від точності результатів різних експериментів по вимірюванню швидкості світла залежить рішення цілого ряду проблем, що виходять не тільки за рамки оптики як розділу фізики, але і за рамки фізики взагалі.
Швидкість світла така велика, що рішення питання не тільки про числове значення швидкості світла, але навіть про кінцівку цієї швидкості, було непростим і зажадало довгий час.
Великий мислитель, математик, філософ Р.Декарт (1596-1650) рахував швидкість світла нескінченної. Він не був експериментатором і теоретично доводив нескінченність швидкості світла.
В 1634 р. Декарт в листуванні з голландським вченим И.Бекманом запропонував досвід, який міг би провести один експериментатор — досвід з факелом і дзеркалом. Декарт дав чисельну оцінку нижньої межі швидкості світла, і той факт, що в досвіді не вдалося зміряти швидкість світла, тлумачив, як доказ її нескінченності. В 1690 р. X.Гюйгенс в своєму «Трактаті про світло» писав про те, що в міркуваннях Декарта треба використовувати більше значення швидкості і що відсутність ефекту може бути пов'язаний лише з припущенням про мале значення швидкості світла.
Значущість проблеми визначення швидкості світла призводить до того, що інтерес до неї не слабшає і в даний час. У зв'язку з появою особливих джерел світла — лазерів сталі можливими надзвичайно точні вимірювання швидкості світла не просто в земних, а в лабораторних умовах.
2.5 Вимірювання швидкості світла
Астрономічні методи. Перша вдала спроба вимірювання швидкості світла була здійснена не із земними, а з астрономічними небесними об'єктами. Вона пов'язана із спостереженнями датчанина О.Ремера затьмарень супутників Юпітера. (Супутники Юпітера — Іо, Європа, Ганімед і Каллісто — були відкриті Галілеєм в 1610 р.) Спостереження Ремера можна назвати науковим подвигом. В результаті цих спостережень було отримано значення швидкості світла всього лише з 10%-і помилкою. Найголовніше була доведена кінцівка швидкості світла, і це було визнано самим Ньютоном XVII в. був століттям великих географічних відкриттів. В другій половині XVII в. відбувалося організаційне становлення науки — виникали наукові журнали, наукові суспільства, академії. В задачі учених входило рішення багатьох практичних проблем. Так, для визначення географічної довготи були необхідні таблиці затьмарень супутників в одному місці на Землі.
Цією проблемою в Паризькій академії наук займалися два астрономи — Ж. Пікар (1620-1682) і Дж. Д. Кассині (1625-1712). В програмі їх досліджень була поїздка в Данію в обсерваторію Тихо Бразі. В цей час великою популярністю користувався професор з Копенгагена Е. Бартолін. Його ім'я увійшло до історії фізики, перш за все, завдяки відкриттю подвійного променезаломлення в кристалі ісландського шпату. ж. Пікар, Дж. Кассині і Э. Бартолін разом відправилися на острів Вен для проведення астрономічних спостережень. З ними поїхав і молодий учень Бартоліна, Олаф Ремер. Саме він першим отримав достовірне значення швидкості світла.
Проаналізувавши результати багаторічних спостережень за затьмареннями супутників Юпітера, Ремер виступив з докладом перед членами Паризької академії наук. Він розказав про те, що супутник Юпітера Іо виходив з тіні своєї планети з деяким спізненням — приблизно на 10 мін. Ремер пояснював це кінцівкою швидкості світла і тим, що світлу вимагалося пройти відстань, рівну діаметру земної орбіти. Світло, на думку Ремера, повинен був затрачувати на це приблизно 22 мін. Спостереження за затьмаренням супутника в 1676 р. підтвердили прогноз Ремера.
Проведені міркування можуть дати лише наближений результат, оскільки в них не враховується зсув Юпітера за час спостереження затьмарень. Крім того, не ясно, як визначити період обігу супутника навкруги своєї планети, якщо спостерігач знаходиться на Землі.
Ремер був обережний у визначенні конкретного значення швидкості світла. У той час не було відоме точне значення радіусу земної орбіти, тому перші результати Ремера були далекі від істини.
Після того, як радіус земної орбіти був зміряний більш точно, на основі результатів спостережень Ремера було отримано значення швидкості світла з = 214 000 км/с.
Подальші астрономічні спостереження (вивчення аберації світла) за даними Брадлея дали значення з = 284 000 км/с.
Той факт, що саме в астрономії були вперше отримані цілком відповідні істині значення швидкості світла, має великий сенс: перші вимірювання швидкості світла були здійснені у вакуумі, отже, була отримана саме світова константа!
Земні методи. Вимірювання швидкості світла в земних умовах були успішно проведені лише в XIX в. і всі вони булизасновані на одному принципі. Для вимірювання швидкості світла необхідно було примусити світло багато разів пройти одну і ту ж відстань туди і назад. Так подовжувався шлях світла, збільшувався час його руху, і можна було цей час зміряти і потім розрахувати швидкість світла.
Визначення швидкості світла земними методами пов'язано з іменами двох вчених — И. Физо і Л. Фуко. 1819 р. — початок життєвого шляху двох французьких оптиків, що займалися однією і тією ж проблемою. Фізо був молодшим Фуко всього на чету ре дня. В житті учених був період тісної наукової співпраці, який потім змінився періодом наукового суперництва.
Схема дослідів Фізо була дуже схожа на те, що пропонував Галілей для визначення швидкості світла. Але другий експериментатор був замінений дзеркалом (мал. .9). Після віддзеркалення від дзеркала світло потрапляло на зубчате колесо. Зображення джерела світла в цьому дзеркалі формувалося в тій крапці, де розташовувалося це колесо. За допомогою оптичної системи світло багато разів проходило відстань від дзеркала до зубчатого колеса і назад. Прояснення поля зорунаступало при удвічі більшому куті повороту, наступне затемнення —• при втричі більшому значенні кута.
![]()

Мал.9
звідси з — 4 nlv. Фізо отримав значення швидкості світла 314 000 км/с — дещо більше, ніж в дослідах Ремера. Найголовніше — була доведена можливість вимірювання швидкості світла в земних умовах. Це відбулося в 1849 р. Через рік за допомогою дзеркала, що обертається, швидкість світла була зміряна Л. Фуко. Схема досвіду показана на (мал.10а). Світло від джерела проходило через напівпрозору пластинку g і збираючу лінзу L і потрапляв на плоске дзеркало
, яке могло обертатися навкруги вертикальної осі. Дзеркало, що обертається, відображало світло на нерухоме увігнуте дзеркало M, оптичний центр якого лежав на осі обертання плоского дзеркала. Якщо плоске дзеркало нерухомо, світло після віддзеркалення від увігнутого дзеркала йшло назад до плоского дзеркала, відображався від нього, знову проходив через лінзу до напівпрозорої пластинки, частково відображався від неї і потрапляв в зорову трубу dd' для спостережень. Дзеркала і лінза були розташовані так, що формували спочатку уявне зображення джерела світла за допомогою плоского дзеркала, а потім зображення цього уявного джерела. При обертанні плоского дзеркала

Мал.10
зображення уявного джерела описувало коло, радіус якого був рівний радіусу кривизни увігнутого дзеркала.Далі в досвіді використовувалися два увігнуті дзеркала M і М' (мал.10 б). До одного з них світло йшло по повітрю. На шляху світла від плоского дзеркала до другого увігнутого дзеркала знаходилася труба з водою Т. Если плоске дзеркало оберталося, то за час проходження світла від нього до увігнутого дзеркала плоске дзеркало встигало обернутися на деякий кут, і виходило нове зображення джерела, не співпадаюче з колишнім. Зсуви зображень, що даються двома увігнутими дзеркалами, виявлялися різними. Зсув зображення повинен бути більше там, де швидкість світла менше, оскільки світлу потрібне більше часу для проходження одного і того ж шляху. Досліди показали, що зміщується більше зображення, що дається тим дзеркалом, до якого світло їло через трубу з водою. Звідси слідував висновок про те, що у воді швидкість світла менше ніж в повітрі. В досвіді Фуко було показано, що швидкість світла у воді складає 3/4 швидкості світла в повітрі. Цей результат був дуже важливий. Річ у тому, що відповідно до корпускулярної теорії світла повинна бути більше швидкість світла у воді, а відповідно до хвильової теорії світла — в повітрі. Таким чином, досліди Фуко показали справедливість хвильових уявлень про світло.
Розглянемо технічні деталі досвіду Фуко. Джерелом світла служив геліостат — прилад, що дозволяє концентрувати сонячне проміння і за допомогою спеціального механізму що орієнтувався так, що у міру зміни положення Сонця на небі зміна світила виникала в одному і тому ж місці. Як об'єкт, зображення якого спостерігалося в зорову трубу, використовувалися тонкі платинові нитки, натягнуті паралельно один одному. Для того, щоб краще розрізняти зображення, що даються різними увігнутими дзеркалами, застосовувався зелений світлофільтр для світла, що проходило через трубу з водою (оскільки світло в зеленій ділянці спектру менше поглинається водою). Були виготовлені спеціальні маски на дзеркала, щоб зробити однаковим розмір зображень від обох дзеркал. Світло проходило через свинцеву трубу з водою завдовжки 3 м. Торці труби були закриті скляними пластинами. Для обертання легкого круглого дзеркальця діаметром 14 мм використовувався струмінь пари від маленької моделі парової машини Уатта, яка працювала на спиртівці.
Важливим чинником в досвіді Фуко було те, що швидко зображення, що рухається, виходило нерухомим. Двократне віддзеркалення від плоского дзеркала і спеціально підібране розташування двох увігнутих дзеркал дозволяли спостерігати ті, що швидко зміняли один одного, виникаючі в одному і тому ж місці зображення. Через «інерцію» зору зображення сприймалися як нерухомі.
Перші досліди Фуко були якісними. Вони показали відмінність швидкостей світла в повітрі і воді. Через 12 років — в 1862 р. — була зміряна швидкість світла в повітрі. Її значення виявилося рівним 298 000 км/с. Цей результат більш близький до сучасних даних, ніж отриманий в дослідах такого результату використовувалося велике число увігнутих дзеркал, що дозволило збільшити шлях, прохідний світлом, до 20 м.
Надалі швидкість світла виміряли багато разів. Один з дослідів був поставлений в 1926 р. американським фізиком А. Майкельсоном (1852-1931). Прилади розміщувалися на двох гірських вершинах на відстані, приблизно рівному 35 км. На одній вершині були встановлено восьмигранне сталеве дзеркало, джерело світла, зорову трубу, що обертається. На іншій вершині знаходилося плоске дзеркало. Світло могло потрапити в зорову трубу в двох випадках: при нерухомому восьмигранному дзеркалі і при обертанні дзеркала з такою швидкістю, при якій за час повороту дзеркала на 1/8 обороту світло пройшло б відстань від однієї вершини до іншої. Майкельсон отримав значення швидкості світла, рівне 299 796 км/с.
В 1972 р. американським вченим К.Івенсоном і його співробітниками було отримано значення швидкості світла з = 299 792 456,2 м/с (з точністю ± 0,2 м/с). Розрахунок швидкості світла був виконаний за наслідками вимірювань частоти і довжини хвилі лазерного випромінювання.
В 1983 р. було прийнято визначення метра як довжини шляху, пройденого світлом у вакуумі протягом тимчасового інтервалу, рівного V299792 458 с- Тому тепер швидкість світла у вакуумі приймається рівній точно 299 792 458 м/с для того, щоб кожного разу при збільшенні точності вимірювань не міняти визначення метра.
Розділ 3
3.1 Розподіл навчального матеріалу за уроками
| Дата | Номер уроку | Тема уроку | Види роботи на уроці, хв. | Домашнє завдання | |||||
| Вивчення теоретичного матеріалу | демонстрації | Розв’язування задач учителем | Закріплення вивченого матеріалу | Контроль знань | Творча робота з учнями | ||||
| 1 | Зародження квантової теорії | 31 | 5 | 4 | 3 | - | 2 | 1.вступ | |
| 2 | Фотоелектричний ефект. | 32 | 6 | - | 5 | - | 2 | 1. П 53 | |
| 3 | Теорія фотоефекту | 31 | - | 5 | 3 | 4 | 2 | 1.П.53 2.зб: №10.2,10.3. |
|
| 4 | Розв’язування задач | - | - | 25 | 12 | 5 | 3 | 1.П.53 2.зб:10.13,10.14, 3.Д:с.р.№26. |
|
| 5 | Застосування фотоефекту | 20 | 8 | - | 3 | 12 | 2 | 1.П54 2.зб:10.5,10.23, |
|
| 6 | Фотони | 35 | - | 5 | 3 | - | 2 | 1.П.56. 2.Д:с.р.№11 |
|
| 7 | Корпускулярно- хвильовий дуалізм | 27 | - | 5 | 5 | 5 | 3 | 1.зб№10.27 2.Д:с.р.№28 |
|
| 8 | Тиск світла | 20 | 5 | 5 | 3 | 12 | - | .П.53 2.зб:10.13,10 |
|
| 9 | Хімічна дія світла | 20 | 5 | 5 | 3 | 12 | - | Підгот.до темат. Оцінюв | |
| 10 | Тематичне оцінювання | 20 | 6 | 5 | 2 | 40 | 5 | ||
3.2 Рекомендації з проведення самостійних та контрольних робіт
Самостійні роботи, розраховані звичайно на 10 15 хв, призначені для поточного оцінювання знань і містять у собі якісний експериментальні і розрахункові задачі. Усі самостійні роботи складаються з декількох варіантів чотирьох рівнів складності. Учень сам вибирає рівень складності а вчитель повідомляє йому № задачі протягом семестру учень може переходити з одного рівня складності на інший. Якщо учень успішно розв’язав звдачу середнього рівня (і здобув не менше як 6 балів), він може братися до достатнього рівня (і здобути 9 білів), і т. д.
Самостійні роботи – досить ефективна система зворотного зв’язку вчитель – учень. Наприклад, якщо 30 учнів класу 20 самі вибрали високий і достатній рівень то клас добре засвоїв вивчений матеріал. Якщо 2 учні вибрали високий рівень, 5 – достатній а інші учні середній і низький то навчальний матеріал засвоєно слабо. Учитель відразу може відмінити самостійну роботу й повернутися до погано засвоєного матеріалу.
Рекомендації з проведення контрольних робіт.
Контрольні роботи складаються з 6 варіантів 4 рівні складності, і призначені для тематичного контролю знань учень сам вибирає рівень складності контрольної роботи (від початкового до високого), а вчитель призначає йому номер варіанта. Якщо учень добре впорався з розв’язуванням задач даного рівня складності, він може звернутися до вчителя з проханням дати йому варіант контрольної роботи більш високого рівня для підвищення підсумкової оцінки.
Рекомендації з проведення тестування.
По перше, тести допоможуть учневі систематизувати навчальний матеріал і виділити в ньому найголовніше. По-друге, вони орієнтовані на розвиток умінь застосовувати здобуті знання. По-третє, тести допоможуть провести тематичне оцінювання цих досягнень за допомогою тестування.
Кожний блок тестів охоплює, як правило, одну навчальну тему або її частину. В основу тестів покладено методичні принципи завдяки яким вони є не тільки контролюючими але й навчальними.
Тести можуть бути органічно введені в усі форми й методи навчання і застосовуватися на різних етапах навчального процесу для забезпечення оперативного зворотного зв’язку, для контролю й самоконтролю учні у процесі оволодіння матеріалом теми.
Наприклад:
· Під час пояснення нового матеріалу можна розглянути тестові завдання й обговорити, які твердження правильні а які не правильні (і чому);
· Під час початкового закріплення навчального матеріалу можна запропонувати учням виконати за 5 – 10 хв. Два – три тестові завдання, вибрані ними або вчителем;
· Виконання окремих тестових завдань можна запропонувати у вигляді домашньої або самостійної роботи;
· Варіанти тестових завдань можна використовувати для підготовки учнів до самоконтролю.
Висновки
Фізика, як обов’язкова частина шкільного навчання, не повинна зводитись до передачі учням розрізнених і невзаємопов’язаних знань та вмінь, а проводитись таким чином, щоб все пізнане в теорії закріплювалось практикою. Щоб досягти цього необхідно розширювати та зміцнювати взаємозв’язок трудового навчання із суміжними дисциплінами, зокрема, хімія, метематика.. Слід відмітити, що при правильному підході до здійснення взаємозв’язків фізики і суміжних дисциплін надається можливість повніше розкрити перед учнями об’єктивні закони природи, виробити в школярів науковий підхід до вирішення пізнавальних, практичних завдань, озброїти їх відповідними знаннями.
В роботі було розглянуто деякі фундаментальні досліди з квантової оптики зокрема: Випромінювання Вавілова-Черенкова, Ефект Доплера, Фотонна теорія світла. Маса та імпульс фотона. Досліди Боте та Вавилова,Тиск світла. Досліди Лебедєва,Ефект Комптока. Також розроблені плани конспекти для вивчення розділу квантова оптика в профільних класах.
Список використаної літератури
1. Павленко Ю.Г. "Оптика" - М.: Видавництво МГУ, 1992.
2. Чернощекова Т.М. "З історії розвитку поглядів на природу світла". - Горький, 1982.
3. Сивухин Д.В. "Загальний курс фізики" - М.: "Наука", 1980.
4. Ландсберг Г.С. "Оптика" - М.: "Наука", 1976.
5. Линец Ю.. "Використання принципу Ферма у викладанні геометричної оптики" /Фізика. - 1998, №7.
6. Волковыский Р.Ю. "Організація диференційованої роботи учнів при навчанні фізики" - М.: "Освіта", 1993.
7. Василихина Т. В. "Урок з разноуровневым навчанням по геометричній оптиці" /Фізика в школі. - 1994, "1.
8. Вавилов С.. "Око і сонце" - М.: Изд-во АНСССР, 1961.
9. Перельман Я.И. "Цікава фізика" - М.: "Освіта", 1990.
10. Солнцев В.. "Оптичні спостережливі прилади" - М.: "Освіта", 1988.
11. Орлів В.А. "Творчі експериментальні завдання" /Фізика в школі. - 1995, №1
12. Алешкевич В.А. "Вступні екзамени з фізики" /Фізика. - 1988, №32,.
13. Аристахова Л.И. "Око як оптична система" /Фізика - 1999, №11, .
14. Кабардин О.. "Фізика" - М.: "Освіта", 1991.
15.Бурсиан Е.В. "Задачі по фізиці для комп'ютера" - М.: "Освіта", 1991.
16. Тунін О.А. "Комп'ютерне навчання і демонстраційні програми" /Фізика. - 1999, №12.
17. Мякишев Г.Я. "Фізика-11", - М.: "Освіта", 1991.
18. Самойлова Г.С. "Аркуші взаємоконтролю" /Фізика. - 1999, №42,
19 Угринович Н.Д. "Питання комп'ютеризації навчального процесу" - М.: "Освіта", 1997.
20. Коханов К.Ю. "Оптичні ілюзії в шкільному курсі фізики" /Фізика. - 1999, №11,Ю.
Додатки
Додаток 1
План-конспект уроку, з фізики.
Тема: Швидкість світла
Мета уроку: ознайомити учнів із прямим і не прямим способами вимірювання швидкості світла.
Тип уроку: урок вивчення нового матеріалу.
Демонстрації: 1. Таблиця швидкість світла
2. фрагменти відео фільму ”Швидкість світла”.
Вивчення нового матеріалу.
1.Швидкість світла у вакуумі . У фізиці швидкість світла є однією з фундаментальних констант. Жодна константа не набула такого важливого значення як швидкість світла: як параметр вона входить у числені рівняння теоретичної фізики її значення використовується в радіолокації, при вимірюванні відстаней від Землі до інших планет, під час керування космічними польотами. Виразити швидкість світла через інші сталі не можливо її можна тільки виміряти дослідним шляхом. У фізиці такі величини називаються фундаментальними.
Швидкість світла є скінченною, граничною та інваріантною що до різних інерціальних систем відліку.
Скінченність швидкості світла доводиться експериментально прямим і не прямим методами.
Прямий спосіб грунтується на вимірювання шляху пройденого світлом, і часу його проходження, тобто
. У всіх прямих методах використовується переривання світла, що поширюється від джерела до приймача. У сучасних радіолокаційних методах передавачі посилюють імпульси, що повертаються після відбивання на передавальну радіостанцію.
В основі не прямого способу лежить уявлення про світло як електромагнітну хвилю. У наш час за допомогою лазерної техніки швидкість світла визначається вимірюванням довжини хвилі і частоти радіовипромінювання незалежними один від одного способами ц обчислюється за формулою с=λv.
2. Астрономічний метод вимірювання швидкості світла. Вперше визначити швидкість світла вдалося датському вченому Ремеру 1676 року під час спостереження одного із супутників Юпітера – Іо. Через малу точність вимірювання і приблизний радіус орбіти Землі від дістав для швидкості світла значення 215000 км/с. Але відкриття Ремеера має величезну цінність, оскільки вперше було показано, що швидкість поширення світла має скінченне значення.
3. Лабораторні методи вимірювання швидкості світла. Вперше швидкість світла лабораторним методом вдалось виміряти в 1849р. французькому фізикові Фізо. У цьому методі використовується оптичний „затвор”, у свій час запропонований Галілеєм. У досліді Фізо для швидкості світла було здобуто значення 313000 км/с.
Було розроблено ще багато інших, більш точних лабораторних методів вимірювання швидкості світла. Зокрема американський фізик Мйкальсон розробив досконалий метод її вимірювання і застосування обертових дзеркал. За результатами досліду Майкельсон дістав значення
км/с.
Було обчислено швидкість світла і у різних прозорих речовинах. Так, у воді вона була виміряна 1856р. і виявилися в 4/3 разу меншою ніж у вакуумі. В усіх інших речовинах вона також менша ніж у вакуумі за сучасними даними , швидкість світла у вакуумі дорівнює 299792458 м/с.і з точністю
1.2м/с.
До конспекту учня.
Швидкість світла є скінченною, граничною та інваріантною що до різних інерціальних систем відліку.
Домашнє завдання. Параграф 32.
Додаток 2
План-конспект уроку, з фізики.
Тема:Застосування фотоефекту
Мета уроку:Ознайомити учнів із практичним застосуванням явища фотоефекту.
Тип уроку:комбінований урок
Демонстрації:1.будова та принцип дії фотоелементів.
2. будова та принцип дії фотореле.
3. фрагменти відеофільму „Фотоелементи та їх застосування”.
Перевірка знань самостійна робота №1
Варіант 1.
1.Який із наведених нижче виразів найбільш точно визначає поняття фотоефекту? Вкажіть правильну відповідь.
· Випускання електронів речовиною в результаті її нагрівання.
· Виривання електронів із речовини під дією світла.
· Збільшення електричної провідності речовини під дією світла.
2.На металеву пластинку падає монохроматичне світло довжина хвилі якого
мкм. Фотострум припиняється за затримуючої напруги 0,95В. Визначте роботу виходу електронів із поверхні пластинки. (Відповідь:2еВ)
Варіант 2.
1.За якої умови можливий фотоефект? Вкажіть всі правильні відповіді.
· ![]()
· hv=AB
· hv<AB
2.До вакуумного фотоелемента, в якому катод виготовлений з цезію, прикладена замикаюча напруга 2В. При якій довжині хвилі світла, що падає на катод, з’явиться фотострум? (Відповідь:330нм)
Вивчення нового матеріалу.
1.Зовнішній фотоефект – випускання електронів із поверхні металу під дією світла. Прилади, в основі принципу дії яких лежить явище фотоефекту називається фотоелементами. У фотоелементах енергія світла керує енергією електричного струму або перетворюється на неї.
Переваги фотоелементів: безінерційність фотострум пропорційний світловому потоку.
Недоліки фотоелементів: слабкий струм, мала чутливість до довгохвильового випромінювання, складність у виготовленні, не використовується в колах змінного струму.
Застосування зовнішнього фотоефекту в техніці:
· кіно (відтворення звуку й телебачення)
· фототелеграф, фототелефон
· фотометрія (вимірювання сили світла, яскравості,освітленості )
· керування виробничими процесами
2. Внутрішній фотоефект – зміна концентрації носіїв струму в речовині та як наслідок зміна електропровідності даної речовини під дією світла. Це явище використовується у фоторезисторах – приладах, опір яких залежить від освітленості. Крім того, сконструйовані напівпровідникові фотоелементи , які створюють ЕРС і безпосередньо перетворюють енергію випромінювання на енергію електричного струму.
Застосування внутрішнього фотоефекту в техніці:
· при автоматичному керуванні електричними колами;
· у колах змінного струму;
· у фотоекспонометрах;
· у сонячних батареях;
· при оптичному записі і відтворенні звуку.
До конспекту учнів
Зовнішній фотоефект – випускання електронів із поверхні металу під дією світла.
Внутрішній фотоефект – зміна концентрації носіїв струму в речовині та як наслідок зміна електропровідності даної речовини під дією світла.
Домашнє завдання: П 54.
Задача.
Чому дорівнює робота виходу електронів з металу якщо під дією фотонів з енергією 4еВ із поверхні металу вилітають фотоелектрони з максимальною кінетичною енергією 1.5 еВ ?(відповідь 2.5 еВ.)
Додаток 3
План-конспект уроку, з фізики.
Тема: Корпускулярно хвильовий дуалізм.
Тип уроку: урок закріплення знань.
Мета уроку: ознайомити учнів з двоїстою природою світла.
Викладення нового матеріалу
Урок можна провести у формі уроку-семінару, узагальнивши знання учнів про хвильові та корпускулярні властивості світла.
Класична фізика завжди чітко розмежовувала об’єкти, що мають хвильову природу (наприклад світло, звук), та об’єкти, що мають дискретну корпускулярну структуру (наприклад системи матеріальних точок). Одне з найбільших значних досягнень сучасної фізики – переконання в хибності протиставлення хвильових і квантових властивостей світла. Розглядаючи світло як потік фотонів, а фотони як кванти електромагнітного випромінювання, що мають одночасно і хвильові, і корпускулярні властивості, сучасна фізика змогла об’єднати, здавалося б, непримиренні теорії – хвильову і корпускулярну. У результаті виникло уявлення про корпускулярно-хвильовий дуалізм, який лежить в основі всієї сучасної фізики.
Корпускулярно-хвильовий – це прояв у одного і того самого об’єкта як корпускулярних, так і хвильових властивостей.
Заповнюємо разом із учнями таблицю „Основні відмінні властивості частинок речовини та частинок електромагнітного поля (фотонів)”. При цьому пояснюємо кожен пункт таблиці.
| Речовина | Електромагнітне поле |
| 1. |
1. |
| 2. |
2. |
| 3.v<c | 3.v=c |
| 4.можуть утворювати просторово обмежені локалізовані макроскопічні системи (тіла) | 4.не локалізовані (поле просторово не обмежене) |
| 5.не підкоряються принципу суперпозиції | 5.підкоряється принципу суперпозицій |
Можна запропонувати учням пояснити інтерференцію світла з погляду квантової (корпускулярної) і хвильової теорії.
| У квантовій теорії | У хвильовій теорії |
| Під час накладання один на одного когерентних пучків світла (безлічі фотонів) відбувається взаємодія фотонів у результаті чого в різні точки екрана потрапляю різна кількість фотонів виникає локалізація підсилень і ослаблень світла (інтерференційна картина) | Під час накладання когерентних світлових хвиль виникає інтерференційна картина підсилення (мах) і ослаблення (мін) світла. Максимуми інтенсивності світла спостерігаються втих місцях, де |
Отже квант світла – не хвилю, але й не курпускула в розумінні Ньютона. Фотони – особливі мікрочастинки енергія і імпульс яких (на відміну від звичайних матеріальних точок) виражаються через видові характеристики – частоту й довжину хвилі.
Задачі для розв’язування на уроці.
1. назвіть характерні властивості частинок речовини та частинок електромагнітного поля(фотонів).
2. Знайдіть частоту й довжину хвилі випромінювання, маса фотона якого дорівнює масі спокою електрона (Відповідь: 1.24*1020 Гц; 2.43 пм);
3. чому дорівнює імпульс фотона, енергія якого дорівнює 3 еВ.(Відповідь 1.6*10-27 кг*м/с).
До конспекту учнів.
Корпускулярно-хвильовий – це прояв у одного і того самого об’єкта як корпускулярних, так і хвильових властивостей.
Домашнє завдання:П- 56, Підготуватися до самостійної роботи.
Додаток 4
План-конспект уроку, з фізики.
Тема заняття: Тиск світла.
Мета заняття: Сформувати знання про тиск світла.
Тип уроку: комбінований урок.
Демонстрації: дослід Лебедєва.
Перевірка знань
1. Як ви розумієте двоїсту природу світла?
2. В яких явищах виявляються хвильові властивості світла, а вяких процесах – корпускулярні?
3. Які явища можна пояснити як хвильовою, так і квантовою теоріями?
Викладення нового матеріалу
На основі електромагнітної теорії світла Д.Максвелл передбачив, що світло повинно чинити тиск на перепони. Існування світлового тиску випливає також з квантової теорії світла. Якщо фотон має масу
, то під час зіткнення його з поверхнею твердого тіла може відбутися або поглинання фотона або його відбивання. В першому випадку зміна імпульсу фотона дорівнює:
, а в другому – вона в два рази більша:
. Тому за однакової густини потоку світлового випромінювання тиск світла на дзеркальну поверхню повинен бути в двічі більшим за тиск на чорну поверхню яка поглинає світло.
Багато вчених намагалися виміряти тиск світла, однак їм це не вдавалося, оскільки світловий тиск дуже малий.
В яскравий сонячний день на 1м2 діє сила всього лише 4*10-8 Н. Вперше тиск світла поміряв російський фізик П.М.Лебедєв лише в 1900р.
В дослідах Лебедєва однакові світлові потоки напрямлялися на два легенькі металеві диски, підвішені на тонкій нитці. Один диск був дзеркальним і відбивав падаюче на нього світло, другий – чорний, який його поглинав. В розі одночасного освітлення двох дисків відбувалось їх повертання навколо вертикальної осі.
За кутом закручення пружної нитки підвісу можна було виміряти момент сил, які викликали цей поворот. Закручування нитки підвісу відбувалося в напрямі, що відповідав більшій силі тиску світла на дзеркальний диск якій відбивав світло.
Одержане вченими значення тиску світла збігалося з тим, яке передбачив Максвелл. Пізніше, після трьох років наполегливої праці, Лебедєву вдалося здійснити ще тонший експеримент виміряти тиск світла на гази.
Досліди Лебедєва можна розглядати як експериментальне доведення того що фотони мають імпульс. Закон збереження імпульсу – загальний. Він справедливий як для звичайної речовини так і для фотонів – квантів електромагнітного поля.
Сила світлового тиску в природних умовах не завжди мізерно мала порівняно з іншими силами. В надрах зірок за температури в кілька десятків мільйонів К тиск електромагнітного випромінювання повинен досягати величезних значень і саме цей тиск перешкоджає необмеженому стисканню зірок.
Закріплення вивченого матеріалу.
1.Хто вперше провів дослід на визначення тиску свівтла?
Домашнє завдання. Параграф 73.
Додаток 5
План-конспект уроку, з фізики.
Тема заняття: Заломлення світла.
Мета заняття:Сформувати знання про заломлення світла.
Тип уроку:Проблемний урок.
Демонстрації: 1 Прямолінійне поширення світла
2. Відбивання світла.
3. Заломлення світла
Вивчення нового матеріалу.
Створення проблемної ситуації.
Нехай ми маємо перед собою дві порожні склянки. Наллємо в одну до половини води, а потім опустимо в обидві склянки олівці (по одному в кожен). І що ми побачимо? Олівець опущений у склянку з водою здається переломленим на межі між водою і повітрям?
Формування проблеми.
Як можна пояснити, що олівець в склянці з водою стає переломленим, в той час коли олівець в порожній склянці залишається незмінним?
Розробка робочих гіпотез.
· Олівець переламали перед дослідом;
· У воду добавили безбарвної речовини щоб виникло враження переламаного олівця;
· Це пов’язано з властивістю світла при проходженні через різні середовища;
Перевірка робочих гіпотез.
· Виймаємо олівець і демонструємо що він цілий;
· Беремо іншу склянку і наливаємо води з крана;
· Спостерігаємо це саме явище при переході променя з повітря у воду, і з води в повітря.
Аналіз
Перші дві гіпотези виявились неправильними, а третя правильною. Звідси можна зробити висновок: при переходженні світла через межу поділу двох середовищ воно змінює свій напрям і це явище називається заломлення світла.
Дослід показує, що при переході променя з повітря в скло або воду кут заломлення менший від кута падіння це можна схематично зобразити на малюнку. З малюнка також видно, що падаючий і заломлений промені лежать в одній площині. З перпендикуляра проведеного з поверхні поділу двох середовищ у її падіння променя.
Учні також зможуть пояснити в якому випадку світло проходячи через межу поділу двох середовищ не заломлюється, коли промінь падає під кутом 00 або коли оптичні властивості середовища однакові.
Повернення до проблемної ситуації.
Таким чином ми з’ясували що при переході променя з одного середовища в інше світло заломлюється.
Заломлення світла є причиною того що:γ
· олівець у склянці з водою здається переломлений;
· глибина водойми уявляється меншою ніж є насправді;
· через заломлення світла в атмосфері Землі ми бачимо зорі, Сонце вище від їх справжнього положення.
Закріплення нового матеріалу
Запитання до учнів
1. Які приклади ви можете навести на підтвердження прямолінійного поширення світла?
2. Чому утворення тіні доказом прямолінійного поширення світла?
3. Що таке тінь і півтінь?
4. Чим зумовлене заломлення світла на межі розділу двох прозорих середовищ?
Домашнє завдання. Опрацювати параграф „Заломлення світла”.
Додаток 6
План-конспект уроку, з фізики.
Тема заняття:Закони фотоелектричного ефекту.
Мета заняття:
1. Навчальна: Сформувати знання про закони фотоелектричного ефекту.
2. Розвиваюча: розвивати у школярів увагу та уміння здійснювати самоконтроль.
3. Профорієнтаційна: формувати в учнів стійкі професійні інтереси.
Тип уроку:Комбінований урок.
Хід уроку.
Вивчення нового матеріалу.(Розповідь вчителя)
Одним із явищ яке підтверджує гіпотезу існування фотонів, є фотоелектричний ефект.
Під час проведення дослідів з метою одержання електромагнітних хвиль Г.Герц у 1887р. помітив, що опромінювання ультрафіолетовим світлом негативно зарядженого електрод сприяє виникненню іскри у просторі між електродами.
Суть явища, виявленого Герцом полягає в тому що при освітленні ультрафіолетовим випромінюванням негативно заряджені металеві тіла втрачають негативний заряд. При освітленні тим же промінням позитивно зарядженого тіла втрати електричного заряду не спостерігається крім того, якщо не заряджене тіло освітлювати, то за певних умов воно заряджається позитивно.
Після відкриття електрона в 1897р. Ф.Ленард і Дж.Дж.Томсон довели експериментально, що під дією світла відбувається звільнення електронів з металів.
Явище звільнення електронів з речовини при освітленні її світлом називається фотоелектричним ефектом (фотоефектом). Розрізняють зовнішній і внутрішній фотоефект. При зовнішньому фотоефекті електрони звільняються світлом з поверхневого шару речовини і переходять в інше середовище або вакуум.

Мал. 1
При внутрішньому фотоефекті відбувається перерозподіл електронів за енергетичними станами в конденсованих середовищах при поглинанні ними світла. У цьому випадку електрична нейтральність тіла не порушується.
Електрони, звільнені під дією світла називаються фото-електронами. Фотоелектричні властивості мають не тільки метали але й діелектрики, напівпровідники та електроліти, при чому необхідною але не достатньою умовою фотоефекту є помітне поглинання світла поверхневим шаром освітлюваного тіла. Для обгрунтування гіпотези фотонів основне значення має зовнішній фотоефект.
Явище фотоефекту – один із проявів взаємодії світла із речовиною, який розкриває квантову природу світла. Перші дослідження цього явища належать Хальваксу.
На (рис.1) показана схема експериментальної установки для дослідження фотоефекту. Світло через кварцове віконце О попадає на катод К, виготовлений з досліджуваного металу. Фотоелектрони, звільнені при освітленні катода, під дією електричного поля між катодом і анодом рухається до анода А, створюючи фотострум. Катод і анод розміщені у вакуумній трубці Т. Напруга між ними змінюється за допомогою потенціометра П.
Дослідження залежності фотоструму від різниці потенціалів між катодом і анодом у разі опромінювання катода монохроматичним світлом показали що фотострум існує не тільки тоді, коли
, але й тоді, коли
. Він припиняється для даної речовини катода тільки при певній величині від’ємного значення різниці потенціалів
, яка називається гальмівною напругою. Вона не залежить від інтенсивності світла.

Мал.2

Мал.3
Зі збільшенням напруги сила фотоструму зростає і при деякому значенні досягає насичення (рис.2). Узагальнюючи результати експериментальних даних встановлено такі закономірності фотоефекту: сила фотоструму насичення І прямо пропорційна світловому потоку Ф, що падає на катод (рис.2), криві (1,2); гальмівна напруга лінійно залежить від частоти і не залежить від його інтенсивності; початкова кінетична енергія звільнених світлом електронів лінійно залежить від частоти світла і не залежить від його інтенсивності; фотоефект не виникає, якщо частота світла менша від деякої характерної для даного металу величини
; фотоефект явище безінерційне, тобто з припиненням освітлення він припиняється.
Додаток 7
План-конспект уроку, з фізики.
Тема заняття:Дослід Юнга.
Мета заняття:
4. Навчальна: Сформувати знання продослід Юнга.
5. Розвиваюча: розвивати у школярів увагу та уміння здійснювати самоконтроль.
6. Профорієнтаційна: формувати в учнів стійкі професійні інтереси.
Тип уроку:Комбінований урок.
Хід уроку.
Викладення нового матеріалу (розповідь вчителя)
Англійський вчений Т Юнг протягом всього свого життя займався вивченням оптичних явищ. Інтерес до них був викликаний результатами дослідів по поляризацію світла, проведеними в 1810-1815 рр., і роботами в області оптики О.Ж.Френеля, виконаними в 1815-1823 рр. Юнг був прихильником ідей Френеля, переписувався з ним і перекладав його роботи на англійську мову.
В роботі «Про теорію світла і кольорів» Юнг писав, що світло є хвильовим процесом в заповнюючому Всесвіт світлоносному ефірі. Відчуття кольору, по Юнгу, залежать від різної частоти коливань, порушуваних світлом в сітківці. Далі Юнг пояснював кольори подряпин на непрозорих поверхнях і робив висновок про те, що ці кольори мають те ж походження, що і кольори тонких прозорих плівок. При цьому Юнг детально обговорював досліди Ньютона, в ході яких спостерігалися веселкові кільця.
В роботі «Лекція про природу світла і кольорів» з курсу лекцій «по натуральній філософії і механічним ремеслам» Т.Юнг висунув ідею про те, що, якщо світло — хвильовий процес, то для нього повинні спостерігатися ті ж явища, які характерні для механічних хвиль (наприклад, для хвиль на воді і для звуку). Юнгом був зроблений дуже важливий висновок про те, що для спостереження взаємного посилення або гасіння світлових хвиль (тобто для спостереження явища інтерференції) світло повинне виходити від одного джерела. При цьому світло слід розділяти за допомогою явищ дифракції, віддзеркалення або заломлення: світло повинне приходити в деяку область простору різними шляхами, але при цьому так, щоб різниця цих шляхів була не дуже велика.
Тепер ми розуміємо, що при великій різниці ходу не зможуть зустрітися цуги хвиль, отримані при розділенні яким-небудь чином хвильового цугу, утвореного в одному акті випуску світла атомом речовини.
Юнг запропонував найпростіший, на його думку, спосіб розділення світла від одного джерела на дві частини: пропустити світло через два дуже маленьких отвори або дві щілини в екрані, які можна розглядати як центри що розходяться у всі сторони пучків світла (мал. 4, де А — щілина, що є джерелом світла — вона виділяє вузький пучок світла від джерела, що знаходиться за нею; б і З — дві щілини в екрані, завдяки яким світло від джерела .А ділиться на дві частини). Якщо на шляху отриманих пучків світла поставити екран, то в області, куди потрапляє світло від обох отворів (або обох щілин) повинне спостерігатися взаємне посилення і гасіння світла залежно від відстаней, які світло пройшло, перш ніж потрапив в ту або іншу точку екрану (залежно від різниці ходу проміння).
На екрані дійсно спостерігалася картина, в центрі якою була біла пляма або біла смуга. Далі симетрично щодо центру картини розташовувалися кольорові смуги.
Досвід Юнга одночасно був прикладом інтерференції і дифракції світлових хвиль, оскільки інтерференційна картина виходила при накладенні двох пучків світла, утворених в результаті дифракції на двох отворах або двох щілинах.
В роботі Юнга не мовилося про спосіб формування пучка світла, падаючого на два отвори або дві щілини. Тепер ми розуміємо, що перша щілина А в установці Юнгабула необхідна для тогна щілини В is. З падало світло тільки від близько розташованих ділянок реального світиться тіла, що знаходиться за першою щілиною. В цьому випадку щілини В і З «ділили» світло фактично від одного джерела на дві частини і тому ці щілини можна було вважати когерентними джерелами світла. Хвилі від когерентних джерел при накладенні давали інтерференційну картину.
Таким чином, досліди Юнга неспростовно свідчили про те, що світло є хвильовим процесом.
Домашнє завдання: доконспектувати дослід Юнга
Похожие рефераты:
Теоретичні основи теплотехніки
Автоматизація котельні на ТЗВ "Волинь-Шифер"
Геолого-промислова характеристика нафтогазового родовища
Билеты и ответы по туризму и экскурсиям
Розрахунок магістрального конвеєрного штреку