| Похожие рефераты | Скачать .docx |
Курсовая работа: Тепловоз ТЭП60
Исходные данные:
1. Род службы локомотива - пассажирский
2. Тип передачи локомотива - электрическая
3. Годовой пассажиропоток, млн. чел. - 2
4. Число пар поездов в сутки (число пар в сутки) - 8
5. Длина участка обращения локомотива, км - 550
6. Расчетный подъём (
), ‰ - 9
7. Расчётная скорость - 50
Содержание
Введение
1. Выбор основных параметров силовой установки и вспомогательного оборудования локомотива
1.1 Определяем вес локомотива
1.2 Определяем массу состава пассажирского поезда
1.3 Определяем вес состава пассажирского поезда
1.4 Определяем касательную силу тяги
1.5 Определяем касательную мощность локомотива
1.6 Определяем эффективную мощность силовых установок локомотива
2. Описание конструкции локомотива
2.1 Общие сведения
2.2 Техническая характеристика тепловоза
2.3 Тяговые характеристики
2.4 Компоновка оборудования на тепловозе
2.5 Дизель 11Д45А
2.5.1 Технические данные дизеля
2.5.2 Краткое описание устройства дизеля
2.5.3 Система воздухоснабжения дизеля
2.5.4 Топливная система
2.5.5 Масляная система
2.5.6 Водяная система
2.6 Колесные пары и буксы
2.7 Буксы
Заключение
Список используемой литературы
Уточняем вес состава:
Определяем коэффициент, учитывающий расход мощности на привод вспомогательных агрегатов тепловоза:
Определяем коэффициент полезного использования мощности дизеля для тяги:
Определяем коэффициент полезного действия при номинальном режиме работы дизеля:
1.11 Определяем удельную силу тяги и удельную массу локомотива
1.12 Определяем коэффициент тяги локомотива:
2. Описание конструкции локомотива.
2.1 Общие сведения
2.2 Техническая характеристика тепловоза
2.3 Тяговые характеристики
2.4 Компоновка оборудования на тепловозе
2.5 Дизель 11Д45А
2.5 1 Технические данные дизеля
2.5 2 Краткое описание устройства дизеля
2.5.3. Система воздухоснабжения дизеля
2.5.4. Топливная система
2.5 5 Масляная система
2.5.6. Водяная система
2.6 Колесные пары и буксы
2.7 Буксы
4. Заключение.
5. Список используемой литературы:
Введение
В России в начале XX века мощность лучших паровозов (серии Щ, Э) достигала 600-1000 кВт (против 30-40 кВт у первых паровозов Стефенсона и Черепановых). Однако техническое несовершенство паровозов ещё тогда заставило специалистов задуматься о создании более экономичных локомотивах.
7 ноября 1924 года первый в мире магистральный тепловоз с электрической передачей вышел на линию Октябрьской железной дороги и совершил рейс до Обухова и обратно. Тепловоз получил наименование
, был оборудован дизелем мощностью 736 кВт, двумя генераторами и трубчатыми холодильниками. При параллельном соединении тяговых электродвигателей, электрическая схема позволила осуществлять последовательное и параллельное соединение генераторов.
Широкое внедрение тепловозной тяги началось после окончания Великой Отечественной войны. В истории отечественного тепловозостроения выдающую роль сыграли коллектив Харьковского тепловозостроительного завода имени Малышева и Харьковского завода " ЭЛЕКТРОТЯЖМАШ", которые в годы восстановления и реконструкции железных дорог создали и в короткие сроки поставили на серийное производство тепловозы ТЭ1, ТЭ2, ТЭ3 и ТЭ10. Также ими был освоен выпуск более мощных и экономичных по тому времени двухтактных дизелей 2Д100 и 10Д100, генераторов, тяговых электродвигателей, электрической и вспомогательной аппаратуры.
Начавшаяся с середины 50-годов широкомасштабная электрификация железных дорог СССР, при которой на электрическую тягу переводились целые направления, обусловила рост весовых норм и скоростей движения поездов. Чтобы не сдерживать этот рост, потребовалось применение более совершенных видов тяги и на не электрифицированных участках. Стране стали нужны в больших количествах мощные, экономичные и приспособленные для массового производства локомотивы с автономными источниками энергии. К таким локомотивам, прежде всего, относились магистральные тепловозы с электрической передачей. До 1956 г. отечественной промышленностью уже был освоен выпуск тепловозов серий ТЭ1 и ТЭ2, было изготовлено также несколько более мощных тепловозов ТЭЗ. Массовое производство тепловозов этой серии началось в 1956 г. и продолжалось до 1973 г.
В пассажирском тепловозе ТЭП60, созданном в 1960 г. Коломенским тепловозостроительным заводом, воплощены многие достижения отечественного и зарубежного тепловозостроения.
Дизель и экипажная часть спроектирована Коломенским заводом, а электрооборудование Харьковским заводом "Электротяжмаш". Оба предприятия, используя опыт эксплуатации тепловозов, непрерывно совершенствуют их конструкцию, работают над повышением качества и надежности важнейших узлов и деталей, улучшая технологию их изготовления, и тем самым способствуют увеличению межремонтных пробегов тепловозов и снижению эксплутационных затрат.
Характерно, что все изменения конструкции узлов и деталей дизеля, на котором осуществлено наибольшее количество такого рода мероприятий, были проведении без нарушения основного принципа взаимозаменяемости. Их можно также осуществить на всех ранее изготовленных дизелях, руководствуя соответствующими инструктивными указаниями завода.
Следует отметить, что работы по совершенствованию тепловоза ТЭП60 проведены заводами в содружестве с работниками локомотивных депо, Главным управлением локомотивного хозяйства, Всесоюзным научно-исследовательским институтом железнодорожного транспорта (ЦНИИ) и Всесоюзным научно-исследовательским тепловозным институтом (ВНИТИ).
1. Выбор основных параметров силовой установки и вспомогательного оборудования локомотива
1.1 Определяем вес локомотива
где:
- масса локомотива (принимается предварительно, исходя из предложения об использовании, например, односекционного локомотива),
- ускорение свободного падения ![]()
1.2 Определяем массу состава пассажирского поезда
где:
- годовой пассажиропоток
;
- масса пассажирского вагона;
- число пар пассажирских поездов в сутки;
- количество пассажиров в вагоне.
1.3 Определяем вес состава пассажирского поезда
![]()
1.4 Определяем касательную силу тяги
Касательная сила тяги определяется из условия равномерного движения поезда с расчётной скоростью
на расчётном подъёме
когда имеет место равенство сил полного сопротивления движению поезда
и касательной силы тяги локомотива
:
где:
и
- основные удельные сопротивления движению локомотива и вагонов,
;
и
- вес локомотива и вагонов,
.
Для принципиальных расчетов в курсовой работе значение
и
заменяем определенной величиной
, находящейся в пределах
для пассажирских поездов.
Тогда:
![]()
1.5 Определяем касательную мощность локомотива
где
- расчетная скорость локомотива
1.6 Определяем эффективную мощность силовых установок локомотива
![]()
где
- коэффициент полезного действия тягового генератора;
- коэффициент полезного действия выпрямительной установки;
- коэффициент полезного действия тяговых электродвигателей;
- коэффициент полезного действия зубчатой передачи;
- коэффициент отбора мощности от силовой установки на вспомогательные нужды локомотива.
На основе полученных данных выбираем тепловоз ТЭП60
Уточняем число секций локомотива:
где
(3000л. с) - мощность одной секции ТЭП60
Уточняем вес состава:
где
Н - расчётная сила тяги одной секции локомотива ТЭП60 (при
)
- сцепной вес одной секции ТЭП60 (
-сцепная масса тепловоза)
и
- основные удельные сопротивления движению локомотива и вагонов,
;
- уточнённое значение состава, ![]()
Определяем коэффициент, учитывающий расход мощности на привод вспомогательных агрегатов тепловоза:
где
- суммарный расход мощности на вспомогательное оборудование.
Определяем коэффициент полезного использования мощности дизеля для тяги:
где
- касательная мощность продолжительного режима тепловоза ТЭП60.
Определяем коэффициент полезного действия при номинальном режиме работы дизеля:
где
- удельный расход топлива;
- теплота сгорания топлива.
Определяем удельную силу тяги и удельную массу локомотива:
![]()
Определяем коэффициент тяги локомотива:
![]()
2. Описание конструкции локомотива
2.1 Общие сведения
Односекционный тепловоз ТЭП60 с электрической передачей предназначен для обслуживания пассажирских поездов на железных дорогах. Силовая установка тепловоза, состоящая из дизеля 11Д45А мощностью 3000 л. с. и главного генератора ГП-311В, расположена посередине локомотива на поддизельной раме.
Дизель тепловоза двухтактный,16-ти цилиндровый с V - образным расположением цилиндров, с двухступенчатым воздухоснабжением и промежуточным охлаждением воздуха после турбонагнетателей.
Главный генератор ГП-311В постоянного тока с независимым возбуждением и охлаждением. Поддизельная рама укреплена на раме тепловоза на резинометаллических амортизаторах, которые воспринимают массу силовой установки и некоторых вспомогательных устройств. От вала дизеля приводится в движение ряд вспомогательных установок: со стороны генератора - тормозной компрессор, двухмашинный агрегат, состоящий из вспомогательного генератора и возбудителя главного генератора, подвозбудитель ВС-652 и вентилятор для охлаждения генератора и электродвигателей передней тележки. Все эти агрегаты, за исключением тормозного компрессора, приводятся в действие от раздаточного редуктора.
Со стороны турбокомпрессоров от дизеля приводятся в движение вентилятор охлаждения электродвигателей задней тележки и через мультипликатор насосы гидравлического привода вентиляторов холодильника дизеля. Воздух для охлаждения электромашин засасывает снаружи кузова и по воздухопроводам подается к месту назначения.
Необходимый для работы дизеля воздух проходит через маслопленочные фильтры, расположенные над турбокомпрессорами. При неблагоприятных метеорологических условиях забор воздуха для охлаждения дизеля возможен и из кузова.
Устройство для охлаждения воздуха для дизеля состоит из холодильника, которые имеют два независимых контура циркуляции. В первом контуре охлаждается вода дизеля, во втором - вода, охлаждающая масло дизеля в теплообменнике и воздух в охладителе надувочного воздуха дизеля. Вентиляторы холодильника приводятся в движение от гидромоторов, которые работают под давлением масла, создаваемым гидронасосами. Режим работы гидромоторов регулируются терморегуляторами, автоматически поддерживающими заданный диапазон температур воды и масла.
По обеим сторонам шахты холодильника расположены водомасляный теплообменник, тормозные резервуары, масляные фильтры грубой и тонкой очистки, масляные и топливные насосы.
Со стороны генератора расположена высоковольтная камера, стенка которой, обращенная к кабине машиниста, имеет двустворчатые двери, застекленные органическим стеклом. Доступ внутрь камеры возможен только через дверки и отъемные листы, расположенные на двух других сторонах камеры.
Силовые привода заключены в алюминиевые трубы, которые уложены под полом. Слева высоковольтной камеры, около передней кабины, установлен котел-подогреватель для подогрева системы перед пуском дизеля. У задней стенки высоковольтной камеры расположен санузел.
На тепловозе применен сварной несущей кузов, состоящий из главной рамы, боковых стенок, крышки и двух кабин. Каркас кузова выполнен из сварных гнутых легковесных профилей и обшит стальными тонколистовыми и алюминиевыми листами.
В машинном отделении полы выполнены из съемных прессованных ребристых алюминиевых плит, через которые осматриваются и ремонтируются агрегаты, расположенные под полом. Боковые стенки и крыша кузова теплошумоизолированы и обшиты внутри тонко листовой сталью.
Кабины машиниста отдельны от машинного отделения теплошумоизолированными стенами, посередине которых навешены герметичные двери с окнами, имеющими двойные стекла. Пульт машиниста имеет наклонное табло с контрольно-измерительными приборами.
Для машиниста и его помощника сиденья могут регулироваться по высоте и в продольном направлении. Под столом помощника машиниста установлены для отопления два водяных калорифера с принудительной подачей воздуха. В зимнее время специальный вентилятор, засасывает воздух из кабины, прогоняет через калориферы и подогретым, возвращает под сиденья, для обдува окон и обогрева кабины.
Кузов тепловоза установлен на две трехосные сбалансированные бесчелюстные тележки, на каждую из которых он опирается при помощи двух главных опор маятникового типа, снабженных резиновыми конусами, и четырех боковых пружин опор, расположенных по две с каждой стороны тележки. Между кузовом и тележкой предусмотрена упругая связь посредствам пружинных растяжек, удерживающих маятниковые опоры в вертикальном положении с определенными начальными возвращающими силами. При отклонении тележек от среднего положения эти силы увеличиваются и стремятся вернуть ее в среднее положение.
Рессорное подвешивание тележек включает две ступени. В нижнюю ступень входят цилиндрические пружины с балансирами и листовые рессоры, в верхнюю - цилиндрические пружины и резиновые амортизаторы на главных маятниковых опорах. Статическая осадка рессорного подвешивания без учета резиновой амортизации равна 94,3 мм.
Тяговые электродвигатели выполнены с опорно-рамным подвешиванием; их масса не воспринимается осями, так как они укреплены на раме тележки и принадлежат к подрессорному строению тепловоза. Вращающий момент передаётся от электродвигателя через полую ось, которая покоится в подшипниках электродвигателей, а затем через упругие шарнирные приводы - каждой колесной паре.
Конструкция буксового узла в комбинации с опорно-рамным подвешиванием ТЭД, мягкое рессорное подвешивание с широким применением резиновой амортизации - основные качества тележки пассажирского локомотива.
На тепловозе используется шесть ТЭД, постоянно и параллельно соединенных с генератором. Такое соединение электродвигателей обеспечивает оптимальное использование сцепной массы и в случае неисправности одного из них способствует меньшему снижению силы тяги тепловоза.
На тепловозе применяется система автоматического регулирования мощности дизель-генератора с использованием объединённого регулятора частоты вращения (РЧО). Эта система сводится к соединению в единую конструкцию двух исполнительных агрегатов: один регулирует подачу топлива в дизель, другой - изменяет возбуждение генератора.
Новая схема регулирования снизила габариты и мощность, потребляемую магнитным усилителем, улучшила его характеристику и обеспечила высокую стабильность рабочих параметров системы регулирования.
Тепловоз оборудован электропневматическим тормозом, радиостанцией, противопожарной установкой с автоматической системой извещения и автоматической локомотивной сигнализацией с автостопом.
2.2 Техническая характеристика тепловоза
Тип тепловоза и передача пассажирский сэлектрической передачей постоянного тока.
Осевая характеристика 30-30.
Наибольшая касательная мощность, л. с2330 (3000).
Конструкционная скорость, км/ч160.
Длительная сила тяги при скорости 50 км/ч, кгс.12500.
Служебная масса тепловоза с 2/3 запаса топлива и песка, т126±3%.
Нагрузка на рельс от колесной пары, т с.21,0±3%.
Управлением тепловозомиз любой кабины.
Тип экипажной части тележечный.
Число тележек 2.
Диаметр колеса по кругу катания, мм1050.
Буксы бесчелюстные, поводковые на подшипниках качения.
Тип ударно-тяговых устройств автосцепка СА-3.
Минимальный радиус проходимых кривых, м125.
Запас топлива, кг:
расчетный 5000,
наибольший 6400.
Запас воды, кг 1580,
Количество масла, кг:
в дизеле с системами 880,
в гидростатическом приводе 80,
Запас песка, кг 600,
Основные габариты, мм:
Наибольшая высота от головки рельса 4780
Наибольшая ширина по выступающим частям 3316
Расстояние между осями автосцепок 19250
База тепловоза 15000
Расстояние между серединами шкворней тележек10200
Наименьшее расстояние от головки рельса до кожуха зубчатой передачи 140
ГабаритIT (ГОСТ 9238-73)
Дизель:
Условное обозначение 11Д45А.
Число цилиндров 16.
Номинальная мощность, э. л. с3000.
Номинальная частота вращения коленчатого вала, об/мин750.
Система смазки и ее охлаждение.
Тип циркуляционная под давлением.
Масляный насосшестеренчатый.
Производительность масляного насоса,
не менее 90.
Тип холодильника водомасляный теплообменник.
Поверхность теплообменника,
:
по маслу44.
по воде35,5.
Фильтр масляный грубой очистки сетчатый
То же тонкой очистки (на дизеле) центробежный
Фильтр масляный тонкой очистки бумажный
Система охлаждения дизеля тип водяная, принудительная.
Водяной насос центробежный.
Максимальная производительность насоса
100
2.3 Тяговые характеристики
Тяговая характеристика (зависимость касательной силы тяги от скорости движения) тепловоза ТЭП60 при работе на 15 позиции контроллера машиниста представлена на рис.1. Там же нанесены кривые сопротивления движению тепловоза с составами массой 1000, 800 650 т на площадке (i = 0) и подъёме I = 9%. Точки пересечения этих кривых с тяговой характеристикой позволяют определить равновесные скорости движения пассажирских поездов, которые могут быть получены при использовании тепловоза ТЭП60.

Рис.1. Кривые касательной силы тяги и сопротивления движению тепловоза ТЭП6О: 1 - кривая сопротивления движению на подъеме (i=9‰ при массе состава Q=1000 т; 2 - i=9‰, Q= 800 т; 3 - i=9‰, Q=650 т; 4 - i=0‰ Q=1000 т; 5 - i=0‰, Q= 800 т; 6 - i=0%0 , Q=650 т
Тяговые характеристики тепловоза ТЭП60 на различных позициях контроллера машиниста представлены
На рис.7. Наличие у тяговой характеристики трёх участков определяется работой тяговых электродвигателей на полном поле (ПП), первой (ОП1) и второй (ОП2) ступенях ослабления возбуждения. Максимальная касательная сила тяги ограничивается максимально допустимым током тяговых электродвигателей и тягового генератора.
Зависимость к. п. д. тепловоза от скорости движения, соответствующая тяговой характеристике (см. рис.2),
Коэффициент полезного использования мощности, равный отношению касательной мощности тепловоза к полной мощности дизеля, составляет: при длительном режиме работы - 0,737; максимальный - 0,778; гарантируемый техническими условиями - не менее


Рис.2. Тяговые характеристики тепловоза ТЭП60 при работе на различных позициях контроллера машиниста
Все представленные характеристики построены для условий, при которых реализуется полная мощность дизеля.
2.4 Компоновка оборудования на тепловозе
Оборудование тепловоза в основном размещено внутри кузова, что позволяет защитить его от вредных атмосферных воздействий, и облегчает контроль за его работай в пути следования. Внутренний объем кузова разделяется на кабины машиниста, дизельное (машинное) отделение и тамбуры.
Кабины машиниста отделены от дизельного помещения и тамбуров теплозвукоизолирующими стенами. В каждой кабине с правой стороны (по движению поезда) расположен пульт управления 41 с органами управления и измерительными приборами, необходимыми машинисту при ведении поезда. С левой стороны установлен стол 39 помощника машиниста, под которым располагается отопительно-вентиляционная установка с вентилятором, приводимым во вращение от электродвигателя. Для отопления используется два калорифера, в которые подается нагретая вода из системы охлаждения дизеля. Над столом располагается небольшой щиток с аппаратами управления, которыми пользуются помощник машиниста. Кроме того, в кабине установлено оборудование для создания требуемых условий работы локомотивных бригады: стеклоочиститель и, солнцезащитные щитки и др. Для машиниста и помощника предусмотрены мягкие регулируемые по высоте сиденья. Рядом с ними установлены два жёстких откидных сиденья.
На наружной стороне кабины расположены два красных и два белых буферных фонаря, номерные знаки, тифон, свисток, а также концевые краны и соединительные рукава электропневматического тормоза. Над окнами кабины установлен прожектор 17, к которому имеется доступ изнутри кабины через специальный люк для смены лампы и регулировки освещения. На наружной стороне кабины №2 (задней) установлены две разотки межтепловозного соединения.
В центральной части дизельного помещения установлен дизель-генератор. Дизель 8 и приводимый от него тяговый генератор 47 крепится к поддизельной раме, которая опирается на раму кузова через резинометаллические амортизаторы. На корпусе генератора установлен раздаточный редуктор 46, от которого приводится во вращения валы: двухмашинного агрегата 44 (возбудитель и вспомогательный генератор), синхронного подвозбудитель 45, вентилятора 11 тягового генератора и вентилятора 12 тяговых электродвигателей передней тележки. Все эти агрегаты также установлены на корпусе тягового генератора. При номинальной частоте вращения коленчатого вала дизеля 750 об/мин частота вращения вала дизеля, от которого приводится раздаточный редуктор, частота равна 1500 об/мин, двухмашинного агрегата 1820 об/мин, синхронного подвозбудитель 4080 об/мин, вентиляторных колес 2170 об/мин.
Тормозной компрессор 13 приводится от вала тягового генератора с частотой вращения, равной частоте вращения коленчатого вала дизеля.
Основная часть электрических аппаратов расположена в высоковольтной камере 42. На левой стене кузова около высоковольтной камеры установлены: вентилятор 14 дизельного помещения с приводом от электродвигателя, пищевой холодильник 15 с электропитанием и газовый огнетушитель 16. Под полом расположены два топливоподкачивающих насоса 38 с приводом от электродвигателей.
В противоположной части кузова размещено охлаждающее устройство с центральными проходами, состоящие из двух шахт. В крышевой части шахт расположены вентиляторы 4, приводимые во вращение гидроматорами 3. Гидроматоры связаны трубопроводом с двумя гидронасосами 48, вмонтированными в редуктор, который приводится во вращение от коленчатого вала дизеля. Масло гидропривода очищается в фильтре - бака 6 и фильтре тонкой очистки 32, размещенных на передней стенке первой (ближней к дизелю) шахты охлаждающего устройства. Нагретая вода, поступающая в охлаждающее устройство, проходит через радиаторные секции 53, где охлаждается воздухом. Расположение радиаторных секций в шахтах охлаждающего устройства - однорядное, вдоль обеих стенок кузова.
На крышке кузова над вентиляторными колесами и в боковых стенках кузова перед водяными радиаторами секции установлены жалюзи 31 створчатой конструкции. Привод жалюзи электропневматический с автоматическим управлением в зависимости от температуры воды и масла дизеля. Предусмотрено дистанционное (с пультом управления) ручное управление. На случай отказа дистанционного управления имеется непосредственно ручной привод. В крышевой части кузова между шахтами установлен водяной бак 5, а под ним фильтр тонкой 29 и грубой 30 очистки масла, маслопрокачивающий насос 52 с приводом от электродвигателя, водомасляный теплообменник 50 и четыре главных воздушных резервуара 51.
У переднего торца дизеля расположен вентилятор 33 тяговых электродвигателей задней тележки, вентиляторное колесо, которое приводится во вращение от выходного вала дизеля через угловой редуктор. Непосредственно на дизеле установлены: фильтр тонкой очистки топлива 36, центробежные масляные фильтры 10 и регулятор дизеля 9. На левой стенки кузова размешены фильтр грубой очистки топлива 35, дистанционный топливомер 37, под полом топливоподогреватель 34. Кузов тепловоза опирается на две трехосные тележки, между которыми расположен топливный бак 22. В нишах топливного бака с двух сторон тепловоза размещена аккумуляторная батарея. Полы в дизельном помещении выполнены из ребристых алюминиевых плит, которые можно легко снять для просмотра и ремонта агрегатов, установленных под полом.


Рис.3. Компоновка оборудования тепловоза ТЭП60: 1 - ящик для шланга и генератора противопожарной установки; 2 - резервуар противопожарной установки; 3 - гидромотор; 4 - вентилятор; 5 - водяной бак; 6 - фильтр-бак гидропривода; 7 - выхлопные патрубки; 8 - дизель; 9 - регулятор дизеля; 10 - центробежный масляный фильтр; 11 - вентилятор тягового генератора; 12 - вентилятор тяговых электродвигателей передней тележки; 13 - тормозной компрессор; 14 - вентилятор дизельного помещения; 15 - холодильник для пищи; 16 - газовый огнетушитель; 17 - прожектор; 18 - главные опоры кузова; 19 - крепёжные лапы электродвигателя; 20 - тяговый электродвигатель; 21 - крепёжный кронштейн; 22 - топливный бак; 23 - буксовый балансир; 24 - пружины; 25 - рессорные балансиры; 26 - боковые опоры кузова; 27 - букса; 28 - тормозной цилиндр; 29 - фильтры тонкой очистки масла дизеля; 30 - фильтр грубой очистки масла дизеля; 31 - жалюзи; 32 - фильтр тонкой очистки масла гидропривода; 33 - вентилятор тяговых электродвигателей задней тележки; 34 - топливоподогреватель; 35 - фильтр грубой очистки топлива; 36 - фильтр тонкой очистки топлива; 37 - топливомер; 38 - топливоподкачивающий насос; 39 - стол помощника машиниста; 40 - ручной тормоз; 41 - пульт управления; 42 - высоковольтная камера; 43 - санузел; 44 - двухмашинный агрегат; 45 - подвозбудитель; 46 - раздаточный редуктор; 47 - тяговый генератор; 48 - гидронасосы; 49 - ручной огнетушитель; 50 - водомасляный теплообменник; 51 - главные воздушные резервуары; 52 - маслопрокачивающий насос; 53 - радиаторные секции.
2.5 Дизель 11Д45А
Дизель тепловоза ТЭП60 является модификацией семейства среднеоборотных двухтактных дизелей типа Д40 (дн23/30), находящиеся в серийном производстве с 1959г. За это время они нашли широкое применение в различных отраслях народного хозяйства и за рубежом. Этому способствовали такие характерные способности дизелей этого типа, как небольшой вес и малые габаритные размеры, удобство обслуживания и ремонта, высокая износостойкость основных дизелей и узлов, определяющих межремонтные сроки, а также высокая экономичность их работы.
Имеющийся большой опыт эксплуатации этих дизелей в различных условиях, особенно в наиболее тяжелых условиях железнодорожного транспорта, позволяет решать ряд серьёзных вопросов их качества и надежности и способствует организации и систематической работы над их дальнейшим совершенствованием. Значительную роль в успехе в эффективности этой работы играет и хорошо оснащенное крупносерийное производство дизелей, применяемые прогрессивной технологий и совершенных методов контроля качества.
В процессе производства производились изменения конструкции ряда узлов и деталей дизеля с целью повышения их качества и надежности. Совершенствовалась также конструкция дизеля в целом. Наиболее серьёзные изменения были проведены на дизеле одновременно с изменением конструкции тягового генератора С этого времени дизель 11Д45 начал изготавливать под маркой 11Д45А. Внешне дизель 11Д45А отличается от дизеля 11Д45 отсутствие дополнительного привода вентилятора крышевого водовоздушного холодильника, так как последний на тепловозе был отменён.
2.5.1 Технические данные дизеля
Обозначение по ГОСТ 4393-8216ДН23/30
Полная мощность, кВт (л. с) 2206 (3000)
Условия, при котором реализуется полная мощность:
атмосферное давление, гПа (мм. рт. ст) 1013 (760).
температура наружного воздуха, °С20.
относительная влажность, %70.
противодавление на выпуске, измеренное в выпускном корпусе газовой турбины, (мм. вод. ст) не более 200ж
статическое разряжение, измеренное на выходном
патрубке турбокомпрессора, кПа (мм. вод. ст) не более 3 (300).
температура топлива на подводе к дизелю, °С20.
Частота вращения коленчатого вала, об/мин:
при полной мощности 750.
минимальная 400.
Направление вращения коленчатого вала по часовой стрелке, если смотреть со стороны генератора.
Удельный расход топлива на режиме полной мощности, г/ (кВт×ч); [г/ (л. с×ч)] 224+12 (165+9).
Расход топлива при минимальной частоте вращения не более 6% от часового при полной мощности.
Удельный расход масла на режиме полной мощности в % от расхода топлива, не более: на угар 1,2: суммарный с учётом сливаемого при замене 1,49.
Масса (без воды и масла), кг: дизель-генератора со всеми смонтированными на нем агрегатами (без двухмашинного) 23400±1,5% дизеля с поддизельной рамой и соединительной муфтой 13943.
2.5.2 Краткое описание устройства дизеля
Цилиндры дизеля установлены в стальном сварном блоке, имеющий 16 гнезд, расположенных в блоке в два ряда, под углом 45°. В комплект каждого цилиндра входят: крышки с клапанным механизмом, привернутой к ней втулка цилиндра, а также поршень с шатуном. Цилиндры, установленные в правом ряду, имеют главные шатуны, соединенные с шатунными шейками коленчатого вала. Цилиндры, установленные в левом ряду, имеют прицепные шатуны, соединенные с главными при помощи неподвижного пальца, закрепленного в проушинах нижней головки каждого главного шатуна.
Коленчатый вал вращается в десяти соосных коренных подшипниках, расположенных в нижней части блока цилиндров. Блок вместе с генератором установлен на общую поддизельную раму, являющуюся одновременно резервуаром для масла системы смазки дизеля. Коленчатый вал соединен с ротором генератора жесткой пластинчатой муфтой, ведущий диск которой снабжен зубчатым венцом для поворота коленчатого вала при помощи червячного валоповоротного механизма. В развале блока, между рядами цилиндров, в девяти соосных подшипниках вращается распределительный вал с шестнадцатью кулачками, каждый из них сообщает возвратно-поступательное движение четырем выпускным клапанами одного цилиндра при помощи толкателя с роликом, штангами и трехплечего рычага с двумя траверсами. Распределительный вал получает вращение от коленчатого вала через щестерёнчатий привод, смонтированный на торце блока со стороны генератора.
Ведущая разъёмная шестерня привода закреплена на фланце коленчатого вала между 9-м и 10-м коренными подшипниками. Так же, на торцах бугелей и подвесок этих коренных подшипников, закреплены полукольца упорного подшипника, ограничивающее осевое перемещение коленчатого вала. Вместе с ведомой шестерней привода на фланце распределительного вала закреплена шестерня, приводящая во вращение топливный насос и тахометр, расположенный над распределительным валом на специальном корпусе-лотке, в который вмонтированы толкатели привода выпускных клапанов.
Согласно с распределительным валом со стороны генератора установлен предельный выключатель. Вал-измеритель предельного выключателя связан жестко шлицевым валиком с распределительным валом и через коническую шестеренчатую передачу сообщает вращение измерителю скорости регулятора частоты оборотов. От шестерни распределительного вала получает вращение также привод вспомогательных агрегатов, установленных на станине тягового генератора. Предельный включатель и регулятор числа оборотов установлены на верхнем корпусе кожуха привода распределительного вала. Привод вспомогательных агрегатов, состоящий из пары шестерен, вмонтированы в этот корпус.
Со стороны переднего торца дизеля, на коническом хвостовике коленчатого вала, установлен маятниковый антивибратор. Фланец, которым он крепится, выполнен заодно со шлицевой муфтой, которая при помощи шлицевого валика соединяет коленчатый вал со ступицей ведущей шестерни, редуктора привода центробежного воздушного нагнетателя. От этой же шестерни получает вращение масляный и водяные насосы, а от ее ступицы вращение передается гидронасосам гидравлического привода вентиляторов холодильной камеры тепловоза. Ведомая шестерня редуктора выполнена за одно с ротором центробежного нагнетателя с приемным патрубком и диффузором крепятся к корпусу редуктора. На корпусе редуктора установлены также масляный а также и два водяных насоса, холодильник воздуха с приёмным и отводящим патрубками. Корпус редуктора со своим фланцем крепятся к переднему торцу блока. К нему крепиться специальный кронштейн, на котором установлены два турбокомпрессора.
Весь цикл рабочего процесса в цилиндрах дизеля совершается за один оборот коленчатого вала. Очистка цилиндров от отработанных газов, продувка и зарядка его свежим воздухом происходит в районе нижней мертвой точки (н. м. т) поршня.
2.5.3 Система воздухоснабжения дизеля
Система включает два турбокомпрессора с газотурбинным приводом (первая ступень наддува), водовоздушный охладитель надувочного воздуха, центробежный компрессор (нагнетатель) с механическим приводом от коленчатого вала (вторая ступень наддува) и маслопленочные воздухоочистители, установленные перед турбокомпрессорами. При работе дизеля турбокомпрессоры засасывают наружный воздух через воздухоочистители и направляют его в охладитель, из которого он поступает в центробежный компрессор, а затем в ресивер и через продувочные окна в цилиндры дизеля. Выпускные газы по коллекторам поступают в газовые турбины турбокомпрессоров, приводя во вращение их роторы, а затем по газоотводным трубам выводятся наружу (в атмосферу). При сильных снегопадах, дожде, пыльных бурях забор воздуха может осуществляться из дизельного помещения. Для этого заслонки в воздуховодах перед воздухоочистителями устанавливают в положение, при котором они закрывают наружные выходные отверстия и открывают доступ воздуха из кузова.
2.5.4 Топливная система
При работе топливоподкачивающего насоса 5 ( рис.4), приводимого во вращение от электродвигателя ЭНТ1, топливо из бака 19 поступает в фильтр грубой очистки 8, затем через насос 5 и обратный клапан 4 в фильтр тонкой очистки 17, а оттуда в коллектор топливного насоса дизеля 14. Конструктивно топливные насосы всех шестнадцати цилиндров дизеля объединены в один блок с общим приводом. Этот блок называют топливным насосом дизеля.
Топливоподкачивающий насос подаёт в коллектор топливного насоса больше топлива, чем необходимо для работы дизеля. Избыток топлива из коллектора поступает в топливоподогреватель 11, а затем сливается в топливный бак. Клапан 12 поддерживает постоянное давление топлива в коллекторе топливного насоса. На нагнетательном трубопроводе установлен предохранительный клапан 6. При загрязнении фильтра тонкой очистки и повышении в связи с этим давления топлива открывается предохранительный клапан 6, обеспечивающий слив топлива через топливоподогреватель в топливный бак. Подогрев топлива в топливоподогревателе осуществляется горячей водой, поступающей из системы охлаждения дизеля. Подогретое топливо, поступающее в бак, обеспечивает прогрев всего объёма топлива, что исключает в зимнее время переохлаждение отсеков, в которых установлена аккумуляторная батарея. Из двух топливоподкачивающих агрегатов работает один, второй - запасной и используется в случае выхода из строя первого. Обратные клапаны 4 исключают циркуляцию топлива через неработающий насос. Давление топлива после фильтра тонкой очистки измеряется дистанционными электрическими манометрами ЭМ2, указатели которых установлены на пультах управления в обеих кабинах тепловоза.

![]()
Рис.4.
Схема топливной системы:
4 – обратный клапан;
5 – топливоподкачивающие насосы;
6 – предохранительный клапан;
7 – вентиль для удаления воздуха из системы;
8 – Фильтр грубой очистки;
9 – распределительная коробка;
10 – вентилятор для регулировки слива подогретого топлива;
11 – топливоподогреватель;
12 – регулирующий клапан;
13 – дизель;
14 – топливный насос дизеля;
15 – датчик электроманометров;
16 – демпфер;
17 – фильтр тонкой очистки;
18 – труба для слива топлива, просачивающегося через форсунки;
19 – топливный бак;
20 – резервуар для сбора загрязненного топлива;
21 – топливомерное стекло;
22 – труба для слива загрязненного топлива из лотка дизеля;
23, 24 – трубы для слива подогретого топлива;
25 – труба для забора топлива;
ЭНТ1, ЭНТ2 – электродвигатели топливоподкачивающих насосов.
2.5.5 Масляная система
При работе дизеля горячее масло, прошедшее через узлы дизеля, стекает в поддон, вваренный в поддизельную раму 18. Шестеренчатый масляный насос 23, соединенный через редуктор с коленчатым валом дизеля, засасывает горячее масло из поддона и нагнетает его в фильтр грубой очистки 2 и полнопоточный фильтр тонкой очистки 1 в водомасляный теплообменник 30, откуда очищенное и охлажденное масло поступает на вход дизеля для охлаждения и смазки его узлов. Небольшая часть масла насосом 23 подается в центробежный фильтр тонкой очистки 17, из которого оно стекает в поддон. В теплообменнике масло охлаждается водой. Вода проходит внутри медных трубок вдоль теплообменника, а масло - в поперечном направлении, причем благодаря внутренним перегородкам оно несколько раз меняет направление движения.
Маслопрокачивающий насос 32, приводимый во вращение от электродвигателя ЭМН, предназначенный для прокачивания масла перед пуском и после остановки дизеля. Засасывая масло из поддона, маслопрокачивающий насос нагнетает его через фильтр грубой и тонкой очистки в теплообменник, а затем в дизель. В процессе пуска дизеля маслопрокачивающий насос останавливается при работе основного масляного насоса 23.
Работу масляной системы дизеля контролируют при помощи измерительных приборов и реле. На пультах управления в обоих кабинах машиниста расположены указатели дистанционных электротермометров ЭТ2 и электроманометров ЭМ1. тумблеры Тб13 позволяют подключать указатели ЭТ2 к датчикам, установленные на выходе 19 или на выходе 6 масла из дизеля. Датчики 20 дистанционных манометров ЭМ1 установлены на входе масла в дизель, причем от одного из датчиков по линии связи "С сигнал поступает не только на указатель ЭМ1 пульта №2, но через тепловозное соединение передается на второй тепловоз (при работе по системе двух единиц). Соответственно со второго тепловоза от аналогичного датчика приходит сигнал на пульт №1, где установлен указатель ЭМ3, что позволяет контролировать давление масла на втором тепловозе.
Состояние фильтров, оцениваемое по перепаду давления на них, контролируют при помощи манометров 10, 11, 12, установленных на щитке в дизельном помещении (левая стенка). Для измерения температуры масла ртутными термометрами при испытаниях тепловоза предусмотрены гильзы (карманы) 21 и 24 соответственно в трубах на входе и выходе масла из дизеля. Разрежение в картере дизеля контролируют по дифференциальному манометру 16, установленному на корпусе раздаточного редуктора. При появлении в картере давления, превышающее допустимое, замыкается электрический контакт дифманометра, что приводит к автоматической остановки дизеля. Защиту дизеля при падении давления масла осуществляют реле давления РДМ2 сброс нагрузки и РД1 - остановка дизеля. В схеме пуска дизеля устанавливаются реле давления РДМ3 и термореле РТ - 55°. Все реле давления подсоединены к концу масляного канала лотка дизеля, т.е. к точке масляной системы с наименьшим давлением. Реле РТ-55° контролирует температуру масла в поддоне дизеля. Термореле РТ-62° обеспечивает автоматическое в зависимости от температуры масла на выходе из дизеля открывание и закрывание жалюзи второй шахты охлаждающегося устройства тепловоза, а термометр РТ-37° - защиту дизеля по предельно допустимой температуре масла на выходе в дизеле.

Пульт 2 ЭМ1 ЭМ2 тепловоз

Рис.5. Схема масляной системы: 1 - полнопоточный фильтр тонкой очистки; 2 - фильтр грубой очистки; 3, 37 - игольчатые клапаны для удаления воздуха; 4 - терморегулятор; 5 - вентиль для отбора проб масла; 6,19 - датчики дистанционных электротермометров ЭТ2; 7 - распределительная коробка №2; 8 - демпферы типа ДВ; 9 - щиток с манометрами; 10 - манометр "Масло после фильтра тонкой очистки" (тип МШ6, 0 - 16 кгс/см2 ); 77 - манометр "Масло до фильтра тонкой очистки" (тип МП 16, 0 - 16 кгс/см2 ); 72 - манометр "Масло до фильтра грубой очистки" (тип МП16, 0 - 16 кгс/см); 73 - манометр "Надувочный воздух" (тип МП6, 0 - 6 кг/см2 ); 14 - манометр "Топливо до фильтра тонкой очистки" (тип МШО, 0 - 10 кгс/см2 ); 75 - манометр "Воздух контакторов" (тип МШО, 0 - 10 кгс/см2 ); 16 - дифференциальный манометр; 17 - центробежный фильтр тонкой очистки; 75 - поддон; 20 - датчики дистанционных электроманометров ЭМ7; 27, 24 - гильзы (карманы) для установки ртутных термометров; 22, 25 - вентили для заправки и слива масла из поддона; 23 - масляный насос; 26, 28, 29, 33, 34 - вентили для слива масла из системы; 27 - обратный клапан; 30 - водомасляный теплообменник; 32 - маслопрокачивающий насос; ЭМ7, ЭМЗ - указатели дистанционных электроманометров "Давление масла" и "Давление масла II тепловоза"; ЭТ2 - указатели дистанционных электротермометров "Масло дизеля"; Т613 - переключатель (тумблер); РДМ1 - РДМЗ - реле давления; РТ ' - 55°, РТ - 62°, РТ - 73° - термореле; ЭНМ - электродвигатель маслопрокачивающего насоса; 1С - 6С - электрические линии связи.
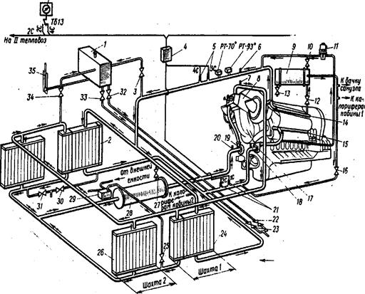
2.5.6 Водяная система
Система охлаждения дизеля - двухконтурная. Циркуляцию воды в контурах обеспечивают водяные насосы 17 и 19 центробежного типа, приводимые в движение от вала дизеля через редуктор.
В первом контуре вода, охлаждённая воздухом в радиаторных секциях 24, нагнетается насосом 17 в водяные коллекторы 15, расположенные с обеих сторон дизеля. Из коллекторов 75 вода поступает на охлаждение цилиндров, после чего собирается в отводных коллекторах 14, также расположенных с обеих сторон дизеля, из которых направляется в радиаторные секции 24 для охлаждения. Небольшая часть нагретой воды из левого отводного коллектора дизеля поступает в топливоподогреватель Р, где нагревает топливо, а затем поступает на вход водяного насоса 17.
Во втором контуре циркуляции вода, охлаждённая воздухом в радиаторных секциях 26, поступает вначале в теплообменник28, где охлаждает масло дизеля, а затем нагнетается насосом 19 в охладитель надувочного воздуха 8, оттуда, нагретая, вновь направляется в радиаторные секции 26 для охлаждении.
Охлаждение воды в первом контуре циркуляции регулируется автоматически путем плавного изменения частоты вращения вентилятора первой шахты охлаждающего устройства под контролем терморегулятора 11, датчик которого омывается охлажденной водой, поступающая в дизель. Охлаждение воды во втором контуре регулируется изменением частоты вращения вентилятора второй шахты охлаждающегося устройства в зависимости от температуры масла на выходе из дизеля, для чего на трубопроводе масла установлен терморегулятор 4.
Водяной бак 1 обеспечивает пополнение системы охлаждающей водой (через вентили 32, 33), компенсируя изменение объема воды при изменении температуры, обеспечивает выход из системы воздуха и пара (через вентили 3, 34). Уровень воды в баке контролируют водомерному стеклу 25, установленному в заднем патрубке тепловоза. Имеется ручной насос 29 для закачивания воды из внешней емкости.
Для контроля за температурой воды в первом контуре циркуляции на обоих пультах управления расположены указатели дистанционных электротермометров ЭТ1, датчики 21 и 5которых установлено соответственно на входе и выходе воды из дизеля. Подключение к одному из датчиков производится тумблером Тб13. Кроме того, для установки ртутных термометров в трубах обоих контуров циркуляции имеются гильзы (карманы) 18,20 на входе 6 и 7 на выходе воды из дизеля. В трубопроводе первого контура циркуляции на выходе воды из дизеля установлены два термореле: РТ - 70° для автоматического управления открыванием и закрыванием жалюзи перовой шахты охлаждающего устройства и РТ-93° для защиты дизеля по предельно допустимой температуре воды.
|
Рис 6. Схема водяной системы охлаждения дизеля. 1 - водяной бак; 2 - секция для охлаждения масла гидропривода вентиляторов; 3, 12, 16, 25, 32, 33, 34 - вентили; 4 - распределительная коробка №2; 5, 21 - датчики дистанционных электротермометров ЭТ1; 6, 7, 18,20 - гильзы для установки ртутных термометров; 8 - охладитель надувочного воздуха; 9 - топливоподогреватель; 10, 27 - игольчатые клапаны для удаления воздуха; 11 - терморегулятор; 13, 22, 23, 30, 31 - вентили для слива воды из системы; 14, /5 - коллекторы дизеля для отвода и подвода воды; 17 - насос I контура; 19 - насос II контура; 24 - радиаторные секции I контура (17 секций); 26 - радиаторные секции II контура (30 секций); 28 - водомасляный теплообменник; 29 - ручной насос; 35 - водомерное стекло; РТ-700 , РТ-930 - термореле; Т613 - переключатель (тумблер); ЭТ1, ЭТЗ - указатели дистанционных электротермометров "Вода дизеля" и "Вода II тепловоза"; 1С-4С - электрические линии связи.
2.6 Колесные пары и буксы
Колесные пары тепловоза воспринимают и передают на рельсы массу кузова и тележек со всем оборудованием, а также собственную массу с деталями, смонтированными непосредственно на колесных парах (неподрессоренную). При движении тепловоза каждая колесная пара, взаимодействуя с рельсовой колеей, воспринимает удары от неровностей пути и направляющие силы и в свою очередь сама жестко воздействует на путь. Кроме того, колесной парой передается вращающий момент тягового электродвигателя, а в месте контакта колес с рельсами реализуется сила тяги и торможения. Значение и характер воздействия статических и динамических сил зависят от условий движения и состояния рельсового пути, конструкции, и параметров ходовой экипажной части тепловоза.
От состояния колесной пары зависит безопасность движения поездов, поэтому к выбору материала, изготовлению отдельных элементов и формированию колесной пары предъявляются особые требования. В условиях эксплуатации за состоянием колесных нар необходим тщательный уход, своевременные осмотры и ремонт.
Главными частями колесной пары являются: ось, колесный центр, бандажи с укрепляющими кольцами, полый вал, приводы и пальцы эластичной муфты и ведомая шестерня и тягового редуктора.
Отличие колесной пар тепловоза ТЭП60 от колесных пар других тепловозов обусловлено принятой системой опорно-рамного подвешивания тяговых электродвигателей.
Бандажи являются той частью колес, которая непосредственно взаимодействует с рельсами. На контактную площадку бандажа передаются вертикальные силы до 150 кН, продольные силы сцепления до 45 кН и поперечные до 30 кН на поверхности катания и до 60 - 80 кН на гребень. Материал бандажа подвергается растяжению, сжатию, сдвигу и смятую, а при скольжении колес - усиленному износу. В связи с этим материал бандажа должен обладать высокой прочностью, чтобы сопротивляться износу и смятию, и быть достаточно вязким, чтобы сопротивляться ударным нагрузкам.
На наружные диаметры колесных центров насаживают бандажи с натягом 1,1 - 1,45 мм тепловым способом. Температура нагрева бандажа 250 - 320'С. Разность температур различных участков бандажа при нагреве не должна превышать 15°. Бандажи на колесных центрах от возможных сползаний с центров закрепляют бандажными кольцами.
Бандажные кольца заводят в специальную выточку, когда температура бандажа не ниже 200С и внутреннюю кромку бандажа закатывают роликом на специальном станке до плотного крепления кольца. На собранной колесной паре разность твердостей бандажей не должна превышать 20 единиц по Бринеллю.
После остывания бандажа проверяют по звуку плотность его посадки на колесный центр. Для контроля отсутствия проворачивания бандажей колесной пары относительно колесных центров при эксплуатации тепловоза на бандажах и колесных центрах наносят контрольные риски.
Для уменьшения износа гребней бандажей и увеличения срока их службы предложен новый профиль одноточечного касания между колесом и рельсом при любом расположении колесной пары в рельсовой колее. Профиль с одноточечным контактом отличается от стандартного прямолинейным участком 20 мм с конусностью 1: 50, который соединяется с выкружкой гребня переходной кривой радиусом 70 мм, обеспечивающей одноточечный контакт и свободное относительное поперечное перемещение колесной пары в колее.
Угол наклона гребня принят 65°, что соответствует профилю головки среднесетевого рельса и обеспечивает с ним облегающий контакт на участках пути с крутыми кривыми. Испытания показали, что бандажи с одноточечным контактом будут иметь меньший на 20% износ гребней, уменьшится на 15 - 20% количество колесных пар с односторонним износом и смещенным прокатом. Кроме того, этот профиль уменьшит возможность образования ступенчатого проката. Интенсивность проката при этом профиле бандажей сохраняется на прежнем уровне.
2.7 Буксы
Буксы передают вертикальные и горизонтальные (силы тяги и торможения, поперечные от набегания на рельс) силы между рамой тележки и колесными парами. Кроме того, буксы ограничивают продольные и поперечные перемещения колесной пары относительно рамы тележки. Корпус буксы двумя поводками соединен с рамой тележки. Соединение валиков поводков с корпусом буксы и рамой тележки производится посредством клиновых соединений. На предподступичную часть оси до упора в галтель надевают с натягом лабиринтное кольцо. Температура нагрева кольца 120 - 150 °С. Лабиринтное кольцо образует с задней крышкой четырех камерное лабиринтное уплотнение буксы. Внутренние кольца подшипников имеют натяг 0,035 - 0,065 мм и насаживаются на шейку оси вместе с дистанционным кольцом, нагретым в масле индустриальном до температуры 100 - 120 °С.
Поводок буксы состоит из корпус с двумя головками, имеющими цилиндрические расточки, в которые запрессовывают с натягом 0,06 - 0,16 мм амортизаторы, сформированные один на коротком, другой на длинном валике. Короткий валик (буксовый) имеет один резинометаллический амортизатор из втулок. Длинный валик (рамный) имеет два резинометаллических амортизатора из втулок, между которыми помещены разделяющие их полукольца.
Амортизаторы формируют на валики путем напрессовки. Перед напрессовкой резиновые втулки и все соприкасающиеся с ними поверхности смазывают смесью, состоящей из 30% касторового масла и 70% этилового спирта. Сформированные поводки выдерживают в течение суток при температуре l5 - 30 'С без доступа света и приложения нагрузки для завершения релаксационного процесса.
Заключение
В результате выполнения расчетов получены сведущие данные:
· вес состава пассажирского поезда: = 10078,8 [кН].
· касательная сила тяги: = 130572,15 [Н].
· эффективная мощность силовой установки: = 2300,4 [кВт].
На основании полученных данных выбрал прототип тепловоза ТЭП60, который обладает следующими положительными качествами:
· при небольшой веси малые габаритные размеры дизеля, при высокой надежности.
· удобство обслуживания и ремонта тепловоза.
· минимальная интенсивность износа деталей тепловоза.
· высокая экономичность основных деталей и узлов.
· опорно-рамное подвешивание тяговых электродвигателей достигается уменьшение подрессоренной массы благодаря тому, что масса двигателя входит в подрессорную массу. Этим достигается уменьшение воздействие на путь и сохранность самого двигателя. Так по сравнению с опорно-осевым подвешиванием электродвигателей увеличивается срок службы щеток, в несколько раз уменьшается ускорение массы электродвигателя при следовании с высокими скоростями.
Список используемой литературы
Тепловоз ТЭП60:
1. Руководство по эксплуатации и обслуживанию \ Издательство 2-е, переработал и дополнил. М., "Транспорт", 1975г.
2. Пассажирский тепловоз ТЭП60: Г.А. Жилин и др. \ Издательство 2-е, переработал и дополнил. М., "Транспорт", 1971г.
3. Методические указания по выполнению курсовой работы по дисциплине “Локомотивы (общий курс) ” \ В.Д. Кузьмич, В.Б. Скуев, Г.А. Ильин, Ю.В. Емельянов.
Похожие рефераты:
Основы проектирования и конструирования
Место и роль промышленного транспорта в транспортной системе
Разработка технологического процесса ремонта цилиндрической крышки дизеля ПД-1М
Определение основных параметров и компоновка оборудования автономного локомотива
Метрологическое обеспечение ремонта дизель-генератора специализированного серийного тепловоза ТЭП70
Техническое Обслуживание ТО-2 Тепловоза Типа 2ТЭ10В
Продольно-резательный станок производительностью 350 т/сутки
Моделювання робочого процесу чотирьохтактного дизеля
Бурение и оборудование скважин при подземном выщелачивании полезных ископаемых
Модернизация двигателя мощностью 440 квт с целью повышения их технико-экономических показателей
Установки погружных центробежных насосов (УЭЦН)
Расчет параметров рабочего процесса и выбор элементов конструкции тепловозного дизеля
Колёсные пары электровоза ВЛ-80
Испытательная станция турбовинтовых двигателей ТВ3–117 ВМА–СБМ1 серийного производства
Установки погружных центробежных насосов для добычи нефти из скважин