| Похожие рефераты | Скачать .docx |
Дипломная работа: Основные принципы построения автоблокировки переменного тока
1. ВВЕДЕНИЕ
С развитием промышленности и сельского хозяйства объем перевозок на железнодорожном транспорте непрерывно повышается. Это достигается увеличением интенсивности и скорости движения, веса поездов, совершенствованием планирования и регулирования движения поездов. К средствам регулирования движения поездов относится комплекс автоматических систем интервального регулирования, в который входят: автоблокировка, автоматическая локомотивная сигнализация (АЛСН), автоматическое регулирование скорости движения поездов (АРС). Автоблокировка в комплексе с АЛСН позволяет организовать движение поездов попутного следования с малыми интервалами и значительно повысить пропускную способность железнодорожных линий, обеспечить высокую безопасность следования поездов по перегонам и станциям.
При автоблокировке перегон делят на блок-участки (БУ), что позволяет отправлять поезда с интервалом 6—8 мин, а на пригородных линиях, где блок-участки меньшей длины, — с интервалом 3-4 мин. Благодаря этому обеспечивается высокая пропускная способность железных дорог (на двухпутных магистральных линиях до 200 пар поездов в сутки, а на пригородных линиях до 300 пар). Каждый блок-участок оборудуют рельсовой цепью (РЦ), автоматически контролирующей его состояние.
При автоблокировке за счет сокращения потерь времени при обгоне поездов на станциях возрастает участковая скорость движения поездов, повышается производительность труда эксплуатационных работников, сокращаются эксплуатационные расходы.
На участках с электрической тягой на постоянном токе получила применение автоблокировка переменного тока 50 Гц с кодовыми рельсовыми цепями. Использование числового кода позволило осуществить беспроводную автоблокировку, используя в качестве канала связи между светофорами рельсовые цепи, а также выполнить единое кодирование автоблокировки и АЛСН и упростить комплексную систему.
С введением электрической тяги на переменном токе появилась необходимость в рельсовых цепях с частотой питания, отличной от частоты тягового тока, обеспечивающих защиту от опасных и мешающих влияний гармоник тягового тока 50 Гц. В связи с этим были разработаны и нашли применение сначала рельсовые цепи 75 Гц, а затем 25 Гц. Для получения частоты 25 Гц использовали статические преобразователи частоты 50/ 25 Гц, которые применяют на каждой сигнальной установке автоблокировки. Питание на преобразователи подается от высоковольтной линии автоблокировки (основное) и от контактной сети переменного тока промышленной частоты (резервное).
Интенсивное развитие устройств интервального регулирования требует коренного изменения принципов построения систем и методов технического обслуживания. Примером такой новой системы интервального регулирования может служить автоблокировка без проходных светофоров с централизованным размещением аппаратуры (ЦАБ). В этой системе основным средством интервального регулирования является числовая или частотная АЛСН. Релейная аппаратура размещена на станциях, ограничивающих перегон, на пути установлены только трансформаторы или дроссель-трансформаторы, связанные со станциями кабельными цепями. В качестве основной в ЦАБ используется частотная система АЛСН, в качестве резервной — числовая АЛСН. Все рельсовые цепи перегона кодируются со станции от общего кодового путевого трансмиттера. Кодирование начинается с момента вступления поезда на данную рельсовую цепь, значность кода определяется числом рельсовых цепей, разграничивающих попутно следующие поезда.
В таких условиях машинист должен проявлять особую бдительность, чтобы не допустить проезд на занятый блок- участок. Для облегчения работы машиниста и своевременного включения служебного торможения для остановки поезда на границе данного блок- участка устройства ЦАБ дополняют системой автоматического управления тормозами (САУТ). В целях более быстрого внедрения новых систем интервального регулирования выполнены большие работы по совершенствованию технологии производства аппаратуры на заводах. Проектными организациями разработаны типовые принципиальные и монтажные схемы сигнальных установок для всех разновидностей систем автоблокировки и автоматической переездной сигнализации. Организован заводской монтаж релейных шкафов, что позволило ускорить строительство и сдачу в эксплуатацию устройств интервального регулирования движения поездов.
Широкое и быстрое внедрение комплекса автоматических устройств требует совершенствования технологии производства аппаратуры, монтажа строительства и проектирования. В настоящее время все типовые проектные решения по системам автоблокировки и автоматической переездной сигнализации являются комплексными. В них обеспечивается одновременный монтаж и строительство различных устройств.
2. Основные принципы построения автоблокировки переменного тока
2.1 ОБЩИЕ СВЕДЕНИЯ АВТОБЛОКИРОВКИ
Автоматическая система, с помощью которой производятся регулирование движения поездов по межстанционным перегонам магистральных железнодорожных линий и ограждение поездов от возможностей столкновений, получила название автоблокировки. По сравнению с полуавтоматической системой автоблокировка значительно повышает пропускную способность участков и обеспечивает безопасность движения поездов.
В соответствии с требованиями ПТЭ все светофоры должны автоматически закрываться при входе поезда на ограждаемые ими блок-участки, а также в случае нарушения целости рельсовых цепей этих участков. Автоблокировку как средство интервального регулирования движения поездов применяют как на однопутных, так и на двухпутных участках железных дорог. В зависимости от рода тяги используют следующие системы автоблокировки: на участках с автономной тягой — двухпутную и однопутную автоблокировку постоянного тока, на участках с электрической тягой — автоблокировку переменного тока.
Автоблокировку постоянного тока строят с применением импульсных рельсовых цепей постоянного тока, с помощью которых контролируется состояние блок-участков (занят, свободен) и целость рельсовых нитей пути этих блок-участков. Для контроля состояния двух или трех блок-участков, находящихся впереди данного светофора, и осуществления трех- или четырехзначной сигнализации используют двухпроводные линейные цепи (воздушные или кабельные). Автоблокировка постоянного тока с импульсными рельсовыми цепями не обладает достаточной помехозащищенностью и ее нельзя применять на электрифицированных участках.
Автоблокировку проектируют с трех или четырехзначной сигнализацией. Четырехзначная сигнализация применяется на линиях с особо интенсивным движением пригородных поездов, где требуется иметь блок-участки (Б-У) короче минимальной длины, установленной для трехзначной сигнализации. На двухпутных участках автоблокировку проектируют, как правило, для одностороннего движения. Схему однопутной (двухсторонней) автоблокировки проектируют с зависимостями, предусматривающими связь между сигналами встречных направлений, так что движение поездов по сигналам АБ возможно только в одном установленном направлении. Расстановка светофоров осуществляется по тяговым расчетам на основе принятого интервала попутного следования расчетных поездов. Движение поездов при трехзначной АБ должно производиться с разграничением тремя Б-У. Длина Б-У составляет от 1000 до 2600 м. Если на данной длине Б-У нельзя устроить одну рельсовую цепь (РЦ) то устраивается разрезная, с трансляционной точкой без светофора. Сигналы на станциях расставляют в соответствии с разработанной маршрутизацией.
На (рис. 1,а) поясняются принципы построения простейшей двузначной автоблокировки. В пределах блок-участков устроены электрические рельсовые цепи, разграниченные изолирующими стыками по границам этих участков. С одного конца в рельсовую цепь включено путевое реле П, с другого — путевая батарея ПБ и регулируемый резистор Rо.
В двузначной автоблокировке каждый проходной светофор не отражает состояние впереди стоящего светофора, так как линейная цепь отсутствует. Сигнальная цепь включения красного и зеленого огней переключается с помощью контакта путевого реле рельсовой цепи собственного блок-участка.
При отсутствии поезда на блок-участке 7П путевое реле, получая питание из рельсовой цепи, притягивает якорь. Замыкая свой фронтовой контакт, оно включает ток от сигнальной батареи СБ через лампу зеленого огня светофора 7. Горение зеленого огня на этом светофоре указывает на свободность ограждаемого им блок-участка и возможность проследования по нему поезда.
Нарушение целости пути при лопнувшем или изъятом рельсе приводит к тому, что прерывается цепь тока в рельсовой цепи и выключается путевое реле П. Отпуская якорь, оно отключает на светофоре лампу зеленого огня и включает лампу красного огня, чем ограждается опасное место. Нахождение поезда на блок-участке 5П приводит к тому, что колесными парами поезда путевое реле шунтируется и отпускает якорь. При этом на светофоре 5 выключается лампа зеленого огня и включается лампа красного огня. Горением красного огня на светофоре 5 производится ограждение занятого блок-участка. Машинист следующего поезда при приближении к светофору 5 должен своевременно произвести торможение и остановить поезд, не проезжая светофора 5. Горение красного огня на светофоре 5 продолжается до полного освобождения, поездом ограждаемого этим светофором блок-участка, после чего на светофоре красный огонь сменяется на зеленый.
Принципы построения двухпутной трехзначной автоблокировки постоянного тока поясняются на (рис. 1,б). В пределах блок-участков устроены импульсные рельсовые цепи постоянного тока. На входном конце каждого блок-участка включен источник питания в виде путевой батареи ПБ, работающей в буферном режиме с выпрямителем. Ток от ПБ проходит через контакт маятникового трансмиттера МТ, которым осуществляется посылка в рельсовую цепь импульсов постоянного тока.
На выходном конце блок-участка в рельсовую цепь включено импульсное путевое реле ИП. Получая импульсы тока, оно переключает свой контакт в цепи дешифратора Д и через него возбуждает основное путевое реле П. При шунтировании рельсовой цепи скатами поезда импульсная работа реле ИП и дешифратора прекращается, выключается реле Я и фиксирует занятость блок-участка. При свободном состоянии блок-участков 7П и 5П реле П этих участков притягивают якоря и замыкают линейные цепи, связывающие попутные светофоры 7—5 и 5—3.
В связи с быстрым внедрением электротяги автоблокировка постоянного тока стала неперспективной, и применение ее оказалось нецелесообразным. Поэтому, начиная с 80-х годов, для участков с автономной тягой с перспективой перехода на электротягу проектируют и строят автоблокировку переменного тока.
Автоблокировка переменного тока, которую применяют на участках с электротягой постоянного и переменного тока, имеет несколько разновидностей. В качестве типовой используют двухпутную и однопутную кодовую автоблокировку числового кода. В этих системах автоблокировки применяют рельсовые цепи и сигналы АЛС числового кода. Питание рельсовых цепей осуществляется переменным током частотой 50 Гц на участках с электрической тягой постоянного тока или 25/75 Гц на участках с электротягой переменного тока. К современным системам автоблокировки переменного тока относятся: частотная автоблокировка ЧАБ с использованием рельсовых цепей и сигналов АЛС переменного тока повышенной частоты (100—140 Гц); автоблокировка с рельсовыми цепями переменного тока частотой 75—83 Гц с гетеродинными приемниками; частотная автоблокировка с централизованным размещением релейной аппаратуры (ЦАБ).
В системах частотной автоблокировки одновременно используют устройства автоблокировки и АЛС числового кода. При этом в качестве основной системы работает ЧАБ с частотной АЛС, но она может быть заменена кодовой автоблокировкой и АЛС числового кода. Системы частотной и числовой кодовой автоблокировки могут работать совместно и раздельно в зависимости от оборудования путевых участков и локомотивов. Возможно сочетание кодовой числовой автоблокировки с частотной АЛС, что позволяет получить дополнительный резерв для пропуска скоростных поездов. В системе ЧАБ применяют комбинационно-частотное кодирование, при котором из пяти частот образуется до десяти комбинаций из двух частот. Такой принцип кодирования позволяет строить многозначные системы автоблокировки и АЛС. Многозначные системы АЛС являются перспективными на железнодорожном транспорте, так как они позволяют уменьшить интервал между движущимися поездами и повысить скорости их движения.
В системе ЦАБ впервые в качестве основного средства регулирования движения поездов стала применяться АЛС. Основу ЦАБ составляют централизованное размещение аппаратуры и неограниченные рельсовые цепи (без изолирующих стыков) на перегоне. В ЦАБ отсутствуют путевые светофоры и высоковольтная сигнальная линия, проходящая вдоль перегонов. Кроме этого, при ЦАБ сокращается время пребывания эксплуатационного персонала на перегонах, отыскания и устранения неисправностей, пребывания в зоне повышенной опасности, для работы по графику технологического процесса, а также сокращаются сроки строительства, повышается качество, культура и производительность труда, сокращается численность эксплуатационного персонала и снижаются эксплуатационные расходы на обслуживание устройств.
Системы двухпутной автоблокировки любых видов строят с возможностью организации двустороннего движения поездов по каждому пути перегона. На двустороннее движение по одному пути переходят при капитальном ремонте второго пути. Для переключения с одностороннего на двустороннее движение в системах автоблокировки, предусмотрены цепи изменения направления движения и дополнительные приборы, коммутирующие рельсовые, линейные и сигнальные цепи. Кроме этого, в полную схему автоблокировки входит дополнительная аппаратура для кодирования рельсовых цепей при установленном неправильном направлении движения по данному пути перегона. В целях снижения задержек поездов при перегорании ламп красных огней на проходных светофорах в двухпутной и однопутной автоблокировке применяют двухнитевые лампы красного огня. В связи с этим используется раздельный контроль как основной, так и резервной нити накала лампы. Перенос красного огня на позади стоящий светофор происходит при перегорании как основной, так и резервной нити накала.
Проектируют автоблокировку в комплексе с устройствами АЛС и диспетчерского контроля.
В полную схему двухпутной кодовой автоблокировки входят общая принципиальная схема рельсовой цепи и принципиальные схемы различных типов сигнальных установок. В первую схему входят цепи питания рельсовой цепи, изменения направления для организации правильного и неправильного направлений движения по каждому пути двухпутного перегона, схема диспетчерского контроля, схема основного и резервного питания сигнальной установки. Во второй схеме показывают цепи: включения дешифратора, кодирования для правильного и неправильного направления движения по данному пути двухпутного перегона, включения ламп светофора. В полную схему автоблокировки также входят цепи извещения о приближении поездов к станциям и переездам, увязки пред входных светофоров с входными. Для облегчения выполнения проектных и монтажных работ, а также эксплуатации автоблокировки все принципиальные и монтажные схемы являются типовыми.
В типовых принципиальных схемах сигнальных установок провода, идущие к приборам, не имеют обозначений четного или нечетного направлений движения, что позволяет применять эти схемы для сигнальных установок любого направления.
2.2 ПОСТРОЕНИЕ КОДОВОЙ ДВУХПУТНОЙ ТРЕХЗНАЧНОЙ АВТОБЛОКИРОВКИ ПЕРЕМЕННОГО ТОКА
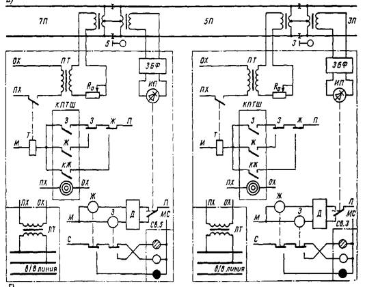
В пределах блок-участка (рис. 2) устроена кодовая рельсовая цепь переменного тока. На выходном конце блок-участка в рельсовую цепь включен путевой трансформатор ПТ, через который подаются импульсы числового кода. Это позволяет организовать связь между светофорами без линейных цепей. В качестве датчика числового кода используется кодовый путевой трансмиттер штепсельного типа КПТШ. Трансмиттер КПТШ вырабатывает коды зеленого огня 3 — три импульса в кодовом цикле; желтого огня Ж — два импульса в кодовом цикле; желтого огня с красным КЖ — один импульс в кодовом цикле. Значность кода выбирается сигнальными реле Ж - желтого огня и 3 — зеленого огня. На входном конце блок-участка в рельсовую цепь включено импульсное путевое реле ИП, работающее от импульсов числового кода. Через контакт реле ИП включен дешифратор Д, который расшифровывает числовые коды и преобразует импульсы кода в непрерывное питание сигнальных реле Ж и 3.
Передает импульсы числового кода в рельсовую цепь трансмиттерное реле Т, включенное через контакты КПТШ. При занятом участке, например, 5/7 у светофора 5 прекращается импульсная работа реле ИП и выключается дешифратор Д. Сигнальные реле 3 и Ж обесточиваются и на светофоре 5 через тыловой контакт реле Ж включается красный огонь. С момента освобождения участка 5П и занятия участка ЗП у светофора 3 прекращается прием кодов из рельсовой цепи и реле ИП перестает работать в импульсном режиме. Выключаются сигнальные реле Ж и 3 и на светофоре 3 включается красный огонь. Тыловым контактом реле Ж у светофора 3 замыкается цепь кодирования, в которую через контакт КЖ {КПТШ) включено реле Т. Это реле, повторяя работу контакта КЖ (КПТШ), посылает в рельсовую цепь 5П числовой код КЖ. У светофора 5 в режиме этого кода работает реле ИП, через дешифратор Д включается реле Ж. Через тыловой контакт реле 3 и фронтовой контакт реле Ж на светофоре 5 включается желтый огонь.
С момента освобождения участка ЗП и занятия участка 1П (на схеме не показан) у светофора 3 в режиме кода КЖ работает реле ИП. Через дешифратор возбуждается реле Ж. На светофоре 3 включается желтый огонь, одновременно фронтовым, реле Ж и тыловым контактом реле 3 замыкается цепь кодирования, в которую через контакт Ж (КПТШ) включено реле Т. В рельсовую цепь 5П передается код Ж- У светофора 5 в режиме этого кода работает реле Я/7; через дешифратор Д включаются сигнальные реле Ж и 3. Фронтовыми контактами этих реле на светофоре 5 включается зеленый огонь. При дальнейшем движении поезда и освобождении участка 1П у светофора 3 реле ИП работает в режиме кода Ж, через дешифратор включаются сигнальные реле Ж и 3. На светофоре 3 включается зеленый огонь. Фронтовыми контактами реле Ж и 3 замыкается цепь кодирования, в которую через контакт 3 (КПТШ) включено реле Т. В рельсовую цепь 5П передается код 3. У светофора 5 в режиме этого кода работает реле ИП, отчего через дешифратор включаются реле Ж и 3. На светофоре 5 продолжает гореть зеленый огонь.
Дешифратор Д не различает коды Ж и 3. При приеме этих кодов в обоих случаях включается реле Ж и 3 и на светофоре горит зеленый огонь. Кодирование числовым кодом используется одновременно с автоблокировкой и для работы устройств АЛСН. На рис. 12, б показаны числовые коды и включение путевого и локомотивного светофоров в зависимости от вида поступающего кода при нахождении поезда за светофором 3.
3. ОСНОВНЫЕ ЭЛЕМЕНТЫ ЧИСЛОВОЙ КОДОВОЙ АВТОБЛОКИРОВКИ
Числовую кодовую автоблокировку применяют на участках, электрифицированных на постоянном и переменном токе. При электротяге постоянного тока используют кодовые рельсовые цепи, работающие на сигнальной частоте 50 Гц (см. рис. 3), а при электротяге переменного тока — на сигнальной частоте 25 Гц (см. рис. 4). В остальном схемы автоблокировки идентичны.
Числовая кодовая автоблокировка — беспроводная, информация между сигнальными точками передается по рельсовым цепям кодовыми сигналами КЖ, Ж, 3 (см. рис. 5) с числовыми признаками. Этими же кодовыми сигналами транслируется информация о показании впереди стоящего светофора на локомотив. При свободном состоянии блок-участка кодовые сигналы воспринимают Импульсные путевые реле, а при вступлении на блок-участок поезда локомотивные катушки автоматической локомотивной сигнализации. Кодовые сигналы посылаются всегда навстречу поезду.
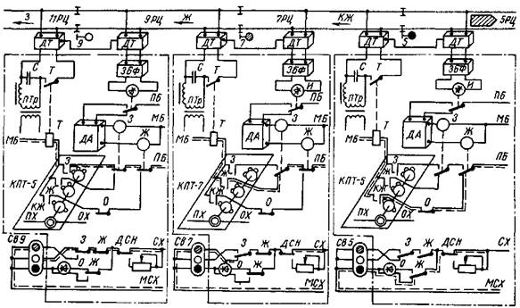
Состояние цепей и показание путевых светофоров на схеме (рис. 6) соответствуют расположению поезда на рельсовой цепи 5РЦ. На каждой сигнальной точке непрерывно работают кодовые путевые трансмиттеры КПТ, вырабатывая числовые коды, необходимые для работы автоблокировки и АЛС. При нахождении поезда на рельсовой цепи 5РЦ импульсное путевое реле на сигнальной установке 5 зашунтировано скатами поезда, и оно не работает в кодовом режиме. Сигнальные реле Ж и 3 на выходе дешифраторной ячейки типа ДА, выполненной конструктивно в виде трех блоков БС, БК и БИ, обесточены, и на светофоре 5 по цепи, проходящей через тыловой контакт реле Ж и низкоомную обмотку огневого реле О типа АОШ2-180/0,45, получает питание красная лампа. Реле О контролирует целостность нити красного огня. Если она исправна, то через тыловой контакт реле Ж и фронтовой контакт реле О к контактам КЖ кодового путевого трансмиттера КПТ подключается обмотка трансмиттерного реле Т, коммутирующего контактом питающий конец 7РЦ. При этом в 7РЦ подается код красно-желтого огня. Если бы при указанной поездной ситуации красная лампа на светофоре 5 была бы неисправна, то, как следует из схемы, цепь реле Т была бы оборвана и в рельсовую цепь 7РЦ коды не подавались бы. В этом случае красный огонь переносится на предыдущий по ходу поезда светофор 7. При приеме импульсным путевым реле И на сигнальной точке 7 кода КЖ на выходе дешифраторной ячейки ДА сигнальной точки 7 возбуждается сигнальное реле Ж. На светофоре 7 загорается желтый огонь, а трансмиттерное реле 7", подключенное к контактам Ж трансмиттера КПТ, обеспечивает подачу в 9РЦ кода желтого огня. Реле О сигнальной точки 7 подключается высокоомной обмоткой через фронтовой контакт реле Ж последовательно с нитью лампы красного огня, контролируя ее исправность в холодном состоянии. В случае ее обрыва информация об этом передается на ближайшую станцию посредством системы диспетчерского. Импульсные посылки кода Ж воспринимает импульсное путевое реле И на сигнальной точке 9. На выходе дешифраторной ячейки возбуждаются сигнальные реле Ж и 3 и в рельсовую цепь 11РЦ контактами трасмиттерного реле Т подается код зеленого огня. Огневое реле О на сигнальной точке 9 контролирует в холодном состоянии целостность нити лампы красного огня. На следующей сигнальной точке 11 (на схеме не показана) импульсы кода 3 принимаются так же, как и импульсы кода Ж, т. е. на светофоре загорается зеленый огонь. При нахождении поезда на любой из рассмотренных рельсовых цепей коды принимают локомотивные катушки АЛС. Коды зеленого и желтого огней различаются локомотивным приемником, зажигая на локомотивном светофоре соответственно желтый и зеленый огни.
Для исключения появления более разрешающих сигнальных показаний при замыкании изолирующих стыков, когда импульсное путевое реле начинает работать от кодовых импульсов питающего конца смежной рельсовой цепи, применяют схемно-временную защиту, реализуемую дешифраторной ячейкой ДА. Защита основана на применении в смежной рельсовой цепи кодовых путевых трансмиттеров, имеющих различные временные параметры и длительности циклов КПТ-5 и КПТ-7 (см. рис. 5, в) и подключении приемных цепей данной рельсовой цепи только в моменты отсутствия кодовых импульсов в смежной рельсовой цепи. Таким образом, когда в смежную рельсовую цепь подаются кодовые импульсы тока, а следовательно, есть опасность, что они будут восприняты сигнальными приборами на выходе дешифратора в случае замыкания изолирующих стыков, то в моменты подачи импульсов в смежную рельсовую цепь приемные приборы данной рельсовой цепи отключаются. Эту задачу выполняют контакты трансмиттерного реле Т и его медленнодействующего повторителя ПТ в схеме дешифраторной ячейки ДА. Благодаря асинхронной работе КПТ смежных рельсовых цепей, имеющих различные временные параметры, создаются предпосылки для приема кодовых импульсов от питающего конца своей рельсовой цепи только в моменты интервалов между кодовыми импульсами смежной рельсовой цепи. Реле ДСН осуществляет двойное снижение напряжения на светофорных лампах.
В системе однопутной кодовой автоблокировки светофоры включаются и действуют так же, как и при однопутной автоблокировке постоянного тока. На тех же принципах построены и работают устройства, предназначенные для переключения сигнальных и рельсовых цепей, а также цепей кодирования при смене направления движения.
Для организации двустороннего движения на двухпутном перегоне предусматривают: применение двухпроводной схемы смены направления (как правило, провода ДСН — О ДСН); кодирование рельсовых цепей при движении в неправильном направлении с релейного конца при занятии рельсовой цепи; использование цепей извещения о приближении поезда при движении в неправильном направлении (свободная пара, используемая на период двустороннего движения); при установленном неправильном направлении движения перевод рельсовых цепей на работу в импульсном режиме вместо кодового с применением для импульсного питания кода КЖ-
Участки с интенсивным пригородным движением оборудуют четырехзначной кодовой автоблокировкой, повышающей пропускную способность линий. Для передачи дополнительного сигнального показания между сигнальными точками используют отдельную линейную цепь. Реле ЗС, включенное в линейную цепь (рис. 13), контролирует свободность третьего от данного светофора блок-участка, являясь повторителем реле 3 следующей сигнальной установки. Сигнальный огонь на светофоре выбирается контактами реле Ж, 3 и ЗС. Зеленый огонь загорается при возбуждении всех трех реле, а его горение контролируется огневым реле 30. Желтый и зеленый огни одновременно включаются, если возбуждены сигнальные реле Ж и 3, а в цепи зеленого огня контактом реле ЖО контролируется горение желтого огня. При перегорании нити лампы: желтого огня зеленый огонь выключается, так как в противном случае на светофоре будет гореть более разрешающий огонь; зеленого огня — желтый огонь на светофоре сохраняется. Если возбуждено только реле Ж, то на светофоре горит желтый огонь. Двух обмоточное реле КО непрерывно контролирует исправность нити лампы красного огня.
3.1 Дешифрирующие устройства
В старых действующих установках числовой кодовой автоблокировки в качестве дешифратора Д применялась ячейка ДЯ-ЗБ. По мере развития и совершенствования устройств числовой кодовой автоблокировки был разработан дешифратор типа ДА, со стоящий из трех штепсельных блоков счетчиков БС-ДА и конденсаторов БК-ДА, размещенных в корпусе реле ДСШ; исключений БИ-ДА, размещенных в корпусе реле НШ.
Оба вида дешифраторов имеют однотипную схему, аналогичные реле и элементы и отличаются только конструктивным оформлением.
Дешифратор БС-ДА (см. рис. 8) имеет: реле-счетчик 1, фиксирующий поступление первого импульса в кодовом цикле любого сигнального кода; реле-счетчик 1А, фиксирующий первый короткий интервал в кодах Ж и 3 и длинный интервал в коде КЖ; помехозащитное трансмиттерное реле ПТ, исключающее появление на светофоре желтого огня вместо красного при коротком замыкании изолирующих стыков; вспомогательное реле В, исключающее вместе с реле ПТ появление на светофоре зеленого огня вместо желтого при коротком замыкании изолирующих стыков, а также фиксирующее поступление импульса только из собственной рельсовой цепи; варисторы, образующие искрогасительные контуры на контактах в цепях реле-счетчиков 1 и 1А и реле ПТ диоды, исключающие возможность разряда конденсатора C1на реле 1, диод, исключающий разряд конденсатора СЗ на реле 1, создающие дополнительное замедление на отпускание якорей реле В и Т; диоды, исключающие обходные цепи. Резисторы R1 и R2 ограничивают ток заряда конденсаторов C1 и C3 резистор R3 образует цепь разряда конденсатора C1в длинном интервале кодового цикла; резистор R4 ограничивает ток заряда конденсатора С1 при обесточенном состоянии реле Ж, чем исключается срабатывание реле Ж от одного импульса случайных помех; резистор R5 ограничивает ток разряда конденсатора C3, чем увеличивается время замедления на отпускание якоря реле 3. Конденсатор С1 накапливает энергию в момент кодового импульса, питает реле Ж и заряжает конденсатор C2, конденсатор С2 разряжается на обмотку реле Ж при отключении конденсатора C1; конденсатор СЗ накапливает энергию в момент кодового импульса и питает реле 3 в интервале кодового цикла; выпрямитель ВП обеспечивает питание постоянным током всех реле дешифратора.
В дешифраторной ячейке ДЯ-ЗБ (см. рис. 9) установлены: реле- счетчик 1 — фиксирует поступление первого импульса в кодовом цикле любого числового кода; реле-счетчик 1А — фиксирует длинный интервал в коде КЖ или первый короткий интервал в кодах Ж и 3; помехозащитное трансмиттерное реле ПТ — исключает появление на светофоре желтого огня вместо красного при коротком замыкании изолирующих стыков; вспомогательное реле В — совместно с реле ПТ исключает появление на светофоре желтого огня вместо красного при коротком замыкании изолирующих стыков. Кроме того, в ячейке установлены конденсаторы и искрогасящие контуры.
3.2 Кодирующие устройства
В качестве датчиков числовых кодов применяют кодовые путевые трансмиттеры типов КПТШ-5 и КПТШ-7, которые чередуются у каждой сигнальной установки. Трансмиттеры вырабатывают числовые коды, одинаковые по структуре (рис. 7), но различающиеся по времени кодового цикла. У трансмиттера КПТШ-5 кодовый цикл равен 1,6 с, а у трансмиттера КПТШ-7 он несколько больше и составляет 1,86 с. За счет разницы времени кодовых циклов в смежных рельсовых цепях протекают сдвинутые по времени импульсы тока, что позволяет осуществить защиту от опасных отказов при коротком замыкании изолирующих стыков, разделяющих рельсовые цепи.
Непосредственно передает коды в рельсовую цепь контактное трансмиттерное реле. Наибольшее распространение нашли реле типов ТР-ЗВ, ТШ1-65В.
В конструкции этих реле предусмотрена дополнительная защита усиленных контактов от электрического искрения. С целью повышения надежности работы приборов автоблокировки, разработаны бесконтактный кодовый путевой трансмиттер БКПТ и бесконтактное трансмиттерное реле.
3.3 Бесконтактный кодовый путевой трансмиттер
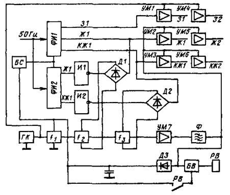
Предназначен для работы в существующих системах числовой кодовой автоблокировки в качестве формирующего устройства числовых кодов. Трансмиттер БКПТ повышает надежность кодообразующей аппаратуры систем числовой кодовой автоблокировки, увеличивает межпроверочный интервал.
Трансмиттер БКПТ имеет две модификации исполнения— БКПТ-5 и БКПТ-7. Питание трансмиттера осуществляется от однофазной сети переменного тока частотой 50 Гц напряжением 220 В.
На (рис. 10) показана структурная схема БКПТ, построенная по принципу использования двух параллельных синхронизированных каналов формирования кодов АЛС с непрерывным контролем совпадения их выходных сигналов. Нарушение нормальной работы любого из каналов приводит к рассогласованию их выходов и к выключению кодирования. Формирователи импульсов ФИ1 и ФИ2 формируют коды Ж, 3 и КЖ- Они работают от питающей сети с опорной частотой 50 Гц. Запуск БКПТ осуществляется от блока восстановления Б В контактом реле восстановления РВ.
Формирователь ФИ1 образует прямые выходы кодов, формирователь ФИ2 — через инверторы инвертируемые выходы. Прямые и инвертируемые кодовые сигналы поступают на детекторы Д1 и Д2, на выходах которых появляется напряжение питания делителей частоты
и
. Делители частоты
и
входят в схему контроля, включающую генератор контроля ГК, делитель частоты
, усилитель мощности УМ7, фильтр Ф, реле восстановления РВ и блок восстановления БВ.
При правильной работе формирователей импульсов ФИ1 и ФИ 2 полностью замыкается контрольная цепь и сигнал от генератора ГК через делители
-
поступает на усилитель УМ7, через который включается блок БВ и реле РВ. От усилителя УМ7 также подается питание на усилительные ключи УМ2—УМ6, Выходные кодовые сигналы формирователей импульсов ФИ1 и ФИ2 через усилительные ключи поступают в рабочие цепи трансмиттера. В случае нарушения нормальной работы одного из формирователей импульсов происходит рассогласование их выходов и импульсов на входах одного из выпрямителей Д1 и Д2. Вследствие этого прекращается питание одного из делителей
или
, нарушается контрольная цепь, выключается блок БВ и реле РВ. Прекращается питание усилительных ключей УМ2—УМ6 и закрываются рабочие цепи трансмиттера.
При постоянном рассогласовании формирователей импульсов производится однократный ускоренный запуск БКПТ, после чего возбуждение реле РВ и запуск формирователей будут происходить с интервалом не менее 6 с. Этим обеспечивается защита от случайных сбоев формирователей импульсов ФИ1 и ФИ2.
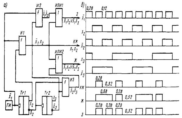
Принцип построения формирователей импульсов в упрощенном виде поясняется логической схемой (рис. 11, а) и временной диаграммой (рис. 11, б). Генератор импульсов ГИ (см. рис. 11, с) вырабатывает импульсы Х1
поступающие на вход делителя частоты, состоящего из двух триггеров Тг1 и Тг2. На выходах делителя формируются импульсы
,
,
, поступающие на логические элементы И1, И2, ИЗ, ИЛИ1 и ИЛИ2. Логические элементы формируют числовые кодовые комбинации КЖ, Ж и 3 со сдвигом по времени, как это показано на временной диаграмме (см. рис. 11,6).
Для формирования кода КЖ используется элемент И1 (см. рис. 11, а). При каждом временном совпадении входных импульсов
и
на выходе элемента И1 образуются выходные импульсы
. Из последовательности этих импульсов формируется код КЖ, длительность импульса которого составляет 0,28 с, а время паузы — 0,52 с.
Код Ж формируется элементами И1, ИЗ и ИЛИ2. При каждом совпадении входных импульсов
и
на выходе элемента ИЗ образуются выходные импульсы
; при каждом совпадении выходных импульсов
и
на выходе элемента И1 образуются выходные импульсы
. Эти импульсы, совпадающие по времени, проходят через элемент ИЛИ2. Из последовательности этих импульсов формируется первый длинный импульс (0,68 с) кода Ж. Из последовательности выходных импульсов
элемента И1, не совпадающих по времени с импульсами
элемента ИЗ, на выходе элемента ИЛИ 2 формируется второй короткий импульс (0,28 с) кода Ж.
Код 3 формируется элементами И1, И2 и ИЛИ1. При каждом совпадении входных импульсов
и
на выходе элемента И1 образуются выходные импульсы
. Из последовательности этих импульсов после их прохождения через элемент ИЛИ1 формируются первый и третий импульсы кода 3 длительностью 0,28 с. При каждом совпадении входных импульсов
и
на входе элемента И2 на его выходе образуются выходные импульсы
. Из последовательности этих импульсов после прохождения их через элемент ИЛИ1 формируется второй импульс кода 3 длительностью 0,28 с.
4. Экономическая часть
Эффектом называется непосредственный производственный, полезный конечный результат, полученный от внедрения того или иного мероприятия. Эффект может быть измерен величинами показателей, повышением техники безопасности труда и т. д. достижение эффекта требует определенных затрат труда и средств на усиление мощности, на прирост производственных основных и оборотных средств. Затратами могут быть годовые эксплуатационные расходы, капитальные единовременные вложения и т. д.
Эффективностью называется отношение величины эффекта технического, эксплуатационного или экономического к величине затрат, обуславливающих получение этого эффекта.
Могут быть два вида эффективности:
- технико-эксплуатационная;
- обобщающая экономическая (абсолютная или относительная, сравнительная).
Технико-эксплуатационная эффективность характеризуется отношением технического или эксплуатационного эффекта в виде улучшения технического параметра или качественного показателя к трудовым или стоимостным затратам.
Технико-эксплуатационная эффективность может характеризоваться величиной отношения эффекта (улучшения одного технического или эксплуатационного параметра–показателя) к увеличению дополнительных затрат другого технического параметра-показателя, вызвавшего дополнительный полезный технический эффект.
Экономическая эффективность выражается уровнем рентабельности, коэффициентом эффективности, величиной фондоотдачи и др.
Относительная (сравнительная) эффективность исчисляется лишь при выборе двух и более вариантов решения определенной производственной или хозяйственной задачи.
В данном проекте, методом сравнительной эффективности, решается производственная задача по внедрению экономически выгодного типа устройств СЦБ (полуавтоматической блокировки или системы счета осей) для проектируемого однопутного участка железной дороги.
Сравнительная экономическая эффективность определяется по приведенным затратам Эп (сумме годовых приведенных строительных и эксплуатационных расходов). При этом наилучшим по денежным показателям является вариант, обеспечивающий минимум величины Эп , т.е.
Эп = Кi *Ен + Сi ,
где Кi – капитальные вложения по каждому сравниваемому варианту с учетом изменений оборотных средств народного хозяйства;
Ен – нормативный коэффициент экономической эффективности капитальных вложений, принимаемый 0,1;
Сi – эксплуатационные расходы по каждому варианту
Важным стоимостным показателем эффективности являются капитальные вложения для создания и приобретения основных фондов (подвижного состава, зданий, сооружений, силовых установок и т.д.). В капитальные вложения при сравнениях включаются все денежные затраты в строительство новых, расширение, реконструкцию, модернизацию действующих основных фондов. Расчеты капитальных вложений производятся по нормативам, ценникам и прейскурантам, а в строительстве распределяются по главам смет и сметно-финансовых расчетов. Основными частями капитальных вложений являются затраты производственного назначения на строительные работы, приобретение оборудования, подвижного состава, механизмов и машин, включая и монтаж, а также стоимость проектных и изыскательных работ.
Некоторые плановые мероприятия при расчете их эффективности требуют учета не только прямых капитальных затрат, но и затрат сопряженных, т.е. затрат в другие отрасли народного хозяйства, вызванных внедрением данного варианта.
Анализируются в расчетах и затраты в сопутствующие работы, т.е. в работы, без которых внедряемое мероприятие не достигает эффекта. Эти работы в своем большинстве имеют самостоятельное технико-экономическое значение, и эффективность их, как правило, определяется отдельно.
Эффект от сопутствующих работ суммируется с эффектом мероприятия, вызвавшего эти работы, в случае, когда они осуществляются по сметам основного мероприятия.
Общей суммой капитальных затрат обычно пользуются при сравнениях вариантов с одинаковым объемом перевозок или продукции.
Суммарная экономия общих капитальных вложений по вариантам складывается из экономии прямых затрат, связанных только с выбором данного варианта, и при необходимости полных затрат, т.е. затрат с учетом сопутствующих и сопряженных.
Важным стоимостным показателем эффективности являются текущие (эксплуатационные) расходы. Они обычно рассчитываются на исходный или конечный расчетный год или на тот и другой, а иногда суммарные за весь расчетный срок. В данном проекте к ним относятся эксплуатационные расходы, которые зависят от данных устройств СЦБ. Тип устройств СЦБ определяет затраты на ремонт и амортизацию, содержание штата занятого управлением стрелками и сигналами (сигналистов, дежурных по станции).
Таким образом, эксплуатационные расходы С по каждому варианту
Сi = Сзп + Сшч + Сн + Смэ + Сам ,
где Сзп – фонд заработной платы работникам хозяйств: движения и пути;
Сшч – фонд заработной платы работникам хозяйства сигнализации и связи;
Сн – отчисления на социальное страхование работникам хозяйств: движения, пути, сигнализации и связи;
Смэ – расходы на материалы, запасные части, электроэнергию и прочие затраты;
Сам – амортизационные отчисления от стоимости устройств автоматики и связи.
Более совершенные устройства СЦБ снижают количество остановок. Следовательно, кроме экономии эксплуатационных расходов, необходимо учесть снижение расходов на электроэнергию или топливо, на ремонт подвижного состава и пути, связанных с уменьшением числа разгонов и замедлений.
5. Заключение
5.1 Техническое обслуживание устройств автоблокировки
Для технического обслуживания устройств СЦБ на каждой дороге организованы дистанции сигнализации и связи. Работы по техническому обслуживанию выполняют в соответствии с требованиями: Правил технической эксплуатации железных дорог; Инструкции по обеспечению безопасности движения поездов при производстве путевых работ; Инструкции по сигнализации на железных дорогах; Инструкции по движению поездов и маневровой работе на железных дорогах; Инструкции по обеспечению безопасности движения поездов при производстве работ по содержанию и ремонту устройств СЦБ; Руководящих указаний по защите от перенапряжений устройств СЦБ; Правил техники безопасности и производственной санитарии в хозяйстве сигнализации и связи железнодорожного транспорта; Устава о дисциплине работников железнодорожного транспорта и других инструкций Министерства путей сообщения, касающихся технического обслуживания устройств СЦБ и охраны труда.
Основой графика технического обслуживания является Инструкция по техническому обслуживанию устройств сигнализации, централизации и блокировки (СЦБ) ЦШ 3820. Для всех устройств СЦБ устанавливается периодичность их технического обслуживания. В таблице периодичности указываются наименование устройств, производимая работа, исполнитель, периодичность исполнения работ.
По перечню и периодичности работ составляют графики технического обслуживания устройств СЦБ — четырехнедельный план-график и годовой план-график. По четырехнедельному плану-графику электромеханик проверяет видимость заградительных светофоров и проводит проф. осмотр 1 раз в 4 недели; по годовому плану - графику электромеханик проверяет правильность изменения показаний с разрешающего на запрещающее линзового и прожекторного светофоров 2 раза в год. Результаты всех осмотров, проверок, намечаемые мероприятия и время устранения неисправности записывают в Журнал осмотра путей, стрелочных переводов, устройств СЦБ, связи и контактной сети (сокращенно Журнал осмотра).
При техническом обслуживании рельсовых цепей и приборов СЦБ старший электромеханик и электромеханик проверяют исправность изолирующих стыков и шунтовую чувствительность; измеряют напряжения на путевых реле и питающих концах рельсовых цепей; проверяют состояние пусковых, трансмиттерных и импульсных реле, трансмиттеров и релейных дешифраторов; визуально проверяют состояние штепсельных розеток реле; проверяют приборы на соответствие электрических и механических характеристик техническим условиям.
Работу устройств АЛСН проверяют на соответствие показаний путевого и локомотивного светофоров, измеряют кодовый ток и временные параметры кода. Полностью проверяют работу АЛСН в вагоне-лаборатории.
При проверке устройств автоматической переездной сигнализации проверяют работу устройств при открытии и закрытии переезда, видимость огней переездных светофоров, состояние приборов звуковой и световой сигнализации.
Сигнальную линию автоблокировки осматривают с земли. Проверяют состояние кабельных ящиков и защитных средств.
Изолированные участки при их ремонте выключают двумя способами: с сохранением пользования сигналами маршрута, в который входит выключенный участок; без сохранения пользования сигналами маршрута, в который входит выключенный участок (прием и отправление поездов осуществляются при закрытых сигналах). Выключает изолированные участки электромеханик с разрешения дежурного по станции. Выключение и включение изолированных участков отмечают в Журнале осмотра.
Замену реле и сигнальных механизмов осуществляют в свободное от движения поездов время без прекращения действия автоблокировки. Категорически запрещается при производстве ремонтных работ и замене реле устанавливать временные перемычки, наклонять или поворачивать реле, а также одновременно заменять два и более реле.
При техническом обслуживании автоблокировки находят применение следующие методы обслуживания: местных бригад, комплексный, централизованный, вахтовый. Выбирают метод в зависимости от укомплектованности и концентрации штата работников, наличия автодорог, интенсивности движения поездов, длины участка. При укомплектованном штате применяют метод местных бригад. При малочисленном штате часть работ выполняет централизованная бригада. На малонаселенных участках применяют централизованный или вахтовый метод технического обслуживания. Централизованная бригада базируется на опорной станции и объезжает все объекты в соответствии с графиком производства работ. При вахтовом методе устройства обслуживают поочередно сменяющие друг друга бригады (вахты).
5.2 Техника безопасности
Весь обслуживающий персонал дистанции должен выполнять основные требования техники безопасности.
Работы на высоковольтной линии, связанные с полным или частичным снятием напряжения, следует выполнять только по письменному наряду. Выдать наряд или дать устное распоряжение на выполнение работ имеют право начальник дистанции, его заместитель, инженер, ст. электромеханик и другие лица, имеющие разряд не ниже пятой квалификационной группы. Приступить к работе можно только после разрешения, которое дается руководителем работ, и после проверки отсутствия напряжения в линии и заземления проводов. Распоряжение о подаче напряжения в линию дается после получения уведомления от производителя работ о том, что работы закончены, все люди с линии удалены и заземления сняты.
При обслуживании автоблокировки и переходе от одной сигнальной точки к другой необходимо идти по бровке полотна; в случае необходимости при проверке рельсовой цепи разрешается идти по пути навстречу ожидаемому поезду. Перед подъемом на светофорную мачту на электрифицированном участке необходимо убедиться в исправности заземления мачты. Работы на светофорных мачтах во время движения поездов запрещаются. Необходимо помнить, что на контактах реле, трансформаторов и других приборов может быть напряжение 220В. Поэтому всегда следует пользоваться инструментами и изолирующими ручками.
При обслуживании рельсовой цепи необходимо знать, что: замена путевого дросселя или дроссельной перемычки, когда одновременно нарушается непрерывность обеих рельсовых нитей одного и того же пути, на электрифицированных участках допускается только при условии прекращения движения поездов по этому пути; работы на путевых дроссель- трансформаторах, к которым присоединен отсасывающий фидер, разрешается проводить только в присутствии и под наблюдением работника тяговой подстанции.
Монтажные работы в путевых коробках рельсовых цепей переменного тока необходимо выполнять в диэлектрических перчатках или пользоваться инструментами с изолирующими ручками, стоя на изолирующем материале (резиновом коврике, сухой доске или в резиновых ботах или галошах). Нельзя прикасаться к корпусу коробки, перемычкам или заземляющим частям. Запрещается касаться металлических опор и поддерживающих конструкций контактной сети, а также других конструкций, расположенных в непосредственной близости от контактной сети.


Рис. 2 Схема, поясняющая построение трехзначной кодовой автоблокировки


Рис. 3 Схема кодовой рельсовой цепи частотой 50 Гц
Рис.4 Схема кодовой рельсовой цепи частотой 25 Гц

Рис. 5 Кодовый путевой трансмиттер типа КПТ:
Общий вид (а), принцип действия (б), временные параметры (в)
Рис. 6 Функциональная схема числовой кодовой автоблокировки

Рис. 13 Схема четырехзначной автоблокировки
Рис 7. Числовые коды, вырабатываемые трансмиттерами типа КПТ

Рис. 8 Схема двухпутной автоблокировки переменного тока для участков с односторонним движением

Рис. 9 Схема дешифраторной ячейки ДЯ-ЗБ

Рис. 10. Структурная схема бесконтактного кодового путевого трансмиттераБКПТ

Рис. 11. Логическая схема и временная диаграмма формирователя импульсов

7. Литература
1. Казаков А. А., "Казаков Е. А. Автоблокировка, локомотивная сигнализация и автостопы: Учебник для техникумов ж.-д. трансп. — 7-е изд., перераб. и доп. — М.г Транспорт, 1980. — 360 с.
3. Автоматика, телемеханика и связь на железнодорожном транспорте: Учебник для вузов ж.-д. трансп. А. А. Устинский, Б. М. Степенский, Н. А. Цыбуля и""др. М.: Транспорт, 1985,— 439 с.
Похожие рефераты:
Оборудование участка железной дороги перегонными устройствами автоматики и телемеханики
Оборудование участка железной дороги устройствами автоблокировки
Децентрализованная система автоблокировки с плохим сопротивлением балласта АБТ- ПСБ
Оборудование двухпутного участка железной дороги
Микропроцессорные системы автоблокировки
Электромагнитная совместимость устройств автоматической локомотивной сигнализации с тяговой сетью
Системы диспетчерского контроля
Технология обработки поездов в парке приема
Организация работы железной дороги
Железнодорожная автоматика и телемеханика
Электромагнитные реле железнодорожной автоматики
Структура и принцип действия устройства контроля перегона методом счета осей