| Похожие рефераты | Скачать .docx |
Курсовая работа: Определение основных параметров тепловоза ТЭ-116
Содержание
Введение
1. Определение основных параметров тепловоза
2. Выбор конструкции экипажной части тепловоза
2.1. Кузов тепловоза
2.2. Главная рама
2.3. Кабина машиниста
2.4. Конструктивные особенности тележки
2.5. Рама тележки
2.6. Опорно-возвращающее устройство и устройство передачи силы тяги
2.7. Тяговый редуктор
2.8 Ударно-тяговое устройство
2.9. Тяговые электродвигатели
2.10. Колёсная пара
3. Выбор оборудования и его компоновка на тепловозе
4. Определение тяговой характеристики
5. Индивидуальное задание
Список используемой литературы
Введение
Магистральный двухсекционный тепловоз 2ТЭ116 предназначен для грузовой работы на железных дорогах РФ и стран СНГ с шириной колеи 1520 мм, сконструирован производственным объединением (ПО) «Ворошиловградский тепловозостроительный завод» совместно с ПО «Коломенский тепловозостроительный завод», «Завод имени Малышева», «Электротягмаш», электромашина (г. Харьков) и научно-производственными объединениями: ВНИТИ (г. Коломна) и ВНИИЖТ (г. Москва).
На этих тепловозах применены экономичные четырехтактные дизели; электрическая передача переменно-постоянного тока; полупроводниковая система автоматического регулирования возбуждения; электрический привод вентиляторов тепловоза, охлаждения выпрямительной установки и тяговых двигателей; развитая система очистки воздуха охлаждения электрических машин со степенью очистки до 80%; тяговая передача с упругой ведомой шестерней; бесчелюстная тележка с повышенным коэффициентом использования сцепного веса. Тепловоз состоит из двух одинаковых однокабинных секций, управляемых с одного (любого) пульта кабины. При необходимости каждая секция может быть использована, как самостоятельная тяговая единица.
Технические данные тепловоза.
Год постройки первого тепловоза: 1971.
Изготовитель: Ворошиловградский завод.
Осевая формула: 2(30 – 30 )
Мощность по дизелю, кВт: 2*2250.
Служебная масса, т: 2*138.
Осевая нагрузка, кН: 226.
Конструкционная скорость, км/ч: 100.
Сила тяги длительного режима,, кН: 2*255.
Скорость длительного режима км/ч: 24.
Удельный эффективный расход топлива г/кВт*ч: 208.
Тип передачи мощности: Переменно- постоянного тока.
Длинна по осям автосцепок, мм: 36300.
Диаметр колес, мм: 1050.
При выполнении курсовой работы необходимо рассчитать или выбрать:
· Основные параметры проектируемого тепловоза;
· Конструкцию узлов экипажной части тепловоза;
· Компоновку силового и вспомогательного оборудования на тепловозе и произвести его развеску;
· Тяговую характеристику проектируемого тепловоза;
· Выполнить геометрическое вписывание тепловоза в кривую.
1. Определение основных параметров тепловоза
Исходные данные:
Мощность Ne , Квт: 2200;
Число секций: 2;
Нагрузка (2П), кН : 230;
Тип передачи: электрическая (переменно-постоянного тока)
Минимальный радиус проходимой кривой: 125 м.
1.1 Определение сцепного веса секции
Сцепной вес локомотива – сумма нагрузок на рельсы от всех ведущих колес локомотива при 80% запасах песка и топлива. Сцепной вес секции тепловоза зависит от допустимой статической нагрузки от оси на рельсы (2П), числа осей секции локомотива и его рода службы, (кН).
![]()
где: а – коэффициент, учитывающий род службы локомотива, для грузовых тепловозов он составляет а=1.
2П – допустимая статическая нагрузка от оси колесной пары на
рельсы, КН;
nос = число сцепных осей секции, принимаем в соответствии с колесной формулой локомотива.
![]()
1.2. Определение диаметра движущих колес
Определяется величиной допустимых контактных напряжений на единицу длинны диаметра колеса, мм.
где: 2П – допустимая статическая нагрузка от оси колесной пары на рельсы, КН;
2р – допустимая удельная нагрузка на 1 мм длинны диаметра колеса, мм принимается для грузовых локомотивов 2р=0,24-0,27 кН/мм.
Полученная расчетная величина Дк унифицируется, т.е. приводится к стандартным диаметрам бандажей новых колес. В соответствии с ГОСТ 25463-82 диаметры новых колес для тепловозов составляют 1050 и 1220 мм.
Принимаем: Дк =1050 мм.
1.3 Определение длинны секции проектируемого тепловоза LT
Длинна секции проектируемого тепловоза по осям автосцепок LT (рис.1) пропорциональна эффективной мощности силовой установки Ne .
Предварительно величина LT может быть определена с помощью следующих эмпирических зависимостей, мм
LT =Ne *(10-0,0012*Ne )
При проектировании локомотива должно выполняться следующее условие: LTmin ≤ LT ≤ LTmax ,
где: LTmin – минимальная длинна секции тепловоза;
LTmax – максимальная длинна секции тепловоза.
Минимальная длинна секции тепловоза может быть определенна из следующего выражения:
,
где: qn – предельно допустимая нагрузка на 1 метр пути, кН/м; для магистральных железных дорог можно принять qn =73,5 кН/м.
Максимальная длинна секции тепловоза LTmax по осям автосцепок в соответствии с ГОСТ 25463-82 и техническими требованиями на магистральные тепловозы с мощностью энергетической установки 2500-3500 кВт в одной секции с электрической передачей устанавливается не более 22800 мм.
LT =2200*(10-0,0012*2200)=16192(мм)

18775(мм) ≤16192(мм) ≤22800(мм)
Так как полученная длинна меньше минимально допустимой, то возьмем длину тепловоза равной 18800 (мм).
1.4 Определение длинны базы секции тепловоза L б
Предварительно, база секции тепловоза может быть установлена из следующего выражения, мм
Lб =e* LT ,
Где: е – эмпирический коэффициент; принимается равным для тепловозов с трёхосными тележками и длинной до 20 м е=0,-0,52.
Lб =0,5*18800=9400(мм)
1.5 Определение длины основных элементов кузова
Длина основных элементов кузова и подкузовных частей проектируемого магистрального тепловоза связаны между собой уравнением габаритного баланса локомотива:
nk *Lk +Lмаш +Lхол =nt *Lt +2Lсв +Lмт ,
где: Lk – длина кабины машиниста, мм;
Lмаш – длина машинного отделения, мм;
Lхол – длина холодильника, мм;
Lt – длина тележки, мм;
Lсв – длина свеса рамы локомотива относительно наружных габаритов тележки, мм;
Lмт – длина межтележечного пространства, мм;
nk - число кабин машиниста секции тепловоза;
nt – число тележек секции тепловоза.
Длина машинного отделения Lмаш зависит от мощности и габаритных размеров силовой установки тепловоза, м:

Длина кабины машиниста Lk с учётом норм техники безопасности и производственной санитарии может быть принята равной 2 метрам.
Длина тележки зависит в первую очередь от осевой формулы, а также типа привода колесных пар и эффективной мощности силовой установки. В первом приближении длину тележки можно определить из следующего выражения:
Lt =(1,7÷1,9)*n0 ,
Где: n0 – число сцепных осей в тележке.
Lt =1,9*3=5,7(м)
Длина холодильника может быть определена из следующего эмпирического выражения:
Lхол =5,6*10-4 *Ne +1,14
Lхол =5,6*10-4 *2200+1,14=2,4(м)
Длину свеса рамы локомотива Lсв можно принять равной Lсв =1,25(м)
Длина межтележечного пространства Lмт зависит от емкости топливного бака тепловоза и первоначально может быть определена из уравнения:
Lмт = nk *Lk + Lмаш + Lхол - nt Lt -2Lc в
Lмт =2+14,4+2,4-2*5,7-2*1,25=4,9(м)
1*2+14,4+2,4=5,7*2+2*1,25+4,9
18,8=18,8
1.6 Выбор ширины и высоты проектируемого тепловоза
Максимальная ширина строительного очертания локомотива Вл ограничена габаритом подвижного состава 1-Т (ГОСТ 9238-83) и может быть принята равной Вл =3400 мм. Высота строительного очертания локомотива Нл определяется от уровня верха головки рельса. В соответствии с габаритом подвижного состава 1-Т максимальное значение величины Нл составляет 5300 мм.
2. Выбор конструкции экипажной части тепловоза
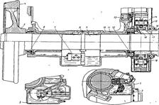
Элементы относящиеся к экипажной части локомотива представлены в виде таблицы на рисунке 1.
![]() |
![]()
|

![]() |
Рис.1.
2.1 Кузов тепловоза
Кузов и главная рама тепловоза предназначены для размещения локомотивной бригады, силового и вспомогательного оборудования, устройств управления локомотивом. Конструкция главной рамы и кузова определяется родом службы локомотива, компоновкой оборудования, способом восприятия и передачи нагрузок, производственно – технологическими условиями изготовления и эксплуатации локомотива. Поэтому к кузову и главной раме предъявляют высокие требования по жесткости, прочности и надёжности.
Для отечественных тепловозов применяют кузова вагонного (закрытого) и капотного типа. Кузова вагонного типа применяют на магистральных, а капотного на маневровых тепловозах. Кузов тепловоза 2ТЭ116 вагонного (закрытого типа).
На отечественных тепловозах применяют две основные конструкции кузовов: с несущей рамой и цельнонесущие. В кузовах с несущей рамой расчет главной рамы ведется на все нагрузки, т.е. не учитывается частичное восприятие этих нагрузок стенками кузова. У цельнонесущих кузовов необходимая несущая способность для восприятия нагрузок достигается совместной работой всех его элементов, включая и раму как его составную часть. Кузов тепловоза 2ТЭ116 выполнен с несущей рамой и состоит из главной (несущей) рамы, кабины машиниста с проставкой, кузова над дизелем и охлаждающего устройства.
2.2 Главная рама
Для восприятия веса оборудования, находящегося в кузове тепловоза, передачи тягового усилия, тормозных сил, динамических и ударных нагрузок, возникающих при движении тепловоза, предназначена главная рама тепловоза (Рис. 2). При проектировании рамы стремятся обеспечить наибольшую надежность, прочность и жесткость при наименьшей металлоемкости. Важные требования к конструкции рамы: удобство компоновки рамы оборудования, технологичность изготовления, обслуживания и ремонта. Практически невозможно добиться полного удовлетворения одного из этих показателей, не ухудшив другие. Например уменьшение металлоемкости конструкции связано с опасностью уменьшения её несущей способности. Компромисионные решения следует искать из технико-экономического анализа. Наиболее приемлемым при этом будет считаться то конструктивное решение при котором можно добиться наибольшего экономического эффекта при эксплуатации локомотива.
Основными несущими элементами рамы являются две хребтовые балки, выполненные из двутавров, усиленных приваренными к нижним и верхним полкам усиливающими полосами толщиной 18 мм и скрепленных
стяжными ящиками и, приваренными к нижним усиливающим полосам. К задним и передним торцам хребтовых балок приварены лобовые листы толщиной 14 мм, в которые стяжные ящики упираются своими буртами. Стяжные ящики представляют собой литые пустотелые конструкции. Для увеличения жесткости рамы хребтовые балки соединены между собой поперечными диафрагмами толщиной 8 мм. С левой и правой сторон в средней части рамы для увеличения ее несущей способности в месте ее наибольшего нагружения (установка дизеля, бака для топлива, аккумуляторных батарей) в раму вварены две фермы. Рама сверху по всей своей поверхности, кроме центральной части, где выполнен поддон для дизеля, зашита настилом.

Рис. 3. главная рама кузова
1,6-стяжные ящики; 2-опора; 3-обносной швеллер; 4-ферма; 7-шкворневые кольца; 8-шквореня; 9-хребтовые балки; 10-место под установку верхних элементов опорно-возращающих устройств; I 1 -штампованные желоба.
В зоне установки передних и задних элементов опорно-возвращающих устройств тепловоза приварены четыре опоры 2 под домкраты для подъемки надтележечного строения тепловоза. В раме также выполнены (вварены) каналы сварной конструкции для подвода воздуха на наддув к тяговым электродвигателям передней и задней тележек, а также каналы для наддува к
аппаратным камерам. Для достижения расчетного веса тепловоза и получения удовлетворительной его развески по осям на раме установлены балласты.
2.3. Выбор кабины машиниста
Кабина машиниста (рис. 3) является постоянным рабочим местом локомотивной бригады при правлении тепловозом. Она должна быть удобной и удовлетворять требованиям санитарных норм. Эти условия и были положены в основу при создании кабины машиниста тепловоза 2 ТЭ116. В лобовой части кабины установлены песочные бункера, которые заправляются песком через закрытые горловины. Расположение окон и их конструкция обеспечивают хороший обзор пути. Для уменьшения воздействия прямых солнечных лучей и бликов лобовые окна имеют отрицательный угол установки. Боковые окна раздвижные, имеют поворотные предохранительные щитки. Для остекления всех окон и предохранительных щитков применены безосколочные стекла. Для вентиляции кабины вверху в лобовой части предусмотрен лючок, а также два лючка в задней части крыши. От отопительно-вентиляционного агрегата предусмотрен также обдув теплым воздухом стекол лобовых окон через сопла. С целью удобства управления тепловозом при подходе к составу предусмотрена кнопка маневровой работы. В задней стенке кабины имеется центральная входная дверь, имеющая окно с двойным остеклением. Крышка кабины, боковые стенки, задняя стенка (включая дверь) и полы имеют хорошую шумоизоляцию.
Шумоизоляция выполнена из стеклоплиты в виде отдельных пакетов различных размеров, обтянутых полиамидной пленкой, склеенной полиамидным клеем, и штапельного волокна из капроновых отходов в виде отдельных матов, обтянутых стекловолокном и простроченных. Маты и пакеты уложены в каркас кабины.

Рис. 3. Кабина машиниста
I-штурвал привода ручного тормоза; 2-огнетушитель; 3-съемные щитки пола; 4-пульт радиостанции; 5-электроплитка; 6-горловина для заправки бачка установки обмыва лобовых окон;7-сопло обогрева лобовых стекол; 8-крышка-горловины переднего песочного бункера; 9-буферный фонарь; Ю-полы; Il-прожектор; 12-графикодержатель; 13-локомотивный светофор; 14-вентиляционный люк; 15-боковое раздвижное стекло; 16-кнопка маневровой работы; 17-клапан тифона и свистка; 18-привод ручного тормоза; 19-входная дверь; 20-штурвал контролера; 21-пневмотический привод стеклоочистителя; 22-пульт управления; 23-кран вспомогательного тормоза; 23-скоростемер; 24-кран машиниста; 25-кран вспомогательного тормоза; 26-сиденье машиниста; 27-откидное сиденье; 28-звукоизоляция.
2.4 Конструктивные особенности тележки
После усовершенствования тепловоза 2ТЭ10Л установкой бесчелюстных тележек и некоторых новых элементов получил обозначение в начале 2ТЭ10В, а затем 2ТЭ10М. Луганским заводом были разработаны бесчелюстные унифицированные тележки для тепловозов 2ТЭ116, 2ТЭ116А и экспортных грузопассажирских типа ТЭ109.
Тягово-ходовая часть тепловоза выполнена тележечной на двух движущих тележках (рис. 5) с осевой характеристикой 30 —30 . Поэтому от конструкции тележек в значительной степени зависят передача и реализация силы тяги, плавность хода и взаимодействие экипажной части и пути, безопасность движения и другие динамические характеристики тепловоза. На тепловозе применена унифицированная бесчелюстная тележка, разработанная и освоенная в серийном производстве ПО Ворошиловградтепловоз для отечественных магистральных грузовых тепловозов 2ТЭ116, 2ТЭ116А, 2ТЭ1ОВ, ТЭ1ОМ, ТЭ130, 2М62, маневровых — ТЭМЗ. Тележка в исполнении для тепловоза 2ТЭ116 (Рис. 5) представляет собой унифицированную бесчелюстную трехосную тележку с индивидуальным приводом каждой колесной пары через односторонний и одноступенчатый тяговый редуктор от тягового электродвигателя постоянного тока ЭД-118А или ЭД-118Б с циркуляционной принудительной системой смазки моторно-осевых подшипников. Установка двигателей на тележке выполнена опорно-осевой с рядным их расположением. Такое расположение двигателей является одним из средств улучшения использования сцепной массы за счет однозначного распределения нагрузок по осям от тяги при движении тепловоза. Как показали испытания, улучшилось использование сцепной массы тепловоза на 10—12 %. Связь между рамой тележки и колесными парами осуществляется через поводковые бесчелюстные буксы с жесткими осевыми упорами качения одностороннего действия. Такая связь позволяет передавать от колесных пар на раму тележки упруго, без наличия трения скольжения и зазоров, силу тяги и торможения, поперечные силы при набегании на рельс, а также обеспечивать симметричность и параллельность осей колесных пар в раме тележки и относительные вертикальные колебательные перемещения рамы тележки. Положение рамы тележки относительно колесных пар определяется пружинными комплектами индивидуального буксового рессорного подвешивания. Каждый пружинный комплект устанавливается с прокладками, которые служат для регулирования распределения нагрузок по осям тепловоза. Параллельно индивидуальному буксовому рессорному подвешиванию включены фрикционные гасители колебаний сухого трения, которые способны одновременно гасить все три вида колебаний:подпрыгивание, галопирование и поперечную качку. В конструкции тележки применен пневматический, индивидуальый (для каждого колеса) колодочный тормоз с двусторонним нажатием чугунных гребневых тормозных колодок на колеса тепловоза.

Рис. 5. Тележка тепловоза.
1 - рама тележки; 2 - песочный трубопровод; 3 - рессорное подвешивание; 4 - рычажная передача тормоза; 5 - колесно-моторные блоки; 6 опорно-возвращающееся устройство. 7 - тормозной воздухопровод.
Каждое колесо обслуживается одним тормозным цилиндром через рычажную передачу. Рычажная передача имеет повышенную жесткость в плоскости благодаря установке между тормозными колодками поперечных триангелей для более надежного удержания колодок от сползания с бандажей и возможности применения безгребневых секционных тормозных колодок. Нагрузка от надтележечного строения тепловоза передается на четыре комбинированные с резинометаллическими элементами роликовые опоры, которые размещены на боковинах рамы тележки. Как возвращающий момент, так и момент упругих сил опор обеспечивают гашение относительных колебаний кузова и тележек в горизонтальной плоскости без установки дополнительных демпферов при движении тепловоза со скоростью до 120 км/ч. При таком спорно-возвращающем устройстве возможен устойчивый максимальный поворот тележки (с учетом относа) относительно кузова до 5°, а упругое опирание кузова позволяет получить дополнительный прогиб до 20 мм в рессорном подвешивании тепловоза. Сила тяги от рамы тележки на кузов передается шкворневым узлом, обеспечивающим поперечную свободно-упругую подвижность шкворня кузова ±40 мм. Шкворень также является осью поворота тележки в горизонтальной плоскости. Вследствие минимального одинакового значения лесной базы тележки 1850 х 2 мм и рядного расположения двигателей шкворневой узел размещен на продольной балке, расположенной над боковинами рамы тележки. Обе тележки (передняя и задняя) тепловоза по своей конструкции одинаковы, за исключением наличия на передней рычажной передаче ручного тормоза, подножек для входа в тепловоз и привода скоростемера.
2.5 Выбор рамы тележки
Рама тележки предназначена для размещения колесно-моторных блоков с рессорным подвешиванием, тормозного исполнительного оборудования, опорных устройств надтележечного строения и механизма передачи силы тяги на кузов тепловоза. При эксплуатации рама тележки, кроме статических нагрузок от веса кузова с оборудованием, силы тяги (торможения) и реакций от тяговых двигателей, подвергается большим динамическим вертикальным и горизонтальным нагрузкам. На (рис. 6) показана рама тележки сварной конструкции. Основу рамы образуют две боковины, жестко связанные поперечными балками, переднее концевое крепление и шкворневая балка. Боковина в поперечном сечении представляет собой замкнутый профиль коробчатого сечения, сварена из стальных листов толщиной, боковых 10 мм, верхнего 14 мм, нижнего 22 мм. Сверху на боковины установлены пластинки опор, снизу приварены литые кронштейны и сварно-штампованные с трапециевидными пазами для крепления буксовых поводков и установки опор пружин. Для повышения усталостной прочности (снижение коэффициентов концентрации) к нижнему несущему листу боковины кронштейны приварены внахлестку фланцами, имеющими минимальную толщину и параболическую форму поперечных граней. Внутри боковин установлены диафрагмы, приваренные к боковым листам, для увеличения жесткости сечения в местах примыкания поперечных балок междурамного крепления. Снаружи на боковые листы боковин приварены через подкладки корпуса фрикционных гасителей колебаний, кронштейны тормозных цилиндров и имеются сквозные овальные отверстия, усиленные полыми вставками, для прохода горизонтальных рычагов рычажной передачи тормоза. К нижним листам поперечных балок приварены литые кронштейны для опор электродвигателей. Шкворневая балка имеет в средней части массивное шкворневое гнездо и развитые горизонтальные полки по концам для повышения жесткости ее крепления, так как через нее и шкворень передается сила тяги на раму кузова.
В шкворневом гнезде монтируется подвижной в поперечном направлении шкворневой узел тележки, а в боковых стенках гнезда выполнены отверстия для установки пружинных комплектов упругих упоров, шкворневого узла. Переднее концевое крепление выполнено сварным коробчатого сечения неотъемным, но изогнутым в средней части для удобства демонтажа
фрикционного аппарата автосцепки. Оно своими торцами с помощью электросварки сопрягается с боковинами, связывая их для придания жесткости конечной части рамы тележки, и несет на себе кронштейны тормозной рычажной передачи тележки.

Рис. 6. Рама тележки
1 - пластики опор; 2- боковины; 3- проставочные листы; 4,7-междурамные крепления; 5- шкворневая балка; 6- концевое крепление; 9 - полые вставки.
2.6 Опорно-возвращающее устройство и устройство передачи силы тяги
Опорно-возвращающее устройство тепловоза воспринимает массу всего надтележечного строения, обеспечивает устойчивое положение тележки под тепловозом при его движении, а также плавное вписывание в кривые и создание необходимых усилий, возвращающих кузов тепловоза в первоначальное положение при перемещений его относительно тележек при движении в кривых. Для равенства нагрузок от колесных пар тележек на рельсы передние опоры расположены вокруг шкворня на радиусе 1632 мм, задние — на радиусе 1232 мм. Надтележечное строение тепловоза опирается на раму тележки через четыре комбинированные опоры. Устройство передачи силы тяги с тележки на кузов выполнено шкворневым с поперечной свободноупругой подвижностью ±40 мм для улучшения условий вписывания и показателей горизонтальной динамики при движении тепловоза. Шкворень также является осью поворота тележки в горизонтальной плоскости. Гнездо шкворневой балки заполняется осевым маслом и закрывается сверху неподвижной крышкой, имеющей четыре направляющих кронштейна, в которых перемещается подвижная крышка. Конструкция шкворневого узла позволяет при вписывании тележки тепловоза в кривой участок пути перемещаться шкворню на величину 40 мм в одну и другую сторону в поперечном направлении.
2.7 Тяговый редуктор
Предназначен для повышения вращающего момента, передаваемого тяговым электродвигателем на колёсную пару, и обеспечения заданной длительной и конструкционной скоростей движения тепловоза.
Основные параметры зубчатой передачи тягового редуктора
Число зубьев:
Шестерни 17
Колеса 75
Модуль, мм10
Угол исходного контура 200
Коэффициент коррекции:
Шестерни 0,505
Колеса 0,437
Длина общей нормали, мм:
шестерни 79,637
Диаметр окружности выступов, мм:
Шестерни 198,88
Колеса 777,5
Передаточное число 4,412
Межцентровое расстояние, мм 468,8
Для обеспечения надёжности и увеличения срока службы редуктора зубчатое зацепление выполнено с самоустанавливающемся зубчатым венцом упругого колеса.
2.8. Ударно-тяговые устройства проектируемого тепловоза
Ударно-тяговые устройства предназначены для автоматического сцепления локомотива с другими единицами подвижного состава, передачи и смягчения действия продольных (растягивающих и сжимающих) усилий, развивающихся во время движения в поезде и на маневрах. Автосцепное устройство (рис 7.) тепловоза состоит из корпуса автосцепки с размещенным в нем механизмом сцепления, расцепного привода, ударно-центрирующего прибора, тягового хомута с упорной плитой и поглощающего аппарата, расположенного в хомуте между его задней стенкой и упорной плитой. Тяговый хомут с помощью клина соединен с хвостовиком автосцепки. От выпадения клин закреплен болтами к корпусу. Корпус автосцепки представляет собой стальную полую отливку, в головной части которой расположен автосцепной механизм. Головная часть автосцепки имеет упор, которым она упирается в стяжной ящик при перегрузки поглощающего аппарата. Расцепной привод служит для расцепления автосцепок и для установки механизма автосцепки во выключенное положение, состоит из двухплечего рычага 6, установленного на буферном брусе тепловоза и удерживаемого специальным кронштейном, и цепи 5, соединяющим рычаг с балансиром 4 валика подъёмника. На маневровых тепловозах и локомотивах предназначенных для работы “в одно лицо” (обслуживание одним машинистом) привод оборудуется пневмоцилиндром с дистанционным управлением из кабины машиниста. Поглощающий аппарат пружинно-фрикционного типа (рис. 8) предназначен для рассеивания энергии ударов, передаваемых автосцепкой. Все части автосцепки стянуты болтом 7. максимальное сжатие поглощающего аппарата 76 мм.


Рис 7. Автосцепное устройство
1- корпус автосцепки; 2 – замкодержатель; 3 – замок; 4 – балансир валика подъемника; 5 – цепь; 6 – рычаг расцепной; 7 – балочка; 8 – подвеска; 9 – ударная розетка; 10 – тяговый хомут; 11 – клин; 12 – болт; а- упор; б – малый зуб, в – большой зуб, г – ушко хомута.

Рис 8. Поглощающий аппарат
1 – корпус; 2 – клинья; 3,4 – пружины; 5 – нажимная шайба; 6 – нажимной корпус; 7 – болты.
Автосцепное устройство является одним из важных узлов локомотива обеспечивающих непрерывность перевозочных процессов и безопасность движения. Приемке локомотива машинист обязан уделять внимание на техническое состояние устройства:
1) проверка работы центрирующего устройства.
2) Проверить ход замка (7-18 мм)
3) Проверить состояние цепочки, большого и малого зубьев.
При ремонте все замеры автосцепки производят шаблоном 940Р, им выполняется 9 замеров на принципе проходных и не проходных калибров.
2.9 Выбор тягового двигателя и его описание
Тяговый электродвигатель (рис. 9) предназначен для привода колесных пар тепловоза через одноступенчатый прямозубый редуктор. Как правило, в качестве тяговых электродвигателей используют электрические машины постоянного тока с последовательным возбуждением, нашедшие признание в локомотивостроении благодаря характеристикам, обеспечивающим автоматическое регулирование вращающего момента от частоты вращения и наиболее близко соответствующим требуемым тяговым параметрам локомотива. На тепловозе 2ТЭ116 установлено шесть тяговых электродвигателей, по одному на каждую ось.


Рис. 9. Тяговый электродвигатель ЭД-118А
1,21- трубки для добавления смазки а подшипники якоря; 2, 17 - крышки подшипника; 3,19-подшипники роликовые; 4 -упорное кольцо; 6,16- малый и большой подшипниковые щиты; 7 -коллектор; 8 - щеткодержатель; 9 - якорь; 10- обмотка якоря; 11, 15- стеклобандажи; 12 - сердечник якоря; 13, 14 - добавочный и главный полюсы; 18- лабиринтное уплотнение; 20 - свободный конец вала; 22- вкладыши моторно-осевого подшипника; 23 - корпус моторно осевого подшипника; 24 -механизм смазывающего фитиля моторно-осевого подшипника; 25 - остов.
Две ступени возбуждения и гиперболическая зависимость напряжения от тока на зажимах тягового генератора обеспечивают изменение частоты вращения тягового электродвигателя в широком диапазоне. На тепловозе М62 применяется тяговый электродвигатель ЭД-118А, который в дальнейшем заменяется тяговым электродвигателем ЭД-125Б. Оба электродвигателя представляют собой четырехполюсную электрическую машину постоянного тока с последовательным возбуждением, одним свободным конусным концом вала, принудительной вентиляцией, обеспечивающей работу в пределах рабочих характеристик при окружающей температуре от +40 до - 50 °С. Якорь представляет собой вращающуюся часть электродвигателя и сконструирован с учетом воздействия на его узлы в эксплуатации высоких температур и значительных вибрационных и механических нагрузок. Якорь устанавливают в остове на подшипниках качения 8092417К1М со стороны коллектора и 8032330К2М (ЭД-118А) или 8032332Л1М (ЭД-125Б) со стороны привода, которые запрессовывают в подшипниковые щиты. Тяговый электродвигатель ЭД-118А имеет польстерную систему смазки моторно-осевого подшипника, ЭД-125Б — принудительную циркуляционную систему смазки моторно-осевых подшипников.
2.10.Колесная пара
Колесная пара предназначена:
1) Для передачи веса локомотива на ж.д. путь
2) Для направления движения локомотива по ж.д. колее.
3) Для образования силы тяги.
4) Для образования тормозных сил.
Колесная пара - наиболее важный узел ходовой части железнодорожного подвижного состава, обеспечивающий его взаимодействие с рельсовым путём. Колёса передают на рельсы статические и динамические нагрузки. Колёса локомотивов во взаимодействии с рельсами реализуют продольные, горизонтальные силы. Кроме того, направляя движение подвижного состава в рельсовой колее, колёса передают горизонтальные силы. С этим связана важная особенность ходовых частей железнодорожного подвижного состава, отличающая его от других видов наземного транспорта: колеса жестко связаны с осью в один вращающийся узел, называемый колесной парой. Локомотивные колесные пары в отличие от вагонных имеют устройства для тягового привода. Их оси по существу являются валами, передающими на колеса вращающий момент. На ось момент передаётся обычно через ступенчатую передачу. При цилиндрических зубчатых колесах колесная пара может иметь симметричный двухсторонний привод. Такую конструкцию имеют колесные пары ряда электровозов. На тепловозах из-за трудности размещения тяговых электродвигателей соответствующей мощностью применяются несимметричный односторонний привод. На тепловозах с гидропередачей и карданным приводом ведущих колесных пар зубчатое колесо укреплено ближе к середине оси. Колесные пары направляют движение локомотива по рельсовой колее, передают его вес на рельсы и, опираясь на них, участвуют в реализации силы тяги, создаваемой двигателем тепловозов, а так же тормозной силы. Колесные пары тепловозов вращаются в подшипниках букс, который связаны с рамой тележки.
Для уменьшения динамического воздействия тепловоза на путь и смягчения обратного действия - ударов на неровностях пути на оборудование тепловоза и локомотивную бригаду- рама опирается на буксы через упругие звенья, образующие так называемое рессорное подвешивание. Для облегчения прохождения тепловозами кривых участков пути их колесные пары объединяются в две тележки, которые могут поворачиваться относительно оси локомотива на некоторый угол. Этот угол невелик и не превышает для магистральных тепловозов 3-3,5 градуса (при минимальном радиусе кривых 125 м) и для маневровых и промышленных тепловозов-4-7 градусов (при минимальном радиусе от 80 до 40 м). База тележки в 2-3 раза меньше базы тепловоза (за которую в данном случае принимается расстояние между осями поворота тележек), поэтому в трехосных тележках необходимый разбег средней оси не превышает 14-15 мм. Современные магистральные тепловозы имеют тележечные экипажи.
Колесные пары тепловоза (рис. 10) воспринимают и передают на рельсы массу кузова и тележек со всем оборудованием, а также собственную массу с деталями, смонтированными непосредственно на колесных парах. Колесная пара является одним из ответственных узлов ходовой экипажной части, от состояния которой зависит безопасность движения поездов. Унифицированная колесная пара имеет ось, изготовляемую из осевой стали. На оси имеются: буксовые шейки для установки подшипников букс; предподступичкые части; подступичные части, на которые напрессовывают колесные центры и зубчатое колесо; шейки моторно-осевых подшипников; среднюю часть. Все переходы с одного диаметра оси на другой во избежание концентрации напряжений выполняют плавными переходными галтелями радиусом 20-60 мм.

Рис.10. Колёсная пара
1- фитильная набивка или польстер, 2- верхняя смазочная камера, 3- нижняя масляная камера, 4-бандаж; 5-колесный центр; б, 12, 16-лабиринтные кольца, 7- шестеренный масляный насос, 8-зубчатый венец; 9- ось; 10- вкладыши моторно-осевого подшипника; 1 1- тяговый электродвигатель; 13-зубчатый венец; 14-эластичный элемент; 15-боковой фланец; 17-ролик; 18-ступица; 19-упорный элемент.
Колесные центры унифицированной колесной пары изготовлены из стальной отливки и состоят из ступицы, обода и диска. Зубчатое колесо тягового привода насаживают на ось в нагретом состоянии до температуры ступицы не более 443 К (1 70° С) с натягом 0,16—0,22мм. Для предупреждения коррозии посадочных поверхностей их покрывают лаком марки ВД4-3 или ГЭН-150. Оси колесных пар под тяговые электродвигатели ЭД-118Б, ЭД-125Б с циркуляционной системой смазки осевого подшипника в средней части имеют утолщение для крепления венца зубчатого колеса привода насоса смазки. Шейки оси под осевые подшипники двигателей выполнены диаметром 210 мм вместо 215 мм для ЭД-118А. На выходах шеек напрессовывают лабиринтные кольца уплотнения циркуляционной системы смазки.
3. Выбор оборудования и его компоновка на тепловозе
Для определения весогабаритных характеристик основных узлов и оборудования следует ориентироваться на аналогичные параметры тепловоза прототипа.
Для выполнения развески используется схема расположения узлов и оборудования (рис. 11). Развеска позволяет определить положение центра тяжести верхнего строения тепловоза и распределение нагрузок по его тележкам и колёсным парам.
Таблица №1.
Весогабаритные характеристики основных узлов и оборудования секции тепловоза 2ТЭ116.
| № | Наименование узла или оборудования | Вес G, Кн |
Плечо L, м |
Момент М, кН |
|||
| 1 | Кабина машиниста | 4 | 1,5 | 6 | |||
| 2 | Высоковольтная камера | 29 | 3,2 | 92,8 | |||
| 3 | Выпрямительная установка | 10 | 5,5 | 55 | |||
| 4 | Стартер генератор | 7,8 | 6,3 | 49,14 | |||
| 5 | Тяговый генератор | 58,8 | 6,5 | 382,2 | |||
| 6 | Рама тепловоза | 77,1 | 9,4 | 724,74 | |||
| 7 | Дизель | 217 | 9,4 | 2029,8 | |||
| 8 | Электродвигатель компрессора | 3 | 14,4 | 43,2 | |||
| 9 | Шахта холодильника | 50 | 17,4 | 970 | |||
| Итого | 453,7 | 4262,68 | |||||
,
где ∑Mi – суммарный момент сил тяжести узлов и оборудования, входящих в верхнее строение тепловоза, кН*м;
∑Mi - вес верхнего строения тепловоза, кН;
![]()
Несовпадение центра тяжести Хцт и геометрического центра тяжести верхнего строения тепловоза ∆Х можно определить из выражения, мм
,
где Хцт – центр тяжести тепловоза, м.
Х1 цт =Lт /2
Х1 цт =18,8/2=9,4 (м)
![]()
Определим равномерно ли распределена нагрузка на колёсные пары и рамы тележек локомотива. Для нагрузок на тележки используют уравнение статики. В соответствии со схемой сил, показанной на схеме для определения неравномерности распределения нагрузок по тележкам локомотива, уравнение проекций всех сил на вертикальную ось Zбудет иметь вид:
PA +PБ -∑Gi =0 (1)
Уравнение моментов этих относительно точки «О» имеет вид:
PA +PБ - ∑Gi * Xцт =0 (2),
где PA и PБ - реакции в мнимых опорах тележек, вызванные действием силы тяжести (веса) ∑Gi верхнего строения тепловоза, кН; La и Lб – расстояние от оси моментов Z до мнимых опор А (первой по ходу) и Б второй тележек, м.
Из уравнения (1):
РА =∑ Gi - PБ (3)
Подставим (3) в (2) и найдём из получившегося уравнения РБ :


Подставим РБ в уравнение 3, найдем РА :
РА =453,7-232,86=220,84(кН)
По нормам, применяемым при проектировании тепловоза, неравномерность распределения нагрузок ∆2П по колесным парам разных тележек не должна превышать
0,03. величину ∆2П определяем по следующей формуле, кН.
![]()
где 2П1 – нагрузка от каждой из колёсных пар первой тележки, кН.
,
где GT - вес тележки тепловоза, кН;
NT - количество осей в тележке, кН;
2П2 - нагрузка от каждой из колёсных пар второй тележки, кН.
2П1 =(220,84+147)/3=122 (кН)
![]()
![]()
![]()
0,017≤0,03 неравномерность распределения нагрузок ∆2П по колесным парам разных тележек в пределах нормы.
4. Определение тяговой характеристики тепловоза
1. Первое ограничение силы тяги тепловоза по сцеплению
![]()
где Рсц – сцепной вес локомотива с учетом числа секций, кН;
ψк – расчетный коэффициент сцепления.
Согласно правил тяговых расчетов (ПТР) расчетный коэффициент сцепления для тепловоза 2ТЭ116 будет равен:
![]()
Воспользавшись выражением
рассчитаем ограничение тяговой характеристики по сцеплению, данные расчетов сводим в таблицу 2.
Таблица № 2
Результаты расчетов ограничения кривой FK =f(v) по сцеплению.
| V, км/ч | 0 | 5 | 10 | 15 | 20 | 25 | 30 |
| ψ | 0,299 | 0,271 | 0,251 | 0,235 | 0,223 | 0,213 | 0,201 |
| Fk , кН | 825 | 747 | 692 | 648 | 615 | 587 | 554 |
2. Второе ограничение силы тяги – по мощности силовой установки.
,
где NE – эффективная мощность дизеля, кВТ;
φ – коэффициент использования мощности дизеля, φ=0,72
Таблица № 2
Результаты расчетов ограничения кривой FK =f(v) по мощности дизеля.
| V, км/ч | 10 | 20 | 30 | 40 | 50 | 60 | 70 | 80 | 90 | 100 |
| FK , кН | 570 | 285 | 190 | 142 | 114 | 95 | 81 | 71 | 63 | 57 |
После получения всех расчетов выполняем построение тяговой характеристики тепловоза.
5. Индивидуальное задание: подвеска тяговых двигателей тепловоза достоинства и недостатки перед другими типами подвешивания
На тепловозе 2ТЭ116 применяется опорно-осевое подвешивание тяговых двигателей. При таком типе подвешивания остов тягового двигателя упирается жестко одной стороной на ось колёсной пары, а другой упруго подвешен к раме тележки, кожух тягового редуктора крепится к двигателю. Этот тип подвешивания прост по конструкции позволяет установить в раму тележки более мощный двигатель. К недостаткам данного типа подвешивания можно отнести: большая часть тягового двигателя остаётся неподрессоренной вследствии его жесткого опирания на ось колесной пары, вследствии чего увеличивается динамическая нагруженость самого двигателя и редуктора, возникает повышенная вибрация самого щеточного механизма.
Локомотивы опорно-осевым подвешиванием оказывают при движении поезда повышенное динамическое воздействие на путь. Поэтому данный тип подвески применяют на локомотивах чья конструкционная скорость не превышает 100-120 км/ч.
У всех грузовых и маневровых тепловозах передаточное число и модуль зацепления унифицированы (i=4,41; m=10мм)
Список используемой литературы
1. В.Д. Кузьмич, В.С. Руднев, С.Я. Френкель: Теория локомотивной тяги издательство Маршрут Москва 2005 год 446 стр.
2. С.П. Филиппов, А.И. Гибалов, В.Е. Быковский: Тепловоз 2ТЭ116 издательство Транспорт 1985 год 326 стр.
3. А.А. Пойда, Н.М. Хуторянский, В.Е. Кононов: Тепловозы механическое оборудование. Устройство и ремонт.
4. Г.С. Михальченко; В.Н. Кашников: Теория и конструкция локомотивов издательство Маршрут 2006 год 581 стр.
5. Министр Путей Сообщения Российской Федерации: ЦРБ-756 Правила Технической Эксплуатации железных дорог Российской Федерации Москва 2002 189 стр.
Похожие рефераты:
Колёсные пары электровоза ВЛ-80
Основы проектирования и конструирования
Основные технологические процессы на разрезе "Томусинский"
Определение основных параметров и компоновка оборудования автономного локомотива
Метрологическое обеспечение ремонта дизель-генератора специализированного серийного тепловоза ТЭП70
Конструкция экипажной части тепловоза
Модернизация подвески автомобиля ЗАЗ1102 Таврия
Исследование особенностей технической эксплуатации ходовой части автомобилей "Toyota"
Основные приборы и механизмы тягового электровоза
Створення вагонів нового покоління. Візок для високошвидкісного руху

