| Похожие рефераты | Скачать .docx |
Реферат: Газотурбовоз - перспективный вид тяги
ФЕДЕРАЛЬНОЕ АГЕНТСТВО ЖЕЛЕЗНОДОРОЖНОГО ТРАНСПОРТА
МОСКОВСКИЙ ГОСУДАРСТВЕННЫЙ УНИВЕРСИТЕТ ПУТЕЙ СООБЩЕНИЯ РФ (МИИТ)
ИНСТИТУТ ТРАНСПОРТНОЙ ТЕХНИКИ И ОРГАНИЗАЦИИ ПРОИЗВОДСТВА
Кафедра: «Локомотивы и локомотивное хозяйство»
УЧЕБНО-ИССЛЕДОВАТЕЛЬСКАЯ РАБОТА
«ГАЗОТУРБОВОЗ – ПЕРСПЕКТИВНЫЙ ВИД ТЯГИ»
Проверил: старший преподаватель Самотканов А.В.
содержание
ВВЕДЕНИЕ
1.Преимущества газотепловозной тяги
1.1. Экономические выгоды использования газотепловозной тяги
1.2. Недостатки дизелей
1.3. Преимущества газотурбинных двигателей
2. Газотурбовозы
2.1. Газотурбинный двигатель
2.2. Современные газотурбовозы
2.3. Альтернативные виды топлива
2.4. Область применения газотурбовозов
3. КОНСТРУКЦИОННЫЕ ОСОБЕННОСТИ ГАЗОТУРБОВОЗОВ
3.1. Передача на газотурбовозе
3.2. Конструкция газотурбовоза
3.3. Расход топлива
ЗАКЛЮЧЕНИЕ
Список используемых источников
ВВЕДЕНИЕ
В XXI веке газотурбинная тяга снова появляется на железнодорожных линиях. Развитие на протяжении прошедшего столетия авиационных ГТД позволило буквально сделать революцию в самолетостроении. Менее активно внедрялись газотурбинные двигатели в наземном транспорте, в частности, железнодорожном. Здесь ведущими при оценке эффективности нового вида тяги были вопросы тепловой экономичности первичных двигателей, а также их надежности. В те годы на автономных локомотивах прочные позиции уже завоевал дизель с газотурбинным наддувом, имеющий высокий КПД (37 — 38 %) и по тем временам вполне отвечающий требованиям железнодорожного транспорта по агрегатной мощности в секции.
Вполне понятно поэтому, что при создании первых газотурбовозов речь шла, прежде всего, о проверке эксплуатационных качеств ГТД в условиях резко переменных режимов их работы. Несомненно, учитывались также перспектива дальнейшего повышения кпд газотурбинного двигателя, возможность создания автономных локомотивов большой мощности. За последние годы в области отечественного и зарубежного дизелестроения достигли существенного снижения расходов на топливо и масло, повышения кпд дизеля (до 42 — 44 %).
В США дизелестроительные фирмы за последние 20 — 25 лет значительно снизили (до 25 %) расход топлива на тягу, что позволило сэкономить сотни миллиардов долларов.
Чтобы догнать США, потребуется 10 — 15 лет, а стоит ли тратить время на эти работы, а не лучше ли направить усилия на применение на автономном подвижном составе новых типов силовых установок? Анализ показывает, что в настоящее время наиболее готовыми к применению на железнодорожном транспорте являются газотурбинные двигатели четвертого поколения (созданные для военно-промышленного комплекса), специально переработанные для нужд наземного транспорта.
Работы по использованию природного газа в качестве топлива для газотепловозов проводятся в ОАО "РЖД" начиная с 1984 г. C учётом размеров разведанных запасов природного газа, значительно превышающих разведанные запасы нефти, создание перспективного подвижного состава железных дорог будет ориентировано на топливно-энергетические ресурсы, обеспеченные в стране на длительную перспективу. Природный газ относится к их числу.
Эффективность газотепловозной тяги будет определяться объёмами замещения дорогостоящего дизельного топлива на значительно более дешевое газомоторное топливо (сжиженный и сжатый природный газ), а также экологическими преимуществами газового топлива, что особенно важно при эксплуатации в крупных транспортных узлах.
За рубежом в практике локомотивостроения последних лет для турбопоездов и скоростных газотурбовозов применяют авиационные двигатели, приспособленные к условиям железных дорог. Так как газотурбинному двигателю на локомотиве предстоит конкурировать с дизелем, то вопросы экономичности, надежности и срока службы — первостепенные.
В настоящее время принципиальным является выбор параметров газотурбовоза и газотурбинного двигателя. Ряд специализированных предприятий в России готовы разработать, изготовить опытные образцы и поставлять специальные ГТД для газотурбовозов. Подготовлены технические предложения как применить газотурбинные двигатели на подвижном составе. В основном они выполнены по одновальной схеме с регенератором. Работа ГТД предусмотрена на газе — может использоваться как сжатый газ, так и сжиженный.
Характеристики удельного расхода топлива дизелем Д49 (1-9ДГ) мощностью 2206 кВт, замеренные на тепловозе, а также ориентировочные (расчетные) газотурбинными двигателями №1 и №2 мощностью соответственно 4 и 6 тыс. кВт (рис. 1). В связи с отсутствием опытных образцов таких двигателей расход топлива на холостом ходу и потребность в маслене определены.

Рис. 1. Характеристики удельного расхода топлива в зависимости от мощности
Учитывая особенности газотурбинного двигателя — большую мощность при малом весе — возможно создание автономного локомотива с параметрами по тяге и скорости, равноценного перспективному электровозу, и даже превосходящего его, что недоступно тепловозу.
1.Преимущества газотепловозной тяги
1.1 Экономические выгоды использования газотепловозной тяги
Применение природного газа в качестве моторного топлива имеет для ОАО "РЖД" весьма актуальное значение. Затраты на дизельное топливо для тепловозов составляют около 20% общих эксплуатационных расходов в локомотивном хозяйстве компании. В условиях жёсткого тарифного регулирования ОАО "РЖД" вынуждены искать пути снижения себестоимости перевозок с целью повышения конкурентоспособности на рынке транспортных услуг. Применение природного газа в качестве моторного топлива при определённых условиях может дать значительную экономию средств направляемых на энергоносители.
Это преследует несколько целей: экономию средств на приобретение топлива, поскольку цена эквивалентного количества газа значительно (до 50 %) ниже, чем дизельного топлива; снижение вредных выбросов в атмосферу с выпускными газами дизелей, так как при работе на природном газе их токсичность значительно ниже, чем при работе на дизельном топливе, а дымность (сажа) меньше на порядок; обеспечение устойчивого топливоснабжения тепловозов в перспективе с учетом динамики изменения добычи нефти и газа, их сравнительных запасов и прогнозов истощения месторождений.
Актуальность этой проблемы определена правительственными документами: федеральной целевой программой «Топливо и энергия» и Концепцией энергетической политики России в новых экономических условиях [1].
Расчёты показывают, что суммарное замещение дизельного топлива природным газом на железнодорожном транспорте может составить около 1 млн. т/год, а потребность в природном газе - 1,2 млрд. м3/год.
1.2 Недостатки дизелей
За последние 20 лет промышленностью достигнуто значительное улучшение технико-экономических показателей дизельных силовых установок.
Так, у современных дизелей максимальное давление сгорания достигает 18,0...25,0 МПа, что позволяет реализовать индикаторный КПД на уровне 0,55. Это соответствует удельному индикаторному расходу топлива 154 г/(кВт·ч). С учетом максимально возможного механического КПД дизеля 0,9 минимальный удельный расход топлива составляет 170 г/(кВт-ч). Кроме механических потерь, существуют затраты энергии на охлаждение (4...6 %). Реально на локомотивах может быть реализован максимальный эффективный КПД ηе =0,47(179г/(кВт·ч)).
Дальнейшее увеличение параметров цикла нецелесообразно из-за значительных потерь, связанных со свойствами реальных газов и ростом влияния вредного пространства камеры сгорания на показатели работы двигателя. Кроме того, возрастают трудности смесеобразования и токсичность выпускных газов. На фоне возрастающих требований к снижению токсичности выпуска, последнее обстоятельство является достаточно существенным. Появляется необходимость снижения экономичности и установки систем очистки выпуска с подогревом выпускных газов на режимах частичных нагрузок. Это приведет к потере экономичности двигателя еще на 2...3 %. Таким образом, можно считать, что в перспективе экономичность дизельных двигателей не будет лучше 175 г/(кВт·ч). Удельный вес дизелей может снизиться в 1,5...2 раза за счет увеличения быстроходности, однако всегда останется необходимость смены форсунок и поршневых колец. Затраты на обслуживание и ремонт дизелей составляют более 50 % всех затрат на обслуживание и ремонт тепловозов. Затраты связаны не только с приобретением запасных частей, но и с тяжелым физическим трудом, не поддающимся механизации и автоматизации.
1.3 Преимущества газотурбинных двигателей
Названные недостатки дизелей заставляли конструкторов и ученых искать альтернативные варианты силовых установок для автономного подвижного состава.
Анализ показывает, что в настоящее время наиболее готовыми к применению на железнодорожном транспорте являются газотурбинные двигатели четвертого поколения, специально переработанные для нужд наземного транспорта. Не случайно в США в 2000 г. был выпущен на испытания пассажирский локомотив с газотурбинным двигателем.
Привлекают низкие весовые и габаритные показатели ГТД, конвертируемость на природный газ, пропанобутановые смеси и жидкие топлива, получаемые из природного газа, высокая экологическая эффективность (выбросы вредных веществ при работе ГТУ в 15-20 раз ниже, чем при работе дизелей), малая трудоемкость текущего обслуживания, отсутствие ряда вспомогательных систем, присущих дизельным установкам, возможность повышения эффективного К.П.Д. до 50% и более при применении регенерации тепла, возможность использования твердых топлив при переводе на цикл с внешним подводом тепла и др.
Конечно, сдерживающим фактором является высокая цена таких двигателей. Однако по нашим расчетам стоимость жизненного цикла локомотива с ГТУ при применении природного газа или пропанобутановых смесей в 1,5-2,0 раза ниже: чем стоимость жизненного цикла тепловоза, работающего на дизельном топливе. При расчетах не учитывался дополнительный эффект, связанный со снижением выбросов вредных веществ и платой за нарушение экологических требований [22].
Достигнутый в настоящее время КПД тепловоза не превышает 32 % (обычно 27 — 30 %) и ограничивается, главным образом, величиной КПД первичного двигателя, т.е. дизеля. Возможности его совершенствования в настоящее время исчерпаны. Об этом свидетельствует тенденция изменения характеристик дизелей: за последние 30 лет среднеэксплуатационный КПД увеличился менее чем на 3 %.
Дизель (а также газодизель) — это тепловой двигатель, и его КПД ограничен величиной КПД цикла Карно. Поэтому повышения КПД увеличением максимальной рабочей температуры цикла добиться не удается, так как начинается термическая диссоциация молекул. Кроме того, снижается прочность деталей и их ресурс, что также накладывает ограничение. Температура выхлопных газов определяется степенью последующего расширения, которая, в свою очередь, ограничена габаритами дизеля и рядом других параметров, не позволяющих эту температуру существенно понизить.
Таким образом, единственная возможность значительно улучшить характеристики тепловоза - это отказ от теплового двигателя в пользу химических источников тока - топливных элементов (ТЭ), непосредственных преобразователей химической энергии топлива в электрическую. В сущности, ТЭ отличаются от обычных гальванических элементов лишь непрерывным подводом веществ, вступающих в токообразующую реакцию, и таким же непрерывным их отводом.
Следует отметить, что топливные элементы не являются тепловым двигателем, и их КПД не ограничен циклом Карно, т.е. он теоретически может достигать 100 % (практически достигнутые значения — 60 - 80%). Более того, специфика токообразующих реакций такова, что электрическая работа может быть больше теплового эффекта реакции.
Построены и испытываются опытные образцы новой техники. Известны проекты применения ТЭ на городском транспорте. Существуют разработки стационарных теплоэлектростанций, в которых использование твердого топлива обеспечивается путем его газификации в газогенераторах, совмещенных с высокотемпературными ТЭ. Этот же путь (предварительная газификация) может быть использован и на передвижных энергетических установках[3].
Таким образом, перспективой на ближайшие 5-10 лет могут стать газотепловозы, а повсеместный переход на газотурбинную тягу в мире произойдет в 20-30-е годы, которую потом заменят тепловозы на ТЭ.
2. Газотурбовозы
2.1 Газотурбинный двигатель
Газотурбинный двигатель – тепловой двигатель, в котором газ сжимается и нагревается, а затем энергия сжатого и нагретого газа преобразуется в механическую работу на валу газовой турбины. Рабочий процесс газотурбинного двигателя может осуществляться с непрерывным сгоранием топлива при постоянном давлении или с прерывистым сгоранием топлива при постоянном объеме [4].
По своему предназначению газотурбинный двигатель (ГТД) — машина транспортная, поэтому при выборе типа силовой установки для первых типов локомотивов ему было уделено достаточно много внимания. Начало использования газотурбинных двигателей на железнодорожном транспорте практически совпало с внедрением их в самолетостроении. Если высокая удельная мощность такого типа двигателей обеспечивала им преимущество перед поршневыми в авиации, то в локомотивостроении они в то время не могли конкурировать с высокоэкономичными тепловозными дизелями.
В последние годы тепловая экономичность газотурбинных двигателей значительно повысилась и уже вплотную приблизились к поршневым. Поэтому, естественно, снова возрастает интерес к использованию газотурбинной тяги на железнодорожном транспорте.
Впервые в мире локомотив с ГТД (газотурбовоз) № 1101 мощностью 1618 кВт (2200 л.с.) был построен в 1941 г. в Швейцарии фирмой «Браун-Бовери» для Швейцарских федеральных железных дорог. Газотурбинный двигатель (рис. 2) представлял собой одновальную силовую установку с регенерацией тепла уходящих газов, смонтированный на одной раме с редуктором и генератором постоянного тока. Рама также служила резервуаром для топлива и масла. Технические характеристики первых газотурбовозов и их газотурбинных двигателей (табл. 1).

Рис.2. Газотурбинный двигатель газотурбовоза №1101
Таблица 1
Основные технические данные газотурбовозов, которые были построены первыми в различных странах
| СССР | Швейцария | ЧССР | Англия | США | ||||||||
| Коломенский тепловозостроительный завод | Фирма «Браун-Бовери» | «Заводы имени Ленина» («Шкода») | Фирма «Метрополи-тен-Виккерс» | Фирма «General Electric» | ||||||||
| Г1 | Г | 110 | 180 | ТЛ65900 | 18100 | 4500 | 8500 | |||||
| 1 | 2 | 3 | 4 | 5 | 6 | |||||||
| Год выпуска | 1959 | 1964 | 1941 | 1949 | 1958 — 1960 | 1952 | 1948— 1954 | 1358—1961 | ||||
| Осевая формула | Зо-Зо | Зо-Зо | 1+ 10 +20 +10 +1 | 1+ 10 +20 +10 +1 | 3+3 | Зо-Зо | 2о+20 -20 +20 | 2(30 -30 ) | ||||
| Род службы | Грузовой | Пассажирский | Грузопассажирский | Пассажирский | Грузовой |
|||||||
| Число секций | 2 | 1 | 2 | |||||||||
| Общая масса, т | 140 | 129 | 92,1 | 118 | 123 | 132 | 235 | 408 | ||||
Запас топлива тяжелого (легкого) кг |
9500 (1500) |
11000 (850) |
4200 (1500) |
6580 (1000} |
3420 (162) |
6600 (4060) | 2450 (3400) | 8600 (8500) | ||||
| Нагрузка от оси на рельсы, тс | 23,3 | 21,5 | 16,1 | 20,1 | 20,5 | 21,9 | 29,5 | 31,2 | ||||
| Конструкционная скорость, км/ч | 100 | 160 | 113 | 145 | 85/125 | 145 | 105 | |||||
Передача мощности на колеса |
Электрическая постоянного тока | Механическая, две ступени скорости | Электрическая постоянного тока | |||||||||
| Газотурбинный двигатель, тип | Одновальный | Одновальный с регенератором | Двухвальный с регенератором | Одновальный | ||||||||
| Мощность, кВт/л.с. | 2574/3500 | 1618/2200 | 1838/2500 | 2265/3080 | 2206/3000 | 3309/4500 | 6250/8500 | |||||
| Число оборотов в минуту | 8500 | 5200 | 5800 | 5550 | 7000 | 6900 | 4860 | |||||
| Удельный расход топлива, г/кВт-ч | 327 | 376 | 380 | — | 328 | 380 | _ | |||||
| Компрессор, тип | Осевой | |||||||||||
| Число ступеней | 12 | 21 | 29 - | 17 | 15 | 16 | ||||||
| Расход воздуха, кг/с | 26 | 28,1 | 28 | 29,7 | 22,6 | 41 | 72 | |||||
| Камера сгорания, тип | Прямоточная,секционная | Прямоточная | Прямоточная ,секционная | |||||||||
| Число камер сгорания | 6 | 1 | 6 | 10 | ||||||||
| Ступеней турбины | 4 | 2/1 | 5 | 2 | ||||||||
| Температура газов перед турбиной, "С | 727 | 650 | 700 | 790 | ||||||||
| Количество построенных локомотивов | 1 | 2 | 1 | 2 | 1 | 25 | 30 | |||||
2.2 Современные газотурбовозы
В настоящее время компания-оператор «Amtrak» в рамках реализуемой программы повышения скоростей движения пассажирских поездов осуществляет модернизацию принадлежащих ей семи пятивагонных турбопоездов «RTL-Turboliner». Первый был в опытном порядке модернизирован с установкой на моторных вагонах ГТД типа «TurbomecaTM-1600» компании «MakilaTurbines». Усовершенствована также система управления силовым агрегатом, применена новая система подачи топлива, а также изменена компоновка оборудования пассажирских салонов. Эксплуатация этого турбопоезда в течение семи лет на маршруте Нью-Йорк — Олбани дала хорошие результаты.
Однако при последующей модернизации, выполнявшейся заводом компании «SuperSteei» в Скенектади (США), устанавливались новые турбины типа «Turbomeca» мощностью 1000 кВт, тяговые гидропередачи компании «Voith»и микропроцессорные системыу правления.
Первый модернизированный турбопоезд по данному проекту ввели в эксплуатацию на том же маршруте в апреле 2003 г. Вместе с тем, специалисты считают, что в дальнейшем целесообразно повысить мощность ГТД турбопоездов до 2940 кВт (использовать две установки) и применить электрическую передачу переменного тока, способную передавать мощность всем колесным парам моторных вагонов. Это позволит не только повысить на 15 — 20 % ускорение поезда, но и включить в поезд дополнительный вагон, увеличив тем самым число сидячих мест.
В настоящее время за рубежом принимают различные меры, чтобы повысить скорости пассажирского движения, поэтому значительно возрос интерес к использованию на железнодорожном транспорте. При увеличении скоростей движения поездов до 200 — 250 км/ч значительно изменяются требования к подвижному составу, особенно когда они осваиваются на существующем верхнем строении пути. В числе решающих факторов оказываются масса и габариты энергетического оборудования.
На международной выставке «Railtex-2000» в Бирмингеме компания «BombardierTransportation» представила макет газотурбопоезда «Jetrain» с конструкционной скоростью 250 км/ч, двигатель которого должен работать на дизельном топливе. Основой концепции тягового подвижного состава (рис.3) стали конструктивные решения, принимаемые компанией «Aistom» при проектировании моторных вагонов скоростного электропоезда.

Рис. 3. Турбопоезд “Jertain” (США)
В качестве силовой установки применен ГТД компании «Pratt & Whitney» мощностью 3750 кВт с частотой вращения 16000 об/мин, который приводит через редуктор два главных тяговых генератора переменного тока мощностью 1750 кВт. Однако специалисты американских железных дорог и компании «Bombardier» намерены рассмотреть возможность установки на нем одного генератора компании «AlliedSignal», имеющего более высокую частоту вращения.
На газотурбовозе «Jetrain» применены четыре асинхронных тяговых двигателя мощностью по 825 кВт с опорно-рамной подвеской тяговых редукторов. Электродвигатели получают питание от инверторов ONIX компании «Aistom» с водяным охлаждением. Мощность для вспомогательных потребителей порядка 500 кВт отбирается от одного из тяговых генераторов. Длительная касательная мощность составляет 3140 кВт, сила тяги при трогании — 220 кН.
В октябре 2002 г. состоялась презентация локомотива. Специалистами было отмечено, что в сравнении с последними моделями тепловозов США новый газотурбовоз имеет более высокую скорость, меньшую на 20 % массу тары. Он обладает в два раза большим ускорением, выделяет на 30 % меньше вредных выбросов.
Недавно специалистами ВНИКТИ подготовлен проект магистрального газотурбовоза ГТ1. В качестве топлива для него предусматривается использовать сжиженный природный газ, а в перспективе — водород [7].
Модель газотурбовоза из двух секций – тяговой и бустерной с кабинами управления. Мощность газотурбинного двигателя 8300-10500 кВт
2.3 Альтернативные виды топлива
Один из путей повышения эффективности работы газотурбинных двигателей на железнодорожном транспорте — применение альтернативных топлив. Газотурбинные двигатели идеально подходят для использования в качестве топлива сжиженного или сжатого природного газа, а также метанола. При этом не требуются какие-либо переделки. В то время как для сжигания природного газа в цилиндрах дизеля необходимо добавлять определенное количество дизельного топлива (до 15 %), чтобы смесь могла воспламениться. Но тогда увеличивается выделение вредных выхлопов, усложняется топливная система дизеля.
В США провели исследования по расходу топлива турбопоездами на скоростной линии протяженностью 370 км. Они показали, что при эксплуатации ГТД на сжиженном природном газе затраты его за поездку составляют 0,61 от стоимости расходов в случае работы на дизельном топливе. Пробег на последнем составляет 0,9 при одинаковой емкости топливного бака.
2.4 О бласть применения газотурбовозов
Газотурбовозы наиболее эффективны на следующих видах работы, по сравнению с тепловозами:
- проводка составов повышенной массы;
- работа на участках с тяжелым профилем пути;
- обслуживание северных железнодорожных магистралей, эксплуатация на новых перспективных железных дорогах БАМ-Север;
- взаимодействие в сети путей сообщения с современными мощными электровозами без расформирования составов;
- ускоренная проводка литерных составов на большие расстояния до 2500 км без дозаправки топливом, а в тендерном исполнении до 10000 км. По сравнению с электровозами;
- высокая автономность и способность работы в любых метеоусловиях;
- эксплуатация в прибрежных районах с высокой вероятностью обледенения и обмерзания токопровода (особенно Ленинградская область и Дальний Восток);
- снижение массы локомотива по сравнению с электровозом позволяющее осуществлять проводку пассажирских (скоростных) поездов по линейным грузовым магистралям;
- использование на новых скоростных магистралях, что обеспечивает удешевление и ускорение строительства и ускорение окупаемости дороги.
3. КОНСТРУКЦИОННЫЕ ОСОБЕННОСТИ ГАЗОТУРБОВОЗОВ
3.1 Передача на газотурбовозе
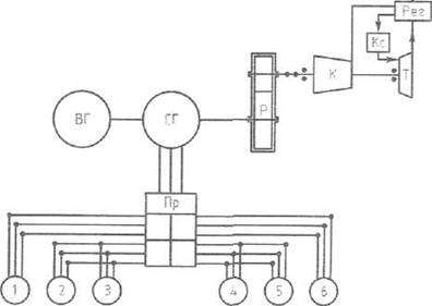
Другая принципиально важная задача в проектировании газотурбовоза — выбор типа передачи мощности от газотурбинного двигателя к колесным парам локомотива. Возможно применение всех типов передач — механической бесступенчатой, гидромеханической и электрической: переменно-постоянного, переменно-переменного тока с преобразователем частоты и переменно-переменного (рис. 4).

Рис. 4. Схема ГТД с электрической передачей переменно- переменного тока
К — компрессор; Per — регенератор; Кс — камера сгорания; Т — турбина; Р - редуктор; СГ — синхронный тяговый генератор; ВГ — вспомогательный генератор; Пр — преобразователь частот; 1 —6 —асинхронные тяговые двигатели
Использование механической бесступенчатой и электрической передач постоянно-переменного тока требует, чтобы в составе газотурбинного двигателя была применена свободная тяговая турбина, т.е. агрегат, связанный с турбокомпрессором только газовой связью. Изменение крутящего момента на валу тяговой турбины полностью соответствует условиям тяги, что в свое время привлекло внимание ряда фирм, которые построили газотурбовозы с механической бесступенчатой передачей.
Внедрение электрической передачи переменно-переменного тока без преобразователей частоты — задача сложная, так как придется создавать специальный асинхронный тяговый двигатель с большим коэффициентом скольжения. Для этого надо будет проводить специальные теоретические и стендовые исследования.
3.2 Конструкция газотурбовоза
На железных дорогах России имеется ряд участков, где стыкуется электрическая и тепловозная тяга. Так как современные и перспективные тепловозы имеют мощность ниже, чем у электровозов, то приводимые электровозами составы приходится расформировывать и вывозить тепловозами по частям. Это экономически невыгодно. Необходим автономный локомотив, способный принять состав массой 6 тыс. т от электровоза и без переформирования доставить его до места назначения, обладающий параметрами по экономичности и надежности, которые не уступают тепловозу.
Таким локомотивом может стать газотурбовоз. Изготавливая его, желательно применить оборудование уже эксплуатируемых локомотивов. В том числе необходимо использовать электрическую передачу переменно-постоянного тока, как наиболее освоенную отечественной промышленностью.
Специалистами ВНИКТИ (г. Коломна) была проверена возможность компоновки оборудования газотурбовоза в кузовах электровозов: постоянного тока ВЛ10 и ВЛ15, а также переменного ВЛ60К и ВЛ80. Длина секции кузова электровозов ВЛ10 и ВЛ80 по автосцепкам составляет 16400 мм и недостаточна для размещения всего оборудования, кузова ВЛ60К — 20800 мм, а секции ВЛ15 — 22500. Тяговые двигатели электровоза ВЛ60К имеют мощность в длительном режиме 675 кВт, а ВЛ15 — 700. Наиболее подходящим является экипаж локомотива ВЛ15.
На газотурбовозе можно применить ряд узлов тепловоза 2ТЭ25, который разрабатывается ОАО «БМЗ» совместно с ВНИКТИ. Это следующее оборудование: кабина управления с унифицированным пультом и виброзащищенными креслами, микропроцессорная система управления и диагностики, блоки реостатного и тормозного оборудования, аппаратные камеры, вспомогательные преобразователи, блок тормозного компрессора, установки пожаротушения, водомасляные теплообменники, блоки фильтрации воздуха, поступающего для охлаждения тяговых двигателей. Осевые мотор-вентиляторы, нагнетающие воздух для охлаждения тяговых двигателей, — с электровоза ЭП200, вспомогательный дизель-генератор — завода «Звезда». То есть все оборудование, кроме газотурбинного двигателя и тягового генераторного агрегата, будет проверено на тепловозе, в настоящее время изготавливаемом ОАО «БМЗ».
Может вызвать вопрос необходимость установки вспомогательного дизель-генератора. Опыт эксплуатации отечественных газотурбовозов показал необходимость наличия такой установки. Она необходима для выполнения маневровых работ и подачи локомотива под состав, а также для запуска газотурбинного двигателя.
Если двигатель будет выполнен на подшипниках скольжения с масляным охлаждением, то после его выключения требуется прокачка масла через подшипники и медленное прокручивание ротора до полного остывания силового оборудования. Этот процесс может составлять 1 — 1,5 ч. Технология остановки ГТД должна быть проверена экспериментально. Применение вспомогательного дизель-генератора снизит расход топлива на газотурбинном двигателе, так как это позволит отключать его при длительных стоянках.
Сложная техническая задача — создание тягового и вспомогательного генераторов, установленных на одном валу. Кроме того, предстоит разработать систему регазификации (подготовки газа с температурой -162 °С до необходимых плюсовых температур и его давления перед подачей в камеру сгорания).
Специалистами ВНИКТИ определены основные требования, которые предъявляются к газотурбинному двигателю, устанавливаемому на экспериментальный газотурбовоз: мощность- 10000 кВт, КПД-40%, ресурс до капитального ремонта- 100 тыс. ч, расход топлива без нагрузки от расхода на полной мощности не более- 5%. На первом опытном образце предлагается установить освоенный промышленностью ГТД с КПД 26-27 %.
3.3 Расход топлива
В качестве топлива для газотурбовоза предполагается применить природный сжиженный или сжатый газ. Наиболее целесообразно использовать сжиженный, так как в этом случае не придется разрабатывать специальный тендер, а использовать цистерны, приспособленные под перевозку такого газа.
При этом пробег между заправками газотурбовоза будет в 2 раза больше пробега тепловоза. Только в данном случае всю необходимую аппаратуру для подготовки газа перед подачей в ГТД необходимо будет разместить на газотурбовозе. Постройка пилотного образца газотурбовоза позволит получить необходимые эксплуатационные данные и дать дорогу новому, более совершенному виду локомотива для железных дорог России.
Что касается расхода топлива при промежуточных режимах работы тепловоза и газодизеля, то, как следует из расходных характеристик (рис. 6), полученных при работе по дизельному и газодизельному циклам - удельный расход топлива при работе на природном газе с подачей запальной порции дизельного топлива почти на всех режимах ниже, чем при работе на дизельном топливе.
Удельный расход топлива ge при работе в дизельном (1) и газодизельном (2) циклах, приведенный к условиям ТЗ по ИСО 3046/1 – 86 в зависимости от режима работы газодизеля (Ne , nk )

Рис.5
Запас газа в тендерной секции составляет 17 тонн, что обеспечивает пробеги газотепловоза в 1,3-1,5 раза больше, чем у серийных тепловозов.
По проблеме применения природного газа на тепловозах реализуется программа доводки газовых двигателей, газового оборудования и систем безопасность.
Предварителные ТЭО внедрения газотепловозов на ряде железных дорог России при учете затрат и ценообразовании, сложившимся для рыночной экономики, а также государственном регулировании цены на газомоторное топливо в пределах 50% от стоимости дизельного, говорят о возможности окупаемости затрат на это мероприятие в течение 3-6 лет.
Программой ОАО «РЖД» предусматривается разработка, создание и эксплуатация в 2005 - 2007 годах опытной партии маневровых газотепловозов серий ЧМЭЗГ.
ЗАКЛЮЧЕНИЕ
Газификация автономной тяги позволит резко снизить годовое потребление дизельного топлива (практически на 25 – 30 %, т. е. на 0,9 млн. т) к 2020 г. при планомерной реализации программы по использованию сжиженного и сжатого природного газа в качестве моторного топлива для тепловозов, разрабатываемой совместно ОАО «РЖД», ОАО «Газпром» и администрацией Свердловской области. Реализация программы должна быть начата с внедрения сжатого природного газа, так как при этом меньше затраты на инфраструктуру; затем по мере накопления опыта работы с газомоторным топливом будет решен вопрос о широком применении сжиженного газа. Характерно, что на сегодня индекс энергоэкономической эффективности перевозок на газе даже при предполагаемом двукратном повышении цены на газ приближается к единице, т.е. энергетическая составляющая перевозок на газе будет почти такой же, как на электрической тяге.
Применение газотурбинной тяги позволит решить проблему согласования тяговых характеристик автономного и электрического тягового состава по осевой мощности, секционной мощности, скоростным характеристикам и унификации экипажа.
Изменится характер обслуживания и ремонта. Модульность конструкции, малые габариты и вес ГТД, доступность для осмотра, контроля и диагностики позволяют эксплуатировать двигатель по состоянию и сократить эксплуатационные расходы.
Возможность замены двигателя и его узлов двумя мотористами за 30 мин. повышает эксплуатационную готовность и надежность локомотивов, сокращает сроки окупаемости локомотива, позволяет проводить регламентные работы на двигателе, как в составе локомотива, так и на стенде в депо.
Существенно улучшается экологическая обстановка на линии и особенно в районе станции, так как ГТД хорошо согласуется с накопителями энергии, что позволяет стабилизировать режим работы двигателя в период отправления и прибытия поезда.
Непрерывность газодинамического процесса в ГТД позволяет перейти к широкому использованию твердых топлив или водоугольных эмульсий [2].
Список источников
1. Фофанов Г.А., Природный газ – моторное топливо для тепловозов. Вестник ВНИИЖТ – 2002, №4, стр. 15 - 18
2. Коссов Е.Е., Перец В.В., Перспективы применения газотурбинных двигателей на тяговом подвижном составе. Вестник ВНИИЖТ – 2000, №5, стр. 16 - 19
3. Калугин С.П., Перспективы применения на тепловозах альтернативных видов двигателей. Локомотив – 2000, №5, стр. 36 – 37
4. Бартош Е.Т., Газотурбовозы и турбопоезда. М., «Транспорт», 1978. 311 с.
5. Коссов В.С., Нестеров Э.И., Газотурбинная тяга: история и перспективы. Локомотив – 2005, №3, стр. 39-41
6. Коссов В.С., Нестеров Э.И., Газотурбинная тяга: история и перспективы. Локомотив – 2005, №4, стр. 37-40
7. Коссов В.С., Нестеров Э.И., Газотурбинная тяга: история и перспективы. Локомотив – 2005, №5, стр. 37-40
9. Седых А.Д., Роднянский В.М., Политика Газпрома в области использования природного газа в качестве моторного топлива. Газовая промышленность – 1999, №10, стр. 8-9
10. Кириллов Н.Г., Сжиженный природный газ – универсальный энергоноситель XXI века: новые технологии производства. Индустрия – 2002, №3 (29), стр. 113- 118
11. Кириллов Н.Г., Сжиженный природный газ: социальные, экологические и энергетические аспекты применения на транспорте. Индустрия – 2001, №4(26), стр. 59-63
12. Коссов Е.Е., Перспективы применения газотурбинных двигателей с использованием альтернативных топлив на железнодорожном транспорте. Конверсия в машиностроении – 2001, №1, стр. 43-46
Похожие рефераты:
Метрологическое обеспечение ремонта дизель-генератора специализированного серийного тепловоза ТЭП70
Проект реконструкции цеха первичной переработки нефти и получения битума на ОАО «Сургутнефтегаз»
Современные дизельные, судовые и тяжелые моторные топлива
Модернизация двигателя мощностью 440 квт с целью повышения их технико-экономических показателей
Моделювання робочого процесу чотирьохтактного дизеля
Расчет параметров рабочего процесса и выбор элементов конструкции тепловозного дизеля
Расчет параметров рабочего процесса и выбор элементтов конструкции тепловозного двигателя
Научно-технический прогресс газотурбинных установок магистральных газопроводов
Двигатели стирлинга. Области применения
Анализ эффективности работы двигателя внутреннего сгорания
Разработка окислительного нейтрализатора для дизельных двигателей
Расширение филиала "Шахта "Осинниковская" за счет ввода в отработку запасов филиала "Шахта "Тайжина"