| Похожие рефераты | Скачать .docx |
Дипломная работа: Установление периодичности, структуры и объема плановых замен деталей заднего моста, установленного на автомобиль МАЗ-5335
Федеральное агентство по образованию
Государственное образовательное учреждение высшего
профессионального образования
Ярославский государственный технический университет
Кафедра «Автомобильный транспорт»
Установление периодичности, структуры и объема плановых замен деталей заднего моста, установленного
на автомобиль МАЗ - 5335
Пояснительная записка к курсовой работе
по дисциплине « Техническая эксплуатация автомобилей »
ЯГТУ 190601.65 – 021 КР
Нормоконтролер Работу выполнил:
д.т.н., профессор студент группы АТ-45
Б. С. Антропов А.А.Перевозчиков
«___»__________2008 «___»________ 2008
2008
Федеральное агентство по образованию
государственное образовательное учреждение
высшего профессионального образования
«Ярославский государственный технический университет»
Кафедра «Автомобильный транспорт»
ЗАДАНИЕ №
на курсовую работу
студенту Перевозчиков А.А. факультет АМФ курс 4 группа АТ - 45
I . Тема работы и исходные данные
Регламентирование ремонтов деталей заднего моста, установленногона седельный тягач МАЗ - 5335
_____________________________________________________________
II. Представить следующие материалы:
1) текстовые
1 Расчетно-поянительную записку ____________________________________
2 Маршрутную карту разборки агрегата ______________________
2) графические
1 Чертеж агрегата в сборе _______________________________
_____________________________________________________________
III. Рекомендуемая литература и материал:
1 В.А. Бодров «Пособие к лабораторно – практическим занятиям по теоретическим основам технической эксплуатации автомобилей» ______________________________________________________2 «Автомобиль МАЗ - 5335 Руководство по эксплуатации», изд. Автоэкспорт ________________________________________
Дата выдачи задания 27.02.2008
Срок сдачи законченного проекта 25.05.2008
IV. Отметка о явке на консультацию:
1)___________________ 2)___________________ 3)____________________
4)___________________ 5)___________________ 6)____________________
Руководитель проекта В.А. Бодров
Зав. Кафедрой Б.С. Антропов
Задание принял к исполнению «27 » феврля 2008г
Студент____________
Реферат
___с., 9 рис., 11 табл., 5 источников, 3 прил.
ЗАДНИЙ МОСТ, РЕДУКТОР, ДИФФЕРЕНЦИАЛ, ГЛАВНА ПЕРЕДАЧА, ПОЛУОСЬ, САТТЕЛИТ, СТУПИЦА, ТОРМОЗНОЙ БАРАБАН.
Объектом исследования является задний мост автомобиля седельного тягача МАЗ – 5335
Цель работы – установить периодичность, структуру и объем плановых замен, разработать чертеж заднего моста со встроенным датчиком, разработка технологических процессов разборки для выполнения плановых замен в заднем мосту.
В процессе работы проводилось ознакомление и анализ учебной литературы, выбор определенных типовых конструкторских решений, расчет периодичности, структуры и объема плановых замен деталей в заднем мосту.
В результате проведенной работы был разработан чертеж заднего моста со встроенным датчиком, составлена технологическая карта разборки.
Основные конструктивные и технико-эксплуатационные показатели: относительно высокая производительность, надежность, технологичность, ремонтопригодность, минимальные габариты и масса, удобство эксплуатации, экономичность, техническая эстетика.
Содержание
деталь мост датчик автомобиль ремонт
Введение
1 Состояние системы ТО и Р, принятой в стране
1.1 Описание системы технического обслуживания и ремонта.
1.2 Недостатки системы ТО и Р и вызывающие их причины.
1.3 Перспективы совершенствования системы ТО и Р.
2 Создание информационной базы системы ТО и Р
2.1 Описание методов системы ТО и Р.
2.2 Общие положения по прогнозированию ресурса элементов агрегатов автотранспортных средств. .
2.3 Общая методика расчета теоретического ресурса деталей.
2.4 Результаты расчета теоретического ресурса
3 Установление структуры, объема и переодичности плановых замен
3.1 Общее положение.
3.2 Результаты установленной структуры, объема и переодичности плановых замен
4 Технология разборки заднего моста для проведения плановых
замен
Заключение.
Список использованной литературы.
Приложение А Результаты расчетов теоретического ресурса
Приложение Б Установление переодичности плановых замен деталей заднего моста МАЗ - 5335. Схемы экономического расчета.
Приложение В Задний мост автомобиля МАЗ – 5335 в сборе (спецификация)
Перечень графического материала
Лист 1 Задний мост автомобиля МАЗ – 5335 в сборе
Введение
В настоящее время, качество эксплуатационных нормативов (т. е. соответствие их конкретным моделям АТС и условиям эксплуатации), а также полнокомплектоность нормативов определяют уровень затрат на содержание автомобилей и существенно влияют на эффективность их использования.
Вместе с тем, традиционно действующие нормативы ТЭА нельзя назвать качественными практически до самого списания АТС. Причем затруднительно назвать уровень качества. А такие нормативы как структура, объем и периодичность плановых ремонтов (ПР), рекомендации по ремкомплектам на запасные части (ЗПЧ) для каждого ПР, экономические сроки службы агрегатов АТС не разрабатываются совсем, что не позволяет, в частности, обеспечивать безотказную работу автомобилей даже при идеальной организации технического обслуживания (ТО) на автотранспортных предприятиях. Кроме того, нормативы ТЭА длительное время разрабатываются и уточняются после начала серийного производства АТС.
Отмеченные недостатки системы ТО и ремонта вызывают неоправданное повышение затрат на содержание АТС, снижают эффективность и конкурентоспособность АТС.
Причинами упомянутых недостатков являются: неидентичность и несопоставимость методов учета внешних воздействующих факторов (ВВФ), несопоставимость и несовершенство классификаций условий, применяемых при оценке реализации показателей нормируемых свойств АТС, а также разработке и внедрении нормативов. Это сдерживает развитие методов долгосрочного прогнозирования ресурса элементов АТС и потребности в операциях ТО, затрудняет формирование банка данных необходимого для своевременной разработки качественных нормативов ТЭА и, в конечном счете, совершенствование самих методов нормирования.
Все это выдвинуло проблему повышения эффективности АТС на основе оптимизации эксплуатационных нормативов. Узловым вопросом проблемы является необходимость разработки такой системы описания многомерного факторного пространства, которая выступила бы в качестве единой методологической основы учета, оценки и классификации ВВФ, обеспечивающей решение всех задач проблемы.
1 Состояние системы ТО и Р, принятой в стране
1.1 Описание системы технического обслуживания и ремонта
Действующая система ТО и ремонта отличается простотой и совершенствуется по мере обновления АТС. Однако, значительная часть задач «системы», определяющей эффективность АТС, требует более оперативного решения.
Главной задачей является разработка полного комплекта качественных нормативов ТЭА к моменту выхода АТС в серию. Эта задача решается заводами-изготовителями либо по аналогии с предыдущими моделями АТС, что не дает необходимого качества нормативов, либо по результатам испытаний опытных образцов автомобилей, проводимой сферой производства по ездовым циклам на автополигонах. В этом случае не удается получить реализацию показателей нормируемых свойств во всем диапазоне условий назначения АТС, т. к. дороги, входящие в ездовой цикл, как и другие ВВФ оказывают суммирующее воздействие на тот или иной показатель надежности, т. е. мы имеем одну экспериментальную точку.
Управление техническим состоянием автомобильных транспортных средств (АТС) осуществляется посредством нормативов технической эксплуатации автомобилей (ТЭА). Поэтому для сокращения сроков освоения новых моделей АТС и достижения минимума затрат на их содержание в технически исправном состоянии (т.е. повышение эффективности использования АТС) необходимо обеспечить разработку полного комплекта нормативов ТЭА к моменту выхода АТС в серийное производство, а также обеспечить необходимое качество нормативов (т. е. соответствие их конкретным моделям АТС в условиях их эксплуатации).
Вместе с тем многообразие ВВФ затрудняет возможность аналитических решений задач в процессе создания и использования АТС, а при математическом планировании экспериментов предопределяет такой объем исследований, который невозможно реализовать ни по срокам, ни по стоимости. Это и привело к возникновению и довольно длительному господству концепции случайности изменения технического состояния АТС, которая создала много нежелательных последствий, проблемных ситуаций, задач и даже проблем.
Рассмотрим часть составляющих ущерба от упомянутой концепции:
1. Исследователь освобождается от учета ВВФ, что предопределяет эксперименты и обязательные их повторения в каждом предприятии, поскольку результаты исследований, полученные в одних условиях нельзя без ошибки перенести на другие условия.
2. Предопределено применение математического аппарата теории вероятностей, который не вскрывает причинно-следственных связей явлений, а такая информация не может удовлетворить специалистов по управлению надежностью АТС, которым нужно знать, как подобрать пары трения для заданного уровня надежности в конкретных условиях и как рационально использовать потенциальные свойства надежности автомобилей в конкретных условиях, путем разработки качественных эксплуатационных нормативов.
3. Нормативная документация не регламентирует приемлемые для практики методы учета ВВФ, поэтому некоторые исследователи применяют частные методы, которые неидентичные, несопоставимы, не обеспечивают полноту и системность учета факторов, что затрудняет объединение результатов исследований в едином банке.
4. Отсутствие системности в учете ВВФ затрудняет совершенствование методов прогноза реализации показателей надежности АТС в различных условиях и, следовательно, своевременное получение необходимой информации. Известные расчетные модели содержат показатели режимов работы машин, которые в эксплуатации никто замерять не будет, поэтому нужны модели, содержащие ВВФ, ибо они очевидны.
Таким образом, к началу серийного производства АТС не удается получить реализацию нормируемых свойств во всем диапазоне условий, т. е. сформировать необходимую информационную базу, что затрудняет возможность разработки полного комплекта качественных эксплуатационных нормативов для автомобилей с помощью выражения. [1]
1.2 Недостатки системы ТО и Р и вызывающие их причины
Действующие нормативы ТЭА нельзя назвать качественными практически до самого списания АТС. Причем затруднительно назвать уровень качества. А также нормативы как структура, объем, периодичность плановых ремонтов (ПР.), рекомендации по ремкомплектам на запасные части (ЗПЧ) для каждого ПР, экономические сроки службы агрегатов АТС не разрабатываются совсем, что не позволяет, в частности, обеспечивать безотказную работу автомобилей даже при идеальной организации технического обслуживания (ТО) а агропредприятиях (АП). Кроме того, нормативы ТЭА длительное время разрабатываются и уточняются после начала серийного производства АТС.
Отмеченные недостатки системы ТО и ремонта вызывают неоправданное повышение затрат на содержание АТС, снижает их эффективность и конкурентоспособность.
Причинами упомянутых недостатков являются: неидентичность и несопоставимость методов учета внешних воздействующих факторов (ВВФ), несопоставимость и несовершенство классификаций условий, применяемых при оценке реализации показателей нормируемых свойств АТС, а также разработке и внедрении нормативов. Это сдерживает развитие методов долгосрочного прогнозирования ресурса элементов АТС и потребности в операциях ТО, затрудняет формирование банка данных необходимого для своевременной разработки качественных нормативов ТЭА и, в конечном счете, совершенствование самих методов нормирования.
Все это выдвинуло проблему повышения эффективности АТС на основе оптимизации эксплуатационных нормативов. Узловым вопросом проблемы является необходимость разработки такой системы описания многомерного факторного пространства, которая выступила бы в качестве единой методологической основы учета, оценки и классификации ВВФ, обеспечивающей решение всех задач проблемы.
Действующая система ТО и ремонта отличается простотой и совершенствуется по мере обновления АТС. Однако, значительная часть задач «системы», определяющих эффективность АТС, требует более оперативного решения.
Главной задачей является разработка полного комплекта качественных нормативов ТЭА к моменту выхода АТС в серию. Эта задача решается заводами-изготовителями либо по аналогии с предыдущими моделями АТС, что не дает необходимого качества нормативов, либо по результатам испытаний опытных образцов автомобилей, проводимой сферой производства по ездовым циклам на автополигонах. В этом случае не удается получить реализацию показателей нормируемых свойств во всем диапазоне условий назначения АТС, т. к. дороги, входящие в ездовой цикл, как и другие ВВФ оказывают суммирующее воздействие на тот или иной показатель надежности, т. е. мы имеем одну экспериментальную точку. Существующие методы учета ВВФ не позволяют экстраполировать эту точку на весь диапазон условий, поэтому корректирующие коэффициенты к нормативам ТЭА назначаются одинаковыми для всех моделей АТС, в то время как интенсивность изнашивания различных агрегатов и автомобилей изменяются по-разному при одинаковом изменении условий. Это свидетельствует о том, что нормативы ТЭА не соответствуют не конкурентным моделям АТС, ни условиям эксплуатации. Упомянутое несоответствие усиливается следующим обстоятельством. Нормативы ТЭА разрабатываются применительно к общепринятой классификации условий, т.е. для категорий условий эксплуатации (КУЭ), не имеющих количественных показателей. В связи с этим при отнесении результатов исследований, полученных на дорогах полигона, имеющих конкурентные качественные характеристики, к какой-либо КУЭ сразу теряется конкурентность результатов по отношению к условиям, поскольку укрупненная оценка ВВФ по КУЭ и факторная количественная оценка плохо корреспондируется. Тоже можно сказать о деформации конкретности результатов исследований при отнесении их к соответствующим классам транспортных и климатических ВВФ.
Таким образом, при разработке нормативов ТЭА к моменту выхода АТС в серию их качество не может быть гарантировано. Кроме того, разрабатываются не все нормативы, необходимые для управления надежностью АТС.
Обеспечение качества нормативов ТЭА после начала серийного производства АТС. В связи с тем, что своевременная разработка полного комплекта качественных нормативов не обеспечивается с начала серийного производства, первые партии АТС направляются в экспериментальные или базовые автохозяйства (соответственно ЭПАХ или БАТХ) с целью накопления информации необходимой для доводки автомобилей, а также для уточнения и разработки традиционного комплекта нормативов ТЭА.
Оценка ВВФ при испытаниях в ЭПАХ осуществляется с применением общепринятых классификаций, т. е. по категориям условий эксплуатации и климатическим районам.
Однако интервалы изменения условий для каждой КУЭ не обозначены какими-либо количественными показателями. Кроме того, классификация не учитывает такие факторы как техническая категория дороги, степень ровности дорожного покрытия и его состояния по погодному признаку. Недостаточно дифференцированы типы условий движения (помехонасыщенности). В реальной эксплуатации это приводит к расширению диапазона КУЭ их пересечению и недостаточной различимости классов.
Фактическое расширение диапазонов КУЭ может привести к существенным ошибкам не только при выборе нормативов, но и при их разработке, поскольку в процессе эксперимента исследователь формально по сочетанию типов (системных звеньев) Приложение А относит условия испытаний АТС к середине той или иной КУЭ, а реализацию показателя нормируемого свойства может получить на границе или за пределами интервала КУЭ. Поэтому при расчете, например, поправочного коэффициента к какому-либо нормативу, когда нужно относить реализацию показателя нормируемого свойства в конкретной КУЭ к его базовой реализации, т. е. в первой КУЭ, неизбежно будет допущена ошибка, величину которой затруднительно установить.
При нормировании свойств АТС не применяется классификация, учитывающая все транспортные факторы. Остаются неучтенными показатели использования пробега, грузоподъемности и за незначительным исключением плечо перевозки, что естественно увеличивает несоответствие нормативов ТЭА условиям.
Классификация природно-климатических условий предусматривает деление территории страны на ряд климатических районов, пределы которых определяются границами административных районов, а не самими климатическими факторами. В связи с этим реализация нормируемых свойств в какой-либо представительной точке климатического района может существенно отличаться от реализации того же свойства по границам климатического района, что также внесет свой вклад в неопределенность нормативов ТЭА к условиям при их разработке и выборе.
Изложение показывает, что уточнение и разработка нормативов по результатам испытаний серийных моделей АТС в ЭПАХ, которые продолжаются 3-5 и более лет с применением для оценки ВВФ общепринятых классификаций предопределяет возможность получения некачественных нормативов ТЭА при их разработке и выборе.
Для упорядочения процесса разработки в рамках сложившихся обстоятельств с испытаниями АТС, НИИАТом создана система освоения новой автомобильной техники (СОАТ), которая охватывает весь период, начиная с проектирования, производства, эксплуатации и заканчивая списанием конкретных моделей автомобилей в виду физического и морального старения. Система состоит из одного подготовительного и четырех основных этапов. Основная задача СОАТ – поэтапная разработка норматива ТЭА. В конце четвертого этапа материалы, суммированные по ряду моделей АТС, позволяют разрабатывать предложения по совершенствованию «Положения», которое ранее выпускалось примерно раз в 10 лет.
Кроме того, заводы-изготовители постоянно совершенствуют эксплуатационные качества АТС. Значительная часть мероприятий реализуется промышленностью в этом направлении, существенно изменяет уровень потенциальных свойств автомобилей, что также вызывает необходимость уточнения нормативов ТЭА, но это не находит оперативного отражения в соответствующих инструкциях, поскольку ремонты нерегламентированы и требуется повторение исследований при каждой серьезной модернизации АТС.
В итоге можно заключить, что существующая система нормативного обеспечения не позволяет разрабатывать нормативы своевременно (т. е. к моменту выхода АТС в серию), а качество нормативов ТЭА не обеспечивается практически до их списания.
Последствия недостатков системы ТО и ремонта АТС следующие: сложившаяся система нормативного обеспечения предопределяет, каким образом длительность разработки и уточнения нормативов ТЭА и не гарантирует качество нормативов при их разработке и выборе для конкретных условий. Следовательно, в значительной части случаев управление техническим состоянием АТС будет осуществляться посредством некачественных нормативов, что принесет ущерб автотранспортному предприятию, как в связи с необоснованным повышением затрат при преждевременном ТО, так и с повышением интенсивности износов сопряжений АТС при запоздалом обслуживании и ремонте.
Отсутствии рекомендаций по структуре, объему и периодичности ПР приводит к тому, что даже при образцовой организации ТО не удается обеспечить безотказную работу АТС, т.е. достичь цели, предусмотренной системой ТО и ремонта, поскольку остается неизвестным когда и какие детали агрегатов АТС потребуют замены, затрудняется установление ремкомплектов ЗПЧ для каждого ПР, повышается интенсивность износа сопряжений, возникают сопутствующие простои на линии, в ожидании ремонта и простои из-за неполного ремонта. Исключается возможность целенаправленного диагностирования АТС и возникает необходимость проверки технического состояния каждого агрегата автомобиля перед каждым ТО-2, что увеличивает затраты на диагностирование. Выбор и применение диагностических средств затрудняется тем, что заводы- изготовители не дают информации о взаимосвязи диагностических и структурных параметров сопряжений, медленно внедряются средства встроенной диагностики.
Агрегаты АТС направляют в капитальный ремонт преждевременно, что создает совершенно неоправданные затраты.
Не обеспечивается возможность оценки роста затрат на ремонты по наработке, что снижает конкурентно способность АТС.
Отмеченные недостатки, в целом, приводят к многократному повышению затрат на функционирование автомобилей по сравнению с нормативными.
1.3 Перспективы совершенствования системы ТО и Р
В настоящее время, когда АП переходят на хозрасчет, роль качественных нормативов значительно возрастает, хотя бы потому, что прибыль между службами АП должна распределяться объективно.
Основная масса задач, направленных на устранение упомянутых недостатков, должна решаться заводами-изготовителями АТС, как это делается большинством автомобильных фирм, которые заботятся о конкурентоспособности своей продукции.
Но обстоятельства сложились так, что в нашей стране решение этих задач возложено на сферу эксплуатации АТС, при этом централизовано решается только часть вопросов и то с известной задержкой, поскольку все экспериментальные данные находятся у заводов- изготовителей.
Затруднено прогнозировать, в каком обозримом будущем решение будет упорядочено и возникает фирменное обслуживание АТС. Поэтому специалисты, занимающиеся управлением технического состояния АТС в любом случае должны не только владеть методиками решения задач нормативного обеспечения автомобилей, но и как в прошлом, так и теперь, решать практические задачи непосредственно в АП, с тем, чтобы обоснованно снижать затраты на содержание АТС в технически исправном состоянии. Это, в свою очередь, предопределяет необходимость организации инженерных наблюдений в АП.
Полный комплект нормативов ТЭА может быть разработан в процессе подготовки АТС к серийному производству, при условии своевременного создания исчерпывающего банка данных. Это возможно на основе более широкого использования экспериментальных данных заводов- изготовителей и совершенствования методов прогнозирования методов прогнозирования ресурса элементов автомобилей и потребности в операциях ТО для различных условий.
Достижение высокого качества нормативов ТЭА при их разработке и выборе конкретных условий, а также развитие методов прогнозирования, зависят от возможности сопоставления результатов исследований, получаемых на основе различных методов учета ВВФ. Поэтому требуется разработка такого метода, который выступил бы в качестве единой методологической основы, позволяющей идентифицировать различные методы учета ВВФ, оптимизировать существующие и разрабатывать, недостающие классификации условий, обеспечивая их количественной оценкой. И это узловая задача проблемы.
Для повышения эффективности АТС требуется также совершенствования и разработка методов нормативного обеспечения, например, структуры объемов и оптимальной периодичности ПР., нормирования расходов топлива и т.д. [1]
2 Создание информационной базы системы ТО и Р
2.1 Описание методов системы ТО и Р
Поскольку ВВФ оказывают существенное влияние на реализацию показателей нормируемых свойств АТС, важно осуществить их объективную оценку в процессе инженерных наблюдений, а также при разработке и выборе нормативов.
В настоящее время применяются 4 варианта описания условий эксплуатации АТС:
1. Качественное описание условий (категории условий эксплуатации, группы сложности транспортных условий, предусмотренное «Положением» климатические районы).
2. Оценка условий по косвенным признакам, когда используют обобщающие показатели свойств АТС, например, расход топлива, скорость, либо наработку АТС в моточасах или километрах без привязки к конкретным условиям.
3. Количественная оценка каждого учитываемого фактора (коэффициенты сопротивлению качению, использования пробега, грузоподъемности, помехонасыщенности, температуры окружающего воздуха и т.д.)
4.Оценка условий комплексными количественными показателями сложности условий (количественными интегральными показателями) отдельно дорожных, транспортных и климатических условий.
Метод ККО ВВФ обладает следующими преимуществами:
1. Обеспечивает снижение размерности факторного пространства длительности и объема испытаний до приемлемых величин с гарантией оценки влияния каждого отдельного фактора, вошедшего в КИП. Иллюстрацией снижения размерности может служить сравнение моделей 2.1 и 2.3.
2. Дает возможность отказа от концепции случайности изменения технического состояния АТС и соответствующего ей шлейфа нежелательных последствий.
3. Обеспечивает полноту, однозначность и системность учета ВВФ, исключает дублирование условий при исследованиях и позволяет представлять результаты исследований функциями от соответствующих шкал дорожных – Кд , транспортных – Ктр. , климатических – Ккл. условий, либо одно- и многофакторными уравнениями регрессии разных порядков.
4. Позволяет своевременно формировать исчерпывающий банк данных на основе прогноза и идентификации априорной информации, оптимизировать общепринятые классификации условий, разработать прогрессивные методы нормативного обеспечения и расчетные модели реализации свойств надежности в различных условиях.
5. Дает возможность сопоставлять отечественные и зарубежные классификации и приводить в соответствие с условиями конкретной страны эксплуатационные нормативы при экспорте и импорте АТС без дополнительных экспериментов.
6. Позволяет корректировать нормативы ТЭА с учетом условий при зарубежных поездках, используя, например, строительные нормы и паспорта дорог для определения их показателей сложности Кд . [1].
2.2 Общие положения по прогнозированию элементов агрегатов автотранспортных средств
Эффективное использование автомобилей в период их освоения (т.е. с начала серийного производства) и в дальнейшем зависит от своевременной разработки качественных нормативов ТЭА и потенциальных свойств, заложенных в конструкцию при проектировании и обеспеченных в процессе производства. Для разработки, например, таких нормативов как структура, объем и периодичность выполнения комплексов ТО и плановых ремонтов к моменту выхода АТС в серийное производство необходима информация о реализации потребностей в операциях ТО и ресурса элементов АТС во всем диапазоне условий эксплуатации, для которых предназначен автомобиль. Однако результаты усеченных эксплуатационных (полигонных) испытаний опытных образцов АТС по ездовым циклам дают только одну точку, которую, к тому же, весьма сложно отнести к какой либо категории условий эксплуатации при проведении ее к базовым условиям, т.е. первой КУЭ. Это вызывает множество нежелательных последствий, подробно рассмотренных в первой работе.
Информация о реализации показателей нормируемых свойств своевременно и во всем диапазоне условий эксплуатации может быть получена на основе прогноза. Вместе с тем, известные до настоящего времени методы прогнозирования не связывают результаты прогноза с условиями эксплуатации, либо предопределяют, необходимость обширных исследований, которые реально могут быть проведены только после начала серийного производства АТС, что вызвано отсутствием системности в учете ВВФ.
Поэтому на основе комплексной оценки ВВФ, обеспечивающей системность учета условий (т.е. позволяющей планировать исследования и исключающей случайное дублирование условий) и синтез результатов испытаний (стендовых, режимометрических и усеченных эксплуатационных) опытных образцов АТС, разработан метод прогнозирования потребности в операциях ТО и ресурса деталей агрегатов АТС, что является развитием методики опубликованной в источнике.[1]
2.3 M етодика расчета теоретического ресурса
Для упрощения понимания методики рассмотрим ее на примере прогнозирования ресурса деталей АТС с указанием в тексте условий ее применения, связанных с прогнозом потребности в операциях ТО.
Предлагаемый экспериментально – расчетный метод прогнозирования ресурса деталей базируется на более широком использовании (чем это делается в настоящее время) результатов традиционных исследований, проводимых в процессе подготовки АТС к серийному производству. Общая блок – схема алгоритма прогнозирования ресурса деталей агрегатов АТС приведена на рисунке 1.[1]

Рисунок 1 – Алгоритм прогнозирования ресурса деталей агрегатов АТС
Согласно алгоритма (рисунок 1) прогнозирование необходимо начинать с установления характера работы и вида повреждаемости деталей, поскольку именно эти моменты предопределяют выбор или разработку конкретного обобщающего критерия потенциальной долговечности (ОКД) деталей агрегатов АТС. А поскольку ОКД может быть несколько, то при их определении необходимо соблюдать следующие общие требования:
- обобщающий критерий долговечности должен определяться экспериментально – расчетными методами, либо непосредственным замером;
- диапазон реализации ОКД должен определяться по результатам стендовых испытаний на реальных эксплуатационных режимах;
- ОКД должен быть аналитически взаимосвязан с конкретными показателями исследуемого эксплуатационного свойства АТС и иметь определенный уровень реализации.
Рассмотрим порядок прогнозирования ресурса элементов АТС (рисунок 1а) на примере деталей, подверженных естественному износу.
В качестве ОКД, удовлетворяющему этому виду повреждаемости и упомянутым требованиям, предлагается величина ресурсной работы, которая может быть определена из выражения:
АРСТ
j
=
= ТТ
j
· ауср
i
, (1)
где АРСТj - работа, совершаемая двигателем до предельного износа j – и детали (ресурсная работа), Дж;
JПДj - величина предельно – допустимого износа j – й детали, мкм (указывается в конструкторской документации);
UjCT – интенсивность изнашивания j – и детали за время стендовых испытаний, мкм/Дж;
Ттj – средний ресурс j – и детали (теоретический) в заданных условиях эксплуатации, М;
аycpi – средняя удельная работа, совершаемая двигателем на маршруте испытаний АТС, Дж/м.
Понятие теоретический ресурс Ттj введено для осуществления прогноза на основе относительных характеристик, поскольку он достаточно оперативно может быть определен из выражения (1). Теоретический ресурс деталей пропорционален удельной работе совершаемой каким - либо агрегатом автомобиля, содержащим эти детали.
Если эксплуатационный ресурс учитывает влияние всех значимых факторов, то теоретический отражает влияние только тех факторов, которые определяют удельную работу, а следовательно, и работу, которую может совершить агрегат до предельно – допустимого износа J – и детали. Совершаемая агрегатом работа образует свою долю в общем износе детали до предельного состояния. Если вычислить ресурс детали, которая изношена под влиянием только совершаемой работы, то это и будет теоретический ресурс.
Далее в соответствии с алгоритмом (рисунок 1) необходимо проанализировать методы испытаний АТС и их агрегатов, результаты которых позволяют получить исходную информацию для осуществления прогноза, при этом должны соблюдаться следующие условия:
- результаты прогноза необходимо получать до выхода АТС и их агрегатов в серийное производство;
- прогнозная информация должна соответствовать конкретным сочетаниям ВВФ и быть достоверной.
Выполняя условие оперативности прогноза и учета, достигнутого при проектировании уровня потенциального ресурса, по результатам стендовых испытаний определим следующие параметры:
AU = 3,6·106 ·Nср ·tu , (2)
где Аu – полезная (эффективная) работа двигателя за период стендовых испытаний, Дж;
Ncp – средняя мощность двигателя на режиме испытаний, кВт;
Tu – время испытаний, ч.
UjCT =JjCT /AU , (3)
где JjCT – средний износ j – и детали за время испытаний, мкм.
Для обеспечения соответствия результатов прогноза конкретные сочетанием ВВФ необходимо по результатам режимометрирования АТС, проводимого на основе оценки условий комплексными количественными показателями сложности, вычислить среднюю удельную работу aуср.j, используя выражение (4).
aуср.j= 1000Nei / Vi, (4)
где aуср.j – средняя удельная работа совершаемая двигателем АТС, при i-м сочетании ВВФ, Дж/м;
Nei – средняя мощность развиваемая двигателем АТС, при i-м сочетании ВВФ, кВт;
Vi – средняя техническая скорость АТС, при i-м сочетании ВВФ, м/с.
С позиций выполнения условий достоверности результатов прогноза воспользуется результатами усеченных эксплуатационных испытаний и вычислить следующие показатели:
Аэi =ауср.j·Iui, (5)
где Аэi – полезная (эффективная) работа совершаемая двигателем за период усеченных эксплуатационных испытаний, Дж.
Iui – пробег АТС за период испытаний при определенном сочетании КИП, м.
Iui=Tu·Vср.i, (6)
где Tu - время эксплуатационных испытаний, с.( tu ≤Tu);
Vср.i - средняя техническая скорость АТС, м/с.
Ujэu=Jjэu/Aэu (7)
где Ujэu – интенсивность изнашивания j-и детали за период эксплуатационных испытаний, мrм/Дж;
Jjэu – средний износ j-и детали за период эксплуатационных испытаний, мкм.
Определив, таким образом, параметры загруженности детали, оценив интенсивности их повреждаемости, определим с начало с помощью выражения (1) значение ОКД, а затем и коэффициент приведения.
Сji = Ujcт/ Ujэ , (8)
где Сji – коэффициент приведения интенсивности изнашивания от стендовых испытаний.
При использовании стендовых испытаний, проводимых на форсированных режимах, не встречающихся в реальной эксплуатации, необходимы результаты форсированных испытаний приводить к реальным режимам, сопоставляя износ с ОКД и вычисляя коэффициенты ускорения, а затем и приведения.
Коэффициенты приведения Сji могут быть вычислены как отношение эксплуатационного ресурса Тэji, поэтому прогнозирование эксплутационного ресурса на основе синтеза результатов с учетом уравнения будет осуществляться с помощью выражения:
Тэji=(Арстj/аусрi)·Сji, (9)
где Т эji – эксплуатационный ресурс j-и детали двигателя при I-м сочетании Кд, Ктр, Ккл.
Выражение (9) может быть записано в следующем виде:
Тэji=Т тji·Сji. (10)
Таким образом, используя результаты испытаний, проводимых в процессе подготовки АТС к серийному производству, можно вычислить теоретический ресурс, находить коэффициенты приведения и осуществлять прогнозирование эксплуатационного ресурса для различных сочетаний КИП.
Прогнозирование ресурса элементов АТС, можно осуществлять, используя теорию подобия, на основе которой, зная поведение модели, можно знать, как будет себя вести натура. Теория подобия размерности может быть применена не только для расчета основных параметров и анализа их взаимосвязи, но и оценки реализации эксплуатационных качеств.
Учитывая это, экспериментальные данные, накопленные на автомобили, приняты при проектировании за прототипы и базовые модели, могут быть использованы для прогнозирования уровня реализации эксплуатационных качеств соответственно новых АТС и модификаций.
Будет справедливо, например, выражение:
Тэjб /Тэj м =Ттjб /Ттjм, (11)
где Тэjб, Тэj м – эксплутационный ресурс j-и детали агрегата соответственно базовой модели АТС и модификации для определенного сочетания КИП;
Ттjб, Ттjм - теоретический ресурс той же детали агрегата базовой модели АТС и модификаций в тех же условиях модификации.
Если значение ресурса Тэjб выразить согласно уравнению (10) как произведение Ттjб на Сjб, то, преобразовав равенство (11), эксплуатационный ресурс модификации можно определить:
Тэj м = Ттjм ·Сjб. (12)
В выражении (12) теоретический ресурс элементов модификации АТС определяется по изложенной выше методике, а коэффициент приведения Сjб берется из банка данных. Это говорит о возможности исключения для модификации АТС усеченных эксплуатационных испытаний.
Однако, использование Сjб для прогноза искажает результаты, ибо характер протекания реализации ресурса детали базовой модели АТС и модификаций не идентичен. Чтобы этого избежать необходимо пользоваться средним значением Сjб, поскольку функции эксплуатационного и прогнозируемого эксплуатационного ресурса детали от соответствующих шкал КИП, как правило пересекаются.
Изложенный экспериментально-расчетный метод позволяет осуществлять прогнозирование ресурса детали агрегата АТС для ряда вариантов:
1. базовый агрегат в составе базового АТС;
2. базовый агрегат в составе I-и модификации АТС;
3. модифицированный агрегат в составе базового АТС;
4. модифицированный агрегат в составе I-и модификации АТС.
Использование изложенной методики для прогнозирования потребности в операциях ТО потребует выбора или разработки соответствующих ОКД и введение понятия теоретическая потребность в операциях ТО (регулировочных, крепежных, смазочных и т.д).[1]
2.4 Результаты расчета теоретического ресурса
Расчет проведем на примередиаметра шейки под подшипник чашек дифференциала. Остальные расчеты выполним с помощью созданной на компьютере программы.
В течение периода работы заднего моста диаметр шейки подвергается постепенному износу. Для определения теоретического ресурса диаметра шейки воспользуемся одним из наиболее длительных стендовых испытаний на безотказность по ГОСТ 14846-81 на режимах максимальной мощности проведенных на ЯМЗ. Режим испытания состоит из работы двигателя на максимальной мощности 95% и работая на холостом ходу 5%. Суммарная продолжительность испытаний – одна тысяча часов. Максимальная мощность двигателя ЯМЗ - 236 составляет 132, кВт. Для заднего моста автомобиля МАЗ – 5549 соответственно аналогичное значение.
Используя формулу 2, определим работу, совершаемую задним мостом за время испытаний:
AU = 3,6·106 ·132,4·0,95·1000 = 4,528·1011 Дж.
Из выражения 3 определим интенсивность износа диаметра шейки
UjCT =5/4,528·1011 = 1,1042·10-11 мкм/Дж.
На основании формулы 1 определим работу заднего моста, совершаемую до предельного износа диаметра шейки:
АРСТ
j
=
= 2,8979·1012
Дж.
Для диапазонов Кд = 6,15; 9,4; 14,6 (Ктр = 2,33; Ккл = 2,4 - const) рассчитаем значения удельной работы, совершаемой задним мостом при соответствующих сочетаниях ВВФ базовой модели АТС и модификации соответственно используя уравнения регрессии, приведенного
в источнике [1]:
ауб = 6,595 -0,42·Кд + 1,45·Ктр – 2,89·Ккл + 0,053·К2 д – 0,024·К2 тр + 0,805· К2 кл + 0,021·Кд ·Ктр + 0,018·Кд ·Ккл – 0,05·Ктр ·Ккл .
Кд = 6,15:
ауб1 = 6,595 -0,42·6,15 + 1,45·2,33– 2,89·2,4+ 0,053·6,15·6,15– 0,024·2,33·2,33+ 0,805·2,4·+ 0,021·6,15·2,33+ 0,018·6,15·2,4– 0,05·2,33·2,4 = 7,252598;
ауб2 = 6,595 -0,42·9,4 + 1,45·2,33– 2,89·2,4+ 0,053·9,4·9,4– 0,024·2,33·2,33+ 0,805·2,4·+ 0,021·9,4·2,33+ 0,018·9,4·2,4– 0,05·2,33·2,4 = 8,865508;
ауб3 = 6,595 -0,42·14,6 + 1,45·2,33– 2,89·2,4+ 0,053·14,6·14,6– 0,024·2,33·2,33+ 0,805·2,4·+ 0,021·14,6·2,33+ 0,018·14,6·2,4– 0,05·2,33·2,4 = 13,77498;
Теоретический ресурс работы диаметра шейки определим через следующее соотношение:
Тэ ji =Арст j /ауср i . (13)
Ттб1 = 2,8979·1012 /7,252598= 399,5769571 тыс. км;
Ттб2 = 2,8979·1012 / 8,865508 = 326,8815582тыс. км;
Ттб3 = 2,8979·1012 / 13,77498= 210,3792727тыс. км.
Эксплуатационный ресурс определим по формуле 10 (Сб = 0,43; 0,49; 0,7).
Тэб1 = 146,3704·0,43 = 171,8181тыс. км;
Тэб2 = 130,0281·0,49 = 160,172тыс. км;
Тэб3 =104,7592 ·0,7 = 147,2655тыс. км.
Таблица 1 – Результаты расчета ресурса диаметра шейки под подшипник чашек дифферинциала
Ресурс детали, 103 км МАЗ 5335 |
|||
| Кд | Ттб | Тэб | Сб |
| 6,15 | 399,577 | 171,8181 | 0,43 |
| 9,4 | 326,8816 | 160,172 | 0,49 |
| 14,6 | 210,3793 | 147,2655 | 0,7 |

Кi =Тi /Тб : К1 =Т1 /Тб =1; К2 =Т2 /Тб =0,93; К3 =Т3 /Тб =0,857
Расчет ресурса других определяющих деталей приведен в приложении А
3 Установление структуры, объема и переодичности плановых замен
3.1 Общее положение
Экономические, материальные и технические возможности не позволяют решать задачу обеспечения равной износостойкости АТС. Кроме того, широкое разнообразие ВВФ приводит к дополнительному рассеиванию ресурса деталей автомобилей.
Все это вызывает необходимость замены ряда деталей агрегатов в процессе эксплуатации, что образует определенную структуру ремонтов по каждой модели АТС. Количество ремонтов в структуре, а также трудовые и материальные затраты предопределяют потенциальную эффективность использования каждой модели АТС.
Поэтому снижение потока отказов, трудоемкости ремонтных работ и простоев АТС необходимо осуществлять на основе выявления и анализа экономически целесообразных плановых ремонтов.
Установление плановых ремонтов АТС целесообразно вести в два этапа. На первом этапе первоочередной задачей является установление стратегий замен деталей агрегатов АТС. Решение этой задачи начинается с выделения вариантов ресурсных групп (РГ) деталей агрегата на основе прогнозной информации. При этом ресурс, деталей конкретного агрегата, рассчитанный для базового сочетания КИП, расположим на параллельных линиях в порядке возрастания. Это позволит установить ресурсные группы и в каждой из них элемент с наименьшим ресурсом, замена которого будет определять необходимость проведения работ конкретного вида.
При установлении деталей, определяющих ситуацию замен, необходимо, чтобы Т’о ≤ Тi < Т’’о , где Т’о , Т’’о - ресурс деталей, определяющих ситуацию замен соответственно по устанавливаемой и последующей РГ; Тi – ресурс i – и детали, входящей в устанавливаемую РГ. Кроме того, величина То должна быть установлена для уровня вероятности безотказной работы не менее 90%.
Но может возникнуть трудность в отнесении какого-либо элемента к той или иной РГ, поскольку замена ряда деталей с определяющей приведет к недоиспользованию их ресурса, и эта потеря должна быть минимальной (или устраняется во время проводки) при минимуме разборочно-сборочных работ агрегата. Поэтому задача оптимизации количества новых замен (ПЗ) деталей агрегата сводится к минимизации целевой функции суммарных удельных затрат на замену за период с начала эксплуатации агрегата до необходимости замены элемента, определяющего n-ю (конечную) ситуацию замен в i-м варианте количества РГ. [1]
n
Σ (Cgj +Cз j +Cyj )Knj
i=1
C Σi = -------------------------------- → min , (14)
To max i
где CΣi – суммарные удельные затраты на замену деталей при i-м варианте
РГ, руб/км;
Cgi – стоимость заменяемых деталей по j-и РГ, руб.;
Cз j – стоимость работ по замене деталей по j-и РГ, руб.;
Cyj – убытки от простоя АТС, связанные с заменой деталей j-и группы, руб.;
Knj – коэффициент повторяемости замен деталей по j-и РГ в пределах наработки равной Tomaxi;
Тo max i – ресурс детали, определяющей n-ю (конечную) ситуацию замен в i-м варианте количества РГ, тыс. км.
Стоимость работ по замене деталей устанавливают по результатам оценки показателей ремонтопригодности опытных образцов АТС или путем применения действующих нормативов по соответствующим трудозатратам и тарифно-квалификационным нормативам.
Коэффициент повторяемости замен деталей Knj определяется из выражения:
To max i - Toj
Knj = 1 + -----------------, (15)
Toj ∙ Kpj
где Toj – ресурс определяющей детали j-и РГ, тыс. км;
Kpj – коэффициент, учитывающий величину вторичного ресурса определяющей детали j-и ресурсной группы; определяется отношением вторичного ресурса к первичному.
Сопоставляя рассчитанные на ЭВМ затраты (выражение 14) на плановые замены деталей по вариантам ресурсных групп, отыщем для каждого агрегата вариант с минимальными удельными затратами С который и будет оптимальным по количеству ПЗ. Так устанавливают структуру и объем замен деталей агрегатов АТС.
При решении задачи оптимизации количества ПЗ деталей, агрегатов можно оперировать теоретическим ресурсом деталей, а прогнозирование эксплуатационного ресурса осуществляется только для определяющих деталей.
Объем и количество групп операций ТО агрегатов определяется на основе прогноза потребности в операциях ТО по аналогии с объемом и количеством ПЗ деталей. Однако, может оказаться, что вариант с минимальными затратами содержит максимальное количество групп операций ТО, что будет вызывать увеличение простоев АТС. Поэтому при окончательном выборе нужно сравнивать интенсивность снижения затрат по вариантам и остановиться на таком, затраты по которому отличаются от минимальных незначительно, а количество групп значительно меньше.
Все это дает возможность своевременно устанавливать экономические сроки службы агрегатов. [1]
3.2 Результаты установленной структуры и объемов плановых замен
Для осуществления расчетов необходима информация: стоимость новых деталей для замены (приложение Г), нормы трудоемкости на проведение работ (приложение Д); тарифные ставки для соответствующих разрядов (приложение Е).
Для установления структуры и объёма плановых замен, в соответствии с методикой, изложенной в разделе 3, на основе расчёта теоретического ресурса (см. пункт 2.4), возникает необходимость выделения вариантов сочетаний деталей в размерных группах. И затем по каждому варианту необходимо произвести экономический расчет затрат на замену деталей.
Экономический расчет по первому варианту (см. рисунок 1)
Ресурсная группа 1
Таблица 2 – Перечень заменяемых деталей первой ресурсной группы
Расчет общих затрат на замену деталей:
Cз3 = 1,23·72,5+ 0,3·65 = 108,7 руб.
= 1,53
Определим коэффициент повторяемости замен деталей Knj
.
Определяем суммарные удельные затраты на замену деталей, имея информацию о том, что один час простоя составляет 1062,5 руб.
27,1 руб/км.
руб/км.
Таким образом сочетание деталей во второй ресурсной группе наиболее выгодны т.к. суммы затрат являются минимальными, т.е. второй вариант будем считать плановыми заменами. Для контроля износа определяющей детали по плановой замене номер 2, контролируем плановый износ гнезда подшипника вала ведущей шестерни и устанавливаем на него датчик (приложение Б). Таким образом установлены структура и объем плановых замен. Далее необходимо установить переодичность выполнения каждой плановой замены. Для этого необходимо спрогнозировать эксплуатационный ресурс детали определенной плановой замены, который приведен на рисунке 2 и приложении А.
4 Технология разборки заднего моста для выполнения плановой замены
Разборку заднего моста производите в следующем порядке:
Задний мост является ведущим и состоит из центрального редуктора и двух планетарных колесных передач.
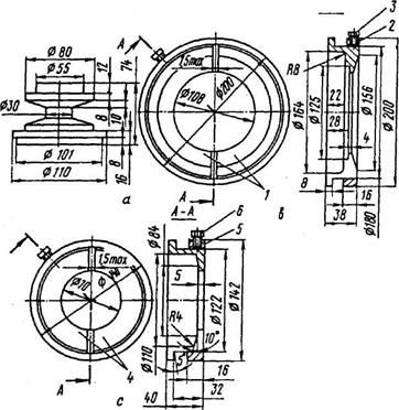
Центральный редуктор состоит из пары конических шестерен с круговыми зубьями и межколесного конического дифференциала. Устройство центрального редуктора заднего моста показано на рисунке 2.
Колесная передача (рисунок 3) представляет собой планетарный редуктор, состоящих из прямозубых цилиндрических шестерен с внешним и внутренним зацеплением. Ведущая шестерня 4 установлена на шлицах полуоси 6.
Сателлиты 14 на подшипниках качения установлены на осях 10, закрепленных в гнездах водила 12, которое крепится к кольцу ступицы задних колес.
Ведомая шестерня 15 внутреннего зацепления посредством ступицы 16 установлена на шлицевом конце цапфы картера и удерживается от осевого перемещения гайками 2 и 23. Перемещение полуоси 6 ограничивается сухарем 7 и упором 8 полуоси.

Рисунок 2- Центральный редуктор заднего моста: 1,19 - полуоси; 2,23 - чашки дифференциала; 3 - шестерня ведомая; 4,7,22 - подшипники; 5 - шестерня ведущая; 6,16- прокладки регулировочные; 8 - сальники; 9- фланец; 10- гайка; 11 - шайба; 12 -уплотнитель; 13 -крышка; 14- болт, 15- картер подшипников; 17- сателлит; 18 -кольцоупорное; 20 тайка подшипника дифференциала; 21 - крышка подшипника; 24 - крестовина; 25 - шестерня полуосевая; 26 - шайба; 27 - стопор гай-ки подшипника; 28 - картер моста

Рисунок 3- Колесная передача:1 - шайба; 2,33 - гайки; 3,5 - пробки; 4 - шестерня ведущая; 6 - полуось; 7 - сухарь; 8 - упор полуоси; 9 - крышка; 10, 22 - оси; 11 - подшипник игольчатый; 12 - водило; 13 - кольцо уплотнительное; 14 - сателлит; 15 - шестерня ведомая; 16,17- ступицы; 18 - подшипник; 19,20 - болты; 21 - щит; 24 - пружина; 24 - кулак разжимной; 25 - маслоуловитель; 26 - сальник; 27 - крышка сальника; 28 - колодка тормозная; 29 - барабан тормозной; 30 - болт, 31 - подшипник; 32 - кольцо уплотнительное
Ремонт ведущих мостов заключается в замене изношенных или поврежденных деталей
Разборку центральных редукторов среднего и заднего мостов рекомендуется производить с помощью универсального съемника (рисунок 4) и комплекта оправок (рисунок 5) к нему.
Замена сальников . Для замены сальников ведущей конической шестерни выполните следующее:
-отсоедините карданный вал;
расшплинтуйте и отверните гайку крепления фланца 9, снимите уплотнитель и фланец;

Рисунок 4- Универсальный съемн ик для снятия подшипников среднего и заднего мостов: 1 - рукоятка; 2- винт; 3- палец; 4 -шплинт; 5 - шайба; 6 - пята; 7 - кольцо; 8-захват;9-болт; 10-траверса
-отверните болты и снимите крышку 13 с сальниками;
-замените сальники, заполнив их внутренние полости смазкой литол-24, соберите узел в обратном порядке. Сальники запрессовывают в крышку до упора в опорный буртике помощью оправки. Гайку 10 крепления фланца затяните (момент затяжки 441-588 Н м (44-59 кгс м) и зашплинтуйте
Снятие редуктора. Для снятия регулятора выполните следующее:
- слейте масло из картера моста (вывернув сливную и заливную пробки);
-отсоедините карданный вал;
-снимите крышки 9 колесных передач, выньте полуоси вместе с ведущими шестернями 4 колесных передач;

Рисунок 5- Оправка для запрессовки сальников в крышки среднего и заднего мостов:1 - оправка; 2, 3 - сальники; 4 - кольцо; 5- крышка
![]() |
Рисунок 6- Комплект оправок куниверсальному съемнику для снятия подшипников среднего и заднего мостов: а - опора для снятия внутреннего кольца подшипника дифференциала и внутреннего кольца наружного подшипника ступицы среднего и заднего мостов; в - оправка для снятия внутреннего кольца внутреннего подшипника ведущей шестерни; с - оправка для снятия внутреннего кольца наружного подшипника цилиндрической шестерни среднего моста; d - опора для снятия внутреннего кольца цилиндрического подшипника межмостового дифференциала; 1,4- полукольца; 2,5- кольца; 3,6- болты
- отверните гайки шпилек крепления редуктора к картеру моста (за исключением двух верхних). После этого подкатите тележку с подъемником под редуктор и, обеспечив надежную опору редуктора на тележке, отверните оставшиеся две верхние гайки, затем с помощью двух демонтажиых болтов от фланца крепления редуктора к картеру моста снимите редуктор.
Разборка редуктора. Разборку редуктора производите на специальном поворотном стенде. При отсутствии стенда можно использовать низкий столик - верстак высотой 500-600 мм.
Последовательность разборки редуктора следующая
-снимите ведущую шестерню 5 с подшипниками в сборе;
-снимите стопоры и выверните гайки 20 подшипников дифференциала;
-снимите крышки 21 подшипников дифференциала;
-отверните гайки болтов крепления чашек дифференциала и с помощью демонтажных болтов разберите дифференциал (снимите сателлиты, полуосевые шестерни, упорные шайбы);
-снимите при необходимости подшипники 22 дифференциала с помощью съемника (рисунок 7);

Рисунок 7- Снятие внутреннего кольца подшипника дифференциала: 1 - съемник; 2 - упор; 3 - кольцо подшипника внутреннее
зажмите ведущую шестерню в тисках, губки которых покрыты накладками из мягкого металла, и снимите фланец 9 ведущей шестерни, и крышку 13 с сальником;
-снимите корпус 15 с подшипниками;
-снимите внутреннее кольцо конического подшипника с вала ведущей шестерни с помощью съемника (рисунок 8);

Рисунок 8- Снятие внутреннего кольца внутреннего подшипника ведущей шестерни заднего моста: 1- съемник; 2- кольцо подшипника внутреннее; 3- оправка
при необходимости выпрессуйте наружные обоймы подшипников ведущей шестерни из корпуса подшипников с помощью съемника без кольца (рисунок 9);

Рисунок 9- Снятие наружных колец подшипников ведущей шестерни среднего и заднего мостов:1- гайка; 2 - съемник; 3 - захваты; 4 - болты; 5 - скалка; 6, 9 - кольца; 7 - упор; 8 - кольцо подшипника наружное
Разобранные детали центрального редуктора промойте и тщательно осмотрите. Проверьте состояние рабочих поверхностей подшипников: на них не должно быть выкрошенных мест, трещин, вмятин, шелушений.
Зубья шестерен не должны иметь сколов и обломов, трещин, выкрашивая цементационного слоя, а также раковистой сыпи. При незначительной ступенчатой выработке зубьев ступеньки зачистите. Снимите и зачистите забоины и заусенцы на зубьях шестерен. Износ зубьев конических шестерен по толщине характеризуется величиной бокового зазора при правильно отрегулированном зацеплении (по пятну контакта). При повышенном шуме шестерен центрального редуктора величина бокового зазора 0,8 мм может служить основанием для замены конической пары шестерен.
В случае необходимости замены одной из шестерен заменяйте комплектно ведущую и ведомую конические шестерни, так как на заводе они подобраны попарно по пятну контакта, боковому зазору и их маркируют одинаковым номером.
При осмотре деталей дифференциала обратите внимание на состояние поверхности шеек крестовины, отверстий и сферических поверхностей сателлитов, опорных поверхностей полуосевых шестерен, опорных шайб и торцевых поверхностей чашек дифференциала.
Эти поверхности не должны иметь задиров.
В случае значительного износа или ослабления посадки втулки сателлита замените ее.
Обработку новой втулки производите после запрессовки ее в сателлит до диаметра (32±0,05) мм.
При значительном износе бронзовых опорных шайб полуосевых шестерен последние подлежат замене. Толщина новых бронзовых шайб -1,5 мм.
Чашки дифференциала заменяйте комплектно при необходимости замены одной из них.
Заключение
Таким образом, выполненная курсовая работа, еще раз обращает внимание на недостатки действующей системы ТО и Р в России.
Некачественные нормативы периодичности технического обслуживания приводят к необоснованному повышению затрат как при преждевременном обслуживании, так и с повышением интенсивности износа сопряжений при запоздалом техническом обслуживании. Секретом ни для кого не является, что одним из наиболее перспективных методов получения прибыли является снижение затрат на производстве. А в связи с этим, в настоящее время для восстановления конкурентоспособности отечественного производителя необходим коренной переход к применению современных методик при проектировании АТС и их эксплуатации на АТП.
Список литературы
1. Пособие к лабораторно-практическим занятиям по теоретическим основам технической эксплуатации автомобилей: Учеб. пособие/В.А. Бодров и др.; Под общ. Ред. В.А. Бодрова. – Яросл. Гос.техн. ун-т.-Ярославль, 2001.-50с.
2. Справочник работника кадровой службы, М. 2006.
3. Единый тарифно-квалификационный справочник работ и профессий, изд.: М., 1990.
4. Горев А.Э. «Грузовые автомобильные перевозки», изд.: М, 2004.
5. Малышев А.И. «Экономика автомобильного транспорта», изд.: М, 1983.
6. www. Jamz. Ru
7. “Датчик измерительных систем”: М., в 2-х книгах. Кн.1 1992., ил., 530с
8. Лукинский , Зайцев : “Прогнозирование ресурса автомобилей”.
Приложение Б
Таблица 9 – Прайс – лист цен на детали заднего моста
|
Приложение В
Таблица 10 – Нормы трудоемкости при проведении замены деталей
| N | Единица объема работы | Содержание работы | Количество деталей | Разряд рабочего | Норма времени на единицу объема работы, чел-ч. |
| Разборка на узлы и детали | |||||
| 1 | Мост задний с рессорами в сборе | Установить на стенд при помощи подъемного механизма | 2 | 4 | 4.62 |
| 2 | Мост задний | Открепить и снять | 1 | 4 | 4.25 |
| 3 | Редуктор | >> | 1 | 4 | 1.95 |
| 4 | >> | 1 | 3 | 0,1 | |
| 5 | Колесо заднее | >> | 1 | 4 | 0.40 |
| 6 | Ступица с тормозным барабаном | Отрегулировать подшипники при снятых колесах | 1 | 5 | 1.23 |
| 7 | Сальник ступицы | заменить | 1 | 4 | 0.22 |
| 8 | Подшипник ступицы заднего колеса | заменить | 1 | 4 | 0.25 |
| 9 | Полуось | Снять и установить | 2 | 4 | 0.30 |
| 10 | Шпилька полуоси | Снять и установить | 2 | 3 | 0.30 |
| 11 | Механизм блокировки межосевого дифференциала | Снять и установить | 1 | 4 | - |
| 12 | дифферинциал | Снять и установить | 1 | 4 | - |
Приложение Г
Таблица 11– Тарифные ставки оплаты труда рабочих
| Разряд | ||||
| 1 | 2 | 3 | 4 | |
Тариф для слесаря МСР, руб/ч. |
42,5 |
50 |
57,5 | 65 |
Похожие рефераты:
Система автосервиса как объект экспертизы
Материалы и расчетные характеристики подшипников качения для условия сухого трения
Основы проектирования и конструирования
Модернизация двигателя мощностью 440 квт с целью повышения их технико-экономических показателей
Разработка АСУ процессом производства конической шестерни среднего и заднего моста 6520-2402017
Применение колтюбинговой технологии в бурении
Оборудование летательных аппаратов
Организация работы роликового участка ВЧД по ремонту четырехосных цистерн
Устройство сцепления и КПП а/м ГАЗ-3110
Полные ответы на билеты по автоделу (экзамен 2002)
Проектирование цеха ремонта поршневых компрессоров
Проект автотранспортного парка для техобслуживания автомобилей
