| Похожие рефераты | Скачать .docx |
Курсовая работа: Судно "Александр Матросов"
Содержание
1 Общие сведения о судне
2 Радиопеленгатор «Румб»
3 Эхолот «НЭЛ-М3В»
4 РПС «Наяда»
5 ГК «Вега»
6 Лаг ИЭЛ-2М
7 Приёмоиндикатор «Furuno»
8 Перечень карт на переход
9 Перечень книг на переход
10 Хранение карт и руководств на судне
11 Корректура карт и руководств для плавания на судне
12 Описание порта отхода
13 Описание порта прихода
14 Навигационно-географический очерк
15 Гидрометеорологический очерк
16 Расчёт расстояний и времени на переход
17 Таблица курсов и плаваний на переход
18 Таблица светлого времени суток
19 Расчёт рамки и сетки меркаторской карты для перехода п.Палермо – п.Риека
20 Краткая штурманская справка
21 Расчёт плавания по дуге большого круга
22 Оценка целесообразности плавания по ДБК
23 Оценка точности определения места судна по двум пеленгам
24 Оценка точности определения места судна по пеленгу и расстоянию
25 Оценка навигационной безопасности плавания
26 Оценка себестоимости перехода
27График прилива для порта Ванкувер
Список использованной литературы
1 Общие сведения о судне
1. Название судна «Судно Александр Матросов»
2. Год и страна постройки 1974 СССР
3. Регистровый номер М-32543
4. Позывные UBCP
5. Тип СУ и назначение судна Т/Х; навал
6. Судовладелец ЧМП
7. Порт приписки Одесса
8. Символ класса регистра КМ ٭ ΔЗА2
9. Наибольшая длина, м 215,38
10. Ширина, м 31,86
11. Высота борта, м 16,80
12. Осадка по летнюю марку, м 22,22
13. Скорость, узлы 14,7
14. Валовая вместимость, Рег.т. 30070
15. Чистая вместимость, Рег. т. 18867
16. Валовая вместимость по ТМ, Рег.т. 52700
17. Чистая вместимость по ТМ, Рег.т. 62900
18. Дедвейт, т. 13650
19. Количество грузовых помещений (трюмы, танки) 8, -
20. Кубатура трюмов – танков, м³ 62900
21. Количество и размеры люков 1 – 13,6 Х 12,8 7 – 17,0 Х 12,8
22. Количество и грузоподъемность кранов, т 1 Х 3,2
23. Количество и тип главных двигателей. 1Д2тНД
24. Количество цилиндров, их диаметр 8 Х 740 и ход поршня, мм. 1600
2 Радиопеленгатор «Румб»
Общие сведения. Радиопеленгатор «Румб» — двухканальный визуальный радиопеленгатор с коммутацией каналов — предназначен для определения места судна по навигационным радиомаякам всех типов и для определения направлений на береговые радиостанции ненаправленного излучения, морские радиобуи и суда, ведущие радиопередачи.
Радиопеленгатор имеет следующие технические характеристики:
тип принимаемых сигналов — немодулированные колебания А1А; сигналы с амплитудной модуляцией тоном низкой частоты А2А; сигналы с амплитудной модуляцией звуковыми колебаниями АЗА;
диапазоны частот 250...545 кГц (1); 1600...3250 кГц (2);
относительная погрешность установки частоты настройки не хуже 0,2%;
чувствительность с рамочной антенной РА1, РА2 при длине фидера до 30 м в диапазоне 1 — не хуже 25 мкВ*м; в диапазоне 2 — не хуже 40 мкВ*м;
избирательность — по зеркальному каналу не менее 60 дБ; по каналам промежуточных частот не менее 80 дБ;
средняя квадратическая инструментальная погрешность радиопеленгования в дневное время при отношении сигнал/шум, равном 10, в диапазоне 1 — не более 1о ; в диапазоне 2 — не более 3°;
мощность, потребляемая от сети переменного тока, не более 150 В*А.
Радиопеленгатор «Румб» выпускается в различных комплектациях в зависимости от рода судовой электросети, типа рамочных антенн, длины фидеров, типа гирокомпаса. В комплект радиопеленгатора входят:
приемоиндикаторный блок 1, блок питания 2, блок рамочных антенн 3 и не указанные на рисунке ненаправленная антенна типа «наклонный луч» и антенный усилитель или антенная коробка, сигнальный щиток. Радиопеленгатор снабжен устройством цифровой индикации частоты настройки, имеет двустороннюю световую сигнализацию между помещениями радиорубки, в которой установлен сигнальный щиток, и штурманской рубки для извещения о необходимости изолировать судовые антенны и подтверждения о том, что антенны изолированы.
Индикаторный узел радиопеленгатора выполнен на ЭЛТ и обеспечивает отсчет радиокурсовых углов и радиопеленгов при точности не хуже 0,5°. Отсчет радиопеленгов производится при установке курса судна вручную или автоматически при наличии сельсинной связи с гирокомпасом.
Радиопеленгатор имеет встроенный отключаемый громкоговоритель, гнезда для подключения головных телефонов, устройства для компенсации коэффициентов А и D радиодевиации. Конструкция радиопеленгатора предусматривает возможность аварийного питания от аккумуляторов через электромашинный преобразователь ОП-120Ф.

| Рис. 1 Визуальный радиопеленгатор с коммутацией каналов структурная схема; б, в — изображение на экране ЭЛТ |
Устройство. Упрощенная функциональная схема радиопеленгатора «Румб» приведена. Радиопеленгатор снабжен входным (контакты К1, К2) и выходным (контакты K3, К4) коммутаторами, осуществляющими перекрестную коммутацию приемных каналов между рамочными антеннами и отклоняющими пластинами ЭЛТ.
В одном положении коммутирующих контактов сигнал от продольной рамки Р1 подается на вертикально отклоняющие пластины ЭЛТ через приемный канал 1, а сигнал от поперечной рамки поступает на горизонтально отклоняющие пластины через приемный канал 2. На экране ЭЛТ при неидентичных приемных каналах наблюдается эллипс. Во втором положении коммутирующих контактов сигнал от продольной рамки поступает на вертикально отклоняющие пластины ЭЛТ через приемный канал 2, а сигнал от поперечной рамки подается на горизонтально отклоняющие пластины через приемный канал 1. При этом на экране ЭЛТ создается эллипс, отличный от наблюдаемого в первом положении коммутирующих контактов. При коммутации с частотой 15...30 раз в секунду на экране ЭЛТ наблюдаются два эллипса, большие оси которых пересекаются под углом, характеризующим различие в усилении приемных каналов. Размеры малых осей эллипсов пропорциональны разности фазовых сдвигов в приемных каналах.
Балансировка приемных каналов производится регуляторами баланса усиления БУ и баланса фаз БФ в любой последовательности (рис. 1.2.2, б) до тех пор, пока на экране ЭЛТ не будет наблюдаться прямая линия, угол наклона которой к вертикали соответствует радиокурсовому углу на источник радиосигналов. Благодаря коммутации приемных каналов можно более быстро и точно сбалансировать каналы и контролировать их баланс во время пеленгования.
Для определения стороны расположения пеленгуемого источника радиосигналов нажимается кнопка «Сторона». При этом сигнал от ненаправленной антенны WA через приемный канал и контакты К7, К8 поступает на модулятор ЭЛТ. Через приемный канал и коммутирующие контакты К2 и КЗ, К4 сигналы от рамочных антенн поступают поочередно на свои отклоняющие пластины. На экране ЭЛТ изображается крестовидная фигура , два конца которой подсвечиваются, а два другие затемняются в зависимости от фазовых соотношений сигналов рамочных антенн и ненаправленной антенны: Таким образом, яркими штрихами указывается квадрант, в котором расположена пеленгуемая радиостанция.
Для компенсации составляющей радиодевиации с коэффициентом D необходимо при коммутации каналов осуществлять изменение их усиления так, чтобы сохранялось постоянным отношение коэффициентов усиления сигналов от продольной и поперечной рамочной антенн
kпрод / kпопер = ( 1 – D ) / ( 1 + D ).
Для этого в узле КРД имеются две установки усиления, которые с помощью контактов К5 и Кб подключаются к соответствующим приемным каналам при их коммутации.
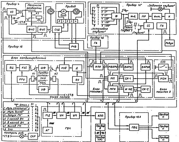
3 Эхолот НЭЛ-МЗБ
Навигационные эхолоты типа НЭЛ-М имеют несколько модификаций: НЭЛ-М 1, НЭЛ-М2, НЭЛ-МЗА, НЭЛ-МЗБ, НЭЛ-М4. Каждая модель предназначена для установки на судах определенного класса. Эхолот НЭЛ-МЗА устанавливается на судах класса река — море, эхолот НЭЛ-М4 — на речных судах. Модели эхолотов типа НЭЛ-М обладают высокой степенью унификации, имеют ряд общих приборов, выполненных на одинаковой элементной базе, и отличаются комплектацией и основными эксплуатационно-техническими характеристиками.
Навигационный эхолот НЭЛ-МЗБ предназначен для измерения глубин с помощью ультразвука, записи, цифровой индикации измеренных глубин и сигнализации при выходе судна на заданную глубину.
Эхолот имеет следующие основные эксплуатационно-технические данные: диапазон измеряемых глубин 0,2-200 м; погрешности измерения глубин зависят от диапазона и составляют по самописцу от ±0,1 до ±3 м, по цифровому указателю глубин от ±0,1 до ±2 м, по прибору сигнализации глубин от +0,3 до ± 5 м; допустимая скорость судна 40 уз; допустимая килевая качка судна 2—3о, бортовая 10°; время готовности к работе 30 с; время непрерывной работы 60 ч; антенна пьезоэлектрического типа; расчетная скорость звука в воде 1500 м/с; питание эхолота от судовой сети однофазного тока напряжением 220/127 В, 50 Гц, от сети постоянного тока напряжением 220 В через преобразователь; потребляемая мощность от сети переменного тока 130 В*А, от сети постоянного тока 250 Вт.
В комплект эхолота (рис. 1.2.3) входят: антенна (прибор 1), самописец (прибор 4) 7, пульт управления цифрового указателя глубин ЦУГ (прибор 4Б) 3, прибор сигнализации глубин ПСГ (прибор 4Г) 6 с ревуном 4, цифровое табло (прибор 11) 1, приемопередающее устройство (прибор 16) 8, электронный узел ЦУГ (прибор 16А) 2, кабельная коробка (прибор Я), 5, ЗИП и техническая документация.
Рассмотрим принцип построения эхолота и его работы по функциональной электрической схеме (рис. 1.2.4). По характеру выполняемых задач электрическая схема эхолота НЭЛ-МЗА может быть условно разделена на следующие функциональные цепи: тракт формирования и посылки зондирующего импульса, тракт приема и усиления эхосигнала, тракт гашения и задержки нуля, тракт сигнализации заданной глубины, тракт управления работой двигателя, тракт преобразования времени и цифровой обработки измеренной глубины, схема контроля работы эхолота.
B тракт формирования и посылки зондирующего импульса входят: перо, контакты запуска КЗ и формирователь нулевой отметки ФНО прибора 4; генераторы автозапуска ГА приборов 4Б и 4Г схема ИЛИ и мультивибратор посылки МП блока посылок 1; генератор высокой частоты ГВЧ; коммутатор прием-передача КПП; прибор Я и антенна.

Рис.2 Функциональная электрическая схема НЭЛ-МЗБ
При работающем самописце управление посылками осуществляется пером, контактом запуска КЗ и формирователем нулевой отметки, при отключенном самописце — генератором автозапуска прибора 4Б и при отключенных приборах 4 и 4Б — генератором автозапуска прибора 4Г. Импульс запуска в формирователе нулевой отметки задерживается на время, необходимое для прохождения пером расстояния от контакта запуска до нуля шкалы, и подается на схему ИЛИ блока посылок 1. На другие два входа схемы ИЛИ поступают импульсы запуска от генераторов автозапуска приборов 4Б и 4Г. С выхода схемы ИЛИ прямоугольные импульсы положительной полярности подаются на запуск мультивибратора посылки МП, мультивибратора гашения нуля МГН и мультивибратора временной автоматической регулировки усиления МВАРУ.
Мультивибратор посылки формирует прямоугольные импульсы посылки, длительность и частота следования которых зависят от поддиапазона измеряемых глубин и от включенного, для управления посылками прибора. Сформированные по длительности видеоимпульсы посылки подаются на модулятор МД генератора высокой частоты. На второй вход модулятора поступают высокочастотные гармонические колебания от автогенератора. После модулятора радио-импульсы усиливаются по напряжению и мощности и через коммутатор прием-передача подаются на антенну. В пьезоэлектрической антенне электрические колебания высокой частоты преобразуются в акустические колебания и излучаются в воду.
В тракт приема и усиления эхосигнала входят: антенна, прибор Я, коммутатор прием-передача, предварительный усилитель, усилитель записи УЗ, схемы ВАРУ.
Отраженный от дна акустический импульс принимается антенной и преобразуется в электрический сигнал. Электрический эхоимпульс во время пауз между зондирующими импульсами поступает через коммутатор прием-передача на вход предварительного усилителя. В предварительном усилителе эхосигнал усиливается двумя каскадами усиления КУ1 и КУ11, детектируется и подается в усилитель записи УЗ самописца, который обеспечивает усиления эхосигнала до значения, достаточного для прожига бумаги.
Защита приемоусилительного тракта от мощных зондирующих импульсов ГВЧ осуществляется коммутатором прием-передача. В КПП во время излучения импульсов шунтируется вход предварительного усилителя и на предварительный усилитель поступает ограниченный по интенсивности импульс. Этот радиоимпульс усиливается и поступает через детектор Д в усилитель записи самописца для записи «естественной» нулевой отметки.
4 Судовая радиолокационная станция «Наяда-5»
Судовая радиолокационная станция (РЛС) «Наяда-5» имеет следующие характеристики.
Длина волны 3,2 см (частота излучения 9430 МГц), поляризация волн горизонтальная.
Шкалы дальности: 1, 2, 4, 8, 16, 32, 64 мили. Индикация относительного движения возможна на всех шкалах дальности, индикация истинного движения - только на шкалах от 1 до 8 миль. Рабочий диаметр экрана индикатора 400 мм.
Импульсная мощность излучения не менее 12 кВт. Импульсная чувствительность приемоиндикаторного тракта на шкалах 1 и 2 мили — 120 дБ/Вт, на остальных шкалах—124 дБ/Вт.
Длительность (частота повторения) зондирующих импульсов: 0,07 мкс (3000 имп/с) —на шкалах 1 и 2 мили; 0,25 мкс (1500 имп/с) —на шкалах 4 и 8 миль; 0,7 мкс (750 имп/с) — на шкалах 16 и 32 мили и 0,7 мкс (500 имп/с)—на шкале 64 мили.
Ширина диаграммы направленности в горизонтальной плоскости — 0,7 град, в вертикальной плоскости — 20 град.
Максимальная дальность обнаружения при высоте установки антенны 20 м над уровнем моря и длине волновода 15 м (при вероятности 0,5): судна водоизмещением 5000 т—16... 17 миль, среднего морского буя — 3,5...4 мили.
Разрешающая способность по дальности на шкале 1 миля — не хуже 20...25 м; разрешающая способность по направлению — 0,9...1,2 град.
Максимальная инструментальная погрешность измерения расстояний на шкалах 1 и 2 мили — 50 м, на остальных шкалах — 1 % шкалы дальности. Максимальная инструментальная погрешность измерения направления электронным визиром 0,8 град.
Частота вращения антенны 14... 16 мин-1 .
Погрешность индикации истинного движения по скорости ±5%, по курсу — ±2 град.
Время подготовки РЛС к работе 3...4 мин, среднее время безотказной работы 300 ч. Потребляемая мощность 2750 В*А.
Примечание. Все приведенные характеристики РЛС «Наяда-5» соответствуют также 3-сантиметровой РЛС включаемой в состав РЛС «Енисей-Р».
В РЛС возможна индикация относительного движения при ориентировке по курсу и меридиану или индикация истинного движения на шкалах от 1 до 8 миль при ориентировке по меридиану. В режиме относительного движения на шкалах от 1 до 8 миль возможно смещение центра развертки относительно центра экрана в любом направлении до ⅔ радиуса экрана. Индикаторы снабжены антипараллаксными зеркальными планшетами, что позволяет производить на их поверхности графические построения при решении задач на расхождение судов. Координаты объектов наблюдения измеряются с помощью электронного визира направления ЭВН и подвижного визира дальности ПВД с электронной цифровой индикацией, выведенной под тубусы индикаторов. РЛС сопрягается с гирокомпасами типа «Курс» или «Вега» и лагами типа МГЛ и ИЭЛ.
В РЛС обеспечивается помехозащита от морских волн и гидрометеоров посредством временной регулировки усиления приемника ВРУ и регулируемого дифференцирования видеосигналов (регулируемая МПВ). Имеются метки дальности МД, отметка курса ОК, автоматическая и ручная подстройка промежуточной частоты приемника АПЧ и РПЧ,
РЛС имеют блочную конструкцию и практически полностью выполнены на интегральных схемах и полупроводниковых приборах. Приборы И, П содержат встроенные системы контроля, позволяющие измерять питающие напряжения, проверять работоспособность узлов и блоков РЛС, настраивать гетеродин и систему АПЧ.
РЛС снабжена устройством контроля общей работоспособности (КОР) с дополнительной контрольной антенной, которая укреплена снаружи прибора А на кормовых курсовых углах и соединена кабелем с прибором П.

Функциональная схема (рис. 1.2.6). Общие сведения. Функциональная схема включает в свой состав приборы (А, П, И); тракты, функционально объединяющие несколько блоков, субблоков и узлов (ВС, ВР, НМД, ВН, СВС, ИД); каналы, объединяющие несколько блоков, субблоков и узлов, но не выделяемые в таком виде в техдокументации РЛС (УПС, ПЧ, САГ); отдельные блоки (МП, СВЧ-3, АПЧ); важнейшие узлы (магнетронный генератор МГ, узел ЭЛТ).
В прибор П входят: канал управления передатчиком и синхронизации УПС, блок модулятора передатчика МП, магнетронный генератор МГ, блок СВЧ-3, канал промежуточной частоты—блоки УР (усилитель регулируемый) и УГ (усилитель главный).
5 Гирокомпас «Вега»
На быстроходных судах и в авиации, где гирокомпас с пониженным центром тяжести чувствительного элемента имел бы недопустимо большие скоростные погрешности, применяются гирокомпасы с косвенным управлением. Принцип его работы заключается в следующем: уравновешенный гироскоп 3 (рис. 1.2.7) устанавливается в кардановом подвесе, состоящем из внутреннего вертикального кольца 1, внешнего вертикального кольца 2 и наружного вертикального полукольца 4. Карданов подвес обеспечивает гироскопу три степени свободы. Гироскоп вращается вокруг горизонтальной оси ОХ во внутреннем кардановом кольце. Внутреннее и внешнее кардановы кольца вместе с гироскопом, датчиком вертикального момента ДМz , датчиком угла ДУ, ротором датчика горизонтального момента ДМy и индикатором горизонта ИГ имеют возможность поворачиваться вокруг горизонтальной оси ОУ. Наружное полукольцо 4 может поворачиваться на любой угол относительно вертикальной оси OZ.
Если в момент включения гирокомпаса главная ось находилась в восточной половине плоскости горизонта, то под действием суточного вращения Земли она начнет видимым образом подниматься над плоскостью горизонта. Это будет замечено индикатором горизонта, который выработает сигнал, пропорциональный углу наклона главной оси. Этот сигнал усиливается усилителем У1 и подается на датчики вертикального и горизонтального моментов. Датчик горизонтального момента ДМy вызовет прецессию главной оси к западу, т.е. к плоскости меридиана, а датчик вертикального момента ДМz вызовет прецессию главной оси вниз, к плоскости горизонта. Через несколько полупериодов колебаний главная ось придет в точку динамического равновесия, которая с помощью корректирующего устройства КУ, вырабатывающего корректирующее напряжение uk , подаваемое на датчики вертикального и горизонтального моментов, может быть совмещена как с плоскостью меридиана, так и с плоскостью горизонта. Из сказанного вытекает, что датчик горизонтального момента с помощью индикатора горизонта выполняет ту же функцию, что и пониженный центр тяжести гиросферы, а датчик вертикального момента с помощью того же индикатора горизонта приводит к погашению колебаний, т.е. выполняет ту же функцию, что и гидравлический успокоитель гиросферы.
Датчик угла поворота внутреннего кольца карданова подвеса ДУ, усилитель У2 и исполнительный двигатель ИД образуют следящую систему, заставляющую наружное полу-кольцо 4 «следить» за поворотом внутреннего кольца 1 и поворачивать, кроме того, датчик курса ДК, подающий данные компасного курса к репитерам гирокомпаса и в корректирующее устройство КУ. Если в корректирующее устройство еще подать дополнительно информацию о широте плавания φ и скорости движения судна V, то корректирующее устройство способно выработать такие корректирующие напряжения, что гирокомпас станет невосприимчивым к скорости движения объекта (судна, самолета), (т. е. не будет иметь скоростной девиации.
Отечественная промышленность выпускает судовой гирокомпас с косвенным управлением «Вега», который может работать в режиме корректируемого гирокомпаса и в режиме гироазимута.
В режиме гироазимута разрывается электрическая цепь от индикатора горизонта к датчику горизонтального момента. Датчик вертикального момента с помощью индикатора горизонта будет удерживать главную ось в плоскости горизонта, а чтобы главная ось прецессировала вместе с меридианом (хотя она может быть отклонена на любой угол от меридиана), т. е. сохраняла неизменным свое направление в азимуте, на датчик горизонтального момента подается корректирующее напряжение, пропорциональное вертикальной составляющей угловой скорости суточного вращения Земли с учетом движения судна. Гироазимуткомпас «Вега» имеет следующие эксплуатационно-технические характеристики: точность показания ±0,8° в широтах до 70° и ±1,5° в диапазоне широт от 70 до 80°. При маневрировании в широтах до 70° точность показаний может снизиться до ±2,0°, а в широтах от 70 до 80° — до ±2,5°.
В условиях качки погрешность гирокомпаса не превышает ±1,5° в широтах до 70° и ±2,0° в широтах от 70 до 80°.
Гирокомпас не имеет девиации затухания и скоростной девиации при скорости хода до 70 уз.
Существенное уменьшение инерционных девиаций корректируемого гирокомпаса достигнуто увеличением периода собственных незатухающих колебаний чувствительного элемента до 150 мин и использованием индикатора горизонта с нелинейной характеристикой.
Точность показаний прибора в режиме гироазимута при скорости судна до 70 уз характеризуется дрейфом ±1,0 град/ч в широтах до 70° и ±1,5 град/ч в широтах от 70 до 80°.
Рабочая температура поддерживающей жидкости гироазимуткомпаса «Вега» составляет 73°С, поэтому гирокомпас не нуждается в принудительном охлаждении. Питается от судовой сети трехфазного переменного тока частотой 50 Гц напряжением 220 или 380 В через агрегат питания АМГ-202. Чувствительный элемент гирокомпаса питается переменным трехфазным током частотой 500 Гц напряжением 40 В.
Гироазимуткомпас имеет устройство ускоренного приведения в меридиан. Время приведения в меридиан в этом случае 60 мин.
В состав комплекта гироазимуткомпаса «Вега» входят следующие приборы.
Прибор ВГ-1А — основной прибор. В нем размещены трехстепенный поплавковый чувствительный элемент с жидкостно-торсионным подвесом, двухканальная. следящая система, двухканальная система косвенного управления, система терморегулирования.
6 Лаг ИЭЛ-2М
Лаг ИЭЛ-2М предназначен для измерения относительной скорости судна от 0 до 34 уз и пройденного судном расстояния.
Лаг рассчитан на работу при температуре заборной воды от -4 до +36° С и ее солености от 0,1 до 38 °/оо ; при температуре в помещениях, где установлены приборы 29, б и 3, от -10 до +50° С; при вибрациях c ускорением свободного падения до 2g с частотами до 120 Гц.
Инструментальные погрешности лага по скорости не превышают ±0,l уз при температуре от 15 до 35°С; ±0,2 уз при температурах от 0 до 15°С и от 35 до 50°С; ±0,35 уз при температуре от -10 до 0°С. Остаточные погрешности лага при скорости движения судна до 10 уз не должны превышать ±0,15 уз, а при скорости от 10 до 20 уз ±0,2 уз. При движении судна в воде соленостью менее 2 °/оо допускается увеличение остаточной погрешности на 0,1 уз.
Погрешность лага по пройденному расстоянию
ΔSл = ± ( Sл * ΔVл /Vo + Sл * 10-4 + 0,002 ),
где Sл — пройденное расстояние по лагу, мили;
ΔVл — остаточная погрешность лага, уз;
Vo — эталонная скорость, уз;
10-4 — стабильность генератора опорной частоты;
0,002 — дискретность импульсов узла выработки пройденного расстояния, мили.
Корректирующее устройство лага позволяет вводить поправки: постоянную до 1,5 уз; переменную, линейно зависящую от скорости до 15 % и переменную, нелинейно зависящую от скорости с крутизной характеристики до 0,1 и числом перегибов не более одного во всём диапазоне скоростей.
Индикация скорости осуществляется на трехразрядном цифровом табло с точностью до 0,1 уз, а индикация пройденного расстояния — на механическом счетчике емкостью 9999,9 мили (с последующим повторением цикла) с точностью до 0,02 мили.
Для контроля точности работы измерительной схемы лага и поиска неисправностей в лаге предусмотрены внутренний тест и схема поиска неисправного блока.
Лаг снабжен также устройством ручного ввода скорости, используемым при неисправном датчике или приборе 29.
Питание лага осуществляется от судовой сети переменного однофазного тока напряжением 110, 127 или 220 В частотой 50 Гц. Допускаются длительные отклонения напряжения до ±10 % и частоты до ± 5 %. Потребляемая мощность основного комплекта приборов лага не превышает 170 ВА, а полная определяется количеством и типом подключенных периферийных приборов.
Ресурс лага при нормальной эксплуатации 50 000 ч, срок службы 15 лет.
В комплект лага входят следующие приборы : индукционный первичный преобразователь скорости 9 (ИППС) (прибор 9Д) с динамическим клинкетом (прибор 11), согласующий прибор 8 (прибор 29), центральный прибор 7 (прибор 6), прибор питания 1 (прибор 3).
Дополнительно могут быть поставлены: указатели скорости 3 и 5 (приборы 1, 1А соответственно), указатели скорости и пройденного расстояния 4 (приборы 5), размножитель информации 2 (прибор 59), приборы связи 6 (приборы 119А-1 или 119Э).
Кроме того, в комплект лага входят эксплуатационная документация, одиночный ЗИП и кабельные части для межприборного монтажа.
7 Приёмоиндикатор GPS “FURUNO”
Приёмоиндикатор ФСН – 70 фирмы «Фуруно» предназначен для определения места судна по спутниковой РНС «Транзит», а также для решения ряда вспомогательных навигационных задач.
В комплект приёмоиндикатора входят: основной блок (прибор 2) без установочных кронштейнов 434X 170Х 372 мм, антенное устройство (прибор 1), выпрямитель (прибор 3). Электропитание индикатора осуществляется от сети постоянного тока 10 –42 В при потребляемой мощности не более 40 Вт или от сети переменного тока 50/60/70 Гц, 100/110/120 В через выпрямитель.
Приёмоиндикатор обладает следующими характеристиками: точность определения места судна не хуже 0,5 мили плюс 0,2 мили на каждый узел погрешности ввода данных скорости судна; частота принимаемых сигналов 399, 968 МГц (400 МГц); чувствительность приёмного устройства 146 дБ; коэффициент усиления системы 30дБ 146 дБ. Все полученные данные индицируются на экране. Оперативное управление при бором производится с помощью квазисенсорной клавиатуры, требующей легкого нажатия, которое дублируется звуковым сигналом.
Приемоиндикатор сопрягается с гирокомпасами и лагами различных типов, с приемоиндикаторами РНС «Лоран-С» или «Омега».
К приемоиндикатору могут быть также подключены: выносной телевизионный индикатор, печатающее устройство, автопрокладчик и некоторые другие приборы.
Приемоиндикатор имеет следующие функциональные возможности.
1.Автоматическое определение места судна по сигналам навигационных спутников независимо от выполнения прибором остальных функций.
2.Счисление пути судна между спутниковыми обсервациями за счет связи с лагом и гирокомпасом или в режиме ручного ввода курса и скорости.
3.Учет в счислении суммарного сноса, рассчитанного по результатам двух предыдущих обсерваций.
4.Непрерывное определение места судна по сигналам РНС «Лоран-C» или «Омега» при сопряжении с соответствующими приемоиндикаторами.
5. Выдача данных по пяти последним выполненным обсервациям.
6. Расчет времени появления и максимальной угловой высоты последующих навигационных спутников.
7. Расчет ортодромических или локсодромических расстояний и пеленгов, а также времени движения в любую из девяти заданных точек.
8. Расчет плавания по ортодромии с аппроксимацией последней несколькими отрезками локсодромии.
9. Звуковая сигнализация о прибытии в окрестность заданной точки или о выходе из коридора установленной ширины при движении в эту точку.
10.Запоминание девяти событий (время, координаты) по команде судоводителя.
11.Расчет расхода топлива при сопряжении с импульсными расходомерами.
12.Ведение графической прокладки пути судна на экране приемоиндикатора.
13.Контроль за принимаемыми сигналами спутника.
14.Периодическая самопроверка работоспособности всех узлов приемоиндикатора или контрольная проверка по команде оператора с индикацией результатов на экране индикатора.
Приемоиндикатор имеет встроенную аккумуляторную батарею, которая обеспечивает питание определенного участка оперативной памяти при выключении прибора или при обесточивании судовой сети. Это позволяет сохранить в памяти прибора основные данные и не вводить их снова при повторном включении. Исключение составляют счислимые координаты, которые надо ввести вновь, если они изменились более чем на 60 миль. Срок службы батареи 5 лет.
Подготовка технических средств навигации
При подготовке технических средств навигации, необходимо ознакомится с оборудованием мостика: сигнализацией, освещением, органами управления для освещения палубы и наружного освещения. Включить и проверить в работе радиопеленгатор, эхолот, электронные средства определения места судна, аварийные средства на случай выхода из строя главного источника энергии, оборудование для наблюдения за опасностями, гирокомпас и репитеры согласовать, радиолокационные станции согласовать с гирокомпасом (ГК), ГК сверить с магнитным компасом. Проверить исправность сигнально-отличительных огней, включая аварийные ходовые огни, огонь «не могу управляться» и другие. Оборудование обеспечивающее безопасность (например, пиротехнические средства) должно быть в наличии. Включить счётчик скорости и пройденного расстояния. Проверить рулевой привод, включая ручной, авторулевой и средства аварийного переключения, машинный телеграф, включая органы управления главными двигателями (если нужно) и водонепроницаемыми дверями. Ознакомится с расположением карт, гидрографических пособий, биноклей, сигнальных флагов, метеорологического оборудования, телефонов и их исправность. Включить комплекс GMDSS. Проверить средства связи: внутренние, внешние и переносные. Стеклоочистители должны быть проверены. Проверить точность хода часов и хронометр.
Звуковые средства сигнализации тифоны, свистки (но не при плохой видимости или когда вблизи другие суда). Проверить работу отмашек, ратьера, прожекторов. Включают НАВТЕКС и GPS.
Судовые технические средства навигации должны быть подготовлены к работе до выхода судна в море в соответствии с инструкциями по их эксплуатации. Прибор считается в рабочем состоянии, если его параметры соответствуют условиям завода-изготовителя и определены поправки.
Обязанности помощника капитана, на которого возложено обслуживание технических средств судовождения, определены РШС и Правилами технической эксплуатации судовой электрорадионавигационной аппаратуры.
Технические средства судовождения на данном этапе закреплены за электронавигатором, который должен перед выходом судна в море обеспечить подготовку всех приборов к работе и доложить о готовности старшему помощнику капитана.
Общие требования к подготовке средств навигации следующие:
Секстан должен быть всегда в рабочем состоянии. При подготовке к плаванию проверяют комплектность секстана, протирают оптику, производят выверки.
Хронометр. Поправка хронометра определяется ежесуточно по возможности в одно и то же время суток с точностью до 0,2с.
Секундомер. Ход секундомера проверяется по хронометру. Секундомер пригоден к работе, если его ход не более 1с/ч
Часы и лента реверсографа согласовываются один раз в сутки. Допустимо расхождение 20с.
Магнитный компас - проверяют свободное вращение пеленгатора, правильную установку его призмы и нитей, годность таблицы девиации, соответствие записанных и фактических положений магнитов девиационного прибора. Девиация магнитного компаса уничтожается по необходимости, как правило, не реже одного раза в год. Остаточная девиация у главного магнитного компаса не должна превышать 3о , а путевого – 5о . при перевозке ферромагнитных грузов допускается использование временной таблицы девиации.
Гирокомпас готовят согласно Правилам технической эксплуатации и соответствующей инструкции. Запускают его заблаговременно, не позже, чем за 6 часов до отхода судна. Постоянная поправка гирокомпаса определяется: после длительной стоянки судна, смены гиросферы или поддерживающей жидкости в основном приборе, ремонта периферийных приборов; когда выявлено изменение поправки; периодически во время плавания судна. Расхождение времени по курсограмме и судовым часам не должно превышать 10мин. (одного деления на курсограмме) за вахту.
Лаг готовят к работе в соответствии с инструкцией по эксплуатации. Проводят осмотр, пробное включение электросхемы, установку нуля, проверяют соответствие установки корректора, записав в формуляре и наличие таблицы поправок у репитеров. Поправка лага определяется с точностью до 0.5% для полного, среднего и малого хода.
Радиолокатор готовят в соответствии с требованиями Правил технической эксплуатации. Производят внешний осмотр. Если есть возможность - производят контрольные обсервации. Поправки угломерного и дальномерного устройства в РЛС определяются на стоянке судна по точечным ориентирам.
Приемоиндикаторы СНС. До выхода в рейс должно быть выполнено не менее трех обсерваций. Проверяют сопряжение с гирокомпасом и лагом - расхождения не должны превышать 0,2° и 0,2 узла.
Радиопеленгатор проверяют путем включения и пеленгования нескольких станций, кроме того, уточняют наличие у радиопеленгатора таблицы и графика радиодевиации, расхождения которых с фактической допускаются не более чем на 0,7°. Радиодевиация компенсируется и определяется не реже одного раза в год.
Эхолот готовят в соответствии с инструкцией по эксплуатации. При необходимости регулируют частоту вращения двигателей самописца и указателя глубин. Проверяют заправку ленты и установку нуля. Поправка эхолота определяется сравнением глубин, измеренных эхолотом и ручным лотом по обоим бортам. Перед измерениями глубин проверяют частоту вращения исполнительного двигателя эхолота и разметку лотлиня ручного лага.
Судовые технические средства навигации используются в соответствии с правилами и нормами их технической эксплуатации. В формуляр прибора (инструмента) записываются результаты судовых испытаний, значение поправок и сроки их определения.
8 Перечень карт на переход п.Риека – п.Палерма
| № | Адмиралтейскй № карты | Наименование | Знаменатель масштаба | Год печати | Дата последней корректуры |
| 1 | 30399 | Тирренское море | 1:1000000 | 7976 | |
| 2 | 30305 | Ионическое море | 1:1000000 | 7978 | |
| 3 | 30306 | Адриатическое море | 1:1000000 | 1981 | |
| 4 | 31026 | Тунисский пролив | 1:500000 | 1978 | |
| 5 | 31028 | Западная часть Ионического моря | 1:500000 | 1985 | |
| 6 | 31030 | Южная часть Адриатического моря | 1:500000 | 1981 | |
| 7 | 31031 | Северная часть Адриатического моря | 1:500000 | 1962 | |
| 8 | 33315 | Подходы к порту Риека | 1:100000 | 1982 | |
| 9 | 38370 | Порт Палермо | 1:7500 | 1981 |
9 Перечень книг и пособий на переход п.Риека – п.Палерма
№ |
Адмирал-тейский номер | Название пособия | Год печати | Дата последней корректуры |
| 1 | 1249 | Лоция Адриатического моря. | 1970 | |
| 2 | 1248 | Лоция Ионического моря | 1964 | |
| 3 | 2220 | Огни средиземного моря. | ||
| 4 | 6238 | Атлас поверхностных течений Средиземного моря. | ||
| 5 | 6242 | Атлас волнения и ветра Средиземного ветра. | ||
| 6 | 6243 | Гидрометеорологические карты Средиземного моря. | ||
| 7 | 6245 | Атлас океанографической изученности. | ||
| 8 | 7202 | Каталог карт и книг часть 3. Средиземное, Чёрное, Азовское и Каспийское моря. | ||
| 9 | 9002 | Морской астрономический ежегодник. |
10 Хранение карт и руководств для плавания на судне
Стандартного порядка расположения карт и руководств для плавания при их хранении на судне установить нельзя, и он обычно осуществляется для каждого судна (или серии судов) отдельно.
Карты судовой коллекции должны храниться в ящиках штурманского стола, либо на специально приспособленных стеллажах, или в пеналах; руководства для плавания – в шкафах или на специальных полках. Штурманская рубка (или другое помещение, в котором хранятся карты и руководства для плавания) является служебным помещением, порядок доступа в которое определяется капитаном судна.
Согласно Уставу службы на судах морского флота ответственность за надлежащую комплектацию судовой коллекции возложена на капитана судна. Тем же документом ведение учёта судовой коллекции, её сохранность и поддержание на уровне современности определено в качестве основной обязанности третьего помощника капитана.
11 Корректура карт и руководств для плавания на судне
Корректура карт
Важнейшей особенностью корректуры карт в рейсе является их корректура по радионавигационным извещениям. Так, корректура карт первой группы производится немедленно по получению любых навигационных предупреждений по радио.
Корректура по радионавигационным извещениям производится простым карандашом; места исправлений, при необходимости, обводят тем же карандашом для большей наглядности.
Отметку о корректуре, выполненной по радионавигационному извещению, делают в нижнем левом углу под рамкой карты. В журнале приёма радионавигационных извещений или на радиотелеграфных бланках делают запись: «Корректура произведена», затем ставят дату и подпись лица ,выполнившего корректуру.
С получением ИМ, в котором помещены печатные радионавигационные извещения, нанесённую карандашом корректуру уточняют и в зависимости от срока действия информации оставляют в карандаше или выполняют тушью. Так как это указанно ниже.
Основную корректуру начинают с раскладки на штурманском столе подобранных на предстоящий переход карт либо их первоочередных номеров в последовательности расположения таких карт в нумерниках, т.е. в порядке возрастании адмиралтейских номеров.
Корректуру карт начинают с самого последнего ИМ, продолжая работу в последовательности убывания номеров ИМ.
По мере производства корректуры по данному выпуску ИМ и его недельному нумернику кружками обводят номера карт, а затем и номер самого ИМ, как только все входящие в него карты оказываются откорректированы по данному номеру ИМ. Одновременно с этим в нижнем левом углу рамки карты под рамкой записывают название и номер ИМ, по которому исправления закончены. Только после этого приступают к корректуре следующего ИМ.
После завершения корректуры по всему выпуску на нём ставят дату и подпись лица, выполнившего корректуру. Затем приступают к корректуре предыдущего выпуска ИМ
На тех картах , для которых за рассматриваемый период сведения об изменении навигационной обстановки не публиковались, также ставят номер последнего из полученных на судно ИМ, дату корректуры и подпись корректора.
В первую очередь корректируются карты наиболее крупного масштаба. Номера таких карт указываются первыми в конце текста каждого номера ИМ. Обычно по этим картам дают координаты объектов, которые должны быть нанесены по данному номеру ИМ. Если координаты даны по какой-либо другой карте, изданной в иной системе координат, то об этом в тексте ИМ делается оговорка и приводятся пеленги и расстояния до данного объекта от ориентира, показанных на всех картах.
При корректуре по постоянным ИМ новые данные наносят чертёжным пером красной тушью. Отменённые обозначения перечёркивают крестиком, а текстовую часть зачёркивают тонкой линией. Если вычёркивание условного изображения объекта приводит к нечёткому его изображению, то разрешается такое условное изображение не вычёркивать, а счищать и наносить вместо него новое.
Ошибочно нанесённые на карте обозначения вычёркиваются синей тушью.
По временным и предварительным Им корректуру карт выполняют аналогично, но простым, остро оточенным карандашом.
Вклейки к картам аккуратно вырезают и после совмещения контрольных линий, контуров и точек тщательно наклеивают на соответствующие места прочным клеем. Дату, которой соответствует вклейка, вырезают и наклеивают рядом с вклейкой на свободном месте карты.
Корректура по описаниям районов состоит в нанесении на карты границ районов и фарватеров в них и СНО, установленных для ограждения фарватеров.
Наносить на карты какие-либо объекты или исправлять местоположения объектов, имеющихся на картах, по координатам, указанным в лоциях или в других руководствах для плавания, не разрешается.
Корректура руководств для плавания
Корректура руководств для плавания первой группы выполняется в основном при стоянке в порту. Если стоянка кратковременная, то корректура руководств для плавания выполняется раздельно, по этапам перехода, причём первый этап корректуры руководств должен обеспечить плавание не менее чем на трое суток.
На судне руководство для плавания корректируется только по постоянным ИМ; по временным и предварительным ИМ, а также по радионавигационной информации – не корректируется.
Для удобства корректуры руководств информацию в ИМ группируют по разделам: лоции и руководства для захода судов в порты, описания огней и знаков, описания РТСНО и расписания радиопередач, прочие руководства для плавания. Такую информацию печатают в ИМ на одной стороне листа. Предназначенной для вырезки и расклейки в руководствах.
При корректуре расклейкой вырезок из ИМ или сводной корректуры вырезают нужные строки, абзацы или страницы нового текста. Далее вырезки и вкладные листы нового текста приклеивают за край к внутреннему полю страницы руководства в те места, к которым исправления относятся. На вклейке или около неё на полях книги красной тушью записывают ссылки на использованный номер ИМ и год его издания.
Все руководства для плавания в конце книги имеют алфавитные указатели (индексы), которые также подлежат корректуре. Все новые и изменённые названия, а также номенклатурные термины, приведённые в текстах, учтённые при корректуре данного руководства по ИМ, следует включить в алфавитный указатель этого руководства. Упразднённые названия вычёркивают аккуратно простым карандашом.
Если в том или ином руководстве лист для учёта корректуры использован полностью, тогда в соответствующем месте подклеивают дополнительный лист, соответствующим образом разграфлённый.
Корректура Каталога карт и книг.
Её производят на судах также по ИМ одновременно с корректурой карт первой группы. Поддержание Каталога на уровне современности позволяет получать верные сведения о выходе в свет новых переизданий карт и руководств, современно осуществлять замену изъятых и непригодных для навигационных целей пособий.
При корректуре исправления вносят как в текст Каталога, так и на сборные листы, на которых показывают изменения в нарезке действующих или нарезку новых карт. Номера, названия и рамки изъятых карт аккуратно вычёркивают из текста и номерного указателя Каталога и его сборных листов. Иногда для этой цели к сборному листку подклеивают кальку, на которой указывают новые границы нарезки карт.
Аналогичные данные по новым картам, даты первого или нового издания , а также изменения нарезки действующих карт вносится в номерной в номерной указатель Каталога в соответствующие графы текстовой части и показываются на сборных листах. Та как номера некоторых карт встречаются на различных страницах Каталога, то их необходимо откорректировать на всех страницах.
С выходом в свет очередных изданий руководств аналогичные исправления вносят в раздел «Книги».
После завершения корректуры третий помощник докладывает капитану о произошедших изменениях в навигационной обстановке, выявленных в ходе корректуры.
12 Описание порта отхода
П.Риека
Порт Риека (Rijeka) (45° 20' N, 14° 26' О) оборудован у северо-восточного берега Риечкого залива. Он является одним из крупнейших торговых портов Югославии и доступен для океанских судов.
В состав порта входят: гавань Сушак с набережной Брайдица, гавань Главна-Лука, Нефтяная гавань и гавань Бргут. Кроме того, в ведении управления порта находятся нефтяная гавань и причал Обала-Подбок, расположенные в Бакарском заливе.
Приметные пункты. Ориентирами при подходе к порту Риека являются: большое здание городской больницы, расположенное в 1,3 кбт к N от пирса Владимира-Гортана; выоотное здание в городе Риека; белая церковь с остроконечным шпилем, стоящая на холме в 7 кбт к О от здания городской больницы, и сооружение маяка Млака, установленного к N от входа в гавань Главна-Лука.
Гидрометеорологические сведения. В районе порта бора часто дует с большой силой и сопровождается шквалами. Признаком возникновения боры является появление слоисто-перистых облаков над горным хребтом Велебит. Весной и осенью здесь господствует сирокко, предвестником которого являются облака над вершиной горы Учка. Во время сирокко на внешнем рейде порта образуется большое волнение, при этом волны иногда перекатываются через мол в гавани Главна-Лука и мол в Нефтяной гавани; значительное волнение этот ветер вызывает и в гавани Сушак. Появление дождевых и кучево-дождевых облаков над горным хребтом Велебит является признаком возникновения юго-западных и северо-западных ветров, которые обычно длятся несколько часов. Юго-западные ветры в гаванях Главна-Лука и Сушак образуют волнение.
При сильных юго-западных ветрах и сирокко, а также при боре большим и средним судам рекомендуется входить в порт и швартоваться с помощью буксира.
Колебания уровня между самым большим нагоном воды, наступающим во время юго-западных ветров, и самым большим сгоном, наступающим во время северо-восточных ветров, равны 1,2 м.
Лоцмана. Лоцманская проводка осуществляется круглосуточно и является обязательной для всех иностранных судов валовой вместимостью более 500 рег. т. Заявка на лоцмана подается в управление порта не позднее чем за 24 ч до прибытия или отхода судна. Лоцман прибывает на борт судна и сходит с него к О от линии, соединяющей следующие точки: 45°19',6 N, 14°25',4 О и 45°16',6 N, 14°24',9 О.
Портовые средства и оборудование. В порту имеется несколько буксиров мощностью от 180 до 1400 л. с. Ко многим причалам порта подведены железнодорожные пути и электроэнергии {напряжение 220 в). Порт приспособлен для производства различных погрузочно-разгрузочных операции. Имеется большое количество складских помещений, кроме того, под склады используется семь барж.
Ремонт. В порту можно произвести любой ремонт судов всех размеров.
Снабжение. В порту в неограниченном количестве можно пополнить запасы продовольствия. Воду принимают из гидрантов, установленных на всех причалах. В Нефтяной гавани можно принять в неограниченном количестве жидкое топливо. Уголь в порту имеется в ограниченном количестве.
Дератизация может быть произведена в порту.
Спасательная служба имеется в порту Риека.
Ввоз и вывоз. В порт ввозят: железную руду, фосфаты, зерно, минеральные удобрения, хлопок, каучук и сельскохозяйственные продукты тропических стран. Из порта вывозят: медь, локомотивы, вагоны, машинное и станочное оборудование, древесину, сахар и вина.
Сообщение и связь. Порт Риека имеет регулярное пароходное сообщение со всеми крупными портами Адриатического моря. Город Риека соединен с общей железнодорожной сетью страны.
В порту находится радиостанция Риека (Rieka).
Гавань Сушак (Sushak) оборудована у северо-восточного берега Риекского залива в 1,7 мили к WNW от гавани Мартиншчица. В пределы гавани входят набережная Брайдица и устье реки Речина (Recina), расположенное непосредственно к О от гавани.
От северо-восточной части гавани почти на 3 кбт к NNO тянется старое русло реки Речина, известное под названием русла Мртви-Канал-Речине (MrtvikanalRecine). Берега этого русла укреплены набережными. Входить в русло могут малые суда после разводки мостов, перекинутых через него.
Вход в гавань находится между поперечными северным и южным молами. С S она ограничена молом, западная оконечность которого разрушена. Глубины у внутренней стороны мола 5,5—8 м.
Глубины в средней части гавани 15—24 м. Она хорошо защищена от всех ветров, кроме сирокко, который в ней образует волнение.
Огни установлены на оконечностях поперечных южного и северного молов.
Светящий буй выставлен к W от разрушенной оконечности мола, ограничивающего гавань с S. При входе в гавань буй необходимо оставлять справа.
Набережная Оба л а 10 Руина (Obala 10 rujina) сооружена в 0,5 кбт к О от основания поперечного северного мола. Глубины вдоль набережной 5,5—8 м.
Пирс Барчичев-Гат, или Барчич (Barcicevgat, Barcic), для больших судов построен непосредственно к N от основания мола. ограничивающего гавань Сушак с S. Глубины у пирса 5,5—8 м.
Набережная Брайдица (Brajdica) расположена в 3,5 кбт к О от основания мола, ограничивающего гавань Сушак с S. Набережная разрушена, и к «ей нельзя швартоваться даже малым судам.
Набережная каменная сооружена у левого берега устья реки Речина непосредственно к WNW от западной оконечности набережной Брайдица. Длина каменной набережной 55 м, глубины возле нее 1,4—2 м.
При швартовке к набережной необходимо остерегаться остатков разрушенного мола, находящегося к S от этой набережной.
Гавань Главна-Лука, или Риечка-Лука (Glavnaluka, Rijeckaluka), оборудована непосредственно к W от гавани Сушак и является основной торговой частью порта Риека. К акватории гавани относятся все гидротехнические сооружения, выстроенные у берега между гаванью Сушак и Нефтяной гаванью. Гавань Главна-Лука доступна для больших судов длиной не более 200 м. Гавань защищена с S молом Генерала Петра Драпшина. Вход в гавань находится между оконечностью мола Генерала Петра Драпшина и расположенной в 1,6 кбт к NNO от нее оконечностью пирса Лоле-Рибара. Преобладающие глубины в гавани 20—35 .ц.
В гавани вдоль всех набережных и пирсов имеется много рымов и палов.
Мол Генерала Петра Драпшина (GeneralaPetraDrap-sina) защищает гавань Главна-Лука с S. Он имеет четыре колена и простирается на 9 кбт к WNW. У внутренней стенки мола оборудовано несколько причалов общей длиной 547 м, глубины вдоль них 7,5 м. Часть внутренней стенки мола повреждена. Поврежденная часть стенки ремонтируется. Возле поврежденной части стенки запрещено производство погрузочно-разгрузочных работ.
Суда, проходящие мимо мест, где производятся ремонтные работы, должны уменьшать скорость хода, чтобы не создавать волнения.
На оконечности мола Генерала Петра Драпшина установлен огонь.
По сведениям 1969 г., подходить к молу ближе 0,5 кбт запрещено.
Набережная Тршчанска-Обала (Trscanskaobala) длиной около 200 м сооружена непосредственно к NO от основания мола Генерала Петра Драпшина. Судам запрещается швартоваться к мосту, соединяющему набережную с основанием мола Генерала Петра Драп-шина.
Набережная Обала-Югославенске-Морнарице (ObalaJugoslavenskemornarice) длиной 350 м построена непосредственно к WNW от северо-восточного конца набережной Тршчанска-Обала.
От набережной Обала-Югославенскс-Морнарице выступают два небольших пирса для пассажирских гудов! Глубины у пирсов и у набережной между пирсами 5,5 м.
Пирс Отокара-Кершования (OtokaraKersovanija) .расположен непосредственно к W от набережной Обала-Югославенске-Мор-нарице. Длина причальной линии пирса 364 .«; глубины у пирса 7>5—8 м. На пирсе имеются четыре крана грузоподъемностью по 1,5 т.
Набережная Люблянска-Обала (Ljubljanskaobala) сооружена между основаниями пирсов Отокара-Ксршовапия и Влади-мира-Назора. Длина набережной 250 м; глубина у нее 7,5 м. На набережной установлен кран грузоподъемностью 6,3 т. Против набережной выставлена швартовная бочка для больших судов.
Пирс Владимира-Назора {VladirniraNazora) построен непосредственно к WNW от набережной Люблянска-Обала. Длина причальной линии пирса 464 м; глубины у пирса 7,5—8 м. На пирсе установлен кран грузоподъемностью 4,5 т.
Набережная Београдска-Обала (BeogradskaObala) тянется непосредственно к WNW от основания пирса Владимира-Назора. Длина набережной 360 м; глубина у нее 7,5 м. На набережной выстроен элеватор. Против набережной выставлена швартовная бочка для больших судов.
Пирс Владимира-Гортана (VladimiraGortana) выступает западнее набережной Београдска-Обала. Длииа причальной линии пирса 312 м; глубины у пирса 7,5—8 м. На пирсе имеется кран грузоподъемностью 1,5 т.
Набережная Загребачка-Обала (Zagrebackaobala) сооружена между основаниями пирсов Владимира-Гортана и Лоле-Рибара. Длина набережной 361 м\ глубина у нее 7,5 м. Па набережной находится 11 кранов грузоподъемностью по 1,5 т. Против набережной выставлена швартовная бочка для больших судов.
Пирс Лоле-Рибара (LoleRibara) выступает западнее набережной Загребачка-Обала. Длина причальной линии пирса 209 м; глубина у пирса 8 м. На пирсе находятся четыре крана грузоподъемностью по 5 т.
На оконечности пирса Лоле-Рибара установлен огонь.
Набережная Сплитска-Обала (SpHtskaobala) расположена в 1,7 кбт к WNW от основания пирса Лоле-Рибара. Длина набережной 320 м; глубины у юго-восточной части набережной па протяжении 220 м составляют 6—7,5 м.
Маяк Малака (Malaka) установлен в 1,5 кбт к NO от юго-восточной оконечности набережной Сплитска-Обала.
Затонувшее судно лежит в 6 кбт к SW от оконечности мола Генерала Петра Драпшина.
Нечистый грунт (затонувший якорь с якорной цепью) находится и 1 миле к SW от оконечности мола Генерала Петра Драпшина.
Нефтяная гавань (Petrolejskaluka) расположена непосредственно к W от набережной Сплитска-Обала. Гавань образована небольшим молом, защищающим гавань с S, и коротким пирсом, отходящим от северо-восточной стороны гавани в 1 кбт к WNW от северо-западиой оконечности набережной Сплитска-Обала. Большая часть мола разрушена.
В гавани сооружена каменная набережная, глубины у которой превышают 6 м. Причальные сооружения гавани предназначены только для приема и подачи нефтепродуктов. Погрузка и выгрузка нефтепродуктов производятся лишь в дневное время. Одновременно в гавани могут швартоваться одно большое судно и два малых.
Гавань защищена молом от всех ветров, но во время большого волнения волны перекатываются через проломы мола и в гавани также образуется волнение.
Гавань Бргуд (Brgud) расположена в 7 кбт к W от Нефтяной гавани и защищена с SO изогнутым молом. На северо-западной стороне гавани находится судостроительный завод, от которого выступает несколько пирсов, на которых проложены железнодорожные пути.
Б гавани установлен плавучий док. Глубины в гавани от 6 до 22 м.
Светящий знак Бргуд (Brgud) установлен на оконечности изогнутого мола.
Огонь установлен на оконечности пирса слева от входа в гавань-Район, запретный для плавания, якорной стоянки и лова рыбы, расположен непосредственно перед гаванью. Ширина района 150 м, границы его показаны на картах.
Город Риека (Rijeka), являющийся одним из крупнейших городов Югославии, расположен к N от порта Риска. В городе насчитывается около 101 000 жителей, В нем расположены управление порта, таможня, управления Югославского, Адриатического и Кварнерского пароходств. В городе находится большое количество фабрик и заводов.
Полигон учебных торпедных стрельб шириной 3 мили простирается на 6,5 мили к SW от берега между гаванью Бргуд и оконечностью мола Генерала Петра Драпшина. Учебные торпедные стрельбы в указанном полигоне проводятся только днем, о чем капитаны судов заблаговременно предупреждаются портовыми властями и службой, обеспечивающем стрельбы. В полигоне для обеспечения стрельб выставляются плоты и буи. На плотах поднимаются красные флаги, а на плоту, выставленном в мористой части полигона, зажигается белый огонь. Во время торпедных стрельб плавание судов, якорная стоянка и лов рыбы запрещены. Через указанный полигон, когда в нем не проводятся стрельбы, все суда должны проходить без остановки.
Район якорных, мест находится в 2 милях к 50 от оконечности мола Генерала Петра Драпшина. Границы района показаны на картах.
Глубины в районе якорных мест 40—65 м\ грунт якоря держит хорошо. При сильных ветрах, дующих от S или SO {которые бывают очень редко: один-два раза в год), суда должны покинуть этот район и отойти мористее или стать на якорь на рейде Малинска. При большом скоплении судов в районе якорных мест вновь прибывающие суда должны становиться на якорь так, чтобы проход в порт Риека был свободен.
Район якорных мест для нефтеналивных судов и судов со взрывчатыми веществами находится в 4 милях к SO от оконечности мола Генерала Петра Драпшина. Границы района показаны на картах.
Портовые правила. Район, отведенный для маневрирования судов в гаванях Сушак и Главна-Лука, а также вблизи них на расстоянии 1 мили от берега, должен быть свободен от плавсредств любого назначения (суда в этом районе могут задерживаться на кратчайший срок).
Суда, входящие в порт и выходящие из него, должны держаться правой стороны При входе а гавань Глаана-Лука суда должны проходить вблизи оконечности мола Генерала Петра Драпшина, а при выходе из нее должны предварительно развернуться носом на пыход.
При входе в порт суда должны уменьшать скорость хода, чтобы не создавать волнения.
Лов рыбы, даже с установленными огнями, в районе порта от набережной Браидица до гавани Бргуд запрещен.
13 Описание порта прихода
п.Палермо.
Порт Палермо расположен в западной части бухты Палермо и образован тремя молами: Северным, Внешним и Южным. Порт доступен для судов длиной до 180 м и осадкой до 8,8 м.
Северный мол длиной 3,8 кбт. Тянется от северного берега порта к SSO и соединяется коротким поперечным молом с северной оконечностью Внешнего мола, тянущегося к S на 4,1 кбт.
Южный мол длиной 3,5 кбт. Тянется сначала на NO, затем поворачивает на NNW.
Вход в порт находится между чеверной оконечностью Южного мола и южной оконечностью Внешнего мола.
Южная часть порта над трапециевидным молом и основанием Южного мола предназначена для парусных и рыболовных судов.
В 6 кбт. К SSO от основания Южного мола расположена гавань Сан-Эрасмо, защищенная остатками двух молов, лежащих в уровень с поверхностью воды. Глубины в этой гавани менее 1 м.
Приметные пункты. При подходе к порту приметны: конусообразная вершина горы Куччо высотой 1036 м, находящаяся в 5 милях к W от порта; замок Кастеллаччо-ди-Монреале, стоящий на скале горы Куччо в двух милях к SSO от вершины горы Куччо, и гора Монтанья-Гранде высотой 645 м, находящаяся в 4,5 мили от порта. В северной части порта приметны краны судостроительной верфи.
В городе Палермо возвышается темный купол оперного театра, увенчанный большой вазой; вблизи здания театра находится высотное здание, в 3,5 кбт. к S от театра виден черный купол кафедрального собора. В 2,2 кбт. к SSW от собора стоит четырехугольное светлое здание астрономической обсерватории с белым куполом.
Ночью приметна длинная вертикальная цепь белых огней, освещающих акведук, расположенный в юго-восточной части города Палермо.
Ветры. Зимой преобладают ветры западной половины горизонта, но временами дуют ветры и от ONO и NNO, сила которых иногда становится настолько большой, что они затрудняют погрузочно-разгрузочные работы судов, стоящих вдоль набережных и у входа в порт.
Весной иногда неожиданно появляются ветры от SO.
Туманы в порту Палермо редки и наблюдаются обычно весной.
Местные признаки погоды. При высоком уровне воды и большой прозрачности атмосферы, когда отчетливо видны острова Филикуди и Аликуди (Липарские острова), следует ожидать сильных ветров южной половины горизонта. Густой туман у горизонта и необычно низкий уровень воды предвещают сильные ветры северной половины горизонта.
Лоцмана. Лоцманская проводка в порт обязательна. При перемене места внутри порта необходимо пользоваться услугами лоцмана.
Лоцмана встречают суда в 1 миле от входа в порт.
Лоцманская станция находится в северной части Трапецевидного мола. Рядом со станцией стоит башня высотой 28 м.
Портовые средства и оборудование. На пирсах порта проложены железнодорожные пути. Причалы оборудованы кранами; имеется один кран грузоподъемностью 50 т и несколько кранов грузоподъемностью по 15 т. В порту имеется элеватор. Для разгрузки судов на рейде порт располагает буксирами и лихтерами.
Ремонт. В порту можно производить капитальный ремонт судов. В северо-восточной части порта имеются сухой док, два плавучих дока и стапели. В порту имеются водолазы.
Снабжение. В порту можно получить уголь, мазут, дизельное топливо и смазочные масла.
Воду можно принять при стоянке у причалов из водопровода, а при стоянке на якоре – с водолеев.
Ввоз и вывоз. В порт ввозят уголь, лесоматериалы, машины, зерно, серу, минеральные грузы; вывозят в основном свежие и сухие фрукты, лимонную кислоту, животное и оливковое масло, вино и овощные консервы.
Сообщение. Порт Палермо имеет регулярное пароходное сообщение с основными портами Италии, Европы, северного берега Африки и США.
Воздушное сообщение осуществляется с рядом городов Италии.
Причальные устройства. Причалы для швартовки судов имеются вдоль пирсов, а также вдоль северного, западного и южного берегов порта. На северном берегу порта находится набережная Куаттровенти. При швартовке судов кормой к набережной Севернгого мола рекомендуется отдавать оба якоря, вытравив большее количество якорной цепи; при это нужно убедиться, что якорь не ползет. Якорь следует отдавать на линии пересечения набережной Куаттровенти со зданием управления порта, расположенного к S от основания пирса Витторио-Венето.
От северного мола в 1 кбт. к SSO от его основания к WSW выступает небольшой пирс. Глубины вдоль его южной стенки 7-7,8 м, а вдоль северной 5,2-7,8 м. У западного берега порта расположены четыре пирса: железнодорожный, Санта-Лучия, Пьяве и Витторио-Венето.
Против Южного мола от берега простирается широкий Трапецевидный мол. Этот мол не может быть использован для швартовки судов так как от него на расстояние до 80 м простирается отмель с глубинами менее 5 м. Кромка отмели ограждена двумя черными коническими буями. На этой отмели лежат обломки пирса и остатки разрушенных судов. По данным английской лоции, эти опасности отсутствуют.
К S от основания южного мола расположена набережная Форо-Италико или Форо-Умберто I, к которой могут швартоваться лишь малые суда.
Маяк Палермо установлен на Северном молу.
Огни установлены на молах, пирсах и причалах.
Девиационные створы.
1. Створ мыса Дзафферано с вершиной горы Санто-Калоджеро; направление створа 137° 14¢ —317º 14¢.
2 Створ мыса Дзафферано с мысом Галло; направление створа 122°27'-302°27'.
Город Палермо примыкает непосредственно к порту Палермо и является административным центром острова Сицилия. Население города составляет 587000 человек (1961 г.). В городе имеется несколько больниц.
Район, запретный для плавания, находится у северной части Внешнего мола.
Якорное место. На внешнем рейде порта Палермо можно становиться на якорь в любом месте; грунт хорошо держит якоря. На акватории порта грунт — туф, плохо держит якоря.
Портовые правила. За полчаса до прихода или ухода местных рейсовых пароходов судам не разрешается входить в порт, выходить из порта и передвигаться внутри него. Сигналом, запрещающим движение судов, является сигнал Международного свода сигналов «ОД» («OD»), поднимаемый на башне лоцманской станции.
Нефтепровод. В 1,5 кбт. к SSO от входа в гавань Сан-Эрасмо по направлению к N0 от берега на протяжении 440 м проложен нефтепровод, оконечность которого ограждается двумя вертикально расположенными огнями. У оконечности нефтепровода выставляются две швартовные бочки.
Платформа для выгрузки нефтепродуктов установлена в 1,6 мили к OSO от входа в гавань Сан-Эрасмо. На платформе зажигается огонь.
14 Навигационно-географический очерк
Адриатическое море представляет собой наиболее обширный залив Средиземного моря, глубоко вдающийся в его северный берег между Балканским и Апеннинским полуостровами. Свое название море получило от основанного на берегу его вершины в 1376 г. до н. э. города Адрия. Когда-то он был главным городом на Адриатическом море, а в настоящее время представляет собой развалины,
Адриатическое море вытянуто с SO на NW почти на 430 миль; его ширина 40—120 миль. Вход в Адриатическое море, называемый проливом Отранто (Otranto), расположен между островом Керкира (39°40' N, 19°50' О), лежащим у юго-западного берега Балканского полуострова, и мысом Санта-Мария-ди-Леука (39°48' N, 18°22' О), выступающим от Апеннинского полуострова. Проливом Отранто Адриатическое море соединяется с Ионическим морем. Линия, соединяющая остров Ластово и острова Палагружа с полуостровом Гаргано, разделяет Адриатическое море на северо-западную и юго-восточную частит.'
Границы района. В настоящей лоции приводится описание побережья Адриатического моря от мыса Кефали (39°54' N, 19°55' О) до мыса Санта-Мария-ди-Леука.
Описываемые берега принадлежат Народной Республике Албании, Социалистической Федеративной Республике Югославии и Итальянской Республике.
Берега. Северо-восточный и юго-западный берега Адриатического моря значительно отличаются по своему виду один от другого. Северовосточный берег моря почти на всем протяжении горист, и только к северу от пролива Отранто между заливом Влёра и устьем реки Дрин лежит Албанская низменность шириной 5—12 миль. Прибрежная полоса низменности заболочена, а в глубь берега местность постепенно повышается и становится холмистой.
Горы на северо-восточном берегу моря сложены из известняка. Горные хребты простираются вдоль всего берега параллельно береговой черте. Из прибрежных гор наиболее высоки горы хребта Вслебит, который опоясывает большую часть северо-восточного берега залива Квар-нер. Высота отдельных вершин этого хребта превышает 1700 м. В 25—30 милях от береговой черты высота горных хребтов превышает 2000—2500 м. Низменные участки и склоны гор от подножия до высоты 200—400 м поросли вечнозеленым кустарником, дубовыми и сосновыми лесами, а выше преобладают оливковые, апельсиновые и лимонные рощи и виноградники. Вершины гор скалисты и почти всюду обнажены. а долины и ущелья поросли лесом и кустарником.
Юго-западный берег Адриатического моря преимущественно низменный, местами заболоченный; кое-где он окаймлен песчаными пляжами. Однообразие рельефа этого берега нарушается только высоким и обрывистым полуостровом Гаргано (41°50' N, 16°00' О), который далеко выступает в море, и небольшими обрывистыми участками у мыса Медза-луна (43°33/ N, 13°38' О) и севернее гавани Пезаро. По мере удаления от береговой черты местность постепенно повышается и становится холмистой. Местами возвышаются невысокие горы, сложенные преимущественно из доломитов, мрамора, красного и белого известняка и темного песчаника.
Юго-западный берег моря покрыт зарослями кустарника, дубовыми и оливковыми рощами.
К берегу вершины Адриатического моря прилегает обширная Венецианская низменность, по которой текут многочисленные реки, впадающие в море; среди них самая большая река Италии По. Реки эти сильно разливаются, причем разливы иногда сопряжены с катастрофическими последствиями. С северо-восточного и юго-западного берегов в море также впадает ряд рек, однако большинство из них мелководны и для судоходства непригодны. Только реки Зрманя, впадающая в озеро Новиградско-Море, Неретва, впадающая в Неретванский залив, и Буна, соединяющая озеро Шкодер с Адриатическим морем, доступны для плавания малых судов на незначительное расстояние от устьев.
В северо-восточный берег моря вдается несколько заливов и бухт, из которых наиболее крупными являются залив Кварнер и Триестский залив, отделенные друг от друга возвышенным полуостровом Истрия. Некоторые заливы и бухты глубоко вдаются в берег и имеют узкие входы, благодаря этому они представляют собой хорошо укрытые от волнения естественные бассейны. Наиболее защищенными из них являются заливы Которский, Неретванский и бухта Шибеник.
Юго-западный берег моря изрезан незначительно. Большинство заливов и бухт, вдающихся в него, невелики и открыты ветрам и волнению. Самым крупным заливом здесь является залив Манфредония.
У юго-западного берега Адриатического моря установлены буровые вышки, на которых зажигаются огни; при некоторых из них имеются звукосигнальные установки. Положение вышек показано на картах. Сведения об упразднении буровых вышек и новых вышках публикуются в извещениях мореплавателям Гидрографического управления Министерства обороны.
Острова и проливы. У северо-восточного берега Адриатического моря между мысом Петка (42°39' N, 18°04' О) и полуостровом Истрия на расстоянии до 65 миль от береговой черты расположены многочисленные острова. Мыс Плоча (43°30' N, 15°58' О) делит их на две группы. Острова юго-восточной группы вытянуты в направлении О - W. К ним относятся острова Млет, Ластово, Корчула, Вис, Хвар, Брач, Шолта.
Острова северо-западной группы расположены параллельно берегу, образуя гряды. Наиболее крупными островами этой группы являются острова Зларин, Жирье, Муртер, Дуги-Оток, Пашман, Углян, Паг, Раб, Лошинь, Црес и Крк. Среди больших островов обеих групп расположены острова меньших размеров, многочисленные островки и скалы.
Все крупные острова гористы и скалисты, высота многих из них превышает 400—500 м.
Горы, возвышающиеся на островах, преимущественно лишены растительности, но их подножия и долины между ними поросли лесом и кустарником.
Проливы между островами юго-восточной группы ведут к берегу. Они широки и глубоководны. Между островами северо-западной группы пролегает несколько проливов, которые, соединяясь друг с другом, образуют несколько укрытых водных путей, ведущих вдоль берега. Большинство этих проливов доступно для плавания больших судов.
Острова Палагружа (42°23' N, 16°16' О), принадлежащие Югославии, расположены посредине Адриатического моря и наиболее удалены от берега Югославии.
У юго-западного берега Адриатического моря островов очень мало. Вблизи него лежат две группы островов — Тремити и Пьяноса. Возле берега Албании расположен единственный остров Сазани (40°30' N, 19°17'О).
Глубины, рельеф дна и грунт. Адриатическое море является наиболее мелководным из морей, входящих в Средиземноморский бассейн, В северо-западной части моря глубины едва достигают 200 м, к NW они постепенно убывают и в 70 милях от берега вершины составляют 50 м. К W от островка Ябука (43°06' N, 15°28' О) лежит впадина, вытянутая на 60 миль с NNO на SSW, с глубинами более 200 м. В юго-восточной части моря глубины достигают 1200 м.
Вдоль берега Албании рельеф дна сравнительно ровный. Глубины постепенно увеличиваются по мере удаления от берега. Изобата 100 м проходит здесь в 5—20 милях от береговой черты.
Берег Югославии более приглуб, по мере продвижения к NW рельеф дна становится неровным. Мористые кромки островов очень приглубы, во многих местах изобата 100 м проходит в 1—2 милях от них. Поэтому опознание места судна по глубинам на подходах к этому берегу и островам невозможно. Особенно неровен рельеф дна в проходах между островами, где имеется множество отмелей, банок и скал.
Юго-западный берег Адриатического моря более отмел, чем северовосточный. Он окаймлен многочисленными отмелями, которые из-за речных наносов постепенно расширяются. Почти на всем протяжении рельеф дна у этого берега ровный; отдельно лежащих опасностей, удаленных на значительное расстояние от берега, здесь нет.
В северо-западной части Адриатического моря грунт — песок, местами ил и глина. В юго-восточной части моря на глубинах более 200 м преобладает глина, а на глубинах менее 200 м песок, ил и глина.
Земной магнетизм. Магнитная изученность у побережья Италии хорошая, а у побережья Албании и Югославии магнитных наблюдений мало. От южной границы района до порта Дуррес имеются наблюдения советской немагнитной шхуны «Заря», производившиеся в 1957 г.
Магнитное склонение изменяется от 0°,8 О на юго-восточной границе района (остров Керкира) до Г,5 W на северозападной границе. Точность карты магнитного склонения iO°,5. Среднегодовые изменения магнитного склонения в юго-восточной части района -г-0°,05, в центральной части района +0°,06 и в северо-западной части +0°,07.
Магнитных аномалий интенсивностью более 2° в районе не отмечено. Амплитуда суточных изменений магнитного склонения летом составляет около 11', а зимой около 4'. Максимальное отклонение магнитной стрелки к О летом происходит в 7 ч по местному времени, а зимой в 9 ч. Максимальное отклонение магнитной стрелки к W происходит около 12—13 ч ло местному времени как летом, так и зимой.
Во время очень сильных магнитных бурь амплитуда колебаний магнитной стрелки достигает 1°,3.
Магнитное наклонение в пределах района возрастает от 56° на юго-зостоке до 62° на северо-западе. Горизонтальная составляющая напряженности магнитного поля уменьшается от 250 мэ, на юго-востоке до 217 мэ на северо-западе. -
Особые физико-географические явления. Берега Адриатического моря находятся в зоне активной сейсмической деятельности. Землетрясения с силой 6—9 баллов происходят у побережий Италии, Албании и Югославии. Так, в июле 1963 г. сильное землетрясение в Югославии полностью разрушило город Скопле (Scople), а в октябре 1969 г. почти полностью был разрушен город Баня-Лука (BanjaLuka) (44°46' N, 17*12' О), У побережья Италии в районе полуострова Гаргано наблюдалось моретрясение.
Запретные районы. Вблизи берегов, описываемых в настоящей лоции, имеются районы торпедных, артиллерийских и зенитных стрельб; районы противолодочных учений; районы, запретные и ограниченные для плавания и якорной стоянки; районы свалки взрывчатых веществ; опасные от мин и бывшие опасные от мин районы.
Вблизи побережья Италии в районах боевой подготовки военно-морского флота установлен определенный режим плавания, о котором мореплаватели оповещаются в специальных извещениях мореплавателям Италии. В случае отсутствии специальных извещений мореплавателем суда по возможности должны обходить указанные районы.
При плавании вблизи районов боевой подготовки суда должны выполнять все указания судов, сопровождающих подводные лодки в подводном положении.
Сообщение о дате и времени проведения учений и стрельб в указанных районах объявляется в срочных извещениях мореплавателям Италии, а также объявляется по радио.
Во время учений подводных лодок в этих районах на береговых постах и эскортирующих судах поднимается соответствующий предупредительный флажный сигнал по Международному своду сигналов.
Во время проведения стрельб и учений мореплаватели должны принимать меры предосторожности и проходить на достаточном расстоянии от указанных районов.
Плавание в опасных от мин районах осуществляется по фарватерам, показанным на картах.
При плавании в бывших опасных от мин районах безопасная якорная стоянка возможна только в специально отведенных местах, показанных на картах. Использовать другие якорные места, описываемые в лоции, без крайней необходимости не следует. Лов рыбы в бывших опасных от мин районах допускается при условии строгого соблюдения требований специальных инструкций по противоминной безопасности.
Средства навигационного оборудования. Побережье Адриатического моря имеет развитую сеть береговых средств навигационного оборудования. На мысах, далеко выступающих в море, и наиболее удаленных от побережья островах установлены маяки и светящие знаки с дальностью видимости 15 миль и более. Эти маяки и светящие знаки обеспечивают сквозное плавание по Адриатическому морю к его вершине и подходы к наиболее крупным портам как днем, так и ночью.; В судоходных проливах и на подходах к портам установлено значительное количество светящих знаков и огней. Опасности, лежащие«вблизи путей следования судов и на фарватерах, как правило, ограждены светящими и несветящими буями и вехами. На надежность местоположения буев и вех, а также па строгое постоянство характеристик огней полностью полагаться нельзя.
Звукосигнальных средств навигационного оборудования в описываемом районе мало, особенно в юго-восточной части моря, где плохая видимость отмечается редко. Несколько больше- звукосигнальных установок имеется в северо-западной части моря, где туманы и пониженная видимость бывают чаще.
Из радиотехнических средств навигационного оборудования на побережье Адриатического моря имеются радиомаяки и аэрорадиомаяки.
Однако следует иметь в виду, что аэрорадиомаяки могут временно прекращать свою работу или изменять ее режим, о чем мореплавателям не дается никаких извещений.
Порты и якорные места. На берегах Адриатического моря имеется ряд крупных портов, играющих значительную роль в экономике Албании, Югославии и Италии. В Албании это порт Дуррес, в Югославии — порты Сплит, Шибеник, Задар, Риека и Пула. Наиболее крупными и важными портами Италии являются порты Бриндизи, Бари, Анкона, Венеция и Триест.
Помимо упомянутых крупнейших портов, в Адриатическом море расположены многочисленные гавани, имеющие большое экономическое значение для местных перевозок. К ним относятся гавани Груж и Плоче в Югославии и гавани Барлетта, Римини и Порто-Корсини в Италии.
У северо-восточного берега моря расположены многочисленные якорные места. Лучшие якорные места для больших судов, защищенных от ветров и волнения любых направлений, находятся в заливах Влёра, Которский, Каштеланский, Трогирский и Бргульский, в проливах Коло-чепский, Шибенский и Задарский. и в бухтах Палермо, Шибеник и Мали-Лошинь.
У юго-западного берега моря нет мест, пригодных для укрытия больших судо_в от ветров любых направлений. При ветрах с берега большие суда могут становиться на якорь во многих местах, но при перемене ветра эти места следует покидать.
Ремонтные возможности и снабжение. Наибольшими ремонтными возможностями располагают порты Сплит, Риека, Пула, Триест, Бриндизи и Венеция, в которых имеются судоремонтные заводы или мастерские, верфи, сухие плавучие доки. Подробные сведения о них приведены в справочном отделе. Самым крупным сухим доком располагает порт Венеция, где могут доковаться любые суда, а плавучим — гавань Мартиншчица. В перечисленных портах большие суда могут произвести капитальный ремонт корпуса, судовых лкханизмов и электрооборудования. Средний ремонт можно произвести в порту Анкона, а текущий — в портах Дуррес, Тиват, Шибеник, Задар, Барн, в гаванях Груж и Плоче. Мелкий ремонт можно произвести в мастерских большинства небольших портов и гаваней. *
Запасы жидкого топлива и смазочных масел можно пополнить в портах Дуррес, Шибеник, Риека, Пула, Триест, Бриндизи, Бари и Венеция, где они имеются в достаточном количестве, а также в портах Задар, Сплит, Пула и в гавани Груж, где запасы топлива ограничены. Уголь можно принять в неограниченном количестве в портах Тиват, Сплит, Шибеник, Бриндизи, Анкона и Венеция. Ограниченные запасы угля имеются в портах Задар, Риека, Триест и в гаванях Груж и Плоче. Кроме того, небольшие запасы жидкого топлива и угля есть и во многих небольших портах и гаванях.
Продовольствие и пресную воду для питья и котлов, а также предметы судового снабжения можно получить в*крупиых портах и гаванях. В большинстве приморских городов и селений можно приобрести в небольшом количестве отдельные виды продовольствия, но на пополнение запасов воды в этих пунктах рассчитывать не следует.
Карантин и дератизация. Дератизационные свидетельства и свидетельства об освобождении от дератизации выдаются в следующих портах: в Югославии — в порту Риека, в Италии — в портах Бриндизи, Бари, Анкона, Венеция и Триест.
Лоцманская служба. Лоцманская проводка обязательна для всех иностранных судов, посещающих порты Албании.
При посещении большей части портов и гаваней Югославии и Италии лоцманская проводка обязательна для всех иностранных судов валовой вместимостью более 500 рег.т или водоизмещением более 500 г.
Навигационная информация. В описываемом районе имеются радиостанции, передающие гидрометеорологические сведения (МЕТЕО) и навигационные извещения мореплавателям (НАВИЛ1).
Сообщение н связь. Адриатическое море находится несколько в стороне от важнейших морских путей Средиземного моря. Имеется международная линия Триест — Порт-Саид. Наиболее крупные порты Адриатического моря Сплит, Риека, Триест и Венеция имеют регулярное грузопассажирское пароходное сообщение с основными портами Средиземного моря.
Существенное значение для экономики стран, расположенных на берегах Адриатического моря, имеет малый каботаж. Между большинством портов и гаваней и приморских населенных пунктов курсируют местные рейсовые суда.
Большинство портов и крупных населенных пунктов, расположенных на северо-восточном берегу Адриатического моря, имеет между собой железнодорожное сообщение. Вдоль северо-восточного берега проходит благоустроенная шоссейная дорога, однако местами она удаляется от моря на значительное расстояние.
Вдоль всего, юго-западного берега моря проходят железные и шоссейные дороги, соединяющие все наиболее крупные порты, гавани и населенные пункты Италии.
Поддерживается регулярное авиасообщение с многими странами. Сеть внутренних водных путей развита слабо. Судоходными реками являются: в Албании — Буна, в Югославии — Неретва, Зрманя, а в Италии -4 По.
Радиостанции имеются лишь в крупнейших портах.
Население и населенные пункты. В Народной Республике Албании ТйТ^читывается 1865000 жителей (1965 г.); в Социалистической Федеративной Республике Югославии — 19750000 жителей (1966 г.); в Итальянской Республике — 53200000 жителей (1966г.).
Наиболее крупными городами Адриатического побережья являются: Бари —317000 чел. (1962 г.), Венеция — 350 400 чел. (1962 г.), Влёра -46900 чел. (1964 г.), Дуррес —79900 чел. (1964 г.), Пула —37400 чел. (1961 г.), Риека—101000 чел. (1961 г.), Сплит —93400 чел. (1961 г.) и Триест — 274400 чел. (1962г.).
Праздничные дни. .Все праздничные и воскресные дни являются нерабочими. Ниже перечисляются праздничные дни.
В Албании: 1 января — Новый год, 11 января — День провозглашения Республики, 1 мая — День трудящихся, 7 ноября — Великая Октябрьская Социалистическая Революция, 28 ноября — День Независимости, 29 ноября — День освобождения.
В Югославии: 1 января — Новый год, 1 и 2 мая — День трудящихся, 29 и 30 ноября —День провозглашения Республики. Кроме того, в портах Черногории 13 июля — День народного восстания в Черногории; в портах Хорватии, Боснии и Герцеговины 27 июля — День народного восстания в этих республиках.
В Италии: 1 января — Новый год, 25 апреля — День Свободы, 1 мая — День Труда, 2 июня — День провозглашения Республики, 4 ноября — День заключения перемирия в 1918 г. Кроме того, 6 января. 19 марта, 29 июня, 15 августа, 1 ноября, 8, 25 и 26 декабря являются днями религиозных праздников.
15 Гидрометеорологический очерк
Метеорологическая характеристика.
Климат большей части Адриатического моря средиземноморский; для него характерны достаточно жаркое и сухое лето и мягкая дождливая зима, лишь на севере района зима более холодная.
Средиземноморский климат в летнее время формируется под воздействием воздушных течений восточной периферии субтропических антициклонов, а зимой — под влиянием циклонической деятельности.
Осадков здесь в целом не очень много, а их малое количество летом придает климату характер некоторой засушливости. Большое количество осадков выпадает лишь на наветренных склонах гор.
Адриатическому морю присущи следующие типы погоды:
1. Погода типа антициклональной боры в основном ясная и сухая высоком атмосферном давлении и умеренном похолодании. В прибрежных районах моря наблюдается сильный порывистый ветер (бора). Такой тип погоды отмечается главным образом в холодное время года, когда продолжительность его может достигать 2—3 недель.
2. Погода типа циклональной боры большей частью пасмурная дождливая с сильными и длительными ветрами от N до О; зимой наблюдается похолодание и снегопад. Этому типу погоды предшествует падение атмосферного давления; небо при этом покрывается высокослоистыми облаками, движущимися от SW.
3. Погода типа антициклонального сирокко, характеризующаяся ветрами от S и SO, безоблачным небом, а иногда перисто-кучевой или облачностью. Осадки выпадают очень редко. Этот тип погоды наиболее часто наблюдается весной, в начале лета и осенью.
4. Погода типа циклонального сирокко, отличающаяся густой низкой облачностью, временами очень сильным дождем и умеренными и свежими ветрами от OSO и SO, которые достигают иногда силы шторма.
I наступлением погоды такого типа отмечается обычно скопление на западе и северо-западе перисто-слоистых облаков. Для этого типа погоды характерны также разорванно-кучевые или разорванно-слоистые облака, движущиеся от S и SO, падение давления и сильный дождь.
5. Погода типа южных и юго-западных ветров, характеризующаяся ми осадками у гористых побережий, низким атмосферным давлением и сильным волнением моря.
Летом погода типа северо-западных ветров большей частью ясная сопровождающаяся некоторым похолоданием. В зимнее время этот удерживается и течение нескольких дней подряд, в теплое время погода (с середины апреля до середины октября) на северо-восточном побережье он очень устойчив. Зима: декабрь - февраль; весна: март — апрель; лето: май — сентябрь; осень: ноябрь.
Температура и влажность воздуха. Самыми теплыми месяцами повсеместно являются июль и август, когда средняя месячная температура составляет 23° на севере и 25°—26° на юге Адриатического моря. Наибольшая температура достигает в эти месяцы 39°—42°.
В самые холодные месяцы года — декабре, январе и феврале — средняя месячная температура на севере 3°—6°, на юге 8°—11°. В отдельные дни температура воздуха в декабре — феврале может понижаться до —6°.—10°.
Относительная влажность воздуха имеет сравнительно хорошо выраженный годовой ход. В большинстве пунктов наибольшая влажность 70—80% наблюдается с декабря по февраль, а наименьшая 55—65% — в июле и августе. В суточном ходе наименьшая влажность отмечается > в дневные часы.
Ветры. На большей части Адриатического моря зимой преобладают ветры от N и N0, а летом — от NW. Из ветров других направлений чаще всего наблюдаются ветры от SO.
На значительной территории северо-восточного побережья в зимний период наиболее вероятны ветры от N0 (25—40%). Летом к северу от параллели 43° сев. шир. господствующими являются также ветры от NO (до 20—25%). а к югу от этой параллели, как правило, преобладают ветры от N и NW (в сумме до 65%).
На юго-западном побережье зимой в большинстве пунктов чаще всего наблюдаются ветры от NW и W (в сумме до 40—60%). Летом к северу от параллели 43° сев. шир. господствуют ветры от SO (25V35%), к югу от нее —от NW и W (в сумме до 35—55%). Весной и осенью повсеместно ветры неустойчивы.
Средняя скорость ветра в течение всего года обычно не превышает 5 м/сек.
Повторяемость штилей в описываемом районе распределяется очень неравномерно. Наибольшая повторяемость их наблюдается в районе города Дубровник и порта Шибеник: соответственно 15—33% и 26—40%. Наименьшая повторяемость штилей отмечается в портах Бари и Анкона, — не более 3%.
Штормы чаще всего бывают на северо-восточном побережье с декабря по март. В это время среднее число дней со штормом колеблется от 2—4 до 9 в месяц. В остальное время года среднее месячное число дней с ними, как правило, не превышает 2._>Реже всего штормы наблюдаются на юго-западном побережье, где почти в течение года в среднем бывает не более 1 дня в месяц со штормом; лишь в отдельных пунктах в декабре и январе отмечается по 2—3 дня.
Преобладающее направление штормовых ветров от NO, N и NW.
На побережьях повсеместно развиты бризы, которые наиболее хорошо выражены в теплое время года. Береговой бриз наблюдается после захода солнца до восхода. Морской бриз обычно бывает с 10—11 до 20 ч.
На гористых участках северо-восточного побережья отмечается ветер «бора». Бора —это сильный и порывистый ветер от NO. направленный вниз по горным склонам, наблюдающийся преимущественно в зимнее время и приносящий похолодание. Скорость его колеблется от 16 до 33 ж/сек, но может достигать 40 м}сек, а иногда 50—60 л/се/с (порты Триест и Сплит). Продолжительность боры различна: от нескольких дней до нескольких недель Были случаи, когда бора, скорость которой достигала 40—50 м/сек, длилась в течение 30 дней с перерывами. При таком сильном ветре, особенно если он дует с гор, покрытых снегом, наблюдается быстрое обледенение построек и кораблей.
Сильная бора вызывает значительное волнение у берега и представляет опасность для судов, стоящих в гаванях. Как правило, бора имеет суточный ход: усиливается утром и вечером и ослабевает к ночи. Наиболее интенсивной бора бывает в районе портов Шибеник, Задар, Пула, Триест и в районе острова Хвар.
На юго-западном побережье бора наблюдается в том случае, когда на северо-восточном побережье очень сильная бора дует непрерывно н течение 2—3 дней.
Менее сильный ветер типа боры, наблюдающийся в теплое время года, известен под названием «борино». Лишь в редких случаях он достигает большой силы.
В рассматриваемом районе дует «сирокко» — теплый и влажный ветер от S и SO; в отдельных случаях, когда сирокко спускается с гор, он принимает характер «фена», т. е. становится сухим.
На отдельных участках наблюдается относительно холодный и сильный ветер «мистраль», дующий с гор в долины. Направление его зависит от положения долины.
Туманы бывают нечасто. Среднее годовое число дней с ними не превышает 10, а среднее месячное, как правило, не более 1.
Исключением являются отдельные пункты в северной части района. Так, например, в порту Триест в среднем бывает до 19 дней с туманами в году, а в порту Венеция 37., Туманы здесь отличаются большой густотой и продолжительностью. В течение года они чаще отмечаются с октября по март: в среднем 2—7 в месяц. С апреля — мая по сентябрь туманы редки.
Видимость. В открытом море в продолжение всего года преобладает ^видимость более 10 миль, причем в теплый период года повторяемость •такой видимости больше, чем в другие сезоны.
На побережьях и островах зимой преобладает видимость от 2 до 5 миль (50%). Видимость более 10 миль наблюдается только при малооблачной погоде и при северных ветрах, когда видимость настолько увеличивается, что отдельные вершины гор видны на расстоянии 50—100 миль. Видимость менее 0,5 мили наблюдается только в районах портов и промышленных центров; здесь в утренние часы повторяемость видимости 0,5 мили достигает 50%.
Весной видимость увеличивается, а летом повсеместно преобладает видимость более 5 миль. Повторяемость видимости менее 0,5 мили не превышает 2%.
Осенью в районе крупных промышленных центров довольно часто отмечается видимость 2—5 миль (до 30%), а в утренние часы видимость часто снижается до 0,5 мили и менее.
Радиолокационная наблюдаемость. Условия радиолокационной наблюдаемости в Адриатическом море благоприятные. В зимний период преобладает нормальная радиолокационная наблюдаемость, а в летний период — повышенная.
Необходимо отметить, что бора с осадками вызывает уменьшение радиолокационной наблюдаемости, а в случае отсутствия осадков—значительное ее увеличением
Облачность и осадки. Наибольшие значения облачности отмечаются на севере района, где средняя месячная облачность зимой составляет 6—7 баллов, а летом 3—5 баллов.
В остальной части облачность изменяется в среднем в месяц от 4—5 баллов зимой до 1—3 баллов летом.
Среднее число ясных дней в году колеблется от 120—130 на юге до 100—ПО на севере. Летом в южных районах в среднем бывает до 25 ясных дней в месяц, а в северных — не более 15.
Осадков больше всего выпадает на северо-восточном побережье: средняя годовая сумма их составляет 800—1450 мм. На юго-западном побережье осадков выпадает меньше: в среднем 500—750 мм в год.
Минимум осадков выпадает летом, особенно в июле, когда в большинстве пунктов среднее количество осадков составляет 13—15 мм. В районах портов Венеция и Триест наименьшее количество осадков выпадает в январе — феврале и составляет 41 мм в порту Венеция и 57—59 мм в порту Триест.
Максимум осадков на большей части района приходится на период с октября по январь. В эти месяцы среднее количество осадков обычно колеблется от 60—100 мм на юго-западном побережье до 150—200 мм на северо-восточном. В отдельных пунктах северо-восточного побережья, например в порту Риека, средняя месячная сумма осадков в октябре достигает 236 мм исключением являются районы портов Шибеник и Триест, где среднее количество осадков в эти месяцы не превышает 120мм.
Среднее число дней с осадками в году изменяется от 72 в порту Бриндизи до 143 в порту Риека. В большинстве пунктов осадки чаще всего отмечаются с октября по декабрь — январь (в среднем 10—13 в месяц), реже всего они бывают в июле и августе (в среднем 2—5 в месяц).
Снег в районе Адриатического моря явление редкое, и если выпадает, то в основном при северо-восточных штормах. Среднее годовое число дней со снегом составляет 4—6 в северо-западной части района и 1—2 в юго-восточной.
Особые метеорологические явления. Грозы над Адриатическим морем возможны во все сезоны года, но наиболее вероятны они с апреля по октябрь, когда повторяемость их в среднем составляет до 5 дней в месяц в северо-западной части моря и до 2—3 дней в юго-восточной.
В отдельные годы особенно на северо-восточном' побережье с июня но август иногда бывает 10—12 дней с грозой в месяц, в октябре 7—8 дней. Большая часть гроз, наблюдающихся над Адриатическим морем, перемещается от NW и SW.
Скорость движения грозы около 7—10 м/сек. Быстрое перемещение одной грозы за другой может продолжаться 4—5 ч подряд.
Метели отмечаются крайне редко и только в северной части моря.
Гидрологическая характеристика.
Колебания уровня и приливы. Колебания уровня в Адриатическом море невелики и вызываются главным образом приливо-отливными и сгонно-нагонными явлениями.
Приливы здесь преимущественно неправильные полусуточные.
Средняя величина прилива колеблется от 0,18 до 0,60—0,70 м и только в сизигию в северо-западной части моря и в Триестском заливе она увеличивается до 0,8—1 м и более.
Более значительные колебания уровня вызываются ветрами. При ветрах от SO и SW в бухтах северо-западной части моря уровень повышается.
Течения.У южной оконечности полуострова Истрия течение делится на два потока: один поворачивает на SW, другой следует на 'N вдоль западного берега полуострова Истрия и далее, обогнув самую северную часть моря, направляется на SO вдоль юго-западного берега моря. Этот поток называется юго-восточным прибрежным течением.
На подходах к проливу Отранто от юго-восточного прибрежного течения отходит ветвь на восток, которая соединяется с северо-западным прибрежным течением, и замыкает круговорот вод Адриатического моря-
Основная же часть юго-восточного прибрежного течения продолжает следовать на юго-восток, далее — на юг и уходит в Ионическое море.
Следует иметь в виду, что в северо-западной части моря, севернее линии, соединяющей порт Анкона с островом Дуги-Оток, система течений очень сложна: здесь наблюдается целый ряд круговоротов. Отдельные круговороты вод встречаются и в остальной части моря, особенно у юго-восточного берега.
Средняя скорость постоянных течений редко превышает 0,5 уз. В отдельных бухтах, проливах и проходах она составляет 1 уз .и более.
Скорость приливо-отливных течении возрастает с увеличением широты i местами достигает 1—2 уз и более.
У большей части северо-восточного побережья приливо-отливные течения преобладают над постоянным прибрежным течением и суммарное течение здесь имеет приливо-отливный характер. У юго-западного побережья моря влияние приливо-отливных течений сказывается главным образом на скорости суммарного течения.
- Ветровые течения возникают под действием сильных ветров. Последние иногда нарушают правильную смену приливо-отливных течений северо-восточного побережья и могут менять направление постоянного юго-восточного течения на обратное у юго-западного побережья. Совпадение направлений течений и сильных ветров заметно увеличивает скорость течений. Наиболее выражено это у северо-восточного побережья при ветрах от SO и у юго-западного побережья при ветрах от NW, в этих случаях скорость суммарного течения может возрастать до 3 уз и более.
Волнение. В Адриатическом море большую часть года преобладает волнение I—II балла, повторяемость которого составляет около 50%. Повторяемость волнения V баллов и более не превышает 5% в течение всего года.
Волнение приходит чаще всего от северо-западной четверти горизонта, а с ноября по июнь — и от юго-западной четверти.
Сведения о волнении у отдельных пунктов при различных направлениях ветра приводятся ниже.
Температура, соленость и плотность воды. Наиболее низкая температура наблюдается с декабря по февраль. В это время средняя месячная температура изменяется от 14° в районе острова Керкира до Т в районе устья реки По. При этом отмечается разница в температуре воды у юго-западного и северо-восточного побережий моря: у северо-восточного побережья температура воды в среднем на 2°—3° выше, чем у юго-западного.
Наиболее высокая температура воды наблюдается в июле и августе, когда средняя месячная температура воды на большей части района составляет 24°—25°.
Соленость воды на поверхности в большинстве районов моря в течение всего года 35—39%о. В северной части моря в районе устья реки Па под влиянием речного стока соленость понижается до 25—30%о.
Плотность воды на поверхности колеблется в течение года от 1,022 до 1,029. Наибольшая плотность от 1,027 до 1,029 наблюдается с октября по март. С апреля по сентябрь она уменьшается до 1,026, а в крайней северо-западной части моря до 1,022.
Прозрачность и цвет воды. Прозрачность воды в море колеблется от 20 до 40 м у берегов она уменьшается. Цвет воды преимущественно голубой и зеленовато-голубой.
Гидробиологические явления.
Свечение в Адриатическом море в основном фоновое и проблесковое.
Фоновое, или бактериальное, свечение вызывается светящимися бактериями и сводится к возникновению одинакового по цвету и интенсивности светлого пространства, обычно зеленовато-голубого, голубовато-зеленого, реже белого или оранжевого оттенков. При прохождении судна или волнении интенсивность свечения меняется. Фоновое свечение распространено в прибрежной зоне, особенно в приустьевых участках рек.
Проблесковое свечение вызывают крупные светящиеся организмы — медузы-пелагии, которые нередко в течение нескольких минут излучают зеленоватый свет.
Цветение обусловлено массовым скоплением планктонных, обычно-растительных, но иногда и животных организмов в поверхностном слое воды. Цветение заметно меняет оптические свойства воды (цвет и прозрачность).
Водоросли. Вдоль описываемых берегов встречаются саргассовые водоросли, которые представляют собой раскидистые кусты высотой до трех и более метров. Часто они прикрепляются к небольшим камням. Нередко эти водоросли всплывают на поверхность.
№ п/п |
Названиемаяков |
DК | Характеристикаогня |
МоментыОткрытия |
На траверзе | Моментызакрытия |
|||
И.П |
ТС |
ИП | ТС | ИП | ТС | ||||
| 1 | 2 | 3 | 4 | 5 | 6 | 7 | 8 | 9 | 10 |
| 1 | о. Сусак | 27 м | БлПр30с27М | 1480 | 20.04.04 03:05 | 610 | 03:58 | 3370 | 05:58 |
| 2 | о. Палагружа | 26 м | БлПр17,5с26М | 1200 | 14:46 | 410 | 16:46 | 3200 | 18:46 |
| 3 | Виесте м. Сан - Франческо | 25 м | БлПр(3)15с25М | 1940 | 17:11 |
2210 |
17:57 |
2480 |
18:43 |
| 4 | Маринайо Д’Италия п. Бриндизи |
17 м | БПр(4)20с17М | 1680 | 21.04.04 01:23 |
2210 | 01:57 | 2430 | 02:07 |
| 5 | м. Отранто | 18 м | БлПр5с18М | 1530 | 03:32 | 2700 | 05:45 | 150 | 07:23 |
| 6 | м. Санта – Мария – ди Леука | 24 м | БлПр(3)15с24М | 2050 | 05:21 | 3220 | 07:17 | 490 | 09:30 |
| 7 | м. Колонне | 24 м | БлПр5с24М | 2560 | 11:45 | 3220 | 13:21 | 280 | 14:57 |
| 8 | м. Стило | 22 м | БлПр(3)15с22М | 2470 | 15:39 | 3220 | 17:17 | 320 | 18:33 |
| 9 | м. Спартивенто | 24 м | БлПр8с24М | 2380 | 18:33 | 3220 | 20:31 | 650 | 21:02 |
| 10 | м. Арми | 22 м | Пр(2)10с22М | 3250 | 22:23 | 00 | 22:35 | 1550 | 23:12 |
| 11 | м. Сицилла | 22 м | БлПр5с22М | 690 | 22.04.04 00:02 |
1450 | 00:19 | 1300 | 00:48 |
| 12 | м. Милаццо | 16 м | БлДлПр6с16М | 2700 | 00:29 | 1800 | 02:18 | 900 | 04:18 |
| 13 | м. Дзафферано | 16 м | БлКрПр(3)10с16М | 2580 | 08:53 | 1740 | 10:14 | - | - |
Перечень маяков
16 Расчёт расстояний и времени на переход
Ходовое время рейса судна зависит от расстояния между портами, технической скорости судна и навигационных условий плавания. Плановая продолжительность ходового времени рассчитывается делением плановых расстояний между портами захода судна, за вычетом протяженности каналов и узкостей на техническую скорость, скорректированную в соответствии с разработанными судовладельцем нормативами. К полученной продолжительности чистого ходового времени добавляется рассчитанное по нормативам время, необходимое на прохождение каналов и узкостей, лоцманскую проводку и швартовные операции. Ниже проводится формула которая учитывает эти все факторы.
tx = (L – lогр ) / (Vт – ΔV) + lогр / Vогр + tман |
где: tx – ходовое время на переход;
L – длина пути между портами по рекомендованным курсам;
lогр – длина пути движения судна с малой скоростью l = 2 мили;
tман – время на маневры (в расчетах принимаем tман=0, считая что не отшвартовывались и не швартуемся, а лоцмана брали на ходу по предварительной договоренности);
Vт – заданная техническая скорость судна;
Vогр – скорость плавания с ограниченной скоростью. Среднюю ограниченную скорость принимаем из условия, что при выходе из порта отхода скорость судна будет возрастать по мере удаления от опасностей (причалов, пирсов, берега и т.д.) а в порту прихода понижается в обратной последовательности. Принимаем Vогр = 6 узлов.;
ΔV – норматив снижения скорости (из-за технического состояния и навигационных особенностей, принимаем ΔV = 1,5 уз).
Расстояние (L) в милях от порта Малага до порта Неаполь находим по пособию «Таблицы морских расстояний». Необходимые данные находим в Т-1 Таблиц, где расстояние между портами составляет 930 миль. С момента выхода из порта Малага и до порта Неаполь судно будут сопровождать попутные постоянные поверхностные течения, только при прохождении острова Сардиния судно встретит слабое встречное течение. Следовательно, фактическая скорость движения судна на всем пути будет соответствовать технической. Так как судно не проходит ни узкостей, ни каналов, ни любых других районов с ограничением скорости то длину пути движения судна с ограниченной скоростью и lогр не учитываем.
Расчеты:
tx = (828,5- 2) / (14 – 1,5) + 2/6 = 66ч 27мин
Так как судно выходит из порта Марсель 12 апреля 2004 года, то в порт Гибралтар судно прибудет 13 апреля 2004 года в 16:25.
17 Таблица курсов и плаваний на переход
№ п/п |
ИК | VC | ПлаваниеS (мили) |
Продолжительность плавания (часы, минуты) |
Дата, время ТС |
Координатыповоротных точек |
Название опорного ориентира при повороте | ИП ориентира | D ориентира (мили) |
|
| j | l | |||||||||
| 1 | 2 | 3 | 4 | 5 | 6 | 7 | 8 | 9 | 10 | 11 |
| 14,0 | 20.04.04 | (N) | (E) | |||||||
1 2 3 4 5 6 7 8 9 10 11 12 13 14 15 |
2230 1890 1510 1310 1800 2060 2320 2700 3260 30 550 3250 2700 2640 – |
13,0 33,0 78,0 285,0 8,0 21,0 186,0 29,0 5,0 15,5 4,0 5,0 23,0 123,0 – |
00ч55м 02ч21м05ч34м20ч21м 00ч34м 01ч30м 13ч16м 02ч04м 00ч21м 01ч06м 00ч17м 00ч21м 01ч38м 08ч47м – |
00ч00м 00ч55м 03ч16м08ч50м 21.04.04 05ч11м 05ч45м 07ч15м 20ч31м 22ч35м 22ч56м 22.04.04 00ч02м 00ч19м 00ч40м 02ч18м 11ч05м |
450 20,0I 450 10,0I 440 37,5I 430 30,0I 400 15,0I 400 06,0I 390 47,5I 370 55,0I 370 55,0I 370 58,0I 380 15,0I 380 17,0I 380 20,5I 380 20,5I 380 07,3I |
0140 26,0I 0140 16,0I 0140 10,0I 0140 48,0I 0180 35,0I 0180 35,0I 0180 26,5I 0160 07,0I 0150 38,01 0150 35,0 I 0150 36,0I 0150 39,0I 0150 36,0I 0150 14,0I 0130 22,9I |
п.Риека о. Црес о. Уние счисление м. Отранто м. Отранто Санта – Мария ди Леука Спартивенто м Арми м Арми м Сцилла м Сцилла м Сцилла м Милаццо п.Палермо |
- - 99 0 - 2070 2700 2700 3220 00 900 690 1450 1450 1800 - |
- 2,5 4 - 10 м 4 м 3 м 3 м 4 м 2,5 м 3м 2м 6м 3 м - |
|
| Всего пройдено (миль) | 828,5 | |||||||||
| Затрачено времени (часов) | 59ч05м | |||||||||
18 Таблица светлого времени
Дата на 2004 г. |
Начало навига- ционных сумерек | Конец навига- ционных сумерек | Возраст Луны |
Фаза Луны |
||||||
20.04 |
04:30 |
05:36 |
77,70 NE |
19:20 |
77,20 NW |
19:48 |
05:52 |
2 |
20:34 |
|
| 21.04 | 04:21 | 05:34 |
77,50 NE | 19:22 |
76,90 NW | 19:56 | 06:11 | 3 | 21:44 | |
| 22.04 | 04:16 | 05:32 |
77,20 NE | 19:23 |
75,60 NW | 20:08 | 06:34 | 4 | 22:52 |
19 Расчёт рамки карты
Координаты:
Риека
j = 45˚20,35’N
l = 14˚20’E
Палермо
j = 38˚12’N
l = 13˚36’E
1.Находим единицу карты:
е = Ро/Со
Длина гориз. Рамки / РД
е = b/РМЧ
РМЧ=МЧ46 –МЧ37,5
РМЧ= 3099-2416,3=682,7
е = 794/682,7 = 1,16
2. Находим расстояния от заданной параллели до нижней рамки карты:
bi = e ∙ (Di-Ds)
bi37,5 = 1,16 ∙ (2454,1-2416,3) = 43,84
bi38 = 1,16 ∙ (2530,4-2454,1) = 88,5
bi39 = 1,16 ∙ (2607,9-2530,4) = 89,9
bi40 = 1,16 ∙ (2686,5-2607,9) = 91,18
bi41 = 1,16 ∙ (2766,3-2686,5) = 92,57
bi42 = 1,16 ∙ (2847,4-2766,3) = 94
bi43 = 1,16 ∙ (2929,8-2847,4) = 56,6
bi44 = 1,16 ∙ (3013,6-2929,8) = 97,2
bi45 = 1,16 ∙ (3099,0-3013,6) = 99,06
bi46 = 1,16 ∙ (3185,9-3099,0) = 100,8
3. Находим горизонтальную рамку карты:
а = е (lЕ - lW)
РД = а / е = 554 / 1,16 = 477,6’ = 7˚ 58’
lср = (13˚ + 19˚)/ 2 = 16˚
а = е (lЕ - lW)
а = 1,26 ∙ (19˚00 - 13˚00) = 1,16 ∙ 6˚ = 417,6
4. По найденным значениям строим сетку карты.
20 Краткая штурманская справка
Гидрометеорологические сведения. При выходе из порта Риека, бора часто дует с большой силой и сопровождается шквалами. Признаком возникновения боры является появление слоисто-перистых облаков над горным хребтом Велебит. Появление дождевых и кучево-дождевых облаков над горным хребтом Велебит является признаком возникновения юго-западных и северо-западных ветров, которые обычно длятся несколько часов. Юго-западные ветры в гаванях Главна-Лука и Сушак образуют волнение.
Колебания уровня между самым большим нагоном воды, наступающим во время юго-западных ветров, и самым большим сгоном, наступающим во время северо-восточных ветров, равны 1,2 м. . Погода типа антициклональной боры в основном ясная и сухая высоком атмосферном давлении и умеренном похолодании. В прибрежных районах моря наблюдается сильный порывистый ветер (бора).
Для гидрологического режима Адриатического моря характерны высокая температура воды, большая соленость, незначительные колебания уровня, слабые течения и преобладание волнения I—II балла.
Приливы здесь преимущественно неправильные полусуточные.
Средняя величина прилива колеблется от 0,18 до 0,60—0,70 м и только в сизигию в северо-западной части моря и в Триестском заливе она увеличивается до 0,8—1 м и более.
Более значительные колебания уровня вызываются ветрами. При ветрах от SO и SW в бухтах северо-западной части моря уровень повышается.
Для гидрологического режима Адриатического моря характерны высокая температура воды, большая соленость, незначительные колебания уровня, слабые течения и преобладание волнения I—II балла.
Приливы здесь преимущественно неправильные полусуточные.
Средняя величина прилива колеблется от 0,18 до 0,60—0,70 м и только в сизигию в северо-западной части моря и в Триестском заливе она увеличивается до 0,8—1 м и более.
Более значительные колебания уровня вызываются ветрами. При ветрах от SO и SW в бухтах северо-западной части моря уровень повышается.
Течения. У южной оконечности полуострова Истрия течение делится на два потока: один поворачивает на SW, другой следует на N вдоль западного берега полуострова Истрия и далее, обогнув самую северную часть моря, направляется на SO вдоль юго-западного берега моря. Этот поток называется юго-восточным прибрежным течением.
На подходах к проливу Отранто от юго-восточного прибрежного течения отходит ветвь на восток, которая соединяется с северо-западным прибрежным течением, и замыкает круговорот вод Адриатического моря.
Основная же часть юго-восточного прибрежного течения продолжает следовать на юго-восток, далее — на юг и уходит в Ионическое море.
Следует иметь в виду, что в северо-западной части моря, севернее линии, соединяющей порт Анкона с островом Дуги-Оток, система течений очень сложна: здесь наблюдается целый ряд круговоротов. Отдельные круговороты вод встречаются и в остальной части моря, особенно у юго-восточного берега.
Средняя скорость постоянных течений редко превышает 0,5 уз.
Свечение. Фоновое или бактериальное свечение вызывается светящимися бактериями и сводится к возникновению одинакового по цвету и интенсивности светлого пространства, обычно зеленовато-голубого, голубовато-зеленого, реже белого или оранжевого оттенков. При прохождении судна или волнении интенсивность свечения меняется. Фоновое свечение распространено в прибрежной зоне, особенно в приустьевых участках рек.
Проблесковое свечение вызывают крупные светящиеся организмы — медузы-пелагии, которые нередко в течение нескольких минут излучают зеленоватый свет.
Цветение обусловлено массовым скоплением планктонных, обычно-растительных, но иногда и животных организмов в поверхностном слое воды. Цветение заметно меняет оптические свойства воды (цвет и прозрачность).
Водоросли. Вдоль описываемых берегов встречаются саргассовые водоросли, которые представляют собой раскидистые кусты высотой до трех и более метров. Часто они прикрепляются к небольшим камням. Нередко эти водоросли всплывают на поверхность.
Навигационная обстановка. Вход в Адриатическое море, называемый проливом Отранто (Otranto), расположен между островом Керкира (39°40' N, 19°50' О), лежащим у юго-западного берега Балканского полуострова, и мысом Санта-Мария-ди-Леука (39°48' N, 18°22' О), выступающим от Апеннинского полуострова. Проливом Отранто Адриатическое море соединяется с Ионическим морем. Линия, соединяющая остров Ластово и острова Палагружа с полуостровом Гаргано, разделяет Адриатическое море на северо-западную и юго-восточную частит.
Берега. Северо-восточный и юго-западный берега Адриатического моря значительно отличаются по своему виду один от другого. Северовосточный берег моря почти на всем протяжении горист, и только к северу от пролива Отранто между заливом Влёра и устьем реки Дрин лежит Албанская низменность шириной 5—12 миль. Прибрежная полоса низменности заболочена, а в глубь берега местность постепенно повышается и становится холмистой.
Горы на северо-восточном берегу моря сложены из известняка. Горные хребты простираются вдоль всего берега параллельно береговой черте. Из прибрежных гор наиболее высоки горы хребта Вслебит, который опоясывает большую часть северо-восточного берега залива Квар-нер. Высота отдельных вершин этого хребта превышает 1700 м. В 25—30 милях от береговой черты высота горных хребтов превышает 2000—2500 м. Низменные участки и склоны гор от подножия до высоты 200—400 м поросли вечнозеленым кустарником, дубовыми и сосновыми лесами, а выше преобладают оливковые, апельсиновые и лимонные рощи и виноградники. Вершины гор скалисты и почти всюду обнажены. а долины и ущелья поросли лесом и кустарником.
Юго-западный берег Адриатического моря преимущественно низменный, местами заболоченный; кое-где он окаймлен песчаными пляжами. Однообразие рельефа этого берега нарушается только высоким и обрывистым полуостровом Гаргано (41°50' N, 16°00' О), который далеко выступает в море, и небольшими обрывистыми участками у мыса Медза-луна (43°33/ N, 13°38' О) и севернее гавани Пезаро. По мере удаления от береговой черты местность постепенно повышается и становится холмистой. Местами возвышаются невысокие горы, сложенные преимущественно из доломитов, мрамора, красного и белого известняка и темного песчаника.
Острова и проливы. У северо-восточного берега Адриатического моря между мысом Петка (42°39' N, 18°04' О) и полуостровом Истрия на расстоянии до 65 миль от береговой черты расположены многочисленные острова. Мыс Плоча (43°30' N, 15°58' О) делит их на две группы. Острова юго-восточной группы вытянуты в направлении О - W. К ним относятся острова Млет, Ластово, Корчула, Вис, Хвар, Брач, Шолта.
Магнитное склонение изменяется от 0°,8 О на юго-восточной границе района (остров Керкира) до Г,5 W на северозападной границе. Точность карты магнитного склонения iO°,5. Среднегодовые изменения магнитного склонения в юго-восточной части района -г-0°,05, в центральной части района +0°,06 и в северо-западной части +0°,07.
Магнитных аномалий интенсивностью более 2° в районе не отмечено.
Запретные районы. Вблизи берегов, описываемых в настоящей лоции, имеются районы торпедных, артиллерийских и зенитных стрельб; районы противолодочных учений; районы, запретные и ограниченные для плавания и якорной стоянки; районы свалки взрывчатых веществ; опасные от мин и бывшие опасные от мин районы.
Вблизи побережья Италии в районах боевой подготовки военно-морского флота установлен определенный режим плавания, о котором мореплаватели оповещаются в специальных извещениях мореплавателям Италии. В случае отсутствии специальных извещений мореплавателем суда по возможности должны обходить указанные районы.
При плавании вблизи районов боевой подготовки суда должны выполнять все указания судов, сопровождающих подводные лодки в подводном положении.
Средства навигационного оборудования. Побережье Адриатического моря имеет развитую сеть береговых средств навигационного оборудования. На мысах, далеко выступающих в море, и наиболее удаленных от побережья островах установлены маяки и светящие знаки с дальностью видимости 15 миль и более. Эти маяки и светящие знаки обеспечивают сквозное плавание по Адриатическому морю к его вершине и подходы к наиболее крупным портам как днем, так и ночью.; В судоходных проливах и на подходах к портам установлено значительное количество светящих знаков и огней. Опасности, лежащие«вблизи путей следования судов и на фарватерах, как правило, ограждены светящими и несветящими буями и вехами. На надежность местоположения буев и вех, а также па строгое постоянство характеристик огней полностью полагаться нельзя.
Лоцманская служба. Лоцманская проводка обязательна для всех иностранных судов, посещающих порты Албании.
Переход составляет 828.5 миль и состоит и 15 курсов указанных выше.
21 Расчет плавания по ДБК
Ванкувер Гонолулу
![]()
![]()
![]()
![]()
Из порта Ванкувер следуем локсодромическим курсом до φн = 48°30,0¢S; λн = 125°30,0¢W, далее по ДБК до следующей точки φк = 21°30,0¢S; λк = 153°30,0¢W, и дальше следуем по локсодромии до порта Гонолулу.
Решение.
Для нахождения прямого локсодромического курса и локсодромического плавания воспользуемся формулами:
; S= РШ x secK;
1) Рассчитываем РД, РШ и РМЧ
2) Вычисляем локсодромический курс:
;
3) Вычисляем локсодромическое плавание S:
S= РШ x sec K;
4) Вычисляем длину ортодромии по формуле:
соsD= sin
н
x sin
к
+ соs
н
x соs
к
x соs РД;
Расстояние по локсодромии S=2112,9 мили
Расстояние по ортодромии D=2101,9 миль
Разность расстояний 11 миль
Курс по локсодромии 219,9º
Курс по ортодромии (начальный) 229,6º
Курс по ортодромии (конечный) 214,2º
Данные для построения ДБК через 5 ° долготы.
| № п\п | λ | j | Курс | Плавание, мили |
| 0 | 48˚ 30,0΄ N | 125° 30,0´ W | 229,6° | 247,6 |
| 1 | 45˚ 43,9΄ N | 130° 00,0´ W | 226,3° | 308,3 |
| 2 | 42˚ 03,9΄ N | 135° 00,0´ W | 222,8° | 349,8 |
| 3 | 37˚ 40,4΄ N | 140° 00,0´ W | 219,6° | 397,8 |
| 4 | 32˚ 27,3΄ N | 145° 00,0´ W | 216,7° | 450,7 |
| 5 | 26˚ 20,0΄ N | 150° 00,0´ W | 214,2° | 347,7 |
| 6 | 21˚ 30,0΄ N | 153° 30,0´ W |
22 Оценка целесообразности плавания по ДБК
Скорость судна при полной загрузке 16,5 узлов
Эксплуатационные расходы судна 5020$
Суточный расход топлива 3 тонна
Стоимость 1т топлива 230$
Длинна локсодромии, S=2112,9 мили
Длинна ортодромии, D=2101,9 миль
Целесообразность плавания по дуге большого круга (ортодромии) определяется разностью S-D, где S — длина локсодромии и D — длина ортодромии. Если эта разность значительная и выигрыш в продолжительности перехода составляет десятки часов, то плавание по ортодромии считается выгодным.
Расчет разности времени и длин локсодромии и ортодромии.
S - D = 2112,9 – 2101,9 = 11 миль. Таким образом, длина ортодромии менее длины локсодромии всего на 11 миль. При скорости судна 16,5 узлов, экономится небольшое количество времени: всего лишь около 40 минут, что не выгодно и не целесообразно.
Расчет расхода топлива за сэкономленное время.
Расход топлива за 24 часа составляет 31 тонну, экономия времени при плавании по ортодромии – 40 минут. Следовательно, при плавании по локсодромии было бы расходовано на 0,9 тонн топлива больше.
Экономический эффект при плавании по ДБК.
Эксплуатационные расходы судна за 24 часа составляют 5020$, за 40 минут они составят 139,44$.
Одна тонна топлива стоит 230$, за 40 минут израсходуется 0,9 тонны, следовательно судно за это время расходует топлива на сумму 207$.
Сложим эти расходы и получим экономический эффект в $:
139,44$ + 207$ = 346,44$
23 Оценка точности определения места судна по двум пеленгам
Находим Rmin по формуле.
Rmin = 0,32 * D * m˚л
, где D – база в милях; расстояние между объектами 0,17 мили.
m˚л = 0,7˚ - погрешность в пеленговании, принимаем по НШС.
Представляя значения в формулу получим:
Rmin = 0,32 · 0,16 · 0,7˚ = 0,0358 кбт
![]()
Радиус круга 95%-ой погрешности определяем по формуле:
где: Д1 = 0,26 мили расстояние до свет. знака Внешнего мола
Д2 = 0,28 мили расстояние до свет. знака Южного мола
Д = 0,16 расстояние между св. знаками
∆ П = 35,7° угол между линиями пеленгов на ориентир
![]()
Для построения изолиний точности обсервации рассчитывается таблица значений Rвіз зависящих от коэффициента μ.
![]()
| Θ | μ | |||||||||
| 3 | 1,2 | 1,05 | 1 | 1,05 | 1,2 | 1,5 | 2 | 2,5 | 3,0 | |
| 30˚(150˚) | 0,13 | 0,35 | - | - | - | 0,61 | 0,73 | 0,88 | 1,00 | 1,12 |
| 60˚(120˚) | 0,08 | 0,26 | 0,36 | - | 0,55 | 0,69 | 0,87 | 1,10 | 1,28 | 1,43 |
| 90˚ | 0,07 | 0,24 | 0,33 | 0,46 | 0,60 | 0,77 | 0,96 | 1,17 | 1,36 | 1,53 |
Далее перемножаем эти значения из таблицы на длину базы и получаем данные для построения изолиний точности обсервации.
| Θ | μ | |||||||||
| 3 | 1,2 | 1,05 | 1 | 1,05 | 1,2 | 1,5 | 2 | 2,5 | 3,0 | |
| 30˚(150˚) | 0,021 | 0,056 | - | - | - | 0,098 | 0,117 | 0,141 | 0,16 | 0,18 |
| 60˚(120˚) | 0,013 | 0,042 | 0,058 | - | 0,088 | 0,11 | 0,14 | 0,176 | 0,205 | 0,229 |
| 90˚ | 0,011 | 0,038 | 0,053 | 0,074 | 0,096 | 0,12 | 0,154 | 0,187 | 0,218 | 0,245 |
24 Оценка точности определения места судна по радиолокационному пеленгу и радиолокационному расстоянию
Для оценки точности по пеленгу и радиолокационному расстоянию применяют формулу:
![]()
где: mn и mD – средние квадратические погрешности радиолокационных измерений пеленгов и расстояний.
Выбираем восемь точек на линии курса:
1) 38˚ 07,23΄N; 13° 23,0´E
2) 38˚ 07,236΄N; 13° 22,935´E
3) 38˚ 07,24΄N; 13° 22,86´E
4) 38˚ 07,245΄N; 13° 22,785´E
5) 38˚ 07,25΄N; 13° 22,715´E
6) 38˚ 07,285΄N; 13° 22,675´E
7) 38˚ 07,33΄N; 13° 22,645´E
8) 38˚ 07, 375΄N; 13° 22,615´E
По указанной формуле определяем Rрлс для каждой из восьми выбранных точек на плане опасного участка. Получим:
| № точки | 1 | 2 | 3 | 4 | 5 | 6 | 7 | 8 |
| D1, мили | 0,52 | 0,49 | 0,46 | 0,42 | 0,4 | 0,36 | 0,31 | 0,26 |
| D2, мили | 0,6 | 0,56 | 0,51 | 0,47 | 0,43 | 0,38 | 0,33 | 0,28 |
| ∆П, градусы | 14,6 | 16,3 | 18,4 | 20,5 | 22,8 | 25,7 | 29,4 | 35,3 |
| Rвиз, кбт | 0,42 | 0,38 | 0,33 | 0,30 | 0,27 | 0,24 | 0,21 | 0,18 |
| Rрлс, кбт | 0,14 | 0,14 | 0,14 | 0,14 | 0,14 | 0,14 | 0,14 | 0,14 |

25 Оценка навигационной безопасности плавания
Показателем навигационной безопасности служит вероятность Р отсутствия навигационных аварий и происшествий в течение всего перехода. К навигационным происшествия относятся все случаи касания судном грунта вследствие ошибок выбора пути и проводки по нему судна. Такие аварии и происшествия происходят при ΔD расстояния D до ближайшей опасности равно этому расстоянию и направлено в ту же сторону.
То есть Р события зависит от D и средней квадратической погрешности Mд с которой известно это расстояние. Мд зависит от погрешностей места судна (dмс ) и положения опасности (dпо ) вдоль соединяющей их линии.
![]()
В расчетах принимается dпо = 0.
В таком случае Мд, т.е. средняя квадратичная погрешность определения места судна равняется радиусу круга допустимой погрешности счисления.
Rmin = Мд=0,038
Исходя из этого находится расстояние до опасности по нормали к линии пути.

где D – дистанция до изобаты с h = Tc (0.05 мили)
В соответствии с найденным;
![]()
Показатель навигационной безопасности Р определяется по функции распределения погрешностей по закону экспоненциального распределения вероятности Лапласса
Р = 2 Ф (γ) –1
Для γ = 2.5 ( из таблицы 1-Б МТ- 75) , Ф(γ) = 0.988
Р = 2∙0.988 – 1= 0.976
26 Оценка себестоимости перехода из п.Палермо в п.Риека
Зная , что судно для перехода из п.Палермо в п.Картахена затратило 66ч 27мин и зная все статьи расходов (Эксплуатационные расходы судна – 5050$, суточный расход топлива – 260$), мы можем определить себестоимость перехода:
ЭР ∙ Т + РТ ∙ Т = СП,
где ЭР – эксплуатационные расходы судна в сутки;
Т – время потраченное на переход;
РТ – суточный расход топлива.
СП – себестоимость перехода
5050$ ∙ 66,47ч + 260$ ∙ 66,47ч = ►
5050$ ∙ 2,77сут + 260$ ∙ 2,77сут = 14708,7 $
27 График прилива для порта отхода трансокеанского перехода
Порт Ванкувер (Канада)
15 марта 2004г.
Выбираем из таблиц приливов данные на день отхода:
| Полная вода | Малая вода | ||
| Время | Высота | Время | Высота |
| 01:54 | 3,31 | 07:22 | 2,19 |
| 13:52 | 4,39 | 20:51 | 1,62 |
B=hПВ -hМВ =4,39-2,19=2,2
Тр= tПВ -tМВ =06:31-00:30=6 часов
Тп=tМВ -tПВ =13:34-06:31=6 часов
Дополнительные точки:
Тдт=1/4Тр =1/4Тп =1,5 часа
hдтМВ =hМВ +0,15B=2+0,15·2,2=2,33
hдтПВ =hПВ -0,15B=3,5-0,15·2,2=3,17

Список использованн ой литературы
1. Устав службы на судах Министерства морского флота Союза ССР. - М. : Рекла-минформбюро, 1976. - 224 с.
2. Рекомендации по организации штурманской службы (РШС-89). - Μ.: п/ο "Морте-хинформреклама", 1990. - 64 с.
3. Ермолаев Г.Г. Морская лоция. - 4-е изд. - М.:Транспорт, 1982. - 392 с.
4. Лесков М.М., Баранов Ю.К., Гаврюк М.И. Навигация. 2-е изд. - М.: Транспорт, 1986. - 360 с.
5. Кондрашихин В.Т. Определение места судна. - М.:Транспорт, 1981. - 206 с.
6. Штурман флота: Справочник по кораблевождению / В. И. Каманин, А. В. Лаврентьев, Р. А. Скубко под ред. А. Н. Мотрохова. - М.: Воениздат, 1986. - 539 с.
7. Справочник судоводителя по навигационной безопасности мореплавания / В. Т. Кондрашихин, Б. В. Берлинских, А. С. Чальцев, Л. А. Козырь. - Одесса: Маяк, 1990. -168 с.
8. Ермолаев Г. Г. Судовождение в морях с приливами. - 2-е изд. -М.: Транспорт, 1986 - 160 с.
9. Общие положения об установлении путей движения судов ММФ СССР. - Л.: ГУ-НиО, 1981.-24 с.
10. Океанские пути мира / ММФ СССР. - Л.: ГУНиО, 1958. - 204 с.
11. Красавцев Б.И. Мореходная астрономия.-3-е изд. -М. транспорт, 1986. - 255 с.
12. Ляльков Э.П. Васин А.Г. Навигация 1981г.
Похожие рефераты:
Билеты и ответы по туризму и экскурсиям
Запуск теплоходного судна "Cтолетов"
Навигационный проект перехода судна типа "Сормовский" по маршруту "Евпатория – Алжир"
Навигационный проект перехода Малага - Неаполь т/х "Пархоменко"
Навигационный проект перехода судна типа "Днепр" по маршруту порт Сочи – порт Монфальконе
Навигационный проект перехода судна типа "Сормовский" по маршруту порт Ялта – порт Неаполь
Навигационный проект перехода судна типа "Сормовский" по маршруту порт Ялта – порт Бриндизи
Навигационный проект перехода судна типа УПС "Святая Ольга", по маршруту порт Туапсе – порт Дуресс
Разработка перехода между портами Фамагуста - Мессина
Навигационное планирование перехода Алжир - Сплит
Классификация, характеристика и устройство портов
Навигационный проект перехода судна типа "Днепр", по маршруту порт Херсон – порт Кальяри
Навигационный проект перехода судна типа "Десна" по маршруту порт Керчь – порт Кальяри