| Похожие рефераты | Скачать .docx |
Курсовая работа: Навигационный проект перехода Малага - Неаполь т/х "Пархоменко"
ХЕРСОНСКИЙ МОРСКОЙ КОЛЛЕДЖ
Судоводительское отделение
КУРСОВОЕ ПРОЕКТИРОВАНИЕ ПО ПРЕДМЕТУ
«НАВИГАЦИЯ И ЛОЦИЯ»
ПО ТЕМЕ
«НАВИГАЦИОННЫЙ ПРОЕКТ ПЕРЕХОДА МАЛАГА – НЕАПОЛЬ Т/Х «ПАРХОМЕНКО»
Херсон – 2008г.
Введение
Основная задача курсового проектирования заключается в наиболее полном использовании приобретенных навыков штурманской работы, всестороннего изучения условий плавания, выбора безопасного и экономически выгодного пути, выполнение предварительной прокладки с расчётами, включающими оценки навигационной безопасности и себестоимости перехода, разработку фактического плана конкретного перехода на данном судне, в определенных сезонных условиях, на предварительно самостоятельно подобранном комплекте карт и руководств для плавания.
В процессе работы над курсовым проектом всесторонне прорабатываются и закрепляются теоретические знания и практические навыки штурманской работы, знание и владение принципами основ организации штурманской службы на флоте. Таким образом, курсовое проектирование является итоговой отчетной работой включающей в себя вопросы изученные в период обучения в училище, знание и чёткое понимание которых является непременной основой подготовки квалифицированного судоводителя, способного чётко, конкретно и точно проработать, отразить и обеспечить контроль всего спектра вопросов безопасности мореплавания.
Курсовой проект состоит из пояснительной записки, включающей в себя: аннотацию, описание, расчёты, перечни источников и графическую часть проекта. В процессе написания курсового проекта использовалась соответствующая нормативная документация, определяющая основные принципы и положения навигации и организации службы.
Значение транспорта в народном хозяйстве объективно определяют следующие требования, которым транспорт должен отвечать:
Первое – своевременное, качественное и полное удовлетворение потребностей хозяйства и населения в перевозках;
Второе – относительное снижение транспортных издержек на удовлетворение потребностей народного хозяйства и населения в перевозках;
Третье – обеспечение внешнеэкономических связей, участие транспорта в международном разделении общественного труда.
Существенными особенностями и преимуществами обладает морской транспорт. Организация смешанных перевозок морским транспортом позволяет сократить расстояния перемещения грузов и пассажиров отдельными экономическими районами. Морской транспорт, как правило, не связан непосредственно с пунктами отправления и назначения грузов. Скорость доставки грузов морским транспортом выше, чем железнодорожным, в 1,2 раза по сравнению с маршрутными отправками и в 1,5 раза – с повагонными. Основной задачей морского транспорта является сокращение времени доставки грузов и уменьшение расходов на перевозку.
Морской флот Украины, как и вся украинская экономика, в настоящий момент переживает кризис, однако он может и должен восстановить свои утраченные позиции на мировом фрахтовом рынке.
В условиях жесткой конкуренции между перевозчиками грузовладельцы и страховые компании отдадут предпочтение тем из них, которые могут обеспечить безопасность, сохранность и своевременность перевозки на должном уровне.
Современные суда оборудуются различными радионавигационными приборами, которые повышают безопасность в сложных в навигационном отношении условиях, однако даже на судах с высокой степенью технической оснащенности, часто судоводители работают в условиях острой нехватки времени.
В этих условиях остается актуальным вопрос предварительной навигационной подготовки судна к рейсу с целью повышения безопасности мореплавания.
1. Предварительная подготовка
1.1 Тактико-технические данные т/х «Пархоменко»

Навигационное оснащение судна Радиопеленгатор «Румб»
Общие сведения. Радиопеленгатор «Румб» — двухканальный визуальный радиопеленгатор с коммутацией каналов — предназначен для определения места судна по навигационным радиомаякам всех типов и для определения направлений на береговые радиостанции ненаправленного излучения, морские радиобуи и суда, ведущие радиопередачи.
Радиопеленгатор имеет следующие технические характеристики:
тип принимаемых сигналов — немодулированные колебания А1А; сигналы с амплитудной модуляцией тоном низкой частоты А2А; сигналы с амплитудной модуляцией звуковыми колебаниями АЗА;
диапазоны частот 250...545 кГц (1); 1600...3250 кГц (2);
относительная погрешность установки частоты настройки не хуже 0,2%;
чувствительность с рамочной антенной РА1, РА2 при длине фидера до 30 м в диапазоне 1 — не хуже 25 мкВ*м; в диапазоне 2 — не хуже 40 мкВ*м;
избирательность — по зеркальному каналу не менее 60 дБ; по каналам промежуточных частот не менее 80 дБ;
средняя квадратическая инструментальная погрешность радиопеленгования в дневное время при отношении сигнал/шум, равном 10, в диапазоне 1 — не более 1о ; в диапазоне 2 — не более 3°;
мощность, потребляемая от сети переменного тока, не более 150 В*А.
Радиопеленгатор «Румб» выпускается в различных комплектациях в зависимости от рода судовой электросети, типа рамочных антенн, длины фидеров, типа гирокомпаса. В комплект радиопеленгатора (рис. 1.2.1) входят:
приемоиндикаторный блок 1, блок питания 2, блок рамочных антенн 3 и не указанные на рисунке ненаправленная антенна типа «наклонный луч» и антенный усилитель или антенная коробка, сигнальный щиток. Радиопеленгатор снабжен устройством цифровой индикации частоты настройки, имеет двустороннюю световую сигнализацию между помещениями радиорубки, в которой установлен сигнальный щиток, и штурманской рубки для извещения о необходимости изолировать судовые антенны и подтверждения о том, что антенны изолированы.

Рис Комплект радиопеленгатора
Индикаторный узел радиопеленгатора выполнен на ЭЛТ и обеспечивает отсчет радиокурсовых углов и радиопеленгов при точности не хуже 0,5°. Отсчет радиопеленгов производится при установке курса судна вручную или автоматически при наличии сельсинной связи с гирокомпасом.
Радиопеленгатор имеет встроенный отключаемый громкоговоритель, гнезда для подключения головных телефонов, устройства для компенсации коэффициентов А и D радиодевиации. Конструкция радиопеленгатора предусматривает возможность аварийного питания от аккумуляторов через электромашинный преобразователь ОП-120Ф.

Устройство. Упрощенная функциональная схема радиопеленгатора «Румб» приведена на рис. 1.2.2,а. Радиопеленгатор снабжен входным (контакты К1, К2) и выходным (контакты K3, К4) коммутаторами, осуществляющими перекрестную коммутацию приемных каналов между рамочными антеннами и отклоняющими пластинами ЭЛТ.
В одном положении коммутирующих контактов сигнал от продольной рамки Р1 подается на вертикально отклоняющие пластины ЭЛТ через приемный канал 1, а сигнал от поперечной рамки поступает на горизонтально отклоняющие пластины через приемный канал 2. На экране ЭЛТ при неидентичных приемных каналах наблюдается эллипс. Во втором положении коммутирующих контактов сигнал от продольной рамки поступает на вертикально отклоняющие пластины ЭЛТ через приемный канал 2, а сигнал от поперечной рамки подается на горизонтально отклоняющие пластины через приемный канал 1. При этом на экране ЭЛТ создается эллипс, отличный от наблюдаемого в первом положении коммутирующих контактов. При коммутации с частотой 15...30 раз в секунду на экране ЭЛТ наблюдаются два эллипса, большие оси которых пересекаются под углом, характеризующим различие в усилении приемных каналов. Размеры малых осей эллипсов пропорциональны разности фазовых сдвигов в приемных каналах.
Балансировка приемных каналов производится регуляторами баланса усиления БУ и баланса фаз БФ в любой последовательности (рис. 1.2.2, б) до тех пор, пока на экране ЭЛТ не будет наблюдаться прямая линия, угол наклона которой к вертикали соответствует радиокурсовому углу на источник радиосигналов. Благодаря коммутации приемных каналов можно более быстро и точно сбалансировать каналы и контролировать их баланс во время пеленгования.
Для определения стороны расположения пеленгуемого источника радиосигналов нажимается кнопка «Сторона». При этом сигнал от ненаправленной антенны WA через приемный канал и контакты К7, К8 поступает на модулятор ЭЛТ. Через приемный канал и коммутирующие контакты К2 и КЗ, К4 сигналы от рамочных антенн поступают поочередно на свои отклоняющие пластины. На экране ЭЛТ изображается крестовидная фигура (рис 1.2.2, в), два конца которой подсвечиваются, а два другие затемняются в зависимости от фазовых соотношений сигналов рамочных антенн и ненаправленной антенны: Таким образом, яркими штрихами указывается квадрант, в котором расположена пеленгуемая радиостанция.
Для компенсации составляющей радиодевиации с коэффициентом D необходимо при коммутации каналов осуществлять изменение их усиления так, чтобы сохранялось постоянным отношение коэффициентов усиления сигналов от продольной и поперечной рамочной антенн
kпрод / kпопер = ( 1 – D ) / ( 1 + D )
Для этого в узле КРД имеются две установки усиления, которые с помощью контактов К5 и Кб подключаются к соответствующим приемным каналам при их коммутации.
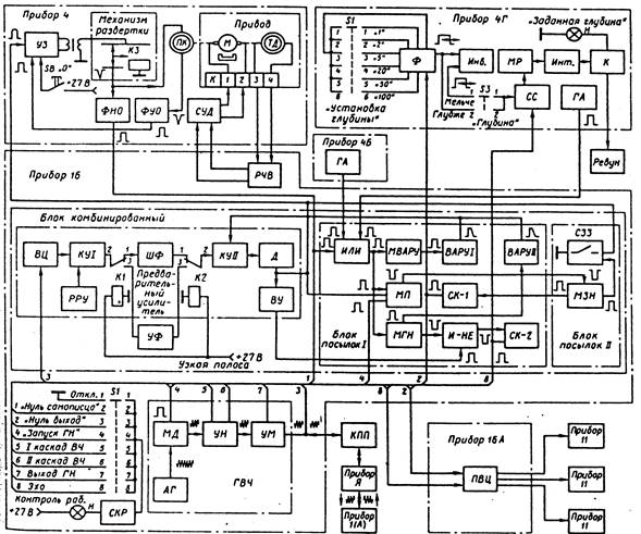
Работа эхолота НЭЛ-МЗБ по функциональной электрической схеме
Навигационные эхолоты типа НЭЛ-М имеют несколько модификаций: НЭЛ-М 1, НЭЛ-М2, НЭЛ-МЗА, НЭЛ-МЗБ, НЭЛ-М4. Каждая модель предназначена для установки на судах определенного класса. Эхолот НЭЛ-МЗА устанавливается на судах класса река — море, эхолот НЭЛ-М4 — на речных судах. Модели эхолотов типа НЭЛ-М обладают высокой степенью унификации, имеют ряд общих приборов, выполненных на одинаковой элементной базе, и отличаются комплектацией и основными эксплуатационно-техническими характеристиками.
Навигационный эхолот НЭЛ-МЗБ предназначен для измерения глубин с помощью ультразвука, записи, цифровой индикации измеренных глубин и сигнализации при выходе судна на заданную глубину.

Рис. 1.2.3 Эхолот НЭЛ-МЗБ
Эхолот имеет следующие основные эксплуатационно-технические данные: диапазон измеряемых глубин 0,2-200 м; погрешности измерения глубин зависят от диапазона и составляют по самописцу от ±0,1 до ±3 м, по цифровому указателю глубин от ±0,1 до ±2 м, по прибору сигнализации глубин от +0,3 до ± 5 м; допустимая скорость судна 40 уз; допустимая килевая качка судна 2—3о, бортовая 10°; время готовности к работе 30 с; время непрерывной работы 60 ч; антенна пьезоэлектрического типа; расчетная скорость звука в воде 1500 м/с; питание эхолота от судовой сети однофазного тока напряжением 220/127 В, 50 Гц, от сети постоянного тока напряжением 220 В через преобразователь; потребляемая мощность от сети переменного тока 130 В*А, от сети постоянного тока 250 Вт.
В комплект эхолота (рис. 1.2.3) входят: антенна (прибор 1), самописец (прибор 4) 7, пульт управления цифрового указателя глубин ЦУГ (прибор 4Б) 3, прибор сигнализации глубин ПСГ (прибор 4Г) 6 с ревуном 4, цифровое табло (прибор 11) 1, приемопередающее устройство (прибор 16) 8, электронный узел ЦУГ (прибор 16А) 2, кабельная коробка (прибор Я), 5, ЗИП и техническая документация.
Рассмотрим принцип построения эхолота и его работы по функциональной электрической схеме (рис. 1.2.4). По характеру выполняемых задач электрическая схема эхолота НЭЛ-МЗА может быть условно разделена на следующие функциональные цепи: тракт формирования и посылки зондирующего импульса, тракт приема и усиления эхосигнала, тракт гашения и задержки нуля, тракт сигнализации заданной глубины, тракт управления работой двигателя, тракт преобразования времени и цифровой обработки измеренной глубины, схема контроля работы эхолота.
B тракт формирования и посылки зондирующего импульса входят: перо, контакты запуска КЗ и формирователь нулевой отметки ФНО прибора 4; генераторы автозапуска ГА приборов 4Б и 4Г схема ИЛИ и мультивибратор посылки МП блока посылок 1; генератор высокой частоты ГВЧ; коммутатор прием-передача КПП; прибор Я и антенна.

Рис. 1.2.4 Функциональная электрическая схема НЭЛ-МЗБ
При работающем самописце управление посылками осуществляется пером, контактом запуска КЗ и формирователем нулевой отметки, при отключенном самописце — генератором автозапуска прибора 4Б и при отключенных приборах 4 и 4Б — генератором автозапуска прибора 4Г. Импульс запуска в формирователе нулевой отметки задерживается на время, необходимое для прохождения пером расстояния от контакта запуска до нуля шкалы, и подается на схему ИЛИ блока посылок 1. На другие два входа схемы ИЛИ поступают импульсы запуска от генераторов автозапуска приборов 4Б и 4Г. С выхода схемы ИЛИ прямоугольные импульсы положительной полярности подаются на запуск мультивибратора посылки МП, мультивибратора гашения нуля МГН и мультивибратора временной автоматической регулировки усиления МВАРУ.
Мультивибратор посылки формирует прямоугольные импульсы посылки, длительность и частота следования которых зависят от поддиапазона измеряемых глубин и от включенного, для управления посылками прибора. Сформированные по длительности видеоимпульсы посылки подаются на модулятор МД генератора высокой частоты. На второй вход модулятора поступают высокочастотные гармонические колебания от автогенератора. После модулятора радио-импульсы усиливаются по напряжению и мощности и через коммутатор прием-передача подаются на антенну. В пьезоэлектрической антенне электрические колебания высокой частоты преобразуются в акустические колебания и излучаются в воду.
В тракт приема и усиления эхосигнала входят: антенна, прибор Я, коммутатор прием-передача, предварительный усилитель, усилитель записи УЗ, схемы ВАРУ.
Отраженный от дна акустический импульс принимается антенной и преобразуется в электрический сигнал. Электрический эхоимпульс во время пауз между зондирующими импульсами поступает через коммутатор прием-передача на вход предварительного усилителя. В предварительном усилителе эхосигнал усиливается двумя каскадами усиления КУ1 и КУ11, детектируется и подается в усилитель записи УЗ самописца, который обеспечивает усиления эхосигнала до значения, достаточного для прожига бумаги.
Защита приемоусилительного тракта от мощных зондирующих импульсов ГВЧ осуществляется коммутатором прием-передача. В КПП во время излучения импульсов шунтируется вход предварительного усилителя и на предварительный усилитель поступает ограниченный по интенсивности импульс. Этот радиоимпульс усиливается и поступает через детектор Д в усилитель записи самописца для записи «естественной» нулевой отметки.
Судовая радиолокационная станция «Наяда-5»

Рис. 1.2.5 Комплект РЛС «Наяда-5»
Судовая радиолокационная станция (РЛС) «Наяда-5» (рис 1.2.5) имеет следующие характеристики.
Длина волны 3,2 см (частота излучения 9430 МГц), поляризация волн горизонтальная.
Шкалы дальности: 1, 2, 4, 8, 16, 32, 64 мили. Индикация относительного движения возможна на всех шкалах дальности, индикация истинного движения - только на шкалах от 1 до 8 миль. Рабочий диаметр экрана индикатора 400 мм.
Импульсная мощность излучения не менее 12 кВт. Импульсная чувствительность приемоиндикаторного тракта на шкалах 1 и 2 мили — 120 дБ/Вт, на остальных шкалах—124 дБ/Вт.
Длительность (частота повторения) зондирующих импульсов: 0,07 мкс (3000 имп/с) —на шкалах 1 и 2 мили; 0,25 мкс (1500 имп/с) —на шкалах 4 и 8 миль; 0,7 мкс (750 имп/с) — на шкалах 16 и 32 мили и 0,7 мкс (500 имп/с)—на шкале 64 мили.
Ширина диаграммы направленности в горизонтальной плоскости — 0,7 град, в вертикальной плоскости — 20 град.
Максимальная дальность обнаружения при высоте установки антенны 20 м над уровнем моря и длине волновода 15 м (при вероятности 0,5): судна водоизмещением 5000 т—16... 17 миль, среднего морского буя — 3,5...4 мили.
Разрешающая способность по дальности на шкале 1 миля — не хуже 20...25 м; разрешающая способность по направлению — 0,9...1,2 град.
Максимальная инструментальная погрешность измерения расстояний на шкалах 1 и 2 мили — 50 м, на остальных шкалах — 1 % шкалы дальности. Максимальная инструментальная погрешность измерения направления электронным визиром 0,8 град.
Частота вращения антенны 14... 16 мин-1 .
Погрешность индикации истинного движения по скорости ±5%, по курсу — ±2 град.
Время подготовки РЛС к работе 3...4 мин, среднее время безотказной работы 300 ч. Потребляемая мощность 2750 В*А.
Примечание. Все приведенные характеристики РЛС «Наяда-5» соответствуют также 3-сантиметровой РЛС включаемой в состав РЛС «Енисей-Р».
В РЛС возможна индикация относительного движения при ориентировке по курсу и меридиану или индикация истинного движения на шкалах от 1 до 8 миль при ориентировке по меридиану. В режиме относительного движения на шкалах от 1 до 8 миль возможно смещение центра развертки относительно центра экрана в любом направлении до ⅔ радиуса экрана. Индикаторы снабжены антипараллаксными зеркальными планшетами, что позволяет производить на их поверхности графические построения при решении задач на расхождение судов. Координаты объектов наблюдения измеряются с помощью электронного визира направления ЭВН и подвижного визира дальности ПВД с электронной цифровой индикацией, выведенной под тубусы индикаторов. РЛС сопрягается с гирокомпасами типа «Курс» или «Вега» и лагами типа МГЛ и ИЭЛ.
В РЛС обеспечивается помехозащита от морских волн и гидрометеоров посредством временной регулировки усиления приемника ВРУ и регулируемого дифференцирования видеосигналов (регулируемая МПВ). Имеются метки дальности МД, отметка курса ОК, автоматическая и ручная подстройка промежуточной частоты приемника АПЧ и РПЧ,
РЛС имеют блочную конструкцию и практически полностью выполнены на интегральных схемах и полупроводниковых приборах. Приборы И, П содержат встроенные системы контроля, позволяющие измерять питающие напряжения, проверять работоспособность узлов и блоков РЛС, настраивать гетеродин и систему АПЧ.
РЛС снабжена устройством контроля общей работоспособности (КОР) с дополнительной контрольной антенной, которая укреплена снаружи прибора А на кормовых курсовых углах и соединена кабелем с прибором П.

Рис. 1.2.6 Функциональная
Функциональная схема (рис. 1.2.6). Общие сведения. Функциональная схема включает в свой состав приборы (А, П, И); тракты, функционально объединяющие несколько блоков, субблоков и узлов (ВС, ВР, НМД, ВН, СВС, ИД); каналы, объединяющие несколько блоков, субблоков и узлов, но не выделяемые в таком виде в техдокументации РЛС (УПС, ПЧ, САГ); отдельные блоки (МП, СВЧ-3, АПЧ); важнейшие узлы (магнетронный генератор МГ, узел ЭЛТ).
В прибор П входят: канал управления передатчиком и синхронизации УПС, блок модулятора передатчика МП, магнетронный генератор МГ, блок СВЧ-3, канал промежуточной частоты—блоки УР (усилитель регулируемый) и УГ (усилитель главный).
Гирокомпас с косвенным управлением «Вега»

Рис. 1.2.7 Схема
На быстроходных судах и в авиации, где гирокомпас с пониженным центром тяжести чувствительного элемента имел бы недопустимо большие скоростные погрешности, применяются гирокомпасы с косвенным управлением. Принцип его работы заключается в следующем: уравновешенный гироскоп 3 (рис. 1.2.7) устанавливается в кардановом подвесе, состоящем из внутреннего вертикального кольца 1, внешнего вертикального кольца 2 и наружного вертикального полукольца 4. Карданов подвес обеспечивает гироскопу три степени свободы. Гироскоп вращается вокруг горизонтальной оси ОХ во внутреннем кардановом кольце. Внутреннее и внешнее кардановы кольца вместе с гироскопом, датчиком вертикального момента ДМz , датчиком угла ДУ, ротором датчика горизонтального момента ДМy и индикатором горизонта ИГ имеют возможность поворачиваться вокруг горизонтальной оси ОУ. Наружное полукольцо 4 может поворачиваться на любой угол относительно вертикальной оси OZ.
Если в момент включения гирокомпаса главная ось находилась в восточной половине плоскости горизонта, то под действием суточного вращения Земли она начнет видимым образом подниматься над плоскостью горизонта. Это будет замечено индикатором горизонта, который выработает сигнал, пропорциональный углу наклона главной оси. Этот сигнал усиливается усилителем У1 и подается на датчики вертикального и горизонтального моментов. Датчик горизонтального момента ДМy вызовет прецессию главной оси к западу, т.е. к плоскости меридиана, а датчик вертикального момента ДМz вызовет прецессию главной оси вниз, к плоскости горизонта. Через несколько полупериодов колебаний главная ось придет в точку динамического равновесия, которая с помощью корректирующего устройства КУ, вырабатывающего корректирующее напряжение uk , подаваемое на датчики вертикального и горизонтального моментов, может быть совмещена как с плоскостью меридиана, так и с плоскостью горизонта. Из сказанного вытекает, что датчик горизонтального момента с помощью индикатора горизонта выполняет ту же функцию, что и пониженный центр тяжести гиросферы, а датчик вертикального момента с помощью того же индикатора горизонта приводит к погашению колебаний, т.е. выполняет ту же функцию, что и гидравлический успокоитель гиросферы.
Датчик угла поворота внутреннего кольца карданова подвеса ДУ, усилитель У2 и исполнительный двигатель ИД образуют следящую систему, заставляющую наружное полу-кольцо 4 «следить» за поворотом внутреннего кольца 1 и поворачивать, кроме того, датчик курса ДК, подающий данные компасного курса к репитерам гирокомпаса и в корректирующее устройство КУ. Если в корректирующее устройство еще подать дополнительно информацию о широте плавания φ и скорости движения судна V, то корректирующее устройство способно выработать такие корректирующие напряжения, что гирокомпас станет невосприимчивым к скорости движения объекта (судна, самолета), (т. е. не будет иметь скоростной девиации.
Отечественная промышленность выпускает судовой гирокомпас с косвенным управлением «Вега», который может работать в режиме корректируемого гирокомпаса и в режиме гироазимута.
В режиме гироазимута разрывается электрическая цепь от индикатора горизонта к датчику горизонтального момента. Датчик вертикального момента с помощью индикатора горизонта будет удерживать главную ось в плоскости горизонта, а чтобы главная ось прецессировала вместе с меридианом (хотя она может быть отклонена на любой угол от меридиана), т. е. сохраняла неизменным свое направление в азимуте, на датчик горизонтального момента подается корректирующее напряжение, пропорциональное вертикальной составляющей угловой скорости суточного вращения Земли с учетом движения судна. Гироазимуткомпас «Вега» имеет следующие эксплуатационно-технические характеристики: точность показания ±0,8° в широтах до 70° и ±1,5° в диапазоне широт от 70 до 80°. При маневрировании в широтах до 70° точность показаний может снизиться до ±2,0°, а в широтах от 70 до 80° — до ±2,5°.
В условиях качки погрешность гирокомпаса не превышает ±1,5° в широтах до 70° и ±2,0° в широтах от 70 до 80°.
Гирокомпас не имеет девиации затухания и скоростной девиации при скорости хода до 70 уз.
Существенное уменьшение инерционных девиаций корректируемого гирокомпаса достигнуто увеличением периода собственных незатухающих колебаний чувствительного элемента до 150 мин и использованием индикатора горизонта с нелинейной характеристикой.
Точность показаний прибора в режиме гироазимута при скорости судна до 70 уз характеризуется дрейфом ±1,0 град/ч в широтах до 70° и ±1,5 град/ч в широтах от 70 до 80°.
Рабочая температура поддерживающей жидкости гироазимуткомпаса «Вега» составляет 73°С, поэтому гирокомпас не нуждается в принудительном охлаждении. Питается от судовой сети трехфазного переменного тока частотой 50 Гц напряжением 220 или 380 В через агрегат питания АМГ-202. Чувствительный элемент гирокомпаса питается переменным трехфазным током частотой 500 Гц напряжением 40 В.
Гироазимуткомпас имеет устройство ускоренного приведения в меридиан. Время приведения в меридиан в этом случае 60 мин.
В состав комплекта гироазимуткомпаса «Вега» входят следующие приборы.
Прибор ВГ-1А — основной прибор. В нем размещены трехстепенный поплавковый чувствительный элемент с жидкостно-торсионным подвесом, двухканальная. следящая система, двухканальная система косвенного управления, система терморегулирования.
Технико-эксплуатационные данные лага ИЭЛ-2М
Лаг ИЭЛ-2М предназначен для измерения относительной скорости судна от 0 до 34 уз и пройденного судном расстояния.
Лаг рассчитан на работу при температуре заборной воды от -4 до +36° С и ее солености от 0,1 до 38 °/оо ; при температуре в помещениях, где установлены приборы 29, б и 3, от -10 до +50° С; при вибрациях c ускорением свободного падения до 2g с частотами до 120 Гц.
Инструментальные погрешности лага по скорости не превышают ±0,l уз при температуре от 15 до 35°С; ±0,2 уз при температурах от 0 до 15°С и от 35 до 50°С; ±0,35 уз при температуре от -10 до 0°С. Остаточные погрешности лага при скорости движения судна до 10 уз не должны превышать ±0,15 уз, а при скорости от 10 до 20 уз ±0,2 уз. При движении судна в воде соленостью менее 2 °/оо допускается увеличение остаточной погрешности на 0,1 уз.
Погрешность лага по пройденному расстоянию

ΔSл = ± ( Sл * ΔVл /Vo + Sл * 10-4 + 0,002 ),
где Sл — пройденное расстояние по лагу, мили;
ΔVл — остаточная погрешность лага, уз;
Vo — эталонная скорость, уз;
10-4 — стабильность генератора опорной частоты;
0,002 — дискретность импульсов узла выработки пройденного расстояния, мили.


Корректирующее устройство лага позволяет вводить поправки: постоянную до 1,5 уз; переменную, линейно зависящую от скорости до 15 % и переменную, нелинейно зависящую от скорости с крутизной характеристики до 0,1 и числом перегибов не более одного во всём диапазоне скоростей.
Индикация скорости осуществляется на трехразрядном цифровом табло с точностью до 0,1 уз, а индикация пройденного расстояния — на механическом счетчике емкостью 9999,9 мили (с последующим повторением цикла) с точностью до 0,02 мили.
Для контроля точности работы измерительной схемы лага и поиска неисправностей в лаге предусмотрены внутренний тест и схема поиска неисправного блока.
Лаг снабжен также устройством ручного ввода скорости, используемым при неисправном датчике или приборе 29.
Питание лага осуществляется от судовой сети переменного однофазного тока напряжением 110, 127 или 220 В частотой 50 Гц. Допускаются длительные отклонения напряжения до ±10 % и частоты до ± 5 %. Потребляемая мощность основного комплекта приборов лага не превышает 170 ВА, а полная определяется количеством и типом подключенных периферийных приборов.
Ресурс лага при нормальной эксплуатации 50 000 ч, срок службы 15 лет.
В комплект лага входят следующие приборы (рис. 1.2.11): индукционный первичный преобразователь скорости 9 (ИППС) (прибор 9Д) с динамическим клинкетом (прибор 11), согласующий прибор 8 (прибор 29), центральный прибор 7 (прибор 6), прибор питания 1 (прибор 3).
Дополнительно могут быть поставлены: указатели скорости 3 и 5 (приборы 1, 1А соответственно), указатели скорости и пройденного расстояния 4 (приборы 5), размножитель информации 2 (прибор 59), приборы связи 6 (приборы 119А-1 или 119Э).
Кроме того, в комплект лага входят эксплуатационная документация, одиночный ЗИП и кабельные части для межприборного монтажа.
Приёмоиндикатор GPS «FURUNO »
В комплект приёмоиндикатора (рис. 1.2.12) входят: основной блок (прибор 2) без установочных кронштейнов 434X 170Х 372 мм, антенное устройство (прибор 1), выпрямитель (прибор 3). Электропитание индикатора осуществляется от сети постоянного тока 10 –42 В при потребляемой мощности не более 40 Вт или от сети переменного тока 50/60/70 Гц, 100/110/120 В через выпрямитель.
Приёмоиндикатор обладает следующими характеристиками: точность определения места судна не хуже 0,5 мили плюс 0,2 мили на каждый узел погрешности ввода данных скорости судна; частота принимаемых сигналов 399, 968 МГц (400 МГц); чувствительность приёмного устройства 146 дБ; коэффициент усиления системы 30дБ 146 дБ. Все полученные данные индицируются на экране. Оперативное управление при бором производится с помощью квазисенсорной клавиатуры, требующей легкого нажатия, которое дублируется звуковым сигналом.
Приемоиндикатор сопрягается с гирокомпасами и лагами различных типов, с приемоиндикаторами РНС «Лоран-С» или «Омега».
К приемоиндикатору могут быть также подключены: выносной телевизионный индикатор, печатающее устройство, автопрокладчик и некоторые другие приборы.
Приемоиндикатор имеет следующие функциональные возможности.
1.Автоматическое определение места судна по сигналам навигационных спутников независимо от выполнения прибором остальных функций.
2.Счисление пути судна между спутниковыми обсервациями за счет связи с лагом и гирокомпасом или в режиме ручного ввода курса и скорости.
3.Учет в счислении суммарного сноса, рассчитанного по результатам двух предыдущих обсерваций.
4.Непрерывное определение места судна по сигналам РНС «Лоран-C» или «Омега» при сопряжении с соответствующими приемоиндикаторами.
5. Выдача данных по пяти последним выполненным обсервациям.
6. Расчет времени появления и максимальной угловой высоты последующих навигационных спутников.
7. Расчет ортодромических или локсодромических расстояний и пеленгов, а также времени движения в любую из девяти заданных точек.
8. Расчет плавания по ортодромии с аппроксимацией последней несколькими отрезками локсодромии.
9. Звуковая сигнализация о прибытии в окрестность заданной точки или о выходе из коридора установленной ширины при движении в эту точку.
10.Запоминание девяти событий (время, координаты) по команде судоводителя.
11.Расчет расхода топлива при сопряжении с импульсными расходомерами.
12.Ведение графической прокладки пути судна на экране приемоиндикатора.
13.Контроль за принимаемыми сигналами спутника.
14.Периодическая самопроверка работоспособности всех узлов приемоиндикатора или контрольная проверка по команде оператора с индикацией результатов на экране индикатора.
Приемоиндикатор имеет встроенную аккумуляторную батарею, которая обеспечивает питание определенного участка оперативной памяти при выключении прибора или при обесточивании судовой сети. Это позволяет сохранить в памяти прибора основные данные и не вводить их снова при повторном включении. Исключение составляют счислимые координаты, которые надо ввести вновь, если они изменились более чем на 60 миль. Срок службы батареи 5 лет.
1.2 Подготовка технических средств навигации
При подготовке технических средств навигации, необходимо ознакомится с оборудованием мостика: сигнализацией, освещением, органами управления для освещения палубы и наружного освещения. Включить и проверить в работе радиопеленгатор, эхолот, электронные средства определения места судна, аварийные средства на случай выхода из строя главного источника энергии, оборудование для наблюдения за опасностями, гирокомпас и репитеры согласовать, радиолокационные станции согласовать с гирокомпасом (ГК), ГК сверить с магнитным компасом. Проверить исправность сигнально-отличительных огней, включая аварийные ходовые огни, огонь «не могу управляться» и другие. Оборудование обеспечивающее безопасность (например, пиротехнические средства) должно быть в наличии. Включить счётчик скорости и пройденного расстояния. Проверить рулевой привод, включая ручной, авторулевой и средства аварийного переключения, машинный телеграф, включая органы управления главными двигателями (если нужно) и водонепроницаемыми дверями. Ознакомится с расположением карт, гидрографических пособий, биноклей, сигнальных флагов, метеорологического оборудования, телефонов и их исправность. Включить комплекс GMDSS. Проверить средства связи: внутренние, внешние и переносные. Стеклоочистители должны быть проверены. Проверить точность хода часов и хронометр.
Звуковые средства сигнализации тифоны, свистки (но не при плохой видимости или когда вблизи другие суда). Проверить работу отмашек, ратьера, прожекторов. Включают НАВТЕКС и GPS.
Судовые технические средства навигации должны быть подготовлены к работе до выхода судна в море в соответствии с инструкциями по их эксплуатации. Прибор считается в рабочем состоянии, если его параметры соответствуют условиям завода-изготовителя и определены поправки.
Обязанности помощника капитана, на которого возложено обслуживание технических средств судовождения, определены РШС и Правилами технической эксплуатации судовой электрорадионавигационной аппаратуры.
Технические средства судовождения на данном этапе закреплены за электронавигатором, который должен перед выходом судна в море обеспечить подготовку всех приборов к работе и доложить о готовности старшему помощнику капитана.
Общие требования к подготовке средств навигации следующие:
Секстан должен быть всегда в рабочем состоянии. При подготовке к плаванию проверяют комплектность секстана, протирают оптику, производят выверки.
Хронометр. Поправка хронометра определяется ежесуточно по возможности в одно и то же время суток с точностью до 0,2с.
Секундомер. Ход секундомера проверяется по хронометру. Секундомер пригоден к работе, если его ход не более 1с/ч
Часы и лента реверсографа согласовываются один раз в сутки. Допустимо расхождение 20с.
Магнитный компас - проверяют свободное вращение пеленгатора, правильную установку его призмы и нитей, годность таблицы девиации, соответствие записанных и фактических положений магнитов девиационного прибора. Девиация магнитного компаса уничтожается по необходимости, как правило, не реже одного раза в год. Остаточная девиация у главного магнитного компаса не должна превышать 3о , а путевого – 5о . при перевозке ферромагнитных грузов допускается использование временной таблицы девиации.
Гирокомпас готовят согласно Правилам технической эксплуатации и соответствующей инструкции. Запускают его заблаговременно, не позже, чем за 6 часов до отхода судна. Постоянная поправка гирокомпаса определяется: после длительной стоянки судна, смены гиросферы или поддерживающей жидкости в основном приборе, ремонта периферийных приборов; когда выявлено изменение поправки; периодически во время плавания судна. Расхождение времени по курсограмме и судовым часам не должно превышать 10мин. (одного деления на курсограмме) за вахту.
Лаг готовят к работе в соответствии с инструкцией по эксплуатации. Проводят осмотр, пробное включение электросхемы, установку нуля, проверяют соответствие установки корректора, записав в формуляре и наличие таблицы поправок у репитеров. Поправка лага определяется с точностью до 0.5% для полного, среднего и малого хода.
Радиолокатор готовят в соответствии с требованиями Правил технической эксплуатации. Производят внешний осмотр. Если есть возможность - производят контрольные обсервации. Поправки угломерного и дальномерного устройства в РЛС определяются на стоянке судна по точечным ориентирам.
Приемоиндикаторы СНС. До выхода в рейс должно быть выполнено не менее трех обсерваций. Проверяют сопряжение с гирокомпасом и лагом - расхождения не должны превышать 0,2° и 0,2 узла.
Радиопеленгатор проверяют путем включения и пеленгования нескольких станций, кроме того, уточняют наличие у радиопеленгатора таблицы и графика радиодевиации, расхождения которых с фактической допускаются не более чем на 0,7°. Радиодевиация компенсируется и определяется не реже одного раза в год.
Эхолот готовят в соответствии с инструкцией по эксплуатации. При необходимости регулируют частоту вращения двигателей самописца и указателя глубин. Проверяют заправку ленты и установку нуля. Поправка эхолота определяется сравнением глубин, измеренных эхолотом и ручным лотом по обоим бортам. Перед измерениями глубин проверяют частоту вращения исполнительного двигателя эхолота и разметку лотлиня ручного лага.
Судовые технические средства навигации используются в соответствии с правилами и нормами их технической эксплуатации. В формуляр прибора (инструмента) записываются результаты судовых испытаний, значение поправок и сроки их определения.
Наличие на судне необходимого минимума судовых технических средств навигации определяется Правилами Регистра.
Список карт на переход
| примечание | Частная | Частная | Путевая | Генеральная | Путевая | Генеральная | Частная | Частная |
| Дата последней корректуры | ------ | 6.10.1979 | 22.12.1972 | 8.04.1978 | 26.05..73 | ------- | 17.06.1978 | 4.10.1975 |
| Год печати | 1968 | 1979 | 1972 | 1978 | 1967 | 1986 | 1978 | 1975 |
| Знаменатель масштаба | 5 000 | 50 000 | 500 000 | 2 000 000 | 300 000 | 1 000 000 | 200 000 | 20 000 |
| Наименование | Порт Малага | Подходы к порту Малага | Море Альборан | Западная часть Средиземного моря | Южная часть острова Сардиния | Тирренское море | От мыса Ликоза до мыса Чирчео | Подходы к порту Неаполь |
| Адмиралтейский номер карты | 39330 | 36330 | 31041 | 30105 | 5110 | 30399 | 32322 | 35379 |
| № п.п. | 1 | 2 | 3 | 4 | 5 | 6 | 7 | 8 |
Список книг и пособий на переход
| Год печати | 1988 | 1976 | 1982 | 1986 | 1981 | 1974 | 2000 | 1957 | 1975 | 1982 | 1965 | 2001 |
| Название пособия | Каталог карт и книг. Часть III. Средиземное, Черное, Азовское, Каспийское, Аральское моря и озеро Иссык-Куль | Лоция северо-западной части Средиземного Моря | Лоция Средиземного моря. Тирренское и Лигурийское моря. Острова Сардиния и Корсика | Огни Средиземного моря. Часть 2. Западная часть моря. | Атлас поверхностных течений Средиземного моря. | Атлас волнений и ветров Средиземного моря. | Морской астрономический ежегодник | ТВА-57. | МТ-75. | Система ограждения МАМС | Радиотехнические средства навигационного оборудования Азовского, Черного и Средиземного морей | Таблицы приливов. Том III, Северный ледовитый, Атлантический и Индийский океаны |
| Адмиралтейский номер | 7202 | 1251 | 1250 | 2220 | 6238 | 6242 | 9002 | 9007 | 9011 | 9029 | 3203 | 6003 |
| № п.п. | 1 | 2 | 4 | 5 | 6 | 7 | 8 | 9 | 10 | 11 | 12 |
1.3 Порт отхода - Малага
МАЛАГА — MALAGA (36°41' с. ш., 04°24' з. д. Карта № 39330)
Порт расположен па северном берегу Средиземного моря в вершине одноименной бухты. Подход к порту не представляет особых затруднений. Порт защищен с востока Восточным молом длиной 800 м, выступающим в южном направлении; с юга — Западным молом длиной 450 м. состоящим из двух колен. Вход в порт с юго-запада. Ширина входа между оконечностями молов 320 м. Глубины во входе 14—15 м.

Величина прилива в порту обычно не превышает 0,3—0,7 м, но при сильных восточных и южных ветрах уровень иногда поднимается на 2 м, почти достигая высоты молов. В хорошую погоду суда могут становиться на якорь вблизи молов, на глубинах 18—19 м; грунт — песок. Якорная стоянка запрещена вблизи стоянок ошвартованных танкеров. Порт доступен для судов любых размеров, но с ограничением осадки. Рекомендуемая осадка для входа в порт сухогрузных судов 9,4—9,7 м, для танкеров (у нового причала Восточного мола) — 12,2 м. Танкерный рейдовый причал может принимать танкеры до 300 тыс. т двт. Самое крупное судно, которое входило в порт, — пассажирское, «Ориана» длиной 245 м. Осадка при входе и выходе 9,14 м.
Порт состоит из Внешней и Внутренней гаваней, разделенных Восточным и Западным поперечными молами. Ширина входа между молами около 100 м. Длина причального фронта во Внутренней гавани около 2000 м. Глубины в порту 7—13,5 м. Суда осадкой более 10 м швартуются кормой к Восточному молу.
Внешняя гавань, расположенная в южной части порта, защищена с востока Восточным молом, с юга — Западным молом. С севера гавань ограничена Восточным и Западным поперечными молами. С запада гавань граничит с Рыбной гаванью. Акватория Внешней гавани около 3Х1,5 кб. Глубины в гавани 7—14 м. Новый причал для танкеров расположен в 2 кб к северо-востоку от входа в порт. Длина причала 115 м, глубина вдоль него 13,5 м. С внутренней стороны Западного мола, вблизи его оконечности, к северу выступает Г—образный пирс для судов с грузом бутана или пропана. Длина его торцовой части 20 м. К востоку и к западу от нее установлены палы; общая длина между крайними палами 120 м. Глубина у пирса 13,1 м. Набережная № 7 длиной 360 м, с глубинами вдоль нее 7—9 м расположена с южной стороны Западного поперечного мола. Вблизи восточной оконечности мола расположены причалы для танкеров; глубина вдоль них 8 м. Причалы принадлежат компании «Кампса». Западнее этих причалов расположены причалы для химических грузов и для судов-контейнеровозов с 20—30-футовыми контейнерами. К Внешней гавани с запада примыкает Рыбная гавань, отделенная от нее молами. Акватория гавани около 1,4X0,9 кб, глубины в ней 6,5— 9,7 м. Ширина прохода в нее между молами около 45 м. Внутренняя гавань расположена к северо-западу и северу от Внешней гавани и состоит из западного бассейна Эредия и северного — Гдадьяро. Они соединяются проходом шириной 1,5 кб. В гавани расположены причалы № 1 6. Акватория гавани около 6X2 кб, глубины в ней 7—11 м.

Набережная Ромеро-Робледо (причал № 6) расположена с северной стороны Западного мола, длина ее 510 м; глубины вдоль нее 7,5—8,5 м. К набережной подведены железнодорожные пути. Причал предназначен для судов с различными навалочными грузами, для судов-паромов, пассажирских и ролкеров.
Набережная Адосадо (причал № 5) расположена в западной части бассейна Эредия. Длина причала 100 м, глубина вдоль него 7,7 м. Здесь разгружаются танкеры. К северо-востоку от причала № 5 протянулась набережная Эредия (причал № 4). Ее длина 477 м, глубина вдоль нее 8 м. Предназначена для судов с генеральными и насыпными грузами, а также для пассажирских судов.
Набережная Кановас-дель-Кастильо (№ 3) примыкает к северо-восточной оконечности причала № 4. Она выступает на 90 м к юго-востоку, далее на 60 м к северо-востоку и затем на 215 м к северо-западу. Глубины вдоль нее 7—8,5 м. Здесь расположены таможня и управление портовых работ. Предназначена для пассажирских судов.
Набережная Гуадьяро (причал № 2) длиной 483 м протянулась к северо-востоку; глубина вдоль нее 10,5 м. Предназначена для генеральных и навалочных грузов и пассажирских судов. Причал № 1 расположен на юго-восточной стороне бассейна Гуадьяро. Длина причала 350 м, глубины вдоль него 8—9,4 м. Длина северо-восточной стенки бассейна 99 м, глубина вдоль нее 8 м. Причал предназначен для генеральных, насыпных и пассажирских грузов.
Рейдовый причал для танкеров до 300 тыс. т двт. расположен в 9 кб к югу от входа в порт. У оконечности трубопровода полукругом на расстоянии около 150 м друг от друга установлены 5 швартовных бочек. Глубины здесь 19 — 20 м; грунт — песок. Причал огражден светящими буями.
Агентирование. Фирма "Intramediterraneo S. А.". Почтовыйадрес: Alemania, 13, Malaga. Телеграфный адрес: INTRAMEDMALAGA. Телефон: 228502/04. Телекс: 77389.
Информация о приходе. Нотис ЕТА подается за 24 ч до прибытия через радиостанции портов Кадис, Гибралтар или Аранхуес.
Рабочее время. Работы проводятся с 8.00 до 12.00 и с 14.00 до 18.00.
Таможенные правила. Документы: судовая роль (5 экз.); список пассажиров или свидетельство об их отсутствии (5 экз.); манифест на грузы, предназначенные к выгрузке в Малаге (1 экз.); манифест на транзитные грузы (1 экз.); список судовых запасов (включая табачные изделия, спиртные напитки, фото-, кино-камеры и т. д.). Суда, превышающие 499 peг. т брутто, должны представить свидетельство о безопасности судового оборудования.
Каждому члену судового экипажа разрешается иметь при себе по 200 сигарет.
Свободная практика предоставляется у причалов или на якорной стоянке.
Ремонт. Ремонт ограничен.
Услуги лоцманов. Лоцманская проводка обязательна и производится круглосуточно. Лоцман встречает судно в I миле от входа в порт, а при плохой погоде — у самого входа. Лоцманское судно выкрашено в черный цвет, имеет белую букву «Р» на обоих бортах и несет синий флаг с белой буквой «Р». Ночью лоцманский катер несет белый и под ним красный огни.
Услуги буксиров. В порту работают 7 буксиров мощностью от 620 до 1800 л. с.
Снабжение. Мазут и газойль предоставляются с бункеровочного причала со скоростью 60 т/ч или из автоцистерны. Заказ на топливо подается за 48 ч до получения. Пресная вода предоставляется с причалов со скоростью 20—200 т/ч. Вода доставляется иногда буксирами (минимальный объем 10 т) и баржей-водолеем (минимальный объем 50 т).
1.4 Порт прихода - Неаполь
НЕАПОЛЬ — NAPLES (40°50' с. ш., 14°17' в. д. Карта № 38379)
Порт расположен у северного берега Неаполитанской бухты и хорошо защищен с юга волноломами: западная его часть — молом Сан-Винченцо и волноломом Дука-дельи-Абруцци; восточная — волноломами Таон-де-Ревель и Эмануэле-Филиберто-Дука-д'Аоста. В порту 2 аванпорта: Восточный и западный — Аммиральо-Франческа-Караччоло, которые соединяются широким проходом, и 2 входа: восточный и западный. Восточный вход с шириной судоходной части 185 м и глубиной 14 м. Глубины на подходном фарватере к Восточному аванпорту подвержены изменениям; здесь периодически ведутся дноуглубительные работы по поддержанию постоянной глубины 14 м. Западный вход шириной 265 м, с глубинами на входе 30—34 м ведет в аванпорт Аммиральо-Франческа-Караччоло. Порт доступен для сухогрузных судов осадкой 10 м (их длина и ширина не лимитированы) и танкеров осадкой до 13,7 м. В порту 8 бассейнов и 11 пирсов и молов с оборудованными причалами, выступающими от берега к югу.

Глубины у пирсов и набережных порта 7—14 м. Глубины в аванпорте Аммиральо-Франческа-Караччоло 15—29 м. Он занимает акваторию около 9X3 кб. Почти вся его акватория отведена для взлета и посадки гидросамолетов. Для этого отведены районы: первый из них ограничен с юга молом Сан-Винченцо, с северо-запада линией, соединяющей оконечности молов Анджойно и Мартелло, и с северо-востока линией, идущей от мола Мартелло к юго-западной оконечности волнолома Таон-де-Ревель; второй (или запасный) район находится в западной части первого района и ограничен с востока меридианом, проходящим посередине бассейна Армандо-Диаз. Маневры, взлет и посадка гидросамолетов в этих районах предваряются сигналами сирены. По правилам порта суда, входящие в порт или выходящие из него, должны пользоваться западным входом. Суда, находящиеся в бассейнах к востоку от пирса Флавио-Джоя (Дзона-Франка), могут выходить через восточный вход. Все суда, входящие и выходящие, должны идти со скоростью, не превышающей 6 уз, и держаться правой стороны фарватера. Запрещено становиться на якорь в Восточном аванпорте. Девять пирсов и молов в западной части порта предназначены для грузовых и пассажирских судов. Глубины вдоль них 7—12 м. Восточная часть порта с пирсом Вильена и молом Прогрессо и находящейся между ними Нефтяной гаванью предназначена для танкеров; глубины здесь 11,7—15 м. Акватория гавани 380X270 м. В порту преобладают юго-западные ветры, а в декабре и январе — северо-восточные и северо-западные ветры. Юго-западные и юго-восточные ветры вызывают сильное волнение и часто сопровождаются дождем и туманом. Колебания уровня воды в порту зависят главным образом от силы и направления ветров. При штормах южных направлений уровень воды в порту повышается на 0,3 м выше среднего, а при сильных северных ветрах понижается на 0,3 м ниже среднего уровня.
Подходный фарватер для крупнотоннажных судов ведет с юга к Восточному аванпорту; стороны фарватера ограждаются светящими буями.
Северо-западная часть Нефтяной стенки (причал № 69) мола Прогрессо в центральной части имеет 3 бетонных выступа, каждый шириной 20 м, которые на 10 м выступают от линии кордона причала. Расстояние между крайними выступами 145 м. Глубина вдоль причала 14,2 м. Набережная Вильена имеет длину 300 м, глубины вдоль нее 10—12,5 м. Юго-восточная стенка пирса Вильена имеет длину 320 м, глубины вдоль нее 11,2—13,6 м. В гавани расположены причалы № 59— 69. У северо-западной стенки пирса Вильена длиной 250 м глубина 9,6 м; в 5 м от стенки глубина 11,5 м. Торцовая (юго-западная) оконечность пирса длиной 100 м, с глубинами 7 8,5 м и длиной 40 м, с глубиной 9 м имеет Г-образную форму.

Пирс Джованни-Баузан отстоит от пирса Вильена на 400 м к северо-западу. Между пирсами расположены бассейн и набережная Поллена. Акватория бассейна около 400X300 м. Большая (центральная) часть бассейна имеет глубины 6—9,5 м, которые увеличиваются от набережной к входу в бассейн. Приглубы только пирсы шириной 60—80 м, с глубинами вдоль них 11— 12 м. Восточная стенка пирса имеет длину 270 м и глубины вдоль нее 11—12 м. Южная стенка шириной 100 м имеет глубины вдоль нее 7—8 м; западная длиной 250 м — глубины 3—5 и 11 м. В 200 м к югу от пирса Джованни-Баузан расположен волнолом Эмануэле-Филиберто-Дука-д'Аоста. Между ними находится Новый бассейн, глубины в нем 11,5—14,5 м. В 190 м к северо-западу от пирса расположен пирс Флавио-Джоя (Дзона-Франка), между пирсами расположен бассейн Гранили, с севера ограниченный набережной Гранили. Акватория бассейна около 200X200 м, глубины в нем 10,5—11 м. Глубина вдоль набережной 10,5 м. У восточной стенки пирса длиной 250 м глубина 11 м; у южной оконечности пирса шириной 100 м глубина 9 м. Западная стенка пирса углублена до 10 м. Западнее пирса Флавио-Джоя имеются 2 якорные стоянки с глубиной 12 м. К западу от пирса Флавио-Джоя в 240 м расположен пирс Витторио-Эмануэле II, а между ними расположен бассейн Витторио-Венето с одноименной набережной. Акватория бассейна около 230X260 м. У набережной длиной 210 м и у стенки пирса Витторио-Эмануэле II длиной 350 м глубины соответственно 7,6 — 8 и 8,1 — 9,2 м; в средней части бассейна глубины 10 — 11 м. От оконечности пирса к востоку выступает мол длиной 100 м. Ширина входа в бассейн 120 м, глубина на входе 11,9 м. У западной стенки пирса глубины 3 7 м.
Между этим пирсом и отстоящим от него к западу (от его основания) находится мол Чезаре-Консоле; между пирсом и молом находится бассейн Армандо-Диаз; с севера его ограничивает набережная Маринелла длиной 260 м, с глубинами вдоль нее 3—8,5 м. Акватория бассейна около 400X350 м, глубины в нем 3—11,3 м. Восточная стенка мола Чезаре-Консоле имеет длину 380 м, глубины вдоль нес 6,7—8,5 м. Вход в бассейн имеет ширину около 80 м. На южной оконечности мола оборудован большой трехкамерный сухой док. На 190 м к западу отстоит мол Кармине. Между молами расположен бассейн Багини с глубинами 9— 10 м. На северном берегу бассейна оборудованы 2 сухих дока. Ширина входа в бассейн 80 м, глубина на входе в него 9 м. К западу от южной оконечности мола Кармине выступает мол Мартелло длиной 260 м. Севернее мола Мартелло установлен плавучий док для крупнотоннажных судов. Западная стенка мола Кармине имеет длину 350 м, глубины вдоль нее 8—9,5 м. От его основания к западу на 350 м простирается набережная Вилла-дель-Пополо. От средней части набережной к югу выступает мол Силоа длиной 150 м. Акватория к западу от мола и вблизи него углублена до 11,3 м. От оконечности набережной к юго-востоку выступает мол Карло-Пизанане. На молу находится управление порта. Мол имеет коническую форму: восточная стенка имеет длину 260 м, глубины вдоль нее 8—9 м; оконечность мола — длину 90 м, глубина вдоль нее 11,3 м; западная стенка имеет длину 240 м, глубина вдоль нее 10,5 м. К юго-западу от нее простирается набережная Порта-ди-Масса длиной 290 м, глубины вдоль нее 8— 8,5 м. От оконечности набережной к юго-востоку выступает мол Иммаконателла-Веннья. Глубины вдоль его северной стенки 9 10,4 м, южной — 4 — 9,5 м. Длина северной стенки 140 м. Южная стенка оборудована уступом из двух частей длиной 90 и 60 м.
От пирса в юго-западном направлении на 290 м протянулась набережная Пильеро, часть акватории у набережной (длиной 100 м) углублена до 9,5 м. Набережная Пильеро подходит к основанию мола Анджойно, выступающего к востоку. Эти 3 бассейна, заключенные между молами Кармине и Анджойно, составляют бассейн Пильеро. Длина северной стенки мола Анджойно 410 м, глубины вдоль нее 8—10,4 м, ширина мола 120 м. Глубины у его восточной оконечности 10,5—12 м.
Вдоль южной стенки мола на протяжении 300 м глубины 11—12,7 м, далее к основанию мола на 190 м глубина 9,8 м. В центральной части мола находится морской вокзал. Между южной стенкой мола и находящимся в 300 м к югу молом Сан-Винченцо расположен бассейн Анджойно. Южная часть бассейна имеет глубины 5—9 м, а северная — 10—14,7 м. Мол Сан-Винченцо простирается в восточном направлении на 9 кб. На восточной оконечности мола установлен маяк. На причалах порта установлены угольные перегружатели со скоростью выгрузки 400 т/ч, краны грузоподъемностью от 3 до 40 т. Имеются самоходные краны грузоподъемностью от 5 до 18 т и плавучие краны грузоподъемностью 60 и 100 т, принадлежащие соответственно компаниям "SEBN" и ВМС Италии. Норма выгрузки зерновых грузов 520 т за смену.
Контейнеровозы чистой регистровой вместимостью до 12 тыс. т обрабатываются у причалов № 46, 51, 52; контейнеровозы осадкой до 15 м — у причалов № 54, 55; ролкеры — у причалов № 5, 12 и 18.
Порт располагает большими топливными емкостями, зернохранилищами, обеспечивающими не только выгрузку зерна, но и хранение, перевалку, дезинфекцию и очистку зерна и семян на причале Calata Villa del Popolo.
На территории порта имеются большие рефрижераторные склады. К причалам подведены железнодорожные пути.
Агентирование. Фирма "Berti & Co. S.p.a." обслуживает трамповые и пассажирские суда. Почтовый адрес: Via Flavio Gioia Colombo 15/16, 80133 Napoli. Телеграфный адрес: SPEDBERTI NAPOLI. Телефон: 312060. Телекс: 710057 BERTI I.
Фирма "Ditta Roberto Bucci" обслуживает линейные суда. Почтовый адрес: ViaAmerigoVespucci 9/20, 80142 Napoli. Телеграфный адрес: BUCCI NAPOLI. Телефон: 261733, 268144. Телекс: 720241 BUCCI I.
Информация о приходе. Свободная практика запрашивается по адресу Sanimare Naples за 12—6 ч до прибытия. См. также «Таможенные и карантинные правила».
Праздничные дни и рабочее время. Общенациональные праздничные дни — см. «Общие сведения». Местный праздничный день — 19 сентября. Рабочее время с понедельника по пятницу длится с 8.00 до 12.00 и с 13.00 до 16.00. Сверхурочная смена — с 16.00 до 24.00. В субботу работы производятся с оплатой по сверхурочным ставкам в смены: с 8.00 до 14.00 и с 14.00 до 24.00. Работы в порту заканчиваются в 14.00 в Новый год, рождество и в пасху. В канун этих праздников работы производятся до 16.00.
Таможенные и карантинные правила. Документы: судовая роль и список пассажиров (по 2 экз.); манифест на продовольствие; список личного имущества членов судового экипажа; грузовой манифест; рапорт о прибытии (заполняется по прибытии); морское санитарное свидетельство (заполняется по прибытии); список членов экипажа, прошедших вакцинацию; обычные судовые документы; свидетельство об оплате административных сборов.
Запрос о свободной практике должен содержать следующую информацию: название судна, национальная принадлежность, последний порт захода, количество членов экипажа и пассажиров, состояние их здоровья.
Каждому члену экипажа разрешается иметь при себе на день 40 сигарет и 1 открытую бутылку спиртного напитка. Сходящим на берег полиция выдает пропуска.
Ремонт. Производятся все виды ремонта. Ремонтный район Pontile Vigliena.
Услуги лоцмана. Телефоны лоцманской станции: 322-832 и 312-604. В порту работают 13 лоцманов. Суда вместимостью менее 500 рег. т брутто освобождаются от лоцманской проводки. Связь на каналах 12, 14 и 16 УКВ.
Услуги буксиров. В порту работают 11 буксиров. Они оказывают помощь судам при ошвартовке.
Снабжение. Все виды топлива предоставляются топливной баржей по предварительной заявке. Пресная вода подается со всех причалов порта и из баржи-водолея.
1.5 Гидрометеорологический очерк
Море Альборан, южное побережье Испании и Балеарских островов.
Гидрометеорологические условия для плавания судов в западной части Средиземного моря в целом благоприятны, особенно с мая по сентябрь.
Осложнения для плавания могут возникнуть при штормах и сильном волнении, наиболее вероятных в северной части района с октября по апрель, и при осадках, максимум которых приходится на сентябрь — декабрь.
Определенную угрозу безопасности плавания судов представляют смерчи; хотя они и не часты, но встреча с ними возможна в любое время года.
МЕТЕОРОЛОГИЧЕСКАЯ ХАРАКТЕРИСТИКА. Описываемый район расположен в субтропической зоне; климат его характеризуется сухим жарким летом и дождливой мягкой зимой. Весна и осень кратковременны и являются переходными сезонами.
Основные черты климата определяются географическим положением моря и общей циркуляцией атмосферы.
Положение района в сравнительно низких широтах обусловливает в течение года высокую температуру воздуха и сильный прогрев вод моря.
Условия общей циркуляции атмосферы складываются в результате взаимодействия барических систем: Азорского максимума, отрога Азиатского максимума и местных депрессий, образующихся над Средиземным морем.
Изменения интенсивности и площади распространения указанных барических систем обусловливают перенос воздушных масс, которые и формируют общий характер погоды по сезонам года. Зимой (Зима: декабрь февраль, весна: март — апрель, лето: май — сентябрь, осень: октябрь — ноябрь.) из-за сравнительно интенсивной циклонической деятельности преобладает неустойчивая теплая погода со значительным количеством осадков и ветрами со скоростью до 6—8 м/сек.
Весной отмечается быстрый переход от зимы к лету. В это время уменьшаются облачность, количество осадков и скорость ветра.
Летом в результате прекращения циклонической деятельности преобладает устойчивая жаркая погода с небольшой влажностью воздуха и малым количеством осадков; скорости ветра обычно не превышает 5 м/сек.
Осенью происходит увеличение облачности и усиление ветра, резко возрастает количество осадков.
Для данного района характерны следующие типы погоды:
1. Тип бризовой погоды, который наблюдается в течение всего года, но наиболее часто — с мая по сентябрь. Этот тип погоды отличается слабыми ветрами западных направлений и хорошо выраженными бризами, сопровождающимися обычно в утренние часы туманами.
2. Тип погоды западных и северо-западных ветров отмечается в продолжение всего года. Он характеризуется очень сильными западными и северо-западными ветрами.
3. Тип погоды восточных ветров наблюдается преимущественно с мая по сентябрь. Ему присущи сильные восточные ветры.
Температура и влажность воздуха. Средняя месячная температура воздуха в описываемом районе в течение всего года положительная.
Самым холодным месяцем года является январь, когда средняя температура воздуха в открытом море составляет 10 — 14°, а на побережье колеблется от 6 —9° на северо-востоке до 12 — 13° на юго-западе. Минимальная температура в январе на побережье составляет соответственно 10° и — 1°. В отдельные дни температура воздуха может повыситься до 21 — 29°.
Суточные колебания температуры воздуха зимой 6—8°.
Относительная влажность воздуха в течение года в среднем 54—80%, причем наибольшая влажность приходится на зимний период, а наименьшая на летний. Суточный ход относительной влажности довольно хорошо выражен летом: максимум ее наблюдается утром, а минимум — в послеполуденные часы.
Ветры. Между параллелями 40° и 37° сев. шир. с октября по май преобладают ветры от SW и W (суммарная повторяемость 20—40%), а с июня по сентябрь — ветры от NO и О (суммарная повторяемость 25—35%). К югу от параллели 37° сев. шир. в продолжение года чаще всего наблюдаются ветры от W (20 — 30%) и О (15 — 20%).
На побережье Испании из-за разнообразия рельефа ветровой режим весьма неоднороден.
В районе порта Гибралтар в течение всего года преобладают ветры от W (суммарная повторяемость до 20—25%) и О (суммарная повторяемость до 20 — 45%). Часты также ветры от SW, а с ноября по апрель и от NW.
На Балеарских островах круглый год господствуют ветры от N, повторяемость которых особенно велика с октября по апрель: до 40—46%. Сравнительно часты здесь и ветры от NO и SW, а в отдельных пунктах также от SO.
Средняя скорость ветра в открытом море большую часть года составляет 3 — 5 м/сек, а с декабря по февраль возрастает до 6 — 8 м/сек. На побережье Испании преимущественно 2 — 3 м/сек (в порту Гибралтар и у мыса Спартель 4 — 5 м/сек). На Балеарских островах скорость в среднем изменяется от 2 — 3 (порт Пальма) до 4 — 6 м/сек (порт Маон).
Количество штормов уменьшается с севера на юг. В открытом море южнее параллели 40° сев. шир. повторяемость штормов с октября по май менее 5%, а с июня по сентябрь штормы почти не наблюдаются.
На побережье Испании в среднем наблюдается от 5 до 15 дней со штормами в год, а среднее число дней с ними в месяц редко превышает 1.
Ha Балеарских островах в одних пунктах, например в порту Пальма, штормы очень редки (в среднем 1 день в год), а в других, как в порту Маон, наблюдается в среднем 26 дней со штормами в год и 1 — 4 в месяц.
Штормовые ветры наиболее вероятны от NO.
В описываемом районе в теплый период года хорошо развиты бризы. В холодный период они менее заметны и отмечаются только при устойчивой ясной погоде.
Морской бриз, как привило, сильнее берегового; он начинается; между 8—10 ч, достигает наибольшей силы в послеполуденные часы и затихает к вечеру. Береговой бриз начинается после захода солнца и продолжается до восхода. Морской бриз распространяется в сторону суши на 15—20 миль от берега, а береговой — в сторону моря на 10—15 миль. Скорость бризов на отдельных участках может достигать 7—8 м/сек и более.
Из местных ветров здесь отмечаются «левехе», «мистраль», «марин» и «контрасте».
Левехе — сухой и горячий ветер от SO и SW (типа сирокко); по мере приближения к испанским берегам он увлажняется. Наблюдается левехе на юге района. Признаком приближения левехе служит появление постепенно надвигающихся с юга сходящихся полос облаков иногда при полном штиле. Левехе начинается внезапно и быстро становится порывистым.
Мистраль — резкий холодный и сухой ветер от NW и N. Начинается он внезапно, скорость его достигает 25 м/сек, а иногда 46 м/сек. Продолжительность мистраля до 7—10, а иногда до 24 суток подряд. В южной части района он наблюдается преимущественно зимой
Марин — теплый и влажный штормовой ветер от SO (типа сирокко).
Контрасте — ветры, имеющие ту особенность, что в близко расположенных друг от друга участках района дуют в противоположных направлениях и вызывают у берегов сильное волнение. Наблюдаются они во всем описываемом районе, но особенно часто — в Гибралтарском проливе. Контрасте сопровождаются грозами и ливневыми дождями. Наибольшая повторяемость их приходится на март — апрель и сентябрь — октябрь.
Туманы. В открытом море туманы редки; в течение года наиболее вероятны они весной и в начале лета.
На побережье Испании обычно не более 5 дней с туманами в год.
В Гибралтарском проливе туманы редки, продолжительность их невелика, но они могут быть очень плотными.
Ha Балеарских островах среднее годовое число дней с туманами колеблется от 8 до 15. Туманы здесь чаще наблюдаются с февраля по апрель май, когда число дней с ними составляет до 3—4 в месяц.
Видимость. На большей части открытого моря в течение года преобладает видимость 10 миль и более. Повторяемость видимости менее 0,5 мили очень незначительна. В прибрежной зоне преобладает видимость 5—10 миль и более.
Значительное влияние на видимость оказывают ветры. При ветрах от SW, S и SO, которые, проходя над открытым морем, становятся влажными, видимость ухудшается, а при ветрах от NW, N и NO, наоборот, улучшается.
На отдельных участках побережья видимость ухудшается за счет пыли и дыма, приносимых из промышленных центров.
В течение суток видимость неодинакова: днем она лучше, чем утром и вечером.
Облачность и осадки. Облачность над западной частью Средиземного моря невелика. Наименьшая облачность наблюдается с июня по август, когда она равна в среднем 2—3 баллам в месяц. Наибольшая облачность отмечается с сентября по май и составляет в среднем 4—5 баллов в месяц.
В холодный период года наблюдаются все формы облаков, а в теплый период весьма редки облака нижнего яруса.
Среднее годовое число ясных дней велико: от 99 до 180, а в районе порта Картахена даже 227. Больше всего ясных дней с мая — июня по август сентябрь: в среднем от 9 до 22 в месяц. С октября по апрель в большинстве пунктов более 9 ясных дней в месяц не бывает. Исключением являются отдельные пункты, например порт Картахена, где в это время года среднее месячное число их составляет 14 — 19.
Среднее годовое число пасмурных дней в большей части района изменяется от 40 до 70, а среднее месячное — от 4 до 9 с октября по март — апрель и от 1 до 3 с мая по сентябрь.
Среднее годовое количество осадков на побережье Испании колеблется от 375 до 660 мм. Исключение представляют район порта Ницца и Гибралтарский пролив, где осадков выпадает соответственно 862 мм и 774—893 мм. На Балеарских островах среднее годовое количество осадков изменяется от 457 до 603 мм.
Режим осадков характеризуется наличием хорошо выраженных дождливого и сухого периодов.
На большей части района дождливый период попадает на май — декабрь с максимумом в сентябре — декабре, когда в среднем выпадает до 50 100 мм, местами до 120 — 140 мм осадков в месяц. В районе порта Гибралтар максимум осадков наблюдается с ноября по март и составляет в среднем 114 — 163 мм в месяц.
В порту Гибралтар наибольшее суточное количество осадков с ноября по апрель достигает 165 — 198 мм.
Среднее годовое число дней с осадками составляет 39 — 45 в южной части района, за исключением Гибралтарского пролива. В Гибралтарском проливе в среднем бывает до 85 дней с осадками в год.
Среднее месячное число дней с ними в большей части района с сентября — октября по май 5—12, а с июня по август не превышает 5.
Осадки выпадают в виде дождя
Особые метеорологические явления.
Грозы, в северо-западной части Средиземного моря чаще наблюдаются к северу от параллели 40° сев. шир., где среднее годовое число дней с ними колеблется от 16 до 31.
В годовом ходе они наиболее вероятны с мая по сентябрь — октябрь; в это время в среднем бывает до 3 — 7 дней с грозами в месяц.
К югу от параллели 40° сев. шир. отмечается в среднем 1 — 2 дня с грозами в год, лишь в районе порта Валенсия, Балеарских островов и Гибралтарского пролива число дней с ними увеличивается до 8 — 14 в год.
Грозы бывают как фронтального, так и местного происхождения.
Смерчи — нечастое явление, но возможны они в любое время года (наиболее вероятны весной и осенью). Смерч представляет собой сильный вихрь с приблизительно вертикальной, но часто изогнутой осью диаметром в несколько десятков метров. Давление воздуха в смерче понижено. Смерч имеет вид темного облачного столба; часто он опускается в виде воронки из нижнего основания кучево-дождевого облака, а навстречу ей с поверхности земли поднимается другая воронка из брызг и пыли. Наиболее узкая часть столба — в середине, в месте соединения воронок. Из одного грозового облака может опускаться одновременно несколько смерчей; в этом случае их воронки имеют небольшой диаметр. Скорость ветра в смерче достигает 50—100 м/сек. Нередко смерчи вызывают катастрофические разрушения, иногда бывают человеческие жертвы. Вращательное движение в смерче может происходить как по часовой стрелке, так и против нее. Сопровождаются смерчи дождями, грозами и шквалами. Наступлению смерча предшествует обычно штилевая погода или легкие переменные ветры.
Смерчи в рассматриваемом районе наиболее вероятны у Балеарских островов, в Гибралтарском проливе и у наиболее выступающих мысов, как например в районе мысов Гата, Сан-Антонио и Креус. В ночное время по близости смерча можно узнать по производимому им шуму.
ГИДРОЛОГИЧЕСКАЯ ХАРАКТЕРИСТИКА. Гидрологический режим района характеризуется небольшими колебаниями уровня, преобладанием волн высотой до 2 м, довольно высокой температурой, большой соленостью и плотностью воды.
Колебания уровня и приливы.
Колебания уровня обусловлены в основном приливными и сгонно-нагонными явлениями.
Приливы в северной части района примерно до параллели 40° сев. шир. неправильные полусуточные, между параллелями 40° и 38°20' сев. шир. неправильные суточные, а к югу от параллели 38°20' сев. шир., в том числе и в Гибралтарском проливе, полусуточные. Величина прилива увеличивается с северо-востока на юго-запад. Средняя величина прилива колеблется от 0,1 до 0,8 м, а средняя величина сизигийного прилива — от 0,2 до 1,2 м.
Табл. Характер и величина прилива
| Наименование пунктов | Место наблюдений | Характер прилива | Средняя величина прилива м | Средняя величина сизигийного прилива, м | |
| широта | долгота | ||||
| Малага, порт | З6°43' N | 4°25' W | полусуточный прилив | 0,4 | 0,5 |
Годовые изменения уровня незначительны. Например, разница между наивысшим, и наинизшим средними месячными уровнями в районе порта Аликанте за 47 лет наблюдений составила 14,2 см.
На большей части района самый высокий уровень воды отмечается в ноябре, самый низкий — в январе и феврале.

Рис. Котидальные линии
Течения. Общая схема постоянных течений в Средиземном море (рис.1.7.2)представлена следующим образом. Основной поток постоянного течения идет из Атланти-ческого океана через Гибралтарский пролив вдоль берегов Африки в целом с запада на восток.
От основного потока отделяются три ветви: одна ветвь отделяется у мыса Трес-Форкас и напра-вляется на запад вдоль берегов Марокко; другая ветвь отходит от основного потока юго-западнее острова Сардиния и, следуя на север, образует в западной части моря круговорот против часовой стрелки; третья ветвь отделяется на подходах к Тунисскому проливу и направляется в Тирренское море.
Основной же поток продолжает двигаться на восток вдоль южного берега Средиземного моря, а затем следует на север вдоль его восточного берега и далее направляется к острову Родос.
У острова Родос этот поток делится на две ветви, одна из которых следует на запад и заходит в Ионическое море, а другая отклоняется на север и северо-запад и входит в Эгейское море, где сливается с собственным течением этого моря. Затем объединенный поток следует к полуострову Пелопоннес, где соединяется с ветвью, идущей в Ионическое море, и совместно с ней, следуя вдоль берегов Греции, направляется в Адриатическое море. Совершив в нем круговорот против часовой стрелки, течение выходит из Адриатического моря, следует вдоль юго-восточного берега Апеннинского полуострова и восточного берега острова Сицилия и замыкает круговорот вод восточной части Средиземного моря.
В пределах северо-западной части Средиземного моря постоянное течение примерно южнее параллели 37°30' сев. шир. в том числе и в Гибралтарском проливе направлено на восток.
Средняя скорость постоянного течения в Средиземном море преимущественно менее 0,5 уз, местами достигает 0,6—1 уз. В Гибралтарском проливе средняя скорость постоянного течения 1—2 уз.
Сильные и устойчивые ветры могут увеличить или уменьшить скорость, постоянного течения и даже изменить его направление. Так, например, в Гибралтарском проливе течение, идущее обычно на восток, при сильных и продолжительных ветрах от О может принять противоположное направление.
Приливные течения носят преимущественно полусуточный характер. Приливное течение в открытой части района направлено на северо-восток, отливное — на юго-запад. В открытом море приливные течения слабые, но в отдельных заливах и узких проливах скорость их может быть значительной. Так, в Гибралтарском проливе скорость сизигийных приливных течений достигает 3 уз.
Волнение. В рассматриваемом районе в течение года преобладают высоты волн до 2 м, на долю которых приходится до 55—80%. Повторяемость высот волн 2—3 м колеблется от 15 до 21 %.
Высоты волн 3 м и более чаще наблюдаются с декабря по февраль к западу от меридиана 0°, где повторяемость их достигает 30%. К востоку от меридиана 0° она составляет 10%. В остальное время года повторяемость высот волн 3 м и более преимущественно 5%.
Период волн в основном менее 5 сек.
Волны на большей части района в течение года наиболее вероятны от NW, W и SW. К югу от параллели 40° сев. шир. с июня по сентябрь часты волны от NO и О.
В районе портов Аликанте и Валенсия при безветрии наблюдается иногда довольно крупная зыбь, вызванная штормами в открытом море. Местные жители называют эту зыбь «лас-таскас».
Температура, соленость и плотность воды. Температура воды в поверхностном слое в течение всего года относительно высокая.
Наибольшие значения температуры наблюдаются в августе и в среднем составляют 21—24°. Наименьшие значения ее отмечаются в январе и равны в среднем 11-15°.
В мае и ноябре средняя месячная температура колеблется от 15 до 18°.
Соленость воды на поверхности моря довольно высокая в продолжение всего года, причем увеличивается она с юго-запада на северо-восток от 36,25—36,5 до 38о/оо.
Плотность воды. Наибольшая плотность воды наблюдается в феврале и колеблется в среднем от 1,02900—1,02875 на северо-востоке до 1,02725— 1,02700 на юго-западе.
Прозрачность и цвет воды. В открытом море прозрачность воды 25—35 м; по мере приближения к берегам она уменьшается до 12—15 м.
Цвет воды в открытом море синий, темно-голубой и голубой, а у берегов вода имеет светло-голубые, зеленоватые и желтоватые оттенки.
Сезонные изменения прозрачности и цвета воды незначительны.
Тирренское море, остров Сардиния и юго-западная часть Италии.
МЕТЕОРОЛОГИЧЕСКАЯ ХАРАКТЕРИСТИКА. Климат описываемого района относится к типу климатов субтропической зоны и характеризуется теплой дождливой зимой.
Зима (декабрь — февраль) характеризуется довольно интенсивной циклонической деятельностью, благодаря которой преобладает неустойчивая теплая погода с большой облачностью, значительным количеством осадков и довольно сильными ветрами, резко меняющимися по направлению (от S до W и от NW до NO).
Господство тех или иных воздушных масс, а также устойчивость ветров над бассейном Средиземного моря обусловливают установление следующих основных типов погоды.
Тип бризовой погоды наблюдается во все сезоны года. Погода при этом характеризуется слабыми ветрами западных направлений и ярко выраженными бризами, которые обычно сопровождаются утренними туманами, исчезающими с восходом солнца или к полудню.
Тип погоды с преобладанием западных и северо-западных ветров наблюдается в течение всего года и определяется наличием относительно большого градиента давления между Францией и центральной частью Италии. В описываемом районе существуют два варианта такого типа погоды: первый — когда большой градиент давления распространяется до берегов Алжира, а второй — когда над северной Африкой бывает высокое, а над северной частью Франции низкое давление. При первом варианте типа погоды возникают ветры от W и NW, приносящие осадки, а при втором — получают развитие ветры от S и SW.
Тип погоды с преобладанием восточных ветров наблюдается преимущественно в теплый период года, когда область низкого давления располагается к западу от побережья Франции, а область высокого давления над Италией и к югу от нее.
Температура и влажность воздуха. Средняя месячная температура воздуха в описываемом районе обычно бывает выше 0° и увеличивается в течение года в направлении с севера на юг.
Наиболее холодным месяцем года является январь, средняя температура воздуха которого в открытом море составляет 10°—13°, а на побережье колеблется 9°—10°.
Морозы отмечаются не ежегодно и наиболее вероятны в период с декабря по март. Наибольшее число дней с морозом колеблется от 3 до 7 за год. Температура воздуха над морем в это время примерно на 3° выше, чем над сушей.
Наибольшая относительная влажность воздуха 70—75% отмечается в октябре — феврале. Относительная влажность на побережье тесно связана с направлением ветра. Так, на юго-западном берегу Италии она повышается до 80 — 90% при ветрах от S.
Ветры. Режим ветров в описываемом районе определяется главным образом характером распределения давления воздуха и физико-географическими особенностями побережий
Средняя скорость ветра в открытом море достигает 6 — 8 м/сек.
Штили в открытом море в период с октября по апрель наблюдаются не часто, повторяемость их в это время колеблется от 45 6 — 13%. Штормы над морем явление довольно редкое, повторяемость их в период с октября по апрель колеблется обычно от 2 до 5%. Штормы обычно бывают от NW и SO, причем штормы от SO наиболее часты и сопровождаются, как правило, обильными дождями и плохой видимостью. На побережье Италии и островов под влиянием местных условий режим ветров отличается большим разнообразием.
На северном побережье Италии в холодный период года (ноябрь —март) чаще всего наблюдаются ветры северных направлений.
На юго-западном берегу Италии ветры очень неустойчивы; в холодный период несколько чаще наблюдаются ветры северных направлений. На восточном берегу острова Сардиния зимой преобладают ветры от W, NO и SO. Ветры от NO приносят сильные дожди. На южном берегу острова в районе порта Кальяри в течение всего года преобладают ветры от NW с повторяемостью 28 — 41%. В юго-западной части острова в районе мыса Спероне и порта Карлофорте преобладают ветры от N и NW.
Средняя месячная скорость ветра на побережье Италии и островов колеблется в течение года от 3 до б м/сек. Штили в описываемом районе наблюдаются довольно часто, повторяемость их достигает 20 — 40%.
Штормы на побережье наблюдаются редко, как правило, в холодное время года. Возникновение их связано главным образом с прохождением циклонов, большая часть которых приходит с Атлантического океана. В районе к северу от порта Неаполь штормы северных направлений могут продолжаться от 3 до 6 суток подряд, а южнее этого порта они бывают реже.
Бризы наблюдаются на всем побережье описываемого района. В холодный период года бризы отмечаются только при устойчивой антициклональной погоде. Морской бриз, имеющий местное название «имбатто», как правило, сильнее берегового он начинается обычно между 8—10 час. утра и наибольшей силы достигает в послеполуденные часы, а затихает к заходу солнца. Морской бриз распространяется в сторону суши на расстояние 15—20 миль от берега. Береговой бриз, имеющий местное название «рампино», начинается спустя 2—3 часа после захода солнца и продолжается до восхода солнца. Зона распространения его в сторону моря не превышает 10—15 миль. Скорость бризовых ветров различна. В одних районах она незначительна, а в других может достигать 8 м/сек и более. В тех случаях, когда бризовые ветры совпадают с общим ветровым потоком над районом, ветер усиливается до шторма и вызывает сильное волнение.
Местные ветры. В описываемом районе отмечаются ветры, имеющие местные названия «сирокко», «либеччо», «провенза», «трамонтан» и др.
Сирокко — это горячие южные ветры, связанные с поступлением тропического воздуха из Африки в теплом секторе циклона. Сирокко бывает сухой и влажный. Сила и продолжительность сирокко весьма изменчивы — от легкого дуновения до сильного и продолжительного шторма, поднимающего в воздух огромное количество пыли, которая сильно понижает видимость. Отличительным признаком сирокко является не только высокая температура, но чрезвычайная сухость воздуха с понижением влажности. Во время сирокко небо имеет желтоватую окраску, солнце едва видно, воздух содержит бурую пыль. Влажный сирокко имеет две разновидности: влажный сирокко без дождя с ясным небом и влажный сирокко с дождем. При влажном сирокко без дождя небо в течение дня безоблачно, а ночью покрывается низкими слоистыми облаками, видимость плохая. При влажном сирокко с дождем устанавливается плохая и пасмурная погода с непрерывно моросящим дождем.
Признаками приближения сирокко являются падение давления и появление перистых облаков. Перед наступлением сирокко повышается уровень воды у берега, а с приходом его на море поднимается сильное волнение.
Либеччо — это западные и юго-западные ветры, связанные с прохождением циклонов. Они сопровождаются обычно пасмурной и дождливой погодой, шквалами, особенно интенсивными в районах, где долины выходят на побережье. Эти ветры вызывают повышение уровня воды у берегов и развивают большое волнение. Ветры либеччо обычно продолжаются около трех суток и наибольшей силы достигают па вторые сутки.
Провенза — сильные ветры от NNW.
Трамонтан — холодный ветер от N. Он обычно начинается внезапно резкими порывами и продолжается от 7 до 10 дней подряд, сопровождаясь пасмурной погодой с дождем или снегом зимой и ясной сухой погодой весной с исключительно хорошей видимостью.
Туманы в открытом море наблюдаются очень редко; повторяемость их в течение года составляет не более 1—2%. На побережье туманы наблюдаются чаще, но повторяемость их различна в отдельных районах. Так, среднее годовое число дней с туманом в районе порта Неаполь достигает 7. В течение года среднее месячное число дней с туманом не превышает 1.
Видимость. В открытом море в течение всего года преобладает видимость 10 миль и более, повторяемость которой колеблется от 70 до 75% в период с сентября по март. Повторяемость видимости менее 5 миль во все сезоны года, как правило, не превышает 5%. Повторяемость видимости 30 миль и более в течение года составляет около 10%. На побережье видимость несколько хуже, чем в открытом море. В таблице №2 приводятся числа дней с различной дальностью видимости в отдельные сроки наблюдений.
Значительное влияние на условия видимости оказывают ветры. Ветры сирокко, либеччо и береговой бриз ухудшают видимость, так как они несут большое количество пыли. Ветры провенза и трамонтан, наоборот, улучшают видимость. Большое влияние на видимость оказывает дым заводов и фабрик больших промышленных городов.
Облачность и осадки. Описываемый район, как и все Средиземное мере, характеризуется незначительной облачностью.
В открытых районах моря в период с октября по май одинаково равновероятно как ясное (0—2 балла), так и пасмурное (8—10 баллов) состояние неба и повторяемость каждого из них составляет около 30—40%.
Табл. Число дней с различной дальностью видимости в отдельные сроки наблюдений
| Наименование пунктов | Видимость(в милях) | Декабрь — февраль | ||
| Время наблюдений (часы) | ||||
| 7 | 13 | 18 | ||
| Порт Неаполь | 0—0,5 | 4 | 1 | 0 |
| 0,5—2 | 28 | 13 | 15 | |
| 2—5 | 37 | 33 | 30 | |
| 5—10 | 18 | 33 | 34 | |
| >10 | 3 | 10 | 11 | |
| Порт Ливорно | 0,5 | 3 | 2 | 5 |
| 0,5—2 | 13 | 6 | 14 | |
| 2—5 | 33 | 28 | 34 | |
| 5—10 | 35 | 42 | 33 | |
| >10 | 6 | 12 | 4 | |
| Порт Генуя | 0—0,5 | 2 | 2 | 1 |
| 0,5—2 | 3 | 7 | 4 | |
| 2—5 | 29 | 30 | 38 | |
| 5—10 | 32 | 30 | 32 | |
| >10 | 24 | 21 | 15 | |
Среднее годовое число ясных дней на побережье достигает 90—130, а пасмурных 50—95. В период с октября по май среднее число ясных и пасмурных дней примерно одинаково и колеблется от 4 15 до 12 за месяц.
Следует отметить, что дождливый зимний период времени не является периодом преобладания пасмурной погоды; ясная и дождливая погода в это время чередуется. Дожди бывают короткие и сильные, после чего небо проясняется; редкий день не бывает солнца.
Среднее годовое количество осадков в открытом море увеличивается с юга на север и колеблется от 400—500 мм до 600—1000 мм. Наиболее часто осадки выпадают в период с ноября по апрель, когда повторяемость их достигает 10—20%.
На побережье среднее годовое количество осадков распределяется неравномерно. На побережье острова Сардиния среднее годовое количество осадков составляет 400 мм.
Наиболее дождливым является период с сентября по апрель, когда среднее месячное количество осадков на юго-западном побережье Италии составляет 60—120 мм, на побережье островов 40—100 мм. Среднее годовое число дней с осадками на юго-западном побережье Италии составляет 100—120, на побережье островов оно уменьшается до 60—90. Наибольшее число дней с осадками (7—13 за месяц) приходится на период с октября по май.
Осадки выпадают в основном в виде кратковременных дождей, обложные дожди и снег наблюдаются редко; число дней со снегом не превышает 1—3 за год. В отдельные дождливые годы осадков может выпадать значительно больше средних величин; но бывают и засушливые годы, когда осадков почти не наблюдается.
Особые метеорологические явления.
Грозы наблюдаются в описываемом районе в течение всего года. Среднее годовое число дней с ними колеблется от 10 до 18, а на побережье острова Сардиния уменьшается до 5. Зимой грозы почти во всем описываемом районе не ежегодны.
Грозы, как правило, сопровождаются ливнями, а иногда градом и шквалистыми ветрами.
Град в описываемом районе отмечается не каждый год. Выпадение его следует ожидать главным образом в переходные сезоны, особенно весной. Наиболее редко он наблюдается в южной части района летом. Почти без исключения везде выпадение его связано с грозами.
Смерчи в описываемом районе наблюдаются редко; они возникают обычно при сильных грозах. Они бывают различных размеров и имеют различную поступательную скорость движения. Средняя ширина трассы движения смерча составляет 192 м, минимальная ширина 6 м и максимальная ширина 2300 м. Смерчи чаще всего бывают в послеполуденные часы (от 16 до 18 час.). Трасса движения их направлена с WSW на ONO, так как они так же, как и грозы, наиболее часто отмечаются при ветрах от W и SW. Смерч на своем пути производит огромные разрушения.
Миражи в описываемом районе частое явление. Возникают они главным образом при штилевой погоде.
ГИДРОЛОГИЧЕСКАЯ ХАРАКТЕРИСТИКА. Гидрологический режим в описываемом районе характеризуется незначительными колебаниями уровня, высокой температурой воды в течение всего года, значительной ее соленостью и плотностью, преобладанием волнения I—II балла (в течение всего года), а также сравнительно устойчивыми поверхностными течениями.
Колебания уровня и приливы. Колебания уровня в открытой части района незначительны и только в прибрежной зоне в отдельных заливах и бухтах под действием приливообразующей силы и сгонно-нагонных ветров они приобретают некоторое значение.
Средние годовые изменения уровня повсеместно не превышают 10—11 см. Только у берегов острова Сардиния они равны 14—15 см.Приливы здесь преимущественно полусуточные, только у берегов острова Сардиния, имеют место неправильные полусуточные приливы. Средняя величина прилива колеблется от 0,1 до 0,5 м, а средняя величина сизигийного прилива редко превышает 0,7 м.
Кроме периодических изменений уровня, в пределах описываемого района наблюдаются сгонно-нагонные колебания уровня, которые в зависимости от района могут отмечаться при ветрах различных направлений и в сочетании с приливами сильно усложняют режим уровня в прибрежной зоне. Подъем и падение уровня иногда предшествуют наступлению ветра и поэтому могут служить признаками для предсказания погоды. Кроме приливо-отливных и сгонно-нагонных явлений, наблюдаются сезонные колебания уровня, обусловленные увеличением или уменьшением осадков, испарения и берегового стока.
Течения в Средиземном море формируются в основном под влиянием разности плотности воды в различных его районах, ветра и приливообразующей силы. В связи с тем, что уровень воды в Средиземном море несколько ниже, чем в прилегающих к нему морях и океане, на поверхности моря возникают течения из Атлантического океана, а в придонных слоях, наоборот, течения, направленные в Атлантический океан. Течение, идущее из океана, проходит Гибралтарский пролив и, следуя вдоль южного берега моря (берег Африки) в направлении с запада на восток, является основным поверхностным течением Средиземного моря. По пути следования от основного потока отделяется несколько ветвей (см. рис. 1.7.3), причем одна из них отделяется в районе западнее острова Сардиния и следует на север, а затем на юго-запад, образуя в западной части Средиземного моря круговорот вод против часовой стрелки; другая ветвь отходит от основного потока на подходе к Тунисскому проливу и по южной границе описываемого района направляется в Тирренское море, где, поворачивает постепенно вдоль юго-западного берега Италии на N и NW и вливается в круговорот вод западной части Средиземного моря.
Скорость постоянного поверхностного течения в описываемом районе не велика и колеблется от 0,2 до 1 узла. Направление и скорость течений может существенно изменяться под влиянием приливо-отливных и ветровых течений.
Приливо-отливные течения носят преимущественно полусуточный характер и в открытом море обычно имеют второстепенное для мореплавания значение, но в прибрежных районах, особенно в заливах, бухтах и проливах, скорости их иногда могут достигать 2—3 узлов.
Ветровые течения, вызываемые местными ветрами, могут быть весьма существенными, особенно при совпадении с постоянным и приливо-отливными течениями. Обычно местные ветры носят временный характер, но при устойчивых и сильных ветрах может установиться новое течение, скорость которого в некоторых случаях достигает 2 узлов и более. После прекращения ветра, дующего 2—3 суток в одном и том же направлении, может наблюдаться течение, обратное тому, которое имело место во время действия ветра.
Температура, соленость и плотность воды. Температура воды на поверхности высокая в течение всего года и возрастает в направлении с севера на юг.
Наиболее низкая температура воды отмечается в январе—феврале, когда она составляет 14° на юге Италии.
В открытом море температура воды зимой выше, чем у берегов. Сезонные изменения температуры воды происходят в основном до глубины 200—250 м; далее она остается постоянной на всех глубинах и колеблется около 13°.
Соленость воды на поверхности вследствие сильного испарения высокая в течение всего года; среднегодовые значения ее для всего моря составляют 38о /оо .
Плотность воды на поверхности изменяется от 1,0250 до 1,0290 Наибольшая плотность воды наблюдается в период с октября по март, когда она составляет повсеместно l,0285.
Волнение. В описываемом районе в течение всего года преобладает волнение I—II балла, повторяемость которого достигает 34—38%. Повторяемость отсутствия волнения здесь также велика и в большей части района колеблется от 20 до 50%. Волнение III—IV балла чаще всего отмечается в период с ноября по апрель, когда повторяемость его составляет 25 — 30%. Повторяемость волнения V баллов и более, как правило, редко превышает 10%.
К юго-западному берегу Италии волнение приходит в течение всего года от SW и W, а зимой, кроме того, и от О. У восточных берегов острова Сардиния наиболее часто отмечается волнение от SW и NW.
Высота волн в описываемом районе может достигать 7 м, а длина 200 м.
Табл. Среднее число дней с волнением. Порт Неаполь
| Наименование ветра | Сумма | |||||||||
| N | NO | O | SO | S | SW | W | NW | штиль | ||
| Декабрь - февраль | 0,1 | 1 | 0,1 | 0,3 | 0,6 | 1 | 0,7 | 0 | 0,3 | 4,1 |
| Март - май | 0 | 0 | 0 | 0,2 | 0,9 | 2 | 1 | 0,1 | 0,3 | 4,5 |
| Июнь - август | 0 | 0,1 | 0 | 0 | 0,3 | 0,2 | 0,1 | 0 | 0 | 0,7 |
| Сентябрь - ноябрь | 0,1 | 0,4 | 0 | 0,4 | 1 | 2 | 0,5 | 0,1 | 0,7 | 5,2 |
Ниже приводится таблица (табл.1.7.4) повторяемости (в %) ветрового волнения и зыби по направлению и высоте у побережья Неаполя и в открытом море.
Табл. 1.7.4 Повторяемость ветрового волнения и зыби (%) по направлению и высоте у побережий Неаполя и юга о.Сардиния и в открытом море.
| Высота ветровых волн (м) | Направление ветрового волнения | Высота волн, зыби (м) | Направление зыби | ||||||||||||||||||||||
| N | NO | O | so | S | SW | W | NW | всего | N | NO | о | so | S | SW | W | NW | всего | ||||||||
| Район Неаполя | |||||||||||||||||||||||||
| <1 | 12 | 13 | 8 | 7 | 4 | 4 | 7 | 11 | 66 | <1,8 | 0 | 0 | 0 | 1 | 5 | 3 | 7 | 3 | 19 | ||||||
| 1—2,4 | 0 | 0 | 0 | 2 | 3 | 5 | 7 | 3 | 20 | 1,8—3,6 | 0 | 0 | 0 | 1 | 1 | 1 | 9 | 1 | 13 | ||||||
| >2,4 | 0 | 0 | 0 | 1 | 0 | 1 | 3 | 1 | 6 | >3,6 | 0 | 0 | 0 | 0 | 0 | 0 | 4 | 0 | 4 | ||||||
| Штиль | 8 | Штиль | 64 | ||||||||||||||||||||||
| Район юга о.Сардиния | |||||||||||||||||||||||||
| <1 | 16 | 8 | 3 | 3 | 3 | 3 | 14 | 30 | 80 | <1,8 | 0 | 0 | 5 | 3 | 1 | 1 | 0 | 0 | 10 | ||||||
| 1—2,4 | 0 | 0 | 3 | 4 | 3 | 3 | 0 | 0 | 13 | 1,8—3,6 | 0 | 0 | 5 | 2 | 1 | 1 | 0 | 0 | 9 | ||||||
| >2,4 | 0 | 0 | 1 | 2 | 0 | 0 | 0 | 0 | 3 | >3,6 | 0 | 0 | 0 | 1 | 0 | 0 | 0 | 0 | 1 | ||||||
| Штиль | 4 | Штиль | 80 | ||||||||||||||||||||||
| Тирренское море | |||||||||||||||||||||||||
| <1 | 7 | 6 | 4 | 5 | 4 | 4 | 6 | 6 | 42 | <1,8 | 3 | 4 | 3 | 2 | 4 | 2 | 9 | 6 | 33 | ||||||
| 1-2,4 | 4 | 4 | 4 | 4 | 3 | 4 | 7 | 5 | 35 | 1,8—3,6 | 4 | 2 | 3 | 3 | 2 | 1 | 8 | 4 | 27 | ||||||
| >2,4 | 2 | 3 | 1 | 2 | 1 | 2 | 3 | 2 | 16 | >3,6 | 0 | 1 | 0 | 0 | 1 | 1 | 2 | 1 | 6 | ||||||
| Штиль | 7 | Штиль | 34 | ||||||||||||||||||||||
Прозрачность и цвет воды. Прозрачность воды в большей части описываемого района составляет 30—40 м. Вблизи побережий она может понижаться до 2 — 5 м и менее. Сезонные колебания прозрачности незначительны.
Цвет воды преимущественно синий. С приближением к берегам он 5 становится голубым.
1.6 Навигационно-географический очерк
Море Альборан, южное побережье Испании и Балеарских островов

Плавание вдоль берегов трудностей не представляет, так как большинство опасностей находится вблизи них. Ориентирами при плавании могут служить горы, мысы, форты, башни и другие искусственные сооружения.
Берега. Берега как материка, так и Балеарских островов почти на всем протяжении гористы. Горы, возвышающиеся вдоль берега Испании, отделены от него широкими равнинами. Но в том и другом случае при наблюдении с моря с больших расстояний берег кажется гористым. На тех участках, где горы вплотную подступают к морю, берег обычно обрывистый и скалистый, а на низменных участках он пологий и песчаный.
Растительный покров в описываемом районе имеет типичный средиземноморский характер. Низменности покрыты зарослями вечнозеленых кустарников, возделанными полями и плантациями субтропических и тропических фруктовых деревьев, плодовых и технических культур, однако местами вдоль берега тянутся бесплодные, лишенные растительности участки. На прибрежных холмах и на нижних склонах гор имеются рощи вечнозеленого дуба и приморской сосны, а также заросли кустарника; выше растут деревья, типичные для умеренного климатического пояса. Во многих местах леса вырублены, и с моря видны оголенные склоны гор.
Хорошими ориентирами при плавании вдоль берегов служат вершины высоких гор, высокие скалистые мысы, а также расположенные на берегу города и селения, замки, башни, монастыри.
Берег Испании. Южный берег Испании изрезан мало. В его северную часть незначительно вдается Валенсийский залив.
Вдоль южной части берегов Испании тянется цепь Андалузских, или Бетских, гор. Среди них расположены самые высокие в стране горы Сьерра-Невада высотой до 3481 м (пик Муласен). Многие горы хорошо приметны; отдельные вершины покрыты вечным снегом. Между горами и берегом узкой полосой тянутся Мурсииская и Андалузская низменности.
Между мысом Палос и Гибралтарским проливом берег в основном сравнительно высокий и скалистый, окаймленный песчаными пляжами.
На всем протяжении от мыса Палос до полуострова Гибралтар берег изрезанный, но больших заливов и бухт здесь мало. Между мысом Палос и мысом Гата (36°43' N, 2°11'W) в берег вдаются широкие заливы Масаррон и Вера. Непосредственно к западу от мыса Гата находится Альмерийский залив, единственный на южном берегу Испании. Далеко выступающих в море полуостровов и мысов во всем районе нет.
Весь средиземноморский берег Испании преимущественно приглуб, но местами вблизи него лежат небольшие острова и скалы.
Острова. Острова расположены преимущественно вблизи берегов. Наиболее удаленными из них являются Балеарские острова, находящиеся в расстоянии от 45 до 115 миль от восточного берега Испании, и остров Альборан. Почти все проливы между островами и берегом достаточно глубоки и доступны для плавания судов.
Глубины, рельеф дна и грунт. Южный берег Испании приглубы.
Изобата 200 м, ограничивающая материковую отмель, проходит от берега Испании в расстоянии 5—35 миль. Глубины между изобатой 200 м и берегом Испании уменьшаются по направлению к берегу равномерно.
Все опасности лежат в небольшом удалении от берегов, причем на значительном протяжении вблизи отдельных участков берега их мало, что дает возможность при благоприятной погоде приближаться к таким местам на расстояние до 1 мили.
Грунт вблизи берегов Испании почти всюду ил и песок; на больших глубинах преобладает ил. Местами вблизи берега встречаются гравий, скала, ракушка, водоросли.
Мористее изобаты 200 м у берегов Испании грунт — мягкий желтый ил.
Земной магнетизм (эпоха 1975 г.). Магнитное склонение в западной части Средиземного моря западное; оно изменяется по мере продвижения на восток с 6° до 4°.
Общее направление изогон почти меридиональное. Для данного района среднегодовое уменьшение западного склонения составляет 0°,1.
Горизонтальная составляющая напряженности магнитного поля Земли уменьшается по мере продвижения с запада на восток - с 268 до 232 мэ, а магнитное наклонение увеличивается в том же направлении от 50°,5 N до 59°N.
Кроме годовых изменений, магнитное склонение имеет суточные изменения с одним максимумом и одним минимумом. Амплитуда суточных изменений магнитного склонения больше летом, чем зимой; зимой — около 5'. Наибольшие отклонения стрелки компаса к востоку наблюдаются в 8 — 9 ч, а к западу — в 13—15 ч по местному времени. Около местных полудня и полуночи в спокойные в магнитном отношении дни склонение близко к средней для данного района величине. Kpoмe периодических суточных изменений склонения, наблюдаются непериодические изменения — магнитные возмущения, так называемые магнитные бури; амплитуда магнитных бурь изменяется в пределах 0°,5—1°,5. Магнитные бури зимой наблюдаются редко. Магнитная буря обычно продолжается от нескольких часов до нескольких суток. Замечено, что магнитные бури имеют тенденцию повторяться через 27—28 суток.
Магнитных аномалий в описываемой части Средиземного моря нет.
Средства навигационного оборудования. Район хорошо обеспечен средствами навигационного оборудования, как береговыми, так и плавучими. Большинство маяков и светящих знаков, установленных на этом берегу, представляют собой капитальные сооружения с мощным оптическим устройством и большой дальностью видимости; при некоторых маяках имеются средства звуковой туманной сигнализации и морские радиомаяки, работающие в группах и обеспечивающие безопасность плавания в тумане. Имеется станция радионавигационной системы Лоран-С.
Кроме того, на берегах Испании и на Балеарских островах установлены аэрорадиомаяки, которые могут быть успешно использованы для целей мореплавания. Однако следует иметь в виду, что аэрорадиомаяки могут временно прекращать свою работу или изменять ее режим, о чем мореплаватели извещениями не предупреждаются.
Все сравнительно удаленные от берега опасности ограждены светящими или несветящими знаками и буями. Буи выставляются преимущественно в портах и гаванях, а также для обозначения опасных и запретных для плавания районов. Мореплавателям следует помнить, что на надежность местоположения буев, а также на строгое постоянство характеристик огней полностью полагаться нельзя.
Порты и якорные места. В связи с тем что в описываемом районе мало хорошо защищенных бухт, большинство портов и гаваней сооружено у открытого берега и защищено молами и волноломами, что вполне обеспечивает безопасность стоянки. Во многих портах и гаванях Испании ведутся работы по их реконструкции.
Вблизи берегов Испании и Балеарских островов якорных мест, хорошо укрытых от ветров и волнения, очень немного; все заливы и бухты защищены только от ветров с берега.
Вблизи берега Испании якорные места имеются во всех заливах и бухтах, а также на открытых рейдах, расположенных против населенных пунктов. Все эти якорные места доступны для больших судов, но не защищены от ветров с моря.
Ремонтные возможности и снабжение. В Испании капитальный ремонт судов можно произвести в портах Картахена и Малага; на Балеарских островах — в порту Маон; Во многих небольших портах и гаванях можно произвести текущий ремонт судов.
Топливо, воду, продовольствие и другие виды снабжения можно принять во всех крупных портах. В небольших портах и гаванях предметы снабжения имеются в ограниченном количестве.
Лоцманская служба. В каждом сколько-нибудь значительном средиземноморском порту Испании имеются лоцманские станции с дипломированными лоцманами, которые проводят суда не только в свой приписной порт, но и в некоторые близлежащие небольшие порты и гавани.
Спасательная служба. На средиземноморских берегах Испании во всех более или менее значительных портах, гаванях и селениях имеются спасательные станции, снабженные спасательными ботами, линеметами и другими средствами.
На берегу Испании и на Балеарских островах оборудованные спасательными моторными ботами станция расположена в порту Малага.
В городах и селениях, против которых находятся рейды, имеются спасательные гребные боты.
Навигационная информация. На средиземноморских берегах Испании и на Балеарских островах расположены радиостанции, передающие гидрометеорологические сведения (МЕТЕО), а также навигационные извещения мореплавателям (НАВИМ).
В некоторых портах имеется служба портовой информации, которая передает по запросу мореплавателей навигационную информацию на район порта и подходов к нему (ограждение, глубины, движение судов и т. п.)
Сообщение и связь. Крупные порты Испании связаны регулярными грузопассажирскими линиями со всеми наиболее значительными портами Средиземного моря и главными портами мира. Регулярное морское сообщение имеется между портами в пределах каждой из этих стран.
Вдоль всего средиземноморского берега Испании проходит железнодорожная магистраль. На южном берегу Испании к западу от порта Картахена железные дороги подведены только к крупным портам.
Многие порты и прибрежные города имеют аэродромы и гидроаэродромы, обслуживающие воздушные линии внутреннего сообщения.
Сигнальные станции. На берегах Испании и Балеарских островов имеются сигнальные станции, открытые для связи с судами. Испанские сигнальные станции обычно, бывают окрашены черными и белыми вертикальными полосами.
У входа в испанские порты находятся сигнальные станции, на которых поднимаются местные сигналы.
Система счета времени, нерабочие дни. Район находится в нулевом часовом поясе. В Испании принято время, которое на 1 ч впереди времени нулевого пояса.
Праздничными (нерабочими) днями являются в Испании—1 января (Новый год), 1 мая (День труда), 18 июля (Национальный день), 1 октября (День Каудильо), 12 октября (День Колумба). Кроме того в Испании имеются религиозные праздники, являющиеся нерабочими днями; даты некоторых религиозных праздников меняются из года в год.
Население и населенные пункты. Описываемый участок густо населен. Населенные пункты распределены по побережью сравнительно равномерно.
Ниже приведены сведения о численности наиболее крупных населенных пунктов:
Плотность населения на южном берегу Испании колеблется от 44 до 101 человека на 1 км2. Здесь расположено несколько крупных портовых городов, в том числе Малага — 374 тыс. человек (1970 г.), Картахена— 147 тыс. человек (1969 г.) и Аликанте— 152 тыс. человек (1969 г.). На Балеарских островах самым крупным является портовый город Пальма — 204 тыс. человек (1968 г.). На южном берегу Испании преобладающую часть населения составляют испанцы на Балеарских островах — каталонцы. Государственным языком во всей стране является испанский язык.
Тирренское море, остров Сардиния и юго-западная часть Италии.
Берег. Юго-западный берег Италии горист. Центральный хребет Апеннинских гор тянется посредине Апеннинского полуострова. У основания Апеннинского полуострова Апеннинские горы переходят в южные отроги Альп.
К W от центрального хребта Апеннинских гор ближе к берегам Тирренского моря высота гор заметно уменьшается; у самого берега местность холмистая. Между Неаполитанским и Генуэзским заливами встречаются низменные заболоченные участки.
Апеннинские горы подходят только в южной части полуострова. Здесь в 8—10 милях от береговой черты находится несколько гор высотой 2000 м и более. В юго-западной части Апеннинского полуострова находится действующий вулкан горы Везувий и множество потухших вулканов.
Остров Сардиния и другие, менее крупные острова, находящиеся в Тирренском море, также гористы.
Юго-западный берег Италии и берега острова Сардиния сильно изрезаны. Особенно извилисты те участки берега, где направление горных хребтов не совпадает с направлением береговой черты. В таких местах отроги высоких гор далеко выступают в море, образуя обрывистые и узкие полуострова и мысы.
В юго-западный берег Италии вдаются глубоководные заливы Салернский и Неаполитанский залив.
Плавание вдоль юго-западного берега Италии, а также лежащих вблизи него островов не представляет трудностей. Берега везде приглубы; опасностей вблизи них мало.
Глубины у берега в пределах от 1 до 5 миль порядка 100 м, вдали от берега глубины достигают 2000—3000 м.
Острова и проливы. Описываемый район изобилует большими и малыми островами. Остров Сардиния расположенный к западу от Апеннинского полуострова, является крупнейшим островам Средиземного моря. Этот гористый остров вытянут в меридиональном направлении и является границей между собственно Средиземным морем и его частью — Тирренским морем.
На острове Сардиния горы тянутся лишь вдоль берегов. Центральная часть острова Сардиния представляет собой плато. В берега острова Сардиния вдается залив Кальяри. Несколько островов лежит у входа в Неаполитанский залив. Среди них находится известный своим прекрасным климатом живописный остров Капри. В 60 милях к W от Неаполя расположены острова Понтине.
Глубины, рельеф дна и грунт. Тирренское (MareTirreno) море глубоководное. Изобата 100 м проходит в 3—5 милях от берега, а в некоторых местах подходит к берегу почти вплотную.
В 10 милях от берега глубины резко увеличиваются до 1000—1500 м, а далее 10 миль от берега рельеф дна становится относительно ровным. Глубины в Тирренском море в среднем 2000—2500 м. Самое глубокое место в Тирренском море (3718 м) находится в центральной его части, несколько севернее параллели 40° сев. шир.
Вода в этом море, особенно вдоль берегов Италии, отличается большой прозрачностью и красивым голубоватым цветом. Грунт вдоль берегов Тирренского моря, как правило, песок и ил, местами глина и камень. В открытом море грунт состоит из серого, желтоватого и коричневого ила. В прибрежных водах, омывающих районы расположения вулканов, грунт местами пемза.
Многие банки и подводные скалы, находящиеся в Тирренском море, покрыты обломками раковин и водорослями.
Земной магнетизм. Магнитная изученность района хорошая. В южной его части имеются магнитные наблюдения шхуны «Заря», произведенные в 1957 г.
Магнитное склонение в описываемом районе западное и изменяется от 2°,4 W на юге о.Сардиния до 0°,6W в районе Неаполя, оно приведено к эпохе 1978. Точность определения магнитного склонения 0°,4. Среднегодовое уменьшение магнитного склонения 0°,09.
В описываемом районе в течение года бывает от 10—15 до 30—40 магнитных бурь, но даже во время самых сильных магнитных бурь амплитуда колебаний магнитной стрелки не превышает 1°. Обычно магнитные бури повторяются через 27—28 суток.
Магнитное наклонение в пределах района 53°. Горизонтальная составляющая напряженности магнитного поля имеет значение 261 мэ.
Средства навигационного оборудования. Безопасность плавания в описываемом районе обеспечивается достаточным количеством средств навигационного оборудования. В наиболее важных пунктах установлены маяки с дальностью видимости более 20 миль; при некоторых маяках имеются радиомаяки. Подходы к портам и гаваням также в достаточной степени обеспечены средствами навигационного оборудования. На надежность местоположения буев и вех, а также на строгое постоянство характеристик огней полностью полагаться нельзя. В некоторых пунктах берега установлены аэрорадиомаяки, которые иногда можно использовать для целей морской навигации. Однако следует иметь в виду, что аэрорадиомаяки могут временно прекращать свою работу или изменять ее режим, о чем мореплаватели Извещениями не предупреждаются.
Порты и якорные места. У описываемого берега оборудовано большое количество портов и гаваней, предназначенных для ввоза и вывоза различных грузов. Порт Неаполь доступен для больших судов
Ремонтные возможности и снабжение. Ремонт механизмов и подводной части корпуса судна можно произвести в порту Неаполь. Небольшой ремонт механизмов судна можно произвести в любом порту Италии.
Предметы судового снабжения, пресную воду и продукты питания можно приобрести почти во всех портах. Запасы топлива можно пополнить в порту Неаполь.
Лоцманская служба. В большинстве портов описываемого района имеются лоцмана. Лоцманская проводка почти во все порты обязательна; исключение составляют суда валовой вместимостью до500 рег т. В тех портах, где нет дипломированных лоцманов, проводку судов производят местные рыбаки, которые должны иметь, специальное разрешение капитана порта.
Спасательная служба. Спасательные станции имеются в портах Генуя, Аяччо, Бастия, Бoнифачo, Сен-Флоран. Вызов спасательных ботов из указанных мест производится сигналами по Международному своду сигналов.
Навигационная информация. В описываемом районе имеются радиостанции, передающие гидрометеорологические сведения (МЕТЕО) и Навигационные Извещения Мореплавателям (НАВИМ).
Сообщение и связь. В Италии имеется густая сеть железных дорог. Почти все порты и гавани, расположенные вдоль Апеннинского полуострова связаны железной дорогой между собой и с центральными районами страны. Порты и гавани острова Сардиния также связаны железными дорогами. Между портами и гаванями Италии поддерживается регулярное пароходное сообщение. Шоссейные дороги в Италии хорошие.
Население и населенные пункты. Большая часть населения Италии занята сельским хозяйством. Выращивают пшеницу, кукурузу, рис, картофель, маслины; большое значение имеет виноградарство и субтропическое плодоводство.
Главными предметами ввоза в Италию служат: уголь, нефть, нефтепродукты, хлопок, лес, металлы, а предметами вывоза являются ткани, шелк, фрукты, сыр, оливковое масло, вино, рыбные консервы, автомобили.
Самыми большими городами и промышленными центрами на юго-западном берегу Италии являются Неаполь и Генуя.
1.10 Таблица сведений о маяках на переход
| Примечание | Светит 63° - 227° | ---------- | ---------- | Резерв. то же 9М | ---------- | Бл 163,7°-147,7° Кр 147,7°-163,7° | ---------- | Кр сектор 6° на о.Ла-Вакка, Бл остальной сектор | Светит 60°-265°, 273°-274° | ---------- | ---------- | Бл 22°-253°, 273°-308° Кр 253°-273° | Светит 136°-10° | Светит 85°-355° | Бл 17°- 307° Кр 307°-17° | Св.19°-292°, резерв. то же 10М | ---------- | Проходить в не менее 70м. | Закр 282°-53° | |
| Момент закрытия | Тс | 1:05 | 2:19 | 3:52 | 4:53 | 6:05 | 7:49 | 8:40 | 13:27 | 14:56 | 15:23 | 16:08 | 16:42 | 5:19 | 6:06 | --- | --- | --- | --- | --- |
| ИП | 298° | 302° | 291° | 305° | 289° | 276° | 298° | 297° | 272° | 290° | 304° | 286° | 345° | 174° | --- | --- | --- | --- | --- | |
| На траверзе | Тс | --- | 1:30 | 2:52 | 4:03 | 5:00 | 6:26 | 7:30 | 12:56 | 14:06 | 14:39 | 15:09 | 16:05 | 5:16 | 5:48 | 5:33 | 5:56 | 6:09 | --- | --- |
| ИП | --- | 0° | 0° | 0° | 0° | 0° | 346° | 346° | 346° | 346° | 346° | 346° | 331° | 151° | 331° | 331° | 331° | --- | --- | |
| Момент открытия | Тс | --- | 00:41 | 1:52 | 3:17 | 3:54 | 5:12 | 6:22 | 12:25 | 13:16 | 13:55 | 14:10 | 15:35 | 3:48 | 4:17 | 5:29 | 4:46 | 5:30 | 5:43 | 4:59 |
| ИП | --- | 58° | 68° | 53° | 73° | 68° | 35° | 35° | 60° | 42° | 28° | 30° | 53° | 88° | 0° | 57° | 53° | 74° | 57° | |
| Характеристика огня | Бл ПР (3+1) 20с | Бл Пр (4) 15с | Бл Пр (2) 10с | Бл Зтм (3) 10.5с | Бл Пр (1+2) 10с | Бл Кр Пр 4с Кр 20М | Бл Пр (4) Дл Пр 30с | Бл Кр Пр (2) 6с Кр 6М |
Бл Пр (3) 15с | Бл Пр (4) 15с | Бл Пр (2) 10с | Бл Кр Пр (2) 10с Кр 6М | Бл Пр (2) 15с | Бл Пр 3с | Бл Кр Пр 3с Кр 8М | Бл Пр (2) 10с | Зл Пр 3с | Кр Пр 5с | Бл Пр (4) 15с | |
| Dк | 25М | 20М | 20М | 13М | 16М | 24М | 22М | 8М | 11М | 11М | 21М | 8М | 22М | 25М | 12М | 16М | 7М | 7М | 21М | |
| Название маяка | Малага | Торрокс | Сакратиф | Адра | Сибиналь | Гата | Месса-Де-Рольдан | Иль-Торро | Спартивенто | Пула | Сант-Элия | Каволи | Императоре | Карена | Мола гавани Искья | Мизено | Пирса | Торе-дель-Греко | м.Сан-Винченцо | |
| №п.п. | 1 | 2 | 3 | 4 | 5 | 6 | 7 | 8 | 9 | 10 | 11 | 12 | 13 | 14 | 15 | 16 | 17 | 18 | 19 | |
1.11 Таблица сведений о РМК на переход
| Дополнительные сведения | Раб. эксперимент. | В группе с 2290, 1920, 1670 | В группе с 1560, 1550 | В группе с 1520, 1690, 1270 | В группе с 1520, 1690, 1270 | В группе с 1300, 1290, 1280 | В группе с 1300, 1290, 1280 | |
| Дальность действия, время работы | 35М, 18:00-8:00, 10 и/ч с 00м | 100М, 00:00-24:00, 10 и/ч с 00м | 200М, 00:00-24:00, 10 и/ч с 02м | 100М, 00:00-24:00, 10 и/ч с 02м | 100М, 00:00-24:00, 10 и/ч с 00м | 150М, 00:00-24:00, 10 и/ч с 04м | 100М, 00:00-24:00, 10 и/ч с 00м | 80М, 00:00-24:00, 10 и/ч с 02м |
| Позывной, частота, класс излучения | ГА, 298,8 кгц, А2 | АГ, 294,2 кгц, А2 | ЦЬ, 313,5 кгц, А2 | ИП, 289,6 кгц | ЦО, 310,3 кгц, А2 | УИ, 310,3 кгц | НП ,296,5 кгц, А2 | ПМ ,296,5 кгц, А2 |
| Название, координаты | Малага, 36°43′N 4°25′W | Эгюий 35°53′N 0°29′W | Каксин 36°49′N2°57′О | Сандало 39°09′N8°14′О | Карбонара 39°05′N9°32′О | Устика(Гавицци) 38°42′N13°09′О | Карена 40°32′N14°12′О | Палинуро 40°02′N15°17′О |
| Номер по РТСНО | 2240 | 2420 | 2390 | 1550 | 1520 | 1270 | 1300 | 1290 |
| № п.п. | 1 | 2 | 3 | 4 | 5 | 6 | 7 | 8 |
1.12 Таблица сведений о АЭРО РМК на переход
| Примечание | Временно не работает (октябрь 1964г) | ||||||||||||||||
| Частота и длинна волны | 256кгц (1172м) | 384 кгц (781,3м) | 265 кгц (1132 м) | 334 кгц (898,3 м) | 381 кгц (787,4 м) | 394 кгц (761,4 м) | 397 кгц (755,7 м) | 353 кгц (849,9 м) | 374 кгц (802,2 м) | 366 кгц (819,7 м) | 270 кгц (1111 м) | 402 кгц (746,3 м) | 385,5 кгц (778,2 м) | 255 кгц (1176 м) | 355,5 кгц (843,9 м) | 280 кгц (1071 м) | 390 кгц (769,2 м) |
| Позывной сигнал | МГ | МЛ | ОЛН | ПАП | ЛЦ | ИБ | ЦХЕ | АГМ | СКД | АНБ | ЦАГ | ЦАР | ТСА | ТРП | ПАЛ | ПНЗ | ЦПР |
| Название, координаты | Малага (Эль-Ромпедисо) 36°40′N 4°29′W | Мелилья 35°10′N 2°55′W | Оран (Ла-Сения) 35°39′N 0°38′W | Порт-о-Пуль 35°48′N 0°10′W | Лос-Алькасарес 37°44′N 0°51′W | Ивиса 38°53′N 1°23′О | Шершель 36°37′N2°12′О | Алжир 36°43′N3°12′О | Скикда 36°53′N6°58′О | Аннаба 36°50′N7°47′О | Кальяри (Эльмас) 39°13′N9°06′О | Карбонара 39°06′N9°31′О | Тунис (Эль-Авина) 36°52′N10°18′О | Трапани 37°55′N12°29′О | Палермо 38°11′N13°06′О | Понца 40°55′N12°57′О | Капри 40°33′N14°15′О |
| Номер по РТСНО | 2220 | 2470 | 2430 | 2410 | 2210 | 2110 | 2400 | 2370 | 2330 | 2310 | 1540 | 1530 | 1680 | 1250 | 1260 | 1320 | 1310 |
| № п.п. | 1 | 2 | 3 | 4 | 5 | 6 | 7 | 8 | 9 | 10 | 11 | 12 | 13 | 14 | 15 | 16 | 17 |
1.13 Таблица сведений о РНС
| № пары станций | Буквенное обозначение станции | Название пары цепи Средиземного моря | Условное обозначение пары | Координаты | |
| φ | λ | ||||
| 3 | С | Катанзаро. Италия (Catanzaro, Italy) | S L4 – Z(79600 мксек) | 38°52’N | 16°43’E |
| E | Эль-Эстартит. Испания (El Estartit, Spain) | 42°04’N | 03°12’E | ||
| 1 | С | Катанзаро. Италия(Catanzaro, Italy) | S L4 – X(79600 мксек) | 38°52’N | 16°43’E |
| T | Вади-Митратин. Ливия (Uadi Mitratin, Libya) | 30°36’N | 18°24’E | ||
2. Проектирование перехода
2.1 Расчет расстояния и времени
Ходовое время рейса судна зависит от расстояния между портами, технической скорости судна и навигационных условий плавания. Плановая продолжительность ходового времени рассчитывается делением плановых расстояний между портами захода судна, за вычетом протяженности каналов и узкостей на техническую скорость, скорректированную в соответствии с разработанными судовладельцем нормативами. К полученной продолжительности чистого ходового времени добавляется рассчитанное по нормативам время, необходимое на прохождение каналов и узкостей, лоцманскую проводку и швартовные операции. Ниже проводится формула которая учитывает эти все факторы.
tx = (L – lогр) / (Vт – ΔV) + lогр / Vогр + tман (2.1.1)
где: tx – ходовое время на переход;
L– длина пути между портами по рекомендованным курсам;
lогр – длина пути движения судна с малой скоростью l = 1,3 мили;
tман – время на маневры (в расчетах принимаем tман=0, считая что не отшвартовывались и не швартуемся, а лоцмана брали на ходу по предварительной договоренности);
Vт – заданная техническая скорость судна;
Vогр – скорость плавания с ограниченной скоростью. Среднюю ограниченную скорость принимаем из условия, что при выходе из порта отхода скорость судна будет возрастать по мере удаления от опасностей (причалов, пирсов, берега и т.д.) а в порту прихода понижается в обратной последовательности. Принимаем Vогр = 6 узлов.;
ΔV – норматив снижения скорости (из-за технического состояния и навигационных особенностей, принимаем ΔV = 1,5 уз).
Расстояние (L) в милях от порта Малага до порта Неаполь находим по пособию «Таблицы морских расстояний». Необходимые данные находим в Т-1 Таблиц, где расстояние между портами составляет 930 миль. С момента выхода из порта Малага и до порта Неаполь судно будут сопровождать попутные постоянные поверхностные течения, только при прохождении острова Сардиния судно встретит слабое встречное течение. Следовательно, фактическая скорость движения судна на всем пути будет соответствовать технической. Так как судно не проходит ни узкостей, ни каналов, ни любых других районов с ограничением скорости то длину пути движения судна с ограниченной скоростью и lогр не учитываем.
Расчеты. По формуле 2.2.1 вычисляем:
tx = (930 – 1,3) / (17 – 1,5) + 1,3/6 = 60ч (2,5суток)
Так как судно выходит из порта Малага 14 января 2003 года то в порт Неаполь судно прибудет 17 января 2003 года.
2.2 Таблица расчетов курсов и плавания
| Dмин | 0,38 | 0,45 | 10,4 | 8,2 | 8,5 | 2 | 0,5 | |
| ИП | 13° | 18° | 319° | 0° | 346° | 306° | 278° | |
| Название ориентира | Малага | Малага | Малага | Гата | Каволи | Пирса | Дука-дельи-бруццо | |
| Координаты поворотных точек | λ | 4°24’53``W | 4°24’58``W | 4°16.3’W | 2°11’W | 9°35’E | 14°12’E | 14°17.2’E |
| φ | 36°42’32``N | 36°42’29``N | 36°35’N | 36°35’N | 38°57’N | 40°46.9’N | 40°49.8’N | |
| Дата, время, Тс | 00:00 14.01 | 00:01 14.01 | 00:36 14.01 | 06:26 14.01 | 16:05 15.01 | 06:12 16.01 | 06:33 16.01 | |
| Продолжительность плавания | 00 01 | 00 36 | 05 50 | 33 39 | 14 07 | 00 21 | 00 06 | |
| Плавание S, мили | 0.1 | 10.2 | 99.2 | 587 | 240 | 6 | 0.5 | |
| Vс, узлы | 6 | 17 | 17 | 17 | 17 | 17 | 6 | |
| ИК | 228° | 137° | 90° | 76° | 62° | 53° | 288° | |
| №п.п. | 1 | 2 | 3 | 4 | 5 | 6 | 7 | |
2.3 Таблица светлого времени суток
Естественная освещенность существенно влияет на безопасность плавания, как об этом свидетельствуют аварийная статистика. При выполнении курсового проекта надо рассчитать таблицу освещенности на весь переход. Расчеты освещенности выполняются двумя приближенными способами. Вначале по широте и гринвичским датам планируемого плавания выбирают из МАЕ без интерполяции моменты местного среднего времени восхода и захода Солнца и Луны. По округленной долготе предполагаемого места на полдень каждых суток - эти моменты переводят в судовое время Тс и на каждый такой момент находят прокладкой наперед координаты судна. Затем для предвычисления места судна по обычной методике рассчитывают по МАЕ моменты Тс явления, характеризующих освещенность и заносят в таблицу . В эту таблицу заносят также возраст В и фазу луны из МАЕ и по широте места и склонению Солнца на моменты его восхода и захода по табл. 20-а МТ-75 рассчитывают азимуты Солнца А при восходе и заходе.
| Дата | Начало нав. сум. час .мин | Тс | А | Тс | А | Конец нав. сум. час. мин | Тс | Воз-растD | Фаза | Тс |
∧ ʘ |
_ ʘ |
ʘ ∨ |
ʘ _ |
∧ ℂ | ℂ ∨ |
|||||
| 14.01. | 06:12 | 07:14 | 61.9 | 17:04 | 62.1 | 18:06 | 11:47 | 7.2 | ◐ | --- |
| 15.01 | 06:15 | 07:18 | 61.3 | 17:03 | 61.7 | 18:03 | 12:19 | 8.3 | ◐ | 00:45 |
| 16.01 | 06:18 | 07:21 | 60.8 | 16:58 | 60.8 | 18:03 | 18:54 | 9.2 | ○ | 1:55 |
2.4 Сведения о приливах для ДБК
Для районов мелководья и портов, подверженных действию приливов, надо предвычислить колебания уровня моря, направления и скорости приливных течений. Время наступления полных и малых вод и их высоты для основных и дополнительных пунктов определяют по таблицам приливов, а результаты расчета представляют в виде таблиц и графиков.
В результате совместного действия сил притяжения Луны и Солнца на водные массы Земли и центробежных сил возникают периодические колебания уровня мирового океана. Эти колебания называют приливами и отливами. Повышение уровня воды относительно некоторого среднего уровня называется приливом, а понижение – отливом. По своему характеру приливы делятся на три типа: полусуточные правильные и полусуточные неправильные, суточные правильные и суточные неправильные, смешанные.
Правильные полусуточные приливы, наблюдаемые в открытых морях и океанах, в течение лунных суток дважды достигают наивысшего и наинизшего уровней примерно через равные промежутки времени – 6ч 12мин.
Правильные суточные приливы такие, когда в течение лунных суток наблюдается одна полная и одна малая вода, вследствие чего период явления равен суткам.
Смешанные приливы – имеют периодически меняющийся характер от полусуточных к суточным и наоборот.
В океанографии применяется специальная терминология для обозначения приливо-отливных элементов. рис. 2.4.1
Наивысшее положение уровня воды в момент прилива называется полной водой (ПВ). Высота полной воды - hпв , а время ее наступления - tпв .
Наинизшее положение уровня воды в момент отлива называется малой водой (МВ). Высота малой воды - hмв , а время ее наступления - tмв .
Разность уровней полной и малой вод В называется величиной прилива:
В = hпв - hмв .
Высотой среднего уровня моря zo называется полусумма высот полной и малой вод:
zo = (hпв + hмв ) / 2.
Амплитудой прилива А называется полуразность высот полной и малой вод:
А = (hпв - hмв ) / 2.
Нуль глубин (НГ) – это условный уровень, от которого на карте показаны глубины.
Промежуток времени, в течении которого происходит повышение уровня от малой до полной воды, называется преминем роста (Тр ), причем:
Тр = tпв - tмв .
Промежуток времени, в течении которого происходит падение уровня от полной воды до малой воды, называется преминем падения уровня (Тр), причем:
Тп = tмв - tпв .
Рассчитаем приливы в портах трансокеанского перехода и построим график приливов для этих портов на дату отхода и прихода, учитывая то что судно пойдет по выгодному пути – по ортодромии:
Фримантл (№ 3653), координаты φ= 32°03' S, λ= 115°47' Е.
Основной пункт Танжунгпериук (№ 3551)
Примечание: в Фримантле уровень моря неустойчив и полностью зависит от метеорологических условий. До и после сильных западных штормов высокий уровень (около 1,2 м) удерживается до 6 суток; в летние месяцы, особенно во время восточных штормов, очень низкий уровень сохраняется в течение того же периода. Преобладают суточные приливы.
Таб. 2.4.1
| Название пункта | Дата | tпв , часы : минуты |
hпв , м |
tмв , часы : минуты |
hмв , м |
| Фримантл | 14 января | 22:38 | 1,0 | 9:13 | 0,3 |

Рис. 2.4.2
Так как трансокеанский переход от порта Фримантл до порта Кейптаун, назначенный на 14 января, будет проходить по ортодромии, длина которой 4685.8 миль, при скорости судна 17 узлов, вычисляем дату прихода в порт Кейптаун:
tx = 4685,8 / 17 = 276 часов (11 суток)
Следовательно судно придет в порт Кейптаун 25 января, с этой датой и входим в МАЕ.
Кейптаун (№1705) – основной пункт, координаты φ= 33°56' S, λ= 18°26' Е.
Таб. 2.4.2
| Название пункта | Дата | tпв1 | hпв1 | tмв1 | hмв1 | tпв2 | hпв2 | tмв2 | hмв2 |
| Кейптаун | 25 января | 4:02 | 1,6 | 10:00 | 0,4 | 16:04 | 1,6 | 22:12 | 0,3 |

Рис. 2.4.3
2.5 Краткая штурманская спрака
14.01.2003 года 00.00 Карта 39330, выход из порта Малага на выход, сдали лоцмана, легли на К= 228° МК Малага ИП=13° dк=1,8 кбт φо= 36°42'31,5''Nλо=4°24'53''W, V= 6 уз, прошли 1 кбт. 00.01 легли на К= 137° МК Малага ИП=18° dк=4,5 кбт φо= 36°42'28,5''Nλо=4°24'58''W, V= 17 уз, прошли 10,2 кбт. 00.03 Перенесли счисление на карту 36330 МК Малага ИП=342° dк=9,5 кбт φо= 36°42'Nλо=4°24,4'W. 00.36 легли на К= 90° МК Малага ИП=319° dк=10,4 мили φо= 36°35'Nλо=4°16,3'W, V= 17 уз. 00.41 К= 90°, V= 17 уз, открылся МК Торрокс ИП=58°. 00.54 Перенесли счисление на карту 9400 МК Малага ИП=303° dк=14,3 м.φо= 36°35'Nλо=4°10'W. 01.05 К= 90°, V= 17 уз, скрылся МК Малага ИП=298°. 01.30 К= 90°, V= 17 уз, тр. л. б. МК Торрокс. 01.52 К= 90°, V= 17 уз, открылся МК Сакратиф ИП=68°. 02.17 К= 90°, V= 17 уз, выход из зоны действия РМК Малага ИП=283°. 02.19 К= 90°, V= 17 уз, скрылся МК Торрокс ИП=302°. 02.52 К= 90°, V= 17 уз, тр. л.б. МК Сакратиф. 03.17 К= 90°, V= 17 уз, открылся МК Адра ИП=53°. 03.52 К= 90°, V= 17 уз, скрылся МК Сакратиф ИП=291°. 03.54 К= 90°, V= 17 уз, открылся МК Сибиналь ИП=73°. 04.03 К= 90°, V= 17 уз, тр. л. б. МК Адра. 04.53 К= 90°, V= 17 уз, скрылся МК Адра ИП=305°. 05.00 К= 90°, V= 17 уз, тр.л. б. МК Сибиналь. 05.12 К= 90°, V= 17 уз, открылся МК Гата ИП=68°. 06.05 К= 90°, V= 17 уз, скрылся МК Сибиналь ИП=289°. 06.12 К= 90°, V= 17 уз, вход в зону действия РМК Эгюий ИП=116°. 06.22 К= 90°, V= 17 уз, открылся МК Месса-де-Рольдан ИП=35°. 06.26 легли на К= 76° т. л. б. МК Гата dк=8,2 мили φо= 36°35'Nλо=2°11'W, V= 17 уз.07.14 Видимый восход Солнца, А=61,9°. 07.30 К= 76°, V= 17 уз, тр. л. б. МК Месса-де-Рольдан. 07.49 К= 76°, V= 17 уз, скрылся МК Гата ИП=276°. 08.40 К= 76°, V= 17 уз, скрылся МК Месса-де-Рольдан ИП=298°. 09.32 К= 76°, V= 17 уз, вход в зону действия РМК Каксин ИП=89°. 09.55 GPS φо= 36°50'Nλо=1°00'W, Перенесли счисление на карту 30105. 11.47 Видимый восход Луны Фаза◐. 15.28 К= 76°, V= 17 уз, выход из зоны действия РМК Эгюий ИП=217°. 17.04 Видимый заход Солнца, А=62,1°.15.01.2003 года. 00.45 Видимый заход ЛуныФаза◐. 07.18 Видимый восход Солнца, А=61,3°. 07.25 К= 76°, V= 17 уз, вход в зону действия РМК Сандало ИП=60°. 08.07 К= 76°, V= 17 уз, выход из зоны действия РМК Каксин ИП=217°. 10.13 К= 76°, V= 17 уз, вход в зону действия РМК Карбонара ИП=68°. 12.00 GPS φо= 38°40'Nλо=8°07'E, Перенесли счисление на карту 5110. 12.19 Видимый восход Луны, Фаза◐. 12.25 К= 76°, V= 17 уз, открылся МК Иль-Торро ИП=35°. 12.56 К= 76°, V= 17 уз, тр. л. б. МК Иль-Торро. 13.16 К= 76°, V= 17 уз, открылся МК Спартивенто ИП=60°. 13.27 К= 76°, V= 17 уз, скрылся МК Иль-Торро ИП=297°. 13.55 К= 76°, V= 17 уз, открылся МК Пула ИП=42°. 14.06 К= 76°, V= 17 уз, тр. л. б. МК Спартивенто. 14.10 К= 76°, V= 17 уз, открылся МК Сант-Элия ИП=28°. 14.39 К= 76°, V= 17 уз, тр. л. б. МК Пула. 14.56 К= 76°, V= 17 уз, скрылся МК Спартивенто ИП=272°. 15.09 К= 76°, V= 17 уз, тр.л.б. МК Сант-Элия. 15.23 К= 76°, V= 17 уз, скрылся МК Пула ИП=290°. 15.35 К= 76°, V= 17 уз, открылся МК Каволи ИП=30°. 16.05 легли на К= 62° тр. л.б. МК Каволи dк=8,5 мили φо= 38°57'Nλо=9°35'E, V= 17 уз. 16.08 К= 62°, V= 17 уз, скрылся МК Сант-Элия ИП=304°. 16.42 К= 62°, V= 17 уз, скрылся МК Каволи ИП=286°. 17.03 Видимый заход Солнца, А=61,7°. 17.26 К= 62°, V= 17 уз, вход в зону действия РМК Устика ИП=97°. 18.22 К= 62°, V= 17 уз, выход из зоны действия РМК Сандало ИП=267°. 18.56 GPS φо= 39°20'Nλо=10°30'E, Перенесли счисление на карту 30399. 22.11 К= 62°, V= 17 уз, выход из зоны действия РМК Карбонара ИП=248°.16.01.2003 года. 01.14 К= 62°, V= 17 уз, вход в зону действия РМК Карена ИП=68°. 01.14 К= 62°, V= 17 уз, вход в зону действия РМК Палинуро ИП=93°. 01.55 Видимый заход Луны, D=9.2д Фаза○. 02.31 GPS φо= 40°17,2'Nλо=13°00'E, Перенесли счисление на карту 32322. 03.48 К= 76°, V= 17 уз, открылся МК Императоре ИП=53°. 04.17 К= 76°, V= 17 уз, открылся МК Карена ИП=88°. 04.46 К= 76°, V= 17 уз, открылся МК Мизено ИП=57°. 04.59 К= 76°, V= 17 уз, открылся МК мыса Санвинченцо ИП=57°. 05.16 К= 76°, V= 17 уз, тр. л. б. МК Императоре. 05.19 К= 76°, V= 17 уз, скрылся МК Императоре ИП=345°. 05.29 К= 76°, V= 17 уз, открылся МК м. гавани Искья ИП=0°. 05.30 К= 76°, V= 17 уз, открылся МК Пирса ИП=53°. 05.33 К= 76°, V= 17 уз, тр. л. б. МК м. гавани Искья. 05.43 К= 76°, V= 17 уз, открылся МК Торе-дель-Греко ИП=74°. 05.48 К= 76°, V= 17 уз, тр. п. б. МК Карена. 05.56 К= 76°, V= 17 уз, траверз левого борта МК Мизено. 06.06 К= 76°, V= 17 уз, скрылся МК Карена ИП=174°. 06.09 К= 76°, V= 17 уз, траверз левого борта МК Пирса. 06.12 Перенесли счисление на карту 35379МК Пирса ИП=304° dк=2 мили φо= 40°46,9'Nλо=14°12'E. 06.33 легли на К= 288° МК м. Санвинченцо ИП=278° dк=0,6 м. φо= 40°49,8'Nλо=14°17,2''W, V= 6 уз, прошли 0,5 кбт. Взяли на борт лоцмана. Прибыли в порт Неаполь.
2.6 Расчет плавания по ДБК
Когда трасса предстоящего плавания включает в себя океанский переход, влияние погоды и состояние моря приобретают особо важное и нередко основное значение при выборе наивыгоднейшего пути судна. При осуществлении такого выбора возникает потребность удовлетворить самые разные запросы: переход должен быть безопасным, экономичным, протекать в желаемые сроки и при наиболее благоприятных внешних условиях. Наивыгоднейший путь судна из одной точки земной поверхности в другую совпадает с кратчайшим расстоянием между этими точками, то есть с дугой большого круга (ДБК). Трудность заключается в том, что на применяемых для целей судовождения, меркаторских картах ортодромия в виде прямой линии не изображается. На них для прокладки удобнее использовать локсодромию. Вычислим длину локсодромии и ортодромии между двумя точками - Фримантл (φн = 32°03' S; λн = 115°47' Е) и Кейптаун (φк = 33°56' S; λк = 18°26' Е) с временем выхода 14.01.2003.
Расчет разности длин локсодромии и ортодромии. Целесообразность плавания по дуге большого круга (ортодромии) определяется разностью S—D, где S — длина локсодромии и D— длина ортодромии. Если эта разность значительная и выигрыш в продолжительности перехода составляет десятки часов, то плавание по ортодромии считается выгодным. Решение задач выполняют с использованием таблиц МТ-75 или ЭКВМ.
Для вычисления S служит формула
S= РШ sec К, (2.6.1)
где РШ — разность широт начального (φн ) и конечного (φк ) пунктов;
К — локсодромический курс между пунктами плавания, причем
tgK = РД / РМЧ (2.6.2)
(здесь РД — разность долгот начального (λн ) и конечного (λк ) пунктов, РМЧ — разность меридиональных частей этих пунктов).
РШ = φк - φн = 33°56' S - 32°03' S = - 1°53' (113')
РД = λк - λн = 18°26' Е - 115°47' Е = - 97°21' ( - 5841')
В нашем случае РШ мала, в этом случае рекомендуется вычислять S по формуле
S = ОТШ cosec К. (2.6.3)
Для нахождения ОТШ и К используют формулы:
ОТШ= РД соs. φср ; (2.6.4)
tgK = ОТШ / РШ. (2.6.5)
Вычислим:
ОТШ= -5841' соs. 32.98°' S =
= -5841' 0,84 = -4899,8',
tg (K-180) = -4899,8' / -113' = 43,4'
K = 268,7°
S = 4899,8' cosec 268,7° = 4901,1 мили.
Длину ортодромии Dвычисляют по формуле
cosD = sinφн sinφк + cosφн cosφк cos РД. (2.6.6)
При анализе формулы 2.6.6на знаки принимаются условия, приведенные ниже:
Таб.1
| Обозначение | Название | Условие | Знаки | |
| sin | cos | |||
| φ | Широта | N S |
+ — |
+ + |
| РД | Разность долгот | РД<90° РД>90° |
+ — |
|
По логарифмам тригонометрических функций взятых из МТ – 75, при учете знака как указано в таб.1. вычисляем:
φн φк РД |
32° 03' S 33° 56' S 97° 21' E (82° 39') |
+ sin + sin — |
9.72482 9.74681 — |
+ cos + cos — cos |
9.92818 9.91891 9.10697 |
|
| + I А.Г. | 9.47163 0.51757 |
— II β |
8.95406 9.84280 |
|||
cosD D |
9.31443 78°5.8' = 4685.8 мили |
|||||
Определение разности: S — D = 4901,1 — 4685.8 = 215.3 мили. Таким образом, длина ортодромии оказалась меньше длины локсодромии на 215.3 миль. Если учесть что скорость судна 17 уз, то выигрыш в продолжительности перехода будет свыше 12 ч.
2.7 Расчет координат промежуточных точек ортодромии

Для прокладке на меркаторской карте дуги большого круга по промежуточным точкам существует ряд методов. Рассмотрим один из них, основанный на использовании таблиц помещенных в МТ-75.
Предположим что необходимо нанести на карту ортодромию, соединяющую точки А и В (рис.2.7.1). найдем вначале уравнение дуги большого круга, связывающее текущие координаты точки М(φ;λ) с параметрами λо и Ко .
Из прямоугольного сферического треугольника OFM имеем:
tgφ= sin(λ - λ0 ) ctgK0 , (2.7.1)
где φ и λ – текущие координаты произвольной точки дуги большого круга, соединяющей пункты А и В; λ0 – долгота точки пересечения дуги большого круга с экватором; K0 – угол между меридианом и дугой большого круга в этой точке.
Задаваясь долготой по формуле 2.7.1 можно найти широту промежуточной точки или, задаваясь ее широтой рассчитать долготу.
Из формулы 2.7.1: sin(λ - λ0 ) = tgφtgK0 (2.7.2)
По формулам 2.7.1 и 2.7.2 составлены таблицы в МТ, которые значительно упрощают расчеты. Чтобы воспользоваться таблицами, нужно предварительно найти параметры K0 и λ0 . Из прямоугольных сферических треугольников OAR и OBT имеем:
tgφ1 = ctgK0 sin(λ1 - λ0 ) (2.7.3)
tgφ2 = ctgK0 sin(λ2 - λ0 )
где φ1 и λ1 – известные координаты точки А; φ2 и λ2 – координаты точки В.
Для определения λ0 найдем из формулы 2.7.3 отношение разности широт к их сумме:
tgφ2 - tgφ1 sin(λ2 - λ0 ) - (λ1 - λ0 ) 2 cos((λ1 + λ2 ) / 2 - λ0 ) cos((λ2 - λ0 ) /2)
—————— = —————————— = ——————————— =
tgφ1 + tgφ2 sin(λ2 - λ0 ) + (λ1 - λ0 ) 2 sin(((λ1 + λ2 ) / 2 - λ0 ) sin ((λ2 - λ0 ) /2)
= ctg(((λ1 + λ2 ) / 2 - λ0 ) sin ((λ2 - λ0 ) /2).
Кроме того, для этого отношения можно получить и другое выражение:
tgφ2 - tgφ1 sin(φ2 - φ1 )
————— = —————
tgφ1 + tgφ2 sin(φ2 + φ1 )
приравнивая оба выражения получим формулу для расчета λ0
(2.7.4)
После определения по формуле 2.7.4 из любого соотношения 2.7.3 можно найти K0 .
При расчете сумм и разностей широт и долгот, входящих в формулу 2.7.3, следует обратить внимание на наименования географических координат, учитывая их знаки. Можно все долготы считать по часовой стрелке, как остовые от 0 до 360°. Так как дуга большого круга пересекает экватор в двух точках, то формула 2.7.4 даст два значения λ0 , отличающихся друг от друга на 180°.
Из практических соображений достаточно вычислить промежуточные точки через 10° долготы (широты). Курс в любой точке ортодромии можно получить по формуле, которую можно получить из прямоугольного сферического треугольникаOFM:
tgK = tg (λ - λ0 ) cosecφ (2.7.5)
Па практике, когда дуга большого круга по промежуточным точкам нанесена на карту и заменена отрезками локсодромии (хорд), курс на каждом отрезке снимают транспортиром.
Чтобы определить количество промежуточных точек, которые нужно наносить, и допустимую длину отрезков локсодромий, следует поступить следующим образом. По формулы приближенной для ортодромической поправки:
S - D
Δ% = ——— *100 = 0.0048 Ψ° (2.7.6)
D
По формуле 2.7.6 составлена таб.1, из которой по найденному значению ортодромической поправки можно найти приближенное значение Δ%.
Таб. 2.7.1
| Ψ° | % | Ψ° | % |
| 5° | 0,1 | 30° | 4,3 |
| 10° | 0,5 | 40° | 7,7 |
| 20° | 1,9 | 50° | 7,7 |
Как видно из таб.2.7.1, плавание по дуге большого круга дает заметное сокращение расстояния (0,5 и больше), только начиная со значения Ψ=10°.
Из приближенной формулы для ортодромической поправки, полагая Ψ=5°, найдем допустимую разность долгот между промежуточными точками
РД = 10° / sinφ. (2.7.7)
Следовательно, обычно принимаемый интервал РД(РШ) = 10° для вычисления промежуточных точек вполне достаточен. Изменение курсов в промежуточных точках при плавании по отрезкам локсодромий будет определено принятой разностью долгот.
K1 – K2 ≈ 2Ψ≈ РД sinφср
Вычисляем:
По формуле 2.7.4 находим λ0 ,точки в которых дуга большого круга пересекает экватор.
tg(67.1° - λ0 ) = tg(-48.7°) sin(-65.9°) cosec(-1.9°)
λ0 = 155°17.8'
Следовательно, дуга большого круга пересекает экватор в двух точках:
λ0 = 155°17.8' и λ0 = 335°17.8'.
По формуле 2.7.3 находим K0 , угол между меридианом и дугой большого круга в точке λ0 :
tg K0 = sin(115,8° - 155,3°) сtg 32,1°
K0 = 45°27,7
Так как дуга большого круга в данной задаче по направлению близка к параллели, целесообразно задаться долготой промежуточных точек и находить их широту по формуле 2.7.1 и результаты сводим в таблицу 2.7.2
| λi | φi | |||
| Порт Фримантл | 115° | 47' | -32° | -3 |
| 105° | 47' | -36° | -48,7 | |
| 95° | 47' | -40° | -17,8 | |
| 85° | 47' | -42° | -40,2 | |
| 75° | 47' | -44° | -3,4 | |
| 65° | 47' | -44° | -32,2 | |
| 55° | 47' | -44° | -8,5 | |
| 45° | 47' | -42° | -50,8 | |
| 35° | 47' | -40° | -34,5 | |
| 25° | 47' | -37° | -12,2 | |
| Порт Кейптаун | 18° | 26' | -33° | -56 |
2.8 Оценка целесообразности плавания по ДБК
Скорость судна при полной загрузке
Суточные эксплуатационные расходы
Суточный расход топлива
Стоимость 1т топлива
Длинна локсодромии, S
Длинна ортодромии, D
17 узлов
5020$
30 тонн
260$
4901,1миль
4685,8миль
Когда трасса предстоящего плавания включает в себя океанский переход, влияние погоды и состояние моря приобретают особо важное и нередко основное значение при выборе экономически выгодного пути судна. При осуществлении такого выбора возникает потребность удовлетворить самые разные запросы: переход должен быть безопасным, экономичным, протекать в желаемые сроки и при наиболее благоприятных внешних условиях. Наивыгоднейший путь судна из одной точки земной поверхности в другую совпадает с кратчайшим расстоянием между этими точками, то есть с дугой большого круга (ДБК). Целесообразность плавания по дуге большого круга (ортодромии) определяется разностью S—D, где S — длина локсодромии и D— длина ортодромии. Если эта разность значительная и выигрыш в продолжительности перехода составляет десятки часов, то плавание по ортодромии считается выгодным.
Расчет разности времени и длин локсодромии и ортодромии.
Все экономические аспекты плавания прямо или косвенно зависят от времени, следовательно экономический эффект тоже. Вычислим выигранное время при плавании по ДБК против локсодромии.
Определим разность S — D = 4901,1 — 4685.8 = 215.3 мили. Таким образом, длина ортодромии оказалась меньше длины локсодромии на 215.3 миль. Если учесть что скорость судна 17 уз, то выигрыш в продолжительности перехода будет свыше 12 ч.
Расчет расхода топлива за выигранное время.
Расход топлива за 24 часа составляет 30 тонн, выигрыш времени при плавании по ортодромии – 12 часов. Следовательно за это время при плавании по локсодромии было бы расходовано 16 тонн топлива.
Экономический эффект при плавании по ДБК.
Эксплуатационные расходы судна за 24 часа составляют 5020$, за 12 часов они составят 2649$. Одна тонна топлива стоит 260$, судно за 12 часов расходует 16 тонн, следовательно судно за 12 часов расходует топлива на сумму 4116$.
Суммируем эти расходы и получаем экономический выигрыш в $:
2649$ + 4116$ = 6765$
Итого экономический выигрыш при плавании по ортодромии составляет 6765$
2.9 Расчет рамки и сетки карты графического плана переход
Результаты всей предыдущей работы по навигационному проектированию переоформляем в виде графического плана перехода на двух листах формата А-1. Первый из листов охватывает в мелком масштабе (1:2000000) весь переход (от порта Малага до порта Неаполь), а второй – крупномасштабный () сложный участок перехода.
Для построения графического плана перехода рассчитываем и вычерчиваем меркаторскую сетку района, проставляя деление с оцифровкой.
На эту сетку по картам наносим контуры берегов по ближайшему намеченному маршруту. По их координатам наносим маяки, радиомаяки, станции РНС и обозначая их как на картах, надписывая рядом их характеристики. Изображаем границы запретных районов, якорных стоянок и зон разделения движения.
По координатам поворотных точек на сетку-план перехода наносим намеченный путь судна и у каждого участка подписываем курс (К), плавание (S) и скорость (V). Поперечными засечками намечаем на линии пути места восхода и захода Солнца, надписывая расчеты судового времени явления. Аналогично обозначаем восход и заход луны, обозначая значком ее фазу.
Дугами окружности пересекающих линию пути судна, на плане показываем дальности видимости маяков для своей высоты глаза, а в ночное время их огней. На крупномасштабном плане выделенного сложного участка дополнительно отмечаем пеленги ожидаемого закрытия и открытия маяков. Аналогичным способом изображаем радиопеленги при входе в зону действия радиомаяков. Со схемы рабочих зон РНС по нескольким точкам переносим на план перехода в полосе вдоль маршрута отрезки изолиний точности обсервации.
Построение меркаторской карты начинается с вычисления единицы карты. Если при построении карты масштаб определяется таким условием, чтобы на карту поместился заданный район, то единица карты может быть рассчитана делением длинны горизонтальной рамки карты на РД между крайними меридианами, выраженную в минутах.
Длинна горизонтальной и вертикальной рамки карты вычисляются по формуле:
а = е * (λe - λw ), (2.9.1)
b = е * (Dn - Ds ),
а еденица карты по формуле:
е = Ро /Со , (2.9.2)
где Ро - длинна одной минуты главной параллели в миллиметрах, Со – знаменатель масштаба по главной параллели.
Определяем единицу карты по главной параллели 40°.
λe = 14°30'Е; λw = 4°30'W$
φn = 43°00'N; φs = 35°00' N
Ро = 1423255; Со = 2000000
е = 0,7116,
Меридианы и параллели будем проводить через 1°, меридиональные части выбираем из таблиц МТ-75. Рассчитаем точно длину горизонтальной и вертикальной рамок карты по формуле 2.9.1:
а = 811,26 мм,
b = 438,58 мм.
Расстояния от рамок карты до параллелей и меридианов рассчитываем по формулам:
bi = e * (Di - Ds ), (2.9.3)
ai = e * (λί - λw ),
Расчет для меридианов
| Меридиан | 4°W | 3°W | 2°W | 1°W | 0° | 1°E | 2°E | 3°E | 4°E | 5°E |
| λ зад. | -240 | -180 | -120 | -60 | 0 | 60 | 120 | 180 | 240 | 300 |
| λ w | -270 | -270 | -270 | -270 | -270 | -270 | -270 | -270 | -270 | -270 |
| λ зад .-λ w | 30 | 90 | 150 | 210 | 270 | 330 | 390 | 450 | 510 | 570 |
| e | 0,7116 | 0,7116 | 0,7116 | 0,7116 | 0,7116 | 0,7116 | 0,7116 | 0,7116 | 0,7116 | 0,7116 |
| 21,349 | 64,046 | 106,74 | 149,44 | 192,14 | 234,84 | 277,53 | 320,23 | 362,93 | 405,63 | |
| Меридиан | 6°E | 7°E | 8°E | 9°E | 10°E | 11°E | 12°E | 13°E | 14°E | 14,5°E |
| λ зад. | 360 | 420 | 480 | 540 | 600 | 660 | 720 | 780 | 840 | 870 |
| λ w | -270 | -270 | -270 | -270 | -270 | -270 | -270 | -270 | -270 | -270 |
| λ зад. -λ w | 630 | 690 | 750 | 810 | 870 | 930 | 990 | 1050 | 1110 | 1140 |
| e | 0,7116 | 0,7116 | 0,7116 | 0,7116 | 0,7116 | 0,7116 | 0,7116 | 0,7116 | 0,7116 | 0,7116 |
| 448,33 | 491,02 | 533,72 | 576,42 | 619,12 | 661,81 | 704,51 | 747,21 | 789,91 | 811,26 | |
| Расчёт от восточной рамки карты | ||||||||||
| Меридиан | 14°E | 13°E | 12°E | 11°E | 10°E | 9°E | 8°E | 7°E | 6°E | 5°E |
| λ Ost | 870 | 870 | 870 | 870 | 870 | 870 | 870 | 870 | 870 | 870 |
| λ зад. | 840 | 780 | 720 | 660 | 600 | 540 | 480 | 420 | 360 | 300 |
| λOst - λзад . | 30 | 90 | 150 | 210 | 270 | 330 | 390 | 450 | 510 | 570 |
| e | 0,7116 | 0,7116 | 0,7116 | 0,7116 | 0,7116 | 0,7116 | 0,7116 | 0,7116 | 0,7116 | 0,7116 |
| 21,349 | 64,046 | 106,74 | 149,44 | 192,14 | 234,84 | 277,53 | 320,23 | 362,93 | 405,63 | |
| Меридиан | 4°E | 3°E | 2°E | 1°E | 0° | 1°W | 2°W | 3°W | 4°W | 4,5°W |
| λ Ost | 870 | 870 | 870 | 870 | 870 | 870 | 870 | 870 | 870 | 870 |
| λ зад. | 240 | 180 | 120 | 60 | 0 | -60 | -120 | -180 | -240 | -270 |
| λOst -λзад . | 630 | 690 | 750 | 810 | 870 | 930 | 990 | 1050 | 1110 | 1140 |
| e | 0,7116 | 0,7116 | 0,7116 | 0,7116 | 0,7116 | 0,7116 | 0,7116 | 0,7116 | 0,7116 | 0,7116 |
| 448,33 | 491,02 | 533,72 | 576,42 | 619,12 | 661,81 | 704,51 | 747,21 | 789,91 | 811,26 | |
Расчет для параллелей
| Широта | 36° | 37° | 38° | 39° | 40° | 41° | 42° |
| D зад . | 2304,5 | 2378,8 | 2454,1 | 2530,4 | 2607,9 | 2686,5 | 2766,3 |
| D s | 2231,1 | 2231,1 | 2231,1 | 2231,1 | 2231,1 | 2231,1 | 2231,1 |
| D зад .- D s | 73,4 | 147,7 | 223 | 299,3 | 376,8 | 455,4 | 535,2 |
| e | 0,711628 | 0,711628 | 0,711628 | 0,711628 | 0,711628 | 0,711628 | 0,7116275 |
| 52,23346 | 105,1074 | 158,6929 | 212,9901 | 268,1412 | 324,0752 | 380,86304 | |
| Расчёт от северной рамки карты | |||||||
| Широта | 36° | 37° | 38° | 39° | 40° | 41° | 42° |
| D n | 2847,4 | 2847,4 | 2847,4 | 2847,4 | 2847,4 | 2847,4 | 2847,4 |
| D зад . | 2304,5 | 2378,8 | 2454,1 | 2530,4 | 2607,9 | 2686,5 | 2766,3 |
| D n -D зад . | 542,9 | 468,6 | 393,3 | 317 | 239,5 | 160,9 | 81,1 |
| e | 0,711628 | 0,711628 | 0,711628 | 0,711628 | 0,711628 | 0,711628 | 0,7116275 |
| 386,3426 | 333,4686 | 279,8831 | 225,5859 | 170,4348 | 114,5009 | 57,71299 | |
| Контроль | 438,576 | 438,576 | 438,576 | 438,576 | 438,576 | 438,576 | 438,57603 |
По полученным данным (мм) вычерчиваем рамку карты и сетку параллелей и меридианов.
2.10 Таблица выполненной корректуры
Одним из основных условий, определяющим достоверность карт и руководств для плавания является соответствие их реальной обстановке. Многие элементы местности, изображённые на карте и описанные в руководстве остаются неизменными. Часть изменений происходит сравнительно медленно, а часть настолько быстро, что исправления необходимы не только во время использования карты или книги, но даже в процессе их составления.
Корректура состоит из широкого комплекса специальных работ, которые начинаются с регистрации изменений, происходящих на местности и заканчиваются нанесением информации на карты и руководства для плавания.
Корректурой карт и книг называют систематические исправления и дополнения их содержания для поддержания на современном уровне.
Для корректуры служат печатные извещения мореплавателям ИМ и навигационные предупреждения, передаваемые по радио.
ИМ ГУНиО издают еженедельно со сквозной нумерацией за год. Среди таких ИМ особое значение имеет ИМ1, который содержит правовые сведения о режимах плавания, таможенном контроле и т.п. Все последующие выпуски ИМ состоят из пяти разделов: 1)общая информация; 2)корректура карт; 3)корректура книг; 4)корректура "Каталога карт и книг", 5)действующие навигационные предупреждения НАВИП, переданные ранее по радио.
В конце выпуска ИМ приводится также тексты НАИП за последнюю неделю. Разделы ИМ 2-4 состоят из отдельных конкретных извещений, имеющих сводную информацию за год.
Всемирная служба навигационных предупреждений совместно с Международной гидрографической организацией и ИМО организовала систему срочной передачи по радио навигационных предупреждений НАВАРЕА. В этой системе Мировой океан разделён на 16 районов, закреплённых за координаторами по сбору и передаче информации. Районы эти делятся еще на подрайоны числом от 1 до 9 для обеспечения оперативности работы. Все НАВАРЕА имеют свою нумерацию в течение года и передаются по радио не менее чем на 700 миль дважды в сутки на протяжении 35-40 дней или до их отмены.
Кроме того, навигационные координаты четырежды в сутки передают по радио на расстоянии 100 миль на английском и национальном языках прибережные предупреждения ПРИП.
Для корректуры карт судовая коллекция карт и книг делится на три группы.
1) на предстоящий рейс (переход) ; 2) на возможные отклонения от маршрута и 3) все остальные Карты и книги первой группы должны быть откорректированы до отхода судна, а если это невозможно, то, с ведома капитана, на первые трое суток плавания. Вторую группу корректируют после завершения корректуры первой, а третью - при необходимости. Корректуру первой группы по радиопредупреждениям выполняют немедленно. Корректуру начинают с последних номеров ИМ. Для обеспечения подбора корректурных документов и предотвращения пропусков пользуются нумерниками, которые ГУНиО издаёт дважды в год. В этих нумерниках для каждой карты и книги в порядке возрастания их адмиралтейских номеров перечислены номера ИМ, по которым эта карта или книга должна быть откорректирована. Дополнительный контроль полноты корректуры, осуществляют при подборе карт на переход.
2.11 Таблица номеров извещения мореплавателям на переход
| 3.6 Номера извещений мореплавателям | 48 | 9090 | ||||||
| 46 | 8712 | 8712 | 8716 | |||||
| 45 | 8505 | |||||||
| 44 | ||||||||
| 43 | 8095 | |||||||
| 42 | ||||||||
| 41 | 7680 | 7680 | ||||||
| 39 | 7386 | |||||||
| 35 | ||||||||
| 34 | 6479 | |||||||
| 30 | ||||||||
| 29 | ||||||||
| 25 | 4125 | 4718 | ||||||
| 22 | 4720 | |||||||
| 21 | ||||||||
| 20 | ||||||||
| 19 | ||||||||
| 18 | ||||||||
| 17 | 354 | |||||||
| Адмиралтейский номер карты | 39330 | 36330 | 31041 | 30105 | 5110 | 30399 | 32322 | |
2.12 Оценка точности места судна
При подготовке к предстоящему рейсу целесообразно построить на картах сетки изолиний навигационных параметров. Использование таких сеток изолиний параметров во время плавания позволяет получать обсервованные точки сразу же после измерения параметров, выполняя на карте графическую интерполяцию «на глаз». Навигационная безопасность обеспечивается счислением и обсервациями только учетом их точности. В учебниках и пособиях для судоводителей точность мест традиционно оценивается его средней квадратической ( называется также «круговой» или «радиальной») погрешностьюμ,.а в необходимых случаях расчетов и построение эллипсов погрешностей. Однако стандартом точности ИМО для оценки точности текущего места судна принята 95%-ная фигура погрешностей. Этому требованию практически удовлетворяет круг радиусом R=2M. Точность любых обсерваций зависит от точности измерений навигационных параметров и геометрического фактора, который выражает расположение места относительно ориентиров.
Изолинии точности определения места - линии постоянных значений кругов (в частности 95%-го) погрешностей. Определения рекомендуется строить заранее при подъеме карт, что позволяет наиболее быстро оценивать точность обсерваций в плавании. На приложении 2 подходы к порту Неаполь, имеется волнолом Дука дельи-Абруцци, и в 0,9 мили от него в Ost, еще один волнолом Эмануэле Филиберто-Дука-д-Аоста Светящие знаки волноломов соединяем одной линией и к ее середине восстанавливаем перпендикуляр, и строим линии по направлениям 30, 60, 120, 150. Находим Rmin по формуле.
Rmin = 0,32 * D * m˚л (2.12.1)
где D – база в милях; расстояние между объектами 0,9 мили.
m˚л = 0,7˚ - погрешность в пеленговании, принимаем по НШС.
Подставляя значения в формулу получим:
Rmin = 0,32 * 0,9 * 0,7˚ = 0,2 кбт
Радиус круга 95%-ой погрешности определяем по формуле:
(2.12.2)
где: D1 = 0,75 мили расстояние до светящего знака волнолома Дука-дельи-Абруцци;
D2 = 0,92 мили расстояние до светящего знака. волнолома Эмануэле-Филиберто-Дука-д-Аоста;
D = 0,9 расстояние между светящими знаками;
θ= 63° угол между линиями пеленгов на ориентир.
![]()
Для построения изолиний точности обсервации рассчитывается таблица значений Rвіз зависящих от коэффициента μ.
![]()
| θ | μ | |||||||||
| 3 | 1,2 | 1,05 | 1 | 1,05 | 1,2 | 1,5 | 2 | 2,5 | 3,0 | |
| 30˚(150˚) | 0,13 | 0,35 | - | - | - | 0,61 | 0,73 | 0,88 | 1,00 | 1,12 |
| 60˚(120˚) | 0,08 | 0,26 | 0,36 | - | 0,55 | 0,69 | 0,87 | 1,10 | 1,28 | 1,43 |
| 90˚ | 0,07 | 0,24 | 0,33 | 0,46 | 0,60 | 0,77 | 0,96 | 1,17 | 1,36 | 1,53 |
Оценка точности по пеленгу и радиолокационному расстоянию определяется по формуле:
(2.12.3)
где:
= 1˚ точность пеленгования в градусах;
mд = 0,6 точность определения дистанции;
∆н – точность нанесения на карту;
в расчетах ∆н = 0
| № п/п | D | 2m2 р1 mр1 = 0,6 | √∆2 н | μ | |
| 1 | 2 | 0,0005969 | 0,72 | 0 | 0,85 |
| 2 | 4 | 0,0005969 | 0,72 | 0 | 0,86 |
| 3 | 6 | 0,0005969 | 0,72 | 0 | 0,86 |
| 4 | 8 | 0,0005969 | 0,72 | 0 | 0,87 |
| 5 | 9 | 0,0005969 | 0,72 | 0 | 0,875 |
| 6 | 10 | 0,0005969 | 0,72 | 0 | 0,88 |
| 7 | 11 | 0,0005969 | 0,72 | 0 | 0,89 |
| 8 | 12 | 0,0005969 | 0,72 | 0 | 0,90 |
| 9 | 14 | 0,0005969 | 0,72 | 0 | 0,91 |
| 10 | 16 | 0,0005969 | 0,72 | 0 | 0,93 |
| 11 | 18 | 0,0005969 | 0,72 | 0 | 0,96 |
| 12 | 20 | 0,0005969 | 0,72 | 0 | 0,98 |
| 13 | 22 | 0,0005969 | 0,72 | 0 | 1,00 |
| 14 | 24 | 0,0005969 | 0,72 | 0 | 1,03 |
| 15 | 26 | 0,0005969 | 0,72 | 0 | 1,06 |
| 16 | 28 | 0,0005969 | 0,72 | 0 | 1,09 |
| 17 | 30 | 0,0005969 | 0,72 | 0 | 1,12 |
Ели путь судна преопределен навигационно-гидрографическими условиями, то наглядное суждение о точности всех возможных обсерваций вдоль такого пути дают маршрутные графики. Расчет и построение графика выполняем для сложного участка перехода.
2.13 Оценка навигационной безопасности
Основным показателем навигационной безопасности является вероятность P отсутствия навигационного происшествия (аварии) в течении перехода. К случаям навигационных происшествий относят все случаи касания судном грунта вследствие ошибок выбора пути и проводки по нему судна. Такие аварии и происшествия происходят при ΔD расстояния D до ближайшей опасности равно этому расстоянию и направлено в ту же сторону.
В этом случае границей навигационной безопасности будут считать изобату с глубиной Н, равной осадке судна Т. Краткое расстояние D между судном и опасностью известно по результатам обсерваций и счисления с некоторыми погрешностями. Когда суммарное значение этих погрешностей таково, что действительное расстояние до опасности оказывается равным нулю, происходит авария. Следовательно вероятность P такого события зависит от расстояния D и его погрешности ΔD с которой известно это расстояние, ΔD в свою очередь зависит от погрешностей места судна (dмс ) и положения опасности (dпо) вдоль соединяющей их линии:
(2.13.1)
dмс - СКП положения места судна;
dп o - СКП положения опасности вдоль линии соединяющей ее с местом судна.
Значение dмс равно проекции эллипса погрешностей места судна в момент кратчайшего сближения на линию соединяющую опасность и судно
dмс 2 = α2 sin2 ψ+ b2 cos2 ψ; (2.13.2)
где:
а и b - характерные полуоси эллипса погрешностей;
ψ- угол между направлением движения и осью эллипса.
При работе с крупномасштабными картами, когда судно проходит вблизи опасностей, следует учитывать так же изменение глубины (СКП) mн и расчетной высоты прилива mh , которые переводятся в плановые погрешности независимо от угла наклона β морского дна. Так как перечисленные погрешности независимы, то:
d2 по = d2 k + (mн 2 + mh 2 + mt 2 ) * ctgβ ; (2.13.3)
где-mt- погрешность осадки судна.
Таким образом по данным формулам оцениваем СКП ΔD.
Определим наиболее опасное место судна на траверзе и Dкр (кратчайшее до него расстояние). На этом участке по данным маршрутного графика выбираем способ обсервации и рассчитываем R -показатель навигационной безопасности. Дальнейшие расчеты показателя навигационной безопасности зависят от вида функции распределения погрешностей Ф(У), где У нормативное расстояние до опасности по нормали к линии пути.
Нормированная величина расстояния:
У=D / ΔD; (2.13.4)
Более объективные и безопасные оценки дает использование распределения погрешностей по закону экспоненциального распределения вероятности Лапласа, поэтому в расчетах используем таблицу распределения Лапласа. Вероятность Р рассчитывается по формуле:
Р = 2 * Ф (У) –1. (2.13.5)
Для оценки навигационной безопасности надо вычислить ΔD, затем в зависимости от намечаемого расстояния D найти по формуле величину У и выбрать из таблицы 2.13.1, получить искомую вероятность Р=Ф(У), характеризующую надёжность навигации. Точность счисления характеризуется следующими СКП: mk =2° ;mкт =10°;mv т =: 0.3 узла.
Масштаб карты 1:20 000, чему соответствует погрешность планового положения глубин dпл=7.2 м. Измерения на карте вдоль линии кратчайшего сближения судна с опасностью расстояние между 10-20 метровыми изобатами т=2кб. Точность глубин и осадки будет характеризоваться СКП mн =0.2 м; mh=0.7м;mt=0.5м. Требуется определить вероятность того, что судно благополучно минует опасность, если следующая обсервация будет через 5 минут. Если курс проложен в 0,5 кб от опасности, то распределение вероятности по Лапласу будет иметь значение У=D/ΔD. У=0,5/0,2=2,5. Для У= 2.5 из таблицы 1-б МТ-75 Ф(У)=0.988. По формуле 2.13.5 находим Р= 2 * 0.988 – 1= 0.976. Проанализировав вероятность Р=0.976 видно, что при многократном повторении таких же условий судно будет 24 раза из 1000 проходов садиться на мель. Для уменьшения вероятности посадки на мель при проходе узкости необходимо более часто брать обсервации.
Заключение
В настоящем курсовом проекте выполнена полная проработка перехода Малага - Неаполь. Произведен подбор карт, руководств и пособий на переход, выполнена предварительная прокладка (после изучения района плавания), выполнен расчет естественной освещенности на переходе, рассчитан графики приливов в портах Фримантл на сутки отхода и Кейптаун на сутки прихода, выполнен сравнительный расчет локсодромии и ортодромии, расчет промежуточных точек для ортодромии, проведена оценка целесообразности плавания по ДБК. Также был выполнен расчет: сетки изолиний точности при определении по двум визуальным ориентирам, маршрутного графика точности для прохода сложного участка, а также вероятность безопасного прохода при плавании в близи опасности, оценен экономический эффект рейса. В целом выполненная проработка заданного перехода обеспечивает необходимую безопасность мореплавания.
Список использованных источников
1. Устав службы на судах Министерства морского флота Союза ССР. - М. : Рекла-минформбюро, 1976. - 224 с.
2. Рекомендации по организации штурманской службы (РШС-89). - Μ.: п/ο "Морте-хинформреклама", 1990. - 64 с.
3. Ермолаев Г.Г. Морская лоция. - 4-е изд. - М.:Транспорт, 1982. - 392 с.
4. Лесков М.М., Баранов Ю.К., Гаврюк М.И. Навигация. 2-е изд. - М.: Транспорт, 1986. - 360 с.
5. Кондрашихин В.Т. Определение места судна. - М.:Транспорт, 1981. - 206 с.
6. Штурман флота: Справочник по кораблевождению / В. И. Каманин, А. В. Лаврентьев, Р. А. Скубко под ред. А. Н. Мотрохова. - М.: Воениздат, 1986. - 539 с.
7. Справочник судоводителя по навигационной безопасности мореплавания / В. Т. Кондрашихин, Б. В. Берлинских, А. С. Чальцев, Л. А. Козырь. - Одесса: Маяк, 1990. -168 с.
8. Ермолаев Г. Г. Судовождение в морях с приливами. - 2-е изд. -М.: Транспорт, 1986 - 160 с.
9. Общие положения об установлении путей движения судов ММФ СССР. - Л.: ГУ-НиО, 1981.-24 с.
10. Океанские пути мира / ММФ СССР. - Л.: ГУНиО, 1958. - 204 с.
11. Красавцев Б.И. Мореходная астрономия.-3-е изд. -М. транспорт, 1986. - 255 с.
12. Ляльков Э.П. Васин А.Г. Навигация 1981г.
Похожие рефераты:
Навигационный проект перехода судна типа "Днепр", по маршруту порт Херсон – порт Кальяри
Навигационный проект перехода судна типа "Сормовский" по маршруту "Евпатория – Алжир"
Навигационный проект перехода судна типа "Десна" по маршруту порт Керчь – порт Кальяри
Навигационный проект перехода судна типа "Буг" по маршруту порт "Феодосия – порт Палермо"
Навигационный проект перехода судна типа "Днепр" по маршруту порт Сочи – порт Монфальконе
Навигационный проект перехода судна типа "Сормовский" по маршруту порт Ялта – порт Неаполь
Навигационный проект перехода судна типа "Сормовский" по маршруту порт Ялта – порт Бриндизи
Навигационный проект перехода судна типа УПС "Святая Ольга", по маршруту порт Туапсе – порт Дуресс
