| Похожие рефераты | Скачать .docx |
Реферат: Электропривод подъемного механизма крана
АННОТАЦИЯ
Лагутин Д.В. Электропривод подъемного механизма крана
В работе приведен выбор схемы электропривода подъемного механизма крана, выбран и проверен двигатель, а также силовые элементы. Исследованы статические и динамические свойства системы и рассчитаны энергетические показатели за цикл работы привода.
Страниц 50, рисунков 15.
ВВЕДЕНИЕ
Рассматривая все многообразие современных производственных процессов, в каждом конкретном производстве можно выделить ряд операций, характер которых является общим для различных отраслей народного хозяйства. К их числу относятся доставка сырья и полуфабрикатов к истокам технологических процессов и межоперационные перемещения изделий в процессе обработки, погрузочно-разгрузочные работы на складах, железнодорожных станциях и т. д.
Механизмы, выполняющие подобные операции, как правило, универсальны и имеют общепромышленное применение, в связи, с чем и называются общепромышленными механизмами. Общепромышленные механизмы играют в народном хозяйстве страны важную роль.
На промышленных предприятиях наиболее распространенным и универсальным подъемно-транспортным устройством является кран, основным механизмом которого является механизм подъема, который снабжается индивидуальным электроприводом.
Основные механизмы таких установок, как правило, имеют реверсивный электропривод, рассчитанный для работы в повторно-кратковременном режиме. В каждом рабочем цикле имеют место неустановившиеся режимы работы электропривода: пуски, реверсы, торможения, оказывающие существенное влияние на производительность механизма, на КПД установки и на ряд других факторов. Все эти условия предъявляют к электроприводу сложные требования в отношении надежности и безопасности. От технического совершенства электроприводов в значительной степени зависят производительность, надежность работы, простота обслуживания. Кран позволяет избавить рабочих от физически тяжелой работы, уменьшить дефицит рабочих в производствах, отличающихся тяжелыми условиями труда.
В данной работе электропривод рассматривается как общепромышленная установка, в качестве которой выступает подъемный механизм крана. Целью работы является закрепление, углубление и обобщение знаний в области теории электропривода путем решения комплексной задачи проектирования электропривода конкретного производственного механизма (механизма подъема крана). В выпускной работе охватываются такие вопросы, как выбор схемы электропривода, разработка системы управления электроприводом, анализ динамических свойств замкнутой и разомкнутой системы, расчет энергетических показателей электропривода. Основное внимание уделяется задаче регулирования координат (тока и скорости).
1. ВЫБОР СХЕМЫ ЭЛЕКТРОПРИВОДА И СИЛОВЫХ ЭЛЕМЕНТОВ.
1.1. Исходные данные для проектирования.
Электропривод подъемного механизма крана.
| Грузоподъемность, кг | 3000 |
| Масса захватного приспособления, кг | 25 |
| Диаметр барабана, мм | 490 |
| Передаточное число редуктора | 85 |
| Кратность полиспаста | 1 |
| КПД передачи | 0,8 |
| Скорость подъема, м/мин | 25 |
| Высота подъема, м | 12 |
| Продолжительность включения механизма, % | 15 |
Система электропривода: электропривод постоянного тока по системе
ТП-Д. Пуск и торможение производится при линейном изменении э.д.с. преобразователя в функции времени.
Требования, предъявляемые к электроприводу.
При разработке электропривода крана должны быть соблюдены следующие требования в отношении его характеристик:
- обеспечение заданной рабочей скорости механизма при статических моментах на валу при подъеме и спуске;
- возможность реверсирования;
- обеспечение минимального времени переходного процесса;
- обеспечение плавности пуска и регулирования;
- ограничение максимального значения момента стопорным значением Мстоп .
1.2. Выбор схемы электропривода.
Для осуществления автоматического регулирования предусматриваются управляемые преобразователи и регуляторы, позволяющие автоматически под воздействием обратных связей осуществлять регулирование координат электропривода, в нашем случае момента и скорости. Наиболее широко используются электромашинные и вентильные управляемые преобразователи напряжения постоянного тока и частоты переменного тока и соответствующие системы ЭП: система генератор – двигатель (Г-Д); система тиристорный преобразователь – двигатель (ТП-Д); система преобразователь частоты – асинхронный двигатель (ПЧ-АД). Также скорость и момент можно изменять путем реостатного регулирования. Выбор рационального способа регулирования из возможных является важной задачей, которая решается при проектировании электропривода.
Все вышеперечисленные системы имеют ряд преимуществ и недостатков, анализ которых при учете предъявляемых технических требований и специфики производственного механизма позволяет осуществить правильный выбор системы регулирования.
Так, в настоящее время продолжает успешно применяться система Г-Д. Ее основными достоинствами являются отсутствие искажений потребляемого из сети тока и относительно небольшое потребление реактивной мощности. При применении синхронного двигателя в преобразовательном агрегате путем регулирования тока возбуждения можно обеспечить работу ЭП с cosjдля компенсации реактивной мощности, потребляемой другими установками.
К сожалению, системе Г-Д присущи несколько серьезных недостатков, определяемых необходимостью трехкратного электромеханического преобразования энергии. Как следствие – низкие массогабаритные и энергетические показатели, и благоприятные регулировочные возможности достигаются ценой существенных затрат дефицитной меди, высококачественной стали и труда. Наряду с этим характерен низкий общий КПД системы.
Существенные преимущества асинхронного двигателя определяют несомненную перспективность системы ПЧ-АД. Однако регулирование частоты представляет собой технически более сложную задачу, чем регулирование выпрямленного напряжения, так как, как правило, требует дополнительных ступеней преобразования энергии. Коэффициент полезного действия системы ПЧ-АД ниже, чем в системе ТП-Д, ниже быстродействие и экономичность.
Рассматривая способ реостатного регулирования нельзя не отметить его низкую точность и диапазон регулирования, невысокую плавность, а также массогабаритные показатели (наличие резисторов, коммутирующей аппаратуры) и снижение КПД при увеличении диапазона регулирования. Однако данный способ привлекателен своей простотой и невысокими затратами на реализацию.
В выпускной работе разрабатывается электропривод постоянного тока по системе ТП-Д. Эта система в настоящее время наиболее широко используется из-за ее несомненных преимуществ. Она более экономична, обладает высоким быстродействием (постоянная времени Тп при полупроводниковой СИФУ не превосходит 0,01 с), имеет довольно высокий КПД. Потери энергии в тиристорах при протекании номинального тока составляет 1-2% номинальной мощности привода.
Недостатками тиристорного преобразователя является изменяющийся в широких пределах cosj»cosa, и значительное искажение формы потребленного из сети тока.
Схему преобразователя выберем мостовую реверсивную с совместным согласованным управлением.
![]() |
1.3. Расчет нагрузочных диаграмм и выбор двигателя.
Рис. 1. Кинематическая схема механизма.
Статические моменты при подъеме и спуске:
Нм
Нм,
где g – ускорение свободного падения,
mгр , mзп – масса груза и захватного приспособления,
Rб – радиус барабана лебедки,
iр – передаточное число редуктора,
iп – передаточное число полиспаста,
h - КПД передачи.
Время цикла:
tц =tпод +tсп +2tп =tр +tп ,
где tпод – время подъема,
tсп – время спуска,
tп – время паузы,
tр – время работы.
tпод =tсп =h/v=12/(25/60)=12/0,417=28,777 с,
где h – высота подъема,
v – скорость подъема.
Продолжительность включения:
ПВ= tр /tц
Значит, tц = tр /ПВ=57,554/0,15=383,693 с
![]() |
tп =0,5(tц - tр )=0,5(83,693-57,554)=163,07 с
Рис. 2. Нагрузочная диаграмма производственного механизма.
Полагая, что двигатель выбирается из режима S1, эквивалентный момент за цикл работы:
Нм
Угловая скорость двигателя, соответствующая V=12 м/мин:
1/с
Номинальная мощность двигателя:
кВт,
где kз =1,3 – коэффициент, учитывающий отличие нагрузочной диаграммы механизма от нагрузочной диаграммы двигателя.
Условия выбора двигателя:
Рн ³Рэкв и wн »wрасч выбираем, пользуясь [1] двигатель постоянного тока независимого возбуждения 2ПФ160МУХЛ4
Р=7,5 кВт; U=220 В; n=1500 об/мин; nmax =4200 об/мин; КПД=83%; Rя =0.145 Ом; Rдоп =0,101 Ом; Rв =53,1 Ом; Lя =4 мГн; Jдв =0,083 кг*м2 ; класс изоляции – В.
Построив нагрузочную диаграмму двигателя, проверим его по условиям нагрева и допустимой перегрузки.
Суммарный момент инерции:
JS =1,2Jдв +Jмех =1,2*0,083+0,025=0,1246 кг*м2 ,
где Jмех – момент инерции механизма.
кг*м2
Динамический момент:
Нм,
где Мном – номинальный момент двигателя.
Нм
Угловое ускорение:
1/с2
Время работы привода с ускорением:
с
Высота, на которую поднят груз за время ускорения:
м
Расстояние, которое проходит груз без ускорения:
м
Время работы привода без ускорения:
с
Время цикла с учетом ускорения:
![]() |
Рис. 3. Нагрузочная диаграмма двигателя.
По нагрузочной диаграмме находим новое значение эквивалентного момента:

Нм
Мэкв =35,53<Мн ;
Мmax £2.5*Мн =2,5*47,748=119,37
Выбранный двигатель удовлетворяет условиям нагрева и допустимой нагрузки.
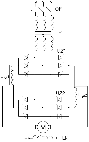
1.4. Выбор схемы и расчет элементов силового преобразователя.
Для данного случая выбираем трехфазную мостовую схему. Схема приведена на рис.4:
![]() |
Рис. 4. Мостовая реверсивная схема.
1.4.1. Выбор трансформатора.
Выбор силового трансформатора производится по расчетным значениям токов I1 и I2 , напряжению U2 и типовой мощности Sтр .
Расчетное значение напряжения U2 ф вторичной обмотки трансформатора, имеющего m-фазный ТП с нагрузкой на якорь двигателя в зоне непрерывных токов, с учетом необходимого запаса на падение напряжения в силовой части, определяется формулой:
В,
где ku =0,461 – коэффициент, характеризующий отношение напряжений U2 ф /Ud0 в реальном выпрямителе;
kc =1,1 – коэффициент запаса по напряжению, учитывающий возможное снижение напряжения сети;
ka =1,1 – коэффициент запаса, учитывающий неполное открытие вентилей при максимальном управляющем сигнале;
kR =1,05 – коэффициент запаса по напряжению, учитывающий падение напряжения в обмотках трансформатора, в вентилях и за счет перекрытия анодов;
Ud =220 В – номинальное напряжение двигателя.
Расчетное значение тока вторичной обмотки:
А,
где kI =0,815 – коэффициент схемы, характеризующий отношение токов I2 ф /Id в идеальной схеме;
ki =1,1 – коэффициент, учитывающий отклонение формы анодного тока вентилей от прямоугольной;
Id – значение номинального тока двигателя.
А
Расчетная типовая мощность силового трансформатора:
кВА,
где ks =1,065 – коэффициент схемы, характеризующий отношение мощностей Sтр /Ud Id для идеального выпрямителя с нагрузкой на противо-ЭДС.
Выбираем силовой трансформатор, удовлетворяющий условиям:
Sн ³11,644 кВА; U2фн ³128,854 В; I2фн ³36,822 А.
Выбираем трансформатор ТС-16.
Его характеристики:
Sн =16 кВА; U1нл =380±5% В; U2 нл =230-133 В; Р0 =213 Вт; Рк =529 В; Uк =4,6% Y/Y0 -D
Коэффициент трансформации:
![]()
Расчетное значение тока первичной обмотки:
А.
1.4.2. Выбор тиристоров.
Среднее значение тока тиристора:
А,
где kз i =2,5 – коэффициент запаса по току;
kох – коэффициент, учитывающий интенсивность охлаждения силового вентиля. При естественном охлаждении kох =0,35;
mтр =3 – число фаз трансформатора.
Максимальная величина обратного напряжения:
В,
где kзн =1,8 – коэффициент запаса по напряжению, учитывающий возможные повышения напряжения питающей сети (включая режим холостого хода) и периодические выбросы Uобр , обусловленные процессом коммутации вентилей;
kU обр =1,065 – коэффициент обратного напряжения, равный соотношению напряжений UBmax /Ud0 для мостовой реверсивной схемы выпрямления;
Ud0 – напряжение преобразователя при a=0:
В
Из справочника [3] выбираем тиристор серии Т151-100.
1.4.3. Выбор индуктивности дросселей.
Под действием неуравновешенного напряжения, минуя цепь нагрузки, может протекать уравнительный ток, который создает потери в вентилях и обмотках трансформатора и может приводить к аварийному отключению установки.
Требуемая величина индуктивности уравнительных дросселей, исходя из ограничения амплитуды переменной составляющей уравнительного тока до величины, не превышающей 10%:
,
где U1 п – удвоенное эффективное значение первой гармоники выпрямленного напряжения:
В,
где Uп /Ud0 =0.26 – определено по рисунку из [2] для m=6 и a=900 ;
m=6 – число фаз выпрямления.
Гн.
Уравнительные дроссели выберем частично насыщающимися, т.е.
Lуд =0,7Lуд.расч =0,029 Гн.
Выбираем дроссель серии ФРОС-150. Lуд =0,03 Гн.
Рассчитаем индуктивность сглаживающего дросселя:
Гн,
где Uп =U1 п /2=72,673 Гн – действующее значение первой гармоники выпрямленного напряжения.
Необходимая величина индуктивности сглаживающего дросселя:
Lсд =Lнеобх -(Lдв +2Lтр +Lуд ),
где Lдв – индуктивность якоря и дополнительных полюсов двигателя:
Гн
2Lтр – индуктивность двух фаз трансформатора, приведенная к контуру двигателя.
Гн.
Lсд =0,027-(0,010+0,00106+0,03)=-0,014 Гн
Т.к. Lсд <0, то сглаживающий дроссель не требуется.
1.4.4. Определение расчетных параметров силовой цепи ТП-Д.
Расчетное сопротивление цепи выпрямленного тока:
,
где k=1+a(tн -ta )=1+0.004(100-15)=1.34;
a=0,004 – температурный коэффициент сопротивления меди;
tн =1000 – рабочая температура двигателя для класса изоляции В;
ta =150 – температура окружающей среды;
Rщ – сопротивление щеточного контакта:
Ом;
Rп – сопротивление преобразователя:
,
где Rт – активное сопротивление обмоток трансформатора:
Ом;
хт – индуктивное сопротивление обмоток трансформатора:
Ом
Rуд – активное сопротивление уравнительных дросселей:
Ом.
Итак,
Ом
Ом.
Выводы по главе 1.
В главе 1 на основе технических данных и требований электропривода подъемного механизма крана был произведен выбор схемы ЭП. В результате анализа и обзора применяемых систем регулирования показана целесообразность применения системы тиристорный преобразователь – двигатель.
Построение нагрузочных диаграмм производственного механизма и двигателя позволило предварительно выбрать двигатель, а затем проверить его по условиям нагрева и по перегрузке. Выбранный двигатель серии 2П удовлетворяет этим условиям.
Расчет силового преобразователя включил в себя выбор его элементов, а также определение расчетных параметров силовой цепи ТП-Д.
2. РАЗРАБОТКА СИСТЕМЫ УПРАВЛЕНИЯ ЭЛЕКТРОПРИВОДОМ.
2.1. Расчет и построение статических характеристик в разомкнутой системе.
Статические характеристики в разомкнутой системе могут быть построены по следующим выражениям:

где Rя.дв – сопротивление якорной цепи двигателя с учетом нагрева:
Ом
Ток возбуждения двигателя:
А
Номинальный ток якоря:
А
Статические скорость и момент:
wс =144,67 1/с;
Мс.под =106,918 Нм;
Мс.сп =68,428 Нм.
Из уравнений для статических характеристик:
В/с
ЭДС преобразователя при wс и Мс.под :
В.
ЭДС преобразователя при wс и Мс.сп :
В.
Уравнение статической механической характеристики при Еп.необх.под :
;
.
Уравнение статической механической характеристики при Еп.необх.сп :
;
.
Максимальная ЭДС преобразователя при a=0:
В.
Уравнение статической характеристики при Еп. max :
;
.
Статическая характеристика при Еп =0:
;
.
Естественная статическая характеристика:
;
.
![]() |
Рис.5. Статические и динамические характеристики в разомкнутой системе.
Рассчитаем нагрузочную диаграмму двигателя за цикл при линейном изменении ЭДС преобразователя.
Жесткость статической механической характеристики:
В2
с2
/Ом
Электромеханическая постоянная времени:
с
Расчетная суммарная индуктивность цепи якоря:
Гн
Электромагнитная постоянная времени:
с
Соотношение постоянных времени:
![]()
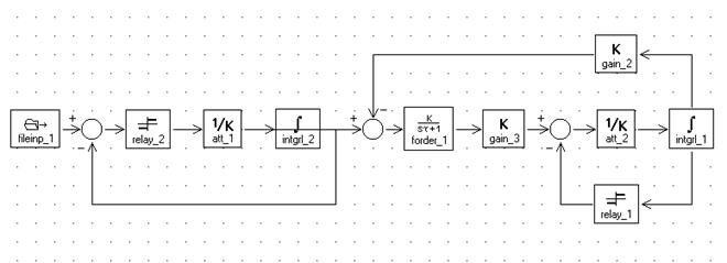
Для построения нагрузочной диаграммы двигателя за цикл при линейном изменении ЭДС, используем ЭВМ и программу 20-sim. Для моделирования введем в компьютер схему, представленную на рис. 6. Параметры для моделирования представлены в приложении 1.

Нагрузочная диаграмма процесса представлена на рис. 7
Рис. 6. Схема для расчета нагрузочной диаграммы двигателя при линейном изменении ЭДС.
![]() |
2.2. Выбор структуры замкнутой системы электропривода, расчет ее параметров.
В соответствии с рекомендациями выберем систему ТП-Д с подчиненным регулированием координат с настройкой на технический оптимум.
![]() |
Рис. 8. Принципиальная схема подчиненного регулирования тока и скорости в системе ТП-Д.

2.2.1. Расчет контура тока
Рис. 9. Структурная схема регулирования тока.
Отнесем время запаздывания тиристорного преобразователя tп и инерционность фильтров Тф к некомпенсированным постоянным времени, т.е. Тm =tп + Тф =0,01 с. Тогда, если не учитывать внутреннюю обратную связь по ЭДС двигателя, можно записать передаточную функцию объекта регулирования тока:
,
где kп – коэффициент усиления преобразователя.
Желаемая передаточная функция прямого канала разомкнутого контура при настройке на технический оптимум:
,
где ат =Тот /Тm - соотношение постоянных времени контура.
Отношение Wраз.п к Wорт есть передаточная функция регулятора тока:
,
где Тит – постоянная интегрирования регулятора тока:
![]()
Из выражения для Wр.т. видно, что необходим ПИ-регулятор тока.
Коэффициент усиления пропорциональной части:
kут =Тя /Тпт или kут =Rост /Rзт
Постоянная времени ПИ-регулятора:
Тпт =Rзт Сост
Компенсируемая постоянная времени регулятора:
![]()
Отсюда,
Ом,
где Тя =Тэ – электромагнитная постоянная времени.
Коэффициент обратной связи по току:
,
где kш – коэффициент передачи шунта;
kут – коэффициент усиления датчика тока.
![]()
Шунт выбираем с условием Iшн >Iя max
А
Выбираем шунт типа ШС-75. Его параметры: Iшн =100 А Uшн =75 мВ
Коэффициент передачи датчика тока:
![]()
Примем Rот =Rзт , тогда
В/А
Коэффициент усиления преобразователя:
![]()
Постоянная интегрирования ПИ-регулятора:
![]()
Коэффициент усиления регулятора:
![]()
Ом
Стопорный ток:
А
Номинальное значение задания:
В
2.2.2. Расчет контура скорости.
![]() |
Рис. 10. Структурная схема контура скорости.
Объект регулирования скорости состоит из замкнутого контура регулирования тока и механического звена электропривода и имеет вид
.
Некомпенсированная постоянная времени для контура скорости в ат раз больше, чем для контура тока:
с.
Желаемая передаточная функция разомкнутого контура:
,
где ас =Тос /Тm с – соотношение постоянных времени. ас =2 в настроенном на технический оптимум контуре.
Передаточная функция регулятора скорости (Wраз.с /Wорс ):
.
Очевидно, что необходимо применить пропорциональный регулятор скорости (П-регулятор)
Его коэффициент усиления kус =Wр.с.
В замкнутой системе wс и Мс связаны соотношением:
![]()
Коэффициент обратной связи по скорости:
В/с
Коэффициент усиления П-регулятора
.
Максимальная скорость холостого хода:
![]()
Зададимся Rосс =100 кОм, тогда:
Ом
Допустим, используется тахогенератор с kтг =0,32 Вс. Тогда при w0 =w0з .max максимальная ЭДС тахогенератора:
В.
Сопротивление в цепи обратной связи по скорости:
кОм.
2.3. Расчет и построение статических характеристик в замкнутой системе.
В замкнутой системе при М<119,37 Нм, уравнение статической характеристики:
![]()
![]()
При М=Мстоп =119,37 Нм скорость равна:
1/с.
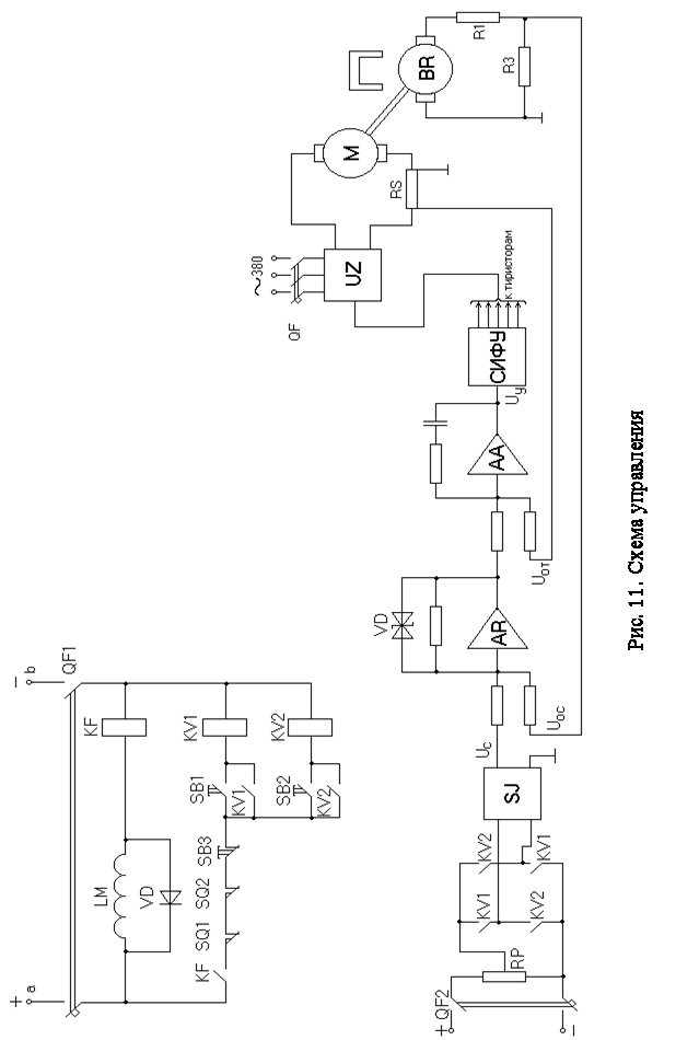
2.4. Разработка схемы управления электроприводом.
Схема управления электроприводом выполнена на базе операционных усилителей постоянного тока и включает в себя регулятор тока (АА), регулятор скорости (AR), датчик интенсивности SJ. Тахогенератор BR с делителем напряжения R3 и R1 является датчиком скорости. Сигнал задания формируется в блоке задания. Уровень сигнала задания изменяется потенциометром RP, а его полярность задается с помощью реле KV1 и KV2 (движение вперед и назад). Реле KF – реле обрыва поля.
При включении автоматических выключателей QF, QF1, QF2 подается питание на силовую схему и схему управления. Срабатывает реле KF и замыкает свой главный контакт в схеме управления. При нажатии на кнопку SB1 (Подъем) происходит срабатывание реле KV1, которое замыкает свои контакты в схеме управления и в силовой цепи. Происходит подъем груза. При подъеме груза на максимальную высоту происходит срабатывание SQ2 и двигатель останавливается. Чтобы осуществить спуск груза, необходимо нажать на кнопку SB2 (Спуск). В этом случае срабатывает реле KV2, в силовой цепи и цепи управления срабатывают его контакты. Начинается спуск груза, который продолжается до замыкания конечного выключателя SQ1. Для остановки подъема или опускания груза предусмотрена кнопка SB3 (Тормоз).
Схема управления представлена на рис. 12.

Рис. 12. Статическая характеристика в замкнутой системе.
Выводы по главе 2.
В главе 2 были рассчитаны и построены статические характеристики в разомкнутой системе, а также уточненная нагрузочная диаграмма двигателя за цикл при линейном изменении ЭДС преобразователя. Выбрана структура замкнутой системы – система с подчиненным регулированием координат с настройкой на технический оптимум. Построены статические характеристики электропривода и разработана схема управления.
3. АНАЛИЗ ДИНАМИЧЕСКИХ СВОЙСТВ ЗАМКНУТОЙ СИСТЕМЫ.
3.1. Математическое описание электропривода.

Структурная схема электропривода с внешним контуром регулирования скорости и внутренним контуром тока якоря изображена на рис. 13.
Рис. 13. Структурная схема ЭП с подчиненным регулированием параметров.
Пропорциональный регулятор скорости AR и пропорциональный регулятор тока AA формируют управляющие воздействия из сигналов задания Uсз и Uзт и обратных связей Uос и Uот .
Работу электропривода с представленной структурой опишем системой алгебраических и дифференциальных уравнений, принимая во внимание, что коэффициент передачи регулятора скорости и постоянная времени регулятора тока равны соответственно:
;
.

где Тзи – постоянная времени задатчика интенсивности;
Uп , Uз – напряжение, коммутируемое с помощью реле в составе задатчика интенсивности, и напряжение задания;
Кос и Кот – коэффициенты усиления цепей обратных связей по контуру и по току;
Rр – сопротивление якорной цепи двигателя.
Данная система уравнений может быть приведена к виду, удобному для моделирования, путем разрешения каждого уравнения относительно первой производной от соответствующей постоянной величины.

3.2. Расчет и построение переходных процессов .
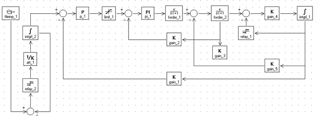
Для построения переходных процессов пуска электропривода в замкнутой системе с подчиненным регулирования координат, используем ЭВМ и программу 20-sim. Для моделирования введем в компьютер схему, представленную на рис. 14.
Параметры для моделирования представлены в приложении 2.
![]() |
Рис. 14. Схема для расчета переходных процессов пуска в замкнутой системе.
Нагрузочная диаграмма процесса представлена на рис. 15:

Рис.15. Нагрузочная диаграмма двигателя при переходном процессе.
Выводы по главе 3.
В главе 3 проводились исследования динамики замкнутой системы. Было дано математическое описание электропривода и структурная схема. На ее основе с помощью программы 20-sim получены графики переходных процессов пуска в замкнутой системе. Их анализ показал соответствие результатов, полученных на ЭВМ, теоретическим. Учитывалось то, что пуск происходил при скачке задания, а контур настроен на технический оптимум.
4. РАСЧЕТ ЭНЕРГЕТИЧЕСКИХ ПОКАЗАТЕЛЕЙ ЭЛЕКТРОПРИВОДА.
4.1. Построение уточненной нагрузочной диаграммы двигателя за цикл.
Уточненная нагрузочная диаграмма двигателя за цикл при линейном изменении ЭДС рассчитана и построена в главе 2. Диаграмма представлена на рис. 7.
4.2. Проверка двигателя по нагреву и перегрузке по уточненной нагрузочной диаграмме.
Уточненное значение М
может быть определено путем нахождения площади ограниченной графиком М
(t), построенного на основе уточненной нагрузочной диаграммы.
Данный расчет произведен с применением программы MathCad-2000 Pro.
Программу расчета см. приложение 3.
Площадь ограниченная графиком М
(t) при подъеме:
H
.
Площадь ограниченная графиком М
(t) приспуске:

.
Общая площадь:
![]()
.
Эквивалентный момент:
Hм.
Проверим двигатель по условиям нагрева и допустимой перегрузки:
Мэкв =33,748<Мном =47,747 Нм;
Мmax £2.5*Мном =2.5*47,747=119,368 Нм.
Итак, выбранный двигатель удовлетворяет данным условиям.
4.3. Расчет интегральных энергетических показателей электропривода за цикл работы.
Полезная работа совершенная ЭП за производственный цикл:
,
которую можно определить путем нахождения площади, ограниченной графиком зависимости
.
Данный расчет произведен с помощью программы Mathcad 2000-Pro.
Программу расчета см. приложение 3.
Дж;
Дж.
Полезная работаза цикл:
= 2.597+1.968=4.565
Дж.
Постоянные потери в двигателе:
,
где
- полные номинальные потери,
-переменные номинальные потери.
Вт;
Вт.
Постоянные потери:![]()
1536-688.29= 847.85 Вт.
Постоянные потери энергии за цикл:
Дж.
Переменные потери энергии за цикл:
Дж,
где
А.
Потери энергии за цикл:
Дж.
КПД за цикл:
.
Полученный КПД удовлетворяет требованиям электропривода.
Выводы по главе 4.
По рассчитанной ранее уточненной нагрузочной диаграмме путем нахождения площади, ограниченной графиком М2 (t), было определено более точное значение Мэкв и проверен двигатель по нагреву и перегрузке. Оказалось, что двигатель удовлетворяет этим условиям. Также были рассчитаны интегральные энергетические показатели за цикл работы: полезная работа, потери и к.п.д.
ЗАКЛЮЧЕНИЕ.
В данной работе был исследован и разработан электропривод подъемного механизма крана, предназначенного для подъема и опускания груза и совершающий движение по заданному циклу. Целью работы являлось закрепление, углубление и обобщение знаний в области теории электропривода путем решения комплексной задачи проектирования конкретного производственного механизма.
На основе исходных данных и технических требований была, в результате анализа, выбрана схема электропривода. Был сделан вывод, что наиболее рациональной системой в данном случае является система ТП-Д. Далее, по нагрузочным диаграммам был выбран двигатель постоянного тока серии 2П и произведена проверка по условиям нагрева и допустимой перегрузки. Оказалось, что выбранный двигатель удовлетворяет этим условиям. Также рассчитан силовой преобразователь и выбраны элементы мостовой реверсивной схемы: трансформатор, тиристоры, дроссель. Рассчитаны статические характеристики в замкнутой и разомкнутой системах, а также построена уточненная нагрузочная диаграмма за производственный цикл. Выбор структуры замкнутой системы, следуя рекомендациям, был остановлен на системе с подчиненным регулированием координат с применением настройки на технический оптимум. Разработана схема управления с применением релейной аппаратуры. Рассчитаны переходные процессы на ЭВМ, а их анализ, исходя из физических соображений, показал, что полученные динамические показатели соответствуют заданным. Работа заканчивается расчетом энергетических показателей электропривода. Рассчитаны работа за цикл, потери и КПД. Значение КПД вполне приемлемо для данной системы – 62,13%. Здесь же по уточненной нагрузочной диаграмме из главы 2. был еще раз проверен двигатель по условиям нагрева и перегрузки.
СПИСОК ЛИТЕРАТУРЫ.
1. Справочник по электрическим машинам: В 2 т / под общей ред. И.П. Копылова и Б.К. Клокова т.1. – М.: Энергоиздат, 1988 г.
2. Соколов Н.П. и Елисеев В.А. Расчет по автоматизированному электроприводу. Выпуск VII М.: МЭИ, 1974 г. – 84 с.
3. Силовые полупроводниковые приборы: Справочник / Чебовский Л.Г. – М.: Энергоиздат, 1985 г. – 400 с.
4. Ключев В.И. Теория электропривода: Учебник для вузов. – М.: Энергоатомиздат, 1985 г. – 560 с.
5. Ключев В.И., Терехов В.М. Электропривод и автоматизация общепромышленных установок: Учебник для вузов. – М.: Энергия, 1980 г. – 360 с.
6. Моделирование систем на ЦВМ:Учебное пособие / под ред. Льготчикова В.В. – М.: МЭИ, 1993 г. – 119 с.
7. Курс лекций: основы электропривода: В 2 т / под ред. проф. Данилова П.Е. – Смоленск: Самиздат.
ПРИЛОЖЕНИЯ.
Приложение 1. Параметры для построения нагрузочной диаграммы двигателя за цикл при линейном изменении ЭДС
20-sim Experiment Description
===============================
Model: kurs4
Experiment: kurs4
Date: 05/23/02
Time: 22:43:49
Version: PC Version 2.3
License: Demonstration Version
may be distributed freely
| Пуск | Реверс |
Parameters: =========== forder_1`k 1.139 forder_1`tau 0.038 gain_3`p 1.305 gain_2`p 1.305 relay_2`min -142.756 relay_2`max 142.756 relay_1`min -106.918 relay_1`max 106.918 att_2`d 0.125 att_1`d 2 fileinp_1`filename c:\d\data1.txt fileinp_1`col 1 |
Parameters: =========== forder_1`k 1.139 forder_1`tau 0.038 gain_3`p 1.305 gain_2`p 1.305 relay_2`min -260,728 relay_2`max 260,728 relay_1`min 68.428 relay_1`max 68.428 att_2`d 0.125 att_1`d 1.095 fileinp_1`filename c:\d\data2.txt fileinp_1`col 1 |
Initial Conditions:
===================
forder_2`state 0
forder_1`state 0
intgrl_2`state 0
intgrl_1`state 0
Run Specifications:
===================
Integration Method Runge-Kutta-4
Start Time 0
Finish Time 12
Step Size 0.0001
Multiple Run Specifications:
============================
Multiple Run Type : Plain Multiple Run
Number Of Steps : 2
Plot Specifications:
====================
X-Axis Time 0 12
A gain_3`outp -150 150
B intgrl_1`outp -150 150
Приложение 2. Параметры для построения переходных процессов пуска электропривода в замкнутой системе с подчиненным регулированием координат
20-sim Experiment Description
===============================
Model: dvuhkon2
Experiment: dvuhkon3
Date: 05/28/02
Time: 06:39:05
Version: PC Version 2.3
License: Demonstration Version
may be distributed freely
| С учетом ОС | Без учета ОС |
Parameters: =========== forder_2`k 1.139 forder_2`tau 0.047 forder_1`k 27.95 forder_1`tau 0.01 gain_3`p 1.305 gain_5`p 1.305 gain_1`p 0.056 gain_4`p 10.5125 gain_2`p 0.1 p_1`kp 4.247 pi_1`kp 0.7344 pi_1`tauI 0.047 limit_1`min -10 limit_1`max 10 fileinp_1`filename c:\data2\d1.txt fileinp_1`col 1 relay_2`min -10 relay_2`max 10 relay_1`min -81.93 relay_1`max 81.93 att_1`d 2 |
Parameters: =========== forder_2`k 1.139 forder_2`tau 0.047 forder_1`k 27.95 forder_1`tau 0.01 gain_3`p 1.305 gain_5`p 0 gain_1`p 0.056 gain_4`p 10.5125 gain_2`p 0.1 p_1`kp 4.247 pi_1`kp 0.7344 pi_1`tauI 0.047 limit_1`min -10 limit_1`max 10 fileinp_1`filename c:\data2\d2.txt fileinp_1`col 1 relay_2`min -10 relay_2`max 10 relay_1`min -81.93 relay_1`max 81.93 att_1`d 2 |
Initial Conditions:
===================
intgrl_2`state 0
intgrl_1`state 0
forder_2`state 0
forder_1`state 0
pi_1`state 0
Run Specifications:
===================
Integration Method Runge-Kutta-4
Start Time 0
Finish Time 4
Step Size 0.0001
Multiple Run Specifications:
============================
Multiple Run Type : Plain Multiple Run
Number Of Steps : 2
Plot Specifications:
====================
X-Axis Time 0 4
A gain_3`outp 0 150
B intgrl_1`outp 0 150
Приложение 3. Расчет интегральный энергетических показателей.
ОГЛАВЛЕНИЕ
ВВЕДЕНИЕ............................................................................................................. 3
1. ВЫБОР СХЕМЫ ЭЛЕКТРОПРИВОДА И СИЛОВЫХ ЭЛЕМЕНТОВ....... 5
1.1. Исходные данные для проектирования....................................................... 5
1.2. Выбор схемы электропривода..................................................................... 6
1.3. Расчет нагрузочных диаграмм и выбор двигателя.................................... 8
1.4. Выбор схемы и расчет элементов силового преобразователя................. 12
1.4.1. Выбор трансформатора.................................................................... 12
1.4.2. Выбор тиристоров............................................................................ 14
1.4.3. Выбор индуктивности дросселей..................................................... 15
1.4.4. Определение расчетных параметров силовой цепи ТП-Д.............. 16
2. РАЗРАБОТКА СИСТЕМЫ УПРАВЛЕНИЯ ЭЛЕКТРОПРИВОДОМ.......... 18
2.1. Расчет и построение статических характеристик в разомкнутой системе. 18
2.2. Выбор структуры замкнутой системы электропривода, расчет ее параметров. 23
2.2.1. Расчет контура тока.......................................................................... 23
2.2.2. Расчет контура скорости................................................................... 26
2.3. Расчет и построение статических характеристик в замкнутой системе.... 27
2.4. Разработка схемы управления электроприводом..................................... 28
3. АНАЛИЗ ДИНАМИЧЕСКИХ СВОЙСТВ ЗАМКНУТОЙ СИСТЕМЫ...... 31
3.1. Математическое описание электропривода............................................... 31
3.2. Расчет и построение переходных процессов............................................. 33
4. РАСЧЕТ ЭНЕРГЕТИЧЕСКИХ ПОКАЗАТЕЛЕЙ ЭЛЕКТРОПРИВОДА... 35
4.1. Построение уточненной нагрузочной диаграммы двигателя за цикл..... 35
4.2. Проверка двигателя по нагреву и перегрузке по уточненной нагрузочной диаграмме.......................................................................................................... 35
4.3. Расчет интегральных энергетических показателей электропривода за цикл работы................................................................................................................ 36
ЗАКЛЮЧЕНИЕ.................................................................................................... 38
СПИСОК ЛИТЕРАТУРЫ.................................................................................... 39
ПРИЛОЖЕНИЯ.................................................................................................... 40
Приложение 1. Параметры для построения нагрузочной диаграммы двигателя за цикл при линейном изменении ЭДС................................................................. 41
Приложение 2. Параметры для построения переходных процессов пуска электропривода в замкнутой системе с подчиненным регулированием координат........................................................................................................... 43
Приложение 3. Расчет интегральный энергетических показателей................ 46
Похожие рефераты:
Система стабилизации скорости вращения двигателя постоянного тока
Автоматизированная система информационной поддержки наладочных работ электропривода в TrendWorX32
Автоматизированный электропривод центрифуги
Автоматизированный электропривод грузового лифта
Автоматизированный электропривод продольнострогательного станка
Автоматизированный электропривод механизма перемещения стола продольно-строгального станка
Автоматизированный привод станка-качалки на ОАО "Татнефть"
Разработка электропривода лифта для высотного здания
Разработка автомобильного стробоскопа
Разработка электропривода прокатного стана холодной прокатки
Проектирование электропривода подъема мостового крана
Разработка электропривода моталки для свертывания металлической полосы в рулоны








