| Похожие рефераты | Скачать .docx |
Курсовая работа: Автоматизированный электропривод продольнострогательного станка
Федеральное агентство по образованию Российской Федерации
Российский государственный профессионально-педагогический университет
Кафедра электрооборудования и автоматизации промышленных предприятий
КУРСОВАЯ РАБОТА
Предмет: "Автоматизированный электропривод"
Тема: "Автоматизированный электропривод механизма перемещения стола продольно-строгального станка."
Выполнил:
Проверил:
Екатеринбург
2008
1.1 Выбор и проверка электродвигателя
1.1.1 Расчет нагрузочной диаграммы механизма
1.1.2 Предварительный выбор двигателя
1.1.3 Расчет нагрузочной диаграммы двигателя
1.2 Проверка двигателя по нагреву
2. Выбор основных узлов силовой части
2.1 выбор тиристорного преобразователя
2.2 Выбор силового трансформатора
2.3 Выбор сглаживающего реактора
2.4 принципиальная электрическая схема силовой части
3. Математическая модель силовой части электропривода
3.1 расчет эквивалентных параметров системы
3.2 Выбор базисных величин системы относительных единиц
3.3 Расчет параметров силовой части электропривода в относительных единицах
3.4 Расчет коэффициентов передачи датчиков
4. Выбор типа системы управления электроприводом
5. Расчет регулируемой части контура тока якоря
5.1 Расчет параметров математической модели контура тока
5.3 Конструктивный расчет датчика эдс и звена компенсаци
6. Конструктивный расчет регулятора тока
7. Расчет регулирующей части контура скорости
7.1 Расчет параметров математической модели контура скорости
7.2 Конструктивный расчет регулирующей части контура скорости
8. Расчет задатчика интенсивности
8.1 Расчет параметров математической модели задатчика интенсивности
8.2 Конструктивный расчет задатчика интенсивности
Введение
Процесс обработки детали на продольно-строгальном станке поясняет рис. 1. Снятие стружки происходит в течение рабочего (прямого) хода, при обратном движении резец поднят, а стол перемещается на повышенной скорости. Подача резца производится периодически от индивидуального привода во время холостого хода стола в прямом направлении. Поскольку при строгании резец испытывает ударную нагрузку, то значения максимальных скоростей, строгания не превосходят 75-120 м/мин (в отличие от скоростей точения и шлифования 2000 м/мин и более). Под скоростью строгания (резания) понимают линейную скорость Uпр перемещения закрепленной на столе детали относительно неподвижного резца на интервале рабочего хода стола. При этом скорость входа резца в металл и скорость выхода резца из металла в сравнении со скоростью строгания ограничиваются до 40 % и менее в зависимости от обрабатываемого материала, чтобы избежать скалывания кромки. Указанные обстоятельства ограничивают производительность и для ее повышения остается только сократить непроизводительное время движения: обратный ход осуществляется на повышенной скорости Uоб > Uпр, а пускотормозные режимы при реверсе принимают допустимо минимальной продолжительности. Хороший эффект в этом дает двухдвигательный привод.

Рисунок 1. Процесс обработки на продольно строгальном станке
Он должен быть управляемым по скорости, поскольку для различных материалов (в соответствии с технологией обработки и свойствами материалов) используются различные оптимальные или максимально допустимые скорости строгания; кроме того, движение характеризуется различными скоростями на разных интервалах времени рабочего цикла, высокой частотой реверсирования с большими пускотормозными моментами. Применяют двух- и однозонное управление скоростью.
.

Исходные данные
Рисунок 2. Кинематическая схема механизма
Таблица 1. Исходные данные
| Исходные данные | Условные обозначения | Значение |
| Усилие резания | Fz | 40000 Н |
| Скорость рабочего хода | Vпр | 0,4 м/с |
| Масса стола | mc | 4000 кг |
| Масса детали | mд | 7000 кг |
| Радиус ведущей шестерни | rш | 0,25 м |
| Длинна детали | Lд | 4,2 м |
| Отношение обратной скорости к рабочей скорости | Кобр | 2 |
| Отношение пониженной скорости к рабочей скорости | Кпон | 0,4 |
| Путь подхода детали к резцу | Lп | 0,2 м |
| Путь после выхода резца из детали | Lв | 0,15 м |
| Коэффициент трения стола о направляющие | μ | 0,07 |
| КПД механической передачи при рабочей нагрузке | ηпN | 0,95 |
| КПД механических передач при перемещении стола на холостом ходу | ηпхх | 0,5 |
Задание к проекту
Для механизма перемещения стола продольно-строгального станка выбрать тип электропривода, выполнить выбор электродвигателя и его проверку по нагреву и перегрузке, выбрать силовой преобразовательный агрегат, силовой трансформатор и реакторы, выполнить расчет элементов системы автоматического управления электроприводом, выполнить компьютерное моделирование системы автоматизированного электропривода в типовых режимах.
Требования к электроприводу:
1. Обеспечение работы механизма по следующему циклу:
• подход детали к резцу с пониженной скоростью;
• врезание на пониженной скорости;
• разгон до рабочей скорости прямого хода;
• резание на скорости прямого хода;
• замедление до пониженной скорости перед выходом резца;
• выход резца из детали;
• замедление до остановки;
• разгон в обратном направлении до рабочей скорости обратного хода;
• возврат стола на холостом ходу со скоростью обратного хода;
• замедление до остановки (стол возвращается в исходное положение). Пониженную скорость принять: Vпон = 0,4·Vпр
2. Обеспечение рекуперации энергии в тормозных режимах.
3. Разгоны и замедления должны проходить с постоянством ускорения. Обеспечение максимально возможных ускорений в переходных режимах.
4. Статическая ошибка по скорости при резании не должна превышать 10%.
5. Ограничение момента электропривода при механических перегрузках.
1. Выбор типа электропривода
Заданным требованиям соответствует регулируемый электропривод с двигателем постоянного тока независимого возбуждения и замкнутой по скорости системой автоматического регулирования. В качестве управляемого преобразователя выбираем реверсивный тиристорный преобразователь. Такой электропривод обеспечивает высокие показатели качества регулирования скорости, высокую точность и быстродействие надежность, простоту в наладке и эксплуатации. Регулирование скорости принимается однозонным (управление изменением напряжения якоря двигателя при постоянном потоке возбуждения). Система управления электроприводом реализуется на аналоговой элементной базе.
1.1 Выбор и проверка электродвигателя
1.1.1 Расчет нагрузочной диаграммы механизма
Для предварительного выбора двигателя построим нагрузочную диаграмму механизма (график статических нагрузок механизма) Расчет времени участков цикла на этапе предварительного выбора двигателя выполняем приблизительно, т.к. пока нельзя определить время разгонов и замедлений (суммарный момент инерции привода до выбора двигателя неизвестен).
Скорость обратного хода стола:
, где
Vпр - скорость рабочего хода (Vп = 0,4 м/с, см. таб. 1)
![]()
Усилие перемещения стола на холостом ходу:
, где
mс - масса стола (mс = 4000 кг, см таб. 1);
mд - масса детали (mд = 7000 кг, см таб. 1);
g - ускорение свободного падения (g = 9,81 м/с2);
μ - коэффициент трения стола о направляющие (μ = 0,06, см таб. 1).
![]()
Усилие перемещения стола при резании:
, где
Fz - усилие резания (Fz = 40000 Н, см. таб. 1).
![]()
Время резания (приблизительно):
,
Где Lд - длинна детали (Lд = 4,2 м, см. таб. 1);
![]()
Время подхода детали к резцу (приблизительно):
, где
Lп - длинна подхода детали к резцу (Lп = 0,2 м, см. таб. 1);

Время прямого хода после выхода резца из детали (приблизительно):
, где
Lв - путь после выхода резца из металла (Lв = 0,15 м, см. таб. 1);

Время возврата стола (приблизительно):
, где
Vобр - скорость обратного хода.
![]()
Время цикла (приблизительно):
![]()
![]()
1.1.2 Предварительный выбор двигателя
При расчете мощности двигателя полагаем, что номинальной скорости двигателя соответствует скорость обратного хода стола (наибольшая скорость механизма), т.к. принято однозонное регулирование скорости, осуществляемое вниз от номинальной скорости. Ориентируемся на выбор двигателя серии Д, рассчитанного на номинальный режим работы S1 и имеющего принудительную вентиляцию. Эквивалентное статическое усилие за цикл:


Расчетная мощность двигателя:
, где
Кз - коэффициент запаса (примем Кз = 1,1); ηпN - КПД механических передач при рабочей нагрузке.
![]()
Выбираем двигатель Д810 по [2]. Номинальные данные двигателя приводятся в таб. 2.
Таблица 2. Данные выбранного двигателя
| Параметр | Обозначение | Значение |
| Мощность номинальная | PN | 55000 Вт |
| Номинальное напряжение якоря | UяN | 220 В |
| Номинальный ток якоря | IяN | 282 А |
| Номинальная частота вращения | ηN | 550 об/мин |
| Максимальный момент | Мmax | 2550 Нм |
| Сопротивление обмотки якоря | Rя0 | 0,0234 Ом |
| Сопротивление обмотки добавочных полюсов | Rдп | 0,0122 Ом |
| Момент инерции якоря двигателя | Jд | 3,65 кг·м2 |
| Число пар полюсов | рп | 2 |
| Допустимая величина действующего значения переменной составляющей тока якоря отнесенная к номинальному току (коэффициент пульсаций) | kI(доп) | 0,15 |
Двигатель данной серии не компенсированный, имеет принудительную вентиляцию и изоляцию класса Н.
Для дальнейших расчетов потребуется ряд данных двигателя, которые не приведены в справочнике. Выполним расчет недостающих данных двигателя.
Сопротивление цепи якоря двигателя, приведенное к рабочей температуре:
, где
kт - коэффициент увеличения сопротивления при нагреве до рабочей температуры (kт = 1,38 для изоляции класса Н при пересчете от 20˚С).
![]()
Номинальная ЭДС якоря:
![]()
![]()
Номинальная угловая скорость:
![]()
![]()
Конструктивная постоянная, умноженная на номинальный магнитный поток:
, ![]()
Номинальный момент двигателя:
![]()
![]()
Момент холостого хода двигателя:

![]()
Индуктивность цепи якоря двигателя:
, где
С - коэффициент (для некомпенсированного двигателя С = 0,6)
![]()
1.1.3 Расчет нагрузочной диаграммы двигателя
Для проверки выбранного двигателя по нагреву выполним построение упрощенной нагрузочной диаграммы двигателя (без учета электромагнитных переходных процессов). Для построения нагрузочной диаграммы произведем расчет передаточного числа редуктора, приведение моментов статического сопротивления и рабочих скоростей к валу двигателя, примем динамический момент и ускорение электропривода с учетом перегрузочной способности двигателя.
Передаточное число редуктора:

![]()
Момент статического сопротивления при резании, приведенный к валу двигателя:

![]()
Момент статического сопротивления при перемещении стола на холостом ходу, приведенный к валу двигателя:
, ![]()
Пониженная скорость, приведенная к валу двигателя:

![]()
Скорость прямого хода, приведенная к валу двигателя:

![]()
Скорость обратного хода, приведенная к валу двигателя:
, ![]()
Суммарный момент инерции механической части привода:
, где
δ - коэффициент, учитывающий момент инерции полумуфт, ведущей шестерни и редуктора (δ принимаем равным 1,2).

Модуль динамического момента двигателя по условию максимального использования двигателя по перегрузочной способности:
, где
k - коэффициент, учитывающий перерегулирование момента на уточненной нагрузочной диаграмме (построенной с учетом электромагнитной инерции цепи якоря). Принимаем k = 0,95.
![]()
Ускорение вала двигателя в переходных режимах:

![]()
Ускорение стола в переходных режимах:

![]()
Разбиваем нагрузочную диаграмму на 12 интервалов. Сначала рассчитываем интервалы разгона и замедления электропривода, затем интервалы работы с постоянной скоростью.
Интервал 1. Разгон до пониженной скорости.
Продолжительность интервала 1:
![]()
![]()
Путь, пройденный столом на интервале 1:
![]()
![]()
Момент двигателя на интервале 1:
![]()
![]()
Интервал 4. Разгон от пониженной скорости до скорости прямого хода.
Продолжительность интервала 4:

![]()
Путь, пройденный столом на интервале 4:
![]()
![]()
Момент двигателя на интервале 4:
![]()
![]()
Интервал 6. Замедление от скорости прямого хода до пониженной скорости.
Продолжительность интервала 6:
![]()
Путь, пройденный столом на интервале 6:
![]()
Момент двигателя на интервале 6:
![]()
![]()
Интервал 9. Замедление от пониженной скорости до остановки.
Продолжительность интервала 9:
![]()
Путь, пройденный столом на интервале 9:
![]()
Момент двигателя на интервале 9:
![]()
![]()
Интервал 10. Разгон до скорости обратного хода.
Продолжительность интервала 10:
, ![]()
Путь, пройденный столом на интервале 10:
, ![]()
Момент двигателя на интервале 10:
![]()
![]()
Интервал 12. Замедление от скорости обратного хода до остановки.
Продолжительность интервала 12:
![]()
Путь, пройденный столом на интервале 12:
![]()
Момент двигателя на интервале 12:
![]()
![]()
Интервал 2. Подход детали к резцу с постоянной скоростью.
Путь, пройденный столом на интервале 2:
![]()
![]()
Продолжительность интервала 2:

![]()
Момент двигателя на интервале 2:
![]()
Интервал 8. Отход детали от резца с постоянной скоростью.
Путь, пройденный столом на интервале 8:
![]()
![]()
Продолжительность интервала 8:

![]()
Момент двигателя на интервале 8:
![]()
Интервал 3. Резание на пониженной скорости
Путь, пройденный столом на интервале 3 (принимается):
![]()
Продолжительность интервала 3:

![]()
Момент двигателя на интервале 3:
![]()
Интервал 7. Резание на пониженной скорости
Путь, пройденный столом на интервале 7 (принимается):
![]()
Продолжительность интервала 7:

![]()
Момент двигателя на интервале 7:
![]()
Интервал 5. Резание на скорости прямого хода
Путь, пройденный столом на интервале 5 (принимается):
![]()
![]()
Продолжительность интервала 5:

![]()
Момент двигателя на интервале 5:
![]()
Интервал 11. Возврат со скоростью обратного хода
Путь, пройденный столом на интервале 11:
![]()
![]()
Продолжительность интервала 11:
![]()
![]()
Момент двигателя на интервале 5:
![]()
|
![]() |
1.2 Проверка двигателя по нагреву
Для проверки двигателя по нагреву используем метод эквивалентного момента. Используя нагрузочную диаграмму находим эквивалентный по нагреву момент за цикл работы привода. Для нормального теплового состояния двигателя необходимо, чтобы эквивалентный момент был не больше номинального момента двигателя.
Эквивалентный момент за цикл работы:
, ![]()
Условие
выполняется, следовательно выбранный двигатель подходит по нагреву.
Запас по нагреву:

![]()
2. Выбор основных узлов силовой части
2.1 выбор тиристорного преобразователя
Номинальное выпрямленное напряжение и номинальный выпрямленный ток преобразователя принимаем из ряда стандартных значений по ГОСТ 6827-76 (ближайшее большее по сравнению с номинальным напряжением и током двигателя)[3].
Принимаем UdN = 230 В; IdN = 320 А.
Выбираем стандартный преобразователь комплектного тиристорного электропривода серии КТЭУ [4]. Выбираем двухкомплектный реверсивный преобразователь, схема соединения комплектов встречно-параллельная, управление комплектами раздельное, каждый комплект выполнен по трехфазной мостовой схеме.
Номинальное напряжение комплектного электропривода равно номинальному напряжению двигателя: Uном = 220 В. Номинальный ток комплектного электропривода выбирается по номинальному току преобразователя: Iном = 320 А.
Выбираем тип комплектного электропривода:
КТЭУ-800/220-13212-УХЛ4.
2.2 Выбор силового трансформатора
Силовой трансформатор предназначен для согласования напряжения сети (Uс = 380 В) с номинальным напряжением преобразователя.
Номинальный линейный ток вторичных обмоток (расчетный):
![]()
![]()
Выбираем трансформатор типа ТСП (или ТСЗП), трехфазный, двухобмоточный, сухой с естественным воздушным охлаждением, открытого исполнения [2, таб. 3.1]
Таблица 3. Данные выбранного трансформатора
| Параметр | Значение |
| Тип трансформатора | ТСЗП-100/0,7-УХЛ4 |
| Способ соединения первичной и вторичной обмоток | Звезда - треугольник |
| Номинальная мощность | SТ = 93000 кВА |
| Номинальное линейное напряжение первичных обмоток | U1N = 380 В |
| Номинальное линейное напряжение вторичных обмоток | U2N = 205 В |
| Номинальный линейный ток вторичных обмоток | I2N = 262 В |
| Потери КЗ | РК = 2300 Вт |
| Относительно напряжение короткого замыкания | uK = 5,8% |
Рассчитываем параметры трансформатора:
Коэффициент трансформации:

![]()
Номинальный линейный ток первичных обмоток:

![]()
Активное сопротивление обмоток одной фазы трансформатора:

![]()
Активная составляющая напряжения короткого замыкания:
![]()
![]()
Реактивная составляющая напряжения короткого замыкания:
![]()
![]()
Индуктивное сопротивление обмоток одной фазы трансформатора:

![]()
Индуктивность фазы трансформатора:
,
Где Ωс - угловая частота сети
(
).
![]()
2.3 Выбор сглаживающего реактора
Сглаживающий редактор включается в цепь выпрямленного тока с целью уменьшения его переменной составляющей. Пульсации выпрямленного тока должны быть ограничены на уровне допустимого значения для выбранного двигателя.
ЭДС преобразователя при угле управления α = 0:
![]()
![]()
Минимальная суммарная (эквивалентная) индуктивность якорной цепи по условию ограничения пульсаций выпрямленного тока:
, где
kU - коэффициент пульсаций напряжения (для трехфазной мостовой схемы принимаем kU =0,13),
р - пульсность преобразователя (для мостовой трехфазной схемы р = 6)
![]()
Расчетная индуктивность сглаживающего реактора:
![]()
![]()
Так как расчетная индуктивность оказалась отрицательной, сглаживающий реактор не требуется. Собственной индуктивности якорной цепи достаточно для ограничения пульсаций тока.
2.4 принципиальная электрическая схема силовой части
Принципиальная схема выбирается по [4]. Для номинального тока Iном = 320 А выбираем схему, приведенную на рис. 1.3 [4]:

Рисунок 5. Силовая часть однодвигательного электропривода серии КТЭУ, I ном = 320 А.
На рисунке 5 приведена схема силовой части электропривода с номинальным током 320, 500 А. Защитные автоматические выключатели QF1, QF2 установлены последовательно с тиристорами. Для неоперативного отключения электродвигателя от тиристорного преобразователя (ТП) используется рубильник QS. Силовой трансформатор ТМ присоединяется к высоковольтной сети 6 или 10 кВ через шкаф высоковольтного ввода (ШВВ). При напряжении питания 380 В ТП подключается к сети через анодные реакторы LF и автоматические выключатели QF3, QF4.
3. Математическая модель силовой части электропривода
3.1 расчет эквивалентных параметров системы
Главную цепь системы «тиристорный преобразователь - двигатель» можно представить в виде схемы замещения (рис.6.). В главной цепи действуют ЭДС преобразователя Ed и ЭДС якоря двигателя ЕЯ. На схеме замещения показаны:
Rя,- активные сопротивления якорной цепи двигателя;
2RT - активные сопротивления двух фаз трансформатора;
Rg - фиктивное сопротивление обусловленное коммутацией тиристоров;
LЯ - индуктивность якорной цепи двигателя;
2LT - индуктивность двух фаз трансформатора.
![]() |
Направления тока и ЭДС соответствуют двигательному режиму электропривода (см. рис.6.).
От полной схемы можно перейти к эквивалентной схеме, где все индуктивности объединяются в одну эквивалентную индуктивность LЭ, а все активные сопротивления в одно эквивалентное сопротивление RЭ.
![]() |
Определим параметры силовой части в абсолютных (т.е. физических) единицах
Рисунок 7. Эквивалентная расчетная схема системы ТП-Д.
Фиктивное активное сопротивление преобразователя обусловленное коммутацией тиристоров:
![]()
![]()
Эквивалентное сопротивление якорной цепи:
![]()
![]()
Эквивалентная индуктивность якорной цепи:
, ![]()
Электромагнитная постоянная времени якорной цепи:

![]()
Коэффициент передачи преобразователя:
, где
Uy max = 10 В - максимальное напряжение управления СИФУ.
![]()
3.2 Выбор базисных величин системы относительных единиц
При рассмотрении модели силовой части электропривода как объекта управления параметры и переменные электропривода удобно перевести в систему относительных единиц. Переход к относительным единицам осуществляется по формуле:
,
Где, y - значение величины в системе относительных единиц; Y - значение физической величины в исходной системе единиц; Yб - базисное значение, выраженное в той же системе единиц, что и величина Y.
Принимаем следующие основные базисные величины силовой части электропривода: базисное напряжение для силовой части:
![]()
Базисный ток для силовой части:
![]()
Базисная скорость:
![]()
Базисный момент:
![]()
Базисный магнитный поток:
Фб=ФN=3,58
Базисное напряжение для системы регулирования (принято):
![]()
Базисный ток для системы регулирования (принято):
=0,5мА
Базисное сопротивление для системы регулирования:
![]()
![]()
3.3 Расчет параметров силовой части электропривода в относительных единицах
На рис. 8. показана структурная схема модели силовой части электропривода как объекта управления. Переменные модели выражены в относительных единицах. В модель входят следующие звенья:
- тиристорный преобразователь (ТП) - пропорциональное звено с коэффициентом передачи kП;
- главная цепь (ГЦ) - апериодическое звено с электромагнитной постоянной времени Т3 и коэффициентом передачи, равным
, т.е. эквивалентной проводимости главной цепи в относительных единицах;
- механическая часть (МЧ) - интегрирующее звено с механической постоянной времени Tj;
- звенья умножения на магнитный поток
(поток рассматривается в модели как постоянный параметр).
Входные величины модели представляют собой управляющее воздействие UУ (сигнал управления на входе преобразователя) и возмущающее воздействие mC (момент статического сопротивления на валу двигателя).
Переменными модели являются:
- ЭДС преобразователя ed;
- ЭДС якоря двигателя ея;
- ток якоря двигателя iя;
- электромагнитный момент двигателя m;
- угловая скорость двигателя
.
![]() |
Рис.8. Структурная схема объекта управления
Далее используем следующие переменные в относительных единицах (о.е.):
Напряжение управления преобразователя в о.е.:

ЭДС преобразователя в о.е.:

ЭДС якоря двигателя в о.е.:

Ток якоря в о.е.:

Момент статического сопротивления в о.е.:

Скорость двигателя в о.е.:

Определим параметры объекта управления в относительных единицах:
Эквивалентное сопротивление якорной цепи в о.е.:
![]()

Коэффициент передачи преобразователя в о.е.:
![]()
![]()
Сопротивление цепи якоря двигателя:
![]()
![]()
Магнитный поток двигателя:
,
где
φ - магнитный поток в о.е. (при однозонном регулировании скорости φ = 1).
![]()
3.4 Расчет коэффициентов передачи датчиков
Рассчитаем коэффициенты передачи датчиков в абсолютных единицах так, чтобы при максимальном значении величины, измеряемой датчиком, напряжение на выходе датчика было равно базисному напряжению регулирующей части.
Коэффициент передачи датчика тока:
![]()
![]()
IЯ(max) - максимальный ток якоря по перегрузочной способности двигателя. Максимальный ток определяется по формуле
![]()
Коэффициент передачи датчика напряжения:
![]()
![]()
4. Выбор типа системы управления электроприводом
В курсовом проекте проектируется аналоговая система управления электроприводом. Система управления строится по принципу подчиненного регулирования координат.
Каждый электропривод снабжается системой автоматического регулирования (САР), предназначенной для изменения по заданному закону основной координаты электропривода, регулирования и ограничения промежуточных координат. В системе регулирования скорости основной координатой является скорость двигателя, а промежуточной — ток якоря. В САР основной координатой является положение исполнительного органа механизма, а скорость и ток — промежуточными.
Система регулирования замкнутая (с обратной связью), т.е. заданное значение координаты сравнивается с фактическим и их разность, усиленная и преобразованная в регуляторе, в конечном счете воздействует на вход СИФУ тиристорного преобразователя якоря или возбуждения электродвигателя. Системы построены по принципу подчиненного регулирования, в соответствии с которым САР разбивается на несколько контуров, один из этих контуров является внешним, на его входе сравниваются задание и фактическое значение основной координаты. Выход внешнего контура является задающим сигналом для промежуточного контура, на входе которого сравниваются выходной сигнал внешнего контура и фактическое значение промежуточной координаты, и т.д., а выход внутреннего контура воздействует на вход СИФУ.
Выбор структуры системы управления электропривода производится с учетом требований технического задания на электропривод. Основными требованиями к электроприводу являются: поддержание заданной скорости вращения электропривода (с учетом требуемых диапазона регулирования скорости, допустимой статической погрешности поддержания скорости), величина токоограничения при упоре, ускорение электропривода при пуске.
В качестве внутреннего контура принимаем контур регулирования тока якоря. Он применяется, если требуется обеспечить:
-ограничение тока якоря допустимым значением при перегрузках электропривода;
- пуск или торможение электропривода с максимально возможным темпом;
- дополнительную коррекцию во внешнем контуре регулирования скорости.
В качестве внешнего контура принимаем контур регулирования скорости.
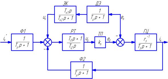
Рассмотрим функциональную схему системы управления электроприводом (рис 9). Система управления электроприводом представляет собой двухконтурную систему автоматического регулирования (САР) скорости. Внутренним контуром системы является контур регулирования тока якоря, внешним и главным контуром - контур регулирования скорости.
Для проектируемого электропривода выбираем однократную систему регулирования скорости. Однократная САР скорости по сравнению с двукратной не обладает астатизмом по возмущающему воздействию (моменту сопротивления), однако для проектируемой системы обеспечение такого астатизма не требуется. Однократная САР скорости обладает лучшими динамическими свойствами по сравнению с двукратной САР. Для контуров регулирования тока якоря и скорости применяется настройка на модульный оптимум. Данную настройку обеспечивают пропорционально-интегральный регулятор тока (РТ) и пропорциональный регулятор скорости (PC). Плавное ускорение и замедление привода обеспечиваются с помощью задатчика интенсивности (ЗИ). Для разгона или торможения привода задатчик интенсивности формирует линейно изменяющийся во времени сигнал задания на скорость.
Сигналы обратных связей поступают в систему регулирования от датчиков тока якоря (ДТ), напряжения якоря (ДН) и скорости (ДС). Датчики состоят из измерительного элемента и устройства согласования. Измерительным элементом для датчика тока якоря является шунт в цепи якоря Rш, для датчика напряжения - делитель напряжения Rд, для датчика скорости - тахогенератор (ТГ). Устройство согласования обеспечивает необходимый коэффициент передачи датчика и гальваническую развязку силовых цепей от цепей управления. Косвенный датчик ЭДС (ДЭ) вычисляет ЭДС якоря по сигналам датчиков тока и напряжения. Сигнал ЭДС через звено компенсации (ЗК) подается на вход регулятора тока, что требуется для компенсации отрицательного влияния ЭДС якоря на процессы в контуре тока.

Рис. 9 .Функциональная схема системы управления электроприводом
5. Расчет регулируемой части контура тока якоря
5.1 Расчет параметров математической модели контура тока
Рассмотрим структуру и выполним расчет параметров модели контура тока, используя систему относительных единиц. Структурная схема контура тока представлена на рис.10. В контуре тока находятся звенья регулятора тока (РТ), фильтра (Ф), тиристорного преобразователя (ТП) и главной цепи (ГЦ). На структурной схеме фильтр показан внутри контура, что эквивалентно наличию фильтра в цепи задания и обратной связи (см. рис.9). Обратная связь по току при рассмотрении относительных величин принимается единичной. На процессы в контуре тока влияет ЭДС якоря двигателя, которую можно считать возмущающим воздействием. При отсутствии ЭДС якоря (якорь неподвижен) в контуре тока можно рассматривать одно звено объекта управления с передаточной функцией:
![]()
В реальных САУ с подчиненным регулированием параметров величина Тμ лежит в пределах 0,004-0,01 с.
Для нашей системы выберем Тμ = 0,007 с.
Рис.10 . Структурная схема контура регулирования тока якоря.
При синтезе регулятора тока влияние ЭДС якоря не учитывается. Передаточная функция регулятора тока находится по условию настройки контура на модульный оптимум:
,
где
Получаем передаточную функцию ПИ-регулятора. Параметры регулятора тока находятся по следующим формулам:
Тi1 = Tэ = 0,04 с;
![]()
![]()
При выборе данной передаточной функции регулятора тока замкнутый контур тока будет описываться передаточной функцией фильтра Баттерворта II порядка:


Влияние ЭДС якоря приводит к появлению статической ошибки по току, что ухудшает качество системы. Для компенсации данного влияния вводится положительная обратная связь по ЭДС якоря. Структурная схема контура тока с компенсацией ЭДС представлена на рис. 11. При выносе фильтра из контура он должен оказаться в цепи задания на ток (Ф1), в цепи обратной связи по току (Ф2) и в цепи обратной связи по ЭДС, где его удобно объединить с датчиком ЭДС. Таким образом, датчик ЭДС имеет небольшую инерционность, что является необходимым, т.к. безынерционный датчик ЭДС реализовать невозможно.

Рис.11.Структурная схема контура тока с компенсацией ЭДС.
Компенсирующий сигнал Uк подается на вход регулятора тока, а не непосредственно в точку действия ЭДС якоря (между звеньями ТП и ГЦ). Поэтому влияние звеньев регулятора тока и преобразователя на прохождение компенсирующего сигнала необходимо устранить. Это достигается за счет включения в цепь обратной связи по ЭДС звена компенсации. Передаточная функция звена компенсации определяется по формуле:
, где
![]()
![]()
![]()
В результате компенсации ЭДС статическая ошибка по току устраняется.
ЭДС якоря двигателя недоступна для прямого измерения. Косвенный датчик ЭДС якоря использует сигналы тока и напряжения якоря. Связь меж-ду током, напряжением и ЭДС якоря следует из уравнения электрического равновесия для якорной цепи. В области изображений по Лапласу это уравнение имеет вид:
![]()
Реализовать датчик ЭДС в полном соответствии с данным уравнением невозможно, т.к. требуется идеальное форсирующее звено. Поэтому внесем в датчик инерционное звено с постоянной времени Тµ. В результате уравнение датчика ЭДС принимает вид:
5.2 Реализация датчика ЭДС
ЭДС якоря двигателя, в отличие от тока якоря и скорости, недоступна для прямого измерения. Датчик косвенного измерения ЭДС якоря использует сигналы датчика тока якоря и датчика напряжения на якоре двигателя. Связь между током якоря, напряжением якоря и ЭДС якоря устанавливает уравнение электрического состояния равновесия в якорной цепи. В операторном виде оно имеет вид:
, где
![]()
В результате компенсации ЭДС статическая ошибка по току устраняется.
ЭДС якоря двигателя недоступна для прямого измерения. Косвенный датчик ЭДС якоря использует сигналы тока и напряжения якоря. Связь между током, напряжением и ЭДС якоря следует из уравнения электрического равновесия для якорной цепи. В области изображений по Лапласу это уравнение имеет вид:
![]()
Реализовать датчик ЭДС в полном соответствии с данным уравнением невозможно, т.к. требуется идеальное форсирующее звено. Поэтому внесем в датчик инерционное звено с постоянной времени Тµ. В результате уравнение датчика ЭДС принимает вид:
![]()
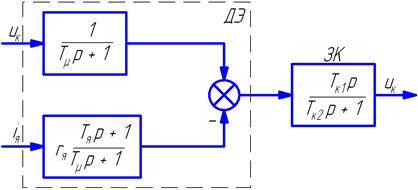
Данному уравнению соответствует структурная схема датчика ЭДС структурная схема датчика ЭДС, показанная на рис12. Также показано звено компенсации.

Рис. 12. Структурная схема датчика ЭДС и звена компенсации.
5.3 Конструктивный расчет датчика эдс и звена компенсаци
В аналоговых системах автоматического управления электроприводами реализация регуляторов и других преобразователей сигналов осуществляется на базе операционных усилителей.
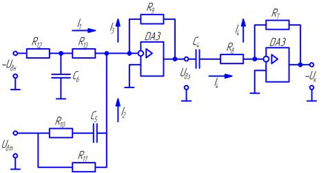
Принципиальная схема датчика ЭДС и звена компенсации показана на рис. 13. Фильтр в канале напряжения реализуется на элементах R12, R13, С6. Форсирующее звено в канале тока реализуется на элементах R10, R11, С5. Операционный усилитель DA3 предназначен для суммирования сигналов в датчике ЭДС, что осуществляется путем суммирования токов I1 и I2. Звено компенсации выполнено на операционном усилителе DA2. Элементы входной цепи и цепи обратной связи усилителя DA2 R8, R7, С4 обеспечивают реализацию свойств реального дифференцирующего звена.

Рис.13 . Принципиальная схема датчика ЭДС и звена компенсации
На рис. 14. представлена структурная схема для абсолютных величин токов и напряжений, которая соответствует принципиальной схеме, показанной на рис,13. При ее составлении было принято, что сопротивления R12 и R13 одинаковы.

Рис.14. Структурная схема датчика ЭДС и звена компенсации для абсолютных величин
От структурной схемы для абсолютных величин перейдем к структурной схеме для относительных величин (рис.15). На данной схеме показаны относительные коэффициенты датчиков напряжения и тока. При переходе от абсолютных величин к относительным величинам в передаточных функциях входных цепей операционных усилителей появляется сопротивление Rбр. В передаточных функциях цепей обратной связи операционных усилителей появляются обратные величины 1/Rбр.

Рис.15. Структурная схема датчика ЭДС и звена компенсации для относительных величин
Сопоставляя структурные схемы, получим соотношения между параметрами математической модели датчика ЭДС и звена компенсации в относительных единицах и параметрами элементов принципиальной схемы. Необходимые коэффициенты передачи обеспечиваются при выполнении условий:
=
=1,
,
,
Требуемые значения постоянных времени обеспечиваются при:
0,5R12C6=R10C5= Tµ ,
(R10+R11)С5= Tµ ,
RбрС4= TК1 ,
R8С4= TК2.
Из записанных соотношений выразим и рассчитаем параметры элементов принципиальной схемы (сопротивления и ёмкости).
R12 = R13 =
= 20000
0,745/2 = 7,45 кОм;
R11 =
= 20000
0,396/0,067 = 118,21 кОм;
R9 = R7 = Rбр = 20 кОм;
C6 =
=0,007/(0,5
7450 )=1,88
10-6Ф = 1,88 мкФ;
C5 =
= (0,08-0,007)/118210 =6,17
10-7Ф= 0,62 мкФ;
R10 =
= 0,007/6,17
10-7=11345,21Ом = 11,35 кОм;
C4 =
= 0,11/20000=0,0000055 Ф= 5,5 мкФ;
R8 =
= 0,04/0,0000055 = 7272,73 Ом= 7,27 кОм.
6. Конструктивный расчет регулятора тока
На рис.16. показана принципиальная схема регулятора тока и его входных цепей. Регулятор тока выполнен на операционном усилителе DA1. Последовательное включение в цепь обратной связи усилителя DA1 сопротивления R1 и емкости С1 обеспечивает пропорционально-интегральный тип регулятора. На входе усилителя DA1 суммируются три сигнала, приходящие по каналам задания на ток, обратной связи по току и по каналу компенсации ЭДС, путем суммирования токов I1, I2 и I3. В цепи задания на ток и в цепи обратной связи по току установлены фильтры на элементах R2, Rз, С2 и R4, R5, Сз соответственно. Нелинейный элемент НЭ1 реализуется на стабилитронах VD1 и VD2.
.
Рис.16. Принципиальная схема регулятора тока и его входных цепей
На рис.17. представлена структурная схема для абсолютных величин токов и напряжений, которая соответствует принципиальной схеме, показанной на рис.16. При составлении структурной схемы предполагалось, что сопротивления R2 и R3, а также R4 и R5 одинаковы. От структурной схемы для абсолютных величин перейдем к структурной схеме для относительных величин (рис.18 ).

Рис.17. Структурная схема регулятора тока и его входных цепей для абсолютных величин

Рис.18. Структурная схема регулятора тока и его входных цепей для относительных величин
Сопоставляя структурные схемы (см. рис.11 и 18), получим соотношения между параметрами математической модели регулирующей части контура тока в относительных единицах и параметрами принципиальной схемы.
Для обеспечения единичных коэффициентов передачи в каналах задания тока, обратной связи по току и компенсации ЭДС должны выполняться условия
![]()
![]()
![]()
Требуемые значения постоянных времени обеспечиваются при выполнении условий:
0,5R2C2=0,5R4C3=Tµ
RбрC1=Ti2
R1C1=Ti1
Из записанных соотношений выразим и рассчитаем параметры элементов принципиальной схемы (сопротивления и ёмкости).
R6 = Rбр = 20 кОм;
R2 = R3 = 0,5Rбр = 10 кОм;
R4= R5 =
=20*0,396/2= 3,96 кОм;
С2 =
= 0,007/(0,5*10000) = 0,0000014 Ф=1,4 мкФ;
С3 =
= 0,007/(0,5*3960) = 3,54 мкФ;
С1 =
= 0,146/20000 = 0,0000073 Ф= 7,3 мкФ;
R1 =
= 0,04/0,0000073 = 5479,45 = 5,5 кОм.
7. Расчет регулирующей части контура скорости
7.1 Расчет параметров математической модели контура скорости
Рассмотрим структуру и выполним расчет параметров модели контура скорости, используя систему относительных единиц. Структурная схема контура регулирования скорости представлена на рис.19. Контур регулирования тока якоря при его настройке на модульный оптимум рассматриваем как одно звено с передаточной функцией (10). Контур скорости включает в себя звено регулятора скорости (PC), звено контура тока якоря (КТ), звено умножения на поток и звено механической части привода (МЧ). Обратная связь по скорости при рассмотрении относительных величин принимается единичной. На объект управления действует возмущающее воздействие — момент статического сопротивления, создаваемый нагрузкой на валу двигателя.

Рис.19. Структурная схема контура регулирования скорости
При синтезе регулятора скорости считаем, что момент статического сопротивления равен нулю (режим идеального холостого хода двигателя). При условии mC=0 объект управления в контуре скорости представляется одним звеном:
![]()
Передаточная функция регулятора скорости находится по условию настройки контура на модульный оптимум:
![]()
Получаем передаточную функцию П-регулятора. Коэффициент передачи регулятора скорости согласно находится по формуле

Однократная САР скорости является статической по возмущающему воздействию, поэтому в результате появления нагрузки на валу двигателя появляется статическая ошибка по скорости. Определим величину максимальной статической ошибки по скорости:
![]()
где mC(max)=2465,85 - максимальный по модулю статический момент на валу двигателя в относительных единицах (см. нагрузочную диаграмму двигателя).
7.2 Конструктивный расчет регулирующей части контура скорости

Принципиальная схема регулирующей части контура скорости представлена на рис.20. Регулятор скорости выполнен на операционном усилителе DA4. Суммирование сигнала задания на скорость и сигнала обратной связи по скорости осуществляется
Рис.20 .Принципиальная схема регулирующей части контура скорости путем суммирования токов I1 и I2. Включение в цепь обратной связи усилителя DA4 сопротивления R16 обеспечивает пропорциональный тип регулятора. Стабилитроны VD3, VD4 реализуют нелинейный элемент НЭ2.
На рис.21. показана структурная схема для абсолютных величин токов и напряжений, соответствующая принципиальной схеме на рис.20.

Рис.21. Структурная схема регулирующей части контура скорости доя абсолютных величин.
От структурной схемы для абсолютных величин перейдем к структурной схеме для относительных величин (рис.22).

Рис.22. Структурная схема регулирующей части контура скорости для относительных величин
Сопоставляя структурные схемы (см. рис.19 и 22), получим соотношения между параметрами математической модели регулирующей части контура скорости в относительных единицах и параметрами элементов принципиальной схемы.
Для обеспечения единичных коэффициентов передачи в каналах задания скорости и обратной связи по скорости должны выполняться условия:
,
Для обеспечения требуемого коэффициента передачи регулятора скорости должно выполняться условие:
![]()
,
Выразим и рассчитаем сопротивления R14, R15 и R16:
R14=Rбр=20 кОм,
R15= Rбр*kдс=20*0,174=3,48 кОм
R16= Rбр*kрс=20*13,21=264,2 кОм
8. Расчет задатчика интенсивности
8.1 Расчет параметров математической модели задатчика интенсивности
Задатчик интенсивности предназначен для формирования линейно изменяющегося во времени сигнала задания на скорость с определенным темпом. Структурная схема задатчика представлена на рис.23. Темп изменения выходного сигнала задатчика определяется уровнем ограничения Q нелинейного элемента (НЗ) и постоянной времени Ти интегратора (И).
Определим параметры математической модели задатчика интенсивности в относительных единицах.

Рис.23. Структурная схема задатчика интенсивности
Темп задатчика:
![]()
Уровень ограничения нелинейного элемента (принимается):Q=0,9.
Постоянная времени интегрирующего звена ЗИ:
ТИ=Q/A=0,9/4,27=0,211 c
Коэффициент передачи в линейной зоне нелинейного элемента (принимается) KЛ=100
8.2 Конструктивный расчет задатчика интенсивности
Принципиальная схема задатчика интенсивности представлена на рис.24. Нелинейный элемент реализуется на операционном усилителе DA7. Ограничение выходного сигнала обеспечивается за счет включения в цепь обратной связи усилителя DA7 стабилитронов VD5 и VD6. Интегратор реализуется на операционном усилителе DA6. Емкость С7 в цепи обратной связи усилителя DA6 определяет постоянную времени интегратора. Усилитель DA5 предназначен для инвертирования сигнала, чтобы обеспечить отрицательную обратную связь, охватывающую нелинейный элемент и интегратор (см. рис23.).

Рис. 24. Принципиальная схема задатчика интенсивности
На рис.25. показана структурная схема для абсолютных величин токов и напряжений, соответствующая принципиальной схеме на рис.24.

Рис.25. Структурная схема задатчика интенсивности для абсолютных величин.
От структурной схемы задатчика интенсивности для абсолютных величин перейдем к структурной схеме для относительных величин (рис.26).

Рис.26. Структурная схема задатчика интенсивности для относительных величин
Из сравнения структурных схем задатчика интенсивности (см. рис.23 и 26) получим соотношения между параметрами математической модели и параметрами элементов принципиальной схемы задатчика.
Для обеспечения требуемой постоянной времени интегратора должно выполняться условие
RбрC7=TИ,
Для обеспечения требуемого коэффициента передачи в линейной зоне нелинейного элемента должно выполняться условие
,
Остальные сопротивления в схеме задатчика должны быть таковы, чтобы обеспечить единичные коэффициенты передачи. Для этого должны выполняться следующие условия:
![]()
![]()
![]()
![]()
1
Из записанных соотношений выразим и рассчитаем параметры элементов принципиальной схемы (сопротивления и ёмкости):
C7= TИ/Rбр=0,211/20000=1,06*10-5Ф=10,6 мкФ
R20= Rбр*
=20*100=2Мом;
R17= R18= R19= R21= R22= Rбр= 20000 = 20 кОм
9. Литература
1. Задания и методические указания к выполнению курсового проекта по дисциплине «Автоматизированный электропривод».- Екатеринбург: Изд-во Рос.гос.проф.-пед.ун.-та, 2002.68с.
2.Ключев В.И. Теория электропривода: Учебник для вузов.-М.: Энергоатомиздат. 1985.-560 с.,ил.
3.Комплектные тиристорные электроприводы :Cправочник/ И.Х. Евзеров, А.С. Горбец, Б.И. Мошкович и др.;/Под. ред.кан.техн.наук В.М. Перельмутера..-М.: Энергоатомиздат, 1988. - 319с.
4. Тиристорные электроприводы серии КТЭУ мощностью до 2000 кВт/ И.Х. Евзеров, В.М. Перельмутера, А.А. Ткаченко.- М.: Энергоатомиздат, 1988. - 96с.: ил.- (Б-ка электромонтёра; Вып.606).
5.Чиликин М.Г., Сандлер А.С. Общий курс электропривода: Учебник. для вузов.- 6-е изд., доп. и перераб,- М.: Энергоиздат, 1981- 576 с.,ил.
Похожие рефераты:
Оборудование летательных аппаратов
Разработка электроприводов прессовых машин
Разработка ветроэнергетической установки
Расчет привода ТП-Д с реверсом по цепи возбуждения
Автоматизированная система управления климатом в тепличных хозяйствах
Автоматизированный электропривод грузового лифта
Автоматизированный электропривод механизма перемещения стола продольно-строгального станка
Конструирование электропривода
Расчет силового электропривода
Разработка цифрового электропривода продольной подачи токарно-винторезного станка
Исследование динамических свойств электропривода с вентильным двигателем



