| Похожие рефераты | Скачать .docx |
Курсовая работа: Резервуары с плавающей крышей
Министерство образования и науки Российской Федерации
Федеральное агентство по образованию ГОУ СПО
Чайковский промышленный – гуманитарный колледж
Осинский филиал
Курсовая работа
по дисциплине Строительные конструкции
на тему
Резервуары с плавающей крышей
Выполнил: Баянгулов
Эмиль Рафаилевич ,
группа СЭГГ – 31,
очное отделение, 3 курс
Проверил преподаватель:
Мансурова Ф.Н.
г.Оса, 2009 год
Введение
Значение трубопроводного транспорта в нефтегазовой отрасли. В настоящее время трубопроводы незаменимы при транспортировке нефти и газа на огромные расстояния от мест их добычи к местам потребления. При транспортировании газа и нефти по трубопроводам потери перекачиваемых продуктов (по сравнению с другими видами транспорта) минимальны благодаря высокой степени герметизации трубопроводов и перекачивающего оборудования. Непрерывность и равномерность подачи продукта по трубопроводу позволяет обеспечить ритмичную четкую работу производств, получающих топливо (или сырье) по трубопроводам. Отметим и такой важный фактор, как возможность быстрого строительства трубопроводов большой протяженности в самых сложных условиях. Ни автодороги, ни тем более железные дороги невозможно (при одинаковых затратах) построить в столь сжатые сроки, как трубопроводы. Поэтому и освоение газовых и нефтяных месторождений начинается значительно раньше, чем это было бы при других видах транспорта. При этом следует иметь в виду, что постройки одной дороги мало; необходим парк цистерн, резервуаров, локомотивов, и т.д., создание которого также требует времени.
Строительство любой дороги требует больших площадей земель, часто плодородных. Применяющиеся в настоящее время методы строительства трубопроводов позволяют практически полностью использовать в сельском хозяйстве землю вдоль трубопроводных трасс. Тем самым уменьшается изъятие земель из сельскохозяйственного производства.
Таким образом, значение трубопроводного транспорта будет возрастать, обеспечивая транспортными «перевозками» новые сферы.
1. Классификация нефтепроводов
По назначению нефтепроводы делятся на три группы: внутренние, местные и магистральные.
Внутренние нефтепроводы находятся внутри чего-либо: промыслов (внутрипромысловые), нефтебаз (внутрибазовые), нефтеперерабатывающих заводов (внутризаводские). Протяженность их невелика.
Местные нефтепроводы соединяют различные элементы транспортной цепочки: нефтепромысел и головную станцию магистрального нефтепровода, нефтепромысел и пункт налива железнодорожных цистерн либо судов. Протяженность местных нефтепроводов больше, чем внутренних, и достигает нескольких десятков и даже сотен километров.
К магистральным нефтепроводам (МНП) относятся трубопроводы протяженностью свыше 50 км и диаметром от 219 до 1220 мм включительно, предназначенные для транспортировки товарной нефти из районов добычи до мест потребления или перевалки на другой вид транспорта.
В зависимости от условного диаметра магистральные нефтепроводы подразделяются на 4 класса:
· I класс от 1000 до 1200 мм включительно;
· II класс от 500 до 1000 мм включительно;
· III класс от 300 до 500 мм включительно;
· IV класс менее 300 мм.
Кроме того, нефтепроводы делят на категории, которые учитываются при расчете толщины стенки, выборе испытательного давления, а также при определении доли монтажных сварных соединений, подлежащих контролю физическими методам.
2. Основные объекты и сооружения магистрального нефтепровода
Магистральный нефтепровод, в общем случае, состоит из следующих комплексов сооружений:
· подводящие трубопроводы;
· головная и промежуточные нефтеперекачивающие станции(НПС);
· конечный пункт;
· линейные сооружения.
Подводящие трубопроводы связывают источники нефти с головными сооружениями МНП.
Головная НПС предназначена для приема нефтей с промыслов, смешения или разделения их по сортам, учета нефти и её закачки из резервуаров в трубопровод.
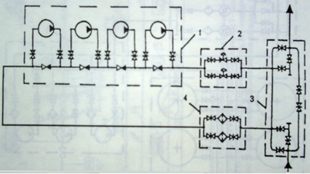
Принципиальная технологическая схема головной НПС приведена ниже. Она включает подпорную насосную 1, площадку фильтров и счетчиков 2, магистральную насосную 3, площадку регуляторов давления 4, площадку пуска скребков 5 и резервуарный парк 6. Нефть с промысла направляется на площадку 2, где сначала очищается в фильтрах-грязеуловителях от посторонних предметов, а затем проходит через турбинные расходомеры, служащие для оперативного контроля за её количеством. Далее она направляется в резервуарный парк 6, где производится её отстаивание от воды и мехпримесей, а также осуществляется коммерческий учет. Для закачки нефти в трубопровод используются подпорная 1 и магистральная 3 насосные. По пути нефть проходит через площадку фильтров и счетчиков 2(с целью оперативного учета), а также площадку регуляторов давления 4(с целью установления в магистральном нефтепроводе требуемого расхода). Площадка 5 служит для запуска в нефтепровод очистных устройств – скребков.

1 – подводящий трубопровод; 2 – головная нефтеперекачивающая станция; 4 – конечный пункт; 5 – линейная часть; 6 – линейная задвижка; 7 – дюкер; 8 – надземный переход; 9 – переход под автодорогой; 10 – переход под железной дорогой; 11 – станция катодной защиты; 12 – дренажная установка; 13 – дом обходчика; 14 линия связи; 15 – вертолетная площадка; 16 – вдольтрассовая дорога.
Головная НПС располагается вблизи нефтепромыслов.
Промежуточные НПС служат для восполнения энергии, затраченной потоком на преодоление сил трения, с целью обеспечения дальнейшей перекачки нефти. Промежуточные НПС размещают по трассе трубопровода согласно гидравлическому расчету (через каждые 50…200 км).
Принципиальная технологическая схема промежуточной НПС приведена ниже. Она включает магистральную насосную 1, площадку регуляторов давления 2, площадку пуска и приема скребков 3, а также площадку с фильтрами-грязеуловителями 4. Нефть, поступающая из магистрального трубопровода, сначала проходит через фильтры-грязеуловители, затем приобретает в насосах энергию, необходимую для дальнейшей перекачки, и после регулирования давления на площадке 2 закачивается в следующий участок магистрального нефтепровода.

1 – магистральная насосная; 2 – площадка регуляторов давления; 3 – площадка приема и пуска скребка; 4 – площадка с фильтрами-грязеуловителями
Кроме технологических сооружений на головной и промежуточных НПС имеются механическая мастерская, понизительная электроподстанция, котельная, объекты водоснабжения и водоотведения, подсобные и административные помещения и т.д.
Конечным пунктом магистрального нефтепровода обычно является нефтеперерабатывающий завод или крупная перевалочная нефтебаза.
На магистральных нефтепроводах большой протяженности организуются эксплуатационные участки длиной от 400 до 600 км. Граница между эксплуатационными участками обязательно проходит через промежуточные НПС. Промежуточная НПС, находящаяся в начале эксплуатационного участка, является для него «головной» НПС, а промежуточная НПС, находящаяся в конце эксплуатационного участка-«конечным пунктом» для него. Состав сооружений промежуточных НПС, расположенных на концах эксплуатационного участка, отличается от обычных наличием резервуарных парков. Таким образом, магистральный нефтепровод большой протяженности состоит как бы из нескольких последовательно соединенных нефтепроводов протяженностью не более 600 км каждый.
К линейным сооружениям магистрального нефтепровода относятся:
1. собственно трубопровод (или линейная часть);
2. линейные задвижки;
3. средства защиты трубопровода от коррозии (станции катодной и проекторной защиты, дренажные установки);
4. переходы через естественные и искусственные препятствия (реки, дороги и т.п.);
5. линии связи;
6. линии электропередачи;
7. дома обходчиков;
8. вертолетные площадки;
9. грунтовые дороги, прокладываемые вдоль трассы трубопровода.
Собственно трубопровод – основная составляющая магистрального нефтепровода – представляет собой трубы, сваренные в «нитку», оснащенные камерами приема и пуска скребков, разделителей, диагностических приборов, а также трубопроводы-отводы.
Минимальное заглубление трубопроводов до верха трубы должно быть не менее(м):
· при обычных условиях прокладки 0,8;
· на болотах, подлежащих осушению 1,1;
· в песчаных барканах 1,0;
· в скальных грунтах, болотистой местности при отсутствии проезда автотранспорта и сельхозмашин 0,6;
· на пахотных и орошаемых землях 1,0;
· при пересечении каналов 1,1.
Линейные задвижки устанавливаются по трассе трубопровода не реже чем через 30 км, с учетом рельефа местности таким образом, чтобы разлив нефти в случае возможной аварии был минимальным. Кроме того, линейные задвижки размещаются на выходе из НПС и на выходе в них, на обоих берегах пересекаемых трубопроводом водоемов, по обеим сторонам переходов под автомобильными и железными дорогами.
Станции катодной защиты располагаются вдоль трассы трубопровода в соответствии с расчетом. Протекторная защита применяется в местах, где отсутствуют источники электроснабжения. Дренажные установки размещаются в местах воздействия на трубопровод блуждающих токов (линии электрифицированного транспорта, линии электропередач и др.).
При переходах через водные преграды трубопроводы, как правило, заглубляются ниже уровня дна. Для предотвращения всплытия на трубопроводах монтируют чугунные или железобетонные утяжелители (при-грузы) различной конструкции. Кроме основной укладывают резервную нитку перехода того же диаметра. На пересечениях железных и крупных шоссейных дорог трубопровод укладывают в патроне (кожухе) из труб, диаметр которых не менее, чем на 200 мм больше диаметра трубопровода. При пересечении естественных и искусственных препятствий применяют также надземную прокладку трубопроводов (на опорах либо за счет собственной жесткости трубы).
Вдоль трассы трубопровода проходят линии связи, линии электропередачи, а также грунтовые дороги.
Линии связи, в основном, имеют диспетчерское назначение. Это очень ответственное сооружение, т.к. обеспечивает возможность оперативного управления согласованной работой перекачивающих станций на расстоянии нескольких сот километров. Прекращение работы связи, как правило, влечет за собой остановку перекачки по трубопроводу.
Линии электропередач служат для электроснабжения перекачивающих станций, станций катодной защиты и дренажных установок.
По вдоль трассовым дорогам перемещаются аварийно-восстановительные бригады, специалисты электрохимической защиты, обходчики и др.
Вертолетные площадки предназначены для посадок вертолетов, осуществляющих патрулирование трассы трубопровод.
На расстоянии 10-20 км друг от друга вдоль трассы размещены дома обходчиков. В обязанности обходчика входит наблюдение за исправностью своего участка трубопровода.
3. Трубы для магистральных нефтепроводов
Трубы магистральных нефтепроводов (а также нефтепродуктопроводов и газопроводов) изготавливают из стали, т.к. это экономичный, прочный, хорошо сваривающийся и надежный материал.
По способу изготовления трубы для магистральных нефтепроводов подразделяются на бесшовные, сварные с продольным швом и сварные со спиральным швом. Бесшовные трубы применяют для трубопроводов диаметром до 529 мм, а сварные – при диаметрах 219 мм и выше.
Наружный диаметр и толщина стенки труб стандартизированы. В качестве примера ниже приведен сортамент наиболее распространенных электросварных труб.
В связи с большим разнообразием климатических условий при строительстве и эксплуатации трубопроводов трубы подразделяют на две группы: в обычном и в северном исполнении. Трубы в обычном исполнении применяют для трубопроводов, прокладываемых в средней полосе и в южных районах страны (температура эксплуатации 0 С и выше, температура строительства -40 С и выше). Трубы в северном исполнении применяются при строительстве трубопроводов в северных районах страны (температура эксплуатации -20…-40 С, температура строительства -60 С). В соответствии с принятым исполнением труб выбирается марка стали.
Трубы для магистральных нефтепроводов изготавливают из углеродистых и низколегированных сталей.
Основными поставщиками труб большого диаметра (529…1220 мм) для магистральных трубопроводов являются Челябинский трубопрокатный, Харцызский трубный, Новомосковский металлургический и Волжский трубный заводы.
4. Трубопроводная арматура
Трубопроводная арматура предназначена для управления потоками нефти, транспортируемыми по трубопроводам. По принципу действия арматура делится на три класса: запорная, регулирующая и предохранительная.
Запорная арматура (задвижки) служит для полного перекрытия сечения трубопровода, регулирующая (регуляторы давления) – для изменения давления или расхода перекачиваемой жидкости, предохранительная (обратные и предохранительные клапаны) – для защиты трубопроводов и оборудования при превышении допустимого давления, а также предотвращения обратных токов жидкости.
Задвижками называются запорные устройства, в которых проходное сечение перекрывается поступательным перемещением затвора в направлении, перпендикулярном направлению движения нефти. Конструктивно задвижка представляет собой цельный литой или сварной корпус, снабженный двумя патрубками для присоединения к трубопроводу помощью фланцев или сварки) и шпиндель, соединенный с запорным элементом и управляемый с помощью маховика или специального привода. Место выхода шпинделя из корпуса герметизируется с помощью сальникового уплотнения. По конструкции уплотнительного затвора задвижки делятся на клиновые и параллельные. На магистральных нефтепроводах задвижки оснащают электроприводом.

Задвижка 30с64нж
нефтепровод магистральный труба резервуар
Регуляторами давления называются устройства, служащие для автоматического поддержания давления на требуемом уровне. В соответствии с тем, где поддерживается давление – до или после регулятора, различают регуляторы типа «до себя» и «после себя».
Предохранительными клапанами называются устройства, предотвращающие повышение давления в трубопроводе сверх установленной величины. На нефтепроводах применяют мало- и полноподъемные предохранительные клапаны закрытого типа, работающие по принципу сброса части жидкости из места возникновения повышенного давления в специальный сборный коллектор.
5. Резервуары специальных конструкций
Из резервуаров специальных конструкций наиболее целесообразно применение резервуаров с понтонами, плавающими крышами и резервуаров, рассчитанных на повышенное давление.

Рис. 68. Резервуар с плавающей крышей
1 – верхний настил крыши; 2 – нижний настил крыши;
3 – днище; 4 – подвижная лестница
Резервуар с плавающей крышей (рис. 68) – это вертикальный стальной резервуар, внутри которого на поверхности нефтепродукта находится плавающая крыша – понтон. По окружности между стенками резервуара и понтона имеется уплотняющий затвор, доводящий площадь испарения нефтепродукта до самых минимальных размеров.
В мировой практике насчитывается до 200 типоразмеров уплотняющих затворов, которые можно подразделить на жесткие и мягкие (рис.69).

Рис.69. Мягкие уплотняющие затворы:
а – петлевой; б – в виде упругой резинотканевой оболочки;
в – то же, с неполиуретановым наполнителем
Жесткий (механический) затвор состоит из металлических элементов рычажного типа, мягкие (эластичные) затворы выполняются из прорезиненной ткани, пенополиуретана и т.п. В зависимости от конструктивного решения и материала мягкие затворы можно подразделить на губчатые, жидкостные и воздушные. В губчатом затворе уплотнение происходит за счет упругих свойств губчатого материала (пенополеуритана), в жидкостном – за счет массы жидкости, находящейся в мягком мешке, в воздушном – за счет упругих свойств воздуха, находящегося под определенным давлением в замкнутом пространстве.
Следует отметить, что при использовании мягких затворов с различным заполнением требуется тщательное наблюдение за постоянством давления среды, находящейся в мягком мешке. Без этого не может быть обеспечена надежная герметичность затвора. Эксплуатация таких затворов довольно сложна.
Жесткие затворы также недостаточно надежны и требуют частого осмотра. Некоторые детали затвора подвержены коррозии ( в зависимости от климатических условий и агрессивности хранимого нефтепродукта) и заменяются через несколько лет службы.
В районах с большой сейсмичностью вообще не следует применять механические затворы. Так, например, в Японии при сильном землетрясении в 1964 г. Больше всего пострадали резервуары с плавающими крышами и жесткими затворами. Из-за разрушения затворов вспыхнула нефть и резервуары были уничтожены, а в то время резервуары с мягкими затворами почти не пострадали.
Из всех разработанных конструкций затворов наиболее простой и достаточно надежной является конструкция петлеобразного затвора (рис. 69,а). Затвор изготовляется из хлопчатобумажной ткани – бельтинг, обрезиненной из двух сторон бензостойкой и морозостойкой резиной. Для герметизации между лепестками затвора располагается прокладка из полиамидной или неохлорвиниловой пленки.
Рычажный затвор для плавающих крыш (рис70) состоит из специальных шарнирно-стержневых систем, опирающихся на наружную вертикальную стенку плавающей крыши, и прикрепленного к ним вертикального разрезного листа толщиной 2,5 мм и высотой 880 мм. Этот лист во время вертикального перемещения плавающей крыши скользит по внутренней поверхности стенки резервуара. Зазор между нижней частью листа и вертикальной стенкой плавающей крыши перекрыт мембраной из специальной ткани. Во избежание попадания в затвор снега и дождя зазор между подвижным листом и наружным краем плавающей крыши перекрыт тонким стальным щитком, который перемещается вместе с затвором. Для возможности обслуживания плавающей крыши используется катающаяся лестница, которая одним концом через шарнир опирается на верхнюю площадку резервуара, соединенную с наружной лестницей резервуара, а вторым, снабженным катком, по направляющим перемещается в горизонтальной плоскости (при вертикальном перемещении плавающей крыши).

Рис. 70. Устройство уплотняющего затвора резервуара с плавающей крышей: 1 – лист уплотняющего затвора; 2 – фартук уплотнения из ткани;3 – подвеска листа уплотнения;4 – стенки резервуара; 5 – качающаяся опора; 6 – рычаг; 7 – пружина; 8 – плавающая крыша
Техническая характеристика резервуаров с плавающей крышей вместимостью до 50 тыс. куб. метров.
Показатели |
Низкие перегрузки при вместимости (в тыс куб. м.) |
Высокие перегрузки при вместимости (в тыс. куб. м.) |
||||||
| 10 | 15 | 20 | 30 | 20 | 30 | 40 | 50 | |
| Геометрический объем, куб.м. | 10900 | 14800 | 21000 | 30300 | 22230 | 31260 | 44960 | 51113 |
| Диаметр, мм | 34200 | 39900 | 47400 | 56900 | 39900 | 47400 | 56900 | 60700 |
| Высота, мм | 11940 | 11940 | 11940 | 11940 | 17900 | 17900 | 17900 | 17900 |
| Масса, т | 198,18 | 256,16 | 351,53 | 497,1 | 395,4 | 531,3 | 726,7 | 827,1 |
| Расход металла на 1 куб.м. вместимости, кг | 18,2 | 17,0 | 17,5 | 16,9 | 19,1 | 18,25 | 17,35 | 17,35 |
Шарнирно-катающаяся лестница имеет специальное устройство, обеспечивающее независимо от угла наклона лестницы горизонтальность ее ступеней.
Плавающая крыша при предельном нижнем положении опирается на кронштейны, установленные на корпусе резервуара, или специальные стойки.
Характеристика стальных резервуаров с плавающими крышами вместимостью до 50 тыс. куб. м. приведена в таблице 19.
Корпус, днище резервуара или плавающая крыша изготавливаются в виде полотнищ и транспортируются к месту строительства свернутыми в рулон. Стенка резервуара двухслойная: внутренний слой состоит из 4 полотнищ и соединяется с днищем резервуара, наружный имеет два полотнища и приваривается к основному слою сплошным швом на высоте 100 мм от днища. Для удобства монтажа стальное кольцо плавающей крыши изготавливаются сборным и состоит из нескольких коробов.
Резервуары с неметаллическими понтонами
С целью экономии металла предложено металлические понтоны в резервуарах заменять понтонами из синтетических материалов. Конструкция таких понтонов разработана на все типоразмеры резервуаров вместимостью до 50 тыс. куб.м. НИИТранснефтью созданы понтоны из синтетических материалов для резервуаров вместимостью от 100 до 2000 куб.м. Об эффективности таких понтонов можно судить по резервуару вместимостью 1000 куб. м. Масса металлического понтона днем 6,7 т, а понтона из синтетических материалов – 2,9 т, в том числе масса металлических деталей составляет 1,6 т.
Понтоны сооружаются в резервуарах со стационарной щитовой кровлей, которая предотвращает попадание атмосферных осадков на поверхность понтона.
Конструкция понтона из синтетических материалов сборная (рис. 72).

Рис. 72 Понтон из синтетических материалов
1 – крепежные детали; 2 – сетка; 3 – поплавки; 4 – верхний и нижний ковры; 5 – уплотняющий затвор; 6 – кольцо жесткости
Верхний и нижний ковры 4 служат для отделения свободной поверхности нефтепродукта от газового пространства резервуара. Они изготавливаются из химически стойкой к углеводородам полиамидной пленки путем склейки или сварки токами высокой частоты. Верхний ковер устанавливается с уклоном от центра резервуара.
Уплотняющий затвор 5 предназначен для перекрытия зазора между понтоном и корпусом резервуара. Он изготавливается из бензомасло- и морозостойкой двусторонне обрезиненной материи и имеет форму петли. Длина каждой секции петли затвора равна длине секции уголка жесткости (до 6м).
Кольцо жесткости 6 предотвращает свертывание ковров и является основой, на которой монтируются уплотняющий затвор, поплавки, сетка и ковры.
Поплавки 3 обеспечивают плавучесть понтона. Они изготавливаются их химически стойкого к углеводородам плиточного пенопласта.
Сетка и вывод заземления служат для отвода статического электричества с поверхности нефтепродукта.
Понтон из синтетических материалов может быть применен в резервуарах нефтебаз, перекачивающих станций и нефтеперерабатывающих заводов при температурах нефтепродуктов до 60 градусов. Он может быть смонтирован как в строящихся , так и в эксплуатирующихся резервуарах со щитовой кровлей. Монтаж понтона производится внутри резервуара из предварительно собранных узлов без применения вспомогательных механизмов. Все детали и собранные узлы понтона вносят в резервуар через люк-лаз. Крепление узлов осуществляется резьбовыми соединениями. Отдельная секция весит до 50 кг.
Понтон можно установить в эксплуатирующихся резервуарах с покрытием из стропильных ферм при условии замены существующей кровли щитовой для сохранения полезного объема резервуара.
При осмотре обслуживающий персонал может перемещаться по периферийному кольцу поплавков. Отсутствие полых поплавков гарантирует понтон от затопления. Конструкция понтона позволяет монтировать в резервуаре приборы для замера уровня и отбора проб.
В свое время в СССР были разработаны неметаллические понтоны типа «Колесо» для резервуаров со щитовой кровлей и центральной стойкой и типа «Ковер» для резервуаров со сферической кровлей.
Понтон типа «Колесо» состоит из стального кольца шириной 0,8 – 1 м, расположенного по периметру резервуара, и центрального патрубка, внутренний диаметр которого позволяет пропускать центральную стойку резервуара. Кольцо и патрубок связаны между собой арматурной сталью. Вся система представляет собой каркас, внутреннее пространство которого перекрывается оболочкой из прорезиненной ткани.
Кольцо состоит из герметически сваренных стальных коробов, каждый из которых имеет два изолированных отсека, снабженных патрубком с крышкой для контроля герметичности отсеков. В нижней деке коробов имеется муфта с пробкой для удаления жидкости из отсека в случае нарушения его герметичности.
Оболочка из прорезиненной ткани, состоящая их отдельных элементов, свернутых в рулон, разворачивается на днище резервуара.
Монтажные стыки оболочки склеиваются и проверяются на плотность по технологии, разработанной заводом-изготовителем.
В понтоне типа «Ковер» отсутствует центральный патрубок и металлические устройства для связи стального кольца с центральным патрубком, так как резервуары со сферической кровлей не имеют центральной стойки.
В настоящее время накоплен опыт эксплуатации резервуаров вместимостью 10 тыс. куб.м. с неметаллическим понтоном. Затраты на установку неметаллических понтонов в резервуарах вместимостью 10 тыс. куб.м и выше окупаются в среднем за два года.
Резервуары повышенного давления
К резервуарам повышенного давления относятся вертикальные цилиндрические резервуары, в которых внутреннее давление выше 200 мм вод. ст., но не превышает 0,7 кгс/квадрат.см, в результате чего на них не распространяются правила по котлонадзору.
Отличительная особенность резервуаров повышенного давления заключается в том, что в них достигается полное устранение потерь от «малых дыханий» при внутреннем давлении в газовом пространстве 1000-2500 мм вод. ст.

Каплевидный резервуар:
1 – лестница; 2 – корпус; 3 – каркас; 4 – днище
5 – ребро жесткости; 6 – опорное кольцо лепестков, имеющих двоякую кривизну.
При помощи радиальных ребер нижняя часть оболочки (корпуса) опирается на кольцевую плиту. Жесткость оболочки придается внутренним каркасом, состоящем из ферм и косынок.
Каплевидные резервуары имеют напорный дыхательный и тарельчатый клапаны, пружинный вакуум-клапан с откидным шарнирным седлом, герметическую камеру для опускания лота с ручным приводом, прибор для отбора проб, огневой предохранитель, пружинный обратный клапан на сливной и расходной линиях, поплавковый прибор замера уровня, задвижку на зачистной линии, три газовые задвижки, паровой вентиль, термопару для жидкой и газовой среды, мановакуумметр, нижний и верхний лазы.
В нашей стране разработаны проекты новых резервуаров повышенного давления, из которых наиболее экономичны цилиндрический металлический резервуар с плоским днищем, анкерами и торосферической кровлей вместимостью до 5 тыс. куб. м и внутренним давлением до 2500 мм вод. ст. (типа «гибрид»), каплевидный цилиндрический резервуар вместимостью до 12 тыс.куб.м и давлением 4000 и 7000 мм вод. ст. (типа «цилиндроид»).
Резервуары с торосферической кровлей типа «гибрид» имеют плавное сопряжение кровли с корпусом, осуществленное за счет образования торовой вставки двоякой кривизны сферической кровле и цилиндрическим корпусом. Такая конструкция узла сопряжения кровли с корпусом создает наилучшие условия в работе, снижая дополнительные напряжения, так как в месте перехода возникают только осевые усилия при отсутствии изгибных напряжений. Корпус и днище резервуара типа «гибрид» монтируется из заводских рулонных заготовок. Кровлю можно монтировать отдельными лепестками, включающими торовую вставку.
Наиболее перспективный резервуары типа «цилиндроид». Оболчка такого резервуара при избыточном давлении и полном взливе продуктом работает только на растяжение, в результате чего при большей вместимоти можно применять листы толщиной 4-5 мм.
В отличие от конструкции каплевидных резервуаров типа «гибрид» конструкция резервуаров типа «цилиндроид» имеет неоспоримые преимущества.
1. При изменении объема все основные сечения остаются без изменения, увеличение объема происходит за счет добавления однотипных вставок в средней части (вместимость одной вставки около 1000 куб.м). В каплевидном резервуаре типа «гибрид» при изменении давления и объема меняются все основные параметры резервуара (диаметр, высота) и каждому объему соответствуют свой тип и сечение ребер каркаса и оболочки.
2. В резервуаре типа «цилиндроид» только два разнотипных элемента: торец и средняя вставка.
Шаровые резервуары
Шаровые резервуары предназначены для хранения легковоспламеняющихся жидкостей (изопентан, амилен, изоамилен) и сжиженных газов (бутан, бутилен, пропан и смеси этих продуктов).
Сферическая форма резервуаров по сравнению с другими формами, например цилиндрическими, наиболее эффективна по расходу стали и стоимости.
Наиболее современный способ сооружения резервуаров – сборка их укрупненных блоков-лепестков. Усовершенствованная технология монтажа сферических резервуаров позволяет предварительно собирать полусферой резервуаров в удобном положении.
Лепестки сферических резервуаров изготовляют на заводе максимально допустимых по условиям перевозки размеров. Сварка резервуаров осуществляется автоматически с вращением оболочки на манипуляторах. Опоры для шаровых резервуаров выполнены в виде вертикальных трубчатых стоек, примыкающих к оболочке по касательной, между стойками существуют крестовые связи. Число стоек кратно числу лепестков. Стойки опираются на железобетонный фундамент.
На резервуаре предусмотрена установка предохранительного клапана, приборов для отбора проб и замера уровня, незамерзающего клапана, термометров, патрубков для входа продукта уравнительной линии и бобышки для пропарки резервуара. Кроме того, на оболочке резервуара вверху имеется люк, внизу – лаз диаметром 500 мм.
Горизонтальные стальные резервуары
Горизонтальные стальные резервуары предназначены для хранения светлых нефтепродуктов и масел с плотностью до 1 т/м. куб. и рассчитаны на внутреннее давление паров в газовом пространстве не более 4000 мм вод. ст. и на вакуум не более 100 мм вод.ст.
Резервуары изготавляются:
· с плоскими днищами вместимостью 3, 5, 10, 25, 50, 75 м.куб. (для надземной и подземной установки);
· с конусными днищами вместимостью 25, 50 и 75 м/куб. (для надземной установки);
В зависимости от применяемой технологии изготовление корпуса и днища, а также размеров листов стали разработаны 48 вариантов типовых проектов резервуаров вместимостью от 3 до 75 м/куб. с плоскими днищами.
Горизонтальный резервуар, приведенный на (рис. 77) , можно использовать для светлых и темных нефтепродуктов.
Неметаллические резервуары
Разработка конструкции железобетонных резервуаров осуществляется в соответствии с «Указаниями по проектированию железобетонных резервуаров для нефти и нефтепродуктов (СН 326-65)».Технико-экономические расчеты показывают, что по геометрической форме наиболее оптимальными являются заглубленные цилиндрические резервуары вместимостью до 10 тыс. куб. м. Укрупнение вместимости отдельных резервуаров в парковой застройке приводит к существенному снижению стоимости строительства. Например, стоимость резервуарного парка, состоящего из резервуаров вместимостью 20-30 тыс. куб.м, по сравнению с резервуарным парком вместимостью резервуаров 10 тыс. куб.м ниже на 15-40 %, что зависит от общего объема парка. При этом расход металла снижается соответственно на 15-30%.
Классификация железобетонных резервуаров по конструкции может быть представлена следующим образом:
· резервуары полностью из сборного железобетона со сборными стенкой и покрытием и монолитным днищем, со сборным покрытием и монолитными днищем и стенками, целиком из монолитного железобетона;
· резервуары для хранения светлых нефтепродуктов и масел с обеспечением герметичности конструкции за счет металлической или неметаллической облицовки внутренней поверхности емкости;
При применении железобетонных резервуаров важно решить вопрос обеспечения герметичности их с учетом создания в газовом пространстве резервуаров избыточного давления не менее 200 мм вод. ст. (по прочностным свойствам избыточное давление может быть и значительно большим). Следует отметить, что сырая нефть и темные нефтепродукты практически не оказывают химического воздействия на бетон. Поры, имеющиеся в бетоне стен и днища, кальматируются нефтью и мазутом, что приводит к увеличению непроницаемости резервуаров. Следовательно, стены и днище резервуаров, предназначенных для хранения нефти и темных нефтепродуктов, не требуют специальной герметизации внутренней поверхности. Светлые нефтепродукты из-за незначительной вязкости свободно фильтруются через бетон, поэтому в данном случае требуется герметизация внутренней поверхности железобетонных резервуаров.
Существующие конструкции перекрытия железобетонных резервуаров не обладают достаточной герметичностью и не предотвращают проникновение паров нефтепродукта из резервуара в атмосферу, несмотря на более выгодный температурный режим для легкоиспаряющихся нефти и нефтепродуктов, хранимых в таких резервуарах. Отсутствие герметичности перекрытия не позволяет даже незначительно повышать давление в газовом пространстве резервуара.
Для повышения газонепроницаемости покрытия резервуаров рекомендуются следующие способы:
· создание на покрытии водяного экрана; для этого покрытие делается из плоских плит толщиной 100-120 мм с предварительно напряженной арматурой и добавкой в бетон жидкого стекла; после монтажа плит и замоноличивания швов все покрытие подвергается обжатию путем навивки арматуры на стенку резервуара в месте ее сопряжения с покрытием; слой воды в 100-150 мм, налитой на покрытие, пропитывает толщину бетона на 2-3 см и делает его газонепроницаемым;
· укладка на покрытие ковра из синтетического или резинотканевого материала (после укладки ковер засыпается слоем земли в 20-25 см);
· нанесение на внутреннюю поверхность покрытия изоляции из различных растворов и мастик;
· герметизация покрытия листовой сталью.
При строительстве подземных резервуаров сложной задачей является борьба со всплыванием резервуаров при высоком уровне грунтовых вод. Самое надежное средство борьбы со всплытием порожних резервуаров -заполнение их водой.
Резервуары из эластичных материалов
В нашей стране и за рубежом применяются резервуары из резино - тканевых и синтетических материалов, в том числе и стеклопластиков, для хранения и транспортировки нефтепродуктов.
Эти резервуары представляют собой замкнутую оболочку в виде подушки с вмонтированной в нее арматурой. Оболочка резервуара состоит из внутреннего масловодобензостойкого резинового слоя, полиамидной противодиффузионной пленки, капронового силового слоя и наружного атмосферостойкого резинового слоя.
Масловодобензостойкий резиновый слой предназначен для защиты оболочки резервуара от воздействия нефтепродуктов, обеспечения герметичности и возможности длительного хранения автомобильных бензинов, авиакеросина, дизельных топлив и масел при температурах до 50 градусов. Он изготовляется из специальной резины (на основе нитрильного каучука) толщиной 0,4 – 0,5 мм и обладает хорошей водостойкостью. Противодиффузионная пленка, стойкая ко всем сортам нефтепродуктов, предотвращает проникновение нефтепродуктов через резино-тканевый мате-
Риал. Капроновый слой предназначен для создания необходимой механической прочности стенки резервуара. Его толщина составляет 0,3-0,4 мм. Наружный атмосферностойкий резиновый слой толщиной 0,5-0,6 мм изготовляется из резины на основе наирита, предназначен для защиты резер -вуара от воздействия атмосферных агентов и служит также для предохранения оболочки резервуара от истирания и проколов. Общая толщина оболочки 1,5-1,9 мм.
При эксплуатации резино-тканевых резервуаров необходимо создавать условия, исключающие возможность прокола их острым предметом. Свертывание и развертывание резервуаров можно производить при температуре не ниже минус 30 градусов. Размещать резервуары можно на ровной песчаной, глинистой или другой площадке, а также на снегу и в болотистых местах. Пред заливом нефтепродукта резервуар должен быть осмотрен и проверен на герметичность опрессовкой воздухом под давлением 300 мм вод.ст. Если при этом в течение 30 минут давление упадет не более чем на 50 мм вод.ст., резервуар считается герметичным и может быть допущен к эксплуатации.
При заполнении резервуаров нефтепродуктами нужно периодически открывать воздушные патрубки. После заполнения резервуара нефтепродуктом воздушный патрубок должен быть закрыт пробкой.
При хранении в резино-тканевых резервуарах нефтепродуктов нужно следить за их качеством. При длительном хранении следует ежеквартально проверять в нефтепродукте содержание фактических смол. Все остальные показатели проверяются один раз в два квартала.
В жаркое время года (35 градусов и выше) резервуары, заполненные бензином, следует укрывать брезентом, поливать водой или принимать другие меры против их перегрева. Зимой с резервуаров необходимо систематически счищать снег.
Резервуары с теплоизоляцией
Многие нефтепродукты (мазуты, средние и тяжелые индустриальные масла, дизельные и моторные топлива и др.) обладают высокой вязкостью и застывают при низкой температуре окружающего воздуха. Для бесперебойного обеспечения потребителей нефтепродуктами необходимо поддержать стабильную положительную температуру в резервуарах с указанными нефтепродуктами. Для создания таких условий применяют теплоизоляцию. В качестве теплоизоляционных материалов до настоящего времени использовали кирпич, асбесто-цемент, шлаковаты и др. материалы.
Однако эти материалы имеют существенные недостатки: большую и среднюю плотность, сравнительно высокий коэффициент теплопроводности. Процесс наложения теплоизоляции на поверхность резервуаров из этих материалов сложен и трудоемок.
Из всех исследованных видов материалов наиболее приемлемым для применения в качестве теплоизоляционного слоя является пенополиуретан. Он стоек ко всем видам нефтепродуктов, может использоваться при температурах плюс 100 – минус 190 градусов, обладает незначительной гигроскопичностью , хорошей адгезией к металлу, низким коэффициентом теплопроводности, стоек к атмосферным воздействиям и вибрации, с течением времени практически не теряет теплоизоляционных свойств. Пенополиуретан трудно воспламеняется и горит только в присутствии пламени, при удалении последнего горение прекращается.
В зависимости от состава исходных компонентов пенополиуретан может быть эластичным и жестким. Технологический процесс получения и нанесения пенополиуретана на поверхность резервуара прост, осуществляется при помощи установки «Пена-1» и сводится к проведения следующих операций:
· подготовка изолируемой поверхности резервуара и монтаж подъемного сооружения;
· подготовка компонентов для получения пенополиуретана;
· подготовка установки «Пена-1» для производства работ по напылению;
· нанесению изоляционного слоя;
· проверка качества выполненных работ.
6. Практическая часть
1) определить собственный вес Т-да с внутренним диаметром 760 мм с толщиной стенки 1,5 см
![]() |
найти:
q= ?
Список использованной литературы
1. Проектирование и эксплуатация насосных и компрессорных станций : Учебник для вузов / А.М. Шаммазов, В.Н. Александров, А.И. гольянов и др.-Москва: ООО “Недра – Бизнесцентр”, 2003.
2. Транспорт и хранение нефти и газа/под ред. Н.Н. Константинова и П.И. Тугунова. – Москва: Недра , 1975.
3. Тетрадь по дисциплине “Строительные конструкции”
Похожие рефераты:
Анализ нефтесклада СХПК "Присухонское"
Резервуар объемом 50000 м3 для нефти в г. Новороссийске
Эксплуатация резервуарного парка нефтепродуктов ЛУКОЙЛ – ОНПЗ
Методика расследования хищения нефтепродуктов
Организация и тактика тушения пожаров на нефтепромысле г. Перми
СНиП 3-42-80 магистральные трубопроводы
Строительство резервуарного парка нефтеперерабатывающего завода
Диагностическое обследование и ремонт нефтепровода
Техническое обслуживание и ремонт оборудования (трубопроводы)
Геоэкологические проблемы трубопроводного транспорта
Транспортировка нефти по нефтепроводу в экологическом аспекте
Подготовка к капитальному ремонту резервуаров
Классификация и ремонт магистральных газопроводов, особенности эксплуатации
Деятельность Мамадышского предприятия по обеспечению нефтепродуктами (АО "Мамадышнефтепродукт")
Проект реконструкции цеха первичной переработки нефти и получения битума на ОАО «Сургутнефтегаз»
