| Похожие рефераты | Скачать .docx |
Реферат: Машины для производства бетонных работ
Государственное образовательное учреждение
Высшего профессионального образования
"Кузбасский государственный технический университет"
КАФЕДРА "СТРОИТЕЛЬНОГО ПРОИЗВОДСТВА И ЭКСПЕРТИЗА НЕДВИЖИМОСТИ"
КОНТРОЛЬНАЯ РАБОТА
Машины для производства бетонных работ
Выполнила:
студентка ІІ курса
КузГТУ Эсв-08
Проверил:
Кемерово 2010
Оглавление
1. Машины для приготовления бетонных и растворных смесей
2 .Машины и оборудование для транспортирования бетонных и растворных
3. Машины для укладки и уплотнения бетонных смесей
Список литературы
1. Машины для приготовления бетонных и растворных смесей
Приготовление бетонных смесей осуществляется на механизированных и автоматизированных районных и центральных заводах и на строительных площадках.
Бетонные установки (стационарные и мобильные)
| 1. Модульные бетонные заводы → | |
![]() |
Модульные стационарные бетонные заводы выполненные на фундаменте. Ленточным и скиповыми подъемниками. Зимнее и летнее исполнение. Бетоносмесители SICOMA, JS и по немецким технологиям. С силосами и без них. Лаборатории для исследования качества бетона и цемента. |
| 2. Мобильные бетонные заводы → | |
![]() |
Мобильные заводы: Буксируемые (на колесном шасси). Перевозимые (перевозятся с помощью автомобильной платформы). |
| 3. Приобъектное БРУ → | |
![]() |
БРУ - применяется непосредственно на строительной площадке не требует фундамента. Используется для заливки фундаментов и других монолитных элементов. А так же на мини строительствах например - строительство гаражей, катеджных домов и др. |
Для предотвращения потерь и сохранения качества смесей в пути следования используются специальные машины, авторастворовозы, автобетоновозы, автобетоносмесители, оснащённые технологическим оборудованием.
Районные бетонные заводы рассчитываются на срок службы примерно 20 лет и размещаются так, чтобы иметь возможность поставлять товарные смеси на объекты в радиусе 25-30 км. Такие заводы могут также выпускать "сухие" смеси (дозированные компоненты бетона без воды). Они обычно состоят из одной или нескольких типовых секций, каждая из которых рассчитана на самостоятельную работу.
Центральные бетонорастворные заводы размещаются непосредственно на крупных строительных площадках и рассчитываются на срок службы 5-6 лет. Такие заводы имеют сборно-разборную конструкцию, что облегчает их периодическое перебазирование на другие строительные площадки.

Рис.1. Бетоносмесительная установка: 1 - ковш загрузочного устройства; 2 - секторный склад; 3 - скрепер для подачи заполнителей; 4 - распределительное устройство; 5 ~ рама; 6 - расходный бункер для цемента; 7 - дозировочно-смесительный блок; 8 - питатель песка
Бетонные смеси приготавливают путем механического перемешивания их компонентов в смесительных машинах - бетоно и растворосмесителях, качество смеси - определяется точностью дозировки компонента и равномерностью их распределения между собой по всему объему смеси.
Технологический процесс приготовления смесей включает последовательно выполняемые операции: загрузку отдозированных компонентов (вяжущих, заполнителей и воды) в смесительную машину, смешивание компонентов и выгрузку готовой смеси. Смесители классифицируют по трем основным признакам:
характеру ра6оты;
по принципу смешивания;
по способу ycтановки.
По характеру работы различают смесительные машины периодического (циклического) и непрерывного действия. В смесителях цикличного действия перемешивание компонентов и выдача готовой смеси осуществляются отдельными порциями.

Рис.2 Схема перемешивания материалов в смесительных машинах
Каждая новая порция компонентов бетона или раствора может быть загружена в смеситель лишь после того, как из него будет выгружен готовый замес. Смесители цикличного действия обычно применяют при частой смене марок бетонных смесей или растворов. В них можно регулировать продолжительность смешивания.
В смесителях непрерывного действия загрузка компонентов, их перемешивание и выдача готовой смеси осуществляются одновременно и непрерывно. Отдозированные компоненты непрерывным потоком поступают в смеситель и смешиваются лопастями при продвижении от загрузочного отверстия к разгрузочному.
Готовая смесь непрерывно поступает в транспортные средства или расходный бункер.
Главным параметром смесительных машин цикличного действия является объем готового замеса (л), выданный за один цикл работы, смесителей непрерывного действия - объем готовой продукции (м'), выдаваемой машиной за 1 ч работы.
По принципу смешивания компонентов различают машины со смешиванием при свободном падении материалов (гравитационные) и с принудительным смешиванием (принудительного действия). В смесителях принудительного действия орбиты составляющих имеют вынужденный характер, в гравитационных свободный. Гравитационный смеситель вращается относительно горизонтальной или наклонной (под углом до 15°) оси барабана с лопастями на внутренней поверхности.
Лопасти непрерывно подхватывают и поднимают компоненты смеси на определенную высоту, при достижении которой они свободно падают потоком с лопастей под действием силы тяжести: смешивание происходит в результате столкновения падающих потоков компонентов. Смесители с горизонтальными смесительными валами называют лотковыми, с вертикальными валами - тарельчатами.
По способу установки смесители подразделяют на передвижные и стационарные. Передвижные смесители используют при небольших объемах строительных и ремонтно-строительных работ на рассредоточенных объектах, а стационарные входят в состав технологических линий 6етонорастворосмесительных установок средней и 6ольшой производительности бетонных и растворных заводов.
Цикличные смесители делят на следующие типы:
БП - бетоносмесители принудительного действия роторные для приготовления жестких и подвижных бетонных смесей и растворов; а также смесей из сухих составляющих;
БГ - бетоносмесители гравитационные для приготовления подвижных бетонных смесей с осадкой конуса более 3 см;
БП-2Г - бетоносмесители принудительного действия с двумя горизонтальными валами;
РН - растворосмесители низкоо6оротные для приготовления всех видов раствором, за исключением специальных;
РВ - растворосмесители высокооборотные для приготовления строительных растворов (кроме быстросхватывающихся и специальных, в том числе активизированных и расслаивающихся), а также конструктивно-теплоизоляционных керамзитобетонных смесей.
Гравитационные смесители предназначены для приготовления подвижных смесей и выпускаются передвижными и стационарными, цикличного и непрерывного действия.
Передвижные гравитационные цикличные смесители имеют объем готового замеса 65.165 и 330 л и применяются в качестве самостоятельных машин для приготовления подвижных 6сгонных смесей с крупностью заполнителя до 70 мм и строительных растворов на объектах с небольшими и средними объемами работ.
Смесители с объемом готового замеса 65 л выпускают на колесном ходовом устройстве, с объемом 165 и 330 на полозьях.

Рис.3. Передвижной гравитационный смеситель с объемом готового замеса 65л.
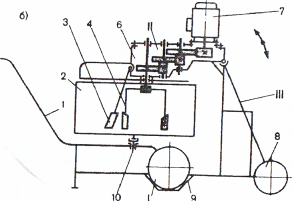
Смеситель (рис.3а) с объемом готового замеса 65 Л состоит из грушевидного смесительного барабана 1, на внутренней поверхности которого закреплены три сменные перемешивающие лопасти привода 3, приводящего смесительный барабан во вращение, рамы 4 с колесным ходом и механизм поворота (наклона) барабана с фиксирующим устройством. Вращение барабану сообщается от электродвигателя 7 (рис.3б") через клиноременную передачу б и двухступенчатый цилиндроконический редуктор 5. Барабан 4 жестко закреплен на тихоходном вату редуктора и вращается с частотой 27 мин-I . При загрузке компонентов и их смешивании барабан наклонен к горизонту под углом 12°, а при выгрузке готовой смеси - под углом 40°, исходные материалы загружают в смеситель вручную, а выгружают готовую смесь, опрокидывая вращающийся барабан отверстием вниз. Смеситель может выдавать до 2 мз /ч при 30 циклах в 1 ч. Перевод барабана из положения загрузки и смешивания в положение выгрузки осуществляют вручную с помощью рукоятки управления, установленной на корпусе редуктора.

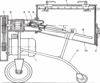
Рис.4 Передвижной гравитационный смеситель с объёмом готового замеса 165л.
Передвижные гравитационные бетоносмесители с объемом готового замеса 165 и 330 л оборудованы ковшовым подъемником с индивидуальным приводом для загрузки предварительно отдозированных сухих компонентов смеси в барабан и вододозировочным устройством для отмеривания дозы воды на замес.
Смесительный барабан 5 (рис.4) с размещенными внутри лопастями жестко закреплен на выходном валу трехступенчатого цилиндроконческого редуктора 7 с фланцевым электродвигателем 12. Привод барабана встроен в траверсу 11, которую поворачивают вместе с барабаном вокруг горизонтальной оси вручную с помощью штурвала 6 через одноступенчатый редуктор 13. Удержание барабана в различных положениях обеспечивается фиксирующим устройством 14. Перемешивание компонентов производится при наклонном положении оси барабана, а выгрузка готовой смеси - путем опрокидывания вращающегося барабана отверстием вниз. Загрузка сухих компонентов в смесительный барабан производится загрузочным ковшом I. Механизм подъема и опускания ковша включает два подъемных барабана 2 для навивки концов каната 8, охватывающего ковш, самотормозящийся червячный редуктор З и фланцевый электродвигатель 4. При навивании каната на барабаны ковш с компонентами поднимается по направляющим рамы в крайнее верхнее положение и разгружается в смеситель путём опрокидывания. Два концевых выключателя 9 и 10 автоматически отключают электродвигатель в крайних положениях ковша. В вододозировочную систему бетоносмесителя входит дозатор с краном, которым по достижении заданной дозы отключают воду. Продолжительность одного цикла составляет 110-130 с.
Стационарные гравитационные цикличные бетоносмесители выполняются с наклоняющимися цилиндроконическими и двухконус - ными смесительными барабанами и гидравлическим или пневматическим приводом механизма опрокидывания барабана.
Цикличные бетоносмесители принудительного действияпредставляют собой роторные и роторно-планетарные машины с вертикально расположенными валами. Они предназначены для приготовления бетонной смеси и раствора любой подвижности и жесткости.
В роторном бетоносмесителе (рис.5) компоненты смеси перемешиваются в кольцевом рабочем пространстве неподвижной части 1 лопастями 2 ротора З, вращающегося с частотой 0,5.0,6 с 1. Смешивающие лопасти крёпятся к ротору с помощью пружинных (рессорных) амортизаторов 4 на разном удалении от оси его вращения, а их рабочие поверхности расположены под различными углами к траектории своего движения.

Рис.5. Схема циклического роторного бетоносмесителя
Такая схема установки лопастей, создающих при своем движении продольные и поперечные потоки смешиваемых компонентов, обеспечивает интенсивное и качественное перемешивание смеси любой консистенции.
Амортизаторы позволяют лопастям поворачиваться при попадании между ними и днищем крупного предмета. В смесительном устройстве помимо смешивающих лопастей имеются наружная и внутренняя очистные лопасти, прикрепляемые к ротору жестко.
Внутренняя поверхность чаши футерована износостойкой сталью. В донной части чаши имеется разгрузочный люк, перекрываемый затвором с рычажным или пневматическим приводом. Роторные бетоносмесители с объемом готового замеса 165 л выпускают передвижными, 330 и 1000 л - стационарными. Их конструкции имеют мало различий.
Растворосмесители предназначены для приготовления строительных растворов (цементных, известковых, глиняных, гипсовых, шлаковых и сложных) при выполнении каменных, изоляционных, штукатурных, монтажных и кровельных работ. Представляют собой машины с принудительным смешиванием компонентов раствора в неподвижной емкости горизонтальным или вертикальным лопастным валом (лопастные растворосмесители) или быстровращающимся лопастным ротором (турбулентные смесители). Передвижные растворосмесители имеют объем готового замеса 30, 65, 125 и 250л, стационарные-400,800и1200л. Стационарными растворосмесителями комплектуются автоматизированные растворные узлы и заводы. Передвижные малогабаритные растворосмесители цикличного действия с объемом готового замеса 30 и 65 л применяют на объектах с небольшой потребностью в растворе (до 2,6.3,0 мз /ч), устанавливают в непосредственной близости от места укладки смеси и перемещают в пределах строительной площадки и рабочего места на колесах. Такие растворосмесители не имеют устройств для дозирования и механической загрузки компонентов. Применение растворосмесителей наиболее рационально для приготовления растворов из сухих смесей при производстве отделочных работ. Малые габариты машин позволяют эксплуатировать их в помещениях.


Рис.7 смеситель со сменными чашами общий вид и схема.
Растворосмеситель с вертикальным лопастным валом рис.7 с объемом готового замеса 65 л имеет три основных узла: чащу-тачку I, представляющую собой цилиндрическую чашу 2, смонтированную на тачке 1, откидывающийся смеситель II. состоящий и3 вертикального лопастного вала 4, фланцевого электродвигателя 7 на напряжение 220/380 В, с частотой 50 гц, трехступенчатого цилиндрического редуктора б, неподвижной лопасти 3 и ограждения 5, тележку, имеющую обрезиненные колеса 8, фиксаторы-ловушки 9 для установки чаши-тачки 1 и шкаф электрооборудования. При вращении по часовой стрелке лопастного вала, смещенного относительно центра чаши, движущаяся смесь увлекает за собой чашу, вращающуюся вокруг своей оси против часовой стрелки в опоре 10. Частота вращения чаши регулируется отклонением не подвижной лопасти 3, шарнирно соединенной с корпусом редуктора привода. Эта лопасть создает нужное направление потоков смеси и способствует лучшему перемешиванию компонентов.
Привод шарнирно подвешен к раме одноосной тележки II, что позволяет поднимать, лопастной вал по окончании цикла перемешивания и перемещать чашу с готовым замесом на тачке. При подъеме привода Он автоматически отключается. Рабочее положение лопастей фиксируется специальным упором.
В комплект растворосмесителя входят две сменные чаши-тачки, которые попеременно используются в качестве барабана-смесителя и ёмкости готового раствора. на месте укладки. Техническая производительность смесителя 1,2.1,5 мз /ч, продолжительность цикла перемешивания 1,5.2 мин.
Для приготовления декоративных отделочных составов подвижностью более 7 см (терразитовых, пастовых и других штукатурных растворов, содержащих. перлит, вермикулит, асбестовое волокно, слюду и Т.п.), используемых для устройства тонкослойных покрытию, применяют передвижной высокооборотный смеситель весельного типа (рис.8)

Рис.8 Смеситель весельного типа объёмом готового замеса 40л.
2 .Машины и оборудование для транспортирования бетонных и растворных
Транспортирование бетонных смесей может осуществляться с использованием специализированных автомобилей; бадей, доставляемых на автомобилях и подаваемых к месту разгрузки кранами; ленточных конвейеров; различных укладчиков; бетононасосов и т.д.
Главным технологическим требованием при перевозке бетонных смесей является сохранение ее однородности (отсутствие расслаивания) и необходимой для укладки подвижности.

Рис.9 Автобетоновоз а - транспортное положение; б - положение при разгрузке; 1 - шасси; 2 н 4 - гидроцилиндры для открывания крышки кузова и его подъема; 3 – кузов
Бетонную смесь перевозят преимущественно автобетоновозами. Автобетоновозы применяются для перевозки бетонных смесей на расстояние от 5-10 до 25-35 км. Рабочим органом автобетоновозов является опрокидной кузов каплеобразной формы с высокими бортами, наклоняемый назад гидроподъемником при разгрузке на угол до 90°, расположенные в зоне минимальной вибрации рамы базового автомобиля, благодаря чему при перевозке бетонная смесь не расслаивается. Автобетоновозы оборудуются устройствами для промывки кузова, обогрева кузова выхлопными газами, встряхивания кузова при разгрузке. Главным параметром автобетоновозов является полезная вместимость кузова (объем перевозимой 6етонной смеси) в м3. Для предохранения смеси от воздействия атмосферных осадков и ветра кузов снабжён крышкой, а для предохранения смеси от воздействия низких температур двойной обшивкой, образующей термоизолирующие полости между её листами, которые позволяют утеплить кузов термоизоляционным материалом в особо суровых климатических условиях.
Авто6етоновоз (рис.9) смонтирован на базе шасси 1 автомобиля и оборудован кузовом 3 полезной вместимостью 4 м3. Кузов наклоняется назад при разгрузке относительно опорной рамы 5 на угол до 90° двумя телескопическими гидроцилиндрами. Для обеспечения устойчивости автобетоновоза при подъеме кузова и разгрузки заднего моста шасси машины оборудована двумя гидродомкратами 4. Гидроцилиндры и гидродомкраты работают от гидросистемы базового шасси. Кузов сужен к разгрузочному отвсрстию, расположенному выше уровня транспортируемой смеси, что практически исключает потери смесив пути. Для полной выгрузки смеси без применения ручного труда кузов снабжен встроенным вибратором с гидравлическим приводом, встряхивающим кузов в любых положениях в процессе подъема и опускания.
Грузоподъемность автобетоновозов 4,0.10 т, объем перевозимой бетонной смеси 2,5.4,0 мд , продолжительность выгрузки бетонной смеси 1,5.2 мин.

Рис.10 Автобетоносмеситель
Автобетоносмесители (бетоновозы) - строительная машина для риготовления бетонной смеси механическим перемешиванием её компонентов (вяжущего, заполнителей и воды) выполненная на автомобильном шасси.

Автобетоносмесители применяют для приготовления бетонной смеси в пути следования от питающих отдозироваными сухими компонентами специализированных установок к месту укладки, приготовления бетонной смеси непосредственно на строительном объекте. Они представляют собой гравитационные реверсивные бетоносмесители с индивидуальным приводом, установленные на шасси грузовых автомобилей.
Главным параметром автобетоносмесителей является объем готового замеса (вм3). Автобетоносмесители работают при температуре окружающего воздуха от - 30 до +40 °С. Автобетоносмеситель (рис.10) с объемом готового замеса 4 мз смонтирован на шасси грузового автомобиля Камаз.

Рис.11.3 Кинематическая схема автобетоносмесителя
Рабочее оборудование автобетоносмесителя включает раму 9, смесительный барабан 4 с загрузочно-разгрузочным устройством, механизм 3 вращения барабана, дозт1ровочно-промывочный бак 2, водяной центробежный насос, систему управления оборудованием и рычагами 10, 12 и контрольно-измерительные приборы 11. Смесительный барабан имеет три опорные точки и наклонен к горизонту под углом 15°. Загрузочно-разгрузочное устройство состоит из загрузочной и разгрузочной воронок, складного лотка 7 переменной длины и поворотного устройства 8. Лоток может поворачиваться при разгрузке в горизонтальной плоскости на угол до 180° и в вертикальной плоскости на угол до 60°.
На внутренней поверхности барабана укреплены две спиральные лопасти, угол наклона которых подобран таким образом, что при вращении в одном направлении компоненты смеси направляются в нижнюю часть барабана, где происходит их гравитационное перемешивание, а при вращении в обратную сторону лопасти подают готовую смесь к приёмному лотку, соединенному с поворотным разгрузочным желобом. При перевозках на большие расстояния в барабан загружают сначала сухие компоненты (цемент и заполнители), а подачу воды и приготовление смеси производят непосредственно на объекте. При транспортировке готовой бетонной смеси во избежание ее расслаивания барабан вращается е пониженной частотой, непрерывно перемешивая смесь. Автобетоносмеситель с гидравлическим приводом и с объемом готового замеса барабана 5 Мз отличается от автобетоносмесителя с механическим приводом системой привода барабана и отбора мощности, а также возможностью бесступенчатого регулирования частоты вращения Смесительного барабана в диапазоне 0.20 мин. Вращение смесительному барабану сообщается от реверсивного гидромотора с рабочим давлением 25 МПа через планетарный редуктор. Питание гидромотора осуществляется от регулируемого реверсивного гидронасоса, получающего вращение от коробки отбора мощности через карданный вал. Автобетоносмесители представляют собой бетоносмесительный барабан, установленный на шасси автомобиля. При вращении барабана имеющиеся в нем лопасти перемешивают составляющие бетона, а при вращении в обратную сторону выдают готовую смесь.
Имеется возможность порционной разгрузки бетона, что удобно при заполнении бункеров, бетонировании тонкостенных конструкций, буронабивных свай и т.д. Автобетоносмесители применяются как для приготовления бетона из сухих смесей при следовании к месту назначения, так и для перевозки готовых бетонных смесей с их побуждением в пути. Использование автобетоносмесителей позволяет существенно увеличить расстояния перевозки бетонных смесей без снижения их качества. При бетонировании конструкций, расположенных выше уровня земли, бетонная смесь в зависимости от высоты подъема может транспортироваться кранами в бадьях, ленточными конвейерами (при угле подъема не более 18°), а также по трубопроводам с помощью бетононасосов или пневмотранспортных установок. Внутри-площадочное трубопроводное транспортирование бетонных смесей рационально, так как позволяет без дополнительных перегрузок подавать бетон по вертикали и горизонтали. Для транспортирования бетонных смесей могут также использоваться пневмотранспортные установки (ПТУ). Применение их связано с большим расходом сжатого воздуха (до 30 м3 на 1 м3 бетонной смеси) и высокой скоростью подачи (3-5 м/с). Поэтому используют ПТУ в основном для доставки бетонной смеси в труднодоступные места, например в полости формообразующих конструкций скульптурных сооружений, за обделку туннелей, в закрытые стыки и т.д. При необходимости подачи жестких бетонных смесей или растворов (осадка конуса 30-40 мм), не перекачиваемых бетононасосами, могут применяться пневмотранспортные установки, оборудованные смесителем. Для бетонирования конструкций, расположенных в котлованах, используются виброжелоба и при значительных расстояниях подачи - самоходные бетоноукладчики с ленточным питателем.
Для перемещения бетонной смеси в пределах строительной площадки успешно используется трубопроводный транспорт. Его основным технологическим преимуществом является возможность бесперегрузочной подачи смеси по горизонтали и вертикали. Транспортировка по трубопроводам облегчает подачу смеси в густоармированные конструкции и труднодоступные для других средств механизации участки. Она наиболее эффективна при больших объемах бетонирования и организации работ, исключающей частые перерывы. Трубопровод предохраняет окружающую среду от загрязнения, а транспортируемый материал - от неблагоприятного влияния среды. Он может быть уложен в обход препятствий. Подача бетонной смеси по трубопроводам осуществляется пневматически либо бетононасосами. Пневмонагнетатели применяют преимущественно на объектах с небольшими объемами бетонных работ при расстоянии подачи смеси 120-150 м. Несмотря на простоту и невысокую стоимость пневмонагнетателей, они не получили широкого распространения из-за цикличности работы, необходимости компрессорной установки и мощного ресивера. Они были вытеснены более совершенными бетононасосными установками, когда промышленность освоила выпуск бетононасосов с гидроприводом.
Бетононасосы могут применяться для строительства гидросооружений, энергетических станций (установок), дорог, тоннелей, мостов, портовых сооружений, высотных зданий, при железнодорожном строительстве, а также для других гражданских сооружений. Бетононасосный транспорт бетонной смеси получил широкое развитие, особенно поршневые бетононасосы периодического действия с механическим и гидравлическим приводами.
При всасывающем ходе поршня бетононасоса с механическим приводом нагнетательный клапан перекрывает выход в бетоноотвод, а при достижении поршнем крайнего положения и заполнении смесью полости рабочего цилиндра закрывается всасывающий клапан, и смесь поршнем при открывшемся нагнетательном клапане выдавливается в бетоноотвод. Синхронность работы клапанов и поршня обеспечивается кулисным механизмом.
Основные преимущества поршневых насосов с гидроприводом по сравнению с насосами с механическим приводом - незначительные динамические нагрузки на механизмы, детали насоса и бетоноотвода, а также гарантированное максимальное давление, превышение которого исключается, - способствует их надежности.
Бетононасосы разделяют на два типа: передвижные (автомобильные) и стационарные. Они оборудуются шарнирно-распределительными стрелами (манипуляторами бетоноводов). Манипуляторы освобождают от трудоемких операций по монтажу бетоноводов, исключают необходимость иметь в наличии распределительные лотки и ручную перекидку бетонной смеси при ее укладке.
Автобетононасосы предназначены для подачи свежеприготовленной смеси с осадкой конуса 6.12см в горизонтальном и вертикальном направлениях к месту укладки при возведении сооружений из монолитного
бетона и железобетона. Они представляют собой самоходные мобильные бетонотранспортные машины, состоящие из базового автошасси, бетононасоса с гидравлическим приводом и шарнирно сочлененной стрелы с бетоноводом для распределения бетонной смеси в зоне действия стрелы во всех ее пространственных положениях. Авто6етононасосы конструктивно подобны и оборудуются двукцилиндровыми гидравлическими поршневыми и роторно-шланговыми бетононасосами.
Поршневой гидравлический бетононасос (рис.12) состоит из двух бстонотранспортных цилиндров, поршни которых получают синхронное движение во взаимно противоположных направлениях от индивидуальных рабочих гидроцлиндров 10, осуществляя попеременно такт всасывания смеси из приёмной воронки 3 и такт нагнетания ее в бетоновод 1.
в
Рис.12 Гидравлический поршневой бетононасос
Движение поршней согласовано с работой поворотного бетонораспределительного устройства 2, поворот которого на определенный угол осуществляется с помощью двух гидроцилиндров 12. Когда в одном из бетонотранспортных цилиндров бетонная смесь всасывается из воронки, во втором через поворотную трубу распределительного устройства смесь нагнетается в бетоновод 1.
В конце хода нагнетания распределительное устройство изменяет свое положение одновременно с переключением хода приводных гидроцилиндров с помощью следящей системы.
Приемная воронка оборудована в верхней части решеткой 4, а в нижней - лопастным побудителем с приводом 11.
Бетонотранспортные цилиндры помещены в корпус 5, имеющий резервуар 8 для промывочной воды и сообщающийся со штоковыми полостями 6етонотранепортных цилиндров. При замене промывочную воду сливают через спускное отверстие, перекрываемое крышкой с рукояткой 7. Бетононасос снабжен электрогидравлическим блоком управления 9.
Гидравлический привод обеспечивает более равномерное движение смеси в бетоноводе, предохраняет узлы насоса от перегрузок и позволяет в широком диапазоне регулировать рабочее давление и производительность машины. Двухпоршневые бетононасосы с гидравлическим приводом обеспечивают диапазон регулирования объемной подачи от 5 до 65 мз /ч при максимальной дальности подачи до 400 м по горизонтали и до 80 м по вертикали.
Главным параметром автобетононасосов является объемная подача (производительность) в м3/ч.
В беспоршневом роторношланговом бетононасосе с гидравлическим приводом (рис.13)

Рис.13 Роторно-шланговый бетононасос: два обрезиненных ролика 3 ротора 4 прокатываются по участку эластичного шланга 1, заключенному в полукольцевой насосной камере 2, и выдавливают из него бстонную смесь в напорный рукав 5, соединенный с бетоноводом 6. Во всасывающем рукаве 9 за счет упругого восстановления формы шлагом создается разряжение,, необходимое для засасывания бетонной смеси из приемного бункера 7 с лопастным смесителем 8, непрерывно перемешивающим смесь.
Современные роторно-шланговые бетононасосы имеют производительность 30.70 мз /ч и обеспечивают подачи бетонной смеси до 300 м по горизонтали и до 70 м по вертикали.
В качестве сборно-разборных 6етоноводов бетононасосных установок используют стальные длиной до 3 м бесшовные трубы постоянного диаметра на всем его протяжении. Прочность и герметичность соединения труб на стыках обеспечивается специальными быстродействующими рычажными замками.
Насосы с гидравлическим приводом выпускают в стационарном и передвижном вариантах, включая модели на шасси автомобилем со стреловым оборудованием (автобетононасосы).
Автобетононасос (рис.14) подает товарный бетон в горизонтальном и вертикальном направлениях к месту укладки с помощъю распределительной стрелы 4 с бетоноводом 9 112114 инвентарного бетоновода. Распределительная стрела состоит из трех шарнирно сочлененных секций, движение которым в вертикальной плоскости сообщается гидроцилиндрами двустороннего действия 5, 7 и 11.
На раме автобетононасоса смонтированы гидробак 6, бак для воды 10 и компрессор 12. Стрела монтируется на поворотной колонне 3. опирающейся на раму 1.5 шасси 1 через опорно-поворотное устройство 2, поворачивается в плане на 360° гидравлическим поворотным механизмом и имеет радиус действия до 19 м.
Прикрепленный к стреле шарнирно сочлененный секционный 6етоновод 9 заканчивается гибким шлангом 13. Бетонная смесь подается в приемную воронку 14 бетононасоса 8 из автобетоносмесителя или автобетоновоза. При работе автобетононасос опирается на выносные гидравлические опоры 16.

Рис.14 Автоостононасос
Автобетононасосы имеют переносной пульт дистанционного управления движениями стрелы, расходом бетонной смеси и включением-выключением бетононасоса, что позволяет машинисту находиться вблизи места укладки смеси.
3. Машины для укладки и уплотнения бетонных смесей
При укладке бетонную смесь уплотняют с целью вытеснения содержащегося в ней воздуха и более компактного расположения составляющих. Уплотняют бетонную смесь вибрированием, сообщая ее частицам механические колебания, возбудителями которых являются вибраторы. При вибрировании бетонная смесь приобретает повышенную подвижность, способствующую вытеснению воздуха и заполнению всех пустот между арматурой и опалубкой. От качества уплотнения зависят прочность и долговечность сооружения или изделия.
Колебания в вибраторах создаются двумя способами: вращением закрепленной на валу неуравновешенной массы (дебаланса) и возвратно-поступательным направленным перемещением массы. Вращение неуравновешенной массе может сообщаться от различного рода двигателей: электрического (электромеханические вибраторы), пневматического (пневматические вибраторы), гидравлического (гидромеханические вибраторы), внутреннего сгорания (моторные вибраторы). Возвратно-поступательное движение массе сообщается электромагнитом (электромагнитные вибраторы). Одновальные дебалансные и планетарные вибраторы воз6уждают круговые колебания; дебалансные вибраторы с четным количеством валов, маятниковые одновальные и электромагнитные вибраторы - направленные.
В строительстве наибольшее распространение получили электрические и пневматические вибраторы с круговыми колебаниями.
По сравнению с электрическими пневматические вибраторы применяются реже, так как они нуждаются в компрессорной установке и при работе издают шум. Электрические вибраторы в индексе модели имеют буквенное обозначение ИВ, пневматические - ВП. цифровая часть индекса означает номер модели, буквы после цг1фрового индекса - порядковую модернизацию вибратора. Каждый вибратор характеризуется вынуждающей силой, статическим моментом дебалансов, частотой и амплитудой колебаний.
Частоту колебаний вибратора подбирают в зависимости от подвижности бетонной смеси и размера фракций ее заполнителей. Бетонные смеси с крупными фракциями заполнителей уплотняют вибраторами с низкой частотой и большой амплитудой колебаний, с мелкими фракциями - вибраторами с высокой частотой и малой амплитудой колебаний. У большинства вибраторов частота колебаний соответствует средним фракциям заполнителей. Продолжительность работы вибратора на одной позиции должна быть такой, чтобы обеспечитъ достаточное уплотнение бетонной смеси; конец вибрирования определяют по внешним признакам уплотнения бетонной смеси - прекращение оседания смеси, появление цементного молока на ее поверхности и прекращение вы деления воздушных пузырьков.
По способу воздействия на уплотняемую бетонную смесь различают поверхностные (рис.15, а), наружные (рис.15, б) и глубинные (рис.16, в) вибраторы.


Рис.16 Схемы вибраторов
Поверхностные электрические вибраторы передают колебания уложенной массе бетона через корытообразную прямоугольную, площадку (площадочные вибраторы) или удлиненную балку-рейку. (виброрейки). Такие вибраторы перемещают по уплотняемой поверхности в процессе работы вручную с помощью гибких тяг. Их применяют при бетонировании неармированных или армированных одиночной арматурой перекрытий, полов, сводов, дорожных покрытий, откосов каналов или других конструкций толщиной не более 0,25 м, выполняемых в Монолите.
В качестве вибровозбудителей поверхностных вибраторов применяют одновальные электрические дебалансные вибраторы общего назначения с круговыми колебаниями и встроенным электродвигателем.
Поверхностные электрические вибраторы имеют одинаковые по конструкции одновальные вибрационные де6алансные механизмы со встроенным электродвигателем (мотор-вибраторы), возбуждающие круговые колебания. Составными 0 элементами мотор-вибратора (рис.17) являются трехфазный асинхронный электродвигатель 2 с короткозамкнутым ротором, на консольных концах вала которого жестко закреплены два дебаланса 3, симметрично расположенные относительно электродвигателя, и литой алюминиевый корпус 1 с четырьмя кронштейнами 4 для крепления с помощью болтов к основанию, передающему колебания уплотняемой смеси. Статический момент каждого дебаланса равен половине общего статического момента дебалансов вибратора. Де6алансы закрыты крышками. Вал ротора опирается на два ролика или шарикоподшипника, установленных в подшипниковых щитах.
В конструкциях поверхностных вибраторов используются мотор-вибраторы с электродвигателями напряжением 36.,42 В. мощностью 0,26.0,6 кВт. Вибраторы подключают к электрической сети переменного тока напряжением 220/з80 В, частотой 50 Гц через понижающий трансформатор.

Рис.18
Площадочный вибратор (рис.18) передает колебания уложенной массе бетона через корытообразную прямоугольную в плане металлическую площадку 2, к которой болтами жестко прикреплен мотор-вибратор. При работе площадочный вибратор уплотняет отдельные участки заранее распределенного слоя бетонной смеси.
Вибратор перемещают в процессе работы вручную с помощью тяг I с рукоятками г ПИ с помощью легких грузоподъемных средств. Электродвигатель вибратора мощностью 0,6 кВт подключают к питающему кабелю через штепсельное соединение. Вибратор развивает вынуждающую силу 4,5.9,0 кН.
Виброрейки применяют для разравнивания, уплотнения и предварительного заглаживания цементно-песчаных и бетонных стяжек, а также бетонных, мозаичных, полимерцементных и полимербетонных полов. Продолжительность вибрирования с одной позиции для поверхностных вибраторов составляет 20.50 с.
Наружные вибраторы передают колебания уплотняемой смеси через опалубку или форму, к которым прикрепляются снаружи с помощью специальных крепежных устройств. Такие вибраторы применяют при бетонировании тонких густоармированных и высоких монолитных сооружений, изготовлении различных элементов сборных железобетонных конструкций колонн, балок и Т.п.
Их используют также для побуждения выгрузки сыпучих и вязких материалов из воронок, бункеров, бадей и лотков. В качестве Наружных вибраторов используют электрические дебалансные вибраторы общего назначения с круговыми колебаниями, электрические маятниковые вибраторы с направленными колебаниями и пневматические прикрепляемые вибраторы с планетарно-фрикционными вибровозбудителями
Пневматические прикрепляемые вибраторы выполнены по единой конструктивной схеме и состоят из планетарного возбудителя и гибкого резинового шланга спусковым краном, подсоединяемого к источнику сжатого воздуха - компрессору или внешней воздухопроводной линии. Основными элементами планетарно-фрикционного вибровозбудителя (рис. 19) являются статор 4 с одной текстолитовой лопаткой 5, закрепленный неподвижно в боковых щитах корпуса 1, и полый неуравновешенный относительно собственной оси ротор 3. Ротор выполняет роль бегунка-дебаланса и планетарно обкатывается вокруг статора. Лопатка, помещенная в продольном пазу статора, разделяет пространство между статором и ротором на две полости рабочую А и выхлопную Б. Сжатый воздух, поступающий в рабочую полость через отверстие в статоре, приводит во вращение ротор, который планетарно обкатывается по цилиндрической поверхности статора, прижимаясь к ней под действием центробежной силы.

Рис. 19 Пневматический прикрепляемый вибратор
Отработанный воздух из выхлопной полости выбрасывается в атмосферу через выпускные отверстия 2 в щитах корпуса.
Лопатка постоянно прижата к бегунку-дебалансу под давлением воздуха во внутренней полости статора. За счет планетарной о6катки вибратор возбуждает колебания высокой частоты 133.200 Гц.
Глубинные вибраторы имеют рабочий орган в виде цилиндрического вибронаконечника, погружаемого в уплотняемую смесь. Такие вибраторы применяют для уплотнения бетонных смесей при укладке их в монолитные неармированные бетонные и железобетонные конструкции с различной степенью армирования (фундаменты. стены, колонны, сваи, балки и др.), а также при изготовлении крупных бетонных и железобетонных изделий для сборного строительства.
Рис.21 Ручной глубинный электровибратор с гибким валом.

Рис.20 Ручной глубинный электрический дебалансный вибратор
Список литературы
1. Акимов А.Г. Саморазгружающийся автотранспорт/ М.Н. Закс, А.С. Мелик - Саркисьянц - М.: 1965.
2. Добронравов С.С. Строительные машины и основы автоматизации / В.Г. Дронов - М.: Высш.школа, 2001-575с.
3. Данилкин М.С. Основы строительного производства/ М.С. Данилкин, И.А. Мартыненко, С.Г. Страданченко. - Ростов н/Д: Феникс, 2007. -474 с.
5. http://www.rpbeton.ru
Похожие рефераты:
Технология строительного производства
Технология приготовления хлеба
Подтверждение соответствия тяжелого товарного бетона класса В15
Производство бетонных работ при строительстве гидротехниче-ских сооружений
Проектирование технологии предварительного разогрева бетонных смесей
Производство линейных конструкций (свай)
Оборудование для смешения полимерных материалов
Модернизация тестомесильной машины в линии производства ржаного хлеба
Производство асфальтобетонных смесей
Автоматизация процесса подготовки шихты
Проектирование работ по устройству монолитных ж/б фундаментов одноэтажного промышленного здания
Строительство автомобильной дороги


