| Похожие рефераты | Скачать .docx |
Дипломная работа: Подтверждение соответствия тяжелого товарного бетона класса В15
МИНИСТЕРСТВО ОБРАЗОВАНИЯ И НАУКИ
РЕСПУБЛИКИ КАЗАХСТАН
Восточно-Казахстанский государственный технический университет
им. Д. Серикбаева
Кафедра «Строительные материалы, стандартизация и сертификация»
ПОЯСНИТЕЛЬНАЯ ЗАПИСКА
к дипломному проекту
Тема:
Подтверждение соответствия тяжелого товарного бетона класса В15
Усть-Каменогорск, 2007
Введение
Проблема качества актуальна для всех стран, независимо от зрелости их рыночной экономики. Сертификацию считают одним из важнейших механизмов гарантии качества, безопасности и конкурентоспособности продукции, соответствующих требованиям стандартов предполагаемых рынков сбыта и удовлетворяющих требованиям потребителей.
Современные формы подтверждения соответствия обеспечивают:
гарантию качества продукции путем предотвращения попадания на рынок продукции, не соответствующей требованиям нормативных документов;
доверие к качеству экспортируемой продукции;
- защиту изготовителя от конкуренции с поставщиками не сертифицированной продукции;
расширение рекламных возможностей поставщика;
стабильное качество конечной продукции при условии применения сертифицированных комплектующих изделий и материалов.
В условиях неуклонно увеличивающегося объема строительства, согласно Посланию Президента Республики Казахстан, возросло применение бетона и железобетона. Современное строительство немыслимо без бетона. 2 млрд. м3 в год – таков сегодня мировой объем его применения. Это один из самых массовых строительных материалов, во многом определяющий уровень цивилизации. Вместе с тем, бетон – самый сложный искусственный композиционный материал, который может обладать совершенно уникальными свойствами. Он применяется в самых разных эксплуатационных условиях, гармонично сочетается с окружающей средой, имеет неограниченную сырьевую базу и сравнительно низкую стоимость. К этому следует добавить высокую архитектурно - строительную выразительность, сравнительную простоту и доступность технологии, возможность широкого использования местного сырья и утилизации техногенных отходов при его изготовлении, малую энергоемкость, экологическую безопасность и эксплуатационную надежность. Именно поэтому бетон, остается основным конструкционным материалом и в обозримом будущем.
В последние годы появились и получили широкое распространение новые эффективные вяжущие, модификаторы для вяжущих и бетонов, активные минеральные добавки и наполнители, армирующие волокна, новые технологические приемы и методы получения строительных композитов. На рубеже столетия существенно обогатились наши представления о структуре и свойствах бетона, появилась возможность прогнозирования свойств и активного управления характеристиками материала, успешно развивается компьютерное проектирование бетона и автоматизированное управление техноло-гическими процессами.
Все это позволило не только создать и освоить производство новых видов бетона, но и значительно расширить номенклатуру применяемых в строительстве материалов: от суперлегких теплоизоляционных (с плотностью менее 100кг/м3) до высокопрочных конструкционных (с прочностью на сжатие около 200 МПа). Сегодня в строительстве применяются более тысячи различных видов бетона, и процесс создания новых бетонов интенсивно продолжается. Бетон широко используется в жилищном, промышленном, транспортном, гидротехническом, энергетическом и других видах строительства.
Технология и практика применения бетона получат дальнейшее развитие, сохранив за ним ведущее положение среди строительных материалов. Бетон, являясь наиболее ярким представителем материалов – строительных композитов гидратационного твердения, проектируемых на единой материаловедческой основе, дает новый импульс для создания гибридных, слоистых, тонкостенных, профильных и других видов строительных конструкций нового поколения.
Теоретическими предпосылками синтеза прочности и долговечности высококачес-твенных строительных композитов является более полное использование энергии портланд-цемента или другого гидравлического вяжущего, создание оптимальной микроструктуры цементного камня, уменьшение микропористости и повышение трещиностойкости, упрочнение контактных зон цементного камня и заполнителя за счет направленного применения комплекса эффективных химических модификаторов, высокодисперсных силикатных материалов с аномальной гидравлической активностью, расширяющих добавок с регулируемой энергией напряжения, а также интенсивной технологией производства.
Целью настоящего проекта является подтверждение соответствия тяжелого товарного бетона класса В15. Данный проект состоит из пяти разделов, включающих строительный, технологический, сертификационный, безопасность и экологичность проекта и экономический.
1. Строительный раздел
1.1 Общие указания
Проект выполнен для площадки со следующими природными условиями: -расчетная зимняя температура -39 С°;
-нормативная снеговая нагрузка 150 кг/м2;
-скоростной напор ветра 38 кг/м;
-сейсмичность района 6 баллов.
Класс ответственности - II СНиП [27]
За относительную отметку 0.000 принят уровень чистого пола первого этажа здания.
1.1.1 Объемно-планировочные решения Здание жилого дома - кирпичное с поперечными несущими стенами
Высота этажа - 3,3 м, высота помещений - 3,0 м.
Степень огнестойкости здания - II.
Жилые комнаты и кухня имеют естественное освещение. В доме предусмотрены хозяйственно-шитьевое и горячее водоснабжение, а также канализация, водостоки, отопление, электроосвещение, телефонизация и звуковая сигнализация. В подвальном помещении расположен гараж.
Площадь помещений приведена в таблице 1.1.
Таблица 1.1 —Площадь помещений
| Наименование помещений | Площадь,м |
| Коридор | 23,5 |
| Прихожая | 31,07 |
| Кухня | 31,74 |
| Столовая | 14,97 |
| Спальня | 19,16 |
| Спальня | 15,09 |
| Общая комната | 48 |
| Гостинная | 53 |
| Баня | 65 |
| Гараж на 2 автомобиля | 113,4 |
1.1.2 Конструктивные решения
Фундамент - ленточный монолитный из тяжелого бетона класса В15. Основанием фундаментов служат глины с Ro = 5,30 кгс/см. Подземные воды вскрыты выработками глубиной 4.20 м.
Стены подвала - из монолитного бетона.
Стены - из красного кирпича по ГОСТ 530-95* на цементно-песчаном растворе с армированием с облицовочным слоем из силикатного кирпича по ГОСТ.
Наружные стены утепляют плитами теплоизоляционными URSA ГТЗОГ толщиной
80 мм, с последующей обшивкой гипсокартоном.
Перегородки - кирпичные с армированием, гипсокартонные по металлическому каркасу.
Плиты перекрытия - сборные железобетонные пустотные.
Крыша - чердачная, кровля двускатная с наружным водоотводом.
Лестницы - деревянные.
Перемычки - сборные железобетонные.
Утеплитель покрытия - мин.плита Y = 200 кг/м3 ГОСТ 9573-96.
Окна - деревянные с тройным остеклением.
Двери - деревянные.
Стены оштукатуривают цементно-песчаным раствором, побелка,
покраска; стены квартир - подготовка к покраске.
Потолки - побелка.
Столярные изделия окрашивают эмалью в 2 слоя.
1.1.3 Противопожарные мероприятия
Здание относится ко II степени огнестойкости.
Противопожарные мероприятия назначены согласно СНиП РК [35], СНиП РК [36].
1.1.4 Строительная теплотехника
Зона влажности – сухая.
Требуемое сопротивление теплопередаче ограждающих конструкций, определяется по формуле:
![]()
(1.1)
где: n - коэффициент, принимаемый в зависимости от положения наружной поверхности ограждающих конструкций по отношению к наружному воздуху;
tB - расчетная температура внутреннего воздуха;
1н - расчетная зимняя температура наружного воздуха, равная средней температуре наиболее холодной пятидневки обеспеченностью 0.92 по СНиП РК [32];
DtH - нормативный температурный перепад между температурой внутреннего воздуха и температурой внутренней поверхности ограждающей конструкции;
ан - коэффициент теплоотдачи внутренней поверхности ограждающих конструкций.
1.1.4.1 Наружная стена
Глиняный кирпич М 75.
Раствор глиняно-песчанный М 25.
(1.2)
Тепловая инерция ограждающей конструкции определяется по
формуле:
(1.3)
R-термические сопротивления отдельных слоев ограждающей конструкции; S- расчетные коэффициенты теплоусвоения материала отдельных слоев ограждающей конструкции.
(1.4)
S- расчетные коэффициенты теплоусвоения материала отдельных слоев ограждающей конструкции.

D>7 берем расчетную зимнюю температуру наружного воздуха, равную средней температуре наиболее холодной пятидневки обеспеченностью 0.92 по СНиП РК[32].
Сопротивление теплопередаче ограждающей конструкции определяется по формуле:

Принимают толщину кирпичной стены равной 640 мм.
1.1.4.2 Покрытие
Один слой рубероида. Два слоя рубероида. Цементно-песчанная стяжка.
Утеплитель - минераловатные плиты. Железобетонная многопустотная плита. RoTp=1.18
Тепловая инерция ограждающей конструкции определяется по формуле:
(1.5)
где: R-термические сопротивления отдельных слоев ограждающей конструкции.
2. Технология производства тяжелого товарного бетона
2.1 Характеристика продукции
Бетонами называют искусственные материалы, получаемые в результате затвердения тщательно перемешанной и уплотненной смеси из минерального или органического вяжущего вещества с водой, мелкого или крупного заполнителя, взятых в определенных пропорциях. До затвердевания эту смесь называют бетонной смесью.
Бетонная смесь, как полуфабрикат бетонных и железобетонных изделий, должна обладать хорошей формуемостью, обеспечивая легкое и быстрое получение изделий проектной формы и свойств. Это важное качество бетонной смеси обеспечивается возможным сочетанием в ней двух основных свойств – текучести под нагрузкой или собственным весом, называемой подвижностью бетонной смеси, и пластичности – внутренней структурной связностью отдельных компонентов смеси. В зависимости от степени текучести бетонные смеси подразделяются на подвижные и жесткие.
Все материалы независимо от природы их вещества и качественного состояния приобретают в процессе формования необходимую форму в результате перемещения до проектного положения одних частей относительно других, т. е. в результате растекания. При этом материал, растекаясь может заполнять форму гравитационно, что свойственно формованию бетонных изделий методом литья, или под действием приложенных к нему внешних сил – статическому сжатию (прессованию), встряхиванию (вибрации), удару (трамбованию) и других механических воздействий. Течение или формование материала под нагрузкой может быть упругой (обратимой) и пластической (необратимой). Однако все материалы на какой-то стадии, предшествующей пластическим деформациям, обладают упругими свойствами. В соответствии с величиной этой упругости выбирается усилие формования. Чтобы тело приобрело остаточную деформацию в пределах заданной формы, должны быть превзойдены силы упругого последствия, при которых материал способен еще восстанавливать свою первоначальную форму.
Бетонным смесям присущи свойства вязкопластических систем. Для них потеря сплошности характеризуется не только разрывом и образованием трещин при формировании, но и расслаиванием или разделением ее на обособленно группирующиеся компоненты – воду и цемент в цементно-водной суспензии, заполнители и цементное тесто или разделение равномерной смеси заполнителей на группы зерен с определенными предельными размерами. Структура хорошо перемешанной бетонной смеси представлена твердой фазой с равномерно расположенными по поверхности зерен ее водными прослойками. Жидкая фаза заполняет также пространства, всегда имеющие место между отдельными зернами сыпучей среды, какими являются цемент и заполнители. Среди этих двух основных фаз в большем или в меньшем количестве, но практически всегда присутствует воздух. Он оказывается вовлеченным в бетонную смесь в результате адсорбции зернами твердой фазы или попадает в нее при перемешивании, или образуется при несоответствии количества жидкой фазы объему межзерновых пустот в твердой фазе, или несоответствии, например, объема цементного раствора пустотности крупного заполнителя. Последнее легко исключается оптимальным соотношением отдельных компонентов бетонной смеси при проектировании состава бетона. Избежать же наличия двух других групп воздушной фазы в свежеотформованных изделиях с целью получения последних максимальной плотности – задача более сложная и выполнение ее достигается при рациональном режиме уплотнения бетонной смеси, соответствующего его качественному вязкопластическому состоянию.
Стремление возможно больше удалить воздуха из бетонной смеси при изготовлении из нее изделий справедливо для большинства тяжелых бетонов.
Пузырьки воздуха несколько повышают подвижность бетонной смеси, являясь как бы шарнирами между зернами твердой фазы, разделяя их и уменьшая трение между ними. Однако воздух в бетонной смеси нарушает внутреннюю связность ее, ухудшая тем самым пластичность. С целью удаления вредного с этих позиций воздуха проводятся исследования по вакуумированию бетонной смеси в процессе формования изделий.
Появление новой гелеобразной фазы способствует, таким образом, повышению формовочных свойств бетонной смеси. Однако эта положительная в данном случае роль геля проявляется только в течение сравнительно небольшого периода времени. С увеличением содержания цемента относительный объем продуктов гидратации его возрастает, и смазывающая способность этого увеличения компенсирует отрицательное действие значительного прироста удельной поверхности твердой фазы в бетонной смеси при добавке цемента, в результате подвижность или жесткость смеси остается без изменения. Однако более высокая концентрация в тесте клеящих масс продуктов гидратации цемента повышает связующую способность теста и улучшает этим пластичность бетонной смеси, сохраняя ее сплошность и однородность структуры при транспортировании и формования.
Правило постоянства водосодержания справедливо, однако, только до определенной исходной концентрации цемента в смеси, оцениваемой цементно-водным отношением, а именно, если Ц/В не превышает 2,2.В противном случае водопотребность смеси несколько возрастает. Учитывая это, вносят поправку на водосодержание бетонной смеси; величина этого поправочного коэффициента при Ц/В = 2,4 составляет 1,02; при Ц/В = 2,8 - 1,08; при Ц/В = 3,0 - 1,12 и при Ц/В = 3,4 - 1,22.
Шероховатая поверхность зерен заполнителей создает также дополнительное трение между зернами, ухудшая текучесть бетонной смеси.
В строительстве широко используют бетоны, приготовленные на цементах или других неорганических вяжущих веществах. Эти бетоны обычно затворяют водой. Цемент и вода являются активными составляющими бетона; в результате реакции между ними образуется цементный камень, скрепляющий зерна заполнителей в единый монолит.
Для приготовления бетона наиболее широко используют неорганические вяжущие вещества. Эти вещества при смешивании с водой под влиянием внутренних физико-химических процессов способны схватываться (переходить из жидкого или тестообразного состояния в камневидное) и твердеть.
Мы проектируем тяжелый бетон класса В15 и для проектирования возьмем:
- портландцемент, марки М400 активность которого 44 МПа, размер частиц цемента составляет 15….20мкм. Истинная плотность без добавки составляет 3,05…3,15 г/см3.
- песок природный обогащенный фракции 0,15…5 мм;
- щебень фракции 5…20 мм;
- вода водопроводная питьевая, имеющая водородный показатель рН не
менее 4.
2.2 Режим работы
Режим работы – это установленный порядок и продолжительность производственной деятельности предприятия для участков служб во времени. Проектируемая установка работает в следующем режиме: плановый фонд рабочего времени составляет 345 дней; непрерывный график выходов имеют основные и вспомогательные (по обслуживанию) рабочие.
Плановый баланс рабочего времени оформлен в виде таблицы 1.
- годовой режим работы – непрерывный;
- число календарных дней в году – 365;
- продолжительность рабочего дня – 8 часов.
На основании принятого режима работы в соответствии с трудовым законодательством РК составляем годовой баланс рабочего времени (таблица 2.1).
Таблица 2.1 – Годовой баланс рабочего времени
| Показатели | Усл. обозн. |
Количество дней | ||
| число дней в году | Ткал | 365 | ||
| праздничные дни | Тпрздн | 10 | ||
| выходные дни | Твых | 104 | ||
| отпуск | Тневых | 36 | ||
| болезни | 7 | |||
| выполнение специальных служебных обязанностей | 1 | |||
| прочие невыхода | 3 | |||
| номинальный фонд рабочего времени | Тном | 253 | ||
| эффективный фонд рабочего времени | Тэф | 206 | ||
| коэффициент списочного состава | 1,2 | |||
Для составления графика выходов используются следующие исходные данные:
- количество смен – 2 – приняли из режима работы;
- количество сменных бригад рассчитывается по формуле:
, (2.1)
где m – количество сменных бригад;
Tp – величина рабочего времени в соответствии с режимом работы;
Тз – время работы в соответствии с трудовым законодательством;
n – количество смен.
Для работы бригад в течении суток на основании работы было выбрано следующее чередование смен:
- 1 смена – с 8 до 17 час;
- 2 смена – 17 до 23 час.
2.3 Выбор метода производства бетона
В результате проектирования состава бетона должно быть определено такое соотношение между используемыми материалами, при котором будет гарантирована прочность бетона конструкции с учетом технологии ее изготовления, необходимая подвижность бетонной смеси и экономичность бетона.
Проектирование состава бетона включает: а) назначение требований к бетону исходя из вида и особенностей службы и изготовления конструкций; б) выбор материала для бетона и получение необходимых данных, характеризующих их свойства; в) определение предварительного состава бетона; г) проверку состава в пробных замесах; д) контроль за бетонированием; е) корректировку состава в процессе производства при колебаниях свойств заполнителя и других факторов.
Определение предварительного состава бетона производят на основе зависимости прочности бетона от активности цемента, цементно-водного фактора и качества используемых материалов и зависимости подвижности бетонной смеси от расхода воды и других факторов.
Для получения уточненных зависимостей свойств бетона от его состава, если имеется возможность, проводят предварительные испытания. При этом желательно использовать математические методы планирования эксперимента и обработки его результатов.
Бетонная смесь обладает необходимой укладываемостью только при содержании в ней достаточного количества цемента. Уменьшение количества цемента ниже определенных величин повышает опасность расслоения
бетонной смеси и может привести к появлению в смеси микропустот и снижению прочности и долговечности бетона. Минимальный расход цемента зависит от консистенции бетонной смеси и крупности заполнителя (таблица 2.2).
Таблица 2.2 – Минимальный расход цемента для получения нерасслаиваемой плотной бетонной смеси
| Смесь | Минимальный расход цемента, кг/м3, при предельной крупности заполнителя, мм |
|||
| 10 | 20 | 40 | 70 | |
| Особожесткая (Ж>20с) | 160 | 150 | 140 | 130 |
| Жесткая (Ж=10-20с) | 180 | 160 | 150 | 140 |
| Малоподвижная (Ж=5-10с) | 200 | 180 | 160 | 150 |
| Подвижная (ОК=1-10см) | 220 | 200 | 180 | 160 |
| Очень подвижная (ОК=10-16см) | 240 | 220 | 210 | 180 |
| Литая (ОК>16см) | 250 | 230 | 200 | 190 |
Примечание: Жесткость указана по стандартному вискозиметру.
В качестве заполнителей бетона стремятся использовать, как правило, местные материалы или материалы из близко расположенных карьеров, но отбирают из них те, которые позволяют получить бетон с заданными свойствами при минимальных расходах цемента. Заданную подвижность бетонной смеси обеспечивают правильным назначением расхода воды, а прочность бетона – правильным назначением водоцементного отношения и расхода цемента.
Минимального расхода цемента добиваются правильным выбором содержания крупного и мелкого заполнителя. При определении их содержания используют коэффициент раздвижки зерен щебня раствором α, который показывает, насколько объем раствора превышает объем пустот в щебне. Введение коэффициента α позволило упростить определение состава бетона и сделать его более надежным, так как оптимальные значения α, обуславливающие получение при прочих равных условиях бетона с минимальным расходом цемента, выбираются на основе зависимостей, вытекающих из физических основ структурообразования бетона. В этом случае расходы песка и щебня в тяжелом бетоне определяют по формулам, которые выводятся при решении системы двух уравнений:
(Ц/ρц) + В + (П/ρп) + (Щ/ρщ) = 1000 (2.2)
(Ц/ρц) + В + (П/ρп) = Пщ α (Щ/γщ) (2.3)
где Ц, В, П, Щ – соответственно расходы цемента, воды, песка и щебня, кг/м3;
ρц, ρп, ρщ – истинные плотности цемента, песка и щебня, кг/л;
Пщ – пустотность щебня (относительная величина);
α – коэффициент раздвижки зерен щебня раствором;
γщ – плотность щебня, кг/л.
Первое уравнение выведено из условия, что сумма абсолютных объемов компонентов бетона равна 1 м3 (1000л) готового плотного бетона, если в бетоне нет вовлеченного воздуха, а второе уравнение – из условия, что цементно-песчаный раствор должен заполнить все пустоты между щебнем с некоторой раздвижкой его зерен, что необходимо для получения удобообрабатываемой бетонной смеси и хорошего связывания зерен заполнителя в единый прочный монолит.
В этой системе уравнений два неизвестных – расход песка и щебня, так как расходы цемента и воды определяются в зависимости от прочности бетона и подвижности бетонной смеси, а коэффициент α назначается в соответствии с полученными экспериментальным путем, рекомендациями, обеспечивающими наиболее разумное соотношение между песком и щебнем, при котором расход цемента оказывается минимальным.
Решение приведенной системы уравнений получаем
Щ = 1000/ α(Пщ/ γщ) + (1/ ρщ) (2.4)
П = [1000-(Ц/ ρц +В + (Щ/ρщ)]/ ρп (2.5)
Одним из основных факторов, определяющих экономичность состава бетона, а также его высокое качество, является правильный выбор соотношения между крупным и мелким заполнителями.
Состав бетонной смеси выражают двумя способами:
1) Соотношением по массе между цементом, песком и щебнем с обязательным указанием водоцементного отношения и активности цемента. Количество цемента принимают за 1, поэтому соотношение между составными частями бетона записывают в виде 1:х:у с указанием В/Ц (например, 1:2:4 по массе при В/Ц=0,6);
2) Расходом материалов по массе (кг) на 1 м3 уложенной и уплотненной бетонной смеси, например, цемента – 280, песка – 700, щебня – 1250, воды – 170, итого – 2400.
Различают лабораторный состав бетона, устанавливаемый для сухих материалов, и производственный (полевой) – для материалов в естественно-влажном состоянии. Лабораторный состав бетона определяют расчетно-экспериментальным путем. Состав бетона предварительно рассчитывают по абсолютным объемам, используя формулы для определения расхода воды, цемента, песка и щебня, выведенные на основании рассмотренных выше зависимостей, а затем уточняют пробными затворениями.
Порядок расчета состава следующий:
1) Определяют В/Ц (или Ц/В) в зависимости от требуемой прочности, срока и условий твердения бетона. Водоцементное или цементноводное соотношение находят путем предварительных опытов, устанавливающих зависимость прочности бетона от этого фактора и активности цемента (с применением местных заполнителей) или ориентировочно по формулам:
а) для обычного бетона при В/Ц>0,4
В/Ц = АRц /(Rб + А 0,5 Rц) (2.6)
б) для высокопрочного бетона при В/Ц< 0,4
В/Ц = А1Rц /(Rб - А10,5 Rц) (2.7)
Значение коэффициентов А и А1 берут из таблицы 2.3
Таблица 2.3 – Значение коэффициентов А и А1
| Материалы для бетона | А | А1 |
| Высококачественные | 0,65 | 0,43 |
| Рядовые | 0,6 | 0,4 |
| Пониженного качества | 0,55 | 0,37 |
При расчете состава бетона иногда необходимо учитывать требования к нему по морозостойкости, водонепроницаемости, прочности на растяжение при изгибе и пр. В этом случае для назначения В/Ц используют соответствующие зависимости, но способ определения состава бетона в принципе сохраняется.
2) Определяют расход воды в зависимости от требуемой подвижности бетонной смеси на основании результатов предварительных испытаний. При этом необходимо учитывать водопоглащение крупного заполнителя, если оно более 0,5% по массе.
3) Определяют расход цемента:
Ц=В:В/Ц
Если расход цемента на 1 м3 бетона окажется ниже допускаемого по СНиПу (таблица 2), то следует увеличить его до требуемой нормы или ввести тонкомолотую добавку. Последнюю применяют в случае, если активность цемента слишком высока для бетона данной марки.
4) Устанавливают коэффициент раздвижки α для пластичных бетонных смесей в зависимости от количества цементного теста и крупности песка или выбирают его значение по таблице 2.4.
Таблица 2.4– Оптимальные значения коэффициента α для пластичных бетонных смесей
| Расход цемента, кг/м3 | Оптимальные значения коэффициента α при В/Ц | ||||
| 0,4 | 0,5 | 0,6 | 0,7 | 0,8 | |
| 250 | - | - | 1,26 | 1,32 | 1,38 |
| 300 | - | 1,3 | 1,36 | 1,42 | - |
| 350 | 1,32 | 1,38 | 1,44 | - | - |
| 400 | 1,4 | 1,46 | - | - | - |
| 500 | 1,5 | 1,56 | - | - | - |
Зависимость коэффициента раздвижки зерен α от расхода цементного теста на 1 м3 бетона. При уменьшении модуля крупности песка Мкр на 1 коэффициент α уменьшается на 0,1…0,15, однако он не должен быть менее 1,1.
5) Определяют расход щебня или гравия по формуле:
Щ=1000/(αПщ//ρщ+1/ ρщ) (2.8)
6) Определяют расход песка по формуле:
Щ= ρп (1000 - Ц/ρц – В - Щ/ ρщ) (2.9)
7) Проверяют на пробных замесах подвижность (осадку конуса) или жесткость бетонной смеси, при необходимости вносят поправки в расчет состава бетона. Если применяют воздухововлекающие добавки, то количество вовлеченного воздуха учитывают при подсчете расхода песка.
Современная технология отличается большим разнообразием требований к бетону, материалов для бетона и технологических приемов приготовления и укладки бетонной смеси. Однако нет необходимости создавать для каждого случая свой метод расчета.
Расчет состава обычного тяжелого бетона должен выполняться по рассмотренной методике. Специфические требования к бетону и материалам для него надо учитывать путем введения соответствующих поправок.
2.4 Требования, предъявляемые к бетонам и бетонным смесям
В настоящее время в строительстве используют различные виды бетона. Бетоны классифицируются по средней плотности, виду вяжущего вещества, структуре, технологическим особенностям и назначению.
Многие свойства бетона зависят от его плотности, на величину которой влияют плотность цементного камня, вид заполнителя и структура бетонов.
Проектируемый нами бетон по плотности является тяжелым – 2100-2500 кг/м3. Бетон должен обладать высокой плотностью, водонепроницаемостью, морозостойкостью, достаточной прочностью, малой усадкой и незначительно выделять теплоту при твердении.
Общие требования к бетонам и бетонным смесям следующие: до затвердевания бетонной смеси должны легко перемешиваться, транспортироваться, укладываться (обладать подвижностью и удобоукладываемостью), не расслаиваться; бетоны должны иметь определенную скорость твердения в соответствии с заданными сроками распалубки и ввода конструкции или сооружения в эксплуатацию; по возможности расход цемента должен быть минимальным.
Получить бетон, удовлетворяющий всем поставленным требованиям, можно при правильном проектировании состава бетона, надлежащем приготовлении, укладки и уплотнении бетонной смеси, а также при правильном выдерживании бетона в начальный период его твердения.
Одним из основных свойств бетонной смеси является удобоукладываемость (подвижность или жесткость), определяемая в соответствии с ГОСТ 10181.1-81. Подвижностью бетонной смеси называется способность ее растекаться без расслоения под действием силы тяжести или при незначительном механическом воздействии.
Требования удобоукладываемости зависят от метода производства работ. Цель подбора состава бетонной смеси – получить смесь требуемой подвижности или жесткости на месте укладки смеси при наименьшем расходе цемента для заданной марки.
Одно из основных свойств бетонной смеси – водоцементное отношение. Чем ниже водоцементное отношение, тем выше жесткость и ниже подвижность бетонной смеси.
Бетонная смесь независимо от того, является она подвижной или жесткой, должна быть легкообрабатываемой, т.е. при заполнении формы и уплотнении она должна сохранять однородность и не расслаиваться. Если в бетонную смесь одновременно добавляют цемент и воду, то ее подвижность увеличивается. Так как водоцементное отношение при этом не нарушается, то не изменяется и прочность бетона. Таким способом можно добиться необходимой подвижности смеси при сохранении заданной прочности бетона.
2.4.1 Требования, предъявляемые к составляющим бетонной смеси
2.4.1.1 Требования, предъявляемые к цементам
Основным свойством, характеризующим качество любого цемента, является его прочность (марка). Для своего проекта мы выбираем цемент марки М400, прочность цемента при сжатии составляет 40…50 МПа. Действительную прочность цемента называют активностью. При испытании прочность контрольного образца оказалась 44 МПа, следовательно, активность цемента будет 44 МПа и марка М400. Повышение прочности цемента на 1 МПа приводит к снижению расхода цемента на 2…5 кг/см3.
Помимо прочности к цементам предъявляются и другие требования, важными из которых являются нормальная густота и сроки схватывания.
Нормальной густотой называют то содержание воды (%), которое необходимо добавить к цементу, чтобы получить определенную консистенцию цементного теста, определяемую требованиями стандарта на специальном приборе. Нормальная густота увеличивается при введении в цемент при помоле тонкомолотых добавок, обладающих большей водопотребностью, например трепела, опоки.
Сроки схватывания цемента, определяемые на специальном приборе по глубине проникания иглы в цементное тесто, характеризуют начало и конец процесса превращения материала в твердое тело. По стандарту требуется, чтобы начало схватывания при температуре 20ºС наступило не ранее чем через 45 мин, а конец – через 3-5 ч. Эти сроки обеспечивают производство бетонных работ, так как дают возможность транспортировать и укладывать бетонные смеси до их схватывания.
Портландцемент имеет тонкий помол: через сито № 008 должно проходить не менее 85% общей массы цемента. Средний размер частиц цемента составляет 15-20 мкм. Истинная плотность без добавки составляет 3,05-3,15 г/ см3.
Схватывание и твердение цемента – экзотермические процессы. Практически 1 кг цемента М400 выделит в бетоне за 7 суток с момента затворения цемента водой не менее 210 кДж.
2.4.1.2 Требования, предъявляемые к заполнителям
По крупности зерен заполнители подразделяются на мелкие – песок и крупные –щебень.
Песок – это смесь зерен размером от 0,14 до 5 мм; смесь зерен крупнее 5 и до 70 или 150 мм называется щебнем или гравием в зависимости от формы и характера поверхности зерен. Форма зерен гравия округлая и гладкая в отличие от угловатых и шероховатых зерен щебня.
По объемному насыпному весу различают заполнители легкие, тяжелые и особо тяжелые. Предельное значение объемного насыпного веса легких заполнителей установлено: для песка 1200, для щебня– 1000 кг/м3, тяжелые заполнители имеют объемный насыпной вес выше 1200 – пески и выше 1000 кг/м3 – щебень. Объемный вес особо тяжелых заполнителей, имеющих специальное назначение, превышает 2000 кг/м3.
По происхождению заполнители подразделяются на природные и искусственные. Природные заполнители получают из рыхлых залеганий или путем дробления массивных горных пород; первыми являются природный песок и гравий, вторым – дробленый песок и щебень. Природный щебень получают также дроблением гравия.
Искусственные заполнители – это отходы промышленности или специально приготовленные. Первые – металлургические и топливные шлаки, вторые – различные горные породы, подвергнутые обжигу.
В бетоне применяют крупный и мелкий заполнитель. Крупный заполнитель, зерна которого крупнее 5 мм, подразделяют на гравий и щебень. Мелким заполнителем в бетоне является естественный или искусственный песок.
Песок представляет собой рыхлую смесь мелких зерен, образовавшуюся в результате выветривания изверженных горных пород. Иногда песок получают дроблением горных пород.
Заполнители занимают в бетоне до 80% объема и оказывают определенное влияние на свойства бетона, его долговечность и стоимость. Введение в бетон заполнителей позволяет резко сократить расход цемента, являющегося наиболее дорогим и дефицитным компонентом бетона. Кроме того, заполнители улучшают технические свойства бетона. Жесткий скелет из высокопрочного заполнителя несколько увеличивает прочность и модуль деформации бетона – уменьшает деформации конструкций под нагрузкой, а также уменьшает ползучесть – необратимые деформации, возникающие в бетоне при длительном действии на него нагрузки. Заполнитель уменьшает усадку бетона, способствуя получению более долговечного материала.
Правильный выбор заполнителей для бетона, их разумное использование – одна из важных задач технологии бетона. К заполнителям для бетона предъявляются требования, учитывающие особенности их влияния на свойства бетона. Наиболее существенное влияние на свойства бетона оказывают зерновой состав, прочность и чистота заполнителя.
Зерновой состав показывает содержание в заполнителе зерен разной крупности. Он определяется просеиванием пробы заполнителей через стандартные сита с зерна различных размеров, и фракционированный, если зерна заполнителя разделены на отдельные фракции, включающие зерна близких между собой размеров. Заполнитель характеризуют наименьшей и наибольшей крупностью, под которыми понимают размеры наименьших или наиболее крупных зерен заполнителя.
На строительных объектах или бетонных заводах зерновой состав заполнителя подбирают, используя определенные песок и щебень и устанавливая такое соотношение между песком и отдельными фракциями щебня, чтобы кривая зернового состава по возможности приближалась к идеальной кривой, однако совсем необязательно, чтобы она точно ей соответствовала. Наибольшие отклонения вполне допустимы. Некоторое ухудшение зернового состава можно компенсировать определенными технологическими приемами, достигнув при этом заметного снижения стоимости бетона и транспортно-заготовительных расходов, поэтому в стандартах и технических условиях всегда указывается не один рекомендуемый зерновой состав, а допускаются определенные колебания в соотношениях отдельных фракций, при которых ещё не наблюдается значительного ухудшения свойств смеси заполнителей (таблица 2.5).
Таблица 2.5 – Зерновой состав песка
Размер отверстий сит, мм |
5 | 2,5 | 1,25 | 0,63 | 0,315 | 0,14 | Менее 0,14 |
| Полные остатки на ситах, % по массе | 0 | 0-20 | 15-45 | 35-70 | 70-90 | 90-100 | 0-10 |
Для условного выражения зернового состава песка пользуются модулем крупности Мк, обозначающим сумму полных остатков (в %) на ситах стандартного набора, деленного на 100. Модуль крупности песка может колебаться от 2,1 до 3,25. Однако при соответствующем технико-экономическом и технологическом обосновании могут применяться и более мелкие дешевые местные пески. В зависимости от модуля крупности пески разделяют на крупные, средние, мелкие и очень мелкие.
Для щебня и гравия из плотных горных пород зерновой состав устанавливается в зависимости от размеров наименьших и наиболее крупных зерен, так как предельная крупность заполнителя может быть различной.
Оптимальный зерновой состав заполнителя в целом зависит не только от зернового состава песка и щебня, но и от правильного выбора соотношения между ними. Правильный выбор этого соотношения может быть сделан только с учетом состава бетона. в частности с учетом содержания цемента и воды.
С зерновым составом непосредственно связана пустотность заполнителя, определяемая возможностью его плотной укладки. На пустотность влияет также форма его зерен. Пустотность заполнителя является важной характеристикой, так как в известной мере определяет расход цемента (чем больше пустот, тем больше требуется цемента для их заполнения) и другие свойства бетона. На объем пустот оказывает влияние форма зерен (таблица 2.6).
Таблица 2.6 – Пустотность (%) зернового материала в зависимости от формы зерен
| Форма зерен | Укладка | ||
| наиболее плотная | наименее плотная | средняя | |
| Кубы | 0 | 87,1 | 43,55 |
| Октаэдры | 12,2 | 83,9 | 48,05 |
| Додекаэдры | 14,1 | 60,7 | 37,40 |
| Икосаэдры | 10,8 | 59,9 | 35,10 |
| Шары | 26,2 | 47,6 | 36,90 |
В действительности наиболее и наименее плотные укладки маловероятны и практически будут иметь место какая-то промежуточная система укладки и, следовательно, средняя пустотность, определяемая степенью уплотнения. С увеличением угловатости зерен вероятные значения пустотности возрастают. Особенно же увеличивается пустотность при применении зерен удлиненной формы.
Для получения монолитного бетона необходимо, чтобы цементное тесто не только заполнило пустоты между зернами песка, но и раздвинуло зерна с целью создания между ними прослойки. Расход цемента на получение подобной оболочки зависит от удельной поверхности заполнителя, возрастая с уменьшением размера зерен. В результате с увеличением удельной поверхности заполнителя либо повышается техническая вязкость бетонной смеси, либо для получения определенной жесткости или подвижности смеси приходится увеличить расход цемента, чтобы обеспечить получение бетона заданной прочности.
Прочность заполнителя определяется не только прочностью горной породы, из которой он получен, но и крупностью зерен. При выветривании или дроблении породы разрушение происходит по более слабым местам структуры и с уменьшением размера зерен прочность их как бы повышается. Естественные пески обладают прочностью при сжатии и растяжении, как правило, более высокой, чем прочность цементного камня.
Природный песок, применяемый для производства обычного бетона, представляет собой образовавшуюся в результате выветривания горных пород рыхлую смесь зерен (крупностью 0,14…5 мм) различных минералов, входящих в состав изверженных горных пород. При отсутствии природного песка применяют песок, получаемый путем дробления твердых горных пород.
Для бетона пригоден крупный песок, но содержащий достаточное количество средних и мелких зерен. При такой комбинации зерен объем пустот будет малым, а площадь поверхности зерен – небольшой. Этот оптимальный состав песка соответствует рекомендациями ГОСТ 10268-80.
Песок целесообразно применять с шероховатой поверхностью, так как такой песок лучше сцепляется с цементным камнем и способствует повышению прочности бетона.
Предельно допустимое стандартами содержание пыли и глины в природном песке не должно превышать 3%, а в дробленном 5%.
Крупными заполнителями в бетонной смеси служат щебень и гравий, получаемый дроблением плотных горных пород или дроблением гравия.
Щебнем называют материал, полученный в результате дробления камней из горных пород. Щебень имеет остроугольную форму. Для приготовления бетона лучше всего использовать щебень, близкий по форме к кубу или тетраэдру; плоская форма значительно хуже, так как она легко ломается. Форма щебня зависит от структуры каменной породы и типа камнедробильной машины.
Для производства щебня используют гранит, диабаз, известняк, доломит и кварцит. Щебень чище гравия, обычно он не содержит органических примесей.
Требования, предъявляемые к крупному заполнителю для бетона, аналогичны предъявляемым к песку.
2.4.1.3 Требования, предъявляемые к воде и добавкам
Вода наряду с цементом является активным компонентом бетонной смеси и от её качества во многом зависит ход процессов твердения и конечная прочность бетона. Для приготовления бетонной смеси используют водопроводную питьевую, а также любую воду, имеющую водородный показатель pH не менее 4, т.е. не кислую, не окрашивающую лакмусовую бумагу в красный цвет. Вода не должна содержать сульфатов более 2700 мг/л и всех солей более 5000 мг/л. Она не содержит вредных примесей, тормозящих твердение бетона и снижающих прочность его или содержит эти примеси в допустимом количестве.
Последнее исследования показали, что вода, прошедшая через магнитное поле, определенной напряженности, приобретает способность более интенсивно взаимодействовать с зернами цемента, повышая их растворимость до 20 % и более.
Для регулирования свойств бетона, бетонной смеси и экономии цемента применяют различные добавки. Их подразделяют на два вида: химические добавки, вводимые в бетон в небольших количествах (0,1-2% от массы цемента) и изменяющие в нужном направлении свойства бетонной смеси и бетона, и тонкомолотые добавки (5-20% и более), использующиеся для экономии цемента, получения плотного бетона при малых расходах цемента и повышение стойкости бетона. Применение химических добавок является одним из наиболее универсальных, доступных и гибких способов управления технологией бетона и регулирования его свойств.
Добавки применяют для придания бетонной смеси и бетону некоторых более ярко выраженных свойств: повышения подвижности смеси, ускорения твердения бетона, повышения морозостойкости, водостойкости и жаростойкости, более прочного сцепления нового бетона со старым, или образования особо пористой ячеистой структуры бетона. В соответствии с назначением все виды добавок могут быть подразделены на следующие группы:
ускорители твердения – хлористый кальций, хлористый натрий, соляная кислота, сернокислый глинозем, поташ, молотая негашеная известь;
замедлители схватывания вяжущих – гипс, слабый раствор серной кислоты, сернокислое окисное железо, кератиновый замедлитель, животный клей, поверхностно-активные органические вещества;
пенообразователи для получения ячеистой структуры пенобетона – клееканифольные, смолосапониновые, алюмосульфонафтеновые пенообразователи, пенообразователь ГК (гидрализованная боенская кровь), дегтеизвестковый, жидкосте-кольный;
поверхностно-активные добавки, применяемые для повышения подвижности бетонной смеси и придания бетону более высокой морозостойкости, водостойкости, водонепроницаемости и солестойкости.
Среди поверхностно-активных добавок различают:
пластифицирующие – концентраты с-3;
гидрофобизующие – мылонафт, асидол, асидол-мылонафт, абиетат натрия, омыленный древесный пек, микропенообразователи БЕ и ОЕ и др.;
гидрофобно-пластифицирующие – метилсиликат натрия (ГКЖ-11), этилсиликат натрия (ГКж-10, ЭСГ-9) и этилгидро-силоксаловая жидкость (ГКЖ-94).
2.5 Технологическая схема
2.5.1 Графическая схема работы установки и ее описание
Для производства бетона выбираем инвентарную бетоносмесительную установку, предназначенную для приготовления бетонных смесей, может работать при температуре до -300С. Установка состоит из дозировочного отделения заполнителей и смесительного отделения, в котором размещены: бетоносмеситель, дозатор цемента с механизмами его переработки и подачи, дозатор воды, дозатор химических добавок с устройством для их растворения (при необходимости подогрева) и соединительные трубопроводы. Оба отделения связаны наклонной утепленной ленточной галереей. Технологическая схема производства тяжелого товарного бетона приведена на рисунке 2.1.
Как дозировочное, так и смесительное отделение заключены в теплоизоляционную обшивку и для поддержания нормальной температуры отапливается.
Блок бункеров состоит из отделений щебня и песка. Песок и щебень различных фракций загружают в соответствующие бункера, в которых смонтированы регистры отопления для поддержания необходимой положительной температуры. Кроме того, бункеры закрывают крышками для улучшения прогревания находящегося в них материала. В верхней части бункеров установлены решетки, на пропускающие в них крупные куски материала и посторонние предметы. На бункерах щебня фракции 20-40 и 40-70 мм в нижней части установлено по два секторных затвора, которые открываются и закрываются одновременно пневмоцилиндрами по сигналу с пульта.
Смесительный блок, который состоит из двух бетоносмесителей С-302И, дозаторов добавок, воды и цемента, бойлерной для жидкости, системы водопитания и привода контейнера, опирается на стойку и раму блока управления.
В воронке установленной на впускной горловине бетоносмесителя, смонтирован рассекатель, способствующий предварительному смешиванию заполнителей.
Силосы цемента установлены на опоры. В нижней части силоса находятся секторный затвор, который перекрывает выгрузочное отверстие, система аэрации, улучшающая истечение цемента, и люк для осмотра внутренней конической части силоса при проведении технического обслуживания и ремонтов.
К силосу на кронштейнах крепится винтовой питатель (конвейер), подающий цемент в дозатор. Наличие цемента в силосе определяют по верхнему и нижнему указателям уровня. Для очистки воздуха, поступающего в силосы при загрузке цемента, в верхней части силоса установлен фильтр. Чтобы при загрузке цемента в очистке воздуха участвовали оба фильтра, оба силоса соединены резинотканевым рукавом. Подают цемент в силосы из автоцементовозов.
Блок управления состоит из двух отделений. В одном размещены шкафы с силовой аппаратурой, пульт управления, с которого управляют всеми механизмами бетоносмесительной установки и ведут контроль за их работой. Для обеспечения заданных параметров микроклимата в блоке управления смонтирован кондиционер. Во втором отделении установлено оборудование для хранения и подачи химических добавок: два центробежных насоса и система трубопроводов.
Для создания подпора жидкости в системе трубопроводов на сливе в бак добавок установлен запорный винтель. Добавки в дозор подают открытием электромагнитного и впускного клапанов. Зимой добавки подогревают теплоносителем, подаваемым из системы отопления в нижнюю часть бака добавок. Вода из бака насосом подается в дозор. В зимнее время ее подогревают в бойлерной. Из дозаторов вода и добавки через воронку и перфорированную трубу поступают в бетоносмеситель.
Разгружают бетонную смесь в автосамосвал через загрузочное устройство. При разгрузке бетонной смеси в автобетоносмеситель устройство с помощью ручной лебедки отводят в сторону от выгрузного отверстия.
Для смазывания штоков воздухораспределителей в системе подачи воздуха установлены маслораспылители. Идущий на аэрацию цемента воздух очищается во влагомаслоотделителях. Для равномерной работы системы пневмооборудования обе компрессорные установки соединены между собой.
2.5.2 Виды и техническая характеристика, применяемого метрологического оборудования
Одним из основных свойств бетонной смеси является удобоукладываемость (подвижность или жесткость), определяемая в соответствии с ГОСТ 10151.1-81. Подвижность бетонной смеси называется способность ее растекаться без расслоения под действием силы тяжести или при незначительном механическом воздействии.
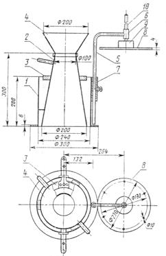
Характеризуется подвижность осадкой конуса ОК (измеряемой в см), отформованного из бетонной смеси, подлежащий испытанию. Для этого используют изготовленные из листовой стали конусы с гладкой внутренней поверхностью (рисунок 2.1).
Для смесей с наибольшей крупностью заполнителя до 40 мм предназначен конус №1, 70-80 мм – конус №2.
Перед испытанием все соприкасающиеся с бетонной смесью поверхности очищают и протирают влажной тряпкой. Конус устанавливают на гладкий металлический лист и заполняют через воронку бетонной смесью в три слоя высотой 100 мм для конуса №1 и 150 мм для конуса №2 (таблица 2.7).
Таблица 2.7 – Размеры конусов
| Конус | dнижн | dверх | h |
| №1 | 100 | 200 | 300 |
| №2 | 150 | 300 | 450 |
Каждый слой уплотняют штыкованием металлическим стержнем: в конусе №1 – 25 раз, №2 – 56 раз. Во время наполнения и штыкования конус прижимают к листу. Затем воронку снимают, и избыток смеси срезают кельмой вровень с верхними краями конуса. Конус плавно снимают с отформованной бетонной смеси и устанавливают рядом с ней. Осадку конуса бетонной смеси определяют, укладывая металлическую линейку ребром наверх конуса и измеряя расстояние от нижней грани линейки до верха бетонной смеси с точностью до 0,5 см. Значение осадки конуса бетонной смеси, определенной в конусе №2, приводят к значению осадки конуса №1, умножая первое значение на переводной коэффициент 0,67.
Если после снятия конуса бетонная смесь приобретает форму, затрудняющую определение ее осадки, измерение не производят и повторяют испытание на новой порции бетонной смеси. Время испытания с начала наполнения конуса и до измерения осадки бетонной смеси не должно превышать 2,5 мин.
Осадку конуса бетонной смеси вычисляют с точностью до 1 см, как среднее арифметическое результатов двух определений из одной пробы, различающихся между собой не более чем на 1 см при ОК ≤ 4 см, на 2 см при ОК, равном 5-9 см, и на 3 см при ОК ≥ 10 см. При большем расхождении результатов испытание повторяют. Затем заносят в журнал дату и время испытаний, место отбора пробы, марку и вид бетона, изготовленного из испытываемой смеси, результаты частных испытаний и среднее арифметической значение ОК.

Рисунок 2.2 – Определение подвижности бетонной смеси
1 - ручка; 2 - корпус прибора; 3 - упоры; 4 - сварной шов
Жесткость характеризует смесь, если осадка конуса равна нулю. Определяют жесткость временем вибрации, необходимым для выравнивания и уплотнения предварительно отформованного конуса бетонной смеси. При наибольшей крупности зерен заполнителей до 40 мм включительно жесткость бетонной смеси определяют на лабораторной виброплащадке СМЖ-539 (рисунок 2.3).

Рисунок 2.3 – Прибор для определения жесткости бетонной смеси:
1 - цилиндрическое кольцо с фланцем в основании; 2 - конус; 3 - кольцо-держатель с ручками; 4 - загрузочная воронка; 5 - штатив; 6 - направляющая втулка; 7 - фиксирующая втулка с зажимным винтом; 8 - диск с шестью отверстиями; 9 - стальная шайба; 10 - штанга.
Прибор для определения жесткости бетонной смеси (рисунок 2.2) закрепляют на столе виброплащадки. Цилиндрическое кольцо, кольцо-держатель и воронку прибора изготавливают из листовой стали. Кольцо и конус должны быть с гладкой внутренней поверхностью.
Собирают прибор в такой последовательности: жестко крепят кольцо, вставляют в него конус и закрепляют его ручками, сверху устанавливают воронку. Диск 8 с отверстиями поворотом штатива устанавливают над отформованной бетонной смесью и отпускают на поверхность конуса. Штатив закрепляют в фиксирующей втулке зажимным винтом. Одновременно включают виброплащадку и секундомер, и наблюдают за выравниванием и уплотнением бетонной смеси. В момент, когда начнет выделяться цементное тесто из двух отверстий диска, вибрирование прекращают и выключают секундомер. Полученное время вибрирования характеризует жесткость. Его вычисляют с точностью до 1 с как среднеарифметическое значение результатов двух определений жесткости из одной пробы, различающихся между собой не более чем на 20%. При большем расхождении результатов испытание повторяют. Пробы для определения жесткости или подвижности бетонной смеси отбирают в три приема с интервалом 1 мин.
Для определения средней плотности бетонной смеси применяют:
- формы для изготовления контрольных образцов бетона по ГОСТ 22685;
- весы лабораторные по ГОСТ 24104;
- виброплащадку лабораторную;
- кельму типа КБ по ГОСТ9533;
- линейку стальную по ГОСТ 427;
- сосуды металлические цилиндрические, размеры которых принимают в зависимости от наибольшей крупности зерен фракции заполнителя (таблица 2.8).
Таблица 2.8 – Размеры металлических сосудов
| Наибольшая крупность зерен фракции заполнителя, мм | Вместимость сосуда, см3 | Внутренний размер сосуда, мм | |
| диаметр | высота | ||
| ≤ 20 | 1000 | 108 | 108 |
| 40 | 5000 | 185 | 158 |
| ≥ 70 | 10000 | 234 | 234 |
Для определения расслаиваемости бетонной смеси применяют:
- формы стальные для изготовления контрольных образцов бетона типа ФК-200 по ГОСТ 22685;
- сосуд вместимостью 5000см3;
- виброплащадку лабораторную;
- противень;
- линейки стальные по ГОСТ 427;
- сито с отверстиями диаметром 5мм;
- электрошкаф сушильный;
- посуду мерную стеклянную по ГОСТ 1770.
2.6 Технологические режимы
2.6.1 Технологические процессы подготовки сырья
Приготовление бетонной смеси включает подготовку материалов, их дозирование и перемешивание бетонной смеси. На заводах сборного железобетона или на стройках проводят, если есть необходимость, приготовление растворов химических добавок, оттаивание и подогрев заполнителя в зимнее время.
Подготовка растворов химических добавок включает растворение в воде твердых, пастообразных или жидких продуктов добавок и последующее доведение раствора до заданной концентрации. Приготовление добавок осуществляют в специальных емкостях, снабженных системой трубопроводов для перемешивания раствора сжатым воздухом, а при необходимости – паровыми регистрами для подогрева. После приготовления добавки подают в расходную емкость, снабженную датчиком уровня, и по мере необходимости – через дозатор в бетоносмеситель.
Подогрев заполнителей обычно осуществляют в бункерах, реже непосредственно на крытых складах. Для подогрева используют либо контактный способ подогрева заполнителей с помощью паровых труб и гребенок, размещаемых в бункерах.
2.6.2 Технологические режимы производства продукции
Важным технологическим переделом является дозирование материалов. Для получения бетонной смеси заданного состава необходимо правильно отмеривать (дозировать) количество составляющих (вяжущих, заполнителей, воды, добавок) перед поступлением их в смеситель. Заданное количество составляющих можно измерять по объему или массе, или по объему с корректированием массы. Отклонение от заданного количества содержания дозы того или иного материала называют погрешностью дозирования и измеряют в процентах. Устройства для отмеривания количества составляющих называют дозаторами. На современных бетонных заводах используют в основном весовые дозаторы, т.е. дозирование материалов по массе: цемент, воду и добавки – с точностью до 2 л, песка и щебня с точностью до 10 кг. При этом расход цемента округляют обычно в большую сторону, а воды в меньшую.
Вторым важным технологическим переделом является перемешивание бетонной смеси. В процессе перемешивания материалы равномерно распределяются по всему объему, зерна цемента и заполнителя смачиваются водой, в результате получается однородная масса, свойства которой в любом месте объема одинаковы. Вид и состав бетона оказывают заметное влияние на требования к перемешиванию. Подвижные смеси легче перемешивать, чем жесткие: жирные перемешиваются лучше, чем тощие, крупнозернистые – лучше, чем мелкозернистые или тонкозернистые.
При использовании крупнозернистых подвижных смесей с заполнителем из плотных горных пород применяется смесители свободного падения, в которых перемешивание происходит при вращении барабана-смесителя в результате многократного подъема и сбрасывания материалов с некоторой высоты.
Между бетоном и заполнителем обычно не происходит химического воздействия, поэтому заполнители часто называют инертными материалами. Однако они существенно влияют на структуру и свойства бетона, изменяя его пористость, сроки затвердевания, поведение при воздействии нагрузки и внешней среды. Заполнители значительно уменьшают деформации бетона при твердении и тем самым обеспечивают получение большеразмерных изделий и конструкций. В качестве заполнителей используют местные горные породы. Применение этого дешевого заполнителя снижает стоимость бетона, так как заполнители и вода составляют 85-90%, а цемент 10-15% от массы бетона. Для снижения плотности бетона и улучшения его теплотехнических свойств используют искусственные и пористые заполнители.
Для регулирования свойств бетона и бетонной смеси в их состав вводят различные химические добавки и активные минеральные компоненты, которые ускоряют или замедляют схватывание бетонной смеси, делают ее более пластичной и удобоукладываемой, ускоряют твердение бетона, повышают его прочность и морозостойкость, регулируют собственные деформации бетона, возникающие при его твердении, а также при необходимости изменяют и другие свойства бетона.
В течение длительного времени в бетонах происходит изменение пористой структуры, наблюдается протекание структурообразующих, а иногда и деструктивных процессов и результат – изменение свойств материала. С увеличением возраста бетона повышаются его прочность, плотность, стойкость к воздействию окружающей среды. Свойства бетона определяются не только его составом и качеством исходных материалов, но и технологией приготовления и укладки бетонной смеси в конструкцию, условиями твердения бетона. Все эти факторы мы учтем при проектировании состава тяжелого бетона.
Технология бетона включает ряд этапов или технологических переделов: подготовку сырья, определение состава бетона в зависимости от используемого сырья и конструк-тивных и технологических требований, дозирование цемента, воды, заполнителей и других материалов для определенного замеса бетонной смеси, перемешивание, транспортировку бетонной смеси к месту укладки, заполнение формы и опалубки конструкции бетонной смесью, ее уплотнение, последующее твердение бетона в нормальных условиях (при температуре 20ºС и влажности 80-100%).
2.7 Организация производственного процесса
2.7.1 Циклограмма работ
Первый этап: работы по производству бетонной смеси начинаются с разгрузки и складской переработки, прибывающих на завод заполнителей, цемента и добавок. При доставке заполнителей автомобильным транспортом приемные устройства обычно выполняют в виде призматических и прямоугольно-призматических бункеров с разгрузкой сбоку или по оси бункера со специальной эстакады или помоста.
Под приемными бункерами размещаются траншейные (подбункерные) ленточные конвейеры. Компоновка нижней части бункеров и ленточных конвейеров должна обеспечивать поступление материала на ленточный конвейер без изменения направления движения материала.
При проектировании приемных бункеров следует учитывать, что недостаточная их ширина приводит к непроизводительной затрате ручного труда на переброску материалов, попавших при разгрузке за бункер. Плоскостные и пространственные углы должны обеспечивать гравитационные продвижения материала по бункеру, так как в противном случае проталкивание материала в этих местах придется производить вручную, что недопустимо по условиям техники безопасности.
При проектировании складов для заполнителей должны учитываться следующие положения:
1) Складская переработка заполнителей производится так, что при этом не ухудшается их качество.
При хранении и перегрузках на складах заполнители не должны засоряться, для этого площадки и полы под штабелями, а также откосы полубункеров покрываются бетоном.
Во избежание смешивания заполнителей различных фракций при хранении их на складе рекомендуется устройство разделительных стенок между штабелями различных фракций.
2) Несмотря на то, что капиталовложения для строительства крытых складов выше, чем для строительства открытых, применение крытых складов все же не разрешает всех вопросов, связанных с обеспечением нормальной их эксплуатации в зимнее время. Неутепленные и неотапливаемые помещения крытых складов предохраняют заполнители только от попадания снега, влаги и пыли в период складского хранения, не устраняя остальных факторов, осложняющих работу в зимнее время. Для обогрева применяют регистры, расположенные в средней части склада.
Второй этап: после разгрузки в складские помещения следует транспортирование заполнителей, цемента и добавок в расходные бункера и резервуары смесительной установки.
Современные автоматизированные склады бетоносмесительных установок оборудованы поточно-транспортными системами (ПТС) для подачи заполнителей и цемента к технологическому оборудованию для производства бетонных смесей.
ПТС представляет собой совокупность механизмов, обеспечивающих непрерывность технологического процесса транспортирования материалов к месту производства работ. К ним относятся ленточный конвейера, работающие определенной последовательности с другими механизмами ПТС – бункерами, питателями, поворотными воронками.
Третий этап: Следующим этапом работы будет подогрев в зимнее время заполнителей и воды в специальных складских устройствах и в расходных бункерах. Размораживание и подогрев заполнителей до заданной температуры в штабелях складского хранения и в бункерах подогрева могут быть осуществлены при непосредственном контакте теплоносителя (острый пар, дымовые газы, подогретый воздух) с заполнителями и при теплопередачи через промежуточную стенку между теплоносителем и заполнителями. Подогрев при непосредственном контакте теплоносителя с заполнителем может осуществляться: а) путем впуска острого пара в штабель или бункер (мокрый способ); б) путем продувки горячих газов (продуктов горения или подогретого воздуха) через неподвижный слой заполнителя; в) жидким теплоносителем; г) при взаимном перемещении теплоносителя, а также и заполнителей (в сушильных барабанах, в огневых печах); д) теплотой лучеиспускания (отражательные печи, инфракрасные лучи); е) термохимическим подогревом (термитные шашки).
Подогрев путем теплопередачи через промежуточную стенку (сухой способ) возможен: а) глухим паром (через специальные паровые регистры с обдувкой или без обдувки их сжатым воздухом); б) жидким теплоносителем; в) теплотой электрической энергии.
Четвертый этап: дозирование заполнителей, цемента, воды и добавок.
Пятый этап: перемешивание составляющих смеси (таблица 2.8).
Таблица 2.8 – Рекомендуемая продолжительность перемешивания бетонных смесей в смесителях принудительного действия.
| Объем готового замеса бетонной смеси, л | Продолжительность перемешивания, с, при средней плотности бетона, кг/м3 |
| 1600 и более | |
| св. 750 до 1500 | 120 |
Шестой этап: выгрузка готовой смеси в средства транспорта.
2.7.2 Организация контроля качества при производстве бетонной смеси
Для получения бетонов высокого качества и экономичности необходимо проводить постоянный контроль за их производством и на его основе управлять технологическими процессами, внося в них необходимые изменения и коррективы, учитывающие колебания свойств исходных материалов и условий производства и гарантирующие получение заданных свойств бетона при минимальных материальных, энергетических и трудовых затратах.
Контроль организуется на всех стадиях производства бетона и изделий из него и включают контроль свойств исходных материалов, приготовления бетонной смеси и ее уплотнения, структурообразования и твердения бетона свойств готового материала или изделия. Для контроля используют различные способы и приборы. По полученным результатам вносят коррективы в состав бетона, в параметры и режимы технологических операций на основе закономерностей, учитывающих влияние на свойства готового бетона различных технологических факторов. Для большей точности и надежности управления качеством бетона используют зависимости, полученные для условий конкретного производства.
Управление качеством бетона осуществляется на основе пооперационного контроля производства. Для его проведения используют экспресс-методы, позволяющие быстро оценить свойства материала или параметры процесса, разрабатываются специальные полуавтоматические и автоматические средства, а также используется выборочная проверка объектов контроля. Для оценки свойств цемента предложены рентгенографические и другие методы экспресс-анализа его минералогического состава и способы быстрого определения удельной поверхности цемента. По их результатам прогнозируется возможное влияние качества цемента на свойства приготавливаемой бетонной смеси и бетона и при необходимости производятся изменения состава бетона и режима технологических операций.
2.7.3 Виды производственного контроля
Высокое качество бетона может быть достигнуто путем четкой организации постоянно действующего производственного контроля на заводах ЖБИ.
На заводах ЖБК осуществляются различные виды технического контроля: входной, операционный и приемочный контроль.
Контроль производства осуществляет цеховой технический персонал, он отвечает за соблюдение технологических требований. Отдел технического контроля предприятия (ОТК) контролирует качество и производит прием готовой продукции, проверяет соответствие технологии техническим условиям производства изделий.
В задаче производственного контроля входят:
- контроль качества поступивших на предприятие материалов и полуфабрикатов входной контроль;
- контроль выполнения технологических процессов, осуществляемый во время выполнения определенных операций в соответствии с установленными режимами, инструкциями и технологическими картами – операционный контроль.
- контроль качества продукции, соответствие ее стандартам и техническим условиям -приемочный контроль.
Входной контроль. В целях получения качественной продукции на заводах железобетонных изделий проверяется качество крупного и мелкого заполнителей, а также цемента.
При определении качества заполнителей проверяют следующие показатели – зерновой состав песка (0,15…5 мм) и щебня (5…20 мм), а также содержание пылевидных и глинистых частиц песка (менее 3%) и щебня (менее 1%). При определении качества цемента – марка цемента (не менее М400), активность (44 МПа), средний размер частиц цемента или тонкость помола (15-20 мкм).
Пооперационный контроль на заводах ЖБК осуществляется производственно-техническим персоналом цехов под методическим руководством и при участии ОТК
с привлечением заводской лаборатории.
Для каждого вида выпускаемых изделий должны быть составлены технологические карты, в которых отражаются требования к качеству материалов, полуфабрикатов, а также к условиям и режимам при выполнении отдельных операций технологического процесса. С учетом этих карт составляют специальные карты пооперационного контроля, в которых устанавливают основные этапы производственного контроля, его объекты и содержание, а также способы контроля на данном этапе.
Первым этапом в пооперационном контроле является проверка качества материалов и полуфабрикатов при поступлении их на завод. Такая проверка производится работниками ОТК при непосредственном участии заводской лаборатории и начинается с проверки наличия всех технических документов, прибывших вместе с материалами. В случае отсутствия необходимых документов оформление приемки прибывших на склад материалов не производится, и они не пускаются в дело до получения результатов контрольных лабораторных испытаний, отвечающих требованиям соответствующих нормативных документов или других нормативных документов. Порядок отбора проб от каждой прибывшей партии материала и способы лабораторных испытаний устанавливаются и осуществляются согласно действующим нормативными документами.
Контроль качества приготовления бетонной смеси заключается в проверке правильности дозирования ее составляющих и тщательности перемешивания смеси, а также проверке подвижности или жесткости бетонной смеси после ее приготовления, транспортирования и при укладке. Кроме того, в зимнее время подлежит контролю температура подогрева составляющих и самой смеси при выходе ее из бетоносмесителя и при укладке в формы.
Дозирование составляющих для приготовления смеси является одним из ответственных этапов технологического процесса производства бетона. От точности дозирования цемента, заполнителей, воды и различных добавок зависит качество бетонной смеси.
Подлежит систематическому контролю влажность заполнителей, с учетом которой производится уточнение и корректировка дозировки составляющих бетонной смеси.
Для контроля влажности песка применяют приборы ВП-1 и ЭВП-4, разработанные институтом ВНИИ железобетон, принцип работы которых основан на определении диэлектрической проницаемости контролируемой пробы песка.
Однородность бетона в значительной мере определяется качеством перемешивания бетонной смеси. Для получения однородной смеси следует контролировать строгое соблюдение оптимальных сроков перемешивания, установленных лабораторией опытным путем с учетом рекомендаций СНиП. Контроль за продолжительностью перемешивания должен осуществляться с помощью реле времени и обеспечиваться путем безотказно действующих средств световой и звуковой сигнализации. Показатель подвижности или жесткости бетонной смеси контролируют работники заводской лаборатории путем отбора средней пробы смеси из бетоносмесителя или в месте ее укладки.
Приемочный контроль – это контроль готовой продукции, по результатам которого принимается решение об ее пригодности к поставке потребителю. Его результаты используются для выявления недостатков технологического процесса и внесение необходимых изменений. Он устанавливает соответствие качественных показателей требованиям ГОСТа и проекта изделия.
При приемке изделий устанавливается соответствие удобоукладываемости бетонной смеси, а также фактическая прочность образцов.
Бетонные смеси должны быть приняты техническим контролем изготовителя.
Объем партии устанавливают по ГОСТ 18105, но не более сменной выработки бетоносмесителя.
Удобоукладываемость бетонной смеси для каждой партии определяют не реже одного раза в смену у изготовителя в течение 15 мин после выгрузки смеси из смесителя и у потребителя не позже чем через 20 мин после доставки смеси.
Прочность и среднюю плотность бетонной смеси определяют для каждой партии. Проектную марку бетона определяют испытанием контрольных образцов, размеры которых могут быть 100, 150 и 200мм.
Образцы испытывают сериями из трех образцов, а при коэффициенте вариации, не превышающим 5%, допускается испытывать серии из 2 образцов. Условия твердения образцов должны идти по одинаковому режиму.
Среднюю плотность бетонной смеси характеризуют отношением массы уплотненной бетонной смеси к ее объему.
Влажность заполнителей, температуру смеси (при необходимости) определяют не реже одного раза в смену, среднюю плотность смеси в уплотненном состоянии и ее расслаиваемость (при необходимости) – не реже одного раза в сутки, наибольшую крупность заполнителя – не реже одного раза в неделю.
Периодичность определения качества бетонной смеси и бетона по показателям, указанным в договоре потребителя, устанавливают по согласованию изготовителя с потребителем.
Потребитель имеет право проводить контрольную проверку количества и качества бетонной смеси в соответствии с требованиями стандарта по методикам ГОСТ 10181.0 – ГОСТ 10181.4.
Результаты испытаний контрольных образцов бетона в проектном или другом требуемом возрасте изготовитель обязан сообщить потребителю по его требованию не позднее чем через 3 сутки после испытаний.
При неподтверждении нормируемого показателя качества бетона изготовитель обязан в день получения результатов испытаний сообщить об этом потребителю.
Пробы бетонной смеси отбирают в соответствии с требованиями ГОСТ 10181.0, ГОСТ 10180 и ГОСТ 18105.
Материалы для приготовления бетонных смесей испытывают в соответствии с требованиями стандартов и технических условий на эти материалы.
Удобоукладываемость бетонной смеси (подвижные смеси определяют по осадке конуса или по расплыву конуса, жесткие – по прибору Вебе, сверхжесткие – по прибор
Вебе-Н с пригрузом), показатели пористости и расслаиваемости определяют по ГОСТ 10181.0 – ГОСТ 10181.4.
Температуру транспортируемой бетонной смеси измеряют термометром, погружая его в смесь на глубину не менее 5 см.
Готовые бетонные смеси доставляют потребителю транспортом специализированных видов, предназначенным для доставки смеси. По согласованию изготовителя с потребителем допускается доставлять бетонные смеси автосамосвалами.
Применяемые способы транспортирования бетонных смесей должны исключать возможность попадания в них атмосферных осадков, нарушения однородности, потери цементного раствора, а также обеспечивать предохранение смеси в пути от воздействия ветра и солнечных лучей.
По истечению срока хранения смесь должна быть проверена на соответствие требованиям стандарта. В случае соответствия смесь может быть использована по назначению.
Транспортирование смеси от места ее приготовления к месту укладки подлежит систематическому контролю. Неправильное транспортирование смеси может привести к расслоению и нарушению ее однородности, потере цементного молока и раствора.
3. Сертификационный раздел
3.1 Порядок проведения работ по сертификации
Подтверждение соответствия продукции включает следующие виды работ:
- Выбор заявителем органа по подтверждению соответствия, испытательной лаборатории;
-Заявка в орган по подтверждению соответствия на проведение подтверждения соответствия продукции;
-Решение органа по подтверждению соответствия по заявке и выбор схемы сертификации;
-Договорные отношения между органом по подтверждению соответствия, испытательной лабораторией и заявителем по взаимному сотрудничеству при сертификации продукции (схема 3), договор между органом по подтверждению соответствия и заявителем на выполнение работ по подтверждению соответствия продукции;
-Заявка и договор на испытание продукции между заявителем и испытательной лабораторией (схема 3);
-Заключение об идентификации продукции;
-Акт отбора образцов;
-Документация, оформляемая испытательной лабораторией при приемке, испытании, хранении, утилизации и возвращения образцов;
-Протокол сертификационных испытаний;
-Программа и акт проверки условий производства сертифицируемой продукции;
-Экспертное заключение по результатам сертификации продукции (схема 3);
-Сертификат соответствия. Реестр сертификатов соответствия.
3.1.1 Выбор заявителем органа по подтверждению соответствия, испытательной лаборатории
ТОО «Железобетонный комбинат», организуя обязательное подтверждение соответствия выпускаемой им продукции, выбирает для проведения подтверждения соответствия органа по сертификации - ВКф АО «Национальный Центр Экспертизы и Сертификации» (в дальнейшем ОПС) и испытательную лабораторию - Центр Сертификационных испытаний ВКГТУ им. Д.Серикбаева (в дальнейшем ИЛ).
Орган по подтверждению соответствия и испытательная лаборатория аккредитованы и имеют в области аккредитации товарный бетон.
3.1.2 Заявка в ОПС на проведение сертификации продукции
В заявке в ВКф АО «НаЦЭкС», на проведение подтверждения соответствия строительной продукции заявитель сообщает (приложения А):
1) Наименование, адрес и телефон предприятия-изготовителя, должность, фамилию, имя, отчество лица, имеющего право подписи первичных документов.
2)Наименование заявляемой на подтверждение соответствия продукции и схему подтверждение соответствия.
3)Требования и нормативные документы на соответствие которым проверяется продукция.
4)Серийность изготовления продукции.
5)Дополнительные (при необходимости) сведения.
Заявитель обязуется соблюдать правила подтверждения соответствия, действующие в Государственной системе технического регулирования Республики Казахстан, обеспечивать качество продукции не ниже подтвержденного сертификатом соответствия, своевременно оплачивать расходы по подтверждению соответствия.
Заявка оформляется подписями уполномоченного лица от предприятия, главного бухгалтера и печатями.
3.1.3 Решение ОПС по заявке и выбор схемы подтверждение соответствия
После рассмотрения заявки ВКф АО «НаЦЭкС» оформляет решение по заявке (приложение Б).
В письменном решении по заявке ВКф АО «НаЦЭкС» приводит:
номер схемы по которой будет проведено подтверждение соответствие.
наименование и обозначение НД на соответствие требований которых будет проведена оценка продукции;
эксперта-аудитора.
Решение по заявке подписывается руководителем ВКф АО «НаЦЭкС» и скрепляется печатью.
3.1.4 Договорные отношения между ОПС, ИЛ и заявителем по взаимному сотрудничеству при подтверждении соответствия продукции
Договор между ОПС и заявителем на выполнение работ по подтверждению соответствия продукции приведен в приложении Г.
Так как ЦСИ ВКГТУ не находится в составе ОПС, между ОПС и ИЛ заключается договор о взаимном сотрудничестве. Кроме того, ИЛ аккредитована только на техническую компетентность, поэтому приказом ОПС вводится представительство ОПС в ИЛ.
Договор между ВКф АО «НаЦЭкС» и заявителем содержит: наименование организаций, должности и фамилии уполномоченных представителей обеих сторон, имеющих право подписи договоров; основание по которому действуют стороны; предмет договора; обязательства сторон; стоимость работ и порядок расчета; ответственность сторон; срок действия договора и порядок разрешения споров; прочие условия; юридические адреса, расчетные счета, подписи и печати обеих сторон.
Заявитель принимает на себя обязательства выполнения правил технического регулирования РК, касающиеся его как изготовителя продукции в части обеспечения её качества, оформления документации, информирования ОПС об изменениях. Орган по подтверждению соответствия, выполняя сертификационные работы, обеспечивает конфиденциальность и защиту прав и интересов заявителя. Стоимость работ определяется согласно существующих норм и договора. Срок действия договора определяется сроком выполнения всех работ по подтверждению соответствия продукции, в том числе включаются сроки выполнения испытательных работ отдельными ИЛ. Договор определяет порядок расчетов - перечисление средств до начала или окончания работ.
Между ОПС и ИЛ заключается договор о взаимном сотрудничестве, в котором ОПС обязуется поставлять продукцию для сертификационных испытаний согласно области аккредитации ИЛ по актам отбора, а исполнитель обязуется в установленные сроки выполнять сертификационные испытания. Расчет за выполненные работы по испытаниям выполняет изготовитель продукции с ИЛ. Срок действия договора определяется сроком действия аттестата аккредитации ИЛ. Договор подписывается уполномоченными лицами сторон и закрепляется печатями.
3.1.5 Заявка и договор на испытание продукции между заявителем и испытательной лабораторией
После выбора ИЛ и получения решения по Заявке на подтверждение соответствия продукции заявителем оформляется заявка на заключение договора и проведение сертификационных испытаний, в которой указываются сведения о предприятии (наименование, адрес, реквизиты), наименование сертифицируемой продукции и определяемые показатели качества, нормативную и техническую документацию на продукцию, гарантию оплаты.
На основании заявки на сертификационные испытания заключается I договор на проведение сертификационных испытаний продукции между заявителем продукции и ИЛ. Договор содержит: наименование заявителя (заказчика) и ИЛ (исполнителя), должности и фамилии лиц, уполномоченных и имеющих право подписи договоров; основания, по которому действуют стороны; предмет договора; стоимость работ и порядок расчетов; порядок сдачи и приемки работ; ответственность сторон; прочие условия; срок действия договора и юридические адреса сторон, адреса и реквизиты сторон; приложения; подписи и печати сторон.
К договору прилагают:
календарный план работ (приложение Ж);
протокол соглашения о договорной цене на продукцию (приложение И).
Календарный план работ включает: подробное наименование работ
(показатели и объем); сроки выполнения работ; стоимость работ.
Протокол соглашения о договорной цене на продукцию включает: полное наименование заказчика и исполнителя; номер и дату договора; величину договорной цены и её возможное изменение (уменьшение, увеличение) при выполнении определенных условий договора; подписи и печати обеих сторон. Протокол соглашения о договорной цене на продукцию оформляется после составления договора (приложение Е). В разделе «Предмет договора» записывается: общее наименование выполняемых работ (сертификационные испытания продукции), детально описанных по показателям в календарном плане и смете; требования к продукции (нормативные и технические документы); срок сдачи работ по договору.
3.1.6 Заключение об идентификации продукции
В процессе отбора продукции отобранные образцы идентифицируются с эталонными образцами или их описанием в соответствии с требованиями нормативных документов. Идентификация образцов осуществляется проведением внешнего осмотра, обмера и сравнением полученных результатов с данными нормативных документов на продукцию. Заключение о результатах идентификации продукции содержит: наименование продукции, страны-изготовителя, организации-изготовителя (юридический адрес); номер и объем партии; код продукции (ТН ВЭД ЕврАзЭС); результаты анализа; дополнительную информацию; выводы (приложение К).
Результаты анализа приводятся в виде: наименования показателей, по которым проведены испытания; нормативных документов, устанавливающих показатели идентификации; нормы показателей по действующим документам; метода идентификации; нормативных документов и документов, по которым проводилось подтверждение показателей идентификации продукции; результата идентификации. Заключение подписывается органом, выполняющим отбор продукции заказчиком.
3.1.7 Акт отбора образцов
Отбор образцов продукции производит ОПС. Отбор образцов производится представителем ОПС в присутствии директора ТОО «ЖБК». Работу по отбору оплачивает заявитель.
Отбор образцов оформляется актом, который содержит: наименование и адрес ОПС; дату подписания акта; наименование и адрес заявителя; фамилию, имя, отчество представителя ОПС отбиравшего продукцию; фамилию, имя, отчество предъявителя продукции, присутствовавшего при отборе и уполномоченного для отбора; наименование нормативных документов; номер и дату контракта; номер и дату договора; наименование страны и фирмы изготовителя; наименование образцов продукции; единицы измерения объема отбора и партии; номер и размер (объем) партии; дату изготовления; срок годности; количество или массу отобранных образцов; подписи представителя ОПС и предъявителя продукции (приложение Л).
3.1.8 Документация, оформляемая ИЛ при приемке, испытании, хранении, утилизации и возвращения образцов
После оформления договорных документов между ИЛ и изготовителем, и составления акта отбора, образцы продукции, надлежащим образом упакованные, транспортируются в ИЛ на сертификационные испытания.
При прохождении предъявленной на испытания продукции через ИЛ от приемки до окончания срока действия сертификата соответствия оформляются следующие документы:
- журнал приемки, хранения, списания и утилизации или возвращения
образцов;
- инструкция о приемке, хранении, списании и утилизации или возвращения образцов, поступающих на испытания в ИЛ;
- журнал регистрации движения проб и образцов сертифицируемой продукции;
- акт на списание образцов (проб);
-журнал регистрации результатов испытаний сертифицируемой
продукции;
- протокол сертификационных испытаний;
- журнал регистрации протоколов сертификационных испытаний.
3.1.9 Протокол сертификационных испытаний
Протокол сертификационных испытаний заполняется после окончания испытаний и оформления журнала регистрации результатов испытаний. Протокол содержит: полное наименование ИЛ (согласно юридических документов, аттестата аккредитации); номер и дату утверждения аттестата аккредитации; адрес ИЛ; общее количество листов протокола и текущий номер листа; наименование, номер и дату акта отбора; наименование и адрес заказчика; фамилию его представителя; наименование и срок годности (акт отбора) продукции; изготовителя продукции; страну; дату поступления образцов (время) и проведения испытаний; обозначение нормативных документов на продукцию; вид испытаний (сертификационные); наименование показателей; наименование нормативных документов на методы испытаний (по каждому показателю); значения показателей по нормативным документам; фактически полученные значения показателей; подписи руководителя ИЛ (и испытателей); примечания (приложение Р).
3.1.10 Программа и акт проверки условий производства сертифицируемой продукции
Для оценки состояния производства по выпуску сертифицируемой продукции составляется программа проверки условий производства. Проверка проводится представителем ОПС. По результатам оформляют акт проверки условий производства, (приложения С, Т). Программа проверки условий (анализа состояния) производства сертифицируемой продукции разрабатывается ОПС с учетом особенностей продукции и её производства и содержит: обеспеченность нормативными и техническими документами, их состояние; соблюдение технологического процесса и состояния его метрологического обеспечения; наличие системы входного, приемочного контроля и периодических испытаний; наличие системы технического обслуживания и ремонта оборудования и средств испытаний; обеспеченность сырьем и материалами; стабильность качества сертифицируемой продукции; наличие условий хранения; наличие учета и анализа рекламаций. Программу подписывает начальник отдела подтверждение соответствия ОПС и утверждает руководитель ОПС (приложение С). Акт проверки условий производства включает: полное наименование ОПС, предприятия-заявителя, продукции, документа по которому выпускается продукция; дату заявки; состав комиссии, установленной приказом по ОПС; даты начала и окончания проверки; содержание (результаты) проверки в соответствии с программой; замечания и рекомендации по результатам проверки; заключение комиссии в отношении подтверждение соответствия и её подписи (приложение Т).
3.1.11 Экспертное заключение по результатам сертификации продукции
Заключение составляется и подписывается экспертом-аудитором и содержит: сведения о заявителе (наименование, адрес); наименование продукции; перечень документов с датами их разработки и наличием замечаний (да «+», нет «- ») (заявка, решение по заявке, договор на проведение работ, акт отбора, протокол испытаний, акт обследования, акт инспекционного контроля, код ТН ВЭД ЕврАзЭС); схему с подтверждение соответствия; положительные (соответствует «+») или отрицательные (не соответствует «-») результаты испытаний продукции; замечания по предварительным документам; заключение о (не) возможности выдачи сертификата; периодичность инспекционного контроля (приложение У).
3.1.12 Сертификат соответствия. Реестр сертификатов соответствия
Сертификат соответствия оформляется на бланке установленного образца при положительных результатах, установленных в заключении эксперта-аудитора и содержит: наименование и адрес ОПС; учетный номер бланка сертификата (КСС №); дату регистрации сертификата в Реестре сертификатов; регистрационный номер сертификата; срок действия сертификата; наименование, код ТН ВЭД ЕврАзЭС продукции; тип производства; размер партии; наименование предприятия-изготовителя и страны; НД на соответствие которой проведена сертификация; наименование и адрес заявителя и его право маркировать продукцию знаком соответствия или сопровождать отдельные партии; наименование, регистрационный номер; дополнительную информацию; подписи, фамилию,инициалы-руководителя ОПС эксперта-аудитора(приложение Ф).
Копии сертификата соответствия выдаются на специальных бланках установленного образца.
Реестр сертификатов соответствия ведется в отдельном журнале и содержит: регистрационный номер сертификата и номер бланка; даты регистрации и окончания срока действия сертификата; наименование регистрируемой продукции, код ТН ВЭД ЕврАзЭС; основание, на котором выдан сертификат соответствия; наименование, адрес, телефон и другие сведения о заявителе; схему подтверждения соответствия.
3.2 Проведение испытаний
3.2.1 Определение марки бетона по морозостойкости
Марка бетона по морозостойкости контролируется по ГОСТ 10060.2-95. Для испытаний бетона на морозостойкость используют образцы-кубы. Изготавливают 12 основных и 6 контрольных образцов. Контрольные образцы бетона перед испытанием на прочность, а основные образцы перед замораживанием насыщают водой температурой (18±2) °С.
Для насыщения образцы погружают в жидкость на 1/3 их высоты на 24 ч, затем уровень жидкости повышают до 2/3 высоты образца и выдерживают в таком положении еще 24 ч, после чего образцы полностью погружают в жидкость на 48 ч таким образом, чтобы уровень жидкости был выше верхней грани образцов не менее чем на 20 мм.
Контрольные образцы через 4 ч после извлечения из ванны испытывают на сжатие по ГОСТ 10180.
Основные образцы загружают в морозильную камеру и устанавливают на сетчатый стеллаж камеры таким образом, чтобы расстояние между образцами и вышележащими стеллажами было не менее 50 мм. Началом замораживания считают момент установления в камере температуры минус 16 °С.
Число циклов переменного замораживания и оттаивания, после которых проводят испытание прочности на сжатие образцов бетона - 75.
Образцы испытывают по режиму, указанному в таблице 3.1.
Таблица 3.1- Режим испытаний
| Размер образца, мм | Режим испытаний | |||
Замораживание Замораживание |
Оттаивание | |||
| время, не менее, ч | температура, °С | время, ч | температура, °С |
|
| 150x150x150 | 3,5 | минус 18 ±2 | 3,0 ±0,5 | 18 ± 2 |
Образцы после замораживания оттаивают в ванне с водой при температуре (18±2)°С. Образцы размещают таким образом, чтобы над верхней гранью образцов был слой воды не менее 50 мм. Основные образцы через 4 ч после извлечения из ванны испытывают на сжатие по ГОСТ 10180.
Марку бетона по морозостойкости принимают за соответствующую требуемой, если среднее значение прочности на сжатие основных образцов после установленных циклов переменного замораживания и оттаивания уменьшилось не более чем на 5 % по сравнению со средней прочностью на сжатие контрольных образцов.
Марку бетона по морозостойкости устанавливают равной меньшему значению - F 100.
3.2.2 Определение марки бетона по прочности на сжатие
Отобранную пробу бетонной смеси перед формованием образцов дополнительно вручную перемешивают. Образцы изготавливают в поверенных формах, соответствующих требованиям ГОСТ 22685.
Перед использованием форм их внутренние поверхности покрывают тонким слоем смазки, не оставляющей пятен на поверхности образцов и не влияющей на свойства поверхностного слоя бетона.
Образцы, предназначенные для твердения в нормальных условиях, после изготовления до распалубливания хранят в формах, покрытых влажной тканью или другим материалом, исключающим возможность испарения из них влаги, в помещении с температурой воздуха (20±5)°С.
При определении прочности бетона образцы распалубливают не ранее чем через 24 ч после изготовления. После распалубливания образцы хранят под слоем влажных опилок.
В помещении для испытания образцов поддерживают температуру воздуха в пределах (20±5) °С и относительную влажность воздуха не менее 55%. В этих условиях образцы выдерживают до испытания в распалубленном виде в течение 4 ч.
Нагружение образцов производят непрерывно со скоростью, обеспечивающей повышение расчетного напряжения в образце до его полного разрушения в пределах (0,6±0,4) МПа/с при испытаниях на сжатие. При этом время нагружения одного образца должно быть не менее 30 с.
Максимальное усилие, достигнутое в процессе испытания, принимают за разрушающую нагрузку и записывают его в журнал испытаний.
При испытании на сжатие образцы-кубы устанавливают одной из граней на нижнюю опорную плиту пресса центрально, относительно его продольной оси, используя риски, нанесенные на плиту пресса.
Перед испытанием образцы подвергают визуальному осмотру, устанавливая наличие дефектов в виде околов ребер, раковин и инородных включений.
После установки образца на опорные плиты пресса совмещают верхнюю плиту пресса с верхней опорной гранью образца так, чтобы их плоскости полностью прилегали одна к другой. Далее начинают нагружение. Прочность бетона, МПа (кгс/см), следует вычислять с точностью до 0,1 МПа (1 кгс/см) для каждого образца по формуле:
(3.1)
где': F — разрушающая нагрузка, Н (кгс);
А - площадь рабочего сечения образца, мм (см);
а - масштабный коэффициент для приведения прочности бетона к прочности бетона в образцах базовых размера и формы, а=1; Марка бетона по прочности на сжатие - В15.
3.2.3 Определение марки бетона по водонепроницаемости
Изготовленные образцы хранят в камере нормального твердения при температуре (20 ± 2)°С и относительной влажности воздуха не менее 95%.
Перед испытанием образцы выдерживают в помещении лаборатории в течение суток.
Диаметр открытых торцевых поверхностей бетонных образцов — 130 мм, высота образцов - 100 мм.
Образцы в обойме устанавливают в гнезда установки для испытания и надежно закрепляют.
Давление воды повышают ступенями по 0,2 МПа в течение 5 мин и выдерживают на каждой ступени в течение 12 ч. Испытание проводят до тех пор, пока на верхней торцевой поверхности образца появятся признаки фильтрации воды в виде капель или мокрого пятна.
Водонепроницаемость каждого образца оценивают максимальным давлением воды, при котором еще не наблюдалось ее просачивание через образец.
Водонепроницаемость серии образцов оценивают максимальным давлением воды, при котором на четырех из шести образцов не наблюдалось просачивание воды.
Марка бетона по водонепроницаемости В2, водонепроницаемость образцов 2 МПа.
3.2.4 Определение средней плотности бетонной смеси
Плотность бетонной смеси, характеризуемая отношением массы уплотненной бетонной смеси к ее объему, определяется в цилиндрическом сосуде емкостью 5 дм.
Перед испытанием мерный сосуд предварительно взвешивают с погрешностью не более 0,1 %.
После уплотнения избыток смеси срезают стальной линейкой и поверхность тщательно выравнивают вровень с краями мерного сосуда. Затем сосуд с бетонной смесью взвешивают с погрешностью не более 0,1 %.
Плотность бетонной смеси рсм в кг/м вычисляют по формуле
(3.2)
где: m – масса мерного сосуда с бетонной смесью, г.
m1 - масса мерного сосуда без смеси (формы), г;
V - объем мерного сосуда (формы), дм.
Плотность бетонной смеси определяют дважды и вычисляют с округлением до 10 кг/м как среднее арифметическое значение результатов двух определений плотности смеси из одной пробы, отличающихся между собой не более чем на 5 % от меньшего значения.
3.2.5 Определение марки бетонной смеси по удобоукладываемости
Определение по осадке конуса бетонной смеси производят в последовательности, приведенной ниже.
Для подготовки конуса и приспособлений к испытаниям все соприкасающиеся с бетонной смесью поверхности следует очистить и протереть влажной тканью. Конус устанавливают на гладкий металлический лист и заполняют его бетонной смесью через воронку в три слоя одинаковой высоты.
Каждый слой уплотняют штыкованием металлическим стержнем 25 раз. Конус во время наполнения и штыкования должен быть плотно прижат к листу.
После уплотнения бетонной смеси в конусе избыток смеси срезают кельмой вровень с верхними краями конуса. Конус плавно снимают с отформованной бетонной смеси и устанавливают рядом с ней. Время, затраченное на съем конуса, должен составлять 3-7 с.
Осадку конуса бетонной смеси определяют, укладывая металлическую линейку ребром на верх конуса и измеряя расстояние от нижней грани линейки до верха бетонной смеси с погрешностью до 0,5 см.Осадку конуса бетонной смеси определяют дважды. Общее время испытания с начала наполнения конуса бетонной смесью при первом определении и до момента измерения осадки конуса при втором определении не должно превышать 10 мин.Осадку конуса бетонной смеси вычисляют с округлением до 1,0 см как среднее арифметическое результатов двух определений осадки конуса из одной пробы.
Марка бетонной смеси по удобоукладываемости – П1.
4. Безопасность и экологичность проекта
4.1 Техника безопасности при производстве бетона
Техника безопасности включает меры по устранению опасности в технологических процессах, а также по созданию и применению безопасных условий труда.
Основную опасность в работе бетонного завода создает большое количество работающих машин и механизмов, расположенных в помещениях сравнительно небольших объемов; насыщенность металлоконструкциями увеличивает электроопасность работ в процессе транспортировки и взвешивания заполнителей, а также в процессе их перемешивания. Транспортировка, пересыпка и перемешивание составляющих бетона сопровождаются выделением в помещении цементной, каменной и песчаной пыли, вредно действующей на здоровье работающих.
Основным направлением устранения опасности и вредности при обслуживании бетонного завода является автоматизация всех производственных процессов. Для защиты операторов от производственных вредностей пульты управления следует располагать в изолированных от пыли и шума кабинах, откуда должен обеспечиваться достаточный обзор зоны дозирования. Бункеры заполнителей, дозаторы и смесители необходимо оборудовать системами аспирации.
В целях устранения электроопасности все оборудование и металлоконструкции заводов заземляют.
Очистка и ремонт бетономешалок и транспортного оборудования допускается только после их отключения от питающей сети и снятия предохранителей. Распределительные щиты и пусковую аппаратуру при этом запирают на замок. Во время ремонта и ухода на пусковой арматуре и щитах вывешивают надпись: «Не включать, работают люди». Запрещается вводить в работающие мешалки лопаты, скребки, ломы или другие предметы. Желоба и корыта смесительных машин непрерывного действия следует закрывать решетками или сплошными крышками из листовой стали.
В эстакадах и галереях между транспортерами и стенами необходимо предусматривать проходы шириной не менее 0,8 м. Проходы ограждают перилами, планки ходовых трапов располагают через 0,5 м. В галереях располагают канатные приводы, обеспечивающие возможность остановки транспортеров из любого места галереи, предусматривается также устройство двухсторонней световой и звуковой связи с оператором бетонного завода.
При эксплуатации плохо отрегулированных ленточных конвейеров на полы галерей иногда просыпаются заполнители, поэтому полы и ходовые трапы необходимо системати-чески убирать и очищать от грязи. Эту операцию следует выполнять при остановленных конвейерах. Натяжные и приводные барабаны конвейеров с обеих сторон следует ограждать на расстояние не менее 1 м от оси барабана. Во избежание эксплуатации конвейеров с неогражденными барабанами их съемные ограждения необходимо сблокировать с приводом конвейера. Конвейеры оборудуют механическими очистителями транспортерных лент.
Для перехода через конвейеры устраивают стационарные переходные мостики, которые следует ограждать и систематически очищать от грязи, льда и снега.
Осветительная и пусковая арматура подштабельных и транспортерных галерей должны быть пылеводонепроницаемыми. Эксплуатировать конвейеры при поврежденных и снятых заземлениях запрещается. На бетонных заводах заземляют электроустановки, металлоконструкции, пусковую арматуру, трубы осветительных и силовых цепей, цементопроводы и другие металлоконструкции систем транспортирования.
Эксплуатировать конвейеры с нерегулированной лентой или удерживать ее от сползания с помощью самодельных упоров из труб, бревен, досок и других приспособление запрещается. Регулировать ленту следует лишь с помощью натяжных винтов и выполнять эту работу должны квалифицированные слесари под руководством участкового механика и с принятием необходимых мер безопасности.
Транспортные галереи для бетона утепляют. Передвижные ленточные транспортеры должны быть обеспечены переносными заземлителями. Проскальзывание транспортерной ленты нельзя устранять набрасыванием под ленту песка, битума, канифоли и других материалов. Проскальзывание следует устранять регулировкой натяжения ленты. Разгрузочные передвижные тележки, которые монтируются на транспортерах, необходимо ограждать. Все виды ремонтных наладочных работ на конвейерах и их очистку следует производить при отключенных приводах и разъединенных штепсельных соединениях в сети. Становиться на транспортеры нельзя, так как это может привести к серьезным травмам.
Система пневмотранспорта цемента должна быть плотная, все ее конструкции необходимо надежно заземлять для отвода статистического электричества. На системе монтируют предохранительные клапаны.
Обслуживание бункеров для заполнителей и цемента требует принятия специальных мер предосторожности. Открытые бункеры следует ограждать на высоту 1 м, нижняя часть ограждения высотой 20 см должна быть сплошной. Лазы в бункеры запирают на замок, ключи от которых хранятся у сменных инженеров. Опасность для людей, спускающихся в бункеры заполнителей, заключается в возможности завала их щебнем и песком. Поэтому работу в бункерах для заполнителей следует выполнять под наблюдением подстраховывающих рабочих и с принятием специальных мер безопасности.
Основными причинами несчастных случаев при ведении погрузочно-разгрузочных работ на складе заполнителей являются: низкая квалификация рабочих и административно-технических работников, служб снабжения и сбыта; высокий уровень тяжелого физического труда; неустойчивое складирование материалов; износ и несовершенство такелажных приспособлений; несовершенство грузозахватных устройств; электротравматизм; несовершенство разгрузчиков для заполнителей; плохое содержание складов; плохое освещение в ночное время.
Работники, выполняющие погрузочно-разгрузочные работы, должны проходить медицинское освидетельствование. Лица в возрасте до 18 лет к ведению погрузочно-разгрузочных работ не допускаются. Рабочих, выделяемых для погрузочно-разгрузочных работ, следует проинструктировать по правилам безопасности перед началом работ, а также обеспечить индивидуальными средствами защиты применительно к виду работ.
Все погрузочно-разгрузочные работы следует выполнять механизированным способом. Перемещать грузы носилками в виде исключения разрешается на расстояние до 50 м.
Места погрузки и выгрузки должны быть обеспечены аптечками и носилками. Складские площади должны иметь твердое покрытие. Проходы, проезды и разворотные площадки на складах не должны загружаться.
Расстояние головки рельсов склада должно быть не менее 2 м от наружной поверхности стен склада, края эстакады.
Теоретическая подготовка персонала по технике безопасности, инструктаж и выработка навыков безопасного выполнения работ важнейшие меры борьбы с произ-водственным травматизмом.
Положением о порядке инструктажа, обучения рабочих и служащих по технике безопасности предусматриваются следующие формы подготовки по технике безопасности: вводный инструктаж, инструктаж на рабочем месте, курсовое обучение по технике безопасности и профессионально-техническое обучение.
Вводный инструктаж проводится со всеми категориями работников, принимаемыми на работу, независимо от профессии, должности и характера будущей работы. Вводный инструктаж с молодыми специалистами, руководящими и инженерно-техническими работниками должен проводить лично главный инженер предприятия. Вводный инструктаж с работниками всех остальных категорий проводит инженер по технике безопасности.
В программе вводного инструктажа должна содержаться следующая информация:
-основные положения трудового законодательства в области охраны труда;
-правила внутреннего трудового распорядка предприятия;
-правила пользования спецодеждой, спецобувью, головными уборами, защитными и предохранительными приспособлениями;
-правила электробезопасности, способы обеспечения безопасности, приемы для освобождения пострадавшего от электротока;
-обязанности трудящихся по оказанию первой помощи пострадавшему;
-правила пользования бытовыми и санитарно-гигиеническими помещениями, требования личной гигиены работающего;
-поведение работающего при аварии;
-опасные зоны предприятия и цеха, правила безопасного передвижения по территории предприятия;
-обязанности трудящегося по выполнению правил безопасности;
-ответственность за нарушение правил техники безопасности;
-анализ причин происшедших несчастных случаев.
Инструктаж на рабочем месте проводится со всеми рабочими перед допуском их к выполнению работ. Инструктаж обязан проводить непосредственно руководитель работ по специальной типовой программе, утвержденной главным инженером. Для приобретения производственных навыков нового рабочего на 2-3 дня прикрепляют к опытному рабочему. На руки рабочему выдается инструкция, с которой он может подробно ознакомиться в свободное от работы время. Повторный инструктаж проводится не реже, чем через 3 месяца. Инструктирование прекращается лишь после полного освоения рабочим правил техники безопасности и отработки безопасных приемов работы.
Обучение по технике безопасности поводится после инструктажа, но не позже 3 месяцев после зачисления на работу. До курсового обучения администрация не имеет права поручать рабочему выполнение особо опасных и ответственных работ или работ вдали от других рабочих мест. Курсовое обучение по технике безопасности проводится по специальной типовой программе.
Административные и инженерно-технические работники проходят ежегодную проверку знаний трудового законодательства, норм и правил техники безопасности в комиссии, состоящей из главного инженера, инженера по технике безопасности, преподавателя.
4.2 Пыль при производстве бетона и методы защиты от пыли
Практически все технологические процессы бетоносмесительного цеха сопровождаются выделением пыли в воздушную среду.
Пыль - это мельчайшие твердые частицы, способные некоторое время находиться в воздухе во взвешенном состоянии. Основными источниками пыления являются склады сыпучих материалов, места их обработки и транспортные тракты, бетоносмесительные отделения. Производственная пыль, выделяемая в технологические помещения нетоксична. Однако длительное воздействие ее на организм человека способны вызвать
профессиональные болезни. Многократная перегрузка сухих заполнителей в процессе изготовления бетонной смеси сопровождается значительным пылением. Из всех производственных помещений завода наиболее запылены склады цемента. Разгрузка цемента из транспортных средств с подачей в банки посредством системы пневмотранспорта позволяет устранить его пыление при разгрузке.
Запыленность производственной площади замеряют весовым способом, по которому концентрацию пыли в воздухе определяют путем деления веса уловленной фильтром пыли на количество воздуха, пропущенного через фильтр. Для определения весовой концентрации пыли применяют аспираторы и другие приборы.
При исследовании запыленности, кроме весовой концентрации, устанавливается химический состав пыли, ее электрозаряженность, растворимость и дисперсность. Примерно 80% пыли, встречающейся на бетоносмесительном цехе, состоит из частиц размером до 4 мк. В связи с тем, что каналы альвеол легких человека имеют отвестия в 4-5 мкм, наиболее вредными являются пылинки размером до 5 мкм. Пылинки размером 10 мкм и более задерживаются в верхних дыхательных путях и бронхах, вызывая из заболевания.
Работники замеряют весовую концентрацию пыли без учета остальных показателей запыленности. Данные весовой концентрации запыленности сравниваются с санитарными нормами.
Для предупреждения загрязнения пылью воздушной среды в производственных помещениях и защиты работающих от ее вредного воздействия необходимо проведение следующего комплекса мероприятий:
Максимальная механизация и автоматизация производственных процессов. Это мероприятие позволяет исключить полностью или свести к минимуму количество рабочих, находящихся в зонах интенсивного пылевыделения.
Применение герметичного оборудования, герметичных устройств для транспорта пылящих материалов. Например, использование установок пневматического транспорта всасывающего типа позволяет решать не только транспортные, но и санитарно-гигиенические задачи, так как полностью исключает пылевыделения в воздушную среду помещений.
Применение эффективных аспирационных установок. В целях исключения выбрасывания запыленного воздуха в помещения бетонного завода создаются системы аспирации расходных бункеров и мест пересыпки материалов. Очистка воздуха от пыли предусматривается в циклонах и в рукавных фильтрах. Такие конструкции успешно применяют при процессах транспортирования, дозирования и смешения материалов.
Тщательная и систематическая пылеуборка помещений с помощью вакуумных установок. Наибольший гигиенический эффект позволяют получить стационарные установки, которые при высоком разрежении в сетях обеспечивают качественную пылеуборку значительных производственных площадей.
5 Очистка от пыли вентиляционного воздуха при его подачев помещения и его выбросе в атмосферу. При этом выбрасываемый вентиляционный воздух целесообразно отводить в верхние слои атмосферы, чтобы обеспечить его хорошее рассеяние и тем самым ослабить вредное воздействие на окружающую среду.
6 Применение в качестве индивидуальных средств защиты от пыли респираторов, очков и противопыльной спецодежды.
Систематическая пылеуборка производственных помещений позволяет снизить их запыленность. Уборка помещений должна производиться мокрым способом или с помощью пылесосных устройств. При влажном способе уборки пыль с конструкций, оборудования и полов смывается с помощью форсунок, присоединенных к гибким водопроводным шлангам.
Рабочие, занятые в пыльных производствах, должны обеспечиваться индивидуальными средствами защиты органов дыхания такими как: респираторы, противогазы, стандартные фильтрующие повязки, защитные очки и спецодежда, плотно закрывающая тело от загрязнения. На предприятии должны быть камеры для обеспыливания и машины для стирки спецодежды.
Производственный персонал, занятый в пыльных производствах, должен проходить своевременный медосмотр.
Не реже чем два раза в год на рабочих местах должна замеряться запыленность с помощью аспиратора или других приборов, предназначенных для замеров весовой концентрации пыли в воздухе производственных помещений.
5. Экономический раздел
5.1 Оплата работ по подтверждению соответствия продукции
Оплата работ по подтверждению соответствия тяжелого товарного бетона класса В15 включает в себя все фактически произведенные работы по подтверждению соответствия, которые оплачиваются на договорной основе по их калькуляционной стоимости за счет собственных средств предприятия ТОО “Железобетонный комбинат”, обратившиеся с заявкой на проведение соответствующих работ, вне зависимости от принятых по их результатам решений. Уровень рентабельности работ по обязательному подтверждению соответствия не должен превышать 35%. Инспекционный контроль за сертифицированную продукцию оплачивается в размере фактически произведенных затрат. Составы и нормативы трудоемкости работ при подтверждении соответствия продукции, приведенные в приложении, являются типовыми и предельными (т.е максимально возможными значениями трудоемкости). В каждом конкретном случае из приведенного состава работ следует выбирать только те, которые действительно выполняются ОПС. Дневная ставка экспертов-аудиторов по подтверждению соответствия продукции, привлекаемых для выполнения работ по обязательному подтверждению соответствия и включая работы по инспекционному контролю за соответствием сертифицированных объектов требованиям НД, принимаемая для расчёта стоимости работ по подтверждению соответствия и инспекционному контролю, определяется органом по подтверждению соответствия самостоятельно, исходя из установленных в нем условий оплаты труда работников. Расходы уполномоченного государственного органа по техническому регулированию и его территориальных подразделений по государственному надзору за качеством сертифицированной продукции финансируются за счет средств республиканского бюджета. Стоимость работ по обязательному подтверждению соответствия, не включает командировочные расходы и налог на добавленную стоимость. Их оплата проводится заявителем дополнительно. Правильность установления тарифов на испытания проверяется при государственном контроле за деятельностью аккредитованной ИЛ.
Проведение работ по обязательному подтверждению соответствия продукции предусматривает затраты:
- ОПС продукции;
ИЛ;
- ОПС систем менеджмента качества (производства);
- по инспекционному контролю за соответствием сертифицированной продукции требованиям НД, если инспекционный контроль предусмотрен схемой подтверждения соответствия;
- по выдаче сертификата соответствия и разрешения на применение знака соответствия.
В общем случае суммарные затраты заявителя на подтверждение соответствия конкретной продукции (С) определяются по формуле:
(5.1)
где:
- стоимость анализа состояния производства,
- стоимость работ по сертификации,
- стоимость образцов, отобранных для сертификационных
испытаний (разрушающих), тенге;
- стоимость испытаний продукции в аккредитованной ИЛ, тенге;
- стоимость одной проверки, проводимой в рамках инспекционного контроля за соответствием сертифицированной в обязательном порядке продукции (услуги) требованиям НД, тенге;
n - число проверок, предусмотренных программой инспекционного
контроля за сертифицированной продукцией в течение срока
действия сертификата соответствия;
- расходы на упаковку, хранение, утилизацию, погрузочно-разгрузочные работы и транспортировку образцов к месту испытаний, тенге;
В зависимости от конкретной ситуации в формулу для расчета стоимости работ по подтверждению соответствия включаются только элементы, соответствующие составу фактически проводимых работ.
(5.2)
где: toci - трудоемкость обязательной сертификации конкретной продукции по I схеме сертификации, чел.-дн.;
Кнз - норматив начислений на заработную плату, установленный действующим законодательством, %;
Кнр - коэффициент накладных расходов, %;
Р - уровень рентабельности, %;
Предельные нормативы трудоемкости и состав работ, выполняемых ОПС при сертификации конкретной продукции, в зависимости от схемы подтверждения соответствия приведены в приложении Х.
При разделении продукции, входящей в область аккредитации ОПС, на 3 группы сложности её подтверждении соответствия (таблица Ц.3 приложения Ц) трудоемкость работ с номерами 1,2; 1,4; 1,7; 2,1; 2,2; 2,4 (приложения Х) учитывается в расчетах с поправочными коэффициентами 1,0; 0,8 и 0,65.
Стоимость образцов, взятых у изготовителя для разрушающих испытаний, определяется по их фактической себестоимости. Стоимость образцов, отобранных в торговле, определяется в соответствии с их розничной ценой на основании документов, удостоверяющих факт покупки. Затраты на испытания, проводимые в целях выдачи сертификата соответствия, калькулируются с учётом рентабельности.
Затраты на испытания, проводимые в рамках инспекционного контроля за сертифицированной продукцией, калькулируются без учёта рентабельности.
Затраты на инспекционный контроль оцениваются в рамках работ по подтверждению соответствия, выполняемых ОПС. Трудоемкость одной инспекционной проверки за соответствием сертифицированной продукции требованиям НД не должна превышать 70% трудоемкости её подтверждения соответствия. Если по результатам инспекционной проверки за соответствием сертифицированной продукции требованиям НД признано необходимым осуществить корректирующие мероприятия, то ОПС выполняет работы, состав и трудо-емкость которых приведены в приложении Х.
В случае положительного результата работ по обязательному подтверждению соответствия взимается плата за выдачу сертификата соответствия и разрешения на применение знака соответствия.
Плата за выдачу сертификата соответствия и разрешения на применение знака соответствия является фиксированной и устанавливается в размере Т min, определяемого Законодательством Республики Казахстан. Взимание платы за выдачу сертификат а и разрешения на применение знака соответствия производится в предварительном порядке.
Заверение копий сертификата производится в размере 0,5 Тmin за 1-10 копий и
{0,5 + 0,04 × (М -10)} × Т min - свыше 10 копий;
где: Tmin - минимальный месячный расчётный показатель, установленный законодательством, тенге;
Т - дневная ставка эксперта-аудитора, тенге;
М – число копий сертификата.
Если продукция сопровождается зарубежным сертификатом, не признанным в Республике Казахстан, то рассматривается возможность принятия этого сертификата как одного из доказательств при подтверждении соответствия ввозимой продукции установленным требованиям. Трудоемкость этой операции не должна превышать 0,75 чел.- дн.
Анализ иных документов, сопровождающих продукцию и являющихся доказательствами её соответствия установленным в Республике Казахстан требованиям, не должен превышать 1,25 чел.- дн.
5.2 Стоимость анализа состояния производства
Нормативы суммарной трудоемкости работ (приложение Х), выполняемых ОПС при анализе состояния производства, проводимого при обязательной сертификации продукции, приведены в таблице Ц.1 приложения Ц.
![]()
5.3 Стоимость подтверждения соответствия продукции при обязательном подтверждении соответствия
Затраты ОПС при обязательном подтверждении соответствия конкретной продукции (услуги) определяются по формуле:
(5.3)
5.3.1 Прием, входной контроль и регистрация заявки
![]()
5.3.2 Рассмотрение документов приложенных к заявке
![]()
5.3.3 Выбор схемы и программы подтверждение соответствия
![]()
5.3.4 Определение организаций соисполнителей
![]()
5.3.5 Подготовка решения по заявке
![]()
5.3.6 Отбор и идентификация образцов для проведения испытаний
![]()
5.3.7 Анализ протоколов испытаний
![]()
5.3.8 Оценка соответствия продукции установленным требованиям и подготовка решения о возможности выдачи сертификата соответствия
![]()
5.3.9 Выбор программы инспекционного контроля
![]()
5.3.10 Анализ состояния производства при инспекционном контроле
Сос=0,7хСа=0,7х15288=10702(тг)
Σ
![]()
5.4 Материалы
- Стоимость образцов, отобранных для сертификационных испытаний – 5565 тенге/м. Для испытаний было отобрано 0,12
бетонной смеси, стоимость образцов составляет:
Кубики размером 150х150х150 (30 шт.) 640тг.
Бетонная смесь 0,0052
5565х0,0052=28,938тг.
- Материалы для испытаний (канцтовары, моющие средства, спецодежда) условно принимаем 500 (тг).
Стоимость материалов на одно испытание 668+500=1168 тг.
Таблица 5.1 - Стоимость сертификационных испытаний
| Наименование испытания | Материалы, тг | Э/энергия тг |
Аморти-зация, тг |
| Марка бетона по прочности на сжатие | 66 | 4.6 | 542 |
| Марка бетона по морозостойкости | 396 | 450 | 14384 |
| Марка бетонной смеси по удобоукладываемости | 8 | - | 8469 |
| Средняя плотность бетонной смеси | 66 | - | 6945 |
| Марка бетона по водонепроницаемости | 132 | 17 | 5906 |
| Итого: | 668 | 475.76 | 56815 |
5.5 Стоимость испытаний продукции в аккредитованной ИЛ
Таблица 5.2-Стоимость испытаний продукции в испытательной лаборатории
| Наименование работ по договору и основных этапов его выполнения | Количество образцов, отобранных для испытаний | Расчетная цена этапа, тенге |
| Марка бетона по прочности на сжатие | 3 куба 150х150х150 мм | 2700 |
| Марка бетона по морозостойкости | 18 кубов 150х150х150 мм | 16450 |
| Марка бетонной смеси по удобоукладываемости | 0,0052 м | 2000 |
| Средняя плотность бетонной смеси | 3 куба 150х150х150 мм | 1500 |
| Марка бетона по водонепроницаемости | 6 кубов 150х150х150 мм | 2931 |
| Итого | 30 кубов и 0,0052 м | 25681 |
5.5.1 Заработная плата на одно испытание
5.5.1.1 Основная заработная плата
N (чел)=3 (2 чел. – ИТР, 1 чел. – лаборант)
Время испытаний – 8 часов
![]()
![]()
![]()
5.5.1.2 Дополнительная заработная плата
Равна 10% от основной
![]()
5.5.2 Социальный налог
Равен 20% от суммы основной и дополнительной зарплаты
![]()
5.5.3 Командировочные на одно испытание 2000 тг
5.5.4 Электроэнергия
- Гидравлический пресс
![]()
- Морозильная камера
![]()
Стоимость электроэнергии на одно испытание ![]()
5.5.5 Амортизация
Амортизационные отчисления определяются по формуле:
(5.4)
Таблица 5.3 – Амортизационные отчисления.
| Наименование оборудования | Балансовая стоимость, Сбал, Тыс. тг |
Норма амортизации, На,% | Амортизационные отчисления в год, Но, тыс. тг. |
| Стальная линейка | 0,5 | 10 | 0,05 |
| Мерный сосуд | 0,8 | 10 | 0,08 |
| Камера морозильная | 60 | 9 | 5,4 |
| Манометр | 24 | 5 | 1,2 |
| Конус | 7,9 | 3 | 0,237 |
| Металлический стержень | 6,6 | 7 | 10,462 |
| Пресс для испытания на сжатие | 82 | 9 | 7,38 |
Величина амортизационных отчислений в год на одно испытание 181800/5=3636
, следовательно в один месяц амортизационные отчисления составляют: 3636/12 =303(тг)
5.5.6 Размер оплаты за услуги (услуги связи, информационного обеспечения, ремонта) условно принимаем 300 тг.
5.5.7 Накладные расходы
В накладные расходы входит оплата коммунальных услуг, амортизация здания и сооружения, оплата труда работников, не задействованных в испытаниях. Принимается в виде 20% от суммы.
![]()
![]()
5.5.8 Плановые накопления 1200 тг
5.5.10 Подоходный налог
Подоходный налог с юридических лиц составляет 30%:
![]()
Полная себестоимость одного испытания 25581.
5.6 Стоимость одной проверки, проводимой в рамках инспекционного контроля за соответствием сертифицированной в обязательном порядке продукции требованиям НД.
![]()
5.7 Расходы на упаковку, хранение, утилизацию, погрузочно-разгрузочные работы и транспортировку образцов к месту испытаний
Условно принимаем ![]()
5.8 Стоимость одной копии сертификата
![]()
5.9 Суммарные затраты на сертификацию

С учетом НДС С = 120106х1,14 =136921(тг)
В приложении Ш приведена диаграмма суммарных затрат на подтверждение соответствия.
5.10 Рентабельность
![]()
Технико-экономические показатели проведения процедуры подтверждение соответствия продукции приведены в таблице 5.5.
Таблица 5.4 - Калькуляция себестоимости сертификационного испытания.
| Статья калькуляции | Сумма затрат, тенге | |
| Заработная плата | 11440 | |
| Социальный налог | 2288 | |
| Материалы | 1168 | |
| Электроэнергия | 95,2 | |
| Командировочные расходы | 2000 | |
| Оплата услуг | 300 | |
| Амортизация оборудования | 303 | |
| Накладные расходы | 3285 | |
| Всего плановая себестоимость | 20879 | |
| Плановые накопления | 1200 | |
| Подоходный налог | 360 | |
| Итого расходы | 22439 | |
| НДС | 3142 | |
| Всего стоимость | 25581 | |
Таблица 5.5 - Технико-экономические показатели проведения процедуры подтверждение соответствия продукции
| Показатель | Ед. изм. | Величина | |
| Стоимость анализа состояния производства | тенге | 15288 | |
| Стоимость образцов, отобранных для сертификационных испытаний | тенге | 5565 | |
| Стоимость испытаний продукции в аккредитованной испытательной лаборатории | тенге | 25581 | |
| Стоимость одной проверки, проводимой в рамках инспекционного контроля за соответствием сертифицированной в обязательном порядке продукции требованиям НД | тенге | 9120 | |
| Число проверок, предусмотренных программой инспекционного контроля за сертифицированной продукцией в течение срока действия сертификата соответствия | шт. | 1 | |
| Расходы на упаковку, хранение, утилизацию, погрузочно-разгрузочные работы и транспортировку образцов к месту испытаний | тенге | 10000 | |
| Трудоемкость обязательной сертификации конкретной продукции по 3-схеме подтверждения соответствия | чел.-дн. | 33,9 | |
| Коэффициент накладных расходов, % | % | 15 | |
| Уровень рентабельности, % | % | 12 | |
| Число копий сертификата. | шт. | 5 | |
| Суммарные затраты заявителя на подтверждение соответствия | тенге | 136921 | |
Заключение
Бурное развитие сертификации в Казахстане является, с одной стороны, следствием объективной необходимости, выражающейся в повышении роли качества и ответственности за него во внутренней и международной торговле, переходе страны к экономике рыночного типа, и, с другой стороны, значительным научным и практическим заделом, созданным в последние годы.
Умелая реализация принципов и механизмов сертификации способствует ускорению процесса эффективного реформирования отечественной экономики и интеграции республики в мировую экономику.
В данном дипломном проекте рассмотрена процедура подтверждение соответствия тяжелого товарного бетона, который применяется при строительстве жилого дома в фундаменте. Процедура подтверждение соответствия предусматривает испытания продукции в испытательной лаборатории на соответствие требованиям установленным в ГОСТ 7473-94. Испытания проводились по пяти параметрам: по прочности на сжатие образцов-кубов, по морозостойкости образцов-кубов, по удобоукладываемости бетонной смеси, по водонепроницаемости образцов-кубов и по определению средней плотности бетонной смеси. Результаты испытаний показали, что тяжелый бетон полностью отвечает требованиям, установленным в нормативных документах. По результатам испытаний и анализа состояния производства выдан сертификат соответствия сроком на 1 год.
Во втором разделе описывается технология производства тяжелого товарного бетона.
В разделе «Безопасность и экологичность проекта» рассмотрены правила техники безопасности, проведения инструктажа по технике безопасности перед началом, во время и после окончания работ, вред, причиняемый пылью, на производстве и методы борьбы с ней.
В последнем разделе сделан расчет по определению затрат заявителя на подтверждение соответствия продукции. Проведение работ по подтверждению соответствия тяжелого товарного бетона предусматривает затраты органа по подтверждению соответствия продукции, испытательной лаборатории, по инспекционному контролю за соответствием сертифицированной продукции требованиям нормативной документации, по выдаче сертификата соответствия и разрешения на применение знака соответствия.
Список литературы
1 Баженов Ю.М. Технология бетона: Учебное пособие для технол. Спец. Строит. Вузов. - М.: Высш.шк., 1987. - 415 с.
2 Бендер М.П. Основы проектирования. ВКГТУ. г.Усть-Каменогорск, 2000.
3 Буров Ю.С. Технология строительных материалов и изделий. М, Высшая школа, 1972, 463 с.
4 Гершберг О.А. Технология бетонных и железобетонных изделий. -М.: Стройиздат, 1971. - 360 с.
5 Гогиташвили Г.Г. Техника безопасности на предприятиях промышленности строительных материалов. Киев, Издательство «Будивельник», 1969, 192.
6 Горчаков Г.И. Строительные материалы. М., Высшая школа, 1981,415с.
7 ГОСТ 7473-94 Смеси бетонные. Технические условия.
8 ГОСТ 10060.0-95 Бетоны. Методы определения морозостойкости. Общие требования.
9 ГОСТ 10060.1-95 Бетоны. Базовый метод определения морозостойкости.
10 ГОСТ 10060.2-95.Бетоны.Ускоренные методы определения морозостойкости при многовариантном замораживании и оттаивании.
11 ГОСТ 10180-90 Бетоны. Методы определения прочности по контрольным образцам.
12 ГОСТ 10181.0-81 Смеси бетонные. Общие требования к методам испытаний
13 ГОСТ 10181.1-81.Смеси бетонные. Методы определения удобоукладываемости.
14 ГОСТ 10181.2-81 Смеси бетонные. Метод определения плотности.
15 ГОСТ 12730.5-84 Бетоны. Методы определения водонепроницаемости.
16 Денеко Ю.И., Креймер М.Б., Махнович А.Т. Сборник матералов по технике безопасности и производственной санитарии в промышленности строительных материалов. М., Госстройиздат, 1962, 635 с.
17 Зеличенок Г.Г. Автоматизированные и механизированные бетонные заводы. - М.: Высш. шк., 1969. - 368 с.
18 Кудинов А.И. Приборы для технического контроля при производстве бетонных и железобетонных работ и сборных железобетонных конструкций. М., Стройиздат, 1971, 174с.
19 Константопуло Г.С. Механическое оборудование заводов железобетонных изделий и теплоизоляционных материалов - М.: Высш. Шк., 1988.-432 с.
20 Основы стандартизации, метрологии, сертификации и менеджмента качества. Под общей редакцией Тазабекова К.А., Алматы: Казахстанская ассоциация маркетинга,
2003: - 564 с.
21 Попсуенко К.В. Техника безопасности и производственная санитария на заводах железобетонных изделий. К., «Будивельник», 1974, стр.214.
22 ПР РК 50.3.35-97 Порядок сертификации строительных материалов и конструкций.
23 Пчелинцев В.А. и др. Охрана труда в строительстве.: - М.: Высш. Шк., 1991.-272 с.
24 Р РК 50.3.01-2000 Государственная система сертификации Республики Казахстан. Порядок проведения сертификации систем качества и производства.
25 Д 50 РК 3.11-97 Государственная система сертификации Республики Казахстан. Структура и порядок ведения Государственного реестра
26 50 РК 3.7-94 Государственная система сертификации Республики Казахстан. Порядок оплаты работ.
27 СНиП 2.01.07-85 Нагрузки и воздействия.
28 СНиП 2.03.01-84 Бетонные и железобетонные конструкции.
29 СНиП 2.02.01-83 Основания зданий и сооружений.
30 СНиП РК 2.04-03-2002 Строительная теплотехника.
31 СНиП РК 2.04-01-2001 Строительная климатология.
32 СНиП РК 23-05-95 Естественное и искусственное освещение.
33 СНиП РК 3.02-02-2001 Общественные здания и сооружения.
34 Строительные материалы. Сборник. Под редакцией доктора технических наук П.И. Боженова. М., Госстройиздат, 1957, 223с
35 Строительные материалы. Под общей редакцией профессора Б.Г. Скрамтаева. М, Промстройиздат, 1950, 608 с.
36 СТ РК 3.0-2000 Государственная система сертификации Республики Казахстан. Основные положения.
37 СТ РК 3.4-2003 Государственная система сертификации Республики Казахстан. Порядок проведения подтверждение соответствия продукции. Общие требования.
38 СТ РК 7.2-2000 Система аккредитации Республики Казахстан. Требования к органам по сертификации и порядок их аккредитации.
Приложение А
Заявка на проведение подтверждение соответствия продукции
«2» марта 2007 г. Восточно- Казахстанский филиал
Наименование органа по потверждению соответствия АО «Национальный экспертизы и сертификации
конкретного вида продукции
ВКО, г. Усть-Каменогорск,ул. К.Маркса,32
адрес
ЗАЯВКА №77
на проведение подтверждение соответствия продукции
в Государственной системе технического регулирования Республики Казахстан
ТОО «Железобетонный комбинат»
наименование предприятия-заявителя (индивидуального предпринимателя)
РНН181800015155, ИИК№13467315 в ВКФ ОАО«БанкТуранАлем», БИК190901315
его банковские реквизиты (РНН)
именуемый в дальнейшем «ЗАЯВИТЕЛЬ», в лице генерального директора
Болыспаева Д.М. г. Усть-Каменогорск, ул.Абая 150, тел/факс: 42-00-11
должность, фамилия, имя, отчество, адрес, номера телефона, факса
просит:
1 Провести по схеме №_________3(три)_____________________________
подтверждение соответствия тяжелого товарного бетона класса В15
полное наименование заявленной продукции
на соответствие требованиям по подвижности, прочности, морозостойкости
наименование конкретных требований
установленным в ГОСТ 7473-94,ГОСТ 10060.2-95,ГОСТ 10181.1-81,ГОСТ 10180-90,ГОСТ 12730.5-84
наименование и обозначение нормативного документа на заявленную продукцию, номера разделов и пунктов
Сообщаем:
1 Сведения о серийности заявленной продукции
изготавливаемая серийно
изготовленный (-ая, -ое) в виде единичного (-ых) образца (-ов),
изготовленный (-ая, -ое) или намечаемый (-ая, -ое) к изготовлению в виде
единичной партии в кол-ве (шт., т., м, и т.п.), изготовляемый (-ая, -ое) серийно
2 Дополнительные сведениЯ_
Заявитель обязуется:
- соблюдать порядок и процедуры подтверждение соответствия продукции, действующие в Государственной системе сертификации Республики Казахстан;
- обеспечивать стабильность показателей (характеристик) продукции, подтвержденных сертификатом соответствия;
- оплатить в соответствии с заключенным договором все расходы по проведению подтверждение соответствия заявленной продукции и работ по инспекционному контролю ее качества.
Приложения:
1 Нормативные документы, указанные в заявке – 1 комплект.
2 Копия сертификата соответствия на систему качества или производство.
3 Копия платежного поручения об оплате работ по рассмотрению Заявки – 1 экземпляр.
Руководитель предприятия
подпись инициалы, фамилия
М.П.**
Главный бухгалтер __Гуляева___________ Гуляева И.Ю
подпись инициалы, фамилия
Приложение Б
Решение по заявке на проведение подтверждение соответствия продукции
Государственная система технического регулирования Республики Казахстан
РЕШЕНИЕ №102
по заявке на проведение подтверждение соответствия продукции
№ 22 от « 2 » марта 2007 г.
Восточно-Казахстанский филиал АО «НаЦЭкС»
наименование органа по подтверждению соответствия
Рассмотрев заявку с прилагаемыми документами ТОО «Железобетонный комбинат»
наименование заявителя
Адрес г.Усть-Каменогорск, ул.Абая 150
Телефон 42-00-11 Факс 42-00-10 E-mail www.toozhbk.kz
на подтверждение соответствия тяжелого товарного бетона класса В15
наименование продукции
6810___________________________________________
код ТН ВЭД ЕврАзЭС
А.1 По схемам подтверждения соответствия 1-8
Подтверждение соответствия будет проведена по схеме___3 (три)
номер схемы подтверждение соответствия
Будет проведена оценка соответствия продукции требованиям ГОСТ 7473-94,ГОСТ 10060.2-95,ГОСТ 10181.1-81,ГОСТ 10180-90,ГОСТ 12730.5-84
наименование и обозначение нормативных документов
Анализ состояния производства будет проведен экспертом-аудитором Лемешко А.С
указать экспертов-аудиторов
Инспекционный контроль будет проведен ОПС 1 раз в год
кто проводит,периодичность
А.2 По схемам сертификации 9-10
На основании представленных документов выдать сертификат соответствия. Информация в представленной документации недостаточна для подтверждения безопасности заявленной продукции, поэтому её нужно сертифицировать по схеме___
Б По регистрации декларации о соответствии
Зарегистрировать декларацию о соответствии__________________________
номер, дата
Устранить выявленные несоответствия_______________________________
перечень несоответствий требованиям НД
Выполнить сертификацию продукции по схеме _______________________
номер схемы подтверждение соответствия
Приложение: Проект договора на проведение работ в 2-х экз. на __2___листах.
Руководитель органа по подтверждению _Мешимбаев_ Е.С. Мешимбаев
соответствия подпись инициалы, фамилия
М.П.
Приложение В
Договор на проведение подтверждение соответствия продукции
ДОГОВОР №10
на проведение подтверждения соответствия продукции
г. Усть-Каменогорск « 8 » _марта_2007 г.
ВКФ АО «Национальный центр экспертизы и сертификации»
наименование органа по подтверждению соответствия
зарегистрированный в Государственном реестре ГСТР РК _15. 03.2000г. №_8996 __________, именуемый в дальнейшем «Исполнитель» и действующий на основании
Устава в лице
директора филиала Мешимбаева Е.С
фамилия, имя, отчество руководителя
с одной стороны, и ТОО «Железобетонный комбинат»________________________________
наименование организации-заявителя (индивидуальный предприниматель)
именуемый (-ая, -ое) в дальнейшем «Заявитель» с другой стороны, в лице _директора _____
должность, фамилия, имя, отчество руководителя (индивидуального предпринимателя)
заключили настоящий договор о нижеследующем:
1 Предмет договора
1.1 «Заявитель» поручает, а «Исполнитель» принимает на себя выполнение работ по проведению подтверждения соответствия продукции, в соответствии продукции с целью выдачи сертификата соответствия или регистрации декларации о соответствии.
1.2 «Заявитель» обязуется:
1.2.1 Оплачивать в установленном порядке все расходы, связанные с проведением работ по подтверждению соответствия продукции независимо от результатов.
1.2.2 Предоставлять «Исполнителю» необходимые нормативные и другие документы, устанавливающие требования к продукции, позволяющие идентифицировать продукцию и оценить ее соответствие установленным требованиям (товаросопроводительные документы, копии сертификата происхождения продукции, сертификата системы качества, иностранного сертификата соответствия, заключения надзорных органов о безопасности продукции и др.) серия 1.090.1-2с, 1.090.1-3пв, 1.090.1-5с, ГОСТ 8829-94,
1.2.3 Обеспечивать отбор проб в соответствии с действующими нормативными документами не позднее __5__дней с момента получения продукции.
1.2.4 Создавать необходимые условия для проведения анализа состояния производства заявленной продукции и инспекционного контроля за ней (если это предусматривается выбранной схемой сертификации).
1.3 «Исполнитель» обязуется:
1.3.1 Обеспечить объективную оценку соответствия заявленной продукции на основании испытаний, проведенных в аккредитованной испытательной лаборатории (центре),
ЦСИ ВКГТУ, Серикбаева, 19, аттестат аккредитации № 658000.06.10.00440.2003г
наименование испытательной лаборатории, адрес, № аттестата аккредитации
и анализа состояния производства _тяжелого товарного бетона класса В15__________
наименование продукции
либо на основании представленных «Заявителем» документов
ГОСТ 7473-94,ГОСТ 10060.2-95,ГОСТ 10181.1-81,ГОСТ 10180-90,ГОСТ 12730.5-84
указать документы, подтверждающие соответствие продукции, представленные заявителем
1.3.2 Обеспечивать соблюдение конфиденциальности информации, состав-ляющей коммерческую тайну, за исключением сведений о несоответствии продукции установленным требованиям или ее потенциальной опасности для потребителя.
1.3.3 Выступать гарантом защиты выданного сертификата соответствия при условии выполнения «Заявителем» п.1.2 настоящего договора.
1.4 При оформлении сертификата соответствия «Заявитель» обязуется:
- соблюдать правила, установленные в ГСТР Республики Казахстан;
- не реализовывать свою продукцию без сертификата соответствия (зарегистрированной декларации о соответствии);
- нести ответственность за качество выпускаемой (реализуемой) продукции;
- обеспечивать стабильность характеристик продукции, установленных на нее нормативными документами;
- обеспечивать сбор рекламаций на продукцию;
- создавать необходимые условия для проведения анализа состояния производства и инспекционного контроля за продукцией, в том числе беспрепятственный доступ к объектам контроля и своевременную его оплату;
- своевременно извещать «Исполнителя» о конструктивных и технологических изменениях продукции и процесса ее производства, а также изменениях юридического адреса и платежных реквизитов;
Продолжение приложения В
- соблюдать правила сопровождения продукции копиями сертификатов (декларация о соответствии);
- обеспечивать правильность применения Знака соответствия.
2 Стоимость работ и порядок расчета
2.1 За проводимые «Исполнителем» работы по подтверждению соответствия продукции согласно настоящему договору, «Заявитель» перечисляет «Исполнителю»
Сто двадцать тысяч сто шесть тенге
(сумма прописью)
2.2 За проводимые «Исполнителем» работы по инспекционному контролю согласно настоящему договору «Заявитель» перечисляет «Исполнителю»
Девять тысяч сто двадцать тенге
(сумма прописью)
Оплата производится одновременно_____________________
(одновременно, поэтапно, авансовым платежом, другим принципом)
3 Ответственность сторон
За невыполнение или не надлежащее выполнение обязательств по настоящему договору «Исполнитель» и «Заявитель» несут имущественную ответственность в соответствии с действующим законодательством Республики Казахстан
4 Срок действия договора и юридические адреса сторон
4.1 Срок действия договора:
Начало « 2 » марта2007 г.
Окончание « 15 » апреля 2007 г.
4.2 Адрес и расчетные счета сторон:
«Заявитель» ВКО, г.Усть-Каменогорск, ул.Абая, 150, ТОО «Железобетонный комбинат», телефон/факс 42-00-11, РНН 181600015155, ИИК №13467315 в ВКФ ОАО «Банк Туран Алем», БИК 190901315
«Исполнитель» ВКО, г.Усть-Каменогорск, ул.Карла Маркса 32 «НаЦЭкС», тел. 26-89-11, факс 26-89-91, РНН 260300003498, р/с 001609893 МФО 190901310, кор/счет 30016681 в ВКФ ОАО «Банк Туран Алем»
Приложение Г
Договор на проведение субподрядных работ
ДОГОВОР № 11
на проведение субподрядных работ
ВКф АО «Национальный центр экспертизы и подтверждение соответствия» именуемый в дальнейшем «Заказчик» в лице директора филиала Мешимбаева Ерталеу Сейтебековича, действующего на основании Положения о филиале и доверенности от 09.11.2000г. с одной стороны и ВКГТУ имени Д. Серикбаева в лице проректора по науке и международному сотрудничеству Ипалакова Т.Т.
именуемое в дальнейшем «Исполнитель» с другой стороны, заключили настоящий договор о нижеследующем.
1 Предмет договора
1.1 «Заказчик» поручает, а «Исполнитель» принимает на себя выполнение субподрядных работ по проведению сертификационных испытаний продукции согласно области аккредитации (ЦСИ ВКГТУ аттестат аккредитации №КК.658000.06.10.00440 2003 года).
2 Обязательства сторон
2.1 «Заказчик» обязуется:
- предоставлять «Исполнителю» образцы продукции для поведения сертификационных испытаний в заявленной области аккредитации согласно акту отбора образцов;
- выполнять все требования, которые имеются в Государственной системе технического регулирования Республики Казахстан;
- информировать об изменениях в правилах и процедурах Государственной системы технического регулирования Республики Казахстан;
- оказывать содействие в проведение обучения специалистов правилам, процедурам и методам испытаний продукции.
«Исполнитель» обязуется:
- проводить сертификационные испытания предъявленной продукции в соответствии с условиями аккредитации;
- обеспечивать конфиденциальность информации полученной от «Заказчика»;
- своевременно проводить испытания в соответствии с требованиями нормативной документации.
3 Порядок расчетов
3.1. Расчет за выполненные сертификационные испытания производят юридические или физические лица, подавшие заявку на проведение сертификационных испытаний с исполнителем.
4 Ответственность сторон
4.1 За невыполнение, или ненадлежащее выполнение обязательств по настоящему договору «Исполнитель» и «Заказчик» несут имущественную ответственность в соответствии с действующим законодательством Республики Казахстан.
5 Срок действия договора
5.1 Настоящий договор вступает в силу со дня его подписания обеими сторонами и действует до окончания действия аттестата аккредитации одной из сторон.
5.2 При согласовании сторон договор может быть пролонгирован.
5.3 Досрочное прекращение действия настоящего договора может происходить по инициативе любой из сторон, о чем она должна известить в письменном виде другую сторону за 20 дней до прекращения договора.
6 Адреса и расчетные счета сторон
| Заказчик | Исполнитель | ||
| Адрес | ул. Карла Маркса, 32 | Адрес | ул. Серикбаева, 19 |
| Расчетный счет | 001609893 | Расчетный счет | 00160978 |
| МФО | 230100003595 | МФО | 19090011310 |
| РНН | 2603000003498 | РНН | 181800000624 |
| Мешимбаев | Ипалаков | ||
| подпись | подпись | ||
| М.П. | М.П. |
Приложение Д
Заявка на проведение испытаний сертифицируемой продукции
ЗАЯВКА №81
на проведение испытаний сертифицируемой продукции
| ТОО «Железобетонный комбинат» | Господину | Ипалакову Т.Т. | ||||
| организация заявитель | ||||||
| адрес: | ул. Абая, 150 | адрес: | Ул. Серикбаева 19 | |||
| Реквизиты: | ||||||
| Тел. | 42-00-11 | |||||
| Факс | 42-00-10 | |||||
| 12.03.07 | 77 | |||||
| дата | № регистрации | |||||
Просим Вас заключить договор на проведение сертификационных лабораторных испытаний для получения сертификата соответствия на следующие виды продукции: тяжелого товарного бетона класса В15
нормативная и техническая документация
Оплату гарантируем.
| Директор | Болыспаев Д.М |
| Главный бухгалтер | Гуляева И.Ю |
М. П.
Приложение Е
Договор на оказание научно-производственных услуг
ДОГОВОР №56
на оказание научно-производственных услуг
Восточно-Казахстанский Государственный технический университет им. Д.
Серикбаева, именуемый в дальнейшем ИСПОНИТЕЛЬ, в лице проректора по
Науке и международному сотрудничеству Ипалакова Т.Т., действующего на основании ректора, с одной стороны, и
ТОО «Железобетонный комбинат»
наименование организации
именуемый в дальнейшем ЗАКАЗЧИК, в лице
Болыспаева Д.М генерального директора ТОО «Железобетонный комбинат»
(фамилия, имя, отчество, должность)
действующего на основании устава предприятия
с другой стороны, заключили настоящий договор о нижеследующем:
1 ПРЕДМЕТЫ ДОГОВОРА
1.1 Заказчик поручает, а исполнитель выполняет работу по оказанию научно-производственных услуг: проведение сертификационных испытаний тяжелого товарного бетона класса В15 ГОСТ 7473-94 наименование научно-производственных услуг
1.2 Научные, технические, экономические и другие требования к продукции являющиеся предметом договора изложены в ГОСТ 7473-94
1.3 Срок сдачи работ по договору 40 дней .
1.4 Использование результатов работы Заказчик осуществляет на своем предприятии.
2 СТОИМОСТЬ РАБОТ И ПОРЯДОК РАСЧЕТОВ
2.1 За выполненную работу по оказанию научно-производственных услуг, согласно настоящему договору, Заказчик перечисляет исполнителю в соответствии с протоколом о договорной цене
2.2 Оплата производится
единовременно до окончания работ по подтверждению соответствия
единовременно за законченную работу, поэтапно с авансовым платежом
на основании других принципов согласно договоренности заказчика и исполнителя
Счета исполнителя оплачиваются заказчиком в установленном порядке.
3 ПОРЯДОК СДАЧИ И ПРИЕМКИ РАБОТ
3.1 Передача оформленной в установленном порядке продукции (документации) осуществляется сопроводительными документами исполнителя.
3.2 При завершении работ исполнитель представляет заказчику акт приемки-сдачи работ с приложением к нему: протокола сертификационных испытаний
3.3 Заказчик в течение 5 дней со дня получения акта сдачи-приемки работ и отчетных документов, указанных в пункте 3.1 настоящего договора, обязан направить исполнителю подписанный акт сдачи-приемки или мотивированный отказ от приемки работ.
3.4 В случае мотивированного отказа заказчика сторонами составляется двухсторонний акт с перечнем необходимых доработок и сроков их выполнения.
3.5 В случае досрочного выполнения работ заказчик в праве принять и оплатить работы по договорной цене.
3.6 При сокращении сроков выполнения работ, улучшении технико-экономических параметров, разработки, повышении экспортных возможностей заказчика от внедрения работы, за проведение исполнителем вариантных исследований, экспериментов и работ по дизайну с целью удовлетворения специальных требований устанавливается доплата к договорной цене в размере
сумма прописью
4 ОТВЕТСТВЕННОСТЬ СТОРОН
4.1 За выполнение или ненадлежащее выполнение обстоятельств по настоящему договору исполнитель и заказчик несут ответственность в соответствии с действующим законодательством.
4.2 Дополнительные, не установленные законодательством санкции за не использование или ненадлежащее исполнение обязательств
5 ПРОЧИЕ УСЛОВИЯ
5.1 Условия соблюдения прав сторон на продукцию утилизация продукции
выполняется организацией по месту испытаний
5.2 Другие условия по усмотрению сторон техническую помощь по изготовлению испытательной установки оказывает изготовитель
6 СРОК ДЕЙСТВИЯ ДОГОВОРА И ЮРИДИЧЕСКИЕ АДРЕСА СТОРОН
6.1 Срок действия договора
6.2 Адреса и реквизиты сторон
6.3 К настоящему договору прилагается:
- протокол соглашения о договорной цене на научно-техническую продукцию;
- календарный план работ
Приложение Ж
Календарный план испытательных работ
КАЛЕНДАРНЫЙ ПЛАН РАБОТ
| Наименование работ по договору и основных этапов его выполнения | Срок выполнения, начало окончание (месяц, год) |
Расчетная цена этапа, тыс. тенге в % к договорной цене |
| 1 Марка бетона по прочности на сжатие | 10.03.07-11.03.07 | 2700 (10,6%) |
| 2 Марка бетона по морозостойкости | 12.03.07-17.03.07 | 16450 (64,3%) |
| 3 Марка бетонной смеси по удобоукладываемости | 18.03.07-18.03.07 | 2000 (7,8%) |
| 4 Средняя плотность бетонной смеси | 19.03.07-19.03.07 | 1500 (5,9%) |
| 5 Марка бетона по водонепроницаемости | 20.03.07-20.03.07 | 2931 (11,5%) |
| Итого | 25681 (100%) |
Приложение И
Протокол соглашение о договорной цене на научно-техническую продукцию
ПРОТОКОЛ
соглашение о договорной цене на научно-техническую продукцию на тяжелый товарный бетон класса В15 ГОСТ 7473-94
(наименование научно-технической продукции)
по договору №56 от «10» марта 2007 года
Мы, нижеподписавшиеся от лица заказчика
ТОО «Железобетонный комбинат» в лице генерального директора Болыспаева Д.М
(полное наименование заказчика)
и от лица исполнителя Восточно-Казахстанского Государственного технического университета им. Д. Серикбаева, в лице проректора по научной и производственной работе
Ипалакова Т.Т.
(полное наименование исполнителя)
удостоверяем, что сторонами достигнуто соглашение о величине договорной цены на создание (передачу) научно-технической продукции в сумме двадцать пять тысячи шестьсот восемьдесят один тенге
(сумма прописью)
При выполнении (невыполнении) исполнителем условий договора в соответствии с пунктами
Договорная цена увеличивается (уменьшается);
| по пункту | на | %, по пункту | - | на | - | |||
| %%, по пункту | - | на | - | %% | ||||
Настоящий договор является основанием для проведения взаимных расчетов и платежей между исполнителем и заказчиком.
Приложение К
Заключение о результатах идентификации продукции
ЗАКЛЮЧЕНИЕ О РЕЗУЛЬТАТАХ ИДЕНТИФИКАЦИИ ПРОДУКЦИИ
1 Наименование продукции, тип (марка) модель
Тяжелый товарный бетон класса В15
2 Наименование страны-изготовителя
Республика Казахстан
3 Наименование организации (фирмы) –изготовителя, юридический адрес
ТОО «Железобетонный комбинат», г. Усть-Каменогорск, Ул.Абая,150
4 Номер и объем партии серийное производство
5 Код ТНВЭД ЕврАзЭС 6810
6 Результаты анализа соответствия показателей назначения и других основных норм, однозначно характеризующих конкретный вид продукции требованиям документов, в которых приводится их описание, приводятся в виде данных указанных в таблице 1.
Таблица 1- Результаты анализа соответствия показателей
Наименование показа-телей |
Обозначение и (или) наименование документов, устанавливающих показатели идентификации продукции | Нормы показателей идентификации по действую щим документам |
Приме-няемый метод идентификации |
Обозначение и (или) наименова-ние стандартов и документов, по которым прово-дилось подтверж-дение показателей идентификации продукции | Ре-зуль-таты Идентифи кации |
| 1 | 2 | 3 | 4 | 5 | 6 |
| Наличие маркировки | СТ РК7473-94 | ГОСТ 7473-94 | внешний осмотр | СТ РК 7473-94 | соот ветствует |
7 Дополнительная информация (при необходимости)
ВЫВОДЫ:
Представленная продукция идентифицирована (не может быть идентифицирована) с образцом и (или) ее описанием в соответствии с требованиями идентифицирована в соответствии с требованиями ГОСТ 7473-94 указываются документы (обозначение и (или) наименование), на соответствие которым проводилась идентификация
Приложение Л
Акт отбора образцов
Восточно-Казахстанский филиал
АО «Национальный центр экспертизы и сертификации»
Восточно-Казахстанская область, г. Усть-Каменогорск, ул. Карла Маркса, 32
А К Т
отбора образцов № 20
от « 5» марта 2007г.
Предприятие ТОО «Железобетонный комбинат» наименование, адрес
Адрес и место отбора г. Усть-Каменогорск, ул.Абая, 150, склад готовой продукции
Акт составлен представителем органа по подтверждению соответствия Брост Е.Б
фамилия, инициалы
с участием_Болыспаева Д.М., ген.директор
фамилия, инициалы, должность представителей
Образцы предъявленной продукции отобраны в соответствии с ГОСТ 7473-94___
наименование НД для сертификационных испытаний.
Продукция получена по___договору № 46_от 8 марта 2007 года
товарно-транспортной накладной; ж/д квитанция №), контракту №, дата;
Изготовитель: ТОО «Железобетонный комбинат», РК, ВКО, г.Усть-Каменогорск, ул.Абая,150
страна, организация (индивидуальный предприниматель), адрес
Осмотром установлено:
условия хранения:
вид и состояние тары, упаковки, емкостей: не поврежденные
надписи на упаковке и этикетах: _соответствующие, разборчивые
Образцы отобраны от продукции, предъявленной под наименованием: тяжелый товарный бетон
| Наименование образцов предъявленной продукции | Ед. изм. | Но-мер пар-тии | Размер партии | Дата изготовления | Срок годности | Количество продукции, отобранных образцов |
| 1 | 2 | 3 | 4 | 5 | 6 | 7 |
| Бетонная смесь | м3 | 25.02.07 | 0,12м3 |
Срок хранения (востребования) контрольных образцов проб_60 сут_месяцев со дня подписания настоящего акта.
Представитель органа по сертификации _____Брост_______ Брост Е.Б___
подпись инициалы, фамилия
Представитель предъявителя продукции ___Болыспаев____ Болыспаев Д.М
подпись инициалы, фамилия
Акт получил ____5 марта 2007г Шевляков В.Ф. Шевляков
дата, подпись, инициалы, фамилия
Приложение М
Инструкция о приемке, хранении, списании и утилизации или возвращении образцов
ИНСТРУКЦИЯ
о приемке, хранении, списании и утилизации или возвращении образцов, поступающих на испытания в испытательную лабораторию
1 Поступающие образцы должны сопровождаться актом отбора, подписанным уполномоченными лицами и инструкциями по эксплуатации этой продукции. На всех стадиях хранения и подготовки образцов изделий к испытаниям должны соблюдаться требования нормативной документации, а также применяться меры исключающие порчу образцов. Срок хранения образцов устанавливается согласно нормативной документации. В лаборатории испытанные образцы хранятся до выдачи протокола испытаний, затем списываются или возвращаются заказчику. Неиспытанная часть образцов хранится до окончания действия сертификата.
2 Основой для списания образцов, поступивших на испытания, у которых произошла полная или частичная потеря потребительских свойств, является протокол испытаний.
3 Списание и утилизация испытанных образцов документируется в соответствующем журнале и оформляется актом на списание. Образцы должны быть возвращены по требованию заказчика, о чем заноситься запись в журнал.
4 Срок хранения контрольных образцов должен соответствовать сроку действия сертификата соответствия, по истечению которого образцы возвращаются заявителю. Невостребованные образцы списываются и уничтожаются по решению органа по сертификации. Ответственность за приемку образцов возложена на руководителя испытательной лаборатории, в его отсутствие – на заместителя.
Приложение Н
Акт на списание образцов продукции
АКТ
на списание образцов продукции
Наименование изготовителя, заявителя ТОО «Железобетонный комбинат»
ВКГТУ ЦСИ, ул. Серикбаева 19
наименование и адрес лаборатории или органа по сертификации, где проводились испытания
Наименование, вид продукции тяжелый тогварныйбетон класса В15
| Единица измерения | м3 |
Количество образцов, проб 0,12м3
Состояние образцов не пригодны к эксплуатации
Заключение:
Отобранные образцы (пробы) приведены в непригодное состояние (израсходованы) в связи с потерей потребительских свойств и подлежат списанию.
Приложение П
Журнал регистрации результатов испытаний продукции
ЖУРНАЛ РЕГИСТРАЦИИ РЕЗУЛЬТАТОВ ИСПЫТАНИЙ ПРОДУКЦИИ
Наименование продукции тяжелый товарный бетон класса В15
Количество пробы 0,12 м3
| Акт отбора образцов | № 20 от «5» марта 2007г._____________________ |
| №, дата | |
| Регистрационный номер | 85________________________________________ |
Страна, фирма-изготовитель |
Республика Казахстан, ТОО «Железобетонный комбинат»__________________________________ |
| Заявитель продукции, его адрес | ТОО «Железобетонный комбинат», Абая, 150____ |
| Дата поступления образцов | 10 марта 2007г.______________________________ |
| Дата проведения испытаний | 10 марта 2007г. – 22 марта 2007г._______________ |
| (начало и конец) |
| Наименование показателей | Значение показателей | НД на методы испытаний |
Исполни-тель ФИО |
Подпись исполнителя |
|
| По НД | Фактически полученные |
||||
| 1 | 2 | 3 | 4 | 5 | 6 |
| Прочность образцов-кубов на сжатие | 11МПа | 11МПа | ГОСТ 10180-90 | Руденко О.В | Руденко |
Морозостойкость образцов-кубов |
F100 | F100 | ГОСТ 10060.2-95 | Руденко О.В | Руденко |
| Удобоукладываемость бетонной смеси | Осадка конуса 1-4см | 3см | ГОСТ 10181.1-81 | Руденко О.В | Руденко |
| Водонепроницаемость бетона | 0,2МПа | 0,2МПа | ГОСТ12730.5-84 | Руденко О.В | Руденко |
| Средняя плотность бетонной смеси | 2200-2500кг/м3 | 2200кг/м3 | ГОСТ 12730.1-84 | Руденко О.В | Руденко |
Приложение Р
Протокол сертификационных испытаний
Центр Сертификационных Испытаний
Восточно-Казахстанского Государственного
Технического Университета им. Д. Серикбаева
(ЦСИ ВКГТУ)
Аттестат аккредитации № КК.658000.06.10.00440от 29 августа 2003г
492010, Усть-Каменогорск, ул. Д. Серикбаева 19.
ПРОТОКОЛ ИСПЫТАНИЙ № 36
От 20 марта 2007г.
| Всего листов | 2 |
| Лист | 1 |
| Акт отбора образцов № | 20 от 5 марта 2007г | ||||||||||
| Заказчик, фамилия, адрес | ТОО «Железобетонный комбинат», Болыспаев, ул. Абая, 150______________________________________________ | ||||||||||
| Наименование продукции | тяжелый товарный бетон класса В15 | ||||||||||
| Срок годности | |||||||||||
| Изготовитель | ТОО «Железобетонный комбинат» | страна | Республика Казахстан____ | ||||||||
| Количество образцов | 0,12м3 | ||||||||||
| Дата и время поступления образцов | 10 марта 2007г_________________ | ||||||||||
| Дата проведения испытания | 10.03.07- 20.03.07г________________ | ||||||||||
| Обозначение НД на продукцию | ГОСТ 7473-94___________________ | ||||||||||
| Вид испытаний | сертификационные_________________ | ||||||||||
| Наименование показателей | Наименование НД на методы испытаний | Нормы по НД |
Фактически |
| 1 | 2 | 3 | 4 |
| Марка бетона по прочности на сжатие | ГОСТ 10180-90 | 11МПа | 11МПа |
| Марка бетона по морозостойкости | ГОСТ 10060.2-95 | F100 | F100 |
| Марка бетонной смеси по удобоукладываемости | ГОСТ 10181.1-81 | Осадка конуса 1-4см | 3см |
| Марка бетона по водонепроницаемости | ГОСТ 12730.5-84 | 0,2МПа | 0,2МПа |
| Средняя плотность бетонной смеси | ГОСТ 12730.5-84 | 2200-2500кг/м3 | 2200кг/м3 |
Приложение С
Программа проверки условий производства сертифицируемой продукции
ПРОГРАММА
проверки условий производства сертифицируемой продукции
1 ОБЩИЕ ПОЛОЖЕНИЯ
Настоящая программа устанавливает порядок проведения проверки условий производства сертифицируемой продукции на предприятиях любой формы собственности.
Проверка условий производства сертифицируемой продукции в соответствии с требованием стандартов и руководящих документов в Государственной системе сертификации Республики Казахстан.
Порядок проведения проверки условий производства
1.3 При проверке условий производства сертифицируемой продукции устанавливаются и проверяются:
наличие в структуре управления предприятия ответственного лица по стандартизации, подтверждению соответствия, метрологии;
наличие подразделения (службы), ответственного за стабильность характеристик сертифицируемой продукции;
наличие претензий и рекламаций к сертифицируемой продукции со стороны потребителей и контролирующих органов, анализ причин и мер, принимаемых для обеспечения стабильности сертифицируемых характеристик;
наличие действующих нормативных документов;
наличие и комплексность на выполняемые технологические процессы;
наличие на рабочих местах необходимой конструкторской и технологической документации;
наличие сертификатов соответствия на поступающее сырье и материалы, осуществление входного контроля;
Продолжение приложения С
состояние метрологического обеспечения производства сертифицируемой продукции;
квалификация рабочих, занятых выполнением особо ответственных операций из указанных в схеме производственного процесса;
соблюдение технологической дисциплины при выполнении операций;
наличие анализа нарушений и мер, принятых для обеспечения стабильности характеристик продукции;
наличие сведений о результатах приемки готовой продукции;
состояние производственного оборудования, его технологическое обслуживание и ремонт;
соответствие установленным требованиям нормативных документов с требованиями органов здравоохранения:
по территории;
по водоснабжению;
по производственным и складским помещениям;
по санитарно-бытовым помещениям;
по содержанию оборудования;
по персоналу;
по сырью.
В комплекс работ по оценке производства также должны входить:
контроль качества изготовления продукции по нормируемым показателям;
анализ дефектов готовой продукции;
проверка безопасности продукции по результатам соответствующих испытаний в аккредитованной испытательной лаборатории.
Приложение Т
Акт проверки условий производства при подтверждении соответствия продукции
«Национальный центр экспертизы и сертификации»
наименование органа по подтверждению соответствия однородной продукции
АКТ №31
проверки условий производства
при подтверждении соответствия продукции
от «3» апреля 2007г
О соответствии требования стабильности характеристик |
ТОО «Железобетонный комбинат» |
| наименование предприятия-изготовителя |
Тяжелый товарный бетон класса В15 наименование продукции
| выпускаемой по | ГОСТ 7473-94 | Руководитель |
| наименование обозначения документа | Болыспаев Д.М | |
| Адрес | ул.Абая, 150 |
Основание: Заявка предприятия от 2 марта 2007г.
Составлен комиссией в составе:
| Председателя | Лемешко А.С., эксперт-аудитор «НаЦЭкС» |
| организация, должность, фамилия, имя | |
| И членов комиссии | Синельников В.В., эксперт-аудитор «НаЦЭкС» |
| организация, должность, фамилия, имя |
Комиссия в период с 25 марта 2007г. по 2 апреля 2007г. провела проверку состояния производства с целью проведения подтверждения соответствия выпускаемой продукции.
Проверкой установлено:
Предприятие обладает всеми требуемыми ресурсами, изложенными в «Программе проверки условий производства»
Комиссия рекомендует за отсутствием замечаний принять продукцию на подтверждению соответствия замечания по результатам проверки производства
Заключение:
условия производства соответствуют предъявленным требованиям
рекомендации комиссии в отношении подтверждения соответствия
В акте раскрываются вопросы по оценке состояния производства в соответствии с программой проверки условий производства сертифицированной продукции.
Приложение У
Заключение эксперта-аудитора о возможности выдачи сертификата соответствия
ЗАКЛЮЧЕНИЕ
эксперта-аудитора о возможности выдачи сертификата соответствия
1 Заявитель и его адрес:
ТОО «Железобетонный комбинат», ул.Абая, 150
2 Наименование продукции:
Тяжелый товарный бетон класса В15
Представлены документы:
| Наименование | № и дата | Наличие замечаний (да+, нет-) |
| 1 Заявка | №77 2.03.07г. | --- |
| 2 Решение по заявке | №102 2.03.07г. | --- |
| 3 Договор на проведение работ | №10 9.03.07г. | --- |
| 4 Акт отбора | №20 5.03.07г. | --- |
| 5 Протокол испытаний | №12 20.03.07г. | --- |
| 6 Акт обследования | №111 3.04.07г. | --- |
| 7 Акт инспекционного контроля | не производится | |
| 8 Код ТН ВЭД ЕврАзЭС | 6810 |
4 На соответствие НД_ГОСТ 7473-94 ____________________________
5 Схема подтверждении соответствия 3(три)
6 Результатами испытаний установлено
+ соответствует + не соответствует –
7 Результатом обследования (инспекционного контроля) установлено
+ соответствует + не соответствует –
8 Замечания по предварительным документам замечаний нет
Заключение:
Возможна выдача сертификата после устранения замечаний.
Отказать в выдаче сертификата.
Эксперт-аудитор
Приложение Х
Состав (наименование) и предельные нормативы трудоемкости оплачиваемых заявителем работ органа по подтверждению соответствия продукции при обязательной сертификации конкретной продукции
Таблица Х.1 – Состав и предельные нормативы трудоемкости оплачиваемых заявителем работ органа по подтверждению соответствия продукции при обязательной сертификации конкретной продукции
| Наименование работ | Предельные нормативы трудоемкости работ по обязательной сертификации конкретной продукции, чел. – дн., в зависимости от 3 схемы сертификации* |
| 1 Принятие решения по заявке на подтверждение соответствия | |
| 1.1 Прием, входной контроль и регистрация заявки | 0,5 |
| 1.2 Рассмотрение документов, приложенных к заявке | 2,0 |
| 1.3 Рассмотрение заявления-декларации и сопроводительных документов | - |
| 1.4 Предварительное ознакомление с состоянием производства сертифицируемой продукции ** | Х |
| 1.5 Выбор схемы и программы сертификации | 0,5 |
| 1.6 Определение организаций-соисполнителей | 1,5 |
| 1.7 Подготовка решения по заявке | 1,0 |
2 Выполнение процедур подтверждениясоответствия 2.1 Отбор и идентификация образцов для проведения сертификационных испытаний |
3,0 |
| 2.2 Анализ протоколов испытаний | 1,0 |
| 2.3 Проверка производства сертифицируемой продукции | |
| 2.3.1 Анализ состояния производства** | Х |
| 2.3.2 Анализ результатов работ по сертификации производства или системы качества | - |
| 2.4 Оценка соответствия продукции установленным требованиям и подготовка решения о возможности выдачи сертификата соответствия | 1,0 |
3 Инспекционный контроль за сертифицированной продукцией 3.1 Выбор программы инспекционного контроля** |
1,5 |
| 3.2 Проведение одной проверки, включая анализ данных о сертифицированной продукции **** | Х |
| 3.3 Анализ состояния производства при инспекционном контроле за сертифицированной продукцией *** | Х |
* Схемы сертификации даны в соответствии с СТ РК 3.4. Приведенный состав работ, выполняемых органом по сертификации продукции, является типовым
** В соответствии с п.5.5 раздела 5 настоящего документа.
*** Трудоемкость инспекционного контроля за состоянием производства составляет 70% от трудоемкости анализа состояния производства
**** В соответствии с разделом 5 настоящего документа
Приложение Ц
Нормативы суммарной трудоемкости работ органа по подтверждению соответствия продукции
Таблица Ц.1 - Нормативы суммарной трудоемкости работ органа по подтверждению соответствия продукции, проводимых при анализе состояния производств а продукции
| Группа сложности производства** | Предельные нормативы трудоемкости, чел. – дн., в зависимости от группы сложности продукции*** |
||
| 2 | 7,0 | 7,0 | 7,0 |
* Суммарная оценка трудоемкости п.1.4 таблицы Х.1 приложения Х ** в соответствии с таблицей Ц.2 *** в соответствии с таблицей Ц.3 |
|||
Таблица Ц.2 - Группа сложности производства
| Группа сложности производства | Среднее число технологических операций при изготовлении продукции |
| 2 | От 4 до 10 |
Таблица Ц.3 - Группы сложности продукции
| Группа сложности продукции | Виды продукции |
1 |
Материалы (металлы, сплавы, строительные материалы и т.п.) Топливо Продукты нефтехимии, текстильные, кожевенные Элементы конструкций и детали машин Пищевое сырье |
Похожие рефераты:
Легкие бетоны и изделия на их основе
Классификация строительных материалов
Технология строительного производства
Производство бетонных работ при строительстве гидротехниче-ских сооружений
Обоснование актуальности и разработка методики сертификационных испытаний продукции
Проектирование четырехэтажной гостиницы в г. Краснодаре
Анализ методов сокращения пригара на стальном литье
Модернизация производства керамического кирпича