| Похожие рефераты | Скачать .docx |
Курсовая работа: Проектування житлового мікрорайону
Міністерство освіти і науки України
Кафедра «Архитектура промислових і цивільних будівель»
ПОЯСНЮВАЛЬНА ЗАПИСКА
до курсового проекту
з дисципліни "Планування міст" на тему:
«Проектування житлового мікрорайону»
Зм iст
Вступ
1. Аналіз природних і антропогенних умов території
2. Організація житлової і суспільної забудови мікрорайону
2.1 Розрахунок чисельності населення
2.2 Розрахунок і підбір потрібної кількості житлових будинків
2.3 Розрахунок і підбір потрібної кількості установ повсякденного обслуговування населення
3. Функціональне зонування території мікрорайону
4. Техніко-економічні показники
Література
Вступ
Мікрорайон є первинним елементом житлової забудови району, основною структурною одиницею сельбищної території. Він проектується як комплекс, ізольований від основного міського руху, з повним повсякденним побутовим обслуговуванням, де для населення створені найбільш здорові і зручні умови мешкання.
Мета виконання курсового проекту:
- поглибити вивчення теоретичної частини курсу;
- закріпити придбані знання;
- познайомити студентів з прийомами планування, забудови і впорядкування житлового мікрорайону
- розвинути творче інженерне мислення, навчити певним навикам містобудування з використанням нормативно-інструктивної літератури (ДБНи, СНіПи, Гости, ДСТУ, санітарні норми і т.д.).
Проектування мікрорайону повинне вестися із строгим дотриманням вимог будівельних норм і правил (ДБН).
При проектуванні мікрорайону необхідно врахувати цілий ряд питань.
1. Чисельність населення мікрорайону і потрібна кількість житлової площі.
2. Потрібні склад і кількість установ повсякденного обслуговування населення.
3. Підбір будівель і споруд на основі діючих типових проектів.
4. Функціональне зонування території мікрорайону.
5. Визначення схем проїздів і пішохідних алей мікрорайону, а також підбір споруд і майданчиків комунально-побутового і спортивного обслуговування населення.
6. Озеленення території мікрорайону.
7. Техніко-економічні показники генплану.
8. Чисельність населення мікрорайону і потрібна кількість житлової площі.
9. Потрібні склад і кількість установ повсякденного обслуговування населення.
10. Підбір будівель і споруд на основі діючих типових проектів.
11. Функціональне зонування території мікрорайону.
12. Визначення схем проїздів і пішохідних алей мікрорайону, а також підбір споруд і майданчиків комунально-побутового і спортивного обслуговування населення.
13. Озеленення території мікрорайону.
14. Техніко-економічні показники генплану.
Всі ці питання опрацьовуються в пояснювальній записці до курсового проекту.
1. Анал із природн их і антропогенн их у мов територ ії
Використовуючи карту фізико-географічного районування території України (див. Том 2. Додаток 1), необхідно визначити кліматичну зону, в якій розташований населений пункт проектування м. Львів - IIВ-3-південно-западна лісостеп, на карстоопасных територіях а по карті містобудівного районування (див. Том 2. Додаток 2) інженерно-будівельні умови території. Ґрунтуючись на даних СНіП 2.01.-82 «Будівельна кліматологія і геофізика», одержують відомості про клімат місцевості. На підставі цього складається таблиця «Вітровий режим території» (табл. 1.1) і приводиться побудова «рози вітрів». Клімат недостатньо вологий, літо – тепле, зима – помірно м`яка.
Табл 1.1 Вітровий режим території
| Повторюваність напрямку вітру (числівник), % Середні швидкості вітру за напрямами (знаменник), м/сек. |
|||||||
| С |
С-В |
В |
Ю-В |
Юг |
Ю-З |
З |
С-З |
| Січень |
|||||||
| 4/3,8 |
4/3,7 |
8/3,8 |
13/4,8 |
18/4,9 |
14/4,9 |
23/6,3 |
16/5,9 |
| Липень |
|||||||
| 7/3,4 |
6/2,9 |
7/3,6 |
8/3 |
10/2,7 |
12/3,4 |
26/4,1 |
14/4 |

Рис.1.1 Роза ветров
сiчень
липень
2. Організація житлової і громадської забудови мікрорайону
2.1 Визначення чисельності населення
Населення кварталу визначається на підставі його площі (за завданням на проектування), щільності населення (370-350 люд./га), передбаченої нормами проектування.
Площа мікрорайону – 12 га.
Визначаємо населення і житловий фонд мікрорайону площадею 12 га, росташованного в зоні міста зі середнім ступенем містобудівної цінності для центральної географічної зони: 3-х поверхових – 40 %, 4-х – 20 %, 5-ти – 40 %.
Чисельність населення мікрорайону визначається за формулою:
![]()
N1 – чисельність населення мікрорайону, визначена за щільністю населення за формулою: ![]()
PN – показник щільності населення.
Чисельність населення мікрорайону, визначена за щільністю населення становить:
N1 = 360 х 12 = 4200 чел.
Середньо гармонійна щільність забудови при m=25 м2/люд становить.:

Чисельність населення мікрорайону, визначена за щільністю забудови:
![]()
Чисельність населення для подальшого розрахунку становить:
![]()
Відповідно об’єм необхідного житлового фонду:
загальної площі.
2.2 Розрахунок і підбір потрібної кількості житлових будинків
Щоб задовольнити потребу населення кварталу в житловому фонді, необхідно підібрати і розмістити на його території відповідну кількість житлових будівель. Сумарна кількість квартир у всіх житлових будівлях повинна відповідати розрахованому об'єму житлового фонду і розподіляться відповідно до заданого складу забудови за поверховістю (див. завдання). З використанням цих даних визначається житловий фонд будинків різної поверховості за формулою:
![]()
![]()
![]()
Кількість житлових будинків різної поверховості визначається за формулою:
![]()
шт.
шт.
шт.
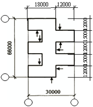
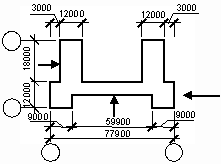
| Конфігурація будівлі з розмірами, область застосування, розрахункова температура, орієнтація |
Кількість поверх. секцій |
Кількість квартир з кількістю кімнат |
Всього квартир |
Площа, м2 |
№ типового проекту - аналогу |
||||
| 1 |
2 |
3 |
4 |
житлова |
загальна |
||||
| II B, II Б підрайони; tн = –230С; орієнтація головного фасаду в межах 50–3100
|
3/2 |
– |
6 |
6 |
– |
12 |
433,44 |
735,36 |
ТП 141-35-7/72/11 |
| II, III кліматичні райони; tн = – 15, –20, – 250 С; орієнтація широтна; нормальні геологічні умови
|
4/1 |
8 |
8 |
8 |
– |
24 |
683,36 |
1176,00 |
ТП 111-26-17 |
| II Б, II В, III А подрайони; tн = –20, –30, –400 С; орієнтація широтна; нормальні геологічні умови
|
5/3 |
34 |
35 |
35 |
10 |
114 |
3624,34 |
6169,64 |
ТП 111-108-1/1 |
2.3 Розрахунок і підбір потрібної кількості установ повсякденного
обслуговування населення
Розрахунок і підбір необхідного складу і кількості установ повсякденного обслуговування населення (дитячий садок, школа, громадський центр мікрорайону, гаражі-стоянки автомашин) ведеться відповідно до [1, табл. 6.1* р. 6, дод. 6.3 ДБН], вибірка відомостей з якого приведена в табл. 5.4.
Знаючи чисельність населення мікрорайону – 3760 чол. і розрахункову норму на 1000 жителів, можна визначити потрібну місткість установ повсякденного обслуговування мікрорайону і їх кількість.
Установи повсякденного обслуговування населення мікрорайону після їх розрахунку підбираються за Додатком 4 (Том 2). При підборі необхідно звертати увагу на орієнтацію будівлі, щоб забезпечити необхідну інсоляцію окремих приміщень (групові, класи і т. д.). Результати розрахунку установ повсякденного обслуговування населення мікрорайону наводять в таблиці:
| Установи, підприємства, споруди |
Одиниця вимірювання |
Нормативна величина з розрахунку на 1000 жит., не менше |
Радіус обслуговування, м |
Розміри земельних ділянок |
| 1 |
2 |
3 |
4 |
5 |
| Дитячі дошкільні установи |
місце |
Встановлюються залежно від демографічної структури поселень, приймаючи розрахунковий рівень забезпеченості дітей дошкільними установами в межах 85 % 70(40) |
300 |
3,7х70=259 місць 264х40=1,04 га – площа ділянки |
| Школа |
місце |
-- " - 100 % рівень забезпеченості дітей до 15 років. Обхват дітей 6-річного віку і старшої вікової групи (III ступінь) визначається органами державного управління освітою 120 (80) |
750 |
3,7х120=444 місць 1,9 га |
| Поліклініки, амбулаторії, диспансери без стаціонару |
Відвідин в зміну |
24 |
1000 |
3,7х24=89 відвідувань 0,3 га |
| Аптека |
об'єкт |
0,09 |
500 |
0,3 га або вбудовані |
| Приміщення для фізкультурно-оздоровчих занять |
Кв. м загальної площі |
70-80 |
500 |
75х3,7=278 м2 |
| Приміщення для дозвілля |
Місць відвідування |
60 -50 |
500 |
50х3,7=185 м2 |
| Підприємства громадського харчування |
місце |
7 |
500 |
7х3,7=26 місць – 0,25 га |
| Відділення зв'язку |
об'єкт |
1на мікрорайон |
500 |
0,07-0,08 га на об’єкт |
| Відділення банків |
Операційна каса |
1 каса на 10-30 тис. чіл. |
500 |
|
| Житлово-експлуатаційні організації |
об'єкт |
1 об'єкт на мікрорайон |
0,3 га на об'єкт |
|
| Гаражі, стоянки |
місце |
150-200 |
800 |
175х3,7=648 шт. – 0,5 га |
| Магазин непродовольчих товарів |
кв. м торгової площі |
30 |
500 |
Торговий центр площею 0,53га |
| Конфігурация, розміри |
Місткість, місць |
Радіус обслуговування, м |
Ориєнтація |
Область застосування, № типового проекту-аналогу |
Площа забудови, м2 |
Розмір ділянки, га |
|
|
280 |
300 |
Південна східна |
II и III кліматичні райони зі звичайними геологічними умовами tН.В = –20, –30, –400 C ТП № 212-2-66 |
1241,00 |
0,98 |
|
|
480 |
500 |
південь,схід, південний схід |
II и III кліматичні райони зі звичайними геологічними умовами tН.В = –20, –30, –400 C ТП № 222-1-245 |
978,00 |
1,70 |
Розрахунок підприємств і установ культурно-побутового обслуговування
3. Функціональне зонування території мікрорайону
Попередній баланс території функціональних зон кварталу
(9,25:12) х 100 = 77,1%
(25:77,1) х 24,5 = 7,9
| № п/п |
Зони кварталу |
Площа ділянки |
||
| га |
% |
м2/люд. |
||
| 1. |
Житлова |
50 |
25 |
|
| 2. |
Зона шкільних і дошкільних установ |
9 |
7,9 |
|
| 3. |
Зона підприємств обслуговування, торгівлі і громадського харчування |
1 |
||
| 4. |
Зелені насадження і спортивні майданчики |
40 |
||
| Разом: |
100 |
|||
Житлова зона мікрорайону
Забудова житлової зони складається з окремих груп і комплексів.
Систему забудови мікрорайону приймаємо комбіновану в зв’язком з великою щільністю забудови та вільною орієнтацією будинків. Відповідно до ДБН 360-92** санітарні відстані між будинками дорівнює:
| Нормована відстань |
Відстань при забудові будівлями з кількістю поверхів |
||
| 3 |
4 |
5 |
|
| Між довгими сторонами будівель |
20 |
20 |
30 |
| Між довгими сторонами і торцями будівель, а також між торцями з вікнами з житлових кімнат |
12 |
12 |
15 |
| Між торцями будівель без вікон, а також між одно поверховими будинками |
За протипожежними нормами |
||
Протипожежні розриви між будівлями приймаються відповідно до ДБН 360-92**[1, дод. 3.1, табл. 1]. В даному випадку розрив дорівнює 6 м.
Житлові будинки з квартирами на перших поверхах розміщені з відступом від червоних ліній на 3 м на житлових вулицях і 6 м на магістральних.
Зона громадського центру
Громадський центр мікрорайону призначений для розміщення в ньому підприємств торгівлі, громадського харчування, а також приміщень для культурно-побутового обслуговування.
Розрив між межею ділянки громадського центру і фасадом або торцем житлових будівель повинен бути не менше 20 м.
Зона шкіл і дитячих дошкільних установ
Ділянки шкіл і дитячих дошкільних установ в цілях створення кращих санітарно-гігієнічних умов і ізоляції від магістральних вулиць рекомендується розміщувати у середині мікрорайону і по можливості поблизу мікрорайонного саду.
Школи і дитячі сади-ясла слід розміщувати на окремих ділянках і відокремлювати їх огорожами висотою 1,6 м. Ділянка дитячої установи захищена по периметру зеленою захисною смугою. До кожної ділянки повинен бути забезпечений підхід, що не проходить через двори житлових будинків.
Зона вулично-дорожньої мережі
Система проїздів мікрорайону складається з головних і другорядних проїздів і під'їздів до житлових будівель, які можуть проектуватися по кільцевій, пів кільцевій і тупиковій схемах.
Головні проїзди забезпечують під'їзди до груп житлових будівель і ділянок громадських будівель. Ширина внутрішніх мікрорайонних доріг, що приймається в дві смуги руху, 6 м; з однієї або двох сторін цих доріг влаштовуються тротуари шириною 1,5 м [1, табл.7.1].
Другорядні проїзди шириною 3,5 м з однією смугою руху забезпечують під'їзд до невеликих груп житлових будівель. Під'їзди до житлових будівель служать одночасно для пішохідного руху (поєднуються з тротуарами).
Для пішохідного руху в мікрорайоні проектуються пішохідні алеї, доріжки і стежини. Пішохідні алеї пов'язують групи житлових будівель з школою і дитячими установами. Ширина їх приймається 3,0 м.
На території повинно розміщуватися не менше 70 % кількості автомобілів громадян, що проживають в даному мікрорайоні з урахуванням прийнятого рівня автомобілізації.
4. Техніко-економічні показники
Основними чинниками, що впливають на економічність планування і забудови мікрорайону, є: доцільне використання території, правильний вибір будівель для забудови, комплексність забудови. Ці чинники відбиті в загальних техніко-економічних показниках, до яких відносяться:
1) площа мікрорайону – 12 га;
2) чисельність населення – 3700 чол.;
3) норма житлової забезпеченості – 25 м2/чол.;
4) щільність забудови 50 %;
5) територія мікрорайону на 1 жителя – 25 м2/чел.;
6) площа зеленої зони 40 %.
Література
1. ДБН 360-92**. Градостроительство. Планировка и застройка городских и сельских поселений. Министерство Украины по делам строительства и архитектуры. – Киев. – 2002. – 113 с.
2. Довідник проектувальника. Містобудування. – Київ. Укрархбудінформ, 2001
3. СНиП И-60-75**. Планировка и застройка городов, поселков и сельских населенных пунктов / Госстрой СССР. – М.: Стройиздат, 1981. – 77 с.
4. Градостроительство (Справочник проектировщика). Под общ. ред. В.Н. Белоусова. Изд. 2-е, перераб. и доп. М.: Стройиздат, 1978. – 367 с.
5. ДБН Б.1-3-97. Склад, зміст, порядок розроблення, погодження та затвердження генеральних планів міських населених пунктів. Держбуд України. – Київ. – 1997. - 37 с.
6. ДБН В.2.3-5-2001. Улицы и дороги населенных пунктов
7. СНиП 2.01.01-82. Строительная климатология и геофизика. Госстрой СССР.- М.: Стройиздат, 1988.
8. Методическое пособие к выполнению курсовой работы по дисциплине «Планировка городов» - Схема планировки нового города с населением от 40 до 70 тыс. человек. Организация жилой и общественной застройки микрорайона (квартала). Макеевка. ДонГАСА. 2004. 62с.
9. В.К. Степанов, Л.Б. Великовский, А.С. Тарутин. Основы планировки населенных мест. Учеб. Для вузов.-М., «Высшая школа», 1985.- 92с.
10. П.П. Коваленко, Л.Н. Орлова. Городская климатология.- М.: Стройиздат.-1993.-144с.
Похожие рефераты:
Оцінка земель населеного пункту на прикладі села Дмитровка
Комплексний заклад ресторанного господарства
Статистичний аналіз виробництва соняшника в Зміївському районі Харківської області
Проектування монолітного п’ятнадцятиповерхового будинку
Планувальна організація об’єктів комунального господарства міста
Дизайн інтер’єрів дитячого садка
Еколого-біологічні дослідження місцевості
Гігієнічні вимоги до розміщення і планування населених пунктів та житлових приміщень
Соціальний захист дітей з обмеженими функціональними можливостями
Народногосподарське значення виробництва овочiв вiдкритого i закритого грунту
Екологічна оцінка природних умов басейну річки Рудка (Волинська область)
Системи насаджень населеного пункту
Аналіз сучасного стану навколишнього середовища в зоні будівництва
проектування ковбасного цеху потужністю 12 т готової продукції за зміну




