| Похожие рефераты | Скачать .docx |
Реферат: Расчёт заземления
ФЕДЕРАЛЬНОЕ АГЕНТСТВО ПО ОБРАЗОВАНИЮ
Брянский государственный
технический университет
Кафедра: “БЖД”
Расчетно-графическая работа №1
“Расчёт заземления”
Вариант №4
Студент гр. 03-В
Козин В.А.
Преподаватель
Зайцева Е.М.
Брянск 2007
Содержание
Введение
1. Устройство заземления
2. Нормирование параметров защитного заземления
3. Расчет заземления
Вывод
Приложение
Для защиты работающих от опасности поражения электрическим током при переходе напряжения на металлические нетоковедущие части (например, при коротком замыкании), нормально не находящиеся под напряжением, применяют защитное заземление. Защитное заземление -преднамеренное соединение нетоковедущих частей электрооборудования, которые могут случайно оказаться под напряжением, с заземляющим устройством.
Защитное заземление представляет собой систему металлических заземлителей, помещенных в землю и электрически соединенных специальными проводами с металлическими частями электрооборудования, нормально не находящимися под напряжением.
Защитное заземление эффективно защищает человека от опасности поражения электрическим током в сетях напряжения до 1000 В с изолированной нейтралью и в сетях напряжением выше 1000 В - с любым режимом нейтрали.
1. Устройство заземления
Заземление устроено в соответствии с требованиями ПУЭ, СНиП-Ш-33-76 и инструкции по устройству сетей заземления и зануления в электроустановках (СН 102-76).
Заземление следует выполнять:
а)при напряжениях переменного тока 380 В и выше и постоянного
тока 440 В и выше во всех электроустановках;
б)при напряжениях переменного тока выше 42 В и постоянного тока выше 110 В только в электроустановках, размещенных в помещениях с повышенной опасностью и в особо опасных, а также в наружных установках;
в)при любом напряжении переменного тока и постоянного тока во
взрывоопасных установках;
Заземлители могут быть использованы как естественные, так и искусственные. Причём, если естественные заземлители имеют сопротивление растеканию, удовлетворяющие требованиям ПУЭ, то устройство искусственным заземлителями не требуется.
В качестве естественных заземлителей могут быть использованы:
а) проложенные в земле водопроводные и другие металлические трубопроводы, за исключением трубопроводов горючих и легковоспламеняющихся жидкостей, горючих или взрывчатых газов и смесей;
б) обсадные трубы, металлические и железобетонные конструкции зданий и сооружений, находящиеся в непосредственном соприкосновении с землёй;
в) свинцовые оболочки кабелей, проложенных в земле и т.д.
В качестве искусственных заземлителей чаще всего применяют угловую сталь 60x60 мм, стальные трубы диаметром 35-60 мм и стальные шины сечением не менее 100 мм2 .
Стержни длиной 2,5...3м погружаются (забиваются) в грунт вертикально в специально подготовленной траншее (рис.1 ).

Вертикальные заземлители соединяются стальной полосой, которая приваривается к каждому заземлителю.
По расположению заземлителей относительно заземляемого оборудования системы заземления делят на выносное и контурное.
Выносное заземление оборудования показано на рис.2. При выносной системе заземления заземлители располагаются на некотором удалении от заземляемого оборудования. Поэтому заземленное оборудование находится вне поля растекания тока и человек, касаясь его, окажется под полным напряжением относительно земли
![]()
Выносное заземление защищает только за счёт малого сопротивления грунта.

Контурное заземление показано на рис. 3. Заземлители располагаются по контуру заземляемого оборудования на небольшом (несколько метров) расстоянии друг от друга. В данном случае поля растекания заземлителей накладываются, и любая точка поверхности земли внутри контура имеет значительный потенциал. Напряжение прикосновения будет меньше, чем при выносном заземлении.
![]()
Где
потенциал земли.

2. Нормирование параметров защитного заземления
Защитное заземление предназначено для обеспечения безопасности человека при прикосновении к нетоковедущим частям оборудования, случайно оказавшимся под напряжением, и при воздействии напряжения шага. Эти величины не должны превосходить длительно допустимых.

В ПУЭ нормируются сопротивления заземления в зависимости от напряжения электроустановок.
В электроустановках напряжением до 1000 В сопротивление заземляющего устройства должно быть не выше 4 Ом; если же суммарная мощность источников не превышает 100 кВ
А, сопротивление заземления должно быть не более 10 Ом.
В электроустановках
1000 В с током замыкания
500 А допускается сопротивление заземления
но не более 10 Ом.
Если заземляющее устройство используется одновременно для электроустановок напряжением до 1000 В и выше 1000 В, то
но не выше нормы электроустановки
(4 или 10 Ом). В электроустановках с токами замыкания
500 A,
O,5 Ом.
3. Расчет заземления
Расчет заземления сводится к определению числа заземлителей и длины соединительной полосы исходя из допустимого сопротивления заземления.
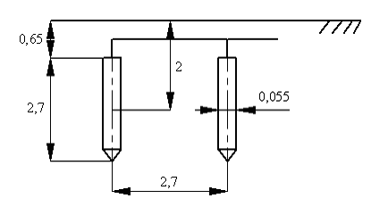
Исходные данные
| Вид заземления | выносное |
| Длина заземлителя l, м | 2,7 |
| Глубина заложения заземлителя в грунт h, м | 0,65 |
| Коэффициент сезонности Kc | 2,0 |
| Удельное сопротивление грунта ρ , Ом∙м | 70 |
| Диаметр заземлителя d, м | 55 |
| Ширина соединительное полосы b, м | 50 |
| Допускаемое сопротивление системы заземления по ПУЭ RЭ.Н. ,Ом | 4 |
1. В качестве заземлителя выбираем стальную трубу диаметром
, а в качестве соединительного элемента – стальную полосу шириной
.
2. Выбираем значение удельного сопротивления грунта соответствующее или близкое по значению удельному сопротивлению грунта в заданном районе размещения проектируемой установки.
3. Определяем значение электрического сопротивления растеканию тока в землю с одиночного заземлителя

где
- удельное сопротивление грунта,
- коэффициент сезонности,
- длина заземлителя,
- диаметр заземлителя,
- расстояние от поверхности грунта до середины заземлителя.
4. Рассчитываем число заземлителей без учета взаимных помех, оказываемых заземлителями друг на друга, так называемого явления взаимного “экранирования”
≈ 10.
5. Рассчитываем число заземлителей с учетом коэффициента экранирования
≈ 18
где
- коэффициент экранирования (прил., табл.1.).
Принимаем расстояние между заземлителями ![]()
6. Определяем длину соединительной полосы
![]()
7. Рассчитываем полное значение сопротивления растеканию тока с соединительной полосы
![]()
8. Рассчитываем полное значение сопротивления системы заземления
![]()
где
=0.51 - коэффициент экранирования полосы (прил., табл.2.).
Вывод
Сопротивление R зу = 2,82 Ом меньше допускаемого сопротивления, равного 4 Ом . Следовательно, диаметр заземлителя d = 55 мм при числе заземлителей n = 18 является достаточным для обеспечения защиты при выносной схеме расположения заземлителей.

Рис. 4. Схема полученного выносного заземления.

Рис. 5. Схема расположения заземлителей.
Приложение

Похожие рефераты:
Компенсация реактивной мощности в системах электроснабжения с преобразовательными установками
Проект новой подстанции для обеспечения электроэнергией нефтеперерабатывающего завода
Охрана труда - основные термины, понятия, определения
Организация интеллектуальной сети в г. Кокшетау на базе платформы оборудования Alcatel S12
Приемник цифровой системы передачи информации ВЧ-каналом связи по ВЛ
Разработка автоматизированной системы управления электроснабжением КС "Ухтинская"
Модернизация системы электроснабжения цеха по производству хлебобулочных изделий ООО "Пальмира"
Проект вскрытия и разработки Кадали-Макитской террасы
Исследование методов охлаждения садки колпаковой печи с помощью математического моделирования
Ремонт металлорежущего оборудования хозяйств Луганской области