| Похожие рефераты | Скачать .zip |
Дипломная работа: Описание работы электрической схемы охранного устройства с автодозвоном по телефонной линии
![]()
|
|
|
|
|
|
|
|
| Зона | Поз. обозначение | Н а и м е н о в а н и е | Кол-во | Примечание |
Микросхемы |
||||
DA1 |
КР1064ПП1 |
1 | ||
| DA2 | КР1008ВЖ10 | 1 | ||
| DD1, DD5 | К561ЛЕ5 | 2 | ||
| DD2 | К176ИЕ18 | 1 | ||
| DD3, DD4 | К561ИЕ8 | 2 | ||
Конденсаторы |
||||
| С1 | К50-35-16-4,7 мкФ | 1 | ||
| С2 | КМ6-Н90-1,0 мкФ | 1 | ||
| С3 | КМ5-Н90-0,1 мкФ | 1 | ||
| С4,С5 | КМ5-М750-47 пФ | 2 | ||
| С6 | К50-35-50-10 мкФ | 1 | ||
| С7,С8,С13 | КМ5-Н90-0,022 мкФ | 3 | ||
| С9, С12 | КМ5-М750-390 пФ | 2 | ||
| С10 | К50-35-10-220,0 | 1 | ||
| С11, С14 | К50-35-16-47,0 | 2 | ||
Резисторы |
||||
| R1, R2, R5, R7 | ВС-0,125-4,7 МОм | 4 | ||
| R3 | ВС-0,125-15 кОм | 1 | ||
| R4 | ВС-0,125-2,2 кОм | 1 | ||
| R6, R12, R14, R15, | ||||
| R17 - R19, R24 | ВС-0,125-100 кОм | 8 | ||
| R8 | ВС-0,125-510 Ом | 1 | ||
| R9, R16 | ВС-0,125-470 кОм | 2 | ||
| R10, R22 | ВС-0,125-1 МОм | 2 | ||
| R11, R21 | ВС-0,125-240 кОм | 1 | ||
| R13, R25, R27 | ВС-0,125-10 кОм | 3 | ||
| R20 | ВС-0,125-2,2 МОм | 1 | ||
| R23 | ВС-0,125-2 кОм | 1 | ||
| R26, R28 | ВС-0,125-22 кОм | 2 | ||
| R29 | ВС-0,125-100 Ом | 1 | ||
| VT1, VT2, VT4, | ||||
| VT5, VT7 | Транзистор КТ503Е | 5 | ||
| VT3, VT6 | Транзистор КТ502Е | 2 | ||
| VD1-VD4,VD6-VD9 | Диод полупроводниковый КД102Б | 8 | ||
| VD5 | Стабилитрон полупроводниковый КС147А | 1 | ||
| BQ1 | Излучатель пьезокерамический ЗП-5 | 1 |
ОГЛАВЛЕНИЕ :
Глава 1. Введение…………………………………………………………………………………..…
1.1 Обзор литературы………………………………………………………………………
Глава 2. Выбор и обоснование принципиального решения……………………………………….
2.1 Краткий обзор применяемых схемотехнологий, применяемых в интегральных схе-
мах……………………………………………………………………………………..
2.1.1 Технология ТТЛ………………………………………………………………………
2.1.2 Технология ЭСЛ………………………………………………………………………
2.1.3 Технология пМДП……………………………………………………………………
2.1.4 Технология КМДП……………………………………………………………………
2.2 Выбор и обоснование логических элементов устройства……………………………
2.3 Выбор и обоснование аналоговых ЭРЭ……..………………………………….……..
2.4 Выбор и обоснование пассивных элементов…………………………………………
2.5 Схемотехнические требования при разработке принципиальной схемы…………..
Глава 3. Построение функциональной схемы блока оповещения………………………………..
Глава 4. Разработка принципиальной схемы и электрический расчёт………...……...………….
4.1 Выбор элементной базы охранного устройства……………………………...…..…..
4.2 Справочные данные……………………………..……………………………...….…..
4.2.1 Микросхема К176ИЕ18……………………………………………………………...
4.2.2 Микросхема К561ИЕ8……………………………………………………………….
4.2.3 Микросхема К561ЛЕ5……………………………………………………………….
4.2.4 Импульсный номеронабиратель 1008ВЖ10……………………………………….
4.2.5 Микросхема КР1064ПП1……………………………………………………………
4.3 Описание работы электрической схемы охранного устройства с автодозвоном по
телефонной линии…………………………………………………………………….
4.4 Расчёт элементов принципиальной схемы.
Электрический расчёт электронного ключа………………………………..……….
Глава 5. Конструкторско-технологическая часть…………………………………………………
5.1 Разработка конструкции устройства…………………………………………………
5.2 Выбор и определение типа платы, её технологии изготовления, класса точности,
габаритных размеров, материала, толщины, шага координатной сетки………….
5.3 Расчет показателей надёжности охранного устройства..……….…………………..
5.4 Оценка вероятности ложного срабатывания устройства охранной сигнализации....
Глава 6. Экономическое обоснование проекта………………………..……………………………
6.1 Выбор базового варианта………………………………………..……………….….…
6.2 Расчёт себестоимости. Определение оптовой цены……………………………...…..
6.2.1 Сырьё и материалы………………………………………………………………..….
6.2.2 Возвратные отходы…………………………………………………………………...
6.2.3 Покупные комплектующие изделия, полуфабрикаты и услуги кооперирующихся
предприятий…………………………………………………………………………..
6.2.4 Основная заработная плата производственных рабочих…………………………..
6.2.5 Дополнительная заработная плата…………………………………………………..
6.2.6 Отчисление на социальные нужды………………………………………………….
6.2.7 Расходы на подготовку и освоение производства………………………………….
6.2.8 Расходы на износ инструмента и приспособлений целевого назначения и специ-
альные расходы………………………………………………………………………
6.2.9 Расходы на содержание и эксплуатацию оборудования…………………………...
6.2.10 Цеховые расходы……………………………………………………………………
6.2.11 Общезаводские расходы……………………………………………………………
6.2.12 Полная себестоимость………………………………………………………………
6.2.13 Оптовая цена изделия……………………………………………………………….
6.3 Расчёт эксплуатационных расходов…………………………………………………...
6.3.1 Стоимость обслуживания аппаратуры………………………………………………
6.3.2 Затраты на капитальный ремонт……………………………………………………..
6.3.3 Стоимость потребляемой электроэнергии…………………………………………..
6.3.4 Эксплуатационные расходы проектируемого устройства………………………….
6.4 Расчёт годового экономического эффекта…………………………………………….
6.5 Анализ технико-экономических показателей………………………………………….
6.6 Вопросы организации производства……………………………………………………
Глава 7. Мероприятия по охране труда………………………………………………………………
7.1 Безопасность жизнедеятельности………………………………………………….……
7.2 Анализ и выявление возможных опасностей и вредностей при изготовлении охран-
ного устройства………………………………………………………………………….
7.3 Расчёт искусственного освещения………………………………………………………
7.4 Противопожарные мероприятия…………………………………………………………
Литература………………………………………………………………………………..
1. Введение.
В связи с существующей проблемой преступности возникает необходимость охраны жилых, производственных, торговых, складских и других помещений. В настоящее время данная проблема решается специализированными ведомствами и охранными агенствами, специализирующимися на всевозможных видах охраны, в том числе и на охране помещений с помощью всевозможных технических средств. В государственной структуре существует ведомство, которое специализируется на технической охране помещений – Управление вневедомственной охраны МВД РФ.
Разработкой и внедрением технических средств, обеспечивающих охрану помещений, раньше занимались специализированные цеха на предприятиях оборонного комплекса. В настоящее время, в связи с тяжёлым финансированием и реорганизацией оборонного комплекса, многие цеха и предприятия, занимавшиеся выпуском продукции данного направления, или расформированы в связи с прекращением финансирования, или перепрофилированы на выпуск другой продукции. В связи с этим стали возникать малые предприятия и фирмы, специализирующиеся на разработке и выпуске данного вида продукции, использующие наработанный ранее материал государственных конструкторских бюро, а также технические решения зарубежных разработок, используя при этом как отечественную, так и импортную элементную базу высокой интеграции.
Вследствие специфичности данного рынка продукции, фирм, занимающихся вышеуказанным направлением деятельности очень немного, поэтому рынок данной продукции монополизирован этими фирмами и малыми предприятиями, вследствие чего они диктуют определённый уровень цен, который довольно велик для рядового пользователя. Если предприятия, фирмы и частные лица с достатком не ниже среднего могут себе позволить услуги вневедомственной охраны, то частным лицам с существенно меньшим достатком такие услуги практически недоступны, хотя необходимость в технической охране частного жилья периодически возникает практически у всех рядовых жильцов (отъезд в отпуск, на дачу, командировка, нахождение на лечении и т.п.).
Поэтому, анализируя в радиотехнической прессе простые технические решения и разработки и применяя современную несложную элементную базу (несложную – имеется в виду, что без применения заказных БИС, микроконтроллеров и микропроцессорных комплектов) можно спроектировать и наладить производство (даже небольшими партиями на базе малого предприятия) несложного цифрового блока – узла контроля охранных датчиков, совмещённого со схемой кнопочного телефона-трубки, с минимальным набором функций, достаточными для обеспечения охраны любых помещений небольшой площади. Данный проект позволяет внедрить в производство прибор, максимально упрощенный функционально и аппаратно, вполне доступный по цене широкому кругу потребителей.
1.1 Обзор литературы.
В периодических научно-популярных изданиях, а также в многочисленной радиолюбительской литературе периодически освещаются вопросы технической охраны квартир, офисов, складов и многих других жизненно важных объектов. В то же время выбор подходящей системы охраны ограничен. Многие системы охраны имеют свои плюсы и минусы. Из числа известных отечественных устройств чаще всего применяются два варианта: милицейская телефонная пультовая система и система типа «датчик + сирена + потайной выключатель». Первая из них непригодна для спаренного телефона, и кроме того, она конфликтует с автоответчиками и факсами. Недостаток второй системы очевиден – опытный злоумышленник может легко расшифровать алгоритм её работы.
Например, в журнале «Радио» №2 за 1995 год описывается телефонная охранная система «Страж-2», предназначенная для охраны и контроля телефонизированных объектов. Главные преимущества устройства – небольшие массогабариты, универсальное питание, неплохая функциональность. Но есть и недостатки, главный из которых – использование заказной СБИС, представляющей собой микропроцессор с масочным ПЗУ, что значительно удорожает конструкцию прибора.
Можно обратиться к официальным поставщикам охранного оборудования для служб вневедомственной охраны, например научно-техническая фирма «C.NORD» предлагает в своём официальном каталоге многочисленное оборудование для охраны, взаимодействующее в основном с центральным пультом отделения вневедомственной охраны. Есть в каталоге фирмы и универсальное устройство – DLR-100, работающее как на пульт, так и оповещающее выбранного абонента по телефонной линии и радиоканалу. Данное устройство очень универсально, имеет множество пользовательских функций, различных вариантов работы, зарезервировано по питанию, но также не лишено недостатков. Ввиду очень большой функциональности, реализованной на сложной импортной элементной базе вырисовываются следующие недостатки – избыточная усложнённость, необязательная для частого и кратковременного применения, а также, в связи с этим же – довольно большие для данного вида устройства массогабариты и энергопотребление и, соответственно, высокая цена изделия.
Также ещё в некоторых справочниках и изданиях для радиолюбителей (А.И.Кизлюк. Справочник по устройству и ремонту телефонных аппаратов. М: «Антелком», 1998; И.Н.Балахничев, А.В.Дрик. Практическая телефония. М: «ДМК», 1999 и др.) предлагается реализовать режим охраны помещений используя приставки автоматического определения номера, но и в данном предложении есть свои недостатки – не все версии АОНов это позволяют и не все АТС оборудованы автоматическим определением номера.
Таким образом, рассмотренные литературные источники позволяют сделать вывод, что описанные охранные устройства ввиду большого набора функций и используемой сложной элементной базы имеют высокую стоимость, что является причиной их ограниченного использования рядовым потребителем.
Проектируемое устройство свободно от изложенных выше недостатков, так как в нём использована несложная и недорогая элементная база, сокращён набор дополнительных функций, что существенно не оказывает влияния на его потребительские свойства.
2. Выбор и обоснование принципиального решения.
2.1. Краткий обзор существующих схемотехнологий, применяемых в интегральных схемах.
Рассмотрим наиболее распространенные схемотехнологии применяемые в интегральных схемах:
1. Транзисторно-транзисторная логика (ТТЛ).
2. Эмиттерно-связанная логика (ЭСЛ).
3. Логика, построенная на основе структуры метал-диэлетрик-полупроводник с п-каналом (пМДП).
4. Логика, построенная на основе структуры метал-диэлетрик-полупроводник с транзисторами разной проводимости (КМДП).
2.1.1. ТЕХНОЛОГИЯ ТТЛ.
Технология ТТЛ основана на биполярных структурах. Базовый элемент ТТЛ представляет собой схему, содержащую один многоэмиттерный транзистор и один обычный (см. рис. 2.1), это логическая схема И-НЕ (функцию И выполняет транзистор VT1, а функцию инверсии выполняет транзистор VT2).
![]() |
Рис. 2.1. Базовый элемент ТТЛ.
Подобная схема обладает низкой помехоустойчивостью и низким быстродействием, быстродействие можно увеличить, используя сложный инвертор, который позволяет сократить время включения (переход из логического «0» в логическую «1»); но время выключения (переход из логической «1» в логический «0») сократить, не удается.
![]() |
Более высокое быстродействие позволяют получить схемы субсемейства ТТЛШ (транзисторно-транзисторная логика с использованием транзисторов с барьером Шотки; см. рисунок 2.2). В таких схемах барьер Шотки создает нелинейную обратную связь в транзисторе, в результате транзисторы не входят в режим насыщения, хотя и близки к этому режиму. Следовательно, практически исключается время рассасывания, что позволяет существенно увеличить быстродействие.
Рис. 2.2. Транзистор Шотки.
2.1.2. ТЕХНОЛОГИЯ ЭСЛ.
Технология ЭСЛ является так же, как и технология ТТЛ, биполярной,
т.е. элементы строятся с использованием биполярных структур. Основой элементов ЭСЛ является так называемый «переключатель тока», на основе которого строится базовый элемент этой технологии - ИЛИ- -НЕ (см. рис.2.3); по выходу1 данной схемы реализуется логическая функция ИЛИ-НЕ, а по выходу2 - ИЛИ.
![]() |
Рис. 2.3. Базовый элемент ЭСЛ.
Из-за низкого входного сопротивления схемы ЭСЛ обладают высоким быстродействием и работают преимущественно в активном режиме, следовательно, помеха попавшая на вход усиливается. Для повышения помехоустойчивости шину коллекторного питания делают очень толстой и соединяют с общей шиной.
По сравнению со схемами ТТЛ схемы ЭСЛ обладают более высоким быстродействием, но помехоустойчивость у них гораздо ниже. Схемы ЭСЛ занимают большую площадь на кристалле, потребляют большую мощность в статическом состоянии, так как выходные транзисторы открыты и через них протекает большой ток. Схемы, построенные по данной технологии не совместимы со схемами, построенными по другим технологиям, использующим источники положительного напряжения.
2.1.3. ТЕХНОЛОГИЯ пМДП.
В отличие от технологий, рассмотренных выше, технология пМДП основана на МДП - структурах, которые обеспечивают следующие преимущества по сравнению с биполярными:
1. Входная цепь (цепь затвора) в статическом режиме практически не потребляет тока (высокое входное сопротивление);
2. Простая технология производства и меньшая занимаемая площадь на кристалле.
Основными логическими схемами изготавливаемыми на основе пМДП являются схема ИЛИ-НЕ и И-НЕ (см. рис. 2.4 и рис. 2.5).
![]() |
Рис. 2.4. Схема ИЛИ-НЕ.
![]() |
Рис. 2.5. Схема И-НЕ.
К недостаткам этих схем можно отнести невысокое быстродействие, по сравнению со схемами ТТЛШ и ЭСЛ. Но в настоящее время благодаря применению новых технологий (окисная изоляция, использование поликремневых затворов, технология «кремний на сапфире») создаются быстродействующие МДП структуры.
2.1.4. ТЕХНОЛОГИЯ КМДП.
Следующим шагом развития МДП технологии стало использование комплементарных МДП транзисторов, т.е. транзисторов с разным типом проводимости, причем основными являются транзисторы п-типа; а транзисторы р-типа используются в качестве динамической нагрузки.
Использование КМДП-схем по сравнению со схемами пМДП позволяет снизить потребляемую мощность, повысить быстродействие и помехоустойчивость, однако это достигается за счет увеличения площади занимаемой на кристалле и усложнения технологии производства.
Базовыми элементами КМДП-схем являются, как и для пМДП, логические элементы ИЛИ-НЕ и И-НЕ (см рис. 2.6 и 2.7).
![]() |
Рис. 2.6. Схема ИЛИ-НЕ.
![]() |
|
Рис. 2.7. Схема И-НЕ.
К особенностям интегральных схем, построенных по технологии КМДП можно отнести следующее:
1. Чувствительность к статическому электричеству (для защиты в буферные каскады ставятся диоды);
Тиристорный эффект (в КМДП структурах образуются паразитные биполярные, подобные тиристору, структуры между шинами питания). При включении питания тиристор включается и замыкает шину «+» на общую шину (для защиты используется окисная изоляция).
2.2. Выбор и обоснование логических элементов устройства.
Для функционирования блоков управления и коммутации необходимы цифровые ИМС малой и средней степени интеграции.
ИМС логики структуры ТТЛ являются наиболее разработанной и массовой серией и обладают наиболее широким спектром применения для проектирования цифровых устройств (серии К155, 555, 532, 1533).
Микросхемы серии ЭСЛ (К500, К1000 и т.д.) являются наиболее перспективной серией, поскольку обладают самым высоким быстродействием.
Логические элементы структуры КМДП (серии К176, К561 и т.д.) имеют меньшее быстродействие и нагрузочную способность по сравнению с ТТЛ и ЭСЛ, однако ИМС этой серии обладают двумя очень важными достоинствами перед ТТЛ и ЭСЛ:
- ничтожная потребляемая мощность в статическом режиме (Рпот.=10-6Вт);
- очень высокая помехоустойчивость к наводкам по сети питания и помехам в сигнальной цепи (допустимый уровень помех – до 30% напряжения питания).
Поэтому мы выбираем ИМС структуры КМДП серий К176 и К561.
2.3. Выбор и обоснование аналоговых ЭРЭ.
Аналоговые элементы – транзисторные ключи, диоды и стабилитроны – выбираем конкретно для каждого узла при детальном проектировании функциональных узлов. Ввиду того, что планируемое энергопотребление проектируемого устройства невелико, а массогабаритные показатели ограничены размерами телефона-трубки, выберем аналоговые элементы, имеющие наиболее малые размеры, но обладающие достаточным запасом по мощности для данного устройства.
В качестве аналоговых микросхем применяемых в устройстве используем широко распространённые универсальные микросхемы для телефонных аппаратов отечественного производства :
- в качестве импульсного номеронабирателя – КР1008ВЖ10;
- в качестве вызывного устройства – КР1064ПП1.
2.4. Выбор и обоснование пассивных элементов.
При выборе пассивных элементов электрической цепи: резисторов, конденсаторов и так далее, будем руководствоваться, в основном, принципом максимальной миниатюризации, так как для проектируемого устройства не требуется резервирования по мощности пассивных элементов, ввиду очень небольших токов и напряжений в схеме.
2.5. Схемотехнические требования при разработке принципиальной схемы.
Для обеспечения комплексной надежности устройства необходимо стремиться к уменьшению:
- количества ЭРЭ и электрических связей;
- коэффициента нагрузки активных элементов.
3. Построение функциональной схемы блока оповещения.
Функциональная схема блока оповещения состоит из следующих основных узлов:
- узел датчика, представляющий собой RS-триггер;
- узел счёта и выбора выходных сигналов, выделяемых микросхемой-счётчиком секундных и минутных импульсов (сигнал включения ключа поднятия трубки, сигнал имитации нажатия клавиши «повтор», сигнал звукового оповещения);
- электронные ключи поднятия трубки и нажатия клавиши «повтор» на биполярных транзисторах, управляемые соответствующими сигналами узла счёта и выбора выходных сигналов;
- стандартная схема телефона трубки на интегральной микросхеме номеронабирателя с выходом импульсного ключа с открытым стоком и микросхеме вызывного узла с выходом на пьезоэлектрический излучатель.
Также в состав схемы телефона трубки входит наборное поле телефонной клавиатуры и микрофон с динамическим излучателем.
4. Разработка принципиальной схемы и электрический расчёт.
4.1. Выбор элементной базы охранного устройства.
Для построения электрической принципиальной схемы охранного устройства необходимо выбрать элементную базу. Как указывалось выше, логические элементы устройства решено взять на основе ИМС структуры КМДП серий К176 и К561.
Узел датчика (RS-триггер) выполним на логических элементах ИМС К561ЛЕ5.
В качестве основной ИМС узла счёта и выбора выходных сигналов возьмём ИМС для построения электронных часов К176ИЕ18, ввиду очень удобного использования для задания временных интервалов счётчика минутных и секундных импульсов. Данная микросхема также имеет выходы звуковых сигналов, которые удобно использовать для оповещения абонента по телефонной линии.
Также, для задания выбранных временных интервалов подсчёта количества дозвонов до абонента и интервалов между дозвонами, выбираем в качестве десятичного счётчика-делителя ИМС К561ИЕ8.
Как указывалось выше, в качестве аналоговых микросхем телефона-трубки выбираем ИМС отечественного производства – импульсный номеронабиратель КР1008ВЖ10 и вызывное устройство на КР1064ПП1.
В качестве ключевых элементов выбираем транзисторы КТ502Е и КТ503Е, очень хорошо зарекомендовавшие себя в схемах телефонов.
Пассивные элементы в данном устройстве не требуют повышенной точности номиналов, поэтому резисторы и конденсаторы выбираем исходя из стандартного ряда.
Полупроводниковые диоды выбираем КД102Б, как наиболее подходящие по размерам и электрическим параметрам.
4.2. Справочные данные.
4.2.1. Микросхема К176ИЕ18.
ИМС К176ИЕ18 предназначена для использования в электронных часах. В её состав входят кварцевый генератор с внешним кварцевым резонатором на частоту 32768 Гц и два делителя частоты: СТ2 на 32768 и СТ60 на 60. При подключении к микросхеме кварцевого резонатора, она обеспечивает получение частот 32768, 1024, 128, 2, 1, 1/60 Гц. Импульсы с частотой 128 Гц формируются на выходах микросхемы Т1-Т4 с открытым стоком (выходной ток по выходам – 12 мА), их скважность равна 32/7 (для обеспечения надёжного запирания вакуумных люминесцентных индикаторов по их сеткам), сдвинуты они между собой на четверть периода. Эти импульсы предназначены для коммутации знакомест индикатора часов при динамической индикации. Импульсы с частотой 1/60 Гц подаются на счётчик минут, импульсы с частотой 1 Гц могут использоваться для подачи на счётчик секунд. Частота 1024 Гц предназначена для звукового сигнала будильника и для опроса разрядов счётчиков при динамической индикации. Вход Q микросхемы используется для изменения яркости индикатора, при подаче на него логической 1 можно в 3,5 раза увеличить скважность импульсов на выходах Т1-Т4 и во столько же раз уменьшить яркость свечения индикатора. Также в микросхеме имеется специальный формирователь звукового сигнала. При подаче импульса положительной полярности на вход HS, на выходе HS появляются пачки импульсов отрицательной полярности с частотой 2048 Гц и скважностью 2. Длительность пачек – 0,5 с, период повторения – 1 с. Выход HS выполнен с открытым стоком. Сигнал присутствует на выходе HS до окончания очередного минутного импульса на выходе M микросхемы.
Напряжение питания микросхемы – от 3 до 15 В.
![]()
![]()
![]()
![]()
|
![]()
![]()
![]()
![]()
![]()
![]()
![]()
![]()
![]()
![]()
![]()
![]()
![]()
![]()
![]()
![]()
![]()
![]()
![]()
![]()
![]()
![]()
R1 22M
R2 510 к
![]()
![]()
![]()
![]()
Z1 32768 Гц
![]()
![]()
![]()
![]()
![]()
![]()
![]()
![]()
![]()
![]()
![]()
![]()
С1 С2 С3
![]()
![]()
3…15 36
4…20
Рис. 4.1. Типовая схема включения микросхемы К176ИЕ18.
Назначение выводов микросхемы :
1
- T3
2 - T2 выходы 128 Гц;
3 - T1
4 - S1 - выход секундных импульсов 1 Гц;
5 - R - вход (запуск) счётчика, сброс данных в ноль;
6 - S2 - выход 2 Гц;
7
- HS - выход формирователя звукового
сигнала 2048 Гц;
8 - GND - земляной вывод;
9 - HS - вход запуска формирователя звукового сигнала;
10 - M - выход минутных импульсов 1/60 Гц;
11
- F
- выход опроса разрядов счётчиков 1024 Гц;
12
- Z выводы генератора для
подключения
13 - Z внешнего кварцевого резонатора;
14 - Q - вход регулировки яркости свечения индикатора;
15 - T4 - выход 128 Гц;
16 - Ucc - напряжение питания.
4.2.2. Микросхема К561ИЕ8.
ИМС является десятичным счётчиком с дешифратором. Микросхема имеет три входа – вход установки исходного состояния R, вход для подачи счётных импульсов отрицательной полярности CN и вход для подачи счётных импульсов положительной полярности CP. Также она имеет десять дешифрированных выходов 0…9. Внутренняя схема содержит пятикаскадный счётчик Джонсона и дешифратор, который преобразует двоичный код в сигнал, появляющийся последовательно на каждом выходе счётчика. Счётчик имеет выход переноса P. Положительный фронт выходного сигнала переноса появляется через десять периодов тактовой последовательности и используется поэтому как тактовый сигнал для счётчика следующей декады.
Максимальная тактовая частота – 2 МГц.
Длительность импульса запрета счёта
300 нс.
Длительность тактового импульса
250 нс.
Длительность импульса сброса
275 нс
( вид сверху )
.
Рис. 4.2. Цоколёвка корпуса К561ИЕ8 (пластмассовый корпус типа 2104.16-4).
Таблица истинности микросхемы К561ИЕ8 :
Логические уровни входных сигналов |
действие |
|||||||||||
R |
CN |
CP |
||||||||||
10 0 0 0 0 0 |
X
1 0 X
|
X
X 1
0 |
0=B P=B 1/9=H Счёт Счёт Нет счёта Нет счёта Нет счёта Нет счёта |
|||||||||
4.2.3. Микросхема К561ЛЕ5.
ИМС К561ЛЕ5 представляет собой четыре логических элемента 2ИЛИ-НЕ объединённых в одном корпусе.
Рис. 4.3. Цоколёвка корпуса К561ЛЕ5 (пластмассовый корпус 201.14-1).
4.2.4. Импульсный номеронабиратель 1008ВЖ10.
1008ВЖ10 – электронный номеронабиратель с импульсным набором номера (аналог микросхемы KS5851 фирмы SAMSUNG). Служит для преобразования нажатия кнопки клавиатуры в последовательность токовых импульсов. Входные данные вводятся с клавиатуры, представляющей собой матрицу кнопок (клавиш) 3x4. Программирование паузы (единичная пауза равна 1,6 мс) можно производить после каждой набранной цифры нажатием клавиши [ * ].
Стабилизатор напряжения включается при замыкании вывода 2 на «землю» (вывод 6). Предназначена для применения в кнопочных телефонных аппаратах с расширенными функциональными возможностями.
Микросхема выполнена по КМОП-технологии.
Особенности микросхемы:
- внутреннее ОЗУ рассчитано на 32 цифры;
- повтор последнего набранного номера с помощью клавиши [ # ];
- программирование паузы с помощью клавиши [ * ];
- встроенный стабилизатор напряжения питания;
- имеет помехозащищённые входы для клавиатуры;
- выходы с открытым стоком.
Электрические параметры :
| Напряжение питания в статическом режиме, В | 1,5 |
| Частота генератора, кГц | 2,4 |
| Импульсный коэффициент (отношение длит. импульса к длит. паузы ) | 3:2 / 2:1 |
| Длительность удержания клавиши для уверенного ввода значения цифры, мс | 20 |
| Время восстановления выхода MUTE после завершения формирования последней цифры, мс | 5 |
| Частота импульсов внутри кодовой посылки, Гц |
10 или 20 |
| Длительность нажатия «рычага», необходимая для сброса регистра адресации памяти, мс | 300 |
| Длительность времени «антидребезга», мс | 14 |
| Длительность межцифровой паузы, мс | 800 или 400 |
Предельно допустимые значения параметров и режимов :
Параметр |
Символ | Значение | Единица измерен. | |
| ³ | £ | |||
| Напряжение питания |
Ucc |
2,0 | 6,0 | В |
| Максимальный ток потребления |
Icc |
- | 150 | мкА |
| Максимальный ток потребления в статическом режиме |
Icc |
- | 1 | мкА |
| Максимально допустимое сопротивление контакта клавиатуры в замкнутом сост. |
Ron |
- | 1 | КОм |
(Вид сверху)
![]()
![]()
![]()
![]()
1 18
![]()
2 17
3 16
![]()
4 15
![]()
5 1008ВЖ10
14
![]()
6 13
![]()
7 12
![]()
8 11
![]()
9
10
Рис. 4.4. Цоколёвка корпуса 1008ВЖ10 (пластмассовый корпус типа 2104.18-10).
Назначение выводов микросхемы :
1 - Ucc - напряжение питания ;
2
![]()
- Uref
- вход схемы ограничения ;
3
- COL1
4
- COL2
- клавиатурные входы (столбцы);
5 - COL3
6 - GND - земля ;
7
- RD
8 - C - выводы для подключения RC-цепи генератора;
9 - RC
10 - PPS - выбор частоты импульсов кодовой посылки;
11
- M/B - выбор отношения импульс/пауза;
12
![]()
- MUTE -
выход разговорного ключа;
13
![]()
- ROW4
14 - ROW3 - клавиатурные входы (строки);
15
- ROW2
16
![]()
- ROW1
17
- HS - вход от
«рычажного переключателя» (положение трубки);
18
- DP - выход
импульсного ключа.
![]()
![]()
![]()
![]()
![]()
![]()
![]()
![]()
![]()
![]()
![]()
![]()
![]()
![]()
![]()
![]()
![]()
|
|
|
![]() |
|
|
![]()
![]()
14 12
15
16 18
3
4 18
5
17
![]()
![]()
11 2
|
![]()
![]()
![]()
![]()
![]()
10 6
![]()
![]()
7 8 9
4.2.5. Микросхема КР1064ПП1.
В настоящее время АО «Светлана» в г.С.-Петербурге выпускает специализированную микросхему вызывного устройства КР1064ПП1 (зарубежный аналог – L3240 фирмы «SGS-THOMSON»). Микросхема генерирует сигнал с двумя периодически переключающимися частотами (с соотношением 1,38) и непосредственно управляет пьезоэлектрическим излучателем. Встроенный гистерезис блокирует возможность ошибочного запуска от помех в линии и импульсов номеронабирателя.
Напряжение включения ИС – в пределах 12,1÷13,1 В.
Напряжение выключения - 7,9÷8,9 В.
Ток вызова без присоединённой нагрузки Iсс
1,8 мА.
Амплитуда выходного напряжения Uвых.= (Ucc- 5) В.
![]() |
Рис. 4.6. Структурная схема ИС КР1064ПП1.
Назначение выводов ИС КР1064ПП1 :
| Вывод ИС | Обозначение | Назначение выводов ИС |
|
1 2 3 4 5 6 7 8 |
LN1 0V C R UOT1 OUT2 U LN2 |
Вход напряжения переменного тока. Общий вывод. Вывод подключения конденсатора, управляющего переключениями частот, fпер.= 750/С (нФ). Вывод подключения резистора, управляющего тоном звуковой частоты, f1=3,56x104/R(кОм); f2=f1/1,38. Выход напряжения звуковой частоты. Инверсный выход напряжения звуковой частоты. Напряжение питания. (Ucc< 32 В). Вход напряжения переменного тока. |

Рис.4.7. Схема включения ИС ВУ КР1064ПП1.
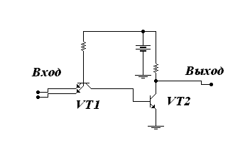
4.3. Описание работы электрической схемы охранного устройства с автодозвоном по телефонной линии.
В состав схемы входят:
- узел датчика на элементах DD1, R1, R2, C1;
- узел счёта и выбора выходных сигналов (сигнал включения ключа поднятия трубки, сигнал имитации нажатия клавиши «Повтор», сигнал звукового оповещения), собранный на элементах DD3, DD4, DD5, DD2, ключах поднятия трубки VT2, VT3, ключе нажатия клавиши «Повтор» - на VT1;
- стандартная схема телефона-трубки на ИС номеронабирателя с выходом импульсного ключа с открытым стоком (типа 1008ВЖ10) и ИС вызывного узла на микросхеме КР1064ПП1 (элементы DA1, C2, C3, C6, R3, R4, BQ1).
Телефонная часть схемы особенностей не имеет, принцип работы такой схемы на базе микросхемы - импульсного номеронабирателя достаточно широко рассмотрен в популярной справочной радиотехнической литературе, например, в [ 4 ]. Рассмотрим работу узла датчика, счёта и ключей.
Если переключатель SA1 не включён, к телефонной линии подключена схема телефона-трубки, при этом охранное устройство работает в обычном режиме телефона-трубки (принимает вызовы, осуществляет набор номера и т.п.).
При нажатии на кнопку SA1 напряжение питания подаётся на схему, в результате чего происходит зарядка конденсатора С1 (время, необходимое для выхода из охраняемого помещения), и элемент DD1.4 переводит RS-триггер в состояние ожидания (на выходе DD1.1 присутствует логический «0», датчик охраны – нормально замкнутый). При срабатывании датчика (размыкании) на выходе DD1.1 появляется логическая «1», что приводит к запуску схемы счёта на ИС DD2. С выхода 4 DD2 секундные импульсы подаются на тактовый вход DD4, что приводит к появлению на соответствующих выходах DD4 логической «1», которая через RS-триггер на DD5 управляет ключом поднятия трубки на R14, R13, VT2, VT3, а также через ключ R15, VT1 имитирует нажатие клавиши «повтор» телефонной части устройства. При появлении логической «1» на выводе 11 DD4 разрешается подача звукового сигнала с выхода 7 DD2 через C8 на базу VT5 и далее в телефонную линию.
Минутные импульсы, снимаемые с выхода 10 DD2, необходимы для организации цикла работы охранного устройства и через DD5.1, DD5.2 подаются на вход 15 DD4 (для сброса счётчика DD4 и, соответственно, ключей), а также поступают на счётный вход DD3 (для организации подсчёта количества дозвонов до абонента).
После отработки заданного счётчиком DD3 числа дозвонов до абонента (в нашем случае – шесть), через элемент DD1.4 схема приводится в исходное состояние и переходит в режим ожидания.
Практически, для активизации охранного устройства необходимо сделать следующее:
- проложить охранный шлейф от устройства до датчика (микропереключатель или геркон в двери, окнах и т.п.);
- при не включённом переключателе SA1 функции телефона остаются неизменными;
- при необходимости поставить помещение под охрану - набрать номер и дозвониться до выбранного абонента (всё это без включения SA1);
- после чего нажать режим «охрана» переключателем SA1 и в течение 30 секунд выйти из квартиры (замкнуть датчик охраны).
Информация о набранном номере удерживается в памяти 1008ВЖ10 до тех пор, пока на входе устройства – 60 В от реальной телефонной линии. В случае кратковременного разрыва охранного шлейфа (размыкания датчика) устройство автоматически «снимает трубку», шесть раз с интервалом в одну минуту дозванивается до заранее записанного в память номера и подаёт характерный сигнал тревоги.
Главным достоинством схемного решения разрабатываемого устройства является то, что питание схемы осуществляется от напряжения телефонной линии, в связи с очень малым энергопотреблением применённых микросхем, выполненных по КМДП-технологии. Учитывая, что наличие питающего напряжения в современных телефонных линиях очень высока, можно обойтись и без резервирования питания устройства охраны, что в значительной степени удешевляет конструкцию прибора. Кроме того, резервирование питания устройства приводит (при срабатывании системы резервирования) к меньшей помехозащищённости схемы и повышению вероятности ложного срабатывания охранного устройства. В этом отношении разрабатываемое устройство свободно от перечисленных недостатков.
Схема охранного устройства по своим характеристикам соответствует ГОСТ 7153-85 – «Аппараты телефонные общего применения. Технические условия» и может применяться в качестве индивидуального охранного устройства для помещений.
4.4. Расчёт элементов принципиальной схемы.
Электрический расчёт электронного ключа.
Аналоговые ключи предназначены для коммутации аналоговых сигналов от источника на нагрузку с малыми искажениями. Они широко применяются в ЦАП, АЦП, устройствах выборки и запоминания сигналов, для коммутации аналоговых сигналов источников на общую нагрузку и для других целей. Аналоговые ключи могут коммутировать ток и напряжение. В нашем случае необходим коммутатор напряжения.
В цепи для коммутации напряжения нагрузка должна иметь достаточно высокое сопротивление по сравнению с выходным сопротивлением источника сигнала. Реальные аналоговые ключи вносят погрешность при передаче сигнала от источника в нагрузку. Основными параметрами ключа, определяющими величину погрешности, являются: остаточное напряжение на замкнутом ключе, остаточный ток разомкнутого ключа и конечное время переключения. Основной задачей проектирования аналоговых ключей является минимизация перечисленных параметров, и тем самым уменьшение погрешности, вносимой ключами при коммутации сигнала.
Рис. 4.9. Транзисторный ключ с гальванической цепью управления.
Источником питания
аналогового ключа служит коммутируемое напряжение Uвх, значение которого может изменяться в широких пределах и
достигать весьма малых значений (десятков милливольт). При подаче
отрицательного управляющего нарпяжения Uупр< 0 транзистор закрывается, через резистор Rк будет протекать тепловой ток коллектора и напряжение
между коллектором и эмиттером Uкэ = Uвх – Iк0
Rк
Uвх. Пусть под действием отпирающего напряжения Uупр > 0 в базовой цепи проходит ток Iб. Для всех значений коллекторного тока Iк<< β Iб(Iк= Uвх/Rк , β – коэффициент передачи
базового тока) транзистор будет насыщен и напряжение Uкэ очень мало. В режиме насыщения коллекторный и эмиттерный
переходы открыты, выходное напряжение Uкэ = Uбэ- Uбк. При глубоком насыщении транзистора (Iб β/ Iк > 3…4)
остаточное напряжение на замкнутом ключе
Uкэ
φт/βI+Iб rэн ,
где βI – коэффициент передачи базового тока
при инверсном включении транзистора; φт – тепловой потенциал, пропорциональный
абсолютной температуре (при 300 К φт
26
мВ); rэн – объёмное сопротивление области
эмиттера насыщенного транзистора.
Выходное сопротивление насыщенного транзистора (сопротивление замкнутого ключа) Rвых обычно составляет единицы и десятки Ом и может быть определено по формуле
Rвых
,
где rкн - объёмное сопротивление области коллектора, насыщенного транзистора.
Рассмотрим влияние цепи управления на свойства ключа. Состояние его определяется уровнем управляющего напряжения Uупр и значением сопротивления Rб. Стоит отметить, что схема может коммутировать как положительное, так и отрицательное напряжение Uвх. При отрицательном управляющем напряжении Uупр' транзистор должен быть заперт (Uбк< 0, Uбэ < 0) и напряжение Uвых= 0. Если на входе действует положительное напряжение Uупр'', транзистор будет насыщен, а напряжение Uвых= Uвх . В насыщенном режиме в схеме установятся следующие токи: Iб = (Uупр'' – Uбэ – Uвх) / Rб , Iн = Uвых / Rн .
Исходя из приведённых формул рассчитаем Rб :
Rб = (Uупр'' – Uбэ – Uвх) / Iб
Rб = ( 3 - 0,6 – 0,4) / 0,00002 = 100 кОм.
5. Конструкторско-технологическая часть.
5.1. Разработка конструкции устройства.
Печатная плата охранного устройства является основным элементом при проектировании РЭА. Она объединяет печатные узлы и другие элементы. Разработку конструкции печатной платы можно производить исходя из базовых несущих конструкций, то есть исходя из размеров корпуса стандартного кнопочного телефона-трубки, величина которых, независимо от производителя, отличается незначительно, в зависимости от образцов. Это позволяет повысить коэффициент заполнения объема, уменьшить массу и габаритные размеры изделия. Таким образом, применяем пластмассовый корпус телефона-трубки, производством которых занимаются многие отечественные цеха по выпуску пластмассовой продукции.
Для пайки применяют припой ПОС – 61.
Габаритные размеры печатной платы в длину и ширину соответственно: 150 мм и 60 мм.
Высота определяется высотой установки применяемых радиоэлементов на печатной плате и составляет 15 мм.
5.2. Выбор и определение типа платы, ее технологии изготовления, класса точности, габаритных размеров, материала, толщины, шага координатной сетки.
По конструкции печатные платы с жестким и гибким основанием делятся на типы:
- односторонние;
- двусторонние;
- многослойные.
Для данного изделия достаточно использовать одностороннюю печатную плату с металлизированными монтажными и переходными отверстиями. ОПП с металлизированными отверстиями характеризуются высокими коммутационными свойствами и повышенной прочностью соединения вывода навесного элемента с проводящим рисунком платы.
Для изготовления печатной платы в соответствии с ОСТ 4.010.022 и исходя из особенностей производства выбираем комбинированный позитивный метод.
В соответствии с ГОСТ 2.3751-86 для данного изделия необходимо выбрать четвертый класс точности печатной платы.
Габаритные размеры печатных плат должны соответствовать ГОСТ 10317-79. Для ОПП максимальные размеры могут быть 600 х 600 мм. Габаритные размеры данной печатной платы удовлетворяют требованиям данного ГОСТа.
В соответствии с требованиями ОСТ 4.077.000 выбираем материал для платы на основании стеклоткани – стеклотекстолит СФ-2-50-2 ГОСТ 10316-78. Толщина 2 мм.
В соответствии с ГОСТ 24140-78 и исходя из особенностей схемы, выбираем шаг координатной сетки 1,25 мм.
Способ получения рисунка – фотохимический.
6. Номинальное значение диаметров монтажных отверстий:
а) для микросхем
dэ=0,5 мм d=0,9 мм
б) для резисторов
dэ=0,5 мм d=0,9 мм
в) для диодов и стабилитронов
dэ=0,5 мм d=0,9 мм
г) для транзисторов
dэ=0,5 мм d=0,9 мм
д) для конденсаторов
dэ=0,5 мм d=0,9 мм
е) для разъема
dэ=1 мм d=1,4 мм
Значения диаметров сводятся к предпочтительному ряду размеров монтажных отверстий:
0,7; 0,9; 1,1; 1,3; 1,5 мм.
Номинальное значение диаметров монтажных отверстий для разъема: d=1,5 мм.
5.3. Расчёт показателей надёжности охранного устройства.
Расчёт надёжности разрабатываемого устройства произведён на IBM-совместимом компьютере на кафедре Радиотехники СЗПИ с помощью Basic-программы для расчёта показателей надёжности радиоэлектронных средств при внезапных отказах их электрорадиоэлементов.
Ниже приводится листинг программы расчёта и распечатка расчётов программы.
5.4. Оценка вероятности ложного срабатывания устройства охранной сигнализации.
В общем случае вероятность ложного срабатывания определяется надёжностью всего устройства в целом, которая, по произведённым выше расчётам очень велика – 0,9983391. Поэтому, в большей степени вероятность ложного срабатывания будет зависеть от надёжности применяемых датчиков, а так как датчиков используется несколько (в зависимости от особенностей объекта), то общая вероятность ложного срабатывания будет определяться суммой надёжности применяемых датчиков.
В нашем случае предпочтительнее всего использовать герконовые датчики, состоящие из герметизированных магнитоуправляемых контактов, представляющих собой контактные ферромагнитные пружины, помещённые в герметичные стеклянные баллоны, заполненные инертным газом, азотом высокой чистоты или водородом. Контактные элементы являются одновременно элементами магнитной цепи. Под действием магнитного поля достаточной напряжённости ферромагнитные контактные пружины деформируются и замыкают или размыкают контакты. Достоинство магнитоуправляемых контактов – большая износоустойчивость и очень малое время срабатывания. В связи с высокой износоустойчивостью срок службы самих датчиков очень большой.
Поэтому вероятность ложного срабатывания устройства ничтожна, даже если используется несколько герконовых датчиков, надёжность которых в сумме очень велика.
6. Экономическое обоснование проекта.
6.1. Выбор базового варианта.
В качестве устройства-аналога для сравнения с проектируемым устройством выбираем объектовый прибор DLR-100, изготавливаемый НТКФ “C.NORD” г. Санкт-Петербурга. DLR-100 представляет собой коммуникатор для связи между контрольной панелью и центральной станцией и/или частным лицом. Объектовый прибор DLR-100 может передавать сообщения по телефонной линии и радиоканалу при комплектации радиопередатчиком. Он поддерживает все основные форматы передачи данных и позволяет передавать на центральную станцию широкий спектр сообщений
Его основные технико-экономические показатели :
- 4 номера для дозвона по частным телефонным номерам;
- 5 входных линий;
- программирование каждой линии как на размыкание, так и на замыкание;
- Масса 1,5 кГ;
- Габаритные размеры 300х250х100 мм;
- Потребляемая мощность 50 Вт;
- Оптовая цена 3080 руб.
6.2. Расчёт себестоимости. Определение оптовой цены.
Расчет себестоимости устройства можно осуществить с помощью расчетно-аналитического метода. Его сущность сводится к тому, что прямые затраты на единицу продукции определяются путем нормативного расчета себестоимости проектируемого устройства по статьям калькуляции. По существующей классификации затрат принят следующий состав статей калькуляции:
1. Сырье и материалы.
2. Возвратные отходы.
3. Покупные комплектующие изделия.
4. Основная заработная плата производственных рабочих.
5. Дополнительная заработная плата производственных рабочих.
6. Отчисления на социальные нужды с заработной платы производственных рабочих.
7. Расходы на подготовку и освоение производства.
8. Износ инструментов и приспособлений целевого назначения и социальные расходы.
9. Расходы на содержание и эксплуатацию оборудования.
10. Цеховые расходы.
11. Общезаводские расходы.
12. Прочие производственные расходы.
13. Внепроизводственные расходы.
6.2.1. Сырьё и материалы.
Эта статья включает в себя затраты на основные материалы, расходуемые в нашем случае на изготовление печатного узла.
Таблица расхода материалов в расчете на 1 печатную плату:
|
Наименование материалов |
Марка или типоразмер ГОСТ, ТУ |
Ед. Изм |
Норма расх. на 1 изд. | Цена на ед. измер. | Стоимость материалов, руб. |
|
Стеклотекстолит Припой Флюс Лак Спирт Хлористое железо |
СФ-2-50 ГОСТ 10316-78 ПОС-61 ГОСТ 21930-76 ФКС Н0064-63 УР-231 ТУ-6-10-863-76 Марки А ГОСТ 19299-71 ГОСТ 9640-75 |
Кг Кг Кг Кг Кг Кг |
0,08 0,01 0,002 0,011 0,013 0,02 |
62 153 51 23 32 10 |
4,96 1,53 0,102 0,253 0,416 0,2 |
Итого: 7,46
В калькуляцию включается стоимость материалов с учетом транспортно-заготовительных расходов. Получаем: 7,46 x 0,03 = 0,23 рубля.
Итого : 7,46 + 0,23 = 7,69 рублей.
6.2.2. Возвратные отходы.
Считаем, что они составляют 1% от стоимости материалов:
7,685 x 0,01 = 0,08 рублей.
6.2.3. Покупные комплектующие изделия, полуфабрикаты и услуги кооперирующихся предприятий.
Эта статья включает в себя затраты на приобретенные готовые изделия и полуфабрикаты.
Составим таблицу для расчета стоимости покупных комплектующих изделий:
| Наименование | Обозначение | Норма расхо-да на издел. | Цена за единицу, руб. |
Сумма на изделие, руб. |
|
1. Микросхема 2. Микросхема 3. Микросхема 4. Микросхема 5. Микросхема 6. Транзистор 7. Транзистор 8. Транзистор 9. Стабилитрон 10. Диод 11. Кварцевый резонатор 12. Микрофон электретный 13. Конденсатор 14. Конденсатор 15. Резистор 16. Излучатель пьезо-керамический |
КР1008ВЖ10 К176ИЕ18 К561ИЕ8 К561ЛЕ5 КР1064ПП1 КТ315И КТ502Е КТ503Е КС147А КД102Б РК-10/3 МКЭ-389-1 К50-35 КМ-5 ВС-0,125 ЗП-5 |
1 1 2 2 1 2 2 3 1 8 1 1 6 8 29 1 |
10 7,5 6 4 7 3 3,5 3,5 4 1 5 5 1 0,8 0,3 3 |
10 7,5 12 8 7 6 7 7 4 8 5 5 6 6,4 8,7 3 |
Итого: 110,6 рублей.
Транспортно-заготовительные расходы составляют 5% от общей стоимости комплектующих изделий:
110,6 x 0,05 = 5,53 рублей
Итого: 110,6 + 5,53 = 116,13.
6.2.4. Основная заработная плата производственных рабочих.
Эта статья включает в себя основную заработную плату как производственных рабочих, так и ИТР, и других категорий работников за работу, непосредственно связанную с изготовлением продукции.
Основная заработная плата определяется прямым путем по формуле:
З0=Зт+Зп, где :
Зт – заработная плата по тарифу
Зп – доплаты по сдельно- и повременно-премиальным системам (20%).
Зт=
,
где
![]()
- трудоёмкость i-ой операции (виды работ);
C1i - тарифная ставка первого разряда;
Knpi – тарифный коэффициент, соответствующий разряду работ по i-ой операции;
n - количество видов работ (операций).
Тарифная ставка для первого разряда:
C1i = 5,4 руб/час;
Тарифный коэффициент для третьего разряда:
Knpi = 1,33 ;
Тарифный коэффициент для четвёртого разряда:
Knpi = 1,5 .
Таблица заработной платы производственным рабочим:
| Наименование деталей (узлов) | Кол-во деталей | Наименование операций | Разряд работы | Норма времени | Часовая тарифн. ставка руб/час | Заработная плата, руб | |
| Деталь/час | Изделие/час | ||||||
|
Печатная плата Установочный набор ЭРЭ Печатный узел Изделие |
1 1 1 1 |
Сверление отверстий Травление Металлизация и трассировк Покрытие лаком Сборка Монтаж Электр.проверка Проверка Регулировк Контроль ОТК |
4 3 4 3 3 3 4 4 4 4 |
0,2 0,1 0,3 0,5 0,2 0,5 0,01 - - - |
0,8 0,2 0,6 1 0,8 1 0,02 0,05 0,5 0,8 |
8,1 7,18 8,1 7,18 7,18 7,18 8,1 8,1 8,1 8,1 |
6,48 1,44 4,86 7,18 5,74 7,18 0,16 0,41 4,05 6,48 |
Итого : 43,98 рублей.
6.2.5. Дополнительная заработная плата.
Зд = 0,2 x 43,98 = 8,8 руб.
В дополнительную заработную плату производственных рабочих входят выплаты за очередные и дополнительные отпуска, перерывы в работе кормящих матерей и т.д.
6.2.6. Отчисление на социальные нужды.
Отчисления на социальное страхование принимаются в размере 37,5 % от суммы основной и дополнительной заработной платы рабочих:
Зос = 0,375(Зо + Зд) = 0,375(43,98 + 8,8) = 19,8 руб.
6.2.7. Расходы на подготовку и освоение производства.
Расходы на освоение и подготовку производства рассчитываются в процентах от основной заработной платы производственных рабочих 40 ¸ 60 %.
Pn = 0,5 x 43,98 = 21,99 руб.
6.2.8. Расходы на износ инструмента и приспособлений целевого назначения и специальные расходы.
Для серийного производства, специализированного на выпуске данной продукции, эти расходы составляют 25 % от основной заработной платы производственных рабочих:
Pи = 0,25 x 43,98 = 10,1 руб.
6.2.9. Расходы на содержание и эксплуатацию оборудования.
Данные расходы составляют 40 % от основной заработной платы:
Рс = 0,4 x 43,98 = 17,6 руб.
6.2.10. Цеховые расходы.
Цеховые расходы принимаем равными 120 % от основной заработной платы: Рц = 1,2 x Зо = 1,2 x 43,98 = 52,78 руб.
6.2.11. Общезаводские расходы.
Общезаводские расходы принимаем равными 50 % от основной заработной платы: Роз = 0,5 x 43,98 = 21,99 руб.
6.2.12. Полная себестоимость.
Сп = Рм + Вотх + Си + Зо + Зд + Зос + Рп + Ри + Рс + Рц + Роз
Сп =7,69+116,13+0,08+43,98+8,8+19,8+21,99+10,1+17,6+52,78+21,99=320,94 руб.
6.2.13. Оптовая цена изделия.
Оптовая цена изделия, обеспечивающая возмещение издержек предприятия-изготовителя и получение прибыли не ниже отраслевой нормы по аналогичной продукции:
Цо = Сп (1 + П/100)
Где :
П – плановый процент прибыли (П=14%)
Цо = 320,94 (1 + 0,14) = 365,88 руб.
Плановая прибыль : Цп = Цо – Сп = 365,88 – 320,94 = 44,94 руб.
6.3. Расчёт эксплуатационных расходов.
Текущие расходы эксплуатации устройств радиоэлектронной аппаратуры:
- стоимость обслуживания аппаратуры;
- амортизационные отчисления;
- затраты на ремонт;
- стоимость потребляемой электроэнергии;
- прочие затраты.
6.3.1. Стоимость обслуживания аппаратуры.
Стоимость обслуживания аппаратуры вытекает из заработной платы обслуживающего персонала:
Сз
= ![]()
![]()
![]()
Где:
n – численность радиомехаников по нормам обслуживания;
Кз – коэффициент занятости персонала, обслуживающего данный прибор;
Fn – планируемый годовой фонд работы устройства;
Ти – часовая заработная плата радиомеханика;
Кс – коэффициент, учитывающий отчисления на социальные нужды;
Кп – коэффициент премиальных.
Сз = [1 x 0,1 x 2920 x 8,5 ( 1 + 0,39 )] = 3449,98
6.3.2. Затраты на капитальный ремонт.
Ск = ![]()
Где Фб – балансовая стоимость прибора,
Фб = Цо (1 + Кдм) Кдм = 0,1
Фб = 365,88 x 1,1 = 402,47 руб.
Нр – норма затрат на кап.ремонт, Нр = 1,8 %
Ск =
= 7,25 руб.
6.3.3. Стоимость потребляемой электроэнергии.
Так – как данный прибор питается от напряжения телефонной линии, то стоимость потребляемой электроэнергии не вычисляем, а учитываем только ежемесячную абонентскую плату за услуги городской телефонной станции :
Сэ = 12 x 50 = 600 руб.
6.3.4. Эксплуатационные расходы проектируемого устройства.
Цэпр = Сз + Ск + Сэ = 3449,98 + 7,25 + 600 = 4057,23 руб.
6.4. Расчёт годового экономического эффекта.
При расчёте показателей сравнительной экономической эффективности обеспечивается сопоставимость затрат и эффекта по сравниваемым вариантам в отношении следующих факторов:
- по значению и структуре полезного эффекта;
- по времени получения эффекта и внесении затрат;
- по ценам, принятым для выражения эффекта;
- по методам исчисления стоимостных показателей.
Требование тождественности народно-хозяйственного эффекта по проектному и базовому вариантам обеспечивается в случае, если по каждому из вариантов одинаковы:
Состав продукции (номенклатура видов продукции), получаемой при использовании рассматриваемых устройств;
- Годовой объем продукции;
- Качество продукции;
- Сроки получения продукции;
- Социальные факторы производства, включая условия труда, требования ТБ, а также влияние на окружающую среду.
При внедрении спроектированного устройства взамен устройства-аналога все эти показатели остаются неизменными. Наличие тождественности между ними сводит все различия между сопоставляемыми вариантами только к различию в затратах, обусловленных производством и эксплуатацией рассматриваемых изделий.
Спроектированное устройство отличается от устройства-аналога прежде всего простой схемотехникой, упрощением функциональности (оставлены только самые необходимые функции) и очень большой экономичностью (энергопотребление только от телефонной линии), что позволяет заменить одно устройство-аналог девятью спроектированными. Это приводит к экономии капитальных вложений потребителя и эксплуатационных расходов.
Показатель относительной экономии на капитальных вложениях:
,где КанКпр – капиталовложения по сравниваемым вариантам, руб. (в простейшем случае в качестве капитальных вложений потребителя выступают оптовые цены сопоставляемых изделий ЦапЦпр); λ – частный коэффициент приведения по универсальности (λ=1,4).
Показатель относительной экономии на эксплуатационных расходах:
,где Сан, Спр – эксплуатационные расходы по сравниваемым вариантам, [руб/год].
Ожидаемый при этом экономический эффект от внедрения устройства, если использовать соответствующие оптовые цены сопоставляемых устройств Цан и Цпр, составит:
где Апр – планируемый годовой выпуск спроектированного изделия.
6.5. Анализ технико-экономических показателей.
Технико-экономические показатели характеризуют качественно и количественно технический и экономический уровни разработанного устройства. Для объективной оценки приводится сравнение технико-экономических показателей спроектированного прибора и устройства-аналога.
Результаты анализа представлены в таблице :
| основные | ||
| показатели | аналог | проект |
| потребляемая мощность, Вт | 50 | 1 |
|
масса, кг габариты, мм |
1,5 300x250x100 |
0,3 230x70x45 |
| вероятность безотказной работы | 0,9 | 0,9983391 |
|
время наработки на отказ, ч оптовая цена, руб |
4000 3080 |
4812 366 |
|
количество проектируемых устройств-аналогов, шт эксплуатационные расходы, руб/год |
40482 |
9 4058 |
| эффективность от внедрения прибора, руб/год | 2714120 |
Внедрение в производство разработанного устройства дает значительный экономический эффект, составляющий около 2714120 руб в год. В эту сумму не включена экономическая эффективность от снижения стоимости продукции за счет более качественного контроля за технологическим процессом.
6.6. Вопросы организации производства.
В качестве одного из вопросов организации производства произведём расчёт необходимого количества рабочих на выпуск продукции.
Расчёт произведём по формуле:
где
-
суммарная трудоёмкость работ по одному изделию, нормо/часов;
Апр - годовой объём выпуска;
Ф - эффективный фонд времени одного рабочего, час.
![]()
Производственный процесс на предприятиях радиоэлектронной промышленности в зависимости от назначения, а также в целях лучшей организации производства в силу его специфики подразделяется на основной, вспомогательный и обслуживающий.
Основной производственный процесс направлен на превращение предметов труда в продукцию, которая в конечном итоге выпускается, как товарная продукция предприятия. Вспомогательный процесс предназначен для выпуска продукции, необходимой для обеспечения нормального и бесперебойного протекания основного производственного процесса. Сюда можно отнести изготовление необходимого инструмента, приспособлений, ремонт оборудования и т.д. Обслуживающий процесс необходим для оказания услуг участникам производства, осуществляющим основной и вспомогательный процесс. Это такие производственные процессы, как материально-техническое снабжение, транспорт и т.д.
По видам выполняемых работ (вспомогательных) можно сформировать цеха основного производственного процесса. Таким цехом для производства охранного устройства является сборочный цех, который разделим на несколько участков:
а) участок монтажа печатных плат;
б) участок объёмного монтажа;
в) участок ОТК.
На каждом участке осуществляется технологически законченная часть производственного процесса, характеризующая переход предмета труда в новое качественное состояние. В данном случае для всех участков самым приемлемым является поточный метод, характеризующий расположение оборудования и оснастки по ходу технологического процесса.
Обслуживающие службы цеха должны располагаться так, чтобы максимально обеспечивать оперативное оказание услуг на производственных участках.
7.1 Безопасность жизнедеятельности
В процессе труда человек подвергается воздействию многочисленных производственных факторов, различных по своему происхождению, формам проявления, характерам действия и другим. В ряде случаев это воздействие может быть неблагоприятным. Такая ситуация возникает, когда система «человек – производственная среда» не сбалансирована, количественные характеристики производственных факторов отклоняются от нормируемого уровня и не соответствуют характеристикам человека. Производственные факторы, воздействие которых на работающего в определённых условиях приводит к повреждению организма (травме), внезапному резкому ухудшению здоровья или заболеванию, снижению работоспособности, называются соответственно опасными или вредными.
Опасные производственные факторы – это электрический ток, движущиеся части машин и механизмов, незащищённые подвижные элементы производственного оборудования и т.п. Их воздействие наносит ущерб здоровью человека почти мгновенно и приводит к такому негативному явлению, как производственный травматизм, характеризующийся совокупностью производственных травм.
Вредные производственные факторы – шум и вибрация машин и оборудования, электромагнитные колебания, недостаточная освещённость, запылённость и загазованность это электрический ток, движущиеся части машин и механизмов, незащищённые подвижные элементы производственного оборудования и т.п. Их воздействие наносит ущерб здоровью человека почти мгновенно и приводит к такому негативному явлению, как производственный травматизм, характеризующийся совокупностью производственных травм.
Вредные производственные факторы – шум и вибрация машин и оборудования, электромагнитные колебания, недостаточная освещённость, запылённость и загазованность производственной среды, чрезмерная нервно-психическая и нервно-эмоциональная нагрузка и т.д. Воздействие вредных производственных факторов на человека имеет кумулятивный характер и приводит к такому негативному явлению, как профессиональные заболевания.
С охраной труда неразрывно связаны техника безопасности, т.е. система организационных и технических средств, предотвращающих воздействие на работающих опасных и вредных производственных факторов, и пожарная безопасность.
Под пожарной безопасностью понимается состояние объектов, при котором исключается возможность возникновения и развития пожара и обеспечивается защита материальных ценностей.
Появление сложных видов трудовой деятельности, обусловленное техническим прогрессом, влечёт за собой серьёзные требования к скорости выполнения человеком трудового процесса, точности, надёжности и другим системным и психофизиологическим характеристикам человека. Необходимо комплексное изучение процесса труда с точки зрения обеспечения безопасности и улучшения условий труда.
7.2 Анализ и выявление возможных опасностей и вредностей при изготовлении охранного устройства.
Анализ начнём с выявления потенциально опасных и вредных факторов, характерных данному виду производства. Основным объектом охраны труда является рабочее место, представляющее собой в общем случае пространство, в котором может находиться человек при выполнении производственно-технологических функций.
При конструировании рабочих мест учитываются следующие эргономические требования :
- достаточное рабочее пространство, позволяющее работающему человеку осуществлять необходимые движения и перемещения при эксплуатации и техническом обслуживании оборудования;
- достаточные физические, зрительные и слуховые связи между работающим человеком и оборудованием, а также между людьми в процессе выполнения общей трудовой задачи;
- оптимальное размещение рабочих мест в производственном помещении, а также безопасные и достаточные проходы для работающих людей;
- необходимое естественное и искусственное освещение;
- допустимый уровень шума и вибрации, создаваемых оборудованием рабочего места или другими источниками;
- наличие необходимых средств защиты, работающих от действия опасных и вредных производственных факторов (физических, химических, биологических, психофизиологических).
Конструкция рабочего места обеспечивает быстроту, безопасность, простоту и экономичность технического обслуживания в нормальных и аварийных условиях, полностью отвечает функциональным требованиям и предполагаемым условиям эксплуатации.
При изготовлении данного изделия используются органы управления, предназначенные для передачи управляющих воздействий от человека к машине, первого (органы управления, предназначенные для операций включения, выключения и переключения) и третьего (органы управления, с помощью которых осуществляется непрерывное регулирование и настройка аппаратуры) класса. Для защиты от случайного срабатывания органы управления расположены и ориентированы таким образом, чтобы оператор при выполнении своих функций не мог их случайно сдвинуть или задеть. Органы управления снабжены надёжной блокировкой, создающей механическое сопротивление, чтобы без определённого усилия их невозможно было переместить.
При организации рабочего места учтены основные антропометрические данные человека. Важнейшей характеристикой рабочего пространства является зона досягаемости моторного поля (пространство рабочего места с размещёнными в нём органами управления и другими техническими средствами, в котором осуществляются двигательные действия человека по выполнению рабочего задания).
При организации рабочего пространства учтены :
- степень подвижности оператора (при изготовлении данного изделия работа – «сидя»);
- потребность в обзоре рабочего места;
- необходимость использования рабочей поверхности для письма или других работ, а также хранения инструкций и материалов, используемых работающими людьми.
Проблема улучшения условий труда решается на всех стадиях разработки и эксплуатации оборудования и технологических процессов. Условия труда – это сложное объективное общественное явление, формирующееся в процессе труда под воздействием взаимосвязанных факторов социально-экономического, технико-организационного и естественно-природного характера и влияющие на здоровье, работоспособность человека, степень удовлетворённости трудом, эффективность и другие экономические результаты производства, на уровень жизни и всестороннее развитие человека, как главной производительной силы общества и сознательной личности. Необходимо проектировать, строить и внедрять в производство только такое оборудование и технологию, которые надёжно обеспечивают формирование благоприятных условий труда. Если не удаётся создать такую безопасную технику, необходимо оснастить соответствующие рабочие места, станки, машины, аппараты, а также самого работающего человека надёжными, технически совершенными защитными средствами. Факторы производственной среды, оказывающие влияние на формирование условий труда, различны по своему происхождению, формам проявления, характеру действия и ряду других особенностей. Они разделены на четыре основные группы.
К первой группе относятся санитарно-гигиенические элементы, составляющие внешнюю среду рабочей зоны (микроклимат, освещённость, механические колебания, шум и др.). Они создаются под воздействием применяемого оборудования и технологических процессов. Санитарно-гигиенические факторы оцениваются количественно и нормируются.
Ко второй группе относятся психофизиологические элементы (физическая нагрузка, нервно-психическое напряжение, рабочая поза и др.), обусловленные самим процессом труда.
К третьей группе относятся эстетические элементы, показывающие, какие элементы процесса производства труда могут вызвать эстетическое восприятие.
К четвёртой группе относятся социально-психологические элементы, характеризующие психологический климат, в котором протекает трудовой процесс.
Для обеспечения благоприятных условий труда на различных стадиях создания и эксплуатации систем и технологических процессов используются научно обоснованные нормативные материалы, рекомендации и требования.
Выбор параметров производственного освещения основывается на учёте требований, предъявляемых конкретным производственным процессом, в соответствии с действующими нормами и правилами. Анализ воздействия света на организм человека и основных свойств зрительного восприятия позволяет сформулировать основные требования к производственному освещению, которые заключаются в обеспечении достаточной освещённости рабочих мест поверхностей, равномерности распределения яркости, отсутствия глубоких и резких теней, постоянства освещённости во времени. СНиП-23-05-95 устанавливает минимальные уровни освещённости рабочих поверхностей в зависимости от точности зрительной работы, контраста объекта и фона, яркости фона, системы освещения и типа используемых ламп. Освещение рабочих мест может быть естественным и искусственным.
Естественное освещение может осуществляться через окна или световые проёмы в наружных стенах (боковое освещение), через застеклённые световые фонари и перекрытия (верхние) или через фонари и окна одновременно (комбинированное). Естественное освещение резко изменяется в течение дня, времени года и существенно зависит от атмосферных условий. От этих недостатков свободно искусственное освещение – освещение помещений искусственным светом с помощью электрических ламп.
При изготовлении данного изделия используется комбинированное освещение, при котором наряду с общим искусственным освещением используются светильники местного освещения для создания на рабочих местах освещённости более высоких уровней.
Для определения соответствия естественной освещённости в производственном помещении требуемым нормам измеряют освещённость: при верхнем и комбинированном освещении – в различных точках помещения с последующим усреднением; при боковом – на наименее освещённых рабочих местах. Для искусственного освещения нормируемым параметром является освещённость.
Производственный микроклимат оказывает существенное влияние на работающего человека. Оптимальными микроклиматическими условиями считают сочетания параметров микроклимата, которые при длительном и систематическом воздействии на человека обеспечивают сохранение нормального функционального и теплового состояния организма без напряжений реакций терморегуляции. Они обеспечивают ощущение теплового комфорта и создают предпосылки для высокого уровня работоспособности. Обеспечение оптимальных для жизнедеятельности человека параметров микроклимата и воздушной среды осуществляется с помощью обширного комплекса методов и средств. Главный из них – разработка совершенных технологических процессов, исключающих выделение значительного тепла, образование пыли и газов и выделение их в окружающую среду или, по крайней мере, ограничивающих их до минимума, до предельно допустимых концентраций (ПДК). Комплекс мероприятий по защите работающих от перегрева включает использование теплоизоляции, уменьшающей поступление тепла от источников, применение защитных экранов и перегородок. Также необходимо обеспечить отвод вредных газов и выделений, образующихся при напайке радиодеталей на монтажную плату. В этом случае эффективной мерой защиты является вентиляция.
При монтаже устройства охранной сигнализации соблюдаются требования электробезопасности и работа осуществляется только исправным электроинструментом (электропаяльник, пневмоотсос с электроприводом, электродрель). Указанные электроприборы и лампы для местного освещения применяются на напряжение 42 В.
Наладка устройства охранной сигнализации производится бригадой в составе не менее двух человек, возглавляемой инженерно-техническим работником или высококвалифицированным наладчиком, имеющим группу по электробезопасности не ниже IV. Члены бригады имеют группу по электробезопасности не ниже III. Рабочий стол выполнен из диэлектрического материала (дерево, пластик и др.), имеет полки для размещения контрольно-измерительной аппаратуры, а также источников питания и оборудован отдельным электрощитком с общим выключателем.
Монтаж и регулировка изделия производится с помощью инструмента с изолирующими ручками или специальным инструментом, удовлетворяющим ТУ. Также данные операции должны производиться с применением браслета для снятия статического электричества, так как комплектующие содержат КМОП элементы и подвержены воздействию разрядов статического электричества.
7.3 Расчёт искусственного освещения
Произведём расчёт освещения на участке регулировки аппаратуры, где III разряд зрительной работы, со светильниками с люминесцентными лампами.
Размеры помещения: длина A=15 м; ширина B=10 м; высота H=4,5 м. Потолок и стены побелены, мало загрязнены. Напряжение в основной сети U=220 В. Принимаем систему общего освещения. Характер зрительной работы на участке соответствует III б разряду.
Норма освещённости на рабочем месте соответствует 300 лк. Для освещения помещения выбираем светильники с люминесцентными лампами типа ЛСПО-2x6,5. Определяем расстояние от потолка до рабочей поверхности:
![]() |
hс
H Hо
Hn Hp
hp
Схема определения высоты подвеса светильников.
Ho = H – hp , где
H – высота помещения от пола до потолка, м;
hp – высота рабочей поверхности, м;
Ho = 4,5 – 0,8 = 3,7 (м)
Расстояние от потолка до светильника:
hc = 0,25Ho
hc = 0,25 x 3,7 = 0,925 (м)
Возможная высота подвеса светильника над освещаемой поверхностью:
Hp = Ho – hc
Hp = 3,7 – 0,925 = 2,775 (м)
Высота подвеса над полом:
Hn = Hp + hp
Hn = 2,775 + 0,8 = 3,575 (м)
Для достижения наибольшей равномерности освещения принимаем отношение:
Lp / Hp = 1,4
Расстояние между рядами светильников:
Lp = 1,4Hp
Lp = 1,4 x 2,775 = 3,885 (м)
Принимаем расположение светильников в три ряда: по центральной продольной оси и вдоль стен.
Расстояние от крайних светильников до стен l принимаем равным 1,16 м (l=0,3Lp). Фактическое расстояние между рядами:
Lp = (B – 2l) / 2
Lp = (10 – 2 x 1,16) / 2 = 3,84 (м)
При длине светильников 1,25 м устанавливаем в ряду 5 светильников, с расстоянием между ними по 1,16 м. Таким образом принимаем всего 15 светильников по 2 лампы ЛД в каждом. Общее количество ламп N = 30.
Индекс помещения:
i = A x B / Hp (A + B)
i = 15 x 10 / 2,775 (15 + 10) = 2,162
Коэффициенты отражения потолка, стен и рабочих поверхностей:
rn = 70 %; rс = 50 %; rр = 10 %
Находим значение h по таблице 16 [ ]
h = 56 %
Для производственных помещений, с содержанием пыли менее 1 мг/м3 коэффициент запаса Кз = 1,5. Определим расчётное значение светового потока для создания нормированной освещённости на рабочих листах:
Фр = Ен x Кз x S x Z / h x N
где:
Ен – нормированное значение минимальной освещённости, лк (табл.12 [ ]) ,
Z – поправочный коэффициент, учитывающий неравномерность освещения, Z = 1,1.
Фр = 300 x 1,5 x 150 x 1,1 / 0,56 x 30 = 4420 (мм)
Выбираем лампу ЛБ65-2 со световым потоком Фп = 4320.
Произведём проверочный расчёт освещённости:
Е = Фп x N x h / Кз x S x Z
E = 4320 x 30 x 0,56 / 1,5 x 150 x 1,1 = 293 (лк)
Общая мощность осветительной установки: Ро = Кп x P x N
где: Кп – коэффициент, учитывающий потери в пускорегулирующей аппаратуре, Кп = 1,25;
Р – мощность лампы, кВт;
Ро = 1,25 x 0,065 x 30 = 2,43 (кВт)
Таким образом, расчётная освещённость на участке настройки соответствует требованиям СНиП-23-05-95.
7.4 Противопожарные мероприятия
Возникновение пожаров в зданиях и сооружениях, особенности распостранения огня в них зависят от того, из каких материалов (конструкций) они выполнены, каковы размеры зданий и их расположение.
По взрывной, взрывопожарной и пожарной опасности производства подразделяются на категории. Согласно существующим строительным нормам и правилам (СНиП) здания и сооружения по огнестойкости подразделяются на пять степеней. Степень огнестойкости зданий и сооружений определяется пределом их огнестойкости, выражаемым временем (в часах) от начала испытаний строительной конструкции на огнестойкость до возникновения в ней разрушающих или температурных признаков, ведущих к невозможности дальнейшей эксплуатации конструкции.
Так как при изготовлении устройства используются жидкости с температурой вспышки выше 610C, горючие пыли или волокна с нижним пределом взрываемости более 65 г/м3, твёрдые сгораемые вещества и материалы, то производство по пожароопасности относится к категории В, в соответствии с НБП-105-95. По огнестойкости здание относится ко II степени, в которой все конструкции выполнены из несгораемых материалов с пределами огнестойкости от 0,25 до 4 часов.
Степень огнестойкости может быть требуемой и фактической. Требуемая степень огнестойкости характеризует основные строительные части зданий, сооружений и конструкций. Фактическая степень огнестойкости характеризует в целом здание, сооружение, конструкции и определяется по худшей требуемой степени огнестойкости.
Причины пожаров и взрывов могут быть электрического и неэлектрического характера. К причинам электрического характера относятся :
- искрение в электрических аппаратах, машинах, электрические разряды и удары молнии;
- токи коротких замыканий, нагревающие проводники до высокой температуры, при которой может возникнуть воспламенение их изоляции, а также значительные электрические перегрузки проводов и обмоток электрических аппаратов и машин;
- плохие контакты в местах соединения проводов, когда вследствие большого переходного сопротивления выделяется большое количество тепла;
- электрическая дуга, возникающая в результате ошибочных операций с коммутационной аппаратурой при переключениях в электроустановках или во время дуговой электрической сварки, которая может вызвать воспламенение расположенных вблизи горючих материалов.
Причинами пожаров и взрывов неэлектрического характера могут быть :
- неосторожное обращение с огнём при газосварных работах;
- неисправность котельных и производственных печей, отопительных приборов и нарушение режимов их работы;
- неисправность производственного оборудования и нарушение технологического процесса, в результате которого возможно выделение горючих газов, паров или пыли в воздушную среду;
- курение в пожароопасных и взрывоопасных помещениях;
- самовоспламенение некоторых материалов.
Мероприятия, устраняющие причины пожаров и взрывов, подразделяются на технические, эксплуатационные, организационные и режимные. К техническим мероприятиям относится соблюдение противопожарных норм при сооружении зданий, устройстве отопления и вентиляции, выборе и монтаже электрооборудования, устройстве молниезащиты и т.п. Эксплуатационные мероприятия предусматривают правильную эксплуатацию производственных машин, котельных и других силовых установок и электрооборудования, правильное содержание зданий и территорий предприятий. К организационным мероприятиям относятся обучение производственного персонала противопожарным правилам и издание необходимых инструкций и плакатов.
По правилам пожарной безопасности территории объектов должны постоянно содержаться в чистоте, мусор систематически удаляться на специально отведённые участки и по мере накопления вывозиться. Готовая продукция, оборудование, тара и другое имущество должны находиться на определённых участках. Все дороги и подъезды к зданиям, сооружениям и источникам воды необходимо очищать от завалов, содержать в исправности и освещать в ночное время. Проезды и противопожарные разрывы между отдельными зданиями и сооружениями не могут использоваться для складирования горючих предметов, различного оборудования, строительных материалов.
В каждом цехе, мастерской, складе и других помещениях должны быть вывешены таблички с указанием фамилии и должности лиц, ответственных за пожарную безопасность. Коридоры, проходы, основные и запасные выходы, тамбуры, лестничные клетки должны постоянно содержаться в исправном состоянии, ничем не загромождаться, а в ночное время освещаться. Если в технических помещениях применяются легковоспламеняющиеся и горючие жидкости для смазки, промывки и чистки оборудования, аппаратуры и деталей, то количество таких жидкостей не должно превышать суточную потребность. Курение допускается только в специально отведённых местах или комнатах, обозначенных соответствующими надписями и обеспеченных урнами с водой.
Весь пожарный инвентарь, противопожарное оборудование и первичные средства пожаротушения должны содержаться в исправном состоянии, находиться на видном месте, и к ним в любое время суток должен быть обеспечен беспрепятственный доступ. Все стационарные и переносные средства пожаротушения должны периодически проверяться и испытываться.
В производственных помещениях, на складах и других пожароопасных помещениях должны находиться средства пожарной сигнализации и тушения пожаров. В системе пожарной защиты находят широкое применение автоматические и полуавтоматические средства извещения о пожаре.
Наиболее дешёвым и распостранённым средством тушения пожаров является вода. Она обладает высокой теплоёмкостью и большим испарением, что позволяет эффективно отбирать тепло от очагов пожара. Вместе с тем вода не может быть использована для тушения легковоспламеняющихся жидкостей (бензин, бензол, керосин и т.п.), а также электроустановок, находящихся под напряжением, без специальных мер защиты людей от поражения электрическим током через струю воды.
В пожароопасных помещениях для тушения пожаров применяют спринклерные и дренчерные установки, которые приводятся в действие специальными извещателями.
Спринклерные установки – автоматические устройства тушения пожаров водой. В этих установках система водопроводных труб, проложенных под потолком, снабжается ввинчиваемыми головками, которые запаиваются легкоплавким припоем. Повышение температуры до 60-80 градусов (по С) вызывает расплавленине припоя и головка открывается, вследствие чего вода начинает литься на место пожара.
Дренчерная установка представляет собой также систему водопроводных труб, но головки этих установок, в отличие от спринклерных, постоянно открыты. Вода поступает при срабатывании клапанов с легкоплавкими припоями или при открывании задвижек ручным способом.
Для защиты людей от токсичных продуктов горения и дыма применяется противодымная защита, состоящая из вентилятора и вентиляционных каналов.
При тушении пожара эффективно применение химической пены, образуемой в результате взаимодействия с водой пеногенераторных порошков, состоящих из кислотной и щелочной частей. Получаемая из пеногенераторных порошков пена является универсальным средством тушения пожаров, за исключением спирта, ацетона и эфира.
В качестве средств местного пожаротушения применяются химические пенные огнетушители, но они не пригодны для тушения электроустановок, находящихся под напряжением, так как пена обладает свойством электропроводности.
Эффективным химическим средством тушения огня является углекислота. При быстром испарении углекислоты образуется снегообразная масса, которая, будучи направлена в зону пожара, снижает концентрацию кислорода и охлаждает горящее вещество. Ручные углекислотные огнетушители типов ОУ-2, ОУ-5 и ОУ-8 конструктивно отличаются ёмкостью баллона – соответственно 2, 5 и 8 л. Эти огнетушители предназначены для тушения небольших очагов пожара, применяются в закрытых помещениях и могут быть использованы в электроустановках, находящихся под напряжением, вследствие низкой электропроводности углекислоты. Все огнетушители подвергаются периодической проверке и при необходимости – перезарядке.
ЛИТЕРАТУРА:
1. И.Н. Балахничев, А.В. Дрик. Практическая телефония. М., «ДМК», 1999.
2. И.Н. Балахничев, А.А. Ровдо, А.В. Дрик. Экспериментальная электроника, выпуск 1. Минск, «Наш город», 1999.
3. Г.Д. Фрумкин. Расчет и конструирование радиоаппаратуры. М., «Высшая школа», 1989.
4. А.И. Кизлюк. Справочник по устройству и ремонту телефонных аппаратов зарубежного и отечественного производства. М., «Антелком», 1998.
5. С.А. Бирюков. Применение цифровых микросхем серий ТТЛ и КМОП. М., «ДМК», 1999.
6. В.Л. Шило. Популярные цифровые микросхемы КМОП. Справочник. М., «Ягуар», 1993.
7. Р.М. Терещук, К.М. Терещук, С.А. Седов. Полупроводниковые приёмно-усилительные устройства. Справочник радиолюбителя. К., «Наукова думка», 1989.
8. Ю.А. Быстров, И.Г. Мироненко. Электронные цепи и устройства. М., «Высшая школа», 1989.
9. Проектирование импульсных и цифровых устройств радиотехнических систем/ под ред. Ю.М. Казаринова. Учебное пособие для ВУЗов. М., «Высшая школа», 1985.
10. А. Ломакин. Герконовые реле, "Радио" №1, 1988г., стр.60.
11. Разработка и оформление конструкторской документации РЭА. Справочник / под ред. Э.Т. Романычевой. М., «Радио и связь», 1989.
Похожие рефераты:
Охранная система с дистанционным управлением
Распределенная автоматизированная система управления
Лекции по твердотельной электронике
Анализ и моделирование биполярных транзисторов
Коммутатор цифровых каналов системы передачи
Устройство управления синхронного цифрового автомата
Модернизация релейной защиты на тяговой подстанции Улан-Удэ на базе микропроцессорной техники
Электронные схемы для дома и быта
Разработать лабораторный стенд для испытания устройств защиты судовых генераторов
Тиристорные устройства для питания автоматических телефонных станций
Разработка устройства автоматического регулирования света на микроконтроллере










