| Похожие рефераты | Скачать .docx |
Реферат: Расчет усилителя низкой частоты с блоком питания
Техническое задание.
Рассчитать схему усилителя низкой частоты с блоком питания. Исходные данные:
-коэффициент усиления по напряжению - 80;
-верхняя граничная частота - 10 кГц;
-нижняя граничная частота - 300 Гц;
-параметры нагрузки : - сопротивление - 200 Ом, емкость - 6800 ....... ;
-коэффициент пульсаций на выходе блока питания - не более 0.15 .
Расчетная часть.
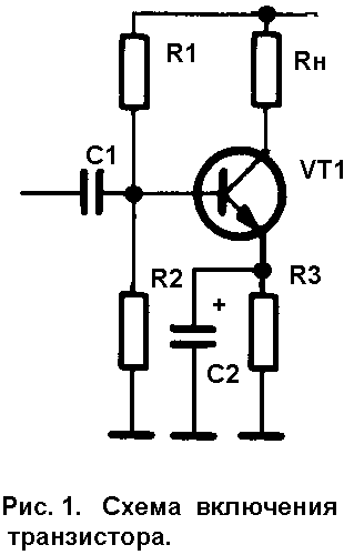
В качестве схемы усилителя выберем стандартную схему включения транзистора с общим эмиттером (рис. 1) . Разделительный конденсатор С1 служит для передачи на вход транзистора VT1 усиливаемого переменного напряжения, а также исключает попадание на вход транзистора постоянного напряжения. Резисторы R1 и R2 образуют делитель для получения необходимого напряжения смещения на базе транзистора. Резистор R1 и конденсатор C2 обеспечивают температурную стабилизацию работы усилителя. В данной схеме резистор RН является нагрузкой.

В качестве транзистора VT1 выберем широко распространенный КТ 315 Д со следующими параметрами:
-максимальный ток коллектора IК MAX = 100 м А ;
-максимальное напряжение коллектор - эмиттер U КЭ MAX = 40 В ;
-максимальная рассеиваемая мощность транзистора PМАХ = 150 м Вт ;
-статический коэффициент передачи h 21
50 .
Напряжение питания UП примем равным 9 В , тогда для определения рабочего режима выберем две крайние точки : (UКЭ = UП , IK = 0) и (UКЭ = 0, IK ), где UКЭ - напряжение коллектор - эмиттер , IK - максимальный ток в нагрузке:
IK
=
=
= 45 (м А).
Для нормальной работы транзистора выберем рабочую точку :
IK
0
=
= ![]()
23 (м А),
UКЭ0
=
=
= 4.5 (В).
Тогда мощность, выделяющаяся в транзисторе :
P K0 = I K0 * UКЭ 0 = 23 * 4.5 = 103.5 ( мВт),
что не превышает максимальную рассеиваемую мощность транзистора P МАХ = 150 м Вт.
Мощность, потребляемая усилителем от источника питания :
P 0 = IK 0 * UП = 23 * 9 = 207 ( м Вт).
Для схемы с общим эмиттером коэффициент усиления по току ki примерно равен статическому коэффициенту передачи h 21 . Базовый ток транзистора :
IБ0
=
=
= 0.46 (м А).
Теперь определим номиналы резисторов :
R1
, R2
, R3
, где
IД
- ток через делитель, IД
4* IБ0
.
R1 ![]()
3.9 (к Ом) ,
R2 ![]()
560 (Ом) ,
R3
1 (к Ом) .
Коэффициент усиления по напряжению определяется как : k u
=
.
Отсюда входное сопротивление транзистора :
RВХ
=
=
= 125 (Ом).
Емкость конденсатора С1 рассчитывается исходя из того, что его сопротивление по переменному току на самой низкой частоте должно быть во много раз меньше входного сопротивления :
С1
= 42.46 (мкФ).
Выбираем ближайший - 50 мкФ.
Для заданной полосы частот емкость конденсатора С2 должна быть равна десяткам микрофарад, возьмем 20 мкФ.
Теперь рассчитаем стабилизатор напряжения с требуемыми параметрами. Входные цепи блока питания состоят из понижающего сетевого трансформатора и мостового выпрямителя. Схема стабилизатора напряжения показана на рис. 2.

Так как потребляемая схемой мощность небольшая, в качестве стабилизатора DA1 возьмем специально предназначенную микросхему К142ЕН8А, обеспечивающую выходное напряжение + 9 В и ток в нагрузке до 1 А. Данная микросхема обеспечивает коэффициент пульсаций на выходе примерно 0.03, что удовлетворяет заданию. Для нормальной работы напряжение на входе микросхемы должно быть не менее 12 Вольт, поэтому конденсаторы С1 и С2 выбираем на рабочее напряжение 25 В и емкостью 500 мкФ.
Литература.
1. Жеребцов И. П. Основы электроники. - Л.: Энергоатомиздат, 1989.
2. Транзисторы: Справочник . - М.: Радио и связь, 1990.
3. Цифровые и аналоговые интегральные микросхемы: Справочник. - М.: Радио и связь, 1990.
Похожие рефераты:
Оборудование летательных аппаратов
Согласующее устройство для измерения четырехполюсных радиоэлементов
Система криптозащиты в стандарте DES. Система взаимодействия периферийных устройств
Охранная система с дистанционным управлением
Диплом-Нейросетевая система для управления и диагностики штанговой глубинонасосной установкой
Расчет реверсивного электропривода
Построение системы автоматического контроля
Автоматизированная система защиты и контроля доступа в помещения