| Скачать .docx |
Курсовая работа: Проектирование судового радиоприёмного устройства
МИНИСТЕРСТВО ОБРАЗОВАНИЯ И НАУКИ УКРАИНЫ
ОДЕССКАЯ НАЦИОНАЛЬНАЯ МОРСКАЯ АКАДЕМИЯ
Кафедра МРС
КУРСОВОЙ ПРОЕКТ
По дисциплине: “ Радиоприёмные устройства ”
На тему: “ Проектирование судового радиоприёмного устройства ”.
Выполнил:
курсант группы 3141
Рудякова М. С.
Проверил:
Профессор Кошевой В.М.
Одесса 2008
СОДЕРЖАНИЕ
Задание
Введение
Анализ технического задания
Энергетический расчёт СВ-ПВ радиоканала
Оценка достоверности цифровой информации в канале связи
Выбор типа структурной схемы радиоприёмника
Выбор промежуточных частот
Разработка функциональной схемы
Электрический расчёт усилителя радиочастоты
Проектирование детектора широкоимпульсного сигнала с линейной частотной модуляцией
Проектирование структурной схемы информационного тракта
Применение приборов с переносом заряда
Динамические емкостные фильтры
Заключение
Список литературы
ЗАДАНИЕ НА КУРСОВОЙ ПРОЕКТ
Курсанту Рудяковой Марии Сергеевне
Тема: Проектирование судового радиоприёмного устройства.
Перечень рассматриваемых вопросов в разработке (содержание расчётно-пояснительной записки):
- Проектирование структурной схемы приёмника.
- Определение приёмно-усилительного тракта.
- Определение информационного тракта .
- Определение синтезатора частоты.
Перечень обязательного графического материала :
- Структурная схема приёмно-усилительного тракта РПрУ.
- Структурная схема информационного тракта РПрУ.
- Структурная схема и схема включения программированного фильтра с формированием сигнала, который задан.
Выходные данные для работы:
- Назначение приемника: профессиональный
- Диапазон рабочих частот: СВ ПВ
- Относительная нестабильность частоты настройки
- Чувствительность (рассчитать)
- Уровень сигнала на выходе приёмника: 0,4 мВ
- Сопротивление эквивалента антенны: 50 Ом
- Вид работы: G2B
- Частота и глубина модуляции
- Девиация частоты
Дальность радиосвязи L(км.) - 7; Мощность передатчика Р(Вт)- 25;
КНД передающей антенны Д (дб) - 1; Тип приёмной антенны АШ; Входное сопротивление антенны R (Ом) - 50;
Диапазон рабочих частот
F(кГц)100…2000; Скорость телеграфирования V(Бод) - 100;
Отношение Pс /Pш (раз) - 9;
Коэффициент шума ПРМ N0 (раз) - 6; Вид сигнала АМ;
Разнос частот Fp (кГц) - 0; Высота размещения антенны H(м) - 20;
Избирательность по зеркальному каналу (дб) - 40;
Избирательность по соседнему каналу (дб) - 40;
Коэффициент нестабильности частоты - 10-7 ;
Длина сообщения N (двоичных символов) - 720;
Вероятность доведения РД - 0,999;
Вероятность трансформации Pтр - 10-7 .
Код обработки оптимальным фильтром:
| 1 | 1 | 1 | 0 | 1 | 0 | 1 |
Введение
Радиоприёмное устройство является элементом любой системы радиосвязи и предназначено для приёма радиосигналов, их преобразования и извлечения из них информации.
В настоящее время к современным радиоприёмникам профессионального и специального назначения предъявляются высокие требования по массово-габаритным характеристикам, малому энергоснабжению, безотказной работы в течение всего срока эксплуатации, которые, прежде всего, определяются особенностями его эксплуатации.
Цель работы: необходимо разработать радиоприёмное устройство и электрический расчёт блока усилителя радиочастоты с цифровым каналом радиосвязи и блоком вторичной обработки информации.
В соответствии с поставленной задачей произведём анализ технического задания с целью разработки цифрового канала радиосвязи с электрическим расчётом усилителя радиочастоты радиоприёмника при конкретных технических требованиях. В данной курсовой работе разработаем функциональную модель цифрового канала радиосвязи, а также произведём его энергетический расчёт в соответствии с заданными техническими требованиями.
Кроме того, по полученным результатам в данной курсовой работе, выберем наиболее целесообразную структурную схему приёмного устройства, на основании которой разработаем его функциональную и принципиальную схемы.
Учитывая требования, предъявляемые к современным радиоприёмникам и с учётом современной элементной базы, произведём электрический расчёт усилителя радиочастоты, и на основе полученных результатов была предложена его функциональная и принципиальная схема.
Анализ технического задания
В исходных данных технического задания отсутствуют требования по климатическим условиям эксплуатации приёмника, а также вероятность его нормальной работы за среднее время наработки на отказ Tотк.ср.
С учётом того, что радиоприёмник будет эксплуатироваться на морских судах, то есть работать в условиях агрессивной среды или же в закрытых, не отапливаемых, зачастую во влажных помещениях, то были выбраны самые жёсткие условия эксплуатации.
Согласно резолюциям ИМО диапазон рабочих температур составляет от -500 С до +500 С, при влажности окружающей среды 95%.
С целью обеспечения требуемой надёжности эксплуатации рекомендуется двукратное дублирование радиоприёмника, то есть так называемый «горячий резерв».
Исходя из этих условий, значение вероятности нормального функционирования было выбрано P=0,998, за среднее время эксплуатации Тотк ср =3000 часов. С учётом исходных данных технического задания и, разработанных требований эксплуатации произведём энергетический расчёт цифрового радиоканала.
Энергетический расчёт СВ-ПВ радиоканала
С учётом исходных данных в начале рассчитаем полосу пропускания
радиоприёмника по формуле:
,
где значение Fс для сигнала с амплитудной манипуляцией выбирается из условия:
=
,
Um =B/ Re log2 m
Где B=100 Бод-скорость телеграфирования;
Re =50 Ом-сопротивление эквивалента антенны;
m=1,2,3,…
Исходя из этого, было вычислено значение Um
Um =100/50·log2 2=2 В
Отсюда Fc
=5*2=10 Гц, тогда
=1.2*2=2.4 Гц
В соответствии с техническим заданием и условиями работы определим чувствительность радиоприёмника по формуле:
,
(1)
где T=273 K - температура окружающей среды в Кельвинах;
K=1,38*10-23 (Дж/к) - постоянная Больцмана;
N=6 - коэффициент шума приёмника;
Ra =50 Ом - входное сопротивление антенны;
=2 Гц;
h
=9 - заданное превышение мощности сигнала над мощностью шума (помехи) на входе приёмника.
Таким образом:
В
3. Определена зона расположения приёмника.
Освещена зона (зона прямой видимости) найдена согласно [5]:
(
),
(2)
При этом нижняя зона блокирования определена по формуле [5]:
,
(3)
Где
- эквивалентные высоты антенн
- минимальная длина волны в используемом диапазоне 30…60 МГц
=
300/Fmax
,
где Fmax
=60МГц; (4)
=с
/Fmax
=
3*108
/6*107
=5 м.(5)
Подставляя в формулу значения
,и
были получены:
,
(6)
где RЭЗ = 8,5*106 м - эквивалентный радиус Земли.
=
10.9 м.
Lбл
=
18*
=
18*10.9*10.9/5= 427.72 (м).
Lпр
=
3,57*(
) =
31.93(км).
Сравнивая требуемую дальность радиосвязи Lсв со значением Lпр , получимLпр >Lсв , то есть 31,93(км)<90(км). Следовательно, расчёт напряжённости электромагнитного поля в точке приёма произведем по формуле Фока, которая имеет следующий вид:
EД
=
,
(8)
где: L - длина радиолинии;
Lпр - расстояние прямой видимости;
v =0,2- коэффициент дифракции;
P1 - мощность подводимая к передающей антенне;
G - коэффициент усиления антенны ПРДУ;
=λmin
+λmaх
/2средняя длина волны, где λmaх
=с/Fmin
=3*108
/30*106
=10 м;
тогда
=5+10/2=7,5 м, Rзэ
- эквивалентный радиус Земли (8500 км);
EД
=
= 0,0000394 В/м;
Зная напряжённость электромагнитного поля в точке приёма, определим действующее значение напряжения на входе приёмника в точке приёма:
UД =ЕД *НД ,(9)
Нд сим
=(
)*
tg(k*l)/
,
(10)
Где
-
средняя длина волны рабочего диапазона;
l - длина одного плеча симметричного вибратора;
k=
(
2*
3,14)/
7,5 =
0,837 (
1/м);
l=
/
4=
1,875м;
Нд сим
=(
)*
tg(k*l)/
=
(7,5/π)* tg(0,837*1,875)/7,5 =
8,72*10-3
м;
Нд несим = 0,5*Нд сим = 4,36*10-3 м.
UД =ЕД *НД =0,0000394*4,36*10-3 =1,72*10-6 В
Проверено выполнение следующего условия:
UД
Uтр
1,72*
10-6
0,21*10-6
.
Из этого вытекает, что радиоприёмное устройство будет уверенно принимать сигнал.
Рассчитано номинальное значение отношения сигнал/шум на входе приёмника:
9(1,72*10-6
/0,21*10-6
)2
=
603;
После расчёта канала связи была проведена оценка достоверности цифровой информации в канале связи.
Оценка достоверности цифровой информации в канале связи
Оценка достоверности цифровой информации в канале связи проведена с учётом вероятности отказа системы связи без учёта отказа аппаратуры канала связи (техники), т.е. Ротк =0
Результатом проведения энергетического расчёта является обеспечение требуемого отношения мощности полезного сигнала к мощности шума плюс помеха
на входе линейной части приёмника. В заданной полосе пропускания
при фиксированной дальности связи L и мощности передатчика P. Тогда по заданному виду сигнала (модуляции), в данном случае сигнал АМ, для фиксированного значения
по известной зависимости
в приёме дискретного символа.
При известной длине сообщения, в данном случае длина сообщения N=720 , вероятность доведения некодированного сообщения определяется из графической зависимости Pдов =( 1-PЭ )N , гдеPЭ = 1,25* 10-2 , определяется из графической зависимости
PЭ
=
f(
),
Pдов =( 1-1,25 *10-2 ) 720 = 0,000116604;
После расчёта вероятности доведения информации необходимо проверить условие Рдов
>Рдов треб
или 0,00011604<
0,999, то есть такая вероятность доведения информации меньше требуемой. Для повышения вероятности доведения информации необходимо либо увеличивать мощность передатчика с целью увеличения
,
а это в данном случае невозможно и не выгодно, либо применять помехоустойчивое кодирование, которое не требует дополнительных энергетических затрат, а требует лишь возможности расширения полосы пропускания канала связи в n/k раз,
по сравнению с некодированной системой связи при фиксированном времени доведения сообщения T,
использовать кодирование информации. Выбираем код (
n,k,
d)=(
15,10,4),
где
n - длина кодовой комбинации;
k - количество информационных символов;
d - минимальное кодовое расстояние.
Вероятность ошибки: Р0(n,k,d) = 2,8*10-3
Pтр = 1-(1-Р0(n,k,d) )n/k = 5,36*10-9 ;
Следовательно, если мы сравним с требуемым значением = 10-7 ,
Pтр
<Pтр треб
5,36*
10-9
<10-7
,
из этого можно сделать вывод о том, что выбранный нами код правильный.
Рпр = 1-(1-8,7*10-4 )23 = 0,99975;
Рдов = 0,99944;
Рпр дек
=
,
где
tи = 1 - число гарантированно исправляемых кодом ошибок,
Рэк = 1,75*10-2 , исходя из этого вычисляем вероятность правильного декодирования: Рпр.дек = 0,9998.
Вероятность ошибки на бит информации Р0 , которая отдаётся получателю, определяется по формуле:
Р0 =( 1- Рпр.дек )/ 2= 0,0001,
Следует отметить, что именно значение Р0 является одним из ключевых требований, которые предъявляет заказчик на проектируемую систему связи, при этом обязательно должно выполняться условие Р0 < Р0.тр , в данном случае это условие выполняется.
Вероятность доведения сообщения, кодируемого ( n, k dmin ), то есть ( 15,10,4), кодом определяется следующим выражением:
Рдов =( Рпр.дек ) N/K = 0,9998720/10 = 0,9996,
Данная вероятность доведения сообщения с использованием кода не менее требуемой.
Важным параметром дискретной системы связи является вероятность трансформации сообщения, которая определяется следующим выражением:
Ртр N
=
=
1-[1-Pно(n,k,d)
]N/K
,
где Pно(n,k,d)
=
-
выражает вероятность необнаруженной ошибки (трансформации) кодовой комбинации, которая возникает при L1=
3 и более, ошибочно принятых двоичных символах.
L1= tи + 2= 3;
Рно(15,10,4)
=
=5,65 *10-8
Ртр15 = 1-[1-Pно(15,10,4) ]15/10 = 8,4*10-9
Таким образом вероятность доведения дискретного сообщения до получателя РДОВ и связанная с ней вероятность ошибки на бит информации Р0 , вероятность трансформации сообщения Ртр15 при заданных дальности радиосвязи, частотно - временных и энергетических затратах являются важнейшими тактико-техническими показателями связи.
Pдов
PДОВ.ТРЕБ
,
при Т=const;
Р0
Р0ТРЕБ
,
при L=const ;
Ртр n
Ртр n ТРЕБ
при Р1
=const;
Для разрабатываемой системы радиосвязи обеспечивается выполнение указанных условий при наименьших частотно-временных и энергетических затратах, то есть в этом смысле она почти оптимальна.
Далее был проведён выбор структурной схемы приёмника.
Выбор типа структурной схемы радиоприёмника
Современные связные приёмники чаще всего строятся по супергетератинной схеме, что позволяет реализовать наибольшую чувствительность и избирательность по сравнению с другими типами схем. Однако супергетеродинным приёмникам свойственны определённые недостатки:
наличие «зеркального канала»;
наличие «паразитных» радиочастотных излучений гетеродинов;
наличие «паразитных» условий и амплитудной модуляции сигнала за счёт внутренних помех в системе стабилизации.
Указанные недостатки необходимо учитывать при выборе типа структурной схемы. Структурная схема радиоприёмника - это графическое изображение, дающее представление о структуре радиоприёмника и состоящее из функциональных частей и связей между ними.
Радиоприемник, использующий супергетеродинный метод приема отличается от радиоприемника прямого усиления наличием преобразователя частоты. Структурная схема содержит следующие элементы: антенна, усилитель радиочастоты (УРЧ) преобразователь частоты, усилитель промежуточной частоты, детектор, усилитель низкой частоты и оконечное устройство.
![]() |
Рисунок 1.1 Структурная схема супергетеродинного приёмника
Преобразователь частоты состоит из смесителя и гетеродина. Гетеродин - это маломощный генератор, вырабатывающий частоту fr . На вход смесителя подается напряжение частоты сигнала fc и напряжение с выхода гетеродина fr .
В результате взаимодействия двух этих частот на выходе смесителя появляется сигнал, содержащий множество комбинационных составляющих, в то числе и составляющую, частота которой равна разности двух этих частот fc -fr . Величина этой разности может быть выше или ниже частоты сигнала, но обязательно выше частоты модуляции, поэтому ее называют промежуточной. Таким образом, можно записать:
Fпр = fг- fc при fг > fc (1.1)
Fпр = fc - fг при fr < fc (1.2)
Основой для выбора структурной схемы связного радиоприёмника являются технические требования:
к относительному изменению частоты подстройки радиоприёмника;
к чувствительности радиоприёмника;
к избирательности по «зеркальному» и соседнему каналам;
На промежуточную частоту настроена резонансная система, включенная в выходную цепь смесителя, что позволяет при соответствующей полосе пропускания выделить напряжение сигнала на промежуточной частоте. Следовательно, назначение преобразователя - преобразование частоты радиосигнала в другую промежуточную частоту с сохранением закона модуляции. В случае работы радиоприемника в диапазоне частот перестраиваются только избирательные цепи тракта радиочастоты, и изменяется частота гетеродина так, чтобы разность их настройки всегда была равна выбранной промежуточной частоте. Следует подчеркнуть, что настройка радиоприемника на частоту принимаемого сигнала определяется, прежде всего, настройкой гетеродина.
Входные контуры и контуры усилителя высокой частоты могут быть не перестраиваемыми, но с полосой пропускания, равной диапазону рабочих частот.
Усилитель, который усиливает сигнал на промежуточной частоте, получил название усилителя промежуточной частоты. Таким образом, в супергетеродинном радиоприемнике усиление и выделение радиосигнала осуществляется на трех частотах: на радиочастоте, промежуточной частоте и частоте модуляции (низкой частоте).
Соответственно участки радиоприемника, на которых происходит соответствующее усиление, называют трактом радиочастоты, промежуточной частоты и низкой частоты. Постоянство промежуточной частоты позволяет использовать в усилителе промежуточной частоты сложные избирательные системы, имеющие частотную характеристику, весьма близкую по форме к прямоугольной.

Рисунок 1.2 Образование зеркального канала при супергетеродинном методе приёма.
Из двух возможных вариантов с одним или двойным преобразователем, была выбрана схема с двойным преобразователем частоты, так как только она обеспечивает требования селективности и требования технического задания.
Входная цепь выполняет следующую функцию: обеспечивает подстройку приёмной антенны и входного фильтра радиоприёмника на заданную рабочую частоту.
С входной цепи сигнал поступает на усилитель радиочастоты, который обеспечивает выполнение заданных требований по избирательности относительно зеркального канала и осуществляет предварительное усиление принимаемого сигнала и исключения паразитного излучения гетеродинов. В первом и во втором смесителе осуществляется преобразование частоты радиосигнала соответственно в сигналы первой и второй промежуточных частот. Гетеродинные напряжения поступают с синтезатора частот. В первом и во втором усилителе промежуточной частоты осуществляется усиление сигналов первой и второй промежуточных частот. Со второго усилителя промежуточной частоты сигнал поступает на детектор. В зависимости от вида модуляции принимаемых сигналов детектор может быть амплитудным, частотным, фазовым или пиловым. Для обеспечения оперативного управления и контроля современные радиоприёмники имеют в своем составе устройство управления и контроля.
Супергетеродинный метод приема по сей день остается основным, так как он позволяет обеспечить устойчивый прием весьма слабых сигналов в условиях интенсивных помех. Сверхминиатюризация элементной базы не изменила основного принципа построения структурной схемы супергетеродинного радиоприемника, хотя он может представлять собой очень сложное устройство, в котором производится не одно, а несколько преобразований частоты сигнала.
Наряду с достоинствами супергетеродинный метод приема имеет существенные недостатки. Наиболее серьезный из них - так называемые побочные каналы приема. В радиоприемнике прямого усиления основными источниками помех служат соседние по частоте станции. Побочные каналы приема создаются в супергетеродинном приемнике в процессе преобразования частоты. Так, один из таких каналов, наиболее опасный, образуется следующим образом. На входе радиоприемника всегда действует множество сигналов различных частот, среди которых может оказаться частота, удовлетворяющая условию формирования промежуточной частоты. Причем, если в радиоприемнике принято условие fг >fc , то частота побочного канала f3K >fr . относительное расположение частот для этого случая показано на рисунке 1.2.
Частота f3K отстоит от частоты гетеродина fr на такое же расстояние, что и частота принимаемого сигнала fс . Поэтому канал, по которому проникает помеха на частоте f3K , называют симметричным или зеркальным. Для случая fr <fc частоты fc и f3K поменяются местами.
Второй побочный канал приема, по которому может проникать специфическая для супергетеродинного приема помеха, возникает на частоте, равной промежуточной fnpc . Поскольку фильтр, включенный в выходную цепь смесителя, настроен на промежуточную частоту, смеситель для сигналов, у которых fc = fnp , является усилителем. Эту помеху называют помехой прямого прохождения.
Для того, чтобы уменьшить помеху прямого прохождения и помеху по зеркальному каналу, как и других побочных каналов, необходимо их ослабить до попадания на вход преобразователя. Эта задача выполняется резонансными контурами тракта радиочастоты, который часто называют преселектором (предварительным селектором). Итак, в структурную схему супергетеродинного радиоприемника входят следующие элементы:
1) входное устройство - его назначение такое же, как и в приемнике прямого усиления, но главным образом для обеспечения избирательности по побочным каналам;
2) усилитель радиочастоты - его основное назначение - это повышение соотношения сигнал шум на входе преобразователя и ослабление помех от побочных каналов. Возможно построение супергетеродинного радиоприемника без усилителя радиочастоты;
3) преобразователь частоты - специфический элемент супергетеродинного радиоприемника;
4) усилитель промежуточной частоты - предназначен для выделения спектра радиосигнала из помех, близких по частоте, и усиления его до величины, необходимой для работы детектора сигнала;
5) детектор сигнала - предназначен для преобразования спектра модулированного радиосигнала в спектр частот модуляции;
6) усилитель низкой частоты или усилитель сигнала частот модуляции - его назначение такое же, как и в радиоприемнике прямого усиления.
Далее сделаем выбор промежуточных частот.
Выбор промежуточных частот
Важным этапом проектирования является выбор номиналов промежуточных частот радиоприёмника.
Значения промежуточных частот могут быть оценены с помощью соотношений:
f1ПР
,
(
11)
f2ПР
,
(
12)
Где f0 max - верхняя частота диапазона радиоприёмника;
а - параметр рассогласования антенно-фидерного устройства и выхода радиоприёмника (а=1 при настроенной антенне в режиме согласования);
d3 ТР =1000 - требуемое подавление зеркальной помехи;
QРЧ = 50 - результирующая добротность контуров тракта радиочастоты;
fПЧ
=
1кГц - полоса пропускания тракта ПЧ;
QПЧ = 50 - добротность контуров тракта ПЧ;
F(ППЧ )=0,64 - функция, учитывающая особенности тракта ПЧ;
f1ПР
134 МГц,
f2ПР
254,43 кГц.
С точки зрения унификации были выбраны значения промежуточных частот:
f1ПР =134 МГц,
f2ПР =254,43 КГц.
После выбора структурной схемы и определения промежуточных частот была синтезирована функциональная схема.
Разработка функциональной схемы
Функциональная схема - это графическое изображение радиоприёмника, представленное его основными функциональными частями и связями между ними в виде условных графических обозначений, установленных в стандартах ЕСКД.
На этапе разработки функциональной схемы радиоприёмника необходимо решить следующие основные задачи:
произведено разбиение диапазона рабочих частот на поддиапазоны;
проведено распределение избирательности по трактам;
произведено распределение усиления радиоприёмника по трактам;
проведен выбор элементной базы для основных каскадов радиоприёмника;
определён состав трактов;
При проектировании радиоприёмника предназначенного для работы в широком диапазоне радиочастот, заданный диапазон рабочих частот должен быть разбит на несколько поддиапазонов. На практике применяются два основных способа разбиения на поддиапазоны: способ равных коэффициентов перекрытия КПД, способ равных частотных поддиапазонов
КПД = f2 /f1 = f3 /f2 =...= fn /fn-1,
fПД
=
f2
-f1
=f3
-f2
;
При распределении усиления было учтено, что в первых каскадах оно ограничено от 5 до 10, в тракте первой промежуточной частоты, усиление в тракте УЗЧ должно быть с учётом оконечных устройств. На завершающем этапе разработки функциональной схемы радиоприёмника решается задача выбора количества и типов каскадов трактов радиочастоты, промежуточной и звуковой частот. Рассчитаем количество поддиапазонов следующим образом:
КПД = fmax / fmin = 160/ 156= 1,
следовательно схема имеет один полосовой фильтр.
Таким образом, исходя из решения задачи функциональная схема имеет вид, представленный на рис.2 Входной сигнал поступает на антенно-фидерное устройства и входа первого каскада усилителя радиочастоты.. также эти фильтры осуществляют селекцию принимаемого сигнала. Выделенный в фильтрах Z1 и Z2 полезный сигнал поступает на усилитель радиочастоты, в котором осуществляется усиление, а также осуществляется избирательность по зеркальному каналу. Для этого к выходу усилителя радиочастоты подключают фильтр. В целом этот тракт является трактом радиочастоты. Он осуществляет первичную обработку радиосигнала. Поэтому сигнал, поступивший на преобразователь 1 промежуточной частоты окончательно «взберется по зеркальному каналу и помощью фильтра выделится полезный сигнал.
Помехи и низкочастотные составляющие отфильтровываются. После смесителя сигнал усиливается. Дальнейшая обработка происходит в смесителе и усилителе промежуточной частоты , где осуществляется преобразование по частоте. Далее сигнал попадает в усилитель промежуточной частоты где происходит избирательность по соседнему каналу, то есть помехи ослабляются, АРУ поддерживает требуемое отношение сигнал/шум на выходе фильтра, а также поддерживается постоянным коэффициент усиления радиоприемника, при изменении входного сигнала. Затем сигнал поступает в частотный тракт который в своем составе содержит ограничитель амплитуды, частотный детектор. Продетектированный сигнал усиливается в УЗЧ и поступает на оконечное устройство.
![]() |
На схеме обозначено:
WA - приемная антенна;
SA11 , SA21 - переключатели поддиапазонов;
Z1, Z2 - полосовые фильтры;
A1...A5 - УРЧ:
А1, А2 - усилители радиочастоты;
А3, А4 - УПЧ;
А5 - УЗЧ;
UZ1, UZ2 - смесители;
UR- детектор.
После разработки и обоснования функциональной схемы, был проведен, согласно техническому заданию расчет усилителя радиочастоты.
Электрический расчет усилителя радиочастоты
Для выбора элементной базы разрабатываемого блока, в данном случае это усилитель радиочастоты, произведен электрический расчет. Проведен расчет усилителя радиочастоты одного из поддиапазонов.
Коэффициент усиления усилителя радиочастоты изменяется в пределах от 10 до 20. Частота на которой он работает, изменяется в пределах от 30 до 45 МГц. Исходя из технического задания выбран из справочника тип транзистора, который по своим техническим характеристикам наиболее подходит к рассчитанному блоку усилителя радиочастоты, таким является транзистор ГТ308 В параметры которого:
Ik0 =2.5 мА, IБ0 =7 мкА, Uкэ0 = 5В, Ек =12 В.
Будем предварительно полагать полное включение контура в цепь стока (р1 =1) и неполное Kо входа следующего каскада с р2 »0,15. Примем собственную ёмкость катушки СL =3пФ; среднюю ёмкость подстроечного конденсатора Сп =10пФ; ёмкость монтажа См =10пФ состоящей ёмкости монтажа в цепи коллектора См1 =5пФ и в цепи базы См2 =5пФ; минимальную ёмкость контурного конденсатора Смин =7пФ. Ёмкость контура без учёта переменной ёмкости будет равна:
СS =Сп +СL +р1 2 (См1 +С22 )+р2 2 (См2 +С11 )=10+3+(5+10)+0,152 (5+50)»29 пФ.
Минимальная индуктивность Lmin = (0.2..0.3) мкГн
Вычислим сопротивления цепи питания транзистора, полагая что:
-допустимое падение напряжения на сопротивлении фильтра стоковой цепи DURФ =1В;
-требуемый коэффициент стабильности коллекторного тока g=1,5¸3;
-интервал температур в градусах Цельсия, в пределах которого должна обеспечиваться температурная компенсация тока сток-исток DТ=80°С.
Тогда:
.
Выберем R1 =510Ом.
.
Выберем R3 =6,2 кОм.
.
Выберем R2 =620 Ом.
Шунтирующую ёмкость С1 , предотвращающую образование отрицательной обратной связи вычислим по формуле:
.
Выберем С1 =20нФ.
Сопротивление фильтра вычислим по формуле:
.
Выберем Rф =160 Ом. Ёмкость Сз2 должна удовлетворять неравенству:
.
Выберем Сз2 =100нФ.
Определим индуктивность контурной катушки из выражения:
.
Выберем 150 мкГн.
Вычислим параметры эквивалентной схемы каскада:
G1 =gвых +g12 +gcх =4,5+3+0=7,5мкСим и G2 =gвх +gcх =0,21*10-3 +(7500)-1 +(3600)- +1 =0,62 мкСим.
После этого рассчитаем максимально возможный коэффициент усиления каскада:
<К0уст
=2,5 –условие выполняется.
Теперь рассчитаем коэффициенты включения:
.
.
Проверим необходимое ослабление зеркального канала:
»68,6дБ.
Для того, чтобы добиться заданных требований по избирательности параметры колебательного контура должны находиться в пределах: С=10...385 пФ, собственное затухание контура 0,01...0,03, затухание катушки связи 0,05. Входом схемы является входная цепь, далее идет каскад преобразователя частоты на транзисторе.
Посколько Rд =1,06, то параметры транзистора и каскада изменяются мало. Поэтому расчет произведен на средней частоте, для которой Y21 =0,077См, д11 =7мСм,д22 =1 мСм, С11 =36 пФ, С22 =4 пФ.
Принято : д11
0,75*2,8 =
2,1 мСм и С11
0,8*36=
29 пФ.
Устойчивый коэффициент усиления каскада:
,
![]()
расчет проведен на устойчивый коэффициент усиления. Рассчитаем минимальный каскад пропускания:
![]()
;
коэффициент включения антенной цепи и входа первого каскада к контуру:
Р1
=
P2
=
LК
=
1/(
)=
1,25 мГн
Так как входная проводимость равна 2,1*10-3 См, то RВХ =476 Ом, входная емкость разделительного конденсатора равна СВХ =29пф. Конденсатор колебательного контура имеет емкость равную Скк =10-365 пФ, индуктивность колебательного контура Lrr =1,25 мГН, напряжение питания схемы постоянное 12 В. В соответствии с полученными результатами проведенных расчетов выбрана элементная база.
Проектирование детектора широкоимпульсного сигнала с линейной частотной модуляцией
Устройство, предназначенное для выделения огибающей процесса называется детектором. При UмÐ0.3-0.5В диодный детектор работает в квадратичном режиме. Операцию получения квадрата огибающей выполняют в два приема: сначала с помощью линейного детектора выделяют огибающую, напряжение которой затем подают квадратор. Квадратор относится к устройствам , реализующим операцию умножения процесса на процесс. Наиболее совершенные перемножители-умножители компенсационного типа.

Рис.4. Умножитель компенсационного типа.
При подаче на вход 1 (U
) напряжения U
реализуется операция возведения в квадрат. Умножитель компенсационного типа состоит из двух перемножителей прямого действия. Простейшим умножителем является избирательный усилитель с регулируемым коэффициентом усиления. Так же в состав умножителя компенсационного типа входит операционный усилитель (ОУ). Амплитудный линейный детектор (АД) выполняют на полупроводниковых диодах или транзисторах. Диодные полупроводниковые детекторы могут иметь как последовательные, так и параллельные схемы включения.

Рис.5. Последовательная схема включения АД.
Источником сигнала является колебательный контур Lк, Ск , индуктивно связанный с выходом резонансного усилительного каскада. К нему подключен детектор , образованный диодом Д и нагрузкой RC. Фильтр (Lф и его паразитная емкость Сф) - уменьшает высокочастотные пульсации выходного напряжения.
Перед детектированием импульсы, принимаемые РЛ приемным устройством, согласно структурной схеме, проходят фильтровую обработку. Фо - представляет собой согласованный фильтр. Фильтр Фв - весовой сумматор на скользящем интервале.

Рис.6.Весовой сумматор на скользящем интервале.
Проектирование структурной схемы информационного тракта
Важнейшей составной частью оптимального приемника являются оптимальные линейные фильтры, наиболее характерными из которых являются фильтры, создающие на своем выходе максимальное отношение сигнал-шум, и фильтры, обеспечивающие минимальную средне-квадратическую ошибку в воспроизведении сигнала. К первым относятся так называемые согласованные (с сигналом) фильтры, у которых частотная характеристика совпадает со спектром сигнала (точнее — является комплексно-сопряженной, с ним): K(jω)=aS*(jω)exp(-jωt0 ) , где а - постоянный коэффициент; S (jω) - спектр сигнала; t 0 - временной сдвиг (от начала сигнала). Такой фильтр обеспечивает максимальное отношение пикового значения напряжения сигнала в момент t 0 к среднеквадратическому значению напряжения шума:
(2.18)
где Q — энергия сигнала на входе фильтра; N0 — спектральная плотность входного шума.
Импульсная - характеристика фильтра, согласованного с сигналом uc (t) , равна η(t)=auc (tc -t) , т.е. представляет собой зеркальное отображение сигнала.
Согласованные фильтры физически реализуемы не для всех сигналов, в частности необходимо, чтобы сигнал был конечной длительности.
Обычно выбирают t 0 =t и (условно считается, что ноль времени соответствует началу сигнала).
При практическом использовании согласованного фильтра (СФ) на его выходе обычно ставится схема взятия отсчета (СВО), работающая от схемы синхронизации СС и фиксирующая напряжение сигнала в момент А, (рис. 2.5). Наиболее просто выполняется согласованный фильтр для одиночного прямоугольного импульса напряжения (например телеграфной посылки, рис. 2.6, а). Он состоит из интегратора входного напряжения с передаточной функцией a/jω (a - постоянный коэффициент), устройства задержки с передаточной функцией exp(- jωt 0 ) и сумматора сигналов. Аналогично выглядит структурная схема согласованного фильтра для радиоимпульса с несущей частотой ωc и прямоугольной огибающей. Но в отличие от фильтра для одиночного импульса здесь должен быть применен интегратор огибающей входного сигнала с передаточной функцией a/j(ω - ωc ) .
Разновидностью оптимального фильтра первого типа является коррелятор, состоящий из перемножителя входного сигнала на его копию, генератора копии ГК и интегратора (рис.7). На рис.7 дополнительно показаны цепь синхронизации и схема взятия отсчета. Синхронизация нужна для того, чтобы включать генератор копии ГК точно в момент прихода сигнала, а в момент t0 произвести отсчет напряжения на выходе интегратора (после чего генератор должен быть возвращен в начальное нулевое состояние).
Несмотря на сходство конечных результатов, коррелятор и согласованный фильтр имеют много отличий. Согласованные фильтры являются пассивными системами, не критичными к фазе и задержке входного сигнала. В то же время они могут быть чувствительными даже я небольшим различиям между моментом взятия - отсчета выходного напряжения и моментом, когда это напряжение достигает максимума (рис. 2.8). Корреляторы являются активной системой. Они менее критичны к нестабильности момента взятия отсчета, но весьма чувствительны к рассогласованию между фазами принимаемого сигнала и копии.
Можно показать, что на выходе согласованного фильтра формируется сигнал, соответствующий (с точностью до постоянного множителя) зеркальному отображению относительно точки t 0 корреляционной функции входного сигнала. На выходе коррелятора формируется постоянное напряжение, нарастающее от нуля до максимального значения в момент окончания вводного сигнала (рис. 2.8, в ). Это значение соответствует, конкретной точке взаимной корреляционной функции входного сигнала и опорного сигнала, используемого в качестве копии, и определяется задержкой входного сигнала относительно копии, а также его фазой.
Коррелятор обладает "памятью", т. е. после окончания входного сигнала выходной сигнал сохраняется как угодно долго, и перед приходом следующего входного сигнала необходимо возвратить интегратор в начальное нулевое состояние. Таким образом выходные сигналы согласованного фильтра и коррелятора совпадают только в момент t 0 .
Есть еще одно важное отличие - для перехода на работу с другим сигналом в оптимальном фильтре надо изменить его схему. В корреляторе, по крайней мере принципиально, для этого достаточно сменить только копию сигнала.
Из-за чувствительности выходного напряжения обычного согласованного фильтра или коррелятора к моменту взятия отсчета или фазе входного сигнала эти устройства не могут использоваться для сигнала c неизвестной фазой.



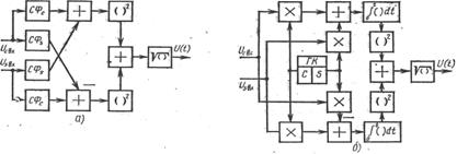
Рис.7 Схемы фильтров, нечувствительных к фазе сигнала, с использованием двух корреляторов (a ) и амплитудного детектора (б )
Оптимальный фильтр, не чувствительный к фазе сигнала, состоит из двух корреляторов, на перемножители которых от генератора подаются квадратурные (сдвинутые на 90°) копии входного сигнала, схем возведения в квадрат и сумматора (рис. 7, а ). Если частота высокочастотного заполнения, входного радиоимпульса достаточно велика по сравнению с длительностью импульса, можно применить более простую для аналогового исполнения схему, состоящую из фильтра, согласованного с сигналом, и амплитудного детектора (рис. 7, б ).
При обработке сигналов эффективным средством решения ряда задач является представление сигнала в комплексной форме (квадратурная обработка сигнала). При частотном преобразовании (перемножении с опорным комплексным сигналом) частота комплексного сигнала смещается без образования паразитной суммарной или разностной составляющей спектра. При переносе частоты несущего колебания комплексного сигнала в ноль образуется так называемая комплексная огибающая, сохраняющая всю информацию о фазе и амплитуде исходного модулирующего сигнала. Это позволяет производить обработку сигнала на наинизшей частоте непосредственно по огибающей с исключением несущей частоты. При квадратурной обработке увеличивается аппаратурная сложность прибора, так как появляются два канала обработки - для синусоидальной и косинусоидальной составляющих сигнала. Эти каналы должны обладать высокой идентичностью характеристик, поэтому квадратурная обработка чаще всего используется в цифровых РПУ.
Для формирования комплексного сигнала чаще всего используется схема на рис. 8, а, которая при наличии генератора, настроенного на несущую частоту сигнала, выделяет комплексную огибающую. Фильтр на выходе каждого из преобразователей частоты пропускает колебания с разностной частотой и подавляет суммарную паразитную частоту спектра.
Комплексный сигнал, образованный из вещественного входного сигнала
Uвх (t)=U(t)·cos[ωc t+φ(t)] имеет на выходе формирователя с опорными частотами sinωt 0 и cos ωt 0 следующий вид (коэффициент преобразования принимаем равным единице):
Uвых (t)=Uc +jUc =U(t){cos[(ω0 – ω0 )t+φ(t)]+j·sіn[(ω0 – ω0 )t+φ(t)]},
где косинусоидальная и синусоидальная составляющие сигнала присутствуют каждая на своем выходе формирователя (рис.8, а ).

Рис. 8. Функциональные схемы оптимального фильтра комплексного сигнала на основе согласованных фильтров (а ) и корреляторов (б )
Схема на рис.8, б проще, но в ней необходим широкополосный фазовращатель при широкой полосе спектра сигнала. Составляющие комплексного сигнала на выходе схемы
![]()
В согласованном фильтре комплексного сигнала используются четыре фильтра действительного сигнала (рис.8, а ) СФc и СФs , согласованные соответственно с квадратурными составляющими входного сигнала Uс вх и Us вх . Фильтр на рис.8, а дополнен квадратурным устройством выделения модуля огибающей. Аналогично можно построить оптимальный фильтр на основе корреляторов (рис.8, б), если использовать квадратурный генератор копии сигнала ГК. В зависимости от назначения или удобства выполнения практические схемы оптимальных фильтров могут несколько видоизменяться.
В ряде случаев удобной оказывается корреляционно-фильтровая схема оптимального фильтра, представляющая комбинацию коррелятора и согласованного фильтра. Так, в схеме оптимального фильтра для радиоимпульса (рис.7) генератор копии может быть заменен генератором непрерывных синусоидальных колебаний, синхронизированным схемой синхронизации с несущей входного сигнала. Сигнал на выходе перемножителя фильтра представляет собой огибающую радиоимпульса, который может уже фильтроваться фильтром, согласованным с импульсом напряжения (например, интегратором, также изображенным на рис.7).

При практической реализации информационных трактов аналоговых РПУ часто используются квазиоптимальные фильтры, у которых форма частотной характеристики заранее задана и максимум отношения сигнал-шум обеспечивается лишь соответствующим подбором полосы пропускания этой частотной характеристики. При существенном аппаратурном упрощении квазиоптимальные фильтры позволяют для простых сигналов получать результаты, близкие к результатам, получаемым с оптимальными фильтрами. Например, для одиночного радиоимпульса длительностью t и с прямоугольной огибающей квазиоптимальный полосовой фильтр с частотной характеристикой, имеющей прямоугольную форму, и оптимальной полосой пропускания П опт = 1,37/t и дает по сравнению с оптимальным фильтром проигрыш в отношении сигнал-шум 1,22 раза, или 0,8 дБ. При реальных (не прямоугольных) частотных характеристиках фильтра, проигрыш оказывается еще меньше. Заметим, что ПФ 2-го порядка (частотная характеристика которого аналогична характеристике одиночного LC-контура) превращается в идеальный интегратор огибающей сигнала, если его полоса пропускания по уровню 0,7 меньше 0,2/t и .
Однако такой фильтр, почти оптимальный при приеме одиночных посылок сигнала, становится неоптимальным при приеме двоичных сигналов, когда посылки напряжения (или радиоимпульсы) следуют друг за другом без паузы. Это объясняется появлением в таком фильтре межсимвольных помех - «запоминания» предыдущей посылки, которая накладывается на последующую. Для борьбы с этим явлением используется схема так называемого кинематического фильтра (рис. 2.6, б ), в котором интегратор с помощью переключателя S каждый раз в конце приема очередной посылки возвращается в исходное состояние.
Применение приборов с переносом заряда
Наиболее эффективно применение приборов с переносом заряда (ППЗ), к которым относятся приборы "пожарных цепочек" (ППЦ) и приборы с зарядовой связью (ПЗС) для фильтрации сигнала. Последовательный (конвейерный) характер обработки сигнала в ПЗС и ППЦ наибе-лее соответствует созданию на них трансверсальных (нерекурсивных) фильтров (рис.11, а). Весовые коэффициенты ki на рис. 11, а определяют импульсную дискретизованную во времени характеристику фильтра. Принцип построения фильтров на ПЗС и ППЦ подобен построению фильтров на цифровых схемах, аналогично производится и расчет этих фильтров.


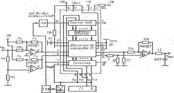
Рис. 9. Структурная схема и схема включения ИС К593БР1 (а) и ИС. К528БР1 (б). а также тактовые импульсы (в)

Рис. 10. Схема включения двух линий задержки
Достоинством фильтров на ПЗС и ППЦ по сравнению с цифровыми является отсутствие АЦП, более простая структура, существенно меньшие габариты и потребление мощности при большем быстродействии.
Неразрушающие информацию отводы в ПЗС реализуются с помощью добавочных диффузионных областей либо с использованием плавающих затворов, в которых в свою очередь должен быть подключен усилитель.
Для реализации весовых коэффициентов используется ряд схемотехнических методов, в частности метод разрезания электродов, изменение сопротивления нагрузки считывающего усилителя и т. п. Для изменения знака коэффициента взвешенные сигналы суммируются раздельно по двум шинам, с которыми сигналы потом подаются на вычитающее устройство.
Более перспективно программируемое задание коэффициентов (программируемые фильтры на ПЗС), которое может осуществляться с помощью изменения крутизны аналогового перемножителя, проводимости МОП- транзисторов, используемых в качестве переключателей. Большой интерес представляют фильтры на ПЗС, в которых коэффициенты в двоичной форме хранятся в ПЗУ, откуда периодически вводятся в аналоговый динамический регистр коэффициентов с помощью ЦАП и сканирующего регистра (рис. 11, б). Регистр коэффициентов представляет собой набор МОП- емкостей. Недостатком такого метода является необходимость регенерации информации в аналоговом регистре (время хранения коэффициентов не более 2 с) и наличие 2-уровневой памяти (ПЗУ — аналоговый регистр).

Рис. 11. Структура непрограммируемого (а) и программируемого (б) трансверсального фильтра на приборе с зарядовой связью
Другим вариантам хранения коэффициентов является использование статического цифрового регистра коэффициентов. В качестве перемножителей в этом случае применяется множительный ЦАП (МЦАП) по одному в каждом отводе ЛЗ. Из-за большей сложности этот вариант применяется только для фильтров с малым числом элементов задержки (N < 32).
Хотя теоретически для реализации не рекурсивных фильтров с характеристиками, близкими к характеристикам аналоговых фильтров, требуется бесконечно большое число отводов от ЛЗ, приемлемые для практики результаты получаются и при числе отводов не более 32 (рис. 12). Число элементов задержки порядка 32 при существующем уровне развития технологии считается оптимальным с точки зрения максимума отношения сигнал-шум на выходе и максимума затухания передачи в полосе задерживания фильтра. Существенным достоинством трансверсальных фильтров является линейность их фазовой характеристики.
Наряду с трансверсальными, на ПЗС строят и рекурсивные фильтры. Однако при реализации таких фильтров на ПЗС не является принципиальным основное достоинство этих фильтров — использование малого числа элементов задержки. В то же время для рекурсивных фильтров необходима большая стабильность коэффициента передачи, высокая точность при суммировании, что просто осуществляется в многоразрядных цифровых процессорах, но плохо реализуется на ПЗС. Кроме того, рекурсивные фильтры из-за многократного суммирования сигнала обладают существенно меньшим динамическим диапазоном, чем нерекурсивные. Из-за многократного преобразования напряжения или тока в заряд" у рекурсивного фильтра на ПЗС ухудшается линейность амплитудной характеристики и возрастают шумы.
Важным частным случаем применения фильтров является согласованней фильтрация. Импульсная характеристика такого фильтра является зеркальным отображением входного сигнала, поэтому согласованный фильтр можно построить по схеме обычного частотного фильтра (рис. 11, а), при соответствующем выборе весовых коэффициентов. Очевидно, что и любой программируемый ПЗС трансверсальный фильтр (например, на рис. 11, б) может использоваться в качестве согласованного.
Согласованные ПЗС фильтры комплексного сигнала .выполняются по классической схеме где в качестве СФС и СФS применяются фильтры типа изображенных на рис. 11, согласованные с действительной и мнимой составляющей входного сигнала.
Наиболее простую структуру имеет фильтр, согласованный с псевдослучайной импульсной последовательностью. Коэффициенты такого фильтра принимают только два значения + 1 или — 1, число элементов задержки равно числу импульсов в псевдослучайной последовательности. Для получения таких коэффициентов обычно соответствующий считывающий электрод в зависимости от знака коэффициента присоединяется к одной из суммирующих шин «плюс» или «минус». Сигналы с этих шин подаются на дифференциальный усилитель, где и происходит окончательное их суммирование с учетом знаков (рис. 13).
На одном кристалле, кроме ПЗС, расположены схемы согласования ТТЛ- и МОП- логики, формирователи тактовых импульсов, усилители считывания, выходные амплитудные детекторы.
Иначе реализована схема программируемого фильтра с двоичными коэффициентами на 32 элемента задержки в ИС К528ХК1 (табл.1). В отличие от предыдущего фильтра аналоговый сигнал не перемещается по аналоговому регистру, а записывается последовательное каждую ячейку памяти двухканального аналогового ЗУ с помощью селектора (сканирующего регистра записи и соответствующих переключателей). Синхронно с записью вдоль регистра кода коэффициентов (динамического цифрового сдвигового регистра) перемещаются значения двоичных коэффициентов, которые через буферный регистр с помощью МОП переключателей считывают (без разрушения) информацию о выборке сигнала на шину «плюс» или «минус» внешнего сумматора. Считывание производится в противофазе одновременно с обоих аналоговых ЗУ. Достоинством этого метода является возможность наращивания длины фильтра путем каскадного включения без искажения сигнала, так как здесь отсутствует передача сигнала с фильтра на фильтр. Максимальная длина фильтра определяется временем хранения аналогового сигнала в ячейках памяти, которое составляет 75 мс.

Рис. 12. Амплитудно-частотная характеристика 32-коэффициентного ФНЧ (а) и соответствующая импульсная характеристика (б)

Рис.13. Программируемый фильтр, согласованный с псевдошумом

Рис,14. Структурная схема и схема включения ИС К528ХК
Фильтр управляется от внешнего формирователя тактовых и управляющих сигналов Г1 импульсами амплитудой + 15 В.

Рис.. Структурная схема анализатора спектра, выполненного на одной ИС
Микросхему К528ХК1 можно использовать в качестве согласованного фильтра и при произвольных значениях весовых коэффициентов, если представить каждый коэффициент в виде kl = kl n 2n + kl n-1 2n-1 + ... + kl 0 20 , где kl i = ± 1. Для получения отсчета при умножении выборки сигнала на коэффициент kl эта выборка умножается в n + 1 параллельно включенных фильтрах соответственно на коэффициенты kl n ,..., kl 0 , после чего результат суммируется во внешнем сумматоре с весовыми коэффициентами соответственно 1 ... 1/2n .
Неточность весовых коэффициентов в согласованных фильтрах проявляется слабее, чем в обычных частотных фильтрах. Это объясняется тем, что согласованные фильтры оптимизированы по максимальному отношению РС /РШ и, следовательно, производная этого отношения по любому из весовых коэффициентов фильтра равна нулю.
Устройства на ППЗ позволяют осуществлять преобразование Фурье, которое используется в анализаторах спектра, схемах обнаружения сигнала, частотных фильтрах и т. п. Для этого применяется алгоритм, основанный на согласованной фильтрации сигнала, предварительно гетеродинированного с помощью ЛЧМ колебания. В ИС входят четыре ЦАП, выполняющих роль перемножителей входного и опорного сигналов (МЦАП), сумматоры на ОУ, четыре ПЗС фильтра Ф1 и Ф2, согласованных с квадратурными составляющими сигнала (рис.15). Число коэффициентов в фильтрах — 32, максимальная тактовая частота 1 МГц. Особенностью устройства является хранение квадратурных составляющих ЛЧМ опорного сигнала в цифровой форме в памяти микросхемы, откуда они подаются на МЦАП. Для вычисления составляющих спектра входного сигнала добавлены внешние сумматор и квадраторы. Входящие в ИС два дополнительных МЦАП позволяют организовать обработку комплексного входного сигнала или восстановление на выходе частоты спектральных компонент входного сигнала.Возможность внешнего программирования фильтров на ПЗС позволяет создавать на основе этих фильтров адаптивные компенсаторы помех. Адаптивный компенсатор помех является оптимальным фильтром, минимизирующим среднеквадратическую погрешность в воспроизведении сигнала и обладающим возможностью адаптации к сигналу и помехе. Компенсаторы помех применяются при передаче речевого сигнала, фильтрации узкополосного сигнала на фоне широкополосной помехи и т. п., где есть возможность принять сигнал помехи отдельно от полезного сигнала.
Динамические емкостные фильтры
Динамические емкостные фильтры (ДЕФ) выполняются на основе МОП- емкостей и МОП- переключателей, управляемых внешними тактовыми импульсами. В отличие от БИС на основе ПЗС ДЕФ являются ИС среднего уровня интеграции. Обычно ДЕФ реализуются в виде рекурсивных фильтров, поэтому они не требуют большого числа элементов задержки. Стабильность параметров фильтров определяется внешней тактовой частотой и отношением МОП- емкостей, что достаточно просто реализуется в ИС.
Использование этого принципа привело в настоящее время к ряду других разработок на основе емкостей и. переключателей: АЦП и ЦАП на емкостях, управляемых цифровым сигналом аттенюаторов и т. п.
При синтезе ДЕФ используют различные методы. По одному из них ДЕФ строится путем моделирования классических схем цифровых фильтров. Однако подобная реализация имеет повышенную чувствительность к изменению параметров элементов. Другой метод исходит из представления емкости с пере ключателем в виде эквивалентного резистора с параметрами Rc = 1/Сfт( где fт — частота переключения. Фильтр синтезируется на основе активного RC-фильтра путем замены резисторов коммутируемыми емкостями.


Рис.16. Схема аналогового дифференциального интегратора (а) и эквивалентного ему интегратора на коммутируемых емкостях (б)


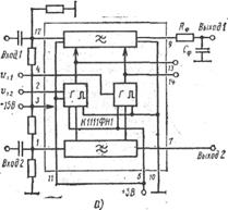
Рис. 17. Схема включения ИС К1П1ФН1 (а) и амплитудно-частотная характеристика ее (б).
Например аналоговый дифференциальный интегратор (рис. 4.28, а) заменяется эквивалентным ему интегратором на коммутируемых емкостях (рис.16, б). Если рабочая частота фильтра много меньше fт амплитудно-частотная характеристика ДЕФ полностью совпадает с амплитудно-частотной характеристикой активного RC-эквивалента.
Максимальные тактовые частоты ДЕФ определяются частотными свойствами МДП- усилителей и составляют 2 ... 5 МГц,
В табл. 1 (рис.17) приведены основные данные ИС КШ1ФН1, являющейся ФНЧ на коммутируемых емкостях и содержащей два ФНЧ 4-го порядка, перестраиваемых изменением тактовой частоты, и внутренние формирователи тактовых импульсов. Формирователь управляется двумя внешними последовательностями импульсов uТ1 , uТ2 тактовой частоты, сдвинутыми относительно друг друга на половину периода следования, амплитудой 5 В.
Таблица 4.8.
| ИС | Ku | U вх max, В | Uш вх max, мВ | fт min, кГц | fт max, кГц | Pпот, мВ |
| К593БР1 | 1,05…1,8 | 1 | 3 | 16 | 1 | 100 |
| К528БР1 | 1,3…2,5 | 1,5 | 2 | 32 | 1 | 60 |
| К528ХК1 | 1…2 | 3 | - | 20 | 2 | 300 |
| К1111ФН1 | 1…1,4 | 1,5 | 3 | 10 | 2 | 100 |
Заключение
В данном курсовом проекте, в соответствии с заданием, спроектирован УКВ радиоканал цифровой радиосвязи с разработкой радиоприемного устройства и с электрическим расчетом усилителя радиочастоты. Проведен энергетический расчет радиоканала.
После выбора схемы электрической структурной радиоприемника обоснованы параметры не указанные в задании на курсовое проектирование.
На этапе разработке схемы электрической функциональной установлены общие принципы функционирования отдельных блоков и всего радиоприемника в целом. Уяснена роль и назначение его отдельных элементов.
На основе схемы электрической функциональной была разработана схема электрическая принципиальная всего радиоприемника. На этом этапе, на основе электрического расчета, также были выбраны полупроводниковые элементы, используемые в схеме.
Разработанное радиоприемное устройство можно целесообразно использовать в военном направлении, так как его характеристики удовлетворяют требованиям предъявляемым к аппаратуре боевого управления, в частности на машине связи.
Дальность связи позволяет использовать данное радиоприемное устройство в позиционном районе ракетного полка для приема сигналов оперативного управления. В тоже время вероятность доведения и трансформации , а также высокая избирательность, позволяют использовать данное радиоприемное устройство для приема сигналов АСБУ.
Рабочий диапазон частот позволяет произвести сопряжение разработанного радиоприемного устройства с другими радиосредствами РК.
Была выбрана неоптимальная с точки зрения элементной базы принципиальная схема. Более целесообразной могла стать схема приемника на одной микросхеме. Например: К174ХА10. Поставленная задача решена полностью. Разработанная схема приемника соответствует требованиям технического задания
Литература
1. Бобров Н.В., Москва, «Радио и связь», 1981 г., « Расчет радиоприемников».
2. Екимов В.Д,, Павлов П.Н., Связь, 1970 г., «Проектирование РПМИ».
3. Злобин В.И. и др., Серпухов, 1985 г., «Радиопередающие и радиоприемные устройства».
4. Зеленевский В.В., и др., Серпухов, 1994 г., «Радиопередающие устройства».
5. Зеленевский В.В., и др., Серпухов, 1992 г., «Проектирование цифровых каналов связи».
6. Хиленко В.И., Малахов Б.М., Москва, «Радио и связь», 1991 г., «Радиоприемные устройства».

