| Похожие рефераты | Скачать .docx |
Реферат: Ремонт и обслуживание СВЧ печей
Министерство образования Российской Федерации
Казанский Государственный Технический Университет
им. А.Н. Туполева
Контрольная работа
По дисциплине:
«Бытовая радиоэлектроника»
На тему:
«Ремонт и обслуживание СВЧ печей»
Выполнил ст.гр.5631
М.А. Лукьянов
Проверил
О.Г. Морозов
Казань 2002
Содержание
1.Введение……………………………………………………………………3
2.СВЧ установки и их рабочие камеры………………………………….5
3.Магнетрон…………………………………………………………………6
4.Блок питания магнетрона……………………………………………….9
5.Высоковольтный диод…………………………………………………..11
6.Блок управления и ввода информации………………………….…….12
7.Требования к СВЧ установкам…………………………………….…...13
8.Меры безопасной работы при ремонте и регулировке………….…..14
9.Элементная база………………………………………………………….16
10.Ремонт плат с печатным монтажом………………….………………24
11.Методы отыскания неисправностей………………………………….25
12.Пример электрической принципиальной схемы СВЧ печи………27
13.Рекомендации по ремонту……………………………………….…….30
14.Список литературы…………………………………………………….31
Введение
СВЧ нагрев и его применение
Технологическая обработка самых различных объектов почти всегда включает в себя термообработку и в первую очередь нагрев или сушку.
При традиционных способах нагрева и сушки (конвективном, радиационным и контактном) нагрев объекта происходит по поверхности. Если теплопроводность объекта низка, что имеет место у диэлектриков, то термообработка объекта происходит медленно, с локальным перегревом поверхности нагрева, отчего возможно подгорание этой поверхности, возникновение внутренних механических напряжений. Все это в конечном счете может привести к выходу объекта из строя.
Сверхвысокочастотным называется нагрев объекта энергией электромагнитного поля сверхвысоких частот. Электромагнитная волна, проникая в объект, взаимодействует с заряженными частицами. Совокупность таких микроскопических процессов приводит к поглощению энергии поля в объекте. Полное описание эффекта может быть получено лишь с помощью квантовой теории. Ограничимся учетом макроскопических свойств материальной среды, описываемых классической физикой.
В зависимости от расположения в них зарядов молекулы диэлктрической среды могут быть полярными и неполярными. В некоторых молекулах расположение зарядов столь симметрично, что в отсутствии внешнего электрического поля их электрический дипольный момент равен нулю. Полярные молекулы обладают некоторым электрическим дипольным моментом и в отсутствии внешнего поля. При наложении внешнего электрического поля неполярные молекулы поляризуются, то есть симметрия расположения их зарядов нарушается, и молекула приобретает некоторый электрический момент.
Под действием внешнего поля у полярных молекул не только меняется величина электрического момента, но и происходит поворот оси молекулы по направлению поля. Обычно различают электронную, ионную, дипольную и структурную поляризации диэлектрика. На СВЧ наибольший удельный вес имеют дипольная и структурная поляризации, так что выделение тепла возможно даже в отсутствии тока проводимости.
СВЧ устройства для технологических целей работают на частотах, установленных международными соглашениями. Для термообработки в диапазоне СВЧ наиболее часто используются электромагнитные колебания на частотах 433, 915, 2375 (2450) Мгц. В таблице приведены сведения о глубине проникновения электромагнитной волны в некоторые из диэлектриков с потерями.
Таблица 1
Глубина проникновения электромагнитной волны
В диэлектрике с потерями при 20-25о С
| Диэлектрики |
Глубина проникновения, см |
||
| 433 Мгц |
915 Мгц |
2375 Мгц |
|
| Титанат бария |
11.3 |
3.5 |
0.6 |
| Метиловый спирт |
33.0 |
7.8 |
1.4 |
| Вода |
70.5 |
23.4 |
3.5 |
| Стекло |
4600 |
2180 |
840 |
| Мясо |
5.1-10.7 |
2.8-6.2 |
1.6-3.1 |
| Овощи |
8.1-9.1 |
5.0-6.3 |
2.6-3.0 |
| Рыба |
5.0-6.2 |
3.4-3.8 |
1.2-2.0 |
Итак, если вместо традиционных способов нагрева использовать нагрев с помощью энергии СВЧ колебаний, то из-за проникновения волны в глубь объекта происходит преобразование этой энергии в тепло не на поверхности, а в его объеме, и потому можно добиться более интенсивного нарастания температуры при большей равномерности нагрева по сравнению с традиционными способами нагрева. Последнее обстоятельство в ряде случаев приводит к улучшению качества изделия.
СВЧ термообработка обладает рядом других преимуществ. Так, отсутствие традиционного теплоносителя обеспечивает стерильность процесса и безинерционность регулирования нагревом. Изменяя частоту, можно добиться нагрева различных компонентов объекта. СВЧ электротермические установки занимают площадь меньшую, чем аналогичные установки с традиционным энергоприводом, и оказывают меньшее вредное воздействие на окружающую среду при лучших условиях труда обслуживающего персонала.
СВЧ установки и их рабочие камеры
При любом назначении СВЧ электротермической установки, она имеет структурную схему, приведенную на рисунке 1.
|
||
![]() |
||
Рис.1
Основным генератором СВЧ энергии является магнетрон. Из приборов других типов наиболее перспективны клистроны и СВЧ триоды. Генерируемая мощность поступает по волноводу (линия связи) в рабочую зону СВЧ печи, представляющую собой прямоугольную камеру (рабочая камера). Рядом с волноводным выходом расположен диссектор, вращающийся от воздушной струи вентилятора. Диссектор необходим для того, чтобы получать равномерное распределение СВЧ поля по объему камеры и, следовательно, обеспечить равномерный нагрев продукта. В новых конструкциях СВЧ печей используют не диссектор, а вращающийся столик, на который помещают обрабатываемый продукт. Система управления (по другому блок управления и ввода информации) управляет всем технологическим процессом обработки.
Магнетрон
Магнетрон это электровакуумный прибор, предназначенный для генерирования колебаний сверхвысокой частоты. При работе магнетрона выделяется мощность, которая переходит в тепло, т.е. внутри рабочей камеры создается «тепловое СВЧ электромагнитное поле». Конструкция магнетрона показана на рисунке 2.
Рис.2
Колебательная система – анодный блок (1) содержит резонаторы (2), форма и размеры которых выбираются в зависимости от рабочей длины волны. Внутренняя цилиндрическая полость (3) называется пространством взаимодействия. В центре этой полости располагается цилиндрический катод (4), подогреваемый обычной нитью накала. К магнетрону извне прилагается сильное постоянное однородное магнитное поле, направленное вдоль оси цилиндрической полости. В пространстве взаимодействия (3) переменным электрическим и постоянным внешним магнитным полем происходит управление электронными потоками. Электроны, вылетевшие с поверхности катода, под воздействием скрещенных электрических и магнитных полей движутся между электродами по циклоидальным траекториям. При своем движении они пролетают мимо щелей резонаторов (2) и возбуждают в них электромагнитные колебания.
Внутри одного из резонаторов располагается петля связи (5) для вывода СВЧ энергии из магнетрона в рабочую зону печи. Петля связи одним концом припаяна к стенке резонатора, а другим присоединена к короткой коаксиальной линии (6), которая возбуждает прямоугольный волновод (7). По волноводу (7) СВЧ мощность поступает в рабочую камеру печи.

Рис. 3
На рис. 3 изображен внешний вид магнетрона:
1. Металлический колпачок насажан на керамический изолятор 2.
3. Внешний кожух магнетрона 4. Фланец с отверстиями для крепления. 5 Кольцевые магниты служат для распределения магнитного поля. 6. Керамический цилиндр для изоляции антенны. 7. Радиатор служит для лучщего охолождения. 8. Коробочка фильтра. 9. Узел соединения магнетрона с источником питания содержит переходные конденсаторы которые вместе в дросселями образуют СВЧ фильтр для защиты от проникновения СВЧ излучения из магнетрона. 10. Выводы питания.
Магнетрон это вакуумный диод, анод которого выполнен в виде медного цилиндра. Рабочее напряжение анода магнетрона колеблется от 3800 до 4000 вольт. Мощность от 500 до 850 Ватт. Напряжение накала от 3,15 до 6,3 вольта. Магнетрон крепится непосредственно на волноводе. В тех печах где производитель располагает магнетрон с коротким волноводом можно наблюдать такой дефект как пробой слюдяной прокладки. Происходит это в результате загрязнения прокладки.
Дефекты магнетронов : 1.При пробое прокладки часто бывают случаи когда колпачок расплавляется. Можно заменить на колпачок с другого магнетрона. 2.Как любая лампа он может терять свою эмиссию, в результате чего значительно сокращается мощность энергии и увеличивается время приготовления. Можно увеличить продолжительность срока службы магнетрона добавив напряжения накала. Для этого необходимо домотать 0,5 виток накальной обмотки. (в некоторых случаях удается продлить срок службы до 3 лет)
3. Пробой переходных конденсаторов можно обнаружить с помощью тестера. Пробой происходит на корпус магнетрона. Устраняется путем замены узла 9 (см рисунок).
При замене магнетрона необходимо строго соблюдать правила: 1. Диаметр антенны и крепеж должны точно совпадать с оригиналом. 2. Магнетрон должен плотно соприкасаться с волноводом. 3. Длинна антенны должна точно соответствовать оригиналу. 4. Мощность магнетрона должна совпадать.
Блок питания магнетрона.

Рис.4
Блок питания магнетрона обеспечивает выработку питающих напряжений: Анодное напряжение Uа = 4000 вольт A = 300 мА. Напряжение накала U = 3,15 В, I = 10 А.
Напряжение ~220 вольт через специальную схему управления подается на первичную обмотку силового трансформатора. Далее с помощью силового трансформатора (который выполняет также роль стабилизатора) напряжение подается на схему удвоения напряжения собранную на VD1, C1. Сопротивление R1 имеет наминал от 1 до 10 Мом и нужно для того чтобы обеспечивать разряд конденсатора С1 при выключенной печи. В импортных конденсаторах резистор монтируется внутри. Предохранительный диод VD2 (фьюз диод) служит для защиты трансформатора от перегрева в случае замыкания в магнетроне или чрезмерном повышении напряжения на конденсаторе С1. При замыкании резко повышается ток во вторичных обмотках что ведёт к увеличению тока в первичных обмотках и перегорает предохранитель. Данным диодом можно пренебречь т.е. не устанавливать его, но в этом случае необходимо устанавливать предохранитель строго по наминалу. Если замерить напряжение на катоде магнетрона оно будет ровно -4000 вольт (отрицательное), значит на аноде относительно катода напряжение будет ровно +4000 вольт.
Высоковольтный диод
Представляет собой большое количество соединенных последовательно диодов в одном корпусе. Проверить тестером невозможно. Но есть один метод позволяющий с определенной точностью проверить диод. Если подключить его согласно данной схемы. Измерение проводится в двух направлениях, для чего диод необходимо перевернуть.

Рис.5
Блок управления и ввода информации
БУВИ предназначен для задания времени, режимов работы и управления работой СВЧ печи по заданным программам. Структурная схема БУВИ приведена на рисунке 6.
![]() |
Рис.6
Устройство коммутации представляет собой клавиатуру.
Требования к СВЧ установкам
Установки и камеры должны удовлетворять определенным требованиям. Так, они должны обеспечивать заданный технологический режим термообработки, надежную работу генератора, защиту обслуживающего персонала от СВЧ излучения.
Чаще всего к камере предъявляется требование равномерного нагрева по объему объекта с заданной скоростью нарастания температуры (темпом нагрева).
Для надежной работы генератора коэффициент стоячей волны по напряжению камеры не должен превышать допустимого для данного генератора значения. В этом отношении наибольший интерес представляют камеры с бегущей волной, так как они, практически не влияя на работу генератора, могут быть использованы с любым источником СВЧ энергии.
Защита обслуживающего персонала от СВЧ излучения осуществляется разумным конструированием системы загрузки-выгрузки. В конструкции камеры должны быть установлены блокировочные устройства, выключающие генератор в аварийных ситуациях.
Меры безопасной работы при ремонте и регулировке
СВЧ печей.
При ремонте и регулировке проигрывателей компакт-дисков следует строго придерживаться правил безопасности труда. Несоблюдение данных правил может привести к поражению электрическим током или травмам. Следует помнить, что самым опасным для человека является ток частотой 50 Гц, а так же СВЧ излучение.
СВЧ печь под напряжением можно ремонтировать и проверять только в тех случаях, когда выполнение работ в отключенном от сети аппарате невозможно (настройка, регулировка, измерение режимов, нахождение плохих контактов в виде «холодной пайки» и т.д.). При этом необходимо соблюдать осторожность во избежание попадания под напряжение. Следует остерегаться ожога о нагревающиеся элементы.
Во всех случаях работы с включенной СВЧ печью необходимо пользоваться инструментом с хорошо изолированными ручками. Работать следует одной рукой, в одежде с длинными рукавами или в нарукавниках. Другой рукой в это время нельзя прикасаться к корпусу аппарата и другим заземленным предметам (трубам центрального отопления, водопровода и др.).
Измерительные приборы должны подключаться к схеме проигрывателя только после отключения его от сети и снятия остаточных зарядов с элементов схемы. Провода приборов должны оканчиваться щупами и иметь хорошую изоляцию. Корпуса измерительных приборов следует соединить с корпусом.
Запрещается:
- Пайка монтажа СВЧ печи, находящегося под напряжением.
- Ремонтировать аппарат, включенный в электрическую сеть, если помещение, в котором он находится, сырое либо имеет цементный или иной токопроводящий пол.
- Находится возле аппарата лицам, не ремонтирующим его.
Кроме обычных мер предосторожности, перечисленных выше, эксплуатация СВЧ печей требует особого внимания.
Как и любой источник СВЧ излучения, излучение СВЧ печи при прямом воздействии может вызвать повреждение глаз или ожоги кожи. К тому же СВЧ излучение человеческий глаз не видит.
1. Нельзя включать печь при открытой дверце либо сетки.
2. Нельзя делать отверстия в корпусе.
3. При замене магнетрона будьте особенно внимательны. Не оставляйте монтажного мусора в волноводе.
4. Всегда разрежайте емкость в цепях питания магнетрона куском изолированного провода (резистор иногда выходит из строя).
Кроме потенциально опасного СВЧ излучения, печь создает сильное электромагнитное излучение, которое, не являясь опасным для человека, оказывает отрицательное воздействие на наручные часы, магнитные ленты и т.д.
Необходимо учитывать, что при попадании СВЧ печи из холодного помещения в теплое или в помещение с повышенной влажностью на элементах СВЧ печи может конденсироваться влага, присутствие которой отрицательно влияет на нормальную работу проигрывателя.
Элементная база.
Резисторы являются наиболее распространенными элементами радиоэлектронной аппаратуры. Постоянные резисторы обеспечивают режимы работы усилительных приборов, позволяют погасить излишек питающего напряжения, входят в состав сглаживающих фильтров, используются в делителях напряжения и в качестве эквивалентных нагрузок. Переменные резисторы используют в регуляторах различных величин, подстроечные применяют для установки режимов работы аппаратуры в процессе регулировки и настройки.
К неисправностям резисторов можно отнести обрыв выводов; изменение сопротивления; перегрев или обугливание проводящего слоя; пробой резистора (нарушение изолирующего покрытия) при превышении допустимого напряжения; нарушение плавности хода и контакта (в переменных резисторах); плохую фиксацию значения сопротивления (в подстроечных резисторах).
Неисправности резисторов можно выявить визуально или с помощью омметра. Неисправный резистор необходимо заменить. Особое внимание следует уделять мощности рассеяния резисторов. Допускается устанавливать резистор с большей мощностью, но не наоборот. При работе в импульсном режиме средняя мощность не должна превышать номинальную, т.к. через резистор протекают периодические импульсы тока, мгновенные значения которых могут значительно превышать значения в непрерывном режиме.
Конденсаторы входят в состав колебательных контуров, полосовых фильтров, используются в качестве разделительных и блокировочных, элементов связи, накопителей электрических зарядов, в сглаживающих фильтрах, для температурной компенсации, для подавления радиопомех и т.д.
К основным причинам неисправностей конденсаторов постоянной емкости можно отнести механические повреждения; обрыв выводов; пробой диэлектрика; изменение емкости; возрастание потерь; изменение сопротивления изоляции. Подстроечные и переменные конденсаторы могут иметь такие неисправности: короткое замыкание между обкладками; плохую фиксацию значения емкости при её установке; механические повреждения.
Неисправности конденсаторов можно выявить путем осмотра и измерительными приборами. Простейшие неисправности определяют с помощью омметра.
Особенности применения конденсаторов:
- При работе с высоковольтными конденсаторами необходимо учитывать явление абсорбции электрических зарядов в диэлектрике, обуславливающей неполную отдачу энергии (от 3 до 5 %) при быстром разряде конденсатора на нагрузку – опасно для жизни.
- У некоторых слюдяных и керамических конденсаторов может иметь место «мерцание» - самопроизвольное скачкообразное изменение емкости.
- У электролитических конденсаторов значительное снижение сопротивления утечки приводит к нарушению режима работы транзисторов и микросхем. Сложность обнаружения пониженного сопротивления утечки состоит в том, что оно может проявляться под напряжением при работающем приборе.
- Снижение емкости конденсаторов в сглаживающих фильтрах приводит к увеличению пульсаций выпрямленного напряжения.
- При выборе электролитического конденсатора кроме номинальной емкости, необходимо учитывать рабочее напряжение, ток утечки не должен превышать 0.1 мА на 1 мкФ. Недопустима подача напряжения обратной полярности.
Катушки индуктивности, дроссели, трансформаторы проверяются визуально или с помощью омметра. Для обнаружения короткозамкнутых витков рекомендуется следующая схема.
|
|

Рис.7
На выходе генератора синусоидальных колебаний устанавливают частоту равную 1 кГц и подают сигнал через резистор R на проверяемую обмотку L. Напряжение на обмотке контролируется осциллографом. Появление дифференцированных импульсов на обмотке указывает на наличие в ней короткозамкнутого витка.
Коммутационные изделия предназначены для необходимых переключений в электрических цепях радиоаппарата (переключатели, выключатели, реле, штепсельные разъемы, колодки и т.д.).
Причинами неисправностей коммутационных изделий могут быть механические повреждения контактов, загрязнение электрических контактов, выход из строя механических устройств (пружин, отдельных деталей), электрический пробой изоляционного материала переключателя, замыкание между контактными группами, заклинивание механических частей в результате их износа.
Определить неисправности можно визуально или омметром.
Эксплуатация полупроводниковых приборов и микросхем.
Анализ отказов полупроводниковых приборов и микросхем показывает, что в большинстве случаев отказы связаны с повышением предельно допустимых напряжений и токов, а также с механическими повреждениями. Чтобы во время ремонта и регулировки проигрывателя компакт-дисков полупроводниковые приборы и микросхемы не выходили из строя, необходимо соблюдать ряд мер предосторожности. Произвольная замена радиоэлементов, определяющих режим схемы, недопустима даже на короткое время, так как это может привести к перегрузкам транзисторов, микросхем и выходу их из строя. Особенно тщательно надо следить за тем, чтобы щупами измерительных приборов не вызвать случайного замыкания цепей схемы. Не следует подключать к полупроводниковым приборам источник сигнала с малым внутренним сопротивлением, потому что через них могут протекать большие токи, превышающие предельно допустимые значения.
При необходимости замены полупроводниковых проборов и микросхем нужно придерживаться следующих правил:
- Установка и крепление ПП должны производиться с сохранением герметичности корпуса прибора. Чтобы предотвратить появление в них трещин, изгиб выводов рекомендуется производить на расстоянии не менее 10 мм от корпуса прибора. Для этого необходимо плоскогубцами жестко фиксировать выводы между местом изгиба и стеклянным изолятором.
- Замена ПП приборов, микросхем и микросборок производится только при отключенном питании проигрывателя. При демонтаже транзисторов из схемы сначала выпаивается коллекторная цепь. Базовые выводы транзистора необходимо подключать первыми и отключать последними. Нельзя подавать напряжение на транзистор, базовый вывод которого отключен.
- Пайка выводов ПП приборов производится на расстоянии не менее 10 мм от корпуса прибора. Между корпусом и местом пайки следует применять теплоотвод.
- Паяльник должен быть небольшого размера, мощностью не более 40 Вт, с питанием от источника напряжения 12-42 В. Температура жала паяльника не должна превышать 190º C. В качестве припоя необходимо применять сплав с низкой температурой плавления (ПОСК-50-18, ПОСВ-33). Время пайки каждого вывода не более 3 с. Интервал между пайками соседних выводов микросхем не менее 10 с. Жало паяльника необходимо заземлить.
- При установке транзисторов и микросхем на радиаторы контактные поверхности должны быть чистыми, без шероховатостей, мешающих их плотному прилеганию. Контактные поверхности необходимо смазать теплопроводящей пастой КПТ-8.
- При эксплуатации микросхем и транзисторов необходимо строго соблюдать полярности питающих напряжений.
Диоды применяют для выпрямления переменных токов, детектирования модулированных колебаний, ограничения амплитуд сигналов, обеспечения температурной компенсации положения рабочей точки (режима работы) транзисторов, для развязки в логических цепях.
Неисправности ПП диодов можно выявить визуально или с помощью омметра.
При проверке омметром в прямом включении сопротивление перехода должно быть менее десятков Ом, при обратном включении – более сотни Ом. Если проводить контроль работоспособности диода в работе, то при измерении падения напряжения должен быть следующий результат:
у германиевых……………U=(0.3….0.4)В.
у кремниевых…….……….U=(0.6….0.7)В.
Стабилитроны предназначены для стабилизации напряжения. По сути это ПП диод, напряжение на котором в области электрического пробоя при обратном смещении слабо зависит от тока в заданном диапазоне.
Контроль стабилитронов смещенных в прямом направлении осуществляется путем проверки сопротивления, так же как и у диодов.
При контроле стабилитронов без выпаивания измеряется напряжение между анодом и катодом, которое должно быть равным напряжению стабилизации стабилитрона. Если напряжение равно нулю, то стабилитрон короткозамкнут (пробит), если же напряжение значительно больше, чем напряжение стабилизации, то в стабилитроне имеется обрыв.
Транзисторы являются активными (усилительными) приборами. Используются для усиления, детектирования, генерирования, преобразования электрических сигналов, а также для ограничения амплитуд и в схемах переключения и т.д.
Причинами неисправностей транзисторов могут быть обрывы выводов; межэлектродные замыкания; перегрев и разрушение переходов; возрастание обратного тока перехода; механические повреждения (раскалывание и деформация корпуса).
Неисправности определяют с помощью измерительных приборов – тестеров или специальных приборов для измерения параметров.
Простейшую диагностику транзистора можно произвести омметром. Схема проверки показана на Рис.8.
![]()
![]() |
![]() |

![]()

![]()
![]()
![]()
![]()
![]()
![]()
![]()
![]()
![]()
![]()
n-p-n p-n-p Рис.8
На схеме обозначены показания омметра: Н – высокое, L – низкое сопротивление.
Необходимо отметить, что имеют место случаи, когда короткозамкнут участок цепи коллектор-эмиттер, несмотря на то, что оба перехода целы.
Транзистор с периодическим обрывом перехода может оказаться временно работоспособным при его проверке с помощью омметра. Поэтому более достоверным является контроль режимов его работы по постоянному току в различных схемах включения. Рассмотрим их подробнее:
Схема с общим эмиттером
|
|
|
|
|
|
Рис.9
1. Uкэ=0 – короткое замыкание между коллектором и эмиттером или транзистор находится в режиме насыщения из-за неисправных элементов, либо скрытых дефектов монтажа схемы. Режим насыщения переходов транзистора легко определить, если закоротить его базовый вывод на общий провод. При этом у работоспособного транзистора указанное напряжение станет близким к Ек из-за того, что переход база-эмиттер и база-коллектор закрываются и транзистор, как говорят, стягивается в «точку». Если этого не происходит, то транзистор неисправен.
2. Uк=Ек – обрыв одного из переходов или транзистор находится в режиме отсечки из-за неисправных элементов, запирающего напряжения либо скрытых дефектов монтажа. При этом в первую очередь необходимо проверить напряжение между базой и эмиттером, которое должно быть:
+(0.6…..0.7)В для n-p-n
-(0.6…..0.7)В для p-n-p транзисторов.
Если напряжение Uбэ значительно отличается от указанного,
необходимо более тщательно проверить элементы и цепи, откуда
поступает запирающее напряжение на базу.
Схема с общим коллектором
![]() |
Рис.10
1. Uэ=0 – обрыв одного из переходов или транзистор заперт.
2. Uэ=Ек – транзистор пробит или находится в режиме насыщения.
Режим насыщения проверяется вышеописанным способом.
|
|
|
Рис.11
1. U2=0 – обрыв одного из переходов или транзистор заперт.
2. U2=U1 – транзистор пробит или находится в режиме насыщения.
Режим насыщения определяется также.
С учетом вышеизложенного проанализируем схему резистивного усилителя (рис.12) и выявим по известным симптомам неисправные элементы схемы.
|
|
|
Рис.12
Симптом 1: Пониженное напряжение на коллекторе.
Причины: уменьшение напряжения питания Ек, пробой транзистора, повышены токи утечки С1, С2, С3, обрыв R2, R3.
Симптом 2: Повышенное напряжение на коллекторе.
Причины: обрыв одного из переходов транзистора, обрыв R1, R4. Проверить режим насыщения путем параллельного подключения к R1 дополнительного резистора близкого номинала. При этом напряжение на коллекторе транзистора должно уменьшиться.
Интегральные микросхемы очень широко используются в БРЭА. Они представляют собой микроэлектронные устройства, содержащие диоды, транзисторы, резисторы и выполняющие определенную функцию (например, усилитель мощности звуковой частоты).
При эксплуатации микросхем необходимо строго соблюдать полярности питающих напряжений. Причинами их неисправности могут быть обрывы выводов; межэлектродные замыкания; перегрев и разрушение переходов; механические повреждения (раскалывание и деформация корпуса, попадание флюса между выводами и корпусом ИС, приводящее к постепенным отказам и др.).
При отыскании неисправности вначале контролируют режим работы ИС по постоянному току. Заниженное напряжение на одном из выводов ИС может быть из-за наличия утечки подключенного к этой точке конденсатора, который при проверке можно отключить. Работоспособность ИС можно проверить и в динамическом режиме, с помощью осциллографа, контролируя прохождение сигналов, сформированных и подведенных на ее входы. При проверке ИС необходимо убедиться, что ее выход не шунтируется последующим каскадом. Для этого можно перерезать печатную дорожку. При проверке цифровых ИС сформировать сигнал логического нуля можно, соединив вывод с общим проводом. Сигнал логической единицы можно сформировать путем отсоединения вывода от остальной части схемы или подключив к шине питания через резистор сопротивлением 1 кОм.
Ремонт плат с печатным монтажом.
При внешнем осмотре печатных плат нужно проверить целостность печатных проводников, убедиться в отсутствии трещин, разрывов, прогоревших участков. Не рекомендуется подергивать пинцетом за выводы радиоэлементов, так как это может привести к разрушению печатных проводников.
Особую аккуратность следует соблюдать при восстановлении печатной платы, если обнаружен обрыв печатных проводников или они выгорели. В случае отслаивания фольги от основания рекомендуется поврежденное место очистить от грязи, на фольгу и гетинакс в месте повреждения нанести тонкий слой клея БФ-4. Для ускорения склейки можно провести горячим паяльником по отслоившемуся участку фольги. Затем нужно тщательно проверить фольгу, чтобы убедиться в отсутствии паразитных замыканий и разрывов.
В случае нарушения целостности печатного проводника (трещина шириной до 1 мм) поврежденный участок заливают припоем, который должен иметь хорошее сцепление с печатным проводником на 10 мм по обе стороны трещины. При небольших разрывах печатных проводников (сгорание слоя) удаляют следы гари и в разрыв впаивают голый одножильный медный провод диаметром 0.5….0.8 мм.
Замену неисправных компонентов, установленных на печатных платах, с целью сохранения печатного рисунка целесообразно производить в таком порядке. Элемент, подлежащий замене, бокорезами выкусывается из схемы. Затем слегка прогревают место пайки, извлекают остатки выводов элемента и очищают отверстие от наплывов припоя. В освободившееся отверстие платы вставляются выводы нового элемента и их припаивают. При этом элементы располагают так, чтобы на их корпусе можно было прочитать надписи.
Пайка выводов компонентов схемы на печатных платах производятся паяльником мощностью не более 40 Вт. При этом используют легкоплавкие припои ПОС-60, ПОСК-50-18 и бескислотные флюсы. На место пайки флюс наносят кисточкой, не допуская растекания его за пределы спая. Место пайки следует прогреть паяльником, чтобы припой полностью заполнил зазоры между выводом и контактной площадкой фольги. Количество припоя должно быть минимальным, чтобы наплывы его в местах пайки не превышали 1 мм. Продолжительность пайки не должна превышать 5 с. Нельзя перегревать места пайки, так как перегрев может вызвать отслаивание печатных проводников.
Методы отыскания неисправностей.
Ремонт включает работы, связанные с заменой компонентов, ремонтом узлов, блоков, деталей, устранением замыканий, восстановлением и настройкой аппарата.
Отыскание неисправностей – наиболее трудоемкая операция ремонта и требует хороших знаний, навыков и мастерства.
Технология ремонта складывается из четырех этапов: выявления неисправности, определения ее характера, устранения неисправности, проверки после ремонта.
Найти неисправность – значит, найти отказавший, вышедший из строя элемент, узел, модуль, блок, каскад.
Все неисправности проигрывателя компакт-дисков можно подразделить на механические и электрические. Механические неисправности возникают в механических узлах (например, сервосистема позиционирования лазерного звукоснимателя, устройство загрузки дископриемника и т.д.). Электрические неисправности возникают в электрических цепях и проявляются в виде изменения сопротивления, разрыва цепи, короткого замыкания и т.д. в транзисторах, микросхемах, резисторах, конденсаторах, трансформаторах и др.
Способы поиска неисправностей.
Внешний осмотр позволяет выявить большинство механических неисправностей, а также и некоторые электрические.
Внешним осмотром можно проверить качество сборки и монтажа. При проверке качества сборки вручную проверяют механическое крепление отдельных узлов.
Внешним осмотром проверяют также качество электрического монтажа: выявляют целостность соединительных проводников, отсутствие затеков припоя, которые могут привести к коротким замыканиям между отдельными участками схемы, обнаруживают провода с нарушенной изоляцией, проверяют качество пайки, а также наличие всех элементов согласно схеме. Внешним осмотром контролируют соответствие номиналов компонентов, выявляют дефекты отдельных элементов (обрыв выводов, обугливание поверхности резисторов, механические повреждения керамических конденсаторов и др.).
Внешний осмотр производят, как правило, при отключенном питании. При этом необходимо следить, чтобы в монтаж не попали случайные предметы, которые при включении аппарата могут вызвать короткое замыкание.
Внешним осмотром можно выявить неисправность переменных резисторов (по плавности хода оси), подстроечных конденсаторов и т.д. Во включенном состоянии можно определить перегрев трансформаторов, электролитических конденсаторов, корпусов транзисторов и ИС. О наличии неисправностей в схеме аппарата могут свидетельствовать запахи от перегрева компонентов, изменение тона звуковых колебаний, вызываемых работой трансформаторов и других узлов схемы, которые вообще не слышны во время работы или имеют характерный тон звучания (например, слабый гул с частотой сети 50 Гц у силовых трансформаторов).
Иногда во время внешнего осмотра возникают сомнения в исправности компонентов. В таком случае необходимо выпаять элемент и проверить его исправность более тщательно.
Способ промежуточных измерений заключается в последовательной проверке прохождения сигнала от блока к блоку (от каскада к каскаду) до обнаружения неисправного участка. Данный способ применяется, например, в усилителе, состоящим из нескольких каскадов, когда на выходе усилителя вследствие неисправности в каком-то каскаде отсутствует сигнал. Для выявления этого каскада на вход усилителя от генератора подают проверочный сигнал и осциллографом просматривают осциллограммы на выходах отдельных каскадов. На выходе неисправного сигнал отсутствует.
Способ исключения состоит в последовательном исключении исправных каскадов, узлов и блоков в ходе отыскания неисправностей. Так, если в радиоприемнике отсутствует звуковой сигнал на выходе, то неисправность может быть как в высокочастотной, так и низкочастотной частях. Если подать на вход усилителя звуковой частоты проверочный сигнал и при этом на выходе будет слышен сигнал, то усилитель исправен, его можно исключить из дальнейшего поиска неисправности и перейти к проверке высокочастотной части приемника.
Способ замены отдельных неисправных элементов, узлов или блоков на исправные широко используют при проверке и ремонте. Например, заменив блок, модуль на заведомо исправный, можно убедиться в неисправности замененного.
Способ сравнения заключается в сравнении параметров неисправного аппарата с параметрами исправного того же типа или марки.
Поиск неисправности осуществляют по определенному правилу (алгоритму), позволяющему максимально сократить время поиска.
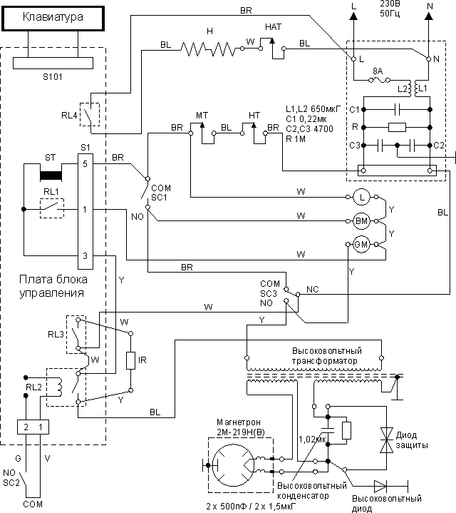
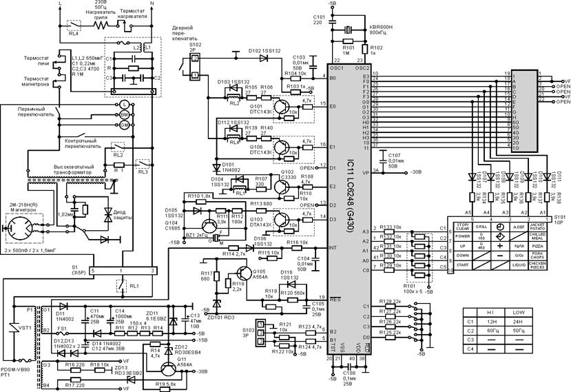
Пример принципиальной электрической схемы СВЧ печи

Рис.13

Рис.14

Рис.15
Рекомендации по ремонту
Чаще всего выходит из строя высоковольтный диод, реже выходит из строя магнетрон. Не на последнем месте слюдяная прокладка. При ремонте проверьте наличие напряжения питания магнетрона -2500 -3500V. На магнетрон приходят 2 силовых провода для подачи напряжения на (катод) и накала.
Простой метод проверки трансформатора или магнетрона. Необходимо снять клемму с магнетрона, отвести её в сторону чтобы не пробило высокое напряжение, затем включить печь в рабочий режим на несколько секунд, выключить её и сразу же одеть клемму обратно на магнетрон. Если проскочит небольшая искра, то трансформатор и высоковольтные элементы как правило исправны. В случае если печь не греет при исправном трансформаторе и проверенном предохранителе неисправен скорее всего магнетрон.
Замечательным инструментом при ремонте СВЧ печи, в частности при диагностике магнетронов являются токовые клещи. Например ECT-650 "Escort". Позволяют измерить ток накала магнетрона, ток потребляемый свч печью, ток высоковольтной обмотки трансформатора. Ток накала =9,5...10А, ток потребляемый печью 4,5.....6А, ток высоковольтной обмотки 0,3...0,5А. Большие отклонения от указанных значений (особенно в сторону увеличения отдельных параметров) говоря о вероятной неисправности магнетрона. Вместе с тем занижение всех параметров может объяснятся плохими контактами начиная от розетки и заканчивая коммутационными элементами (реле, микровыключатели, контакты). При помощи клампметра выявляется ненадежный контакт в цепи накала магнетрона, хотя все звонится нормально при помощи мультиметра. При больших токах плохой контакт проявляет себя. Предлагаемый инструмент позволяет измерять ток быстро и главное безопасно.
На рис. 16 изображена простейшая схема детектора СВЧ излучения.
Рис.16
Список использованной литературы
1.Ю.В. Новиков «Основы цифровой схемотехники» Москва «МИР» 2001
2.В.Г. Прокофьев, Г.Н. Пахарьков «Зарубежная бытовая радиоэлектронная аппаратура» Москва «Радио и связь» 1988
3.В.Н. Павлов, В.Н. Ногин «Схемотехника аналоговых электронных устройств» Москва «Горячая линия – Телеком» 2001
4.М.А. Бродский «Телевизоры цветного изображения» Минск «Вышэйшая школа» 1988
5.В.В. Полибин «Ремонт и обслуживание радиотелевизионной аппаратуры» Москва «Высшая школа» 1991
6.И.И. Нестеренко «Цветовая и кодовая маркировка радиоэлектронных компонентов» Москва «Солон» 1997
7.В.Д. Аракин, З.С. Выгодская, Н.Н. Ильина «Англо – русский словарь» 1991
8.Ресурсы сети Internet.
Похожие рефераты:
Лекции по твердотельной электронике
Разработать лабораторный стенд для испытания устройств защиты судовых генераторов
Компенсация реактивной мощности в системах электроснабжения с преобразовательными установками
Энергосбережение на современном этапе
Анализ и моделирование биполярных транзисторов
Модернизация релейной защиты на тяговой подстанции Улан-Удэ на базе микропроцессорной техники
Основные качества полупроводников
Техническая диагностика средств вычислительной техники
Тиристорные устройства для питания автоматических телефонных станций
Электронные схемы для дома и быта
Разработка устройства автоматического регулирования света на микроконтроллере




