| Похожие рефераты | Скачать .docx |
Реферат: АНАЛИЗ СФЕРИЧЕСКОГО ПЬЕЗОКЕРАМИЧЕСКОГО ПРЕОБРАЗОВАТЕЛЯ
САНКТ-ПЕТЕРБУРГСКИЙ ГОСУДАРСТВЕННЫЙ
МОРСКОЙ ТЕХНИЧЕСКИЙ УНИВЕРСИТЕТ
ФАКУЛЬТЕТ МОРСКОГО ПРИБОРОСТРОЕНИЯ
КАФЕДРА ФИЗИКИ
КУРСОВАЯ РАБОТА
АНАЛИЗ СФЕРИЧЕСКОГО
ПЬЕЗОКЕРАМИЧЕСКОГО ПРЕОБРАЗОВАТЕЛЯ
ВЫПОЛНИЛ:
СТУДЕНТ ГРУППЫ 34РК1
СУХАРЕВ Р.М.
ПРОВЕРИЛ:
ПУГАЧЕВ С.И.
САНКТ-ПЕТЕРБУРГ
ОСЕННИЙ СЕМЕСТР
1999г.
СОДЕРЖАНИЕ
1. Краткие сведения из теории |
3 |
2. Исходные данные |
7 |
3. Определение элементов эквивалентной электромеханической схемы, включая N , Ms , Rs , R пэ , R мп |
8 |
4. Нахождение конечных формул для КЭМС и КЭМСД и расчет их значений |
9 |
5. Определение частоты резонанса и антирезонанса |
9 |
6. Вычисление добротности электроакустического преобразователя в режиме излучения |
10 |
7. Расчет и построение частотных характеристик входной проводимости и входного сопротивления |
10 |
8. Список литературы |
16 |
1. КРАТКИЕ СВЕДЕНИЯ ИЗ ТЕОРИИ
Пьезокерамический сферический преобразователь (Рис.1) представляет собой оболочку 2 (однородную или склеенную из двух полусфер), поляризованную по толщине, с электродами на внутренней и внешней поверхностях. Вывод от внутреннего электрода 3 проходит через отверстие и сальник 1, вклеенный в оболочке.
![]() |
Рис. 1
Уравнение движения и эквивалентные параметры.
![]() |
В качестве примера рассмотрим радиальные колебания ненагруженной тонкой однородной оболочки со средним радиусом а, поляризованный по толщине d , вызываемые действием симметричного возбуждения (механического или электрического).
Рис. 2
Направление его поляризации совпадает с осью z ; оси x и y расположены в касательной плоскости (Рис.2). Вследствие эквипотенциальных сферических поверхностей E 1 = E 2 =0; D 1 = D 2 =0. Из-за отсутствия нагрузки упругие напряжения T 3 равны нулю, а в силу механической однородности равны нулю и все сдвиговые напряжения. В силу симметрии следует равенство напряжений T 1 = T 2 = Tc , радиальных смещений x 1 = x 2 x С и значения модуля гибкости, равное SC =0,5( S 11 + S 12 ). Заменив поверхность элемента квадратом (ввиду его малости) со стороной l , запишем относительное изменение площади квадрата при деформации его сторон на D l :
Очевидно, относительной деформации площади поверхности сферы соответствует радиальная деформация
, определяемая, по закону Гука, выражением
.
Аналогия для индукции:
.
Исходя из условий постоянства T и E , запишем уравнение пьезоэффекта:
;
. (1)
Решая задачу о колебаниях пьезокерамической тонкой сферической оболочки получим уравнения движения сферического элемента
, (2)
где
(3)
представляет собой собственную частоту ненагруженной сферы.
Проводимость равна
, (4)
где энергетический коэффициент связи сферы определяется формулой
. (5)
Из (4) находим частоты резонанса и антирезонанса:
;
. (6)
Выражение (4) приведем к виду:
.
Отсюда эквивалентные механические и приведенные к электрической схеме параметры, коэффициент электромеханической трансформации и электрическая емкость сферической оболочки равны:
;
;
Электромеханическая схема нагруженной сферы.
Учесть нагрузку преобразователя можно включением сопротивления излучения
, последовательно с элементами механической стороны схемы (Рис. 3). Напряжение на выходе приемника и, следовательно, его чувствительность будут определяться дифрагированной волной, которая зависит от амплитудно-фазовых соотношений между падающей и рассеянной волнами в месте расположения приемника. Коэффициент дифракции сферы
k
Д
, т.е. отношение действующей на нее силы к силе в свободном поле, равен
, где
p
- звуковое давление в падающей волне,
ka
- волновой аргумент для окружающей сферу среды.
Приведем формулу чувствительности сферического приемника:
,
где
;
;
.
Колебания реальной оболочки не будут пульсирующими из-за наличия отверстия в оболочке (для вывода проводника и технологической обработки) и неоднородности материала и толщины, не будут так же выполняться и сформулированные граничные условия.
2. ИСХОДНЫЕ ДАННЫЕ
ВАРИАНТ С-41
| Материал | ТБК-3 | ||
| r
,
|
5400 | ||
| 8,3 × 10-12 | |||
| -2,45 × 10-12 | |||
| n
=-
|
0,2952 | ||
| 17,1 × 1010 | |||
| d
31
,
|
-49 × 10-12 | ||
| e33
, |
12,5 | ||
| 1160 | |||
| 950 | |||
| tg d 33 | 0,013 | ||
| 10,26 × 10-9 | |||
| 8,4 × 10-9 |
a =0,01 м – радиус сферы
м – толщина сферы
a =0,94
b =0,25
h АМ =0,7 – КПД акустомеханический
e
0
=8,85
×
10-12
(
r
c
)В
=1,545
×
106
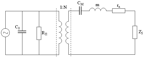
3. ОПРЕДЕЛЕНИЕ ЭЛЕМЕНТОВ ЭКВИВАЛЕНТНОЙ ЭЛЕКТРОМЕХАНИЧЕСКОЙ СХЕМЫ, ВКЛЮЧАЯ N , Ms , Rs , R пэ , R мп
![]() |
Электромеханическая схема цилиндрического излучателя:
Рис. 3
коэффициент электромеханической трансформации:
![]()
N
=-2,105
присоединенная масса излучателя:
![]()
MS =4,851 × 10-5 кг
сопротивление излучения:
![]()
RS
=2,31
×
103
активное сопротивление (сопротивление электрических потерь):
![]()
R ПЭ =1,439 × 103 Ом
С S =4,222 × 10-9 Ф
сопротивление механических потерь:

![]()
R
МП
=989,907
4. НАХОЖДЕНИЕ КОНЕЧНЫХ ФОРМУЛ ДЛЯ КЭМС И КЭМСД
И РАСЧЕТ ИХ ЗНАЧЕНИЙ
![]() |
Представим эквивалентную схему емкостного ЭАП для низких частот:
Рис. 4
статическая податливость ЭАП:
![]()
C
0
=9,31
×
10-11
Ф
электрическая емкость свободного преобразователя:
![]()
CT =4,635 × 10-9 Ф
![]()
![]()
![]()
![]()
КЭМС=0,089 ; КЭМСД=0,08
5. ОПРЕДЕЛЕНИЕ ЧАСТОТЫ РЕЗОНАНСА И АНТИРЕЗОНАНСА:
![]()
![]()
w
р
=1,265
×
107

![]()
w
А
=1,318
×
107
6. ВЫЧИСЛЕНИЕ ДОБРОТНОСТИ ЭЛЕКТРОАКУСТИЧЕСКОГО ПРЕОБРАЗОВАТЕЛЯ В РЕЖИМЕ ИЗЛУЧЕНИЯ
![]()
![]()
Qm =65,201
эквивалентная масса:
![]()
![]()
M Э =0,017 кг
7. РАСЧЕТ И ПОСТРОЕНИЕ ЧАСТОТНЫХ ХАРАКТЕРИСТИК ВХОДНОЙ ПРОВОДИМОСТИ И ВХОДНОГО СОПРОТИВЛЕНИЯ

активная проводимость:
![]()
реактивная проводимость:
![]()
активное сопротивление:
![]()
реактивное сопротивление:
![]()
входная проводимость:
![]()
входное сопротивление:
![]()
ω / ωр |
0 |
0,2 |
0,4 |
0,6 |
0,8 |
1 |
1,2 |
1,4 |
1,6 |
1,8 |
2 |
Ge |
6,941E-08 |
0,0001423 |
0,0002958 |
0,000487 |
0,00095 |
0,34 |
0,001432 |
0,001143 |
0,001195 |
0,001301 |
0,001423 |
Be |
-0,000005861 |
-0,012 |
-0,024 |
-0,037 |
-0,054 |
-0,071 |
-0,05 |
-0,067 |
-0,08 |
-0,092 |
-0,103 |
Xe |
-170600 |
-84,979 |
-41,947 |
-27,086 |
-18,424 |
-0,588 |
-20,061 |
-14,898 |
-12,491 |
-10,883 |
-9,682 |
Re |
2020 |
1,028 |
0,521 |
0,357 |
0,323 |
2,814 |
0,577 |
0,254 |
0,186 |
0,154 |
0,133 |
Y |
0,000005862 |
0,012 |
0,024 |
0,037 |
0,054 |
0,348 |
0,05 |
0,067 |
0,08 |
0,092 |
0,103 |
Z |
170600 |
84,985 |
41,95 |
27,088 |
18,426 |
2,875 |
20,069 |
14,9 |
12,493 |
10,884 |
9,683 |
Ф G |
1,505E-07 |
0,0003267 |
0,0008529 |
0,002202 |
0,009253 |
6,366 |
0,009361 |
0,002292 |
0,000992 |
0,000541 |
0,000335 |
Ф B |
-0,098 |
-0,102 |
-0,116 |
-0,153 |
-0,271 |
-0,332 |
0,222 |
0,102 |
0,063 |
0,044 |
0,033 |



![]() |



![]() |
8. СПИСОК ЛИТЕРАТУРЫ
1. Пугачев С.И. Конспект лекций по технической гидроакустике.
2. Резниченко А.И. Подводные электроакустические преобразователи. Л.: ЛКИ, 1990.
3. Свердлин Г.М. Гидроакустические преобразователи и антенны. Л.: Судостроение, 1988.
Похожие рефераты:
Синхронные машины. Машины постоянного тока
Измерительные преобразователи электрических величин
Средства учета количества электричества и электрической энергии
Термометры сопротивления и измерительные приборы к ним
Анализ погрешностей волоконно-оптического гироскопа
Разработка пакета программ для расчета фазированной антенной решетки
Прибор для измерения скорости кровотока
Математическое описание динамических процессов электромеханического преобразования энергии
Основы проектирования и конструирования
Автоматизация процесса подготовки шихты





