| Похожие рефераты | Скачать .docx |
Курсовая работа: Система смазки двигателя
Содержание
Введение
1.Характеристика предприятия
2. Устройство системы смазки двигателя
2.1 Назначение и общее устройство системы смазки
2.2 Принцип работы системы смазки
2.3 Отказы и неисправности системы смазки
3. Техническое обслуживание системы смазки
4. Ремонт масляного насоса
5. Охрана труда
5.1 Техника безопасности при проведении технического обслуживания автомобиля
Литература
Введение
Автомобилестроение Республики Беларусь
Беларусь специализируется на производстве грузовых автомобилей. В последние годы здесь совершен прорыв в качестве выпускаемых грузовиков, автобусов и специальных машин. На предприятиях отрасли выпускаются машины грузоподъемностью до 220 тонн. Наращиваются объемы производства и улучшается качество продукции. Только Минский автомобильный завод выпускает более ста модификаций грузовых автомобилей. Это единственное предприятие в СНГ, которое выпускает магистральные автопоезда, соответствующие требованиям ЕВРО-2. На 5-ом Российском международном автосалоне, который проходил 23-29 августа 2001 года, МАЗ вновь, уже по традиции, продемонстрировал новинку производства - седельный тягач, соответствующий нормам стандарта "Евро-3". Уже до конца 2001 года завод готов выполнять заказы потребителей на поставку такой машины. Этот седельный тягач представлен в составе автопоезда с новым трехосным полуприцепом. Кроме того, впервые завод подготовил к серийному производству новый самосвальный автопоезд и автобус большой вместимости марки "МАЗ-107".
Автомобилестроение включает 35 предприятий и организаций, выпускающих автомобили и автопоезда для международных перевозок, самосвалы и лесовозы, полноприводные автомобили повышенной проходимости, сверхтяжелые карьерные самосвалы и самосвальные автоприцепы, погрузчики, самоходные скреперы, грузовые прицепы и полуприцепы, прицепы-дачи к легковым автомобилям, велосипеды, мотоциклы, комплектующие и запчасти к автомобильной технике. В состав отрасли входят специализированные научно-исследовательские и конструкторско-технологические институты, которые обеспечивают разработку новых изделий, технологий и оборудования.
ОСНОВНЫЕ ПРЕДПРИЯТИЯ АВТОМОБИЛЕСТРОИТЕЛЬНОГО КОМПЛЕКСА БЕЛАРУСИ:
Минский автомобильный завод выпускает автомобили и автопоезда, седельные тягачи для междугородных и международных перевозок, самосвалы, лесовозы, грузовые прицепы и полуприцепы, городские и междугородные автобусы, прицепы-дачи к легковым автомобилям.
Минский завод колесных тягачей выпускает автопоезда-тяжеловозы большой грузоподъемности, внедорожные полноприводные колесные шасси и самосвалы, автокраны.
Белорусский автомобильный завод в г. Жодино выпускает тяжелые и сверхтяжелые карьерные самосвалы, грузовые, грузопассажирские и санитарные автомобили малой грузоподъемности, погрузчики.
Могилевский автомобильный завод им. С. М. Кирова выпускает самоходные скреперы, автопоезда для подземных рудников и тоннелей, тягачи для буксировки самолетов, погрузчики для горных работ, автобетоносмесители.
Минский моторный завод выпускает четырех- и шестицилиндровые дизельные двигатели для автотракторостроения, в том числе с турбонаддувом.
Минский мотоциклетный и велосипедный завод выпускает дорожные, спортивные, горные, туристические велосипеды, мотоциклы.
Гродненское предприятие "Белкард" выпускает карданные валы к автомобильной технике.
Борисовский завод "Автогидроусилитель" выпускает гидроусилители рулевого управления для автомобилей.
Борисовский завод автотракторного электрооборудования выпускает стартеры и другое электрооборудование для автотракторной техники.
Гродненский завод автомобильных агрегатов выпускает амортизаторы, тормозные камеры, детские велосипеды.
1. Характеристика предприятия
Место нахождения предприятия:
230768, г. Гродно, ул. Суворова, 256.
Площадь территории, занимаемая предприятием, составляет 8,1 га, из них сдано в аренду 0,61 га. Основной задачей ДУП «ГАП №1» является обеспечением устойчивых транспортных связей между постановщиками и потребителями, осуществлений социально-значимых перевозок, оказаний платных услуг населению и юридическим лицам, создание оптимальных условий труда и быта работников предприятия.
Основными заказчиками автотранспорта является: ОАО « Гродненский мясокомбинат», ОАО « Продсервис», ОАО « Гродномолкомбинат», РУПП « Гроднохлебпром», табачная фабрика « Неман», КШП Ленинского и Октябрьского районов и прочие. Дочернее унитарное предприятие «Грузовой автомобильный парк №1» г. Гродно осуществляет перевозки хлебобулочных, молочных, мясных бакалейных товаров и т.д. в закрытые учреждения и торговую сеть города. ДУП « ГАП №1» полностью удовлетворяет потребности заказчиков в перевозках, имеет лицензии на осуществлении всех видов грузовых перевозок, в том числе на перевозку опасных грузов, а также на выполнение всех видов ремонта, технического обслуживания грузовых и легковых автомобилей. Удельный вес автомобилей, работающих на сжатом газе, составляет в их общем количестве- 80,6%.
Основные виды деятельности ДУП «ГАП №1»:
· Внутригородские, социально-значимые перевозки;
· Междугородные и международные перевозки грузов;
Удельный вес городских перевозок в общем объёме доходов составляет 66,3%, междугородных- 24,8%, международных- 8,9%.
· Услуги экспедиционного характера;
· Техническое обслуживание, ремонт, мойка и санитарная обработка автомобилей и автобусов, услуги автосервиса;
· Проведений государственного технического осмотра механических транспортных средств;
· Услуги по переоборудованию, монтажу и обслуживанию газобаллонной аппаратуры на автомобилях;
· Прочие виды услуг (первичная медико-санитарная помощь и освидетельствование водителей на доступ к работе, проведений контроля технического состояния автотранспортных средств перед выездом на линию, платная стоянка автомобилей).
2. Устройство системы смазки двигателя
2.1 Назначение и общее устройство системы смазки
Смазочная система предназначена для подачи масла к трущимся поверхностям с целью уменьшения трения, охлаждения поверхностей и удаления продуктов изнашивания из зон трения.
Если рабочие поверхности деталей абсолютно сухие и непосредственно соприкасаются одна с другой, то такое трение называется сухим. Работа механизмов при сухом трении требует значительных затрат энергии и сопровождается повышенным изнашиванием, а также значительным выделением теплоты.
Трение между рабочими поверхностями, разделенными достаточно толстым слоем масла, называется жидкостным. В этом случае усилие, необходимое для перемещения деталей, значительно сокращается и резко уменьшается их изнашивание. В ДВС жидкостное трение удается осуществить в основном только в подшипниках коленчатого вала на рабочих режимах. Остальные сопряженные пары движутся возвратно-поступательно или качаются, поэтому на их поверхностях не удается сохранить масляный слой достаточной толщины. Такое трение, когда рабочие поверхности разделены лишь тонкой пленкой масла (0,1 мм и менее), называется граничным. В зависимости от толщины пленки граничное трение может быть полужидкостным или полусухим. Последнее характеризуется возможностью «схватывания» микровыступов трущихся поверхностей, склонностью к задирам и эрозивному изнашиванию.
Полужидкостное трение наиболее характерно для деталей цилинд-ропоршневой группы. В паре «выпускной клапан—направляющая втулка» возможно возникновение полусухого трения.
Нельзя допускать и избыточного смазывания, так как это может привести к попаданию масла в камеру сгорания и на электроды свечей зажигания, вследствие чего увеличивается нагарообразование на днищах поршней, стенках камеры сгорания и клапанах. Это приводит к перегреву и перебоям в работе двигателя, а также к перерасходу масла.
Требования, предъявляемые к смазочной системе:
• бесперебойная подача масла к трущимся деталям на всех режимах работы двигателя, на подъемах и спусках автомобиля с уклоном до 35 % и при крене до 25 %, при температуре окружающей среды от +50 до -50°С, при положительных и отрицательных горизонтальных и вертикальных ускорениях;
• достаточная степень очистки масла от механических примесей;
• продолжительная работа двигателя под нагрузкой без перегрева масла;
• прочная конструкция;
• удобство технического обслуживания.
В зависимости от способа подачи масла к трущимся поверхностям различают следующие способы смазывания:
• разбрызгивание и посредством масляного тумана;
• под давлением;
• комбинированное.
Под давлением масло подводится к трущимся деталям из главной масляной магистрали, давление в которой создается насосом.
Разбрызгивание осуществляется специальными форсунками или подвижными частями КШМ (путем создания масляного тумана, стекающего в картер из масла).
Комбинированная система смазывания сочетает в себе первые два способа.
Под давлением масло подводится к коренным и шатунным подшипникам коленчатого вала, опорам распределительного вала, сочленениям привода ГРМ, зубчатым колесам привода распределительного вала, топливному насосу высокого давления дизеля.
В некоторых двигателях под давлением смазываются сопряжения верхней головки шатуна с поршневым пальцем.
Разбрызгиванием масло подается на зеркало цилиндра из отверстия в кривошипной головке шатуна, а также разбрызгивается форсунками на днище поршня. Форсунки могут быть расположены и в нижней части цилиндра.
Существует способ смазывания самотеком, когда подача масла осуществляется по каналам из резервуаров, карманов и различных углублений, расположенных выше смазываемых поверхностей.

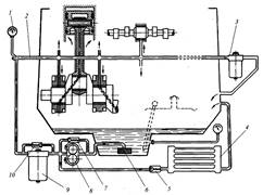
Рис. 1. Смазочная система с «мокрым» картером: 1 — манометр; 2— главная масляная магистраль; 3 — фильтр тонкой очистки; 4 — масляный радиатор; 5 — предохранительный клапан радиатора; 6 — маслозаборник; 7 — редукционный клапан; 8 — масляный насос; 9 — фильтр грубой очистки; 10 — перепускной клапан фильтра.
В зависимости от места размещения основного запаса масла смазочные системы могут быть с «мокрым» (рис. 1) или «сухим» (рис. 2) картером.
Наибольшее распространение на автомобильных двигателях получили смазочные системы с «мокрым» картером, которые имеют более простую конструкцию. В этом случае основной запас масла находится в поддоне картера и при работе двигателя масло подается к трущимся деталям масляным насосом.
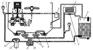
В системах с «сухим» картером основной запас масла содержится в отдельном масляном баке 5 и масло подается к трущимся деталям нагнетающей секцией масляного насоса. Стекающее в поддон масло полностью удаляется из него откачивающими секциями масляного насоса 9 и вновь подается в масляный бак.
Смазочная система с «сухим» картером обеспечивает продолжительную работу на крутых подъемах, спусках и при кренах без утечки масла через уплотнительные манжеты коленчатого вала, а также дает возможность уменьшить высоту двигателя. Кроме того, при «сухом» картере масло в меньшей степени нагревается от горячих деталей и подвергается воздействию картерных газов, благодаря чему дольше служит.

Рис. 2. Смазочная система с «сухим» картером: 1 — манометр; 2 — главная масляная магистраль; 3 — фильтр тонкой очистки; 4 — масляный радиатор; 5 — масляный бак; 6 — перепускной клапан радиатора; 7 — указатель температуры масла; 8 — маслозаборник; 9 — откачивающие секции масляного насоса; 10 — нагнетающая секция масляного насоса; 11 — редукционный клапан; 12 — фильтр грубой очистки; 13 — перепускной клапан фильтра; 14 — картер двигателя
В смазочных системах автомобильных ДВС используются специальные моторные масла, которые в России классифицируют в соответствии с ГОСТ 17479.1-85.
К моторным маслам предъявляется ряд требований:
• низкая температура застывания;
• минимальное изменение вязкости при максимальном изменении температуры;
• как можно дольше сохранять свои физические и химические свойства;
• предотвращать образование отложений (нагары, лаки, шламы) на деталях двигателя;
• надежно защищать рабочие поверхности деталей двигателя от коррозии;
• не содержать механических примесей и воды;
• иметь минимальный расход.
В обозначении моторного масла (например, М-8-В) первая буква указывает на его назначение (М — моторное), цифра — на кинематическую вязкость масла, вторая буква — группу масла.
Основные показатели при классификации масел: тип двигателя, условия эксплуатации, форсированность двигателя. Поэтому масла по форсированности двигателя делятся на группы, которые обозначаются заглавными буквами:
• А — для нефорсированных двигателей;
• Б — для малофорсированных двигателей;
• В — для среднефорсированных двигателей;
• Г — для высокофорсированных двигателей;
• Д — для высокофорсированных дизелей, работающих в тяжелых условиях;
• Е — для тихоходных дизелей, работающих на топливе с высоким содержанием серы (масла этой группы на автомобильных двигателях не применяются).
Цифровой индекс, следующий за обозначением группы, указывает тип двигателя: для бензинового двигателя — 1 (например, Г1 ), для дизеля — 2 (например, Г2 ). Если масло подходит и для бензинового, и для дизельного двигателя, индекс опускается.
Масла перечисленных групп различают по количеству и эффективности введенных в них присадок:
Группа масла Содержание присадок, %
А.3,5
Б.5,5-6
В.7-10
Г.7-12,5
Д 15-22
Меньше всего присадок в маслах группы А.
Присадки представляют собой сложные органические или металло-органические соединения, улучшающие качество масел. Так, противокоррозионные присадки создают на поверхности металла защитную пленку; вязкостные присадки повышают вязкость масла при высокой температуре и сдерживают ее нарастание при низкой температуре; моющие присадки препятствуют осаждению частиц нагара и продуктов окисления на поверхности деталей и удерживают эти частицы во взвешенном состоянии, облегчая фильтрацию масла, и т. д.
Если в обозначении класса вязкости после числа указан буквенный индекс «з», то это означает, что в масло введены загустители, уменьшающие зависимость вязкости масла от температуры, т. е. масло может применяться как всесезонное.
Примеры полного обозначения масел
Масло М-10Г2 — моторное сезонное масло с вязкостью при температуре 100 °С 10 сСт предназначено для высокофорсированных дизелей;
Масло М-63 /10-В — моторное всесезонное повышенной вязкости, содержит загуститель, предназначено для среднефорсированных бензиновых двигателей и дизелей;
Масло М-8-В2 — моторное, вязкость 8 сСт, предназначено для среднефорсированных дизелей.
Марка масла может содержать в скобках дополнительный индекс, указывающий на специальные свойства масла. Например, в обозначении масла М-.8-Г2 (к) буква «к» обозначает, что масло предназначено для двигателей автомобилей марки «КамАЗ» и тракторов К-701; в обозначении масла М-10-Г1(и) буква «и» обозначает, что в масло введены импортные присадки; в обозначении масла М-16-Б2 (т) буква «т» означает, что масло пригодно и для трансмиссии; в обозначении масла М-Ю-Д(м) буква «м» обозначает, что масло малозольное.
Масла М-8-Д(м) и М-Ю-Д(м) предназначены для двигателей с турбонаддувом.
Классификация SAE предусматривает цифровое обозначение класса моторного масла, характеризующее его вязкость при температуре 100°С, а у зимних и всесезонных масел, у которых в цифровом обозначении класса имеется буква W (Winter — зима), класс масла характеризуется также его динамической вязкостью при отрицательных температурах и предельной температурой прокачиваемости.
Классификация API предусматривает подразделение моторных масел на группы, обозначаемые двумя латинскими буквами, первая из которых показывает назначение масла (S — для бензиновых двигателей, С — для дизельных), а вторая характеризует степень форсирования двигателей, в которых масло используется, а также его свойства.
В маркировке всесезонных моторных масел по классификации SAE аналогично маркировке наших отечественных масел. Цифровое обозначение класса масла состоит из двух частей: первая часть с индексом W характеризует вязкость масла при отрицательных температурах, а вторая — при 100°С. Например, маркировка моторного масла SAE 10W-30 означает, что данное масло является всесезонным и имеет динамическую вязкость не более 3500 МПа. с при -20°С, температуру прокачиваемости не выше -25°С и кинематическую вязкость в пределах 9,3...12,5 мм2 /с.
2.2 Принцип работы системы смазки
Принцип работы всех смазочных систем одинаков (см. рис. 1 и 2). Масло из поддона или масляного бака отсасывается насосом через маслозаборник и нагнетается в главную масляную магистраль. Роль главной магистрали могут выполнять продольные каналы в блок-картере, откуда масло по поперечным сверлениям подводится к подшипникам коленчатого и распределительного валов и другим точкам.
Масло, вытекающее из коренных и шатунных подшипников коленчатого вала и подшипников распределительного вала, а также снимаемое маслосъемными кольцами с зеркала цилиндров, подхватывается кривошипами и противовесами коленчатого вала и разбрызгивается в картере, создавая масляный туман, который, оседая, смазывает зеркало цилиндров, кулачки, зубчатые колеса распределительного вала и поршневые пальцы. В некоторых конструкциях капельки масла, оседая, самотеком поступают к толкателям. Масляный туман проникает также в зазор между стержнем клапана и его направляющей втулкой.
Некоторые детали двигателя (оси коромысел, узел осевой фиксации распределительного вала, распределительные зубчатые колеса) могут смазываться путем пульсирующей подачи масла. Прерывистость смазывания этих узлов осуществляется посредством золотникового устройства, образуемого лысками и канавками на опорных шейках распределительного вала.
В сетке маслозаборника масло проходит первичную фильтрацию, а после насоса — вторичную.
Часть масла проходит в масляный радиатор и, охлаждаясь, стекает в масляный картер двигателя по шлангу.
Так как давление в главной масляной магистрали должно поддерживаться в определенных значениях (оно не должно меняться в зависимости от температуры масла и частоты вращения коленчатого вала двигателя), то в системе устанавливают редукционный клапан, который при критическом давлении открывается и возвращает часть масла во впускную полость насоса.
Предохранительный клапан установлен последовательно в магистраль радиатора и отключает его, если при малой частоте вращения коленчатого вала давление в смазочной системе падает ниже допустимого; этим достигается увеличение поступления масла в магистраль к подшипникам коленчатого и распределительного валов. В смазочной системе, показанной на рис. 2, перепускной клапан 6 радиатора установлен параллельно. При засорении радиатора или пуске холодного двигателя, когда вязкость масла велика, клапан перепускает масло мимо радиатора, что ускоряет прогрев двигателя.
Давление масла в главной масляной магистрали контролируется манометром. Иногда для контроля температуры масла используют термометр.
Кроме основного контура циркуляции масла, могут быть предусмотрены следующие параллельные контуры:
• неполнопоточного (параллельного) фильтра тонкой очистки;
• смазочной системы воздушного компрессора пневмосистемы автомобиля.
Основными элементами смазочных систем являются масляный насос, редукционные клапаны, масляные фильтры и масляный радиатор.
К смазочной системе относится и устройство для вентиляции картерного пространства.
2.3 Отказы и неисправности системы смазки
| Причины неисправностей | Способы устранения |
| Давление масла превышает допустимое значение при нормальной работе двигателя (на всех режимах) | |
Неисправен датчик или указатель давления масла |
Заменить датчик или указатель |
| Из-за загрязнения масла произошло заклинивание редукционного клапана | Прочистить гнездо и редукционный клапан, отрегулировать клапан |
| Повышенное давление масла при работе двигателя на холостом ходу и на средней частоте вращения коленчатого вала | |
| Загрязнены каналы системы | Промыть каналы |
| В двигатель залито слишком вязкое масло | Заменить масло другим в соответствии с рекомендациями изготовителя |
| Низкое давление масла при нормальном его расходе | |
| Низкий уровень масла в системе | Долить масло |
| Изношен или разрегулировался редукционный клапан; под клапан попали механические частицы | Отрегулировать или заменить клапан |
| Изношен масляный насос или поломаны зубья его шестерен | Заменить насос |
| Недостаточное давление масла при работе двигателя на холостом ходу и на средней частоте вращения коленчатого вала при повышенном расходе масла | |
| Большой зазор между коренными и шатунными шейками и подшипниками коленчатого вала | Заменить подшипники и коленчатый вал |
| После включения зажигания не загорается контрольная лампочка аварийного давления масла | |
Неисправен датчик давления масла. Включить зажигание, отсоединить провод от датчика и подсоединить его к «массе». |
Если лампочка загорается - заменить датчик |
| Перегорела контрольная лампочка | Заменить лампочку |
3. Техническое обслуживание системы смазки
Наиболее часто встречаются следующие неисправности системы смазки: снижение уровня масла, повышение или понижение его давления в системе, загрязнение масла.
Снижение уровня масла может быть вызвано негерметичностью масляного картера двигателя, плохим уплотнением коленчатого вала или износом сальников и выгоранием масла.
Повышенное давление в системе смазки может быть обусловлено применением масла повышенной вязкости, загрязнением каналов системы и масляного фильтра, неисправностью редукционного клапана, в редких случаях - отказом датчика давления масла, а пониженное давление - недостаточным уровнем масла в масляном картере, уменьшением его вязкости, засорением маслоприемника, износом деталей масляного насоса, подшипников коленчатого или распределительного вала, заеданием редукционного клапана в открытом положении.
Причинами интенсивного загрязнения масла и его быстрого старения являются попадание в масло охлаждающей жидкости, длительная работа двигателя в режимах, отличающихся от номинальных (температура охлаждающей жидкости менее 60 °С или более 100°С), значительный износ деталей цилиндропоршневой группы, применение несоответствующего масла.
ОБЩАЯ ПРОВЕРКА ТЕХНИЧЕСКОГО СОСТОЯНИЯ СИСТЕМЫ СМАЗКИ
Давление масла в системе смазки двигателя постоянно контролируется манометром и (или) контрольной лампой на панели приборов.
В случае постоянного понижения давления масла необходимо убедиться в правильности показаний датчика и указателя, работа которых, как правило, основана на принципе изменения электрического сопротивления в цепи датчик - указатель.
Для измерения давления масла в системе используют механический манометр. С помощью штуцера его подсоединяют к главной масляной магистрали двигателя, обычно на место датчика давления масла. Затем запускают двигатель и измеряют давление во всех режимах его работы. Так, в режиме холостого хода давление должно быть в пределах 0,8..Л,5 кгс/см2 , на повышенных оборотах - 3,5...5,5 кгс/см2 в зависимости от модели двигателя. В случае отклонения давления от номинального неисправность следует искать в элементах системы смазки.
При пониженном давлении масла надо проверить чистоту масляного фильтра и убедиться в отсутствии утечек масла. При прогретом двигателе фильтр должен быть теплым. Если фильтр холодный, это свидетельствует о его засорении; масло в этом случае проходит через редукционный клапан, минуя фильтр.
В отдельных случаях возникает необходимость проверки масла на отсутствие в нем охлаждающей жидкости или топлива. Для определения наличия в масле охлаждающей жидкости его наливают в пробирку и дают отстояться в течение 4...5 ч. Если охлаждающая жидкость в масле присутствует, его верхняя часть будет иметь другой цвет и слегка вспенится. Когда нужно определить, есть ли в масле бензин, масло нагревают на плитке до 8О...9О°С и подносят горящую спичку. При наличии бензина масло загорается.
Производительность масляного насоса определяют по развиваемому им давлению при определенном сопротивлении на выходе. Для этого на специальной установке к выходному патрубку насоса присоединяют жиклер диаметром 1,5 мм и трубопровод длиной 5 м. Насос с приемным патрубком и сеткой помещают в бачок, заполненный смесью, состоящей из 90 % керосина и 10 % моторного масла, или индустриальным маслом И20. Уровень смеси в бачке должен быть на 20...30 мм ниже плоскости разъема корпуса и крышки насоса. Насос приводят во вращение от электродвигателя. При выпуске жидкости из насоса через трубопровод длиной 40 мм с отверстием диаметром 4,2 мм (при температуре (28±8)°С) давление должно составлять 3,25.. .5,00 кгс/см ,
Проверять редукционный клапан лучше всего на специальном стенде, на котором через клапан можно подавать масло под давлением. При этом фиксируются моменты начального и полного открытия клапана. При давлении 3 кгс/см2 редукционный клапан должен быть закрыт, допускается лишь вытекание отдельных капель из него; при давлении 6 кгс/см2 клапан должен быть полностью открыт, а масло должно вытекать из него непрерывной струей.
4. Ремонт масляного насоса
При недостаточной производительности или после длительной эксплуатации масляный насос снимают и разбирают, все его детали промывают в керосине и продувают сжатым воздухом. При наличии трещин в корпусе или крышке насоса эти детали заменяют новыми. После этого осматривают ведущую и ведомую шестерни насоса и при наличии значительного износа также заменяют их новыми. Обе шестерни, установленные в корпусе насоса, должны легко вращаться рукой при прикладывании усилия к ведущему валику.
Затем в обычных шестеренчатых насосах с наружным зацеплением шестерен щупом проверяют зазор между корпусом насоса и зубьями шестерен. В шестеренчатых насосах с внутренним зацеплением шестерен проверяют зазор между наружным диаметром ведомой шестерни и расточкой в корпусе насоса. Предельно допустимый зазор составляет (в зависимости от модели двигателя) 0,22...0,25 мм, номинальный-0,105... 0,175 мм.
Для всех насосов проверяют зазор между зубьями шестерен, который не должен превышать 0,20 мм. С помощью линейки и щупа проверяют зазор между торцами шестерен и плоскостью корпуса насоса. Предельно допустимый зазор составляет в зависимости от двигателя 0,15...0,20 мм, номинальный-0,05...0,16 мм.
Для насосов с внутренним зацеплением шестерен проверяют зазор между наружным диаметром ведущей шестерни и корпусом насоса. Предельно допустимый зазор составляет 0,25 мм, номинальный-0,140...0,216 мм (в зависимости от двигателя).
У обычных шестеренчатых насосов измеряют диаметр шестерен и определяют зазор между осью и ведомой шестерней, который должен, находиться в пределах 0,017...0,057 мм (предельно допустимый -0,1 мм), а также зазор между валиком насоса и отверстием в корпусе, который должен находиться в пределах 0,016...0,055 мм (предельно допустимый - 0,1 мм).
Крышка насоса в зоне прилегания шестерен не должна иметь уступов. Допускается ее неплоскостность до 0,05 мм. В случае необходимости крышку фрезеруют или шлифуют; при этом максимальная толщина снимаемого слоя не должна превышать 0,2 мм.
Некоторые насосы имеют прокладку между корпусом и крышкой. При ремонте такого насоса прокладка, изготовленная из паронита или картона (обычно толщиной 0,3 мм), заменяется новой. Применение лака, краски или других герметизирующих средств при установке прокладки, равно как и установка более толстой прокладки, не допускается, так как это приводит к снижению производительности насоса.
При ремонте насосов с шестеренчатым приводом от распределительного вала необходимо произвести дополнительные измерения: определить износ зубьев ведомой шестерни привода насоса путем измерения толщины ее зубьев зубомером.
При уменьшении толщины более чем на 0,15 мм по сравнению с номинальным размером шестерню необходимо заменить. Кроме того, следует определить зазор между опорной шайбой и торцом корпуса привода (он не должен превышать 0,25 мм).
В двигателях, имеющих привод масляного насоса типа вал-шестерня, проверяют овальность втулок вала, их запрессовку в гнездах, а также совпадение смазочного отверстия во втулке с каналом в блоке цилиндров. Проворачивание втулок в блоке цилиндров не допускается. Измеряют также диаметры втулок и валика и определяют зазор между ними. Если он больше 0,15 мм, а также если имеются повреждения поверхностей этих деталей, втулки заменяют новыми. После запрессовки втулок их обрабатывают развертками до получения надлежащего диаметра.
Вал привода масляного насоса не должен иметь повреждений опорных шеек, а шестерня вала - визуально заметного износа и выкрашивания зубьев. Не допускается ослабление запрессовки и овальность втулки шестерни привода масляного насоса и распределителя зажигания. Внутренняя поверхность втулки не должна иметь задиров.
Редукционный клапан при ремонте масляного насоса разбирают с промывкой растворителем его гнезда. На клапане и его гнезде не должно быть продольных рисок. Небольшие царапины и сколы плунжерных клапанов можно зашлифовать наждачной бумагой. В случае необходимости проверяют упругость пружины клапана. При нажатии на пружину с усилием 4 кгс ее длина не должна уменьшиться более чем на 11...13 мм.
Более простым, но неточным методом проверки работоспособности редукционного клапана является проверка нажатием на пружину (шарик, плунжер) прутком из мягкого металла. Пружина (шарик, плунжер) должна перемещаться без помех с некоторым сопротивлением.
Система вентиляции масляного картера двигателя в процессе эксплуатации автомобиля засоряется продуктами неполного сгорания топливно-воздушной смеси - картерными газами. При ремонте двигателя необходимо отсоединить шланги, снять и разобрать пламегаситель, маслоотделитель, сетку и промыть их в растворителе, бензине или керосине.
5. Охрана труда
В целях предупреждения несчастного случая каждый рабочий в процессе производства обязан руководствоваться технологической инструкцией, соблюдать правила техники безопасности и пожарной безопасности, изложенные в настоящей инструкции, а администрация обязана обеспечить рабочие места всем необходимым для безопасного производства работ и создать при этом нормальные условия труда.
5.1 Техника безопасности при проведении технического обслуживания автомобиля
1. Рабочее место содержать в чистоте и порядке. Пролитые нефтепродукты засыпать чистым песком, затем убрать их и насухо вытереть следы жидкости. Обтирочный материал собирать в железный ящик с плотной крышкой.
2. Снимаемые агрегаты тщательно очистить и оттереть, чтобы было удобно их разбирать.
3. Во время работы запрещается становиться на подвижные колеса и другие неустойчивые части машины.
4. Цилиндры и поршни нельзя класть на край стола или верстака.
5. Разбирать или собирать агрегаты в подвешенном состоянии запрещается.
6. При демонтаже или монтаже упругих спиральных пружин пользуются специальными съемниками, предупреждающими вылет пружины.
Техника безопасности для слесаря ремонтника
1. При работе возможно воздействие следующих опасных производственных факторов: травмы при работе неисправным инструментом, травмирование ног при падении деталей и узлов, превышение предельно допустимой нагрузки при переноске тяжести, отравление и ожоги при использовании легковоспламеняющейся жидкости.
2. При работе слесарь ремонтник должен использовать спец. одежду.
3. В слесарно-монтажной мастерской должна быть медицинская аптечка с набором медикаментов и перевязочных средств для оказания первой медицинской помощи при травмах.
4. При работе в слесарно-монтажной мастерской необходимо соблюдать правила пожарной безопасности, знать средства расположений первичных средств пожаротушения. В слесарно-монтажной мастерской должен быть огнетушитель и ящик с песком.
5. Перед началом работы необходимо одеть спец. одежду.
6. Изучить порядок выполнения и безопасность.
7. Подготовить к работе оборудование, инструменты и приспособления проверить их исправность.
8. Быть внимательным, правильно выполнять трудовые приемы.
9. Работать только исправным инструментом и приспособлением.
10.Гаечные ключи применять только в соответствии только по размеру гаек и болтов. Запрещается наращивать ключи, использовать прокладки, ударять по ключу, разводные ключи не должны иметь люфта в подвижных местах.
11.Отвертки следует применять в соответствии с шириной шлица винта.
12.При разборке и сборке агрегатов узлов следует применять съемные приспособления указаны в конструкционной карте.
13.Снятые детали или узлы необходимо складывать на верстак, длинные детали валы, полуоси запрещается ставить вертикально во избежание их падения и травмирования людей.
14. Для подъема установки и снятия деталей и агрегатов массой более 15кг должны применяться подъемные приспособления. Для перемещения узлов и деталей массой более 15кг необходимо использовать тележки со стойками и упорами.
15.Во избежание отравлений и возникновения пожара запрещается применять для промывки деталей бензин.
16.При обработке деталей необходимо надежно закреплять их в тисках.
Литература
1. Карагодин В. И., Шестопалов С. К. Слесарь по ремонту автомобилей: Практическое пособие. — 2-е изд., перераб. и доп. — М.: Высшая школа, 1990. — 239 с.
2. Круглов СМ. Справочник автослесаря по техническому обслуживанию и ремонту легковых автомобилей. — М.: Высшая школа, 1995. —304 с.
3. Автомобили ВАЗ-2108, ВАЗ-21081, ВАЗ-21083, ВАЗ-2109, ВАЗ-21093:
Многокрасочный альбом/ Вершигора В.А. , Игнатов А.П. , Новокшенов Н.В. и др.— Из-во «Третий Рим», 1996. — 90 с.
Похожие рефераты:
Устройство и принцип работы автомобиля ЗиЛ-130
Анализ эффективности работы двигателя внутреннего сгорания
Полные ответы на билеты по автоделу (экзамен 2002)
Разработка технологии и процесса ремонта двигателей автомобиля КамАЗ 5320 на АТП
Система смазки двигателя автомобиля
Техническая эксплуатация автотранспортных средств
Проектирование цеха ремонта поршневых компрессоров
Автомобильные эксплуатационные материалы
Развитие сервисного обслуживания автомобилей
Смазочная система двигателя ВАЗ 21081
Диагностика карбюраторных двигателей