| Похожие рефераты | Скачать .docx |
Курсовая работа: Подбор теплообменника для проведения процесса охлаждения и конденсации пара толуола
Министерство образования Республики Беларусь
Учреждение образования
«Белорусский государственный технологический университет»
Кафедра процессов и аппаратов химических производств
РАСЧЕТНО – ПОЯСНИТЕЛЬНАЯ ЗАПИСКА
к курсовой работе
по процессам и аппаратам химических технологий
на тему "Подбор теплообменника для проведения процесса охлаждения и конденсации пара толуола"
Разработал
студент 3 курса
инженерно-экономического факультета
специальности 1-43 01 06 02
Стригельский А. В.
Руководитель
Калишук Д. Г.
Минск 2005
Содержание
Введение
1. Литературный обзор
1.1 Теоретические основы теплообмена
1.2 Основные типы теплообменников
1.2.1 Назначение и классификация теплообменных аппаратов
1.2.2 Обзор типовых теплообменных аппаратов
1.3 Современное аппаратурно-технологическое оформление процесса теплообмена
2. Расчет холодильника первой ступени
2.1 Определение тепловой нагрузки
2.2 Определение расхода и тепловой нагрузки воздуха
2.3 Вычисление средней разности температур теплоносителей
2.4 Нахождение ориентировочной поверхности теплообмена Fор и выбор рассчитываемого теплообменника
2.5 Расчет коэффициента теплопередачи K
2.6 Расчёт гидравлического сопротивления теплообменника
3. Расчет конденсатора паров толуола
3.1 Определение тепловой нагрузки
3.2 Определение тепловой нагрузки для второго теплоносителя ─ жидкого толуола и его расхода
3.3 Вычисление средней разности температур теплоносителей
3.4 Нахождение ориентировочной поверхности теплообмена Fор и выбор рассчитываемого теплообменника
3.5 Уточненный расчет поверхности теплопередачи
3.6 Расчёт гидравлического сопротивления теплообменника
Заключение
Список использованных литературных источников
Приложение А
Приложение Б
Введение
Современная химическая промышленность в Беларуси развивается с 60-х годов в комплексе с нефтеперерабатывающими и нефтехимическими предприятиями. Интенсивному развитию в республике этой отрасли способствовал ряд благоприятных факторов: большая потребность народного хозяйства в химической и нефтехимической продукции и высокая эффективность её применения в промышленности и сельском хозяйстве; открытие богатых запасов калийных солей на юге Минской области и нефтяных месторождений в Гомельской области; разветвлённая сеть железных и автомобильных дорог.
Начиная с 1958 года, в республике осуществляется развёрнутое строительство новых, расширение и реконструкция действующих химических предприятий. Химическая промышленность стала одной из ведущих отраслей хозяйства, охватывающей многочисленные производства разнообразных неорганических и органических продуктов, имеющих важное значение. Возникли и получили промышленное применение процессы адсорбции, экстракции, молекулярной дистилляции и др.
Современная химическая промышленность насчитывает множество разнообразных производств, часто сильно различающихся химической природой и физическими свойствами исходных веществ, промежуточных и конечных продуктов, а также характером и условиями протекания технологических процессов. Несмотря на перечисленные различия, число элементарных процессов, повторяющихся в разных сочетаниях во всех химических производствах, едва достигает двадцати. Из этого ограниченного числа элементарных процессов или из некоторой их части, но в различной последовательности и при разных рабочих условиях строится технология любого химического производства.
1 Литературный обзор
1.1 Теоретические основы теплообмена
При тепловых процессах тепло передаётся от одного вещества к другому. Для самопроизвольного переноса тепла одно из этих веществ должно быть более нагрето, чем другое. Вещества, участвующие в процессе перехода тепла (теплообмен), называются теплоносителями. Вещество с более высокой температурой, которое в процессе теплообмена отдаёт тепло, называется горячим теплоносителем, а вещество с более низкой температурой, воспринимающее тепло, холодным теплоносителем.
Существуют два основных способа проведения тепловых процессов: путём непосредственного соприкосновения теплоносителей и передачей тепла через стенку, разделяющую теплоносители.
При передаче тепла непосредственным соприкосновением теплоносители обычно смешиваются друг с другом, что не всегда допустимо; поэтому данный способ применяется сравнительно редко, хотя он значительно проще в аппаратурном оформлении.
При передаче тепла через стенку теплоносители не смешиваются, и каждый из них движется по отдельному каналу; поверхность стенки, разделяющей теплоносители, используются для передачи тепла и называется поверхностью теплообмена.
Различают установившийся и неустановившийся процессы теплопередачи. При установившемся (стационарном) процессе температуры в каждой точке аппарата не изменяются во времени, тогда как при неустановившемся (нестационарном) процессе температуры изменяются во времени. Установившиеся процессы соответствуют непрерывной работе аппаратов с непрерывным режимом; неустановившиеся процессы протекают
в аппаратах периодического действия, а также при пуске и остановке аппаратов непрерывного действия и изменении режима их работы.
Передача тепла от одного тела к другому может происходить посредством теплопроводности, конвекции и лучеиспускания.
Передача тепла теплопроводностью осуществляется путём переноса тепла при непосредственном соприкосновении отдельных частиц тела. При этом энергия передаётся от одной частицы к другой в результате колебательного движения частиц, без их перемещения друг относительно друга.
Передача тепла конвекцией происходит только в жидкостях и газах путём перемещения их частиц. Перемещение частиц обусловлено движением всей массы жидкости или газа (вынужденная или принудительная конвекция), либо разностью плотностей жидкости в разных точках объёма, вызываемой неравномерным распределением температуры в массе жидкости или газа (свободная, или естественная, конвекция).
Конвекция всегда сопровождается передачей тепла посредством теплопроводности.
Передача тепла лучеиспусканием происходит путём переноса энергии в виде электромагнитных волн. В этом случае тепловая энергия превращается в лучистую энергию (излучение), которая проходит через пространство и затем снова превращается в тепловую при поглощении энергии другим телом (поглощение).
Рассмотренные виды передачи тепла редко встречаются в чистом виде; обычно они сопутствуют друг другу (сложный теплообмен). Так при передаче тепла через стенку перенос тепла от горячего теплоносителя к стенке и от стенки к холодному теплоносителю осуществляется конвекцией, а через стенку – путём теплопроводности.
Теплообменными аппаратами, или теплообменниками, называются устройства для передачи тепла от одних сред (горячих теплоносителей) к другим (холодным теплоносителям). В химической технологии теплообменные аппараты применяются для нагревания и охлаждения веществ в различных агрегатных состояниях, испарения жидкостей и конденсации паров, перегонки и сублимации, абсорбции и адсорбции, расплавления твёрдых тел и кристаллизации, отвода и подвода тепла при проведении экзо- и эндотермических реакций и т. д. соответственно своему назначению теплообменные аппараты называют подогревателями, холодильниками, испарителями, конденсаторами, дистилляторами, сублиматорами, плавителями и т. п.
Количество тепла, передаваемого в единицу времени от одного тела к другому, называется тепловым потоком, и выражается в Дж/сек или Вт, т. е. единицах мощности.
При теплообмене между теплоносителями происходит уменьшение энтальпии (теплосодержания) горячего теплоносителя и увеличение энтальпии холодного теплоносителя. Пусть количество горячего теплоносителя, его начальная и конечная энтальпия равны соответственно G кг/сек I1 и I2 Дж/кг, а количество холодного теплоносителя и его начальная и конечная энтальпия g кг/сек i1 и i2 Дж/кг.
Примем также, что количество тепла, передаваемое от горячего теплоносителя к холодному, составляет Q Вт (эта величина называется тепловой нагрузкой аппарата), а потери тепла в окружающую среду равны Qn Вт. Тогда уравнение теплового баланса запишется в виде:
G·I1 +g·i1 = G·I2 + g·i2 + Qn , (1)
Произведя перегруппировку, получим:
G·(I1 – I2 ) = g·(i2 – i1 ) + Qn , (2)
Величина Qгор = G·(I1 – I2) представляет собой количество тепла, отданного горячим теплоносителем, а величина Qхол = g·(i2 – i1 ) количество тепла, сообщённое холодному теплоносителю.
Таким образом:
Qгор = Qхол + Qn , (3)
Т. е. тепло, отданное горячим теплоносителем, частично передаётся холодному теплоносителю и частично расходуется на компенсацию потерь в окружающую среду.
В теплообменных аппаратах потери тепла обычно невелики (не более 2 – 3 %) и ими можно пренебречь. Тогда уравнение теплового баланса примет вид:
Q = Qгор = Qхол , (4)
или
Q = G·(I1 –I2 ) = g·(i2 – i1 ), (5)
Расчет теплообменного аппарата включает определение необходимой поверхности теплопередачи, выбор типа аппарата и нормализованного варианта конструкции, удовлетворяющих заданным технологическим условиям оптимальным образом. Необходимую поверхность теплопередачи определяют из основного уравнения теплопередачи:
F = Q/(K·∆tcp ), (6)
Тепловую нагрузку Q в соответствии с заданными технологическими условиями находят из уравнения теплового баланса для одного из теплоносителей:
— если агрегатное состояние теплоносителя не меняется — из уравнения
Q = Gi ·ci ·[ti н - ti k ], i =1,2, (7)
— при конденсации насыщенных паров без охлаждения конденсата или при кипении — из уравнения
Q = Gi ·ri , i = 1,2, (8)
— при конденсации перегретых паров с охлаждением конденсата
Q = G1 ·(I1н – c1 ·t1 k ), (9)
где I1н — энтальпия перегретого пара Дж/кг.
Если агрегатное состояние теплоносителя не меняется, его среднюю температуру можно определить как среднеарифметическую между начальной и конечной температурами:
ti = (tiн + tik )/2, i = 1,2, (10)
Более точное значение средней температуры одного из теплоносителей
можно получить, используя среднюю разность температур:
ti = tj ± ∆tc p, (11)
где tj — среднеарифметическая температура теплоносителя с меньшим перепадом температуры вдоль поверхности теплообмена, °С.
При изменении агрегатного состояния теплоносителя его температура постоянна вдоль всей поверхности теплопередачи и равна температуре кипения (или конденсации) зависящей от давления и состава теплоносителя.
Для протекания процесса передачи тепла необходимо наличие некоторой разности температур между горячим и холодным теплоносителями. Эта разность температур является движущей силой процесса теплопередачи и называется температурным напором. Если Т — температура горячего теплоносителя, а t — температура холодного теплоносителя в °С, то температурный напор:
q = T – t, (12)
Чем больше температурный напор, тем выше скорость передачи тепла, причём количество тепла, передаваемого от горячего теплоносителя к холодному, пропорционально поверхности теплообмена F (м2 ), температурному напору q и времени τ, с :
Q = K·F·q·τ, (13)
где K — коэффициент теплопередачи, Вт/м2 ∙К.
Если тепло переносится путём теплопроводности через стенку, то, согласно закону Фурье, количество передаваемого тепла пропорционально поверхности F, разности температур между обеими поверхностями стенки (qст . = tст .1 -tст .2 ),времени τ и обратно пропорционально толщине стенки δ:
Q = [λ·F(tст1 – tст2 )·τ]/δ = (λ·F·qст .·τ)/δ, (14)
где tст1 и tст2 — температура поверхностей стенки; λ – коэффициент теплопроводности, Вт/(м∙К).
1.2 Основные типы теплообменников
1.2.1 Назначение и классификация теплообменных аппаратов
Теплообменными аппаратами, или теплообменниками, называются устройства для передачи тепла от одних сред (горячих теплоносителей) к другим (холодным теплоносителям). В химической технологии теплообменные аппараты применяются для нагревания и охлаждения веществ в различных агрегатных состояниях, испарения жидкостей и конденсации паров, перегонки и сублимации, абсорбции и адсорбции, расплавления твердых тел и кристаллизации, отвода и подвода тепла при проведении экзо- и эндотермических реакций и т. д.
Соответственно своему назначению теплообменные аппараты называют подогревателями, холодильниками, испарителями, конденсаторами, дистилляторами, сублиматорами, плавителями и т.п.
По способу передачи тепла различают теплообменные аппараты поверхностные и смесительные. В первом случае передача тепла происходит через разделяющие твердые стенки, во втором — непосредственным контактом (смешением) нагретых и холодных сред (жидкостей, газов, твердых веществ). Поверхностные аппараты подразделяются на рекуперативные и регенеративные. В рекуперативных аппаратах тепло от горячих теплоносителей к холодным передается через разделяющую их стенку, поверхность которой называется теплообменной поверхностью, или поверхностью нагрева. В регенеративных аппаратах оба теплоносителя попеременно соприкасаются с одной и той же стенкой, нагревающейся (аккумулируя тепло) при прохождении горячего потока и охлаждающейся (отдавая аккумулированное тепло) при последующем прохождении холодного потока. Регенераторы являются аппаратами периодического действия, рекуператоры могут работать как в периодическом, так и в непрерывном режимах.
1.2.2 Обзор типовых теплообменных аппаратов
При небольших тепловых нагрузках, когда требуемая поверхность теплообмена не превышает 20 — 30 м2 , целесообразно применение теплообменников типа «труба в трубе» Такие теплообменники изготовляют следующих типов: 1) неразборные однопоточные малогабаритные; 2) разборные одно- и двухпоточные малогабаритные; 3) разборные однопоточные; 4) неразборные однопоточные; 5) разборные многопоточные.
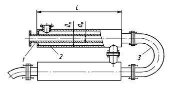
Неразборный теплообменник типа «труба в трубе» изображен на рисунке 1 Эти теплообменники могут иметь один ход или несколько (обычно четное число) ходов.

1 — теплообменная труба, 2 — кожуховая труба, 3 — калач
Рисунок 1 – Неразборный теплообменник типа «труба в трубе»
Конструкция разборного теплообменника показана на рисунке 2 Однопоточный малогабаритный теплообменник (рисунок 2) имеет распределительную камеру для наружного теплоносителя, разделенную на две зоны продольной перегородкой. В крышке размещен калач, соединяющий теплообменные трубы. Кожуховые трубы крепятся в трубных решетках, теплообменные трубы герметизируются с помощью сальниковых уплотнений. Однопоточные разборные теплообменники из труб большого диаметра (более 57 мм) выполняются без распределительной камеры, так как штуцер для подвода наружного теплоносителя можно приварить непосредственно к кожуховым трубам.

1 — теплообменная труба 2 — распределительная камера для наружного теплоносителя 3 — кожуховая труба, 4 — крышка
Рисунок 2 – Разборный однопоточный малогабаритный теплообменник типа «труба в трубе»
Достоинством рассматриваемых теплообменных аппаратов ям является возможность создания высоких и даже одинаковых скоростей обоих теплоносителей и, следовательно, больших коэффициентов теплоотдачи. К числу их недостатков относятся большое гидравлическое сопротивление и значительная металлоемкость.
Наиболее широкое распространение получили кожухотрубчатые теплообменные аппараты, используемые для теплообмена между потоками в различных агрегатных состояниях (пар ─ жидкость, жидкость ─ жидкость, газ ─ газ, газ ─ жидкость).
Кожухотрубчатые теплообменные аппараты могут использоваться в качестве теплообменников, холодильников, конденсаторов и испарителей.
Теплообменники предназначены для нагрева и охлаждения, а холодильники — для охлаждения (водой или другим нетоксичным, непожаро- и невзрывоопасным хладоагентом) жидких и газообразных сред. Кожухотрубчатые теплообменники и холодильники могут быть двух типов: Н — с неподвижными трубными решетками и К — с линзовым компенсатором неодинаковых температурных удлинений кожуха и труб. Наибольшая допускаемая разность температур кожуха и труб для аппаратов типа Н может составлять 20 — 60 градусов, в зависимости от материала кожуха и труб, давления в кожухе и диаметра аппарата.
Теплообменники могут устанавливаться горизонтально или вертикально, быть одно-, двух-, четырех- и шестиходовыми по трубному пространству. Трубы, кожух и другие элементы конструкции могут быть изготовлены из углеродистой или нержавеющей стали. Распределительные камеры и крышки холодильников выполняют из углеродистой стали.
Кожухотрубчатые конденсаторы предназначены для конденсации паров в межтрубном пространстве, а также для подогрева жидкостей и газов за счет теплоты конденсации пара. Они могут быть с неподвижной трубной решеткой или с температурным компенсатором на кожухе, вертикальные или горизонтальные. Конденсаторы могут быть двух-, четырех- и шестиходовыми по трубному пространству
В кожухотрубчатых испарителях в трубном пространстве кипит жидкость, а в межтрубном пространстве может быть жидкий, газообразный, парообразный, парогазовый или парожидкостной теплоноситель. Эти теплообменники могут быть только вертикальными одноходовыми, с трубками диаметром 25X2 мм. Они могут быть с неподвижной трубной решеткой или с температурным компенсатором на кожухе. Применение кожухотрубчатых теплообменников с температурным компенсатором на кожухе (линзовый компенсатор) ограничено предельно допустимым давлением в кожухе, равным 1,6 МПа. При большем давлении в кожухе (1,6 — 8,0 МПа) следует применять теплообменники с плавающей головкой или с U-образными трубами.
На рисунке 3 изображен кожухотрубчатый теплообменник с плавающей головкой, предназначенной для охлаждения (нагревания) жидких или газообразных сред без изменения их агрегатного состояния. Не закрепленная на кожухе вторая трубная решетка вместе с внутренней крышкой, отделяющей трубное пространство от межтрубного, образует так называемую плавающую головку. Такая конструкция исключает температурные напряжения в кожухе и в трубах. Кожухотрубчатые конденсаторы с плавающей головкой отличаются от аналогичных теплообменников большим диаметром штуцера для подвода пара в межтрубное пространство. Допустимое давление охлаждающей среды в трубах до 1,0 МПа, в межтрубном пространстве — от 1,0 до 2,5 МПа. Эти аппараты могут быть двух-, четырех- и шестиходовыми по трубному пространству. Диаметр кожуха от 600 до 1400 мм, высота труб 6,0 м.

1 — крышка распределительной камеры, 2 — распределительная камера, 3 — кожух, 4 — теплообменные трубы, 5 — перегородка с сегментным вырезом, 6 — штуцер, 7 — крышка плавающей головки, 8 — крышка кожуха
Рисунок 3 – Кожухотрубчатый теплообменник с плавающей головкой
Теплообменники с U-образными трубами (рисунок 4) применяют для нагрева и охлаждения жидких или газообразных сред без изменения их агрегатного состояния. Они рассчитаны на давление до 6,4 МПа, отличаются от теплообменников с плавающей головкой менее сложной конструкцией (одна трубная решетка, нет внутренней крышки), однако могут быть лишь двухходовыми, из труб только одного сортамента: 20X2 мм. Кожухотрубчатые испарители с трубными пучками из U-образных труб или с плавающей головкой имеют паровое пространство над кипящей в кожухе жидкостью. В этих аппаратах, всегда расположенных горизонтально, горячий теплоноситель (в качестве которого могут быть использованы газы, жидкости или пар) движется по трубам. Кожухотрубчатые испарители могут быть с коническим днищем (рисунок 5) диаметром 800—1600 мм и с эллиптическим днищем диаметром 2400—2800 мм. Последние могут иметь два или три трубных пучка. Допустимые давления в трубах составляют 1,6—4,0 МПа, в кожухе — 1,0—2,5 МПа при рабочих температурах от —30 до 450°С, т. е. выше, чем для испарителей с линзовым компенсатором.

1 — распределительная камера, 2 — кожух, 3 — теплообменные трубы, 4 — перегородка с сегментным вырезом, 5 — штуцер
Рисунок 4 – Кожухотрубчатый теплообменник с U образными трубами
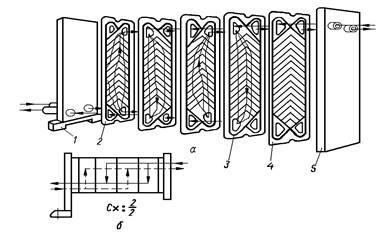
Наибольшей компактностью отличаются пластинчатые теплообменные аппараты; их удельная рабочая поверхность достигает 1500 м2 /м3 .
В пластинчатых теплообменниках поверхность теплообмена образована набором тонких штампованных гофрированных пластин Эти аппараты могут быть разборными, элуразборными и неразборными (сварными) В пластинах разборных теплообменников (рисунок 6) имеются угловые отверстия для прохода теплоносителей и пазы, в которых закрепляются уплотнительные и компонующие прокладки из специальных термостойких резин. Пластины сжимаются между неподвижной и подвижной плитами таким образом, что благодаря прокладкам между ними образуются каналы для поочередного прохода горячего и холодного теплоносителей. Плиты снабжены штуцерами для присоединения трубопроводов. Неподвижная плита крепится к полу, пластины и подвижная плита закрепляются в специальной раме. Группа пластин, образующих систему параллельных каналов, в которых данный теплоноситель движется только в одном направлении (сверху вниз или наоборот), составляет пакет. Пакет по существу аналогичен одному ходу по трубам в многоходовых кожухотрубчатых теплообменниках.

1 — кожух, 2 — трубчатая решетка плавающей головки, 3 — теплообменные трубы, 4 — неподвижная трубная решетка, 5 — распределительная камера 6 — крышка распределительной камеры, / — люк для монтажа трубного пучка, // — выход остатка продукта, /// — дренаж, IV — вход жидкого продукта V — выход газа или жидкости (теплового агента), VI — вход пара или жидкости (теплового агента), VII — выход паров продукта, VIII — люк
Рисунок 5 – Кожухотрубчатый испаритель с паровым пространством
Широкое применение получили пластинчато-ребристые теплообменные аппараты компактность которых достигает 2000 м2 /м3 . Большими достоинствами этих аппаратов являются: возможность осуществления теплообмена между тремя, четырьмя и более теплоносителями; наименьший вес и объем (следовательно, и стоимость) по сравнению с другими аппаратами. По своему устройству пластинчато-ребристые теплообменники представляют собой набор тонких пластин, между которыми располагаются тонкие гофрированные листы, припаянные к каждой пластине. Таким образом, образуются сребренные поверхности теплообмена, а теплоноситель разбивается на ряд мелких потоков. Аппарат может быть собран из любого числа пластин, а теплоносители могут двигаться либо прямотоком, либо перекрестным током.

1 — неподвижная плита, 2 — теплообменная пластина, 3 — прокладка, 4 — концевая пластина, 5 — подвижная плита
Рисунок 6 – Пространственная схема движения теплоносителей (а) и условная схема компоновки пластин (б) в однопакетном пластинчатом разборном теплообменнике
1.3 Современное аппаратурно-технологическое оформление процесса теплообмена
Теплообмен является одним из важнейших процессов как в живой природе, так и для технологических производств. Поэтому немало было разработано и разрабатывается по сей день теплообменных установок, разнообразных методов проведения и контроля теплообменных процессов.
К современному теплообменному оборудованию относят теплообменник который был изобретён в 1998 году Плоским А.А., Банниковым Н.В., Громовым А.П., Суворовым А.П. и Федоровым Н.Н. (акционерное общество открытого типа "Чебоксарский завод промышленных тракторов"). Изобретение может быть использовано в теплообменниках для нагрева теплом газов жидкого теплоносителя. Изобретение позволяет компенсировать сердцевины теплообменников из сравнительно дешевых штампованных пакетов, обеспечивающих удобство их чистки в эксплуатации и должную турбулизацию теплоносителей.
Задачей данного изобретения является создание теплообменника, исключающего сварку при изготовлении пакетов сердцевины, а также обеспечивающего удобство чистки их в условиях эксплуатации и должную турбулизацию теплоносителей.
Поставленная задача достигнута здесь благодаря тому, что пакеты теплообменника, содержащего корпус с состоящей из штампованных пакетов сердцевиной и патрубками для подвода теплоносителей в соответствующие полости для вывода их из тех же полостей, выполнены в виде бесшовных труб с прямоугольными торцами, соседние боковые стороны которых совмещены друг с другом, а полости теплоносителей внутри пакетов и между ними образованы волнообразными углублениями на сплющенных боковых поверхностях пакетов, крайние из которых образуют боковые стенки корпуса. Указанная совокупность отличается от прототипа и не обнаружена среди аналогичных теплообменников — аналогов в тракторной отрасли техники. Более подробное описание данного теплообменника представлено в приложении А.
Государственная морская академия им. адм. С.О. Макарова (Овсянников М.К., Петухов В.А.) в 1998 году разработала способ контроля тепловой эффективности теплообменного аппарата. Изобретение предназначено для использования в теплотехнике и металлургии. Применение предлагаемого способа в практике эксплуатации судовых теплообменных аппаратов позволит объективно и достаточно точно оценить эффективность работы теплообменных аппаратов и определить периодичность их профилактической чистки и других работ по техобслуживанию, снизить затраты и повысить эффективность технической эксплуатации теплообменных аппаратов различного типа и назначения, более качественно выполнять работы по их совершенствованию на стадии проектирования и технологии изготовления.
Это способ контроля тепловой эффективности теплообменного аппарата (ТА), включающий измерение входных и выходных значений температуры теплообменных сред, вычисление коэффициента тепловой эффективности ТА (теплового КПД ТА), отличающийся тем, что измеряют одновременно разности значений температур обоих теплоносителей ∆tmax и ∆tmin в установившемся режиме работы ТА, после чего вычисляют et по формуле:
et = 1 – (∆tcp /∆tmax ) , (15)
где:
∆tcp = (∆tmax – ∆tmin )/(ln(∆tmax /∆tmin )), (16)
et — коэффициент тепловой эффективности ТА;
∆tmax — максимальная разница значений температур теплоносителей на входе ТА;
∆tmin — минимальная разница значений температур теплоносителей на выходе из ТА;
и сравнивают его значения с критическим, добиваясь выполнения условия
et ³ et kp ,(17)
Более подробное описание данного способа контроля тепловой эффективности теплообменного аппарата. представлено в приложении Б.
2 Расчет холодильника первой ступени
Рассчитаем необходимую поверхность теплообменника, в трубном пространстве, которого охлаждается со 160 до 110,8 °С толуол, с заданным массовым расходом GА = 2,92 кг/с.
В качестве охлаждающего теплоносителя применяем воздух под давлением P = 0,15 МПа.
2.1 Определение тепловой нагрузки
Тепловая нагрузка со стороны толуола рассчитывается следующим образом:
QА = GА ∙cА ∙( TА2 -TА1 ), (2.1)
где GА ─ массовый расход толуола, кг/с; cA = 1530,8 Дж/кг·К ─ теплоемкость толуола, при его температуре tA = 135,4 °С [3].
QА = 2,92∙1530,8∙(160-110,8) = 219920,85 Вт.
2.2 Определение расхода и тепловой нагрузки воздуха
Тепловую нагрузку со стороны воздуха примем равной тепловой нагрузке со стороны толуола c учетом потерь тепла в окружающую среду:
QВ = β∙QА , (2.2)
где β ─ коэффициент, учитывающий потерю тепла (примем его равным ─ 0,95).
QВ = 0,95∙219920,85 = 208924,8 Вт.
GВ = QВ /[cВ ∙( TВ2 -TВ1 )], (2.3)
где GB ─ массовый расход воздуха, кг/с; cВ = 1007,3 Дж/кг·К ─ теплоемкость воздуха, при его температуре tB = 42,5 °С [3].
GВ = 208924,8 /[1007,3∙(60-25)] = 5,9 кг/с.
2.3 Вычисление средней разности температур теплоносителей
Принимаем схему движения теплоносителей ─ противоток.
Тогда разность температур на входе ─ Δtвх и на выходе ─ Δtвых из теплообменника соответственно равны:
Δtвх = |ТА1 -ТВ2 | = |160-60| = 100 °С;
Δtвых = |ТА2 -ТВ1 | = |110,8-25| = 85,8 °С.
Средняя разность температур теплоносителей:
Δtср = (Δtвх + Δtвых )/2, (2.4)
Δtср = (100 + 85,8)/2 = 92,9 °С.
2.4 Нахождение ориентировочной поверхности теплообмена Fор и выбор рассчитываемого теплообменника
Решение вопроса о том, какой теплоноситель направить в трубное пространство, обусловлено его температурой, давлением, коррозионной активностью, способностью загрязнять поверхности теплообмена, расходом и др. В рассматриваемом примере в трубное пространство целесообразно направить толуол, так как он является наиболее взрывопожароопасным теплоносителем. Это позволит снизить вероятность возникновения аварийной ситуации при эксплуатации теплообменника.
Ориентировочное значение поверхности:
Fор. = Q/(K∙∆tср ), (2.5)
где К ─ приблизительное значение коэффициента теплопередачи.
В соответствии с таблицей 2.1[2] примем Кор = 45 Вт/м2 ∙К.
Fор. = 219920,85/(45∙92,9) = 52,9 м2
Рассчитаем необходимое число труб, приходящееся на один ход теплообменника
n/z = 4∙GА /(π∙dвн ∙µА ∙ Reop ), (2.6)
где n ─ число труб; z ─ число ходов по трубному пространству; dвн ─ внутренний диаметр труб, м;
Примем ориентировочное значение Reop = 15000 , что соответствует развитому турбулентному режиму течения в трубах. Очевидно, такой режим возможен в теплообменнике, у которого число труб, приходящееся на один ход, равно:
─ для труб диаметром dн = 20×2 мм ─
n/z = 4∙2,92/(3,14∙0,016∙0,000009635∙15000) = 1608,6;
─ для труб диаметром dн = 25×2 мм ─
n/z = 4∙2,92/(3,14∙0,021∙0,000009635∙15000) = 1225,6.
В соответствии с ГОСТ 15120-79 и ГОСТ 15122-79 соотношение n/z принимает наиболее близкое к заданному значению у теплообменника параметры, которого представлены в таблице 2.1.
Таблица 2.1 ─ Параметры кожухотрубчатого теплообменника согласно ГОСТ 15120-79 и ГОСТ 15122-79
| D, мм | dн , мм | z | n | L, м | F , м2 |
| 1000 | 0,025 | 1 | 747 | 3 | 176 |
Так как поверхность теплообмена стандартного теплообменника намного больше ориентировочного значения поверхности теплообмена, то принимаем решение установить нестандартный теплообменник параметры, которого представлены в таблице 2.2.
Таблица 2.2─Параметры нестандартного кожухотрубчатого теплообменника
| D, мм | dн , мм | z | n | L, м | F , м2 |
| 1000 | 0,025 | 1 | 747 | 1 | 58,67 |
2.5 Расчет коэффициента теплопередачи K
Коэффициент теплопередачи K рассчитывается по формуле (2.7):
К = (1/α1 +δст /λст +rз1 + rз2 +1/α2 )-1 , (2.7)
где α1 и α2 ─ коэффициенты теплоотдачи со стороны теплоносителей, Вт/(м2 ∙К); λст ─ теплопроводность материала стенки, Вт/(м∙К); δст ─ толщина стенки, м; 1/rз1 и 1/rз2 ─ термические сопротивления слоев загрязнений с обеих сторон стенки, Вт/(м2 ∙К).
Сумма термических сопротивлений со стороны стенки и загрязнений равна:
Σδ/λ = δст /λст + rз1 + rз2 , (2.8)
При δст = 2 мм = 0,002 м, Для стали сталь 20 теплопроводность λст = 46,5 Вт/(м∙К). 1/rз1 = 5800 Вт/(м2 ∙К), 1/rз2 = 2800 Вт/(м2 ∙К) [3], термическое сопротивление со стороны стенки равно:
Σδ/λ= 0,002/46,5+1/5800+1/2800 = 5,7∙10-4 м2 ∙К/Вт
Действительное число Re вычисляется по формуле:
ReA = 4∙GА ∙z/(π∙dвн ∙n∙µА ) (2.9)
ReA = 4∙2,92∙1/(3,14∙0,021∙747∙0,000009635) = 24610,56
Коэффициент теплоотдачи со стороны толуола к стенке α1 равен:
α1 = λ/dвн (0,023∙Re0,8 ∙(Pr/Prст )0,25 ∙Pr0,4 ), (2.10)
где Ргст ─ критерий Прандтля, рассчитанный при температуре стенки tст .
РгA = cA ∙µА /λA = 1530,8∙0,9635 ∙10-5 /0,022 = 0,67
Среднюю температуру воздуха определим, как среднее арифметическое его начальной и конечной температур:
ТВ = (ТВ1 +ТВ2 )/2 = (60+25)/2 = 42,5 °С
Среднюю температуру толуола определяется следующим образом:
ТA = ТB + Δtcp = 42,5 + 92,9 = 135,4 °С
Температуру стенки можно определить из соотношения
tст = Tср ± Δt, (2.11)
где Tср ─ средняя температура теплоносителя, Δt ─ разность температур теплоносителя и стенки.
Расчет α1 - ведем методом последовательных приближений.
В первом приближении примем Δt1 = 60 °С. Тогда
tст1 =135,4 - 60 = 75,4 °С
РгАст =cAст ∙µАст /λAст = 1320,5∙0,8348 ∙10-5 /0,0153 = 0,72
α1 = (0,0153/0,021)∙0,023∙24610,560,8 ∙(0,67/0,72)0,25 ∙0,670,4 = 65,68 Вт/(м2 ∙К)
Для установившегося процесса передачи тепла справедливо уравнение:
q = α1 ∙Δt1 = Δtст /(ΣΔδ/λ) = α2 ∙Δt2 , (2.12)
где q ─ удельная тепловая нагрузка, Вт/м2 ; Δtcт ─ перепад температур на стенке, °С; Δt2 ─ разность между температурой стенки со стороны воздуха и температурой самого теплоносителя, °С.
Отсюда:
Δtст = α1 ∙Δt1 ∙(Σδ/λ) = 65,68∙60∙5,7 ∙10-4 = 2 °С
Тогда
Δt2 = Δtср -Δtст -Δt1 = 92,9-2-60 = 30,9 °С
Коэффициент теплоотдачи со стороны воздуха к стенке α2
Площадь сечения потока в межтрубном пространстве для подобранного теплообменника Sмтр = 0,143 м2 , тогда
ReВ = GВ ∙dн /(Sмтр ∙µB ) (2.13)
ReВ = 5,9∙0,025/(0,143∙0,00001926) = 53555
РгB = cB ∙µB /λB = 1007,5∙0,00001926/0,0279 = 0,6955
α2 = (0,0279/0,025)∙0,24∙535550,6 ∙0,69550,36 = 161,89 Вт/(м2 ∙К)
Вычислим тепловые нагрузки со стороны каждого из теплоносителей:
─ со стороны толуола ─
q′ = α1 ∙Δt1 = 65,68∙60 = 3940,8 Вт/м2 ;
─ со стороны воздуха ─
q″ = α2 ∙Δt2 = 161,89∙30,9 = 5018,8 Вт/м2 .
Как видим, q′≠q″.
Для второго приближения примем Δt1 = 65 °С.
Тогда
tст1 = 135,4-65 = 70,4 °С
РгАст = 1282,4∙0,8116 ∙10-5 /0,0145 = 0,72
α1 = (0,022/0,021)∙0,023∙24610,560,8 ∙(0,67/0,72)0,25 ∙0,670,4 = 65,68 Вт/(м2 ∙К)
Δtст = 65,68∙65∙5,7 ∙10-4 = 2 °С
Δt2 = 92,9-2-65 = 25,9 °С
tст2 = 42,5 + 25,9 = 68,9 °С
α2 = (0,0279/0,025)∙0,24∙535550,6 ∙0,69550,36 = 160,18 Вт/(м2 ∙К)
Тепловые нагрузки со стороны каждого из теплоносителей равны:
─ со стороны толуола ─
q′ = 65,68∙65 = 4269,2 Вт/м2 ;
─ со стороны воздуха ─
q″ = 160,18∙25,9 = 4148,8 Вт/м2 .
Как видим, q′ ≈ q″.
Расхождение между тепловыми нагрузками (2,8%) не превышает 5%, следовательно, расчет коэффициентов α1 и α2 на этом можно закончить.
Коэффициент теплопередачи равен:
К=1/(1/65,68+1/160,18+5,7∙10-4 ) = 45,3 Вт/(м2 К)
Найдем уточненное значение относительной тепловой нагрузки qср , как среднее арифметическое q′ и q″
qср = (q′ + q″)/2 = (4269,2 + 4148,8)/2 = 4209 Вт/м2
Известно, что относительная тепловая нагрузка связана с коэффициентом теплопередачи следующим образом:
q = K∙Δtср (2.14)
Тогда выражение для нахождения уточненного значения требуемой поверхности теплообмена примет вид
F = Q/(K∙Δtср ) = Q/qср (2.15)
F = 219920,85/4209 = 52,25 м2
∆ = [(58,67-52,25)/58,67]∙100% = 10,94%
Результаты уточненного расчета поверхности теплопередачи сведены в таблицу 2.3.
Таблица 2.3 ─ Результаты уточненного расчета поверхности теплопередачи
Количество теплообменников, N |
F, м 2 | R е A | R е B | α 1 , Вт /( м 2 ∙ К ) | α 2 , Вт /( м 2 ∙ К ) |
| 1 | 1000 | 24610,56 | 53555 | 65,68 | 160,18 |
2.6 Расчёт гидравлического сопротивления теплообменника
Гидравлическое сопротивление в трубном пространстве ∆pтр рассчитываем по формуле:
∆pтр = λ∙L∙z∙w 2 тр ∙ρтр /2d +[2,5(z-1)+2z]∙w 2 тр ∙ρтр /2+3 w 2 тр.ш ∙ρтр /2 (2.16)
Скорость толуола рассчитывается по формуле:
w тр = 4∙GА ∙z/(π∙d2 вн ∙n∙ρА ) (2.17)
Отсюда скорость будет равна:
w тр =4∙2,92∙1/(3,14∙0,0212 ∙747∙2,74) = 4,1 м/с
Коэффициент трения в трубах рассчитывается по формуле:
λ = 0,25{lg[e/3,7+(6,81/Reтр )0,9 ]}-2 , (2.18)
где е = Δ/dвн ─ относительная шероховатость труб; Δ ─ высота выступов шероховатостей
е = 0,0002/0,021 = 0,0095
Отсюда коэффициент трения будет равен:
λ = 0,25{lg[0,0095/3,7+ (6,81/24610,56) 0,9 ]}-2 = 0,04.
Скорость раствора в штуцерах рассчитывается по формуле:
w шт = 4∙GА /(π∙dшт 2 ∙ρА ) (2.19)
Отсюда скорость раствора в штуцерах будет равна:
w шт =4∙2,92/(3,14∙0,32 ∙2,74) = 15 м/с.
Гидравлическое сопротивление в трубном пространстве:
∆pтр = 0,04∙1∙1∙4,12 ∙2,74/(0,021∙2)+[2,5(1-1)+2∙1]∙4,12 ∙2,74/2+3∙2,74∙152 /2 = 10147 Па.
Расчётная формула для определения гидравлического сопротивления в межтрубном пространстве ∆pмтр имеет вид:
∆pмтр =3∙m∙(x+1)∙ρмтр w 2 мтр /2 Reмтр 0,2 +1,5∙x∙ρмтр 2 w 2 мтр /2+3∙ρмтр w 2 мтр.шт /2, (2.20)
где x ─ число сегментных перегородок, m ─ число рядов труб, преодолеваемых потоком теплоносителя в межтрубном пространстве.
Скорость воздуха в наиболее узком сечении межтрубного пространства площадью Sмтр = 0,143 м2 , рассчитывается по формуле:
w мтр = GВ /(Sмтр ∙ρВ ) (2.21)
w мтр =5,9∙/(0,143∙1,65) = 25 м/с
Число рядов труб, омываемых потоком в межтрубном пространстве,
__________ ___________
m = √(n-1)/3+0,25 = √(747-1)/3+0,25 = 15,78
округляя в большую сторону, получим m = 16. Число сегментных перегородок х = 0. Диаметр штуцеров к кожуха dмтр.шт = 0,3 м, скорость потока в штуцерах
w мтр.шт =5,9∙4/(3,14∙0,32 ∙1,65) = 50,6 м/с
В соответствии с формулой (2.20) сопротивление межтрубного пространства равно
∆pмтр = 3∙16∙(0+1)∙1,65∙252 /(2∙535550,2 ) + 1,5∙0∙1,652 ∙252 /2 +3∙1,65∙50,62 /2 = 9141,1 Па.
Результаты гидравлического расчета холодильника сведены в таблицу 2.4
Таблица 2.4 ─ Результаты гидравлического расчета
| λ | w тр , м/с | w тр.шт , м/с | w мтр , м/с | w мтр.шт , м/с | m | x | ΔPтр , Па | ΔPмтр , Па |
| 0,04 | 4,1 | 15 | 25 | 50,6 | 16 | 0 | 10147 | 9141,1 |
3 Расчет конденсатора паров толуола
Кожухотрубные конденсаторы предназначены для конденсации паров в межтрубном пространстве, а также для подогревания жидкостей за счет теплоты конденсации пара.
Рассчитаем необходимую поверхность теплообменника, в межтрубном пространстве, которого конденсируется толуол, с заданным массовым расходом GА = 2,92 кг/с, удельная теплота конденсации rА = 362031 Дж/кг, температура толуола ТА = 110,8 °С [3].
В качестве теплоносителя применяем толуол под давлением P = 0,5 МПа, который в трубном пространстве нагревается от 20 до 95 °С [3].
3.1 Определение тепловой нагрузки
Тепловая нагрузка аппарата:
QА = GА ∙rА , (3.1)
где GА ─ массовый расход толуола, кг/с; rA = 362031 Дж/кг ─ удельная теплота конденсации толуола, при его температуре tA = 110,8 °С [3].
QА = 2,92∙362031 = 1057130,52 Вт
3.2 Определение тепловой нагрузки для второго теплоносителя ─ жидкого толуола и его расхода
Тепловую нагрузку со стороны второго теплоносителя примем равной тепловой нагрузке со стороны паров толуола c учетом потерь тепла в окружающую среду:
QС = β∙QА , (3.2)
где β ─ коэффициент, учитывающий потерю тепла (примем его равным ─ 0,95).
QС = 0,95∙1057130,52 = 1004274 Вт
Расход жидкого толуола на охлаждение:
GC = QС /[cА ∙(TС2 -TС1 )], (3.2)
где cС = 2062,53 Дж/кг·град ─ теплоемкость насыщенного водяного пара, при его давлении P = 0,5 МПа, и температуре tС = 57,5 °С [3].
GC = 1004274/[2062,53∙(95-20)] = 6,5 кг/с.
3.3 Вычисление средней разности температур теплоносителей
Принимаем схему движения теплоносителей ─ противоток.
Тогда разность температур на входе ─ tвх и на выходе ─ tвых из теплообменника соответственно равны:
Δtвх = |ТА -ТC1 | = |110,8-20| = 90,8 °С,
Δtвых = |ТА -ТC2 | = |110,8-95| = 15,8 °С.
Средняя разность температур теплоносителей:
Δtcp ≡Δtcp.л =(Δtвх -Δtвых )/ln(Δtвх /Δtвых ) (3.4)
Δtсp = (90,8-15,8)/ln(90,8/15,8) = 42,9 °С.
Среднюю температуру толуола определяется следующим образом:
ТС = ТА - Δtcp = 110,8-42,9 = 67,9 °С
3.4 Нахождение ориентировочной поверхности теплообмена Fор и выбор рассчитываемого теплообменника
Решение вопроса о том, какой теплоноситель направить в трубное пространство, обусловлено его температурой, давлением, коррозионной активностью, способностью загрязнять поверхности теплообмена, расходом и др. В рассматриваемом примере в трубное пространство целесообразно направить толуол для охлаждения паров толуола, которые, в свою очередь, будут конденсироваться в межтрубном пространстве. Ориентировочное значение поверхности:
Fор. = Q/(K∙∆tср ), (3.5)
где К ─ приблизительное значение коэффициента теплопередачи.
В соответствии с таблицей 2.1[2] примем Кор = 400 Вт/м2 ∙К.
Fор. = 1004274/(400∙42,9) = 58,5 м2
Рассчитаем необходимое число труб, приходящееся на один ход теплообменника
n/z = 4∙GС /(π∙dвн ∙µС ∙ Reop ), (3.6)
где n ─ число труб; z ─ число ходов по трубному пространству; dвн ─ внутренний диаметр труб, м; коэффициент динамической вязкости толуола равен ─ µС = 0,3888∙ ∙10-3 Па∙с.
Примем ориентировочное значение Reop = 15000 , что соответствует развитому турбулентному режиму течения в трубах. Очевидно, такой режим возможен в теплообменнике, у которого число труб, приходящееся на один ход, равно:
─ для труб диаметром dн =20×2 мм ─
n/z = 4∙6,5/(3,14∙0,016∙0,0003888∙15000) = 88,7
─ для труб диаметром dн =25×2 мм ─
n/z = 4∙6,5/(3,14∙0,021∙0,0003888∙15000) = 67,6
В соответствии с ГОСТ 15120-79 и ГОСТ 15122-79 соотношение n/z принимает наиболее близкое к заданному значению у теплообменника параметры, которого представлены в таблице 3.1.
Таблица 3.1 ─ Параметры кожухотрубчатого теплообменника согласно ГОСТ 15120-79 и ГОСТ 15122-79
| D, мм | dн , мм | z | n | L, м | F , м2 |
| 600 | 0,02 | 6 | 316 | 3 | 60 |
3.5 Уточненный расчет поверхности теплопередачи
Коэффициент теплопередачи K рассчитывается по формуле (3.7):
К = (1/α1 +δст /λст +rз1 + rз2 +1/α2 )-1 , (3.7)
где α1 и α2 ─ коэффициенты теплоотдачи со стороны теплоносителей, Вт/(м2 ∙К); λст ─ теплопроводность материала стенки, Вт/(м∙К); δст ─ толщина стенки, м; 1/rз1 и 1/rз2 ─ термические сопротивления слоев загрязнений с обеих сторон стенки, Вт/(м2 ∙К).
Сумма термических сопротивлений со стороны стенки и загрязнений равна:
Σδ/λ = δст /λст + rз1 + rз2 , (3.8)
При δст = 2 мм = 0,002 м, Для стали сталь 20 теплопроводность λст = 46,5 Вт/(м∙К). 1/rз1 = 5800 Вт/(м2 ∙К), 1/rз2 = 5800 Вт/(м2 ∙К) [3] термическое сопротивление со стороны стенки равно:
Σδ/λ = 0,002/46,5+1/5800+1/5800 = 3,88 ∙ 10-4 м2 ∙К/Вт.
Действительное число Re вычисляется по формуле:
ReС = 4∙GС ∙z/(π∙dвн ∙n∙µС ) (3.9)
ReС = 4∙6,5∙6/(3,14∙0,016∙316∙0,0003888) = 25273,28.
Коэффициент теплоотдачи со стороны толуола к стенке α2 равен:
α2 = λ/dвн (0,023∙Re0,8 ∙(Pr/Prст )0,25 ∙Pr0,4 ), (3.10)
где Ргст ─ критерий Прандтля, рассчитанный при температуре стенки tст .
РгС = cС ∙µС /λС = 2062,53∙0,3888 ∙10-3 /0,128 = 6,62
Температуру стенки можно определить из соотношения
tст = Tср ± Δt, (3.11)
где Tср ─ средняя температура теплоносителя, Δt ─ разность температур теплоносителя и стенки.
Расчет α2 - ведем методом последовательных приближений.
В первом приближении разность температур между толуолом и стенкой примем Δt2 = 17 °С. Тогда
tст2 = 67,9 + 17 = 84,9 °С
РгСст = cСст ∙µСст /λСст = 2003,9∙0,307 ∙10-3 /0,1218 = 5,05
α2 = (0,1218/0,016)∙0,023∙25273,280,8 ∙(6,62/5,05)0,25 ∙6,620,4 = 1325,14 Вт/(м2 ∙К)
Для установившегося процесса передачи тепла справедливо уравнение:
Q = α2 ∙Δt2 = Δtст /(ΣΔδ/λ) = α1 ∙Δt1 , (3.13)
где q ─ удельная тепловая нагрузка, Вт/м2 ; Δtcт ─ перепад температур на стенке, °С; Δt1 ─ разность между температурой стенки со стороны паров толуола и температурой самого теплоносителя, °С.
Отсюда:
Δtст = α2 ∙Δt2 ∙(Σδ/λ) = 1325,14 ∙17∙3,88 ∙10-4 = 8,75
Тогда
Δt1 = Δtср -Δtст -Δt2 = 42,9-8,75-17 = 17,15 °С
Коэффициент теплоотдачи α1 толуола, конденсирующегося на пучке горизонтально расположенных труб, определим по уравнению:
α 1 =0,72∙ε∙[(rА ∙ρж 2 ∙λж 3 ∙g)/(μж ∙dн ∙Δt2 )]1/4 , (3.14)
где rА ─ теплота конденсации паров толуола, Дж/кг; dн ─ наружный диаметр труб; ε ─ коэффициент, учитывающий то что при конденсации пара на наружной поверхности пучка из n горизонтальных труб средний коэффициент теплоотдачи несколько ниже, чем в случае одиночной трубы, вследствие утолщения пленки конденсата на трубах, расположенных ниже: аср = εα. При n > 100 приближенно можно принять ε = 0,6 [2]; ρж ; λж ; μж ─ соответственно плотность, кг/м3 ; теплопроводность Вт/(м∙К); вязкость, Па∙с; конденсата при средней температуре пленки:
tпл = TА -Δt1 /2 (3.15)
tпл = 110,8-17,15/2 = 102,23 °С
Таблица 3.2 ─ Параметры rС , ρж , λж , μж для толуола при температуре tпл = = 102,23 °С [3]
| rА , кДж/кг | 364674,7 | μж ,10-3 ∙Па∙с | 0,264 |
| ρж , кг/м3 | 782,6 | λж , Вт/(м∙К) | 0,117 |
Подставляя данные таблицы 3.2 в выражение (3.14), получим:
α1 = 0,72∙0,6∙[(364674,7∙ 782,62 ∙ 0,1173 ∙ 9,81)/(0,264 ∙ 10-3 ∙ 0,02 ∙ 12,7)]1/4 = = 1104,96 Вт/(м2∙К)
Вычислим тепловые нагрузки со стороны каждого из теплоносителей:
─ со стороны паров толуола
q′ = α1 ∙Δt1 = 1104,96∙17,15 = 18950 Вт/м2 ;
─ со стороны толуола
q″ = α2 ∙Δt2 = 1327,75∙17 = 22571,75 Вт/м2 .
Как видим, q′≠q″.
Для второго приближения зададим Δt2 = 15 °С
Тогда
tст2 = 67,9+15 = 82,9 °С
РгАст = 1998,18∙0,311 ∙10-3 /0,12229 = 5,08
α2 = (0,12229/0,016)∙0,023∙25273,280,8 ∙(6,62/5,08)0,25 ∙6,620,4 = 1331,12 Вт/(м2 ∙К)
Δtст = 1331,12 ∙15∙3,88∙10-4 = 7,74 °С
Δt1 = 42,9-7,74-15 = 20,16 °С
tпл = 110,8-20,16/2 = 100,72 °С
Таблица 3.3 ─ Параметры rА , ρж , λж , μж для толуола при температуре tпл = = 100,72°С [3]
| rА , кДж/кг | 368700 | μж ,10-3 ∙Па∙с | 0,271 |
| ρж , кг/м3 | 788 | λж , Вт/(м∙К) | 0,118 |
Подставляя данные таблицы 3.3 в выражение (3.14), получим:
α1 = 0,72∙0,6∙[(368700∙ 7882 ∙ 0,1183 ∙9,81)/(0,271 ∙ 10-3 ∙ 0,02 ∙ 20,16)]1/4 =
= 1041,15 Вт/(м2 ∙К)
Тепловые нагрузки со стороны каждого из теплоносителей равны:
─ со стороны паров толуола
q′ = α1 ∙Δt1 = 1041,15 ∙20,16 = 20989,5 Вт/м2 ;
─ со стороны толуола
q″ = α2 ∙Δt2 = 1331,12∙15 = 19966,8 Вт/м2 .
Очевидно, что q′≠q″.
Для третьего приближения зададим Δt2 = 15,5 °С
Тогда
tст2 = 67,9+15,5= 83,4 °С
РгАст = 2001,63∙0,309 ∙10-3 /0,122 = 5,07
α2 = (0,122/0,016)∙0,023∙25273,280,8 ∙(6,62/5,07)0,25 ∙6,620,4 = 1328,6 Вт/(м2 ∙К)
Δtст = 1328,6 ∙15,5∙3,88∙10-4 = 7 °С
Δt1 = 42,9-7-15,5 = 20,4 °С
tпл = 110,8-18,66/2 = 101,5 °С
Таблица 3.4 ─ Параметры rА , ρж , λж , μж для толуола при температуре tпл = = 101,5 °С [3]
| rА , кДж/кг | 366343,5 | μж ,10-3 ∙Па∙с | 0,27 |
| ρж , кг/м3 | 785,8 | λж , Вт/(м∙К) | 0,1179 |
Подставляя данные таблицы 3.4 в выражение (3.14), получим:
α1 = 0,72∙0,6∙[(366343,5∙ 785,82 ∙ 0,11793 ∙ 9,81)/(0,27 ∙ 10-3 ∙ 0,02 ∙ 20,4)]1/4 = 1049,52 Вт/(м2 ∙К)
Тепловые нагрузки со стороны каждого из теплоносителей равны:
─ со стороны паров толуола
q′ = α1 ∙Δt1 = 1058,85∙18,66 = 21410,2 Вт/м2 ;
─ со стороны толуола
q″ = α2 ∙Δt2 = 1328,6 ∙15,5 = 20593,3 Вт/м2 .
Как видим, q′ ≈ q″.
Расхождение между тепловыми нагрузками (3,8%) не превышает 5%, следовательно, расчет коэффициентов α1 и α2 на этом можно закончить.
Коэффициент теплопередачи равен:
К=1/(1/1058,85+1/1328,6 +3,88∙10-4 ) = 479,59 Вт/(м2 К)
Найдем уточненное значение относительной тепловой нагрузки qср , как среднее арифметическое q′ и q″
qср = (q′+ q″)/2 = (21410,2 +20593,3)/2 = 21001,75 Вт/м2
Известно, что относительная тепловая нагрузка связана с коэффициентом теплопередачи следующим образом:
q=K∙Δtср (3.15)
Тогда выражение для нахождения уточненного значения требуемой поверхности теплообмена примет вид
F = Q/(K∙Δtср ) = Q/qср (3.16)
F = 1057130,52/21001,75= 50,33 м2
Данный кожухотрубный теплообменник с длиной труб L = 3 м и поверхностью F = 60 м2 , подходит с запасом:
∆ = [(60-50,33)/60]∙100% = 16 %
Результаты уточненного расчета поверхности теплопередачи сведены в таблицу 3.5.
Таблица 3.5 ─ Результаты уточненного расчета поверхности теплопередачи
| F , м2 | R еС | Положение труб |
α1 , Вт/(м2 ∙К) | α2 , Вт/(м2 ∙К) |
| 50,33 | 25273,28 | горизонтально | 1049,52 | 1328,6 |
3.6 Расчёт гидравлического сопротивления теплообменника
Гидравлическое сопротивление в трубном пространстве ∆pтр рассчитываем по формуле:
∆pтр = λ∙L∙z∙w2 тр ∙ρтр /2d +[2,5(z-1)+2z]∙w2 тр ∙ρтр /2+3 w2 тр.ш ∙ρтр /2 (3.17)
Скорость толуола рассчитывается по формуле:
wтр =4∙GС ∙z/(π∙d2 вн ∙n∙ρС ) (3.18)
Отсюда скорость будет равна:
wтр =4∙6,5∙6/(3,14∙0,016 2 ∙316∙830,4) = 0,739 м/с.
Коэффициент трения в трубах рассчитывается по формуле:
λ = 0,25{lg[e/3,7+(6,81/Reтр )0,9 ]}-2 , (3.19)
где е = Δ/dвн ─ относительная шероховатость труб; Δ ─ высота выступов шероховатостей
е = 0,0002/0,016 = 0,0125.
Отсюда коэффициент трения будет равен:
λ = 0,25{lg[0,0125/3,7+ (6,81/25273,28) 0,9 ]}-2 = 0,0434.
Скорость толуола в штуцерах рассчитывается по формуле:
wшт = 4∙GС /(π∙dшт 2 ∙ρС ) (3.20)
Отсюда скорость раствора в штуцерах будет равна:
w шт =4∙6,5/(3,14∙0,12 ∙830,4) = 0,997 м/с.
Гидравлическое сопротивление в трубном пространстве:
∆pтр =0,0434∙3∙6∙0,7392 ∙830,4/(0,016∙2)+[2,5(6-1)+2∙6]∙0,7392 ∙830,4/2+ 3∙830,4∙0,9972 /2 = 17864,5Па.
Результаты гидравлического расчета кожухотрубчатого конденсатора сведены в таблицу 3.6.
Таблица 3.6 ─ Результаты гидравлического расчета
| λ | w тр , м/с | w тр.шт , м/с | Δ p тр , Па |
| 0,0434 | 0,739 | 0,997 | 17864,5 |
Заключение
В данной курсовой работе произведены теплотехнический, конструктивный и гидравлический расчеты теплообменников. На основании этих данных было подобрано следующее оборудование для проведения процесса охлаждения пара толуола и его конденсации: вертикальный холодильник и горизонтальный конденсатор.
В вертикальный одноходовой холодильник с параметрами:
— диаметр кожуха 1000 мм;
— число труб 747;
— длина труб 1 м;
— поверхность теплообмена 58,67 м2 .
поступает пар толуола (массовый расход равен 2,92 кг/с) при атмосферном давлении. Там он охлаждается со 160 °С до 110,8 °С. Охлаждающим теплоносителем служит воздух (давление 0,15 МПа, массовый расход 5,9кг/с). Который нагревается с 25 °С до 60 °С. Тепловая нагрузка со стороны толуола равна 219920,85 Вт, а со стороны воздуха — 208924,8 Вт.
Конденсация паров толуола производится в горизонтальном конденсаторе с параметрами:
— диаметр кожуха 600 мм;
— число труб 316;
— длина труб 3 м;
— число ходов 6;
— поверхность теплообмена 60 м2 .
Охлаждающим теплоносителем служит толуол (давление 0,5 МПа, массовый расход 6,5 кг/с), который нагревается с 20°С до 95 °С. Тепловая нагрузка со стороны паров толуола равна 1057130,52 Вт, со стороны толуола 1004274 Вт.
Список использованных литературных источников
1. Касаткин А. Г. Основные процессы и аппараты химической технологии. –М.: Химия, 1973.
2. Основные процессы и аппараты химической технологии. Пособие по проектированию. Под ред. Ю. И. Дытнерского.– М.: Химия, 1991.
3. К. Ф. Павлов, П. Г. Романков, А. А. Носков. Примеры и задачи по курсу процессов и аппаратов химической технологии. – Л.: Химия, 1970.
4. Калишук Д.Г., Протасов С.К., Марков В.А. Процессы и аппараты химической технологии. Методические указания к курсовому проектированию по одноименной дисциплине для студентов очного и заочного обучения. – Мн: Ротапринт БГТУ, 1992.
5. Гельперин Н. И. Основные процессы и аппараты химической технологии М.: Химия, 1981. Т. 1. 384 с.
6. Плановский А. Н., Рамм В. М., Каган С. 3. Процессы и аппараты химической технологии М.: Химия, 1967 848 с
Похожие рефераты:
Модернизация двигателя мощностью 440 квт с целью повышения их технико-экономических показателей
Химия, элементы таблицы Менделеева
Проект реконструкции цеха первичной переработки нефти и получения битума на ОАО «Сургутнефтегаз»
Продвижение прогрессивных систем энергосбережения в Украине в сегменте (ТН) тепловых насосов
Система тепло- и энергоснабжения промышленного предприятия
Автоматизация теплового пункта гражданского здания
Реконструкция теплообменника в цехе N2 ЗАО "Каустик" с целью повышения эффективности
Расчёт многокорпусной выпарной установки
Улучшение теплового и гидравлического режима системы теплоснабжения п. Победа г. Хабаровска
Техническое перевооружение цеха по ремонту насосно-компрессорных труб