| Похожие рефераты | Скачать .docx |
Доклад: Эксплуатационные свойства машин и механизмов
Министерство образования и науки РФ
Институт инженерных технологий, регионального
предпринимательства и информатики (ИРПИ)
Доклад
По дисциплине : «Основы проектирования и конструирования»
На тему : « Эксплуатационные свойства машин и механизмов»
Выполнила: Пышкина Н.В.
Студент 5 курса
Экономического факультета
Проверил: Попов В.В.
г.Покров
2010 г.
План
1. Основные сведения о машинах и механизмах
2. Этапы жизненного цикла машины
3. Классификация машин и механизмов
4. Классификация деталей и сборочных единиц
5. Принципы построения механизмов, их структура
6. Анализ и синтез механизмов
7. Эксплуатационные свойства машин и механизмов
Список используемой литературы
1. Основные сведения о машинах и механизмах
Определение понятий: механизм, машина, прибор, узел, деталь.
Механизм – искусственно созданная система тел; предназначенная для преобразования движения одного или нескольких твердых тел (входных звеньев) в требуемые движения других тел (выходных звеньев). Указанное преобразование происходит циклически неопределенно длительное время.
Машина – устройство; выполняющее механические движения для преобразования энергии; материалов и информации с целью замены или облегчения физического и умственного труда человека. ЭВМ, строго говоря, машиной не является, так как механические движения здесь используются для выполнения вспомогательных операций.
Основные показатели, которым должна удовлетворять машина: производительность; экономичность; прочность; надежность; масса и металлоемкость; габариты; энергоемкость; объем и стоимость ремонтных работ; расходы на оплату труда операторов; технический ресурс; степень автоматизации; простота и безопасность обслуживания; удобство управления, сборки и разборки. Кроме того, машина должна отвечать требованиям технической эстетики. Общая структура машины приведена в таблице 2.1.
Значимость каждого из вышеперечисленных показателей зависит от функционального назначения машины.
Таблица 2.1
Структура машины
| Машина | ||
| Двигатель | Преобразователь (передаточный механизм) | Рабочий орган (исполнительный механизм) |
Двигатель – источник энергии для машины. По своей природе двигатель может быть электрический; гидравлический; внутреннего сгорания; паровая (газовая) турбина.
Рабочий орган – предназначен для выполнения рабочей функции машины.
Прибор – эксплуатационно-автономное изделие, выполняющее функции измерения, контроля, регулирования, управления. Входной величиной служит измеряемая величина (давление, температура, скорость, напряжение, сила тока и т.п.). Выходная величина зависит от способа выдачи информации. Если информацию воспринимает человек, как в приборах непосредственной оценки и регистрирующих, выходной величиной является показание отсчетного (записывающего) устройства. В приборах систем автоматического управления (САУ) выходной параметр воспроизводится в виде электрической, пневматической или другой величины, удобной для усиления и передачи на расстояние.
Узел (сборочная единица) – часть машины (механизма), состоящая из нескольких более простых элементов (деталей).
Деталь – часть изделия (изделие), в которой нет разъемных и неразъемных соединений, то есть изготовленная из однородного по наименованию и марке материала без применения сборочных операций. Некоторые детали специального назначения приведены в таблице 2.2.
Таблица 2.2
Детали специального назначения
| Двигатель | Рабочий орган |
Двс – цилиндры; поршни; клапаны. Электрические – роторы; статоры. Турбины – лопатки. Гидравлические – плунжеры; поршни; штоки. |
Автомобили – ходовые колеса. Трактора – гусеницы. Суда (морские; воздушные; речные) – винты. Станки – патроны; суппорты; челноки |
2. Этапы жизненного цикла машины
Определение потребности, планирование, проектирование и конструирование, изготовление, испытание, хранение, транспортировка, эксплуатация, ремонт и техническое обслуживание, утилизация.
Новая техника – слишком дорогое мероприятие, для того, чтобы заниматься ее приобретением «от нечего делать» или потому, что так «левая нога хочет». Она вызывается к жизни только очень серьезно обоснованной потребностью. Потребность в новой технике возникает при необходимости модернизировать производство (увеличить его объем, внедрить более прогрессивный техпроцесс) или освоить новый вид продукции. Важно правильно определить объем потребности [5].
Планирование новой техники следует рассматривать как часть научно-исследовательской работы, направленной на подбор и подготовку исходного материала, который необходим для разработки ТЗ на проектирование. При краткосрочном планировании (на 5 – 10 лет) следует оценить перспективный уровень развития конструкции создаваемой машины. При среднесрочном и долгосрочном планировании (на 20 – 30 лет) необходимо определить значимость имеющихся новых открытий и изобретений, цель и техническую стратегию [8].
В процессе планирования следует установить: -функциональное назначение машины; -основные технико-экономические параметры; потребность и предполагаемый объем изготовления; -новые материалы и виды заготовок; -новые техпроцессы, потребность в оборудовании и технологической оснастке; -новые формы и методы организации и управления производством; эффективность (экономическая или иная) от создания новой машины.
Методы планирования:
-метод экстраполяции – применяется при краткосрочном планировании;
-метод экспертных оценок – применяется, если нет систематизированной информации о прошлом или когда научно-техническое развитие в значительной степени зависит от принимаемых решений, а не от технических возможностей;
-метод моделирования, в основу которого должно быть положено целесообразное прогнозирование процесса развития конструкции в будущем (математическое моделирование).
При проектировании и конструировании разрабатывают графические (чертежи, схемы, графики и т.п.) и текстовые (пояснительные записки /ПЗ/, расчеты /РР/, спецификации и т.п.) конструкторские документы. Они должны определять состав и устройство проектируемого изделия и содержать данные, необходимые для его разработки, изготовления, контроля, приемки, эксплуатации и ремонта.
Процессы изготовления и испытаний машин взаимосвязаны и дополняют друг друга. В общем и достаточно ответственном случае серийному изготовлению предшествует изготовление, отладка и доводка опытного образца машины, его промышленные испытания, внесение в конструкцию выявленных в ходе испытаний изменений, государственные испытания и приемка опытного образца. Далее в процессе освоения новой машины следует изготовление технической документации головной серии, изготовление головной серии и ее промышленные испытания. Вслед за этим разрабатывают серийную документацию, подготавливают производство к серийному выпуску и, наконец, организуют серийный выпуск. Серийно выпускаемые изделия после схода с конвейера подвергают испытаниям (массовым или выборочным) для объективной оценки надежности и качества изготовления. Так, серийно выпускаемые автомобили подвергают обязательной обкатке в объеме 100% серии.
Для проведении испытаний как метода контроля должны быть описаны
-методы отбора образцов (проб);
-оборудование, материалы и реактивы;
-подготовка к испытанию;
-проведение испытаний;
-обработка результатов.
Изготовленное изделие не сразу может быть реализовано или после немедленной реализации не сразу запущено в эксплуатацию. В этом случае изделие должно храниться. Для правильного хранения необходимо:
-создать условия хранения продукции на складах (в хранилищах), обеспечить сохранность ее качества и товарного вида;
-определить место хранения (навес, закрытый склад, отапливаемое помещение и т.д.);
-обеспечить защиту продукции от влияния внешней среды (влаги, солнечной радиации, вредных испарений, плесени, грызунов и др.);
-определить (при необходимости) температурный режим хранения; требования к срокам периодических осмотров хранимой продукции, регламентным работам; предпочтительные методы консервации и косервационные материалы.
Для доставки на склад или потребителю изделие необходимо транспортировать. Это предполагает выбор приемлемого транспортного средства (своим ходом, крытые или открытые вагоны, трюмы или палубы судов, воздушный транспорт и т.п.), способы крепления и укрытия изделий на этих средствах и т.п. Судя по мемуарам академика А.Н. Крылова, это очень ответственная работа. Для сохранения качества и количества продукции необходимо определить особенности ее погрузки и выгрузки, а также требования к обращению с продукцией после транспортирования (необходимость выдержки в нормальных условиях после транспортирования при отрицательных температурах, порядок расконсервации и т.п.).
Период эксплуатации (использования по прямому назначению) изделия начинается со дня его ввода в действие и заканчивается при наступлении предельного состояния, обусловленного либо снижением эффективности, либо требованиями безопасности. При этом должны неукоснительно соблюдаться:
-правила и требования, отражающие особенности обращения с изделием на всех стадиях эксплуатации;
-правила предосторожности, которые необходимо соблюдать во время подготовки изделия к работе и при его работе, квалификационные требования к персоналу, обеспечивающие выполнения этих правил;
-требования к месту, где будет установлено изделие для временной или постоянной эксплуатации;
-операции по установке изделия на месте эксплуатации;
-рекомендации по защите изделия от внешних воздействий (атмосферных явлений, газов, электромагнитных полей и т.д.);
-правила и порядок заправки изделия топливом, смазочными материалами, жидкостями, газами и т.д.;
-правила настройки и регулирования изделия;
-состав обслуживающего персонала и других специалистов;
-наиболее эффективные режимы работы изделия;
-правила измерения параметров, регулирования и настройки изделия;
-правила проверки технического состояния изделия с целью установления его пригодности для дальнейшего использования по прямому назначению.
Поддержание работоспособного состояния изделия в течение всего срока эксплуатации обеспечивается за счет ремонтов и технического обслуживания, предназначающихся для обнаружения и устранения неисправностей и отказов (любых вынужденных остановок /см. выше/). Ремонты бывают текущие и капитальные, их периодичность устанавливается для каждого конкретного изделия в соответствии с опытом его эксплуатации. Техническое обслуживание изделия проводится:
-при подготовке к работе, хранению, транспортированию;
-для изделий, работающих по прямому назначению, находящихся на кратковременном и длительном хранении или транспортируемых;
-после использования (работы) изделия или транспортирования.
Изделия, исчерпавшие ресурс долговечности, подлежат утилизации. Дословно этот термин означает – употребление с пользой. При этом должен соблюдаться дифференцированный подход: металлоконструкция, как правило, отправляется в металлолом; отдельные не исчерпавшие ресурса детали, узлы или агрегаты – для дальнейшего использования в других аналогичных изделиях (подменный фонд, запчасти); радиоактивные детали подлежат захоронению.
3. Классификация машин и механизмов
Классификационные признаки: по типу объектов преобразования, по выполняемой функции, по уровню сложности, по степени оригинальности, по типу производства.
По типу объектов преобразования различают машины для переработки:
-энергии (например, кинематической /механического движения/, электрической);
-материалов (вещества) – дробилки, мельницы, прокатные станы;
-информации (приборы контрольно-измерительной аппаратуры).
По выполняемой функции машины делят на две большие группы: машины-двигатели и рабочие машины. Машинами-двигателями называют такие машины, в которых один вид энергии (электрической, тепловой, сжатого воздуха, поднятой воды и т.п.) преобразуется в энергию движения исполнительных органов рабочих машин. К рабочим машинам относят машины, предназначенные для облегчения и замены физического труда человека по изменению формы, свойств, состояния, размеров и положения обрабатываемых материалов и объектов, а также для облегчения и замены его логической деятельности по выполнению расчетных операций и операций контроля и управления производственными процессами. К ним относятся подъемно-транспортные, вычислительные машины, всевозможные станки для обработки материалов, устройства робототехники и др. Характерным для машины является совершение полезной работы [1].
В зависимости от способа управления движением различают машины:
-ручного управления – при этом оператор находится на встроенном в машину рабочем месте (автомобиль) или в непосредственной близости от машины (металлорежущие станки). Ручное управление может быть дистанционным (кран-балка),
-полуавтоматического действия – часть операций управляется вручную, а часть – автоматически (в токарном полуавтомате – загрузка заготовок осуществляется вручную),
-автоматического действия – все операции осуществляются по заданной программе (станки с ЧПУ, промышленные роботы).
Многочисленные разновидности машин отличаются осуществляемыми с их помощью производственными процессами. Их сходство определяется наличием в машинах механизмов, предназначенных для передачи и преобразования движения. Существуют машины, не имеющие механизмов – электродвигатель.
По уровню сложности машины бывают простые и сложные, причем сложность определяется не столько количеством элементов, сколько сложностью связей между ними (сравним летательные аппараты – дельтаплан и самолет).
По степени оригинальности бывают серийные и уникальные машины. Уникальность может заключаться в том, что серийному изделию придают какие-то особенные свойства (например, «Жигули» с бамперами из золота; лифт с креслом и телевизором), а может заключаться в том, что создается машина для выполнения ранее не выполнявшейся функции (например, летательный аппарат очень большой грузоподъемности – экранолет; самосвал грузоподъемностью 1000 т).
По типу производства различают машины:
-для индивидуального и мелкосерийного производства – универсальные, предназначенные для выполнения различных видов однотипных технологических операций над достаточно разнородными объектами (токарно-винторезный станок).
-для крупносерийного и массового производства – специализированные, предназначенные для выполнения операций одного вида (зубошлифовальный станок), и специальные, предназначенные для строго определенных операций (сварочный автомат на конвейере).
4. Классификация деталей и сборочных единиц общего назначения
Выше были рассмотрены примеры деталей специального назначения. Но объектом рассмотрения в данном курсе являются детали преобразователей, передаточных механизмов (передач), являющихся составной частью практически любой технологической машины (технологического механизма), предназначенной для выполнения той или иной полезной функции.
Кроме того, в данном курсе рассматриваются детали устройств, предназначенных для обслуживания передаточных механизмов, обеспечивающих нормальное (в соответствии с техническими требованиями) функционирование этих механизмов – соединений (разъемных и неразъемных), валов, муфт, подшипников, направляющих и вспомогательных устройств.
Упрощенная классификация этих так называемых деталей общего назначения приведена в таблице 2.3.
Таблица 2.3
Детали и сборочные единицы общего назначения
| Преобразователь(передаточныймеханизм) | Соединения | Неразъемные | Клееные | – | |
| Паяные | – | ||||
| Сварные | – | ||||
| Заклепочн. | заклепки | ||||
| Разъемные | Резьбовые | Болты; винты; гайки; шайбы | |||
| Шпоночные | Шпонки | ||||
| Клиновые | Клинья | ||||
| Передачи | Вращательного движения |
Зацеплением | Зубчатые | Зубчатые колеса | |
| Червячные | Червяки; червячные колеса | ||||
| Цепные | Цепи; звездочки | ||||
| Трением | Ременные | Ремни; шкивы | |||
| Фрикционные | Фрикцион. колеса | ||||
| Кулачковые | Кулачки | ||||
Поступательного движения |
Рычажные | Кривошипы; шатуны; коромысла; кулисы | |||
| Кулачковые | Кулачки; эксцентрики; тарелки; толкатели | ||||
| Винт-гайка | Х. винты, гайки | ||||
| Валы и оси | - | ||||
| Муфты | Постоянные | Полумуфты; пальцы; втулки; сухари; обоймы | |||
| Сцепные | Диски; конусы; кулачки | ||||
| Подшипники | Качения | Шарики; ролики; кольца; сепараторы | |||
| Скольжения | Корпуса; вкладыши | ||||
| Направляющие | Поступательного движения | Скольж-я | Скалки; призмы | ||
| Качения | Сепараторы | ||||
| Вращательного движения | Скольжения | Опоры: на призмах, кернах, сф. | |||
| Качения | Подш. качения | ||||
| Упр. трен. | Подвески | ||||
| Возд. или жидк. трен | Магниты | ||||
| Основания | Корпуса; станины | ||||
| Вспомогательные устройства | Для защиты от вибраций и ударов | Пружины; рессоры | |||
| Для уравновешивания и накопления энергии | Маховики; маятники; грузы; шаботы | ||||
| Для смазки и защиты от загрязнений | Масленки; крышки; кожухи; ограждения | ||||
| Устройства управления | Маховички; рычаги; рукоятки | ||||
5. Принципы построения механизмов, их структура
Механизм (см. выше) состоит из тел, подвижно соединенных между собой. Тела (за исключением особо оговоренных случаев) будем считать абсолютно твердыми. Твердое тело – совокупность материальных точек, находящихся на неизменном расстоянии друг от друга. Материальная точка в отличие от геометрической обладает массой [4].
Звеном (жестким) механизма назовем одно или несколько твердых тел, не имеющих движения друг относительно друга. Неподвижные тела механизма образуют неподвижное звено – стойку. Остальные звенья – подвижные и изменяют в процессе движения положения друг относительно друга и по отношению к стойке.
Звенья механизма соединены между собой подвижно. Соединение двух звеньев, позволяющее совершать то или иное движение по отношению друг к другу, называется кинематической парой.
В местах соединения двух звеньев им придают определенные геометрические формы, чтобы обеспечить требуемый характер относительного движения. Кинематические элементы (элементы кинематической пары) представляют совокупность точек, линий и поверхностей, которыми звенья непрерывно касаются и характер соприкосновения которых определяет вид относительного движения соединяемых звеньев. Совокупность таких кинематических элементов и представляет кинематическую пару.
Свободное твердое тело имеет шесть степеней свободы и может совершать шесть независимых видов (w) движения: три вращательных движения вокруг осей x, y, z и три поступательных вдоль этих осей. Если рассматриваемое тело (звено) образует кинематическую пару с другим, число независимых параметров w, определяющих относительное движение выражается неравенством 6 >w> 0. При w = 0 соединение двух тел является неподвижным, при w = 6 тела не соединены друг с другом. Таким образом, кинематическая пара устанавливает связи (ограничения) в относительном движении.
Если число геометрических связей, накладываемых кинематической парой, обозначить через s, то s = 6 – w.
Кинематические пары делятся на классы. Класс кинематической пары равен числу наложенных связей. При определении класса кинематической пары необходимо учитывать только независимые виды движения. Так, винтовая пара (рис. 2.1) относится к классу V, так как составляющие винтовое движение поступательное и вращательное движения нельзя рассматривать как независимые, поскольку на них наложена связь, определяемая уравнением
s = t´j,
где s – перемещение вдоль оси винта,
t – винтовой параметр, t = p / (2´p), здесь p – шаг винта,
j – угол поворота.

Рис. 2.1. Винтовая пара
По характеру соприкосновения пары делятся на высшие и низшие. В высших парах соприкосновение по линии или точкам, в низших – по поверхностям.
При обращении движения звено кинематической пары, бывшее в относительном движении подвижным, становится неподвижным.
Для того, чтобы звенья кинематической пары непрерывно касались друг друга, нужно предусмотреть так называемое замыкание кинематической пары. Различают: силовое замыкание, осуществляемое за счет веса, пружин; геометрическое замыкание, достигаемое приданием определенных геометрических форм кинематическим элементам.
Классификация кинематических пар и примеры их конструктивного воплощения приведены в таблице 2.4.
Совокупность звеньев, соединенных кинематическими парами, представляет кинематическую цепь. Различают открытые и замкнутые кинематические цепи. В замкнутой кинематической цепи в отличие от открытой последнее звено соединено с первым [4].
Таблица 2.4.
Классификация кинематических пар

Кинематическая цепь становится механизмом, как только одно из звеньев обращается в стойку (неподвижное звено). В кинематической цепи определенными являются только относительные движения звеньев. В механизме, если заданы движения одного или нескольких его звеньев, становятся определенными абсолютные (относительно стойки) движения остальных его звеньев.
Таким образом, механизм представляет кинематическую цепь, в которой одно из звеньев обращено в стойку, а при задании движения одного или нескольких его звеньев, становятся определенными движения остальных его звеньев.
Из одной и той же кинематической цепи можно получить различные механизмы, последовательно обращая в стойку различные звенья цепи. Образуемые таким образом механизмы будут отличаться характером абсолютных движений звеньев. Относительное же движение звеньев в механизмах не изменится, поскольку они образованы из одной и той же кинематической цепи.
На примере (рис. 2.2, а) цифрами обозначены звенья кинематической цепи (стойки нет), буквами – кинематические пары (О и А – вращательные, В и С – поступательные). Обратив в стойку звено 4 (рис. 2.2, б) получим механизм двойного ползуна (синусный механизм). При обращении в стойку звена 3 (рис. 2.2, в) получим механизм эллипсографа (звено 4 имеет различное графическое изображение, но его кинематические пары одни и те же). Если стойкой сделать звено 1, получим кулачково-дисковую муфту (муфту Ольдгэма), конструктивная схема которой изображена ниже (рис. 2.2, е).

Рис. 2.2. Преобразование кинематической цепи
Различают плоские и пространственные механизмы. В плоских механизмах все точки звеньев движутся в одной или параллельных плоскостях. Наиболее распространенные типы плоских механизмов: четырехшарнирный, кривошипно-ползунный, кулисный (рис. 2.3) [4].

Рис. 2.3. Схемы плоских механизмов
Кривошипом (поз. 1 на рис. 2.3) называется звено, соединенное со стойкой вращательной парой и совершающее относительно стойки полное вращательное движение. Коромысло (поз. 3 на рис. 2.3, а) также соединено со стойкой вращательной парой, но совершает относительно нее неполное вращательное (качательное) движение. Кулисой (поз. 3 на рис. 2.3, в, г) называется звено с подвижными направляющими, соединенное со стойкой вращательной или поступательной парой. Ползун (поз. 3 на рис. 2.3, б) соединен со стойкой поступательной парой и совершает поступательное движение. Звено (поз. 2 на рис. 2.3, а, б), совершающее относительно стойки плоское (совокупность поступательного и вращательного) движение и соединенное с другими звеньями вращательными парами, называется шатуном.
В кулисном механизме (рис. 2.3, в) звенья 2 и 3 могут иметь разное конструктивное оформление. Звено 2 совершает поступательное движение в направляющих кулисы и называется кулисным камнем.
Под степенью подвижности механизма понимается число независимых параметров, которое необходимо задать для определения положения всех подвижных звеньев. Грубо говоря, это число двигателей, необходимое для получения на выходе механизма определенного движения (каждый двигатель – одна координата, параметр). В механизме с одной степенью подвижности достаточно задаться значением одного параметра для определения положения всех подвижных звеньев Преимущественное распространение получили механизмы с одной и двумя (дифференциальный зубчатый механизм) степенями подвижности.
При аналитическом определении степени подвижности составляется система сложных нелинейных уравнений связи между параметрами относительного движения.
Практически степень подвижности механизма определяется из его структурной формулы, связывающей степень подвижности с числом звеньев механизма, числом и видом кинематических пар. Для пространственного механизма структурная формула определяется выражением
w = 6 ´ (n - 1) – 5 ´p5 – 4 ´p4 – 3 ´p3 –2 ´p2 –1 ´p1 ,
где (n - 1) – число подвижных звеньев (n – общее число звеньев, включая и стойку),
pi – число кинематических пар класса i, входящих в состав механизма,
i – число связей, накладываемых парой класса i.
Для плоских механизмов при определении степени подвижности можно использовать структурную формулу Сомова и Чебышева:
w = 6 ´ (n - 1) – 5 ´p5 – 4 ´p4 .
При проектировании таких механизмов заранее предопределяется, что их звенья не могут совершать трех движений (из коэффициентов вычитается 3): вращений вокруг осей x и y и поступательного движения вдоль оси z, перпендикулярной плоскости xy (т.е. накладываются три общих для всех звеньев связи).

Рис. 2.4. Механизм эллипсографа
При проектировании механизмов нужно исключить возможность появления избыточных связей, при которых может возникнуть заклинивание механизма. Примером является механизм эллипсографа: произвольные точки отрезка BD описывают эллипсы, и только его середина (т. А) движется по окружности (рис. 2.4, а). Из структурной формулы (n =5, p5 = 6) следует, что w = 0. Если точку А сместить от середины отрезка, то действительно w = 0. Поэтому целесообразно изменить структуру механизма, изъяв звено ОА (и кинематические пары О и А) или один из ползунов 3 или 4 (кинематические пары, соединяющие ползун со стойкой и шатуном) (рис. 2.4, б). К избыточным связям могут приводить погрешности изготовления и сборки.
6. Анализ и синтез механизмов
В инженерной практике часто требуется решение аналитическими методами двух основных задач – анализа и синтеза, представляющих собой диалектическое единство противоположностей. Они противоположны, т.к. взаимно обратны. Единство этих задач с математической точки зрения состоит в том, что решают их, как правило, с помощью одних и тех же математических моделей и уравнений [1].
[Крайнев] Анализ механизма – исследование кинематических и динамических свойств механизма по заданной его схеме (рис. 2.5).

Рис. 2.5. Анализ механизма
![]()
;
;
;
![]()
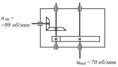
Синтез механизма – проектирование схемы механизма по заданным его свойствам. Включает выбор структурной схемы (структурный синтез) и определение постоянных параметров выбранной схемы механизма по заданным его свойствам (параметрический синтез). Различают также кинематический и динамический синтез (Крайнев). Если предположить, что на рис. 2.6 изображено только расположение входного и выходного валов редуктора и приведены только частоты их вращения, то изображенные внутри корпуса передачи являются одним из вариантов синтеза редуктора.

Рис. 2.6. Синтез механизма
7. Эксплуатационные свойства машин и механизмов
1. Надежность машин и механизмов как важнейшее эксплуатационное свойство.
Под надежностью понимают свойство изделия выполнять заданные функции, сохраняя свои эксплуатационные показатели в заданных пределах в течение заданного промежутка времени или требуемой наработки (объем работы изделия, измеряемый в часах, циклах, метрах, штуках и т.д.) [1].
Любая ТС, машина создаются для выполнения определенных функций в течение заданного срока службы. Функциональная пригодность конструкции определяется степенью надежности машины, показателями ее работоспособности. При определении надежности чаще всего исходят из понятия отказа машины, т.е. любой ее вынужденной остановки [3].
Отказ может происходить не только по причине разрушения отдельных узлов или деталей, но и выхода погрешностей выполнения машиной своего функционального назначения за пределы норм. Отказ может наступить и потому, что машина выполняет свою работу с такими ошибками, при которых либо полностью нарушается технологический процесс, либо производимые изделия и операции непригодны (брак). Два фактора – 1) поломка (разрушение) деталей и 2) нарушение точности работы устройства – практически определяют функциональную надежность машины. Они зависят от полноты выполнения функционально-эксплуатационных (эксплуатационных) требований, предусматриваемых ТЗ и реализуемых посредством технических решений, закладываемых в конструкцию машины.
Разрушение деталей (1-й фактор) – следствие их недостаточной объемной и поверхностной прочности. При наличии достаточного ассортимента машиностроительных материалов и методов изготовления, развитой науки о прочности любым деталям и узлам можно придать требуемую (практически неограниченную) долговечность и гарантировать их от разрушения. То, что разрушение деталей все же происходит, объясняется конструктивными и технологическими дефектами, неправильной эксплуатацией или случайностью.
Конструктивные дефекты – неверная оценка степени нагружения детали, местоположения опасных сечений и наиболее нагруженных точек. Обычные в инженерной практике методы анализа (расчета) позволяют определить напряжения с удовлетворительной точностью для сравнительно немногих простейших расчетных случаев. Анализ большинства сложных деталей на прочность основан на упрощениях, которые не всегда выдерживаются в реальных условиях.
Расхождение истинных значений (фактических) напряжений и расчетных обусловлено отклонениями:
- расчетной схемы от действующих условий нагружения;
- фактических значений действующих сил от номинальных.
Эти отклонения объясняются влиянием сопряженных деталей; упругими свойствами системы; неточностями изготовления и монтажа; перегрузками вследствие превышения расчетных режимов эксплуатации; изменением характеристик прочности материала в связи с изменением температуры и в результате действия вибраций, изменением форм и размеров деталей вследствие износа.
Таким образом, для предохранения деталей от разрушения конструктор должен учитывать следующие функционально-эксплуатационные требования:
-объемную и поверхностную прочность при статических и динамических нагрузках;
-жесткость конструкции;
-износостойкость трущихся деталей;
-тепло- и хладостойкость деталей;
-вибростойкость конструкции.
Нарушение функциональной точности (2-й фактор) – следствие отклонений формы, размеров и расположения поверхностей деталей и самих деталей, составляющих конструкцию. Эти отклонения возникают в результате ошибок при изготовлении деталей и узлов, неизбежных деформаций в конструкции под влиянием действующих нагрузок, износа трущихся деталей, неточностей монтажа и регулировки, температурных изменений.
Ошибки изготовления, зазоры в подвижных соединениях узлов машины обычно учитываются конструктором в процессе проектирования на основе теории точности. Влияние деформаций деталей и их износа достаточно трудно учесть, во-первых, потому, что еще недостаточно разработана теоретическая база таких расчетов, а, во-вторых, эти факторы непрерывно меняются в процессе эксплуатации. Поэтому конструкторы всегда предусматривают возможности выполнения необходимых регулировок, наличие автоматических компенсаторов изменения формы, размеров и расположения деталей.
Следовательно, для установления нормальной функциональной точности работы машины конструктору необходимо учитывать такие функционально-эксплуатационные требования:
-статическую и динамическую точность работы устройства;
-жесткость деталей и узлов конструкции;
-износостойкость трущихся поверхностей деталей машин.
Последние два фактора влияют (см. выше) и на прочность деталей машины.
Реализация всех этих функционально-эксплуатационных требований является основой для создания рациональной конструкции машины. Однако не всегда удается найти проектное решение, полностью отвечающее всем этим требованиям. Безупречная во всех отношениях конструкция – редкая удача. И дело здесь, прежде всего, в противоречивости выдвигаемых требований. В подобных случаях принимается компромиссное решение за счет требований, не имеющих первостепенного значения в данных условиях применения машины.
2. Показатели, характеризующие надежность: безотказность, долговечность и сохраняемость, ремонтопригодность машин и механизмов.
Безотказностью называют свойство изделия непрерывно сохранять работоспособное состояние в течение некоторого времени или некоторой наработки.
Долговечностью называют свойство изделия сохранять работоспособность до наступления предельного состояния при установленной системе технического обслуживания и ремонта. Долговечность характеризуется ресурсами. Техническим ресурсом называют наработку изделия от начала эксплуатации или ее возобновления после ремонта определенного вида (среднего или капитального) до наступления предельного состояния. Назначенным (общетехническим) ресурсом называют суммарную наработку изделия, по достижении которой применение по прямому назначению должно быть прекращено (независимо от состояния изделия). Прекращение эксплуатации связано с требованиями безопасности (возможностью наступления катастрофического отказа) или экономической целесообразностью. В пределах назначенного ресурса предусматривают один или несколько ремонтов. Под предельным состоянием изделия понимается состояние, определяемое невозможностью его дальнейшей эксплуатации, обусловленное либо снижением эффективности, либо требованиями безопасности.
Сохраняемость – свойство изделия сохранять значения показателей безотказности, долговечности и ремонтопригодности в течение и после хранения и (или) транспортирования. Характеризуется сроком сохраняемости и гамма-процентным сроком сохраняемости.
Ремонтопригодностью называют приспособленность изделия к предупреждению и обнаружению причин возникновения отказов, повреждений и поддержанию и восстановлению работоспособного состояния путем проведения технического обслуживания (ТО) и ремонта (например, возможность замены детали в эксплуатации). Показатели – среднее время восстановления, удельная трудоемкость ТО и ремонта, относительная стоимость ремонта [1].
3. Методы проектирования и конструирования, направленные на повышение надежности: унификация, типизация, агрегирование, взаимозаменяемость.
Унификация состоит в многократном применении в конструкции одних и тех же элементов, что способствует сокращению номенклатуры деталей и уменьшению стоимости изготовления, упрощению эксплуатации и ремонта машин. Унификация конструкторских элементов (посадок, резьбовых шпоночных и шлицевых соединений, зубчатых зацеплений, фасок и галтелей) позволяет сократить номенклатуру обрабатываемого, мерительного и монтажного инструмента.
Унификация оригинальных деталей и узлов может быть внутренней (в пределах данного изделия) и внешней (заимствование деталей с иных машин данного или смежного завода).
Унификация марок и сортамента материалов, электродов, типоразмеров крепежных деталей, подшипников качения и других стандартных деталей облегчает снабжение завода-изготовителя и ремонтных предприятий материалами, стандартными покупными изделиями.
Типизация является разновидностью стандартизации. Это разработка типовых конструкций или технологических процессов на основе общих для ряда изделий (процессов) технических характеристик.
Агрегатирование заключается в создании машин путем сочетания унифицированных агрегатов, представляющих собой автономные узлы, устанавливаемые в различном числе и комбинациях на общей станине (агрегатные металлорежущие станки). Преимущества: сокращение сроков и стоимости проектирования и изготовления машин, упрощение обслуживания и ремонта, возможность переналадки для обработки разнообразных деталей (если это станок).
Частичным агрегатированием является использование стандартизованных узлов и агрегатов из числа серийно выпускаемых промышленностью (редукторы, насосы, компрессоры), а также заимствование с серийно изготовляемых изделий узлов и агрегатов (коробок скоростей, механизмов переключения муфт, фрикционов и т.д.).
Взаимозаменяемость – свойство конструкции составной части изделия, обеспечивающее возможность ее применения вместо другой без дополнительной обработки с сохранением качества изделия, в состав которого она входит.
Иначе – это способность изготовленных с заданной точностью деталей (и сборочных единиц) занимать свое место в машине без дополнительной обработки их при сборке и выполнять свои функции в соответствии с техническими требованиями к работе данной машины (или ее отдельной сборочной единицы). Детали называются взаимозаменяемыми
Взаимозаменяемость по геометрическим параметрам обеспечивается стандартными системами допусков и посадок .
4. Связь технических и экономических показателей, характеризующих машины и механизмы.
При приобретении любого изделия нас всегда интересует его качество – совокупность свойств продукции, обуславливающая ее пригодность удовлетворять определенные потребности в соответствии с назначением (ГОСТ 15 467 –79 «Управление качеством продукции. Основные понятия. Требования и определения»). Связь технических и экономических показателей машин и механизмов заключается в том, что они являются (в совокупности) основой для оценки уровня качества изделия.
Уровень качества определяется показателями, которые оценивают на основе стандартов. При этом используют следующие основные виды показателей:
-назначения и экономичности, определяющие экономический эффект изделия и область его применения;
-надежности и долговечности, характеризующие работу изделия в конкретных условиях его использования;
-эргономические, учитывающие комплекс физиологических и психологических свойств человека в системе «человек-изделие-среда»;
-эстетические, оценивающие в изделии оригинальность, гармонич-ть, соотв-е среде и опр-му стилю,
-транспортабельности, характеризующие способность изделия к перемещению [3].
Для изделий машиностроения выделяют три группы показателей назначения (эксплуатационных показателей):
-классификационные показатели, характер принадлежность изделия к опр-й классификационной группе (предел измерения, цена деления, г/п и др.);
-показатели функциональной и технической эффективности, характерен полезный эффект эксплуатации прибора (прочность, точность, потребляемая мощность и др.);
- показатели конструктивные, характерные возможность установки, монтажа, совмещения с другими изделиями (направление питания, усилие перемещения ползуна, способ закрепления и т.п.).
Показатели назначения явлился составляющими качества изделия, но не тождественны ему. Нельзя считать, что микрометр по качеству выше штангенциркуля, потому что его погрешность на порядок меньше {МАЗ хуже БЕЛАЗа}. Качество в данном случае характерезуеся относительным показателем – запасом точности по отношению к норме, установленной стандартом.
При помощи экономических показателей (экономичного эффекта, рентабельности изделия, срока окупаемости, стоимости) оценивают ряд других требований к качеству продукции: ремонтопригодность, технологичность (совокупность свив, определяющих ее приспособленность к достижению оптимальных затрат при пр-ве, эксплуатации и ремонте для заданных показателей качества, объема выпуска и условий выполнения работ – ГОСТ 14.205-83 «Технологичность конструкции изделий. Термины и определения»), уровень стандартизации и унификации.
Годовой экономический эффект от применения изделия определяют как разницу между годовой полезной отдачей и суммой годовых эксплуатируемых расходов
Э = От – Р (руб/год).
Полезную отдачу выражают стоимостью продукции или полезной работы, выполняемой изделием (машиной) в единицу времени. Она определяется по существу пр-ностью машины.
Сумма расходов складывается из стоимости расходуемой энергии (Эн), мат-лов (Мт), инструмента (Ин), оплаты труда рабочих (Тр), технического обслуживания (Об), ремонта (Рм), накладных (Нк) и амортизационных расходов (Ам):
Р = Эн + Мт + Ин + Тр + Об + Рм + Нк + Ам.
Рентабельность изделия определяют отношошением полезной отдачи к сумме расходов
Е = От / Р.
эксплуатационный машина механизм
Величина Е д.б. больше 1, иначе изделие убыточно.
Срок окупаемости tок определяют как период службы, при кот-м суммарный экономичный эффект равен стоимости машины. Эту величину можно найти из зависимости
tок = С / hисп (От – Ра – С / Д),
где С – стоимость изделия,
hисп – к-т использования изделия, определяемый как отношение долговечности изделия ко всему периоду Н его экспл-и, hисп = Д / Н. Среднее значение при круглогодичной непрерывной работе hисп = 0,95 – 0,97.
Ра – сумма эксплуатационных расходов без учета расходов на амортизацию, Ра = Р – Ам,
Д – долговечеость изделия, представляя собой общее время работы на номинальном режиме в условиях нормальной эксплуатации.
Коэффициент стоимости конструкции представит собой процентное отношение стоимости изделия к сумме расходов:
с = (С / Р) ´ 100%.
Показатели надежности – безотказность, ремонтопригодность и сохраняемость – рассмотрены выше.
Эргономические и эстетические показатели отражают потребительскую стоимость изделия.
Эргономические показатели качества изделия по ГОСТ 15 467-79 подразделяются на:
-гигиенические – уровень шума, вибрации, температура на рабочем месте, наличие излучения, освещенность и т.п.;
-антропометрические – характерезуют соответствие изделия и его элементов форме и параметрам человеческого тела (параметры рабочего места; размеры и расположение и пульта; Расположение органов контроля и упражнениея упатели др.);
-физиологические покупатели отражают соответствие изделия пространственным, силовым и временным возможностям оператора (длины ходов, усилия и скорости органов упражнения);
- психофизиологическое покупатели указывают на соответствие изделия органам чувств человека. Они учитывают задаваемый изделием объем зрительной и слуховой информации, ее интенсивность, скорость выдачи и т.п. (требуемой уровень звукового давления сигнала аварийного устройства не менее 90 дБ при частоте 4000 Гц);
-психологические показатели характеризуют соответствие изделия особенностям и возможностям деятельности высшей нервной системы человека (скорость реакции оператора, наглядность и удобство усвоения процесса упражнения изделием).
Эстетические показатели характеризуют изделие на основе его восприятия оператором (потребителем) как объекта искусства. Они включают элементы рациональности конструкции, пропорций его составных частей и элементы чувственного восприятия, связанные с эстетическим воспитанием человека, формирующимися у него взглядами на красоту.
Показатели транспортабельности – вес, габариты, материалоемкость, транспортные затраты на упаковку и передвижные и т.п.
Список используемой литературы
1. Кореняко А.С. Теория механизмов и машин. Изд. «Вища школа», 1976 г.
2. Кульбачный О.И. и др. Теория механизмов и машин. Проектирование. М., «Высшая школа», 1970 г.
3. Лепихов А.М. (составитель) Академик Артоболевский: Сборник. М.: Знание, 1983 г.
4. Машков А.А. Теория механизмов и машин. Изд. «Вышэйшая школа» Минск 1971 г.
5. Попов С.А., Тимофеев Г.А. Курсовое проектирование по теории проектирования и механике машин. М., «Высшая школа» 2002 г.
6. Юдин В.А., Петрокас Л.В. Теория механизмов и машин. М., «Высшая школа», 1977 г.
Похожие рефераты:
Основы проектирования и конструирования
Кинематический анализ механизма транспортирования ткани
Разработка технологических процессов на механическую обработку вала первичного
Основы проектирования и конструирования
Оборудование летательных аппаратов
Проектирование участка мелкой листовой штамповки
Разработка ресурсосберегающих технологий и режимов на городском электрическом транспорте
Расчет редуктора точного прибора
Технология, организация и планирование портовых перегрузочных работ
Усовершенствование технологического процесса механической обработки детали "Стакан"
Автоматизированное проектирование деталей крыла
Бурение и оборудование скважин при подземном выщелачивании полезных ископаемых