| Похожие рефераты | Скачать .docx |
Дипломная работа: Расчет конструкции лифта
Содержание
СОДЕРЖАНИЕ
ВВЕДЕНИЕ
1. ПАТЕНТНЫЙ ПОИСК
1.1 Характеристика объекта разработки
1.2 Регламент поиска
1.3 Отчет о патентном поиске
1.4 Библиографический перечень в процессе поиска информации
1.5 Аннотация отобранной в процессе поиска информации
1.6 Вывод
2. ОБЩАЯ ЧАСТЬ
2.1 Расчет металлоконструкции лифта
2.1.1 Назначение и устройство кабины лифта
2.1.2 Устройство и расчет каркаса кабины
2.1.3 Устройство и расчет пола кабины
2.1.4 Расчет направляющих башмаков
2.2 Расчет направляющих
3. СПЕЦЧАСТЬ
3.1 Расчет и подбор каната
3.2 Определение массы подвижных частей механизма подъема
3.2.1 Расчет веса кабины
3.2.2 Расчет противовеса
3.2.2.1 Назначение, конструкция и устройство
3.2.2.2 Определение массы противовеса
3.2.2.3 Расчет металлоконструкций каркаса противовеса
3.2.3 Расчет массы подвесного кабеля
3.3 Расчет диаметра канатоведущего шкива и обводных блоков
3.4 Расчет канатоведущего шкива в системе автоматизированного проектирования APM WinMachine
3.5 Расчет тяговой способности канатоведущего шкива
3.6 Расчет электродвигателя
3.7 Расчет редуктора
3.8 Расчет тормоза лебедки
3.9 Электрическая часть
3.9.1 Расчет электродвигателя
3.9.2 Электрическая схема лифта
4. ПРОИЗВОДСТВЕННАЯ БЕЗОПАСНОСТЬ
4.1 Введение
4.2 Анализ вредных и опасных производственных факторов при эксплуатации проектируемого оборудования
4.3 Мероприятия по устранению и уменьшению действия опасных и вредных факторов
4.4 Инженерный расчет по обеспечению безопасных условий труда
4.3.1 Расчет заземления
4.3.2 Расчет освещения
5. ЭКОНОМИЧЕСКАЯ ЧАСТЬ
5.1 Оценка технической целесообразности конструкции лифта
5.1.1 Выбор перечня показателей, оценки технического уровня конструкции
5.1.2 Оценка весомости (значимости) показателя 87
5.1.3 Расчет комплексного показателя технического уровня и качества конструкции
5.2 Расчет трудоемкости ОКР
5.3 Расчет временных и стоимостных затрат на проектирование лифта
5.4 Прогнозирование себестоимости лифта
5.4.1 Расчет затрат на основные материалы
5.4.2 Расчет затрат на комплектующие покупные
5.4.3 Расчет затрат на основные материалы в целом по лифту
5.4.4 Расчет затрат на заработную плату производственных рабочих
5.4.5 Расчет полной себестоимости лифта
5.5 Определение лимитной цены лифта
5.6 Расчет уровня капитальных вложений в НИОКР и освоение производства
5.7 Оценка экономической эффективности конструкции
5.8 Сводные показатели оценки экономической целесообразности конструкции
Введение
Лифт стал неотъемлемой частью искусственно созданной среды обитания человека. Практически за одно столетие удалось создать полностью автоматизированную систему внутреннего транспорта пассажиров и грузов в зданиях и сооружениях, которая надежно функционирует, не требуя от людей специальных знаний и предварительной подготовки.
В России, в странах ближнего и дальнего зарубежья успешно функционирует огромный парк лифтов различного конструктивного исполнения, который обеспечивает нужды коммунального хозяйства, промышленных предприятий и сложных сооружений общественного и специального назначения.
Расширяющиеся потребности общественного развития требуют непрерывного совершенствования средств внутреннего транспорта зданий и сооружений на основе современных научно-технических достижений.
В данном дипломе представлен проект пассажирского лифта с нижним расположением привода грузоподъемностью 500 кг со скоростью движения кабины 1 м/с с разработкой лебедки.
Основу механизма подъема проектируемого лифта составляет канатная система передачи движения кабине (противовесу) и устройства привода для перемещения канатов в виде лебедки.
В целях обеспечения безопасности эксплуатации лифта к лифтовым лебедкам предъявляется ряд специфических требований:
– конструкция лебедки должна быть рассчитана на нагрузки, действующие в эксплуатационных, испытательных и аварийных режимах;
– между канатоведущим органом лебедки и тормозом должна быть неразмыкаемая кинематическая связь;
– лебедка должна оборудоваться автоматически действующим нормально-замкнутым колодочным тормозом.
– тормозной момент должен создаваться при помощи пружин или груза (применение ленточных тормозов не допускается);
– свободные концы вращающихся валов должны быть ограждены от случайного прикосновения;
– лебедка должна оборудоваться системой ручного привода движения кабины с помощью штурвала, постоянно закрепленного на валу или съемного;
– в конструкции лебедки должно быть установлено устройство ручного отключения тормоза с самовозвратом в заторможенное состояние после прекращения ручного воздействия;
– на лебедке должно быть указано направление вращения штурвала для подъема и спуска кабины лифта;
– усилие ручного воздействия на штурвал не должно превышать 235 Н при подъеме кабины с расчетным грузом;
– при снятии кабины с ловителей с помощью ручного привода прикладываемое усилие не должно превышать 640 Н;
Конструкция лифтовой лебедки должна обеспечивать:
– безопасность применения;
– надежность и безотказность работы;
– бесшумность и низкую виброактивность;
– допустимый уровень ускорений;
– требуемую точность остановки кабины.
В целях снижения трудоемкости технического обслуживания и ремонтных работ конструкция лебедки должна иметь минимальную массу и компактные габариты.
Лифтовые лебедки можно классифицировать по следующему ряду характерных признаков:
– По типу канатоведущего органа: барабанные и с канатоведущими шкивами (КШВ);
– По характеру кинематической связи приводного двигателя с канатоведущим органом: редукторные и безредукторные;
– По типу применяемого редуктора: с глобоидными и цилиндрическими червячными передачами;
– По типу привода: с электроприводом переменного или постоянного тока;
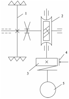
Характерная кинематическая схема лифтовой лебедки с КВШ приведена на рис. 1.

Рис. 1. Кинематическая схема лифтовой лебедки с КВШ и червячным редуктором:
1 – КВШ, 2 – редуктор червячный, 3 – соединительная муфта с тормозным шкивом,
4 – колодочный тормоз, 5 – электродвигатель.
Проектируемая лебедка включает канатоведущий орган, редуктор, тормоз и электродвигатель, смонтированные на опорной раме.
Лебедка оборудуется канатоведущим шкивом и червячным редуктором, обеспечивающим большие перед аточные отношения при общей компактности конструкции. Причем редуктор выполнен с глобоидальным червяком. Нагрузочная с пос обность глобоидальной передачи в 2…4 раза выше, чем цилиндрической. Кроме того, редукторы с глобоидальным з ацеплением имеют более высо кий КПД и большую износостойкость з убьев. К недостаткам глобоидального зацепления следует отнести сложн ость изготовления и повышенные требования к точности сборки и регулиро вки.
КВШ устанавливается на тихоходном валу консольно.
Привод лебедки осуществляется от специального двухскоростного асинхронного короткозамкнут ого электродвигателя.
Тормозной момент создается колодочным тормозом нормально-замкнутого типа с электромагнитной растормаживающей системой. Тормоз замкнутого типа характеризуется тем, что затормаживает систему при выключенном приводе и растормаживает ее при включении привода. Правила ПУБЭЛ исключают возможность применения ленточных тормозов в связи с их недостаточной надежностью.
1.1 Характеристика объекта разработки
Объектом разработки является привод лифта грузоподъемностью 500 кг, со скоростью 1 м/с. Механизм привода лифта состоит из электродвигателя, нормально-замкнутого тормоза, редуктора и канатоведущего шкива. Привод расположен в нижней части шахты лифта.
1.2 Регламент поиска
Регламент поиска при исследовании привода лифта на патентную чистоту по России, Японии, Германии и Финляндии приведен в табл. 1.1.
Таблица 1.1
| Предмет поиска | Ретроспективность | Источники информации | Страны (5,7) и классификационные индексы предмета поиска (МКЧИ или МКИ) (6,8) | ||||
| Наименование | Местонахождение | ||||||
| 1 | 2 | 3 | 4 | 5 | 6 | 7 | 8 |
| Привод лифта | С 1971 г. по 1991 г. | Открытия и изобретения | Библиотека ТулГУ | Россия | МКИ В 66 В 11/04 | --- | --- |
| Лифт | С 1971 г. по 1991 г. | Открытия и изобретения | Библиотека ТулГУ | Россия | МКИ В 66 В 9/16 | --- | --- |
| Шкив | С 1971 г. по 1991 г. | Открытия и изобретения | Библиотека ТулГУ | Россия | МКИ В 66 В 15/04 | --- | --- |
1.3 Отчет о патентном поиске
Отчет при исследовании привода лифта на патентную чистоту по России, Германии, Японии и Финляндии проведен по следующим материалам (табл. 1.2).
Таблица 1.2
| Страна | Наименование источника | Классификационные индексы предмета поиска | Номер авторского свидетельства, патента | |
| МКИ | ИКМ | |||
| Россия | Открытия и изобретения | МКИ В 66 В 11/04 | --- | АС № 654528 |
| Россия | Открытия и изобретения | МКИ В 66 В 9/16 | --- | АС № 679505 |
| Россия | Открытия и изобретения | МКИ В 66 В 15/04 | --- | АС № 683975 |
1.4 Библиографический перечень в процессе поиска информации
Информация приведена в табл. 1.3.
Таблица 1.3
| Страна | Номер свидетельского свидетельства | Класс | Источник | Название изобретения |
| РФ | № 654528 | В 66 В 11/04 | Открытия и изобретения №12 1979г. | Привод лифта |
| РФ | № 679505 | В 66 В 9/16 | Открытия и изобретения №35 1979г. | Лифт |
| РФ | № 683975 | В 66 В 15/04 | Открытия и изобретения №31 1979г. | Шкив |
1.5 Аннотация отобранной в процессе поиска информации
1) АС №654528 1 ПРИВОД ЛИФТА
1. Привод лифта, содержащий раму, на которой установлен электродвигатель и редуктор, входной вал которого посредством муфты соединен с валом электродвигателя, а выходной вал редуктора кинематически связан с канатоведущим шкивом, отличающимся тем, что, с целью снижения металлоемкости путем разгрузки выходного вала редуктора от радиальных усилий и исключения возможности передачи колебаний вала канатоведущему органу, на корпусе редуктора смонтирована полая ось, на которой установлен канатоведущий орган, а внутри полой оси расположен выходной вал редуктора, причем на валу закреплен поводок, снабженный пальцами, а канатоведущий орган выполнен со звеньями для гашения колебаний, взаимодействующими с пальцами.
2. Привод по п. 1, отличающийся тем, что каждое звено гашения колебаний содержит выполненную на канатоведущем органе полость, в которой помещен палец, полость заполнена вязкой жидкостью и снабжена уплотнением, а между стенками полости и пальцем размещены пакеты пластин.
2) АС №679505 ЛИФТ
Лифт, содержащий установленную в направляющих кабину, снабженную подвижными блоками, установленные в верхней и нижней частях шахты неподвижные блоки, привод с канатоведущим шкивом и снабженные гибким уравновешивающим элементом тяговые канаты, огибающие канатоведущий шкив, неподвижные и подвижные блоки, отличающийся тем, что, с целью снижения металлоемкости кабины путем снижения нагрузки на последнюю, в нижней части кабины укреплен кронштейн, снабженный подпружиненными тягами и проушинами, через которые пропущен вал, жестко соединенный с тремя рычагами, средний из которых снабжен дополнительными блоками, а на крайних установлены подпружиненные тяги, связанные с концами тяговых канатов, другими концами огибающих дополнительные блоки и соединенных с подпружиненными тягами на кронштейне.
3) АС №683975 1 шкив
1. Шкив, содержащий ступицу с ободом, в желобе которого расположены футеровочные элементы, взаимодействующие своей рабочей поверхностью с тяговым канатом и образующие замкнутую систему, отличающийся тем, что, с целью повышения безопасности эксплуатации, упрощения конструкции и унификации футерованных ободьев шкивов больших диаметров, он снабжен сегментными держателями, профилированными по форме желоба, причем футеровочные элементы установлены в держателях, которые скреплены с ободом посредством разъемных соединений.
2. Шкив по п. 1, отличающийся тем, что в сегментных держателях установлены оси, выполненные с лысками на цилиндрической части и торцах, контактирующими соответственно с заплечиками сегментных держателей и стенками обода, и футеровочные элементы установлены на осях.
1.6 Вывод
Привод лифта, проектируемый в данном дипломном проекте, обладает патентной чистотой при глубине поиска с 1971 года по 1991 год по странам Россия, Германия, Финляндия и Япония.
2. Общая часть
2.1 Расчет металлоконструкции лифта
2.1.1 Назначение и устройство кабины лифта
Кабиной лифта называется закрытое грузонесущее устройство, предназначенное для транспортировки пассажиров и грузов.
Лифты могут оборудоваться непроходными и проходными кабинами в зависимости от планировки и назначения соответствующего здания или сооружения. Проходная кабина отличается наличием двух закрываемых дверей, расположенных на ее противоположных сторонах или под некоторым углом. Непроходная кабина оборудуется только одной дверью (не считая аварийной двери для перехода из кабины одного лифта в другой, которые размещаются в одной шахте).
Конструкция кабины и установленные в ней устройства и оборудование должны отвечать требованиям безопасности, комфортности условий транспортировки пассажиров и пожаростойкости.
Оборудование кабины должно иметь низкую виброактивность в широком диапазоне частот.
Между канатной подвеской и каркасом, между каркасом и купе кабины необходимо устанавливать амортизаторы для снижения шума и вибрации, распространяемого от лебедки по канатам в салон кабины.
Неблагоприятное воздействие вибрации на организм человека зависит от частоты и амплитуды колебаний. Допустимые величины амплитуды и частоты колебаний в кабине лифта не должны превышать значений [1], приведенных в табл. 2.1.
Основные требования к конструкции кабин лифтов отражены в разделе 5.5 ПУБЭЛ [4].
Таблица 2.1
| Амплитуда колебаний, мм | Частота колебаний, Гц |
0,1 – 0,2 0,005 0,003 |
3 – 5 16 32 |
Основу конструкции кабины составляют металлоконструкции несущего каркаса, который с помощью устройства, называемого подвеской, надежно соединяется тяговыми канатами подъемной лебедки. Каркас с помощью скользящих или роликовых башмаков центрируется на жестких направляющих, которые исключают заметные поперечные колебания кабины и гарантирует постоянство расстояний между движущимися и неподвижными частями лифта в шахте.
В нижней или верхней части каркаса, в непосредственной близости от башмаков, смонтированы ловители, по одному с каждой стороны кабины. Ловители включаются автоматически и затормаживают кабину относительно направляющих при аварийном превышении скорости движения, надежно удерживая ее на направляющих после остановки.
В нижней части каркаса кабины должны предусматриваться прочные опорные поверхности, необходимые для взаимодействия с упорами или буферами в приямке при аварийном проходе кабиной нижней посадочной площадки.
На каркасе жестко или через амортизаторы устанавливается купе кабины. Пол кабины жестко связан с конструкцией купе или служит грузовой платформой устройства контроля нагрузки, смонтированного на раме каркаса.
Передняя часть купе оборудуется закрываемыми дверями той или иной конструкции с устройствами, исключающими возможность движения кабины при открытых створках.
При наличии автоматических дверей их привод устанавливается на специальной раме, связанной с потолочной конструкцией купе (колпаком купе), в которой обычно монтируются светильники.
Внутри кабины находится аппарат приказов пассажиров, индикаторные устройства и система связи с диспетчерской службой.
Внутренняя отделка купе должна учитывать назначение лифта и специфические особенности контингента пользователей. Так, в жилых зданиях массовой застройки предпочтение следует отдавать антивандальным решениям и более практичной внутренней отделке.
Сборная металлическая конструкция купе является перспективным решением, отражающим отечественный и зарубежный опыт. Применение тонкостенных панелей из профилированной стали повышает технологичность, пожаростойкость конструкции купе при некотором снижении материалоемкости. Повышению пожаростойкости способствует применение дверей специальной конструкции с пожароустойчивым наполнителем и окраска стен купе термостойким лаком.
2.1.2 Устройство и расчет каркаса кабины
Каркас кабины должен обладать достаточной прочностью и жесткостью, гарантируя безопасную работу лифта в рабочих, испытательных и аварийных режимах.
Конструкция каркаса собирается из стального проката или, в последнее время, из специально изготовленных гнутых профилей. Применяются сварные и болтовые соединения.
В нижней части каркаса предусматриваются опорные поверхности для взаимодействия с буферами в приямке шахты. С боковых сторон каркаса, в верхней и нижней его части, устанавливаются башмаки.
Наиболее нагруженной частью каркаса кабины является вертикальная рама. К ней крепятся тяговые и уравновешивающие канаты. На ней устанавливается горизонтальная рама с подвижным полом и купе. Вертикальная рама воспринимает динамические нагрузки при посадке кабины на буфер и ловители.
Верхняя и нижняя балка каркаса обычно имеют одинаковую конструкцию, и собирается из швеллеров или гнутого стального профиля.
Стойки вертикальной рамы крепятся к балкам посредством болтов и выполняются из прокатного или гнутого стального профиля. С целью увеличения жесткости болтовых соединений используются косынки из стального листа.
Момент сопротивления изгибу стоек обычно в 8 – 12 раз меньше соответствующего момента сопротивления балок. В связи с этим, при рабочих деформациях вертикальной рамы, изгибающие моменты заделки стоек имеют незначительную величину, что позволяет производить прочностной расчет балок и стоек независимо, по упрощенной методике.
Конструкция горизонтальной рамы каркаса кабины непосредственно воспринимает действие сил тяжести купе, груза и инерционных сил в рабочих и аварийных режимах.
Характер работы металлоконструкций горизонтальной рамы существенно связан с наличием и конструкцией взвешивающего устройства. Так, при применении взвешивающего устройства с подвижным полом, нагрузка на раму передается через опоры осей рычажной подвески пола, а при отсутствии взвешивающего устройства - непосредственно щитовой конструкцией пола.
Схема каркаса кабины представлена на рис. 2.1.
Задаемся размерами кабины:
– высота Н=2100 мм;
– глубина L=1400 мм;
– ширина В=1200 мм.

Рис. 2.1. Схема каркаса кабины: 1 – верхняя балка; 2 – стойка;
3 – нижняя балка; 4 – горизонтальная рама
Вертикальная рама каркаса представляет собой статически неопределимую конструкцию, которая может рассчитываться традиционными методами строительной механики или упрощенным способом на основе независимого рассмотрения работы горизонтальных балок и стоек [3].
Расчетная схема каркаса представлена на рис. 2.2. На схеме приняты

Рис. 2.2. Расчетная схема противовеса.
Приняты следующие обозначения: Pис – расчетная нагрузка
в режиме статических испытаний; I1 , I2 – моменты инерции
поперечных сечений стойки и балки вертикальной рамы;
h, l – основные размеры рамы
Расчетная нагрузка кабины определяется двукратным значением величины номинальной грузоподъемности.
При статических испытаниях груз равномерно распределяется по всей площади пола кабины.
Расчетная нагрузка, приложенная в середине пролета верхней балки составляет
, кН (2.1)
= 18,05 кН
Используя стандартные методы строительной механики можно определить изгибающие моменты в характерных точках рамы с учетом симметрии ее конструкции:
– моменты в местах крепления стоек к нижней балке (точки А, D)
(2.2)
![]()
- моменты в местах крепления стоек к верхней балки (точки В, С)
(2.3)
,
где
– коэффициент, учитывающий соотношение жесткости сопряженных элементов и размеры рамы.
- изгибающий момент в среднем сечении верхней балки
(2.4)
![]()
Для оценки влияния жесткости стоек на характер и величину деформации верхней балки определим вспомогательный коэффициент соотношения момента в заделке (точка В) и момента в точке приложения нагрузки от канатной подвески (точка Е)
(2.5)

В реальных конструкциях лифтов величина Км ≥ 10, поэтому доля влияния моментов в узлах соединения балок со стойками очень мала, что делает вполне оправданным упрощенный расчет балок и стоек каркаса.
2.1.3 Устройство и расчет пола кабины
Горизонтальная рама каркаса кабины вместе с полом образует несущую конструкцию грузовой платформы.
Полы могут иметь деревянную, металлическую или комбинированную конструкцию.
Кабины могут оборудоваться подвижными и неподвижными полами в зависимости от назначения лифта, наличия и особенностей конструкции системы контроля ее загрузки.
Неподвижные полы устанавливаются в кабинах грузовых, больничных лифтов и в пассажирских лифтах с устройством контроля времени загрузки кабины, или в тех случаях, когда применяемый метод контроля нагрузки не требует наличия подвижного пола. Неподвижный пол может быть составной частью конструкции купе кабины, закрепленного на несущем каркасе через амортизирующие прокладки или представлять собой коробчатую конструкцию грузовой платформы.
Металлическая конструкция неподвижного пола имеет защитное покрытие из дерева или синтетических материалов. Деревянные полы составляются из плотно пригнанных досок толщиной 50 – 80 мм, соединяемых в шпунт и связанных между собой поперечными брусьями. Деревянный настил устанавливается в металлическую раму с промежуточными поперечными балками. Для защиты деревянный настил покрывается тонким металлическим листом или пластиком.
Устройства контроля загрузки пассажирского лифта с подвижным полом обычно представляет собой грузовые или пружинные весы с одним или несколькими дискретными уровнями контроля нагрузки и соответствующими микропереключателями.
Подвижный пол кабины должен изготавливаться из сплошного щита и полностью перекрывать порог дверей, кабины. У кабин с автоматическими раздвижными дверями порог может быть неподвижным.
Вертикальный ход подвижного пола не должен превышать 20 мм [2].
На рис. 2.3 представлена схема устройства контроля загрузки кабины с грузовым механизмом.

Рис. 2.3. Схема грузового механизма контроля загрузки с подвижным полом:
1, 16 – ступицы; 2, 3, 4 – микровыключатели; 5, 10, 13, 14, 15, 18, 21 – рычаги;
6, 12 – грузы; 7 – пружина; 8, 22 – полые валы; 9 – упор; 17, 23 – ось; 11 – палец;
19 – горизонтальная рама каркаса кабины; 20 – опорная стойка пола;
24 – щитовая конструкция пола
Грузонесущей основой подвижного пола является горизонтальная рама 19 каркаса кабины.
Щитовая конструкция пола через стойки 20 шарнирами опирается на рычаги полых валов 8 и 22, которые с помощью подшипников закреплены на неподвижных осях 17, 23, установленных на горизонтальной раме. Вилки рычагов 13 и 21 охватывают подшипники рычагов 15, 18 ступицы 16, которая установлена на оси 17. Такая конструкция обеспечивает вертикальное поступательное перемещение пола независимо от положения груза в кабине.
На рычагах 5 и 14 ступиц 1 и 16 закреплены грузы взвешивающего устройства 6 и 12 Между грузами 12 и 6 имеется односторонняя связь посредством пальца 11, взаимодействующего со скобой, закрепленной на конце рычага 14.
Для контроля 10 % перегрузки кабины, кроме груза 6, используется цилиндрическая пружина 7 Под рычагами 5 и 14 установлены микровыключатели 2, 3, 4.
При отсутствии пассажиров в кабине, груз 12, установленный на рычаге 14, уравновешивает силу тяжести подвижного пола 24. При этом рычаг 14 воздействует на микровыключатель 2
При появлении груза в кабине массой более 15 кг равновесие системы нарушается и рычаг 14 с грузом 12 поднимается вверх. Срабатывает контактное устройство 2, сигнализируя системе управления о наличии груза.
Дальнейшее увеличение загрузки кабины сопровождается дополнительным подъемом рычага 14. Связанная с ним скоба поднимает палец 11 вместе с грузом 6, поворачивая рычаг 5 против часовой стрелки.
Если груз в кабине достигает 90 % номинальной грузоподъемности, дальнейший подъем рычага 5 приводит к срабатыванию контактного устройства 4. При этом система управления лифта перестает реагировать на попутные вызовы с этажных площадок.
При превышении номинальной нагрузки более чем на 10 %, рычаг дополнительно поднимается вверх сжимая предварительно сжатую пружину 7 срабатывает контактное устройство 3 и отключается двигатель механизма подъема. Момент срабатывания контактного устройства устанавливается регулировкой силы предварительного сжатия пружины 7.
В лифтах с распашными дверями кабины применяется более простая система подвижного пола с петлевым креплением одной его стороны и опорой другой на пружину. При такой конструкции чувствительность контроля нагрузки зависит от положения пассажира по отношению к петлевой подвеске пола.
Рассматриваемая конструкция является вариантом системы контроля нагрузки с пружинным уравновешиванием. Роль грузовой платформы взвешивающего устройства выполняет купе кабины, которое имеет возможность вертикальных, поступательных перемещений относительно каркаса кабины (рис. 2.4. а).
Отличительной особенностью данной конструкции является очень небольшая величина вертикальных перемещений пола купе, который остается практически неподвижным.
При отсутствии пассажиров в кабине, сила тяжести купе уравновешивается усилием предварительно деформируемой двухопорной балки 1. Установка величины предварительной деформации осуществляется регулировочным болтом 4 относительно неподвижной втулки 5 (рис. 2.4 б).
Увеличение нагрузки купе приводит к дополнительной деформации балки и увеличению угла ее поворота
на опорах. Благодаря этому, консольная часть балки, с винтом 6 на конце, поворачивается против часовой стрелки. Винт 6 действует на рычаг 7, который поднимается вверх, преодолевая усилие пружины 8, и перестает действовать на приводной механизм контактов микровыключателя 10 по достижению определенного, контролируемого уровня нагрузки купе кабины.

Рис. 2.4. Система контроля загрузки кабины с плавающей установкой купе
а) схема установки взвешивающего устройства: 1 – каркас, 2 – подвеска, 3 – купе,
4 – направляющие ролики вертикального перемещения купе,
5 – взвешивающее устройство;
б) схема устройства контроля нагрузки: 1 – упругая предварительно деформированная балка, 2 – устройство передачи нагрузки от пола купе на балку, 3 – направляющая втулка, 4 – болт регулировки предварительной деформации балки, 5 – упорная втулка,
6, 12 – винт регулировочный, 7 – балка рычажного передаточного механизма,
8, 11 – пружина, 9 – рычаг подвески микровыключателя,
10 – микровыключатель, 13 – упор
Взвешивающее устройство оборудовано тремя комплектами элементов 6 – 12 и их настройка позволяет контролировать три уровня загрузки кабины, включая перегрузку.
Винты 6 и 12 используются для регулировки нагрузки срабатывания каждого из 3-х микровыключателей 10. Под балкой установлен упор 13 для защиты ее от перегрузки, при посадке кабины на буфер или ловители.
Определяем параметры взвешивающего устройства.
Прогиб балки в середине пролета:
, (2.6)
где l – пролет балки, м;
I – момент инерции поперечного сечения балки, м4 ;
P – расчетная нагрузка, Н;
Е – модуль упругости материала балки, Н/м2 .
0,0009 м
Угол упругого поворота оси балки на опоре при прогибе в середине пролета
(2.7)
0,0022 рад
Тангенциальное перемещение болта 6 составит величину
, м, (2.8)
где r – радиус поворота рычага.
=0,00027 м
Перемещение конца рычага 7 в точке контакта с конечным выключателем
, м (2.9)
= 0,0007 м.
Соотношение плеч рычажной системы соответствует величине перемещения приводного элемента микропереключателя.
2.1.4 Расчет направляющих башмаков
Для центрирования относительно направляющих кабин (противовесов) и неизменности расстояний между подвижными и неподвижными частями лифта на несущих каркасах устанавливаются башмаки. С каждой стороны кабины (противовеса) устанавливается по два башмака, в верхней и нижней ее части.
Конструкция башмаков охватывает головку направляющей с трех сторон, так, чтобы обеспечить действие нормальных сил, уравновешивающих опрокидывающие моменты, вызванные эксцентриситетом положения центра масс груза, кабины и смещением центра подвески.
Принимаем направляющие башмаки скользящей конструкции.
Площадь поверхности вкладыша определяем в зависимости от допустимого контактного напряжения материала:
- для боковой поверхности
, (2.10)
где
– расчетная нагрузка на башмак в поперечном направлении (рис. 2.5);
– допустимое напряжение смятия материала вкладыша из капрона.
- для торцевой поверхности
, (2.11)
где Nн – расчетная нагрузка на башмак в торцевом направлении (см. рис. 2.5);
Силы нормального давления, действующие на башмаки в плоскости направляющих и в перпендикулярном к ним направлении, определим из уравнений равновесия кабины:
∑Мх = 0, ∑Мy = 0 (2.12)

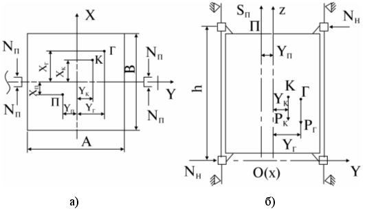
Рис. 2.5. Схемы к расчету опорных реакций башмаков кабины:
а) схема горизонтальной проекции кабины;
б) схема вертикальной проекции кабины.
На рис. приняты следующие обозначения: А, В - ширина и глубина кабины, м; h - расстояние между башмаками по вертикали, м; П - обозначение точка подвески кабины; Хп , Yп - продольное и поперечное смещение точки подвески кабины относительно центра пола, м; S - натяжение тяговых канатов, кН; К - положение центра масс кабины; Г - положение центра масс расчетного груза; Хв , Yв - продольное и поперечное смещение центра масс кабины относительно центра пола, м; Хг , Yг - продольное и поперечное смещение центра масс расчетного груза, м; Nп , Nн - нормальные реакции в зоне контакта башмаков с направляющими, которые действуют перпендикулярно и параллельно плоскости направляющих; Рк , Рг - сила тяжести кабины и груза, соответственно, кН.
Из уравнений равновесия определяем соответствующие нормальные реакции
, (2.13)
, (2.14)
где Рг = Qр ·10-2 – величина силы тяжести массы расчетного груза, кН (для пассажирского лифта Qр = 0,5·Qс , где Qс – грузоподъемность из условия свободного заполнения кабины);
Рк – сила тяжести массы кабины, кН;
Хп , Yп –координаты смещения точки подвески кабины, принимаются по конструктивным соображениям от 0,03 до 0,1 м;
Хк , Yк –величина продольного и поперечного смещения центра масс кабины, зависящая от конструкции дверей кабины, может приниматься в пределах от 0,02 до 0,1 м;
Хг , =В/6,Yг =А/6 - определяются в предположении, что расчетный груз равномерно распределен по треугольной площадке, составляющей 50 % площади пола кабины, отделенной диагональю прямоугольного контура.
![]()
![]()
![]()
![]()
![]()
![]()
2.2 Расчет направляющих
Направляющими называются неподвижно установленные в шахте стальные рельсы, расположенные по боковым сторонам кабины (противовеса), которые гарантируют прямолинейное движение без поперечного раскачивания и обеспечивают постоянство безопасных зазоров между подвижными и неподвижными частями оборудования в шахте лифта.
В аварийных режимах посадки на ловители направляющие служат прочной основой для плавного торможения и надежного удержания кабины (противовеса) до момента снятия с ловителей. Возникающие при этом значительные динамические нагрузки непосредственно воспринимаются направляющими и устройствами их крепления в шахте.
В нормальных рабочих режимах направляющие воспринимают силы нормального давления башмаков, которые обусловлены смещением центра масс груза и кабины относительно канатной подвески или процессом загрузки кабины средствами напольного транспорта.
От прочности, жесткости и точности установки направляющих зависит надежность и безопасность работы лифта. В связи с этим раздел 5.3 ПУБЭЛ предъявляет ряд специальных требований к конструкции направляющих [4].
Прочностной расчет направляющих производится с учетом нагрузок действующих в рабочем режиме и при посадке на ловители (рис. 2.6).
Примем следующие обозначения:
l, lр – величина пролета крепления направляющей и ее расчетный пролет;
е – эксцентриситет приложения продольной силы R относительно центра тяжести сечения направляющей;
Nн , Nп – нагрузка, действующая в плоскости направляющих и перпендикулярном к ней направлении;
R – расчетная величина тормозной силы ловителя;
Мн , Мп , МR – изгибающие моменты в опасном сечении направляющей.

Рис. 2.6. Расчетные схемы направляющих
а) многоопорная балка; б) двухопорная балка
Направляющая рассматривается как неразрезная многопролетная балка, загруженная в одном пролете поперечными, нормальными силами и продольной тормозной силой при посадке кабины (противовеса) на ловители.
Методика расчета направляющих противовеса особой специфики не имеет. В связи с этим, более детально рассмотрим расчет направляющей кабины.
1. Предварительно определяем параметры профиля и шаг крепления направляющей (п. 7.1; табл. 7.1 [1]).
Геометрические характеристики профиля (рис. 2.7 а):
– Обозначение профиля НТ-3;
– Размеры поперечного сечения профиля:
H=60 мм;
h=35 мм;
B=90 мм;
b=16 мм.
– Масса 1 м 11,8 кг;
– Шаг крепления принимаем равным 2 м.

Рис. 2.7. Направляющая таврового профиля
а) схема поперечного сечения; б) расчетная схема
2. Рассчитываем величины моментов инерции и моментов сопротивления поперечного сечения направляющей (рис. 2.7 б).
Площадь поперечного сечения брутто
(2.15)
![]()
Площадь поперечного сечения нетто (учет ослабления отверстиями)
(2.16)
![]()
Координаты центра тяжести сечения брутто
(2.17)
Xсб =0
![]()
Координаты центра тяжести сечения нетто
(2.18)
Xсн = 0
![]()
где Y1 , Y2 , Y3 ,Y4 – координаты центра элементарных площадок поперечного сечения относительно любой выбранной точки горизонтальной оси сечения;
h1 =35 мм;
h2 =17 мм;
h3 =8 мм;
h4 =8 мм;
b1 =16 мм;
b2 =8 мм;
b3 =90 мм;
b4 =8 мм;
Y1 =42,5 мм;
Y2 =16,5 мм;
Y3 =4 мм;
Y4 =4 мм;
F1 =560 мм2 ;
F2 =136 мм2 ;
F3 =720 мм2 ;
F4 =64 мм2 .
Моменты инерции сечения брутто
(2.19)

(2.20)
![]()
Моменты инерции нетто
(2.21)

(2.22)

Минимальная величина радиуса инерции брутто
(2.23)
=28,2 мм
Моменты сопротивления брутто при изгибе в плоскости направляющих:
– для верхней точки сечения
(2.24)

– для нижней точки сечения
(2.25)

Момент сопротивления брутто при изгибе в плоскости перпендикулярной плоскости направляющих:
– для крайней точки основания сечения направляющих
(2.26)
![]()
– для точки на боковой поверхности головки направляющей
(2.27)
![]()
Момент сопротивления нетто при изгибе в плоскости направляющих:
– в верхней точке сечения
(2.28)

– в нижней точке сечения
(2.29)

Момент сопротивления нетто при изгибе в плоскости перпендикулярной плоскости направляющих:
– в крайней точке основания сечения направляющей
(2.30)
![]()
– в точке боковой поверхности головки
(2.31)
![]()
3. Производим расчет направляющей в рабочем режиме работы лифта с 10 % перегрузкой кабины (см. рис. 2.6 а, б).
Предполагается, что в центре пролета направляющей действуют расчетная, нормальная сила Nн в плоскости направляющих и нормальная сила Nп перпендикулярная плоскости направляющих. Нормальные силы определяются рассмотренным выше методом при смещении центра масс груза в поперечном и продольном направлениях на величину А/6 и В/6, соответственно.
Пролет реальной многопролетной балки заменяется расчетным эквивалентным, учитывающим влияние жесткости соседних пролетов, путем сокращения его длины до величины
(2.32)
![]()
В среднем сечении пролета во взаимно перпендикулярных направлениях действуют изгибающие моменты от поперечных сил:
– в плоскости направляющих
(2.33)
![]()
– в плоскости, перпендикулярной плоскости направляющих
(2.34)
![]()
Наибольшее расчетное нормальное напряжение определяется геометрическим сложением нормальных напряжений, действующих в двух плоскостях изгиба
(2.35)

где Wн , Wп – минимальные значения величины момента сопротивления сечения направляющей соответствующих плоскостях изгиба.
Коэффициент запаса прочности определяется по отношению к пределу текучести материала направляющей (для Ст. 20 ГОСТ 1050-74
=245 МПа=2450000 Н/м2
)
, (2.36)
где [nэ ] – допускаемый запас прочности в рабочем режиме.
4. Проверка жесткости направляющей.
Прогиб в плоскости направляющих
,
где Е=2,17·107 Н/см2

Прогиб направляющей не должен превышать величины ![]()
![]()
Условие выполняется, следовательно, направляющая подобрана верно.
3. Спецчасть
3.1 Расчет и подбор каната
Канаты подъёмных механизмов лифтов обеспечивают передачу движения от лебедки к кабине и противовесу с небольшими потерями мощности на канатоведущем органе и отклоняющих блоках [2, 3].
Канаты воспринимают растягивающие нагрузки при движении и неподвижном состоянии кабины, в нормальных эксплуатационных и аварийных режимах.
От надежности работы системы подвески подвижных частей лифта зависит жизнь пассажиров. Поэтому к стальным канатам и тяговым цепям лифтов предъявляются повышенные требования прочности и долговечности. Эти требования нашли отражения в ПУБЭЛ Госгортехнадзора [4].
Канаты, поступающие на монтаж лифтового оборудования должны иметь документ (сертификат), характеризующий их качество и оформленный в полном соответствии с требованиями государственных стандартов. Аналогичные требования предъявляются к тяговым цепям.
Параллельно работающие канаты подвески кабин (противовесов) должны иметь одинаковые диаметры, структурные и прочностные характеристики.
Не допускается сращивание тяговых канатов механизмов подъема и ограничителей скорости.
Номинальный диаметр тяговых канатов лифтов для перевозки людей должен быть не менее 8 мм, а в ограничителях скорости и лифтах, не рассчитанных на транспортировку людей, – не менее 6 мм.
Число параллельных ветвей канатов подвески кабины (противовеса) должно быть не менее указанных в таблице 4 ПУБЭЛ [4].
В лифтах применяются только канаты двойной свивки, которые свиваются из прядей проволок относительно центрального сердечника в виде пенькового каната, пропитанного канатной смазкой.
Обычно стальной канат состоит из 6 прядей и сердечника.
Условия работы канатов в лифтах с КВШ отличаются наличием изгибающих, растягивающих, скручивающих и сдвигающих нагрузок, поэтому очень важно иметь большую поверхность касания проволочек в отдельных слоях. Этому требованию в наибольшей степени отвечают канаты типа ЛК с линейчатым касанием между проволоками.
В зависимости от структуры поперечного сечения прядей различают канаты ЛК-О – при одинаковых диаметрах проволок по слоям навивки, ЛК-Р с различным диаметром проволок. Канаты с точечным касанием проволок имеют обозначение ТК.
В обозначении конструкции каната учитывается характер касания проволок, количество прядей и число проволок в каждой пряди: ЛК-О 6x19 или ТК 6x37.
При использовании канатов важно обеспечить не только достаточную их прочность, но и надежное соединение с элементами конструкции лифта.
Стальные канаты должны рассчитываться на статическое разрывное усилие
, (3.1)
где Р – разрывное усилие каната, принимаемое по таблицам ГОСТ или результатам испытания каната на разрыв, кН;
К – коэффициент запаса, принимаемый по таблице 6 ПУБЭЛ в зависимости от типа канатоведущего органа, назначения и скорости кабины лифта [4];
S – расчетное статическое натяжение ветви каната, кН
Величина расчетного натяжения ветви канатной подвески должна определяться по следующим зависимостям:
для канатов подвески кабины.
(3.2)
для канатов подвески противовеса
![]()
, (3.3)
гдеQ – грузоподъемность лифта, кг;
QК – масса кабины, кг;
QП – масса противовеса, кг;
QТК – масса тяговых канатов от точки схода с КВШ до подвески, кг;
QН – масса натяжного устройства уравновешивающих канатов, кг;
m– число параллельных ветвей канатов;
g= 9,8 м/с2 – ускорение свободного падения.
Канат подвешивается в соответствии с правилами ПУБЭЛ [4]. Лифт с канатоведущим шкивом, в котором допускается транспортировка людей должен быть подвешен не менее чем на трех канатах. По рекомендации [1] лифты от 500 до 1000 кг подвешиваются на 3-6 отдельных канатах.
Выбираем 3 отдельные ветви канатов, на которых подвешивается кабина и противовес.
Масса тяговых канатов определяется по формуле
(3.4)
где
– приближенное значение массы 1 метра тягового каната, кг/м (принимается 0,4-0,5 кг/м);
– расчетная высота подъема кабины, м.
![]()
![]()
![]()
![]()
По расчетному значению разрывной нагрузки Р и таблицам ГОСТ определяется необходимый диаметр каната, так, чтобы табличное значение разрывной нагрузки было равно или больше расчетной величины.
Выбираем канат типа ЛК-Р ГОСТ 2680-80 [12] с одним органическим сердечником со следующими параметрами:
– Диаметр каната d=9,1 мм;
– Расчетная площадь сечения всех проволок F=31,18 см2 ;
– Масса 1000 м смазанного каната 305 кг
– Маркировочная группа по временному сопротивлению разрыву 1860 МПа;
– Расчетное разрывное усилие:
- суммарное всех проволок в канате 58050 Н;
- каната в целом 47500 Н;
После выбора типа и определения диаметра каната производим проверку фактической величины коэффициента запаса прочности каната подвески кабины или противовеса [3]
,
где РТ – табличное значение разрывной нагрузки выбранного каната, кН;
– фактическое значение массы каната от точки схода с КВШ до подвески кабины (противовеса), кг;
– фактическоезначение массы 1 метра выбранного тягового каната, кг/м;
,
где Н – расчетная высота подъема кабины лифта, м
![]()
![]()
Правильному выбору каната должно соответствовать условие
(3.5)
13 ≥ 12
Условие прочности 3.5 выполняется.
3.2 Определение массы подвижных частей механизма подъема
Работа механизма подъема лифта связана с перемещением массы кабины, противовеса, тяговых канатов и подвесного кабеля.
Работа по преодолению сил тяжести подвижных частей может быть существенно снижена, если добиться равновесия сил тяжести, действующих на канатоведущий орган лебедки со стороны кабины и противовеса.
Так как полезный груз в кабине не остается величиной постоянной, полное уравновешивание кабины с грузом практически исключается. Если силу тяжести конструкции кабины можно полностью уравновесить с помощью противовеса, то груз в кабине – только частично.
В крайних положениях кабины оказывается неуравновешенной и сила тяжести тяговых канатов [2, 3]. Влияние неуравновешенности канатов становится весьма ощутимым при значительной высоте подъема лифта.
Основную роль в системе уравновешивания играет противовес. При небольшой высоте подъема масса противовеса выбирается из условия уравновешивания кабины и среднестатистического значения массы полезного груза. Это обеспечивает существенное снижение окружной нагрузки КВШ и необходимой мощности привода лебедки.
При высоте подъема кабины более 45 м приходится учитывать влияние силы тяжести неуравновешенной части тяговых канатов и применять для их уравновешивания дополнительные гибкие уравновешивающие элементы в виде цепей или уравновешивающих канатов.
Определение массы противовеса требует предварительного определения массы кабины лифта по исходным данным или по приближенным соотношениям, устанавливающим зависимость между площадью пола и массой кабины [3].
3.2.1 Расчет веса кабины
Масса кабин пассажирских лифтов отечественного производства приближенно определяться по следующей формуле [1]:
, (3.6)
где А, В –ширина и глубина кабины, соответственно, м.
![]()
3.2.2 Расчет противовеса
3.2.2.1. Назначение, конструкция и устройство
При менение уравновешивающих устрой ств значительно уме ньш ает потребное тяговое усилие на шкиве ил и барабане, а, следовательно, позволяет использ овать более легкие и дешевые леб едки .
Одним из уравнов ешивающих устройств является противовес, массу которого выбирают такой, чтобы она уравновешивала массу кабины и часть массы груза. В лифтах с КВШ противовес, наряду с этим, обеспечивает натяжение канатов, необходимое для надежного сцепления канатов с ободом шкива.
Основу конструкции противовеса составляет несущий каркас с устройством канатной подвески и башмаками.
Канаты закрепляются на верхней балке каркаса с помощью пружинной подвески или огибают блоки, если в конструкции лифта используется полиспаст.
Рамы противовеса заполняются набором железобетонных или чугунных грузов исходя из расчетного значения коэффициента уравновешивания φ и массы каркаса.
Масса каркаса, в зависимости от конструктивного исполнения и грузоподъемности лифта, составляет 5…15% расчетной массы противовеса. В конструкции каркаса предусматриваются устройства для неподвижной фиксации набора грузов в каркасе.
Поперечные размеры в плане определяются соответствующими размерами грузов.
Габаритная высота противовеса обычно соизмерима с высотой кабины.
На рис. 3.1 представлен вариант типовой конструкции противовеса с пружинной подвеской, применяемый в лифтах отечественного производства.

Рис. 3.1. Противовес с пружинной подвеской:
1 – пружинная подвеска; 2 – аппарат для смазки направляющей; 3 – башмак;
4 – металлоконструкции несущего каркаса; 5 – запорное устройство;
6 – контрольный башмак; 7 – стяжка; 8 – набор грузов.
Несущий каркас противовеса изготавливается из стального проката или гнутого стального профиля.
В целях экономии материала иногда применяются противовесы, не имеющие жесткого каркаса. Конструкция бескаркасного противовеса состоит из верхней и нижней балки, между которыми располагается набор грузов, стянутых двумя вертикальными болтами, проходящими через сквозные отверстия. Недостатком такого решения является сложность регулировки коэффициента уравновешивания груза кабины.
В противовесах применяются чугунные и железобетонные грузы различной формы и размеров.
Масса груза не должна превышать 60 кг из условия возможности подъема двумя рабочими.
Корректировка величины коэффициента уравновешивания груза производится путем снятия или добавления необходимого количества грузов.
По правилам ПУБЭЛ конструкция противовеса должна быть рассчитана на нагрузки в рабочем режиме, в режиме посадки противовеса и кабины на буфер и ловители. Нагрузки при посадке на ловители должны определятся при максимальной расчетной скорости срабатывания ограничителя скорости.
3.2.2.2. Определение массы противовеса
Масса противовеса определяется по формуле
, (3.7)
где
- коэ
ффициент уравновешивания массы груза. Для пассажирских лифтов жилых зданий рекомендуется принимать
=
0,35…0,4.
![]()
3.2.2.3. Расчет металлоконструкций каркаса противовеса
В большинстве случаев противовесы изготавливаются с жестким каркасом, состоящим из верхней и нижней балок, жестко соединенных вертикальными стойками. Наряду с традиционными конструкциями из стального проката успешно применяются каркасы из гнутого стального профиля (рис. 3.2).
Расчет может производиться традиционными методами строительной механики как жесткой вертикальной рамы прямоугольной формы, нагруженной в среднем сечении верхней балки.
Предварительно по конструктивным соображениям определяется форма и размеры поперечных сечений балок и стоек с учетом влияния жесткости узлов стыка стоек с верхней балкой.

Рис. 3.2. Схема каркаса противовеса из гнутого стального профиля:
а) конструктивная схема, б) расчетная схема
Sпр - расчетная нагрузка канатной подвески; М2 , М3 , М4 - изгибающие моменты в характерных точках рамы; b, Н - основные размеры рамы.
Определяются момент инерции сечения верхней балки каркаса Iб , стойки Iст и моменты сопротивления изгибу в вертикальной плоскости.
С учетом принятых размеров каркаса и параметров сечений его несущих элементов определяются изгибающие моменты в расчетных сечениях (см. рис. 3.2 б).
(3.8)
, (3.9)
где
– коэффициент учета соотношения жесткостей элементов и геометрических параметров каркаса;
h=3,38 м;
b=0,75 м;
Iб =2,72 м4 ;
Iст =0,153 м4 .


![]()
Напряжение изгиба в среднем сечении верхней балки
(3.10)
,
где W3 – момент сопротивления изгибу расчетного сечения верхней балки, м3 , W3 =0,78 м3
Напряжение среза в расчетном сечении
(3.11)
где F3 – площадь поперечного сечения верхней балки, м2 , F3 =0,36 м2

Эквивалентное напряжение в расчетном сечении верхней балки
(3.12)
![]()
Фактическое значение коэффициента запаса прочности
(3.13)

где σт – предел текучести и расчетный коэффициент запаса прочности для материала каркаса.
Расчет стоек каркаса и болтового соединения стоек с верхней и нижней балкой какой либо специфики не имеет. Конструкция нижней балки каркаса принимается такой же как и верхней.
3.2.3 Расчет массы подвесного кабеля
Масса подвесного кабеля
(3.14)
где qпк = 0,513 кг/м – погонная масса кабеля КПВЛ-24 ГОСТ 16092-70;
mк =3 – число кабелей.
![]()
3.3 Расчет диаметра канатоведущего шкива и обводных блоков
В конструкции механизмов подъема лифтов с канатной подвеской кабины (противовеса) канатоведущие шкивы используются для преобразования вращательного движения выходного вала механизма привода в поступательное перемещение кабины (противовеса).
В зависимости от кинематической схемы лифта применяются также отклоняющие блоки.
Применение КВШ в лифтовых лебедках позволяет существенно повысить безопасность пассажиров, практически исключая опасность обрыва канатов, так как кабина может быть подвешена на нескольких параллельных ветвях канатов, а высота переподъема ограничивается проскальзыванием канатов из-за посадки противовеса на буфер.
Независимость параметров лебедки с КВШ от высоты подъема открывает широкие возможности унификации лебедок с соответствующими технико-экономическими преимуществами.
Внешняя нагрузка КВШ, определяемая разностью натяжения канатов подвески кабины и противовеса, уравновешивается действием сил сцепления канатов с ободом. Эти силы зависят от угла обхвата шкива канатами и формы профиля поперечного сечения канавок.
Для обеспечения работы КВШ без проскальзывания канатов применяются канавки специального профиля (рис. 3.3).

Рис. 3.3. Профиль поперечного сечения канавки обода КВШ:
а) полукруглая канавка; б) полукруглая с подрезом; в) клиновая; г) клиновая с подрезом;
– центральный угол зоны контакта каната и поверхности канавки;
– угол подреза (угол клина); k, m, n – точки наибольшего напряжения смятия в материале канавки.
В конструкции отклоняющих блоков, не предназначенных для передачи тягового усилия канатам, применяется полукруглая канавка, обеспечивающая минимальную величину контактных давлений, что способствует увеличению долговечности канатов.
Наибольшую силу сцепления обеспечивают канавки клинового профиля, однако, их существенным недостатком является зависимость силы сцепления от степени износа опорной поверхности. В результате износа клиновая канавка преобразуется в полукруглую с подрезом с заметно меньшей силой сцепления.
С учетом вышесказанного в КВШ используем канавку клиновую с подрезом.
Канатоведущие шкивы и отклоняющие блоки изготавливаются из чугунного или стального литья. Отливка в зоне обода должна иметь достаточно высокую твердость и однородную структуру.
Расстояние между канавками обода КВШ зависит от диаметра каната и определяется по формуле
, (3.15)
![]()
Ширина обода КВШ определяется числом параллельных ветвей канатов
, (3.16)
где t, d – шаг канавок и диаметр каната, мм;
m - число параллельных ветвей канатов;
z – число обхватов канатами КВШ.
![]()
Для обеспечения долговечности каната важно обеспечить минимальное число их перегибов на отклоняющих блоках и допустимое по ПУБЭЛ соотношение между диаметром каната и огибаемого канатом цилиндрического тела (КВШ, отклоняющий блок). В связи с этим, диаметр КВШ и отклоняющих блоков следует определять с учетом условия долговечности
,
где е – коэффициент, учитывающий допускаемый изгиб каната на шкиве;
d – диаметр каната, мм.
В соответствии с табл. 3.3 [11] для лифтов, в которых допускается транспортировка людей, с линейной скоростью кабины до 1,6 м/с значение коэффициента е=40.
![]()
Подбираем диаметр шкива и обводных блоков Dшк = Dбл = 720 мм.
Обод шкива проверяется на допускаемое напряжение смятия в зоне контакта с рабочей поверхностью ручья по формуле
, (3.17)
где
- наибольшее натяжение всех канатов, Н;
- число канатов;
D - диаметр канатоведущего шкива, м;
- коэффициент, характеризующий профиль ручья (коэффициент давлени
я).
![]()
![]()
Для клинового ручья коэффициент давления может быть определен по формуле

![]()

Допустимое значение
определяем по графику на рис. 3.14 [11]:
,
7,47 МПа ≤ 65 МПа
Вывод: расчетное напряжение смятия не превышает допустимого, следовательно, шкив подобран правильно.
3.5 Расчет тяговой способности канатоведущего шкива
Тяговое усилие канатоведущего шкива определяется силой трения канатов о шкив. Если кабину лифта начать постепенно перегружать, то при определенном значении массы груза сила трения окажется недостаточной, и канаты начнут скользить по шкиву. Причем начало скольжения канатов происходит при совершенно определенном соотношении между усилиями в левой и правой ветвях каната.
Во избежание полного проскальзывания каната относительно шкива необходимо выполнить условие формулы Эйлера
, (3.18)
где
– коэффициент трения между канатом и ручьем шкива,
[11];
– угол обхвата шкива, рад, ![]()
Величина
называется тяговым коэффициентом или тяговым фактором, и чем она больше, тем большее тяговое усилие может создавать канатоведущий шкив.
Как следует из формулы (3.18), величина тягового фактора шкива зависит от величины коэффициента трения каната о шкив и угла обхвата шкива канатом
.
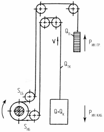
При проектировании лифтов с канатоведущими шкивами необходимо проводить проверку тяговой способности шкива. Для расчета выбирается такой режим работы, когда усилие в более загруженной ветви достигает максимума, а в менее загруженной ветви - минимума. Обычно это соответствует периоду пуска полностью груженной кабины с первого этажа (рис. 3.8).

Рис 3.8. Кинематическая схема лифта
В этом случае усилие в точке набегания канатов на шкив
,
где Q, Qк , Qтк - масса груза, кабины и тяговых канатов, кг;
– ускорение пуска. В соответствии с ПУБЭЛ [4] максимальное ускорение пуска для лифтов, в которых допускается транспортировка людей, ![]()
g
– ускорение свободного падения, ![]()
– коэффициент трения башмаков (для металлических башмаков принимается равным 0,12);
,
– ширина и глубина кабины соответственно, м;
– расстояние между башмаками по вертикали, м.

Усилие в точке сбегания (см. рис. 3.8)
,
где
– сила инерции противовеса в период пуска, направленная в сторону, противоположную направлению движения противовеса, кг.
В соответствие с выводами, полученными в [11]


Подставив полученное значение в формулу Эйлера получим

![]()
1,5<3
Условие 3.18 выполняется.
Вывод: тяговая способность канатоведущего шкива достаточна для работы лифта.
3.6 Расчет электродвигателя
Потребная мощность двигателя лебедки для обычных лифтов выбирается по условию движения полностью груженой кабины с первого этажа без учета инерционных нагрузок:
(3.19)
где
– КПД передачи (для червячной передачи η = 0,6…0,8; КПД возрастает с увеличением числа заходов червяка);
– КПД шкива или барабана (ηшк
= 0,94…0,98; меньшие значения относятся к шкивам на подшипниках скольжения, большие – к шкивам на подшипниках качения).
В лифтах с противовесом окружное усилие
![]()
![]()
Сопротивление на отклоняющих блоках можно с достаточной точностью определить по формуле
, (3.20)
где Sбл - усилие в канате при набегании на отклоняющий блок, Н;
- угол обхвата блока канатами;
- коэффициент сопротивления (для блоков на подшипниках качения ω = 0,02; на подшипниках скольжения ω = 0,04).
Сопротивление на верхнем блоке
![]()
Сопротивление на нижнем блоке
![]()

Выбираем двигатель АС-2-72-6/18ШЛ со следующими параметрами:
N=3,35/1,18 кВт;
n=950/275 мин-1
3.7 Расчет редуктора
В редукторах лифтовых лебедках преимущественное распространение получили червячные передачи (рис. 3.9) в силу ряда очевидных преимуществ: возможность получения больших передаточных чисел в одной паре, а также плавность и бесшумность работы [3].
Недостатком червячной передачи является сравнительно низкий КПД, повышенный износ в связи с большими скоростями скольжения в зацеплении, склонность к задирам и заеданию контактирующих поверхностей.

Рис. 3.9. Схема червячной передачи лифтового редуктора:
а) червячная передача; б) червяк цилиндрический; в) червяк глобоидный
В нашей стране отдается предпочтение глобоидным передачам. Глобоидные червячные передачи обладают повышенной нагрузочной способностью, так как в зацеплении с зубом червяка одновременно находится несколько зубьев, и линии контакта зубьев с червяком располагаются практически перпендикулярно вектору скорости скольжения, что способствует образованию непрерывной масляной пленки на трущихся поверхностях. Благоприятные условия смазки способствуют устранению заедания в червячном зацеплении.
Увеличение площади контактной поверхности позволяет использовать более дешевые сорта бронзы и дает некоторую экономию цветных металлов. Именно это обстоятельство предопределило предпочтительное применение глобоидных передач в лифтовых лебедках отечественного производства в послевоенный период. Наряду с очевидными достоинствами, глобоидные передачи имеют весьма существенные недостатки.
Значительно сложнее технология изготовления глобоидных передач. Практическое отсутствие оборудования для шлифовки глобоидного червяка исключило возможность его термической обработки, что в свою очередь, привело к снижению усталостной прочности, уменьшению КПД и повышенному износу зубьев колеса в связи с наличием существенных микронеровностей на поверхности червяка. Отсутствие аналитической теории и использование экспериментальных зависимостей существенно усложняет процесс проектирования.
Глобоидные передачи весьма критичны к точности сборки и регулировке осевого положения червяка и колеса. Снижение точности сборки и регулировки глобоидной передачи влечет за собой резкое снижение КПД и может вызвать заклинивание червячного зацепления.
К недостатку глобоидной передачи следует отнести и наличие небольших кинематических колебаний окружной скорости червячного колеса, которые могут служить одной из причин вибрации кабины.
Влифтовых лебедках применяют три способа расположения червяка редуктора: нижнее горизонтальное, верхнее горизонтальное и вертикальное.
Лебедки с верхним расположением цилиндрического червяка успешно применяются в лифтах зарубежного и отечественного производства.
Недостатком такого редуктора является ухудшение условий смазки зацепления после длительного простоя лифта. Остаточная масляная пленка не гарантирует жидкостное трение в момент пуска двигателя. Для компенсации этого недостатка и повышения несущей способности масляной пленки целесообразно увеличивать скорость скольжения контактирующих поверхностей червячного зацепления за счет применения двигателя с повышенной частотой вращения ротора.
С другой стороны в лебедках с верхним расположением червяка полностью устраняется утечка масла.
При выборе редуктора с глобоидным червяком должно обеспечиваться следующее условие:
Uр ≥ Uо ;
где Uр ,Uо –табличное и расчетное значение передаточного числа редуктора;
Передаточное число редуктора определяется с учетом кинематической схемы лифта по следующей формуле
, (3.21)
где D – расчетная величина диаметра КВШ, м;
nн – номинальное значение частоты вращения вала двигателя, об/мин;
V – расчетное значение величины скорости кабины, м/с.
![]()
Выбираем редуктор РГЛ-180 с передаточным числом U=35.
После выбора редуктора лебедки производится уточнение диаметра барабана (КВШ) по кинематическому условию, гарантирующему обеспечение номинальной скорости движения кабины с погрешностью не превышающей 15%.
, м, (3.22)
где Vр – рабочая скорость кабины, равная номинальной или отличающейся на 15 %, м/с;
Uр – табличное значение передаточного числа редуктора лебедки;
– номинальное значение частоты вращения вала двигателя, об/мин.

Оставляем диаметр шкива D=0,72 м, т.к. полученное значение с учетом погрешности в пределах нормы.
3.8 Расчет тормоза лебедки
Тормоз предназначен для замедления движения машины или механизма, полной остановки и надежной фиксации неподвижного состояния.
Тормоза лифтовых лебедок должны удовлетворять следующим требованиям:
– высокая надежность и безопасность работы;
– наличие механизма ручного выключения тормоза с самовозвратом в исходное состояние;
– высокое быстродействие;
–низкая виброактивность и уровень шума;
– технологичность изготовления и малая трудоемкость технического обслуживания;
– обеспечение необходимой точности остановки кабины в лифтах с нерегулируемым приводом.
В лифтовых лебедках используются колодочные тормоза нормально-замкнутого типа с электромагнитной растормаживающей системой. Тормоз замкнутого типа характеризуется тем, что затормаживает систему при выключенном приводе и растормаживает ее при включении привода.
Правила ПУБЭЛ исключают возможность применения ленточных тормозов в связи с их недостаточной надежностью.
Роль тормоза лифтовой лебедки зависит от типа привода. В лебедках с нерегулируемым приводом тормоз используется для обеспечения необходимой точности остановки и надежного удержания кабины на уровне этажной площадки, тогда как в лебедках с регулируемым приводом - только для фиксации неподвижного состояния кабины.
Для наиболее распространенных конструкций колодочных тормозов лифтовых лебедок характерно наличие независимых тормозных пружин каждой колодки, а в некоторых случаях, и независимых растормаживающих электромагнитов.
Тормозные накладки закрепляются на колодках посредством винтов, заклепок или приклеиванием термостойким клеем и обеспечивают угол обхвата шкива от 70° до 90°.
Материал накладок должен обеспечивать высокое и стабильное значение коэффициента трения в широком диапазоне температур, хорошую теплопроводность для исключения местного перегреваповерхности трения и высокую износостойкость.
Кинематические схемы колодочных тормозов весьма разнообразны. Они отличаются способом создания тормозного усилия и особенностями конструкции механизма растормаживания.
Лебедки с верхним горизонтальным расположением червяка оборудуются колодочными тормозами, изготовленными по схеме на рис. 3.10.
Тормозное усилие в этих тормозах создается цилиндрическими пружинами, тогда как выключение тормоза осуществляется электромагнитами постоянного или переменного тока, получающими электропитание в момент включения двигателя лебедки.

Рис. 3.10. Схема колодочного тормоза лифтовой лебедки с короткоходовым электромагнитом
Тормозные электромагниты различаются величиной хода подвижного сердечника (якоря) и подразделяются на короткоходовые и длинноходовые. В конструкциях колодочных тормозов зарубежного и отечественного производства чаще применяются короткоходовые электромагниты постоянного тока, так как они меньше шумят и имеют лучшие тяговые характеристики (рис. 3.11).
Недостатком электромагнитов постоянного тока является их электромагнитная инерция, связанная с большой индуктивностью катушки. Поэтому возникает возможность запуска двигателя под тормозом. Для исключения такой возможности необходимо обеспечить опережающее включение питания магнита.
Для расчета необходимого тормозного момента рассмотрим два режима: испытательный статический режим с перегрузкой и нормальный эксплуатационный режим.

Рис. 3.11. Тормоз с вертикальным расположением электромагнита постоянного тока
1 – шпилька; 2 – фасонная шайба; 3 – втулка опорная; 4 – рычаг; 5 – вилка;
6 – подставка; 7 – якорь; 8 – катушка магнита; 9 – шток; 10 – корпус магнита;
11 – пружина; 12 – двуплечий рычаг; 13 – винт регулировочный; 14 – рычаг;
15 – фиксатор колодки; 16 – колодка
Расчетный тормозной момент определяется по формуле
![]()
где
– коэффициент запаса торможения;
Wок – окружное усилие на шкиве при удержании испытательного груза, кг;
D – диаметр шкива, м;
i – передаточное отношение редуктора;
- КПД лебедки.
По табл. 3.5 [11] определяем
=1,4.
Окружное усилие на шкиве при статическом испытании
![]()
где
– коэффициент уравновешивания груза;
Rп – коэффициент перегрузки (по ПУБЭЛ Rп =1,5 для грузового малого лифта, барабанных лебедок и лебедок со звездочкой, в которых не допускается транспортировка людей, Rп =2,0 у всех остальных).
![]()
![]()
По величине тормозного момента
выбираем колодочный тормоз ТКП-200 со следующими параметрами:
– расчетный тормозной момент 122 Н·м;
– диаметр тормозного шкива 200 мм;
– потребная мощность 160 Вт;
– ток 220/380 В 50 Гц;
– тип привода МП 201;
– масса, не более 35 кг.
Расчет работоспособности колодочного тормоза рассмотрим на примере конструкции, приведенной на рис. 3.11. (необходимые размеры и обозначения указаны на схеме).
Исходные данные:
Мт – расчетный тормозной момент, Мт =114 Н·м;
μ – коэффициент трения между колодкой и шкивом, μ=0,5;
l1 =0,125, l2 =0,228, l3 =0,291, l4 =0,035, l5 =0,070 – величины соответствующих плеч приложения усилий, м;
Dт – диаметр тормозного шкива, Dт = 0,2 мм.
Величина нормальной реакции тормозного шкива на давление колодки
(3.23)

Усилия сжатия тормозной пружины при включенном тормозе найдем из уравнения равновесия рычага 14 относительно центра шарнира О
(3.24)

Давление рычага 12 на регулировочный винт 13 определяем из условия равновесия рычага относительно точки О
(3.25)

Тяговое усилие электромагнита при выключенном тормозе определим из условия равновесия рычага 12 относительно точки О1
(3.26)

Ход якоря (подвижного сердечника) электромагнита рассчитываем по заданному значению радиального зазора между колодкой и шкивом ε
(3.27)

Контактное давление между колодкой и тормозным шкивом
,
(3.28)
где В –ширина накладки тормозной колодки, м;
β – угол дуги охвата шкива колодкой, рад;
[р] – допускаемая величина контактного давления, зависящая от материала накладки, Н/м2 .
Условие выполняется, тормоз подобран правильно.
В нормальном рабочем режиме тормоз должен обеспечивать необходимую точность остановки кабины при заданных величинах замедления. Однако тормозной путь кабины с грузом и без него будет различным. Например, при спуске тормозной путь пустой кабины будет меньше, чем тормозной путь груженой кабины, при подъеме - наоборот.
Точностью остановки кабины называется полуразность тормозных путей груженой и пустой кабины, т.е.
, (3.29)
где
– для спуска;
– для подъема.
Величина
для спуска и подъема различна, поэтому для расчета точности остановки следует брать большую величину. Тормозной путь можно рассчитать, пользуясь зависимостью между работами тормозящих, статических и инерционных сил. Если привести все эти силы к окружности шкива, то можно написать уравнение:
, (3.30)
где mп - приведенная к кабине масса всех поступательно и вращательно движущихся частей лифта;
n - скорость кабины;
W0 - статическое окружное усилие на шкиве в рабочем режиме;
Wт - тормозное усилие тормоза, приведенное к окружности шкива;
S - тормозной путь кабины.

Рис. 3.12. Схемы загрузки и направление движения кабины
Знак перед статическим окружным усилием зависит от направления движения и загрузки кабины. При торможении груженой кабины на спуске (рис. 3.12, а) направление сил инерции и окружного усилия совпадает (окружное усилие направлено в сторону ее загруженной ветви). При подъеме пустой кабины (спуск более тяжелого противовеса) направление сил инерции и окружного усилия также совпадает (рис. 3.12, б). Поэтому в формуле (3.30) следует поставить знак плюс. При спуске пустой кабины (рис. 3.12, в) и при подъеме груженой кабины (рис. 3.12, г) направление окружного усилия и сил инерции не совпадает и в этом случае следует принимать знак минус.
Приведенная к кабине масса всех поступательно и вращательно движущихся частей лифта может быть определена по формуле (при движении пустой кабины Q = 0)
,
где GDл 2 - маховой момент вращающихся элементов лебедки, приведенной к валу двигателя, H·м2 ;
i - передаточное отношение лебедки;
D - диаметр шкива.
Маховой момент вращающихся элементов лебедки, приведенный к валу двигателя, можно определить по формуле
,
где Rн = 1,1...1,2 - коэффициент, учитывающий маховые моменты вращающихся деталей редуктора и шкива;
GDя 2 - маховой момент якоря двигателя;
GDT 2 - маховой момент тормозной муфты:
![]()

Тормозное усилие тормоза, приведенное к окружности канатоведущего шкива, определяется по формуле
,
где МТ - тормозной момент на валу двигателя.

Из уравнения (3.30) можно определить величину тормозного пути для всех четырех случаев торможения:


Найденные значения тормозного пути подставляем в формулу (3.29) и определяем точность остановки кабины.
![]()
Полученное значение точности остановки кабины не превышает норм ПУБЭЛ (±50 мм). Тормоз подобран правильно.
3.9 Электрическая часть
3.9.1 Расчет электродвигателя
Потребная мощность двигателя лебедки для обычных лифтов выбирается по условию движения полностью груженой кабины с первого этажа без учета инерционных нагрузок:
(3.31)
где
– КПД передачи (для червячной передачи η = 0,6…0,8; КПД возрастает с увеличением числа заходов червяка);
– КПД шкива или барабана (ηшк
= 0,94…0,98; меньшие значения относятся к шкивам на подшипниках скольжения, большие – к шкивам на подшипниках качения).
В лифтах с противовесом окружное усилие
![]()
![]()
Сопротивление на отклоняющих блоках можно с достаточной точностью определить по формуле
, (3.32)
где Sбл - усилие в канате при набегании на отклоняющий блок, Н;
- угол обхвата блока канатами;
- коэффициент сопротивления (для блоков на подшипниках качения ω = 0,02; на подшипниках скольжения ω = 0,04).
Сопротивление на верхнем блоке
![]()
Сопротивление на нижнем блоке
![]()

Выбираем двигатель АС-2-72-6/18ШЛ со следующими параметрами:
N=3,35/1,18 кВт;
n=950/275 мин-1
3.9.2 Электрическая схема лифта
Схема выполнена для пассажирского лифта грузоподъемностью 500 кг и скоростью движения 1 м/с.
Лифт подготовляется к работе включением рубильника QB1 и автоматического выключателя QF1, после чего на электрические цепи подается ток и лифт готов к работе. Электрическая схема содержит 2 трансформатора Т1 и Т2, один из которых (Т1) обеспечивает требуемое напряжение в цепи привода дверей, а другой питает индикаторные устройства, устройства приказов пассажиров, кнопки и различные датчики внутри шахты. В качестве трансформатора Т1 допускается применить трансформатор типа НТС-0.5 380/100 В для питания электродвигателя привода дверей. На схеме можно увидеть два электродвигателя разной мощности М1 и М2. М1 предназначен для подъема и опускания кабины с противовесом, иными словами для передвижения кабины в шахте. М2 служит приводом для открывания и закрывания дверей. Электромагнит YA1 между контактами ХТ11/1 и ХТ11/2 обеспечивает разомкнутое состояние тормоза во время движения лифта. В нижней части листа расположены возможные варианты схем освещения шахты и диспетчерской связи.
Лифт работает по следующей программе:
а) при нахождении кабины на этаже с закрытыми дверями и нажатии кнопки вызова любого другого этажа кабина должна прийти в движение, выполнить остановку на заданном этаже и автоматически открыть двери;
б) при нахождении кабины на этаже с закрытыми дверями и нажатии кнопки вызова данного этажа у лифта должны открыться двери;
в) при нахождении кабины на этаже с открытыми дверями и нажатии кнопки приказа любого другого этажа двери должны закрыться и кабина направиться на заданный этаж. После остановки кабины на заданном этаже двери автоматически открываются;
г) кабина должна экстренно остановиться, если во время ее движения пассажир нажмет на кнопку «Стоп»;
д) если во время закрытия дверей произойдет защемление створками пассажира, то закрытие дверей прекращается, и они должны автоматически открыться;
е) при движении вниз кабина будет выполнять попутные остановки на этажах, с которых поступили сигналы вызова лифта;
ж) если грузоподъемность кабины составляет 90 % и более от номинальной (не более 100 %), то кабина при движении вниз не будет выполнять остановки на этажах, с которых подаются команды для вызова кабины, а достигнет требуемого этажа и откроет двери.
з) при превышении номинальной грузоподъемности двери кабины не закроются и лифт не переместится на нужный этаж, пока величина груза в кабине не уменьшится до допустимых значений.
4. Производственная безопасность
4.1 Введение
Охрана труда - это комплекс законодательных механических и организационных мероприятий, направленных на устранение травматизма и сохранение здоровья человека в процессе труда.
Охрана окружающей среды - это комплекс законодательных, организационных и механических мероприятий направленных на создание комфортных условий для человека.
Санитарные нормы и правила по охране труда подразделяются на единые, межотраслевые и отраслевые. Единые распространяются на все отрасли народного хозяйства. Межотраслевые закрепляют важнейшие гарантии обеспечения безопасности и гигиены труда в нескольких отраслях либо в отдельных видах работ, при отдельных видах производств. Отраслевые распространяются на отдельную отрасль в масштабе всей страны и учитывают специфику этой отрасли.
Безопасность производственных процессов определяется в первую очередь безопасностью производственного оборудования, которая обеспечивается с учетом требований безопасности при составлении технического задания на его проектирование при разработке технического и рабочего проекта, выпуска и испытании опасного образца и передаче его в серийное производство согласно ГОСТ 15001 - 88.
Основным требованием безопасности к техническим процессам является устранение непосредственного контакта работающих с исходными материалами, заготовками, полуфабрикатами готовой продукции и отходами производства, оказывающими вредное действие, замена технологических процессов и операций, связанных с возникновением опасных и вредных производственных факторов, процессами и операциями, при которых указанные факторы отсутствуют или обладают меньшей интенсивностью: комплексная механизация и автоматизация производства, применение дистанционного управления технологическими процессами и операциями, своевременное удаление и обезвреживание отходов производства, обеспечение пожаро- взрывобезопасности.
4.2 Анализ вредных и опасных производственных факторов при эксплуатации проектируемого оборудования
В процессе эксплуатации лифта можно выделить следующие вредные и опасные факторы:
Опасные:
- возможность поражения электрическим током;
- вероятность травмирования;
- пожарная безопасность.
Вредные:
- параметры микроклимата;
- параметры освещения;
- параметры вибрации;
- параметры шума.
4.3 Мероприятия по устранению и уменьшению действия опасных и вредных факторов
- Возможность поражения электрическим током . Лифт является устройством, работающим от сети с напряжением 380 В. Практически все его механизмы связаны с электрическим током: подъем и опускание кабины, открытие и закрытие дверей (для лифтов с автоматическими дверями), панель приказов и вызовов лифта пассажирами, индикаторные устройства, система связи с диспетчерской службой, различные датчики и другое оборудование. В связи с этим необходимо обеспечить безопасность эксплуатации проектируемого оборудования. Электросеть выполняется с изолированной нейтралью понижающего трансформатора, все кабели, панели и токоведущие части изолируются или помещаются в недоступные для пассажиров места. Все оборудование заземляется.
При выполнении технического обслуживания лифта электромеханик обязан выполнять требования правил личной и коллективной техники безопасности, несоблюдение которых может привести к травмам с тяжелыми последствиями.
- Вероятность травмирования. Во время пользования лифтом необходимо обеспечить травмобезопасность пассажиров. Травмы могут возникнуть при падении человека в шахту лифта, взаимодействия его с различными механизмами, в том числе кабиной, поломке оборудования (например, обрыв канатов противовеса или кабины) и других ситуациях. Поэтому применяются различные конструктивные решения, исключающие или сводящие к минимуму возможность травмирования пассажира. Двери шахты - являются наиболее ответственными и важными устройствами безопасности лифтов - служат для предотвращения травм людей, которые могут возникнуть при попадании человека в шахту или столкновения его с кабиной. Двери кабины предохраняют от взаимодействия с элементами оборудования шахты в процессе движения кабины. Кроме того все двери связаны с электрическими системами безопасности, позволяющими избежать защемления пассажиров, движения кабины с открытыми дверями или открытия дверей во время движения кабины. Для исключения перегрузки кабины лифты снабжены подвижным полом, связанным с взвешивающим устройством. В случае перегрузки лифт просто не будет реагировать на команды перемещения кабины пассажирами и проинформирует о большой величине груза. Ловитель и ограничитель скорости помогут уберечь пассажиров от падения кабины в случае поломок в механической части лебедки (например, отказе тормоза, обрыве подъемных канатов или неисправности электрического оборудования). Тормозные устройства лифтов также помогут избежать падения кабины при отключении электроэнергии. В лифтовых лебедках используются колодочные тормоза нормально-замкнутого типа. Подъемные канаты подвески кабины и противовеса обладают высокой прочностью и достаточной гибкостью. Направляющие (а также башмаки) кабины и противовеса определяют положение кабины и противовеса в шахте путем ограничения перемещения их в горизонтальном направлении и обеспечивают соответствующее расположение их как между собой, так и относительно неподвижных элементов шахты. Направляющие служат также опорой для удержания кабины и противовеса в случаях посадки их на ловители. Буфера и упоры предназначены для ограничения хода кабины и противовеса в случае опускания их ниже минимального рабочего положения. Их рассчитывают на посадку кабины с нагрузкой, превышающую номинальную грузоподъемность на 10% и на посадку противовеса, движущегося с наибольшей скоростью, допускаемой ограничителем скорости.
- Пожарная безопасность . Сборная металлическая конструкция купе является перспективным решением, отражающим отечественный и зарубежный опыт. Применение тонкостенных панелей из профилированной стали повышает пожаростойкость конструкции купе при некотором снижении материалоемкости. Повышению пожаростойкости способствует применение дверей специальной конструкции с пожароустойчивым наполнителем и окраска стен купе термостойким лаком. Кроме этого в непосредственной близости от лифта на первом этаже и в служебном помещении располагаются огнетушители.
- Параметры микроклимата. Для поддержания требуемых норм влажности и температуры воздуха (табл. 4.1) шахты лифтов оборудуются вытяжной вентиляцией, способствующей обмену воздуха с окружающей средой.
Таблица 4.1
Допустимые значения параметров микрокламата
| Температура воздуха, °С | Влажность воздуха, % | Скорость движения воздуха, м/с |
||||
| оптимальная | допустимая | оптимальная | допустимая, не более | оптимальная | допустимая, не более | |
| min | max | |||||
| 22-25 | 18 | 30 | 40-60 | 75 | 0,1 | 0,2 |
- Параметры освещения. Минимальное освещение в кабине должно быть не менее 50 лк. Поэтому был произведен расчет и подобрано соответствующее осветительное оборудование (см. далее) для удовлетворения требованиям освещенности. Шахта лифта также имеет искусственное освещение, позволяющее вести механикам ремонтные работы и обслуживание оборудования.
- Параметры вибрации. Оборудование кабины должно иметь низкую виброактивность в широком диапазоне частот. Неблагоприятное воздействие вибрации на организм человека зависит от частоты и амплитуды колебаний. Допустимая величина амплитуды колебаний в кабине лифта не должен превышать следующих значений [1]:
амплитуда колебаний, мм |
частота колебаний, Гц |
0,1 – 0,2 0,005 0,003 |
3 – 5 16 32 |
Для исключения недопустимых диапазонов вибраций и частот, распространяемых от лебедки по канатам в салон кабины, между канатной подвеской и каркасом, а также между каркасом и купе кабины устанавливаются амортизаторы. Кроме того, лебедка лифта располагается в нижней части здания на жесткой основе, что также резко уменьшает нежелательные вибрации.
- Параметры шума . Все оборудование подбиралось с учетом обеспечения допустимых значений шума, т.е. не более 80 дБ. Например, использовался редуктор червячного типа, имеющий очень низкий показатель шума. А через уравновешивающие цепи был пропущен пеньковый канат, уменьшающий звон цепей. К тому же применяющиеся амортизаторы между канатной подвеской и кабиной кроме снижения вибраций также уменьшают и уровень шума. В результате этого общий уровень шума при работе лифта не превышает 40 дБ.
4.4 Инженерный расчет по обеспечению безопасных условий труда
4.3.1 Расчет заземления
Исходные данные:
Производственное оборудование напряжением 380 В. Электросеть выполнена с изолированной нейтралью понижающего трансформатора.
Заземление располагается по контуру здания углубленными на величину h=80 см трубами. Удельное сопротивление грунта ![]()
В качестве заземления используются трубы диаметром d=6 см, длиной lтр =250 см. Заземлители располагаются друг от друга на расстоянии l=500 см и соединены между собой соединительной полосой шириной b=4 см.
Анализ шахты показывает, что она опасна по условиям поражения электрическим током. Согласно ПУБЭЛ устанавливаемое производственное оборудование в данном случае подлежит заземлению.
Нормативное значение величины сопротивления защитного заземления применительно к прилагаемым условиям
r3 ≤ 4 Ом (4.1)
Определяем сопротивление одного трубчатого заземлителя
(4.2)
где
– удельное сопротивление грунта, Ом·см;
- длина трубчатого заземлителя, см;
d - диаметр трубчатого заземлителя, см;
t - глубина, см.
(4.3)
![]()

Определяем необходимое количество трубчатых заземлителей
, (4.4)
где
– номинальное значение величины сопротивления защитного заземления, Ом;
- коэффициент использования вертикальных заземлителей;
=0,68.

Определяем величину сопротивления соединительной полосы
, (4.5)
где
- суммарная длина соединительной полосы, см.
– глубина заложения полосы, см.
(4.6)
![]()
(4.7)
![]()

Определяем величину сопротивления всего заземляющего устройства
, (4.8)
где
– коэффициент использования соединительной полосы,
=0,4.

Так как 2,73 Ом < 4 Ом, то выполняется условие Ry < rз . Следовательно, схема заземления подходит - задача выполнена.
4.3.2 Расчет освещения
Суммарное действие ближайших светильников создает в контрольной точке освещенность
. Действие остальных источников света учитывается коэффициентом μ=1,1…1,2. Тогда для получения в данной точке заданной освещенности Е световой поток каждого светильника определяется по формуле:

где Е=50 лк – освещенность;
Зная высоту лифта h
=2,1 м по графику 4 [13] определяем значение ![]()

По величине Ф из приложения 1 [13] выбираем 2 лампы Б 215-223-60 мощностью по 60 Вт каждая.
5. Экономическая часть
5.1 Оценка технической целесообразности конструкции лифта
Сравнительный анализ проектируемого изделия на техническом уровне является первым этапом оценки и отбора лучших вариантов. Его цель:
– установить техническую целесообразность спроектированной конструкции на основе сравнения с аналогом по основным группам функционально-технических показателей;
– обеспечить расчет лимитной цены изделия.
5.1.1 Выбор перечня показателей, оценки технического уровня конструкции
Таблица 5.1
Перечень показателей технического уровня и качества изделий
| Показатели | Единица измерения |
Проектируемое изделие | Базовое изделие |
| 1. Мощность двигателя | кВт | 3,35 | 5 |
| 2. Масса редуктора | кг | 165 | 175 |
| 3. Диаметр шкива | м | 0,72 | 1,2 |
| 4. Скорость передвижения кабины | м/с | 1 | 0,63 |
| 5. КПД лебедки | 0,8 | 0,7 | |
| 6. Срок службы | лет | 15 | 20 |
| 7. Надежность | отказ/год | 6 | 8 |
| 8. Точность остановки | мм | 45 | 50 |
| 9. Сложность конструкции | балл | 30 | 24 |
| 10. Трудоемкость | н-час | 7560 | 6632 |
5.1.2 Оценка весомости (значимости) показателя
Оценка весомости показателей лифта осуществляется на основе экспертных оценок. Наиболее простым методом индивидуальной экспертизы, используемой для оценки весомости показателей, является метод попарных сравнений.
Результаты экспертизы представлены в виде матрицы (табл. 5.2), в которой на пересечении строки и столбца зафиксированы индексы тех показателей, которые являются более важными в оценке качества изделия при их попарном сравнении.
Таблица 5.2
Матрица попарного сравнения показателей
j i |
Индексы показателей | ||||||||||||
| 1 | 2 | 3 | 4 | 5 | 6 | 7 | 8 | 9 | 10 | ||||
| Индексы показателей | 1 | 1 | 1 | 4 | 5 | 1 | 7 | 1 | 1 | 1 | 6+1 | 0,127 | |
| 2 | 1 | 3 | 4 | 5 | 6 | 7 | 2 | 9 | 10 | 1+1 | 0,036 | ||
| 3 | 1 | 3 | 4 | 5 | 3 | 7 | 3 | 3 | 3 | 5+1 | 0,109 | ||
| 4 | 4 | 4 | 4 | 4 | 4 | 7 | 4 | 4 | 4 | 8+1 | 0,164 | ||
| 5 | 5 | 5 | 5 | 4 | 5 | 7 | 5 | 5 | 5 | 7+1 | 0,145 | ||
| 6 | 1 | 6 | 3 | 4 | 5 | 7 | 6 | 9 | 10 | 2+1 | 0,055 | ||
| 7 | 7 | 7 | 7 | 7 | 7 | 7 | 7 | 7 | 7 | 9+1 | 0,182 | ||
| 8 | 1 | 2 | 3 | 4 | 5 | 6 | 7 | 8 | 10 | 1+1 | 0,036 | ||
| 9 | 1 | 9 | 3 | 4 | 5 | 9 | 7 | 8 | 9 | 3+1 | 0,073 | ||
| 10 | 1 | 10 | 3 | 4 | 5 | 10 | 7 | 10 | 9 | 3+1 | 0,073 | ||
| 55 | 1 | ||||||||||||
Количественное представление весомости (значимости) показателей может быть получено по формуле:

где
—
количество предпочтений i
- го показателя.
5.1.3 Расчет комплексного показателя технического уровня и качества конструкции
Комплексный показатель позволяет дать обобщенную оценку совокупной технической ценности изделия.
Комплексный показатель рассчитывается по формуле:

где
– безразмерный (относительный) показатель качества по i
-му параметру;
– коэффициент весомости i
-го параметра, причем 
n–число единичных показателей качества.
Относительный показатель качества по i -му параметру может быть рассчитан с помощью формул:
(5.1)
(5.2)
где
,
- количественные значения i
-го показателя соответственно сопоставляемых вариантов и эталонного значения.
Первая формула используется для показателей, при увеличении абсолютных значений которых возрастает обобщающий показатель, в противном случае вторая формула.
Сопоставление комплексных показателей качества по потенциально возможным вариантам конструкции позволяет сделать вывод о технической целесообразности новой разработки, определить коэффициент изменения качества при сравнении лифта с аналогом

где
,
-комплексные показатели качества проектного и базового вариантов. Данный коэффициент используется при определении лимитной цены проектируемого лифта.
Расчеты сведем в табл. 5.3.
Таблица 5.3
Оценка технической целесообразности конструкции
Наименование показателей по группам |
Коэффициент значимости показателя |
Оценка значения показателя |
Оценка вклада показателя |
| 1. Мощность двигателя | 0,127 | 0,67 | 0,085 |
| 2. Масса редуктора | 0,036 | 0,94 | 0,034 |
| 3. Диаметр шкива | 0,109 | 0,6 | 0,065 |
| 4. Скорость передвижения кабины | 0,164 | 1,6 | 0,262 |
| 5. КПД лебедки | 0,145 | 1,143 | 0,166 |
| 6. Срок службы | 0,055 | 1,3 | 0,072 |
| 7. Надежность | 0,182 | 0,85 | 0,137 |
| 8. Точность остановки | 0,036 | 0,9 | 0,032 |
| 9. Сложность конструкции | 0,073 | 1,25 | 0,091 |
| 10. Трудоемкость | 0,073 | 1,14 | 0,083 |
| Коэффициент изменения качества W | 1,27 | ||
5.2 Расчет трудоемкости ОКР
Выбираем основные узлы лифта:
1. Рама противовеса;
2. Каркас кабины;
3. Лебедка;
4. Взвешивающее устройство кабины.
Таблица 5.4
Исходные данные для расчета трудоемкости ОКР
| Характеристика объектов | Объекты изделия | |||||
| Общая схема | Узел 1 | Узел 2 | Узел 3 | Узел 4 | ||
| Сложность схемы лифта | № группы | 4 | - | - | - | - |
| К0 | 1,4 | - | - | - | - | |
| Новизна конструкции | № группы | - | 2 | 2 | 3 | 1 |
| - | 1,5 | 1,5 | 2,0 | 1 | ||
| Сложность узла по количеству кинематических пар | Количество | - | 2 | 4 | 6 | 3 |
| К1 | - | 1,2 | 1,6 | 1,9 | 1,6 | |
| К2 | - | 1,2 | 1,4 | 1,4 | 1,2 | |
| Насыщенность оригинальными деталями | Количество | - | 2 | 2 | 6 | 1 |
| - | 3 | 3 | 5 | 3 | ||
| Объем конструкции по внешним контурам | Дм3
|
- | 0,61 | 3,73 | 0,96 | 0,02 |
| К3 | - | 1,13 | 1,43 | 1,13 | 1 | |
| Насыщенность сложными деталями | Количество | - | 1 | 3 | 5 | 3 |
| К4 | - | 1,05 | 1,1 | 1,2 | 1,1 | |
Осуществляем расчет показателей.
Показатель объема работ первой группы по узлу i определяется по формуле:
![]()
где
-нормативное значение объема работ, (первой группы в баллах), выбираемое в зависимости от группы новизны узла;
K1 -корректирующий коэффициент, учитывающий влияние сложности узла по числу кинематических пар.
Показатель объема работ второй группы по узлу i определяется по формуле:
![]()
где
–
нормативное значение объема работ второй группы в баллах, выбираемое в зависимости от количества оригинальных деталей в узле;
– корректирующие коэффициенты, учитывающие влияние группы сложности по числу кинематических пар, группы объемности по внешним контурам, насыщенности узла сложными деталями соответственно.
Суммарная трудоемкость ОКР определяется по формуле
,
где
–норматив удельной трудоемкости, чел.-дни /бал;
К0 –коэффициент, учитывающий сложность и степень автоматизации управления объектом в целом.
Расчет производим в табличной форме (табл. 5.5).
Таблица 5.5
Расчет трудоемкости ОКР
| Группы работ | Объем работ по группам в баллах | |||||||
Показатели Узлы |
Расчетно-аналитические | Чертежно-графические | ||||||
| K1 | K2 | K3 | K4 | |||||
| Узел 1 | 1,5 | 1,2 | 1,8 | 3 | 1,2 | 1,13 | 1,05 | 4,3 |
| Узел 2 | 1,5 | 1,6 | 2,4 | 3 | 1,4 | 1,43 | 1,1 | 6,6 |
| Узел 3 | 2,0 | 1,9 | 3,8 | 5 | 1,4 | 1,13 | 1,2 | 9,5 |
| Узел 4 | 1 | 1,6 | 1,6 | 3 | 1,2 | 1 | 1,1 | 4 |
| 34 | ||||||||
| Норматив удельной трудоемкости на 1 балл, чел-дн | 25 | |||||||
| Коэффициент сложности схемы К0 | 1,4 | |||||||
| Трудоемкость ОКР | чел-дн чел-час |
1190 9520 |
||||||
5.3 Расчет временных и стоимостных затрат на проектирование лифта
Важными показателями, используемыми при технико-экономическом анализе лифта, являются стоимостные затраты на разработку и срок реализации проекта.
Тип производства выбираем мелкосерийный (МС).
Трудоемкость при разработке технического задания, эскизного и технического проектирования:

Трудоемкость рабочего проектирования:

Трудоемкость технической подготовки:

Нормативная длительность цикла технического и рабочего проектирования
ТЗ, ЭП, ТП – 3,5 мес.;
РП – 3,5 мес.
Длительность цикла технологической подготовки производства определяем по формуле:
мес.
Определяем потребную численность исполнителей по стадиям проектирования:
,
где
–
месячный фонд времени работника (165 часов);
–коэффициент выполнения нормы,
=1,1 – 1,2
человек
человек
человек
Определяем фонд заработной платы на разработку проекта
,
где
–средняя месячная заработная плата исполнителей i
-й стадии,
;
– коэффициент отчисления на социальные нужды,
= 36,3.

Определяем полные затраты на разработку проекта
,
где
–удельный вес заработной платы в общей структуре себестоимости, выбирается по статистическим данным,
=
0,35–0,4;

Оценка срока реализации проекта
![]()
где
- коэффициент параллельности, учитывающий величину совмещения стадий,
=
0,7.
мес.
Расчет сведем в табл. 5.6.
Таблица 5.6
Расчет временных и стоимостных затрат на проектирование лифта
Стадии Показатели |
ОКР | ТПП | |
| ТЗ, ЭП, ТП | РП | ||
| Соотношение трудоемкости стадий проектирования, % | 40 | 35 | 25 |
| Трудоемкость, нормо-час | 5077 | 4443 | 3173 |
| Длительность производственного цикла, мес. | 3,5 | 3,5 | 2,5 |
| Потребное количество исполнителей, чел. | 8 | 7 | 7 |
| Средняя заработная плата исполнителей, руб. | 5700 | 5500 | 5000 |
| Фонд заработной платы по стадиям, руб. | 190820 | 183664 | 135959 |
| Общий фонд заработной платы на проектирование, руб. | 510443 | ||
| Оценка затрат на разработку проекта, руб. | 1276108 | ||
| Оценка срока реализации проекта, мес. | 6,7 | ||
5.4 Прогнозирование себестоимости лифта
На стадии конструкторской подготовки производства, когда отсутствуют необходимые технологические документы и нормативы для расчета себестоимости приходится применять различные методы прогнозирования: удельных весов и коэффициентов приведения, известной структуры себестоимости аналогов.
Прямыми статьями, определяющими себестоимость конструкции, являются:
- затраты на основные материалы;
- затраты на комплектующие покупные изделия;
- заработная плата производственных рабочих.
5.4.1 Расчет затрат на основные материалы
Расчет затрат на основные материал можно выполнять с помощью метода коэффициентов приведения. Согласно этому методу проектируемое изделие расчленяется на блоки и узлы, по одному из которых, принятому за базовый, возможен прямой расчет затрат на материалы. Затраты по остальным узлам определяются через коэффициенты приведения, рассчитанные методом экспертных оценок с учетом их конструктивно-технологических особенностей.
Затраты на основные материалы по базовому узлу можно рассчитать по формуле:

где
–применяемость i
детали в j
узле;
– масса детали i в соответствии с чертежом, кг;
Ц М – цена материала, руб.;
ЦО – цена отходов, руб.;
kОТХ – средний процент реализуемых отходов (30%);
kТЗ – коэффициент транспортно-заготовительных расходов,
kТЗ =1,03-1,07
Затраты на материалы для остальных узлов
определяются по формуле:
![]()
где
–коэффициент приведения затрат j-
го узла к базовому узлу, определяемый на основе экспертных оценок.
Стоимость основных материалов определяется на основе норм расхода каждого вида материала и прейскурантных цен за вычетом стоимости отходов.
За базовый узел выбираем каркас кабины лифта.
Расчет сведем в табл. 5.7.
Таблица 5.7
Расчет затрат на основные материалы по базовому узлу.
| Деталь | Применяемость | Материалы | Норма расхода, кг |
Цена, руб | Сумма, руб | Возвратные отходы |
Общая сумма | |||
| Деталь | Узел | Норма, % | Цена, руб | Сумма, руб | ||||||
| Балка | 2 | Ст3пс | 100 | 200 | 20 | 4000 | 0,30 | 2 | 120 | 3880 |
| Стойка | 2 | Ст3пс | 80 | 160 | 20 | 3200 | 0,30 | 2 | 96 | 3104 |
| Балки горизонтальной рамы | 4 | Ст3пс | 60 | 240 | 20 | 4800 | 0,30 | 2 | 144 | 4656 |
| Итого по базовому узлу, руб. | 11640 | |||||||||
| С расчетом транспортно-заготовительных расходов | 11989 | |||||||||
5.4.2 Расчет затрат на комплектующие покупные
Затраты на комплектующие покупные для лифта сведем в табл. 5.8.
Таблица 5.8
Расчет затрат на комплектующие покупные изделия и полуфабрикаты
| Наименование | Техническая характеристика | Применяемость | Цена за единицу, руб. |
Сумма, руб. |
| 1. Валы и оси | 22 | 150 | 3300 | |
| 2. Электродвигатель | АС-2-72-6/18 ШЛ | 1 | 18000 | 18000 |
| 3. Редуктор | РГЛ-180 | 1 | 20000 | 20000 |
| 4. Тормоз | ТКП-200 | 1 | 10500 | 10500 |
| 5. Канаты | ЛК-Р 6х19 ГОСТ 2680-80 |
L=1000 м | 15 | 15000 |
| 6. Шкив | 1 | 900 | 900 | |
| Итого по комплектующим узлам, руб. | 67700 | |||
| С учетом транспортно-заготовительных расходов, руб | 69731 | |||
5.4.3 Расчет затрат на основные материалы в целом по лифту
Расчет сведем в табл. 5.9.
Таблица 5.9
Расчет затрат на основные материалы в целом по лифту
Статьи затрат Части лифта |
Основные материалы | |
| Затраты, руб. | ||
| 1.Каркас кабины | 1 | 11989 |
| 2. Каркас противовеса | 0,9 | 10790 |
| 3. Лебедка | 1,3 | 15586 |
| 4. Взвешивающее устройство кабины | 0,03 | 350 |
| Итого по лифту | 38725 | |
5.4.4 Расчет затрат на заработную плату производственных рабочих
Расчет сведем в табл. 5.10.
Таблица 5.10
Расчет заработной платы (основной и дополнительной) производственных рабочих.
| Показатель | Формула расчета |
Обозначение | Расчет (условные данные) |
| Трудоемкость изделия |
G – масса проектируемой конструкции, кг |
![]() |
|
| Трудоемкость годового выпуска | ![]() |
||
| Потребное количество основных производственных рабочих | ![]() |
![]() |
|
Годовой фонд ЗП основной и дополнительной |
![]() |
||
| ЗП с учетом отчислений на социальные нужды | ![]() |
НСН – коэффициент расходов на социальные нужды | ![]() |
5.4.5 Расчет полной себестоимости лифта
Расчет полной себестоимости лифта осуществляется по формуле

где
-нормативы соответственно общепроизводственных, общехозяйственных и отчисления на социальные нужды, %, ![]()
;
НВП - норматив внепроизводственных расходов, %, НВП = 7%.
-
основная заработная плата производственных рабочих на единицу изделия.
руб.
руб.
5.5 Определение лимитной цены лифта
Лимитная цена выражает предельно допустимый уровень цены проектируемого лифта с учетом улучшения потребительских свойств замещаемого лифта, при котором обеспечивается относительное удешевление его для потребителя.
Лимитная цена определяется по формуле

где
– плановая себестоимость лифта;
nР – плановый уровень рентабельности к себестоимости лифта, пР = 25 %
руб.
5.6 Расчет уровня капитальных вложений в НИОКР и освоение производства
В условиях ограничения финансовых ресурсов технический и коммерческий успех проекта во многом определяется величиной новых капитальных вложений при его разработке и реализации. Капитальные затраты на всех этапах жизненного цикла лифта являются важной оценкой экономической эффективности новых проектов.
Единовременные затраты в сфере производства включают предпроизводственные затраты КППЗ и капитальные вложения в производственные фонды завода изготовителя КПФ .
![]()
Расчет капитальных вложений в производственные фонды завода производится по формуле:
;
![]()
где КОБ – капитальные вложения в оборудование и оснастку;
КОС – капитальные вложения в оборотные средства.
При этом
![]()
где
–лимитная цена лифта;
-
прогнозируемый годовой объем выпуска;
-
отраслевой норматив удельных капитальных вложений в оборудование на один рубль объема реализации новых изделий,
= 1,1 руб.;
-
коэффициенты, учитывающие соответственно годовой объем производства в стоимостном выражении и тип производства,
.
руб.
руб.
руб.
руб.
5.7 Оценка экономической эффективности конструкции
,
где П – прибыль на один лифт в проектном варианте,
;
- удельные капиталовложения в производство,
![]()
– нормативный коэффициент экономической эффективности.
руб.
5.8. Сводные показатели оценки экономической целесообразности конструкции
Таблица 5.11
| Наименование показателя | Единица измерения | Проектный вариант |
||||
| Прогнозируемый объем выпуска | шт | 100 | ||||
| Единовременные капитальные вложения | Предпроизводственные затраты | руб. | 1276108 | |||
| Вложения в производство | руб. | 171077892 | ||||
| Всего | руб. | 172354000 | ||||
| Текущие издержки на производство лифта | На материалы | руб. | 108456 | |||
| На заработную плату | руб. | 272832 | ||||
| Полная себестоимость | руб. | 1477319 | ||||
| Прибыль на единицу лифта | руб. | 369330 | ||||
| Лимитная цена | руб. | 1846649 | ||||
| Экономический эффект | руб. | 11079900 | ||||
| Срок реализации проекта | год | 0,6 | ||||
Вывод: проведенное технико-экономическое обоснования производства лифта выявило перспективность осуществления данного проекта. Проектируемое изделие по ряду технических и экономических показателей превосходит существующие аналоги. Проведенные экономические расчеты себестоимости и цены лифта позволяют определить планируемую прибыль и рентабельность, а также годовой экономический эффект при производстве проектируемого изделия. Рассчитанный срок возврата капитальных вложений невелик, что подтверждает перспективность данного проекта.
Библиографический список
1. Волков Д.П. Лифты. – М.: Изд-во АСВ, 1999. – 480 с.: ил.
2. Архангельский Г.Г., Вайнсон А. А., Ионов А. А. Эксплуатация и расчет лифтовых установок. – М.: МИСИ, 1980.
3. Архангельский Г.Г., Ионов А.А. Основы расчета и проектирования лифтов. – М.: МИСИ, 1985.
4. Правила устройства и безопасной эксплуатации лифтов. – М.: Госгортехнадзор, 1992.
5. Крагельский И. В., Михин Н. М. Узлы трения машин. – М.: Машиностроение, 1984.
6. Волков Д.П., Ионов А.А., Чутчиков П.И. Атлас конструкций лифтов. – М.: Машиностроение, 1984. – 60 с.: ил.
7. Трояновская Г.И., Зеленская М.Н. «О расчете силы трения между полимером и металлом» статья в книге Теоретические и прикладные задачи трения, износа и смазки машин. – М.: «Наука», 1982.
8. Чутчиков П.И. Ремонт лифтов. – М.: Стройиздат, 1983
9. Лобов Н.А. Пассажирские лифты. – М.: Изд-во МГТУ
им. Н.Э. Баумана, 1999
10. Полковников В.С., Лобов Н.А., Грузинов Е.В. Монтаж и эксплуатация лифтов. Пятое издание. – М.: Высшая школа, 1987.
11. Подъемники: Учеб. пособие/А.П. Баранов, В.А. Голутвин. – Тула: Изд-во ТулГУ, 2004.- 150 с.
12. Анурьев В.И. Справочник конструктора-машиностроителя: В 3 т. – 8-е изд., перераб. и доп. Под ред. И.Н. Жестоковой. – М.: Машиностроение, 2001
13. Средства защиты в машиностроении: Расчет и проектирование: Справочник / С.В. Белов, А.Ф. Козьяков, О.Ф. Партолин и др.; Под ред. С.В. Белова. – М.: Машиностроение, 1989. – 368 с.: ил.
Похожие рефераты:
Ремонт тормозных систем с гидравлическим приводом
Проектирование восьмиосной цистерны модели 15-1500
Отчет о практике специальности Разработка и эксплуатация нефтегазовых месторождений
Разработка электропривода лифта
Разработка программы совершенствования организации международных перевозок
Автоматическая система управления процессом передвижения пассажирского лифта
Ремонт и техническое обслуживание тормозных систем легкового автомобиля
Техническая характеристика, устройство и работа тормозной системы автомобиля ВАЗ-2106






