| Похожие рефераты | Скачать .docx |
Курсовая работа: Автоматизация транспортировки осей колесных пар автооператором портального типа
Введение
Целью курсового проектирования является разработка системы автоматизации производственного процесса, имеющего место при изготовлении или ремонте вагонов, включая кинематические схемы заданной машины и электрические схемы (САУ).
Задачей курсовой работы является приобретение навыков повышения технического уровня производства посредством автоматизации машин (процессов) до такого уровня, который бы позволил эффективно выполнять технологические операции без непосредственного участия человека.
Главное направление развития современного вагоноремонтного производства состоит в его дальнейшей индустриализации, основой которой служит система машин, обеспечивающая комплексную механизацию и автоматизацию технологических процессов ремонта вагонов и производства запасных частей.
Механизацией производственного процесса называют замену мускульной энергии человека механической путем использования машин и механизмов, приводимых в движение различными двигателями (электрическими, паровыми, гидравлическими и др.). Механизация исключает тяжелый физический труд при выполнении основных и вспомогательных операций в процессе производства.
Автоматизация предусматривает применение приборов, машин, приспособлений, позволяющих осуществлять производственные процессы без физических усилий человека, лишь под его контролем. В качестве примера можно привести любую автоматическую машину, станок-автомат, способные выполнить свойственную им работу без участия человека.
Основной путь повышения уровня механизации и автоматизации вагоноремонтного производства – применение методов и технических средств программного управления.
1. Анализ технологической операции, намеченной к автоматизации
1.1 Исследование условий выполнения операции. Перечень типовых модулей машины
Перечень типовых модулей (элементов) машины: электропривод, элеватор, силовая моечная головка.
Элеватора имеют гибкие тяговые элементы (ленты, цепи, канат), огибающие приводные и натяжные элементы (звездочки, барабаны, блоки). К ним крепят грузонесущие элементы: ковши, полки, люльки. Кроме того элеваторы включают привод, натяжное, загрузочное и разгрузочное устройства, а также кожух закрывающий движущиеся части.
Лучше всего выбирать элеватор оптимальных размеров под реально существующие параметры.
Может работать практически с постоянной скоростью независимо от нагрузки, а также он надежен и прост в изготовлении.

Рис. 1.1 Элеватор с электроприводом
Электропривод – это электромеханическая система для приведения в движение исполнительных механизмов рабочих машин и управления этим движением в целях осуществления технологического процесса.
Современный электропривод – это совокупность множества электромашин, аппаратов и систем управления ими.
К достоинствам электроприводов следует отнести:
· универсальность и приспособленность к работе в различных условиях.
· Невысокая потребляемая мощность, отсутствие переходных нагрузок.
· Слабые механические нагрузки и низкий уровень шумов
К недостаткам:
· Отказ электропривода в случае повреждения системы электропитания.
· Низкая сопротивляемость электрооборудования и кабелей высоким температурам
· Чувствительность электроприводов задвижек к влажности вынуждает применять надежные уплотнения соединений.
Пневмоприводы широко применяются для автоматизации операций поворота, толкания, подъема, перемещения и зажима. Они характеризуются производственным шумом, возникающим при выхлопе отработанного воздуха и ударном взаимодействии деталей.
Силовая моющая головка снижает вредное влияние на рабочих температуры моющей жидкости, паров раствора каустической соды, которая применяется в опасных для человека концентрациях, а также высокого давления подачи раствора.

Рис. 1.2 Силовая моечная головка
Гидроприводы той же мощности могут иметь меньшие габариты по сравнению с пневмоприводами, благодаря использованию более высоких давлений рабочей среды (жидкости). Они обладают достаточно высокой и легко регулируемой плавностью перемещений и точностью остановки. У них отсутствуют удары в конце рабочего хода. Гидроприводы более экономичны (КПД до 70%), подобно пневмоприводам останавливаются без поломок в случае перегрузок. При использовании негорючих жидкостей гидроприводы могут работать во взрывоопасных средах, на их работоспособность не влияют магнитные поля. Однако гидроприводы сложнее изготавливать из-за высоких требований к герметичности.
Силовая моющая головка снижает вредное влияние на рабочих температуры моющей жидкости, паров раствора каустической соды, которая применяется в опасных для человека концентрациях, а также высокого давления подачи раствора.
Выполнение операции обмывки сопряжено с наличием паров жидкостей, содержащих вредные вещества, повышенной влажности, грязи пыли, с применением растворов каустической соды в опасных для человека концентрациях (1,5..2%), горячей воды и содового раствора (температура 80..90 градусов), высоких давлений жидкости (10..40 МПа). Также в процессе обмывки существует возможность травмирования рабочих при их падении, столкновении с поднимающимися дверями, при взаимодействии с растворами вредных и горячих жидкостей.
Применение электроприводов может привести к поражению человека током. Степень поражения зависит от длительности прохождения тока через организм или участок тела человека. Наибольшим сопротивлением обладает кожа человека. Вместе с тем, протекание тока через нее может привести к ее обугливанию и последующему резкому снижению общего электрического сопротивления тела и нарастанию тока, вызывающего тепловое разрушение внутренних органов.
Перечень технологических машин, применяемых
на заданном производственном участке (цехе).
Для ремонта колёсных пар на железнодорожных предприятиях созданы колёсно-роликовые цеха.
Колёсно-роликовый цех предназначен для ремонта колёсных пар типа РУ-1–950 и РУ-1Ш-950. Колёсно-роликовый цех обеспечивает ремонт колёсных пар:
на программу деповского ремонта;
на объём работ по текущему оценочному ремонту;
по плану пассажирской службы по ремонту колёсных пар для других предприятий.
В цехе выполняются работы:
обточка поверхности катания колёсных пар;
демонтаж и монтаж букс с роликовыми подшипниками на горячей посадке без снятия внутренних колец;
демонтаж и монтаж букс с роликовыми подшипниками на горячей посадке со снятием внутренних и лабиринтных колец;
полная и промежуточная ревизия роликовых букс;
ремонт роликовых подшипников;
подготовка букс под установку датчиков контроля нагрева роликовых букс;
обмывка колёсных пар, деталей буксового узла, подшипников, корпусов букс;
дефектоскопия колёсных пар, подшипников, деталей буксового узла.
Помещение колёсно-роликового цеха примыкает к сборочному цеху, напротив первой позиции ремонта пассажирских вагонов. Вне здания ВРД имеется колёсный парк.
Цех разделяется на следующие отделения и участки:
колёсно-токарное отделение с демонтажной площадкой для демонтажа букс и роликовых подшипников, обмывки колёсных пар, корпусов букс, подшипников и деталей буксового узла;
участок для дефектоскопии осей колёсных пар;
отделение роликовых подшипников;
предмонтажное отделение для отстоя колёсных пар перед монтажом и окраски колёсных пар; на этой же площади размещён участок по подготовке букс к монтажу;
монтажное отделение для монтажа роликовых букс;
колёсный парк;
контора мастера.
Колёсный парк. Он предназначен для:
хранения отремонтированных колёсных пар, колёсных пар ожидающих ремонта или отправки на завод для смены элементов;
разгрузки, осмотра и предварительного определения объёма ремонта неисправных колёсных пар поступивших с линии; оформление приходного листка ВУ-51;
погрузки неисправных колёсных пар для отправки в заводы и исправных на линию;
Колёсный парк состоит из рабочего парка и парка готовой продукции. Парк готовой продукции служит для хранения отремонтированных и исправных колёсных пар, а рабочий парк предназначен для хранения ожидающих ремонта колёсных пар рассортированных по типам осей.
Отделение роликовых подшипников состоит из двух участков: участка по ремонту подшипников и комплектовочного участка.
Участок по ремонту подшипников предназначен для протирки и хранения подшипников, поступивших после обмывки по лотку через окно из колёсно-токарного отделения, дефектоскопирования роликов, ремонта и подбора роликов, передачи промытых подшипников по лотку через окно в комплектовочное отделение. Он размещён в изолированном помещении, имеет смежное помещение с комплектовочным участком.
Комплектовочный участок предназначен для осмотра, измерения осевых зазоров подшипников, измерения диаметров внутренних колец подшипников на горячей посадке, дефектоскопии полиамидных сепараторов, смазывания блоков подшипников, передачи скомплектованных подшипников по лотку в монтажное отделение, хранение неснижаемого запаса подшипников. Он размещён в изолированном помещении, имеет смежные помещения с участком по ремонту подшипников и отделения монтажа колёсных пар.
Монтажное отделение предназначено для монтажа букс с роликовыми подшипниками на шейку оси колёсной пары, смазывания маслом внутренней поверхности корпуса буксы, подбора парных подшипников, контроля радиального зазора и подбора парных подшипников, укладки подшипников в буксу, смазывание маслом внутренних колец на шейке оси и в блоке подшипников, нанесения смазки Л3 ЦНИИ на лабиринтные кольца и в блок подшипников, монтажа букс в комплекте с блоком подшипников на шейку оси, крепления гайки или болтов торцевой шайбы, обвязки проволокой болтов М12, крепления стопорной планки, клеймения оси, монтажа крепительной и смотровой крышек, проверки лёгкости проворачивания буксы.
Предмонтажное отделение примыкает с одной стороны к колёсно-токарному отделению, а с другой стороны к монтажному отделению. Предназначено для осмотра букс, осмотра осевых гаек, стопорных планок, осмотра, зачистки и замера шеек колёсных пар, демонтажа лабиринтных и внутренних колец (если необходимо), окраски средней части оси, дисков, отстоя колёсных пар перед монтажом и после ремонта.
Колёсно-токарное отделение предназначено для предварительного осмотра и определения необходимого ремонта, обмера, оформления приходного листа ВУ-51, демонтажа букс с роликовыми подшипниками, обмывки колёсных пар в моечной машине, обмывки корпусов букс, обмывки роликовых подшипников в автоматической установке, обмывки деталей букс, обточки поверхности катания колёсных пар, дефектоскопии колёсных пар, промежуточной ревизии букс колёсным парам, выкаченных из-под вагонов деповского ремонта (пригодных для подкатки под вагоны текущего ремонта), окраски. На его территории расположено тележное отделение цеха «Подъёмки».
Колесно-роликовый цех оснащен следующим оборудованием:
колесно-токарным станком, машиной для обмывки колесных пар, машиной для обмывки корпусов и деталей букс, машиной для обмывки роликовых подшипников, станком точильно-шлифовальным, накопителем для деталей и корпусов букс, индукционным нагревателем для нагрева внутренних колец, индукционным нагревателем для нагрева лабиринтных колец, стеллажом для корпусов букс, гомогенизатором смазки, емкостью со смазкой, масляным нагревателем, шкафом для измерительного инструмента, стеллажом для колец подшипников, дефектоскопом УМДП-01, прессом для испытания полиамидных сепараторов, рабочим столом, автоматизированной установкой по подбору роликов УПР-01, станком для шлифовки торцов роликов, дефектоскопом ультразвуковым, дефектоскопом магнитным, столом для разборки подшипников, приспособлениями для зачистки колец, столом для клеймения деталей, шкафом для хранения деталей и инструмента, стеллажом для готовых деталей, кран-балкой г/п 1 тонна, кран-балкой г/п 2 тонны, кран-балкой г/п 5 тонн, станком настольно-сверлильным, окрасочной камерой, горизонтальным гидравлическим прессом для распрессовки колес, универсальным токарно-винторезным станком или специализированным токарно-накатным станком для обработки подступичных частей оси, токарно-карусельным станком для обработки ступиц колес, прессом для запрессовки колес.
1.2 Выбор объекта автоматизации и ее необходимость
В связи с тем, что подача осей связана с рядом опасностей, то производство этого процессе должно выполняться машинами, а человек будет лишь управлять ими.
Целесообразность перехода от ручного производства к автоматизированному определяется 3-мя принципами:
1) достижение конечного результата, т.е. автоматическое оборудование должно иметь большую производительность;
2) комплексность, т.е. автоматизация производства должна охватывать все производственные структуры, связанные с выпуском продукции и учитывать во взаимосвязи технологию, предметы труда, техническое оборудование, системы управления и обслуживания;
3) экономическая необходимость, т.е. автоматизация допускается там, где она автоматически доказана;
4) Отказ от физического, монотонного и малоквалифицированного труда;
Предварительный выбор объектов автоматизации осуществляют по критическим условиям, основанным на первом (для различных технологических процессов и операций, протекающих в разнообразных по виду производствах, могут быть выбраны и применены одинаковые системы автоматического управления) и втором (все многообразие схемных решений сведено к типовым по логике управления системам автоматики) принципах автоматизации. Критические условия учитывают необходимость увеличения производительности путем сравнения потребной производительности с фактической, умноженной на коэффициент прогрессивности 1.25, а также условия выполнения операций.
Выбор объектов автоматизации рекомендуют осуществлять в следующей последовательности:
1) определяют технический уровень производства для всех отобранных процессов по критическим значениям технического уровня производства, оценивают необходимость технического перевооружения или реконструкции предприятия. В списке остаются только те объекты, которые размещены в производственных участках, нуждающихся в техническом перевооружении;
2) устанавливают оптимальное значение уровня автоматизации для всех оставшихся в списке процессов;
3) подбирают автоматические машины для исследуемых процессов, при этом стремятся к тому, чтобы средний уровень автоматизации производства был примерно равен оптимальному значению, а суммарная стоимость машин не превосходила предельного значения;
4) определяют экономическую эффективность автоматизации каждого объекта. По значениям годового экономического эффекта составляют приоритетный ряд объектов для осуществления задач их автоматизации;
5) разрабатывают технические требования на автоматизацию объектов в порядке их размещения в приорететном ряду на основании рассмотренного комплекса работ и анализа показателей производственных процессов.
1.3 Разработка вариантов конструктивных схем машины
Структурная схема автомата.
Под структурой автоматических машин понимают состав элементов и подсистем, из которых они состоят, с определенным характером взаимодействия. Для наглядного графического изображения отдельных сложных устройств машин и их систем применяют структурные схемы.
Загрузочное устройство представляет из себя наклонный путь. По наклонному пути детали перемещаются в рабочую зону технологической машины.
Технологические машины предназначены для обработки объектов. Они включают: зажимное устройство (фиксирует и зажимает деталь), силовую головку (обрабатывает деталь), защитные приспособления (кожухи, двери и т.п.), устройства удаления отходов, механизм изменения положения детали в процессе обработки.
Для наглядного графического изображения устройств машины применим структурную схему:
![]() |
Рис. 1.7 – Структурная схема автомата
ЗУ – загрузочное устройство,
ТМ – технологическая машина,
РУ – разгрузочное устройство,
КУУ – контрольно-управляющее устройство.
В данной курсовой работе загрузочными устройствами будет являться наклонный путь.
Технологическая машина предназначена для обработки объектов. Содержит зажимное устройство (оно принимает, фиксирует и зажимает деталь), силовую моечную головку, защитные приспособление (кожухи, двери), устройство для удаления отходов, механизм изменения положения оси в процессе обмывки.
Для обеспечения взаимодействия этих устройств и их работы в строгой последовательности, с целью выполнения заданного технологического процесса в установленное время, применяют контрольно-управляющее устройство.
Структурная схема автомата позволяет построить его принципиальную конструктивную схему. Для этого надо заменить функциональные блоки конкретным механизмом, учитывающим характер выполняемых действий и тип заданного привода.
Таблицы вариантов набора механизмов машины, их привода и виды управления.
Таблица 1.1. Механизмы машины (вариант №1)
№ п/п |
Наименование механизма машины | Тип силового привода | Звенность механизма | Количество включений механизма |
| 1 | Механизм подъема осей | Электропривод | 3,5 | 1 |
| 2 | Механизм транспортировки осей | Элеватор | 4 | 1 |
| 3 | Механизм перемещения дверей | Электропривод | 4 | 1 |
| 4 | Механизм обмывки осей | Гидросистема (обмывочная силовая головка | 4 | 1 |
Таблица 1.2. Механизмы машины (вариант №2)
№ п/п |
Наименование механизма машины | Тип силового привода | Звенность механизма | Количество включений механизма |
| 1 | Механизм подъема осей | Гидропривод | 4 | 1 |
| 2 | Механизм транспортировки осей | Элеватор | 4 | 1 |
| 3 | Механизм перемещения дверей | Электропривод | 4 | 1 |
| 4 | Механизм обмывки осей | Гидросистема (обмывочная силовая головка | 4 | 1 |
Таблица 1.3. Механизмы машины (вариант №3)
№ п/п |
Наименование механизма машины | Тип силового привода |
Звенность механизма по варианту |
Количество включений механизма |
| 1 | Механизм подъема осей | Пневмопривод | 3,5 | 1 |
| 2 | Механизм транспортировки осей | Элеватор | 3,5 | 1 |
| 3 | Механизм перемещения дверей | Электропривод | 3,5 | 1 |
| 4 | Механизм обмывки осей | Гидросистема (обмывочная силовая головка | 3,5 | 1 |
Средняя звенность и уровень автоматизации всех вариантов машин.
Для определения средней звенности сложной машины ее надо разбить на самостоятельные простейшие механизмы, выполняющие те или иные простые движения.
Определение средней звенности машины осуществляется по формуле:

(1.1)
где
- звенность
го механизма машины (
);
n – количество механизмов в машине;
Для варианта машины №1:
![]()
![]()
Для варианта машины №2:
![]()
![]()
Для варианта машины №3:
![]()
![]()
Уровень автоматизации машины определяется по формуле:
, (1.2)
где qi – количество включений i-го механизма машины в цикле ее работы;
– звенность
го механизма машины, имеющее полуавтоматическое или автоматическое управление (Zi≥3.5).
Для варианта машины №1:
.
Для варианта машины №2:
![]()
![]()
Для варианта машины №3:
![]()
![]()
Приближенная стоимость машины:
, (1.3)
где Со (Z=3) – стоимость машины при ручном управлении, тыс. руб.;
Z=3 – средняя звенность машины при ручном управлении;
Zi – средняя звенность машины.
Для варианта машины №1:
тыс. руб.
Для варианта машины №2:
тыс. руб.
Для варианта машины №3:
тыс. руб.
Таблица 1.4. Расчет параметров механизмов машин и силовых головок на стадии предварительных исследований для варианта 1.
| Привод механизма | Сила сопротивления W, Н; Мощность привода Р, кВт |
Длительность цикла работы механизма, сек при управлении | Стоимость механизма при ручном управлении, тыс. руб. |
||
| ручном | полуавтоматическом | автоматическом | |||
| Электропривод элеваторов |
W=2384,5Н v=0.2..0.3 м/с |
28,4 |
26,7 |
25,24 |
0,609 |
| Механизм скатывания тел вращения с наклонной поверхности | l= 5 м – длина перемещения тела |
14,4 |
12,9 |
11,4 |
0,609 |
| Гидросистема моечной машины |
|
3,49 |
1,99 |
0,49 |
13,65 |
Таблица 1.5. Расчет параметров механизмов машин и силовых головок на стадии предварительных исследований для варианта 2
| Привод механизма | Сила сопротивления W, Н; Мощность привода Р, кВт |
Длительность цикла работы механизма, сек при управлении |
Стоимость механизма при ручном управлении, тыс. руб. |
||
| ручном | полуавтоматическом | автоматическом | |||
| Гидропривод элеваторов |
|
6,36 |
4,88 |
3,4 |
4,75 |
| Механизм скатывания тел вращения с наклонной поверхности | l=5 м – длина перемещения тела |
14,4 |
12,9 |
11,4 |
0,609 |
| Гидросистема моечной машины |
|
3,49 |
1,99 |
0,49 |
13,65 |
Таблица 1.6. Расчет параметров механизмов машин и силовых головок на стадии предварительных исследований для варианта 3
| Привод механизма | Сила сопротивления W, Н; Мощность привода Р, кВт |
Длительность цикла работы механизма, сек при управлении | Стоимость механизма при ручном управлении, тыс. руб. |
||
| ручном | полуавтоматическом | автоматическом | |||
| Пневмопривод элеваторов |
|
23 |
19,8 |
18,3 |
3,5 |
| Механизм скатывания тел вращения с наклонной поверхности | l=5 м – длина перемещения тела |
14,4 |
12,9 |
11,4 |
0,609 |
| Гидросистема моечной машины |
|
3,49 |
1,99 |
0,49 |
13,65 |
Результаты формирования параметров вариантов машин сводим в таблицу, приведенную ниже
Таблица 1.7. Результат формирования параметров вариантов машин
| Вариант конструктивной схемы машины | Продол жительность операции, сек |
Уровень автоматизации машины,
|
Мощность электрооборудования, Ру, кВт |
Численность рабочих, обслуживающих машину, Чс, чел. | Примерная стоимость машины, Со, тыс. руб. |
| Вариант 1 | 37.13 | 96 | 10,97 | 1 | 38,81 |
| Вариант 2 | 15.29 | 80 | 48,9 | 1 | 57,79 |
| Вариант 3 | 30.19 | 87 | 14,5 | 1 | 38,67 |
Оптимальное значение уровня автоматизации машины и соответствующие ему параметры с использованием программы Excel.
Оптимальное значение уровня автоматизации машины и соответствующих ему параметров определяем с использованием программы Excel.
Для отыскания оптимального значения уровня автоматизации машины применим следующую целевую функцию приведенных затрат:
,=0,66, (1)
где
годовой выпуск продукции = 6000 штук
= 0.0028*2000+12 = 5,6+12=17,6
= 2827 (2)
годовой фонд рабочего времени машины = 2000 часов;
мощность электрооборудования машины, кВт;=10,97;
численность рабочих, обслуживающих машину – 1 рабочий;
стоимость машины.
Предположим, что переменные можно представить в виде следующих уравнений:
;
;
, (3)
где
оценки коэффициентов регрессии.
Для отыскания значений оценок коэффициентов регрессии необходимо знать статистические или расчетные значения соответствующих параметров машины и применить метод наименьших квадратов.
Оптимальное значение уровня автоматизации машины находим, минимизируя функцию (1) после подстановки в нее уравнений (2):
. (4)
Для нахождения оптимального значения уровня автоматизации машины необходимо знать все технико-экономические характеристики (переменные параметры), предусмотренные уравнениями (1) и (2).
Для отыскания оптимального уровня автоматизации удобно пользоваться типовой программой в среде электронных таблиц Excel (табл. 1.9).

Таким образом, оптимальный уровень автоматизации равен Каопт=76.18

Вариант №1
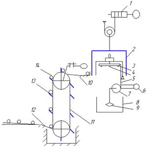
На рис. 1.3 показана конструктивная схема подачи оси на обмывку: 1-электропривод; 2-кожух; 3-коллектор с соплами; 4-сопла; 5-нагнетательный трубопровод; 6-электродвигатель насоса; 7-насос; 8-бак; 9-фильтр; 10-разгрузочное устройство; 11-гибкий орган(цепь); 12-загрузочное устройство; 13-полка; 14-изделие.

Вариант 2
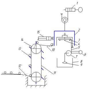
На рис. 1.4 показана конструктивная схема подачи оси на обмывку: 1-электропривод; 2-кожух; 3-коллектор с соплами; 4-сопла; 5-нагнетательный трубопровод; 6-электродвигатель насоса; 7-насос; 8-бак; 9-фильтр; 10-разгрузочное устройство; 11-гибкий орган(цепь); 12-загрузочное устройство; 13-полка; 14-изделие; 15-гидропривод.

Вариант 3.
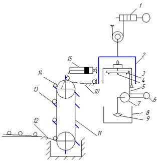
На рис. 1.4 показана конструктивная схема подачи оси на обмывку: 1-электропривод; 2-кожух; 3-коллектор с соплами; 4-сопла; 5-нагнетательный трубопровод; 6-электродвигатель насоса; 7-насос; 8-бак; 9-фильтр; 10-разгрузочное устройство; 11-гибкий орган(цепь); 12-загрузочное устройство; 13-полка; 14-изделие; 15-пневмопривод.
1.3 Описание последовательности выполнения заданной операции
Выполнив расчеты параметров машин на стадии предварительных исследований, можно сделать вывод, что третий вариант конструктивной схемы машины по уровню автоматизации (78%) более близок к оптимальному значению уровня автоматизации машины. Также мощность электрооборудования этой схемы и ее стоимость ниже, чем у машины второго и третьего варианта, значит, для практического применения лучше будет использовать первый вариант конструктивной схемы машины.
Для третьего варианта конструктивной схемы машины последовательность выполнения заданной операции должна быть таковой:
1) Включить электропривод конвейера (транспортировка осей на обмывочную позицию);
2) Выключить электродвигатель конвейера (элеватор с осями установлен на обмывочной позиции);
3) Включить электропривод подъема дверей (двери опущены);
4) Выключить электропривод подъема дверей (двери опущены и зафиксированы);
5) Включить электродвигатель силовой моечной головки (обмывка осей);
6) Выключить электродвигатель силовой головки (обмывка осей закончена);
7) Включить электропривод подъема дверей (двери подняты);
8) Выключить электропривод подъема дверей (двери подняты и зафиксированы);
2. Формирование звеньев (механизмов) машины
2.1 Расчет и выбор рабочих органов (силовых головок)
электропривод управление машина звено
Рабочие органы машин (силовые головки) предназначены для сообщения инструментам главного движения и движения продольной подачи. Силовые головки машин включают механизм главного движения, привод подачи инструмента, механизм крепления или ориентации инструмента.
К приводу подачи гидросистем машин относится насос с электродвигателем и трубопроводом. В качестве инструмента используется моющая жидкость. Для направления жидкости применяются сопла.
Для получения мощных струй, несущих большую кинетическую энергию, применяют сопла в виде конических насадок.
Обычно раствор и вода под температурой 70–900 C подаются под давлением 10–20ּ105 Па. Подогрев жидкости осуществляется через паросмеситель и обогревательные батареи с помощью сухого пара или электронагревателями,
Важную роль в моечных установках играет система очистки жидкости от грязи, ее сбор и удаление. Обычно это замкнутые системы. Надежность и качество работы таких систем во многом определяют надежность и производительность машин, условия труда рабочих.
Таблица 2.1. Данные для расчета параметров гидросистемы моечной машины
| n, шт. | nкн, шт. | nкв, шт. | d, м. | p, Па | φ, м2/с | ρ, кг/м3 | μ |
| 50 | 2 | 2 | 0.009 | 300000 | 0.00002 | 1000 | 0.6 |
Vтн, м/с |
Vтв, м/с |
H, м. |
εф | εк | Lтн, м. |
Lтв, м. |
tоб, мин. |
| 5 | 1 | 2 | 7 | 0.8 | 3 | 1.5 | 3 |
где n – число насадок (сопел);
nкн – количество колен в нагнетательном трубопроводе;
nкв – количество колен во всасывающем трубопроводе;
d – диаметр сопла;
p – давление жидкости перед насадкой;
φ – кинематическая вязкость жидкости;
ρ – плотность жидкости;
μ – коэффициент расхода жидкости через отверстие;
Vтн – скорость течения жидкости в нагнетательном трубопроводе;
Vтв – скорость течения жидкости во всасывающем трубопроводе;
H – расстояние между поверхностью жидкости в баке и коллектором;
εф – коэффициент сопротивления фильтра;
εк – коэффициент сопротивления колена;
Lтн – длина нагнетательного трубопровода;
Lтв – длина всасывающего трубопровода;
tоб – время обмывки изделия.
Расчет гидросистемы моечной машины.
1. Площадь проходных сечений насадок, м2:
(2.1)
![]()
2. Расчетная подача, м3/с:
(2.2)
![]()
3. Расчетный диаметр нагнетательного трубопровода, м:
(2.3)
![]()
4. Расчетный диаметр всасывающего трубопровода, м:
(2.4)
![]()
5. Число Рейнольдса для нагнетательного трубопровода:
(2.5)
![]()
6. Число Рейнольдса для всасывающего трубопровода:
(2.6)
![]()
7. Принимаем значение коэффициента λ, характеризующего режим течения жидкости, для нагнетательного и всасывающего трубопроводов:
(2.7)
8. Коэффициент потерь давления для нагнетательного трубопровода:
(2.8)
![]()
9. Коэффициент потерь давления для всасывающего трубопровода:
(2.9)
![]()
10. Потери давления для нагнетательного трубопровода, Па:
(2.10)
![]()
11. Потери давления для всасывающего трубопровода, Па:
(2.11)
![]()
12. Давление, которое должен развивать насос, Па:
(2.12)
![]()
13. Подача насоса, м3/с:
(2.13)
![]()
14. Мощность электродвигателя насоса, кВт:
(2.14)
где k=1,1…1,4 – коэффициент запаса на случай перегрузки двигателя;
η=0,6…0,9 – полный КПД насосной установки;
ηn=0,85…0,99 – КПД передачи.
![]()
15. Объем бака, м3:
(2.15)
![]()
16. По результатам расчетов подбираем тип насоса и электродвигателя, используя справочник по деталям машин и механизмов.
Электродвигатель: тип 4А 180 2У3 (35 кВт, n = 4000 об/мин)
Насос: марка К90/55 тип 4А1802
2.2 Расчет и выбор приводов
Пневматический привод
Исходные данные для расчета параметров приводов приведены в табл. 2.2.
Таблица 2.2. Исходные данные для расчета пневмопривода
| 0,3 | 0,135 | 4*105 | 1,2*105 | 0,8 | 1,3 | 7850 |
| 0.53 | 1,1 | 1100*105 | 0,5 | 800 | 32170 |
Основные стандартные параметры цилиндров:
, м: 0,045; 0,050; 0,065; 0,075; 0,090; 0,105; 0,120; 0,150; 0,165; 0,175; 0,200; 0,225; 0,250; 0,300; 0,350; 0,400; 0,500;
, м (![]()
: 0,004; 0,005; 0,006; 0,008; 0,01; 0,012; 0,016; 0,020; 0,025; 0,032; 0,040; 0,050; 0,063; 0,080; 0,1; 0,125; 0,160; 0,200; 0,320.
Ход поршня
принимается конструктивно в зависимости от характера выполняемой работы (для поворотных устройств
, где
угол поворота).
В табл. 2.2 приняты следующие обозначения:
- внутренний диаметр цилиндра, м;
- диаметр штока, м;
- рабочее давление сжатого воздуха или жидкости для пневмоприводов
, Н/м2;
- противодавление в выхлопной или сливной камере для пневмоприводов
=0,3
;
- коэффициент, учитывающий трение в уплотнительных устройствах (0,8…0,9);
- коэффициент, учитывающий инерционные силы (1,1…1,3);
- плотность стали, кг/м3;
- ход поршня, м;
- коэффициент запаса прочности (1,1…1,3);
- допускаемые напряжения (для углеродистых сталей (1000…1200).105, Н/м2; для легированных сталей (1100…4000).105Н/м2);
- коэффициент расхода через отверстие (0,4…0,9);
- плотность масла (800…950) кг/м3;
- технологическое усилие (усилие полезной работы), Н.
Алгоритм расчета:
1. Подбираем внутренний диаметр
цилиндра и диаметр штока
методом итераций из условия равновесия поршня, задаваясь их стандартными значениями:
; (2.2.1)
Определяем:
2. Толщину стенки днища (крышки) цилиндра, м
= 0.12 (2.2.2)
3. Наружный диаметр цилиндра, м
= 0.34 (2.2.3)
4. Длину корпуса цилиндра (принимаем высоту поршня
, м
= 0.995 (2.2.4)
5. Вес корпуса цилиндра, Н
= 6119 (2.2.5)
6. Вес плунжерной пары (шток и поршень; длину штока принимаем
), Н
= 31387 (2.2.6)
Подпрограмма расчета особых параметров пневмопривода:
Определяем:
1. Безразмерную нагрузку на привод
= 1.05 (2.2.7)
2. Безразмерный конструктивный параметр
= 1.61 (2.2.8)
где
вес корпуса или плунжерной пары (принимается в зависимости от конструкции привода (подвижен корпус, то вместо
подставляют,
подвижна плунжерная пара, то вместо
подставляют
);
диаметр отверстий, м;
3. Относительное время перемещения поршня
; = 8.821 (2.2.9)
4. Длительность перемещения поршня, с
= 0.598 (2.2.10)
3. Расчет технических характеристик машины
3.1 Расчет цикловой и фактической производительностей машины
Производительностью машины называется количество продукции, выдаваемой в единицу времени.
Для количественной оценки производительности автоматического оборудования необходимо выпущенную продукцию отнести к отрезку времени, за которой она была произведена.
При создании машин необходимо определить цикловую (Qц) и фактическую (Qф) производительности.
Цикловая производительность характеризует выпуск продукции в единицу времени на автоматическом оборудовании дискретного действия (имеется пауза для загрузки и разгрузки, зажима и разжима детали, подвода и отвода инструмента) при условии его бесперебойной работы.
Циклом работы машины называется совокупность действий по обработке изделия, при которых оно подвергается изменению в определенной последовательности до окончания обработки.
Длительность рабочего цикла (tц) определяет цикловую производительность:
(3.1)
где 1 – одно изделие;
tц – длительность цикла ч.
Для варианта №1: ![]()
Для варианта №2: ![]()
Для варианта №3: ![]()
Так как в процессе эксплуатации машин периоды бесперебойной работы чередуются с простоями, вызванными сменой и регулировкой инструмента, подналадкой механизмов, устранением отказов оборудования и систем управления, то фактическая производительность машин получается ниже цикловой.
Все перечисленные потери времени принято называть внецикловыми. Поэтому фактическую производительность определяют по формуле:
(3.2)
где tвнц – внецикловые потери времени, приходящиеся на одно изделие.
Для варианта №1:![]()
Для варианта №2:
.
Для варианта №3:
.
При известной вероятности безотказной работы машины p(t) внецикловые потери времени можно определить из соотношения:
(3.3)
Для варианта №1:
.
Для варианта №2:
.
Для варианта №3:
.
3.2 Расчет надежности машины
При расчетах надежности машин полагают, что все элементы машины работают последовательно, т.е. отказ одного элемента приводит к отказу всей машины. Поэтому вероятность безотказной работы машины определяют по формуле:
(3.4)
где
– вероятность безотказной работы i-го элемента машины.
При этом вероятность безотказной работы любого элемента машины определяют, полагая интенсивность отказов постоянной, по формуле:
(3.5)
где λi – интенсивность отказа элемента машины, 1/ч;
t – продолжительность работы машины, ч.
Расчет вероятности безотказной работы машины осуществляют для основной конструктивной схемы в форме табл. 3.1
Таблица 3.1. Значения интенсивности отказов
| Наименование элемента машины | Количество элементов |
Интенсивность отказа элемента, λּ10–6, 1/ч | niּλi |
| Баки (резервуары) | 1 | 1.5 | 1.5 |
| Гидроцилиндры | 1 | 0.2 | 0.2 |
| Насос | 1 | 13.5 | 13.5 |
| Пневмоцилиндр | 1 | 0.13 | 0.13 |
| Силовая головка | 1 | 15 | 15 |
| Механические передачи | 1 | 0.4 | 0.4 |
| Трубопровод | 2 | 0.03 | 0.06 |
| Фильтр | 1 | 0.8 | 0.8 |
| Электродвигатель | 1 | 2 | 2 |
| Конвейеры | 1 | 2 | 2 |
| Всего | 37,59 |
Вероятность безотказной работы машины определяем по формуле:
(3.6)
Расчет цикловой и фактической производительности машины также осуществляют в форме таблицы 3.2.
Таблица 3.2. Цикловая и фактическая производительности машины
| Вариант конструктивной схемы машины | Продолжительность цикла работы последовательно включаемых механизмов машины, сек, tц | Цикловая производительность, шт./ч, Qц |
Вероятность безотказной работы машины, p(t) | Фактическая производительность машины, шт./ч, Qф |
Уровень автоматизации машины, |
| Вариант 1 | 37.13 | 27.2 | 0.75 | 23.8 | 96 |
| Вариант 2 | 15.29 | 66.6 | 0.75 | 50 | 80 |
| Вариант 3 | 31.15 | 32.2 | 0.75 | 27.7 | 87 |
3.3 Оценка уровня автоматизации производства на заданном участке
Уровень автоматизации производства – мера замещения машинами функций управления в процессе преобразования и перемещения предметов труда. Уровень автоматизации производства определяется по формуле:
(3.7)
где mz= myKз – количество используемых машин;
my – количество установленных машин;
Кз – коэффициент загрузки машины.
Состав оборудования основных производственных участков депо приведен в таблице 3.3.
Таблица 3.3. Характеристика оборудования колесно-роликового участка
| Машина для обмывки осей | Мощ- ность, кВт |
Стои-мость, т. руб. | |||
| Вариант №1 | 3.5 | 0.8 | 1 | 11 | 38,8 |
| Вариант №2 | 3.5 | 0.8 | 1 | 49 | 57,7 |
| Вариант №3 | 3.5 | 0.8 | 1 | 15 | 38,6 |
Для варианта №1:
;
Для варианта №2:
;
Для варианта №3:
;
3.4 Методы оценки экономической эффективности вариантов автоматизации
Экономическая эффективность машин складывается из энергетического, трудового, структурного и технологического эффектов (полезных результатов).
Энергетический эффект определяется сокращением расхода топлива или энергии, увеличением надежности работы энергетического оборудования, повышением КПД силовых установок.
Трудовой эффект связан с сокращением прямых затрат живого труда обслуживающего персонала на управление технологическими процессами.
Структурный эффект обусловлен сокращением регулирующих и запасных емкостей, уменьшением служебных и инженерных коммуникаций, снижением металлоемкости и стоимости оборудования, увеличением съема продукции с единицы площади производственных зданий, повышением концентрации построек на территории.
Технологический эффект обусловлен в основном увеличением производства продукции за счет автоматизации технологических процессов, сокращения трудовых затрат и повышения качества продукции.
При сравнении нескольких вариантов автоматических машин определяют сравнительную экономическую эффективность.
Эффективность – это отношение величины экономического или эксплуатационного эффекта к величине затрат, обусловивших получение этого эффекта.
В качестве критериев сравнительной экономической эффективности средств автоматизации применяют:
расчетный коэффициент эффективности капитальных вложений:
, (3.8)
где Т – срок окупаемости капитальных вложений;
С1 и С2 – себестоимость продукции до и после осуществления капитальных вложений;
К1 и К2 – капитальные вложения до и после внедрения автоматической машины;
Ен – нормативный коэффициент эффективности капитальных вложений (Ен=0.15).
Для варианта №3:
.
максимально допустимую стоимость автоматического оборудования:
, (3.9)
Для варианта №1:
;
Для варианта №2:
;
Для варианта №1:
.
Индекс конкурентоспособности:

,(3.10)
где
производительность новой и базовой машины, шт./ч;
годовой доход от применения новой и базовой машины, руб.
.
Величину дохода приближенно можно определить по формуле:
,(3.11)
где
уровень рентабельности (
0,08…0,15).
Для варианта №1:
.
.
Для варианта №2:
.
.
Для варианта №3:
.
.
Себестоимость выпуска годового объема продукции
можно приближенно определять по формуле:
,(3.12)
где
расходы на материалы на единицу продукции, руб./шт.;
годовой объем выпуска продукции;
потребное число машин;
номинальный годовой фонд времени работы машины, ч:
мощность электрооборудования машины, кВт;
численность персонала, управляющего машиной;
площадь, занимаемая машиной;
стоимость машины, руб.
Для варианта №1:
![]()
![]()
Для варианта №2:
![]()
![]()
Для варианта №3:
![]()
![]()
Затраты на материалы при выполнении операций, намеченных к автоматизации можно определить приближенно по соотношениям, приведенным в таблице 3.4.
Таблица 3.4. Затраты на материалы
Наименование операции |
Удельный расход/ Удельная стоимость материала | ||||
Моющая жидкость: м3/шт.; руб./м3 |
Сжатый воздух: м3/шт.; руб./м3 |
Флюс: кг/м шва; руб./кг |
Сварочная проволока: кг/шт.; руб./кг |
Краска: кг/шт.; руб./кг |
|
| Обмывка | - | - | - | ||
Вывод: исходя из приведенных таблиц: по мощности, цене, производительности, времени и т.д. вариант №3 является самым оптимальным., поэтому для дальнейших расчетов я буду использовать оптимальный вариант.
4. Расчет геометрических характеристик несущих элементов машины
При работе машины для обмывки осей для ее передачи используются рельсовый путь.
Определим реакции, которые возникают в местах установки подшипников RA и RF:
![]()
Н. (4.1)
Н. (4.2)
;(4.3)
;
.
Проверка выполняется, значит реакции определены верно.
5. Выбор (обоснование) принципа, САУ и средств управления
5.1 Функциональная блок-схема САУ
Под системой автоматического управления (САУ) понимают совокупность связанных друг с другом объекта управления (ОУ) и управляющего устройства (УУ), действующих как одно целое без непосредственного участия человека и обуславливающих ее функционирование.
Под функционированием системы понимают последовательную смену состояний системы во времени с целью восполнения ее назначения.
Объекты управления – это технологические машины, транспортные средства, цеха, производственные участки, депо, заводы и энергетические системы, осуществляющие определенный технологический процесс.
Действительные процессы, протекающие в системах, отличаются от заданных, поэтому в большинстве систем алгоритм управления не соответствует алгоритму функционирования.
Алгоритм управления показывает как должно изменяться управление, чтобы обеспечить заданный алгоритм функционирования. Алгоритмы функционирования в автоматических системах реализуются с помощью управляющих устройств.
Автоматическим управляющим устройством называют устройство, целенаправленно воздействующее на управляемый объект в соответствии с алгоритмом управления. В основе построения САУ лежат общие принципы управления, определяющие характер изменения управляющего воздействия на объект в зависимости от задания и фактического состояния системы.
В данном курсовом проекте описываем разомкнутую САУ, функциональная блок-схема которой представлена на рис. 5.1.
Рис. 5.1 – Функциональная блок-схема разомкнутой САУ
В приведенной блок-схеме разомкнутой САУ применены следующие обозначения:
ЗАФ – задатчик алгоритма функционирования;
x(t) – входной сигнал;
УУ – управляющее устройство;
u(t) – управляющая воздействия;
ИУ – исполнительное устройство;
ОУ – объект управления;
y(t) – управляемая величина или выходной сигнал.
В качестве объекта управления выступают оси, которые посредством наклонного рельсового пути, подаются на обмывку под силовую моечную головку.
Исполнительным устройством являются силовая моющая головка, которая обмывает детали.
Управляющим устройством является пневмопривод с гидроцилиндром двустороннего действия и распределителем с электромагнитным управлением и пружинным возвратом.
Задатчиком алгоритма функционирования являются конечные выключатели.
5.2 Алгоритм управления машиной
Алгоритмом управления называется совокупность предписаний, определяющая характер воздействий на управляющий орган с целью выполнения заданного алгоритма функционирования.
Алгоритм управления составляется в соответствии с последовательностью действий машины и заданной системой автоматического управления.
Таблица 5.1. Базовый алгоритм управления машиной
| Наименование операций | Операции управления | Управляющие элементы |
| Подать оси на элеватор | Вкл. YA1 Выкл. YA1 |
YA1 |
| Оси в зону обмывки подать | Вкл. М1 (КМ1) Выкл. М1 (КМ1) |
КМ1 SQ1 |
| Двери опустить | Выкл. М3 (КМ2) | КМ2 SQ2 |
| Оси обмыть | Вкл. М2 (КМ3) Выкл. М2 (КМ3) |
КМ3 |
| Двери поднять | Вкл. М3 (КМ4) | КМ4 SQ3 |
| Оси из зоны обмывки убрать | Вкл. М1 (КМ1) Выкл. М1 (КМ1) |
КМ1 SQ4 |
6. Разработка системы автоматизации
6.1 Разработка принципиальной схемы САУ
При разработке систем автоматизации несложных объектов составляют принципиальные и монтажные электрические схемы. Принципиальная схема определяет полный состав элементов автоматики, связь между ними и дает детальное представление о принципе работы объекта автоматизации.
6.2 Расчет надежности схем
Надежность электрических схем систем автоматического управления определяют такими показателями безотказности, как вероятность безотказной работы в течение заданного отрезка времени; интенсивность отказов; средняя наработка до первого отказа.
Элементы схем считаются невосстанавливаемыми, а сама схема – восстанавливаемой. Также полагают, интенсивность отказов постоянной. Для таких допущений вероятность безотказной работы любого элемента автоматики определяют в соответствии с показательным законом:
.(6.1)
Поскольку, исходя из методов построения схем, в электрических цепях элементы соединены последовательно (основное соединение), то вероятность безотказной работы любой цепи схемы можно определить:
.(6.2)
где
вероятность безотказной работы
го элемента электрической схемы;
общее количество элементов в цепи.
В любой схеме системы автоматического управления каждая последующая цепь зависима от предыдущей. Поэтому принимают, что цепи в электрических схемах соединены последовательно. Тогда вероятность безотказной работы всей схемы системы управления определяют:
.(6.3)
Расчет надежности электрических схем САУ осуществляют укрупненным и уточненным методами. При укрупненном расчете вероятность безотказной работы принимается для всего электрического аппарата и полагается, что все они соединены последовательно. Расчет надежности укрупненным методом осуществляется в форме таблицы 6.1. Применительно к базовой электрической схеме (см. рис. 6.1) результаты расчета надежности укрупненным методом приведены в таблице 6.1.
Таблица 6.1. Результаты расчета надежности
| Наименование элемента электросхемы | Количество элементов | Интенсивность отказа элемента, |
|
| Кнопки | 2 | 0.06 | 0.12 |
| Реле электромагнитные | 4 | 0.3 | 0.3 |
| Командоаппарат (КЭП) | 1 | 0.12 | 0.96 |
| Магнитные пускатели | 4 | 10 | 40 |
| Электромагниты распределителей | 1 | 0.9 | 0.9 |
| Конечные выключатели | 1 | 0.1 | 0.4 |
| 42.68ּ10–6 |
. (6.4)
6.3 Выбор аппаратов управления
В качестве основных аппаратов управления применяют контакторы, магнитные пускатели, реле времени, командоаппараты, реостаты, тахогенераторы и другие устройства.
Контактор представляет собой электромагнитный аппарат с дистанционным управлением, предназначенный для частых коммутаций силовых цепей.
Реле представляют собой слаботочные аппараты, предназначенные для использования в схемах САУ, а также коммутации электрических цепей. Отличительной особенностью реле является скачкообразное изменение его состояния при достижении входным воздействием на него определенного уровня. По своему исполнению реле делятся на электромагнитные (контактные), полупроводниковые (бесконтактные) и герметичные.
Электромагнитные реле по принципу своего действия не отличаются от контактора и работают следующим образом. При подаче входного электрического сигнала на катушку, когда ток (напряжение) в цепи катушки превысит некоторое значение, называемое током (напряжением) срабатывания реле, создаваемая им электромагнитная сила станет больше противодействующей силы возвратной пружины, якорь реле притянется к сердечнику и траверса, поднявшись, обеспечит замыкание и (или) размыкание контактов.
Промежуточные электромагнитные реле применяются в основном для коммутации электрических цепей и размножения контактов других электрических аппаратов (контакторов, магнитных пускателей, электромагнитов).
Таблица 6.2. Техническая характеристика электромагнитного реле
| Тип | Число контактов |
Номинальное напряжение постоянного тока, В | Номинальное напряжение переменного тока, В | Длительный ток контактов, А |
| ПЭ-23 | 3 р+3з | 12…110 | 12…240 | 4 |
Магнитный пускатель. Представляет собой специализированный аппарат, предназначенный главным образом для пуска, остановки и реверса электрических двигателей. Кроме управления магнитные пускатели обеспечивают с помощью тепловых реле защиту двигателей от токовых перегрузок. Магнитные пускатели различаются по назначению (нереверсивные и реверсивные), наличию или отсутствию тепловых реле и кнопок управления, степени защиты от воздействия окружающей среды, уровням коммутируемых токов, рабочему напряжению главной цепи.
Таблица 6.3. Технические характеристики магнитного пускателя
| ТИП | Номинальный ток при напряжении 380/550 В | Наличие теплового реле |
| ПМЕ-001 | 3/1.5 | Нет |
Командоаппараты конструктивно представляют собой многосекционные кулачковые аппараты для разно- и одновременной коммутации нескольких цепей.
Таблица 6.4. Техническая характеристика командоаппарата
| Тип | Напряже- ние, В |
Ток, А | Особенности устройства и назначения | Выдержка времени |
| КЭП-12у | 110 | до 10-ти | Универсальный электропневматический аппарат. Имеет 12 замыкающихся и размыкающихся автономно работающих контактов с индивидуальной настройкой | От 30 сек до 18 ч |
6.4 Описание автоматизированного процесса
При нажатии на кнопку Sп осуществляется пуск САУ. Контакт 1К1 обеспечивает самопитание промежуточного реле К1. Контакт 2К1 включает в работу все цепи управления. Если тумблер S включен, то питание поступает на двигатель командоаппарата МКЭП. Вал командоаппарата начинает вращаться и последовательно замыкать и размыкать свои контакты 2КЭП – 8КЭП.
Автоматически замыкается контакт 2КЭП. Срабатывает электромагнит YA1. Жидкость поступает в гидроцилиндр. Этот гидроцилиндр перемещает площадку питателя-отсекателя, тем самым подавая ролики в магазин, расположенный на ленточном конвейере. Контакт 2КЭП размыкается, при этом отключается электромагнит YA1. Площадка перемещается в исходное положение, и на нее скатываются ролики, расположенные в накопителе.
При замыкании контакта 3КЭП срабатывает магнитный пускатель КМ1, включая электродвигатель М1. Происходит перемещение ленточного конвейера и магазин с роликами в зону обмывки.
При замыкании контакта 4КЭП срабатывает магнитный пускатель КМ1 электродвигателя М1. В конце перемещения ленточного конвейера контакты конечного выключателя SQ1 в цепи КМ 1 размыкаются. Выключается двигатель М1, одновременно контакт 4КЭП размыкается. Магазин с роликами находится в зоне обмывки.
Двери моечной машины опускаются при замыкании контакта 5КЭП, срабатывает магнитный пускатель КМ2 электродвигателя М3 опускания дверей. В конце перемещения дверей контакты конечного выключателя SQ2 в цепи КМ2 размыкаются. Выключается двигатель М3, одновременно контакт 5КЭП размыкается.
Начинается процесс обмывки после замыкания контакта 6КЭП. Срабатывает магнитный пускатель КМ3, включая электродвигатель насоса М2. После окончания обмывки контакт 6КЭП размыкается и электродвигатель М2 отключается.
Двери моечной машины поднимаются при замыкании контакта 7КЭП, срабатывает магнитный КМ4 электродвигателя М3 подъема дверей. В конце перемещения дверей контакты конечного выключателя SQ3 в цепи КМ4 размыкаются. Двигатель М3 отключается, и одновременно контакт 7КЭП размыкается.
Автоматически замыкается контакт 8КЭП. Срабатывает магнитный пускатель КМ1, включая электродвигатель М1. Происходит перемещение ленточного конвейера и магазина с роликами из зоны обмывки.
При замыкании контакта 4КЭП срабатывает магнитный пускатель КМ1 электродвигателя М1. В конце перемещения ленточного конвейера контакты конечного выключателя SQ4 в цепи КМ 1 размыкаются. Выключается двигатель М1, одновременно контакт 4КЭП размыкается. Магазин с роликами ожидает дальнейшей транспортировки.
Вал командоаппарата сделал оборот. Вновь замыкается автоматически контакт 2КЭП и процесс повторяется.
Заключение
электропривод управление машина звено
В ходе данной курсовой работы были решены задачи по автоматизации обмывки колёсных пар. Для этого проводился анализ данной операции, разработка вариантов механизмов машин. Далее на основе расчетов параметров выбранных механизмов, уровня автоматизации (Kма=72%), средней звенности механизмов (Z=4.5) был выбран наиболее лучший вариант конструктивной схемы машины с применением гидропрвода, после чего был представлен его расчет. Последующие расчеты показали, что цикловая производительность выбранной машины равна 17 шт./час, а фактическая – 16 шт./час. Также был представлен расчет экономической эффективности. Затем был проведен расчет геометрических характеристик несущих элементов машины – расчет нагружения рельсов, расчет рельсов на прочность по результатам, которых сделали вывод: прочность рельсов обеспечена. Одним из наиболее важных этапов был выбор принципа САУ и средств управления: была выбрана централизованная система автоматического управления. Заключительным пунктом данной курсовой работы стало описание автоматизированного процесса на основе разработанной схемы САУ.
Список используемой литературы
1. Асинхронные двигатели серии 4А [Текст]: справочник / А.Э. Кравчик [и др.]. – М.: Энергоиздат, 1982. – 504 с.
2. Болотин, М.М. Автоматизация производственных процессов при изготовлении и ремонте вагонов [Текст]: учебник для вузов ж.-д. транспорта / М.М. Болотин, Л.Л. Осиновский. – М.: Транспорт, 1989
3. Болотин М.М., Новиков В.Е. Системы автоматизации и производства и ремонта вагонов: Учебник для вузов ж. – д. транспорта 2-е издание, переработан и дополнен – М.: Маршрут, 2004. – 310 с.
4. Муха, Т.И. Приводы машин [Текст]: справочник / Т.И. Муха, Б.В. Януш, А.П. Цупиков; под ред. В.В. Длоугого. – Л.: Машиностроение, 1975. – 344 с.
5. Технология производства и ремонта вагонов [Текст]: учебник для вузов ж.-д. транспорта / К.В. Мотовилов, В.С. Лукашик, В.Ф. Криворудченко, А.А. Петров; под ред. К.В. Мотовилова. – М.: Маршрут, 2003. – 382 с.
6. Системы автоматического производства и ремонта вагонов: учеб.-метод. пособие по выполнению курсовой работы для студентов 4 курса очной и 5 курса заочной форм обучения специальности 190302.65 «Вагоны» / Т.В. Иванова, Е.А. Рожкова. – Чита: ЗабИЖТ, 2010. – 68 с.
7. Технология производства и ремонта вагонов [Текст]: учебник для вузов ж.-д. транспорта / К.В. Мотовилов, В.С. Лукашук, В.Ф. Криворудченко, А.А. Петров; под ред. К.В. Мотовилова. – М.: Маршрут, 2003. – 382 с.
Похожие рефераты:
Колёсные пары электровоза ВЛ-80
Основы проектирования и конструирования
Оборудование летательных аппаратов
Автоматизация процесса подготовки шихты
Организация работы роликового участка ВЧД по ремонту четырехосных цистерн
Организация участка по ремонту колесных пар пассажирских вагонов
Разработка электроприводов прессовых машин
Автоматизация производственных систем
Вагонное хозяйство железных дорог
Проектирование восьмиосной цистерны модели 15-1500
Организация работы колесного участка с внедрением очистки колесных пар

– сопротивление движению