| Похожие рефераты | Скачать .docx |
Курсовая работа: Приспособление для сборки-сварки изделия «Задний борт»
Содержание
Введение
1. Технологический раздел
1.1. Анализ технических требований к сварной конструкции
1.2. Характеристика материала и оценка свариваемости
1.3. Обоснование способа сварки и выбор сварочных материалов
1.4. Расчет режимов сварки
1.5. Выбор электротехнического оборудования
1.6. Расчет технологических норм времени на сварочные операции
1.7.Расчет норм расхода вспомогательных материалов
2. Конструкторский раздел
2.1. Расчет и конструирование узла сборочно – сварочного приспособления
2.2. Расчет элементов узла приспособления
2.3. Описание работ спроектированного узла приспособления
3.Организационная часть
3.1. Мероприятия по защите окружающей среды
3.2. Охрана окружающей среды
3.3. Утилизация промышленных отходов
Заключение
Список литературы
Введение
В современном сварочном производстве характерны разнообразие способов дуговой сварки, широкий масштаб их применения в различных отраслях промышленности и привлечение большого числа рабочих.
Трубопроводы, корпуса судов, изделия судового машиностроения изготавливают с применением прогрессивных материалов и способов дуговой сварки. К последним в основном относятся ручная дуговая сварка покрытыми электродами, механизированная сварка сталей под флюсом и в углекислом газе, механизированная сварка в аргоне и в азоте сплавов на основе алюминия, меди, титана.
Успехи в разработке и производстве покрытых электродов обусловили высокую производительность ручной дуговой сварки сталей, не уступающих механизированной сварке под флюсом и в углекислом газе, поэтому этот способ широко применяют в отрасли. При изготовлении стальных корпусов судов сварки под флюсом позволило в основном механизировать выполнение швов в нижнем положении. Однако на корпусах современных судов более половины объема сварочных работ выполняются в положениях, отличных от нижнего. Механизация сварки этой группы швов в значительной мере осуществляется за счет сварки в углекислом газе электродной проволокой диаметром от 0,8 до 1,4 мм.
Механизированная сварка в углекислом газе получила широкое применение при изготовлении стальных судовых трубопроводов диаметром 22 мм и более, приварке к трубопроводам фланцев, штуцеров. При изготовлении трубопроводов из медно-никелевых сплавов применяют механизированную сварку в азоте плавящимся вольфрамовым электродом. На заводах освоена и широко применяется ручная аргонодуговая сварка неплавящимся вольфрамовым электродом и механизированная сварка плавящимся электродом сплавов алюминия и титана.
Внедрение в производство большой номенклатуры конструкционных и сварочных материалов, способов дуговой сварки обусловило необходимость исследования влияния технологии сварки на характер излучения электрической дуги с целью определения его опасности для органов зрения, эффективности выпускаемых промышленных средств защиты глаз и соответствия параметров отечественных светофильтров физиологическим особенностям органов зрения.
Выше перечисленные способы сварки широко применяемые не только в судостроении, но и в других отраслях промышленности, значительно отличающихся друг от друга в связи с чем позволяют более полно исследовать влияние технологии сварки на излучение электрической дуги и определить его интенсивность в различных областях спектра.
На ОАО «НефАЗ» используют различные способы сварки: контактная, точечная, полуавтоматическая, аргонодуговая, в среде СО2 , ручная дуговая и так далее.
Данными способами сварки изготавливают различные конструкции, цистерны, вахтовые автобусы, автобусы, прицепы и так далее. Для изготовления какого-либо сваренного изделия используют приспособления, обеспечивающие надежное закрепление деталей, быструю и точную установку по упорам в заданной последовательности и должно быть удобно в эксплуатации, которые могут быть ручными, механизированными и автоматизированными.
Использование приспособления повысит производительность труда, сократит время производства сварной конструкции, повысит качество сборки–сварки, облегчит труд рабочего.
Целью курсового проекта является спроектировать приспособление для сборки-сварки изделия «Задний борт».
1. Технологический раздел
1.1 Анализ технологических требований к сварной конструкции
Для выполнения курсового проекта предложена сварная конструкция "Задний борт", которая крепится на платформу Камаза. Данная сварная конструкция может эксплуатироваться в различных климатических условиях, подвергается динамическим и вибрационным нагрузкам при ее эксплуатации и статическим нагрузкам от собственного веса.
Данная сварная конструкция "Задний борт" относится к 2 классу ответственности, ОСТ 23.2.429 - 80, к ней предъявляют следующие требования:
1. не допускаются дефекты т.к. из-за них сварная конструкция становится хрупкой.
2. горячие и холодные трещины не допускаются;
3. подрезы основного металла допускаются, если глубина подреза не превышает 10% толщины свариваемых деталей, но не более оного мм;
4. перед привариванием к оси производят наплавку электродами, для того чтобы обеспечить высокую износостойкость.
5. сварная конструкция должна быть рассчитана на статическую и усталостную прочность;
6. жесткости, прочности, пластичности.
7. непровары допускаются в стыковых швах при сварке на весу и невозможности подварки с обратной стороны шва и в угловых швах, если дефектный участок не превышает 20% толщины шва 10 мм. и не более 2 мм при толщине 10 мм;
8. газовые поры не допускаются;
9. не допускается высота наплыва более 30% высоты шва. Общая протяженность наплыва не должна превышать 20% длины шва;
10. прожоги не допускаются.

Рисунок 1 – Изделие “Задний борт ”
Таблица № 1
№ поз. |
Наименование детали | Кол-во, шт. |
| 1 | Панель заднего борта | 1 |
| 2 | Стойка крайняя | 2 |
| 3 | Стойка средняя | 2 |
| 4 | Обвязка | 2 |
| 5 | Петля навески | 4 |
| 6 | Втулка | 2 |
| 7 | Пластина | 2 |
1.2 Характеристика материала и оценка свариваемости
В качестве основного материала для изготовления изделия "Задний борт" применим конструкционную среднеуглеродистую качественную сталь – сталь 35 ГОСТ 1577-93, так как сварочный узел сложной формы. Сталь 35 склонна к образованию трещин, поэтому рекомендуется производить сварку с предварительным и сопутствующим подогревом до 100-250°С.
Таблица № 2 - Химический состав
Хим. Элем. |
C, % | Si, % | Mn, % | Cr, % | S,% | P, % | СU, % | Ni, % | As, % |
| Содерж. | 0,3-040 | 0,17-0,37 | 0,50-0,80 | 0,25 | 0,04 | 0,035 | 0,25 | 0,25 | 0,08 |
Таблица № 3 - Механические свойства
| ГОСТ | Состояние поставки | Сечение | б МПа |
б5 | ψ | НВ не более | |
| % | |||||||
| 1577-93 | Листы оттоженные или высокоопущенные | 80 | не менее | - | |||
| 480 | 22 | - | |||||
| Полосы нормализованные или горячекатаные | 6-25 | 530 | 20 | 45 | - | ||
При работе с этим материалом необходимо произвести оценку свариваемости металла.
Свариваемостью называется способность металла или сочетания металлов образовывать при установленной технологии сварки соединения, отвечающее требованиям, обусловленным конструкции и эксплуатации изделия.
Основным элементом в углеродистых конструкционных сталях является углерод. С увеличением количества углерода в стали повышается ее прочность и твердость, уменьшается пластичность и вязкость. Марганец и кремний повышают прочность и твердость, и способствует закаливанию стали.
По свариваемости стали условно подразделяются на 4 группы:
а) I - хорошосвариваемые, стали с эквивалентным содержанием углерода Сэкв. ≤ 0,25%
б) II - удовлетворительно свариваемые, стали с эквивалентным содержанием Сэкв. ≥ 0,25-0,35%
в) III - ограниченно свариваемые, стали с эквивалентным содержанием Сэкв. ≥ 0,35-0,45%
г) IV -плохо свариваемые, стали с эквивалентным содержанием Сэкв. ≥ 0,45%.
Эквивалентное содержания углерода определяется по формуле:
Сэк. = С + Mn/20 + Ni/15 [2]стр.258 (1)
где, С, Мn, Ni - химические элементы, %.
Определяем эквивалентное содержание углерода для 09Г2С:
Сэ = С +
[2]стр.258 (4)
Принятые числовые значения символов:
С = 0,32 %;
Mn = 0,5 %;
Ni = 0,25 %;
Сг = 0,25 %.
Решение:
Сэ
%.
Сталь 35 относится к 2 группе свариваемости, так как у нее Сэк. <0,35 %, т.е. для получения качественных сварных соединений необходим подогрев, последующая термообработка.
1.3 Обоснование способа сварки и выбор сварочных материалов
Для изготовления сварных конструкций применяют сварку плавлением и давлением. Следовательно, для изделия "Задний борт" приемлема сварка плавлением: ручная дуговая сварка, электрошлаковая сварка, электронно-лучевая сварка, полуавтоматическая сварка в среде защитных газов и под слоем флюса, автоматическая сварка.
Ручная дуговая сварка имеет технологические свойства, обеспечивающие быстрое зажигание устойчивое горение и малую чувствительность к изменению длины дуги в определенных пределах, быстрое зажигание дуги после погашения, нужное проплавление основного металла. Но для сварки данной конструкции не рекомендуется, т.к. в процессе сварки в металле шва образуются большое количество вредных веществ из-за плохой защиты сварочной ванны и большого расхода сварочного материала (огарок и др.).
Полуавтоматическую сварку под слоем флюса учитывая данную конструкцию применять не целесообразно.
Полуавтоматическая сварка в среде защитного газа наиболее применимая для данной конструкции. В качестве защитного газа используем углекислый газ (СО2 ).
Сущность данного способа сварки электрическая дуга и расплавленный металл, защищенный от влияния кислорода и азота зона защитного газа.
Преимущества полуавтоматической сварки в среде углекислого газа:
1. простота процесса сварки;
2. возможность выполнения швов в различных пространственных положениях;
3 механизация процесса за счет автоматической подачи сварочной проволоки в зону расплавления основного металла;
4. небольшой объем шлаков, позволяющей получить швы высокого качества;
5. возможность соединения металлов различных толщин;
6. повышение производительности труда;
Защита сварочной ванны осуществляется углекислым газом, который в нормальных условиях представляет собой бесцветный газ с едва ощутимым запахом. Углекислый газ, предназначенный для сварки должен соответствовать ГОСТ 8050-85. Этот газ дешевле, например, чем гелий, аргон, и другие, обеспечивает хорошую защиту шва. Углекислый газ выпускается двух сортов в зависимости от чистоты.
І сорт- содержание углекислого газа не менее 99,5%
ІІ сорт- содержание углекислого газа не менее 90%.
Наиболее подходящий сорт для сварки данного изделия - І, где СО2 =99%, получается шов хорошего качества и меньше потерь на разбрызгивание.
В качестве защитного газа при сварке изделия «Задний борт» применяем углекислый газ СО2 первого сорта, содержание чистого газа по объему не менее 99,5%.
Сварку в СО2 обычно выполняют на постоянном токе обратной полярности плавящимся электродом. Сварочный ток и диаметр электродной проволоки выбирают в зависимости от толщины свариваемого металла и расположения шва в пространстве. Величина сварочного тока определяет глубину проплавления и производительность процесса сварки.
Одним из важных параметров режима сварки в СО2 является высокая производительность процесса. Требования к качеству сборки и подготовки деталей под сварку в СО2 : сварочная проволока (08-2,5)мм должны соответствовать ГОСТ 14771-76.
При полуавтоматической сварке в среде защитных газов применяются сварочная проволока и защитный газ.
В зависимости от назначения применяется проволока сварочная сплошного сечения и порошковая, наплавочная сплошного сечения. По виду поверхности низкоуглеродистая и легированная проволока подразделяется на неомедненную и омедненную. Проволока может изготавливаться из стали, выплавленной электрошлаковым или вакуумно-дуговым переплавом или вакуумно-индукционных печах.
Проволока сварочная, применяемая при сварке в углекислом газе должна соответствовать ГОСТ 2246-70. Поверхность проволоки должна быть чистой и гладкой, без трещин, расслоений, ржавчины, окалины, масла и других загрязнений, не должна иметь резких перегибов во избежание заедания ее в спирали гибкого шланга держателя.
Рассмотрим характеристики сварочной проволоки Св 08Г2С ГОСТ 2246-70. Ее применяют для изготовления конструкции из низколегированных сталей с повышенными требованиями к металлу шва по ударной вязкости при отрицательной температуре.
Таблица № 4 - Химический состав наплавленного металла
| Хим.элемент | С % | Si % | Mn % | Мо % | S % | P % |
| Содержание | 0,12 | 0,75 | 1,9 | 0,65 | 0,07 | 0,027 |
Таблица № 5 - Механический состав металла шва
| δв | δm | δ5 | ψ | КСU | КСV |
| МПа | % | Дж/см при t°С | |||
| 20 | -20 | ||||
| 943 | 777 | 15,5 | - | 109 | - |
Проволоку Св 08Г2С ГОСТ2246-70 применяют также для сварки конструкции из легированной стали повышенной и высокой прочности с временным сопротивлением разрыву 690-980 МПа, сварка может производиться во всех пространственных положениях.
Рассмотрим также сварочную проволоку Св-12Х13 ГОСТ3456-70. Ее применяют для сварки конструкций из хромистых сталей и наплавке уплотнительных поверхностей стальной арматуры.
Таблица № 6 - Химический состав наплавленного металла
| С | Si | Mn | Mo | Ni | Cr | S | P |
| 0,13 | 0,62 | 0,86 | - | 0,42 | 12,2 | 0,013 | 0,023 |
Таблица № 7 - Механические свойства металла шва
| δв | δm | δ5 | ψ | КСU | КСV |
| МПа | % | Дж/см при t°С | |||
| 20 | -20 | ||||
| 650 | 431 | 20,3 | - | 103 | - |
Из выше предложенных проволок применяем сварочную проволоку Св 08Г2С потому что данная проволока применяется для сварки конструкции из легированной стали повышенной и высокой прочности с временным сопротивлением разрыву 690-980 МПа, сварка может производится во всех пространственных положениях. Также Мn и Si положительно влияют на свойства металла шва - компенсируют дополнительное окисление металла при сварке и образованию пор.
1.4 Расчет режимов сварки
Выбор режима сварки в углекислом газе зависит от толщины свариваемого металла, типа сварного соединения и положения шва в пространстве.
К основным параметрам режима сварки относятся
а) сила сварочного тока (Iсв, А);
б) напряжение на дуге (Uс,В);
в) диаметр электродной проволоки (d эл, мм);
г) расход углекислого газа (q зг, л/мин);
д) вылет электрода (Lэл, мм);
е) скорость сварки (Vс, м/ч);

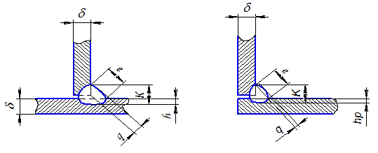
а)- тавровое соединение Т1-∆4; б)- угловое соединение У4-∆4
Рисунок 2. Геометрические параметры сварных швов
Произведем расчет режимов сварки:
Определяем расчетную длину проплавления по формуле:
hp=(0.4÷1.1)K[8], стр. 12(1)
где, К-катет шва, мм.
Принятые числовые значения символов:
К=8мм
Решение:
hp=0.75*8мм=6мм.
Площадь поперечного сечения шва за один проход принимаем:
Fн =51,7 г/см3
Определяем диаметр электронной проволоки по формуле:
dэл=4 √hp ± 0.05hp[8] стр. 12 (2)
Решение:
dэл=4 √6мм ± 0.05* dэл=1,57мм ± 0,3мм=1,6 мм
Принимаем среднее значение диаметра электродной проволоки dэл=1,6 мм.
Производим расчет скорости сварки по формуле:
υсв =Кv (hp1.75 /ℓ3.36 ) [8], стр. 12 (3)
ℓ=К√2 [8], стр. 13 (4)
где Кv - коэффициент, учитывающий скорость сварки;
ℓ-ширина шва, мм.
Принятые числовые значения:
Кv =1120
Решение:
ℓ=8мм*√2=11,3мм;
υсв =1120мм (61.75 мм/11,33.36 мм)=74,6 м/ч.
Принимаем скорость сварки 75м/ч.
Определяем силу сварочного тока по формуле:
Iсв=Ki (hp1.31 /ℓ1.07 ) [8], стр. 13 (5)
где Ki – коэффициент, учитывающий плотность ток
принятые числовые значения
Ki=460
Решение:
Iсв=460*(61.31 мм/11,31,07 )=359А
Принимаем силу сварочного тока 360А
Определяем напряжение сварочной дуги по формуле:
Uсв=14+0,05*Iсв [8], стр. 13 (6)
Решение:
Uсв=14+0,05*360А=32В
Принимаем Uсв=32В
Определяем вылет электродной проволоки по формуле:
ℓэл =10±2*dэл [8], стр. 14 (7)
Решение:
ℓэл=10*1,6мм+2*1,6мм=16мм+3,2мм=19,2мм
ℓэл=10*1,6мм-2*1,6мм=16мм-3,2мм=12,8мм
Определяем скорость подачи электродной проволоки по формуле:
υэл =0,53*Iсв/dэл+6,94*10-4 (Iсв/dэл3 ) [8], стр. 15 (8)
Решение:
υэл =0,53*360А/1,6мм+6,94*10-4 (360А/1,63 мм)=119,3 м/ч
Принимаем υэл =120м/ч
Определяем оптимальный расход защитного газа по формуле:
g3.2 =3,3*10-3 *Iсв 0,75 [8], стр. 15 (9)
Решение:
g3.2 =3,3*10-3 *3600,75 =0,25л/мин.
1.5 Выбор электротехнического оборудования
Большое значение при сварке имеет сварочное оборудование. Которое должно обеспечивать высокое качество сварного соединения.
Для выполнения сварки существуют различные виды источников питания: генераторы, трансформаторы, выпрямители.
Традиционным источником переменного тока является сварочный трансформатор. Источником постоянного тока является выпрямитель, который сконструирован на базе трансформатора и полупроводникового выпрямителя. Широкое распространение получили также инверторные источники тока, которые применяются для сварки как на переменном, так и на постоянном токе.
Требования к виду внешних характеристик определяется такими показателями сварочного процесса, как тип электрода (плавящийся, неплавящийся); характер среды, в которой происходит сварка(открытая дуга, дуга под флюсом, в защитных газах); степень механизации (ручная, механизированная, автоматическая сварка); способ регулирования режима горения дуги (саморегулирование, автоматическое регулирование напряжения дуги).
При механизированной сварке в среде СО2 и при автоматической сварке под флюсом при постоянной скорости подачи электродной проволоки применяют источники питания с жесткими вольтамперными характеристиками (ЖВХ). В этом случае источник питания работает как регулятор рабочего напряжения, которое регулируется в заданных пределах при условии заданной величины силы сварочного тока. Регулирование напряжения при ЖВХ может быть плавным, ступенчатым и смешанным. Величина сварочного тока определяется скоростью подачи электродной проволоки, а источник питания задает напряжение дуге и обеспечивает саморегулирование длины дуги.
Для полуавтоматической сварки в среде защитных газов в качестве источника питания можно предложить такие полуавтоматы, как УСП-180 и ДУГА-315.
Рассмотрим их характеристики и назначение.
Сварочный полуавтомат УСП 180.
Предназначен для сварки низкоуглеродистых сталей в среде углекислого газа автоматически подаваемым плавящимся электродом. Совмещение надежного, мощного источника питания и устройства подачи проволоки в едином корпусе на колесах - преимущество данного полуавтомата.
Таблица № 8
| Названия характеристик | Числовое назначение |
Напряжение питания сети, В Максимальный сварочный ток, А Регулирование сварочного тока Толщина свариваемо металла, мм Скорость подачи сварочной проволоки, м/ч Защитный газ Режим сварки Номинальный режим работы, ПН% Диаметр электродной проволоки, мм Габариты, мм Масса, кг |
380 180 Ступенчатое 1…6 120…960 Углекислота Постоянные, прерывистый 60 0,8…1,2 750х530х670 105 |
Сварочный полуавтомат ДУГА 315 предназначен для сварки конструкций алюминия и его сплавов толщиной 2-14мм, низкоуглеродистых и низколегированных сталей толщиной 0,8-16мм, и нержавеющих сталей 0,8-20мм, с использованием защитных газов аргона, гелия, углекислого газа и др. плавящимся электродом в любым пространственных положениях.
Таблица № 9
| Названия характеристик | Числовое назначение |
Напряжение питания сети, В Максимальный сварочный ток, А Номинальный сварочный ток, А Пределы регулирования сварочного тока, А Габариты, мм Масса, кг |
380 410 315 50…410 750х530х670 130 |
Выбираем полуавтомат ДУГА 315 т.к. подходит по техническим параметрам и режимам сварки.
1.6 Расчет технологических норм времени на сварочные операции
Под технологическими нормами времени понимают продолжительность времени, необходимого для дополнения операции в условиях, для нее предусмотренных.
Для определения нормы времени на сварную конструкцию необходимы исходные данные.
Исходные данные:
Тип шва – Т1, У4
Толщина металла – 10мм.
Диаметр варочной проволоки – 1,6мм.
Длина шва -1,286мм.
Условия работы – стационарное
Масса узла 10кг.
Количество изделий – 1 шт.
Работа – простая
Положения шва – нижнее
Таблица № 10 - Норма времени на тавровые и угловые швы
№ п/п |
Наименование работы и тип производства |
№ карты позиции |
Время, мин. | Значение коэфф. |
1 2 3 4 5 6 |
Установка и снятия изделия Обмазка вручную оклошовной зоны спецраствором Сварка Зачистка оклошовной зоны от брызг Тип производства – серийное Подготовительно – заключительное время |
82,13а 74,1а 6,10д 75,6г - 86,6а |
0,58 0,43 8,5 0,61 - 17,0 |
- - - - 1,2 - |
Штучное время определяется по формуле:
Тшт =(Тнш *L+Тви )К1- n [9], стр. 6 (10)
где Тшт – время, связанное со швом, мин
L– длина шва, м.
Тви – время связанное с изделием, мин.
К – коэффициент, учитывающий условия работы
Принятые числовые значения символов
Тви = 0,58 мин.
L = 1,286 мv.
Тнш =9,54 мин.
К = 1,2
Решение:
Тшт =((8,5+0,43+0,61)*1,286+0,58)*1,2=15,42 мин.
Определяем норму времени на сварку изделия по формуле:
Нвр = Тшт +Тпз /n[9], стр. 6 (11)
где Тпз – подготовительно – заключительное время, мин.
n – количество изделий, шт.
Принятые числовые значения символов:
Тпз =17 мин.
n = 1 шт
Решение:
Нвр = 15,42+17/1=32,42 мин.
1.7 Расчет норм расхода вспомогательных материалов
Техническая норма расхода материалов есть минимальная количество материалов необходимое для изготовлении изделия в соответствии с проектом.
Нормы расхода материалов должны быть прогрессивными, соответствовать современному уровню сварочной техники и технологии. Прогрессивность норм расхода материалов закладывается в стадии проектирования сварочной конструкции. И разработка технологического процесса ее изготовление рациональное конструкторское–технологическими решениями, обеспечивающими минимальную массу на плавленого металла и высокую экономичность методов сварки, пайки, резки, наплавки.
Вспомогательные сварочные материалы обеспечивают протекание процессов сварки, пайки, наплавки, резки, определяя качество получаемых соединений и заготовок.
Вспомогательным сварочным материалом относятся электроды, присадочные материалы, защитные газы, флюсы.
Расчет норм производится по справочникам, директивным материалам, инструкциям на основании чертежей изделия и технологического процесса и его изготовления.
Для различных методов электродуговой сварки норма Нэ (кг) электродов и электродной проволоки определяется произведением удельной норм расхода qэ (кг/м) на длину шва L(м).
Нэ =qэ *ℓ,кг [8], стр. 20 (12)
Удельную норму расходов материалов определяем по формуле:
qэ =Кр *mn [8], стр. 20 (13)
где, Кр – коэффициент расхода, учитывающий потери электродной проволоки;
mn – масса наплавленного металла, кг/м.
Массу наплавленного металла определяем по формуле:
mn = ρFн *10-3 ,кг/м [8], стр. 20 (14)
где ρ – плотность наплавленного металла шва, г/см3 ;
Fн – площадь поперечного сечения, мм2 ;
Принятые числовые значения Кр=1,15.
Расход защитного газа Н2 при сварке в СО2 определяется по формуле:
Н2 = Q2 *ℓ+Qдоп , л [8], стр. 21 (15)
где Q2 – удельная норма расхода газа на 1м шва , л.
ℓ– длина шва, м
Qдоп – дополнительный расход газа на подготовительно – заключительные операции, л.
Удельная норма расхода газа определяем по формуле:
Q2 =q2 *to [8], стр. 21 (16)
где q2 – оптимальный расход газа, л/мин. По ротометру.
to – время сварки одного металла шва, мин.
Дополнительный расход газа определяем по формуле:
Qдоп = tпз *q2 [8], стр. 21 (17)
где tпз – подготовительно заключительное время, мин.
Принятые числовые значения:
tпз = 17,0 мин
q2 = 0,25 л/мин.
Определяем основное время сварки по формуле:
to = Fн *ρ*60/Iсв *αн [8], стр. 22 (18)
где αн – коэффициент наплавки, г/А*ч.
Приняты числовые значения символов:
αн = 8÷12г/А*ч
Fн = 51,7мм2
Iсв = 360А
ρ =7,8г/см3
Решение:
to = 51.7*7.8*60/360*8=8.4мин
Находим удельную норму расхода газа:
Q2 = 7.25*8.4=60.9л
Рассчитываем дополнительный расход газа:
Qдоп = 17,0мин*0,25=4,25л
Рассчитываем расход СО2
Н2 = 60,9*1,286+4,25=82,6 кг
Находим расчетную массу наплавленного металла
mн = 7,8*51,7*10-3 = 0,4кг/м
qэ =1,15*0,4=0,46 кг/м
Нэ =0,46кг/м*1,286м=0,6кг
2. Конструкторский раздел
2.1 Расчет и конструирование узла сборочно-сварочного приспособления
Сварные строительные металлоконструкции изготавливаются на специализированных заводах, строительных и монтажных площадках, производственных площадках, производственных базах монтажных организаций. При серийном и массовом производстве конструкций на специализированных заводах широко применяют комплексно-механизированные и автоматизированные линии, сборочно-сварочные установки и другое типовое и специализированное оборудование.
Монтаж сборочных железобетонных и металлических конструкций предполагает их укрупнение, подъем, временное закрепление, выверку установленных элементов, сварку испытанием. Все это так же требует применение различных сборочно-сварочных приспособлений, специализированного сварочного оборудования, домкратов, постаментов, опор, подвесок и т.д.
Сборочно-сварочными приспособлениями называются дополнительные технологические устройства к оборудованию, используемые для выполнения операций сборки под сварку, сварки, термической резки, пайки, наплавки, устранение или уменьшение деформации напряжений, а так же контроля.
Сборочно-сварочные приспособления бывают ручными, механизированными и автоматизированными. По приводу приспособления делятся на пневматические, гидравлические, ручные, электромеханические и др.
Сборочно-сварочные приспособления классифицируются по нескольким признакам:
- по выполняемым операциям технологического процесса в сварочном производстве - приспособления для разметки, термической резки, сборки под сварку, сварки и для контроля;
- по виду обработки и метода сварки - приспособления для электродуговой сварки, электрошлаковой сварки, контактной сварки, наплавки, пайки и др.;
- по степени специализации- приспособления специальные, универсальные, переналаживаемые, специализированные;
- по уровню механизации и автоматизации - приспособления ручные, механизированные, полуавтоматические и автоматические;
- по виду установки- приспособления стационарные, передвижные, переносные;
- по необходимости и возможности поворота - поворотные и неповоротные;
- по источникам энергии привода вращения, перемещения, зажатия детали-приспособления пневматические, гидравлические, электромеханические и др.
Применение сборочно-сварочных приспособлений позволяет уменьшить трудоемкость работы, повысить производительность труда, сократить длительность производительного цикла, улучшить условия труда, повысить качество продукции, расширить технологические возможности сварочного оборудования, способствует повышению комплексной механизации и автоматизации производства.
К конструкциям сборочно-сварочных приспособлений предъявляется целый ряд требований:
- удобство в эксплуатации;
- обеспечение заданной последовательности сборки и наложения швов в соответствии с разработанным технологическим процессом;
- обеспечение заданного качества сварного изделия;
- обеспечение сборки всей конструкции с одной установки, наименьшего числа поворотов при сборке и прихватке, свободного съема собранного изделия;
- технологичность детали и узлов приспособления, а также применения приспособления в целом;
- использование механизмов для загрузки, подачи и установки деталей, снятия, выталкивания и выброски собранного изделия.
Приспособление должно быть ремонтоспособным, безопасным в эксплуатации, иметь достаточно высокий срок службы, для этого следует предусмотреть возможность замены быстро изнашиваемых деталей и восстановления требуемой точности приспособления.
Базирование называют определение положения деталей в изделии относительно друг друга или изделия относительно приспособления, рабочего инструмента, технологичности сварочного оборудования.
Установочной базой следует считать каждую поверхность детали, которой она соприкасается с установочными поверхностями приспособления.
Любое твердое тело имеет 6 степеней свободы: перемещение в направлении трех координатных осей xyz и вращения относительно этих же осей wx, wy, wz. Для базирования любой детали требуется выполнять правило 6 точек: чтобы предать детали в полнее определенное положение в приспособлении, необходимо и достаточно иметь 6 точек опоры, лишающих деталь всех 6 степеней свободы.
Силой замыкания с помощью прижимов предусматривают для предупреждения смещения деталей в результате температурного расширения металла от случайных нагрузок и от собственной массы.
При установки деталь не допустимо использовать более 6 опорных точек. Лишние опорные точки препятствуют правильной установки детали, при закреплении ее, положение нарушается.
Поверхность детали с тремя опорными точками называются главной базирующей; боковая поверхность - направляющей; торцевая поверхность с одной точкой - упорной.
В качестве главной базирующей поверхности желательно выбирать, имеющую наибольшие габаритные размеры, а в качестве направляющей- поверхности наибольшей протяженности.
Выполняем базирование детали исходя из выше указанных требований к приспособлениям.
В сборочно-сварочном приспособлении чаще всего применяется прижимы с механическим, пневматическим, гидравлическим, магнитным или электромеханическим приводом.
По степени механизации зажимы делят на:
- ручные - работающие от мускульной силы рабочего;
- механизированные – работающие от силового привода, управляемого вручную;
- автоматизированные – осуществляющие зажим и закрепление деталей и узлов без участия рабочего.
Различные конструкции зажимов имеют разное время срабатывания и закрепления (открепления) деталей.
Закрепляемые детали должны находиться в равновесии под действием всех сил зажима, а также сил, возникающих в процессе сварки, и реакции опор.
Для удовлетворения вышеописанных требований мною было спроектировано приспособление, фиксирующее сборочные детали в единый узел и фиксирующее их от перемещений при сборке сварке изделия «Задний борт» механическими упорами и опарами.
Использование специальной сборочно-сварочной оснастки позволяет повысить производительность труда, обеспечить точность сборки-сварки и улучшить качество изготавливаемого узла. В данном проекте для изготовления изделия «Задний борт» применяется специализированная оснастка, целью, которой является обеспечение правильного расположения деталей собираемого узла. Приспособление представляет жесткий каркас в виде поперечин коробчатого сечения, на которых расположены упоры, фиксаторы и прижимы. При сборке детали устанавливают в приспособлении вручную и поочередно, зафиксировав их ручными прижимами, которые обеспечивают необходимую точность данной конструкции.
В нашем конкретном случае применение пневмоприжимов не целесообразно, ввиду не большой производственной программы.
Данное приспособление очень компактно, удобно в эксплуатации, удобно, и легко переналаживаемое.
Исходя из вышеперечисленных требований, произведем базирование изделия «Задний борт» с учетом опорных и фиксирующих элементов приспособления.


Рисунок 3 – Базирование изделия «Задний борт»
2.2 Расчет элементов узла приспособления
Зажимные механизмы предназначаются для закрепления установленных в приспособлении, детали, заготовок, сборочных единиц и должны отвечать ряду требований.
1. Зажимное усилие должно прилагаться в выбранной точке и иметь направление, указанное в схеме закрепления. Как правило, зажимы располагаются над опорами или в близи них. Они не должны создавать опрокидывающего момента.
2. Зажимные механизмы должны развивать заданное расчетное усилие для надежного закрепления детали.
3. Расчет элементов зажимов должен производиться по заранее выбранному или рассчитанному усилию, развиваемому зажимом, а не на оборот.
4. Зажимы не должны нарушать заданное положение детали, портить их поверхности и вызывать деформирование.
5. Прижимы должны быть быстродействующими.
6. Зажимные механизмы должны быть удобными и безопасными в работе.
Для сборки сварки изделия «Задний борт» применяются ручные рычажные прижимы. Для увеличения усилий в 3-7 раз применяются простые шарнирно-рычажные прижимы.
Ручной прижим действует за счет перехода рычагов через мертвую точку (четырехшарнирная схема).
Прижим состоит из стойки 1, на которой шарнирно закреплены рукоятка 3-на оси 2 и рычаг 7 на оси 6. Рукоятка и рычаг связаны между собой планками 4, сидящими на осях 5 и 11. На конце рычага 7 закреплен нажимной винт 8, длина которого регулируется гайками 9.
При движении рукоятка влево планки 4 нажимают на рычаг 7 и винт 8 закрепляет детали. При обратном движении рукоятки рычаг, поворачиваясь вокруг оси 6, отводит винт и освобождает детали.
В закрепленном состоянии продольная ось рукоятки должна перейти в вертикальное положение. Надежное закрепление детали обеспечивается расположением рукоятки 3 под небольшим углом к планке 4. дальнейший ход рукоятки ограничивается стопором 10.

Рисунок 4. Ручной прижим
С помощью рычага изменяют величину и направление передаваемой силы, осуществляют одновременное и равномерное закрепление заготовки.

Рисунок 5. Схема действия сил
Из силового многоугольника приближенно: ![]()
[2] стр. 34 (18)
при l 1 < l 2 S ≈0,96 N +0,4 Q ;
Плечоl 1 = 150 мм
Плечоl 2 = 200 мм
Сила зажимаQ = 5 кН
Подставляя значение S в уравнение равновесия, получим из вышеуказанного условия:
[2] стр. 34 (19)
Радиус круга трения
. Значение
можно брать 0,18-0,20.
Радиус круга
= 25 мм
.
Из полученных зависимостей видно, что для уменьшения потерь на трение нужно уменьшить радиус оси и плеча ![]()
*мм
![]()
2.3 Описание работы спроектированного узла приспособления
Сборка-сварка изделия выполняется по технологическому процессу в следующей последовательности;
1. Установить в приспособление по упорам основание.
2. Установить на основание по упорам: опору; щеку – 2 шт., зажать ручными прижимами и прихватить.
3. Установить по разметке согласно эскиза на основание косынки-4шт. Прихватить в 2 местах каждую косынку.
4. Освободить узел от прижимов и произвести доварку сварочного узла.
5. Снять сварочный узел с приспособления, развернуть на 180º и установить на цеховую подставку.
6. Произвести обварку узла.
3. Организационная часть
3.1 Мероприятия по защите окружающей среды
Наиболее эффективной формой защиты природной среды от выбросов промышленных предприятий является разработка и внедрение безотходных и малоотходных технологических процессов во всех отраслях промышленности.
Безотходная технология – это активная форма защиты окружающей среды от вредного воздействия, которая представляет собой комплекс мероприятий технологических процессов от обработки сырья до использования готовой продукции, в результате чего сокращается до минимума количества вредных выбросов.
К пассивным методам защиты относят устройства и системы окружающей среды, которые применяют для очистки вентиляционных и технологических выбросов от вредных примесей; рассеяния их в атмосфере; очистки сточных вод; глушения шума уменьшения уровней инфразвука, ультразвука и вибраций на путях их распространения; экранирование источников энергетического загрязнения окружающей среды; захоронения, ликвидации и обезвреживания токсичных и радиоактивных отходов.
Можно выделить два основных направления по обеспечению чистоты атмосферы от загрязнений «сокращение количества выброса вредных веществ и их обезвреживания».
Широко применяют газо, пыли – и туманно-улавливающие аппараты и системы.
Загрязнения, поступающие в окружающую среду могут быть, естественного и антропогенного происхождения. К естественным источникам относятся пыльные бури, вулканические извержения, космическая пыль, лесные пожары, и др. к источникам антропогенного воздействия на окружающую среду относятся выбросы промышленных предприятий, транспортно-энергетических систем и др.
Предлагается на данном производстве использовать несколько мероприятий для уменьшения негативного воздействия работы предприятия на окружающую среду:
1. общецеховая система вытяжки с встроенными в нее фильтрами и обратной подачей в цех свежего воздуха;
2. вытяжка с места сварки, которая осуществляется при помощи руководствующихся непосредственно на расстоянии 30-50 см от места горения дуги. Эти рукава почти полностью поглощают отходы горения сварочной дуги;
3. надежная система утилизации и переработки промышленных отходов во избежание почвы тяжелыми металлами и их оксидами;
4. высаживание зеленых насаждений;
5. для уменьшения шума применяют экраны, кожухи и глушители.
Важная роль в деле охраны окружающей среды отводятся организационным мероприятиям и архитектурно – планировочным решением: выведение промышленных предприятий из крупных городов и сооружений новых в малонаселенных районах с малопригодными для сельского хозяйства; рациональная планировка городской застройки; установление санитарно-защитных зон вокруг предприятий.
3.2 Охрана окружающей среды
Промышленные отходы по существу является продуктами незавершенного производства, поскольку они в большинстве случаев представляют собой недоиспользованное сырье. С экономической точки зрения оправдано комплексное размещение различных производств с целью использования отходов одной промышленности в качестве сырья для другой.
Т.к. сварочных и лакокрасочных цехах сточные воды имеют в своем составе кислоты, масло продукты, механические примеси и т.д. В состав сточных вод входят бытовые стойки, атмосферные, сточные воды, образующиеся в результате смыло загрязнений, имеющихся на территории предприятия. Для предотвращения попадания загрязненных сточных вод в окружающую среду на предприятиях вводят многоступенчатую очистку воды и многогранное ее использование.
В процессе производства образуются твердые промышленные отходы в виде лома, стружки, шлаков, окалины, залы, пыли и мусора. Чтобы эти отходы не попадали в почву и атмосферу их подвергают переработке и используют вторично.
Важное значение практический во всех отраслях промышленности имеют решения проблемы улучшения качественных характеристик потребляемых материальных ресурсов, их комплексной переработке, т.к. снижение уровни материальных издержек в целом по промышленности на 1 % приводит к снижению общих издержек производства больше, чем на 0,7 %. Все это свидетельствует об определяющем воздействие материальных издержек на уровень себестоимости продукции.
Один из наиболее важных путей рационального использования материальных ресурсов является их комплексная переработка. При этом исключительное место отводится вопросом сбора, хранение и переработки производственных отходов, содержащих определенное количество как полезных, так и вредных для окружающей среды веществ.
Отходами производства считается остатки сырья материалов, полуфабрикатов, образовавшихся при производстве продукции или выполнение работ и утратившие свои потребительские свойства.
3.3 Утилизация промышленных отходов
Отходами производства являются остатки сырья, материалов, химических соединений, образование при производстве продукции или выполнении работ и утрачивании полностью или частично исходные потребительские свойства.
Отходы производства и потребления являются вторичными материальными ресурсами, которые в настоящее время могут вторично использоваться в народном хозяйстве.
Охрана природы, водных ресурсов, а так же для утилизации содержащихся отходов ценных веществ и компонентов в мировой практике ведутся разработка и широкое внедрение различных технологий механизированного обезвреживания и переработке отходов. Выбор метода обезвреживания и переработки отходов для конкретного города определяется необходимостью, в первую очередь, оптимального решения, проблем охраны природной среды и здоровья населения с учетом экономической эффективности, рационального использования земельных ресурсов.
Наиболее большое распространение получили складирование на полигоне, сжигание, переплавка, биотермическое компостирование.
Утилизация отходов на предприятии ОАО «Нефаз».
Цех по утилизации и переработки промышленных отходов можно назвать главным санитаром завода, т.к. здесь с помощью уникальных биохимических очистных сооружений очищают все промышленные стоки предприятий. Очищенные стоки возвращают в систему водоснабжения предприятия.
Комплекс применяемых методов включают биохимическую обработку сточных вод, сульфатвосстанавливающих бактерий, озонирование, отстаивание сточных вод в тонкослойных отстойниках, фильтрование осветленных вод через фильтры, термическую обработку отработанных растворов смазочно-охлаждающих жидкостей. В сутки установка может очистить 2400 м3 и главное ее преимущество – качество и низкая себестоимость возвратной воды, а также минимальное количество осадков.
Заключение
В ходе проектирования курсового проекта были рассмотрены вопросы по проектированию приспособления для сборки-сварки изделия «Задний борт», внедрение которого позволило бы повысить качество сборки изделия и облегчило условия работы сварщика, уменьшило трудоемкость сборки-сварки изделия.
Рассмотрен вопрос описания изделия, а так же условия его эксплуатации и применения.
Освещен вопрос понятия характеристики основного материала и оценка свариваемости стали, а также влияние компонентов на свойства материала.
В процессе работы были выбраны сварочные материалы:
1. сварочная проволока;
2. сварочный газ для защиты сварного шва.
Приведены расчеты режимов сварки.
В качестве электротехнического оборудования, был выбран сварочный полуавтомат ДУГА - 315, для обеспечения процесса сварки низколегированной конструкционной стали, из которой изготавливается предложенное в данном проекте изделие.
При проектировании оснастки произведен расчет ручного прижима.
Разработан технологический процесс изготовления узла.
Список литературы
1. Думов С.И. – «Технология электрической сварки плавлением » - М : Машиностроение, 1987г.
2. Козьяков А.Ф, Морозова Л.Л «Охрана труда в машиностроении» - М : Машиностроение, 1990г.
3. Куркин А.С «Сварочные конструкции» - М: Машиностроение, 1991г.
4. Китаев А.М «Сварочная книга сварщика » - М: Машиностроение, 1985г.
5. Рыморов К.С «механизация и автоматизация сварочного производства» - М: Машиностроение, 1990г.
6. Методическое пособие по курсовому проектированию, НМТ,2003
7. Нормативы на полуавтоматическую сварку в среде защитных газов – Москва, Экономика, 1989г.
Похожие рефераты:
Организационно-технологическое проектирование сборочно-сварочного цеха
Организационно-технологическое проектирование сборочно-сварочного цеха
приспособление для сборки–сварки изделия "Вал запора заднего борта"
Общая характеристика предприятия "Альянс-Моторс". Техническая эксплуатация автомобилей
Технология обработки конструкционных материалов
История и развитие сварочного производства
Давно ли люди гибнут за металл и как именно закалялась сталь
Резервуар объемом 50000 м3 для нефти в г. Новороссийске
Процесс сварки вольфрамовым электродом в аргоне с присадочной проволокой титанового сплава ОТ4
Основы теории и технологии контактной точечной сварки
Возникновение и развитие сварки
Строительство резервуарного парка нефтеперерабатывающего завода
Товароведная характеристика цветных металлов и изделий из них