| Похожие рефераты | Скачать .docx |
Реферат: Резьбовые соединения
Введение
Любая машина или механизм состоят из деталей, соединенных в сборочные единицы.
Деталь – это изделие, изготовленное из однородного по наименованию и марке материала без применения сборочных операций . Например, болт, шестерня, вал, литой корпус и т.д.
Сборочная единица (узел) – изделие, детали которого подлежат соединению между собой сборочными операциями на предприятии-изготовителе . Например, подшипник, сварной корпус, редуктор, автомобиль, станок, корабль, авторучка и т.д.
Две или более сборочные единицы, не соединенные на предприятии-изготовителе сборочными операциями, но предназначенные для выполнения взаимосвязанных функций , называются комплексом . Например, станочная линия, автоматизированный склад, ракетный пусковой комплекс и т.д.
Среди большого разнообразия деталей и узлов есть такие, которые используют почти во всех (или во многих) машинах: крепеж, валы, подшипники, редукторы, муфты и т.д. Такие детали (узлы) называют деталями машин общего назначения . Их изучением, расчетом и конструированием занимаются в курсе «Детали машин и основы конструирования» . Другие детали (узлы) встречаются только в определенных типах машин. Например, колеса, гусеницы, коленчатые валы, суппорты, крюки, штампы и т.д. Они называются деталями специального назначения и изучаются в спецкурсах.
1. Расчет деталей машин
1.1 Ряды предпочтительных чисел
Стандарт (ГОСТ) – это технический закон , соблюдение которого является безоговорочным и обязательным.
Одной из основ стандартизации являются ряды предпочтительных чисел , получившие широчайшее применение в машиностроении для размеров, передаточных чисел, нагрузок, мощностей, скоростей и других параметров.
По ГОСТ 8032–84 принято пять рядов чисел геометрической прогрессии (наиболее экономически выгодной) со знаменателем j = 101/ n , которые обозначают буквой R (по имени автора, Шарля Ренара, 1879 г.) и цифрой показателя n :
| n |
5 |
10 |
20 |
40 |
80 |
| φ |
1,6 |
1,25 |
1,12 |
1,06 |
1,03 |
| ряд |
R 5 |
R 10 |
R 20 |
R 40 |
R 80 |
Наиболее распространенным является «средний» ряд чисел R 20:
| 1 |
1,12 |
1,25 |
1,4 |
1,6 |
1,8 |
| 2 |
2,24 |
2,5 |
2,8 |
3,15 |
3,55 |
| 4 |
4,5 |
5 |
5,6 |
6,3 |
7,1 |
| 8 |
9 |
10. |
Предпочтительные числа других порядков можно получить переносом запятой в любую сторону, т.е. умножением на 10, 102 … 10–2 , 10–1 и т.д.
На основе рядов предпочтительных чисел построены стандарты конкретных объектов. Например, по ГОСТ 6636–69 ряды нормальных линейных размеров обозначают Ra (Ra 10, Ra 20 и т.д.).
Зная числа рядов, можно иметь «в голове» параметры многих стандартов.
1.2 Основные критерии работоспособности деталей машин
Критерий – это «мерило значения чего-либо», граница допустимости решения, ограничение целевой функции.
Важнейшими критериями работоспособности деталей машин являются прочность , жесткость , износостойкость , теплостойкость , вибрационная устойчивость .
При конструировании работоспособность деталей обеспечивают выбором материала и расчетом размеров по основному критерию. Выбор критерия обусловлен характером воздействия нагрузки, среды и вызываемым видом отказа.
В настоящее время самым распространенным критерием работоспособности является прочность.
Прочность – это способность детали сопротивляться разрушению или потере формы под действием приложенных к детали нагрузок. Этому критерию должны удовлетворять все детали и узлы .
На основании принципа независимости действия сил любое сложное напряженное состояние можно разложить на простые виды: растяжение , сжатие , изгиб , сдвиг (кручение), срез – это внутренние напряжения в сечениях деталей.
На поверхности соприкосновения (контакта) двух деталей под нагрузкой возникают поверхностные напряжения . Если размеры площадок контакта одного порядка с другими размерами деталей, то говорят о напряжениях смятия sсм . Если хотя бы один из размеров площадки контакта существенно мал по сравнению с другими размерами, то возникают контактные напряжения .
Исследованием контактных напряжений занимался Генрих Герц (Hertz ). В его честь эти напряжения обозначают с индексом «Н »: sН , τН .
В «Теории упругости» различают две контактные задачи :
а) с первоначальным (до приложения нагрузки) контактом по линии ,
|
Вследствие упругих деформаций под действием сжимающей нагрузки w = F / l линия контакта переходит в узкую полоску шириной 2а (2а << r), на которой возникают контактные напряжения sН , изменяющиеся по эллиптическому закону.
Формула Герца для первоначального контакта по линии :
sН = ZE (w / rпр )1/2 £ [sH ], (1.1)
где w = F / l – удельная (на 1 мм длины линии контакта) линейная нагрузка, Н/мм; ZE – коэффициент влияния механических свойств материалов деталей;
1/ rпр = 1/r1 ± 1/r2 – приведенная кривизна поверхностей контакта: r1 и r2 – радиусы кривизны. Знак плюс – контакт двух выпуклых тел (рис. 1.1), знак минус – контакт выпуклого r1 и вогнутого r2 тел .
|
Рис. 1.1 Рис. 1.2
б) с первоначальным контактом в точке , например, сжатие шара на плоскости (рис. 1.2).
Числовые значения sН намного превышают другие виды напряжений и даже пределы текучести sТ и прочности sВ . Например, в подшипниках качения sН max = = 4200 МПа, а sТ = 1700 МПа и sВ = 1900 МПа у стали ШХ15 для них.
Кроме sН , в зоне контакта возникают также касательные напряжения
tН max = 0,3sН max в точке, отстоящей от поверхности контакта на глубину 0,78а .
Отсутствие мгновенного разрушения объясняется тем, что в зоне действия sН и tН материал находится в условиях всестороннего объемного сжатия .
Рассчитав величины отдельных составляющих напряжений, по принципу суперпозиции (наложения) с учетом векторного характера, можно определить суммарное или эквивалентное напряжение sЕ . Например, для совместных напряжений изгиба s и кручения t: sЕ = (s2 + 3t2 ) 1/2 £ [s].
По критерию [s] делают оценку прочности изделия.
Виды прочностных расчетов
|
Проверочный расчет – при заданных нагрузках, размерах и форме детали определяют фактические значения напряжений или коэффициентов безопасности. Это основной и окончательный вид расчета , дающий оценку прочности.
1.3 Расчет на сопротивление усталости при переменных напряжениях
1.3.1 Переменные напряжения
Нагрузка – это общее понятие силы, момента силы, давления. Нагрузки делят на статические и динамические.
Статическая нагрузка – постоянная или мало изменяющаяся во времени, которая не вызывает колебаний системы и приводит к постоянным напряжениям .
Динамическая нагрузка изменяется во времени, вызывает появление колебаний и переменных напряжений .
Переменные напряжения могут возникать и при постоянной нагрузке , если рассматриваемая фиксированная точка (сечение) тела изменяет свое положение во времени относительно неподвижной нагрузки, т.е. в движущихся деталях.
Переменные напряжения характеризуются циклами изменения напряжений.
Характеристика цикла (рис. 1.3)
1. Принят синусоидальный закон колебаний (рис. 1.3, а ).
2. Время одного цикла называют периодом Т . Если задан ресурс L , то общее число циклов N = L / T .
3. Наибольшее smax и наименьшее smin напряжения – величины алгебраические (со знаками).
4. Коэффициент асимметрии цикла R = smin / smax .
5. Среднее напряжение sm = (smax + smin ) / 2 = 0,5 (1 + R ) smax – постоянная составляющая цикла.
6. Амплитуда sа = (smax – smin ) / 2 = 0,5 (1 – R ) smax – переменная часть цикла, наиболее опасная для прочности, показывающая размах колебаний относительно среднего постоянного уровня.
Если |smax | ¹ |smin |, то цикл называют асимметричным .
Если smin = 0, то R = 0, sm = sа = 0,5smax – цикл отнулевой (рис. 1.3, б ).
Если |smax | = |smin | и smax > 0, а smin < 0 (рис. 1.3, в ), то R = –1, sm = 0, sа = smax – цикл симметричный , самый опасный для прочности (sа = smax ).
Если R = +1, то smax = smin . По величине и по знаку – это постоянные напряжения .
Примечание. Все, что касается в этом разделе нормальных напряжений s, относится
и к касательным напряжениям t с заменой в формулах символа s на t.
Во всех реальных деталях имеются микротрещины, включения, несплошности, нарушения структуры, т.е. дефекты . При переменных напряжениях микротрещины (и другие дефекты), развиваясь (с наработкой числа циклов), приводят к усталостной трещине , которая проникает в глубь сечения и вызывает усталостное разрушение детали. Процесс накопления повреждений называют у сталостью . Усталостное разрушение происходит при меньших напряжениях, чем sВ или sТ .
1.3.2 Пределы выносливости
Циклическая долговечность материалов при переменных напряжениях характеризуется кривыми усталости (кривыми Велера). Кривые усталости (рис. 1.4) получают экспериментально на стандартных образцах, задавая им различные величины напряжений smax и фиксируя число циклов N , при которых происходит разрушение образцов.
Уравнение кривой усталости: si q Ni = C ,
где С – постоянная, соответствующая условиям проведения эксперимента.
Пределом выносливости материала называют максимальное напряжение, которое может выдержать образец материала при наработке заданного числа циклов.
Как показывает опыт, кривые усталости имеют два характерных участка : левый наклонный и правый горизонтальный (рис. 1.4). Абсциссу точки перелома N lim (NG ) кривой усталости называют базовым числом циклов , а соответствующий ему предел выносливости – пределом длительной выносливости (или базовым) slimb (sR ). Например, для образцов черных металлов N lim = 107 , для цветных сплавов N lim = (5…10) 107 .
|
Рис. 1.4
При N < N lim имеет место предел ограниченной выносливости slim (sRN ).
Как видно из рис. 1.4, чем выше напряжение s, тем раньше начнется усталостное разрушение.
Связь между пределами выносливости по уравнению Велера:
slim q N = slimb q N lim , откуда slim = slimb KL ,
где KL = (N lim / N )1/ q называют коэффициентом долговечности.
При N ³ N lim принимают KL = 1.
Показатель степени q зависит от материала, термообработки, вида напряжений, влияния условий эксперимента и т.д. Он колеблется от 4 до 20, и его значения рекомендуются в каждом конкретном случае расчета детали (узла).
Пределы выносливости материалов (кривые усталости) определяют на стандартных испытательных образцах . Образец – это гладкий цилиндрический стержень малого диаметра (например, 10 мм) со свободной полированной поверхностью без упрочнения и термообработки. Нет нужды доказывать, что реальные детали отличаются от образцов формой, наличием на поверхностях посадок и других концентраторов напряжений (резьба, пазы, шлицы, галтели и др.), размерами, термообработкой, шероховатостью. Все эти отличия влияют на прочность и обязательно должны учитываться при расчетах.
В общем случае предел выносливости детали при асимметричном цикле нагружения:
slimD = 2s-1 / [(1 – R ) K s D / KL s + ys D (1 + R )], (1.2)
(tlimD – то же с заменой символов s на t),
где s-1 – предел длительной выносливости образца при симметричном цикле нагружения, МПа; R – коэффициент асимметрии цикла; K s D = (K s /Kd s +1/KF s – – 1) / KV – коэффициент снижения предела выносливости при переходе от образца к реальной детали. Здесь K s – эффективный коэффициент концентрации напряжений; Kd s – коэффициент влияния размеров детали; KF s – коэффициент влияния качества (шероховатости) поверхности; KV – коэффициент влияния поверхностного упрочнения (термообработки); ys D – коэффициент влияния асимметрии цикла напряжений; KL s = (N limD / NE )1/ q – коэффициент долговечности детали (узла). Здесь N limD – базовое число циклов детали ; N Е – эквивалентное число циклов изменения напряжений:
NE = S [(si / smax )q Ni ], (1.3)
где smax – напряжение от длительно действующей максимальной нагрузки переменного режима; si и Ni – постоянное напряжение и соответствующее ему число циклов i -го постоянного блока циклограммы нагружения.
Коэффициенты в формуле (1.2) выбираются по справочникам.
1.4 Коэффициенты безопасности
Коэффициенты безопасности определяют по напряжениям s и t:
S s = sпред / smax ³ [S s ]; S t = tпред / tmax ³ [S t ],
где при постоянных напряжениях предельными sпред (tпред ) являются предел текучести sТ (tТ ) – для пластичных материалов и временное сопротивление sВ (tВ ) – для хрупких материалов; при переменных напряжениях предельными являются пределы выносливости деталей slimD , tlimD .
При совместном действии напряжений s и t находят общий коэффициент безопасности: S = S s S t / (S s 2 + S t 2 )1/2 ³ [S ], где при постоянных напряжениях [S Т ] = 1,3…2 – по пределу текучести sТ ; [S В ] = 2…2,4 – по пределу прочности sВ ; при переменных напряжениях [S ] = 1,5…2,5 – для пластичных и [S ] =
= 2,5…4 – для хрупких материалов.
2. Резьбовые соединения
2.1 Основные виды крепежных изделий
Резьба – это образование на поверхности детали выступов и впадин, идущих по винтовой линии. Резьбовое соединение имеет две детали: с наружной резьбой (винт) и с внутренней резьбой (гайка). Все резьбы стандартизованы .
Для соединения деталей применяют болты (винт с гайкой, рис. 2.1, а ), винты (рис. 2.1, б ) – вместо гайки резьба в одной из скрепляемых деталей и шпильки (рис. 2.1, в ) – стержень с двумя нарезанными концами (синтез болта с гайкой и винта: ввинчивание по плотной посадке в деталь).
Соединения винтами – самые прогрессирующие, особенно при отсутствии в узлах мест под гайки и при высоких требованиях к их массе и внешнему виду.
![]() |
На рис. 2.1 указаны: d – номинальный (наружный) диаметр резьбы; l – длина болта, винта, шпильки; l 0 – длина нарезанной части стержня под гайку; l 1 – глубина завинчивания; l 3 – выход стержня за гайку; = 6P – недорез резьбы; х = (2…2,5) Р – сбег резьбы; Н – высота гайки; Н 1 , Н 2 – толщины деталей; s – толщина шайбы; dh – диаметр отверстия в деталях под стержень винта; Р – шаг резьбы.
По характеристикам статической прочности крепежные детали разделяют на классы прочности и группы .
Для стальных болтов, винтов и шпилек по ГОСТ 1759.4–87 предусмотрено 11 классов прочности : 3.6; 4.6; 4.8; 5.6; 5.8; 6.6; 6.8; 8.8; 9.8; 10.9; 12.9 (цифры условно обозначим a .b ). Первое число а , умноженное на 100, представляет собой номинальное значение временного сопротивления sВ , МПа, материала резьбовой детали. Произведение a ×b ×10 – номинальное значение предела текучести sТ , МПа. Второе число – b ×10 = sТ / sВ % – степень пластичности материала. Например, болт класса прочности 6.8: sВ = 6×100 = 600 МПа; sТ = 6×8×10 = 480 МПа; sТ / sВ = 8×10 = 80%.
Для стальных гаек с высотой, равной или более 0,8d , по ГОСТ 1759.5–87 установлены 7 классов прочности : 4, 5, 6, 8, 9, 10, 12. Число, умноженное на 100, показывает напряжение от испытательной (пробной) силы, МПа.
Существует правило, что разрыв в соединении должен быть по резьбе стержня болта . Отсюда число класса прочности гайки показывает наибольший класс прочности болта (первую цифру), с которым данная гайка может использоваться в соединении. Например, гайка класса прочности 5 может применяться с болтом класса прочности не выше 5.8.
Крепежные изделия в зависимости от условий эксплуатации могут быть изготовлены с защитным покрытием или без покрытия . Обозначение покрытий от 00 до 13 . Например, 00 – без покрытия; 01 – цинковое с хроматированием; 02 – кадмиевое с хроматированием; 05 – окисное; 12 – серебряное; 13 – никелевое.
2.2 Краткие сведения из теории резьбовой пары
1. Момент завинчивания и осевая сила на винте
Подавляющее большинство резьбовых соединений с предварительной затяжкой. Затяжка создается при сборке с целью, чтобы после приложения рабочей нагрузки не происходило раскрытия стыка или сдвига соединяемых деталей.
При завинчивании гайки (или винта с головкой) необходимо приложить момент завинчивания Т зав (рис. 2.2) для преодоления момента Т Р сопротивления в резьбе и момента Т Т сопротивления на торце гайки:
Т зав = Т Р + Т Т , (2.1)
где T P = Ft d 2 / 2 = 0,5 F зат d 2 tg(y + j1 ); (2.2)
Т Т = 0,5 F зат f T d ср, (2.3)
В формулах (2.2) и (2.3): Ft – окружная (в плоскости, перпендикулярной к оси соединения) движущая сила; F зат – осевая сила затяжки; d 2 – средний диаметр резьбы; y – угол подъема резьбы; j1 – приведенный (с учетом влияния угла профиля α) угол трения в резьбе: j1 = j / cos(a/2), φ – угол трения материалов пары винт – гайка; f T – коэффициент трения материалов пары гайка – деталь; d ср – средний диаметр кольца (рис. 2.2): d ср = 0,5 (D + dh ).
Угол подъема резьбы y определяют по среднему диаметру d 2 (рис. 2.3):
tgy = Ph / pd 2 = nP / pd 2 ,
где nP = Ph – ход резьбы, n – число заходов.
Подставляя в формулу (2.1) значения моментов Т Р и Т Т , получим
Т зав = 0,5 F зат d 2 [tg(y + j1 ) + f T d ср / d 2 ]. (2.4)
Все резьбы геометрически подобны. В среднем для метрической резьбы:
y = 20 30¢; d 2 » 0,9d ; d ср » 1,4d ; j1 = j / cos300 » 1,15j » 1,15 arctgf . Тогда при f = f T = 0,15 (резьба и торец гайки без смазки) Т зав » 0,2F зат d . С другой стороны, принимая в среднем длину гаечного ключа L (рис. 2.2) от оси винта до середины ладони рабочего равной 14d , будем иметь момент завинчивания на ключе
Т зав = F P L = 14F P d , где F P – усилие рабочего. Из равенства 0,2F зат d = 14F P d получим F зат = 70 F P , т.е. за счет рычага на гаечном ключе и параметров соединения имеем выигрыш в силе затяжки в 70 раз . При f = f T = 0,1 F зат » 100 F P .
2. Самоторможение в резьбе
Самоторможение – это сохранение затянутого положения гайки так, что для ее отвинчивания следует приложить момент, противоположного направления моменту завинчивания. Момент отвинчивания:
Т отв = 0,5 F зат d 2 [tg(j1 – y) + f T d ср / d 2 ].
Условие самоторможения: Т отв ³ 0. Без учета трения на торце гайки (Т Т = 0) должно быть tg(j1 – y) ³ 0 и j1 ³ y.
Если в среднем y = 20 30¢, то j1 ³ 20 30¢; arctg f = j1 / 1,15; f ³ tg20 17¢ или
f ³ 0,04. С учетом влияния момента Т Т f ³ 0,02.
Таким образом, при статической нагрузке все крепежные резьбы самотормозящие . При вибрациях j1 уменьшается вследствие микроперемещений поверхностей трения, смятия микронеровностей на рабочих поверхностях резьбы, и резьбовая пара самоотвинчивается. Поэтому при переменных нагрузках обязательно применение стопорных устройств .
3. КПД резьбовой пары
КПД резьбы определяют как отношение полезной работы на винте к затраченной работе на ключе при повороте гайки на произвольный угол.
Без учета трения на торце гайки КПД равен:
h = tgy / [tg(y + j1 )].
При y = 20 30¢ и f = 0,1 h » 0,3, а с учетом трения на торце (момента Т Т ) КПД еще ниже.
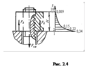
4. Распределение осевой силы по виткам резьбы
На рис. 2.4 показано распределение осевой силы F зат по виткам резьбы. На первый виток резьбы приходится около 1/3 F зат , а на последний, десятый
виток – менее 1/100 F зат . Основная причина столь неравномерной нагрузки – разноименное сочетание деформаций витков : болт растянут, гайка сжата .
Не имеет смысла увеличивать высоту гайки за счет числа z
витков (более десяти). Например, у стандартных шестигранных гаек при Н
= 0,8d
z
= 6.
Все конструктивные мероприятия для выравнивания нагрузки по виткам резьбы направлены на создание одноименных деформаций в районе первых витков . Например, на рис. 2.5, а приведена «висячая» гайка, на рис. 2.5, б – гайка с поднутрением, на рис. 2.5, в- гнездо под ввинчиваемый конец шпильки. Под действием силы F зат (да еще добавится сюда сила от рабочей нагрузки) произойдет либо разрыв стержня винта, либо срез резьбы.
5. Прочность резьбового участка стержня болта
При сборке стержень болта растягивается силой F зат и скручивается моментом Т Р сил сопротивления в резьбе. Момент Т Т на торце гайки на стержень не передается.
Эквивалентное напряжение для пластичных материалов:
sЕ = (s2 + 3t2 )1/2 £ [s]Р , (2.5)
где s = F зат /А ; А = pd P 2 / 4; t = T P / W К ; T P = 0,5d 2 tg(y + j1 ); W К = pd P 3 / 16.
За расчетный диаметр d Р принят d 1 – внутренний диаметр резьбы стержня.
Формулу (2.5) после подстановки в нее s и t представим в виде
sЕ = s{1 + 12 [tg(y + j1 ) d 2 /d 1 ]2 }1/2 £ [s]Р .
При y = 2,50 ; j1 = 1,15arctgf и f = 0,15 j1 = 9,80 ; d 2 / d 1 » 1,06 будем иметь sЕ = 1,28s. За расчетное значение принимают 1,3s.
Условие прочности при затяжке гайки:
s = 1,3 F зат / (pd 1 2 / 4) £ [s]Р , (2.6)
где коэффициент 1,3 учитывает влияние скручивания стержня болта при затяжке гайки .
Рассчитывая напряжения по формуле (2.6), следует сделать вывод: при затяжке гаек с резьбой меньше М12 обязательно должен быть контроль усилия затяжки во избежание разрушения болтов .
6. Прочность витков резьбы на срез
Из условия равнопрочности витков резьбы на срез и стержня болта на растяжение определена необходимая глубина завинчивания l 1 (рис. 2.1) винтов и шпилек для различных материалов деталей: в сталь пластичную l 1 = d , с пониженной пластичностью 1,25d ; в чугун l 1 = 1,25d и 1,6d ; в легкие сплавы l 1 = 2d и 2,5d .
7. Эксцентричное нагружение болта
Эксцентричная нагрузка возникает
а) в болтах с так называемой костыльной головкой (рис. 2.6, а );
б) при перекосах опорных поверхностей под гайкой или головкой болта
(рис. 2.6, б ).
Рис. 2.6 |
|
Под действием силы F в стержне болта действуют напряжения растяжения sР и изгиба sи . При этом, как показывают расчеты, sи во много раз может превышать sР . Напряжения изгиба являются самыми опасными для прочности болтов, винтов и шпилек .
Отсюда правила конструирования :
1. Не допускать черновых (необработанных) поверхностей под гайками, головками, шайбами.
2. Несопрягаемые (свободные) поверхности корпусных деталей не обрабатывают. В местах установки крепежа следует предусматривать:
а) на литых деталях – бобышки (местные выступы) под обработку высотой S = 2…3 мм (рис. 2.7, а );
б) на сварных деталях – платики (рис. 2.7, б );
в) на любых деталях – цековки глубиной h = 1,25…1,6 мм (рис. 2.7, в ).
3) Использовать сферические, косые шайбы и другие выравнивающие от изгиба устройства.
2.3 Расчет болтовых соединений
Как правило, детали соединяются несколькими болтами, т.е. группой болтов . При расчете приняты следующие допущения:
1) все болты одинаковые и равнозатянутые;
2) поверхности стыка деталей не деформируются, остаются плоскими;
3) как правило, стыки имеют оси симметрии, болты располагаются симметрично относительно этих осей.
Расчет группового болтового соединения сводится к отысканию нагрузки для наиболее нагруженного болта и его расчету на прочность как единичного.
Выразив силы FT 2, FT 3 … FTi _ через FT 1 – наибольшую по величине, находящуюся на наибольшем расстоянии r1 – FT 2 = FT 1 r2 /r1 , …, FTi = FT 1 ri / r1 , – и, подставив их в условие (2.9), получим
Т = FT 1 r1 2 /r1 + FT 1 r2 2 /r1 + … + FT 1 ri 2 /r1 .
Отсюда FT 1 = Т r1 / (r1 2 + r2 2 + … + ri 2 ). В общем виде для i -го болта
F Т i = 103 Т ri / (Sri 2 ), (2.10)
где Т , Н×м; ri , мм; i = 1, 2…z .
3. При совместном действии силы FF и силы F Т i определяют полную сдвигающую силу Fd , действующую на наиболее нагруженный болт. На рис. 2.9 это болт 1 – угол между векторами FF и F Т 1 острый. Для него по теореме косинусов сдвигающая сила будет равна:
Fd 1 = [F Т 1 2 + FF 2 – 2F Т 1 FF cos(F Т 1 Ù FF )]1/2 .
4. Условием надежности соединения является отсутствие сдвига деталей в стыке под действием силы Fd .
Соединение может быть выполнено в двух вариантах:
а) на болтах , установленных в отверстия деталей с зазором ;
б) на болтах (по ГОСТ 7817–80), установленных в отверстия плотно, без зазора .
5. Болт с зазором. Сила Fd уравновешивается силами трения Ff на стыках. Они создаются силой затяжки F зат болта при сборке (рис. 2.10): Ff = iF зат f ³ Fd . Откуда требуемая сила затяжки
F зат = K Fd / (if ), (2.11)
где К = 1,5…2 – коэффициент запаса затяжки на сдвиг; i – число плоскостей стыка; f – коэффициент трения материалов деталей на стыке.
Если, например, принять К = 1,5, f = 0,15, i = 1, то требуемая сила F зат должна быть в 10 раз больше внешней сдвигающей силы Fd . Отсюда большие
1. Нагрузка в зоне болта от центральной силы Fz : FF = Fz / z .
2. Сила F М от изгибающих моментов М распределяется по болтам (рис. 2.12) пропорционально их расстояниям от центральных осей.
F = ± FF + F М x max + F М y max , (2.13)
где знак плюс, если Fz растягивает стык; знак минус, если Fz сжимает стык.
|
Рис. 2.13
4. Возможность раскрытия стыка силой F устраняется предварительной затяжкой болтов F зат. Применяют болты с зазором . При сборке соединения силой F зат (рис. 2.13, а ) стержень болта растягивается, а соединяемые детали сжимаются (условно считают в пределах конусов 1 , 2 и цилиндра 3 сжатия). После приложения к деталям внешней силы F (рис. 2.13, б ) болт дополнительно растянется на величину Dl Б , а детали ослабят свое первоначальное сжатие на Dl Д (разгрузка стыка).
Условие равновесия сил :
Q Б + Q Д = F , (2.14)
где Q Б – часть внешней нагрузки, приходящейся на болт, Q Д – часть внешней нагрузки, идущей на ослабление сжатого силой F зат стыка.
Условие совместности деформаций болта Dl Б и деталей Dl Д :
Dl Б = Dl Д , (2.15)
где по закону Гука Dl = Ql / (EA ) = Q l, здесь Е – модуль упругости материала; А – площадь поперечного сечения на длине l ; l = l / (EA ) – податливость, мм/Н.
Тогда из условия (2.14) Q Д = F – Q Б и из условия (2.15) будем иметь Q Б lБ = (F – Q Б )lД . Откуда Q Б = F lД / (lБ + lД ).
Соотношение податливостей называют коэффициентом c основной (внешней) нагрузки : c = lД / (lБ + lД ).
Тогда Q Б = cF и Q Д = (1 – c) F . Только часть внешней силы cF идет на дополнительное растяжение болта , остальная часть (1 – c) F расходуется на разгрузку сжатого стыка деталей (уменьшение силы затяжки в них).
Для жесткого стыка (стальные, чугунные детали) определено, что c =
= 0,2… 0,3. При наличии в стыке упругих прокладок (медь, алюминий, картон, резина и т.д.) c растет и стремится к единице. Если Q Д = F зат или F = F зат / (1 –
– c), то произойдет раскрытие стыка. Следовательно, чем больше сила затяжки F зат, тем большая сила необходима для раскрытия стыка .
Расчетная сила на болт с учетом скручивания стержня при затяжке гайки:
F Б = 1,3 F зат + cF . (2.16)
2.4 Сила затяжки
1. Сила затяжки из условия отсутствия сдвига
В случае общей схемы нагружения (рис. 2.8), кроме сдвигающей силы Fd , на стык действуют еще отрывающие Fz , Mx , My . Влияние моментов Mx и My не учитывают, поскольку (рис. 2.14) они не изменяют суммарной силы трения Ff на стыке (компенсация: слева – DFf , справа + DFf ). Отрывающая сила Fz ослабляет давление и силу трения на стыке и требует увеличения затяжки. Сжимающая сила Fz увеличивает силу трения. На ослабление или усиление стыка деталей расходуется часть внешней нагрузки (1 – c) Fz .
2. Сила затяжки из условия нераскрытия стыка
В этом случае каждый из z болтов предварительно затянут силой F зат2 , т.е. весь стык нагружен силой zF зат 2 . Напряжения сжатия на стыке при этом:
sзат = zF зат2 / A ст ,
где А ст – площадь стыка, мм2 , (рис. 2.15).
Отрывающая сила Fz разгружает стык на величину (1 – c) Fz . Напряжения сжатия sзат на стыке уменьшатся на sF = (1 – c) Fz / A ст .
Наибольшие напряжения от изгиба стыка моментом М действуют в точках А и В . С учетом податливостей элементов соединения sМ = 103 (1 – c) М /W ст ,
2.5 Порядок расчета болтов для общей схемы нагружения
2.5.1 Расчет при статической нагрузке
1. Расчетная осевая сила на наиболее нагруженном болте (болт с зазором) по формуле (2.16)
F Б = 1,3F зат + cF ,
где F зат определяют по формулам (2.17) и (2.18).
Если F зат1 > F зат2 (например, в 1,5 и более раза), то для восприятия силы Fd следует применять разгружающие стык от сдвига устройства , а в формулу (2.16) подставлять значение F зат2 .
2. Возможность затяжки болтов рабочим стандартным гаечным ключом определяется из соотношения F зат = 70F раб , откуда требуемое усилие рабочего: F раб ¢ = F зат / 70 £ [F раб ] = [200…300] Н.
Если F раб ¢ < [F раб ], то необходим контроль затяжки при сборке.
Если F раб ¢ > [F раб ], то следует предусмотреть дополнительные меры по обеспечению F зат.
3. В проектировочном расчете находят внутренний диаметр резьбы болта d 1 , мм:
d 1 ¢ = [4F Б / (p[s]P )]1/2 , (2.19)
где [s]P = sТ / [S ], МПа (sТ определяют по выбранному классу прочности ; [S ] – коэффициент безопасности).
Расчетный диаметр d 1 ¢ округляется в большую сторону до d 1 по ГОСТ 24705–81.
4. Конструктивно определяется длина болта l , мм:
l ¢ = Sdi + l 3 ,
где Sdi – сумма толщин всех соединяемых деталей, мм; l 3 – запас на выход стержня болта за пределы гайки, мм.
Длина l ¢ округляется по ГОСТ на болты .
5. Если размеры болтов известны (например по конструктивным рекомендациям), то из формулы (2.19) определяют sР и требуемую величину sТ ¢:
sР = 4F Б / (pd 1 2 ); sТ ¢ = sР [S ].
По величине sТ ¢ назначают безопасный класс прочности болта из условия sТ ³ sТ ¢, где sТ – предел текучести материала, соответствующий выбранному классу прочности.
2.5.2 Расчет при переменной нагрузке
Проводят проверочный расчет по коэффициентам безопасности:
а) на предотвращение пластической деформации :
S Т = sТ / smax = sТ / (sзат + 2sа ) ³ [S Т ] = 1,25…2,5,
где sзат = 1,3F зат / А 1 – напряжение предварительной затяжки, МПа; А 1 – расчетная площадь сечения болта по d 1 , мм2 ; sа = c(F Б max – F Б min ) / (2A 1 ) – амплитуда напряжений, МПа; F Б max и F Б min – соответственно максимальная и минимальная внешняя нагрузка на оси болта по формуле (2.16), Н;
б) на ограничение амплитуды цикла :
S a = sa lim / sa ³ [S a ] = 2,5…4,
где sa lim = s- l Р Kd KV / K s – предельная амплитуда цикла, МПа; s- l Р – предел выносливости гладкого образца при симметричном цикле напряжений растяжение-сжатие; Kd – коэффициент влияния размеров болта; KV – коэффициент влияния качества поверхностного слоя; K s – эффективный коэффициент концентрации напряжений.
Все параметры, входящие в формулу sa lim выбирают по справочникам.
3. Механические передачи
3.1 Общие сведения
Все механические передачи делятся на две группы :
– передачи зацеплением (зубчатые: цилиндрические, конические; червячные; цепные; зубчато-ременные; винт-гайка);
– передачи трением (фрикционные и ременные).
К разновидностям цилиндрических передач относятся планетарные, волновые, реечные и винтовые, а конических – гипоидные.
Конкретный состав передач в приводе зависит в основном от трех критериев :
1) общего передаточного числа привода и 0 ;
2) компоновки привода, т.е. от объема заданного проcтранства, в котором должен размещаться привод, и взаимного расположения в нем осей валов;
3) технико-экономических возможностей конкретного предприятия.
Самым распространенными и предпочтительными являются зубчатые цилиндрические передачи .
3.2 Характеристика передач привода
Основные характеристики:
1) нагрузка на рабочем органе: сила, вращающий момент или мощность и характер (циклограмма) ее изменения;
2) скорость рабочего органа;
3) ресурс – в частности, срок службы.
Эти характеристики минимально необходимы и достаточны для проектировочного расчета любой передачи.
Кроме основных, важное значение имеют следующие дополнительные характеристики :
1) общее передаточное число привода и 0 = и 1 и 2 …и i , где и i – передаточное число одной i -й ступени передач.
2) общий КПД привода : η0 = η1 η2 …ηi , где ηi – КПД одной i -й кинематической пары;
3) потребная (расчетная) мощность двигателя Р дв ′ :
Р дв ′ = T р.о n р.о / 9550η0 ,
где T р.о , n р.о – соответственно вращающий момент и частота вращения рабочего органа;
4) частота вращения i -го вала (i = 1,2,3…k ; i = 1 – вал двигателя; i = k – вал рабочего органа): n i = n 1 / и 1- i , где и 1- i – передаточное число между первым и i - м валами;
5) вращающий момент i -го вала:
T i = Т р . о / (и k-i ηk-i ),
где и k - i , ηk - i – соответственно передаточное число и КПД между k -м (рабочего органа) и i - м валами.
Похожие рефераты:
Основы проектирования и конструирования
Соединения деталей и узлов машин
Разработать лабораторный стенд для испытания устройств защиты судовых генераторов
Усовершенствование технологического процесса механической обработки детали "Стакан"
Модернизация двигателя мощностью 440 квт с целью повышения их технико-экономических показателей
Проект участка механической обработки детали "Стакан"
Проектирование цеха ремонта поршневых компрессоров
Разработка и изготовление декоративной резной вазы с подставкой
Автоматизированное проектирование деталей крыла
Технология нарезания резьбы на изделиях из стеклопластика типа трубы
Технологический процесс изготовления корпуса цилиндра типа Г29-3



