| Похожие рефераты | Скачать .docx |
Курсовая работа: Расчет тиристорного электропривода
Содержание
Введение
1. Функциональная схема тиристорного электропривода
2. Разработка структурной схемы САУ
3. Синтез САУ
3.1 Расчет контура тока
3.2 Расчет контура скорости
4. Структурная схема САУ
4.1 Определение общей передаточной функции
4.2 Характеристическое уравнение
5. Определение устойчивости
5.1 Определение запаса устойчивости и быстродействия по переходной характеристике
5.2 Определение устойчивости по логарифмическим частотным характеристикам
Заключение
Литература
Введение
Электрический привод представляет собой электромеханическую систему, обеспечивающую реализацию различных технологических и производственных процессов в промышленности, сельском хозяйстве, на транспорте, коммунальном хозяйстве и в быту с использованием механической энергии. Назначение ЭП состоит в обеспечении движения исполнительных органов рабочих машин и механизмов и управлении этим движением. Другими словами, ЭП, являясь энергетической основой реализации технологических и производственных процессов, во многом определяет их качество, энергетические и технико-экономические показатели.
Механическая энергия вырабатывается приводом, который преобразовывает другие виды энергии. В зависимости от вида используемой первичной энергии различают гидравлический, пневматический, тепловой и электрический приводы. В современном промышленном производстве, коммунальном хозяйстве наибольшее применение нашел электрический привод, на долю которого приходится более 60 % потребляемой в стране электроэнергии. Такое широкое применение ЭП объясняется целым рядом его преимуществ по сравнению с другими видами приводов: использование электрической энергии, распределение и преобразование которой в другие виды энергии, в том числе и в механическую, наиболее экономично; большой диапазон мощности и скорости движения; разнообразие конструктивного исполнения, что позволяет рационально соединять привод с исполнительным органом рабочей машины и использовать для работы в сложных условиях - в воде, среде агрессивных жидкостей и газов; простота автоматизации технологических процессов, высокий КПД и экологическая частота.
Возможности использования современных ЭП продолжают постоянно расширяться, за счет достижений в смежных областях науки и техники.
1. Функциональная схема тиристорного электропривода
Функциональная схема необходима для того, чтобы выяснить, какие функциональные блоки необходимы для реализации системы ЭП. Функциональная схема содержит блоки преобразования силовой энергии, двигатель, измерительные преобразователи, согласующие устройства, функциональные преобразователи, блоки управления, датчики. По функциональной схеме определяют, какие блоки необходимо использовать при составлении структурной схемы ЭП. Функциональная схема позволяет определить, как проходит по схеме силовая энергия (энергия, необходимая для выполнения технологического процесса) и по каким элементам схемы проходит сигнал управления.
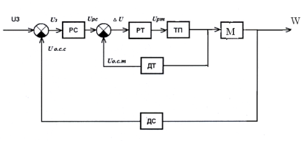
Функциональная схема состоит из задающего устройства ЗУ которое вырабатывает задающий сигнал по скорости. Этот сигнал поступает на усилитель регулятора скорости УС1, он усиливает сигнал. Усилителю УС1 подчинен контур регулирования тока который состоит из: Тр - трансформатора, который понижает напряжение с 0,66 кВ до 230 В, БОСТ - блока обратной связи по току и УС2 - регулятора тока. Выходной сигнал регулятора тока УС2 воздействует на систему импульсно - фазового управления СИФУ. СИФУ предназначена для преобразования постоянного управляющего напряжения, вырабатываемого системой автоматического регулирования, в последовательность прямоугольных управляющих импульсов соответствующей фазы, подаваемых на управляющие переходы тиристоров. Тиристорный преобразователь ТП работает в режиме управляемого выпрямителя и подводит выпрямленное напряжение к якорю двигателя. Обмотка возбуждения двигателя ОВД запитывается от независимого источника питания ИПОВД. Вращение двигателя Д передаётся на механизм МЕХ. Частота вращения двигателя контролируется датчиком скорости ДС. Датчик скорости вырабатывает ЭДС которая в виде сигнала Uо c по обратной связи поступает на элемент сравнения С1, где происходит сравнение входного сигнала Uвх с сигналом поступающему по обратной связи
Uо c : ΔU = Uвх – Uос .
Если есть разность между входным сигналом и сигналом поступающему по обратной связи, то происходит корректировка частоты вращения двигателя.

Рис. 1 - Функциональная схема электропривода
РС- регулятор скорости;
РТ- регулятор тока;
ДТ- датчик тока;
ДС- датчик скорости;
М- двигатель постоянного тока;
ТП- тиристорный преобразователь.
2. Разработка структурной схемы САУ
В расчетных системах управления ЭП для повышения диапазона регулирования и качества динамических процессов применяют различные структуры построения регуляторов, используются различные обратные связи.
Для статического и динамического расчета САУ необходимо составить структурную схему, на которой все элементы системы нужно представить их передаточными функциями. Это двигатель, ТП, регуляторы, датчики обратных связей (рисунок 6).

Рис. 2 -Структурная схема САУ
Передаточная функция ТП вместе с системой импульсно-фазового управления, как правило апроксируется апериодическим звеном первого порядка с постоянной времени Tmn в пределах времени 0,006-0,01 с, что обусловлено дискретностью подачи отпирающих импульсов и особенностью работы ТП.
Передаточная функция ТП имеет вид:
(5.1)
где Kmn - коэффициент передачи ТП.
Коэффициент передачи ТП изменяется в зависимости от величины управляющего напряжения и рассчитывается с использованием
регулировочных характеристик Ed 0 = f(α).
, (5.2)
где ΔEd — относительное значение ЭДС тиристорного преобразователя, В;
ΔUy - относительное значение напряжения, В.
Электродвигатель постоянного тока при подключении обмотки возбуждения к постоянному напряжению, работает с постоянной магнитным потоком.
Передаточная функция имеет вид:
(5.3)
т.к. 4Тя >Тм,
Якорная цепь ДПТ описывается передаточной функцией:
(5.7)
где Еn - ЭДС преобразователя. В;
Едв - ЭДС двигателя, В.
Передаточная функция механической цепи ДПТ:
(5.5)
Поведение угловой скорости вращения описывается передаточной функцией электромеханического преобразователя в соответствии с основным уравнением движения ЭП:
(5.6)
Коэффициент обратных связей рассчитывается по формулам:
Коэффициент обратной связи по скорости Кос определяется по формуле:
(5.7)
где
= 10 В — максимальное напряжение управления;
- максимальная скорость механизма, рад/с.
(5.8)
Коэффициент обратной связи по току Кот :
Кот = Кдт ∙ Кш = 102,04∙0,0006 = 0,061 (5.9)
где Кдт - коэффициент датчика тока;
(5.10)
где Кш - коэффициент шунта.
Выбран шунт: тип 75 ШСН-5;
Номинальный ток: Iнш = 75А;
Номинальное падение напряжения: Uнш = 0,045 В.
Коэффициент шунта Кш определяем по формуле:
, (5.11)
Коэффициент обратной связи по напряжению Кон :
(5.12)
Выходной координатой объекта управления является угловая скорость вращения ωо , а промежуточными: якорный ток, ЭДС двигателя, напряжение якорной обмотки, электромагнитный момент, магнитный ток.
3. Синтез CA У
Для обеспечения требуемых статических и динамических параметров определим структуру системы.
Поскольку необходимо регулировать скорость и требуется динамика, то система должна иметь контур скорости и контур тока. Настройку контура обычно производят так, чтобы получить технически оптимальный переходный процесс, т.е. настройка на технический оптимум.
3.1 Расчет контура тока
Регулятор тока организован по ПИ-закону управления с настройкой на модульный оптимум. Регулятор для обеспечения требуемых динамических параметров должен компенсировать электромагнитную постоянную Тя , а также малую постоянную времени контура тока Т01 (рисунок9).

Рис. 3- Структурная схема по току
Передаточная функция регулятора тока имеет вид:
(6.1)
где Кр m - пропорциональная часть регулятора тока;
- постоянная времени регулятора тока.
(6.2)
(6.3)
где
-
малая постоянная времени токового контура.
Тот = 2 ∙ Ттп = 2 ∙ 0,01= 0,02 с, (6.4)
Согласно рисункам 4 и 5 запишем уравнения соответствия
динамических параметров системы и физических параметров схемы реализации:


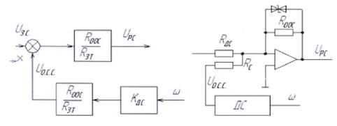
Рис. 4 -Структурная схема РТ Рис. 5- Принципиальная схема РТ
Зададимся емкостью конденсатора Cост = 1 мкФ = 0,000001 Ф, тогда согласно уравнению 2 системы 6.5, сопротивление Rост составит:
, (6.6)
Представив значение Сост = 1 мкФ в уравнение 3 системы 6.5, найдем сопротивление Rзт по формуле:
(6.7)
Подставив значение Rзт в 1 - е уравнение системы 6.5, получим, что сопротивление Rт составит:
(6.8)
По расчетам принимаем тип резисторов. Выбираем резисторы серииМЛТ.
Номинальная мощность: 0,125-2 Вт;
Диапазон сопротивления: 8,2 Ом – 10 МОм;
Рабочая температура: 125С0 ;
Допустимые отклонения: 5, 10, 20.
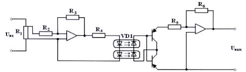
Датчик тока предназначен для преобразования тока якоря пропорциональное ему напряжение и включает в себя датчик и согласующее устройство. В качестве измерительного преобразователя в датчике использован шунт. В качестве элемента гальванической развязки принимаем микросхему оптоэлектронную полупроводниковую, состоящую из оптопар и транзисторных прерывателей типа К249, КН1Г. Выходное напряжение равно 3,5 В, входной ток равен 20 мА. На выходе датчика должно быть напряжение 10В.

Рис. 6 - Принципиальная схема датчика тока
3.2 Расчет контура скорости
Регулятор скорости организован по пропорциональному принципу (П) закону управления с настройкой на модульный оптимум. Регулятор для обеспечения требуемых динамических параметров должен компенсировать электромеханическую постоянную времени системы Тм , а также малую постоянную времени контура скорости Тос (рисунок 6).

Рис. 7- Структурная схема контура скорости Передаточная функция регулятора скорости будет иметь вид:

где Тос - малая постоянная времени контура скорости.
Тос = 2∙ Тот = 4∙ Ттп = 4∙ 0,01 = 0,04 с,
Приведем схему реализации регулятора скорости (рисунок 9).
Приведем структурную схему реализации регулятора скорости (рисунок 8).

Рис. 8 Структурная схема PCРис. 9 Схема реализации PC
Согласно рисункам 8 и 9 запишем уравнения соответствия динамических параметров системы и физических параметров схемы реализации:
(6.11)
где Кдс - коэффициент датчика скорости, которым является тахогенератор.
(6.12)
Зададимся сопротивлением Rooc = 1 00 кОм, тогда:
(6.13)
Подставив значение Rзс , найдем Rc :
(6.14)
Из справочника выбираем стандартный резистор марки:
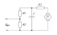
Датчик скорости получим путем совмещения тахогенератора
(измерительного преобразователя) и согласующего устройства(преобразователя координат), рисунок 10

Рис. 10 Схема датчика скорости
Емкость конденсатора принимаем равной 0,1 мкФ. ЭДС тахогенератора определим по формуле:
Етг = 2 ∙nн ∙S = 2 ∙ 1500∙ 0,5 = 1500 В, (6.15)
где S - величина скольжения;
nн - номинальная скорость вращения тахогенератора.
(6.16)
где nн - номинальное число оборотов двигателя;
nmax - максимальное число оборотов тахогенератора.
4. Структурная схема САУ

Рис.11-Структурная схема САУ
4.1 Определение общей передаточной функции

4.2 Характеристическое уравнение
![]()
5. Определение устойчивости
5.1 Определение запаса устойчивости и быстродействия по переходной характеристике
Для построения и анализа переходных процессов воспользуемся компьютерной программой Matlab6.1.
Оценку запаса устойчивости и быстродействия можно произвести по виду кривой переходного процесса в системе автоматического регулирования при некотором типовом входном воздействии. В качестве типового входного воздействия рассматривается обычно единичный скачок. В данном случае кривая переходного процесса для регулируемой величины будет представлять собой переходную характеристику системы (рисунок 12).

Рисунок 12 - Переходная характеристика системы
Анализ построенной кривой переходного процесса показывает, что система стабилизируется на уровне Ру = 31,6при подаче на вход единичного ступенчатого сигнала. Склонность системы к колебаниям, а, следовательно, и запас устойчивости могут быть охарактеризованы максимальным значением регулируемой величины умах или так называемым перерегулированием:

Допустимое значение перерегулирования для тойили иной системы автоматического регулирования может быть установлено на основании опыта эксплуатации подобных систем. В данном случае считается, что запас устойчивости, является достаточным, если величина перерегулирования не превышает 10÷30%.
5.2 Определение устойчивости по логарифмическим частотным характеристикам
Критической точке, где модуль амплитудно-фазовой характеристики равен единице, соответствует точка пересечения ЛАЧХ с осью абсцисс на частоте среза ωз , а точке, в которой фазовый сдвиг равен 180°, соответствует пересечению ЛАЧХ линии –π. Замкнутая система устойчива, если на частоте со, для которой φ = - π, ордината ЛАЧХ отрицательна.
На рисунке 13 приведены логарифмические частотные характеристики, по которым определим устойчивость и запас устойчивости системы. Запас устойчивости по амплитуде L3 есть число децибел, на которое нужно увеличить коэффициент усиления на частоте, соответствующий фазовому сдвигу φ=-π, чтобы система потеряла устойчивость. Для удовлетворительного качества регулирования должны выполняться условия:
L3 ≥(10÷20)дб, (6.18)
φ3 >(30÷60)°. (6.19)

Рисунок 13 - Логарифмическая частотная характеристика по амплитуде 15-20 Дб, по фазе 30-60о
Анализируя полученные характеристики, видим, что точка ωср находится в области отрицательных значений, а запас устойчивости по амплитуде Lз =15 Дб удовлетворяет условию (6.18).
Запас устойчивости φз = 45° удовлетворяет условию (6.19).
Вывод
Работа в курсовом проекте велась по трем направлениям, выполняемых последовательно:
Произвели анализ системы автоматического управления.
В системе регулирование ведется по двум координатам ЭП — скорости и тока. Замкнутая структура ЭП выполняется по схеме с подчиненным регулированием координат. Регулирование каждой координаты осуществляется собственными регуляторами, которые вместе с соответствующими обратными связями образуют замкнутые контуры. Таким образом, внутренний контур тока подчинен внешнему контуру скорости - основной регулируемой координате.
Расчет и выбор элементов силовой части. Синтез САУ, включающий расчет передаточных функций.
В соответствии с заданием произвели расчет и выбор элементов силовой части системы: двигатель типа 2ПА, тиристорный преобразователь типа ТПР, силовой трансформатор ТСЗ, система импульсно - фазового управления, реактор типа РТСТ. Для каждого элемента рассчитали передаточную функцию и составили структурную схему.
Построение и анализ переходных процессов.
Проанализировав систему по переходной характеристике, определили время переходного процесса, перерегулирование и быстродействие. По критерию Найквиста, ЛАЧХ и ЛФЧХ система является устойчивой и имеет запас устойчивости.
По полученным результатам можно сказать, что система спроектирована так, чтобы она имела максимальную точность выполнения возложенной на нее задачи регулирования заданного объекта. Основой является оптимизация закона регулирования, то есть наилучшее построение регулятора (системы управления) для осуществления заданной программы управления.
Но следует учитывать, что отличие оптимальной системы состоит в том, чтобы добиться не просто требуемых показателей, а наилучших показателей, то есть «извлечь» из системы все, что она может дать по определенному виду качества, наиболее важному для этой системы, при соблюдении заданных требований по всем другим ее свойствам.
Литература
1. Биссикерский и Попов, «Теория систем автоматического управления», 2004.
2. Тюков Н.И. и Грачева Л.Н. «Учебное пособие по ТАУ».
3. Тюков Н.И. и Грачева Л.Н. «Учебное пособие по курсовому проекту».
4. Густар и Ольсон, «Цифровые системы автоматизации и управления».
5. Ковчин и Соберин, «Теория электропривода».
6. “Теория автоматического управления”. Под редакцией
Ю.М. Соломенцева. Москва “Высшая школа”1999.
7. “Теория автоматического управления”. Воронов.
Похожие рефераты:
Оборудование летательных аппаратов
Разработка электроприводов прессовых машин
Распределенная автоматизированная система управления
Управление напряжением рентгеноскопической установки
Расчет системы управления электроприводами
Синхронные машины. Машины постоянного тока
Компенсация реактивной мощности в системах электроснабжения с преобразовательными установками
Испытательная станция турбовинтовых двигателей ТВ3–117 ВМА–СБМ1 серийного производства
Организация поста технического обслуживания и ремонта карбюраторов двигателей легковых автомобилей
Реконструкция подстанции "Гежская" 110/6 кВ
Модернизация двигателя мощностью 440 квт с целью повышения их технико-экономических показателей
Проект новой подстанции для обеспечения электроэнергией нефтеперерабатывающего завода
Модернизация релейной защиты на тяговой подстанции Улан-Удэ на базе микропроцессорной техники