| Похожие рефераты | Скачать .docx |
Реферат: Черчение. 9 класс
1. ОСНОВНЫЕ ЛИНИИ ЧЕРТЕЖА, ОСОБЕННОСТИ ИХ НАЧЕРТАНИЯ В
СООТВЕТСТВИИ С ГОСУДАРСТВЕННЫМ СТАНДАРТОМ
Чтобы чертёж был более выразителен и понятен для чтения, его выполняют разными линиями, начертание и назначение которых для всех отраслей промышленности и строительства установлены государственным стандартом.
При выполнении чертежей применяют линии различной толщины и начертания. Каждая из них имеет своё назначение.
штриховая

технический рисунок
ГОСТ 2303-80 устанавливает начертания и основные назначения линий на чертежах всех отраслей промышленности.
1. Сплошная толстая - основная линия выполняется толщиной, обозначаемой буквой S, в пределах от 0,5 до 1,4 мм в зависимости от сложности и величины изображения на данном чертеже, а также от формата чертежа. Сплошная толстая линия применяется для изображения видимого контура предмета. Выбранная толщина S линии должна быть одинаковой на данном чертеже.
2. Сплошная тонкая линия применяется для изображения размерных и выносных линий, штриховки сечений, линии контура наложенного сечения, линии выноски. Толщина сплошных тонких линий берётся в 2-3 раза тоньше основных линий.
3. Штриховая линия применяется для изображения невидимого контура. Длина штрихов должна быть одинаковая, от 2 до 8 мм. Расстояние между штрихами берут от 1 до 2 мм. Толщина штриховой линии в 2-3 раза тоньше основной.
4. Штрихпунктирная тонкая линия применяется для изображения осевых и центровых линий, линий сечения, являющихся осями симметрии для наложенных или вынесенных сечений. Длина штрихов- должна быть одинаковая и выбирается в зависимости от размера изображения от 5 до 30 мм. Расстояние между штрихами от 2 до 3 мм. Толщина штрихпунктирной линии от S/3 до S/2, Осевые и центровые линии концами должны выступать за контур изображения на 2-5 мм и оканчиваться штрихом, а не точкой.
5. Штрихпунктирная с двумя точками тонкая линия применяется для изображения линии сгиба на развёртках. Длина штрихов от 5 до 30 мм, и расстояние между штрихами от 4 до 6 мм. Толщина этой линии такая же, как и у штрихпунктирной тонкой, то есть от S/3 до S/2 мм.
6. Разомкнутая линия применяется для обозначения линии сечения. Толщина её выбирается в пределах от S до 11/ 2 S, а длина штрихов от 8 до 20 мм.
7. Сплошная волнистая линия применяется, в основном как линия обрыва в тех случаях, когда изображение дано на чертеже не полностью. Толщина такой линии от S/3 до S/2.
ЛИНИИ ЧЕРТЕЖА

В заключение следует отметить, что толщина линий одного и того же типа должна быть одинакова для всех изображений на данном чертеже.
2. ПРАВИЛА ОФОРМЛЕНИЯ ЧЕРТЕЖА
(ФОРМАТ, РАМКА, ОСНОВНАЯ НАДПИСЬ НА ЧЕРТЕЖАХ)
Чертежи выполняют на листах определённых размеров, установленных ГОСТом. Это облегчает их хранение, создаёт другие удобства.
Форматы листов определяются размерами внешней рамки (выполненной тонкой линией).
Каждый чертёж имеет рамку, которая ограничивает поле чертежа. Рамку проводят сплошными основными линиями: с трёх сторон — на расстоянии 5 мм от внешней рамки, а слева — на расстоянии 20 мм; широкую полосу оставляют для подшивки чертежа.
Формат с размерами сторон 841x1189 мм, площадь которого равна 1м2 , и другие форматы, полученные их последовательным делением на две равные части параллельно меньшей стороне соответствующего формата, ч принимаются за основные. Меньшим обычно является формат А4 (рис.1), его размеры 210x297 мм. Чаще всего вы в учебной практике будете пользоваться именно форматом А4. При необходимости допускается применять формат А5 с размерами сторон 148x210 мм.
Каждому обозначению соответствует определённый размер основного формата. Например, формату. A3 соответствует размер листа 297x420 мм.
![]()
Ниже приведены обозначения и размеры основных форматов.
Обозначение формата Размер сторон формата» мм
АО 841x1189
А1 841x594
А2 420x594
A3 420x297
А4 210x297
Кроме основных, допускается применение дополнительных форматов. Они получаются увеличением коротких сторон основных форматов на величину, кратную размерам формата А4.

На чертежах помещают основную надпись, содержащую сведения об изображённом изделии.
На чертежах в правом нижнем углу располагают основную надпись, содержащую сведения об изображённом изделии. Форму, размеры и содержание её устанавливает стандарт, На учебных школьных чертежах основную надпись выполняют в виде прямоугольника со сторонами 22x145 мм (рис. 2а). Образец заполненной основной надписи показан на рис 2б 
Производственные чертежи, выполняемые на листах формата А4, располагают только вертикально, а основную надпись на них — только вдоль короткой стороны. На чертежах других форматов основную надпись можно располагать и вдоль длинной и вдоль короткой стороны.
В виде исключения на учебных чертежах формата А4 основную надпись разрешено располагать как вдоль длинной стороны, так и вдоль короткой (рис. 3).

Рис.3
3. ОСНОВНЫЕ ПРАВИЛА НАНЕСЕНИЯ РАЗМЕРОВ НА ЧЕРТЕЖАХ
(ВЫНОСНАЯ ЛИНИЯ, РАЗМЕРНАЯ ЛИНИЯ, СТРЕЛКИ, ЗНАКИ ДИАМЕТРА, РАДИУСА, 1ЧСПОЛОЖЕНИЕ РАЗМЕРНЫХ ЧИСЕЛ)
Величину изображённой детали можно определять только по размерным числам. Их наносят над размерными линиями возможно ближе к их середине (рис. 4).

Размерные линии 'Ограничивают стрелками, которые остриём должны касаться выносных линий (размеры 110, 30, 15, 0 20 и другие на рис. 4), линий контура (размер 040) или осевых линий.
Размерную линию следует проводить параллельно отрезку, размер которого указывают по возможности вне контура изображения. Расстояние между параллельными размерными линиями и от размерной линии до параллельной ей линии контура берут от 7 до 10 мм.
Нельзя допускать, чтобы размерные линии пересекались с выносными или являлись продолжением линий контура, осевых, центровых и выносных. Запрещается использовать линии контура, осевые, центровые и выносные в качестве размерных.
Чтобы размерные линии не пересекались с выносными, меньший размер наносят ближе к изображению, а больший - дальше (размеры 15, 30 и размер 110 на рис. 4).
Форма стрелки показана на рис. 5. Размер стрелок следует выдерживать приблизительно одинаковым на всём чертеже.

Каждый размер на чертеже указывают только один раз.
Размерные числа линейных размеров наносят в соответствии с положением размерных линий, как показано на рис. 6. Если размерная линия вертикальная, то размерное число ставят справа (рис. 6а). На наклонных размерных линиях цифры пишут так, чтобы они оказались в удобном для чтения положении, если дать размерной линии "упасть" в горизонтальное положение, как это указано стрелками на рис. 6 а, б, в.

Линейные размеры на машиностроительных чертежах указывают в миллиметрах; если размеры нанесены у изображений, то единицы измерений (мм) не проставляют (см. рис.4).
Угловые размеры наносят, как показано на рис. 7. Их указывают в градусах (°), минутах (') и секундах ("), проставляя единицы измерения, например, размер 30° на рис. 7. Размерную линию при этом проводят в виде дуги окружности с центром в вершине угла.

Для обозначения диаметра перед размерным числом во всех случаях наносят знак - кружок, перечеркнутый прямой линией под углом 75°. Применение и построение этого знака показано на рис. 8.

Для обозначения радиуса перед размерным числом всегда наносят знак R
- латинская прописная буква (см. рис. 4). Стрелку наносят с одной стороны (см. рис. 9)
![]()
Если деталь имеет несколько одинаковых отверстий или других элементов (кроме скруглений), то наносится размер одного из них, а количество отверстий или других элементов указывают перед размерным числом, например 3 отв. 16 (рис. 10а).

Размеры толщины или длины детали, форма которой задана одним видом, наносят, как показано на рис. 10. Перед числом, указывающим толщину детали, наносят букву S, а перед числом, указывающим длину детали, - букву L
4. ОСОБЕННОСТИ ПРИМЕНЕНИЯ И ОБОЗНАЧЕНИЯ МАСШТАБА НА
МАШИНОСТРОИТЕЛЬНЫХ И СТРОИТЕЛЬНЫХ ЧЕРТЕЖАХ
Всякое изделие на чертеже вычерчивают в масштабе.
Масштабом называют отношение линейных размеров изображения предмета на чертеже к действительным размерам этого предмета.
Масштаб может быть выражен числом (числовой масштаб ) или изображён графически - линейный масштаб . Числовой масштаб обозначают дробью, которая показывает кратность увеличения или уменьшения размеров изображения на чертеже. При выполнении чертежей в зависимости от их назначения, сложности форм предметов и сооружений, их размеров применяют следующие числовые масштабы, установленные ГОСТ 2.302-68.
Масштаб 1:2; 1:2,5- 1:4; 1:5; 1:10; 1:15; 1:20; и т.д
уменьшения
Масштаб 2:1; 2,5:1; 4:1; 5:1; 10:1; 15:1; 20:1; и т.д.
увеличения
Натуральная величина 1:1. Предпочтителен натуральный масштаб (М 1:1).Не предусмотренные стандартом масштабы не применяют
B машиностроении предпочтителен натуральный масштаб.
При проектировании строительных чертежей в зависимости от размеров объектов рекомендуется выполнять чертежи в следующих масштабах 1:100; 1:200; 1:400. Для небольших здании и для фасадов применяют масштаб 1:50. Это даёт возможность выявить на фасаде архитектурные детали. Поскольку масштаб разных изображении может быть различным, его обычно указывают около каждого из них.
Размеры на строительных чертежах в отличие от машиностроительных чертежей можно проставлять в сантиметрах, а в некоторых случаях разрешается давать размеры в метрах, указывая единицу измерения.
Следует помнить, что какой бы масштаб ни был на чертеже всегда проставляют действительные размеры, то есть натуральные размеры предмета или объекта.
5. ОСОБЕННОСТИ ЧЕРТЁЖНОГО ШРИФТА
Все надписи на чертежах должны быть выполнены чертёжным шрифтом. Начертание букв и цифр чертёжного шрифта устанавливается стандартом. Стандарт определяет высоту и ширину букв и цифр, толщину линий обводки, расстояние между буквами, словами и строчками. Шрифт может быть как с наклоном (около 75°), так и без наклона. Стандарт устанавливает следующие размеры шрифта: 1,8 (не рекомендуется, но допускается) 2,5; 3,5; 5; 7; 10; 14; 20; 28; 40. За размер ( h ) шрифта принимается величина, определяемая высотой прописных (заглавных) букв в миллиметрах. Высота буквы измеряется перпендикулярно к основанию строки. Нижние элементы букв Д, Ц, Щ и верхний элемент буквы Й выполняют за счёт промежутков между строками.
Толщину (d) линии шрифта определяют в зависимости от высоты шрифта. Она равна 0,1 h . Ширину (д ) буквы выбирают равной 0,6 h или 6 d. Ширина букв А, Д Ж, М, Ф, X, Ц, Щ, Ъ, Ы, Ю больше этой величины на 1 или 2d (включая нижние и верхние элементы), а ширина букв Г, 3,С меньше на d.
Высота строчных букв примерно соответствует высоте следующего меньшего размера шрифта. Так, высота строчных букв размера 10 равна. 7, размера 7 равна 5 и т.д. Верхние и нижние элементы строчных букв выполняются за счёт расстояний между строками и выходят за строку на 3d. Ширина большинства строчных букв равна 5d, ширина букв а, м, ц, ъ равна 6d ; букв ж, т, ф, щ, ы, ю - 7d ; а букв з, с - 4d . Расстояние между нижними линейками строк берут равным 1,7 h или 17d . Расстояние между буквами и цифрами в словах принимают равным 0,2 h или 2d , между словами и числами-0,6 h или 6 d . Все надписи на чертежах наносятся от руки с наклоном букв и цифр к основанию строки 75°.
Чтобы научиться красиво писать чертёжным шрифтом, вначале для каждой буквы чертят сетку с ячейками, имеющими форму параллелограмма с основанием и высотой, равной h/7 и углом при основании около 75о . После овладевания навыками написания букв и цифр можно проводить только верхнюю линию строки. Ко:нтуры букв намечают тонкими линиями, убедившись, что буквы написаны правильно, обводят их мягким карандашом.
Для букв Г,Д, И,. И, Л, М, П, Т, X, Ц, Ш, Щ, можно провести только две вспомогательные линии на расстояний, фавном их высоте h . Для букв Б, В, Е, Н, Р, У, Ч, Ъ, Ы,Ь, Я между двумя горизонтальными линиями следует добавить посредине ещё одну по которой выполняют средние их элементы. А для буки 3, О, Ф, Ю проводят четыре линии, где средние линии указывают границы округлений.
Наименования, заголовки, обозначения в основной надписи, на поле чертежа допускается писать без наклона. Для быстрого выполнения надписей чертёжным шрифтом иногда пользуются различными трафаретами.
Прописные буквы

Строчные буквы

6. ОСНОВНЫЕ СПОСОБЫ ПРОЕЦИРОВАНИЯ. ПРИМЕРЫ ЦЕНТРАЛЬНОГО И ПРЯМОУГОЛЬНОГО ПРОЕЦИРОВАНИЯ ИЗ ЖИЗНЕННОЙ ПРАКТИКИ
Изготовление деталей и сборка изделий производятся по чертежам.
Из чертежа мы узнаём, какой формы и каких размеров должна быть изображённая на нём деталь, из какого материала её надо изготовить, с какой шероховатостью и точностью необходимо обрабатывать её поверхности, узнаём данные о термической обработке, антикоррозионном покрытии и прочее.
Чертёж содержит изображения (проекции), которые в зависимости от их содержания делятся на виды, разрезы сечения, и сведения, необходимые для изготовления изделий.
Изображения предметов на чертежах получают проецированием. Проецирование - это процесс получения изображения предмета на какой-либо поверхности Получившиеся при этом изображение называют проекцией предмета
Слово "проекция" в переводе с латинского означает "бросание вперёд, вдаль". Нечто похожее на проекцию можно наблюдать, если параллельно стене, противоположной окну, расположить ученическую тетрадь. На стене образуется тень в виде прямоугольника.
Элементами, с помощью которых осуществляется проецирование, являются (рис. 11): центр проецирования - точка, из которой производится проецирование; объект проецирования - изображаемый предмет; плоскость проекции - плоскость, на которую производится проецирование; проецирующие лучи - воображаемые прямые, с помощью которых производится проецирование, результатом проецирования является изображение, или проекция, объекта.
Различают центральное и параллельное проецирование. При центральном проецировании все проецирующие лучи исходят из одной точки - центра проецирования, находящегося на определённом расстоянии от плоскости проекций. На рис, 11а за центр проецирования условно взята электрическая лампочка. Исходящие от неё световые лучи, которые условно приняты за проецирующие, образуют на полу тень, аналогичную центральной проекции предмета.
Метод центрального проецирования используется при построении перспективы. Перспектива даёт возможность изображать предметы такими, какими они представляются нам в природе при рассмотрении их с определённой точки наблюдения.
В машиностроительных чертежах центральные проекции не применяются. Ими пользуются в строительном черчении и в рисовании.
При параллельном проецировании все проецирующие лучи параллельны между собой. На рис.11б показано, как получается параллельная косоугольная проекция. Центр проецирования предполагается условно удалённым в бесконечность. Тогда параллельные лучи отбросят на плоскость проекций тень, которую можно принять за параллельную проекцию изображаемого предмета.
В черчении пользуются параллельными проекциями. Выполнять их проще, чем центральные.
Если проецирующие лучи составляют с плоскостью проекций примой угол, то такие параллельные проекции называются прямоугольными.
Прямоугольные проекции называют также ортогональными . Слово "ортогональный" происходит от греческих слов "orthos" - прямой и "gonia" - угол. Чертежи в системе прямоугольных проекций дают достаточно полные сведения о форме и размерах предмета, так как предмет изображается с нескольких сторон. Поэтому в производственной практике пользуются чертежами, содержащими одно, два, три или более изображений предмета, полученных в результате прямоугольного проецирования.


Аксонометрические проекции
Чертёж, выполненный в прямоугольных (ортогональных) проекциях, является основным видом изображения, которым пользуются в технике. Для облегчения пространственного представления о предмете иногда применяют аксонометрические проекции. Аксонометрические проекции передают одним изображением пространственную форму предмета. Такое изображение создаёт у человека впечатление, близкое к тому, которое получается при рассмотрении предмета в "натуре". Аксонометрические проекции получаются, если изображаемый предмет вместе с осями координат, к которым он отнесён, с помощью параллельных лучей проецируют на одну плоскость, называемой аксонометрической.
Слово "аксонометрия" переводится "измерение по осям или измерения параллельно осям", так как размеры изображаемого предмета откладываются параллельно осям х, у, z называемым аксонометрическими осями. В зависимости от наклона осей координат х, у, z к аксонометрической плоскости и угла, составляемого проецирующими лучами с этой плоскостью, образуются различные аксонометрические проекции. Если проецирующие лучи перпендикулярны плоскости, то проекция называется прямоугольной. Если проецирующие углы наклонны к плоскости, то проекция называется косоугольной .
Фронтальная диметрическая проекция
Во фронтально диметрической проекции аксонометрические оси х, у, z
располагаются следующим образом: ось х
расположена горизонтально; ось z
вертикально; ось у
проходит под углом 45 к горизонтальной оси.
По направлению осей х, z откладываются истинные величины размеров предмета. Размеры по оси у и направлениям, ей параллельным, сокращают наполовину.
Прямоугольная изометрическая проекция
Расположение осей х, у, z в изометрической проекции следующее Ось z проводят вертикально, а оси х и у — под углом 30 к горизонтали. При вычерчивании изометрической проекции размеры по всем трём осям откладывают без сокращения, то есть натуральные

7. ВИДЫ ЧЕРТЕЖА И СООТВЕТСТВУЮЩИЕ ИМ ПРОЕКЦИИ
В черчении изображение обращённой к наблюдателю видимой части поверхности предмета называется видом. Названия видов зависят от того, с какой стороны рассматривают предмет при проецировании (рис. 12).

Исходным на чертеже является вид спереди , который называют также главным видом . Если смотреть на предмет слева, под прямым углом к профильной плоскости проекций получают вид слева . Когда смотрят на предмет сверху, перпендикулярно горизонтальной плоскости проекций получают вид сверху.
Направления, по которым смотрят на деталь, получая тот или иной вид, указаны на рис.11 стрелками с надписями. Каждый вид занимает на чертеже строго определённое место по отношению к главному виду. Вид слева располагают справа от главного вида и на одном уровне с ним, вид сверху - под главным видом. Нельзя нарушать это правило, располагая виды на произвольных местах без особого обозначения.
Зная правило расположения видов можно представить форму предмета по его плоским изображениям. Для этого нужно сопоставить все виды, данные на чертеже и воссоздать в воображении объёмную форму предмета. Наряду с видами спереди, сверху и слева для изображения предмета могут применяться виды справа, снизу, сзади - все они называются основными. Однако количество видов на чертеже должно быть наименьшим, но достаточным для полного выявления формы и размеров предмета.
8. ТЕХНИЧЕСКИЙ РИСУНОК, ЕГО ОТЛИЧИЕ ОТ АКСОНОМЕТРИЧЕСКОГО ИЗОБРАЖЕНИЯ
Для упрощения работы по выполнению наглядных изображений часто пользуются техническими рисунками. Технический, рисунок - это изображение, выполненное от руки, по правилам аксонометрии с соблюдением пропорций на глаз. При этом придерживаются тех же правил, что /и при построении аксонометрических проекций: под теми же углами располагают оси, размеры откладывают вдоль осей или параллельно осям.
Часто на технических рисунках для большего отображения объёмности предмета наносят штриховку.

Технический рисунок детали со штриховкой
9. СЕЧЕНИЯ. ПРАВИЛА ВЫПОЛНЕНИЯ НАЛОЖЕННЫХ И ВЫНЕСЕННЫХ СЕЧЕНИЙ. ВИДЫ ОБОЗНАЧЕНИЙ СЕЧЕНИЙ НА ЧЕРТЕЖЕ
Чтобы показать поперечную форму деталей, пользуются изображениями, называемыми сечениями (рис. 13). Для того, чтобы получить сечение, деталь мысленно рассекают воображаемой секущей плоскостью в том месте, где нужно выявить её форму. Фигура, полученная в результате рассечения детали секущей плоскостью, изображается на чертеже. Следовательно сечением называется изображение фигуры, получающейся при мысленном рассечении предмета плоскостью или несколькими плоскостями.
На сечении показывается только то, что получается непосредственно в секущей плоскости.
Для ясности чертежа сечения выделяют штриховкой. Наклонные параллельные линии штриховки проводят под углом 45° к линиям рамки чертежа, а если они совпадают по направлению с линиями контура или осевыми линиями, то под углом 30° или 60°.

Расположение сечений
В зависимости от расположения сечения подразделяются на вынесенные и наложенные. Вынесенными сечениями называются такие, которые располагаются вне контура изображений (рис. 13).
Наложенными сечениями называются такие, которые располагаются непосредственно на видах чертежа (рис 14.)

Вынесенным сечениям следует отдавать предпочтение перед наложенными, так как последние затемняют чертеж и неудобны для нанесения размеров.
Контур вынесенного сечения обводится сплошной основной линией такой же толщины S, как видимый контур изображения. Контур наложенного сечения обводят сплошной тонкой линией (от S/3 до S/2).
Наложенное сечение располагают в том месте, где проходила секущая плоскость, непосредственно на самом виде, к которому оно относится, то есть как бы накладывают на изображение.
Вынесенное сечение можно располагать на любом месте поля чертежа. Оно может быть помещено непосредственно на продолжении линии сечения (рис. 15).

Или в стороне от этой линии. Вынесенное сечение может быть размещено на месте, предназначенном для одного из видов (см. рис. 13), а также в разрыве между частями одного и того же вида (рис. 16) Для несимметричных наложенных сечений линию сечения проводят со стрелками, но буквами не обозначают (рис. 14).
Обозначение сечений
Положение секущей плоскости указывают на чертеже линией сечения - разомкнутой линией, которая проводится в виде отдельных штрихов, не пересекающих контур соответствующего изображения. Толщина штрихов берётся в пределах от $ до 11/ 2 S, а длина их от 8 до 20 мм. На начальном и конечном штрихах перпендикулярно им, на расстоянии 2-3 мм от конца штриха, ставят стрелки, указывающие направление взгляда. У начала и конца линии сечения ставят одну и ту же прописную букву русского алфавита. Буквы наносят около стрелок, указывающих направление взгляда с внешней стороны, рис. 12. Над сечением делают надпись по типу А-А. Если сечение находится в разрыве между частями одного и того же вида, то при симметричной фигуре линию сечения не проврдяЯ4. Сечение можно располагать с поворотом, тогда к надписи А-А должен быть добавлен символ
повёрнуто О , то есть А-АО.
Некоторые правила построения сечений
На чертеже одной детали может быть столько различных сечений, сколько нужно для полного выявления её формы. Дня нескольких одинаковых сечений, относящихся к одному и тому же предмету, следует линии сечения обозначать одной и той же буквой и вычерчивать одно сечение (рис. 17).

Если секущая плоскость проходит через ось поверхности вращения, ограничивающей отверстие или углубление, то контур отверстия или углубления показывают полностью (рис. 18).

Однако можно заметить, что это относится к изображениям отверстий и углублений цилиндрической, конической и шарообразной формы и не распространяется на изображение в сечении шпоночного паза.
10. МЕСТНЫЙ ВИД, ЕГО НАЗНАЧЕНИЕ
В некоторых случаях на чертеже вместо полного вида можно применить его часть. Это упрощает построение изображения предмета.
Изображение отдельного, ограниченного места поверхности предмета называется местным видом.
Его применяют в том случае, когда требуется показать форму и размеры отдельных элементов детали (фланца, шпоночной канавки и прочее).
Местный вид может быть ограничен линией обрыва, осью симметрии и прочее. Располагают местный вид на свободном поле чертежа или в проекционной связи с другими изображениями. Применение местного вида позволяет уменьшить объём графической работы, сэкономить место на поле чертежа.

11. РАЗРЕЗЫ, ИХ ОТЛИЧИЕ ОТ СЕЧЕНИЙ, ВИДЫ РАЗРЕЗОВ
Внутреннее очертание полых предметов на чертежах можно показать штриховыми линиями, но форма деталей часто требует значительного количества таких линий, которые пересекаясь с контурными и между собой, затрудняют понимание чертежа. Чтобы избежать этого яснее показать внутреннее устройство детали, применяют изображения, называемые разрезом. Разрезом называется изображение предмета, мысленно рассечённого плоскостью или несколькими плоскостями.
На разрезе показывается то, что получается в секущей плоскости я за ней. Иными словами, разрез состоит из сечения и изображения того, что расположено за секущей плоскостью.

Между разрезом и сечением существует различие. Его видно в рис. 20.
Разрез отличается от сечения тем, что на нём показывают не только то, что находится в секущей плоскости, но и то, что наводится за ней.
При выполнении разрезов на чертежах:
1 Невидимые внутренние очертания, изображаемые штриховыми линиями, обводят сплошными основными линиями.
2. Сплошные основные линии, изображающие элементы детали, находящиеся на части детали, расположенной перед секущей плоскостью, не проводят.
3. Фигура сечения, входящая в разрез, заштриховывается.
4. Мысленное рассечение предмета должно относится только к данному разрезу и не влечёт за собой изменения других изображений того же предмета.
Виды разрезов
В зависимости от числа секущих плоскостей разрезы разделяются на простые и сложные.
Простым называется разрез при одной секущей плоскости.
Сложным называется разрез при двух и более секущих плоскостях.
В зависимости от положения секущей плоскости относительно горизонтальной плоскости проекций, разрезы подразделяют на вертикальные, горизонтальные и наклонные.
Вертикальным называется разрез при секущей плоскости, перпендикулярной горизонтальной плоскости проекции.
Горизонтальным называется разрез при секущей плоскости, параллельной горизонтальной плоскости проекции.
Наклонным называется разрез при секущей плоскости, составляющий с горизонтальной плоскостью проекции угол, отличный от прямого.
Вертикальный разрез при секущей плоскости параллельной фронтальной плоскости проекций называется фронтальным разрезом.
Вертикальный разрез при секущей плоскости параллельной профильной плоскости проекций называется профильным разрезом.
Местным разрезом называется разрез, служащий для выяснения устройства предмета лишь в отдельном ограниченном месте.

12. ОСОБЕННОСТИ ВЫЯВЛЕНИЯ РАЗРЕЗА АКСОНОМЕТРИЧЕСКОМ ИЗОБРАЖЕНИИ.
На изображениях, выполненных в аксонометрии, так же, как и на чертеже, применяют разрезы, которые выявляют скрытые внутренние формы предмета.
Для выявления внутреннего устройства детали, которая вычерчена во фронтальной диметрии, в ней вырезана передняя левая часть (рис. 22).

Разрез на аксонометрических изображениях деталей, имеющих симметричную форму, выполняют, как правило, с помощью секущих плоскостей, проходящих вдоль плоскости симметрии детали (рис. 23).
Разрез на этом изображении построен с помощью фронтальной и профильной секущих плоскостей, вырезана передняя правая часть.

Построение разреза в аксонометрии заключается в следующем: сначала строят в аксонометрии полное изображение предмета. Затем наносят контур сечения, образуемый каждой секущей плоскостью. После этого убирают изображение отсечённой части, а затем обводят оставшуюся часть.
Части предметов, которые попадают в секущую плоскость, заштриховывают. Штриховку для различных секущих плоскостей выполняют в разные стороны. Направление штриховки наносят параллельно гипотенузе равнобедренных прямоугольных треугольников, лежащих в соответствующих координатных плоскостях.
На одном чертеже может быть несколько разрезов (рис. 21). Но каждый из них должен быть целесообразным. Разрез обычно располагают в проекционной связи: фронтальный - на месте главного вида; профильный -на месте вида слева; горизонтальный - на месте вида сверху.
Если секущая плоскость совпадает с плоскостью симметрии детали и разрез расположен в проекционной связи, его не обозначают, В остальных случаях разрез обозначают так же, как и сечений, разомкнутой линией. Стрелки с буквами показывают направление взгляда. Над разрезом пишут те же буквы через тире.
13. РАЗЪЁМНЫЕ И НЕРАЗЪЁМНЫЕ СОЕДИНЕНИЯ. ВИДЫ РАЗЪЁМНЫХ СОЕДИНЕНИЙ
Каждое изделие - сборочная единица, состоит из отдельных деталей, которые соединены между собой подвижно или неподвижно. В зависимости от технических и эксплуатационных требований соединения бывают неразъёмные и разъёмные.
Неразъёмные соединения характеризуются тем, что их нельзя разбирать без повреждения соединяющих элементов. К таким соединениям относятся заклёпочные и сварные соединения, а также соединения склеиванием, пайкой.
Разъёмные соединения характеризуются тем, что их можно многократно собирать и разбирать без повреждения соединяющих или соединяемых элементов. К ним относятся клиновые, штифтовые, шпоночные, шлицевые и резьбовые соединения.
14. ПРАВИЛА ИЗОБРАЖЕНИЯ РЕЗЬБЫ НА ЧЕРТЕЖАХ (НА СТЕРЖНЕ И В
ОТВЕРСТИИ)
Многие детали имеют резьбу , которая служит для их соединения. С помощью резьбы осуществляют также передачу движения. Наиболее распространена метрическая резьба, имеющая треугольный профиль с углом 60° при вершине.
Резьба на чертежах изображается условно. Это значит, что её не рисуют такой, как мы её видим, а вычерчивают упрощённо по правилам, установленным государственными стандартами.
Резьба на стержне
Согласно этим правилам, резьбу на стержне (наружную резьбу) независимо от её профиля изображают сплошными основными линиями по наружному диаметру и сплошными тонкими линиями по внутреннему диаметру резьбы (рис. 24).

При этом на виде слева по внутреннему диаметру резьбы проводят тонкой линией дугу, равную 3/4 окружности. Эта дуга может быть разомкнута в любом месте, но не на центровых линиях. При этом фаску не показывают. Внутренний диаметр резьбы при вычерчивании условно принимаем равным 0,85 от наружного (d) . Резьба, показанная как невидимая, изображается штриховыми линиями и по наружному и по внутреннему диаметру.

Резьба в отверстии
Резьбу в отверстии на разрезе показывают сплошными тонкими линиями по наружному диаметру и сплошными толстыми линиями по внутреннему диаметру. Штриховку на разрезе всегда доводят до сплошной толстой линии. Границу видимой резьбы проводят до линии наружного её диаметра и изображают сплошной толстой линией (рис. 26).

15. СБОРОЧНЫЕ И РАБОЧИЕ ЧЕРТЕЖИ. ИХ СХОДСТВО И РАЗЛИЧИЯ
Деталью называется изделие, изготовленное из однородного по наименованию и марке материала без применения сборочных операций.
Элементом детали называется отдельная её часть, имеющая определённое назначение, например, канавка, фаска, галтель, ребро, резьба.
Рабочие чертежи деталей должны содержать все необходимые данные для их изготовления и контроля; изображения формы; указания о конструкции; необходимые размеры; предельные отклонения размеров; требования к шероховатости поверхностей. Сведения о материале, термической обработке, отделке и другие, которым деталь должна соответствовать перед выполнением операции сборки сборочной единицы, содержащей данную деталь.
Марки материалов указывают на чертежах в соответствии с присвоенными им в стандартах обозначениями. Большинство этих данных содержится на самом графическом изображении, а ту часть из них, которая не может быть выражена графически, указывают надписью в технических требованиях на поле чертежа, на полках линий-выносок, проводимых от соответствующих элементов изображения, а также в основной надписи.
Техническими требованиями называются указания, размещаемые на чертеже над основной надписью и содержащие все не изображаемые графически требования к готовой детали, которым присваиваются порядковые номера. На чертежах деталей всегда дают столько изображений, сколько их необходимо для полного и ясного представления о форме детали. При вычерчивании деталей сложной конструкции кроме основных видов применяют дополнительные изображения и выносные, элементы, чтобы показать полностью форму и размеры конструктивных элементов деталей (фасок, канавок, гнёзд и т.п.), то есть привести все данные для изготовления. Особое внимание при выполнении рабочих чертежей следует обращать на простановку размеров. Размеры наносят согласно правилам, Размеры на рабочих чертежах деталей, определяющих расположение сопрягаемых поверхностей, проставляют, как правило, от конструктивных баз, учитывая возможности соблюдения и контроля этих размеров.
Конструктивными базами называют поверхности, линии или точки детали, по отношению к которым ориентируют другие её элементы.
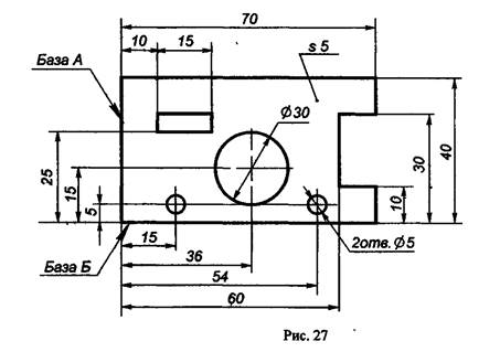
Общее количество размеров на чертеже должно быть минимальным, но достаточным для изготовления и контроля изделия; не допускается повторять размеры одного и того же элемента на разных изображениях. Чтобы получить наиболее понятное и удобное для чтения расположение размеров, знаков и надписей на чертежах, их размещают по возможности равномерно на всех изображениях. Размеры нескольких одинаковых элементов изделия наносят один раз, указывая на полке линии-выноски количество этих элементов (рис. 27).

Сборочным чертежом называют конструкторский документ, содержащий изображение сборочной единицы, состоящей из двух и более деталей и другие данные, необходимые для её сборки (изготовления) и контроля. Сборочный чертёж должен давать полное представление о назначении данной сборочной единицы: о том, какие детали и в каком количестве в неё входят, о взаимном расположении всех деталей и способе их соединения между собой; об относительном движении или взаимодействии отдельных деталей; о последовательности сборки.
Чтобы правильно прочитать сборочный чертёж, необходимо учитывать следующие особенности его оформления. При выполнении сборочных чертежей действует большинство правил, установленных для чертежей деталей: так же в проекционной связи располагаются изображения для выявления формы изделий, применяются виды, сечения, разрезы; таково же назначение и начертание линий чертежа; такие же размеры форматов и т.п.
Разрезы и сечения на сборочных чертежах служат для выявления внутреннего устройства сборочной единицы и взаимосвязи, входящих в неё деталей. Разрез на сборочном чертеже представляет собой совокупность разрезов отдельных деталей; входящих в сборочную единицу, изображённую на чертеже При штриховке каждой детали, входящей в сборочную единицу, соблюдают следующее правило: сечения двух соприкасающихся металлических деталей заштриховывают в разные стороны. На сборочных чертежах применяют упрощённое изображение резьбовых соединений, крепёжных деталей, пружин, зубчатых колёс и другие.
Винты, болты, крепёжные гайки и шайбы, заклёпки, шпонки, не пустотелые валы и шпиндели, шатуны, рукоятки показывают на сборочных чертежах не рассеченными, если разрез оказывается продольным.
При простановке размеров учитывают, что по сборочному чертежу детали не изготавливают, а только собирают изображённое на нём изделие, поэтому нет никакой необходимости в простановке размеров деталей. Проставляют только основные размеры, такие как: габаритные размеры изделия; расстояния между центрами крепёжных отверстий; эксплуатационные, установочные и присоединительные размеры (все они справочные), прочие размеры, необходимые для сборки.
На сборочных чертежах все составные части сборочной единицы нумеруют. Номера позиций указывают на полках линий-выносок, проводимых от изображений составных частей, Номера позиций наносят на чертеже, как правило, на основных видах один раз, всегда располагают параллельно основной надписи чертежа вне контура изображения и группируют в колонку или строчку.
Спецификацию - (список всех составных частей сборочной единицы и документов, на основании которых должны эти части изготавливаться, налаживаться, проверяться) помещают на отдельных листах формата А4. Спецификация определяет состав сборочной единицы, она необходима для планирования и запуска изделий в производство.
16. ОТЛИЧИЯ МАШИНОСТРОИТЕЛЬНОГО ЧЕРТЕЖА ОТ СТРОИТЕЛЬНОГО
Чертежи, предназначенные для изготовления по ним различных изделий машиностроения, называются машиностроительными.
При изображении деталей на машиностроительных чертежах применяют виды, разрезы и сечения, а в отдельных случаях используют и аксонометрию. Количество видов, разрезов, сечений должно быть наименьшим, но обеспечивающим полное представление о детали при установленных стандартами условных обозначениях и упрощениях.
Чертёж предмета должен давать полное представление о форме изображённого предмета, а также содержать сведения о способах его изготовления. Вместе с тем чертёж предмета должен быть лаконичным и содержать минимальное количество изображений и текста, достаточных для свободного чтения чертежа, изготовления по нему детали и его контроля.
Для лучшего понимания и чтения чертежи должны составляться по общим правилам. Все требования к оформлению чертежей, а также условные обозначения, содержащиеся на чертежах, должны быть единообразными. Поэтому при составлении машиностроительных чертежей необходимо руководствоваться основными положениями ГОСТов "Единой системы конструкторской документации".
Строительными чертежами называют чертежи и относящиеся к ним текстовые документы, которые содержат проекционные изображения здания или его частей и другие данные, необходимые для его возведения, а также для изготовления строительных изделий и конструкций.
Объектами строительного черчения являются различные сооружения: жилые дома, общественные здания, спортивные сооружения, плотины, мосты и другие. Эти сооружения отличаются от машиностроительных объектов (изделий), в частности, размерами и применяемыми для их изготовления материалами (размеры зданий измеряются десятками метров, длины мостов и плотин -сотнями" метров; в качестве строительных материалов для сооружений применяют древесину, кирпич, бетон, металл и другие), что требует особых приёмов для оформления и выполнения строительных чертежей.
В строительном черчении используют следующие основные виды чертежей: генеральные планы участка местности или площади застройки; общие чертежи зданий и сооружений - фасады, планы, разрезы. Название видов строительных чертежей определяет их содержание. Размеры на строительных чертежах в отличие от машиностроительных чертежей можно проставлять в сантиметрах, а в некоторых случаях разрешается давать размеры в метрах, указывая единицу измерения. Линейные размеры на машиностроительных чертежах указывают в миллиметрах.
17. ОСНОВНЫЕ ТРЕБОВАНИЯ К ВЫБОРУ СПОСОБОВ ИЗОБРАЖЕНИЯ ДЕТАЛЕЙ НА ЧЕРТЕЖЕ
(выбор главного вида; определение необходимого и достаточного количества изображений для выявления конструктивной формы детали)
При выполнении чертежа необходимо правильно определить количество изображений и положение Детали на главном изображении.
Количество изображений (видов, разрезов, сечений) должно быть наименьшим, но полностью выявляющим форму предмета. Выбор положения детали для получения главного изображения, которое может быть как видом» так и разрезом, имеет большое значение. Оно должно давать наиболее полное представление о форме и размерах детали.
Обычно деталь показывают в положении, которое она занимает при обработке. Поэтому ось деталей, получаемых точением, располагают горизонтально. Это облегчает рабочему изготовление детали по чертежу, так как и на чертеже и на станке он видит её в одинаковом положении.
Выбор положения детали на главном изображении в значительной степени определяет количество изображений на чертеже. Предмет стараются располагать так, чтобы большая часть его элементов на главном виде изображалась как видимая. В целях сокращения количества изображений, на чертеже установлен ряд условностей и упрощений, облегчающих их выполнение.
![]()
1.
Применение условных знаков и позволяет ограничиться одним изображением (видом, разрезом)
цилиндрических, конических и призматических элементов (рис. 28).

2 . Если нужно выделить на изображении детали плоскую поверхность, то её отмечают тонкими сплошными пересекающимися линиями (диагоналями) (рис. 28).
3. Благодаря нанесению условных обозначений толщины (s3) и длины (L300) детали, плоские и длинные предметы можно показать одной проекцией (рис. 10).
4 . Чтобы сделать короче изображение длинной детали, не меняя масштаба, применяют разрыв, используя для этого сплошные волнистые линии. Размерную линию при этом не разрывают (рис. 28).
ПРАКТИЧЕСКИЕ ЗАДАНИЯ
№1



ЛИТЕРАТУРА
1. В.Н. Виноградов, И. С. Вышнепольский . Черчение. Москва, "Просвещение", 1993
2. АА Матвеев, ДМ Борисов. Черчение, Москва "Высшая школа", 1980
3. Ю.И. Короев . 'Черчение для строителей", Москва Высшая школа", 1982
4. И.С. Вышнепольский . "Техническое черчение", Москва, "Высшая школа",1988
5. Л.И. Новичихина . "Справочник по техническому черчению", Минск, "Высшая школа", 1976
СОДЕРЖАНИЕ
1. Основные линии чертежа, особенности их начертания в соответствии
с государственным стандартом
2. Правила оформления чертежа
3. Основные правила нанесения размеров на чертежах
4. Особенности применения и обозначения масштаба на машиностроительных и
строительных чертежах
5. Особенности чертежного шрифта
6. Основные способы проецирования. Примеры центрального и прямоугольного про-
ецирования из жизненной практики
7. Виды чертежа и соответствующие им проекции
8. Технический рисунок, его отличие от аксонометрического изображения
9. Сечения. Правила выполнения наложенных и вынесенных сечений. Виды обозначе
ний сечений на чертеже
10. Местный вид, его назначение
11. Разрезы, их отличие от сечений, виды разрезов
12. Особенности выявления разреза на аксонометрическом изображении "
13. Разъёмные и неразъемные соединения Виды разъёмных соединений
14. Правила изображения резьбы на чертежах
15. Сборочные и рабочие чертежи. Их сходство и различия
16. Отличия машиностроительного чертежа от строительного
17. Основные требования к выбору способов изображений деталей на чертеже
18. Практические задания
19. Литература
Похожие рефераты:
Основы проектирования и конструирования
Усовершенствование технологического процесса механической обработки детали "Стакан"
Разработка и изготовление декоративной резной вазы с подставкой
Автоматизированное проектирование деталей крыла
Технологии проектирования в инженерных средах
Системы автоматизированного проектирования и черчения
Технология нарезания резьбы на изделиях из стеклопластика типа трубы
Автоматизация производственных систем