| Похожие рефераты | Скачать .docx |
Реферат: Литьё цветных металлов в металлические формы - кокили
Министерство образования Российской Федерации
КУБАНСКИЙ ГОСУДАРСТВЕННЫЙ ТЕХНОЛОГИЧЕСКИЙ УНИВЕРСИТЕТ
Кафедра АПП
“Литьё цветных металлов в металлические формы (кокили)”.
Выполнил: студент
Группы 01-КТ-61
Агранович Олег
Проверил: Лецик В.И.
Краснодар 2003 год.
ОГЛАВЛЕНИЕ.. 2
СУЩНОСТЬ ПРОЦЕССА. ОСНОВНЫЕ ОПЕРАЦИИ. ОБЛАСТЬ ИСПОЛЬЗОВАНИЯ.. 3
КОКИЛИ.. 6
Общие сведения. 6
Элементы конструкции кокилей. 7
Материалы для кокилей. 9
Изготовление кокилей. 10
Стойкость кокилей и пути ее повышения. 11
ТЕХНОЛОГИЯ ЛИТЬЯ В КОКИЛЬ.. 13
Технологические режимы литья. 13
Особенности изготовления отливок из различных сплавов. 15
Отливки из алюминиевых сплавов. 16
Отливки из магниевых сплавов. 19
Отливки из медных сплавов. 20
Финишные операции и контроль отливок из цветных сплавов. 21
Дефекты отливок из цветных сплавов и меры их предупреждения. 21
СУЩНОСТЬ ПРОЦЕССА. ОСНОВНЫЕ ОПЕРАЦИИ. ОБЛАСТЬ ИСПОЛЬЗОВАНИЯ
Кокиль (от франц. coquille) — металлическая форма, которая заполняется расплавом под действием гравитационных сил. В отличие от разовой песчаной формы кокиль может быть использован многократно. Таким образом, сущность литья в кок и ли состоит в применении металлических материалов для изготовления многократно используемых литейных форм, металлические части которых составляют их основу и формируют конфигурацию и свойства отливки.
Кокиль (рис. 2.1) обычно состоит из двух полуформ 1, плиты 2, вставок 10. Полуформы взаимно центрируются штырями 8, и перед заливкой их соединяют замками 9. Размеры рабочей полости 13 кокиля больше размеров отливки на величину усадки сплава. Полости и отверстия в отливке могут быть выполнены металлическими 11 или песчаными 6 стержнями, извлекаемыми из отливки после ее затвердевания и охлаждения до заданной температуры. Расплав заливают в кокиль через литниковую систему 7, выполненную в его стенках, а питание массивных
узлов отливки осуществляется из прибылей (питающих выпоров) 3.
При заполнении кокиля расплавом воздух и газы удаляются из егорабочей полости через вентиляционные выпоры 4,
пробки 5, каналы 12,
образующие вентиляционную систему кокиля.
Основные элементы кокиля — полуформы, плиты, вставки, стержни т. д.— обычно изготовляют из чугуна или стали. Выше рассмотрен кокиль простой конструкции, но в практике используют кокили различных, весьма сложных конструкций.
Основные операции технологического процесса.
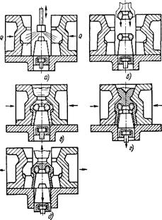
Перед заливкой расплава новый кокиль подготовляют к работе: поверхность рабочей полости и разъем тщательно очищают от следов загрязнений, ржавчины, масла; проверяют легкость перемещения подвижных частей, точность их центрирования, надежность крепления. Затем на поверхность рабочей полости и металлических стержней наносят слой огнеупорного покрытия (рис. 2.2, а) — облицовки и краски. Состав облицовок и красок зависит в основном от заливаемого сплава, а их толщина — от требуемой скорости охлаждения отливки: чем толще слой огнеупорного покрытия, тем медленнее охлаждается отливка. Вместе с тем слой огнеупорного покрытия предохраняет рабочую поверхность формы от резкого повышения ее температуры при заливке, расплавления и схватывания с металлом отливки. Таким образом, облицовки и краски выполняют две функции: защищают поверхность кокиля от резкого нагрева и схватывания с отливкой и позволяют регулировать скорость охлаждения отливки, а значит, и процессы ее затвердевания, влияющие на свойства металла отливки.
Перед нанесением огнеупорного покрытия кокиль нагревают газовыми горелками или электрическими нагревателями до температуры 423—453 К. Краски наносят на кокиль обычно в виде водной суспензии через пульверизатор. Капли водной суспензии, попадая на поверхность нагретого кокиля, испаряются, а огнеупорная составляющая ровным слоем покрывает поверхность.
После нанесения огнеупорного покрытия кокиль нагревают до рабочей температуры, зависящей в основном от состава заливаемого сплава, толщины стенки отливки, ее размеров, требуемых свойств.Обычно температура нагрева кокиля перед заливкой 473—623 К. Затем в кокиль устанавливают песчаные или керамические стержни (рис. 2.2, б), если таковые необходимы для получения отливки; половины кокиля соединяют (рис. 2.2, в) и скрепляют специальными зажимами, а при установке кокиля на кокильной машине с помощью ее механизма запирания, после чего заливают расплав в кокиль. Часто в процессе затвердевания и охлаждения отливки, после того как отливка приобретет достаточную прочность, металлические стержни «подрывают», т. е. частично извлекают из отливки (рис. 2.2, г) до ее извлечения из кокиля. Это делают для того, чтобы уменьшить обжатие усаживающейся отливкой металлического стержня и обеспечить его извлечение из отливки. После охлаждения отливки до заданной температуры кокиль раскрывают, окончательно извлекают металлический стержень и удаляют отливку из кокиля (рис. 2.2, д). Из отливки выбивают песчаный стержень, обрезают литники, прибыли, выпоры, контролируют качество отливки. Затем цикл повторяется.
Перед повторением цикла осматривают рабочую поверхность кокиля, плоскость разъема. Обычно огнеупорную краску наносят на рабочую поверхность кокиля 1—2 раза в смену, изредка восстанавливая ее в местах, где она отслоилась от рабочей поверхности. После этого при необходимости, что чаще бывает при литье тонкостенных отливок или сплавов с низкой жидкотекучестью, кокиль подогревают до рабочей температуры, так как за время извлечения отливки и окраски рабочей поверхности он охлаждается. Если же отливка достаточно массивная, то, наоборот, кокиль может нагреваться ее теплотой до температуры большей, чем требуемая рабочая, и перед следующей заливкой его охлаждают. Для этого в кокиле предусматривают специальные системы охлаждения,
Как видно, процесс литья в кокиль — малооперацион-н ы и. Манипуляторные операции достаточно просты и кратковре-менны, а лимитирующей по продолжительности операцией является охлаждение отливки в форме до заданной температуры. Практически все операции могут быть выполнены механизмами машины или автоматической установки, что является существенным преимуществом способа, и, конечно, самое главное — исключается трудоемкий и материалоемкий процесс изготовления формы: Кокиль используется многократно.
Особенности формирования и качество отливок. Кокиль — металлическая форма, обладающая по сравнению с песчаной значительно большей теплопроводностью, теплоемкостью, прочностью, практически нулевыми газопроницаемостью и газотвор-. ностью. Эти свойства материала кокиля обусловливают рассмотренные ниже особенности его взаимодействия с металлом отливки.
1. Высокая эффективность теплового взаимодействия между отливкой и формой: расплав и затвердевающая отливка охлаждаются в кокиле быстрее, чем в песчаной форме, т. е. при одинаковых гидростатическом напоре и температуре заливаемого расплава заполняемость кокиля обычно хуже, чем песчаной формы. Это осложняет получение в кокилях отливок из сплавов с пониженной жидкотекучестью и ограничивает минимальную толщину стенок и размеры отливок. Вместе с тем повышенная скорость охлаждения способствует получению плотных отливок с мелкозернистой структурой, что повышает прочность и пластичность металла отливок. Однако в отливках из чугуна, получаемых в кокилях, вследствие особенностей кристаллизации часто образуются карбиды, ферритографитная эвтектика, отрицательно влияющие на свойства чугуна: снижается ударная вязкость, износостойкость, резко возрастает твердость в отбеленном поверхностном слое, что затрудняет обработку резанием таких отливок и приводит к необходимости подвергать их термической обработке (отжигу) для устранения отбела.
2. Кокиль практически неподатлив и более интенсивно препятствует усадке отливки, что затрудняет извлечение ее из формы, может вызвать появление внутренних напряжений, коробление и трещины в отливке.
Однако размеры рабочей полости кокиля могут быть выполнены значительно точнее, чем песчаной формы. При литье в кокиль отсутствуют погрешности, вызываемые расталкиванием модели, упругими и остаточными деформациями песчаной формы, снижающими точность ее рабочей полости и соответственно отливки. Поэтому отливки в кокилях получаются более точными. Точность отливок в кокилях обычно соответствует 12—15-ам квалитетам по СТ СЭВ 145—75. При этом точность по 12-му квалитету возможна для размеров, расположенных в одной части формы. Точность размеров, расположенных в двух и более частях формы, а также оформляемых подвижными частями формы, ниже. Коэффициент точности отливок по массе достигает 0,71, что обеспечивает возможность уменьшения припусков на обработку резанием.
3. Физико-химическое взаимодействие металла отливки и кокиля минимально, что способствует повышению качества поверхности отливки. Отливки в кокиль не имеют пригара. Шероховатость поверхности отливок определяется составами облицовок и красок, наносимых на поверхность рабочей полости формы, и соответствует Rz = 80-10 мкм, но может быть и меньше.
4. Кокиль практически газонепроницаем, но и газотворность его минимальна и определяется в основном составами огнеупорных покрытий, наносимых на поверхность рабочей полости. Однако газовые раковины в кокильных отливках — явление не редкое. Причины их появления различны, но в любом случае расположение отливки в форме, способ подвода расплава и вентиляционная система должны обеспечивать удаление воздуха и газов из кокиля при заливке.
Эффективность производства и область применения. Эффективность производства отливок в кокиль, как, впрочем, и других способов литья, зависит от того, насколько полно и правильно инженер-литейщик использует преимущества этого процесса, учитывает его особенности и недостатки в условиях конкретного производства.
Ниже приведены преимущества литья в кокиль на основе
производственного опыта.
1. Повышение производительности труда в результате исключения трудоемких операций смесеприготовления, формовки, очистки отливок от пригара. Поэтому использование литья в кокили, по данным различных предприятий, позволяет в 2—3 раза повысить производительность труда в литейном цехе, снизить капитальные затраты при строительстве новых цехов и реконструкции существующих за счет сокращения требуемых производственных площадей, расходов на оборудование, очистные сооружения, увеличить съем отливок с 1 м площади цеха.
2. Повышение качества отливки, обусловленное использованием металлической формы, повышение стабильности показателей качества: механических свойств, структуры, плотности, шероховатости, точности размеров отливок.
3. Устранение или уменьшение объема- вредных для здоровья работающих операций выбивки форм, очистки отливок от пригара, их обрубки, общее оздоровление и улучшение условий труда, меньшее загрязнение окружающей среды.
4. Механизация и автоматизация процесса изготовления отливки, обусловленная многократностью использования кокиля. При литье в кокиль устраняется сложный для автоматизации процесс изготовления литейной формы. Остаются лишь сборочные операции: установка стержней, соединение частей кокиля и их крепление перед заливкой, которые легко автоматизируются. Вместе с тем устраняется ряд возмущающих факторов, влияющих па качество отливок при лигье в песчаные формы, таких, как влажность, прочность, газопроницаемость формовочной смеси, что делает процесс литья в кокиль более управляемым. Для получения отливок заданного качества легче осуществить автоматическое регулирование технологических параметров процесса. Автоматизация процесса позволяет улучшить качество отливок, повысить эффективность производства, изменить характер труда литейщика-оператора, управляющего работой таких комплексов.
Литье в кокили имеет и недостатки.
1. Высокая стоимость кокиля, сложность и трудоемкость его
изготовления.
2. Ограниченная стойкость кокиля, измеряемая числом годных отливок, которые можно получить в,данном кокиле (см. табл. 2.3). От стойкости кокиля зависит экономическая эффективность процесса особенно при литье чугуна и стали, и поэтому повышение стойкости кокиля является одной из важнейших проблем технологии кокильного литья этих сплавов.
3. ложность получения отливок с поднутрениями, для выполнения которых необходимо усложнять конструкцию формы — делать дополнительные разъемы, использовать вставки, разъемные металлические или песчаные стержни.
4. Отрицательное влияние высокой интенсивности охлаждения расплава в кокиле по сравнению с песчаной формой. Это ограничивает возможность получения тонкостенных протяженных отливок, а в чугунных отливках приводит к отбелу поверхностного слоя, ухудшающему обработку резанием; вызывает необходимость термической обработки отливок.
5. Неподатливый кокиль приводит к появлению в отливках напряжений, а иногда к трещинам.
Преимущества и недостатки этого способа определяют р а-циональную область его использования: экономически целесообразно вследствие высокой стоимости кокилей применять этот способ литья только в серийном или массовом производстве. Серийность при литье чугуна должна составлять более 20 крупных , или более 400 мелких отливок в год, а при литье алюминиевых — не менее 400—700 отливок в год.
Эффективность литья в кокиль обычно определяют в сравнении с литьем в песчаные формы. Экономический эффект достигается благодаря устранению формовочной смеси, повышению качества отливок, их точности, уменьшению припусков на обработку, снижению трудоемкости очистки и обрубки отливок, механизации и автоматизации основных операций и, как следствие, повышению производительности и улучшению условий труда.
Таким образом, литье в кокиль с полным основанием следует отнести к трудо- и материалосберегающим, малооперационным и малоотходным технологическим процессам, улучшающим условия труда в литейных цехах и уменьшающим вредное воздействие на окружающую среду.
Общие сведения
В производстве используют кокили различных конструкций.
Классификация конструкций кокилей. В зависимости от расположения поверхности разъема кокили бывают: неразъемные (вытряхные); с вертикальной плоскостью разъема; с горизонтальной плоскостью разъема; со сложной (комбинированной) поверхностью разъема.
Неразъемные, или вытряхные, кокили (рис. 2.3) применяют в тех случаях, когда конструкция отливки позволяет удалить ее вместе с литниками из полости кокиля без его разъема. Обычно эти отливки имеют достаточно простую конфигурацию.
![]()
Кокили с вертикальной плоскостью разъема (см. рис. 2.1) состоят из двух или более полуформ. Отливка может располагаться целиком в одной из половин кокиля, в двух половинах кокиля, одновременно в двух половинах кокиля и в нижней плите.


Кокили с горизонтальным разъемом (рис. 2.4) применяют преимущественно для простых по конфигурации, а также крупногабаритных отливок, а в отдельных случаях для отливок достаточно сложной конфигурации.
Кокили со сложной (комбинированной) поверхностью разъема (рис. 2.5) используют для изготовления отливок сложной конфигурации.
По числу рабочих полостей (гнезд), определяющих возможность одновременного, с одной заливки, изготовления того или иного количества отливок, кокили разделяют на одноместные (см. рис. 2.1) и многоместные (см. рис. 2.4).
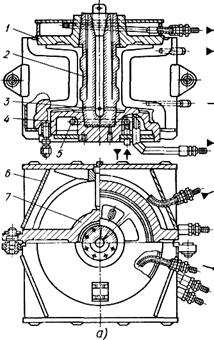
В зависимости от способа охлаждения различают кокили с воздушным (естественным и принудительным), с жидкостным (водяным, масляным) и с комбинированным (водо-воздушным и т. д.) охлаждением. Воздушное охлаждение используют для малотеплонагруженных кокилей. Водяное охлаждение используют обычно для высокотеплонагруженных кокилей, а также для повышения скорости охлаждения отливки или ее отдельных частей. На рис. 2.6 представлен кокиль с воздушным охлаждением. Ребра на стенках кокиля увеличивают поверхность соприкосновения охладителя — воздуха — с кокилем и соответственно теплоотвод. На рис. 2.7 представлен водоохлаждаемый кокиль для отливки барабана шахтной лебедки из высокопрочного чугуна. Вода подается раздельно в обе половины кокиля, нижнюю плиту и верхнюю крышку.
Элементы конструкции кокилей
Кокиль, как и любая литейная форма,— ответственный и точный инструмент. Технические требования к кокилям оговорены ГОСТом. Конструктивное исполнение основных элементов кокилей — полуформ, плит, металлических стержней, вставок — зависит от конфигурации отливки, а также от того, предназначена ли форма для установки на кокильную машину.
К основным конструктивным элементам кокилей относят:


![]()



формообразующие элементы — половины кокилей, нижние плиты (поддоны), вставки, стержни; конструктивные элементы — выталкиватели, плиты выталкивателей, запирающие механизмы, системы нагрева и охлаждения кокиля и отдельных его частей, вентиляционную систему, центрирующие штыри и втулки.
Корпус кокиля или его половины выполняют коробчатыми, с ребрами жесткости. Ребра жесткости на тыльной, нерабочей стороне кокиля делают невысокими, толщиной 0,7—0,8 толщины стенки кокиля, сопрягая их галтелями с корпусом. Толщина стенки кокиля зависит от состава заливаемого сплава и его температуры, размеров и толщины стенки отливки, материала, из которого изготовляется кокиль, конструкции кокиля. Толщина стенки кокиля должна быть достаточной, чтобы обеспечить заданный режим охлаждения отливки, достаточную жесткость кокиля и минимальное его коробление при нагреве теплотой залитого расплава, стойкость против растрескивания.
Размеры половин кокиля должны позволять размещать его на плитах кокильной машины. Для крепления на плитах машины кокиль имеет приливы.
Стержни в кокилях могут быть песчаными и металлическими.
Песчаные стержни для кокильных отливок должны обладать пониженной газотворностью и повышенной поверхностной прочностью. Первое требование обусловлено трудностями удаления газов из кокиля; второе — взаимодействием знаковых частей стержней с кокилем, в результате чего отдельные песчинки могут попасть в полость кокиля и образовать засоры в отливке. Стержневые смеси и технологические процессы изготовления песчаных стержней могут быть различными — по горячим ящикам (сплошные и оболочковые стержни), из холоднотвердеющих смесей и т. д.
В любом случае использование песчаных стержней в кокилях вызывает необходимость организации дополнительной технологической линии для изготовления стержней в кокильном цехе. Однако в конечном счете использование кокилей в комбинации с песчаными стержнями в большинстве случаев оправдывает себя экономически.
Металлические стержни применяют, когда это позволяют конструкция отливки и технологические свойства сплава. Использование металлических стержней дает возможность повысить скорость затвердевания отливки, сократить продолжительность цикла ее изготовления, в отдельных случаях повысить механические свойства и плотность (герметичность). Однако при использовании металлических стержней возрастают напряжения в отливках, увеличивается опасность появления в них трещин из-за затруднения усадки.
Металлические стержни, выполняющие наружные поверхности отливки, называют вкладышами (рис. 2.8, а). Вкладыши затрудняют механизацию и автоматизацию процесса, так как их уста-



навливают и удаляют вручную. Металлические тержни, выполняющие отверстии и полости простых очертаний (рис. 2.8, б, см. рис. 2.1.) до момента полного извлечения отливки «подрывают» для уменьшения усилия извлечения стержня. Полости более сложных очертаний выполняются разъемными (рис. 2.8, в) или поворотными (рис. 2.8, г) металлическими стержнями.
Для надежного извлечения стержней из отливки они должны иметь уклоны 1—5°, хорошие направляющие во избежание перекосов, а также надежную фиксацию в форме.
Во многих случаях металлические стержни делают водоохлаж-даемыми изнутри. Водяное охлаждение стержня обычно включают после образования в отливке прочной корочки. При охлаждении размеры стержня сокращаются так, что между ним и отливкой образуется зазор, который уменьшает усилие извлечения стержня из отливки.
![]()

Для извлечения стержней в кокилях предусматривают винтовые, эксцентриковые, реечные, гидравлические и пневматические механизмы. Конструкции этих устройств выполняют в соответствии с действующими ГОСТами.
Вентиляционная система должна обеспечивать направленное вытеснение воздуха из кокиля расплавом. Для выхода воздуха используют открытые выпоры, прибыли, зазоры по плоскости разъема
и между подвижными частями (вставками, стержнями) кокиля и специальные вентиляционные каналы: по плоскости разъема делают газоотводные каналы / (см. Б — Б на рис. 2.9), направленные по возможности вверх. В местных углублениях формы при заполнении их расплавом могут образовываться воздушные мешки (см. А — А). В этих местах в стенке кокиля устанавливают вентиляционные пробки 2. При выборе места установки вентиляционных пробок необходимо учитывать последовательность заполнения формы расплавом.
Центрирующие элементы — контрольные штыри и втулки—предназначены для точной фиксации половин кокиля при его сборке. Обычно их количество не превышает двух. Их располагают в диагонально расположенных углах кокиля.
Запирающие механизмы предназначены для предотвращения раскрытия кокиля и исключения прорыва расплава по его разъему при заполнении, а также для обеспечения точности отливок. В ручных кокилях применяют эксцентриковые, клиновые, винтовые замки и другие устройства, обеспечивающие плотное соединение частей кокиля.
Закрытие и запирание кокилей, устанавливаемых на машинах, осуществляется пневматическим или гидравлическим приводом подвижной плиты машины.
Системы нагрева и охлаждения предназначены для поддержания заданного температурного режима кокиля. Применяют электрический и газовый обогрев. Первый используется для общего нагрева кокиля, второй более удобен для общего и местного нагрева. Конструкции охлаждаемых кокилей рассмотрены выше.
Удаление отливки из кокиля осуществляется специальными механизмами. При раскрытии кокиля отливка должна оставаться в одной из его половин, желательно в подвижной, чтобы использовать ее движение для выталкивания отливки. Поэтому выполняют на одной стороне отливки меньшие, а на другой большие уклоны, специальные технологические приливы и предусматривают несимметричное расположение литниковой системы в кокиле (целиком в одной половине кокиля). При изготовлении крупных отливок должно быть обеспечено удаление отливки из обеих половин кокиля. Отливки из кокиля удаляются выталкивателями, которые располагают на неответственных поверхностях отливки или литниках равномерно по периметру отливки, чтобы не было перекоса и заклинивания ее в кокиле. Выталкиватели возвращаются в исходное положение пружинами (небольшие кокили) или контртолкателями.
Материалы для кокилей
В процессе эксплуатации в кокиле возникают значительные термические напряжения вследствие чередующихся резких нагревов при заливке и затвердевании отливки и охлаждений при раскрытии кокиля и извлечении отливки, нанесении на рабочую поверхность огнеупорного покрытия. Кроме знакопеременных термических напряжений под действием переменных температур в материале кокиля могут протекать сложные структурные изменения, химические процессы. Поэтому материалы для кокиля, особенно для его частей, непосредственно соприкасающихся с расплавом, должны хорошо противостоять термической усталости, иметь высокие механические свойства и минимальные структурные превращения при температурах эксплуатации, обладать повышенной ростоустойчивостью и окалиностойкостью, иметь минимальную диффузию отдельных элементов при циклическом воздействии температур, хорошо обрабатываться, быть недефицитными и недорогими. Производственный опыт показывает, что для рабочих стенок кокилей достаточно полно указанным требованиям отвечают приведенные ниже материалы.
| СЧ20, СЧ25 | кокили для мелких и средних отливок из алюминиевых, магниевых, медных сплавов, чугуна; кокили с воздушным и водовоздушным охлаждением |
| ВЧ42-12, ВЧ45-5 | Кокили для мелких, средних и крупных отливок из чугунов: серого, высокопрочного, ковкого; кокили с воздушным и водовоздушным охлаждением |
| Стали 10, 20, СтЗ, стали 15Л-П, 15ХМЛ | Кокили для мелких, средних, крупных и особо крупных отливок из чугуна, стали, алюминиевых, магниевых, медных сплавов |
| Медь и ее сплавы, легированные стали и сплавы с особыми свойствами | Вставки для интенсивного охлаждения отдельных частей отливок; тонкостенные водоохлаждаемые кокили; массивные металлические стержни для отливок из различных сплавов |
| АЛ9, АЛ11 | Водоохлаждаемые кокили с анодированной поверхностью для мелких отливок из алюминиевых, медных сплавов, чугуна |
Наиболее широко для изготовления кокилей применяют серый и высокопрочный чугуны марок СЧ20, СЧ25, ВЧ42-12, так как эти материалы в достаточной мере удовлетворяют основным требованиям и сравнительно дешевы. Эти чугуны должны иметь ферритно-перлитную структуру. Графит в серых чугунах должен иметь форму мелких изолированных включений. В этих чугунах не допускается присутствие свободного цементита, так как при нагревах кокиля происходит распад цементита с изменением объема материала, в результате в кокиле возникают внутренние напряжения, способствующие короблению, образованию сетки разгара, снижению его стойкости. В состав таких чугунов для повышения их стойкости вводят до 1% никеля, меди, хрома, а содержание вредных примесей серы и фосфора должно быть минимальным. Например, для изготовления кокилей с высокой тепло-нагружснностью рекомендуется [14] серый чугун следующего химического состава, мае. %: 3,0—3,2 С; 1,3—1,5 Si; 0,6—0,8 Mn; 0,7—0,9 Cu; 0,3—0,7 Ni; 0,08—0,1 Ti; до 0,12 S; до 0,1 Р.
Для изготовления кокилей используют низкоуглеродистые стали 10, 20, а также стали, легированные хромом и молибденом, например 15ХМЛ. Эти материалы обладают высокой пластичностью, поэтому хорошо сопротивляются растрескиванию при эксплуатации. Кокили для мелких отливок из чугуна и алюминиевых сплавов иногда изготовляют из алюминиевых сплавов АЛ9 и АЛ11. Такие кокили анодируют, в результате чего на их рабочей поверхности образуется тугоплавкая (температура плавления около 2273 К) износостойкая пленка окислов алюминия толщиной до 0,4 мм. Высокая теплопроводность алюминиевых стенок кокиля способствует быстрому отводу теплоты от отливки.
Таблица 2.1
Материалы для изготовления деталей кокилей
| Детали кокиля | Условия работы | Материал |
| Стержни, штыри, обратные толкатели, тяги | Соприкасаются с жидким металлом, работают на | Сталь 45 |
| Стержни, вставки, выталкиватели с резкими переходами в сечениях | истирание Оформляют глубокие полости отливок и находятся под действием высоких температур | ЗОХГС, 35ХГСА, 35ХНМ, 4Х5МФС |
| Выталкиватели | Испытывают ударные нагрузки | У8А; У10А |
| Оси, валы, эксцентрики | Работают на истирание | Сталь 25* |
* Подвергают цементации.
Эти кокили обычно делают водоохлаждаемыми. Медь также часто используют для изготовления рабочих стенок водоохлаждаемых кокилей. Из меди делают отдельные вставки, вкладыши в местах, где необходимо ускорять теплоотвод от отливки и тем самым управлять процессом ее затвердевания.
Стержни простой конфигурации изготовляют из конструкционных углеродистых сталей, а сложной конфигурации — из легированных сталей, для прочих деталей — осей, валов, болтов и т. д.— используют конструкционные стали (табл. 2.1).
Изготовление кокилей
Кокили небольших размеров для мелких отливок из алюминиевых, магниевых, цинковых, оловянных сплавов изготовляют литыми из чугуна, а также часто из поковок обработкой резанием с электрофизической и электрохимической обработкой рабочих полостей. Более крупные кокили- выполняют литыми. При отливке рабочих стенок кокилей особое внимание обращают на то, чтобы заготовки не имели внутренних напряжений, что обеспечивается технологией литья, а также .снижением уровня остаточных напряжений соответствующей термической обработкой.
Желательно выполнять литую заготовку кокиля такой, чтобы не требовалось обработки резанием рабочих полостей, в крайнем случае производилась бы их зачистка. Это обеспечивает снижение стоимости кокиля и повышение стойкости рабочей поверхности к появлению сетки разгарных трещин при эксплуатации.
Однако решить эту задачу трудно, особенно если конфигурация рабочей полости сложная. Поэтому литые необработанные кокили применяют для отливок несложной конфигурации. Рабочую полость кокиля выполняют стержнями, которые для получения чистой поверхности кокиля, без пригара, обязательно окрашивают или натирают противопригарными пастами. Без окраски используют лишь стержни, получаемые по нагреваемой оснастке из смесей со связующим ПК-104, а также стержни из песков зернистости не выше 016, стержни из цирконовых песков.
Для получения литых кокилей из стали используют СО2 — процесс, а также керамические формы, изготовляемые по постоянным моделям [11]. Последний способ позволяет получать рабочие полости кокилей сложной конфигурации без обработки резанием. Точность размеров рабочих полостей в этом случае достигает 12 — 14-го квалитетов по СТ СЭВ 145—75, а шероховатость поверхности
Rz = 40÷10 мкм по ГОСТ 2789—73. Использование керамических форм для изготовления рабочих стенок кокилей позволяет снизить объем обработки резанием на 50—60%.
Литые заготовки стальных кокилей после отливки подвергают термической обработке — нормализации. Термическую обработку стальных водоохлаждаемых кокилей проводят после приварки к ним кожухов и коробок для подачи жидкости, так как при сварке в конструкции неизбежно возникнут внутренние напряжения, которые могут привести к короблению кокиля при эксплуатации.
Для стабилизации размеров и формы стальные кокили перед окончательной обработкой резанием подвергают старению по режиму: нагрев до 773—873 К, выдержка 2 ч на каждые 25 мм толщины стенки, охлаждение с ночью до 473— 573 К и далее на воздухе. Используют также «тренировку» — циклическую термическую обработку: в печь, нагретую до 1173 К, помещают кокиль и нагревают до 573 К, затем охлаждают обдувкой воздуха. Этот цикл повторяют 3—4 раза. Стареыие и циклическую термическую обработку по указанным режимам используют также и для чугунных заготовок кокилей.
Стойкость кокилей и пути ее повышения
Стойкость кокилей измеряется числом отливок требуемого, качества, полученных в данном кокиле до выхода его из строя. Приблизительная стойкость кокилей приведена в табл. 2.2.
Увеличение стойкости кокиля при литье чугуна, стали, медных сплавов позволяет повысить эффективность производства отливок благодаря снижению затрат на изготовление кокиля, расширить область применения этого перспективного технологического процесса.
Таблица 2.2
Приблизительная стойкость кокилей
| Заливаемый сплав | Отливки | Материал кокиля |
Стойкость кокиля (число отливок) |
| Медные | Мелкие Средние | Чугун | 1000—10000 1000—8000 |
| Мелкие Средние | Сталь | 1 000— 1 500 500 - 3000 | |
| Алюминиевые, магниевые, цинковые | Мелкие Средние Крупные | Чугун | Сотни тысяч Десятки тысяч Несколько тысяч |
Основной причиной разрушения кокиля являются сложные термохимические процессы, вызываемые неравномерным циклическим нагревом и охлаждением рабочей стенки кокиля во всех трех ее измерениях (по толщине, длине, ширине). Это приводит к появлению неоднородного, изменяющегося с изменением температуры поля напряжений в стенке кокиля, вызывающего ее упругие и пластические деформации. Последние приводят к остаточным деформациям и напряжениям. Теоретически показано, что в поверхностном слое кокиля нереализованная термическая деформация обычно в 2 раза превосходит деформацию, соответствующую пределу текучести материалов при определенной температуре. Поэтому в каждом цикле нагружения (заливка — выбивка) деформация сжатия сменяется деформацией растяжения, что приводит к термической усталости материала кокиля. Термические напряжения возникают также вследствие структурных превращений и роста зерна материала кокиля, протекающих тем интенсивнее, чем выше температура его нагрева.
Способность кокиля выдерживать термические напряжения зависит от механических свойств его материала при температурах работы кокиля. Эти свойства резко снижаются при нагреве. Напри- : мер, предел текучести стали 15 при нагреве до 900 К уменьшается в 3 раза.
Уровень возникающих в кокиле напряжений зависит также от конструкции кокиля — толщины его стенки, конструкции ребер жесткости и т. д. Например, тонкие ребра жесткости большой высоты приводят к появлению трещин на рабочей поверхности кокиля, а низкие ребра могут не обеспечить жесткость кокиля и привести к короблению.
Стойкость кокилей обеспечивается конструктивными, технологическими и эксплуатационными методами.
Конструктивные методы основаны на правильном выборе материалов для кокилей в зависимости от преобладающего вида разрушения, разработки рациональной конструкции кокиля.
Термические напряжения, приводящие к снижению стойкости кокиля, являются следствием нереализованной термической деформации: менее нагретые части кокиля (слои рабочей стенки, прилегающие к внешней нерабочей поверхности, ребра жесткости) препятствуют расширению нагревающейся металлом отливки части кокиля. Уменьшить напряжения возможно, если термическая деформация нагретой части происходит беспрепятственно. Этого можно достичь, если расчленить рабочую стенку кокиля на отдельные элементы (вставки) в продольном (рис. 2.10, 6) или поперечном (рис. 2.10, а) направлениях. Тогда вследствие зазоров между элементами кокиля каждый из них при нагреве расширяется свободно.
Для повышения стойкости кокилей используют сменные вставки 1,
оформляющие рабочую полость кокиля (рис. 2.10, в). Благодаря зазорам между корпусом 2
и вставкой 1 термическая деформация вставки протекает свободно, возникающие в ней напряжения снижаются, стойкость кокиля возрастает. Наиболее эффективно использование сменных вставок в многоместных кокилях.
Технологические методы направлены на повышение стойкости поверхностного слоя рабочей полости, имеющего наибольшую температуру при работе кокиля. Для этого используют армирование, поверхностное легирование, алитирование, силицирование, термическую обработку различных видов, наплавку, напыление на рабочую поверхность материалов, повышающих стойкость кокиля. Каждый из этих способов предназначен для повышения стойкости кокиля к разрушениям определенного вида.
Эксплуатационные методы повышения стойкости кокилей основаны на строгой регламентации температурного режима кокиля, зависящего от температуры кокиля перед заливкой, температуры заливаемого металла, состава, свойств и состояния огнеупорного покрытия на его рабочей поверхности, темпа
(частоты заливок) работы кокиля. Перед заливкой кокиль нагревают или охлаждают (если он был нагрет) до оптимальной для данного сплава и отливки температуры TФ
(см. табл. 2.4). Начальная температура Тф
кокиля зависит от темпа работы кокиля (рис. 2.11). При повышении темпа работы сокращается продолжительность tц
цикла, в основном вследствие уменьшения времени t
3
an
от выбивки отливки из кокиля до следующей заливки. Это приводит к тому, что в момент заливки кокиль имеет температуру несколько выше требуемой (рис. 2.11, а), С увеличением Ц кокиля уменьшается разность температур АГФ
— Тюл
—
Тф и соответственно уменьшаются остаточные напряжения в кокилях из упруго-пластических материалов. Вместе с тем повышение Гф
способствует интенсификации коррозии, структурных превращений и других процессов в материале кокиля, что снижает его стойкость.
При уменьшении темпа работы (рис. 2.11,6) продолжительность цикла возрастает также из-за увеличения времени t
3
an
.
Это приведет к тому, что перед очередной заливкой температура Т'ф
будет ниже заданной, соответственно возрастет разность температур АГФ
и увеличатся остаточные напряжения в кокиле, его стойкость понизится. Производственные данные показывают (рис. 2.12), что для данного конкретного кокиля существует оптимальный темп работы т, при котором стойкость его &зал
наибольшая.
На стойкость кокиля оказывает влияние температура заливаемого металла Гзал . Повышение температуры металла выше требуемой по технологии для данной отливки приводит к снижению стойкости кокиля и ухудшению качества отливки — усадочным раковинам, рыхлотам, трещинам.
Стойкость кокиля может быть повышена при надлежащем уходе за ним при эксплуатации. Это обеспечивается системой планово-предупредительного ремонта (ППР).
Технологические режимы литья
Почти всегда, за исключением особых случаев, требуемое качество отливки достигается при условии, если литейная форма заполнена расплавом без неспаев, газовых и неметаллических включений в отливке, а при затвердевании в отливке не образовалось усадочных дефектов — раковин, пористости, трещин — и ее структура и механические свойства отвечают заданным. Из теории формирования отливки известно, что эти условия достижения качества во многом зависят от того, насколько данный технологический прооцесс обеспечивает выполнение одного из общих принципов получения качественной отливки — ее направленное затвердеание и питание. Направленное затвердевание и питание усадки отливки обеспечивается комплексом мероприятий: рациональной конструкцией отливки, ее расположением в форме, конструкцией ЛПС, технологическими режимами литья, конструкцией и свойствами материала формы и т. д., назначаемых технологом с учетом свойств сплава и особенностей взаимодействия формы с расплавом. Напомним, что при литье в кокиль главная из этих особенностей — высокая интенсивность охлаждения расплава и отливки. Это затрудняет заполнение формы расплавом, ускоряет охлаждение его в форме, что не всегда благоприятно влияет на качество отливок, особенно чугунных.
Интенсивность теплового взаимодействия между кокилем и расплавом или отливкой возможно регулировать в широких пределах. Обычно это достигается созданием определенного термического сопротивления на границе контакта отливки 1
(расплав) — рабочая поверхность полости кокиля 2
(рис. 2.13). Для этого на поверхности полости кокиля наносят слой 3
огнеупорной облицовки и краски (табл. 2.3). Благодаря меньшей по сравнению с металлом кокиля теплопроводности λкр
огнеупорного покрытия между отливкой и кокилем возникает термическое сопротивление переносу теплоты:
,
где
- коэффициент тепловой проводимости огнеупорного покрытия-
— толщина слоя огнеупорного покрытия.
Огнеупорное покрытие уменьшает скорость q
отвода теплоты от расплава и отливки, зависящую от тепловой проводимости огнеупорного покрытия и разности между температурой
поверхности отливки и температуры
поверхности кокиля:
.
Величины
и λкр
возможно изменять в самых широких пределах, регулируя коэффициент тепловой проводимости огнеупорного покрытия и соответственно скорость охлаждения отливки, а следовательно, ее структуру, плотность, механические свойства.
Таблица 2.3
Составы огнеупорных покрытий (красок) кокилем
| Назначение | Компоненты | Содержание, мас.% | Коэффициент теплопроводности, Вт/ (.ч -К) |
| Для отливок из алюми- ниевых сплавок | 1 Окись цинка | 15 | 0,41 |
| Асбест прокаленный(пудра) | 5 | ||
| Жидкое стекло | 3 | ||
| Вода | 77 | ||
| 2. * Асбест прокаленный | 8.7 | 0,27 | |
| Мел молотый | 17,5 | ||
| Жидкое стекло | 3,5 | ||
| Вода | 70,3 | ||
| Для отливок id магние- | 3. Тальк | 18 | 0,39 |
| вых сплавок | Борная кислота | 2,5 | |
| Жидкое стекло | 2,5 | ||
| Вода | 77 | ||
| Для отливок из чугуна | 4. Пылевидный кварц | 10— 15 | 0,58 |
| Жидкое стекло | 3 - 5 | ||
| Вода | 87—80 | ||
| 5. * Молотый шамот | 40 | 0,25 | |
| Жидкое стекло | 6 | ||
| Вода | 54 | ||
| Марганцевокйслый ка- | |||
| лий 0,05 % (сверх 100 %) | |||
| Для отливок из стали | 6. Огнеупорная составляю- | 30 —40 | 0,3 |
| щая (циркон, карбооунд, | |||
| окись хрома) | |||
| Жидкое стекло | 5 - 9 | ||
| Борная кислота | 0,7—0,8 | ||
| Вода | Остальное до плотно- сти 1,1-1,22 г/см3 |
* Составы применяют для покрытия поверхности литниковых каналов и выпоров.
В соответствии с необходимой скоростью отвода теплоты от различных мест отливки толщину
и теплопроводность λкр
огнеупорного покрытия можно делать разными в различных частях кокиля, создавая условия для направленного затвердевания отливки, регулируя скорость ее охлаждения в отдельных местах.
Огнеупорное покрытие уменьшает скорость нагрева рабочей поверхности кокиля; благодаря термическому сопротивлению огнеупорного покрытия температура рабочей поверхности будет ниже, чем без покрытия. Это снижает разность температур по толщине кокиля, уменьшает температурные напряжения в нем и повышает его стойкость.
Огнеупорное покрытие на поверхности кокиля должно иметь заданную теплопроводность, хорошо наноситься и удерживаться на поверхности формы, противостоять резким колебаниям температуры, не выделять газов при нагреве, способных растворяться в отливке или создавать на ее поверхности газовые раковины. Покрытия приготовляют из огнеупорных материалов, связующих, активизаторов и стабилизаторов (см. табл. 2.3).
В качестве огнеупорных материалов применяют пылевидный кварц, шамотный порошок, окислы и карбиды металлов, тальк, графит, асбест. Связующие для покрытий — жидкое стекло, огнеупорная глина, сульфитный щелок.
Активизаторы применяют для улучшения схватывания с поверхностью кокиля. В качестве активизаторов используют для шамотных и асбестовых покрытий буру (Na2 B4 O7* lOH2 O) и борную кислоту (Н3 ВO4 ); для маршалитовых — кремнефто-ристый натрий (Na2 SiF6 ), для тальковых — буру, борную кислоту или марганцевокислый калий. Перед приготовлением огнеупорные материалы просеивают через сито 016—01.
Стабилизаторы применяют для того, чтобы уменьшить седиментацию огнеупорных составляющих покрытия. Чаще всего это поверхностно-активные вещества ОП5, ОП7.
При литье в кокиль чугуна для устранения отбела в отливках на огнеупорное покрытие наносят копоть (сажу) ацетиленового пламени.
Толщину слоя огнеупорного покрытия контролируют измерительными пластинами, проволочками, прямым измерением, электроконтактным способом. При прямом измерении толщину слоя облицовки определяют микрометром (рис. 2.14): измеряют расстояние от базовой поверхности 1 до поверхностей 2 и 3, соответственно не покрытой и покрытой облицовкой. Разность дает толщинуслоя облицовки.
Схема распределения температур в системе отливка — покрытие — форма практически реализуется только для поверхностей отливки, которые при усадке образуют плотный контакт с кокилем, между охватываемыми поверхностями отливки и кокилем образуется зазор, изменяющийся по мере усадки отливки. Этот зазор заполнен воздухом и газами, выделяющимися из покрытия. Образование зазора приводит к увеличению термического сопротивления переносу теплоты от отливки в кокиль. Поэтому со стороны внутренних стенок отливка охлаждается интенсивнее, чем со стороны внешних. В результате смещается зона образования осевой пористости отливки к наружной ее стенке, что следует учитывать при разработке системы питания усадки отливки.
Рассмотренное явление используют для устранения отбела в поверхностных случаях чугунных отливок. Для этого после образо
вания в отливке твердой корочки достаточной прочности кокиль слегка раскрывают гак чтобы между поверхностями отливки и кокиля образовался воздушный зазор. Тогда теплота затвердевания внутренних слоев отливки, проходя через затвердевающую наружную корку, разогревает ее и в результате происходит «самоотжиг» отливки — она не имеет отбела.
Скорость отвода теплоты от расплава и отливки зависит от разницы между температурами поверхностей отливки Т0
и кокиля Тп
С повышением температуры заливаемого расплава возрастает температура То
и скорость отвода теплоты от отливки; с повышением температуры Т
n
скорость отвода теплоты от отливки уменьшается. Поэтому на практике широко используют регулирование скорости отвода теплоты от расплава и отливки, изменяя температуры заливаемого сплава или кокиля перед заливкой. Однако чрезмерное снижение температуры заливаемого сплава приводит к ухудшению заполняемости кокиля. Повышение температуры кокиля увеличивает опасность приваривания отливки к кокилю, особенно при литье чугуна и стали, снижает стойкость кокиля.
Практически установлено, что оптимальная температура кокиля перед заливкой зависит от заливаемого сплава, толщины стенки отливки и ее конфигурации (табл. 2.4).
Температура заливки расплава в кокиль зависит от его химического состава, толщины стенки отливки, способа ее питания при затвердевании. Оптимальные температуры заливки в кокиль различных сплавов приведены ниже.
Особенности изготовления отливок из различных сплавов
Технологические режимы изготовления отливок из различных сплавов обусловлены их литейными свойствами, конструкцией отливок и требованиями, предъявляемыми к их качеству.
Таблица 2.4
Температура нагрева кокилей перед заливкой
| Сплавы | Отливки | Толщина стенки отливок, мм | Температура нагрева кокиля, К |
| Алюминиевые | Тонкостенные, ребристые | 1,6—2,1 | 673—693 |
| Ребристые, корпусные | 5—10 | 623—673 | |
| Простые, без ребер | <8 >8 | 523—623 473—523 | |
| Магниевые | Тонкостенные, сложные | 623—670 | |
| Медные | Толстостенные Средней сложности | 5—10 | 523—620 393—473 |
Отливки из алюминиевых сплавов
Литейные свойства. Согласно ГОСТу литейные алюминиевые сплавы разделены на пять групп. Наилучшими литейными свойствами обладают сплавы I группы — силумины. Они имеют хорошую жидкотекучесть, небольшую (0,9—1%) линейную усадку, стойки к образованию трещин, достаточно герметичны. Это сплавы марок АЛ2, АЛ4, АЛ9, их широко используют в производстве. Однако они склонны к образованию грубой крупнозернистой эвтектики в структуре отливки и растворению газов.
При литье силуминов в кокиль структура отливок вследствие высокой скорости кристаллизации получается мелкозернистой. Основной недостаток сплавов I группы при литье в кокиль — склонность к образованию рассеянной газовой пористости в отливках.
Сплавы II группы (медистые силумины) также нередко отливают в кокиль. Эти сплавы обладают достаточно хорошими литейными свойствами и более высокой прочностью, чем силумины, менее склонны к образованию газовой пористости в отливках.
Сплавы III — V групп имеют худшие литейные свойства — пониженную жидкотекучесть, повышенную усадку (до 1,3%), склонны к образованию трещин, рыхлот и пористости в отливках. Получение отливок из этих сплавов требует строгого соблюдения технологических режимов, обеспечения хорошего заполнения формы, питания отливок при затвердевании.
Все литейные алюминиевые сплавы в жидком состоянии интенсивно растворяют газы и окисляются. При затвердевании сплава газы выделяются из раствора и образуют газовую и газоусадочную пористость, которая снижает механические свойства и герметичность отливок. Образующаяся на поверхности расплава пленка окислов при заполнении формы может разрушаться и попадать в тело отливки, снижая ее механические свойства и герметичность. При высоких скоростях движения расплава в литниковой системе пленка окислов, перемешиваясь с воздухом, образует пену, попадание которой в полость формы приводит к дефектам в теле отливок.
Влияние кокиля на свойства отливок. Интенсивное охлаждение расплава и отливки в кокиле увеличивает скорость ее затвердевания, что благоприятно влияет на структуру — измельчается зерно твердого раствора, эвтектики и вторичных фаз. Структура силуминов, отлитых в кокиль, близка к структуре модифицированных сплавов; снижается опасность появления газовой и газоусадочной пористости, уменьшается вредное влияние железа и других примесей. Это позволяет допускать большее содержание железа в алюминиевых отливках, получаемых в кокилях, по сравнению с отливками в песчаные формы. Все это способствует повышению механических свойств отливок, их герметичности.
Кокили для литья алюминиевых сплавов применяют массивные, толстостенные. Такие кокили имеют высокую стойкость и большую тепловую инерцию: после нагрева до рабочей температуры они охлаждаются медленно. Это позволяет с большей точностью поддерживать температурный режим литья и получать тонкостенные отливки. Для отливок сложной конфигурации используют кокили, имеющие системы нагрева или охлаждения отдельных частей. Это дает возможность обеспечить направленное затвердевание и питание отливок. Для получения точных отливок рабочую полость кокиля обычно выполняют обработкой резанием.
Положение отливки в форме должно способствовать ее направленному затвердеванию: топкие части отливки располагают внизу, а массивные вверху, устанавливая на них прибыли и питающие выпоры.
Литниковая система должна обеспечивать спокойное, плавное поступление расплава в полость формы, надежное улавливание окисных плен, шлаковых включений и предотвратить их образование в каналах литниковой системы и полости кокиля, способствовать направленному затвердеванию и питанию массивных узлов отливки.
Используют литниковые системы с подводом расплава сверху, снизу, сбоку, комбинированные и ярусные (рис. 2.15, а).
Литниковые системы с верхним подводом используют для невысоких отливок типа втулок и колец (I, 1—3). Такие литниковые системы просты, позволяют достичь высокого коэффициента выхода годного. Заливка с кантовкой кокилей с такой литниковой системой обеспечивает плавное заполнение формы и способствует направленному затвердеванию отливок.
Литниковые системы с подводом расплава снизу используют для отливок корпусов, высоких втулок, крышек (II , 1—3). Для уменьшения скорости входа расплава в форму стояк делают зигзагообразным (II , 1), наклонным (II , 2). Для задержания шлака устанавливают шлакозадерживающие бобышки Б ( II , 1); для удаления первых охлажденных порций расплава, содержащих шлаковые включения, используют промывники П ( II 3).
Литниковые системы с подводом расплав, а сбоку через щелевой литник (III , 1—3), предложенные акад. А. А. Бочваром и проф. А. Г. Спасским, сохраняют основные преимущества сифонной заливки и способствуют направленному затвердеванию Отливки. На практике используют несколько вариантов таких систем. Стояки выполняют также наклонными или сложной формы, так называемые гусиные шейки. Эти стояки снижают скорость, исключают захват воздуха, образование шла ков и пены в литниковой системе, обеспечивают плавное заполнение формы расплавом. При заливке крупных отливок обязательным элементом литниковой системы является вертикальный канал, являющийся коллектором.
| I | 2 |
![]() |
|
| II | 1 |
2 |
3 |
| III | 1 |
2 |
3 |
| IV | 1 |
2 |
3 |
| V | 1 |
2 |
3 |


Расплав (рис. 2.15,6) из чаши / поступает в зигзагообразный стояк 2, а из него — в вертикальный канал 3 — колодец — и вертикальный щелевой питатель 4, Соотношение площадей поперечных сечений элементов литниковой системы подбирают так, чтобы уровень расплава в форме во время ее заполнения был ниже уровня в канале 3; верхние порции расплава должны сливаться в форму и замещаться более горячим расплавом. Размеры канала 3 и питателя 4 назначают сообразно с толщиной стенки отливки 5; чтобы избежать усадочных дефектов в отливке, расплав в канале 3 и питателе 4 должен затвердевать позже отливки. Недостаток литниковой системы — большой расход металла на литники и сложность отделения их от отливки.
Литниковые системы с комбинированным подводом используют для сложных отливок (см. рис. 2.15,а IV , 1—3). Нижний питатель способствует спокойному заполнению формы, а верхний подает наиболее горячий расплав под прибыль, улучшая ее питающее действие.
Ярусные литниковые системы используют для улучшения заполнения формы тонкостенных сложных или мелких отливок (V , 1—3).
Размеры элементов литниковых систем для отливок из алюминиевых и магниевых сплавов определяют, исходя из следующих положений: значения критерия Re для различных элементов литниковой системы (стояка, коллектора, питателей) не должны превосходить гарантирующих минимальное попадание окислов и неметаллических включений в форму вследствие нарушении сплошности; скорость движения расплава в форме должна обеспечить ее заполнение без образования в отливке неслитин и спаев.
Ниже приведены максимальные допустимые значения критерия Re = ud / v для различных элементов литниковых систем, по данным Н. М. Галдина и Е. Б. Ноткина [8]:
Стояк Коллектор Питатели Форма: простая . сложная |
43500—48300 28000—33800 7800—5300 2600—1350 780 |
Из приведенных данных следует, что для получения качественных отливок скорость движения расплава должна убывать от сечения стояка к питателю. Поэтому для отливок из алюми ниевых сплавов применяют расширяющиеся литниковые системы с соотношением
fc :fк :fп =l:2:3 или 1:2:4,(2.1)
где fc , fк , fn — площади поперечного сечения стояка, коллектора, питателя соответственно.
Для крупных (50—70 кг) и высоких (750 мм) отливок fc :fк :fп =1:3:4 или 1:3:5.
Для определения среднего значения минимально допустимой скорости подъема расплава в форме иф используют различные теоретические и экспериментальные зависимости, учитывающие химический состав сплава, конфигурацию отливки, температуру формы и сплава и т. д. Наиболее простой, но достаточно точной, является зависимость, установленная А. А. Лебедевым [8],
u ф =(3,0÷4,2)/l o ,(2.2)
где u ф — начальная скорость подъема расплава в форме, см/с; l о — характерная толщина стенки отливки, см; при отношении H о /l о <50 принимают меньшие значения коэффициента в правой части (2.2), при H о /l о >50 — большие его значения; Н0 — высота отливки без прибылей и выпоров.
При литье мелких и средних отливок в кокиль площадь поперечного сечения стояка определяют по формуле
(3,0÷4,2)
,(2.3)
где G
— масса отливки, г;
— плотность сплава,
- скорость движения расплава в узком сечении стояка, см/с.
Скорость
определяют по формуле
,
где расчетный напор, определяют по известным формулам [4];
— коэффициент расхода, принимают [4]:
= 0,65÷0,76 для нижнего подвода;
==0,7÷0,8 для ярусной системы;
= 0,56÷0,67 для комбинированного способа подвода. Меньшие значения
принимают для пониженных температур заливки.
Определив по формуле (2.3)
, по соотношению (2.1) находят площади поперечного сечения остальных элементов литниковой системы. В кокиле выполняют каналы литниковой системы в соответствии с минимальными расчетными размерами, которые при доводке технологии отливки в случае необходимости увеличивают.
При литье крупных, сложных отливок для определения размеров литниковой системы пользуются специальными методами [8].
Технологические режимы литья назначают в зависимости от свойств сплава, конфигурации отливки и предъявляемых к ней требований.
Состав и толщину слоя краски на поверхности рабочей полости кокиля назначают в соответствии с рекомендациями табл. 2.3. Для регулирования скорости отвода теплоты от различных частей отливки толщину и свойства огнеупорных покрытий в разных частях кокиля часто делают различными. Для1 окраски в этом случае используют трафареты. Поверхности каналов литниковой системы покрывают более толстым слоем красок с пониженной теплопроводностью, а поверхности прибыльных частей иногда оклеивают тонколистовым асбестом (клеем служит жидкое стекло).
Температуру нагрева кокиля перед заливкой прини-мают, руководствуясь данными табл. 2.4.
Температурузаливки расплава в кокиль назначают в зависимости от химического состава сплава, толщины стенки отливки и ее размеров. Для силуминов типа АЛ2, АЛ4, АЛ9 ее принимают равной 973—4023 К, для широкоинтервальных сплавов типа АЛ 19, обладающих пониженной жидкотекучестью,— равной 993—1043 К.
Продолжительность выдержки отливки в кокиле назначают с учетом ее размеров и массы. Обычно отливки охлаждают в форме до температуры 650 К. Продолжительность охлаждения отливки до температуры выбивки определяют расчетом по известным формулам [2, 14] и окончательно корректируют при доводке технологического процесса.
Отливки из магниевых сплавов
Литейные свойства. Магниевые литейные сплавы по сравнению с алюминиевыми обладают худшими литейными свойствами: пониженной жидкотекучестью, большой (1,2—1,5%) усадкой, склонностью к образованию горячих трещин, пониженной герметичностью, высокой склонностью к окислению в жидком и твердом состоянии, способностью воспламеняться в жидком состоянии. Магниевые сплавы имеют большой интервал кристаллизации, склонны к растворению газов и поэтому в отливках часто образуются микрорыхлоты. Отливки нз магниевых сплавов склонны к короблению при затвердевании и термической обработке.
Наибольшее применение для литья в кокиль нашли сплавы МЛ5 (системы Mg — А1 — Zn), МЛ6 (системы Mg — Al — Zn), МЛ12 (системы Mg — Zn — Zr) МЛ10 (Mg — Nd — Zr).
Влияние кокиля на свойства отливок. Кокиль практически не вступает в химическое взаимодействие с магниевым расплавом, что уменьшает окисляемость сплава, улучшает качество отливок. Пониженная жидкотекучесть сплавов вызывает необходимость заливать их в кокили при повышенной температуре, особенно при изготовлении тонкостенных отливок. Это приводит к повышению окисляемости сплава, вероятности попадания окислов в отливку, увеличению размеров зерна в структуре, ухудшению механических свойств отливки.
Для предотвращения горячих трещин в отливках, обусловленных повышенной усадкой сплавов, необходимо осуществлять «подрыв» неподатливых металлических стержней или использовать песчаные стержни; модифицирование сплавов церием и висмутом повышает трещиноустойчивость сплавов.
Положение отливки из магниевого сплава в кокиле имеет особенно важное значение для направленного ее затвердевания и питания. Для питания отливки обязательно используют прямые или отводные прибыли; для лучшей их работы прибыли выполняют в стержневых, асбестовых или керамических вставках.
Литниковые системы для магниевых сплавов расширяющиеся: fc :fк :fп = 1:2:3. Для крупных и сложных отливок fc :fк :fп = 1:4:6.
Размеры элементов литниковых систем определяют, пользуясь формулами. (2.1), (2.3) и зависимостями коэффициентов расхода, приведенными выше. Объем прямой или отводной прибыли определяют из соотношения Vпр =(2-2,5) Vп.о ,где Vп.о — объем питаемого узла отливки. Способы подвода расплава в кокиль и конструкции литниковых систем такие же как и для алюминиевых сплавов (см. рис. 2.15). Особое внимание следует обращать на рассредоточенный подвод расплава в рабочую полость. Этовызвано пониженной жидкотекучестью магниевых сплавов и их малой теплопроводностью. Последнее свойство при сосредоточенном подводе приводит к замедленному охлаждению отлпвки в месте подвода питателя и образованию в эгом месте усадочных дефектов - пористости, рыхлот, трещин.
Технологические режимы литья магнеевых сплавов в кокиль назначают с учетом их литейных свойств, конфигурации отливки и предьявляемых к ней требований.
Состав и толщину краски рабочей полости кокиля принимают но рекомендациям табл. 2.3. Для устранения окисления и загорания сплава при заливке рекомендуется покрывать по-верхность кокиля и кромки заливочной чаши серным цветом, кото-рый сгорая, создает защитную среду вокруг отливки.
Температуру нагрева кокиля перед залинкой назна-чаютв пределах указанных в табл. 2.4.
Температура заливки магниевых сплавов зависит от химического состава, но обычно на 100- 150 К выше линии ликвидна, что вызвано их пониженной жидкотекучестью. Обычно температура заливки составляет 1000-- 1020 К для тонкостенных отливок и 950-980 К для массивных, толстостенных
Отливки из медных сплавов
Литейные свойства. Литьем в кокиль изготовляют отливки из латуней, бронз, а также чистой меди.
Латуии имеют обычно небольшой интервал кристаллизации, хорошую жндкотекучесть, но большую усадку; 1,5—2,5% в зави-симости от химического состава. Латуни мало склонны к образованию усадочной пористости, но, как и все медные сплавы, интенсивно, растворяют водород, особенно кремнистые латуни, отливки из которых часто поражаются газовой пористостью.
Бронзы оловянные имеют высокую жидкотекучесть, повышенную усадку (1.4—1,6%), большой интервал кристаллизации, а потому и повышенную склонность к образованию усадочной пористости в отливках. Алюминиевые бронзы имеют небольшой интервал кристаллизации, большую усадку (1,7—2,5%); отливки нз них получаются плотными, но они склонны к образованию окисных плен из-за повышенной окисляемости содержащегося в них алюминия. Плены, попадающие в отливку, снижают ее механические свойства и герметичность. Кремнистые бронзы, аналогично кремнистым латупям, склонны к образованию газовой пористости.
Свинцовые бронзы склонны к ликвации, ухудшающей свойства отливок.
Чистая медь имеет низкую жидкотекучесть, высокую усадку (1,8—2%), интенсивно растворяет газы, которые при затвердев а ни и отливки образуют газовую пористость и раковины в ней. При плавке мель интенсивно окисляется. Окислы меди ухудшают ее литейные свойства, а также механические свойства и электропроводность отливок.
Влияние кокиля на качество отливок. Высокая скорость охлаждения и затвердевания при литье в кокиль благоприятно влияет на качество отливок: повышаются их механические свойства, герметичность, плотность, улучшается структура. Повышение скорости охлаждения способствует приближению характера затвердевания широкоинтервальных сплавов к последовательному. Поэтому, например, отливки из оловянных бронз в кокиль имеют большую плотность, чем при литье в песчаные формы. Отлнвки из кремнистых латуне.й и бронз меньше поражены газовой пористостью, так как высокая скорость охлаждения расплава препятствует выделению газов из раствора. Повышенная скорость затвердевания отливок из свинцовых бронз уменьшает ликвацию, способствует измельчению включений свинца, что повышает антифрикционный свойства отливок.
Отливки из медных сплавов при литье в кокиль часто поражены трещинами, так к.а-к кокиль неподатлив. Это затрудняет получение в кокилях сложных тонкостенных отливок. Главная мера -предупреждения этих дефектов — хорошее раскисление и рафинирование сплавов — освобождение их от окислов, сильно влияющих на трещйноустойчивость сплавов, а также создание условий для направленного затвердевания и питания отливки.
![]()
Положение отливки в кокиле должно обеспечивать направленное затвердевание .и питание ее при усадке. Поэтому располагают массивные ее части вверху и на них устанавливают прибыли.
Литниковая система (рис. 2.16,) для медных сплавов должна обеспечивать плавное заполнение формы и питать отливку в процессе ее затвердевания. Поэтому литники делают большого сечения, одновременно выполняющими функции прибылей. Между стояком и питателем устанавливают питающие бобышки Б, ,в кр- торых происходит также частичное шлакозадержание. Для отливок из алюминиевых, марганцевых и кремнистых бронз используют нижний подвод расплава через зигзагообразные и наклонные стояки (рис. 2.16, б , в), шлакоуловители и плоские щелевидные питатели. Тонкостенные мелкие отливки заливают сверху (рис. 2.16, а), обычно с подводом расплава в питающую бобышку Б. Для отливок из медных сплавов применяют как расширяющиеся, так и суживающиеся литниковые системы. Для сплавов, склонных к образованию плен (алюминиевых, марганцевых бронз), используют расширяющиеся литниковые системы ( fп :fл.х :fс =3:2: 1), а для латуни — суживающиеся (fп :fл.х :fс =1:2,5: 3,5).
Размеры элементов литниковой системы определяют, пользуясь известным гидравлическим методом расчета [8].
Технологические режимы назначают в зависимости от литейных свойств сплава, конфигурации отливки и требований к ней.
В состав красок рабочих поверхностей кокилей вводят вещества, способные при взаимодействии с расплавом испаряться и газифицироваться с образованием восстановительной среды, предотвращающей окисление расплава (см. табл. 2.3). Обычно это масла, графит, а также органические лаки, термореактивные смолы. Такие покрытия наносят на поверхность кокиля перед каждой заливкой или через две-три заливки.
Температуру нагрева кокиля перед заливкой назначают поданным табл. 2.4. Для получения отливок высокого качества из свинцовых бронз необходимо обеспечить высокую скорость затвердевания. Это достигается охлаждением кокилей водой, использованием для кокилей высокотеплопроводных материалов. Температура заливки медных сплавов зависит от химического состава и конфигурации отливки. Оловянные бронзы заливают при температурах 1420—1470 К; алюминиевые бронзы — при 1370—1430 К. Кремнистые латуни заливают при температурах 1250—1310 К, свинцовые латуни — при 1300—1380 К. Массивные отливки заливают при температурах, близких к нижнему пределу рекомендованных, тонкостенные — к верхнему.
Температуру выбивки отливок из кокилей назначают в зависимости от химического состава сплава, толщины стенки отливки и ее конфигурации.
Финишные операции и контроль отливок из цветных сплавов
Отливки из алюминиевых, магниевых, медных сплавов контролируют дважды: до отрезки литников и прибылей (предварительный контроль) и после. Литники и прибыли отрезают ленточными и дисковыми пилами, а в массовом производстве — на специаль-
них станках. От мелких отливок из латуней литники часто обрубают в штампах на прессах. При отрезке литников от отливок из магниевых сплавов должны быть приняты особые меры для удаления стружки, способной к самовозгоранию. Режимы термической обработки назначают, руководствуясь химическим составом, конфигурацией отливки и требованиями технических условий. После этого проводят повторный контроль отливок, проверяя их соответствие требованиям технических условий.
Дефекты отливок из цветных сплавов и меры их предупреждения
Общие характерные дефекты отливок при литье в кокиль следующие: 1) недоливы и неслитины при низкой температуре расплава и кокиля перед заливкой, недостаточной скорости заливки, большой газотворности стержней и красок и плохой вентиляции кокиля; 2) усадочные дефекты (раковины, утяжины, пористость) из-за нарушений направленного затвердевания и недостатного питания массивных узлов отливки, чрезмерно высокой температуры расплава и кокиля; местного перегрева кокиля, нерациональной конструкции литниковой системы; трещины появляются вследствие несвоевременного подрыва металлического стержня или вставки, высокой температуры заливки, нетехнологичной конструкции отливки; 3) шлаковые включения образуются при использовании загрязненных шихтовых материалов, недостаточном рафинировании перед заливкой, неправильной работе литниковой системы; 4) газовая пористость образуется при нарушении хода плавки (использование загрязненных влагой и маслом шихт, чрезмерно высокого перегрева, недостаточного рафинирования или раскисления сплава).
Специфические дефекты отливок из магниевых сплавов — это дефекты усадочного происхождения — пористость, трещины, рыхлоты,— обусловленные широким температурным интервалом затвердевания этих сплавов. Для устранения этих дефектов требуется доводка и точное соблюдение технологических режимов — температуры расплава и кокиля, краски и др. Часто отливки из магниевых сплавов вследствие плохой работы литниковой системы поражены шлаковыми включениями. Это недопустимо, так как приводит к коррозии отливки при ее эксплуатации и хранении. Такие дефекты устраняют тщательной доводкой литниковой системы и ведения процесса плавки.
Специфические дефекты отливок из медных сплавов следующие: газовая пористость при плохом рафинировании и очистке сплава от шлаковых частиц; вторичные окисные плены при литье алюминиевых бронз вследствие разделения потока расплава на струи и окисления его в форме; трещины из-за плохого раскисления сплавов при плавке.
Похожие рефераты:
Исследование горячеломкости литейных сплавов на основе систем Al-Si, Al-Cu, Al-Si-Cu
Разработка модели технологического процесса получения ребристых труб и ее апробация
Формовка и формовочные материалы
Производство отливок из сплавов цветных металлов
Изготовление литых деталей из металлических сплавов
Алюминий и его сплавы. Особенности получения отливок
Изготовление оригинального художественного изделия
Получение изделий литьем металлов
Способы литья в специальные формы
Выбор и способы получения заготовок деталей машин
Технология обработки конструкционных материалов
2
1
2
3
1
2
3
1
2
3
1
2
3