| Похожие рефераты | Скачать .docx |
Реферат: Методы измерения частоты
Министерство Образования РФ
Чебоксарский Филиал (институт) Московского Государственного Открытого Университета
РЕФЕРАТ
ПО ДИСЦИПЛИНЕ "МЕТРОЛОГИЯ И СТАНДАРТИЗАЦИЯ"
НА ТЕМУ: "МЕТОДЫ ИЗМЕРЕНИЯ ЧАСТОТЫ"
ЧЕБОКСАРЫ 2000
МЕТОДЫ ИЗМЕРЕНИЯ ЧАСТОТЫ
ОБЩИЕ СВЕДЕНИЯ
Частотой колебаний называют число полных колебаний в единицу времени:
f=n/t (1)
где t — время существования п колебаний.
Для гармонических колебаний частота f = 1/ T , где Т — период колебаний.
Единица частоты герц определяется как одно колебание в одну секунду. Частота и время неразрывно связаны между собой, поэтому измерение той или другой величины диктуется удобством эксперимента и требуемой погрешностью измерения. В Международной системе единиц СИ время является одной из семи основных физических величин. Частота электромагнитных колебаний связана с периодом колебания Т и длиной однородной плоской волны в свободном пространстве l следующими соотношениями: fT = 1 и f l = с, где с— скорость света, равная 299 792,5 ± 0,3 км/с.
Спектр частот электромагнитных колебаний, используемых в радиотехнике, простирается от долей герца до тысяч гигагерц. Этот спектр вначале разделяют на два диапазона — низких и высоких частот. К низким частотам относят и нфра звуковые (ниже 20 Гц), звуковые (20— 20 000 Гц) и ультразвуковые (20—200 кГц). Высокочастотный диапазон, в свою очередь, разделяют на высокие частоты (20 кГц — 30 МГц), ультравысокне (30 — 300 МГц) и сверхвысокие (выше 300 МГц). Верхняя граница сверхвысоких частот непрерывно повышается и в настоящее время достигла 80 ГГц (без учета оптического диапазона). Такое разделение объясняется разными способами получения электрических колебаний и различием их физических свойств, а также особенностями распространения на расстояние. Однако четкой границы между отдельными участками спектра провести невозможно, поэтому такое деление в большой степени условно.
МЕТОД ПЕРЕЗАРЯДД КОНДЕНСАТОРА
Присоединим конденсатор, емкость которого С, к источнику напряжения U. Конденсатор зарядится, и в нем накопится количество электричества q = CU. Если конденсатор переключить на магнитоэлектрический измеритель тока, то через него пройдет количество электричества q, вызвав отклонение указателя. Если конденсатор поочередно присоединять к источнику напряжения для заряда и к измерителю тока для разряда с частотой переключения f раз в секунду, то количество электричества, проходящее через амперметр при разряде, будет в f раз больше: fq = fCU = I, где I —среднее значение тока разряда. Отсюда следует, что ток в такой схеме прямо пропорционален частоте переключения и при постоянном произведении CU шкалу амперметра можно градуировать в единицах частоты:
f=I/(CU) (2)
|
|
| Рис. 1. Структурная схема конденсаторного частотомера |
Структурная схема конденсаторного частотомера, в котором использован этот метод (рис. 11), состоит из усилителя-ограничителя УО
и Зарядно-разрядного устройства ЗРУ
с магнитоэлектрическим индикатором. Кроме того, имеется генератор Гк
для калибровки частотомера на одной фиксированной частоте. На вход частотомера поступает напряжение измеряемой частоты. В усилителе-ограничителе оно принимает форму меандра. Меандр управляет зарядно-разрядным устройством, схема которого приведена на рис. 2. 
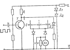
Рис. 2. Схема счетного устройства конденсаторного частотомера
Транзистор Т работает в режиме ключа: когда он закрыт, один ii3 конденсаторов С заряжается через резистор R, а когда транзистор открыт, тот же конденсатор разряжается через транзистор. Зарядный ток протекает через магнитоэлектрический миллиамперметр, градуированный в единицах частоты. Конденсаторы С переключаются: минимальная и максимальная емкость определяет диапазон измеряемых частот, а число конденсаторов — число под-диапазонов.
Значение напряжения, до которого заряжается конденсатор данного поддиапазона, в зависимости от измеряемой частоты и значения емкости конденсатора изменяется, и градуировка шкалы частотомера нарушается. Для устранения этого явления в зарядно-разрядном устройстве предусмотрена стабилизация напряжения заряда, которая осуществляется стабилитроном Дз; напряжение питаниятакже стабилизируется с помощью стабилитронов Д1 и Д2 Нижний предел измеряемых частот составляет 10 Гц;
при более низких частотах подвижная часть магнитоэлектрического индикатора будет совершать механические колебания в такт с измеряемой частотой. Верхний предел зависит от постоянной времени цепи заряда, определяемой не только сопротивлением резистора R и минимальной емкостью конденсатора С, но и монтажными емкостями элементов зарядно-разрядного устройства, и не превышает 1 МГц. Погрешность измерения зависит от класса точности миллиамперметра, остаточной нестабильности напряжения заряда конденсатора и составляет 1-2 %.
РЕЗОНАНСНЫЙ МЕТОД
|
|
|
|
![]()
![]()
![]()
Рис. 3. Структурная схема измерения частоты резонансным методом
|
|
контура. Этот метод применяется в диапазоне высоких и сверхвысоких частот. Структурная схема его реализации приведена на рис. 3. Источник напряжения измеряемой частоты fx с помощью элемента связи ЭСв соединяется с прецизионным измерительным контуром ИК, который настраивается в резонанс с частотой fx Момент резонанса фиксируется по максимальному показанию индикатора, присоединенного к контуру через второй элемент связи. Измеряемая частота определяется по градуированной шкале микрометрического механизма настройки с большим числом отсчетных точек. Контур и индикатор конструктивно объединены в устройство, называемое резонансным частотомером. Если шкала механизма настройки градуирована в длинах волн, то такое устройство называют резонансным волномером.
Схема резонансного частотомера (рис. 4) позволяет выявить источники погрешности измерения. Погрешность градуировки определяется качеством механизма настройки;
ее можно уменьшить путем предварительной градуировки шкалы частотомера с помощью образцовой меры. Нестабильность частоты измерительного контура возникает вследствие изменения его геометрических размеров под влиянием изменения температуры окружающей среды; ее можно вычислить по следующей формуле:
![]()
где Df — отклонение частоты от резонансной под влиянием изменения температуры на DT , К; a — линейный температурный коэффициент расширения материала контура; k — конструктивный коэффициент. Нестабильность настройки контура возникает также при изменении вносимых реактивных сопротивлений со стороны источника fx и индикатора. Активные вносимые сопротивления уменьшают добротность контура.

Рис.5 резонансная кривая колебательного контура
Уменьшение влияния вносимых сопротивлений достигается ослаблением связи с источником fx и индикатором.
Неточность фиксации резонанса определяется значением добротности контура Q нагруженного измерительного контура и разрешающей способностью индикатора. Из уравнения резонансной кривой (рис. 5) можно получить формулу для расчета относительной погрешности от неточности фиксации резонанса:
(3)
где U0
—
показание индикатора при резонансе; Up
—
показание при расстройке измерительного контура на
Df
.
Измерительный контур резонансного частотомера в зависимости от диапазона частот, для которого он предназначен, выполняется с сосредоточенными или распределенными параметрами. Резонансные частотомеры с сосредоточенными параметрами в настоящее время полностью вытеснены цифровыми частотомерами, а с распределенными параметрами широко применяются в диапазоне СВЧ.
Резонансные частотомеры характеризуются диапазоном измерения частот, погрешностью и чувствительностью, т.е. минимальной мощностью, поглощаемой от источника измеряемой частоты, необходимой для уверенного отсчета показаний индикатора при резонансе.
Резонансные частотомеры с распределенными параметрами. Колебательный контур частотомера выполняют либо в виде отрезка коаксиальной линии, либо в виде объемного резонатора. Настройка коаксиальной линии производится изменением ее длины, объемного резонатора — изменением его объема.
Частотомеры с распределенными параметрами связывают с источниками измеряемой частоты через штыревую или рупорную антенну или через элементы связи в виде
|
|
|
|
Рис. 6. Четвертьволновый резонансный частотомер
Рис. 7. Резонансный частотомер
с нагруженной линией
петель; зондов, щелей и круглых отверстий. На входе частотомера часто включают аттенюаторы с переменным ослаблением для регулировки входной мощности. Иногда применяют направленные ответвители.
Индикатор частотомера состоит из полупроводникового (германиевого или кремниевого) диода и магнитоэлектрического микроамперметра большой чувствительности. Связь диода с измерительным контуром осуществляется через петлю связи, располагаемую внутри коаксиальной линии или объемного резонатора. Если частотомер предназначен для использования при импульсной модуляции, то видеоимпульсы, получившиеся после детектирования диодом, поступают на транзисторный усилитель и амплитудный вольтметр. Параллельно последнему можно включить осциллограф.
Коаксиальные частотомеры выполняют в основном двух типов: четвертьволновые и с нагруженной линией.
Четвертьволновый резонансный частотомер представляет собой разомкнутый отрезок коаксиальной линии (рис. 6). Настройка его осуществляется с помощью микрометрического механизма со шкалой, градуированной в единицах длины I. Резонанс, в линии наступает при I, равной нечетному числу четвертей длины волны.
![]()
где п = 0, 1, 2 ...
Отсчеты l1 и l2 соответствуют l/4 и 3l/4, поэтому их разность равна половине длины волны. В общем случае
![]()
Четвертьволновые частотомеры применяются на частотах 600 МГц—10 ГГц. Погрешность измерения лежит в пределах 10-3 -5*10-4 .
Резонансный частотомер с нагруженной линией отличается от четвертьволнового тем, что разомкнутая коаксиальная линия нагружается емкостью С, образуемой торцами внутреннего и наружного проводников (рис. 7). Резонанс в нагруженной линии наступает при выполнении условия
![]()
где D — внутренний диаметр внешнего проводника; d— внешний диаметр внутреннего проводника: ρ — волновое сопротивление линии.
При настройке такого частотомера одновременно изменяются и длина линии l , и емкость С. Перекрытие, по сравнению с четвертьволновым частотомером, возрастает в 2— 3 раза. Двумя частотомерами с нагруженной линией перекрывается диапазон частот от 150 до 1500 МГц. Измеряемую частоту определяют с помощью градуировочных таблиц или графиков. Погрешность измерения 5-10~3 .
Резонансный частотомер с объемным резонатором настраивается передвижением подвижного поршня (плунжера). Возбуждаемые внутри полости резонатора стоячие волны бывают различных типов. Это зависит от способа введения возбуждающего электромагнитного поля. При возбуждении цилиндрического резонатора через отверстие в центре торцевой стенки (рис. 8, а) возникают колебания типа H111 . Из электродинамики известно, что собственная длина волны, в резонаторе связана с его диаметром а и высотой I следующей зависимостью:
( L/ l )2 + l,37(l/d)2 =(2/λ111 )2
Если положить l= d, то λ111 =1,3 d.
При возбуждении полости резонатора через отверстие в ее боковой стенке возникают колебания типа H011 (рис. 8, б). Поле этих волн характерно отсутствием токов проводимости между торцевой и цилиндрической стенками резонатора, что позволяет применить для настройки бесконтактный плунжер. Проникающая при этом в нерабочее пространство за поршнем энергия поглощается предусмотренным
Рис. 8-8. Схемы частотомеров с объемными резонаторами
для этой цели покрытием, нанесенным на левую (рис. 8, б) поверхность плунжера. Зависимость собственной длины волны типа λ011 от размеров резонатора определяется выражением
(l/l) 2 + 5,94 ( l/d)2 =(2/ λ011 )2
Если для этого резонатора также положить l= d, то λ011 » 0,76d.
Шкала настройки частотомеров с объемными резонаторами градуируется с помощью измерительного генератора соответствующего диапазона частот. Следовательно, главным источником погрешности градуировки является погрешность установки частоты по шкале генератора. Чтобы не усугублять погрешность измерения неточностью настройки в резонанс, добротность объемного резонатора доводят до очень высокого значения. Это достигается полировкой и золочением внутренней поверхности резонатора; при этом добротность достигает 10 000—30 000. Все же погрешность составляет 10- 3 —10-4 . К недостаткам частотомеров с объемными резонаторами относится малое перекрытие, что приводит к необходимости иметь большое их число для измерения нужного диапазона частот.
Частотомеры с распределенными параметрами по способу включения в измеряемую цепь разделяют на проходные и поглощающие. Проходной частотомер снабжен двумя элементами связи — входным для связи с электромагнитным полем и выходным для связи с индикатором. Момент настройки в резонанс определяют по максимальному показанию индикатора (рис. 9, а). Поглощающий частотомер имеет один элемент связи — входной, а 
Рис. 8-9. Проходной (а) и поглощающий (б) частотомеры
индикатор включают в линию передачи (рис. 8-9, б). Пока частотомер не настроен в резонанс, показания индикатора максимальны;
при настройке часть энергии поглощается в резонаторе и показания индикатора уменьшаются.
МЕТОД СРАВНЕНИЯ
Метод сравнения для измерения частоты получил широкое распространение, благодаря его простоте, пригодности для использования практически в любом диапазоне частот и сравнительно высокой точности результата измерения. Измеряемая частота определяется по равенству или кратности образцовой частоте. Следовательно, для измерения частоты fx . методом сравнения необходимо иметь источник образцовых частот f обр индикатор равенства или кратности fx . и f обр . В качестве источника образцовых частот применяют образцовые меры частоты, так называемые стандарты частоты, с нестабильностью Ю-9 —10~11 за 1 сут.
Для градуировки генераторов измерительных сигналов используют синтезаторы частоты и другие генераторы, погрешность установки частоты которых на порядок, а нестабильность частоты за 30 мин — на 3 порядка меньше, чем у градуируемого генератора.
Индикатором равенства или кратности частот может быть осциллограф или нелинейный преобразователь частоты;

Рис. 10. К определению кратности частот
в соответствии с этим метод сравнения для измерения частоты реализуют двумя способами: осциллографическим и гетеродинным.
Похожие рефераты:
Устройства генерирования и канализации субмиллиметровых волн
Допплеровский измеритель скорости кровотока
Совершенствование метрологического обеспечения измерений в турбокомпрессорном цехе Узюм-Юганской ГКС
Оборудование летательных аппаратов
Кинематика и динамика поступательного движения
Электронные схемы для дома и быта
Методы позиционирования и сжатия звука


