| Похожие рефераты | Скачать .docx |
Курсовая работа: Расчёт усилителя мощности звуковой частоты
Задание
Спроектировать бестрансформаторный усилитель мощности звуковых частот, со следующими параметрами:
1.Выходная мощность Рвых =10 Вт
2.Сопротивление нагрузки RH = 4 ОМ
3.Амплитуда вход. сигнала Uвх = 1 В
4.Внутреннее сопротивление ист. сигн. Rвн = 100 Ом
5.Коэфициент гармоники Kис =1%
6.Границы рабочего диапазона – от f н = 60 Гц до f кон = 14000 Гц
7.Предел.изменения температуры окр. среды –от +10 до +50 °С
Введение
В настоящее время нет ни одной области науки и техники, где не применялась бы электроника. А основой электроники на сегодняшний день является усилительный каскад, основанный на применении транзистора. Они могут быть успешно использованы не только в классе устройств, для которых они разработаны, но и во многих других устройствах.
В электронных устройствах транзисторы могут включаться по схеме с общей базой (ОБ), с общим эмиттером (ОЭ) и общим коллектором (ОК). Наилучшими усилительными свойствами (усиление тока, напряжения и мощности) обладает транзистор в схеме с ОЭ. В схеме с ОБ усиление мощности сравнительно меньше, чем в схеме с ОЭ. Кроме того, в схеме с ОБ транзистор имеет сравнительно малое входное и большое выходное сопротивление, что затрудняет согласование каскадов. В схеме с ОК транзистор тоже обеспечивает меньшее усиление мощности. Однако в схеме с ОК транзистор имеет сравнительно большое входное и небольшое выходное сопротивления, и поэтому схема с ОК часто применяется в качестве согласующего каскада (выходного) между источником сигнала с высокоомным выходным сопротивлением и низкоомной нагрузкой. Наиболее же часто в электронных устройствах применяется включение транзистора по схеме с ОЭ. При разработке, изготовлении и эксплуатации полупроводниковых приборов следует принимать во внимание их специфические особенности. Высокая надежность радиоэлектронной аппаратуры может быть обеспечена только при учете таких факторов, как разброс параметров транзисторов, их температурная нестабильность и зависимость параметров от режима работы, а также изменение параметров транзисторов в процессе эксплуатации. Под воздействием различных факторов окружающей среды некоторые параметры, характеристики и свойства транзисторов могут изменяться. Для герметичной защиты транзисторных структур от внешних воздействий служат корпуса приборов.
Все большее распространение получают так называемые бескорпусные транзисторы, предназначенные для использования в микросхемах и микросборках. Кристаллы таких транзисторов защищены специальным покрытием, но оно не дает дополнительной защиты от воздействия окружающей среды. При конструировании устройств необходимо стремиться обеспечить их работоспособность в возможно более широких интервалах изменений важнейших параметров транзисторов. Разброс параметров и их изменение во времени при конструировании могут быть учтены расчетными методами или экспериментально - методом граничных испытаний.
1.Обзор научной технической базы по проектируемому устройству
Схем бестрансформаторных усилителей мощности звуковой частоты УМЗЧ существует достаточно много, начиная от ламповых, требующих высокое напряжение питания, до самых современных, представляющих собой интегральную микросхему (например TDA).
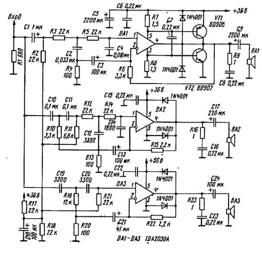
Начнём обзор со сложного трёхполосного УМЗЧ выполненного на ИС TDA.

Рис.1 Трёхполосной УМЗЧ.
Трехполосный усилитель мощности звуковой частоты, схема которого приведена на рисунке 1, обеспечивает номинальную выходную мощность в низкочастотном канале 30 Вт на нагрузке 4 Ом, в среднечастотном и высокочастотном - по 15 Вт на нагрузке 8 Ом. Резисторы R3 - R6, конденсаторы С2 и СЗ и микросхема DA1 образуют активный фильтр низших частот с граничной частотой 300 Гц. Элементы R10 - R15, С10-С13 вместе с DA2 полосовой фильтр 300...3000 Гц, a R19 - R22, С19 - С21 и DA3 - фильтр высших частот с частотой среза 3000 Гц. Крутизна скатов фильтров от 12 до 18 дБ на октаву. Коэффициент усиления канала НЧ составляет 34, каналов СЧ и ВЧ - 23. Цепи R9C8, R16C16, R23C23 служат для устойчивой работы микросхем DA1 - DA3 усилителя, диоды VD1 - VD6 защищают микросхемы от индуктивных выбросов на нагрузках. Делитель R17R18 обеспечивает половину напряжения питания на неинвертирующих входах микросхем DA1 - DA3. Наиболее близким отечественным аналогом примененных микросхем TDA2030A являются КР174УН19А. Транзисторы BD908 и BD907 можно заменить на транзисторы серий КТ864 и КТ865 соответственно (с одинаковыми буквенными индексами в паре): вместо диодов 1N4001 подойдут КД243 с любым буквенным индексом, а также любые другие на рабочий ток не менее 1 А и напряжение не менее 50 В. Эта схема является сложной и работает с разными нагрузками и полосами звуковых частот.
Основные требования к предварительным усилителям - малые нелинейные искажения сигнала (коэффициент гармоник- не более нескольких долей процента) и небольшой относительный уровень шумов и помех (не выше -66...-70 дБ), а также достаточная перегрузочная способность. Всем этим требованиям в значительной мере отвечает предварительный усилитель москвича В. Орлова (за основу он взял схему усилителя AU-X1 японской фирмы "Sansui"). Номинальные входное и выходное напряжения усилителя соответственно 0,25 и 1 В, коэффициент гармоник в диапазоне частот 20... 20000 Гц при номинальном выходном напряжении не превышает 0,05 %, а отношение сигнал/шум 66 дБ. Входное сопротивление усилителя 150 кОм, пределы регулирования тембра (на частотах 100 и 10000 Гц) от -10 до +6 дБ. Устройство предназначено для работы с УМЗЧ, входное сопротивление которого не менее 5 кОм. Усилитель (на рис. 2)

Рис.2. УМЗЧ с малым коэффициентом гармоник.
состоит из истокового повторителя на транзисторе VT1, так называемого мостового пассивного регулятора тембра (элементы R6-R11.1, С2-С8) и трехкаскадного симметричного усилителя напряжения сигнала. Регулятор громкости - переменный резистор R1.1 - включен на входе усилителя, что уменьшает вероятность его перегрузки. Тембр в области низших частот звукового диапазона регулируют переменным резистором R7.1, в области высших частот-переменным резистором R11.1 (резисторы R7.2 и R11.2 использованы в другом канале усилителя). Коэффициент передачи симметричного усилителя определяется отношением сопротивлений резисторов R18, R17 и при указанных на схеме номиналах равен примерно 16. Режим работы транзисторов оконечного каскада (VT6, VT7) задан падением напряжения, создаваемым коллекторными токами транзисторов VT4, VT5 на включенных в прямом направлении диодах VD1 - VD3. Подстроечный резистор R15 служит для балансировки усилителя. Питать усилитель можно как от источника, питающего УМЗЧ, так и от любого нестабилизированного выпрямителя с выходными напряжениями +18...22 и -Транзисторы КП303Д можно заменить на КП303Г, КП303Е, транзистор КП103М-на КП103Л, транзисторы КТ315В и КТ361В-транзисторами этих серий с индексом Г. Полевые транзисторы необходимо подобрать по начальному току стока, который при напряжении Uси=8 В не должен выходить за пределы 5,5...6,5 мА. Диоды Д104 вполне заменимы диодами серий Д220, Д223 и т. п. Регулировка сводится к установке подстроечным резистором R15 нулевого напряжения на выходе и подбору резистора R18 до получения при входном напряжении 250 мВ частотой 1000 Гц выходного напряжения, равного 1 В (движки резисторов R7, R11 - в среднем, а резистора R1 - в верхнем по схеме положении). Существенный недостаток описанного, да и многих других подобных устройств на транзисторах - сравнительно большое число элементов и, как следствие этого, довольно большие габариты монтажной платы. Значительно более компактными получаются предварительные усилители на основе операционных усилителей (ОУ). Примером может служить устройство, разработанное москвичом Ю. Солнцевым на базе ОУ общего применения К574УД1А(рис.3).

Рис.3. УМЗЧ на основе ОУ.
Проведенные им исследования показали, что коэффициент гармоник этого ОУ сильно зависит от нагрузки: вполне приемлемый при ее сопротивлении более 100 кОм, он возрастает до 0,1 % при уменьшении сопротивления нагрузки до 10 кОм. Для получения достаточно малых нелинейных искажений автор добавил к указанному ОУ так называемый параллельный усилитель, отличающийся практическим отсутствием искажений типа "ступенька" даже без отрицательной обратной связи (ООС). С ООС же коэффициент гармоник не превышает 0,03 % во всем звуковом диапазоне частот при сопротивлении нагрузки более 500 Ом. Остальные параметры предварительного усилителя следующие: номинальные входное и выходное напряжения 250 мВ, отношение сигнал / шум не менее 80 дБ, перегрузочная способность 15... 20 дБ. Как видно из схемы, устройство состоит из линейного усилителя с горизонтальной АЧХ на ОУ DA1 и транзисторах VT1 - VT4 ("параллельный" усилитель) и пассивного мостового регулятора тембра (элементы R12 - R14, R17 - R19, С6 - С9). Этот регулятор при необходимости можно исключить из тракта с помощью реле К1 (сигнал в этом случае снимают с делителя напряжения R10R11). Коэффициент передачи усилителя определяется отношением сопротивления резистора R3 к суммарному сопротивлению резисторов R2, R4. Мостовой регулятор особенностей не имеет. На низших частотах тембр регулируют переменным резистором R18.1, на высших - резистором R13.1. Резисторы R12, R14 предотвращают монотонный подъем и спад АЧХ за пределами номинального диапазона частот усилителя. Для нормальной работы регулятора тембра сопротивление нагрузки должно быть не менее 50 кОм. При работе с источником сигнала, выходное напряжение которого содержит постоянную составляющую, на входе усилителя необходимо включить разделительный конденсатор (на схеме изображен штриховыми линиями). Вместо указанных на схеме в усилителе можно применить транзисторы КТ3107И, КТ313Б, КТ361К (VT1, VT4) и КТ312В, КТ315В (VT2, VT3). Реле К1 - марки РЭС60 (паспорт РС4.569.436) или любое другое с подходящими габаритами и током и напряжением срабатывания. Диод VD1 - любой с допустимым обратным напряжением не менее 50 В. Для соединения с усилительным трактом применен разъемный соединитель МРН14-1 (на плате устанавливают его вилку). Для питания усилителя необходим двуполярный источник питания, способный отдать в нагрузку ток около 30 мА при напряжении пульсации не более 10 мВ (иначе при неудачном монтаже возможно появление заметного фона). Регулировка усилителя сводится к установке требуемого коэффициента передачи с подключенным регулятором тембра и без него. В первом случае нужного результата добиваются изменением сопротивления подстроечного резистора R4 (а если нужно, то и подбором резистора R2), во втором-подбором резистора R11.
Наиболее подходящим для проектирования является УМЗЧ с балансным дифференциальным входным каскадом
Технические характеристики усилителя:
Номинальная выходная мощность 55 Вт
Коэффициент гармоник 0,02
Полоса рабочих частот 20-50 000 Гц
Отношение сигнал-шум 89 дБ
Напряжение питания ±36 В
Ток покоя 100 мА
Одной из особенностей данного усилителя мощности является его питание от двухполярного источника. Это позволяет включить нагрузку между выходов усилителя и общим проводом без переходного конденсатора. Другая особенность состоит в применении входного балансного дифференциального каскада, обладающего хорошей термостабильностью.

Рис.4 УМЗЧ с балансным дифференциальным входным каскадом .
Усилитель состоит из входного каскада (транзисторы VT1, VT2}, каскада усиления напряжения (VT3), выходного (VT4-VT7), элементов защиты выходных транзисторов (VD3-VD6). Входной каскад выполнен по схеме дифференциального каскада с несимметричным выходом. Входной сигнал поступает на базу транзистора VT1 через разделительный конденсатор С1. Сигнал ООС подается с выхода через резистор R6 на базу транзистора VT2. Дифференциальный каскад сравнивает выходное напряжение с нулевым напряжением общего провода, и если по каким-либо причинам постоянное напряжение на выходе усилителя станет отличным от нуля, сигнал рассогласования с выхода дифференциального каскада поступает на выходной каскад, обеспечивая тем самым нулевое напряжение на выходе усилителя. С выхода дифференциального каскада сигнал поступает на усилитель напряжения и через резистор Д7 на выходной каскад. Выходной каскад выполнен на составных комплементарных транзисторах VT4, VT6 и VT5, VT7, обладающих большим входным и весьма малым выходным сопротивлениями. Диоды VD1 и VD2 создают начальное смещение выходного каскада и обеспечивают температурную стабилизацию тока покоя выходных транзисторов. Через конденсатор вольтдобавки С5 подключается ПОС в цель коллекторной нагрузки транзистора VT3, обеспечивая тем самым получение максимального размаха выходного напряжения. Диоды VD3, VD4 и VD5, VD6 защищают выходные транзисторы, шунтируя в случае перегрузки, переходы транзисторов. Элементы СЗ, С6, R.14, C7, L1 предотвращают самовозбуждение усилителя на высоких частотах. Для температурной стабилизации тока покоя выходных транзисторов диоды VD1 и VD2 устанавливают на общий с транзисторами VT6 VT7 теплоотвод. Катушка L1 намотана на резисторе R15 (МЛТ-2) и содержит 25 витков провода ПЭВ-2 0,8. Резисторы R12 и R13 изготовлены из высокоомного провода (манганин, константан).
На базе данной схемы в проекте будет рассчитан усилитель мощности для данных заданием параметров.
2.Расчёт бестрансформаторного усилителя мощности
2.1 Расчёт общих величин усилителя
Принимаем для усилителя мощности класса АВ коэффициент использования напряжения равный 0,8 т.е.
Uвых / Uвхус (1)
Транзисторы в плечах усилителя включены по схеме эмиттерного повторителя, значит коэффициент усиления напряжения КU <1.
Принимаем предварительно КU =1, тогда выходное напряжение будет:
U вых = U вх =1В (2)
Из формулы для расчёта выходной мощности :
Р = U 2 вых / RH = 12 /4 = 0,25 Вт << PH (3)
Следовательно, входной сигнал должен быть усилен до напряжения с амплитудой:
Uвхус
=
(4)
Исходя из этого принимаем двухполярное напряжение питания всего усилителя мощности Е = 13В.
Требуемая амплитуда выходного сигнала:
Uвых = Uвхус = 11,2*0,8=9 В, тогда
Рвых = Uвых 2 / (2 RH ) = 92 / 8 = 10 Вт
Коэффициент усиления предварительного входного усилителя должен быть:
Квх = U вхус / U вх = 11,2 / 1 =11,2 (5)
Т.к. выходной каскад усилителя питается от двухполярного источника питания +13 и -13В, имеет достаточно большой коэффициент усиления и малую частоту нижнего порога усиления, то выбираем в качестве входного усилительного каскада дифференциальный усилитель. Дифференциальный усилитель отличается повышенным коэффициентом усиления в отличие от каскада с ОЭ. Усилитель состоит из двух каскадов – входного , дифференциального, и выходного усилителя мощности класса АВ на комплементарных транзисторах.
2.2 Расчёт дифференциального усилителя
Режим покоя

Рис. 5. Дифференциальный усилитель в режиме покоя.
На рис.5 показан ДУ на транзисторах Q1 и Q4, ток которого задаёт токовое зеркало на транзисторах Q2 и Q3. В ДУ принимаем транзисторы n-p-nтипа BD 139 , которые имеют следующие параметры:
UКэ max = 220B; IKmax = 1A; Pном = 15Вт, h21э =124, fmax =1.5MГц , .
Принимаем сопротивления коллекторов ДУ R2 и R3 исходя из условия:
R2 =R3 >>2E / IKmax
Или R2 =R3 >>26 / 0,15=173 Ом
Принимаем сопротивления коллекторов ДУ R2 и R3 равными 1,5кОм.
Для распределения падений напряжений на ДУ справедливо равенство:
2Е = UR 2,3 + UQ 1,4 + UQ 3 (6)
Для баланса напряжения на выходе усилителя и отсутствия нелинейных искажений необходимо чтобы падения напряжений относительно, открывающих транзисторы +13В были:
UR 2,3 =E=13 Bтакже UБ Q 1,4 > Uвхус =11.2 B.
Иначе в сумме напряжение между +13 и базой Q1 ,будет:
Uc = 13+11.2 = 24.2 B(7)
Теперь определим ток покоя коллекторов ДУ:
IR 2,3 = UR 2,3 / R 2= 13/ 1500 = 8,7мА (8)
Ток покоя баз транзисторов ДУ:
IБ Q 1,4 = IR 2,3 / h21э = 8,7 / 124 = 0,07мА (9)
Тогда ток токового зеркала будет:
I 3 = 2 IR 2,3 + 2 IБ Q 1,4 = 2*8.7+2*0,07 = 17.54м A (10)
Определим задающее сопротивление зеркала – R4:
R4 = 2E/I 3 = 26 / 0.01754 = 1480 Ом (11)
Принимаем 1,2 кОм и подстроечное на 500 Ом
Из (6) получим, что падение напряжения на транзисторе Q3 UQ 3 <1.8B и равно:
UQ 3 = 1,8- UБЭQ1,4 = 1.8-0.7 = 1.1B(12)
Где UБЭQ1,4 = 0,7 В – падение напряжения на переходе база-эмиттер кремниевых транзисторов.
Определим сопротивления цепи баз ДУ R5 и R6 по формуле, выведенной из расчёта коэффициента усиления ДУ:
(13)
Принимаем R5 = R6 = 6800 Ом и дополнительное сопротивление равное сопротивлению источника R1(источника)=R11=100Ом.
Для зеркала тока принимаем транзисторы n-p-n типа 2n3393 , которые менее мощные (средней мощности) и имеют следующие параметры:
UКэ max = 37B; IKmax = 100мA; Pном = 3Вт, h21э =150, fmax =1MГц
Для стабилизации коэффициента усиления ДУ с помощью делителей на резисторах R7=R8 , R9=R10 и сопротивления транзистора, в цепи эмиттеров ДУ, равного RЭ = UQ 3 / I 3 = 1,1/0,01754 =63Ом осуществляется отрицательная обратная связь ООС. Из (7) известно падение напряжения на резисторах R7и R8 - Uc=24.2B , а на R9 и R10 из формул (6) и (12) вытекает, что U9,10 = 2E - Uc=1,8В
По условия независимости тока делителя от тока базы покоя ДУ (9) надо соблюсти:
I Д >> I Б Q 1,4 (14)
В работе принимаем IД =0,242мА, тогда сопротивления будут равны:
R 7= R 8 = Uc / I Д = 24.2 /0.000242 = 100 кОм (15)
Ток через резисторы R9 и R10 по первому закону Кирхгофа равен:
I 9,10 = I Д - I Б Q 1,4 = 0.242 – 0.07 =0.17 2 мА (16)
R 9 = R 10= U 9,10 / I 9,10 = 1,8 / 0,172 =10465 Ом (17)
Принимаем ближайшее стандартное значение R9 = R10= 10кОм.
Определим ёмкость разделительных кондесаторов С1 и С2 определяющих нижнюю частоту усиления УМЗЧ. Для этого найдем круговую частоту:
н=2 f н = 6,28*60 =376,8 рад / с
Откуда
С1 = С2=1/ ( н*( R 6+ R 11)) = 1 / (376.8*6900) = 0.384 мкФ (18)
Принимаем ближайшее стандартное значение С1 = С2=0,39мкФ.
2.3 Расчёт выходного усилителя мощности
Для работы выходного усилителя мощности в режиме АВ используем цепь смещения на диодах D1-D6 и сопротивлениях R13, R14. Диоды типа 1n3879 с максимальным обратным напряжением – 75В.
Выходное сопротивление ДУ примерно равно:
RвыхДУ = R3 + Rэ*h21Э = 1500 + 63*124 = 9312 Ом (19)
Для нормальной работы усилителя и повышения его КПД необходимо, чтобы параметр его транзисторов h21Э удовлетворял неравенству:
h21Э >> RвыхДУ / RH или h21Э >> 9312/4 = 2328 (20)
Максимальный ток коллектора должен быть:
Iк > Uвых / RH т.е. Iк > 9 / 4 = 2,25А (21)
Максимальное напряжение транзисторов:
UКЭ > Uвых = 9B(22)
Т.к. требуемый параметр h21Э очень велик, то выбираем транзисторы соединённые по схеме Дарлингтона с одинаковым значением h21Э = 500 большой мощности средней частотыf мах = 0,5МГц фирмы Zetex
– n-p-n тип ZTX 869 c UКэmax = 40B; Ikmax = 7A;
– p-n-p тип ZTX 968 c UКэmax = 20B; Ikmax = 10A.
Общий коэффициент передачи тока базы в схеме ОЭ для схемы Дарлингтона определится как произведение каждого из двух:
h21Эдар = 500*500 =250000 >> h21Э = 2328
Падение напряжения на прямосмещённом диоде этого типа 0,65В на 3 диодах, следовательно, будет 1,95 В и подбором сопротивлений R14=R13 в режиме покоя необходимо добиться этого. Итак, принимаем R14=R13=30кОм рис.6

Рис.6 Подбор сопротивлений смещения R13=R14=30 кОм в режиме покоя.
Далее для ограничения верхней частоты усиления вводим элементы в цепь нагрузки (R12) – это конденсатор С3 и резистор R17.
Принимаем R17=0,25Ом, чтобы слабо влияло на амплитуду выходного напряжения, тогда емкость определим по формуле:
С3 = (R12+R17)/(2 f R 12 R 17) = (4+0.25) / (6.28*14000*4*0.25) =48.3 мкФ (23)
Принимаем ближайшее стандартное значение С3 = 47мкФ – 16В.
Проанализируем полученную схему в программе Multisim.

Рис.7 Виртуальные осциллограммы входного (синяя) и выходного (чёрная) сигналов УМЗЧ, а также его ЛАЧХ.
Из выходной осциллограммы видно, что форма её повторяет входную синусойду и максимальное напряжение приближено к требуемым 9В. По ЛАЧХ видно, что на верхней частоте 14кГц, как требуется, коэффициент усиления уменьшается на 3дБ. Далее для узла выходного (OUT) 26 по виртуальной модели выполним анализ Фурье, из которого определим коэффициент гармоник выходного напряжения в полосе пропускания 1кГц.

Рис.8 Результаты анализа Фурье для 5 гармоник на частоте 1кГц.
Анализ Фурье показал, что коэффициент гармоник 0,95% , что удовлетворяет поставленным в проекте условиям.
Ниже приведена схема спроектированного усилителя.

Рис.9 Схема электрическая принципиальная спроектированного УМЗЧ.
Список использованных источников
1. В.В. Богданов. Расчет усилительных схем на дискретных элементах: Методические указания. - Пенза, 1991. -18 с.
2. Н.И. Чистяков. Справочник радиолюбителя - конструктора. - Москва, 1983. - 560 с.
3. Горюнов Н.Н., Клейман А.Ю., Комков Н.Н. Справочник по полупроводниковым диодам, транзисторам и интегральным схемам. - Москва, 1976. -744 с.
Похожие рефераты:
Электронные схемы для дома и быта
Усилители постоянного тока и операционные усилители
Электронные цепи и приборы (шпаргалка)
Волоконно-оптическая линия связи
Синхронные машины. Машины постоянного тока
Лекции по твердотельной электронике
Разработать лабораторный стенд для испытания устройств защиты судовых генераторов
Анализ и моделирование биполярных транзисторов
Компенсация реактивной мощности в системах электроснабжения с преобразовательными установками
Двухосный индикаторный стабилизатор телекамер на ВО
Модернизация релейной защиты на тяговой подстанции Улан-Удэ на базе микропроцессорной техники
Приемник цифровой системы передачи информации ВЧ-каналом связи по ВЛ